Система автоматизирующей обработки информации на рабочем месте начальника отдела кадров ООО завода 'ЖБИ-7'

  • Вид работы:
    Дипломная (ВКР)
  • Предмет:
    Информационное обеспечение, программирование
  • Язык:
    Русский
    ,
    Формат файла:
    MS Word
    1,81 Мб
  • Опубликовано:
    2013-02-11
Вы можете узнать стоимость помощи в написании студенческой работы.
Помощь в написании работы, которую точно примут!

Система автоматизирующей обработки информации на рабочем месте начальника отдела кадров ООО завода 'ЖБИ-7'

ВВЕДЕНИЕ

На сегодняшний день, развитие информационных технологий дало возможность автоматизировать ранее недоступные сферы человеческой деятельности. Информационные системы предназначены для управления различными информационными и справочными массивами, в число которых входят и базы данных. Эти системы организовывают определенный интерфейс пользователя с функциями обработки информации самой системы. Снижение стоимости при одновременном повышении производительности вычислительной техники, сделали экономически выгодными разработку и внедрение автоматизированных информационных систем не только на крупных промышленных предприятиях, но и в различных государственных и частных организациях.

Актуальность данного проекта обусловлена слабым уровнем автоматизации отдела кадров, существующим в данный момент на ООО заводе «ЖБИ-7», что снижает эффективность управления данными предприятия (сотрудниками) и увеличивает время обработки информации о работниках.

Создание АСОИУ (автоматизированной системы обработки информации и управления) - это не столько решение задач на ЭВМ, сколько внедрение принципиально нового подхода к совершенствованию системы обработки данных.

Целью проекта является разработка и внедрение программного продукта, автоматизирующего обработку информации на рабочем месте начальника отдела кадров ООО завода «ЖБИ-7».

Для достижения поставленной цели необходимо решить следующие задачи:

изучить проектно-технологическую документацию;

провести диагностический анализ системы управления предприятием;

установить перечень задач управления, решение которых целесообразно автоматизировать;

построить инфологическую и даталогическую модели;

разработать программный продукт;

рассчитать экономическую эффективность.

разработать мероприятия для обеспечения техники безопасности работников предприятия и оптимизации рабочих мест.

Объектом исследования является АСОИУ ООО завода «ЖБИ-7»

Предметом исследования - автоматизированное рабочее место начальника отдела кадров.

Методы исследования - методы системного анализа, эвристические и методы теории управления.

Практическая ценность созданного программного продукта обусловлена тем, что он может использоваться на ООО «ЖБИ-7», так как построен с учетом уникальных функциональных, организационных и управленческих особенностей данного предприятия, а также на предприятиях, где работа отдела кадров ещё не автоматизирована.

Теоретико-методологическими основами исследования явились базовые понятия теоретических основ автоматизированного управления, проектирования АСОИУ, системного анализа, моделирования систем, экономико-математические методы и модели, экономический анализ деятельности предприятия, анализ мероприятий по технике безопасности.

Работа была представлена на научной студенческой конференции в 2010 и 2011 гг. Имеется статья, опубликованная в журнале Abovo.

1. ДИАГНОСТИЧЕСКИЙ АНАЛИЗ ООО ЗАВОДА «ЖБИ-7»

.1 Общая характеристика предприятия

Общество с ограниченной ответственностью завод "Железобетонных изделий №7" создано в 1958 г.

Юридический адрес общества; 352630 Краснодарский край, г. Белореченск, ул. Майкопское шоссе, 4.

Целью создания деятельности Общества является:

расширение рынка товаров и услуг;

создание новых рабочих мест;

получение прибыли от реализации продукции и услуг.

Предметом деятельности общества является: производство железобетонных изделий, строительство объектов промышленного, гражданского и культурно-бытового назначения, выполнение проектно-сметных работ, производство строительных материалов, оказание услуг населению, выполнение работ по внедрению новейших технологий, связанных с ремонтом, строительством, обслуживанием жилых помещений, объектов производственного, административного, социально-бытового, культурного назначения, включая объекты агропромышленного комплекса, закупка, производство и реализация товаров широкого потребления, оказание всех видов посреднических услуг, оказание услуг транспортных, экспедиторских, складирования и хранения товаров и продуктов, организация собственной торговой сети и осуществление фирменной комиссионной, оптовой и розничной торговли товарами народного потребления, рекламно-сувенирной продукцией производственно-технического назначения, закупка и реализация горюче-смазочных материалов, выполнение работ по строительству жилья, социальных и промышленных объектов, а также сооружение транспортных коммуникаций и других объектов инфраструктуры, осуществление экспортно-импортных операций, коммерческих экономических сделок и проектов по другим видам деятельности, проведение исследований, консультаций и обучение в сфере организации производства, управления, маркетинга, внешнеэкономической деятельности, финансов и права, оказание информационно-справочных посреднических услуг при купле

продаже товаров производственно-технического бытового назначения.

Общество является юридическим лицом, и действует на основании законодательства актов Р.Ф. и Устава.

Общество имеет в собственности обособленное имущество, учитываемое на его самостоятельном балансе, может от своего имени приобретать и осуществлять имущественные и личные неимущественные права, нести обязанности, быть истцом и ответчиком в суде.

Общество может иметь гражданские права и нести гражданские обязанности, необходимые для осуществления любых видов деятельности, не запрещенных Федеральными Законами, если это не противоречит предмету и целям деятельности, определенно ограниченным уставом общества.

Общество вправе в установленном порядке открывать банковские счета на территории Российской Федерации и за ее пределами [22].

1.2 Описание организационной структуры

Организационная структура - один из основных элементов управления организацией. Она характеризуется распределениями целей и задач управления между подразделением и работниками организации [1].

Структура управления - это организационная форма разделения труда по принятию и реализации управленческих решений [1].

Таким образом, под организационной структурой управления необходимо понимать совокупность управленческих звеньев расположенных в строгой соподчиненности и обеспечивающих взаимосвязь между управляющей и управляемой системами.

Внутренним выражением организационной структуры управления является состав, соотношение, расположение и взаимосвязь отдельных подсистем организации.

В структуре управления организацией выделяются следующие элементы: звенья (отделы), уровни (ступени) управления; и связи: горизонтальные, вертикальные.

К звеньям управления относятся структурные подразделения, а также отдельные специалисты, выполняющие соответствующие функции управления либо их часть. К звеньям управления следует относить и менеджеров, осуществляющих регулирование и координацию деятельности нескольких структурных подразделений.

В основе образования звена управления лежит выполнение отделом определенной функции управления. Устанавливающиеся между отделами связи носят горизонтальный характер.

Под уровнем управления понимают совокупность звеньев управления, занимающих определенную степень в системах управления организацией. Ступени управления находятся в вертикальной зависимости и подчиняются друг другу по иерархии.

При разработке структуры управления важно исследовать специфику организационных связей и уже на базе этого вырабатывать рекомендации по созданию рациональной организационной структуры управления.

На ООО заводе «ЖБИ-7» линейная организационная структура, т.к.:

низшие уровни управления последовательно подчинены высшим;

во главе каждого подразделения поставлен руководитель-единоначальник, который решает все вопросы управления этим подразделением.

1.3 Описание функциональной структуры

Промышленное предприятие предназначено для организации, обеспечения и осуществления производственного процесса изготовления определенного вида продукции. В составе предприятия можно выделить следующие составляющие:

производственные подразделения, непосредственно участвующие в производственном процессе;

службы управления, планирующие, контролирующие и корректирующие работу производственных подразделений.

Всякое управление предполагает наличие управляемого объекта или группы объектов. Кроме управляемого объекта должен существовать некоторый управляющий орган, который воздействует на управляемый объект, изменяя состояние последнего в желательном направлении. Управление представляет собой воздействия, направленные на поддержание или улучшение функционирования управляемого объекта в соответствии с имеющейся программой или целью управления. Эти воздействия вырабатываются управляющим органом в дальнейшем называемым системой управления [13].

Система управления исследуемой организации относится к классу сложных вероятностных систем, что подразумевает участие человека в процессе принятия управленческих решений для нейтрализации возмущающих факторов, отклоняющих деятельность организации от заданного состояния. Система управления данного предприятия - это иерархическая структура управления, для которой характерна модель полного жизненного цикла управленческого решения. Поэтому формирование структуры управления основано на специализации и разделении управленческой деятельности. Для достижения максимальной эффективности функционирования всех отделов необходима автоматизированная система управления [13].

Достижение поставленных целей зависит от правильности выбора определенных функций управления, оптимально подобранных и скорректированных с учетом предметной области и особенностей данного предприятия.

1.3.1 Изучение функциональных областей

Функционирование организации ООО «ЖБИ-7» предполагает достижение заранее определенного множества целей путем решения множества задач, сгруппированных по определенному признаку в подмножества.

Для того чтобы иметь более полное представление о функционировании организации, необходимо определить функциональные области и процессы, протекающие в этих областях. Каждая функциональная область включает в себя ряд процессов или функций.

В таблице 1.1 представлен перечень конкретных функциональных областей и протекающих в них процессов.

Таблица 1.1 - Функциональные области и процессы их составляющие

Функциональная область

Процессы, протекающие в функциональных областях

1. Управление предприятием

1.1. Контроль за процессом производства;  1.2. Контроль за качеством процесса производства. 1.3. Контроль за документооборотом.

2. Управление производством

2.1. Принятие решений о выборе технологии изделия плит и арматуры; 2.2. Разработка стратегий развития; 2.3. Расчёт количества топлива для заправки автотранспорта в ОГМ (отделе главного механика); 2.4. Выбор стратегии работы КПП (контрольно-пропускного пункта); 2.5. Разработка стратегий развития токарных работ и закупка станков.

3. Управление обеспечением необходимым уровнем тех. подготовки

3.1.Обслуживание и ремонт оборудования во всех цехах завода; 3.2.Обеспечение здоровых и безопасных условий труда для подчинённых исполнителей;  3.3. Определение потребности в материалах, ресурсах и комплектующих; 3.4. Распределение материалов.

4. Управление бухгалтерским учетом

4.1 Формирование учетной и налоговой политики; 4.2 Учет основных средств; 4.3 Начисление заработной платы; 4.4 Движение денежной наличности; 4.5. Учет всех хозяйственных операций.

5. Управление кадрами

5.1 Подбор, расстановка и воспитание кадров; 5.2 Планирование отпусков; 5.3 Организация и проведение всех видов подготовки и повышения квалификации кадров; 5.4 Учет больничных листов.

6. Управление финансами

6.1 Реализация финансовой стратегии и финансовой политики завода; 6.2 Управление капиталовложениями; 6.3 Управление фондами предприятия.


1.3.2 Анализ целей

Цель - это конечный желаемый результат, который определяется в процессе планирования и регулируется функциями управления.[1] Цели, как правило, задаются в виде общих целевых установок для системы в целом и поэтому нуждаются в детализации и конкретизации по мере продвижения вниз по уровням иерархической структуры системы. Чем точнее сформулированы цели системы, тем легче выбрать средства для их реализации.

В таблице 1.2 приведены цели функционирования организации, средства их достижения и критерии оценки эффективности.

Таблица 1.2 - Основные цели функционирования ООО «ЖБИ-7»

Цель

Средства достижения

Критерий эффективности

1. Выгодная реализация строительной продукции.

1.1 Повышение уровеня состояния механизации и автоматизации основных и вспомогательных производственных процессов.  1.2 Повышение квалификации кадров.  1.3 Использование для выполнения отдельных строительных работ специализированные комплекты машин рациональной структуры, в которых качественный и количественный состав машин определяется не только по производительности, но и по технико-экономическим показателям их работы.

Повышение качества выпускаемой продукции

2. Развитие социальной инфраструктуры.

2.1 Использование новых технологий.  2.2 Оптимизация структуры управления. 2.3 Рациональная организация труда и отдыха. 2.4 Повышение благосостояния коллектива.

Уменьшение текучести кадров

Цель

Средства достижения

Критерий эффективности

3. Модернизация организации

3.1 Обучение работников навыкам работы с ЭВМ.  3.2 Оснащение цехов и помещений организации современным оборудованием.

Повышение эффективности функционирования организации


Ввиду сложности целей, стоящих перед системой, возникает необходимость в их декомпозиции. Такую возможность создают методики построения дерева целей.

Дерево целей - это структурированная, построенная по иерархическому принципу (распределенная по уровням, ранжированная) совокупность целей экономической системы, в которой выделены генеральная цель («вершина дерева»); подчиненные ей подцели первого, второго и последующего уровней («ветви дерева»).[2] Дерево целей позволяет представить полную картину взаимосвязей будущих событий вплоть до получения перечня конкретных задач и информации об их относительной важности. Оно обеспечивает работу по доведению целей до непосредственных исполнителей путем построения соответствия между организационной структурой управления и структурой целей.

При построении дерева целей используются такие их свойства, как соподчиненность, развертываемость и соотносительная важность.

Для построения конечной, иерархичной и в тоже время максимально простой модели дерева целей, необходимо выполнение следующих принципов [13]:

принцип полноты (достижение совокупности возникающих при декомпозиции целей должно быть достаточным условием для реализации декомпозируемой цели);

принцип суперпозиций подцелей (необходимо стремиться, чтобы при декомпозиции подцели одного уровня были относительно независимыми, т. к. это упрощает проектирование организации). В случае независимости декомпозируемая цель будет аддитивной суммой подцели;

принцип конечности декомпозиции (результатом декомпозиции должно быть конечное дерево, т.е. алгоритм декомпозиции должен заканчиваться за конечное число шагов).

Признаком завершения построения дерева целей является формулировка таких целей, которые дальше не расчленяются и дают конечные результаты, определенные главной целью. Компоненты дерева целей приведены в таблице 1.3. Используя таблицу, строим дерево целей (рисунок 1.3).

Таблица 1.3 - Компоненты дерева целей

Компонент

Содержание компонента

С0

Получение максимальной прибыли от реализации готовой продукции.

С1

Повышение качества подготовки специалистов

С1.1

Совершенствование материально-технической базы.

С1.1.1

Сбор максимального количества информации о новом оборудовании

С1.1.2

Своевременное и качественное освоение новых технологий изготовления железобетонной продукции

С1.2

Повышение квалификации кадров

С1.2.1

Привлечение наиболее квалифицированных кадров извне

С1.2.2

Своевременное проведение работ по повышению квалификации работников

С1.3

Стимулирование труда

С1.3.1

Эффективное материальное стимулирование

С1.3.2

Эффективное моральное стимулирование

С2

Модернизация предприятия

С2.1

Обучение работников навыкам работы с ЭВМ

С2.2

Оснащение предприятия современным оборудованием

С2.2.1

Контроль за физическим износом оборудования

С2.2.2

Контроль за моральным состоянием оборудования

С2.2.3

Рациональное внедрение нового оборудования

С3

Осведомление потребителей о продукции завода.

С3.1

Обеспечение высокой рекламной активности.

С3.2

Фокусирование рекламного сообщения на целевую аудиторию.


Рисунок 1.1 - Дерево целей ООО «ЖБИ-7»

1.4 Построение организационно-управленческой структуры

Организационная структура управления - это состав, взаимосвязь и соподчиненность совокупности организационных единиц, выполняющих различные функции по управлению заводом. Такая структура формируется, исходя из состава, содержания и трудоемкости выполнения общих и специальных функций управления. Организационно - управленческая структура имеет пирамидальное строение, т. е. содержит несколько иерархических уровней [2]. Иерархическое построение системы обеспечивает ее повышенную устойчивость к внешним возмущениям, способствует локализации конфликтов, возникающих между отдельными элементами, и согласует отдельные цели подсистем с общими целями всей системы.

К высшему уровню управления ООО «ЖБИ-7» относится:

генеральный директор ООО завода «ЖБИ-7»;

зам. директора по производству;

зам. директора по коммерческим вопросам;

главный инженер;

главный бухгалтер;

начальник отдела кадров.

В соответствии с организационно-управленческой структурой предприятия общее руководство осуществляет генеральный директор, права и обязанности которого по управлению предприятием, определены Уставом.

Заместитель директора по производству при обнаружении неисправностей оборудования, техники, зданий, незамедлительно информирует руководителя соответствующего обеспечивающего подразделения. Ему подчиняются: начальник формовочного цеха, начальник арматурного цеха, главный механик и начальник службы безопасности.

Заместитель директора по коммерческим вопросам осуществляет руководство финансово-хозяйственной деятельностью предприятия в области материально-технического обеспечения, заготовки и хранения сырья, сбыта продукции на рынке и по договорам поставки, транспортного и административно-хозяйственного обслуживания, обеспечивая эффективное и целевое использование материальных и финансовых ресурсов, снижение их потерь.

Главный инженер определяет техническую политику и направления технического развития предприятия в условиях рыночной экономики, пути реконструкции и технического перевооружения действующего производства, уровень специализации производства.

Главный бухгалтер осуществляет бухгалтерский учет, планирует и контролирует финансовые показатели предприятия. В своей деятельности руководствуется Уставом предприятия и существующим законодательством. Подчиняется непосредственно генеральному директору предприятия.

Начальник отдела кадров обеспечивает прием, размещение и расстановку специалистов, совместно с руководителями подразделений организует их стажировку и адаптацию в компании, а также организует своевременное оформление приема, перевода и увольнения работников в соответствии с трудовым законодательством, положениями, инструкциями и приказами руководителя предприятия.

Рисунок 1.2 - Организационно-управленческая структура ООО «ЖБИ-7»

ООО «ЖБИ-7» имеет сложную и разветвленную структуру управления. Она включает в себя три уровня управления: высший, средний, оперативный.

К высшему уровню относится дирекция. На этом уровне определяется политика развития, перспективные планы и главные цели.

Сфера управленческой деятельности на высшем уровне управления характеризуется как обширная, имеющая высокий уровень сложности и длительную временную перспективу.

К среднему уровню управления относятся службы и отделы, подчиняющиеся непосредственно директору, - его заместители. На среднем уровне управления решения высшего руководства преобразуются в конкретные планы, задания по улучшению качества ремонтируемого оборудования. На среднем уровне планы и задания пересматриваются до тех пор, пока не будет достигнуто соглашения по всем спорным вопросам.

Результатом деятельности являются: точные производственные задания, графики, стандарты, которые спускаются на нижний уровень управления.

К низшему (оперативному) уровню управления относятся отделы и службы предприятия, непосредственно относящиеся к процессу производства железобетонной продукции, токарные работы, учет изделий, продажа и работа с клиентами и так далее.

Из описания уровней управленческой структуры видно, что все уровни управления очень тесно взаимосвязаны и деятельность всех уровней зависит друг от друга. Только очень точное согласование всех управленческих решений по всем уровням приведет к выполнению целей стоящих перед предприятием.

Точное согласование управленческих решений возможно при наличии достоверной и своевременной информации циркулирующей между управляющими уровнями. Обеспечение такой информацией возможно при использовании АСОИУ.

.5 Анализ проблемных ситуаций

Определение путей совершенствования процесса организации невозможно без выявления, анализа и решения существующих проблемных ситуаций. К ним могут относиться противоречия в обследуемом объекте (по вертикали и по горизонтали), трудности (помехи, нехватки), неопределенность целей, связей и т.д. Проблемные ситуации проявляются резко каждая в отдельности. Как правило, это взаимосвязанное множество проблем, затрагивающих различные сферы деятельности предприятия. Выделение и решение глобальных проблем всегда содействует устранению многих второстепенных проблем.

Проблемные ситуации не проявляются резко, каждая в отдельности. Как правило, это взаимосвязанное множество проблем, затрагивающее различные сферы деятельности организации, и решение глобальных проблем всегда приводит к устранению многих второстепенных.

На основании проведенного анализа выделен ряд проблемных ситуаций (таблица 1.4), устранение которых должно способствовать повышению уровня функционирования предприятия.

Таблица 1.4 - Проблемы и методы их решения

Проблемы

Методы разрешения

1 Устаревание технологий

1.1 Внедрение новых технологий; 1.2 Обучение специалистов; 1.3 Автоматизация процессов; функционирования предприятия.

2 Трудности подбора высококвалифицированных кадров

2.1 Привлечение высококвалифицированных кадров;  2.2 Подготовка кадров;  2.3 Повышение квалификации сотрудников.

3. Длительное время обработки документов в отделе кадров, в связи с отсутствием автоматизированной рутинной работы

3.1 Автоматизация документооборота в работе отдела кадров; 3.2 Автоматизация учета работников; 3.3 Создание АРМ начальника отдела кадров.


В результате проведения нами обследования выявлена проблема автоматизации рабочего места начальника отдела кадров предприятия и предложен ряд мер, выполнение которых позволит решить данную проблему.

Для эффективного решения данной проблемы необходимо создание автоматизированного рабочего места (АРМ) начальника отдела кадров.

АРМ представляет собой проблемно-ориентированный программно-технический комплекс, включающий технические и программные средства, информационное и методическое обеспечение для решения задач пользователя непосредственно на его рабочем месте.[6]

1.6 Выбор проблемы для автоматизации

В результате проведения обследования ООО «ЖБИ-7» была выявлена слабая автоматизация начальника отдела кадров.

Для эффективного решения этой проблемы было положено создание автоматизированного рабочего места (АРМ) - это всегда специализированная система, набор технических средств и программного обеспечения, ориентированного на конкретного специалиста [1].

Одной из первоочередных задач требующих разрешения с точки зрения автоматизации является автоматизация рабочего места начальника отдела кадров.

1.7 Анализ информационных потоков по выбранной проблеме

Анализ информационных потоков для описания модели объекта управления может проводиться на документальном уровне. При этом потоки информации рассматриваются в виде документооборота, существующего в объекте управления.

Документ - это материальный объект с закрепленной в нем информацией для передачи ее во времени и пространстве [6].

Носителем информации может быть бумага, перфокарта, фотоплёнка, магнитофонная лента и т.п. Документы могут содержать тексты на естественном или формализованном языке, изображения, звуковую информацию и др.

По содержанию документы делятся на научно-технические (статьи, книги, патенты, технические отчёты и описания), правовые (постановления, указы, договоры и др.), управленческие (приказы, директивы) и др.

Документы могут быть первичными и вторичными (реферат, аннотация, обзор и т.д.) [6].

Виды обработки документов делятся на семантические (перевод, реферирование, аннотирование) и несемантические (копирование, размножение, микрофильмирование).

Изучение информационных потоков позволяет определить информационные связи как всего общества в целом, так и его подразделений.

Таким образом, анализ информационных потоков по выбранной проблеме заключается в изучении документооборота в этой области. Для более наглядного представления информационных потоков строится таблица-схема документооборота.

Документооборот - это все возможные перемещения документов: поступление, выбытие, различные внутренние перемещения в разрезе какой-либо фирмы (приказы, решения собраний), а также перемещения внешние с другими фирмами-партнёрами (например, накладные, счета-фактуры, транспортные накладные, сертификаты и т.д.) [1].

Каждый документ в таблице-схеме занимает свою горизонталь. Документооборот ООО «ЖБИ-7» представлен в таблице 1.5.

Таблица 1.5 - Перечень используемых документов

Наименование документов

Кем готовится

Кем используется

Тип

Периодичность

Кол. экз.

 

1

Договор

Клиент, директор

Директор, Главный инженер, бухгалтерия.

1

Любая

2

 

2

Приказ о принятии на работу

Начальник отдела кадров

Отдел кадров, директор.

4

Любая

2

 

3

Приказ об увольнении

Начальник отдела кадров

Отдел кадров, директор.

2

Любая

2

 

4

Приказы о поощрениях, повышении квалификации и о предоставлении отпуска

Начальник отдела кадров, директор.

Отдел кадров, директор

4

Любая

2

 

5

Годовой баланс

Гл. бухгалтер

Бухгалтерия, директор

4

Ежегодно

2

6

Счет-фактура

Гл. бухгалтер

Бухгалтерия

2

Ежедневно

2

7

Счета на оплату коммунальных услуг

Коммунальные службы

Бухгалтерия

4

Ежемесячно

1

8

Накладные

Начальник отдела сбыта

Отдел сбыта

1

Ежедневно

2


Выводы

В первой главе дипломного проекта произведен диагностический анализ ООО завода «ЖБИ-7». В результате обследования представлены: организационная структура управления, функциональная структура управления, дерево целей, организационно-управленческая структура, проблемные области, исследован документооборот, изучены потоки информации на предприятии, установлен перечень задач управления, решение которых целесообразно автоматизировать, выбрана проблема для автоматизации.

Кроме того, нами были определены основные пути повышения эффективности производственной деятельности за счет усовершенствования автоматизации информационных потоков. Выявлено, что необходимо автоматизировать рабочее место начальника отдела кадров, потому что все документы, обращающиеся в этом отделе, заполняются вручную и хранятся в обычных папках, а не в электронном виде.

2. КОНЦЕПТУАЛЬНЫЙ ПЛАН СОЗДАНИЯ АСОИУ ООО ЗАВОДА «ЖБИ-7»

.1 Общее описание АСОИУ ООО завода «ЖБИ-7»

Автоматизированная система управления - комплекс аппаратных и программных средств, предназначенный для управления различными процессами в рамках технологического процесса, производства, предприятия. [9]. АСУ применяются в различных отраслях промышленности, энергетике, транспорте и т. п. Термин автоматизированная, в отличие от термина автоматическая подчеркивает сохранение за человеком-оператором некоторых функций, либо наиболее общего, целеполагающего характера, либо не поддающихся автоматизации.

Согласно теории автоматизированного управления, эффективно функционирующая АСОИУ может быть создана на основе следующих принципов [13]:

Системный анализ - научно - методическая основа разработки АСОИУ (необходимо анализировать как управляющую и управляемую части системы, так и ее внешнюю среду).

Принцип непрерывного развития системы предусматривает возможность ввода и совершенствования решаемых задач как при поэтапном вводе системы в действие, так и при дальнейшем ее развитии, сохраняя при этом целостность системы и взаимосвязи между задачами. Этот принцип связан с гибкостью, адаптацией системы к изменениям во внешней среде.

При проектировании АСОИУ, для которой существуют аналоги, следует использовать опыт предыдущих разработок. Каждый раз, когда в проекте используется иное решение, его необходимо обосновать соответствующим системным анализом.

В АСОИУ необходимо автоматизировать расчеты по тем или иным моделям, а также все остальные процессы, связанные с движением информации - сбор, хранение, передачу данных и вывода их для использования в виде подготовленных машиной документов или в иной удобной форме. В наиболее полно автоматизированной системе традиционная форма документа, представленного на бумаге, либо отсутствует, либо имеет ограниченное применение для некоторых специальных случаев.

Принцип однократного ввода данных означает, что независимо от числа задач, в которых используется какие-либо сведения, числа обращений к ним, ввод их в ЭВМ должен осуществляться лишь один раз с последующей выдачей по мере необходимости из памяти машины.

Разрабатываемые АСОИУ должны обладать способностью некоторой компенсации нарушений функций отдельных частей и устройств.

С самого начала разработки АСОИУ важно предусмотреть поэтапный ввод ее в эксплуатацию. Это позволяет при ограниченных ресурсах быстрее получить реальный эффект, обеспечивает более плавный переход сотрудников к работе в новых условиях, улучшает отработку и апробацию отдельных частей системы, повышает уверенность в ее будущей успешной работе [9].

АРМ - технология как концепция разработки АСОИУ реализуется в виде системы интегрированных АРМ на базе ПЭВМ и применяется на предприятиях, которые оперируют небольшим объемом информационных потоков или содержат малое число функциональных подразделений, что не вызывает необходимости приобретения центральной высокопроизводительной ЭВМ [20].

.2 Описание функциональной структуры АСОИУ ООО завода «ЖБИ-7»

В результате изучения АСОИУ предприятия как сложной системы возникает задача определения её внутренней структуры. В процессе структуризации система разделяется на части, имеющие меньшую сложность, на подсистемы и их элементы. При этом должны решаться вопросы выбора и реализации определённых принципов деления системы. Подсистемы могут быть разделены по функциям управления, видам средств, обеспечивающих целостное функционирование системы, уровнями иерархии системы и другим признакам [1].

Как любая сложная система АСОИУ имеет множество подсистем. Подсистемы, входящие в функциональную часть АСОИУ называются функциональными подсистемами АСОИУ. Они составляют содержательную часть автоматизированной системы и в них сосредотачиваются задачи, реализующие определенные функции системы управления.

Подсистемы, входящие в обеспечивающую часть АСОИУ, называют обеспечивающими подсистемами АСОИУ, они создают условия для работы функциональных подсистем.

К обеспечивающим подсистемам относятся:

информационное обеспечение - совокупность данных, языковых средств описания данных, методов организации, хранения, накопления и доступа к информации, а также способов ее отображения и представления пользователям (например, системы баз данных, объединенные в информационную модель предметной области);

организационное обеспечение - совокупность средств и методов, предназначенных для проведения технико-экономического анализа существующей системы управления, выбора и постановки задачи автоматизации управления фирмой, организации управления и производства в условиях АСОИУ;

техническое обеспечение - комплекс технических средств, осуществляющих регистрацию, сбор, передачу, обработку, отображение, защиту, хранение информации, средства оргтехники и устройства управления ими, связанных единым техническим процессом преобразования информации;

математическое обеспечение - совокупность средств и методов реализации экономико-математических моделей в управлении предприятием, математический аппарат описания задач управления и методы их решения;

программное обеспечение - пакеты прикладных программ, технологии программирования [1].

Взаимодействие выделенных подсистем обобщим в виде схемы, представленной на рисунке 2.1:

Рисунок 2.1 - Функциональная структура АСОИУ ООО завода «ЖБИ-7»

Описание существующих, разрабатываемых, а так же планируемых к разработке функциональных подсистем и АРМов представлено в таблице.

Таблица 2.1 - Существующие функциональные подсистемы и АРМ

Наименование П/С или АРМ

Назначение

Отделы

Примечания

1. Автоматизированная п/с «Управление»: 1.1. АРМ Директора; 1.2. АРМ зам. директора.

Разработка стратегии развития, управление предприятием путем принятия управленческих решений

Директор, зам. директора

Существует

2. Автоматизированная п/с «Бухгалтерия»: 2.1. АРМ главного бухгалтера; 2.2. АРМ «Экономиста»

Составление отчета о движении финансовых средств, расчет фонда заработной платы, взыскания в установленные сроки дебиторской и погашение кредиторской задолженностей.

Бухгалтерия

Существует

3. Автоматизированная п/с «Обеспечение»: 3.1. АРМ начальника отдела кадров

Планирование численности рабочих, комплектование штатов, переподготовка кадров, планирование отпусков.

Начальник отдела кадров

Разрабатывает-ся


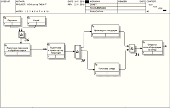
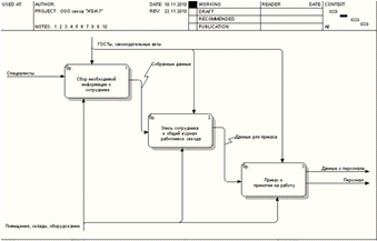
Ниже представлена схема функционирования ООО завода «ЖБИ-7» в виде диаграмм в BPWin:

Рисунок 2.2 - ООО завод «ЖБИ-7»

Рисунок 2.3 - Деятельность ООО завода «ЖБИ-7» (декомпозиция первой диаграммы)

Рисунок 2.4 - Работа Отдела кадров

Рисунок 2.5 - Работа производственного отдела

2.3 Информационное обеспечение АСОИУ

Любая система управления, в том числе автоматизированная, не может работать без информации о состоянии управляемого объекта и внешней среды, без передачи информации о принятых управляющих воздействиях. Определение оптимальных объемов информации, поступающей в различные органы управления и распределения потоков информации во времени и пространстве - необходимое условие эффективного функционирования АСОИУ.

Своевременное обеспечение системы управления всеми необходимыми сведениями и является основной функцией информационного обеспечения.

Информационное обеспечение АСОИУ представляет собой совокупность данных, языковых средств описания данных, методов организации хранения, накопления и доступа к информационным массивам, обеспечивающих выдачу всей информации, необходимой в процессе решения функциональных задач АСОИУ и справочной информации абонентам системы [13].

Информационное обеспечение можно подразделить на внутримашинное и внемашинное. Внутримашинное информационное обеспечение содержит:

систему программ организации, накопления, ведения и доступа к данным;

массивы данных на машинных носителях.

Немашинное информационное обеспечение включает:

систему классификации и кодирования информации;

систему нормативно-справочной документации;

оперативную документацию;

систему организации ведения, хранения, внесения изменений в нормативную документацию.

Основные элементы системы информационного обеспечения АСОИУ - информационные массивы, предназначенные для постоянного или временного хранения информации, которой обмениваются между собой внешние и внутренние по отношению к системе источники и потребители информации.

Массив представляет собой совокупность данных, объединенных единым смысловым содержанием, которое обычно отражается в его названии.

Основными элементами массивов, определяющими их содержание, являются записи - наименьшие элементы массива, которыми оперируют пользователи массива при обработке информации. Наименьший элемент записи, имеющий единое смысловое значение - информационное поле.

Основное назначение информационного обеспечения состоит в создании динамической информационной модели объекта, отражающей его исходное состояние в текущий или предшествующий момент времени.

В данном проекте рассматривается информационное обеспечение не всей АСОИУ, а только АРМ начальника отдела кадров, так как описание всех обеспечивающих и функциональных подсистем АСОИУ невозможно вместить в рамки дипломного проектирования и тем более выполнить за отведенный для проектирования срок.

.4 Математическое обеспечение АСОИУ

Математическим обеспечением считают совокупность математических методов, моделей и алгоритмов обработки информации, применяемых в автоматизированной системе управления.

К средствам математического обеспечения относятся:

средства моделирования процессов управления;

типовые задачи управления;

методы математического программирования, математической статистики, теории массового обслуживания и другие.

Обычно математическое обеспечение состоит из общего и специального обеспечения. Общее математическое обеспечение - машинно-ориентированное, и обычно реализуется в виде программ операционной системы, управляющих всеми внутренними и внешними устройствами, а также в виде тестовых и диагностических программ, проверяющих исправность и выявляющих неисправные узлы и блоки оборудования. Специальное математическое обеспечение является проблемно-ориентированным и реализуется в виде комплекса программ, организующих работу технических средств решающих задачи в АСОИУ.

Специальное математическое обеспечение делится на [6]:

общесистемное, обеспечивающее функционирование системы управления в заданном режиме, включая управление работой ЭВМ и других технических средств, решение ряда задач по типовым схемам, которые могут быть необходимы многим пользователям;

прикладное, состоящее из прикладных программ в соответствии с индивидуальными особенностями решаемых задач.

Для автоматизации рабочего места начальника отдела кадров необходимо применить методы оптимизации, основанные на математических методах сетевого планирования и управления, а также необходимо провести анализ использования персонала предприятия. Для этого в основном применяются методы:

сравнения фактических показателей с плановыми;

метод детерминированного факторного анализа.

Квалификационный уровень работников во многом зависит от их возраста, стажа работы, образования и т.д. Поэтому в процессе анализа изучают изменения в составе рабочих по этим признакам. Изменения качественного состава персонала происходят в результате его движения. Для характеристики движения рабочей силы рассчитывают и анализируют динамику следующих показателей [2]:


; (1)

коэффициент оборота по выбытию (Кв):

; (2)

коэффициент текучести кадров (Ктк):

; (3)

коэффициент постоянства состава персонала предприятия (Кпс):

. (4)

2.5 Организационное обеспечение АСОИУ

Организационное обеспечение АСОИУ - совокупность документов, устанавливающих организационную структуру, права и обязанности пользователей и эксплуатационного персонала в условиях функционирования, проверки и обеспечения работоспособности АСОИУ.

Организационная структура - это совокупность специалистов по компьютерам различного профиля, обеспечивающих бесперебойное функционирование АСОИУ [6].

Нормальное функционирование АСОИУ на ООО заводе «ЖБИ-7» поддерживается сотрудниками вычислительного центра, в обязанности которых входит:

поддерживать надёжное функционирование общего программного обеспечения;

своевременно внедрять новые программные продукты общего ПО;

вести статистику всех сбоев и недочетов в работе ПО;

проводить обучение сотрудников работе с внедряемыми программными продуктам;

проектировать новые программные продукты;

обеспечивать обновление частей АСОИУ;

поддерживать все программные продукты АСОИУ в работоспособном состоянии;

разбираться со всеми возникающими ошибками в работе АСОИУ в части специального ПО;

консультировать операторов, пользователей других специалистов по специфике функционирования специального ПО;

обеспечивать бесперебойное функционирование АСОИУ.

Эксплуатация комплекса АРМ-ов, автоматизирующих анализ хозяйственной деятельности предприятия, предусматривает достижение следующих целей:

снижение трудоемкости и стоимости анализа информации;

сокращение сроков обработки данных, повышение их качества и достоверности;

создание условий для перехода к безбумажной технологии обработки данных;

обеспечение директивных сроков представления установленных результатов анализа;

совершенствование организации труда работников, занимающихся анализом и обработкой информации.

Применение ЭВМ в хозяйственной деятельности предприятия представляет новые возможности, обусловленные особенностями ПЭВМ: низкая стоимость, высокая производительность, надежность, простота обслуживания и эксплуатации, гибкость и автономность использования, наличие развитого программного обеспечения, диалоговый режим работы и др.

.6 Описание технического обеспечения

Техническое обеспечение АСОИУ - это комплекс технических средств (КТС), объединенных единым технологическим процессом. Также в состав технического обеспечения входят методические и руководящие материалы, техническая документация и персонал [9].

Под комплексом технических средств понимается совокупность взаимосвязанных и автономных технических средств фиксации, сбора, подготовки, накопления, обработки, вывода и представления информации и устройств управления ими, а также средств организационной техники, предназначенной для решения задач АСОИУ и информационного обмена между техническими средствами.

Для обеспечения работы АСОИУ, на предприятии установлены IBM совместимые компьютеры на базе процессора Intel Pentium-3 и Intel Pentium-IV имеющие следующие характеристики:

ОЗУ от 128 до 1024 Мб;ROM 52x;от 40Гб до 500Гб;

Видеоадаптер SVGA от 32 Мб до 512 Мб;

мониторы NEC, LG от 15" до 17";

мышь TECH BW-26 PS/2 + USB optic.

Большая часть компьютеров оснащена принтерами Canon LBP 2900, Canon LBP 1120. Численность компьютеров данного класса составляет 11 штук. Все компьютеры объединены в локальную сеть.

.7 Программное обеспечение

Программное обеспечение АСОИУ представляет собой совокупность программных средств, обеспечивающих реализацию целей и задач автоматизированной системы обработки информации и управления, функционирующих на комплексе технических средств АСОИУ [13].

Программное обеспечение АСОИУ делится на общее и специальное. Под специальным обеспечением понимают совокупность программ, реализующих функциональную часть АСОИУ, т.е. подсистемы и АРМ-ы, а под общим - следующие системы:

операционные системы, которые предназначены для планирования и организации процесса обработки, ввода/вывода и управления данными, распределения ресурсов, подготовки и отладки программ;

системы программирования, предназначенные для автоматизации процесса создания и отладки программ, включающие в себя текстовые редакторы, компиляторы, интерпретаторы, редактор связей, загрузчик, библиотеки языков программирования высокого уровня;

пакеты прикладных программ - это программы, расширяющие возможности ОС, например, программы для инженерных расчётов, для решения экономических задач и др.;

системы тестирования технических средств, предназначенные для тестирования устройств ЭВМ.

На ООО заводе «ЖБИ-7» имеется следующее программное обеспечение:

операционные системы (ОС) Windows XP, Windows 2003, Windows 2003 Server;

пакет прикладных программ Microsoft Office 2003;

среда программирования Borland Delphi 7.0.

Выводы

В данной главе была описана функциональная структура АСОИУ. Приведено описание обеспечивающих подсистем: информационного, математического, программного, технического, организационного обеспечения.

Информационное обеспечение рассматривается не всей АСОИУ, а только подсистемы «Отдел кадров».

Для автоматизации рабочего места начальника отдела кадров применяется математическое обеспечение, включающее методы оптимизации, основанные на математических методах сетевого планирования и управления, а также анализ использования персонала предприятия.

Программное обеспечение представлено средой программирования Borland Delphi 7.0., ППП Microsoft Office 2003, операционными средами Windows XP, Windows 2003, Windows 2003 Server.

Техническое обеспечение представлено в виде оснащённых ПК, имеющих различные технические характеристики и периферийные устройства, необходимые не только для работы АСОИУ, но и для работы с программными комплексами другого назначения.

3. РАЗРАБОТКА ПРОЕКТНЫХ РЕШЕНИЙ

.1 Общее обоснование

В результате анализа проблемных ситуаций предприятия была выбрана проблема, связанная с автоматизацией работы начальника отдела кадров. Она является одной из основных, т.к. в настоящее время вся документация и информация о сотрудниках представлена и ведется на бумажных носителях. Анализ использования трудовых ресурсов, производительности труда также осуществляется вручную.

Автоматизация рабочего места начальника отдела кадров позволит сократить затраты рабочего времени на поиск и обработку информации о сотрудниках предприятия, быстро просматривать список сотрудников, находящихся в отпуске, на больничном, всех, кто выдвинут на награждение, а также существенно сократит время на создание различных приказов.

Таким образом, решение этой проблемы позволит организовать быстрый доступ к нужной информации, существенно сократит время на обработку данных в отделе кадров, что в свою очередь облегчит кадровое планирование и учет, а через них и эффективность управления.

.2 Проектирование информационной базы

Проектирование информационной базы в данном дипломном проекте было осуществлено с помощью CASE-средства ERwin. ERwin позволяет проводить описание, анализ и моделирование модели данных - построитель мета-моделей данных [5]. Создав наглядную модель базы данных, можно оптимизировать структуру БД и добиться её полного соответствия требованиям и задачам конкретной организации. Визуальное моделирование повышает качество создаваемой базы данных, продуктивность и скорость её разработки.- средство разработки структуры базы данных (БД). ERwin сочетает графический интерфейс Windows, инструменты для построения ER-диаграмм, редакторы для создания логического и физического описания модели данных и прозрачную поддержку ведущих реляционных СУБД и настольных баз данных. С помощью ERwin можно создавать или проводить обратное проектирование (реинжиниринг) баз данных [5].имеет два уровня представления модели - логический и физический [5].

Логический уровень - это абстрактный взгляд на данные, на нем данные представляются так, как выглядят, и могут называться так, как они называются в реальном мире. Объекты модели, представляемые на логическом уровне, называются сущностями и атрибутами. Логический уровень модели данных является универсальным и никак не связан с конкретной реализацией СУБД. На логическом уровне не рассматривается использование конкретной СУБД, не определяются типы данных (например, целое или вещественное число) и не определяются индексы для таблиц.

Физический уровень модели данных зависит от конкретной СУБД. Целевая СУБД, имена объектов и типы данных, индексы составляют физический уровень модели ERwin. Если на логическом уровне модели не имеет большого значения, какой конкретно тип данных у атрибута (хотя и поддерживаются абстрактные типы данных), то на физическом уровне модели важно описать всю информацию о конкретных физических объектах - таблицах, колонках, индексах, процедурах и т. д.

Case-средство ERWin поддерживает методологию IDEF1Х (Integration DEFinition of information Modeling) и стандарт IE (Information Engineering). Методология IDEF1Х подразделяется на уровни, соответствующие проектируемой модели данных системы. Каждый такой уровень соответствует определенной фазе проекта [8].

Верхний уровень состоит из Entity Relation Diagram (Диаграмма сущность-связь) и Key-Based model (Модель данных, основанная на ключах). Диаграмма сущность-связь определяет сущности и их отношения. Модель данных, основанная на ключах, дает более подробное представление данных. Она включает описание всех сущностей и первичных ключей, которые соответствуют предметной области.

Нижний уровень состоит из Transformation Model (трансформационная модель) и Fully Attributed (полная атрибутивная модель). Трансформационная модель содержит всю информацию для реализации проекта, который может быть частью общей информационной системы и описывать предметную область. Трансформационная модель позволяет проектировщикам и администраторам БД представлять, какие объекты БД хранятся в словаре данных, и проверить, насколько физическая модель данных соответствует требованиям информационной системы.

.3 Построение инфологической модели

Процесс построения информационной модели состоит из следующих шагов [13]:

определение сущностей;

определение зависимостей между сущностями;

задание первичных и альтернативных ключей;

определение атрибутов сущностей;

приведение модели к требуемому уровню нормальной формы;

переход к физическому описанию модели: назначение соответствий имя сущности - имя таблицы, атрибут сущности - атрибут таблицы; задание триггеров, процедур и ограничений;

генерация базы данных.создает визуальное представление (модель данных) для решаемой задачи. Это представление может использоваться для детального анализа, уточнения и распространения как части документации, необходимой в цикле разработки. Однако ERwin далеко не только инструмент для рисования. ERwin автоматически создает базу данных (таблицы, индексы, хранимые процедуры, триггеры для обеспечения ссылочной целостности и другие объекты, необходимые для управления данными) [5].

Инфологическая модель - это описание предметной области, выполненное с использованием специальных языковых средств, не зависящих от используемых в дальнейшем программных средств [5].

Под предметной областью понимается какая-то часть реального мира. Для того чтобы описать исследуемую предметную область, используют искусственные формализованные языковые средства.

Инфологическое моделирование применяют для обеспечения наиболее естественных для человека способов сбора и представления той информации, которую предполагается хранить в создаваемой базе данных.

Основными конструктивными элементами инфологических моделей являются сущности, связи между ними и их атрибуты (свойства) [5].

Сущность - это множество индивидуальных объектов - экземпляров, причем все эти объекты являются различными. Сущностью может быть реальный объект, личность, абстрактное понятие или событие. Одним из особых видов сущности является отношение, которое представляет специфический вид информационных объектов, отражающих связь нескольких сущностей. Отношение может существовать для произвольного количества сущностей. Множество сущностей одного вида принято обозначать типом сущности. Конкретная сущность определенного типа соответствует экземпляру сущности.

Атрибут - это свойство объекта, характеризующее его экземпляр. Его наименование должно быть уникальным для конкретного типа сущности, но может быть одинаковым для различного типа сущностей [5].

Логический уровень модели в ERwin соответствует инфологической модели (в рамках языковых средств этого CASE-средства), так как представляет собой модель предметной области, независящую от конкретной СУБД.

При проектировании информационной базы АРМ начальника отдела кадров были выделены следующие типы сущностей:

сотрудник;

отдел;

больничные;

отпуск;

поощрения;

повышение квалификации;

приём на работу и увольнение.

Связи и свойства этих сущностей представлены на инфологической модели информационной базы АРМ начальника отдела кадров (рисунок 3.1), которая представляет модель информационной базы в ERwin на логическом уровне.

Рисунок 3.1 - Логическая модель информационной базы АРМ начальника отдела кадров

3.4 Построение даталогической модели

Описание, создаваемое по инфологической модели данных, называют даталогической моделью данных. Даталогическая модель отражает логические связи между элементами данных вне зависимости от их содержания и среды хранения. Пользователям выделяются подмножества этой логической модели, называемые внешними моделями, отражающие их представления о предметной области. Внешняя модель соответствует представлениям, которые пользователи получают на основе логической модели, в то время как концептуальные требования отражают представления, которые пользователи первоначально желали иметь и которые легли в основу разработки инфологической модели.

На рисунке 3.2 представлена даталогическая модель информационной базы АРМ начальника отдела кадров, которая представляет собой модель информационной базы в ERwin на физическом уровне.

Рисунок 3.2 - Даталогическая модель информационной базы АРМ начальника отдела кадров.

3.5 Выбор СУБД

Выбор СУБД является важным шагом при разработке информационного обеспечения. Она должна наиболее полно удовлетворять назначению задачи, характеру и объему используемой информации.

В настоящее время, в нашей стране наибольшее распространение получили IBM-совместимые персональные ЭВМ с операционной системой Windows.

СУБД выполнена с помощью средства BDE Administrator.

Программный продукт был написан с использованием среды визуального программирования Borland Delphi 7.

Достоинство Delphi 7- это быстрый компилятор, огромные возможности для работы с базами данных и большой набор компонентов. Простота, скорость и эффективность Delphi 7 объясняют её популярность. Есть и другие достоинства: программы, написанные на Delphi, не требуется снабжать дополнительными библиотеками. Также Delphi7 это не только прекрасный инструмент разработки программного обеспечения, но и язык программирования, позволяющий писать как небольшие программы и утилиты для персонального использования, так и крупные корпоративные системы, работающие с базами данных на различных платформах, распределённые приложения и вебсервисы [11].

.6 Выбор среды программирования

При разработке нашего программного продукта использовалась среда программирования Borland Delphi 7. Borland Delphi - среда программирования, относящаяся к классу RAD (Rapid Application Development - «Средство быстрой разработки приложений») средств CASE-технологии. Delphi является средой разработки, используемой прежде всего для поддержки и разработки приложений, предназначенных как для отдельных рабочих станций, так и для серверов. Delphi может функционировать под управлением операционной системы Windows NT, XP. Отличительными чертами рабочей среды Delphi являются:

большинство созданных с помощью Delphi приложений будут направлены главным образом на решение задач, связанных с производством и бизнесом; это значит, что обеспечение функционирования баз данных и создание отчетов будут наиболее часто решаемыми задачами;

совместимость приложений становится все более важной.

Объекты помещаются на форму, при этом код, отвечающий объектам, автоматически записывается в исходный файл. Этот код компилируется, обеспечивая существенно более высокую производительность, чем визуальная среда, которая интерпретирует информацию лишь в ходе исполнения программы.

3.7 Расчет экономической эффективности

.7.1 Расчет затрат на решение задачи до внедрения информационной системы

Эксплуатационные расходы на функционирование системы характеризуют себестоимость обработки информации и складываются из трех составляющих:

Р = Росн + Рауп + Робщ, (5)

Где Росн - заработная плата основного производственного персонала, руб.;

Рауп - заработная плата административно-управленческого персонала, руб.;

Робщ - общепроизводственные расходы, руб.

В данном случае заработная плата административно-управленческого персонала равна:

Рауп=0,25*Росн. (6)

Общепроизводственные расходы:

Робщ = Рэн + Рм + Ррем + Ркс + Рзап + Рзпо +Рпр, (7)

гдеРэн - затраты на оплату электроэнергии, руб. зависят от количества оборудования, потребляемой мощности, кВт в час;

Рм - затраты на материалы, связанные с функционированием разработанной системы, руб.;

Ррем - затраты, связанные с ремонтом оборудования, руб.;

Рзап - затраты, связанные с приобретением запчастей для ремонта, руб.;

Рзпо - затраты на программное обеспечение, руб.;

Ркс - затраты на аренду каналов связи, руб.;

Рпр - прочие расходы (Рпр = 0,6 Робщ).

Потребление электроэнергии в месяц - 150 кВт.

Рэн = 150,00 * 0,83 *12= 1494,00 руб.

Расходы на материалы составили (см. табл. 3.1):

Таблица 3.1 - Расходы на материалы до внедрения ИС

Материалы

Ед. измерения

Кол-во

Цена за един. (руб.)

Стоимость (руб.)

Бумага

лист

1000

0,25

250,00

Канцтовары

-

-

-

150,00

Картриджи

шт.

1

800,00

800,00

CD-RV (диски)

шт.

2

35,00

70,00

Итого




1 270,00


Рм=1 270,00 * 12 = 15 240,00 руб.

Расходы на ремонт (цена договорная)

Ррем = 500*12=6000,00 руб.;

Рзап = 500*12=6000,00 руб.;

Рпр = (1494,00 + 15240,00 + 6000,00 + 6000,00) * 0,6 = 17240,40 руб.

Робщ = 1494,00 + 15240,00 + 6000,00 + 6000,00 + 17240,40 = 45974,40 руб.

Затраты на заработную плату:

Росн = (9000,00+25000,00+30000,00) * 12 * 1,26 = 967680,00 руб.

Рауп = 0,25 * = 967680,00 = 241920,00 руб.

Таким образом, эксплуатационные расходы на решение задачи до внедрения системы составляют:

Р0 = 967680,00+ 241920,00 + 45974,40 = 1255574,40 руб.

3.7.2 Эксплуатационные расходы на функционирование системы после внедрения информационной системы

После разработки и внедрения ИС зарплата начальника отдела кадров снижается до 7000 руб. Таким образом, расходы за расчетный период (12 месяцев) после разработки и внедрения ИС уменьшились и составили:

Росн = (7000,00+25000,00+30000,00) * 12 * 1,26 = 937440,00 руб.

Рауп = 0,25 * 937440,00 = 234360,00 руб.

Затраты на материалы после внедрения ИС не изменились.

Расходы на электроэнергию, и на ремонт не изменились, затраты на программное обеспечение отсутствуют.

Рпр = (1494,00 + 15240,00 + 6000,00 + 6000,00) * 0,6 = 17240,40 руб.

Робщ = 1494,00 + 15240,00 + 6000,00 + 6000,00 + 17240,40 = 45974,40 руб.

Р1 = 937440,00 + 234360,00 + 45974,40 = 1217774,40 руб.

Капитальные затраты на разработку системы включают в себя пять основных составляющих:

К = Кпр + Коб + Квс + Кпм +Кмит, (8)

Где Кпр - затраты на проектирование системы, руб.;

Коб - затраты на основное оборудование, руб.;

Квс - затраты на вспомогательное оборудование, руб.;

Кпм - затраты на строительство и ремонт помещений, руб.;

Кмит - затраты, связанные с монтажом, наладкой и транспортировкой оборудования.

Затраты связанные с проектирование системы обычно определяются через заработную плату сотрудников, привлекаемых к разработке системы,

, (9)

гдеN - количество категорий сотрудников, привлеченных к разработке, чел.;

Зi - заработная плата работников i - категории, руб. в месяц;

Т - время работы, месяцев;- коэффициент отчислений на заработную плату;

Дпр - прочие расходы, как правило, равные 0,7 стоимости оборудования.

Разработкой системы занимается один программист, месячная заработная плата - 8000,00 руб. Фактическое время, затраченное на разработку системы - 6 месяцев. Поскольку разработка программного обеспечения осуществляется на компьютере, ранее установленном для решения других задач, затраты на основное оборудование в капитальные затраты не включаются. Следовательно, капитальные затраты будут равны затратам на проектирование:

К = Кпр = 8000,00*6*1,26 = 60480,00 руб.

Приведенные затраты на создание и функционирование системы рассчитываются по формуле:

, (10)

гдеР - эксплуатационные затраты за период;

- нормативный коэффициент приведения;

К - капитальные (единовременные) затраты.

Приведенные затраты:

З = 1217774,40 + 0,25*60480,00 =1232894,40 руб.

Для того чтобы определить экономическую эффективность, необходимо подсчитать расходы до и после разработки и внедрения системы:

Э= Ро - Р1 (11)

Условный экономический эффект составляет:

Э = 1255574,40 - 1217774,40 = 37800,00 руб.

Срок окупаемости разработанной системы рассчитывается как отношение капитальных затрат к экономической эффективности:


Срок окупаемости составит примерно 19 месяцев.

В данной главе дипломного проекта представлено описание АРМ начальника отдела кадров.

Разработана функциональная структура АРМ начальника отдела кадров, спроектирована информационная модель данных, произведён выбор программного и технического обеспечения, дано экономическое обоснование внедрения АРМ, которое составляет 37800 рублей.

Внедрение данного АРМ позволяет сократить затраты рабочего времени на поиск и обработку информации о сотрудниках предприятия, увеличивает степень многократного ее использования, существенно сокращает время на анализ информации о сотрудниках и анализ эффективности использования персонала.

4. ОПИСАНИЕ ПРОГРАММНОГО СРЕДСТВА «КАДРЫ»

.1 Функциональная структура программы

автоматизированный управление программа завод

Разработанная программа предназначена для автоматизированного учёта кадров на заводе «ЖБИ-7». Она позволяет повысить скорость поиска и обработки информации. Программа обеспечивает эффективную работу с информацией, быстрый поиск данных о сотрудниках, применение фильтра по различным параметрам, учёт больничных листов, выдачу больничных бланков и сведения об отпусках сотрудников на печать и т.д.

Программа «кадры» выполняет следующие функции:

ввод данных о сотруднике;

поиск необходимых данных;

выдача информации в электронном и бумажном виде;

распечатка приказов.

Задачи, соответствующие перечисленным функциям:

ввод и обновление информации;

автоматизация поиска;

автоматизация создания приказов.

.2 Входные и выходные данные

При разработке программы были использованы следующие входные документы:

личная карточка сотрудника;

приказ о приеме на работу;

приказ о предоставлении трудового отпуска;

приказ об увольнении;

больничные листы;

свидетельство о повышении квалификации;

приказ о получении поощрения;

При работе программы могут быть получены следующие выходные документы:

приказ о приёме на работу;

приказ об увольнении;

приказ о предоставлении трудового отпуска;

личная карта;

приказ о получении поощрения;

список работающих сотрудников;

список уволенных сотрудников.

.3 Описание файлов базы данных

Информационная база данных разработанной программы представлена в виде файлов формата.db:

Арматурный цех.db - содержит основные сведения о работниках арматурного цеха;

ОГМ.db - содержит основные сведения о работниках отдела главного механика;

Формовочный цех.db - содержит основные сведения о работниках формовочного цеха;

Заводоуправление.db - содержит основные сведения о сотрудниках, управляющих заводом ( бухгалтерия, отдел сбыта и т.д);

Служба безопасности.db - содержит основные сведения о работниках охраны и КПП;

Больничный лист.db - данные о том, когда и на какой срок работник отсутствовал по болезни;

Квалификация.db - информация о направлении работника на повышение квалификации;

Отпуск.db - когда и на какой срок работник уходил в отпуск;

Поощрения.db - когда и чем были награждены работники.

.4 Логическая структура программы

Логическая структура программного продукта «Кадры» включает в себя: главное меню программы, панель управления данными и панели представления данных. Главное меню программы содержит различные подменю, выполняющие заданные функции. Панель управления данными - это инструментарий, который позволяет конечному пользователю работать с поступающими данными: производить ввод информации и её поиск, подготавливать отчёты, просматривать больничные листы, отпуска, поощрения, данные о повышении квалификации и т.д [16].

На рисунке 4.1 представлена логическая структура программы

Рисунок 4.1 - Логическая структура программы

4.5 Описание работы программного продукта

При входе в программу необходимо ввести пароль. Если пароль будет введёт неправильно, программа автоматически закроется.

Рисунок 4.2 - Проверка безопасности

Далее в выпадающем списке необходимо выбрать отдел, в который будет принят сотрудник.

Рисунок 4.3 - Выбор отдела, в который будет принят работник

Чтобы добавить новую запись в таблицу необходимо выбрать в главном меню «Файл»- «Создать новую запись». Появится форма, в которую нужно будет занести необходимые данные о будущем сотруднике.

Рисунок 4.4 - Личная карточка сотрудника

Далее нажать кнопку «Приказ», в результате чего будет автоматически создан бланк приказа о приятии на работу. Затем, при нажатии на кнопку «Сохранить», данные заносятся в таблицу базы данных.

Рисунок 4.5 - Приказ о принятии на работу

В строке главного меню присутствуют: «Поиск», «Больничные», «Отпуска», «Квалификация», «Поощрения», «Уволенные работники», «Помощь», «О программе».

Рисунок 4.6 - Главное окно программы «Кадры»

При нажатии на вкладку «Поиск», появится выпадающий список с различными критериями поиска данных в таблице.

Во вкладке «Больничные» содержится вся информация о сотрудниках, находившихся на больничном.

Информация об отпусках, повышении квалификаций и поощрениях находится на соответствующих вкладках.

Вкладка «Уволенные работники» - содержит данные о всех уволенных работниках предприятия: когда были уволены, по какой причине.

Справка по работе программного продукта находится во вкладке «Помощь», а вся необходимая информация о разработчике и версии - «О программе».

Рисунок 4.7 - Вкладка «Справка» главного меню программы

Рисунок 4.8 - Вкладка «О программе» главного меню программы

На главной форме расположены кнопки управления записями в таблице. Для того, чтобы просмотреть личную карту работника предприятия, необходимо с помощью поиска найти интересующую фамилию и нажать на кнопку «Просмотр личной карточки». Появится новая форма со всеми данными о работнике. Если необходимо уволить, отправить на больничный, в отпуск и т.д., на форме «Личная карта» присутствуют соответствующие кнопки, при нажатии на которые появятся новые формы, которые необходимо дозаполнить. Все операции сопровождаются соответствующими приказами.

Рисунок 4.9 - Форма операций над данными

Рисунок 4.10 - Приказ об увольнении сотрудника

Рисунок 4.11 - Приказ о предоставлении отпуска сотруднику


Рисунок 4.12 - Приказ о повышении квалификации сотрудника

Для выхода из программы, необходимо нажать «Файл» - «Выйти из программы».

В данной главе представлено описание спроектированного в предыдущей главе программного средства для работы начальника отдела кадров ООО завода «ЖБИ-7».

Также в ней идёт описание файлов информационной базы данных; структура базы данных; представляется логическая структура программы; даётся руководство пользователя.

5. БЕЗОПАСНОСТЬ ЖИЗНЕДЕЯТЕЛЬНОСТИ

.1 Требования к технике безопасности

При разработке программного продукта вопросам обеспечения безопасности труда пользователя необходимо уделять особое внимание, так как разработка комплекса мероприятий по безопасности жизнедеятельности решит одну из задач - свести к минимуму вероятность заболевания, а также обеспечит комфорт на рабочем месте. Улучшение условий работы за персональным компьютером укрепит трудовую дисциплину и улучшит здоровье трудящихся, что повлечёт за собой рост производительности труда и активности работников.

Научно-технический прогресс, который мы наблюдаем в настоящее время приводит к широкому использованию персональных компьютеров (ПК) во всех сферах человеческой деятельности, что способствует разработке ряда требований к технике безопасности при работе за ПК.

5.1.1 Персональные компьютеры сотрудников

Правильный выбор персональных компьютеров является первым шагом к улучшения условий труда работников. Особое внимание при выборе ПК необходимо уделять выбору монитора. Корпус монитора нашей организации поворачивается как вокруг вертикальной так и горизонтальной оси в пределах 30 градусов с фиксацией в заданном положении. Окраска корпуса спокойная, в мягких тонах с диффузным рассеиванием света. Корпус монитора и системного блока, как и других устройств персонального компьютера имеет матовую поверхность и коэффициент отражения не превышает 0,6 , кроме того на лицевой стороне монитора не располагаются органы управления, маркировка, вспомогательные надписи или обозначения, а также отсутствуют блестящие детали, создающие блики.

Следует отметить, что на рабочем месте должна быть предусмотрена следующая конструкция клавиатуры:

возможность свободного перемещения;

наличие опорного приспособления для изменения угла наклона поверхности клавиатуры. При этом угол не должен превышать 15 градусов;

высота среднего ряда клавиш должна быть не более 30 мм;

наиболее часто используемые клавиши должны располагаться в центре, внизу и справа, реже используемые - вверху и слева;

функциональные группы клавиш должны выделяться цветом, формой, местом расположения и размером;

оптимальный размер клавиш - 13 - 15 мм;

расстояние между клавишами не менее 3 мм;

ход для всех клавиш с сопротивлением нажатию от 0,25 Н до 1,5 Н;

звуковое сопровождение нажатия клавиш с возможностью его отключения [16].

На ООО заводе «ЖБИ-7» установлены персональные компьютеры, соответствующие данным требованиям.

5.1.2 Требования к помещениям для эксплуатации ПЭВМ и условия их применения

Помещения, в которых установлены персональные компьютеры должны иметь естественное и искусственное освещение. Коэффициент естественной освещенности (КЕО) при естественном освещении не должно быть ниже 1.2% в снежную погоду и не ниже 1.5% в остальных случаях. Светопроемы должны быть ориентированы преимущественно на север и северо-восток.

Площадь приходящая на одно рабочее место с персональным компьютером не должна быть меньше 6,0 кв.м, а объем не меньше 20,0 куб.м. При отсутствии эффективной приточно-вытяжной вентиляции, помещения с персональными компьютерами должны оборудоваться системой кондиционирования воздуха или отопления. Для внутренней отделки интерьера помещений с ПК должны использоваться диффузно-отражающие материалы с коэффициентом отражения для потолка - 0.7-0.8; для стен - 0.5-0.6; для пола - 0.3-0.5.

Площадь кабинета начальника отдела кадров равна , что соответствует требованиям.

На ООО заводе «ЖБИ-7» во всех помещениях установлено освещение, соответствующее данным требованиям. В некоторых помещениях отсутствует приточно-вытяжная вентиляция, но в них установлены кондиционеры и сплит-системы, что удовлетворяет требованиям использования помещений для эксплуатации ПК. На полу во всех кабинетах положен ламинат, который также удовлетворяет требованиям безопасности.

Поверхность пола в помещении эксплуатации ПЭВМ ровная, без выбоин, нескользкая, удобная для очистки и влажной уборки, обладает антистатическими свойствами.

.1.3 Требования к микроклимату, содержанию аэроинов и вредных химических веществ в воздухе помещений эксплуатации ПЭВМ

В помещениях с ПК температура воздуха, относительная влажность и скорость движения воздуха должны соответствовать оптимальным нормам микроклимата для помещений с ПК, которые приведены в таблице 5.1 [21]

Таблица 5.1 - Оптимальные нормы микроклимата для помещений с ВДТ и ПЭВМ

Период года

Категория работ

Температура воздуха, гр.C не более

Относительная влажность воздуха, %

Скорость движения воздуха, м/с

Холодный

Легкая-1а

22-24

50-60

0.1


Легкая-1б

21-23

40-60

0.1

Теплый

Легкая-1а

23-25

40-60

0.1


Легкая-1б

22-24

40-60

0.2


К категории 1а относятся работы, производимые сидя и не требующие физического напряжения, при которых расход энергии составляет 120 ккал/ч; к категории 1б относятся работы, производимые сидя, стоя или связанные с ходьбой и сопровождающиеся некоторым физическим напряжением, при которых расход энергии составляет от 120 до 150 ккал/ч.

На ООО заводе «ЖБИ-7» в каждом помещении установлен барометр - прибор для измерения относительной влажности воздуха. Если влажность падает ниже нормы, включаются увлажнители воздуха, которые также установлены в каждом помещении.

.1.4 Требования к освещению помещений и рабочих мест с ПК

Искусственное освещение в помещениях с ПК должно быть равномерным и освещенность рабочей зоны должна быть в пределах 300-500 лк. Для подсветки документов допускается установка светильников местного освещения, с условием, что местное освещение не должно увеличивать освещенность экрана более 300 лк и создавать блики на поверхности экрана.

Следует ограничивать отраженную блесткость на рабочих поверхностях (экран, стол, клавиатура и др.) за счет правильного выбора типов светильников и расположения рабочих мест по отношению к источникам естественного и искусственного освещения, при этом яркость бликов на экране ПЭВМ не должна превышать 40 кд/кв.м. и яркость потолка, при применении системы отраженного освещения, не должна превышать 200 кд/кв.м. Следует ограничивать неравномерность распределения яркости в поле зрения пользователя ПЭВМ, при этом соотношение яркости между рабочими поверхности не должно превышать 3:1-5:1, а между рабочими поверхностями и поверхностями стен и оборудования 10:1. В качестве источников света при искусственном освещении должны применяться преимущественно люминесцентные лампы типа ЛБ. Допускается применение ламп накаливания в светильниках местного освещения [18].

5.2 Эргономика рабочего места пользователя ПЭВМ

.2.1 Требования к мониторам персональных компьютеров

Одним из основных параметров является частота вертикальной или кадровой развертки (частота обновления), которая должна быть не менее 85 Гц, желательно в режиме максимального разрешения. Особенно это важно при работе с графическими пакетами. В практической эргономике для определения усталостных характеристик человека-оператора применяется такой психофизиологический показатель, как критическая частота слияния мельканий (КЧСМ).

Отсутствуют высокие напряжения и сопутствующие этому неионизирующие электромагнитные и ионизирующие рентгеновские излучения, нет вредного статического электричества, нет положительной ионизации воздуха, что является самым настоящим бичом при работе с мониторами на ЭЛТ, в воздух не выделяется озон - вещество первого класса опасности. То есть налицо большие достоинства по обеспечению безопасного труда. Однако у ЖК - мониторов недостаточная цветопередача, достигающая обычно 8 бит на составляющую цвета. Поэтому при необходимости создания цветонасыщенных изображений следует иметь в виду, что у мониторов на ЭЛТ этот показатель значительно лучше.

На заводе все ПК оснащены 19-ти дюймовыми ЖК-мониторами марки LG, которые соответствуют эргономическим параметрам мониторов.

5.2.2 Средства ввода информации

При вводе информации в компьютер глаза пользователя совершают движения от восприятия текста на бумаге к экрану дисплея и обратно. Другими словами, глаза должны постоянно приспосабливаться и перестраиваться с одного способа восприятия информации на другой. Это постоянная «работа» зрительной системы, объем которой за рабочий день или другой промежуток времени мы еще до конца не представляем.

На первых этапах развития вычислительной техники упор делался на развитие аппаратных средств. С ними же по преимуществу были связаны эргономические исследования и разработки. Большее число эргономических исследований и разработок было связано с клавиатурой - наиболее распространенным средством ввода алфавитно-цифровой информации.

Циклы при работе на клавишных аппаратах многократно повторяются, что приводит к нервно-мышечному утомлению и возникновению профессиональных заболеваний рук. В возникновении этих заболеваний существенную роль играет рабочая поза <http://bgd.alpud.ru/_private/ERGONOM/glava4/pologenie_posa.htm>, а также форма, размеры и расположение клавиатуры [15].

5.2.3 Требования к клавиатурам терминалов ЭВМ

1. Наклон клавиатуры - угол между рабочей поверхностью стола или пульта и рабочей поверхностью клавиатуры должен регулироваться от 10 до 300. Клавиатура с нерегулируемым наклоном в указанном диапазоне также считается приемлемой.

. Рабочее усилие нагрузка, требуемая для нажатия клавиши с целью передачи ею соответствующего сигнала, составляет 0,5 Н. Рекомендуется предоставлять пользователю возможность по собственному усмотрению регулировать рабочее усилие в пределах от 0,25 до 1,5 Н.

. Смещение - расстояние, которое клавиша должна пройти при ее нажатии до момента передачи ею соответствующего сигнала. В большинстве клавиатур для активизации клавиши требуется 2 мм, полное смещение равно 4 мм.

. Наличие визуальной обратной связи, выражающейся в появлении на экране дисплея соответствующего знака для каждой нажатой клавиши. Акустическая обратная связь рассматривается как дополнительная, но она несколько повышает общий уровень шума. Для предотвращения ошибочности выходных сигналов в следствие одновременного нажатия нескольких клавиш рекомендуется предусматривать блокировку клавиатуры.

. Расстояние между центрами клавиш должно быть в диапазоне от 17 до 19 мм.

. Маркировка клавиш должна быть четкой и легкой для понимания. Размеры цифр и букв на них не должны быть менее 3 мм. Функциональные клавиши следует маркировать стандартными символами. Рекомендуется, чтобы функциональные клавиши отличались от остальных цветом, формой, положением или расстоянием между ними. Для стандартных клавиш рекомендуется нейтральный цвет, например бежевый или серый, а не белый, который дает повышенное отражение света.

. Наилучшие условия работы пользователя с клавиатурой обеспечиваются когда его кисти и предплечья занимают положение, близкое к горизонтальному. Оптимальный диапазон движения пальцев расположен от 25 до 75 мм ниже уровня локтя. Высота расположения базового ряда клавиш над уровнем пола должна находиться в пределах от 720 до 750 мм. Расстояние от переднего края стола или пульта до последнего ряда клавиш не должно превышать 400 мм. На передней части клавиатуры следует предусматривать свободное пространство глубиной примерно 600 мм, которое используется в качестве опоры кистей рук пользователя.

. Клавиатура должна быть отделена от дисплея, чтобы ее можно было удобно располагать для пользователя. Масса клавиатуры должна быть достаточной для того, чтобы предотвратить случайные ее сдвиги в процессе работы [16].

Клавиатуры, используемые на предприятии, соответствуют вышеперечисленным требованиям. Русские и английские буквы разного цвета, видны четко.

В пятом разделе проекта подробно рассмотрены методы и средства обеспечения безопасности жизнедеятельности на рабочем месте начальника отдела кадров ООО завода «ЖБИ-7».

ЗАКЛЮЧЕНИЕ

На сегодняшний день существуют программные продукты, автоматизирующие деятельность начальника отдела кадров. Нами был проведён анализ и классификация этих программных продуктов, он позволил выявить их достоинства и недостатки. Полученные результаты были учтены при проектировании и разработке программы «Кадры».

В дипломном проекте были исследованы функциональные области предприятия, проанализированы проблемные области, представлена функциональная структура АСОИУ ООО завода «ЖБИ-7», описаны обеспечивающие подсистемы, построены инфологическая и даталогическая модели, подробно рассмотрены методы и средства обеспечения безопасности жизнедеятельности на рабочем месте и написан программный продукт, автоматизирующий рабочее место начальника отдела кадров.

Внедрение программного продукта позволило сократить количество рутинной работы начальника отдела кадров, уменьшить время на обработку информации о сотрудниках, повысить производительность и эффективность работы начальника отдела кадров.

Одноразовый экономический эффект от внедрения программного продукта составит примерно 37800 рублей, а срок окупаемости примерно 19 месяцев.

Программа разработана с удобным и понятным интерфейсом пользователя, и кроме того, имеется возможность просмотра уже существующей базы данных, и редактирования её.

Простота и доступность интерфейса позволяет легко и быстро разобраться с принципами работы данной программы даже человеку, не имеющему специального образования.

Похожие работы на - Система автоматизирующей обработки информации на рабочем месте начальника отдела кадров ООО завода 'ЖБИ-7'

 

Не нашли материал для своей работы?
Поможем написать уникальную работу
Без плагиата!
Без нейросетей!