Розробка акустичного газоаналізатора для вимірювання складу концентрації газів
ЗМІСТ
ВСТУП
РОЗДІЛ 1. ГАЗОАНАЛІЗАТОРИ ТА ЇХ
ВИДИ
.1 Переваги та недоліки
існуючих газоаналізаторів
.2 Теоретичні засади роботи
акустичного газоаналізатора
Висновок
РОЗДІЛ 2. РОЗРОБЛЕННЯ ТА
ПЕРЕВІРКА АЛГОРИТМУ ПРОГРАМИ ДЛЯ АКУСТИЧНОГО ГАЗОАНАЛІЗАТОРА
.1 Розроблення алгоритму
програми визначення відсоткового вмісту газів суміші за виміряним значенням
частоти
.2 Перевірка алгоритму за
допомогою програми MathCad
Висновок
РОЗДІЛ 3. АНАЛІЗ ВИПАДКОВИХ ТА
СИСТЕМАТИЧНИХ ПОХИБОК
.1 Аналіз випадкових похибок
.2 Аналіз систематичних похибок
Висновок
РОЗДІЛ 4. ОХОРОНА ПРАЦІ
.1 Характеристика проведення
досліджень з точки зору охорони праці
.2 Нормативні рівні небезпечних
чинників
.2.1 Метеоумови у приміщенні
.2.2 Освітленість приміщення
.2.3 Захист від шуму і вібрації
.2.4 Захист від
електромагнітних випромінювань і електростатичних полів
.2.5 Загазованість та
запиленість повітря
.2.6 Електробезпека
.2.7 Пожежна безпека
.3 Коефіцієнт умов праці
.4 Підсумкова характеристика
прийнятих рішень з охорони праці
Висновок
РОЗДІЛ 5. ЕКОНОМІЧНА ОЦІНКА
ПРОЕКТНОГО РІШЕННЯ
.1 Розрахунок витрат на
розробку програмного забезпечення
.2 Визначення експлуатаційних
витрат
.3 Розрахунок ціни споживання
проектного рішення
.4 Визначення показників
економічної ефективності
Висновок
ВИСНОВОК
Список використаної літератури
ВСТУП
Газоаналізатори, прилади, що
вимірюють вміст (концентрацію) одного або декількох компонентів у газових
сумішах. Кожен газоаналізатор призначений для вимірювання концентрації тільки
певних компонентів на тлі конкретної газової суміші в нормованих умовах. Поряд
з використанням окремих газоаналізаторів створюються системи газового контролю,
які об'єднують десятки таких приладів. Нажаль на даний час нема таких
газоаналізаторів, які можна було б легко переналаштувати для вимірювання, та
який не потребував би нормованих умов. У більшості випадків робота
газоаналізатора неможлива без низки допоміжних пристроїв, які забезпечують
створення необхідних температури і тиску, очищення газової суміші від пилу і
смол.
Актуальність: Розробка
газоаналізатора з відсутністю зразкового каналу, що спрощує його схему та
переналаштування (за рахунок вибору відповідної програми), для вимірювання
інших сумішей. Наявність автоматичної корекції температурної похибки, підвищує
точність вимірювання та спрощує умови його експлуатації.
Мета: розглянути та проаналізувати
існуючі газоаналізатори та їх типи; розробити та перевірити алгоритм програми
для акустичного газоаналізатора; проаналізувати випадкові та систематичні
похибки.
Об’єкт дослідження:
акустичний газоаналізатор для вимірювання складу
концентрації газів.
Предмет дослідження: здатність
забезпечити точність вимірювання на необхідному рівні.
Методи дослідження: базуються на
використанні основних положень теорії коливань, теорії розповсюдження акустичних
хвиль. Теоретичні положення підтверджувались математичним моделюванням.
РОЗДІЛ 1. ГАЗОАНАЛІЗАТОРИ ТА ЇХ ВИДИ
.1 Переваги та недоліки існуючих
газоаналізаторів
газоаналізатор алгоритм програма mathcad
Газоаналізатори класифікують за
принципом дії на пневматичні, магнітні, електрохімічні, напівпровідникові та
ін. Розглянемо декілька з них.
Термокондуктометричні
газоаналізатори. Їх дія заснована на залежності теплопровідності газової суміші
від її складу. Для більшості практично важливих випадків справедливе рівняння:
(1.1)
де
-
теплопровідність суміші,
-
теплопровідність i-го компонента,
- його концентрація, n-число
компонентів.
Термокондуктометричні
газоаналізатори не володіють високою вибірковістю і використовуються, якщо
контрольований компонент по теплопровідності істотно відрізняється від інших,
наприклад для визначення концентрацій Н2, Не, Аг, СО2 в газових сумішах, що
містять N2, О2 та ін. Діапазон вимірювання - від одиниць до десятків відсотків
за обсягом.
Зміна складу газової суміші
призводить до зміни її теплопровідності і, як наслідок, температурири і
електричного опору нагрівається струмом металевіого або напівпровідникового
терморезистора, розміщеного в камері, через яку пропускається суміш. При цьому:
(1.2)
де a-конструктивний параметр
камери, R1 і R2-опір терморезистора у разі пропускання через нього струму, I
при теплопровідності газового середовища складає
і
,
- температурний коефіцієнт
електричного опору терморезистора.
Рис. 1.1.
Термокондуктометрічний газоаналізатор: 1-джерело стабілізації напруги;
2-вторинний прилад; R1 і R3 - робочі терморезистори; R2 і R4-порівняльні
терморезистори; R0 і Rg потенціометри; вхід і вихід аналізованої газової суміші
показані стрілками.
На рис. 1.1
наведена схема, застосовувана в багатьох термокондуктометричних
газоаналізаторах. Чутливі елементи R1 і R3 (робочі терморезистори) омиваються
аналізованою сумішшю; порівняльні терморезистори R2 і R4 поміщені в герметичні
осередки, заповнені порівняльним газом точно відомого складу. Потенціометри R0
і Rg призначені для установки нульових показань і регулювання діапазону
вимірювання. Міра концентрації визначуваного компонента - електричний струм, що
проходить через Rg, який вимірюється вторинним приладом. Термокондуктометричні
газоаналізатори широко застосовують для контролю процесів у виробництві H2SO4,
NH3, HNO3, в металургії та ін.
Термохімічні газоаналізатори.
У цих приладах вимірюють тепловий ефект хімічної р-ції, в якій бере участь компонент
який визначається. У більшості випадків використовується окислення компонента
киснем повітря; каталізатори - марганцевомідний або малодисперстна Pt, нанесена
на поверхню пористого носія. Зміна температури
при окисленні вимірюють за
допомогою металевого або напівпровідникового терморезистора. У ряді випадків
поверхня платинового терморезистора використовується як каталізатор. Величина
пов'язана з
числом молей М окислиного компонента і тепловим ефектом q співвідношенням:
, де
k-коеф., Що враховує втрати тепла, що залежать від конструкції приладу.
Схема (рис. 1.2) включає
вимірний міст з постійними резисторами (R1 і R4) і двома терморезисторами, один
з яких (R2) знаходиться в атмосфері порівняльного газу, а другий (R3)
омивається потоком аналізованого газу. Напруга
в діагоналі моста пропорційна
концентрації визначального компонента. Для стійкої роботи газоаналізатора
виключають вплив температури середовища, стабілізують напругу, підтримують
постійним витрату газу, очищають його від домішок, отруйних каталізаторів (С12,
HC1, H2S, SO2 та
ін.).
Рис. 1.2. Термохімічний
газоаналізатор: 1 - джерело стабілізації напруги; 2-вторинний прилад; R1 і R4 -
постійні резистори; R2 і R3- порівняльний та робочий терморезистори
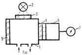
Магнітні газоаналізатори.
Застосовуються для визначення О2. Їх дія заснована на залежності магнітної
сприйнятливості газової суміші від концентрації О2, об'ємна магнітна
сприйнятливість якого на два порядки більша, ніж у більшості інших газів. Такі
газоаналізатори дозволяють вибірково визначати О2 в складних газових сумішах.
Діапазон вимірюваних концентрацій
- 100%. Найбільш поширені
магнітомеханічні і термомагнітні газоаналізатори.
У магнітомеханічних
газоаналізаторах (рис. 3) вимірюють сили, що діють у неоднорідному магнітному
полі на поміщене у аналізовану суміш тіло (зазвичай ротор). Сила F, що
виштовхує тіло з магнітного поля, визначається виразом:
(1.3)
де
і
-об'ємна
магнітна сприйнятливість відповідної аналізованої суміші і тіла, поміщеного в
газ, V-об'єм тіла, H-напруженість магнітного поля.
Зазвичай мірою концентрації
компонента служить обертаючий момент, що знаходяться за кутом повороту ротора.
Показання магнітомеханічного газоаналізатора визначаються магнітною
відповідністю аналізованої газової суміші і залежать від температури і тиску,
оскільки останні впливають на об'ємну магнітну сприйнятливість газу.
Більш точні газоаналізатори,
виконані за компенсаційною схемою. У них момент обертання ротора, функціонально
зв'язаний з концентрацією О2 в аналізованій суміші, врівноважується відомим
моментом, для створення якого використовуються магнітоелектричні або
електростатичні системи. Роторні газоаналізатори ненадійні в промислових
умовах.
Рис. 1.3.
Магнітомеханічний газоаналізатор: 1-ротор, 2-полюси магніту; 3-розтяжка,
4-дзеркальце; 5-освітлювач; 6-шкала вторинного приладу.
Дія термомагнітних
газоаналізаторів заснована на термомагнітній конвекції газової суміші, яка
містить О2, в неоднорідних магнітному і температурному полях. Часто
застосовують прилади з кільцевою камерою (рис. 1.4), вона являє собою
порожнисте металеве кільце. Уздовж його діаметра встановлена тонкостінна
скляна трубка, на яку намотана платинова спіраль, що нагрівається електричним
струмом. Спіраль складається з двох секцій - R1 і R2, перша з яких поміщається
між полюсами магніту. При наявності в газовій суміші О2 частина потоку прямує
через діаметральний канал, охолоджуючи першу секцію платинової спіралі і
віддаючи частину тепла другій. Зміна опорів R1 і R2 викликає зміна вихідної
напруги U, пропорційна змісту О2 в аналізованій суміші.
Рис. 1.4. Термомагнітний
газоаналізатор: 1-кільцева камера, 2-скляна трубка; 3-постійний магніт,
4-джерело стабілізації напруги; 5-вторинний прилад; Rt і R2 - робочий і
порівняльний терморезистори (секції платинової спіралі); R3 і R4-постійні
резистори
Пневматичні газоаналізатори.
Їх дія заснована на залежності щільності
й в'язкості
газової
суміші від її складу. Зміни щільності і в'язкості визначають вимірюючи
гідромеханічні параметри потоку. Поширеними є пневматичні газоаналізатори трьох
типів.
Газоаналізатор з дросельними
перетворювачами вимірюють гідравлічний опір дроселя (капіляра) при пропусканні
через нього аналізованого газу. При постійній витраті газу перепад тиску на
дроселі - функція щільності (турбулентний дросель), в'язкості (ламінарний
дросель) або того й іншого параметра одночасно.
Струминні газоаналізатори
вимірюють динамічний натиск струменя газу, що випливає з сопла. Вони містять
два струменевих елементи типу "сопло-приймальний канал" (рис.1.5).
Для подачі аналізованого і порівняльного газів служить ежектор 2. Тиск на
виході з елементів підтримується регулятором 4. Рівність тисків газів на вході
в елементи забезпечується з'єднальним каналом 5 і налаштуванням вентиля 6. Різниця
динамічних тисків (напорів), які сприймаються трубками 1б, - функція відношення
і міра
концентрації визначуваного компонента газової суміші. Струминні газоаналізатори
використовують, наприклад, в азотній промисловості для вимірювання вмісту Н2 у
азоті (діапазон вимірювання 0-50%), в хлорній промисловості - для визначення
С12 (0-50 та 50-100%). Час встановлення показів цих газоаналізаторів не
перевищує декількох секунд.
Рис. 1.5. Пневматичний
струменевий газоаналізатор: 1 - елемент "сопло-приймальний канал";
1а-сопло; 1б-приймальня трубка; 2-ежектор; 3-вторинний прилад, 4-регулятор
тиску; 5-з'єднальний канал; 6-вентиль
Пневмоакустичні
газоаналізатори містять два свистка з близькими частотами (3-5 кГц), через один
з яких проходить аналізований газ, через другий - порівняльний. Частота биття
звукових коливань в змішувачі частот залежить від щільності аналізованого газу.
Биття (частота до 120 Гц) підсилюються і перетворюються в пневматичні коливання
підсилювачем. Для отримання вихідного сигналу (тиску) служить
частотно-аналоговий перетворювач.
Пневматичні газоаналізатори
не володіють високою вибірковістю. Вони придатні для аналізу сумішей, в яких
змінюється концентрація лише одного з компонентів, а співвідношення між
концентраціями інших залишається постійним. Діапазон вимірювання - від одиниць
до десятків відсотків. Пневматичні газоаналізатори не містять електричних
елементів і тому можуть використовуватися в приміщеннях будь-якої категорії
пожежо- і вибухонебезпечності. Елементи схеми, що контактують з газами,
виготовлені з скла і фторопласту, що дозволяє аналізувати сильно агресивні гази
(хлор-, сірковмісні та ін.)
Інфрачервоні газоаналізатори.
Їх дія заснована на поглинанні молекулами газів і парів ІЧ-випромінювання в
діапазоні 1-15 мкм. Це випромінювання поглинають всі гази, молекули яких
складаються не менше ніж з двох атомів. Висока специфічність молекулярних
спектрів поглинання газів обумовлює високу вибірковість таких газоаналізаторів
та їх широке застосування в лабораторіях і промисловості. Діапазон вимірюваних
концентрацій 10-3 -100%. У дисперсійних газоаналізаторах використовують
випромінювання однієї довжини хвилі, отримане за допомогою монохроматорів. У
Недисперсійних газоаналізаторах, завдяки особливостям оптичної схеми приладу,
використовують немонохроматичне випромінювання. У якості прикладу на рис. 1.6
приведена найбільш поширена схема такого газоаналізатора. Випромінювання від
джерела послідовно проходить через світлофільтр і робочу кювету, в яку
подається аналізована суміш, і потрапляє в спеціальний приймач. Якщо в
аналізованій суміші присутній визначальна компонента то в залежності від
концентрації він поглинає частину випромінювання, і реєстрований сигнал
пропорційно змінюється. Джерелом випромінювання зазвичай служить нагріта
спіраль з широким спектром випромінювання, рідше - ІЧ-лазер або світлодіод, що
випускають випромінювання у вузькій області спектра. Якщо використовується
джерело немонохроматичного випромінювання, вибірковість визначення досягається
за допомогою селективного приймача.
Найбільш поширені
газоаналізатори з газонаповненим оптико-акустичним приймачем. Останній являє
собою герметичну камеру з вікном, заповнену саме тим газом, вміст якого
потрібно виміряти.
Рис. 1.6. Недисперсійний
інфрачервоний газоаналізатор: 1-джерело випромінювання; 2-світлофільтр;
3-модулятор; 4 і 4'- робоча і порівняльна кювети; 5-приймач випромінювання;
6-підсилювач; 7-вторинний прилад.
Цей газ, поглинаючи з потоку
випромінювання певну частину з характерним для даного газу набором спектральних
ліній, нагрівається, внаслідок чого тиск у камері збільшується. За допомогою
механічного модулятора потік випромінювання переривається з певною частотою. У
результаті з цієї ж частотою пульсує тиск газу в приймачі. Амплітуда пульсації
тиску - міра інтенсивності поглиненого газом випромінювання, що залежить від
того, яка частина характерного випромінювання поглинається тим же газом у
робочій кюветі. Інші компоненти суміші випромінювання на цих довжинах хвиль не
поглинаються періодом обертання. Амплітуда пульсації тиску в приймачі
випромінювання - міра кількості визначального компонента в аналізованій суміші,
що проходить через робочу кювету. Зміну тиску вимірюють зазвичай конденсаторним
мікрофоном або мікроанемометром (датчиком витрати газу). Замінюючи газ в
приймачі випромінювання оптико-акустичного газоаналізатора, можна вибірково
вимірювати вміст різних компонентів сумішей.
В інфрачервоних
газоаналізаторах використовують також неселективні приймачі випромінювання -
болометри, термобатареї, напівпровідникові елементи. Тоді у разі джерел з
широким спектром випромінювання вибірковість визначення забезпечують
застосуванням інтерференційних і газових фільтрів. Для підвищення точності і
стабільності вимірювання частину потоку випромінювання зазвичай пропускають
через порівняльну кювету, заповнену газом.
Інфрачервоні газоаналізатори
широко використовують для контролю якості продукції, аналізу газів, що
відходять, повітря приміщень. З їхньою допомогою визначають, наприклад, СО,
СО2, NH3, СН4 в технологічних газах виробництва синтетичного аміаку т.д.
Ультрафіолетові
газоаналізатори. Принцип їх дії заснований на поглинанні молекулами газів і
парів випромінювання в діапазоні 200-450 нм. Вибірковість визначення
одноатомних газів дуже велика. Дво-і багатоатомні гази мають в УФ-області
суцільний спектр поглинання, що знижує вибірковість їх визначення. Однак
відсутність УФ-спектру поглинання в N2, O2, СО2 і парів води дозволяє у
багатьох практично важливих випадках проводити досить селективні вимірювання у
присутності цих компонентів. Діапазон визначуваних концентрацій зазвичай
-100% (для
парів Hg ниж. Межа діапазону 2,5-10-6%).
Схема ультрафіолетового
газоаналізатора аналогічна схемі, наведеній на рис.1.7. Є також прилади з двома
детекторами випромінювання без модулятора, в яких світлові потоки не
перериваються. У якості джерела випромінювання зазвичай застосовують ртутні
лампи низького (
= 253,7 нм)
і високого тиску, газорозрядні лампи з парами інших металів (
= 280, 310 і
360 нм), лампи розжарювання з вольфрамової ниткою, водневі і дейтерієва
газорозрядні лампи. Приймачі випромінювання - фотоелементи і фотопомножувачі.
При використанні неселективного джерела випромінювання вибірковість вимірювання
в більшості приладів забезпечують за допомогою оптичних фільтрів (скляних або
інтерференційних).
Ультрафіолетові
газоаналізатори застосовують головним чином для автоматичного контролю вмісту
С12, О3, SO2, NO2, H2S, C1O2, дихлоретану, зокрема у викидах промислових
підприємств, а також для виявлення парів Hg, рідше Ni (СО) 4, в повітрі
промислових приміщень.
Люмінесцентні газоаналізатори.
У хемілюмінесцентних Г. вимірюють інтенсивність люмінесценції, збудженої
завдяки хім. р-ції контрольованого компонента з реагентом у твердій, рідкої або
газоподібної фазі. Приклад - взаємодій. NO з О3, використовуване для визначення
оксидів азоту:
N0 + 03
-> N02
+ 02
-> N02
+ hv + 02
(1.4)
Схема хемілюмінесцентного
газоаналізатора з газоподібним реагентом представлена на рис. 1.8.
Аналізована суміш і реагент через дроселі надходять в реакційну камеру.
Побудник витрати (насос) забезпечує необхідний тиск в камері. При наявності в
суміші визначається компонента випромінювання, що супроводжує хемілюмінесцентну
реакцію, через світлофільтр подається на катод фотопомножувача, котрий
розташований в безпосередній близькості до реакційної камери. Електричний сигнал
з фотопомножувача, пропорційний концентрації контрольованого компонента, після
посилення надходить на вторинний прилад. При вимірі слабких світлових потоків,
що виникають при малих концентраціях визначається компонента, фотокатод
охолоджують електричними мікрохолодільниками з метою зменшення тіньового
струму.
Рис. 1.7.
Хемілюмінесцентний газоаналізатор: 1-ресакційна камера, 2-світлофільтр; 3 -
фотопомножувач; 4-вторинний прилад; 5-збудник витрати газу; 6-дроселі
Для вимірювання вмісту NO2 в приладі
передбачено конвертер, де NO2 перетворюється на NO, після чого аналізована
суміш прямує в реакційну камеру. При цьому вихідний сигнал пропорційний
сумарному змісту NO і NO2. Якщо ж суміш надходить, минаючи конвертер, то по
вихідному сигналу знаходять концентрацію тільки NO. По різниці цих сигналів
судять про вміст NO2 в суміші.
Висока вибірковість
хемілюмінесцентних газоаналізаторів обумовлена специфічністю
обраної реакції, однак супутні компоненти в суміші можуть змінювати чутливість
приладу. Такі газоаналізатори застосовуються для визначення NO, NO2, NH3, O3 в
повітрі в діапазоні 10-7-1%.
У флуоресцентних
газоаналізаторах вимірюють інтенсивність флуоресценції (довжина хвилі
), що виникає
при впливі на контрольований компонент УФ-випромінювання (з частотою v1). У
якості прикладу на рис.1.8 представлена схема такого
газоаналізатора для визначення SO2 в повітрі. Аналізована суміш надходить у
детекторну камеру, яка відокремлена від імпульсного джерела УФ-випромінювання і
від фотопомножувача світлофільтрами 3 і 4, пропускають випромінювання з
довжинами хвиль відповідно
і
. Фотопомножувач, розташований під
кутом 900º
до
джерела випромінювання, реєструє імпульси флуоресценції, амплітуда яких
пропорційна концентрації визначуваного компонента в камері. Електричний сигнал
з фотопомножувача після посилення й обробки надходить на вторинний прилад.
Газоаналізатори для визначення SO2 характерізуются високою чутливістю і
вибірковістю. Вони використовуються в автоматичних станціях контролю
навколишнього середовища.
Рис. 1.8. Флуоресцентний
газоаналізатор: 1-детекторна камера, 2-джерело УФ-випромінювання;
3-світлофільтр збудливого випромінювання; 4-світлофільтр люмінесценції;
5-дзеркало; 6-фотопомножувач; 7-вторинний прилад
Фотоколориметричні
газоаналізатори. Ці прилади вимірюють інтенсивність забарвлення продуктів
вибіркової реакції між визначеним компонентом і спеціально підібраним
реагентом. Реакцію здійснюють, як правило, в рідинні газоаналізатора або на
твердому носії у вигляді стрічки, таблетки, порошку.
Рис. 1.9. Рідинний
фотоколориметричний газоаналізатор: 1-джерело випромінювання; 2-світлофільтр, 3
і 3'-робоча і порівняльна кювети; 4-абсорбер, 5 і 5-приймачі випромінювання;
б-підсилювач; 7-вторинний прилад
Принципова схема рідинного
газоаналізатора представлена на рис. 10. Випромінювання від
джерела проходить через робочу і порівняльну кювети і надходить на відповідні
приймачі випромінювання. Індикаторний розчин протікає з постійною швидкістю
через обидві кювети і абсорбер. Назустріч потоку розчину через абсорбер
барботируют аналізований газ. Визначається компонент, присутній в газі,
взаємодія з реагентом у розчині, викликаючи зміну оптичної щільності в робочій
кюветі, пропорційність концентрації компонента. У результаті інтенсивність
випромінювання через одну з кювет змінюється, а через іншу- ні. Різниця (або
відношення) сигналів робочого і порівняльного каналів - міра концентрації
визначуваного компонента в аналізованій суміші.
Подача розчину може бути як
безперервною, так і періодичною. При періодичній подачі аналізований газ
пропускають протягом деякого часу через одну і ту ж порцію розчину, що дозволяє
підвищити чутливість визначення. Такі газоаналізатори дають можливість виміряти
середню концентрацію визначаємого компонента за заданий проміжок часу,
наприклад при встановленні середньо або середньодобових концентрацій токсичних
домішок у повітрі.
У стрічкових газоаналізаторах
(рис. 1.10)
аналізований газ надходить у газову камеру, через яку безперервно або з заданою
періодичністю протягується стрічка з нанесеним на неї реактивом. У результаті
реакції з визначальним компонентом на стрічці утворюється кольорова пляма,
інтенсивність забарвлення якого пропорційна концентрації компонента. Різниця
(або відношення) світлових потоків, відбитих від окрашених і неокрашених
ділянок стрічки, - міра концентрації контрольованого компонента в суміші. Іноді
використовують індикаторну стрічку з рідким реактивом. У цьому випадку реактив
наноситься на стрічку з крапельниці безпосередньо перед її контактом з газом.
Рис. 1.10. Стрічковий
фотоколориметричний газоаналізатор: 1-джерело випромінювання; 2-індикаторна
стрічка; 3-світлофільтр; 4 і 4'-приймачі випромінювання; 5-газова камера;
6-підсилювач; 7-вторинний прилад
Принцип дії пігулок і
порошкових газоаналізаторів такий же, як у стрічкових, але ці прилади, як
правило, ціклічної дії.
Час роботи стрічкових і
таблеткових газоаналізаторів без заміни стрічки або таблетки досягає 30 діб і
більше. Джерела випромінювання в фотоколориметричних газоаналізаторах -
зазвичай лампи розжарювання і напівпровідникові світлодіоди, фотоприймачі -
фотопомножувачі, фотоелементи, фотодіоди та фототранзистори. Ці прилади
дозволяють з високою вибірковістю визначати різні газоподібні (пароподібні)
речовини в діапазоні концентрацій 10-5-1%. Особливо висока чутливість у
газоаналізаторів періодичної дії.
Фотоколориметричні
газоаналізатори застосовують головним чином для вимірювання концентрацій
токсичних домішок в атмосфері промислових зон і в повітрі промислових
приміщень. При контролі забруднень повітря широко використовують переносні
прилади періодичної дії.
Електрохімічні
газоаналізатори. Їх дія заснована на залежності між параметром електрохімічної
системи і складом аналізованої суміші, що надходить в цю систему. У
кондуктометричних газоаналізаторах вимірюється електропровідність розчину при
селективному поглинанні їм визначиного компонента. Зазвичай схема приладу
включає електричний міст постійного або змінного струму з двома
кондуктометричними осередками через які протікає електроліт. В одну з комірок
електроліт надходить після контакту з потоком аналізованого газу. Вихідний
сигнал пропорційний різниці електропровідності розчину до і після контакту з
контрольованою сумішшю. Ця різниця залежить від концентрації розчиненого в
електроліті визначиного компонента. Змінюючи витрати електроліту і аналізованої
суміші, можна в широких межах змінювати діапазон визначаються концентрації.
Недоліки цих газоаналізаторів - низька вибірковість і тривалість встановлення
показань при вимірюванні малих концентрацій. Кондуктометричні газоаналізатори
широко застосовують для визначення О2, СО, SO2, H2S, NH3 та ін.
Дія потенціометричних
газоаналізаторів заснована на залежності потенціалу Е індикаторного електрода
від активності а електрохімічно активних іонів, що утворилися при розчиненні
визначеного компонента: / P>
(1.5)
де
-стандартний
електродний потенціал, R-універсальна газова стала, Т - абс. т-ра, F-число
Фарадея, n-число електронів, що беруть участь в електрохімічній реакції.
Вимірюване значення Е пропорційної концентрації контрольованого компонента,
розчиненого в електроліті. Ці газоаналізатори застосовуються для визначення
СО2, H2S, HF, NH3, SO2 та ін.
Великого поширення набули
потенціометричні газоаналізатори з твердим електролітом для вимірювання вмісту
О2. Керамічна пластина на основі СаО і ZrO2 при високій температурі починає
проводити іони кисню, тобто веде себе як електроліт. На поверхність такої
пластини з обох сторін наносять тонкі шари пористої платини (платинові
електроди). З одного боку пластини подають аналізовану газову суміш, з іншого -
порівняльний газ. Різниця потенціалів між електродами - міра вмісту О2.
Термостат підтримує температуру електрохімічних осередків в потрібному
діапазоні. За допомогою таких азоаналізаторів визначають О2 в широкому
діапазоні концентрацій (10-4-100% за об'ємом). Присутність вуглеводнів в
аналізованій суміші призводить до спотворення результатів через їх окислення
при високій температурі.
Дія амперометричних газоаналізаторів
засновано на залежності між електричним струмом і кількістю визначеного
компонента, прореагували на індикаторному електроді. Якщо контрольований
компонент повністю вступає в електрохімічну реакцію, то виконується закон
Фарадея:
= nFQC (1.6)
де I-струм, Q-витрата газу,
С-концентрація визначається компонента, F-число Фарадея, n-число електронів, що
беруть участь в реакції.
Електрохімічні перетворення
даного компонента газової суміші зі 100%-ним виходом по струму забезпечується
вибором індикаторного електрода і його потенціалу. Необхідне постійне значення
різниці потенціалів підтримується завдяки тому, що порівняльний і індикаторний
електроди виконують із двох різних спеціально підібраних металів, наприклад з
Аі і Zn, Au і Pb, Ni та Cd.
В основі дії аерозольно-іонізаційних
газоаналізаторів лежить залежність іонізаційного струму від концентрації
аерозольних частинок, що утворюються після попереднього виборчого перекладу
визначаємого компонента суміші в аерозолі. Цей переклад здійснюють звичайно
хімічною реакцією з відповідним реагентом або фотохімічною реакцією в газовій
фазі, піролізом досліджуваної речовини, а також поєднанням піролізу з
послідовною хімічною реакцією з реагентом. Наприклад, При визначенні NH3 в
якості реагенту можна використовувати пари соляної кислоти; в результаті
утворюється аерозоль NH4C1. Розмір аерозольних частинок 10-7-10-4 див.
Концентрації аналізованих компонентів 10-5-10-3%. Аерозольно-іонізаційні
газоаналізатори використовують, зокрема, для визначення мікродомішок NH3, амінів,
НС1, HF, NO2, парів HNO3, карбонилів Ni і Со, фосгену та ряду ін сполучень в
повітрі промислових приміщень.
Рис. 1.11. Амперометричний
газоаналізатор: 1-електрохімічний осередок; 2-допоміжний електрод;
3-вимірювальний електрод, 4-потенціостата; 5-електрод порівняння; 6-підсилювач;
7-вторинний прилад; 8-збудник витрати газу; 9-камера з запасним електролітом
У полум'яно-іонізаційних
газоаналізаторах аналізовані органічні сполуки іонізують у водневому полум'ї.
Ефективність іонізації пропорційна числу атомів С, що надходять у полум'я в
одиницю часу, але залежить також від наявності в молекулі речовини атомів інших
елементів. Схема такого приладу представлена на рис. 1.12.
Пальник служить одним з електродів іонізаційної камери. Другий електрод
("колекторний") - тонкостінний циліндр або кільце. Ці газоаналізатори
використовують для визначення органічної речовини у повітрі і технологічних
газах. При спільній присутності ряду органічних компонентів знаходять або їх
суму, або концентрацію компонентів зі значно більшою ефективністю іонізації. За
допомогою полум'яно-іонізаційних газоаналізаторів контролюють зміни сумарного
вмісту вуглеводнів в атмосфері і токсичні домішки в повітрі промислових
приміщень, чистоту вихлопних газів автомобілів, витоку газів з трубопроводів і
підземних комунікацій. Діапазон вимірюваних концентрацій 10-5-1%. Є
безпосередній взаємозв'язок між ефективністю іонізації органічних газів і парів
зі ступенем вибухонебезпечності їх сумішей з повітрям. Це дозволяє контролювати
довибухові концентрації органічних речовин у промислових приміщеннях, шахтах,
тунелях.
Рис. 1.12.
Полум'яно-іонізаційний газоаналізатор: 1-іонізаційна камера, 2-пальник;
3-колекторний електрод, 4-джерело напруги; 5-підсилювач; 6-вторинний прилад.
Напівпровідникові
газоаналізатори. Їх дія заснована на зміні опору напівпровідника (плівки або
монокристалу) при впливі аналізованого компонента суміші. В основі роботи
напівпровідникових окісних газоаналізаторів лежить зміна провідності чутливого
шару (суміші оксидів металів) при хемосорбції на його молекули хімічно активних
газів (рис. 1.13). Такі газоаналізатори застосовують для визначення горючих
газів (зокрема, Н2, СН4, пропану), а також О2, СО2 та інших. Селективність
аналізу досягається варіюванням складу чутливого. шару і його температури (за
допомогою вбудованого нагрівача). Діапазон вимірюваних концентрацій горючих
газів 0,01-1% за об'ємом.
У напівпровідникових
газоаналізаторах з кристалічними чутливими елементами вимірюють провідність
монокристалу або більш складної напівпровідникової структури з р-n-переходами
при зміні зарядового стану, тобто концентрації або розподілу зарядів на ній.
Рис. 1.13.
Напівпровідниковий окисной газоаналізатор: 1-підкладка; 2-контакти; 3-чутливий
шар; 4-нагрівальний елемент; 5-вторинний прилад; 6-джерело напруги
Наприклад, для визначення Н2
використовують чутливі елементи у вигляді системи діелектрик - напівпровідник
(канальні транзистори), причому верхні металеві шари отримують з Pd або його
сплавів. Зміна зарядового стану досягається зміною контактної різниці
потенціалів між напівпровідником і Pd при розчиненні в останньому Н2,
присутнього в аналізованій суміші. Діапазон вимірюваних концентрацій Н2 в
інертних газах 10-5-10-3%.
Для серійного виробництвава
напівпровідникових газоаналізаторів застосовують сучасну технологію
мікроелектроніки, що дозволяє створювати вимірювальний перетворювач, що включає
чутливий елемент, систему термостатування і підсилювач електричного сигналу у
вигляді окремого мікромодуля.
1.2 Теоретичні засади роботи
акустичного газоаналізатора
Застосування вібро-частотного
кремнієвого резонатора чутливим елементом газоаналізатора ускладнене
тим, що нема аналітичного виразу для визначення залежності його частоти від
складу газу. Експериментальне визначення такої залежності може дати лише якісну
оцінку вмісту газу у суміші, оскільки побудова емпіричної математичної моделі
зв’язана з великою кількістю експериментів. Так для визначення залежності
резонансної частоти кремнієвого резонатора від процентного вмісту трьох
складових суміші газів, при кроці 10%, необхідно провести 57 експериментів. На
точність експериментальних даних буде впливати точність вмісту складових
суміші, яку важко забезпечити при такій кількості експериментів. Тому
математична модель створена на основі таких експериментальних даних не зможе
забезпечити необхідної точності вимірювань.
Для вирішення поставленого завдання
пропонується використати залежність швидкості поширення акустичних коливань від
концентрації складових суміші газу. В ідеальних газах при заданій температурі
вона не залежить від тиску. Цю залежність досить добре описує вираз
, (1.7)
де v - швидкість
поширення акустичних коливань;
R - універсальна
газова стала;
Т -
абсолютна температура;
М -
молярна маса газу кг/моль;
хі -
відносна концентрація і -го
газу
;
Ср -
теплоємність газу при сталому тиску;
Сv -
теплоємність газу при сталому об’ємі Сv=Ср+R .
Для суміші з азоту, кисню та
водню для всіх можливих значень відносної концентрації від 0 до 1 з кроком 0,1
за (1.7)
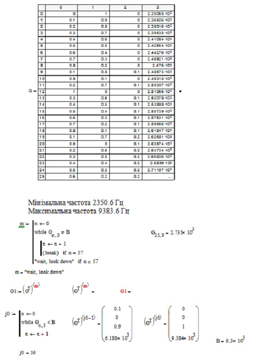
визначено 57 значень швидкості звуку. Нижче подано фрагмент таблиці
концентрацій та швидкостей, розміщених в порядку зростання швидкості.
Таблиця 1.1
Зростання швидкості звуку в
залежності від відносної концентрації газів.
Маючи таку таблицю, з певною
точністю можна визначити відносні концентраціїї газів вимірявши значення швидкості.
При деяких значеннях швидкості максимальна похибка може сягати 10%.
Однак є випадки, коли при зростанні швидкості на 1 або 2 м/c зміна
концентрації сягає 80 % (8,
9, 10, 11, 12, 13 рядки таблиці 1.1.). В такому
випадку діапазон швидкостей визначений обома сусідніми рядками доцільно
розділити ще на 10 значень, розділивши відповідно і значення відносних
концентрацій газу. Після такого розділення виникає інша проблема.
Наприклад, різниця між
швидкостями у дев’ятому і десятому рядках становить 0,74 м/с, а це означає що
при таких швидкостях та різниці між ними, ми повинні здійснювати вимірювання з
похибкою
0,3%. Якщо
діапазон швидкостей розбити ще на десять значень, то тоді вимірювання необхідно
проводити з похибкою 0,03%.
Щоб обійти цю проблему
доцільно перейти до частотних вимірювань. Відомо, що автогенератор повинен
містити два основних елементи - схему підсилення та елемент зворотного зв’язку.
Схема підсилення визначає амплітуду коливань на виході автогенератора. Елемент
зворотного зв’язку
визначає частоту вихідного сигналу. Для збудження коливань в автогенераторі
необхідно забезбечити дві умови. При замкнутому зворотному зв’язку коефіцієнт
передачі схеми підсилення та елемента зворотного зв’язку повинен бути більшим
або рівним одиниці
, (1.8)
де К - коефіцієнт передачі
схеми підсилення;
β - коефіцієнт
передачі елемента зворотного зв’язку.
Другою умовою є забезпечення
необхідного фазового зсуву в автогенераторі при замкнутому зворотному зв’язку
, (1.9)
де φК -
фазовий зсув схеми підсилення,
;
φβ - фазовий
зсув елемента зворотного зв’язку;
m
=1,2,3...
З (1.9)
видно, що фазовий зсув елемента зворотного зв’язку повинен
бути кратним 2π.
Визначимо який фазовий зсув
буде виникати при проходженні акустичною хвилею шляху, що дорівнює її довжині.
Відомо, що
, (1.10)
де λ - довжина
хвилі;
Т - її період,
.
Тоді
, (1.11)
де ω - кутова
швидкість.
Якщо
, (1.12)
де φ -
фазовий кут, який виникає за період Т при кутовій швидкості ω.
Підставивши у (1.11) (1.12)
отримаємо
(1.13)
При довжині хвилі λ з
врахуванням (1.10) отримаємо
. (1.14)
Отже, при відстані між
джерелом звуку та його приймачем рівній довжині хвилі завжди буде виконуватись
фазова умова збудження генератора на відповідній частоті. Однак для різних
сумішей газу швидкість звуку є різною. Різною буде і довжина хвилі. Ми не
можемо при кожній швидкості звуку змінювати відстань між джерелом та приймачем.
Було б доцільно залишати довжину хвилі сталою, а в залежності від швидкості
звуку змінювати його частоту. Тоді довжина хвилі λ і
швидкість звуку v будуть зв’язані з його частотою F
наступним співвідношенням
. (1.15)
Отже для того, щоб довжина
хвилі залишалася сталою, при зростанні швидкості звуку, відповідно повинна
зростати і його частота.
При швидкостях поданих у
таблиці 1 та сталій довжині хвилі λ=0,1 м у
таблиці 2 подано фрагмент матриці концентрацій та частот, розміщених в порядку
зростання частот. Після складання такої таблиці встановлено, що при довжині
хвилі λ=0,1
м мінімальне значення частоти дорівнює 2350,6 Гц, а максимальне значення
становить 9383,6 Гц.
Таблиця 1.2
Фрагмент матриці концентрацій
та частот
При інтервалі вимірювання 1 с
сучасні засоби з легкістю вимірюють частоту до 0,1 Гц. У вказаному частотному
діапазоні частоту 2350 Гц можна легко виміряти з похибкою
. У такому
частотному діапазоні працюють практично всі існуючі джерела та приймачі звуку,
тому їх без проблем можна застосувати у газоаналізаторі.
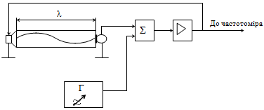
Структурна схема акустичного
газоаналізатора зображена на рис. 1.14.
Рис. 1.14.
Структурна схема акустичного газоаналізатора
Газоаналізатор містить акустичний
резонатор довжиною λ.
З одного боку резонатора встановлено джерело звуку, а з іншого приймач. Сигнал
від приймача акустичних коливань подано на суматор. До другого входу суматора
під’єднано
генератор електричних коливань, який працює у звуковому діапазоні. Частоту
генератора можна плавно змінювати. Вихід суматора під’єднано
до входу підсилювача, який працює на гучномовець, встановлений у акустичному
резонаторі. Крім того до виходу підсилювача під’єднано
частотомір. Плавно змінюючи частоту від мінімального до значення при якому
довжина хвилі не стане рівною λ, необхідно
збудити коливання в автогенераторі. Після встановлення стійких автоколивань в
автогенераторі можна виключити зовнішній генератор і заміряти частоту властиву
даній суміші газів.
Висновок: існуючі газоаналізатори
працюють за принципом порівняння фізичних та хімічних параматрів (властивостей)
зразкової суміші та суміші яка досліджується.
Недоліками таких газоаналізаторів є:
- відхилення параметрів зразкової
суміші спричинює похибки при вимірюванні досліджуваної суміші;
- два вимірювальні канали
(для зразкової та досліджуваної суміші) спричинюють громісткість та складність газоаналізатора;
для вимірювання складу
іншої суміші необхідно змінювати зразкову, що ускладнює переналаштування
газоаналізатора.
Відсутність автоматичної
корекції температурної похибки
Тому розробка газоаналізатора з
відсутністю зразкового каналу, спрощує його схему та переналаштування (за
рахунок вибору відповідної програми) для вимірювання інших сумішей. Наявність
автоматичноі корекції температурної похибки підвищує точність вимірювання та
спрощує умови його експлуатації.
РОЗДІЛ 2. РОЗРОБЛЕННЯ ТА ПЕРЕВІРКА
АЛГОРИТМУ ПРОГРАМИ ДЛЯ АКУСТИЧНОГО ГАЗОАНАЛІЗАТОРА
.1 Розроблення алгоритму програми
визначення відсоткового вмісту газів суміші за виміряним значенням частоти
Програма працює за наступним
алгоритмом (див. рис. 2.1.).
Створюємо матрицю концентрацій
К газів N2, O2, H2 з кроком 0.1 від
максимальної концентрації газів на 56 рядків (
). Після побудови матриці вводимо
дані для розрахунку швидкості v. Розрахувавши швидкість потрібно її
перерахувати у частоту резонатора F за формулою:
(2.1)
Отримали дві матриці К і F,
для подальшої роботи нам потрібно їх об’єднати у
матрицю W, і посортувати її значення частоти F в порядку зростання. Результат
записати в новостворену матрицю G (G=csortW(F)). У матриці G, перший стовпчик вказує на
концентрацію азоту(N2),
другий стовпчик на концентрацію кисню(O2), третій на
концентрацію водню(H2), а
четвертий на частоту.
Наступним кроком буде
вимірювання частоти резонатора . Це значення позначаємо
.
(2.2)
де
- частота у
n рядку.
При вимірюванні частоти виникає два
випадки. Першим є випадок коли виміряне значення частоти збігається з
табличним, тоді програма відразу виводить значення концентрацій газів. Якщо
значення не співпало з табличним то змінній n присвоюємо значення n+1,
тобто переходимо на наступний рядок, перевіряємо чи він не є останнім (n=57). У
випадку коли n=57, то програма рекомендує почекати і дивитись нижче (“wait
Look down”).
Якщо виміряне значення
частоти не співпало з жодним значенням частоти в матриці G, то ми переходимо на
0-вий рядок матриці. Далі перевіряється умова коли значення частоти у вибраному
рядку n є меншим виміряного значення частоти. Якщо табличне значення частоти є
меншим то програма переходить на наступний рядок і цикл повторюється до тих пір
коли табличне значення частоти у певному рядку не стане більшим за
.
Тоді у матрицю
записуються
значення концентрацій та частоти з рядка в якому значення частоти є ще меншим
від
, а у
матрицю
записуються
значення концентрацій та частоти з наступного рядка де табличне значення
частоти є більшим від
.
Наступним кроком нашої
програми є крок коли нам потрібно задати кількість ітерацій
(
=3).
Ітерації задано, програма знаходить прирости концентрацій
,
,
з матриць
і
. Кожен з
приростів розбивається на 10 однакових інтервалів, які є кроком ітерацій:
, (2.3)
, (2.4)
, (2.5)
де N2c, O2c, H2c - прирости
концентрацій відповідного газу;
ΔN2c, ΔO2c, ΔH2c - крок
ітерацій.
Будуємо матрицю проміжних
концентрацій та частот
на 10
рядків з вказаним вище кроком. Після того як матриця побудована програма
переходить на 0-вий рядок проміжної матриці. Далі знову перевіряється умова
коли значення частоти у вибраному рядку S є меншим виміряного значення частоти.
Якщо умова правильна то вибираються два найближчі до виміряного значення
частоти, одне з яких більше виміряного а друге менше. За цими значеннями
визначається зміна відносних концентрацій газів. Ця зміна розбивається на 10
інтервалів, для кожного з яких вираховуються значення частоти, які знову
порівнюються з виміряним значенням. Потім знову знаходяться два найближчих
значення і цикл повторюється. Таким чином за три ітерації межа значень між
найближчими до виміряного значеннями частоти звужується у 1000 разів.
Відповідно звужуються і межі
значень концентрації газів. Якщо спочатку зміна концентраціі окремих газів між
сусідніми рядками могла становити 80% (див. таблицю 1.2), то після трьох
ітерацій істинне значення концентрації газу знаходиться у тисячу разів меншому
інтервалі (0,8%). В нашому випадку ми задовольняємося трьома ітераціями, але
програма не обмежує кількість ітерацій. Тому ми можемо наблизитись до
концентрацій газів, що відповідають виміряному значенню частоти, з якою завгодно
точністю.
Після проходження трьох
ітерацій програма виводить потрібний нам відсотковий вміст газів.
На основі
вищеописаного алгоритму, побудовано блок-схему.
Рис.2.1. Блок-схема принципу
роботи акустичного газоаналізатора.
2.2 Перевірка алгоритму за допомогою
програми MathCad
В програмі MathCad є можливість
використовувати елементи програмування за допомогою яких визначають змінні та
функції, так як це робиться і в традиційному програмуванні. Тільки у MathCad
застосовано дещо спрощений варіант програмування. Нижче подана програма
розроблена у MathCad для перевірки вище описаного алгоритму.

Висновок: Перевірка алгоритму
за допомогою програми MathCAD показала,
що алгоритм є вірним. Він дозволяє з якою завгодно точністю наблизитись до
концентрації газів, що відповідають
. Виникає питання: наскільки наше
відповідає
істинним концентраціям газів? Відповідь на це питання знайдемо у наступному
розділі.
РОЗДІЛ 3.
АНАЛІЗ ВИПАДКОВИХ ТА СИСТЕМАТИЧНИХ ПОХИБОК
3.1 Аналіз випадкових
похибок
Вплив добротності на точність
акустичного резонатора.
Найбільш загальним визначенням
добротності буде відношення кількості енергії накопиченої в коливанні, до втрат
цієї енергії за один період. Це означення в якійсь мірі визначає конструкцію
акустичного резонатора. Він повинен бути таким, щоб акустичні коливання, які
виникають в ньому, не втрачали енергії. Втрати енергії можна зменшити наступним
чином.
Акустичні хвилі не повинні
виконувати механічної роботи, тобто на корпус резонатора не повинні
передаватись акустичні вібрації. Це може бути в тому випадку, коли корпус
резонатора виготовлений з матеріалу, який є масивним і не піддається механічним
впливам. Таким матеріалом може бути латунь, сталь і т.д. Для того щоб зменшити
втрати енергії не тільки за рахунок матеріалу, а і в самому резонаторі,
необхідно щоб внутрішня поверхня резонатора була полірована. Це потрібно для
того щоб уникнути небажаних завихрень газу біля поверхні резонатора.
Наш резонатор повинен містити
джерело та приймач акустичних коливань. У них також не повинно бути втрат
механічної енергії. Тому традиційні динаміки не бажано використовувати як
джерело енергії, через значну амплітуду їх коливань, бо відбита хвиля буде
діяти на динамік і виконувати якусь роботу. Використовувати мікрофон як приймач
енергії також не бажано, оскільки він має незначну площу, тобто він буде
сприймати не велику частину енергії плоскої хвилі, що виникла від джерела.
Виходячи з цього найбільш доцільним буде використовувати як джерело та приймач
акустичної енергії п’єзокерамічні акустичні резонатори.
За літературними джерелами
[1]
добротність кращих таких резонаторів сягає декількох тисяч. Якщо у коливній
системі вимкнути дію збуджувальної сили, то вона перейде у режим вільних
коливань і її амплітуда А зменшуватиметься за експонентою
, (3.1)
де А0 - початкове
значення огинаючої умовної амплітуда в момент часу
;
B -коефіцієнт опору.
Запишемо відношення значень амплітуд
для відрізку часу за який воно зменшиться в z
раз:
, (3.2)
де Ар - амплітудa вільних
коливань в початковий момент вимірювання часового
інтервалу;
Ак - амплітудa вільних
коливань в кінцевий момент вимірювання часового
інтервалу;
n - кількість
періодів
на інтервалі часу згасання коливань;
Т - період
вільних коливань,
Z -
відношення амплітудa вільних коливань в початковий
момент вимірювання до амплітудa вільних
коливань в кінцевий момент вимірювання
Добротність системи [2] зв'язана з
частотою вільних коливань wв та коефіцієнтом опору
співвідношенням
. (3.3)
Якщо Q=2000,
ωв=3,77*107
то з (3.4) коефіцієнт опору В=9.425*103
Визначимо
відносне
зменшення амплітуди за один період. Провівши певні скорочення формула (3.2)
набуде вигляду
(3.4)
де k - відносне
зменшення амплітуди коливань за один період.
Наш акустичний резонатор
містить два п’єзокерамічних
резонатори,
загальний коефіцієнт для вказаних Q та
кожного резонатора рівний k, а
загальні втрати амплітуди в обох п’єзорезонаторах становитимуть k2=0,997.
Оцінимо які втрати енергії
(коефіцієнту опору) може створювати сам акустичний резонатор. Ми говорили, щоб
зменшити втрати енергії не тільки за рахунок матеріалу, а і в самому
резонаторі, необхідно щоб внутрішня поверхня резонатора була полірована. Якщо
площа приймача акустичної енергії буде меншою від площі джерела, то тільки
частина акустичної енергії буде потрапляти до приймача, а решта потрапить на
стінки резонатора. Для зменшення втрат необхідно, щоб максимальна кількість
енергії від джерела акустичних хвиль потрапила на приймач. Це визначає
конструкцію та геометричні розміри резонатора, а саме наш резонатор повинен
бути виготовлений з круглої масивної заготовки, в середині якої повинен бути
отвір з діаметром, що рівний діаметрові джерела та приймача акустичних
коливань.
Очевидно для того щоб
максимальна кількість енергії від джерела потрапляла до приймача, їх діаметри
повинні бути однаковими. Крім того щоб не зменшити значення добротності
акустичного резонатора необхідно вибрати місце встановлення вхідного та
вихідного отворів, для впускання та випускання газової суміші. Для визначення
такого місця проведено наступні обрахунки.
Поздовжна акустична хвиля,
збуджена гармонічними коливаннями п’єзокерамічного перетворювача
розповсюджується
вздовж просторової координати зі швидкістю V.
Нехай в момент часу t в точці з
ординатою х=0 її амплітуда становить y0. Визначимо
коли хвиля на відстані х1 матиме амплітуду y0.
Амплітуда хвилі y0 переміститься до координати х1 зі
запізненням
. Тоді y1, як
значення просторово часової функції можна записати
, (3.5)
відповідно для любих значень
. (3.6)
Оскільки координата х нашого
резонатора дорівнює довжині хвилі λ і хвиля y1 пробігає
цю довжину зліва на право за період Т,
то в рамках цих координат можна записати
, (3.7)
де і - коефіцієнт,
j -
коефіцієнт,
.
За період Т хвиля пройшовши
від лівого краю резонатора до правого відстань λ , вдариться
до нього і відіб’ється,
змінивши фазу на протилежну. Пам’ятаючи, що
для відбитої хвилі
запишемо
(3.7) у вигляді
. (3.8)
Чим дальше треба добратися
відбитій хвилі справа наліво тим більше часу їй на це потрібно. Оскільки
, то цей час
можна визначити за формулою
, або
, яку підставимо у (3.8) і
отримаємо
(3.9)
Оскільки
функція
періодична, то
. Її
значення не зміниться при зменшенні аргумента на період
. Тоді (3.9)
матиме вигляд
(3.10)
Результатом зустрічного
розповсюдження по резонаторі двох хвиль є сумування їх амплітуд. На краях
резонатора ця сума повинна дорівнювати нулю тому, що через відбивання у цих
місцях фаза коливань змінюється на протилежну
(3.11)
Цю функцію можна переписати у
вигляді добутка
(3.12)
Тривимірний графік
побудований за формоулою (3.7) зображено на рис. 3.1
Рис. 3.1
Тривимірний графік функції
.
Тривимірний графік
побудований за формоулою (3.10) зображено на рис. 3.2
Рис. 3.2.
Тривимірний графік функції
.
Тривимірний графік функції,
як суми двох хвиль побудований за формулою (3.11)
зображено на рис. 3. 3
Рис. 3.3.
Тривимірний графік суми двох хвиль
Тривимірний графік як добуток
просторової та часової функції побудований за (3.12)
зображено на рис. 3.4.
Рис. 3.4.
Тривимірний графік як добуток просторової та часової функції
Координата Х на графіках
відображає зміну функції у просторі на відстані λ з
кроком
. Графіки,
що зображені на рис. 3.3 та рис.3.4 ідентичні. На цих графіках видно, що не
залежно від зміни часу сума амплітуд хвиль у просторі з координатами
,
дорівнює
нулю.
На рис. 4 видно, що у
резонаторі є три області в яких амплітуда стоячих хвиль дорівнює 0. Дві з них
знаходяться по краях у місцях встановлення резонаторів, а одна знаходиться по
середині. Саме в цій області доцільно розмістити вхідні та вихідні зі
штуцерами.
Враховуючи всі елементи, які
містить акустичний резонатор та його конструкцію можна зробити висновок що
втрати енергії при проходженні акустичної хвилі від приймача до передавача
будуть не більшими ніж втрати у п’єзокерамічному
резонаторі, а загальні втрати амплітуди будуть становити k3=0,9953.
Визначимо загальну добротність акустичного резонатора.
(3.13)
Зробивши відповідні математичні
перетворення з (3.13), визначимо загальний коефіцієнт опору акустичного
резонатора.
(3.14)
де
- період
акустичних коливань.
Знаючи
за формулою
(3.3), визначимо добротність акустичного резонатора
(3.15)
Підставивши у (3.15) замість
його
значення отримаємо
(3.16)
Якщо
=
, а
=
, то (3.16)
набуде вигляду
(3.17)
З (3.17) можна зробити
висновок, що добротність акустичного резонатора є сталою і не залежить від його
частоти. На рис 3.5 зображено конструкцію акустичного резонатора у якій
враховані всі чинники, направлені на забезпечення високої добротності.
Рис. 3.5.
Акустичний резонатор
2, 7 - П’єзокерамічні
резонатори; 6 - корпус.
,1
- бокові стінки резонатора ;
, 5 - вхідний та вихідний штуцери;
Основним елементом акустичного
газоаналізатора слід вважати автогенератор, який складається з активного
елемента підсилювача та пасивного елемента, що встановлений в колі зворотного
зв’язку - акустичного резонатора. В першому розділі було сказано, що для
збудження коливань в автогенераторі необхідно щоб
, (3.18)
де К - коефіцієнт передачі
схеми підсилення;
β - коефіцієнт
передачі елемента зворотного зв’язку.
Другою умовою є забезпечення
необхідного фазового зсуву в автогенераторі при замкнутому зворотному зв’язку
, (3.19)
де φК -
фазовий зсув схеми підсилення,
;
φβ - фазовий
зсув елемента зворотного зв’язку;
m
=1,2,3...
Формула (3.19)
відображає ідеальні умови роботи автогенератора і мітить два чинники. Однак є
ще один чинник, який впливає на фазову умову збудження. Таким чинником є шуми
підсилювача. З врахуванням цього фактору формула (3.19)
буде мати вигляд
(3.20)
Для забезпечення максимальної
добротності, конструкція резонатора розроблена так , щоб мінімізувати втрати у
ньому. Коефіцієнт передачі такого елемента зворотного зв’язку є близьким до 1 (
= 0, 9953).
Тому для забезпечення амплітудної умови збудження (баланс амплітуд) немає
потреб у великому коефіцієнті підсилення. Для гарантованого збудження
автогенератора достатньо, щоб коефіцієнт підсилення був рівним 2. На рис.3.6
подано схему такого підсилювача.
Рис.3.6. Приймальний
підсилювач.
На цій схемі п’єзорезонатор
поданий як
конденсатор,
і позначений буквами МК. Перший каскад складається з мікросхем
і
. Він
підсилює диференційний сигнал в
. Коефіцієнт передачі для синфазного
сигналу дорівнює 1. Коефіцієнт підсилення другого каскаду дорівнює 1. Така
схема має високий вхідний опір і забезпечує хороше ослаблення синфазного
сигналу. На виході цієї схеми було виміряно вольтметром середньоквадратичне
значення шумів, що становить
. У підсилювачі коричний сигнал, що
виникає у результаті генерації та шуми підсилювача впливають одне на одного.
Цей вплив буде проявлятися у миттєвих коливаннях фази вихідного сигналу. Коли
детермінований корисний сигнал [3] сумується з шумами малої
інтенсивності, то вони викликають випадкове зміщення фази вихідного сигналу.
Якщо детермінований сигнал на виході має амплітуду 12 В, то його ефективне
значення буде дорівнювати
. Визначимо
яке фазове зміщення може спричинити напруга шумів при сумуванні з детермінованим
сигналом. Напругу шумів можна розглядати як випадковий процес. Одною з
характеристик якого є середньоквадратичне значення. Оскільки це випадковий
процес то його фаза може мати довільне значення, по відношенню до фази
детермінованого сигналу. У випадку коли фаза шуму співпадає з фазою
детермінованого сигналу, то це не вплине на результатуючу фазу вихідного
сигналу. Максимальне зміщення фази буде можливим тоді, коли фаза шуму зміщена
по відношенню до детермінованого сигналу на 90º. Знаючи
середньоквадратичне значення напруги шумів, та середньоквадратичне значення
детермінованого сигналу визначимо це зміщення за формулою
(3.21)
З врахуванням поданих вище
значень
рад.
Рис. 3.7. Максимальне
зміщення фази
Відомо, що при резонансі
амплітуда коливань зростає до максимального значення, а фазовий зсув між
частотою збуджуючої сили та частотою резонатора, при переході через резонансну
частоту змінює своє значення на
. Чим вища добротність резонатора,
тим стрімкіший цей перехід.
Рис. 3.8 Фазо - частотна
характеристика коливального контура
Фазо-частотна характеристика [1] акустичного
резонатора апроксимована за формулою
(3.22)
де
-
резонансна частота;
- поточна частота;
- коефіцієнт опору.
Графік цієї характеристика
зображено на рис. 3.8
Рис. 3.8. Частотно - фазова
характеристика акустичного
Резонатора.
На рис. 3.8 видно, що при
переході рівності поточної та резонансної частоти, фазовий зсув дорівнює
. Знаючи
середньоквадратичне відхилення фази спричинене шумами, можна визначити яке
відхилення частоти воно спричинить. Для цього підставимо наше
середньоквадратичне значення фазового відхилення у формулу (3.22), та розв’яжимо це рівняння
відносно
. Відхилення
частоти спричинене шумами були розраховані на початку та в кінці частотного
діапазону. Для резонансних частот
Гц , та
Гц.. Для
частоти, що знаходиться приблизно по середині між цими значеннями
Гц.
Після проведення розрахунків,
для частот на початуку, в середені та в кінці нашого частотного діапазону
відхилення частоти становило
Гц.
Гц.
Гц.
З наведених чисел видно, що
похибка середньоквадратичного відхилення частоти з її зростанням збільшується.
Визначимо як вплинуть такі відхилення частоти на значення концентрації газу.
Таблиця 3.1
Вплив шумів на значення концентрації газу
Частота Концентрація
N2Концентрація
O2Концентрація
|
H2
|
|
|
|
|
fmin.= 2,3506∙103 Гц.
|
0,659 ÷ 0,659
|
99,341÷99,341
|
0
|
|
fmin.1 = fmin. - Δfmin.
|
0,659 ÷ 0,659
|
99,341÷99,341
|
0
|
|
fmin.2 = fmin. +
Δfmin.
|
99,341÷99,341
|
0
|
|
fсер.= 5∙103
Гц.
|
19,412 ÷ 19,412
|
0
|
80, 588 ÷ 80,
588
|
|
fсер.1 = fсер.- Δfсер.
|
19,412 ÷ 19,412
|
0
|
80, 588 ÷ 80,
588
|
|
fсер.2 = fсер.+ Δfсер.
|
19,412 ÷ 19,412
|
0
|
80, 588 ÷ 80,
588
|
|
fmax.= 9,383∙103
Гц.
|
9,38∙103 ÷ 9,39∙103
|
0
|
99,999 ÷
99, 999
|
|
fmax.1 = fmax.
- Δfmax.
|
9,4∙10-4 ÷
9,41∙10-4
|
0
|
99,999 ÷
99, 999
|
|
fmax.2 = fmax.
+ Δfmax.
|
9,37∙103 ÷
9,38∙103
|
0
|
99,999 ÷
99, 999
|
Якщо
розглянути
таблицю 3.1 то можна зробити висновок, що при таких відхиленнях частоти
концентрація змінюється тільки при fmax..
.2 Аналіз систематичних
похибок
Основним чинником, який буде
впливати на значення систематичних похибок є температура. Є два шляхи впливу
температури на вихідну частоту резонатора. Перший шлях - це вплив температури
на швидкість акустичних хвиль у газовій суміші, який відображений формулою
[4]
(3.23)
де
=T+
.
.
За формулою (3.23) було
обраховано систематичні похибки температури
яка впливає на швидкість акустичних хвиль у газовій суміші. Похибки ми
записали у таблицю
3.2.
Другим чинником
є вплив температури на геометричні розміри самого резонатора. Для визначення
цього впливу обрахуємо, як зміняться геометричні розміри резонатора довжиною
0,1 м, при зміні температури на 1ºС. Вважаємо,
що температурний коефіцієнт лінійного розширення дорівнює 20∙10-6 [5].
Зміну
довжини
резонатора визначаємо за наступною формулою
(3.24)
де
-
температурний коефіцієнт лінійного розширення
=20∙10-6; = 0,1 м;
= 1ºС.
Загальна довжина резонатора
буде рівна
(3.25)
Загальна похибка частоти
спричинена впливом температури на швидкість розповсюдження акустичних хвиль, та
зміною довжини резонатора визначається за формулою
(3.26)
Нижче подано дві матриці
концентрацій та частот. Перша з яких при температурі 0ºС, а
друга при зміні температури на 1ºС. У третіх
стовпцях цих матриць вказано на скільки змінилась частота, спричинена зміною
температури навколишнього середовища на 1ºС.
Таблиця 3.2
Фрагмент матриці концентрацій
та частот при температурі 0ºС
Таблиця 3.3
Фрагмент матриці концентрацій
та частот при зміні температури на 1ºС
Взявши частоти, які
вказані в матрицях в третьому стовпці, порахуємо відносні похибки за формулою
(3.27)
де Fpoxn - відхилення
частоти спричинене впливом температури у n-тому
рядку матриці Gpox.
Fn - частота
у n-тому
рядку матриці G.
;
;
.
Відносні похибки пораховані
при мінімальному, середньому та максимальному значеннях частот знаходяться у
межах від 0,34% до 0,36%.
Висновок: як показали
розрахунки, вплив шумів на середньоквадратичне відхилення частоти практично
відсутній. Основним чинником, що визначає похибку вимірювання концентрації є
температура. Тому для забезпечення необхідної точності вимірювання концентрації
необхідно встановити
у корпусі акустичного резонатора сенсор температури, розраховувати частоту з
врахуванням її впливу, а для визначення концентрацій користуватися матрицею
частот в якій цей вплив враховано.
РОЗДІЛ 4. ОХОРОНА ПРАЦІ
.1 Характеристика проведення
досліджень з точки зору охорони праці
Будь-яка робота з математичного
моделювання процесів, об’єктів, явищ передбачає використання персональних
комп’ютерів, сканерів, принтерів та інших пристроїв, які живляться від
електромережі. Не є винятком і дана робота, що передбачає математичне
моделювання роботи акустичного газоаналізатора.
Для оцінювання рівня метрологічного
забезпечення вимірювань здійснено обробку інформації з допомогою комп’ютерної
техніки. Розрахунки проводилися на IBM - сумісному персональному комп’ютері з
процесором Intel
Core 2 Duo,
1064
Мб оперативної пам’яті. Режим роботи будь-якого користувача ПК є малорухливим,
пов’язаним з напруженням зорового апарату та аналізаторів, перебуванням в
замкнутому обмеженому просторі, зумовлені також дією наступних шкідливих
чинників [6]:
· відхилення
нормативних характеристик мікроклімату в робочій зоні від норми
· недостатня
освітленість робочої зони;
· невідповідність
робочого місця вимогам антропометрії
· підвищений
рівень шумових, вібраційних та інфразвукових коливань;
· наявність
шкідливих чи токсичних речовин чи мікрофлори в повітрі
· підвищене
значення
напруги в електричних
колах живлення електроприладів.
· підвищене
значення
напруги в електричних
колах живлення електроприладів, замикання
якої
може відбутися через тіло
людини;
· підвищений
рівень електромагнітних
випромінювань;
Мета даної роботи поліпшення умов за яких
відбувається розробка проекту.
Для покращення цих умов необхідно здійснити
першочергові заходи:
·
раціоналізація
режимів праці та відпочинку.
·
раціональна
вентиляція, опалення та кондиціювання повітря
4.2 Нормативні рівні небезпечних
чинників
.2.1 Метеоумови у приміщенні
Вибір умов для приміщення, в якому
перебігає трудовий процес, здійснюється згідно з ДСаНПіН 3.3.2.007-98 «Державні
санітарні правила і норми роботи з візуальними дисплейними терміналами електронно-обчислювальних
машин» [7], який розроблений спеціально для того, щоб забезпечити нормальні
умови праці працівників, робота яких пов’язана з використанням дисплейних
терміналів.
Виконання робіт з реалізації проекту передбачає
постійне використання персонального комп’ютера.
Роботи виконуються у окремому
приміщенні, де розташована комп'ютерна техніка. Приміщення
розташоване на другому
поверсі двоповерхової
цегляної будівлі. Геометричні параметри приміщення:ширина 4
м,
довжина 5 м, висота 3
м.
Відповідно
площа приміщення
20
м2, а його об’єм 60 м3
В приміщенні передбачено
три
робочих місця (три працівники,
які працюють з комп’ютерною технікою).
Відповідно до ДСанПІН 3.3.2.007-98
[7], ДСН 3.3.6.042-99 «Санітарні норми мікроклімату виробничих приміщень» [8] та
ГОСТ 12.1.005-88 “Загальні санітарно-гігієнічні вимоги до повітря робочої
зони”[9] робота працівника по важкості відноситься до категорії легка 1-а.
Інформація наведена у таблиці 4.1.
Таблиця 4.1
Оптимальні параметри мікроклімату в
приміщенні
|
Період року
|
Температура
повітря,0С
|
Відносна вологість
повітря, %
|
Швидкість
руху повітря
|
|
Теплий
|
22-24
|
40-60
|
0.1
|
|
Холодний
|
23-25
|
40-60
|
0.1
|
Приміщення, де виконується робота
відповідає оптимальним значенням параметрів мікроклімату: температури,
відносної вологості й руху повітря. Джерела виділення шкідливих речовин і
великої кількості тепла відсутні. Для забезпечення оптимальних метеоумов у
теплий період року, а також через наявність незначного тепловиділення від
дисплеїв та системних блоків ПК використовується спліт кондиціонер Saturn
ST-07 HR
з максимальною потужністю по холоду 7000 BTU.
Для підтримки оптимальної концентрації позитивних та негативних іонів
(кількість позитивних іонів в 1 см3 коливається в межах 1500-3000, а негативних
- 3000-5000) встановлено іонізатор повітря BSE-988B,
що забезпечує циркуляцію повітря, зволоження та штучну іонізацію повітря. Незалежно
від зовнішніх умов використовується природна вентиляція. У холодний період для
підтримання комфортних умов роботи застосовується централізоване водяне
опалення згідно СНиП 2.04.05-91*У «Отопление, вентиляция и кондиционирование»
[10].
4.2.2 Освітленість приміщення
У лабораторії з ПК передбачається
сумісне (природне і штучне) освітлення відповідно до вимог ДБН В.2.5-28-2006
Природне та штучне освітлення. [11].
Зорова робота працівників відноситься до розряду високої точності за розміром
об’єкта розрізнення. За ДБН В.2.5.28-2006 [11]
в робочій зоні повинні бути забезпечені наступні значення освітленості та КПО
(таблиця 4.2.):
Таблиця. 4.2
Нормовані значення освітленості
|
Характеристика зорової роботи
|
Найменший
розмір об’єкта розрізнення мм
|
Розряд зорової роботи
|
Підрозряд зорової роботи
|
Відносна
тривалість зорової роботи в напрямку зору на робочу поверхню, %
|
Штучне освітлення
|
Природнє освітлення
|
|
|
|
|
|
Освітленість
на робочій поверхні від системи загального освітлення, люкс
|
Циліндрична освітленість, лк
|
Показник дискомфорту, не більше
|
Коефіцієнт пульсації, % не більше
|
при
верхньому і комбінованому освітленні
|
при боковому освітленні
|
|
Високої точності
|
0,3-0,5
|
Б
|
1
|
Не менше 70
|
300
|
100
|
40 15
|
15
|
3,0
|
1,0
|
|
|
|
2
|
Менше 70
|
200
|
75
|
60 25
|
20-15
|
2,5
|
0,7
|
.2.3 Захист від шуму і вібрації
Джерелами шуму і вібрації в
приміщенні є системні блоки комп’ютерів, 3 процесори Intel
Core 2 Duo,
приводи швидкісних CD
(DVD) ROM,
матричний принтер Epson
LX-300.
Рівні шуму на робочих місцях
визначені ДСанПіН 3.3.2.007-98 [7] та ДСН 3.3.6.037-99 «Санітарні норми
виробничого шуму, ультразвуку та інфразвуку» [12] (табл.6.3).
Джерела вібрації ті ж що й шуму,
характеристики вібрації на робочих місцях не перевищують допустимі відповідно
до ГОСТ 12.1.012-90 [13]
та ДСН 3.3.6.039-99 [14].
Таблиця 4.3
Еквівалентні рівні шуму
|
Робоче місце
|
Рівні звукового тиску в дБ в октавних смугах з
середньогеометричними частотами,Гц
|
Рівні шуму та еквівалентні рівні шуму,
дБА/дБАе
|
|
31,5
|
63
|
125
|
250
|
500
|
1000
|
2000
|
4000
|
8000
|
|
|
Робочі місця в приміщеннях дирекції,
проектно-конструкторських бюро, в лабораторіях для теоретичних робіт і
обробки даних, а також для програмістів і операторів ЕОМ (ПЕОМ)
|
86
|
71
|
61
|
54
|
49
|
45
|
42
|
40
|
38
|
50
|
.2.4 Захист
від електромагнітних випромінювань і електростатичних полів
Основними джерелами випромінювання в
приміщенні є 3 комп’ютери (монітори Samsung
SyncMaster 795МВ) .
Рівень електромагнітного випромінювання
та магнітних полів нормують за НПАОП 0.00- 1.31-99 «Правила
охорони праці під час експлуатації електронно-обчислювальних машин»
[15],
ГОСТ 12.1.006-84 «Электромагнитные поля радиочастот.
Допустимые уровни на рабочих местах и требования к проведению контроля»
[16]
та ДСанПіН 3.3.2.007-98. [7]
Для неіонізуючого випромінювання
встановлюють допустимі норми (табл.4.4).
Таблиця 4.4
Допустимі норми неіонізуючого
випромінювання
|
Діапазон частот
|
Напруженість
електромагнітного поля на відстані 50 см,В/м
|
Щільність магнітного потоку,нТл
|
|
5Гц-2кГц
|
25
|
250
|
|
2кГц-400кГц
|
2,5
|
25
|
.2.5 Загазованість та запиленість
повітря
У приміщенні операторів ПК відсутні
фактори, що можуть спричинити загазованість повітря.
Приміщення
відповідає вимогам ГОСТ 12.1.005-88 «Загальні санітарно-гігієнічні вимоги до
повітря робочої зони». [9]
Побутовий пил усувається шляхом щоденного вологого прибирання робочих поверхонь
та підлоги. Для усунення можливого забруднення повітря озоном при роботі
принтера передбачається періодичне провітрювання приміщення.
.2.6 Електробезпека
Приміщення по електробезпеці
відноситься до приміщень без підвищеної небезпеки, як сухе приміщення з
відносною вологістю повітря менше 60 %.[17]
Устаткування для обслуговування,
ремонту та налагодження, інше устаткування (апарати управління,
контрольно-вимірювальні прилади, світильники тощо), електропроводи та кабелі за
виконанням та ступенем захисту мають відповідати класу зони за НПАОП
0.00-1.31-99 «Правила охорони праці під час експлуатації електронно-
обчислювальних машин» [10]. Металеві труби та гнучкі металеві рукави заземлені.
Для усунення небезпеки ураження електричним струмом використовується захисне
заземлення згідно вимог НПАОП 40.1-1.21-98 [18], НПАОП 40.1-1.07-01 [19] та
ГОСТ 12.1.030-81 [20].
4.2.7 Пожежна безпека
Приміщення, призначене для роботи
операторів ПК, є типовим офісним приміщенням, яке згідно НАПБ Б.03.002-2007
“Норми визначення категорій приміщень, будівель та зовнішніх установок за
вибухопожежною та пожежною небезпекою” [15]
відноситься до категорії В. Приміщення має другий ступінь вогнестійкості за ДБН
В.1.1.-7-2002 «Пожежна безпека об’єктів будівництва» [21]
Оснащення приміщення первинними
засобами пожежогасіння для громадських та адміністративних споруд при
захищувальній площі, 200 м2 для класу пожежі Е (пожежі пов’язані з горінням
електроустановок) відповідає [22]: чотири вуглекислотних вогнегасники ВВ-5
місткістю 5л.
Захист приміщення від прямого удару
блискавкою приймається відповідно до ДСТУ Б В.2.5-38:2008 «Інженерне обладнання
будинків і споруд. Улаштування блискавкозахисту будівель і споруд» [23]
.3 Коефіцієнт умов праці
На основі розгляду нормативних вимог
та існуючого стану умов на робочому місці складаємо підсумкову таблицю, з
допомогою якої визначимо коефіцієнт умов праці за методикою [24]
В приміщенні без надлишкових
тепловиділень розмірами 4 х 5 м працює 3 користувачі ПК. Пора року - тепла,
категорія важкості праці - легка Іб. Температура в приміщенні 23оС, відносна
вологість 65 %. Рівень шуму L=71
дБА, час впливу шуму 8 год в зміну.
На робочому місці виконуються зорові
роботи IVб
розряду (контраст середній). Загальне рівномірне освітлення здійснюється
люмінесцентними лампами, середній загальний рівень освітленості Е=350 лк,
кількість об’єктів спостереження 20 шт при тривалості зосередженого
спостереження 10%.
Таблиця 4.5
Вимоги до зорових робіт
|
Умови
|
Температура в теплий період ТоС
|
Відносна вологість повітря φ
|
Рівень шуму L,
дБА
|
Освітленість Е лк
|
Кількість важливих об'єктів спостереження
|
Тривалість зосередженого спостереження%
|
|
Реальні
|
23
|
65
|
71
|
480
|
20
|
10
|
|
Оптимальні
|
22-24
|
40-60
|
<50
|
500
|
<5
|
Не більше 25
|
|
Допустимі
|
21-25
|
<75
|
<60
|
200
|
11...25
|
51...75
|
|
Бальна оцінка
|
2
|
2
|
3
|
1
|
2
|
1
|
|
Індекс відхилення а
|
1,000
|
60/65 =0,923
|
50/71 =0,704
|
480/500 =0,96
|
5/20 =0,250
|
25/10 =2,500
|
Коефіцієнт умов праці характеризує
відповідність фактичних умов праці до нормативних. При розрахунку коефіцієнта
умов праці приймаю до уваги ті з них, які можна виразити визначеною числовою
величиною та для яких є нормативне значення. Коефіцієнт умов праці визначається
як середньо геометрична величина показників, що характеризують умови праці, за
такою формулою
(4.1)
де а1 а2, ап- індекс відхилення
фактичних елементів праці від нормативних за відповідними показниками;
п - кількість показників, що
характеризують елементи умов праці, за якими проводилися заміри.
Індекси відхилення фактичних умов
праці від нормативних розраховано за формулою
(4.2)
де Уф і Ун - відповідні до
фактичного та нормативного значення показників елементів умов праці в існуючих
одиницях виміру.
Значення індексів відхилення
фактичних умов праці наведено в зведеній таблиці.
З проведеного аналізу випливає, що
на робочих місцях умови сильно відрізняються від оптимальних і в першу чергу
треба покращувати умови зорової роботи працівників і зменшувати рівень шуму в
приміщенні
4.4 Підсумкова характеристика прийнятих рішень з
охорони праці
Проаналізовано проектоване приміщення
на наявність шкідливих виробничих чинників, виявлено основні небезпечні чинники,
що впливають на користувачів ПК, та сформовано нормативні
вимоги до їх значень. Розраховано коефіцієнт умов
праці і зроблено висновки про необхідні заходи з покращення умов.
Висновок: в даному розділі
розроблені праце охоронні питання, які забезпечують безпеку студента на
робочому місці при виконанні бакалаврської роботи. Розраховано коефіцієнт умов
праці. Встановлені ергономічні вимоги до організації робочого місця, а також
визначені його оптимальні характеристики для дослідника з урахуванням його
антропометричних даних.
РОЗДІЛ 5. ЕКОНОМІЧНА ОЦІНКА
ПРОЕКТНОГО РІШЕННЯ
Існуючі газоаналізатори працюють за
принципом порівняння фізичних та хімічних параматрів (властивостей) зразкової
суміші та суміші яка досліджується. В акустичному газоаналізаторі відсутній
зразковий канал, що спрощує схему газоаналізатора, та переналаштування його (за
рахунок вибору відповідної програми) для вимірювання інших сумішей.
В дипломній роботі буде
запропоноване розроблення алгоритму визначення процентного вмісту газів суміші
за виміряним значенням частоти, при допомозі програмного забезпечення MathCad.
З допомогою акустичного
газоаналізатора, та написаної програми можна з легкістю визначити відсотковий
вміст газів з більш точнішим результатом.
5.1 Розрахунок витрат на
розробку програмного забезпечення
Витрати на розробку і впровадження програмних
засобів (К) включають:
К = К1+К2(5.1)
де K1
- витрати на розробку програмних засобів, грн.
К2 - витрати на відлагодження і дослідну
експлуатацію програми рішення задачі на ЕОМ, грн.
Витрати на розробку програмних
засобів (K1) включають:
- витрати на оплату праці розробників
(З);
витрати на відрахування у спеціальні державні
фонди (Вф,);
витрати на куповані вироби (Кв);
витрати на придбання спецобладнання для експериментальних
робіт (Об);
накладні витрати (Н);
інші витрати (Ів).
Витрати на оплату праці включають
заробітну плату (ЗП) всіх категорій працівників, безпосередньо зайнятих на всіх
етапах проектування.
Для розробки програмного продукту
необхідно четверо спеціалістів-розробників, а саме:
· керівник проекту
(К);
· студент-дипломник
(С);
· консультант з
економічної частини (КЕ);
· консультант з
охорони праці (КО).
Денна заробітна плата розробника
і-ої спеціальності j-го тарифного розряду обчислюється за формулою:
, (5.2)
де
- основна
місячна заробітна плата розробника і-ої спеціальності j-го тарифного розряду,
грн.;- коефіцієнт, що визначає розмір додаткової заробітної плати (h = 0,2);
р - середня кількість робочих
днів за місяць, р = 22 дні.
Згідно з штатним розписом НУ
«ЛП» :
· місячний оклад
керівника проекту доцента складає 2500 грн./міс;
· місячний оклад
студента складає 630 грн./міс;
· місячний оклад
консультанта з економічної частини складає 2500 грн./міс;
· місячний оклад
консультанта з охорони праці складає 2500 грн./міс.
Отже, денна заробітна плата
розробників складає:
СК = 2500 · (1+0,2)/22 = 136,36
(грн.);
Сс = 630 · (1+0,2)/22 = 34,36
(грн.);
СКЕ = 2500 · (1+0,2)/22 = 136,36 (грн.);
СКО = 2500 · (1+0,2)/22 = 136,36
(грн.).
Таблиця 5.1
Вихідні дані для розрахунку витрат
на оплату праці
|
№
|
Посада виконавців
|
Місячний оклад, грн.
|
Середньоденна ставка, грн./дні
|
|
1
|
Доцент
|
2500
|
136,36
|
|
2
|
Консультант з економіки
|
2500
|
136,36
|
|
3
|
Консультант з охорони праці
|
2500
|
136,36
|
|
4
|
Студент
|
630
|
34,36
|
Розрахунок витрат на оплату праці
кожного розробника проекту проводимо за формулою:
,(5.3)
де nij - кількість
розробників проекту і-ої спеціальності j-го тарифного розряду, осіб;- час,
витрачений на розробку проекту працівником і-ої спеціальності j-го тарифного
розряду, днів;- денна ЗП розробника і-ої спеціальності j-го тарифного розряду,
грн.
Таким чином, витрати на
оплату праці розробників складають:
К = 1 · 22 · 136,36 = 2999,92
(грн.);
ЗС = 1 · 65 ·
34,36 = 2233,4
(грн.);
КЕ = 1 · 3 · 136,36 = 409,08 (грн.);
КО = 1 · 2 · 136,36 = 272,72
(грн.).
Сумарні витрати на оплату
праці:
3 = 2999,92 + 2233,4
+ 409,08 + 272,72 = 5915,12
(грн.).
Таблиця 5.2
Розрахунок
витрат на оплату праці
|
№
|
Спеціальність розробника
|
Час розробки, Дні
|
Денна заробітна плата, грн.
|
Витрати на розробку, грн.
|
|
1
|
Доцент
|
22
|
136,36
|
2999,92
|
|
2
|
Консультант з економіки
|
3
|
136,36
|
409,08
|
|
3
|
Консультант з охорони праці
|
2
|
136,36
|
272,72
|
|
4
|
Студент
|
65
|
34,36
|
2233,4
|
|
Разом
|
5915,12
|
Величину відрахувань у спеціальні
державні фонди визначають у процентному відношенні від суми основної та
додаткової заробітної плати. Згідно діючого нормативного законодавства сума
відрахувань у спеціальні державні фонди складає приблизно 36,2% від суми
заробітної плати:
=36,2*З/100. (5.4)
=36,2*5915,12/100
= 2141,27
(грн.)
Витрати на куповані вироби
визначаються за фактичними цінами з врахуванням найменування, номенклатури та
необхідної їх кількості на бакалаврську роботу.
Таблиця 5.3
Розрахунок витрат на куповані
вироби
|
№ з/п
|
Найменування купованих виробів
|
Одиниця виміру
|
К-сть купованих виробів
|
Ціна за одиницю, грн.
|
|
1
|
Дискета
|
Шт.
|
2
|
2,50
|
5,0
|
|
2
|
Диск (CD-RW)
|
Шт.
|
2
|
3,50
|
7
|
|
3
|
Папір (формат А4)
|
500 листів
|
1
|
45,0
|
45,0
|
|
4
|
Зошит
|
Шт.
|
3
|
1,50
|
4,50
|
|
Всього
|
|
|
|
61,5
|
Отже, витрати на куповані товари
становлять Кв = 61,5
(грн.)
При розробці даного програмного
забезпечення спеціальне обладнання не використовувалось, тому витрати на
спеціальне обладнання відсутні.
Накладні витрати проектних
організацій включають три групи видатків: витрати на управління,
загальногосподарські витрати, невиробничі витрати. Вони розраховуються за
встановленими процентами (120
200%) до витрат на оплату праці:
Нв = 120*З/100. (5.5)
Нв = 1,2 · 5915,12
= 7170,1
(грн.)
Інші витрати відображають видатки,
які не враховані в попередніх статтях витрат. Вони розраховуються за
встановленими процентами (10%) до витрат на оплату праці:
Ів =10*З/100. (5.6)
Ів = 0,1 · 5915,12
= 591,51
(грн.)
Витрати на розробку проектного
рішення обчислюємо за формулою:
К1 = З + Вф + Кв + Нв + Ів. (5.7)
Підставивши результати розрахунків,
отримаємо:
К1 = 5915,12+
2141,27
+ 61,5
+ 7170,1
+ 591,51
= 15879,5
(грн.)
Витрати на відлагодження і дослідну
експлуатацію програми визначаємо з формули:
К2 = SMГ · tВІД , (5.8)
де SMГ - вартість однієї
машино-години роботи ПК, грн./год. SMГ = 2,5 грн./год.;ВІД - кількість машинних
годин, витрачених на відлагодження і дослідну експлуатацію ПК.
Загальна кількість днів роботи на ПК
рівна 55
днів. Середній щоденний час роботи на комп’ютері - 4 год., тому:ВІД = 55*4
= 220
год.
Отримаємо
К2 = 220
· 2,5 = 550
(грн.)
Результати розрахунків зводимо в
таблицю 5.4.:
Таблиця 5.4
Кошторис витрат на розробку
програмного забезпечення
|
№ з/п
|
Найменування елементів витрат
|
Сума витрат, грн.
|
|
1
|
Витрати на оплату праці
|
5915,12
|
|
2
|
Відрахування у спеціальні державні фонди
|
2141,27
|
|
3
|
Витрати на куповані вироби
|
61,5
|
|
4
|
Накладні витрати
|
7170,1
|
|
5
|
Витрати на експлуатацію ПК
|
550
|
|
6
|
Інші витрати
|
591,51
|
|
Всього
|
15879,5
|
5.2 Визначення експлуатаційних
витрат
Для оцінки економічної ефективності
розроблюваного програмного продукту слід порівняти його з аналогом, тобто
існуючим програмним забезпеченням ідентичного функціонального призначення.
Експлуатаційні одноразові витрати по програмному
забезпеченню і аналогу включають вартість підготовки даних і вартість
машино-годин
роботи ЕОМ (за час дії програми):
(5.9)
де Еп - одноразові експлуатаційні
витрати на проектне рішення (аналог), грн.;
Е1п - вартість підготовки даних для
експлуатації проектного рішення (аналогу), грн.;
Е2п - вартість машино-годин роботи
ЕОМ для виконання проектного рішення (аналогу), грн.
Річні експлуатаційні витрати Веп
визначаються за формулою:
(5.10)
де Nп -
періодичність експлуатації проектного рішення (аналогу), раз/рік.
Вартість підготовки даних для роботи
на ЕОМ визначається за формулою:
(5.11)
де 1 - номери категорій персоналу,
який приймає участь у підготовці даних (1=1,2,...L);
n1 -
чисельність співробітників 1-ої категорії, чол.;
t1 -
трудоємність роботи співробітників 1-ої категорії по підготовці
даних, год.;
с1 - середньогодинна ставка
співробітника 1-ої категорії з врахуванням додаткової заробітної плати та
відрахувань у спеціальні державні фонди, грн./год.
(5.12)
де
- основна місячна заробітна плата
працівника 1-ої категорії, грн.;
b -
коефіцієнт, який враховує додаткову заробітну плату і відрахування у спеціальні
державні фонди;
m - кількість
робочих годин у місяці, год.
Для роботи з даними як для
проектного рішення так і аналогу потрібен
один працівник, основна місячна
заробітна плата якого складає: с° = 1200 грн. Тоді:
грн/год
Трудоємність працівника по
підготовці даних для проектного рішення складає 1 год., для аналога 1,5 год.
Таблиця 5.5
Розрахунок витрат на
підготовку даних та реалізацію проектного рішення на ЕОМ
|
№
|
Час роботи співробітників, год.
|
Середньогодинна
заробітна плата, грн./год.
|
Витрати, грн.
|
|
Проектне рішення
|
|
1
|
1
|
10,7
|
10,7
|
|
Аналог
|
|
1
|
1,5
|
10,7
|
16,05
|
Витрати на експлуатацію ЕОМ визначається за
формулою:
(5.13)
де t - витрати
машинного часу для реалізації проектного рішення (аналогу), год.;
SMГ - вартість
однієї машино-години роботи ЕОМ, грн./год.
Е2п = 1 ∙ 2,5 = 2,5 грн.
Е2а=1,5+2,5 = 4,0 грн.
Еп=10,7+2,5=13,2 грн.
Еа=16,0+4,0 = 20,0 грн.
Веп= 13,2*252=3326,4 грн.
Веа=20,0*252=5040 грн.
5.3 Розрахунок ціни споживання
проектного рішення
Ціна споживання - це витрати на придбання і
експлуатацію проектного рішення за весь строк його служби:
Цсп=Цп+Вепрv
(5.14)
де Цп - ціна придбання проектного рішення, грн.:
(5.15)
де Пр - норматив рентабельності;
Ко - витрати на прив'язку та
освоєння проектного рішення на конкретному об'єкті, грн.;
Кк - витрати на доукомплектування
технічних засобів на об'єкті, грн.;
Цп=15879,5*(1+0,3) = 20643,35 грн.
Benpv - теперішня
вартість витрат на експлуатацію проектного рішення (за весь час його
експлуатації), грн.:
(5.16)
де Веп - річні експлуатаційні
витрати, грн.;
T - строк
служби проектного рішення, років;
R - річна
ставка проценту банківського.
грн.
грн.
Цсп = 20643,35
+13272,3=33915,65 грн.
Цса = 19800,35+20120=40133,43 грн.
5.4 Визначення показників
економічної ефективності
Економічний ефект в сфері проектування рішення:
Епр=Ца-Цп (5.17)
Епр =19800,35-
20643,35
= - 843 грн.
Річний економічний ефект в сфері експлуатації:
Екс=Веа-Веп
Екс=5040-3326,4=1713,6
грн.
Додатковий економічний ефект у сфері
експлуатації:
грн.
Сумарний ефект складає:
2275 грн.
Таблиця 5.6
Показники економічної
ефективності проектного рішення
|
№
|
Найменування
|
Одиниці вимірювання
|
Значення показників
|
|
|
|
Базовий варіант
|
Новий варіант
|
|
1
|
Капітальні вкладення
|
Грн.
|
-
|
15879,5
|
|
2
|
Ціна придбання
|
Грн.
|
20013,43
|
20643,35
|
|
3
|
Річні експлуатаційні
витрати
|
Грн.
|
20120
|
13272,3
|
|
4
|
Ціна споживання
|
Грн.
|
40133,4
|
33915,65
|
|
5
|
Економічний
ефект в сфері проектування
|
Грн.
|
-
|
- 843
|
|
6
|
Економічний
ефект в сфері експлуатації
|
Грн.
|
-
|
1713,6
|
|
7
|
Додатковий
ефект в сфері експлуатації
|
Грн.
|
-
|
3118
|
|
8
|
Сумарний ефект
|
Грн.
|
2275
|
Висновок: в
даному розділі проведено розрахунок витрат на розробку проектного рішення.
Здійснено порівняння з існуючим аналогом, і цим показано, що дане проектне
рішення має переваги в порівнянні з аналогами, зокрема: надійність, простота
використання, гнучкість, зручність. Згідно проведеного економічного
обґрунтування дане проектне рішення є конкурентноздатним. Крім того, отримано
додатній економічний ефект у розмірі 2275 грн.
і тому розробка і впровадження цього проектного рішення є економічно
доцільними.
ВИСНОВОК
Під час виконання дипломної
кваліфікаційної роботи було розроблено:
алгоритм програми, яка дозволяє за
виміряним значенням частоти швидко і точно визначити концентрації трьох
складників сумішей газу;
алгоритм програми перевірений з
використанням програми MathCAD.
Було також визначено:
вплив шумів підсилювача та
температури навколишнього середовища на точність вимірювання газоаналізатора;
Запропонована методика автоматичної
корекції температурної похибки.
Список використаної літератури
.Малов В.В. Пьезорезонансные
датчики. Москва: Энергоатомиздат, 1989. - 271с.
.Никитин Н. Н. Курс
теоретической механики. Учебное издание. - Москва: Высшая школа, 1990. - 607с.
.Тихонов В. И. Нелинейные
преобразования случайных процесов. - Москва: Радио и связь, 1986, - 296с.
.Стадник Б.І., Луцик Я. Т.
Енциклопедія термометрії. - Львів: НУ «Львівська Політехніка», 2003, - 428с.
.Гофман Ю. В. Законы формулы
задачи физики. - Киев: Наукова Думка, 1972, - 572с.
6. ГОСТ 12.0.003-74. ССБТ. Опасные и
вредные производственные факторы. Классификация
.ДСанПІН 3.3.2.007-98 Державні
санітарні правила і норми роботи з
візуальними дисплейними терміналами електронно-обчислювальних машин
.ДСН 3.3.6.042-99. Санітарні норми
мікроклімату виробничих приміщень
.ГОСТ 12.1.005-88. Загальні
санітарно-гігієнічні вимоги до повітря робочої зони
10.СНиП 2.04.05-91*У Отопление,
вентиляция и кондиционирование. , Київ:
КиївЗНДІЕП,
1996 - с. 89
.ДБН В.2.5-28-2006 Природне та
штучне освітлення, норми проектування.-
К., Держархітектурбуд 2006, 65с;
.ДСН 3.3.6.037-99 Санітарні
норми виробничого шуму, ультразвуку та інфразвуку
13.ГОСТ 12.1.012-90.ССБТ.
Вибрационная безопасность. Общие требования;
.ДСН 3.3.6.039-99 Державні
санітарні норми виробничої загальної та локальної вібрації
.НПАОП 0.00-1.31-99 «Правила
охорони праці під час експлуатації електронно- обчислювальних машин»
16.ГОСТ 12.1.006-84 ССБТ.
Электромагнитные поля радиочастот. 17.Допустимые уровни на рабочих местах и
требования к проведению контроля (с изм.
N 1)
18.НПАОП 40.1-1.32-01-Правила будови
електроустановок. Електрооблад нання
спеціальних установок від
21.06.01 Наказ № 272 Мінпраці України
НПАОП 40.1-1.21-98 Правила безпечної
експлуатації електроустановок споживачів
19.НПАОП 40.1-1.07-01
Правила
експлуатації електрозахисних засобів
.ГОСТ 12.1.030-81
Електробезпека. Захисне заземлення. Занулення.
.НАПБ Б.03.002-2007 Норми
визначення категорій приміщень, будівель та зовнішніх установок за
вибухопожежною та пожежною небезпекою.
22.ДБН В.1.1-7-2002 Пожежна безпека
об’єктів будівництва.- К.: Держархітектурбуд, 2002, 62с.
.ДСТУ Б В.2.5-38:2008. Інженерне
обладнання будинків і споруд. Улаштування блискавкозахисту будівель і споруд. -
Київ Мінрегіонбуд України, 2008
24.І.Я.Почапська, Розрахунок
аналітичних показників умов праці. - Методичні настанови для виконання
практичної роботи з дисципліни "Охорона праці в галузі" для студентів
денної форми навчання інженерно-технічних спеціальностей. Львів, вид-во
Національного університету «Львівська політехніка», 2008 р.,