Разработка устройства для приема информации с сигнальных точек системы частотно-диспетчерского контроля

  • Вид работы:
    Дипломная (ВКР)
  • Предмет:
    Информатика, ВТ, телекоммуникации
  • Язык:
    Русский
    ,
    Формат файла:
    MS Word
    3,05 Мб
  • Опубликовано:
    2013-03-15
Вы можете узнать стоимость помощи в написании студенческой работы.
Помощь в написании работы, которую точно примут!

Разработка устройства для приема информации с сигнальных точек системы частотно-диспетчерского контроля

Содержание

Введение

1. Назначение и принципы построения диспетчерского контроля

1.1 Общие сведения о ЧДК

1.2 Структурная схема ЧДК

1.3 Генераторы в системе ЧДК

1.4 Прием контрольной информации на промежуточной станции

2. Автоматизирования система диспетчерского контроля (АСДК).

Совместная разработка ГУП ГТСС и предприятия «Сектор»

3. Аппаратно-программный комплекс диспетчерского контроля

4. Патентный поиск и анализ существующих систем

5. Обзор микроконтроллеров

.1 Микроконтроллеры AVR

5.2 Микроконтроллеры семейства ATМеgа128

6. Расчёт частот для использования микроконтроллера

7. Описание разрабатываемого устройства

8. Построение и расчёт принципиальной схемы

9. Описание альтернативной модели устройства

10. Экономическое сравнение моделей устройства с действующими

11. Обеспечение требований безопасности труда при обслуживании станционного оборудования ЧДК

11.1 Характеристика возможных опасных и вредных производственных факторов при обслуживании станционного оборудования ЧДК

11.2 Анализ наличия опасных зон и эффективности действия технических средств, обеспечивающих безопасность при обслуживания оборудования

11.3 Характеристика производственного процесса при обслуживании станционного оборудования ЧДК

11.4 Эргономический анализ организации при обслуживании станционного оборудования ЧДК

12. Определение трудоемкости выполнения разработки проекта

12.1 Затраты на оплату труда

Заключение

Список использованных источников

Приложения

Введение


Исключительную роль в создании условий для модернизации, перехода на инновационный путь развития и устойчивого роста национальной экономики играет эффективное функционирование железнодорожного транспорта Российской Федерации. Необходимость иметь информацию о состоянии устройств на станциях и перегонах, а также о местоположении подвижного состава была для железнодорожного транспорта всегда первостепенной. Поэтому было разработано множество устройств и систем, позволяющих получить эту драгоценную информацию как можно быстрей.

С 1966 г. на сети железных дорог стала применяться система частотного диспетчерского контроля (далее по тексту ЧДК). Система зарекомендовала себя надёжной работающей и отказоустойчивой. С ростом скорости движения поездов и развития технологий система ЧДК была признана устаревшей и выпуск оборудования прекратился. Взамен системе ЧДК были разработаны системы АПК-ДК и АСДК. Эти системы имеют множество преимуществ перед ЧДК, но имеют несколько существенных недостатков: высокая стоимость оборудования, слабая защищённость от отказов. Вследствие этого стали возвращаться к старой и проверенной системе ЧДК. Большая часть оборудования к тому времени была уже списана. Оборудование, которое удалось восстановить - устанавливается на перегон. Станционного оборудования категорически не хватает, следовательно, нужно разработать станционную аппаратуру, которая бы могла работать со старым перегонным оборудование и одновременно не уступала, и была более совершенна, отказоустойчива, проста, чем существующие системы диспетчерского контроля.

На основе выдвинутых требований в проекте рассмотрены две разработанные схемы приемника. Первая схема, спроектирована исходя из базовых требований к приемнику, и представляет собой простое, относительно недорогое и эффективное решение максимально. Данная схема является переработкой типовой, используемой на данный момент и является ее модификацией, с успешным устранением некоторых ее недостатков. Также в проекте приводится расчет частот на основе загружаемых в память констант и, приведено обоснование выбора элементной базы.

Вторая спроектированная схема представляет собой, функционально и конструктивно более совершенный, чем первая схема, приемник. Основным элементом данной схемы является микроконтроллер. Использование микроконтроллера позволило эффективно реализовать многие технические предложения на программном уровне, без дополнительных аппаратурных затрат.

1. Назначение и принципы построения диспетчерского контроля


Система диспетчерского контроля (далее по тексту ДК) движения поездов, которую применяют на участках, оборудованных автоблокировкой, предназначена для: передачи поездному диспетчеру оперативной информации о заданном направлении движения на двухпутных и однопутных участках; контроля занятости блок участков, главных и приёмо-отправочных путей на промежуточных станциях, показаний входных и выходных светофоров, работы автоматической переездной сигнализации.

На табло ДК отражается продвижение поездов по участку, что позволяет принимать оперативные решения по ускорению движения поездов и по устранению отказов в системах автоблокировки и АПС. Контрольная информация ДК сначала передаётся на промежуточные станции, ограничивающие перегоны, а за тем с промежуточных станций на центральный пост поездного диспетчера. Дежурные промежуточных станций, получая оперативную информацию по прилегающим перегонам, а также контролировать работу каждой сигнальной установки автоблокировки и устройств АПС на переездах, расположенных на перегоне или на станции. При получении сигнала об отказе дежурные принимают экстренные меры по их устранению, чтобы не допустить задержки поездов[1].

1.1 Общие сведения о ЧДК

На сети дорог широкое применение получила частотная система диспетчерского контроля. В этой системе длительность цикла для контроля 480 объектами составляет 15 с, что позволяет применить ее на участках со среднескоростным и высокоскоростным движением.

Система ЧДК в основном построена на бесконтактной аппаратуре, что обеспечивает надёжность ее работы и быстродействие. Высокое быстродействие позволяет расширить область применения системы ЧДК для передачи информации телемеханического контроля или технического диагностирования на промежуточные станции к диспетчеру службы сигнализации и связи.

Система телемеханического контроля позволяет непрерывно проверять все контролируемые объекты участка, выявлять отказы в этих устройствах и передавать диспетчеру дистанции информацию об отказе.

Система технического диагностирования позволяет с помощью непрерывной проверки элементов автоматических перегонных и станционных устройств выявлять отклонение фактических параметров элементов от нормативных. При отклонении технических параметров выше допустимых пределов вырабатывается и передаётся сигнал тревоги, сообщающий диспетчеру, какой элемент (лампа светофора, рельсовая цепь, источник питания) скоро откажет, и требуется вмешательство работника дистанции для замены элемента или его восстановления[2].

1.2 Структурная схема ЧДК


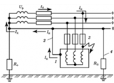
На рисунке 1.1а показана структурная схема ЧДК для сбора информации с перегонных установок и передачи ее на промежуточные станции и диспетчерский пост (8,10,12,… - номера сигнальной установки. 8-22, 4-20,… - первая цифра обозначает номера частоты ГК, а последующие две - номер шага ГК). Для передачи информации от сигнальных установок автоблокировки и АПС служит линия двойного снижения напряжения (ДСН). При большом числе контролируемых объектов линию ДСН разрезают и информация с перегона передаётся на обе станции перегона. Контрольная информация передаётся в виде кодов на фиксированных частотах. На каждой сигнальной установке находится генератор камертонный ГК, вырабатывающий одну из 16 фиксированных частот в диапазоне 320-1525Гц. На рисунке 1.1б показано подключение генераторов ГК к линии ДСН нескольких сигнальных установок у перегона. По одной лини ДСН можно контролировать до 16 сигнальных установок. Камертонные генераторы типа ГК5, ГК6 и ГКШ устанавливают в релейных шкафах автоблокировки и АПС. Каждый генератор вырабатывает частотные коды, с помощью которых передаётся вся контрольная информация с данной сигнальной установки. Генератор со штепсельным включение типа ГКШ применяют на сигнальных установках всех видов автоблокировки и АПС. В зависимости от вырабатываемой частоты применяют генераторы типов ГКШ-1 и ГКШ-16.

На перегоне генераторы с более высокими частотами разрешают по мере приближения к станции для того, чтобы (учитывая степень затухания) сигналы на более высокой частоте передавались на меньшее расстояние. В линии ДСН генераторы ГК включают параллельно реле ДСН.

При включении всех генераторов ГК в линию ДСН одновременно передается информация от сигнальных установок АБ и АПС всего перегона. От каждой сигнальной установки частотный кодовый сигнал передаётся по узкополосному каналу связи с частотным уплотнением. На станции от каждого принятого частотного сигнала через усилитель приёмника УПДК и приёмник ПК5 на табло дежурного по станции включается контрольная лампочка. По режиму горения каждой лампочки на табло определяется состояние контролируемого объекта на перегоне. Питание в линию ДСН подаётся от блоков питания ДСНП. На станции, к которой подключены выводы разрезной ДСН, установлено по два комплекта приёмников и усилителей частотных кодовых сигналов контроля напольных устройств, прилегающих к станции перегонов.

Контрольная информация передаётся с промежуточных станций на центральный пост по физической линии диспетчерского контроля. По этой линии организованно 16 узкополосных частотных каналов. Каналы 1-15 используют для передачи информации с 15 промежуточных станций на пост диспетчера, а канал 16 - для передачи тактовых импульсов синхронизации.

Контрольная информация передаётся на центральный пост от линейного генератора ГЛЗ одной из 15 частот. Генератор управляется через распределитель РДК с блоком управления БУР. На одной из промежуточных станций установлен тактовый генератор типа ГТ2-16 с рабочей частотой 1523,6 Гц, который вырабатывает тактовые импульсы длительностью 0,4с с интервалом 0,4с[3].

Рисунок 1.1 - Структурная схема ЧДК для сбора и передачи информации с перегона на промежуточные станции

Частотные кодовые сигналы, поступающие с промежуточных станций, принимаются на центральном посту через РДК, БУР, УПДК, приемники ПК5 и табло матрицы. От тактовых импульсов генератора ГТ2 синхронно работают распределители всех промежуточных станций и центрального поста. На каждом шаге РДК станций и центрального поста в цепь ДК от генераторов ГЛЗ станций посылаются импульсы, содержащие информацию о состоянии контролируемых объектов. Каждому контрольному объекту приписан номер шага РДК станции ( смотреть рисунок 1.1б), на котором информация о его состоянии посылается на центральный пост. За один цикл (32 шага) РДК контакты 32 контролируемых объектов подключаются последовательно к ГЛЗ своей станции. В линию ДК на каждом шаге работы всех распределителей одновременно поступают частотные сигналы от 15 генераторов ГЛЗ всех станций. Принятые на центральном посту частотные сигналы усиливаются, затем расшифровываются приемниками ПК5.

С помощью расшифровки определяется станция, с которой поступил сигнал, и состояние контролируемого объекта на этой станции. Через выходы РДК центрального поста определяются порядковые номера объектов на перегонах и станциях. Визуальный контроль состояния контролируемых объектов на перегонах и станциях диспетчер получает на табло-матрице, на которой нанесён план участка и имеются индикаторные лампочки.

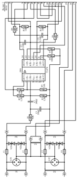
В приложении А приведена функциональная схема ЧДК промежуточной станции на двухпутном участке без разреза линии ДСН-ОДСН, принимает усилитель УПДК2 и приемники ПК5. Каждый приемник состоит из двух камертонных узкополосных фильтров ПФ1. Приемник ПК5-1 работает на частотах 1,2; ПК5-3 на частотах 5,6 и т.д.

Всего используют восемь типов приемников. На выходе каждого фильтра через усилители на транзисторах VT1, VT2 включены приемные регистрирующие реле Р1, Р2 типа РПН. Контактами регистрирующих реле подключены к входам РДК, с помощью которых формируются частотные кодовые сигналы, посылаемые на центральный пост. К входам РДК подключены контакты реле данной станции. Контактами сигнальных реле ЧС, НС контролируется открытие сигналов четного и нечетного направления; реле НЖ, ЧЖ - состояние участков удаления в нечетном и четном направлении; реле 1П, 2П и т.д. - состояние приемоотправочных путей на данной станции; НОС, ЧОС - горение разрешающих огней на входных и выходных светофорах; 1НИ,2ЧИ - исключение враждебных маршрутов; КМ, КС - правильность задания маршрутов приема и отправления и др. диспетчерский контроль микроконтроллер устройство

Информация передаётся на центральный пост через блок управления распределителем БУР. Через этот блок включается линейный генератор ГЛЗ, вырабатывающий одну из 15 частот, приписанную данной станции. От генератора через вводно-изолирующий щиток ЩВИ частотный сигнал передается по магистральному кабелю на центральный пост. Щиток ЩВИ защищает аппаратуру ЧДК и обслуживающий персонал от опасных напряжений и токов, возникающих в линии связи.

На промежуточной станции имеется тактовый генератор ГТ2, вырабатывающий тактовые импульсы на шестнадцатой частоте. Тактовые импульсы поступают на РДК данной станции и через линию ДК и РДК всех промежуточных станций и центрального поста. Под действием тактовых импульсов все РДК участка работают синхронно, и на каждом шаге РДК станции опрашивается состояние контролируемых объектов. На каждом шаге РДК через блок БУР включается генератор ГЛЗ, и частотный сигнал передается на центральный пост.

Устройства промежуточной станции питаются от блока питания ДСНП, а который подается напряжение 220В при замкнутых контактах реле ДСН или 110В - при разомкнутых контактах. Режим ДСН контролируется реле КДСН, включенным в релейную цепь. По цепи, приходящей через контакт реле КДСН, загорается контрольная лампочка КДСН при понижении напряжения питания в цепи ДСН - ОДСН.

1.3 Генераторы в системе ЧДК

.3.1 Характеристики генератора

Генератор ГКШ(рисунок 1.2) размещен в корпусе реле типа НШ; имеет штепсельное включение; питается от сети переменного тока напряжением 14+2 В частоты 50 Гц или от источника постоянного тока напряжением 12+1,5 В; ток, потребляемый генератором, не превышает 90 мА. Изготавливают 22 типа генераторов ГКШ. Для системы ЧДК используют генераторы типов ГКШ1- ГКШ 15.

1.3.2 Принцип работы генератора ГКШ

Частоту генерирует задающий каскад генератора, собранный на транзисторе VT1, который включен по схеме с общим эмиттером. В цепь положительной обратной связи транзистора включен камертонный стабилизатор частоты ГФ3. Задающий каскад связан с усилительным каскадом через согласующий трансформатор Т1.

Усилительный каскад выполнен на транзисторах VT2 и VT3, соединенных по двухтактной схеме. Генератор питается от выпрямителя В, на выходе которого включен сглаживающий конденсатор Сс.

Частотные кодовые сигналы вырабатываются мультивибратором, выполненным на транзисторах VT4 и VT5. Управляющий транзистор VT6 повторяет работу транзисторов мультивибратора, открывает или закрывает транзисторы VT4 и VT5. Мультивибратор может быть включен по симметричной или несимметричной схеме. При симметричной схеме мультивибратор вырабатывает импульсы и интервалы одной длительности.

Включение в базовые цепи транзисторов VT4 и VT5 дополнительных резисторов RД1 и RД2 образуется несимметричная схема мультивибратора, в которой импульсы и интервалы вырабатываются разной длительности.

В управляющие цепи генератора включены контакты основных реле: C1 - сигнального (для контроля свободного состояния блок-участка); КО - огневого красного огня светофора; А - аварийного; ДСН - двойного снижения напряжения. Коммутацией выходов генератора 41, 42 и 43 изменяется длительность импульсов и интервалов сигнального кода.

Рисунок 1.2 - Схема генератора ГКШ

Генератор начинает работать при подаче напряжения питания на вход 31 через тыловой контакт одного реле, включенного в цепь управления. При этом открывается транзистор VT5. Ток, проходящий через него, создает падение напряжения на резисторе R6, под действием которого открывается транзистор VT6. Через открытый транзистор VT6 напряжение источника питания подается на эмиттеры транзисторов VT2 и VT3 и генератор включается. На его выходе появляются импульс кодовой посылки, который поступает в линию ДСН-ОДСН.

При опрокидывании мультивибратора транзистор VT5 закрывается, а VT4 открывается. Ток через резистор R6 не протекает, и транзистор VT6 закрывается. Транзисторы VT2, VT3 не получают питания, генератор выключается, наступает интервал кодовой посылки. Каждое устойчивое состояние мультивибратора при симметричной схеме включения определяется временем разряда конденсаторов, включенных в базовые цепи транзисторов. При несимметричной схеме время разряда конденсаторы изменяется благодаря подключению дополнительных резисторов RД1 и RД2.

На выходе генератора транзистор включен через защитные резисторы и конденсаторы С31 и С32, которые защищают трансформатор от подмагничивания постоянным током. Питание генератора стабилизировано стабилитроном VD и балансовым сопротивлением Rбал.

1.3.3 Работа генератора при изменении состояния контролируемых объектов

Контролируемые объекты исправны, блок-участок свободен. В данной ситуации следует руководствоваться схемой (смотреть рисунок 1.2) и таблицей 1.1, в которой приведены частотные кодовые сигналы. Фронтальными контактами реле КО, ДСН, С1 и А образуется перемычка между выходами 53 и 61 генератора, по которой транзисторы VT2 и VT3 усилителя получают постоянное питание. От генератора в линию подается непрерывный кодовый сигнал (1) на частоте данного генератора.

Таблица 1.1 - Частотные кодовые сигналы

Тип кода

Код

Перемычки ГКШ

1

53-61


2

Код отсутствует

-

3                53-31

43-41


 

4

53-31


5                51-32

43-42


6                53-31

43-42-41



Контролируемые объекты исправны, блок участок занят. Фронтовыми контактами реле С1 выключается питание генератора, генерация прекращается. Контрольный код в линию не поступает(2).

Перегорела лампа красного огня. Через тыловые контакты реле КО образуются две перемычки 53-31 и 43-41. Включается и по несимметричной схеме начинает работать мультивибратор благодаря подключению дополнительного резистора RД1 параллельно резистору Rб4. От генератора посылается частотный код, в котором импульсы длительностью 0,3 с разделяются интервалами 1 с (3). Перегорание лампы красного огня контролируется как при свободном, так и при занятом состоянии блок-участка.

Отсутствует переменный ток. Через тыловой контакт реле А образуется перемычка 53-31, через которую подается питание на мультивибратор и транзистор VT6. При открытии транзистора питание подается на усилительный каскад генератора. Мультивибратор работает по симметричной схеме. От генератора подается частотный код, состоящий из импульсов и интервалов одинаковой длительности 1 с (4). Отсутствие переменного тока контролируется только при свободном состоянии блок-участка.

Неисправна цепь двойного снижения напряжения. Через тыловые контакты реле ДСН образуются две перемычки 53-31 и 43-43, по которым подается питание на мультивибратор и генератор. Мультивибратор работает по несимметричной схеме благодаря подключению дополнительного резистора RД2 параллельно резистору Rб5. От генератора посылается частотный код, в котором импульсы длительностью 1 с разделяются интервалами 0,3 с (5). Неисправность цепи двойного снижения напряжения контролируется как и при свободном, так и при занятом блок-участке.

Исправное состояние всех устройств сигнальной установки. При симметричной работе мультивибратора генератора ГКШ импульсы и интервалы передаются одной длительностью 0,3 с (6).

1.3.4 Схемы включения генератора ГКШ и кодирование контрольной информации на сигнальных установках автоблокировки и автоматической переездной сигнализации

В управляющие цепи генератора ГКШ (рисунок 1.3а) включены контакты реле: О и ОД - контролируют целость основной и дополнительной нитей лампы красного огня; А, А1 - контролируют отсутствие основного и резервного питания переменным током; ДСН - контролирует неисправность цепи двойного снижения напряжения; Ж1 и ОИ - контролируют неисправности в работе дешифратора. При свободном состоянии блок-участка и при отсутствии неисправностей фронтовыми контактами перечисленных реле образуется перемычка 53-61 генератора ГКШ. В линию посылается непрерывный частотный код. На промежуточной станции гаснет контрольная лампа на табло аппарата дежурного по станции. Если блок-участок занят, то реле Ж1 обесточено, реле ОН возбуждено, цепь питания генератора выключена. На аппарате дежурного по станции непрерывно горит контрольная лампочка.

При неисправности схемы дешифрации реле Ж1 обесточено, реле ОН работает как обратный повторитель реле И в режиме кодов КЖ, Ж, З, поступающих по мере удаления поезда от данной сигнальной установки. Через контакт реле ОИ замыкается перемычка 53-61 с периодичностью одного из сигнальных кодов. В линию посылаются частотные коды, соответствующие обратным кодов АЛС. По горению контрольной лампы на табло дежурный по станции определяет характер повреждения.

С момента освобождения блок-участка реле И и ОИ работают в импульсном режиме. Генератор выдает контрольный код, соответствующий режиму работы реле ОИ. После 3-4 с начала импульсной работы реле И, ОИ возбуждается реле Ж1 и фронтовым контактом замыкает цепь непрерывного питания генератора. В линию начинает поступать непрерывный частотный сигнал свободности блок-участка, лампа на табло дежурного по станции гаснет. При перегорании основного или дополнительного нитей красного огня тыловым контактом реле О(ОД) замыкаются перемычки 53-31 и 41-43. В линию подается частотный код, состоящий из импульсов длительностью 0,3 с и интервалов длительностью 1с. Непрерывность горения лампы красного огня контролируется как при свободном, так и при занятом блок-участке.

В случае отсутствия основного питания реле А обесточено. При повреждении цепи двойного снижения напряжения реле ДСН обесточится и в линию посылается частотный код.

Рисунок 1.3 - Схема подключения генераторов ГКШ на переездной сигнальной установке двухпутной трехзначной кодовой автоблокировки.

На спаренной сигнальной установке частотные коды однопутной кодовой автоблокировки(рисунок 1.3б) формируется одним генератором ГКШ и посылаются на одной частоте, вырабатываемой данным генератором. Целость основных нитей накала ламп красных огней спаренных светофоров контролирует огневое реле О. Целость дополнительной нити накала лампы красного огня одного светофора контролирует реле АОД, а другого светофора - реле БОД. Порядок образования частотных кодов и их виды аналогичны случаю включения генератора ГКШ при двухпутной автоблокировке.

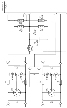
На переездной установке для расширения объема передаваемой контрольной информации устанавливают два генератора ГКШ, включенных по схеме, приведенной на рисунке 1.4.

Рисунок 1.4 - Схема подключения двух генераторов ГКШ на переездной установке.

В схему управления генераторами включены контакты: общего огневого реле О, контролирующего работу огневых реле красных огней переездных светофоров АО1, АО2, БО1, БО2, огневых реле заградительных светофоров 1О, 2О и фиксирующего перегорание одновременно обоих ламп красных огней светофоров А, Б, а также каждой лампы в отдельности у заградительных светофоров; повторителя огневого реле ПО, фиксирующего перегорание в отдельности каждой лампы красного огня переездных светофоров; управляющего реле У, фиксирующего закрытие автошлагбаумов; реле ЗУ, фиксирующего закрытие шлагбаумов(при вертикальном положении брусьев шлагбаумов оно обесточено); аварийных реле А, Ай основного и резервного питания переменным током; общего повторителя ПА аварийных реле; реле двойного снижения напряжения ДСН1; реле контроля исправности комплекта мигающих реле КМК, КМКП.

Частотные кодовые сигналы передаются от генератора Г1 таким образом (таблица 1.2). На участке приближения поезда нет. Все лампы красных огней переездных светофоров и лампы заградительных светофоров исправны, реле О под током, в линию поступает частотный код. Если неисправны обе лампы красных огней переездных светофоров или повреждены цепи их питания, то в линию поступает частотный код (3).

Таблица 1.2 - Частотные коды при использовании двух генераторов ГКШ

Тип кода

Контрольный код

Перемычки между выходами ГКШ

Контроль

1

2

3

4


Генератор Г1 (красная и желтая контрольные лампы)

1

Код отсутствует

-

Поезда на участке приближения нет. Обе красные лампы переездного светофора или лампа заградительного светофора исправны. Переезд открыт

2

53-61Поезд на участке приближения. Переезд закрыт. Обе красные лампы переездного светофора или лампа заградительного светофора исправны.



3                53-31

43-41Неисправны обе красные лампы переездного светофора или повреждены цепи их питания. Контроль осуществляется при свободном и занятом участке приближения



 

4

53-31Отсутствует основное и резервное питание



5                53-31

43-42Неисправна лампа заградительного светофора



 


Генератор Г2 (белая лампа)

1

53-61Поезда на участке приближения нет. Все контролируемые объекты исправны. Переезд открыт



2

Код отсутствует

-

Переезд закрыт. Контролируемые объекты, включенные в цепи от генератора ГКШ до контакта реле У1, исправны

3                53-31

43-41Неисправность любой одной красной лампы переездных светофоров или цепей питания



 

4

53-31Отсутствует основное или резервное питание, или аккумуляторная батарея разряжена ниже допустимых пределов, или обесточилось реле ДС. Контроль осуществляется при свободном участке приближения



5                53-31

43-42Контроль горизонтального положения брусьев автошлагбаумов. Контроль осуществляется при занятом участке приближения



6                53-31

43-42-41Неисправен комплект мигания. Контроль осуществляется при свободном и занятом участке приближения




Отсутствует основное и резервное питание, реле А и А1 без тока, в линию передается частотный код (4). Неисправна лампа заградительного светофора, в линию передается код (5).

От генератора Г2 кодовые сигналы передаются таким образом (таблица 2). Поезда на участке приближения нет. Все контролируемые объекты исправны, переезд закрыт, в линию передается код (1). Поезд вступает на участок приближения, автошлагбаумы опускаются, реле У1 обесточивается. Через тыловые контакты реле У1 и ЗУ замыкаются перемычки 53-31 и 43-42 генератора. В течение 16 с пока брус автошлагбаума не примет горизонтального положения, в линию подается код (5). После 16 с автошлагбаум закрывается, реле ЗУ возбуждается и тыловыми контактами выключает цепь питания ГКШ, посылка кода в линию прекращается. Если автошлагбаум не закроется, то посылка кода (5) не прекратится, и на табло дежурного по станции контрольная лампочка будет мигать до полного освобождения переезда поездом.

При неисправности одной лампы красного огня переездных светофоров или цепей их питания в линию посылается код (3). Контроль осуществляется при свободном и занятом участке приближения. Если отсутствует основное или резервное питание, то в линию поступает код (4). В случае если неисправен комплект мигания, то в линию посылается код (6).

1.4 Прием контрольной информации на промежуточной станции

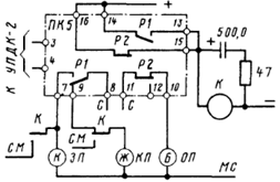
На рисунке 1.5 показана схема приемника ПК5 для одновременного приема кодов с переездов. Н таблице 3 приведены состояния контрольных реле К, Р1, Р2 и лампочек ЗП, КП, ОП станционного табло при приеме кодов с переезда.

Рисунок 1.5 - Схема приемника ПК5 и сигнализация на станционном табло для одновременного приема кодовых сигналов с переезда

При свободном состоянии участка приближения и исправном состоянии всех объектов с переезда от генератора Г1 код отсутствует, от Г2 поступает код (1), согласно таблице 2. В приемнике возбуждено реле Р2, реле Р1 без тока, реле К возбуждено. На табло горят белая и желтая лампочки и не горит красная.

Предаварийный отказ сигнализируется миганием белой лампочки; желтая лампочка горит, а красная не горит. В случае аварийного отказа горит красная лампочка, мигает - желтая, а белая - не горит. При занятом участке приближения лампы красных огней и реле КМК исправны, на табло горит красная лампочка, желтая и белая лампочки погашены. При предаварийном отказе и неисправности лампы огня или комплекта мигания на табло горит красная лампочка, белая лампочка мигает в такт с импульсной работой реле Р2, желтая лампочка погашена.

В случае аварийного отказа мигают красная и желтая лампочки, белая погашена. Режим мигания определяется импульсной работой реле Р1. При отсутствии основного и резервного питания или повреждения линии ЧДК, мигают красная и желтая лампочки, а белая погашена. При этом лампочки питаются от источника СМ.

2. Автоматизирования система диспетчерского контроля (АСДК)

 

Совместная разработка ГУП ГТСС и предприятия «Сектор»

АСДК представляет собой аппаратно-программный комплекс (АПК), предназначенный для создания системы диспетчерского контроля (с устройствами ЭЦ на станциях, и любыми устройствами интервального регулирования на перегонах) состояния отдельных узлов и устройств автоматики, телемеханики и связи, поездных передвижений, свободности и занятости приемо-отправочных путей, блок-участков перегонов и переездов, состояния входных и выходных светофоров станций и обеспечения этой информацией любого абонента сети АСДК (поездной диспетчер, сменный инженер дистанции сигнализации и связи, дежурный по станции, электромеханик ЭЦ, диспетчер локомотивного депо и т.д.).

АПК АСДК разработан с использованием принципов построения распределенных глобальных информационных сетей, в том числе системы передачи данных линейных предприятий (СПД ЛП), главные из которых:

возможность обмена информацией между любыми абонентами сети;

возможность обмена информацией произвольного вида, в том числе информацией реального времени;

программная поддержка любой конфигурации связи абонентов сети;

администрирование доступа в сети;

динамическая маршрутизация информации.

АПК АСДК осуществляет сбор, обработку и передачу в сеть АСДК цифровой и аналоговой информации с устройств СЦБ. Все автоматизированные рабочие места (АРМ) АСДК реализованы на персональных компьютерах IBM PC AT, работают в реальном режиме времени, имеют графическое представление (в виде мнемосхем) на экране монитора информации о состоянии устройств СЦБ и поездном положении на контролируемых объектах.

АСДК состоит из двух подсистем (нижний и верхний уровни):

подсистемы сбора и передачи информации, состоящей из датчиков состояния контролируемых технических средств (постовые и перегонные устройства СЦБ, устройства связи и пр.) и устройств считывания дискретной информации, измерения аналоговых сигналов (измерения напряжений и токов устройств), первичной обработки и передачи этой информации программируемыми контроллерами, построенными на новейшей элементной базе;

подсистемы маршрутизации информационных потоков, обработки и отображения информации и связи c внешними автоматизированными и вычислительными системами, в том числе АСОУП и АСШ, реализованной с использованием специального сетевого и прикладного программного обеспечения для персональных компьютеров.

Для обеспечения съема и передачи на станции дискретных и аналоговых сигналов от сигнальных и переездных установок аппаратура нижнего уровня содержит:

модуль линейный аналоговый (МАЛ), предназначенный для сбора и преобразования в цифровой код аналоговой информации от восьми контролируемых устройств;

генератор линейных сигналов (ГЛС), служащий для сбора дискретных сигналов от 15 контролируемых устройств (контакты реле) я реле состояния блок участка (переезда). Кроме того, ГЛС принимает цифровой код измеренных аналоговых величин и передает его в линию в виде последовательного циклического кода (рисунок 2.1).

Линейные выходы всех генераторов линейных сигналов (до 24) подключаются параллельно к двухпроводной линии связи (кабельной или воздушной), например ДСН.

Одновременная передача информации с 24 сигнальных установок в общую линию связи основана на частотном разделении каналов. Кодирование информации о состоянии 15 контролируемых устройств или аналоговой информации каждым ГЛС выполняется по принципу временного разделения каналов. Состояние каждого контролируемого устройства (контакта реле) или код аналоговой информации передается в дискретной форме модулированными по длительности паузами между частотными посылками. Одновременно модулированными по длительности частотными посылками посылается информация о состоянии блок участка (переезда).

Рисунок 2.1 - Структура последовательного кода при передаче дискретной (а) и аналоговой (б) информации

При наличии аналоговой информации от МАЛ на входах ГЛС последовательный циклический код линейного сигнала содержит 4 байта (2 байта дискретной информации и 2 байта аналоговой). За один цикл передачи информации ГЛС передает код о напряжении одного аналогового сигнала. Во втором байте последовательного кода, содержащего аналоговую информацию, включено сообщение о состоянии четырех информационных каналов для сокращения времени получения данных по этим каналам. При передаче любого сообщения модулированными по длительности частотными посылками посылается информация о состоянии блок участка (переезда). При передаче дискретной информации ГЛС формирует импульсную последовательность циклического кода (рисунок 2.2). На этом рисунке Ч - частотная посылка; Б - бесчастотная посылка (пауза).

Информация от каждой сигнальной установки по линии связи (например, ДСН с развязкой конденсаторами от цепей постоянного тока) поступает на станционную приемную аппаратуру и выделяется полосовыми фильтрами модулей приемных каналов ПК. После дешифрации принятого сигнала ПК выставляет информацию я последовательную интерфейсную шину RS-232 для использования аппаратурой верхнего уровня АСДК (рисунок 2.3) При необходимости, поэтому же стыку, информация может быть выведена на модули индикации.

Рисунок 2.2 - Структура циклического кода линейного сигнала при передаче дискретной информации

Аппаратно-программная реализация нижнего уровня обеспечивает ретрансляцию любой информации с нескольких информационных каналов, ее доставку по любому из возможных соединений, причем в случае разрыва соединения система пытается отыскать и установить новое соединение для передачи информации. Программное обеспечение нижнего уровня АСДК решает задачи автоматической переконфигурации информационных связей, программное обеспечение верхнего уровня - администрирования доступа абонентов сети АСДК.

Рисунок 2.3 - Структурная схема аппаратуры АСДК нижнего уровня

Прикладное программное обеспечение верхнего уровня позволяет организовать следующие автоматизированные рабочие места:

поездного диспетчера и диспетчера ж.д. узла (АРМ ДНЦ и ДНЦУ);

сменного инженера дистанции сигнализации и связи (АРМ ШЧД);

электромеханика электрической централизации (АРМ ШНЦ);

дежурного по станции (АРМ ДСП);

дежурного по локомотивному депо (АРМ ТЧД);

Структурно АСДК может иметь различное наполнение упомянутых подсистем источниками информации, устройствами сбора и передачи данных, а также различного вида АРМами. Разработка структуры АСДК при проектировании конкретного участка железной дороги осуществляется с учетом перспективы расширения системы и наличия каналов связи. Для проектирования и внедрения АСДК по заданию ЦШ разработаны «Технические решения АСДК» № 17328-00-00, утвержденные ЦШ 02.04.96.

Все АРМы АСДК работают в едином интерфейсе, обеспечены многооконным пользовательским интерфейсом, имеют программу «черный ящик», предназначенную для восстановления поездной ситуации, обеспечены функциями для приема/передачи информации по сети АСДК (в том числе функцией электронной почты), предоставляют возможность ведения протоколов нештатных ситуаций в работе устройств СЦБ и действий обслуживающего персонала, множество сервисных функций (встроенный редактор текстов, настраиваемые нормативно-справочные системы, средства ведения баз данных, записная книжка, калькулятор и др.). Все АРМы объединены в единую информационную сеть, поддерживают единый протокол обмена, имеют возможность работы с АСОУП, прошли проверку работоспособности на различных полигонах.

Кроме того, каждый АРМ АСДК наряду с общесистемными функциями содержит функции, решающие специальные технологические задачи:

для АРМов ДНЦ и ДНЦУ: обмен информацией с дорожным вычислительным центром (АСОУП), идентификация подвижных объектов и их отслеживание в пределах контролируемого участка/узла, ведение графика исполненного движения поездов, контроль за тормозными башмаками;

для АРМов ШЧД и ШНС: логический контроль за правильностью работы устройств СЦБ, измерение и контроль напряжений путевых реле рельсовых цепей, питающих фидеров, токов электродвигателей и др., автоматизированное ведение журналов отказов устройств СЦБ, АЛСН, РЦ, а также план-графиков работ по участкам обслуживания, функционирование системы алгоритмов поиска и устранения отказов устройств СЦБ;

для АРМа ДСП: обмен информацией с АСОУП, идентификация объектов и их отслеживание, контроль за тормозными башмаками, автоматическое голосовое оповещение работающих на путях людей через железнодорожные системы оповещения, автоматизированное ведение журналов тех. конторы и движения поездов;

для АРМа ТЧД: функционирование системы дислокации локомотивов в депо, обмен информацией с АСОУП, автоматизированное ведение журналов нарядов, графика работ ТЧД, учета локомотивов эксплуатируемого/неэксплуатируемого парков;

- для АРМа ДСПП: немедленное протоколирование операций и нарушений при работе с тормозными башмаками (ТБ) и оповещение АРМов ДСП и ДНЦ (ДНЦУ), предоставление информации о состоянии приемо-отправочных путей и ТБ парков в сеть АСДК, идентификация подвижных объектов и их отслеживание, обмен информацией с АСОУП, автоматическое оповещение пассажиров о прибытии, проследовании и отправлении поездов в зоне посадочных пассажирских платформ.

3. Аппаратно-программный комплекс диспетчерского контроля

Аппаратно-программный комплекс диспетчерского контроля (АПК-ДК) является последней реализацией функций диспетчерского контроля на современном техническом уровне.

Использование средств вычислительной техники расширило функциональные возможности системы АПК-ДК не только для поездного диспетчера, но позволило решить и основные задачи контроля состояния технических средств систем ЖАТ на перегонах и станциях диспетчерского участка.

Таким образом, система АПК-ДК имеет двойное назначение и обеспечивает:

оперативный съем информации на сигнальных точках перегонов о состоянии рельсовых участков, светофоров и других средств и передачу ее на станции для последующего использования для контроля поездного положения и технического диагностирования перегонных устройств;

оперативный съем информации на станциях о состоянии путевых объектов и технических средств и передачу ее поездному диспетчеру и диспетчеру дистанции сигнализации, связи и вычислительной техники;

обработку и отображение информации, у пользователей, по ведению исполняемого графика движения; расчету прогнозного графика по текущему поездному положению; расчету показателей работы участка и выдаче справок; логическому определению ложной свободности участка и опасного сближения поездов; анализу работы устройств; определению предотказного состояния устройств; обнаружению отказа; оптимизации поиска и устранению отказа; архивации и восстановлению событий; статистике и учету ресурсов приборов. На станциях, то есть на первом (нижнем) уровне управления перевозочным процессом (рисунок 3.1) выполняются сбор, преобразование, концентрация информации о состоянии перегонных и станционных устройств. Далее эта информация может быть отображена на АРМах дежурного по станции и дежурного электромеханика, но обязательно передается на второй уровень управления, т.е. поездному диспетчеру, и на АРМ диспетчера дистанции сигнализации, связи и вычислительной техники.

Состояние перегонных устройств систем ЖАТ контролируют автоматы контроля сигнальных точек (АКСТ), выполненные на базе специализированных контроллеров. Наибольшее распространение имеет блок АКСТ-СЧМ, представляющий собой генератор частоты, формирующий посылаемые в линию связи циклические восьми импульсные частотные посылки в соответствии с состоянием контролируемых объектов. При восьми выходных импульсах благодаря манипуляции по длительности импульсов и пауз (интервалов) АКСТ-ЧМ позволяет контролировать состояние семи дискретных датчиков (реле) и двух пороговых датчиков.

Рисунок 3.1 - Структурная схема системы АПК ДК

При проектировании АПК-ДК определяется перечень параметров, контролируемых каждым АКСТ-СЧМ.

Для систем автоблокировки параметры выбирают из следующего перечня: отсутствие основного питания на сигнальной точке; отсутствие резервного питания; перегорание основной нити лампы красного огня; перегорание резервной нити лампы красного огня; перегорание нити лампы разрешающего огня; установленное направление движения; сход изолирующего стыка; пропадание постоянного напряжения блока БС-ДА; занятость блок участка; неисправность АКСТ-СЧМ или линии ДСМ; пропадание обоих фидеров питания на объектах с аккумуляторным резервом; аварийный отказ.

При проектировании для каждого АКСТ-ЧМ устанавливается несущая частота (частота настройки генератора), поскольку все АКСТ перегона работают по общей физической линии с частотным разделением каналов.

На одной физической цепи может работать до 30 АКСТ-ЧМ со следующим разделением частот.

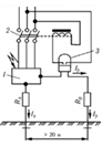
На станциях (линейных пунктах) принимается и анализируется информация от АКСТ-СЧМ соответствующими концентраторами (промышленный компьютер). Структурно система состоит из устройства съема данных и удаленного от него на расстояние около 1 км рабочего места маневрового диспетчера. Связь осуществляется по четырехпроводной линии.

В качестве устройства съема данных используется MicroPC, содержащее:

) процессорную плату 5025А;

) две платы дискретного ввода-вывода 5600;

) четыре OPTO RAС, специальным образом подключенных к дискретным датчикам.

Следует отметить, что для контроля над работой только одной половины сортировочной станции, включающей в себя три парка (парк приема, сортировочный парк и парк отправления), необходимо контролировать около полутора тысяч объектов. Если умножить это число на стоимость одного модуля оптронной развязки фирмы Crayhill, то получим цифру около 15000 долларов США. Цифра для разработчиков по нынешним временам, увы, не малая. Поэтому, разработчиками было принято решение при помощи стандартных модулей УСО организовать входную матрицу. Цена сразу упала на порядок, обошлись 96-го модулями I/O типа G4IDC5. Пришлось разработать и изготовить саму матрицу, однако затраты на это оказались несопоставимо меньшими, чем если бы задача была решена "в лоб". Оптронная матрица представляет собой модульную структуру, каждый из модулей которой позволяет подключать 16 дискретных сигналов постоянного или переменного тока напряжением от 12 до 30 В. Модули при помощи разъемов устанавливаются на "материнской" плате, которая в свою очередь стандартными кабелями OCTAGON SYSTEMS соединяется с OPTO RACами. Рабочее место маневрового диспетчера реализовано на ПЭВМ типа IBM AT с многотерминальной видеоплатой, поддерживающей работу четырех мониторов. После определения аппаратных средств у разработчиков встал вопрос о выборе операционной системы (ОС), под управлением которой будет функционировать система ДК. Исходя из требований к функциям системы ДК можно прийти к выводу, что данная ОС должна

обладать, как минимум следующими возможностями:

поддержка многозадачности;

многопользовательский режим;

масштабируемость;

высокая производительность;

работа в режиме реального времени;

надежная и максимально быстрая передача больших объемов данных по низкоскоростному и не очень качественному каналу связи;

простота подключения различных аппаратных устройств;

работа на ограниченных системных ресурсах;

надежная файловая система;

возможность удаленного изменения версий программ;

возможность интеграции с другими системами.

Всеми вышеперечисленными свойствами обладает ОС QNX, что и

определило ее выбор в качестве операционной среды реализации системы ДК. Многозадачность требуется в связи с тем, что система ДК должна параллельно выполнять несколько взаимодействующих задач, а именно:

сбор и первичная обработка данных;

ретрансляция данных;

отображение поездного положения;

регистрация неисправностей;

фиксация технологических ситуаций;

прием сообщений из Вычислительного Центра;

ведение протокола работы.

Очень мощным является реализованный в QNX механизм обмена сообщениями, на базе которого система ДК была реализована в технологии клиент - сервер, повышающей надежность работы и позволяющей с незначительными издержками увеличивать как число устройств съема данных, так и потребителей информации. Поддержка многопользовательского режима требуется в связи с тем, что в системе одновременно могут работать несколько пользователей. Подключение дополнительных рабочих мест пользователей планируется осуществить на базе локальной сети, одним из узлов которой будет рабочее место маневрового диспетчера. Поддержка в QNX нескольких сетевых стандартов дает возможность для выбора: Ethernet, Arcnet, Token Ring и т.д.

Требование высокой производительности и работы в режиме реального времени становится понятным, если принять во внимание число контролируемых датчиков и заданную частоту съема их показаний - не менее 5 раз в секунду. Причем изменения состояний нескольких десятков датчиков происходят практически при каждом опросе. Проблему надежной передачи данных по каналу связи разработчикам удалось решить при помощи объединения в сеть QNX устройства съема и рабочего места диспетчера, что позволило использовать системный сетевой протокол и реализовать этот обмен независимым от среды передачи данных для прикладных программ. Сеть по последовательному каналу довольно устойчиво работает при скорости передачи данных в 4800 бод. Для увеличения пропускной способности сети мы использовали реализованный сетевым драйвером механизм сжатия/разжатия данных, являющийся прозрачным для прикладных программ.

Не обошлось и без некоторых сложностей. ОС QNX гарантирует, в случае если при передаче сообщения какая-нибудь задача окажется заблокированной, то система через некоторое время автоматически снимет блокировку, вернув код ошибки. К сожалению, данный механизм не всегда срабатывает. Задача может зависнуть в таком состоянии на неопределенно долгое время. Разработчикам пришлось отслеживать и исправлять данную ситуацию программным способом. По их мнению, возможно, это объясняется наличием ошибки в сетевом драйвере Net.fd версии 4.22 и при переходе на версию 4.23 удастся от нее избавиться. Желание создать систему, не привязанную жестко к конкретным аппаратным средствам, приводит к необходимости написания драйверов устройств. Тот, кто писал и отлаживал драйверы устройств под DOS, знает - особенное неудобство доставляет то, что интерфейс ОС для драйверов и прикладных программ различный. Что касается QNX, то написание и отладка драйверов ничем не отличается от написания и отладки остальных программ. Программный интерфейс общий для всех программ. Довольно быстро были написаны драйверы для платы Octagon 5600 и многоэкранной видеокарты. Так как в состав QNX входит большое число менеджеров устройств и различных драйверов, то во многих случаях можно просто воспользоваться предоставляемым сервисом, а не разрабатывать собственное программное обеспечение. Для подключения модема и организации сети между устройством съема и рабочим местом диспетчера использовался стандартный менеджер последовательных каналов.

Вследствие того, что QNX имеет небольшой размер и модульную структуру, стало возможным установить данную ОС на Micro PC. Ядро ОС, модуль сетевой поддержки, менеджер встроенной файловой системы и прикладные программы удалось разместить всего в 256Кб флеш-памяти и 100Кб статического ОЗУ. При работе требуется немногим более 1Мб оперативной памяти. Инсталляция программного обеспечения на Micro PC производилась при помощи удобного средства EKit - пакета для установки QNX во встраиваемые системы. Возможность удаленного изменения версий программ в нашем случае крайне необходима, так как Micro PC в рабочем режиме не имеет ни экрана, ни клавиатуры, ни дисковода. Прозрачный доступ к файлам в сети QNX значительно облегчает работу, а менеджер встроенной файловой системы Efsys позволяет перепрограммировать флеш-память и статическое ОЗУ при помощи обычной команды копирования файлов. После перезаписи имеется возможность программной перезагрузки удаленного компьютера с обновленной версией. С организацией программного перезапуска у разработчиков возникли некоторые проблемы. Попытка его осуществления практически всегда приводила к тому, что перезапускаемая машина зависала намертво. Это затруднение удалось обойти установив параметр отмены "горячей" перезагрузки при генерации образа ОС. Одной из основных задач, поставленных перед проектировщиками системы ДК, была задача предусмотреть возможность ее интеграции c уже имеющимися программными разработками. В качестве одной из таких разработок можно привести систему ведения графика исполненного движения, реализованную другими разработчиками в среде Windows NT. Учитывая негативный опыт, полученный при реализации собственных протоколов под DOS, было принято решение применять для стыковки исключительно стандартные протоколы. Де-факто, такими стандартными протоколами является семейство протоколов TCP/IP, что явилось еще одним весомым доводом в пользу системы, обеспечивающей их поддержку. Пакет TCP/IP для QNX предоставляет разработчику не только возможность программировать на уровне Socket API, но и использовать преимущества сетевой файловой системы (NFS), вызовов удаленных процедур (RPC) в стандарте ONC, многих полезных служб, например, telnet и ftp. Система ДК, реализованная на базе передовых аппаратных и программных технологий способствует получению диспетчером достоверной информации и значительно облегчает управление оперативной работой станции. Ведение протокола работы позволяет обнаружить "узкие места" и избежать не нужных материальных затрат. В перспективе появляется задача автоматического формирования многочисленных документов, которые до сих пор заполняются вручную.

4. Патентный поиск и анализ существующих систем


Патентные исследования являются обязательной, неотъемлемой и составной частью при выполнении научно-исследовательских, опытно-конструкторских, проектно-конструкторских работ и маркетинга товаров. Патентные исследования могут проводится во Всероссийской патентно-технической библиотеке (ВПТБ) в г. Москве, в некоторых региональных научно-технических библиотеках и в Интернете. В настоящее время нет возможности для проведения патентных исследований по иностранным патентам в региональных библиотеках, так как Роспатент не издаёт официальных бюллетеней рефератов описаний иностранных изобретений. Однако Роспатент разместил на своём сервере всю российскую патентную информацию и ссылки на сайты иностранных патентных фондов.

Патентные исследования позволяют:

определить патентоспособность объектов промышленной собственности, создаваемых в процессе разработки новой продукции, и решить вопрос о целесообразности патентования;

определить (патентную чистоту) условия беспрепятственной реализации промышленной продукции на рынке конкретной страны или стран и исключить нарушение прав третьих лиц, владеющих патентами, действующими на территории этих стран;

выявить потенциальных конкурентов, определить направления их деятельности и выбрать свою рыночную нишу.

Процесс патентных исследований включает следующие этапы:

разработку задания на проведение патентных исследований;

разработку регламента поиска информации;

поиск и отбор патентной и другой научно-технической информации;

анализ отобранной информации.

Глубина (ретроспективность) поиска информации, с учетом сокращения сроков обновления технических решений, составляет от 5 до 15 лет. На первом этапе поиска следует определить классификационный индекс по объекту поиска к алфавитно-предметному указателю для отыскания рубрик Международной патентной классификации (МПК).

Согласно МПК, объекту соответствует класс B61L - Управление движением на железных дорогах; средства техники безопасности на железнодорожном транспорте. Подкласс B61L 27/04 - Системы диспетчерского управления движением поездов автоматические, например управляемые поездом; с переключением на ручное управление. Также объекту соответствует класс G08C - Системы для передачи измеряемых переменных величин, управляющих или подобных сигналов. Подкласс G08C 19/00 - Системы передачи электрических сигналов. Регламент поиска приведен в таблице 4.1. В соответствии с предметом поиска в источниках патентной информации были отобраны подходящие описания сходных технических решений для последующего анализа. Патентная документация, отобранная для последующего анализа, приведена в таблице 4.2.

Таблица 4.1 - Регламент поиска

Предмет поиска(объект исследования, его составные части)

Страна поиска

Классификационные индексы МПК, НПК, МКПЗ, МКТП,УДК

Ретроспективность

Наименование информационной базы (фонда)

Частотный диспетчерский контроль, микропроцессор, приемник сигнала

США Франция Великобритания Германия Япония Швейцария Россия ЕПВ

МПК 8 B61L 27/04 УДК 656.257

1994 - 2010

Патентная информация; Реферативный сборник «Изобретения стран мира»; Бюллетень Евразийского патентного ведомства «Изобретения (евразийские заявки и патенты)»

Частотный диспетчерский контроль, микропроцессор, приемник сигнала

США Франция Великобритания Германия Япония Швейцария Россия ЕПВ

МПК 8 G08C 19/00 УДК 656.257

1994 - 2010

Патентная информация; Реферативный сборник «Изобретения стран мира»; Бюллетень Евразийского патентного ведомства «Изобретения (евразийские заявки и патенты)»

Таблица 4.2 - Патентная документация, отобранная для анализа

Объект, его составные части

Страна выдачи, вид и номер документа, классификационный индекс

Заявитель с указанием страны, номер заявки, дата приоритета, конвенционный приоритет, дата публикации

Сущность заявленного технического решения, цели его создания

Сведения об их действии

Централизованная диспетчерская система с распределенными контрольными пунктами

Описание изобретения к патенту RU 2240245 С1 МПК B61L27/04

Долгий И.Д. (RU), Кузнецов Л.П. (RU), Кулькин А.Г. (RU), Пономарев Ю.Э. (RU) Заявка: 2003103504/28от 07.02.2003 Опубликовано: 20.11.2004

Система содержит распределенные контролируемые и центральный пункты управления с рабочим местом поездного диспетчера, объединенные внешней локальной сетью. Резервированный центральный блок управления каждого распределенного контролируемого пункта управления состоит из основного комплекта, резервного комплекта и модуля диагностики, связанных между собой.

Действует

Централизованная диспетчерская система с распределенными контролируемыми пунктами

Свидетельство на полезную модель RU 34482 МПК B61L27/04

Долгий И.Д. (RU), Кузнецов Л.П. (RU), Кулькин А.Г. (RU), Пономарев Ю.Э. (RU), Новиков В.Н., Торшин Д.А. Заявка: 2003123933/20от 06.08.2003 Опубликовано: 10.12.2003

Система содержит распределенные контролируемые пункты и центральный пункт управления с рабочим местом поездного диспетчера, объединенные внешней локальной  сетью.

Действует

Способ передачи и отображении информации о поездной обстановке

Описание изобретения к патенту RU 2007320 С1 МПК B61L27/04

Управление Западно-Сибирской железной дороги Автор: Захаров В.А. Патентообладатель: Управление Западно-Сибирской железной

Информацию с центрального поста круга контроля снимают одновременно с каждого из выходов частотных приемников, передают по одному телеграфному каналу в виде старт-стопных пакетов синхронно с тактовыми импульсами, действующими в течение цикла передачи в системе ЧДК, на единый дорожный центр управления, где информацию записывают в оперативно

прекратил действие



дороги Заявка: 4753020/11 от 25.10.1989 Опубликовано: 15.02.1994

запоминающее устройство, из которого ее считывают по окончании цикла передачи в сдвигающий регистр межциклового хранения информации и затем отображают ее на мнемоническом табло единого дорожного центра управления.


Способ и устройство удаленного мониторинга и технической диагностики ж.д. автоматики и телемеханики

Описание изобретения к патенту RU 2384886 C2 МПК G08C19/00

Бушев С.В. (RU) Гундарев К.В (RU) Заявка: 2008118803/11 от 12.05.2008 Опубликовано: 20.03.2010

Способ включает сбор дискретной информации и/или аналоговой информации о состоянии устройств ЖАТ, преобразование аналоговых сигналов в цифровую форму, определение состояния устройств ЖАТ «включено/выключено», передачу собранной информации об устройстве ЖАТ по цифровым каналам связи на АРМ, программным способом отслеживание и оценку технического состояния устройств ЖАТ.

Действует

Аппаратно-программный комплекс диспетчерского контроля

Патент на полезную модель RU 47123 U1 МПК G08C19/00

Горбунов Б.Л. (RU) Закрытое акционерное общество "МГП "ИМСАТ" (RU) Заявка: 2005101312/22от 14.01.2005 Опубликовано: 10.08.2005

Аппаратно-программный комплекс диспетчерского контроля, состоящий из периферийного оборудования в виде устройств контроля и устройств съема информации с устройств автоматики станционного и перегонного оборудования

Действует

В результате сопоставления и оценки значений выбрано техническое решение RU 2007320 С1- Способ передачи и отображении информации о поездной обстановке.

В итогах патентного поиска было выбрано техническое решение RU 2007320 С1- Способ передачи и отображении информации о поездной обстановке, на нем будет основываться принцип работы проектируемого устройства.

Главной задачей при разработке это извлечь из существовавших систем все преимущества данных систем и по возможности избавится от недостатков, а также не менее важной задачей является совместимость разрабатываемого устройства с более старым оборудование системы ЧДК. Исходя из этих двух задач, будет выбираться схемное и аппаратное решение.

5. Обзор микроконтроллеров


На современном рынке восьми разрядных микроконтроллеров наиболее широко представлены, следующие типы микроконтроллеров:

)PIC микроконтроллеры компании Microchip;

)AVR микроконтроллеры компании Atmel.микроконтроллеры, этот контроллеры с RISC архитектурой выпускается с конца 80-х годов дочерней GI компанией Arizona Microchip Technology Ltd. Большинство PIC контроллеров сделано по OTP технологии (однократно программируемые микросхемы).

Основной представитель семейства PIC имеет память программ объемом до 1 Кбайт и память данных 25 байт, набор операций (до 35) и одноуровневым конвейером команд (тактовая частота до20 МГц). Вкупе с низкой стоимостью, в среднем меньше 1 доллара США, все эти качества сделали PIC микроконтроллеры весьма популярными в нише низко стоимостных применений. Для целей отладки предлагается использование микросхем с ультрафиолетовым стиранием и довольно высокой стоимостью. Все PIC контроллеры оборудованы внутренними схемами сброса по питанию и сторожевыми таймерами, многие модели имеют возможность внутрисхемного программирования. Делая упор на низкую стоимость своих изделий, MICROCHIP пришлось отказаться от универсальных микроконтроллеров с разнообразной и развитой периферии распределить периферийные устройства по всем выпускаемым семействам. Иными словами если разработчику в контроллере требуются компараторы, то, как раз для этого выпускается серия PIC16CX, если необходимо АЦП, сгодится серия PIC16C7X и так далее. Но то, что является благом для инженера в Америке, оборачивается проблемой для отечественного разработчика. К сожалению ни один отечественный дистрибьютор не в состоянии держать на складе всю номенклатуру PIC контроллеров, что неудивительно, это более двухсот наименований и ограничивается самыми распространенными изделиями, которыми и приходится довольствоваться мелкосерийным производителям[4].

В отличие от MICROCHIP компания ATMEL взяла старт по производству RISC микроконтроллеров несколько позднее уже в 90-х годах, используя все новейшие технические решения, накопленные к этому времени. Золотой ключик ATMEL - использование FLASH технологии, которой компания владеет в совершенстве, став в начале 90-х одним из мировых лидеров по производству микросхем энергонезависимой памяти и микроконтроллеров семейства MCS-51 оснащенных FLASH ПЗУ. Из архитектуры процессора был изгнан регистр-аккумулятор (оставшийся даже в PIC контроллерах) и заменен регистровым файлом, в котором каждый из 32 регистров соединен с АЛУ и может работать в роли аккумулятора. Это позволяет в сочетании с конвейерной обработкой выполнять большинство инструкций за один машинный цикл. Система команд AVR весьма развита и насчитывает 120 различных инструкций с 16-разрядной сеткой, причем почти все команды (кроме команд перехода ), имеют длину в 16 бит. В результате компания ATMEL установила новый стандарт производительности для микроконтроллеров 1 MIPS (миллион инструкций в секунду) на 1 МГц.

Периферия микроконтроллеров включает: таймеры-счетчики, ШИМ, аналоговые компараторы, интерфейсы, интерфейсы UART и SPI сторожевой таймер. Все эти качества превращают AVR микроконтроллеры в мощный и, что очень важно недорогой инструмент для построения современных, высокопроизводительных и экономичных контроллеров различного назначения. Наряду с новыми технологическими решениями разработчики компьютерных управляющих систем получили в свое распоряжение удобный аппарат в виде интегрированных систем проектирования и отладки программ и стартовых наборов, которые при совместном использовании являются неоценимым инструментом, ускоряющим процесс разработки и повышающим его эффективность. Надо отметить также, что все AVR микроконтроллеры легкодоступны в России и отличаются в среднем невысокой, стоимостью успешно конкурируя, с изделиями компании MICROCHIP.

Коротко резюмируя вышесказанное, можно отметить, что позиции PIC контроллеров наиболее сильны в сфере применений критичных к стоимости и потреблению. При построении высокопроизводительных, универсальных систем становятся предпочтительными AVR микроконтроллеры.

5.1 Микроконтроллеры AVR


Микроконтроллеры AVR фирмы «Аtmel». Эти 8-разрядные RISC-микроконтроллеры для встраиваемых приложений являются, пожалуй, наиболее интересным и прогрессивным направлением, развиваемым фирмой. Микроконтроллеры этой серии представляют собой мощный инструмент, прекрасную основу для создания современных высокопроизводительных и экономичных встраиваемых контроллеров многоцелевого назначения. Популярность микроконтроллеров AVR постоянно увеличивается.

Не последнюю роль в этом играет соотношение показателей «цена/быстродействие/энергопотребление», являющееся одним из лучших на рынке 8-разрядных микроконтроллеров. Кроме того, постоянно растет число выпускаемых сторонними производителями разнообразных программных и аппаратных средств поддержки разработок устройств на их основе. Все это позволяет говорить о микроконтроллерах AVR как о новом индустриальном стандарте среди 8 -разрядных микроконтроллеров общего применения. В рамках единой базовой архитектуры микроконтроллеры AVR подразделяются на три семейства: Меgа, Тiny, Classic.

Микроконтроллеры семейства Тiny имеют небольшие объемы памяти программ (1-2 Кбайт) и весьма ограниченную периферию. Практически все они выпускаются в 8-выводных корпусах и предназначены для т. н. «бюджетных» решений, принимаемых в условиях жестких финансовых ограничений. Область применения этих микроконтроллеров - интеллектуальные датчики различного назначения (контрольные, пожарные, охранные), игрушки, зарядные устройства, различная бытовая техника и другие подобные устройства[4].

Микроконтроллеры семейства Меgа, напротив, имеют наиболее развитую периферию, наибольшие среди всех микроконтроллеров AVR объемы памяти программ и данных. Они предназначены для использования в мобильных телефонах, контроллерах различного периферийного оборудования (принтеры, сканеры, современные дисковые накопители, приводы СD-RОМ/DVD-RОМ и т. п.), сложной офисной технике и т. д.

Микроконтроллеры обоих семейств поддерживают несколько режимов пониженного энергопотребления, имеют блок прерываний, сторожевой таймер и допускают программирование непосредственно в готовом устройстве.

5.2 Микроконтроллеры семейства ATМеgа128

.2.1 Общие сведения

Высокопроизводительный, маломощный 8-разрядный AVR-микроконтроллер, развитая RISK-архитектура.

133мощных инструкций, большинство из которых выполняются за одни машинный цикл;

32 8-разрядных регистров общего назначения, регистры управления встроенной периферией;

Полностью статическая работа;

Производительность до 16 млн. операций в секунду при тактовой частоте 16 МГц;

Встроенное умножающее устройство выполняет умножение за 2 машинных цикла;

Энергонезависимая память программ и данных;

Износостойкость 128-ми Кбайт внутрисистемно перепрограммируемой флэш-памяти: 1000 циклов запись/чтение;

Опциональный загрузочный сектор с отдельной программируемой защитой;

Внутрисистемное программирование встроенной загрузочной программой;

Гарантированная двухоперационность: возможность чтения во время записи;

Износостойкость 4 Кбайт ЭСППЗУ: 100000 циклов запись/стирание;

Встроенное статическое ОЗУ емкостью 4 Кбайт;

Опциональная возможность адресации внешней памяти размером до 64 Кбайт;

Программируемая защита кода программы;

Интерфейс SPI для внутрисистемного программирования;

Интерфейс JTAG(совместимость со стандартом IEEE 1149.1);

Граничное сканирование в соответствии со стандартом JTAG;

Программирование флэш-памяти, ЭСППЗУ, бит конфигурации и защиты через интерфейс JTAG[5].

5.2.2 Отличительные особенности периферийных устройств

- Два 8-разрядных таймера-счётчика с раздельными предделителями и режимами сравнения;

Два расширенных 16-разрядных таймера-счётчика с отдельными предделителями, режимами сравнения и режимами захвата;

Счётчик реального времени с отдельным генератором;

Два 8-разрядных каналов ШИМ;

6 каналов ШИМ с программируемым разрешение от 2 до 16 разрядов;

Модулятор выходов сравнения;

8 мультиплексированных каналов 10-разрядного аналогово-цифрового преобразователя;

8 несимметричных каналов;

7 дифференциальных каналов;

2 дифференциальных канала с выборочным усилением 1, 10 и 200 раз;

Двухпроводной последовательный интерфейс, ориентированный на передачу данных в байтном формате;

Два канала программируемых последовательных УСАПП;

Последовательный интерфейс SPI с поддержкой режимов ведущий/ведомый;

Программируемый сторожевой таймер со встроенным генератором;

Встроенный аналоговый компаратор.

.2.3 Специальные возможности микроконтроллера

- Сброс при подаче питания и программируемая схема сброса при снижении напряжения питания;

Встроенный калиброванный RC-генератор;

Внешние и внутренние источники прерываний;

Шесть режимов снижения энергопотребления: холостой ход(Idle), уменьшение шумов АЦП, экономичный (Power-save), выключение (Power-down), дежурный (Standby) и расширенный дежурный (Extended Standby);

Программный выбор тактовой частоты;

Общее выключение подтягивающих резисторов на всех линиях портов ввода-вывода.

53-программируемые линии ввода-вывода;

64-выводный корпус TQFP;

Рабочие напряжения: 4,5-5,5В.

5.2.4 Краткий обзор микроконтроллера

ATmega128 - маломощный 8-разрядный КМОП микроконтроллер, основанный на расширенной AVR RISC-архитектуре. За счет выполнения большинства инструкций за один машинный цикл ATmega128 достигает производительности 1 млн. операций в секунду/МГц, что позволяет проектировщикам систем оптимизировать соотношение энергопотребления и быстродействия.

Ядро AVR сочетает богатый набор инструкций с 32 универсальными рабочими регистрами. Все 32 регистра непосредственно подключены к арифметико-логическому устройству (АЛУ), который позволяет указать два различных регистра в одной инструкции и выполнить ее за один цикл. Данная архитектура обладает большей эффективностью кода за счет достижения производительности в 10 раз выше по сравнению с обычными CISC-микроконтроллерами.

ATmega128 содержит следующие элементы: 128 Кбайт внутрисистемно программируемой флэш-памяти с поддержкой чтения во время записи, 4 Кбайт ЭСППЗУ, 4 Кбайт статического ОЗУ, 53 линии универсального ввода-вывода, 32 универсальных рабочих регистра, счетчик реального времени (RTC), четыре гибких таймера-счетчика с режимами сравнения и ШИМ, 2 УСАПП, двухпроводной последовательный интерфейс ориентированный на передачу байт, 8-канальный 10-разядный АЦП с опциональным дифференциальным входом с программируемым коэффициентом усиления, программируемый сторожевой таймер с внутренним генератором, последовательный порт SPI, испытательный интерфейс JTAG совместимый со стандартом IEEE 1149.1, который также используется для доступа к встроенной системе отладке и для программирования, а также шесть программно выбираемых режимов уменьшения мощности. Режим холостого хода (Idle) останавливает ЦПУ, но при этом поддерживая работу статического ОЗУ, таймеров-счетчиков, SPI-порта и системы прерываний. Режим выключения (Powerdown) позволяет сохранить содержимое регистров, при остановленном генераторе и выключении встроенных функций до следующего прерывания или аппаратного сброса. В экономичном режиме (Power-save) асинхронный таймер продолжает работу, позволяя пользователю сохранить функцию счета времени в то время, когда остальная часть контроллера находится в состоянии сна. Режим снижения шумов АЦП (ADC Noise Reduction) останавливает ЦПУ и все модули ввода-вывода, кроме асинхронного таймера и АЦП для минимизации импульсных шумов в процессе преобразования АЦП. В дежурном режиме (Standby) кварцевый/резонаторный генератор продолжают работу, а остальная часть микроконтроллера находится в режиме сна. Данный режим характеризуется малой потребляемой мощностью, но при этом позволяет достичь самого быстрого возврата в рабочий режим. В расширенном дежурном режиме (Extended Standby) основной генератор и асинхронный таймер продолжают работать.

Микроконтроллер производится по технологии высокоплотной энергонезависимо памяти компании Atmel. Встроенная внутрисистемно программируемая флэш-память позволяет перепрограммировать память программ непосредственно внутри системы через последовательный интерфейс SPI с помощью простого программатора или с помощью автономной программы в загрузочном секторе. Загрузочная программа может использовать любой интерфейс для загрузки прикладной программы во флэш-память. Программа в загрузочном секторе продолжает работу в процессе обновления прикладной секции флэш-памяти, тем самым поддерживая двухоперационность: чтение во время записи. За счет сочетания 8-разрядной RISC ЦПУ с внутрисистемно самопрограммируемой флэш-памятью в одной микросхеме. ATmega128 является мощным микроконтроллером, позволяющим достичь высокой степени гибкости и эффективной стоимости при проектировании большинства приложений встроенного управления.

ATmega128 поддерживается полным набором программных и аппаратных средств дл проектирования, в т.ч.: Си-компиляторы, макроассемблеры, программные отладчики/симуляторы, внутрисистемные эмуляторы и оценочные наборы.

5.2.5 Шестнадцати-разрядные таймеры-счётчики 1 и 3

16-разрядные таймеры счётчики предназначены для точного задания временных интервалов, генерации прямоугольных импульсов и измерения временных характеристик импульсных сигналов[6].

Основные отличительные особенности:

16-разрядные счётчики;

Три раздельных блока сравнения;

Двойная буферизация регистров порога сравнения (OCR);

Один блок захвата;

Подавитель шума на входе захвата;

Режим сброса таймера при совпадении с порогом сравнения (автоматическая перезагрузка);

Широтно-импульсная модуляция без генерации ложных импульсов при записи нового порога сравнения в OCR (двойная буферизация) и фазовая коррекция;

Переменный период ШИМ;

Частотный генератор;

Счётчик внешних событий;

10 самостоятельных источников прерываний.          

6. Расчёт частот для использования микроконтроллера


Чтобы сделать вывод о рациональности применения микроконтроллера ATmega 128 для разработки устройства, необходимо провести расчёт. Главным критерием, по которому выбирается микроконтроллер, в данном случае является способность с максимальной точностью воспроизводить частоту несущих генераторов ГКШ (ГК6).

Несущие частоты генераторов ГКШ (ГК6) получаются путем деления частоты внешнего кварцевого резонатора на 16 МГц с помощью таймеров-счётчиков микроконтроллера в режиме сброса таймера при совпадении (СТС).

Ввиду идентичности таймеров 1 и 3 в данном разделе используется общая форма записи. Так индекс «n» заменяет номер таймера-счётчика (1 или 3), а «х» заменяет наименование канала сравнения (А, В или С).

В режиме СТС (WGM01, WGM00=0b10) регистр OCR0 используется для задания разрешающей способности счётчика. Если задан режим СТС и значение счётчика (TNCT0) совпадает со значение регистра OCR0, то счётчик обнуляется (TNCT0=0). Таким образом, OCR0 задает вершин счета счётчика, а, следовательно, и его разрешающую способность. В данном режиме обеспечивается более широкий диапазон регулировки частоты генерируемых прямоугольных импульсов.

В режиме сброса таймера при совпадении (WGMn3-0 = 0b0100 или 0b1100) разрешающая способность таймера задается регистрами OCRnA или ICRn. В режиме СТС происходит сброс счётчика (TCNTn), если его значение совпадает со значением регистра OCRnA(WGMn3-0 = 0b0100) или с IRCn(WGMn3-0 = 0b1100). Временная диаграмма работы таймера в режиме СТС показана на рисунке 6.1. Счётчик (TNCTn) инкрементирует свое состояния до тех пор, пока не возникает совпадение со значением OCRnA или ICRn, а затем счётчик (TNCTn) сбрасывается[7].

Рисунок 6.1 - Временная диаграмма для режима СТС

По достижении верхнего предела счета может генерироваться прерывание с помощью флагов OCFnA или ICFn, соответствующим используемым регистрам, для задания верхнего предела счета. Если прерывание разрешено, то процедура обработки прерывания может использоваться для обновления верхнего предела счета. Однако, задание значения вершины счета близкого к значению нижнего предела счета, когда счетчик работает без предделения или с малым значением предделения, необходимо выполнять с особо осторожностью, т.к. в режиме СТС нет двойной буферизации. Если значение, записанное в OCRnA или ICRn, меньше текущего значения TCNTn, то сброс счетчика по условию совпадения наступит, когда он достигнет максимального значения (0xFFFF), затем перейдет в исходное состояние 0x0000 и достигнет нового значения OCRnA или ICRn. Во многих случаях возникновение такой ситуации не желательно. В качестве альтернатив: может выступить режим быстрой ШИМ, где регистр OCRnA определяет верхний предел счета (WGMn3-0 = 0b1111), т.к. в этом случае OCRnA имеет двойную буферизацию.

Для генерации сигнала в режиме СТС выход ОСnА может использоваться для изменения логического уровня при каждом совпадении, для чего необходимо задать режим переключения (COMnAl, COMnA0 = 0b01). Значение ОСnА будет присутствовать на выводе порта, только если для данного вывода задано выходное направление. Максимальная частота генерируемого сигнала равна fOС0 = fclk_I/O/2, если OCRnA=0x0000.

Расчет константы, который необходимо записать в регистр сравнения соответствующего таймера/счетчика проводится по формуле:

 (6.1)

где  - тактовая частота процессора;

 - необходимая несущая частота ЧДК;- коэффициент соответствующего предделителя частоты.

Результаты проведенных расчетов байтов, записываемых в регистр сравнения, при использовании 8-битного таймера/счетчика микроконтроллера ATmega128, приведены в таблице 6.1. В качестве предделителя выбран коэффициент 128, так как при меньшем его значении получившийся байт сравнения будет превышать разрядность регистра сравнения ($FFh). Результаты расчетов округлены до ближайшего целого числа и переведены в шестнадцатеричную систему счисления для записи их в память микроконтроллера.

Таблица 6.1 - Константы, записываемые в регистр сравнения таймера Т2

Реализуемая частота, Гц

Байт сравнения при тактовой частоте, МГц


4

8

16


DEC

HEX

DEC

HEX

DEC

HEX

1

2

3

4

5

6

7

319,63

48

30h

97

61h

196

C4h

360,62

42

2Аh

86

56h

172

ACh

390,67

39

27h

79

4Fh

159

9Fh

431,80

35

23h

71

47h

144

90h

479,45

32

20h

64

40h

129

81h

527,40

29

1Dh

58

3Ah

118

76h

586,00

26

1Ah

52

34h

106

6Ah

659,25

23

17h

46

2Eh

94

5Eh

732,50

20

14h

42

2Ah

84

54h

820,40

18

12h

37

25h

75

4Bh

920,86

16

10h

33

21h

67

43h

1025,50

14

Eh

30

1Eh

60

3Ch

1118,72

13

Dh

27

1Bh

55

37h

1237,11

12

Ch

24

18h

50

32h

1367,33

10

Ah

22

16h

45

2Dh

1523,60

9

9h

20

14h

40

28h


Проведем аналогичный расчет для 16-разрядных таймеров/счетчиков Т1 и Т3, входящих в состав микроконтроллера ATmega128(таблица 6.2).

Таблица 6.2 - Константы, записываемые в регистр сравнения таймеров Т1 и Т3

Реализуемая частота, Гц

Байт сравнения при тактовой частоте, МГц


4

8

16


DEC

HEX

DEC

HEX

DEC

HEX

319,63

6256

1870h

12510

30DEh

25030

61C6h

360,62

5545

15A9h

11090

2B52h

22180

56A4h

390,67

5118

13FEh

10240

2800h

20480

5000h

431,80

4631

1217h

9263

242Fh

18530

4862h

479,45

4170

104Ah

8342

2096h

16680

4128h

527,40

3791

ECFh

7583

1D9Fh

15170

3B42h

586,00

3412

D54h

6825

1AA9h

13650

3552h

659,25

3033

BD9h

6067

17B3h

12130

2F62h

732,50

2729

AA9h

5460

1554h

10920

2AA8h

820,40

2437

985h

4875

12A7h

9750

2616h

920,86

2171

87Bh

4343

10F7h

8687

21EFh

1025,50

1949

79Dh

3900

F3Ch

7800

1E78h

1118,72

1787

6FBh

3575

DF7h

7150

1BEEh

1237,11

1616

650h

3232

CA0h

6466

1942h

1367,33

1462

5B6h

2924

B6Ch

5850

16DAh

1523,60

1312

520h

2624

A40h

5250

1482h


В случае применения этих таймеров/счетчиков, предделитель можно вообще не использовать, так как разрядность регистра сравнения OCR1A позволяет записать в него значения от $0000h до $FFFFh, что делает возможным использование более высоких тактовых частот микроконтроллера для получения большей точности.

Для того чтобы окончательно выбрать необходимый таймер/счетчик и достаточную тактовую частоту микроконтроллера, необходимо произвести расчет.

Рассчитаем несущую частоту, получаемую при каждой из приведенных выше константе, и сравним ее с частотами и допустимыми разбросами частот приемников, устанавливаемых на станции при использовании системы частотного диспетчерского контроля. Расчет несущей частоты будем производить по формуле:

 (6.2)

где  - тактовая частота процессора;- коэффициент соответствующего предделителя частоты;

 - константа, записываемая в регистр сравнения.

В пояснительной записке приведем только контрольный расчет на нижних частотах генератора при использовании всех возможных вариантов. На остальных частотах расчет проведем с помощью ПЭВМ.

 

 

 


Техника расчетов для всех остальных несущих частот аналогична, результаты приведены в таблице 6.3.

Таблица 6.3 - Результаты расчета несущих частот

Требуемая частота, Гц

Полученная несущая частота, Гц


На выходе 8-битного таймера/счетчика, при тактовой частоте, МГц

На выходе 16-битного таймера/счетчика, при тактовой частоте, МГц


4

8

16

4

8

16

1

2

3

4

5

6

7

319,63

318,88

318,88

318,88

319,64

319,72

319,60

360,62

355,11

359,19

361,27

360,62

360,65

360,67

390,67

390,62

390,62

390,62

390,70

390,59

390,61

431,80

434,03

434,03

431,78

431,78

431,71

479,45

473,48

480,77

480,77

479,50

479,44

479,59

527,40

520,83

529,66

525,21

527,43

527,43

527,32

586,00

578,70

589,62

584,11

585,99

585,99

586,04

659,25

651,04

664,89

657,89

659,20

659,20

659,47

732,50

744,05

726,74

735,29

732,60

732,47

732,53

820,40

822,37

822,37

822,37

820,34

820,34

820,43

920,86

919,12

919,12

892,86

920,81

920,81

920,81

1025,50

1041,67

1042,67

1024,59

1025,64

1025,38

1025,51

1118,72

1116,07

1116,07

1116,07

1118,57

1118,57

1118,72

1237,11

1201,92

1250,00

1225,49

1236,86

1237,24

1237,05

1367,33

1420,45

1358,70

1358,70

1367,05

1367,52

1367,29

1523,60

1563,50

1488,09

1524,39

1523,23

1523,81

1524,52


Далее произведём расчёт абсолютной погрешности по формуле:

 (6.3)

 


Техника расчетов для всех остальных несущих частот аналогична, результаты приведены в таблице 6.4.

Таблица 6.4 - Результаты расчёта абсолютной погрешности

Тип приемника

Допустимое отклонение частоты, ± Гц

Требуемая частота

Полученная погрешность, Гц




На выходе 8-битного таймера/счетчика, при тактовой частоте, МГц

На выходе 16-битного таймера/счетчика, при тактовой частоте, МГц




4

8

10

4

8

10

1

2

3

4

5

6

7

8

9

ПДК1-1

0,32

319,63

- 0,75

- 0,75

- 0,75

0,01

0,09

- 0,03


0,32

360,62

- 5,51

- 1,43

0,65

0,00

0,03

0,05


0,35

390,67

- 0,05

- 0,05

- 0,05

0,03

- 0,08

- 0,06


0,39

431,80

2,23

2,23

- 0,77

- 0,02

- 0,02

- 0,09


0,43

479,45

- 5,97

1,32

1,32

0,05

- 0,01

0,14


0,42

527,40

- 6,57

2,26

- 2,19

0,03

0,03

- 0,08


0,47

586,00

- 7,3

3,62

-1,89

- 0,57

- 0,01

0,04


0,53

659,25

- 8,21

5,64

- 1,36

- 0,05

- 0,05

0,22

ПДК1-2 и ПДК2-2

0,51

732,50

11,55

- 5,76

2,79

0,1

- 0,03

0,03


0,57

820,40

1,87

1,97

1,97

- 0,06

- 0,06

0.03


0,55

920,86

- 1,74

- 1,74

- 28

- 0,05

- 0,05

- 0,05


0,61

1025,50

16,17

- 0,83

- 0,91

0,14

- 0,12

0,01


0,67

1118,72

- 2,65

- 2,65

- 2,65

- 0,15

- 0,15

0


0,74

1237,11

- 35,19

12,89

- 11,62

- 0,25

0,13

- 0,06


0,68

1367,33

53,12

- 8,63

- 8,63

- 0,28

0,19

- 0,04


0,76

1523,60

39,9

- 35,51

0,79

- 0,37

0,21

- 0,08


По данным расчетов построим графики зависимости полученной абсолютной погрешности от несущей частоты ЧДК. Графики для восьмиразрядного таймера/счетчика представлены на рисунке 6.2, для шестнадцатиразрядного - в приложении Б.

Рисунок 6.2 - График зависимости Δƒ(ƒ) для таймера Т2

На рисунке 6.2 линиям 1, 2 и 3 графика соответствуют получаемые погрешности при записи констант в 8 разрядный таймер соответственно при частотах 4, 8 и 16 МГц.

На в приложении Б линиям 2, 3 и 4 графика соответствуют получаемые погрешности при записи констант в 16 разрядный таймер соответственно при частотах 16, 8 и 4 МГц, линиям 1 и 5 соответствуют границы допустимого отклонения частоты приемников ПДК1-1, ПДК1-2 и ПДК2-2. Изображение на графике рисунка 13 границ допустимого отклонения частоты является не целесообразным, так как значения полученных погрешностей на всех частотах значительно превосходят их. Проанализировав график на рисунке 14, можно придти к выводу, что погрешность частоты выдаваемой таймером при частоте 4 МГц выходит за требуемые аппаратурой нормы. Погрешность при тактовых частотах генератора 8 и 16 МГц находится в пределах нормы.

Итак, подведем итог проделанного анализа. Как показывают графики зависимости погрешности, получаемой при реализации приемника несущих частот, соответствие несущей частоты приемника ПДК и частоты сигнала, получаемого на выходе используемого таймера/счетчика, гораздо выше при использовании 16-битного таймера/счетчика Т1.

Однако, при тактовой частоте 16 МГц расхождение требуемой и получаемой несущей частоты не превышает допустимых отклонений для приемника ПДК, что позволяет выбрать именно эту частоту в качестве тактовой. Выбор такой, относительно высокой, тактовой частоты микроконтроллера повысит энергопотребление устройства, что является маловажным фактором с экономической точки зрения.

7. Описание разрабатываемого устройства


В основе работы проектируемого приемника лежит принцип максимального правдоподобия. Принцип заключается в сравнении принятого сигнала с эталонным. Структурная схема приемника представлена в приложении В.

На структурной схеме представлены: входной полосно-пропускающий фильтр низких частот Ф1, два идентичных быстродействующих перемножителя сигналов П1 и П2, генератор синусоидальных импульсов Г, два идентичных операционных усилителя У1 и У2, два интегратора И1 и И2, аналогово-цифровой преобразователь (АЦП), две схемы возведения в квадрат КВ1 и КВ2, двухвходовой сумматор С, компаратор К, центральный процессор - ЦП, ЖКИ - жидкокристаллический индикатор (дисплей).

Принцип работы схемы заключается в следующем: полосо-пропускающим фильтром Ф1, с полосой пропускания от 5 до 10 Гц(в зависимости от частоты), из линии ДСН отфильтровывается узкая полоса спектра содержащая несущую генератора ЧДК, например 1523,6 Гц, а также вместе с несущей проходят вредные помехи близкие к частоте несущей. Далее производится перемножение сигналов на двух перемножителях П1 и П2. На перемножитель П1 приходит сигнал с генератора без сдвига фазы и соответствует эталонному сигналу. На перемножитель П2 с генератора приходит сигнал со сдвигом фазы 90 градусов. Далее пройдя операцию умножения, результат попадает на идентичные интеграторы, с временем интегрирования 0,1с, предварительно пройдя цепь усиления, усилившись в 100раз, для лучшего распознавания. Полученные значения с интеграторов поступают на вход АЦП. Далее оцифрованные сигналы проходит операцию самоперемножения сами на себя, проще говоря, процедуру возведения в квадрат. Полученные значения поступают на вход двухвходового сумматора. Значение, полученное после операции сложения сравнивается с порогом истинного сигнала с помощью компаратора. Окончательная информация выводится на ЖКИ для наиболее удобного восприятия оператором.

Преимущества данной схемы состоит в том, что приемник не чувствителен к синхронизации фаз генератора и приемника. Фазовый сдвиг может быть как в положительную, так и в отрицательную сторону на обоих перемножителях что не повлияет на получаемый результат на выходе компаратора. Также, схема соответствует параметрам предъявляемым к приемникам ЧДК по допустимому отклонению частоты несущей. Для более наглядных иллюстраций преимуществ схемы, обратимся к математической модели. Математическая модель схемы описана с помощью математических формул, по которым построены графики сигналов.

На рисунке 7.1 представлены сигналы, присутствующие в модели. Номерами 1,2 и 3 обозначены, соответственно, сигнал генератора ЧДК и совпадающий с ним сигнал от генератора системы без сдвига по фазе, сигнал генератора ЧДК пришедший на перемножители со сдвигом по фазе минус 100 градусов, сигнал с генератора системы со сдвигом фазы 90 градусов.

Далее на рисунке 7.2 показан график выходного сигнала с двухвходового сумматора в идеализированном случае, то есть при точном совпадении несущих частот генераторов с частотой несущей ЧДК и эталонным сдвигом фазы второго перемножителя равной 90 градусов.

Поскольку всем известно, что никакая система не имеет всегда точных и идеальных параметров, на каждую систему действуют внешние воздействия. С этими проблемами необходимо бороться с помощью самой системы, то есть аппаратным способом, либо программным. Например, сигнал с перегонного генератора может придти со сдвигом фазы минус 100 или плюс 100 градусов, но при этом частота несущей остается стабильной 1523,6 Гц.

Рисунок 7.1 - Сигналы присутствующие в модели

Построив графики, аналогичные показанным выше, на рисунке 7.2, получены значения сигнала на выходе двухвходового сумматора в зависимости от сдвига фазы входного сигнала. Время интегрирования принято одинаковым и равным 0,1 с. Сдвиги фаз сигнала генератора ЧДК приходящего на приемник взяты от минус 90 до плюс 90 градусов, с шагом 15 градусов, частота сигнала 1523,6 Гц. Результаты полученных данных приведенные в таблице 7.1.

Таблица 7.1 - Значения сигнала на выходе двухвходового сумматора при различном сдвиге фаз входного сигнала

Сдвиг фазы входного сигнала, град

Значение сигнала на выходе двухвходового сумматора, В

1

2

90,000

51,787

75,000

51,826

60,000

51,869

45,000

51,904

30,000

51,922

15,000

51,918

0,000

51,893

-15,000

51,854

-30,000

51,811

-45,000

51,776

-60,000

51,758

-75,000

51,762

-90,000

51,764


Проанализировав значения, полученные на выходе двухвходового сумматора, можно сделать вывод о том, что полезный сигнал будет иметь значения от 51,764 до 51,904 В.

Ещё одним немаловажным фактором, характеризующим данную модель, является наличие паразитных гармоник в полосе пропускания входного фильтра системы.

Рисунок 7.2 - Модель идеального выходного сигнала

В приложении Г изображены графики сигналов на выходе двухвходового сумматора при различных частотах несущей ЧДК.

Сигнал с идеальной частотой генератора ЧДК (1523,6 Гц), сигнал с допустимым отклонением частоты генератора (1522 Гц) и частотой помехи (1513,6 Гц) представлены наглядно и показывают работу приемника.

Проведя анализ данного графика, можно с уверенностью сказать, что полезный сигнал будет приниматься с достаточной точностью. Также, учтена возможность смещения частоты несущей, согласно параметрам системы ЧДК, предъявляемой к станционной аппаратуре, достаточно чёткое отделение полезного сигнала от паразитных гармоник. Данная схема позволяет принимать только одну конкретную несущую частоту.

Алгоритм работы микроконтроллера для данной модели приведен в приложении Д.

8. Построение и расчёт принципиальной схемы

Для расчёта фильтров используется программа Filter Wiz PRO v 3.0g демо-версия от компании Schematica Software. Данная программа позволяет рассчитывать аналоговые фильтры на основе операционных усилителей до 30-го порядка включительно, с максимальной добротностью не более 300. Также программа автоматически строит функциональные схемы звеньев фильтров, позволяет выбирать тип и схему звена фильтра. Программа имеет удобный интерфейс, возможность автоматического построения графиков различных характеристик фильтров, выбор значений допуска сопротивлений, возможность масштабировать графики, сохранять и загружать готовые или созданные пользователем модели фильтров.

Исходные данные к расчёту фильтра:

Центр полосы пропускания 319,63 Гц;

Порядок требуемого фильтра 2;

Затухание в полосе пропускания 0,5Дб.

Внеся данные в программу, производится расчёт. Результаты расчёта приведены на рисунке 8.1.

Рисунок 8.1 - Результат расчёта фильтра на 319 Гц второго порядка

Программа позволяет выбрать пять типов схем фильтров. Фильтр Чебышева, Саллена-Кея, Баттерворда, Эллиптический, Инверсный Чебышева, Бесселя. Также при расчёте легко выбрать количество звеньев фильтра и добротность. Результат расчёта приведен в виде удобной таблицы. В данном случае из-за очевидной простоты тип схемы фильтра значения не имеет.

На следующем шаге программа строит график зависимости коэффициента затухания от частоты, который представлен на рисунке 8.2.

Рисунок 8.2 - Зависимость затухания от частоты

Следующим важным шагом при расчёте является выбор функциональной схемы фильтра из предлагаемых вариантов программой. Наиболее удобной будет схема фильтра Саллена-Кея, представленная на рисунке 8.3.

Рисунок 8.3 - Функциональная схема фильтра

В данной функциональной схеме все сопротивления приняты без учёта экспоненциальной сетки Е12. На рисунке 8.4 изображена функциональная схема фильтра с учётом номинального рядя Е12.

Рисунок 8.4 - Функциональная схема фильтра с учётом номинального ряда Е12

В последнем пункте программа строит зависимость затухания от частоты с учётом рассчитанных элементов. Итоговый график зависимости затухания от частоты приведен на рисунке 8.5.

Рисунок 8.5 - Итоговый график зависимости затухания от частоты

На графике рисунка 8.5 представлены зависимость затухания от частоты при сопротивлениях подобранных по номинальному ряду Е12 - линия 2, линии 1 соответствуют расчётные значения.

Аналогичным образом производится расчёт всех остальных фильтров.

Для реализации перемножителей выбрана схема CD4066 - четыре CMOS двунаправленных переключателя. Особенности данной схемы приведены ниже:

15В цифровой или ±7,5 В синусоидальный сигнал переключения;

Типичное сопротивление в открытом состоянии при напряжении 15 В - 125Ом;

Сопротивление входа ключа при амплитуде сигнала 15В - 5 Ом;

Высокая степень линейности менее 0,5% искажений при f = 1кГц и напряжении 5В;

Низкий ток утечки в выключенном состоянии, очень низкий выходной ток и высокостабильное сопротивление в открытом состоянии, при напряжении питания 10В, Т=25 градусов Цельсия.

Низкие взаимные помехи между коммутаторами при f = 8 МГц.

Подробное описание схемы приведено в приложении E.

При построении функциональной схемы используются операционные усилители (ОУ) в схемах фильтров и интеграторов. Наиболее оптимальным вариантом будет выбор ОУ с низким уровнем шума, JFET- входами, типа TL074. Особенностями данной схемы являются:

Низкое потребление энергии;

Широкий диапазон синфазного и дифференцирующего напряжения;

Защита выходов от короткого замыкания;

Низкий коэффициент нелинейных искажений 0,003%;

Низкий входной ток и ток смещения;

Низкий уровень шума 18нВ/Гц при f = 1Гц;

Высокое входное сопротивление;

Внутренние частоты компенсации;

Высокая скорость нарастания выходного напряжения 13В/мс;

Подробное описание схемы приведено в приложении Ж.

Кварцевый резонатор типа РПК01 HC-49U-16-3АА, с частотой 16МГц, точностью настройки  Гц, диапазон температур от минус 10 до плюс 60 градусов Цельсия, устойчивость в интервале температур  Гц.

В качестве устройства для защиты от опасных и мешающих влияний выбран модуль грозозащиты MC04-MZ. Схема модуля грозозащиты и подробное описание модуля грозозащиты приведены в приложении И.

В качестве блока питания выбран AC/DC преобразователь мощностью 5Вт, в корпусе для монтажа на DIN-рейку типа DRA-05-05, производимый компанией CHINFA. Подробное описание преобразователя приведено в приложении К. Перечень элементов представлен в приложении Л. Функциональная схема первого варианта устройства приведена в приложении М.

9. Описание альтернативной модели устройства


В основе принципа работы альтернативного варианта приемника лежит принцип накопления фазы в цифровой обработке сигналов. Непосредственное вычисление значений функции синуса затруднено, так как закон, по которому она изменяется, не линеен, и непосредственно трудно реализуем. Намного проще вычислять мгновенные значения фазы (аргумент функции синуса), которая изменяется линейно, а затем преобразовывать ее в значения функции с помощью перекодировочной таблицы в ROM. Поскольку фаза изменяется линейно, ее вычисление сводится к прибавлению в каждом такте некоторой добавки к текущему значению фазы.

Этот метод синтеза называют методом накопления фазы. Схематически реализация этого метода показана в приложении Н.

Имеется регистр фазы RG2, содержимое которого в каждом такте увеличивается на величину приращения фазы. Величина приращения фазы хранится в регистре RG1. В каждом такте к содержимому регистра RG2 с помощью сумматора SM прибавляется содержимое регистра RG1. Таким образом, происходит линейное увеличение (накопление) мгновенной фазы. Увеличение фазы не может происходить неограниченно, так как любое реальное цифровое устройство имеет конечную разрядность и, соответственно, ограниченный диапазон представления чисел. Например, если накопитель фазы имеет разрядность 24 бита, то код фазы может принимать значения в диапазоне от 0 до . При формировании синусоидального сигнала имеет смысл вычислять фазу только в диапазоне от 0 до . За пределами этого диапазона синусоида периодически повторяется. Тогда частота сигнала f и шаг ее перестройки f соответственно равны:

 (9.1)

где а - частота дискретизации.

Такой принцип формирования синусоидального сигнала применяется в DDS (Direct Digital Synthesizer), например, AD7008 фирмы Analog Devices. Однако, микросхемы DDS относительно дороги. С появлением быстродействующих микроконтроллеров стало возможным реализовать всю цифровую часть такого генератора сигналов программно. При этом стоимость устройства, при вполне приемлемых параметрах, получается очень низкой.

Структурная схема устройства представлена в приложении П.

На структурной схеме представлены: входной полосно-пропускающий фильтр низких частот Ф, аналогово-цифровой преобразователь - АЦП, перемножитель цифровых сигналов П, генератор синусоидального сигнала Г, интегратор И, компаратор К, схема сброса СС, RS - триггер Т.

Принцип работы схемы заключается в следующем: полосо-пропускающим фильтром Ф, с полосой пропускания от 319 до 1524 Гц, из линии ДСН отфильтровывается узкая полоса спектра, содержащая несущие частоты генератора ЧДК, например 1523,6 Гц, а также вместе с несущими проходят вредные помехи, близкие к частотам несущих, в полосе отфильрованного спектра. Далее отфильтрованный сигнал поступает на вход АЦП. С АЦП на перемножитель приходит оцифрованный сигнал в виде отдельных отсчётов с частотой дискретизации = 16кГц. Частота дискретизации выбрана из расчёта загрузки центрального процессора, если выбрать частоту дискретизации более 16кГц, то процессор будет работать в критическом режиме и может понизится общее быстродействие, как следствие перегрев и выход процессора из строя. Подробнее операция перемножения сигналов отображена на рисунке 9.1.

Рисунок 9.1 - Операция перемножения сигналов

Далее сигнал поступает на интегратор, который выделяет необходимый сигнал, накапливая сумму в течение времени интегрирования. После окончания интегрирования интегратор обнуляется. Сигнал, полученный с интегратора сравнивается с пороговым значением посредству компаратора. После компаратора сигнал поступает на RS-триггер, который выдает информацию о наличии или отсутствии сигнала от перегонного генератора. С RS - триггера сигнал поступает на ЖКИ для наиболее удобного восприятия информации оператором. Для более наглядных иллюстраций преимуществ схемы, обратимся к математической модели. Математическая модель схемы описана с помощью математических формул, по которым построены графики сигналов. Схематический график набега фазы показан на рисунке 9.2.

Рисунок 9.2 - Схематический график набега фазы

Частоту дискретизации примем равной 16кГц. Расчёт будет проведен для максимальной частоты несущей генератора, то есть 1524,6 Гц. В памяти процессора задается таблица значений синуса на периоде от 0 до , с разрешением по фазе 90/1024 градуса.

Набег фазы в каждом отсчёте рассчитывается по формуле:

 (9.2)

где, - несущая частота генератора ЧДК,

- частота дискретизации.


Далее фаза пересчитывается в единицы таблицы LUT(т.е. расстояние между выборками в строках таблицы) по формуле:

 (9.3)


На рисунке 9.3 представлен график дискретизованного по времени входного сигнала.

Рисунок 9.3 - График дискретизованного по времени входного сигнала

Для примера, операции интегрирования взяты два сигнала. Чтобы смоделировать систему максимально приближенную к реальной, вводятся помехи другой частоты, отличные от несущей.

Полезный входной сигнал описывается следующей математической формулой:

 (9.4)

Сигнал помехи описывается следующей математической формулой:

 (9.5)

После перемножения полезного сигнала и помехи с синусоидальным генератором, производится интегрирование. Результат интегрирования изображен в приложении Р.

На графике линия 1 - полезный сигнал после стадии интегрирования, с частотой 1523,6 Гц, линия 2 - помеха после стадии интегрирования, с частотой 600 Гц, линия 3 - входной сигнал, линия 4 - помеха после стадии интегрирования, с частотой 1520 Гц.

Проанализировав данный рисунок, можно сделать вывод о том, что сигнал уверенно детектируется при наличии помех как на частотах гармоник фазового тока, так и на частотах близких к несущим генераторов ЧДК.

Алгоритм работы микроконтроллера для данной модели приведен в приложении Д.

Преимущества данной схемы состоит в том, что приемник не чувствителен к синхронизации фаз генератора и приемника. Фазовый сдвиг может быть как в положительную, так и в отрицательную сторону на обоих перемножителях что не повлияет на получаемый результат на выходе компаратора. Также схема соответствует параметрам, предъявляемым к приемникам ЧДК по допустимому отклонению частоты несущей. Схема имеет достаточно простую функциональную схему: устройство защиты от мешающих и опасных влияний, входной фильтр и центральный процессор. Несмотря на очевидную простоту схемы, она способна обрабатывать сразу все 16 частот одновременно. Так как большая часть схемы реализована программно, то присутствуют затраты на написание относительно сложной программы. Сложность заключается в большом количестве операций совершаемых над регистрами и памятью (запись/чтение). Чтобы упростить процесс программирования, а также общее быстродействие устройства необходимо заменить центральный процессор. Наиболее подходящим центральным процессором в данном случае будет однокристальный 16-ти разрядный микроконтроллер с 128 Кбайт внутриситемно-программируемой флэш-памятью, с 10-ти разрядным АЦП и CAN интерфейсом LPC 2119, производимый фирмой PHILIPS. Отличительные особенности данного микроконтроллера:

16 кбайт встроенного статического ОЗУ;

128Кбайт встроенной флэш-памяти программ. 128-разр. интерфейс/ускоритель позволяет работать на частоте 60 МГц;

Два 32-разрядных таймера (с 4 каналами захвата фронта и 4 каналами сравнения), блок ШИМ (6 выходов), часы реального времени и сторожевой таймер;

До 46 универсальных линий ввода-вывода (поддерживают 5В уровни). До 9 линий внешних прерываний, чувствительных к фронтам или логическим уровням;

Встроенный генератор с рабочим диапазоном 1…30МГц;

Используя данный микроконтроллер, становится возможным увеличить частоту дискретизации с 16 кГц(ATmega128) до 600 кГц, что в свою очередь увеличит точность детектирования полезного сигнала. Также данный процессор быстрее выполняет простые операции сравнения, чтения/записи данных. Более подробно данный микроконтроллер описан в приложении Т. Функциональная схема второго варианта приведена в приложении У.

10. Экономическое сравнение моделей устройства с действующими

Стоимость приемника ПДК на данный момент составляет 7297 рублей. Комплект приемников для станции, в количестве 16 шт., имеет стоимость 116752 руб.

Элементы, входящие в состав первой модели, и их стоимость приведены в таблице 10.1. Стоимость элементов взята из каталога компании «Чип и Дип».

Таблица 10.1 - Расчёт стоимости элементов схемы первой модели

Наименование

Количество

Стоимость, руб.

HC-U-163-A-A

1

19,0

TL074

1

15,5

CD4066B

1

23,0

ATMEGA128-16-64

1

360,0

74LS00

1

30,0

WH0802A-YG

1

230,0

MC04-MZ-1

1

480,0

RC1206

12

1,1

RC0805

2

1,1

3306F-1-102

1

32,0

CC1206

7

1,3

Стеклотекстолит фольгированный 1мм односторонний 100 х 100

1

30

Итого стоимость компонентов и платы

1244,0

Итого стоимость компонентов и платы для комплекта станционной аппаратуры (16 штук)

19904

Корпус G2058C 360x200x150

1

2920,0

DRA-05-05

1

698,0

Итого

23522,0


Вторая модель, отличается от первой, отсутствием таких элементов как CD4066B, двух конденсаторов и шести резисторов, а также для нее применен корпус типа G1168G 150x95x28,5, стоимостью 290 руб., что уменьшает стоимость второй модели на 21322,2 руб. Итоговая стоимость второй модели составляет 2199,8 руб. Если во второй модели заменить процессор Atmega128 процессором LPC2119, то стоимость модели уменьшится на 30 руб. и будет составлять 2169,8 руб. Для разработки управляющих программ обоих типов микроконтроллеров имеются бесплатные средства. Для Atmega128 бесплатная среда программирования MPLAB и AStrudio, для LPC среда программирования eclipse.

Вторая модель будет иметь большие затраты на программирование, в связи с более сложным алгоритмом работы.

11. Обеспечение требований безопасности труда при обслуживании станционного оборудования ЧДК

11.1 Характеристика возможных опасных и вредных производственных факторов при обслуживании станционного оборудования ЧДК

Опасные и вредные факторы подразделяют на физические, химические, биологические и психофизиолоические. Физические факторы - повышенные уровни шума и вибраций, электромагнитных и ионизирующих излучений, недостаточная освещенность, повышенный уровень статического электричества, повышенное значение напряжения в электрической сети и др.; химические - вещества и соединения, различные по агрегатному состоянию и обладающие токсическим, раздражающим, сенсибилизирующим, канцерогенным и мутагенным воздействием на организм человека и влияющие на его репродуктивную функцию; биологические - патогенные микроорганизмы (бактерии, вирусы и др.) и продукты их жизнедеятельности; психофизиологические - физические перегрузки (статические и динамические) и нервно-психические (умственное перенапряжение анализаторов, монотонность труда, эмоцинальные перегрузки).

К факторам, создающим дискомфортные условия и отрицательно влияющим на работоспособность человека, можно отнести повышенную или пониженную температуру воздуха, энергию излучения, иногда в сочетании с высокой влажностью и интенсивным движением воздуха. Патогенетическим механизмом, определяющим всю картину изменения состояния человека при указанных дискомфортных условиях, является изменение теплообмена и возникающее в связи с этим охлаждение или перегревание организма[8].

Освещение рабочих мест - один из наиболее важных факторов, от которого зависят показатели деятельности человека. Без рационального освещения не могут быть созданы оптимальные условия для общей работоспособности человека и эффективного функционирования его зрительной системы. Последнее обстоятельство приобретает особую значимость в тех случаях, когда зрительная система играет главную роль в деятельности человека. При плохом освещении она испытывает большие нагрузки, что может явиться источником ошибок.

Значительное влияние на работоспособность человека оказывает шум, который может вызвать функциональные изменения в организме и профессиональные поражения органов слуха. Вредное влияние шума существенно сказывается на реакции работающего человека. Ведет к ослаблению его внимания. Шум является одним из главных факторов утомляемости и может привести к снижению работоспособности человека, вызывая головные боли, утомление.

Если одновременно с шумом появляется вибрация, то вредное их влияние на организм человека усиливается. Вибрация с большой частотой и малой амплитудой оказывает наиболее неблагоприятное воздействие на человека.

В связи с внедрением автоматизированных систем управления рабочие места оснащаются видеотерминалами, которые добавили к существовавшим параметрам среды: рентгеновское, радиочастотное, видимое, инфракрасное и ультрафиолетовое излучения, а также электромагнитные и электростатические поля.

Электромагнитные и электростатические поля оказывают отрицательное воздействие на человека, вызывая головную боль, головокружение, повышенную утомляемость, боли в области сердца, раздражительность, ослабление памяти, расстройство сна.

Рентгеновское излучение оказывает аналогичное воздействие, кроме этого при длительном облучении может вызвать изменения в крови и кроветворных органах, а также злокачественные новообразования различных органов и тканей.

Исследования устройств визуального отображения типа телевизионных индикаторов, используемых в дисплеях, показали, что все виды излучений (в том числе инфракрасные и ультрафиолетовые) ниже максимально допустимого уровня. Однако в силу того, что пока не выяснены последствия их комплексного воздействия на человека, а такое воздействие наблюдается, что вызывает законную озабоченность зарубежных и отечественных ученых за состояние здоровья работающих с дисплеями, то до окончательного решения вопроса данные факторы рассматриваются как вредные для человека.

11.2 Анализ наличия опасных зон и эффективности действия технических средств, обеспечивающих безопасность при обслуживания оборудования


Опасные зоны - пространство, в пределах которого постоянно действуют или потенциально могут действовать опасные производственные факторы. К опасным производственным факторам на рабочих местах с поездных диспетчеров относятся следующие:

а)  пожарная опасность, обусловленная наличием на рабочем месте мощного источника энергии;

б)      высокое напряжение питающей сети, обуславливающее возможность поражения человека электрическим током;

в)      электромагнитные поля и статическое электричество.

В производственных процессах на предприятиях используется в основном электропитание от сети переменного тока напряжением 220 В частотой 50 Гц. Указанные параметры электрических сетей представляют значительную опасность для жизни и здоровья человека. Значительную опасность представляет и статическое электричество. Под ним понимается запас электрической энергии, образующейся на оборудовании в результате трения или индукционного влияния сильных электрических разрядов.

Источниками возможного поражения людей электрическим током на рабочих местах могут быть неисправности в сетях электроснабжения, в электрооборудовании машин и механизмов, незнание или несоблюдение правил электробезопасности.

Электробезопасность - система организационных, правовых и технических мер, обеспечивающих защиту работников от воздействия электрической дуги, электромагнитного поля и статического электричества. Предупреждение поражения человека электрическим током и профилактическая работа включают в себя следующие мероприятия:

применение малого напряжения. Малым напряжением (номинальным напряжением между фазами по отношению к земле) считают напряжение, не превышающее 50 В. Его применяют в целях уменьшения опасности поражения человека электрическим током. В устройстве используется несколько номиналов напряжений питания. Например входное напряжение 1,2 В, для шины питания 5 В и 12 В. Для повышения безопасности работы блок питания компьютера к которому может подключатся устройство имеет встроенную защиту от короткого замыкания, а шина питания устройства дополнительно защищена электронными стабилизаторами.

для защиты от случайного прикосновения человека к токоведущим частям электроустановок опасную зону ограждают. Ограждения выполняют в виде переносных щитов, стенок, экранов, располагаемых в непосредственной близости от опасного оборудования или открытых токоведущих шин. Устройство собрано в металлическом корпусе, который и является ограждающим устройством. Кроме того, устройство выполнено на печатной плате с покрытием полимерной порошковой краской, выполняющей защитные функции. Корпуса выполнены таким образом, что снятие или открывание возможно только лишь при помощи ключа или инструмента.

экранирование от электромагнитного излучения и статического электричества. Устройство является источником широкого спектра ЭМИ небольшой мощности, что обусловлено характером используемых сигналов. Напряженность ЭМП устройства намного ниже опасных пределов (ГОСТ 12.1.006-84). С целью выполнения норм электромагнитной совместимости корпус устройства экранирован изнутри прозрачным металлизированным пластиком. Кроме того, все неиспользованное пространство печатной платы занято шинами питания. Это уменьшает электромагнитное влияние соседних цепей друг на друга и их излучение.

изоляцию токоведущих частей. Для защиты от случайного прикосновения токоведущие части и детали электрооборудования изолируют. Электрическая изоляция - это слой диэлектрика, которым покрывают токоведущие части оборудования. Назначение электроизоляции заключается в том, чтобы предупредить возможность поражения человека электрическим током, появления коротких замыканий проводов и возникновения пожаров, а также чтобы уменьшить расходы электроэнергии на утечки тока. Для повышения надежности и электробезопасности оборудования используют двойную изоляцию, состоящую из рабочей и дополнительной. В некоторых ответственных электрических устройствах применяют усиленную изоляцию, обеспечивающую такую же степень защиты, как и защита двойной изоляцией. Сопротивление изоляции зависит от напряжения сети. В сетях с напряжением менее 1000 В оно должно быть не менее 0,5 МОм. Испытание изоляции производится не реже одного раза в три года с помощью специального прибора - мегомметра.

защитное заземление или зануление. Для защиты людей от поражения электрическим током при прикосновении к металлическим нетоковедущим частям, которые могут оказаться под напряжением в результате повреждения электроизоляции, используют заземление или зануление.

Заземление - преднамеренное электрическое соединение точки системы электроустановки или оборудования с заземляющим устройством. Защитное заземление - заземление частей электроустановки с целью обеспечения электробезопасности. Заземлению подлежат корпуса электрических машин и инструментов, осветительной арматуры, каркасы распределительных щитов и др.

Защитное заземление следует выполнять во всех случаях при номинальном напряжении переменного тока 380 В и выше и постоянного тока напряжением 440 В и выше. При выполнении работ в помещениях с повышенной опасностью, а также в особо опасных помещениях защитное заземление выполняют, начиная с малых напряжений. Заземлители - проводники, находящиеся в непосредственном соприкосновении с землей. Используются специально забиваемые вертикально в землю металлические стержни или трубы диаметром 25-50 мм и длиной 2-3 м; угловая сталь с толщиной полки не менее 4 мм и длиной до 3 м, металлические полосы размером 40мм или прутки, укладываемые горизонтально в земле на дно котлована по периметру фундаментов зданий. В качестве заземляющих проводников часто используют металлические конструкции зданий, металлические трубы водопроводов, свинцовые оболочки кабелей, имеющие контакт с землей. Их использование сокращает расходы на работы по устройству специальных заземлений.

В электроустановках напряжением до 1000 В сопротивление заземляющего устройства не должно превышать 4 Ом. В случае появления напряжения на корпусе электроустановки с защитным заземлением электрический ток пройдет по параллельной цепи защитного заземления, но не через тело человека. Ток, протекающий через тело человека, уже не представит большой опасности, так как сопротивление тела человека (1000 Ом) значительно больше, чем сопротивление заземления (4 Ом). На практике защитное заземление считается обеспечивающим электробезопасность, если напряжение прикосновения не будет превышать 40 В.

Зануление - это вид защиты, представляющий собой соединение металлических частей установки, не находящихся под напряжением, с заземленным в трансформаторном пункте нулевым проводом. Защитное зануление, приведено на рисунке 11.1, выполняют в электроустановках переменного тока до 1000 В. с заземленной нейтралью. Защитный эффект зануления заключается в срабатывании защитных аппаратов (предохранителей, автоматических выключателей) с малым собственным временем отключения, уменьшающих длительность замыкания на корпус, а следовательно, в сокращении времени воздействия электрического тока на человека.

Защитное отключение применяют в сетях как с изолированной, так и с заземленной нейтралью. Его используют как самостоятельную меру защиты, так и совместно с защитным заземлением или занулением. Работа устройства защитного отключения (УЗО) заключается в постоянном контроле некоторого входного параметра, определяющего электробезопасность, и сравнении его с нормативным. На приведенной функциональной схеме УЗО контролирует потенциал корпуса устройства относительно земли и отключает оборудование при его превышении порогового значения.

Рисунок 11.1 - Принципиальная схема зануления:

На рисунке 11.1 показаны 1 - электроустановка, 2 - нулевой защитный проводник, 3 - предохранители, 4 - повторное заземление.

Для работы в установках с изолированной нейтралью существует разновидность УЗО, контролирующая разность токов в фазных проводах и нейтрали. Провода трехфазной системы включают как первичную обмотку трансформатора тока с общим магнитопроводом. Утечка или замыкание одной из фаз на корпус приводит к нарушению симметрии трехфазной системы и появлению ЭДС на вторичной обмотке трансформатора, которая является управляющим сигналом на отключение установки[9]. Функциональная схема устройства защитного отключения приведена на рисунке 11.2.

Рисунок 11.2 - Функциональная схема устройства защитного отключения

На рисунке 11.2 показаны 1 - электроустановка, 2 - автоматический выключатель, 3 - реле.

При превышении нормативного значения параметра происходит отключение электроустановки от сети. Эффективность систем защитного отключения определяется их быстродействием, поскольку даже при очень малой длительности воздействия электрического тока на человека оно может оказаться смертельным. Для УЗО, работающих при напряжении до 600 В, безопасным считается время отключения 0,02 сек при токе срабатывания 30 мА.

организационные и правовые меры. К организационным мерам, обеспечивающим безопасность работы на электроустановках, относятся: профотбор персонала по обслуживанию электроустановок, оформление работы, допуск к работе, надзор во время работы, оформление перерыва в работе. Для предупреждения человека о возможной опасности, запрещении или предписании определенных действий, а также для информации о расположении объектов с опасными и (или) вредными для человека производственными факторами, устанавливают знаки безопасности (плакаты).

для устранения фактора пожарной опасности, обусловленная наличием на рабочем месте мощного источника энергии (блок питания к электрической сети), выполняются следующие меры:

) Наличие необходимых средств пожаротушения и оповещения, плана эвакуации на случай пожара.

Электроустановки напряжением до 1000 В разрешается тушить порошковыми или углекислотными огнетушителями (марки ОУ-5, ОП-1).

) Наличие необходимых для работы исправного инструмента и приспособлений.

) Наличие и исправность средств индивидуальной и коллективной защиты.

) Контроль исправности оборудования.

) контроль знаний.

11.3 Характеристика производственного процесса при обслуживании станционного оборудования ЧДК


Поездные диспетчера участков и узлов (операторы) не имеют контакта с источниками физических, химических и биологических факторов производственной опасности. Работа оператора очень напряженна из-за воздействия нервно-психических нагрузок. Такая перенапряженная работа приводит к преждевременному утомлению. Кроме того, данной операторской деятельности характерна работа в режиме ожидания. Находясь в состоянии оперативного покоя, оператор должен постоянно сохранять готовность к экстренным действиям. Это является одной из форм монотонии и приводит к быстрому утомлению.

Таким образом, при работе оператора мала вероятность несчастных случаев, но воздействие психофизиологических факторов производственной опасности, превышает нагрузки на нервную систему оператора. Нервное напряжение оператора обусловлено следующими факторами: уровнем напряжения внимания, степенью сложности производимых расчетов, напряжением слуха и зрения, степенью ответственности работы, уровнем опасности производимых работ. Частое и длительное нервное напряжение оператора может служить источником ряда заболеваний сердечно-сосудистой, нервной, зрительной и других систем организма.

Поэтому при организации труда операторов большое внимание следует уделять разработке и внедрению мероприятий, способствующих снижению нервно-психологического перенапряжения и уменьшению его вредного влияния. Для нормального режима работы оператора терминала можно рекомендовать проведение следующих мероприятий:

установление рационального режима труда и отдыха операторов;

организация отдыха операторов в процессе работы(через каждые 2 часа работы перерыв 15 минут);

соблюдение предельно допустимых норм деятельности оператора;

чередование форм деятельности в течение рабочего дня;

рациональное распределение функций между человеком и техническими устройствами;

соответствие психофизиологических качеств оператора характеру и сложности выполняемых работ (это соответствие достигается путем профессионального отбора, обучения и тренировок операторов).

Выполнение рассмотренных мероприятий позволяет ограничить величину нервно-психической нагрузки, которая может возникнуть в процессе труда. Однако полностью оградить человека от нервно-психического напряжения они не могут. Поэтому большое значение имеет проведение мероприятий, способствующих снятию уже возникшего напряжения (эмоционально-волевая и физическая тренировка, воздействие на биологически активные точки человека, создание комнат психологической разгрузки на предприятии и др.).

Оператор терминала является оператором-наблюдателем. Его состояние оптимальной работоспособности проявляется в степени внимания, с которым он следит за ходом изменения информации. Непрерывно наблюдая за показаниями терминала и еще нескольких устройств, оператор должен обнаружить те или иные отклонения от нормы. Потеря внимания ведет к пропуску аварийного сигнала.

Состояние внимания можно определить, как избирательную готовность мозга к определенным реакциям на строго определенные сигналы. Это состояние характеризуется:

торможением (блокированием) каналов поступающей в мозг сигнализации, за исключением того канала, по которому ожидаются или поступают наиболее значимые в данный момент сигналы;

повышением чувствительности анализатора значимых сигналов;

повышением готовности исполнительного аппарата к реакциям на эти сигналы, что проявляется в укороченном времени реакции на них.

Для уменьшения вероятности ошибки оператора все устройства, с которыми работает оператор, включая терминал, имеют не только визуальное отражение информации, но и звуковую сигнализацию изменения этой информации. Причем звуковая сигнализация различна для каждого устройства и случая ее возникновения. У оператора существует возможность отключить аварийную сигнализацию, если это необходимо по психологическим причинам или мешает работе операторам на других рабочих местах.

11.4 Эргономический анализ организации при обслуживании станционного оборудования ЧДК


Организация рабочего места, оптимального с точки зрения всестороннего учета требований человека, является творческим процессом проектирования и предполагает наряду со знанием технических дисциплин глубокие знания в эргономике. Рабочее место, хорошо приспособленное к человеку и его трудовой деятельности, правильно и целесообразно организованное в отношении пространства, формы и размера, обеспечивает ему удобное положение при работе и высокую производительность труда при наименьшем физическом и психологическом напряжении. Рабочее место влияет непосредственно на безопасность труда и сохранение здоровья, повышает культуру и эффективность труда.

При организации автоматизированного рабочего места диспетчеров должны соблюдаться следующие эргономические требования:

)обеспечены хорошие информационные, физические, зрительные и слуховые связи оператора с оборудованием, а также при необходимости с другими операторами;

)создано достаточное рабочее пространство для осуществления оператором всех необходимых движений и перемещений в процессе трудовой деятельности;

)оптимально размещены рабочие места в производственном помещении, а также предусмотрены проходы для работающих людей;

)создана надежная индикация отказов аппаратуры и ее питания;

)обеспечено наличие необходимых инструкций и предупредительных знаков;

)определены допустимые значения факторов рабочей среды (освещение, шум и др.);

)обеспечено предупреждение, а в необходимых случаях и снижение утомляемости и других неблагоприятных психофизиологических сдвигов в организме работающего[10].

При устройстве рабочего места следует иметь в виду зоны выполнения ручных операций, как показано на рисунке 11.3.

Разрабатываемое устройство достаточно расположить в зоне досягаемости, так как он является программно-управляемым и работающему с устройством не требуется частые манипуляции с его органами управления.

На рисунке С показаны а - оптимальная зона моторного поля, б - зона легкой досягаемости, в - зона досягаемости

Рисунок 11.3 - Зоны выполнения ручных операций

В случае, когда рабочее место организовывается вновь, необходимо предусмотреть все требования безопасности и эргономики, а также провести аттестацию нового рабочего места с получением сертификата установленного образца.

На рисунке 11.4 приведены соотношения размеров рабочего стола и стула при организации рабочего места, оборудованного ЭВМ.

Рисунок 11.4 - Соотношения размеров рабочего стола и стула

Определение оптимальных и допустимых значений факторов санитарно-гигиенических условий труда

В рабочей зоне производственного помещения согласно ГОСТ 12.1.005-88 могут быть установлены оптимальные и допустимые микроклиматические условия. Оптимальные микроклиматические условия - это такое сочетание параметров микроклимата, которое при длительном и систематическом воздействии на человека обеспечивает ощущение теплового комфорта и создает предпосылки для высокой работоспособности. Допустимые микроклиматические условия - это такие сочетания параметров микроклимата, которые при длительном воздействии на человека могут вызывать напряжение реакций терморегуляции и которые не выходят за пределы физиологических приспособительных возможностей. При этом не возникает нарушений в состоянии здоровья, не наблюдаются дискомфортные теплоощущения, ухудшающие самочувствие, и понижение работоспособности. Оптимальные параметры микроклимата в производственных помещениях обеспечиваются системами кондиционирования воздуха, а допустимые параметры - обычными системами вентиляции и отопления.

В данном случае, когда устройство представляет собой внешнее устройство подключаемое к персональному компьютеру, рабочее место сертифицировано по санитарным требованиям и характеризуется следующим образом:

искусственное освещение организовано в соответствии с санитарными нормами (300-500 люкс);

- в качестве источников света при искусственном освещении применяются люминесцентные лампы типа ЛБ и компактные люминесцентные лампы (КЛЛ);

коэффициент пульсации искусственных источников света не более 5%;

допустимый уровень шума 60 дБ;

- эффективная доза облучения природными источниками излучения всех работников, включая персонал, не должна превышать 5 мЗв в год. Комфортными считаются условия при температуре окружающей среды примерно 22-24 С°, влажности в пределах 40-60 % и скорости движения воздуха не более 0,1 м/с. Температура воздуха у поверхности, на которой находятся ступни ног, и на уровне головы не должна отличаться более чем на 5 С°, а максимальная температура на рабочем месте не должна превышать +29 С°, абсолютная влажность 10 г/м. Температура внутренних поверхностей конструкций, ограждающих рабочую зону (стен, пола, потолка и др.) или устройств (экранов и т.п.), а также температура наружных поверхностей технологического оборудования или ограждающих его устройств не должны выходить более чем на 2 С° за пределы оптимальных величин температур.

Напряженность электромагнитного поля на расстоянии 50 см вокруг видеотерминала по электрической составляющей должна быть не более: в диапазоне частот 5 Гц-2 кГц - 25 В/м; в диапазоне частот 2-400 кГц - 2,5 В/м .

Плотность магнитного потока на расстоянии 50 см вокруг видеотерминала составляющей должна быть не более: в диапазоне частот 5 Гц-2 кГц - 250 нТл; в диапазоне частот 2-400 кГц - 25 нТл .

Электростатический потенциал экрана должен быть не более 500В.

12. Определение трудоемкости выполнения разработки проекта


Экономика железнодорожного транспорта как наука исследует условия и разрабатывает практические рекомендации, при соблюдении которых обеспечивается полное и качественное (своевременное, надежное) удовлетворение потребностей производства и населения в перевозках грузов и пассажиров, а также продукции (работах, услугах) других видов деятельности (как основных, так и прочих) при наиболее экономичном использовании всех ресурсов самого железнодорожного транспорта и обеспечивающих его, внетранспортных отраслей производства.

Экономика железнодорожного транспорта в сотрудничестве с другими видами транспорта формирует теорию материальных потоков в общественном производстве России и ее регионов в едином экономическом пространстве со странами-стратегическими партнерами; разрабатывает методы учета транспортного фактора при размещении производительных сил; изучает миграционные процессы, чрезмерно усложняющиеся в последнее время; анализирует факторы роста или снижения уровня подвижности населения; разрабатывает рекомендации по улучшению в обновленных условиях экономико-географической структуры транспортных сетей и важнейшей составной части всего транспортного комплекса - железнодорожного магистрального и промышленного транспорта. Важнейшей задачей экономики железнодорожного транспорта как науки, равно как и экономики других видов транспорта общего и необщего пользования, является развитие в современных условиях теоретических основ изменения качества и методологии управления качеством и эффективностью транспортного производства, включая: эксплуатационную работу в грузовом и пассажирском движении, транспортную продукцию - перевозку грузов и пассажиров, транспортное обслуживание грузовладельцев и населения, транспортное обеспечение производства и населения страны в целом и ее отдельных регионов. Развитие и согласование в условиях рыночной экономики взаимоувязанных функций и методов управления качеством транспортного производства должно быть направлено на выявление и использование резервов улучшения качества и повышения эффективности транспортного производства, разработку методов экономической оценки и стимулирования (мотивации) повышения качества транспортного производства.

Экономика железнодорожного транспорта, исследуя наиболее рациональные принципы построения транспортных тарифов и договорных цен на перевозки, разрабатывает рекомендации по более полному отражению в них не только общественно необходимых, но и индивидуально необходимых затрат труда (ОНЗТ и ИНЗТ) продукции транспорта во внутренних и внешнеторговых перевозках грузов, по экономическому стимулированию с помощью тарифов более рационального размещения производства промышленной продукции на территории страны и в ее регионах, по оптимизации транспортно-экономических связей, улучшению качества и повышению эффективности перевозок и транспортного обслуживания грузовладельцев и пассажиров[11].

Для определения трудоемкости разработки проекта или можно сказать научно-исследовательской работы (НИР), прежде всего, составляется перечень всех основных этапов и видов работ, которые должны быть выполнены Форма распределения работ по этапам и должностям исполнителей приведена в таблице 12.1.

Трудоемкость выполнения НИР определяется по сумме трудоемкости этапов и видов работ. Для этого применяются оценки минимально возможной трудоемкости выполнения отдельных видов работ - ai, максимально возможной - bi, и наиболее вероятной - mi. По этим величинам оценивается ожидаемое значение трудоемкостей ti и их дисперсий Di:

                       (12.1)

Таблица 12.1 - Форма распределения работ по этапам и должностям исполнителей

Этап проведения НИР

Вид работ

Должность исполнителя

1

2

3

1. Выбор направления исследования

а. Сбор и изучение научно-технической литературы и материалов, относящихся к теме исследования.

Старший научный сотрудник, инженер без категории


б. Составление аналитического обзора состояния вопросов по теме.

Инженер без категории


в. Формулирование возможных направлений решения задач и их сравнительная оценка.

Старший научный сотрудник, инженер без категории


г. Выбор и обоснование принятого направления проведения исследований и способов решений поставленных задач.

Старший научный сотрудник, инженер без категории


д. Разработка общей методики проведения исследований.

Старший научный сотрудник


е. Составление промежуточного отчета и его рассмотрение.

Инженер без категории

2. Теоретические и экспериментальные исследования.

а. Выявление необходимости проведения экспериментов и опытов для подтверждения  отдельных положений теоретических исследований. Выезд  в полевые условия, для непосредственной проверки.

Инженер без категории


б. Разработка частных методик проведения экспериментальных исследований.

Инженер без категории


в. Проведение экспериментов, обработка полученных результатов.

Инженер без категории


г. Сопоставление результатов экспериментов с теоретическими исследованиями.

Инженер без категории


д. Корректировка теоретических моделей исследования.

Старший научный сотрудник, инженер без категории

3. Обобщение и оценка результатов

а. Обобщение результатов предыдущих этапов работы. Оценка полноты решения поставленных задач.

Инженер без категории


б. Разработка рекомендации по использованию НИР.

Инженер без категории


в. Составление и оформление отчета.

Инженер без категории

Экспертные оценки и расчетные величины трудоемкости и дисперсии приведены в таблице 12.2.

Таблица 12.2 - Экспертные оценки и расчетные величины трудоемкости и дисперсии

Вид работ

Оценка трудоемкости

Расчетные величины


аi

mi

bi

ti

Di

1

2

3

4

5

6

1-а

10,000

12,000

14,000

12,000

0,444

1-б

7,000

7,000

8,000

7,167

0,028

1-в

20,000

22,000

25,000

22,167

0,694

1-г

10,000

12,000

14,000

12,000

0,444

1-д

4,000

4,000

5,000

4,167

0,028

1-е

5,000

6,000

7,000

6,000

0,111

2.а

3,000

4,000

4,000

3,833

0,028

2.б

6,000

8,000

12,000

8,333

1,000

2.в

15,000

18,000

21,000

18,000

1,000

2.г

2,000

3,000

3,000

2,833

0,028

2.д

13,000

16,000

19,000

16,000

1,000

3.а

7,000

7,000

9,000

7,333

0,111

3.б

2,000

2,000

3,000

2,167

0,028

3.в

8,000

9,000

10,000

9,000

0,111

Итого

112,000

129,000

154,000

131,000

5,055


Продолжительность каждой работы tп определяется по формуле, дн.:

 ,                                     (12.2)

где ti - трудоемкость работ, чел.-дн.;

Чi - численность исполнителей, чел.

Наименования видов работ, должности исполнителей, трудоемкость, численность исполнителей и длительность выполнения каждого вида работ приведены в таблице 12.3.

Таблица 12.3 - Наименования видов работ, должности исполнителей, трудоемкость, численность исполнителей и длительность выполнения каждого вида работ

Виды работ

Должности исполнителей

ti, чел.дн.

Чi, чел.

tп, дн.

1-а

Старший научный сотрудник, инженер без категории

12,000

2,000

6,000

1-б

Инженер без категории

7,167

1,000

1-в

Старший научный сотрудник, инженер без категории

22,167

2,000

11,000

1-г

Старший научный сотрудник, инженер без категории

12,000

2,000

6,000

1-д

Старший научный сотрудник

4,167

1,000

4,000

1-е

Инженер без категории

6,000

1,000

6,000

2.а

Инженер без категории

3,833

1,000

4,000

2.б

Инженер без категории

8,333

1,000

8,000

2.в

Инженер без категории

18,000

1,000

18,000

2.г

Инженер без категории

2,833

1,000

3,000

2.д

Старший научный сотрудник, инженер без категории

16,000

2,000

8,000

3.а

Инженер без категории

7,333

1,000

7,000

3.б

Инженер без категории

2,167

1,000

2,000

3.в

Инженер без категории

9,000

1,000

9,000

Общая трудоемкость и длительность проведения НИР

131,000


99,000


12.1 Затраты на оплату труда


Для определения затрат на основную заработную плату рассчитали трудоемкость всех видов работ: исследовательских, проектных, конструкторских, связанных с изготовлением и наладкой устройства. Расчет трудоемкости произвели отдельно для каждого вида работ и по исполнителям с учетом условий производства.

В зависимости от масштабов работ трудоемкость измеряется в человеко-месяцах, человеко-днях, человеко-часах (нормо-часах).

Расчет трудоемкости производится отдельно для каждого вида работ с учетом условий производства работ. Чтобы перевести трудоемкость из человеко-дней в человеко-месяцы, необходимо разделить эту величину на число рабочих дней в месяце, по формуле (12.3):

Т = Тчел.дни / 20,8,  (12.3)

где 20,8 - среднее количество рабочих дней в месяце.

С учетом этого получим:

Тснс.. = 1,7 чел.мес.;

Тинж. = 4,5 чел.мес.

Кроме оплаты по тарифу в фонд основной заработной платы включаются премии производственным категориям.

Примем, что должностной оклад старшего научного сотрудника равен 10000 р., а инженера без категории 4000 р. Рассчитаем величину премии старшему научному сотруднику ПСНС по формуле (12.4), если известно, что она составляет 20 % от должностного оклада:

, (12.4)

Пснс.=10000 · 0,2 = 2000 р.

Величина премии инженера (Пинж.) также составляет 20 % от его должностного оклада:

, (12.5)

Пинж.= 4000 · 0,2 = 800 р.

Районный коэффициент к должностному окладу с учетом премий для района Западной Сибири (Кемеровская область) составляет 30%.

Величина надбавки для старшего научного сотрудника (Dснс.) будет составлять р.:

; (12.6)

Dснс.= (10000 + 2000) · 0,3 =3600 р.

Величина надбавки для инженера (Dинж.):

; (12.7)

Dинж.= (4000 + 800) ·0,3 = 1440 р.

Месячный фонд заработной платы определяется как сумма должностного оклада, премии и надбавки по районному коэффициенту. Для старшего научного сотрудника месячный фонд заработной платы будет составлять:

; (12.8)

Фснс.= 10000 + 2000 + 3600 = 15600 р.

Аналогичным образом месячный фонд заработной платы инженера (Финж.) будет составлять:

; (12.9)

Финж. =4000 + 800 +1440 = 6240 р.

Фонд заработной платы (ФЗП) определяем следующим образом:

ФЗП = Фснс. · Тснс. + Финж.· Тинж.; (12.10)

ФЗП = 15600 · 1,7 + 6240 · 4,5 = 54600 р.

Полученные результаты расчета сведены в таблицу 12.4.

Таблица 12.4 - Расчет заработной платы

Категория работника

Трудоемкость

Должностной оклад, р.

Премия, р.

Надбавки по районному коэффициенту

Месячный ФЗП, р.

ФЗП на весь объем работ, р.


Человеко-дней

Человеко-месяцев






СНС

36

1,7

10000

2000

3600

15600

26520

Инженер

104

4,5

4000

800

1440

6240

28080

Итого

 54600

 

Таким образом, сумма основной заработной платы составила, р.: Сосн.зп. = 54600р.

Дополнительная заработная плата устанавливается в процентном отношении к основной. Она зависит от удельного веса отпускного времени, и времени выполнения государственных обязанностей:

 %, (12.11)

где 305 - количество рабочих дней в году при шестидневной рабочей неделе;

  - средняя продолжительность очередного отпуска и времени выполнения государственных обязанностей, равная 25.

 %.

Величина дополнительной заработной платы  рассчитывается, как произведение величины основной заработной платы на полученный коэффициент дополнительной по формуле (12.12), р.:

; (12.12)

С доп. зп. = 54600 · 8,9 % / 100 % = 4859,4 р.

Величина фонда оплаты труда  рассчитывается как сумма основной и дополнительной заработной платы по формуле (12.13), р.:

; (12.13)

ФОТ = 4859,4 + 54600 = 59459,4 р.

Отчисления на социальные нужды принимаются в размере 26,7% от общего фонда заработной платы:

; (12.14)

Ссн. = 0,267 · 59459,4 = 15875,6р.

Вывод: при определении трудоемкости выполнения проекта были рассчитаны затраты на оплату труда. Таким образом, сумма основной заработной платы составила, р.: Сосн.зп. = 54600р., величина дополнительной заработной платы составила С доп. зп.=4859,4 р. В свою очередь величина фонда оплаты труда составляет 59459,4р. Отчисления на социальные нужды составляют 26,7% от ФОТ и равны 15875,6.

Заключение


Целью данного дипломного проекта являлась разработка станционной аппаратуры, а конкретно приемника ЧДК, на современной элементной базе. По ходу выполнения цели проектирования подробно рассмотрены вопросы, проектирования устройств на 8-разрядных микроконтроллерах AVR, фирмы «Atmel», само понятием микроконтроллера, с текущим представлением о процессе взаимодействия микроконтроллера с устройствами ввода и вывода информации, с тем, какие средства (программные и аппаратные) используются в процессе программирования микроконтроллера.

   На основе выдвинутых требований в проекте рассмотрены две разработанные схемы приемника. Первая схема, спроектирована исходя из базовых требований к приемнику, представляет собой простое, относительно недорогое и эффективное решение максимально. Данная схема является переработкой типовой, используемой на данный момент и является ее модификацией, с успешным устранением некоторых ее недостатков. Также в проекте приводится расчет частот на основе загружаемых в память констант и, приведено обоснование выбора элементной базы.

Вторая спроектированная схема представляет собой, функционально и конструктивно более совершенный, чем первая схема, приемник. Основным элементом данной схемы является микроконтроллер. Использование микроконтроллера позволило эффективно реализовать многие технические предложения на программном уровне, без дополнительных аппаратурных затрат.

В рамках данного проекта, были разработаны принципиальные электрические схемы всех узлов схемы приемника на микроконтроллере, алгоритмы работы микроконтроллера, для программирования микроконтроллера

Рассмотрены экономические вопросы, связанные с расчётом заработной платы разработчика. Была рассчитана стоимость схемы приемника, при различном схемном и программном исполнении.

В заключение к дипломному проекту можно сделать вывод о том, что разработка аппаратуры на новой элементной базе даёт вторую жизнь проверенным и доказавшим свою надёжность системам.

Список использованных источников


1. Казаков, А.А. Автоматизированные системы управления движением поездов / А.А. Казаков, В.Д. Бубнов, Е.А Казаков. М.: Транспорт. 1995. 321с.

. Сороко, В.И. Аппаратура железнодорожной автоматики телемеханики: справочник в 2 ч. Ч.2. / В.И. Сороко, Б.А. Разумовский. М.: Транспорт. 1981. 354 с.

. Шариков, В.А. Частотный диспетчерский контроль / В.А. Шариков, И.И. Эбель М.: Транспорт. 1969. 185 с.

. Евстифеев, А.В. Микроконтроллеры AVR семейств Tiny и Mega фирмы ATMEL / А.В. Евстифеев. М.: Додэка-XXI. 2007. 594 с.

. Трамперт, В. Измерение, управление и регулирование с помощью AVR-микроконтроллеров / В. Трамперт. Киев.: МК-Пресс. 2006. 200 с.

. Белов, А.В. Конструирование устройств на микроконтроллерах. / А.В. Белов. СПб.: Наука и техника. 2005. 256с.

. Баранов, В.Н. Применение микроконтроллеров AVR: схемы, алгоритмы, программы. / В.Н. Баранов. М.: Додэка-XXI. 2004. 288 с.

. Белов, С.В. Безопасность жизнедеятельности. Учебник для вузов / С.В. Белов, А.В. Ильницкая, А.Ф. Козьяков. М.: Высшая школа, 2007. 616с.

. Ликин, В.Л. Безопасность технологических и процессов производств (охрана труда). Учебное пособие для вузов. / В.Л. Ликин, Н.Л. Понаморев. М.: Высшая школа, 2004. 319с.

. Клочкова, Е.А. Охрана труда на железнодорожном транспорте. Учебник для техникумов и колледжей ж.-д. трансп. / Е.А. Клочкова. М.: Маршрут. 2004. 412 с.

. Трёшина, Н.П. Экономика железнодорожного транспорта. Учебник для вузов ж.-д. транспорта / Под ред. Н.П. Терёшиной, Б.М. Лапидуса, М.Ф. Трихункова. М.: Маршрут. 2006. 801 с.

Приложение А

Рисунок А.1 - Функциональная схема ЧДК промежуточной станции двухпутного участка

Приложение Б

Рисунок Б.1 - График зависимости Δƒ(ƒ) для таймера Т2

Линиям 2, 3 и 4 графика соответствуют получаемые погрешности при записи констант в 16 разрядный таймер соответственно при частотах 16, 8 и 4 МГц, линиям 1 и 5 соответствуют границы допустимого отклонения частоты приемников ПДК1-1, ПДК1-2 и ПДК2-2.

Приложение В

Рисунок В.1 - Структурная схема первого варианта устройства

Приложение Г

Рисунок Г.1 - Сигналы на выходе двухвходового сумматора при различных частотах несущей ЧДК

Приложение Д

Рисунок Д.1-Алгоритм работы процессора при первом варианте устройства

Приложение Е

Подробное описание СD4066B


Приложение Ж

Подробное описание TL074


Приложение И

Модуль грозозащиты MC04-MZ

Модуль грозозащиты MC04-MZ предназначен для защиты линейных стыков цифровых систем передачи MC04-DSL от перенапряжений и избыточных (опасных) токов, вызванных грозовыми разрядами и влияниями высоковольтных ЛЭП. Модуль обеспечивает защиту как станционного оборудования (модемов) так и линейного оборудования(регенераторов). Схема выполнена в соответствии с рекомендациями компании Infineon, разработчика и производителя линейных DSL приемопередатчиков. В схеме используются компоненты защиты лидирующих в этой области компаний: Raychem, Citel, Teccor. Защитные параметры компонентов этих компаний строго нормированы и подтверждены многолетней практикой эксплуатации. Первая ступень защиты реализована в виде газоразрядника, вторая ступень защиты включает высокоскоростной тиристорный ограничитель напряжения (sibar) и самовосстанавливающийся предохранитель (polyswitch). В модуле размещены два канала, обозначенных как А и В и предназначенных для защиты двух линейных стыков оборудования. Устройство модуля. Схема модуля грозозащиты приведена на рисунке. Схема выполнена в соответствии с рекомендациями компании Infineon, разработчика и производителя линейных DSL-приемопередатчиков. В схеме используются компоненты защиты лидирующих в этой области компаний Raychem, Citel, Teccor. Защитные параметры компонентов этих компаний строго нормированы и подтверждены многолетней практикой эксплуатации. Первая ступень защиты реализована в виде газоразрядника, вторая ступень защиты включает высокоскоростной тиристорный ограничитель напряжения (sibar) и самовосстанавливающийся предохранитель (polyswitch). В модуле размещены два канала, обозначенных как А и В и предназначенных для защиты двух линейных стыков оборудования. Модуль выполнен в пластмассовом корпусе. Все радиоэлементы и проводники печатной платы покрыты влагостойким лаком. Ввод линейных проводов и заземления в модуль осуществляется с помощью винтовых клеммников. Модуль может устанавливаться в зданиях и сооружениях, включая не отапливаемые помещения, в колодцах, боксах и пр.

Основные характеристики модуля.

напряжение срабатывания разрядника: - статическое 400 В +/- 20% ;

динамическое при скорости нарастания 100 В/мкс 700 B;

динамическое при скорости нарастания 1000 В/мкс 850 B;

максимальный импульсный (8*20 мкс) ток газоразрядника 10 кА;

напряжение срабатывания тиристорного ограничителя 400 B;

максимальный импульсный (10*700 мкс) ток тиристорного ограничителя 150 А;

допустимый рабочий ток 160 mA;

статический ток срабатывания предохранителя 320 мА;

вносимое сопротивление в каждую жилу 4…7 Ом;

габаритные размеры модуля 50*50*25 мм;

Условия эксплуатации: Температура от минус 45 до относительная влажность воздуха до 95% при температуре 30°C. Схема модуля приведена на рисунке И.1.

Рисунок И.1 - Схема модуля грозозащиты MC04-MZ

Подключение модуля. Для защиты двухпарного модема и однопарного регенератора устанавливается один модуль защиты, для защиты двухпарного регенератора устанавливаются два модуля защиты. Модуль включается в разрыв между линейным кабелем и линейными стыками защищаемого оборудования. К клеммам Линия А и Линия В модуля подключаются витые пары проводов, вторые концы которых коммутируются к окончаниям (клеммным гнездам) линейного кабеля. К клеммам Оборудование А и Оборудование В подключаются линейные стыки защищаемого оборудования. При монтаже защиты регенератора MC04-1/2B с целью упрощения монтажных работ модуль защиты рекомендуется врезать в разрыв линейного шнура регенератора. Для этого следует разрезать шнур регенератора на две части. Штыревые окончания (”бананы”) первой части шнура подключить к клеммным гнездам линейного кабеля, а концы витых пар - к клеммам Линия А и Линия В модуля. Концы витых пар второй части шнура (с круглым разъемом на регенераторе) подключаются к клеммам Оборудование А и Оборудование В. Модуль должен быть надежно заземлен. Для заземления следует использовать два провода сечением не менее 1 мм, подключаемых к двум клеммам заземления модуля.

Приложение К

Описание AC/DC преобразователя типа DRA05 -05

Приложение Л

Перечень элементов


Приложение М

Функциональная схема устройства первого варианта

Рисунок М.1, лист 1

Рисунок М.1, лист 2

Приложение Н

Рисунок Н.1 - Схема накопления фазы

Приложение П

Рисунок П.1 - Структурная схема второго варианта устройства

Приложение Р

Интегрирование полезного сигнала и помехи

Рисунок Р.1 - График сигналов на выходе двухвходового сумматора

Линия 1 - полезный сигнал после стадии интегрирования с частотой 1523,6 Гц, линия 2 - помеха после стадии интегрирования с частотой 600 Гц, линия 3 - входной сигнал, линия 4 - помеха после стадии интегрирования с частотой 1520 Гц.

Приложение С

Алгоритм работы процессора второго варианта устройства

Приложение Т

Микроконтроллер LPC 2119



Приложение У

Функциональная схема второго варианта устройства

Рисунок У.1, лист 1

Рисунок У.1, лист 2

Похожие работы на - Разработка устройства для приема информации с сигнальных точек системы частотно-диспетчерского контроля

 

Не нашли материал для своей работы?
Поможем написать уникальную работу
Без плагиата!
Без нейросетей!