Разработка принципиальной электрической схемы АМ радиопередатчика и расчет ВЧ генератора на лампе
ГБОУ СПО
Колледж автоматизации и радиоэлектроники №27
имени П.М.
Вострухина
Курсовой
проект
по
радиопередающим устройствам
на
тему: «Разработка принципиальной электрической схемы АМ радиопередатчика и
расчет ВЧ генератора на лампе»
Москва 2012
г.
Содержание.
. Введение
. Разработка структурной схемы
радиопередатчика
. Определение элементной базы
. Описание принципиальной схемы
радиопередатчика
. Электрический расчет
. Расчет потребляемой мощности
радиопередатчика
. Охрана труда и техника
безопасности
. Использованная литература
1. Введение
Радиопередающими называют устройства,
предназначенные для выполнения двух основных функций - генерации
электромагнитных колебаний высокой частоты или сверхвысокой частоты и их
модуляции в соответствии с передаваемым сообщением. Радиопередающие устройства
входят в состав радиокомплексов, содержащих, кроме того, антенны, радиоприёмные
и различные вспомогательные устройства. При проектировании задают параметры,
которым должен удовлетворять радиопередатчик. Основными из них являются
выходная мощность на рабочей частоте или в диапазоне частот; относительная
нестабильность частоты; вид и параметры модуляции.
Функционально радиопередатчик состоит из
следующих частей:
задающий генератор;
модулятор (аналоговый или с применением
векторной модуляции);
предварительного, предоконечного и оконечного
усилителей;
цепей согласования, фильтров, систем защит от
аварийных режимов работы, измерения параметров и индикации.
Упрощенная структурная схема радиопередатчика .
Представлена следующими каскадами: микрофон,
усилитель низкой частоты, модулятор, генератор высоких частот, усилитель
высоких частот и антенна.
Рис.1. Упрощенная структурная схема передатчика.
В состав радиопередатчика входят:
.Автогенератор с кварцевой стабилизацией.
.Предварительный усилитель высокой (радио)
частоты.
.Усилитель мощности
.Амплитудный модулятор.
.Антенна.
В технологическом плане радиопередающие
устройства представляют собой сборки интегральных микросхем, транзисторов,
диодов, электровакуумных приборов, конденсаторов, трансформаторов и множества
иных элементов, соединенных между собой согласно определенной электрической
схеме. Радиопередатчики служат для передачи информации в рамках определенной
радиоэлектронной системы. К их числу относятся следующие системы: звукового и
телевизионного радиовещания; радиосвязи с помощью наземных средств, в частности
сотовая радиосвязь;
глобальные космические радиосвязи,
телевизионного радиовещания и радионавигации; радиоуправления и
радиотелеметрического контроля разнообразными объектами; радиолокационные,
дальнего и ближнего радиуса действия.
В зависимости от назначения радиоэлектронной
системы применяют тот или иной тип радиопередатчика: ламповый или
полупроводниковый, ВЧ или СВЧ диапазона, небольшой или повышенной мощности,
работающий в непрерывном или импульсном режиме.
Рис.2. Радиопередатчик ENC ES 2012C(предназначен
для передачи цветного изображение и звука на расстояние до 1500 метров в зоне
прямой видимости.)
Изучение работы радиопередающих устройств
осуществляется по двум основным направлениям: рассмотрение отдельных каскадов и
блоков, из которых состоит радиопередатчик, и рассмотрение работы всего
устройства в целом.
Радиопередатчики используются совместно с
питающим устройством и радиоприемником. Этот комплекс целиком называется
радиостанцией.
Радиопередатчики в качестве самостоятельных
единиц используются в областях, где необходимо определение местоположения
объектов, наличие навигационных радиомаяков, многопозиционная радиолокация.
Основные этапы развития радиопередатчиков.
Опыты Г. Герца по излучению электромагнитных
волн. Радиопередатчик А. С. Попова.
У истоков радио стоят два человека: русский
ученый Александр Степанович Попов (1859-1906) и итальянский изобретатель
Гульельмо Маркони (1874-1937). Но кто из них все же первым передал на
расстояние информацию с помощью электромагнитных волн, распространяющихся в
свободном пространстве, или, как было принято говорить, с помощью
беспроволочного телеграфа? Прежде чем ответить на этот вопрос, несколько слов о
предшественниках двух великих изобретателей.
Рис.3. Внешний вид радиопередатчика А.С. Попова
(1897 год).
В 1873 г. английский ученый Джеймс Клерк
Максвелл опубликовал работу «Трактат по электричеству и магнетизму». Как
следствие, из составленных им уравнений,
следовал вывод о возможности распространения
электромагнитных волн в свободном пространстве со скоростью света.
Но полученному теоретическим путем открытию мало
кто поверил, даже известные в ту пору физики. Однако спустя 15 лет немецкий
ученый Генрих Рудольф Герц экспериментальным путем доказал справедливость
теории Максвелла. Сущность опытов Герца состояла в следующем. К двум латунным
стержням с малым зазором межу ними подключалась индукционная катушка, создающая
высокое напряжение. Когда это напряжение превышало напряжение пробоя, в зазоре
проскакивала искра, и происходило возбуждение электромагнитных колебаний с
длиной волны X, равной примерно 2L.Излученные колебания регистрировались на
расстоянии в несколько десятков метров, что неопровержимо доказывало
распространение электромагнитных волн. Герцем была получена минимальная длина
волны X = 60 см, или частотой /= = 500 МГц, при L = 26 см.В дальнейшем
устройство, получило название осциллятор Герца В современном представлении этот
осциллятор есть открытый колебательный контур, в котором при возбуждении его
искровым способом возникают затухающие колебания, излучаемые в пространство.
Осциллятор Герца является прототипом современного полуволнового вибратора,
используемого в качестве простейшей антенны.
На заседании того же общества 24 марта 1896 г.
А. С. Попов помимо радиоприемника продемонстрировал и созданный им искровой
радиопередатчик, передав из одного здания в другое азбукой Морзе первую в мире
радиотелеграмму.
В радиопередатчике Попова присутствовали все
необходимые элементы, обеспечивающие выполнение выше названных функций,
свойственных радиопередающим устройствам.
Генерация в схеме осуществлялась преобразованием
энергии источника постоянного тока в энергию ВЧ колебаний с помощью
прерывателя, антенного контура и искрового разрядника, модуляция - с помощью
ключа, излучение - посредством штыревой антенны.
Радиопередатчики получили широкое применение в
системах, отвечающих за охрану и пожарную безопасность. Действие
радиопередатчиков основано на распространении электромагнитных волн. Первые
радиопередатчики, естественно, имели наиболее простую конструкцию, тем не
менее, информация все же передавалась в виде кодированной дискретной
последовательности. Но в тот момент существовала проблема: использование
нескольких радиопередатчиков на одной площади было невозможно, так как
возникала интерференция волн.
Радиопередатчики, создаваемые сегодня, безусловно,
отличаются от тех, которые использовались в 19 веке.
Рис.4.PROTECT 1206 (Обнаружитель цифровых
протоколов и передатчиков)
Они стали более функциональными, компактными,
теперь для их работы требуется гораздо меньше мощности ико всему прочему, они
стали более доступными в цене.
Схема радиопередатчиков, выпускаемых в настоящее
время, состоит из задающего генератора частоты, модулирующего устройства,
изменяющего параметры излучаемой волны в соответствии с сигналом, который
необходимо передать, оконечного усилительного каскада,
устройства сопряжения с антенной и
непосредственно антенны. Радиопередатчики, выпускаемые сегодня, изготавливаются
исключительно по последним технологиям с использованием качественных микросхем,
что позволяет продлить срок их службы, а главное, сделать их удобными в
эксплуатации, обслуживании и ремонте.
Каскады и блоки радиопередающих устройств.
Радиопередатчик представляет собой сборку из
отдельных каскадов и блоков, каждый из которых функционирует и самостоятельно,
и в сочетании с другими частями всего устройства. Поэтому рассмотрим, какие
каскады и блоки могут входить в радиопередатчик и в чем состоит их назначение.
К числу каскадов относятся:
автогенератор, или генератор с самовозбуждением,
- источник ВЧ или СВЧ колебаний. В зависимости от метода стабилизации частоты
различают кварцевые и бескварцевые автогенераторы;
умножитель частоты, служащий для умножения
частоты колебаний;
преобразователь частоты, предназначенный для
смещения частоты колебаний на требуемую величину;
делитель частоты, служащий для деления частоты
колебаний;
частотный модулятор, осуществляющий частотную
модуляцию;
согласующее устройство, предназначенное для
согласования выходного сопротивления радиопередатчика с входным сопротивлением
антенны;
аттенюатор служащий для регулирования мощности
сигнала;
балластные сопротивления, в которых происходит
рассеивание мощности;
амплитудный модулятор, служащий для
осуществления амплитудной модуляции;
импульсный модулятор, предназначенный для
осуществления импульсной модуляции.
Схема состоит из следующих элементов:
Микрофона;
Модулятора (усилитель);
Автогенератор а (емкостнаятрехточка);
x2f3Г
(умножитель);
УС1, УС2 (усилитель сигналов);
Фильтра (низких частот, П-образный);
Предварительного каскада;
Оконечного каскада;
Выходного контура;
Антенны.
Рис.5. Структурная схема ЧМ радиопередатчика
Сигнал с микрофона поступает на
усилитель-модулятор. Автогенератор (АГ) в данной схеме построен на емкостной
трехточке. Автогенератор вырабатывает колебания с частотой 10 МГц. В схеме
выполняется частотная модуляция (ЧМ). На выходе автогенератора образуется
частотно-модулированный сигнал. Сигнал усиливается и через фильтр низких частот
(ФНЧ) поступает на второй усилитель. Далее сигнал аналогично проходит через два
вторых каскада - усилитель сигналов и фильтр НЧ. После предварительного
каскада, где увеличивается напряжение звуковой частоты до значения,
необходимого для работы транзистора выходного каскада сигнал поступает на
оконечный каскад (выходной) для повышения мощности колебаний звуковой частоты
до уровня,необходимого для работы динамической головки.
) Микрофон - электроакустический прибор,
преобразовывающий звуковые колебания в колебания электрического тока. Служит
первичным звеном в цепочке звукозаписывающего тракта или звукоусиления.
Микрофоны используются во многих устройствах, таких как телефоны и магнитофоны,
в звукозаписи и видеозаписи, на радио и телевидении, длярадиосвязи, а также для
ультразвукового контроля и измерения.
Рис.6. Внешний вид микрофона
Принцип работы микрофона заключается в том, что
давление звуковых колебаний воздуха, воды или твердого вещества действует на
тонкую мембрану микрофона. В свою очередь, колебания мембраны возбуждают
электрические колебания; в зависимости от типа микрофона для этого используются
явление электромагнитной индукции, изменение ёмкости конденсаторов или
пьезоэлектрический эффект.Большое влияние на характеристики микрофона оказывает
его механико-электрическая часть.
) Модулятор - Устройство, осуществляющее
модуляцию - управление параметрами высокочастотного электромагнитного
переносчика информации в соответствии с электрическими сигналами передаваемого
сообщения. М. является составной частью главным образом передающих устройств
электросвязи и радиовещания. Переносчиком информации обычно служат
гармонические колебания или волны. В зависимости от того, какой параметр
гармонических колебаний или волн изменяется, различают амплитудную, частотную,
фазовую или смешанную (например, при однополосной передаче) модуляцию
колебаний.
Рис.7. Внешний вид модулятора ТВ сигналов MD105
)Автогенератор - электрический генератор с
самовозбуждением.
Он вырабатывает электрические (электромагнитные)
колебания, поддерживающиеся подачей по цепи положительной обратной связи части
переменного напряжения с выхода автогенератора на его вход. Это будет
обеспечено тогда, когда нарастание колебательной энергии будет превосходить
потери (когда петлевой коэффициент усиления больше 1). При этом амплитуда
начальных колебаний будет нарастать.Существует 2 режима работы автогенератора:
мягкий и жесткий режимы. Мягкий режим характеризуется безусловным быстрым
установлением стационарного режима при включении автогенератора. Жесткий режим
требует дополнительных условий для установления колебаний: либо большой
величины коэффициента обратной связи, либо дополнительного внешнего воздействия
(накачки).
Емкостная трехточка. Схема емкостная трехточка
применяется в диапазоне частот от единиц килогерц до 30 МГц. К достоинствам
схемы относятся простота, отсутствие паразитных колебаний, простота регулировки
и наладки.
Схема удобна в конструктивном отношении, так как
в катушке контура не требуется отвода. Емкостная трехточечная схема кварцевого
генератора с кварцевым резонатором между коллектором и базой в схеме включения
транзистора с заземленным коллектором.В качестве активного элемента в ЗГ можно
использовать транзистор КТ 315Б малой мощности и высокой частоты, так как необходимо
получить большую частоту, для последующего усиления и модулирования сигнала, а
также его передачи. Многие специалисты в области кварцевых генераторов считают
схему емкостной трехточки наилучшей.
)Умножитель частоты - электронное (реже
электромагнитное) устройство, предназначенное для увеличения в целое число раз
частоты подводимых к нему периодических электрических колебаний. В составе
радиопередатчика располагаются перед усилителями мощности ВЧ или СВЧ колебаний,
повышая в требуемое число раз частоту сигнала возбудителя. Характерной
особенностью умножителей частоты является постоянство N при изменении (в
некоторой конечной области) частоты входного сигнала, а также параметров самого
умножителя (например, резонансных частот колебательных контуров или
резонаторов, входящих в состав умножителя частоты), т.е. в умножителе частоты
относительная нестабильность частоты колебаний при умножении остается
постоянной. Это важное свойство позволяет использовать умножители частоты для
повышения частоты стабильных колебаний в различных радиопередающих,
радиолокационных, измерительных и других установках; при этом N может достигать
10 и более.Наиболее распространены умножители частоты, состоящие из нелинейного
устройства (например, транзистора, варикапа, катушки с ферритовым сердечником)
и одного или нескольких электрических фильтров.
) Усилитель сигналов - усилитель электрических
сигналов, в усилительных элементах которого используется явление электрической
проводимости в газах, вакууме и полупроводниках. Электронный усилитель может
представлять собой как самостоятельное устройство, так и блок (функциональный
узел) в составе какой-либо аппаратуры - радиоприёмника, магнитофона,
измерительного прибора и т. д.Электронные усилители являются одними из наиболее
важных и широко используемых устройств в системах передачи и обработки
различной информации, представленной с помощью электрических сигналов!
Высокая чувствительность, быстродействие,
компактность, экономичность электронных усилителей обусловили их широкое
применение в измерительной технике, электро- и радиосвязи, автоматике,
вычислительной технике и т.п.В зависимости от назначения усилители
подразделяются так:
усилители постоянного тока,
усилители низкой частоты (УНЧ),
усилители высокой частоты (УВЧ),
избирательные усилители,
широкополосные (видеоусилители),
импульсные,
операционные и т.д.
Рис.8. Внешний вид электронного усилителя
)Предварительный каскад - каскад УВС должен
обладать большим входным и небольшим выходным сопротивлениями. Поэтому почти во
всех схемах предварительный каскад УВС - повторитель. Он обеспечивает входное
сопротивление в пределах 20-30 кОм и выходное 50-70 Ом ,приэмиттером резисторе
сопротивлением около 1 кОм. Большое входное сопротивление повторителя незначительно
шунтирует нагрузку видеодетектора, величина которой обычно равна 3-6 Ом.
Небольшое выходное сопротивление повторителя позволяет хорошо согласовать его с
выходным каскадом. Кроме того, важно, что его входное сопротивление не
изменяется при воздействии внутренней обратной связи через емкость
коллектор-база транзистора, возрастающую на высоких модулирующих частотах.
Ширина полосы пропускания предварительного каскада УВС, выполненного по схеме
повторителя, прямо пропорциональна сопротивлению резистора и обратно
пропорциональна величине нагрузки видеодетектора.
Для обеспечения большого входного сопротивления
в предварительном каскаде УВС используются транзисторы с высоким коэффициентом
усиления тока во всей полосе усиливаемых частот, работающие при малых токах
базы. При этом граничная частота транзистора не должна быть меньше 20 МГц.
)Выходной контур - для выходных каскадов
наиболее простых транзисторных усилителей радиолюбители часто используют
маломощные транзисторы, такие же, что и в каскадах предварительного усиления.
Объясняется это желанием делать усилители более экономичными, что особенно
важно для переносных конструкций с питанием от батарей.Предварительный
усилитель усиливает напряжение сигнала до такой величины, которая требуется для
подачи на вход оконечного каскада.
)Антенна - конструкция, используемая для
передачи или приема радиоволн (т.е. электромагнитных излучений с длинами волн в
пределах от АНТЕННА20 000 м до АНТЕННА1 мм). В качестве примеров использования
антенн можно привести радио и телевещание, дальнюю радиосвязь на коротких
волнах и микроволнах, отраженных спутниковыми антеннами, радиолокацию - в
основе всех этих физических процессов и технических систем лежит передача
энергии в форме электромагнитных волн через воздушное и космическое
пространство.
Рис.9. Внешний вид телевизионной антенны
Функция передающей антенны состоит в том, чтобы
преобразовывать электромагнитную энергию, поступающую от передатчика, в
излучаемую электромагнитную волну. На стороне приема тоже необходимо иметь
антенну, которая принимает часть энергии, излученной передающей антенной, и
пересылает ее на более или менее сложные детектирующие и усиливающие схемы,
которые и составляют основу приемника. Тип конструкции антенны зависит от длины
волн, на которых она должна работать.
. Определение элементной базы схемы
) В автогенераторе применяется транзистор малой
мощности высокой частоты, исходя из данных справочника, выбираемКТ313А, который
будет работать на частоте 60 мГц.
Структура транзистора p-n-p,
максимально допустимое (импульсное) напряжение коллектор-база 60 В. Максимально
допустимый постоянный(импульсный) ток коллектора 350(700) мА, максимально
допустимая постоянная рассеиваемая мощность коллектора без теплоотвода (с
теплоотводом) 0.3 Вт.
Рис.10. Внешний вид транзистора КТ313А
)Для умножителя частоты мы выбираем транзистор
из справочника, аналогичный первому КТ313А. Так же работающий на частоте
близкой к 70мГц. Характеристика приведена выше.
На схеме (VT1
VT2).
)В предоконечном каскаде применяется транзистор
средней мощности высокой частоты, исходя из справочника, выбираем КТ503А.
Структура транзистора n-p-n,
максимально допустимое напряжение коллектор-база 40 В.
Максимально допустимый постоянный ток
коллектора150(350) мА.
Рис.11. Внешний вид транзистора КТ503А
) В выходном каскаде применяется лампа, исходя
из справочника, выбираем ГУ 39Б. Мощный генераторный тетрод для работы в
качестве усилителя высокочастотных колебаний в коротковолновых передатчиках.
Оформление - металлостеклянное.
Рабочее положение - вертикальное, стеклянным
баллоном вверх.
Рис.12. Внешний вид лампы ГУ 39Б.
Электрические параметры:
Параметры ГУ 39Б: Fраб= 100 МГц;
Напряжение накала= 6.6 В; Uанода= 10кВт;
Ток накала= 105 А; U2сетки= 2кВт;
Выходная мощность= 13кВт; Iнакала= 150 А;
Мощность, рассеиваемая анодом= 6 кВт. Uнакала=
6.6 В.
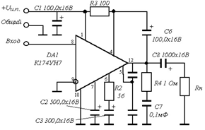
)В модуляторе применяется микросхема, исходя из
справочника, выбираем К174УН7.
Микросхема представляет собой усилитель мощности
звуковой частоты с номинальной выходной мощность 4,5 Вт на нагрузку 4
Ом.Содержит 41 интегральный элемент. Конструктивно оформлена в корпусе типа
201.12.-1, 238.12-2. Масса не более 2,0 и 2,5гр соответственно (ТУ 1986г.).
Рис.13. Внешний вид микросхемы К174УН7
Номинальное напряжение питания15 В;
Выходное напряжение при Uп = 15 В, f вх = 1 кГц-
2,6┘5,5 В;
Выходная мощность при R н = 4 Ома- 4,5 Вт;
Диапазон высоких частот- 40┘20 000 Гц;
Типовая схема включения ИМС К174УН4:
Рис.14. Внешний вид схемы включения К174УН7
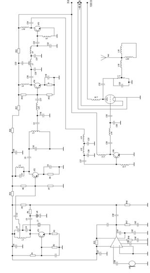
4. Описание принципиальной схемы
радиопередатчика
Рис.15. Принципиальная схема радиопередающего
устройства
Звуковой сигнал подается на микрофон, там он
преобразуется в электрический сигнал. С микрофона сигнал через конденсатор C36
следует на микросхему КТ174УН7 модулятора, которая его усиливает и с нее через
конденсатор С39 и R4 подается на варикап VR(Z1) задающего генератора. Генератор
построен на транзисторе VT1 по схеме емкостной трехточки. L1, C2, C4 и варикап
определяют частоту колебаний автогенератора. Частота колебаний стабилизирована
кварцем. Т.к на варикап подается усиленный сигнал с микрофона, то автогенератор
формирует ЧМ (частотно-модулированный) сигнал. Затем сигнал подается на
умножитель частоты, выполненный на транзисторе VT2.Транзистор работает в
нелинейном режиме с отсечкой тока. Рабочая точка выполнена на резисторах(R6,
R7). В коллекторной цепи в качестве нагрузки стоит колебательный контур
(C7,L2), настроенный на частоту второй гармоники 120 мГц. После выделения этой
частоты сигнал поступает через C9, L9, C14, L 27 на базу VT4. Дальше сигнал с
VT4 через П-образный фильтр (С20 L7, C21 L8) поступает на каскады VT5. С
транзистора VT5 через аналогичный П-образный фильтр (C25 L11, C26 L12)
преобразованный сигнал поступает на оконечный каскад, выполненный на
транзисторе VT6. С транзистора VT6 наш сигнал идет через конденсатор С28,
катушку L15 и конденсатор С29 на лампу типа ГУ 39Б. От лампы сигнал поступает
на конденсатор С33 и колебательный контур (С38 L17), где повышается его
добротность. В конце через катушки L18,L19,L20 представленный выходным
каскадом, сигнал идет на антенну.
В данном радиопередатчике использовались
различные виды каскадов, выполненных на многих элементах, таких как транзисторы
типов:КТ313А, КТ503А, микросхема типа К174УН7 и лампой типа ГУ 39Б. Так же
включены два П-образных фильтра, генератор, построенный на емкостной трехточке,
стабилизированного кварца, а так же несколько колебательных контуров, описание
которых приводилось ранее.
5. Выполнить электрический расчет
радиопередатчика
Данные для расчета:
Рабочая частота: Fраб. = 120 МГц;
Выходная мощность: P1= 500 Вт
.Выбор лампы определяется исходя из 3-х критериев.а.
доп. ≥ 0.4 * P1а. доп. - допустимая рассеиваемая мощность на аноде. Pдоп.
=6 кВт.а. доп. ≥ 0.4 * 6 Pa.доп.
= 2.4 кВт.
.Ie.
* Ea ≥
7 * P.. - эмиссионная
способность катода.- напряжение питания анода.
Ie = 30 A
Ea = 10 кВт.
A * 10000 Вт≥
7 * 500 Вт
Вт ≥ 3500 Вт.
. F раб ≤ F пред - рабочая частота лампы
должна быть не меньше заданной.раб = 120 МГцпред = 150 МГц
МГц ≤ 150 МГц
Лампа по заданным параметрам предварительно
подходит.
Основной расчет генератора с внешним
возбуждением (ГВВ).
.Выбираем схему ГВВ с параллельным питанием.
Преимуществом данной схемы заключается в том, что элементы контура не находятся
под высоким напряжением анодного питания.
.Выбираем напряжение источника анодного питания.
Для повышения надежности работы генератора напряжение выбирают на 10% - 20%
меньше Eа доп.= 10000 Вт
(10-20)% <Eа доп.
В < 10000 В ,в данном случае мы выбрали 15%
запас по напряжению питания.
.Выбираем угол отсечки анодного тока исходя из
полученной максимальной мощности и высокого КПД. Выбираем φ=80°
,при
этом мощность не максимальная, но зато выше КПД.
. По графику Берга находим a0
и a1.= 0,29 - для
постоянного тока= 0,47 - для первого гармоники
5. ξгр
.Напряжение в колебательном контуре.
. Амплитуда первой гармоники анодного тока.
. Амплитуда импульса анодного тока.
Сравниваем амплитуду с эмиссионной способностью
лампы.
Ie=300мA>250
мA
Лампа способна обеспечить выбранный режим
работы.
. Постоянная составляющая анодного тока.
Сравним полученное значение с
дополнительной величиной анодного тока (
- не превышает допустимое значение
).
10. Потребляемая мощность от источника питания.
11. Мощность на аноде.
Её сравниваем с максимальной допустимой
мощностью для данного типа ламп.
.Определяем электронное КПД
Промышленный КПД будет меньше электронного т.к.
учитывается нить накала, сеточные цепи и так далее.
.Эквивалентное сопротивление в граничном режиме.
Колебательная система в ГВВ рассчитывается по
двум параметрам:
fрез
= fвоз
- Rэгр.
6. Расчет потребляемой мощности радиопередатчика
Потребляемую мощность можно ориентировочно можно
определить по формуле:
Pпотр. = Pвых.
/ 0.6+15%.
Выходная мощность нашего радиопередатчика P
вых = 500Вт.
Pпотр = 500 / 0.6+
15% = 833.3 + 15% = 833.3+ 125 = 958.3 Вт ≈ 1 кВт
7. Охрана труда и техника безопасности при
эксплуатации радиопередатчика
Охрана труда.
Охрана труда (ОТ) - система законодательных
актов, социально-экономических, организационных, технических, гигиенических,
лечебно-профилактических мероприятий, обеспечивающих безопасность, здоровье и
работоспособность человека в процессе труда.Право на безопасный труд закреплено
в Конституции Российской Федерации (п.3 ст. 37) [Конституция Российской
Федерации. - М., 1999. - С. 16]. В области охраны труда на предприятиях и в
учреждениях основными законодательными актами являются Трудовой кодекс РФ (ТК),
Гражданский кодекс РФ и Федеральный закон «Об основах охраны труда в Российской
Федерации».
Задача ОТ - свести к минимуму вероятность
поражения или заболевания работающего с одновременным обеспечением комфорта при
максимальной производительности труда. Реальные производственные условия характеризуются
опасными и вредными факторами. Опасные производственные факторы - факторы,
воздействие которых на работающего в определенных условиях приводят к травме
или другим профессиональным заболеваниям. Вредным производственным фактором
называется такой, воздействие которого на работающего в определенных условиях
приводит к заболеванию или снижению работоспособности. Опасные - движущиеся
детали механизмов, раскаленные тела. Вредные - воздух, примеси в нем, теплота,
недостаточное освещение, шум, вибрация, ионизирующее лазерное и
электромагнитное излучения.
Техника безопасности при работе с
радиопередатчиками.
В транзисторных радиопередатчиках напряжение
питания обычно не превышает 30 В. Поэтому здесь необходимо соблюдать правила
безопасности, связанные с работой с низковольтными источниками напряжения.
Значительно сложнее обстоит вопрос при работе с ламповыми радиопередатчиками,
напряжение в которых в зависимости от излучаемой мощности может составлять от
нескольких сотен вольт до десятков киловольт. Общее правило состоит в том, что в
передатчике не должно быть ни одного оголенного провода, ни одного участка,
которое не было бы тщательно изолировано. Нельзя касаться ни одного элемента
схемы, даже тщательно изолированного, находящегося под высоким напряжением. Сам
радиопередатчик и вся измерительная аппаратура должны быть заземлены. При
эксплуатации радиопередатчика замена любых деталей и элементов, в том числе и
электровакуумных приборов, может производиться только при отключении всех
напряжений питания. Следует убедиться в этом, не только произведя
соответствующие измерения, но и отключив от радиопередатчика кабели, по которым
поступают напряжения питания. Все защитные устройства, блокирующие
проникновение в зоны повышенного напряжения, должны находиться в исправном
состоянии и не отключаться ни при каких обстоятельствах.
Другое направление в технике безопасности при
работе с радиопередающими устройствами связано с соблюдением санитарных норм,
относящихся к электромагнитным излучениям (ЭМИ), в первую очередь в СВЧ
диапазоне.
Согласно стандарту, принятому в России,
плотность потока мощности ЭМИ в СВЧ диапазоне не должна превышать 0,01 МВт/см².
В других странах, например США, регламентируется
иной параметр ЭМИ: коэффициент удельного поглощения (SpecificAbsorptionRate -
SAR) - производная от энергии электромагнитного поля поглощаемой или
рассеиваемой единицей массы в объеме ткани тела определенной формы и плотности.
В США допустимая норма SAR составляет 1,6 МВт/г.. Например, при работе с
сотовым радиотелефоном мощностью 1 Вт при массе мозга человека в 1кг получим:
1000 МВт/1000 г = 1 МВт/г, что немного ниже допустимой нормы.
Соблюдение норм биологической безопасности,
связанной с электромагнитными излучениями, является обязательным условием при
работе с радиопередающими устройствами. Здесь следует соблюдать следующие
рекомендации: не подходить близко к радиопередающим антеннам; при работе в
лаборатории вместо антенн использовать их эквиваленты - тщательно
экранированные измерители мощности; экранировать все блоки, связанные с
генерированием и усилением СВЧ сигнала. Следует также применять все
рекомендуемые защитные средства от СВЧ излучений, например специальные очки.
радиопередатчик
мощность электрический
8. Использованная литература
1.В.И. Каганов. Радиопередающие
устройства. Учебник. Москва, «Академия», 2002 г.
. Д.П. Линде. Радиопередающие
устройства. Учебник. Москва, «Энергия», 1974 г.
. В.И. Галкин, А.Л. Булычев, В.А.
Прохоренко. Полупровдниковые приборы. Справочник. 2-е изд., перераб. и доп.
Минск, Беларусь , 1987 г.
. Б. А. Бородин, В. М. Ломакин, В.
В. Мокряков. Мощные полупроводниковые приборы. Транзисторы: Справочник. Москва.
1985 г.
. Бессарабов Б.Ф., Федюк В.Д., Федюк
Д.В. Диоды, тиристоры, транзисторы и микросхемы. Справочник. Воронеж . 1994 г.