Разработка печатной платы

  • Вид работы:
    Курсовая работа (т)
  • Предмет:
    Информатика, ВТ, телекоммуникации
  • Язык:
    Русский
    ,
    Формат файла:
    MS Word
    178,16 Кб
  • Опубликовано:
    2013-02-20
Вы можете узнать стоимость помощи в написании студенческой работы.
Помощь в написании работы, которую точно примут!

Разработка печатной платы

Введение

Системы освещения улиц и автомагистралей играют важную роль в обеспечении комфорта и безопасности граждан. Перед разработчиками современных систем автоматизированного управления уличным освещением стоят следующие основные задачи:

·        обеспечить бесперебойным освещением жилые, общественные и промышленные территории, автотрассы и прочие объекты наземной транспортной инфраструктуры. Под бесперебойным освещением понимают минимальное время от момента выхода ламп из строя до восстановления работоспособности;

·        обеспечить экономию электроэнергии, затрачиваемой на освещение. В рамках описания систем управления уличным освещением, мы не рассматриваем энергетическую эффективность самих ламп, но анализируем системные способы сокращения энергозатрат при обеспечении качества освещения;

·        обеспечить минимизацию затрат на техническое обслуживание (главным образом, замену ламп).

Сегодня бесперебойное освещения часто обеспечивается с помощью экономических рычагов: организации, ответственные за уличное освещение, платят штрафы за превышение нормативного количества неисправных ламп на своей территории. Таким образом, противоречивые задачи минимизации расходов и оптимизации качества услуг приходят в равновесие.

Большинство таких автоматизированных систем масштабны, управляют большим количеством осветительных приборов и сложны для изготовления простым обывателем. Нижеописанный автомат легко изготовить в домашней мастерской, он дешев и «сердит». Отличительной особенностью от других похожих автоматов автор считает хорошую защищенность от ложных срабатываний при колебаниях освещенности, особенно при «пороговых» процессах смены для и ночи, а так же при освещении устройства схожими по интенсивности источниками света, такими как вспышки молний и фары автомобилей. В нижеописанном автоматическом устройстве эта проблема решена. Устройство собрано на нескольких стандартных микросхемах средней степени интеграции.

1. Конструкторский анализ схемы


При включении питания на входе 9 элемента DD1.3 с помощью конденсатора С5 формируется короткий импульс высокого логического уровня, устанавливающий RS триггер из элементов DD1.3 и DD1.4 в состояние с высоким уровнем напряжения на выходе элемента DD1.4. Поступая через резистор R12 на базу транзистора VT5, это напряжение открывает транзистор. В результате включается светодиод HL3, а блокинг-генератор на транзисторе VT4 и импульсном трансформаторе Т2 начинает работать. Генерируемые импульсы открывают симистор VS1, который включает лампу EL1.

В таком состоянии устройство находится до тех пор, пока на другой вход RS-триггера (выв. 13 на DD1.4) не поступит импульс, который переведет триггер в противоположное состояние, выключит при этом светодиод HL3 и прекратит работу блокинг-генератора. В отсутствие импульсов на управляющем электроде симистор VS1 перестанет открываться и лампа EL1 погаснет.

Если внешняя освещенность достаточно велика («День»), сопротивление её датчика, фотодиода VD1, сравнительно низкое и логический уровень на входах элемента и на входе R счетчика DD4 уровень низкий, чем работа этого счетчика разрешена. Светодиод HL1 «Ночь» погашен. На выходе элемента DD1.2 - высокий уровень, поэтому включен светодиод HL2 «День», а работа счетчика DD3 запрещена.

На выходы CN обоих датчиков поступают импульсы с периодом 60 секунд, формируемые «часовой» микросхемой DD2. Поэтому тот счётчик, работа которого разрешена (в данном случает DD4), каждую минуту изменяет своё состояние, устанавливая высокий логический уровень на очередном выходе и низкий на всех остальных. Спустя 4 минуты после включения прибора высокий уровень будет установлен на выводе 10 счетчика DD4 и на соединенном с ним входе 13 элемента DD1.4, что приведет к выключению лампы EL1.

В дальнейшем (в дневное время) импульсы на выходе счетчик DD4 повторяются каждые 10 минут. Поэтому, если включить лампу нажатием на кнопку SB1, что приведет RS-триггер в соответствующее состояние, она будет автоматические погашена не позже чем через 10 минут.

С наступлением темноты сопротивление светодиода VD1 значительно увеличится. Уровни на входах и выходах элементов DD1.1 и DD1.2 сменятся противоположными. В результате светодиод HL2 будет выключен, а HL1 включен. Одновременно работа счетчика DD4 будет запрещена, а DD3 разрешена. Если такое состояние сохранится неизменным в течение 4 минут, будет сформирован импульс высокого логического уровня на выводе 10 счётчика DD3, который поступит через диод VD3 на вход 9 элемента DD1.3. Это изменит состояние RS-триггера, и лампа EL1 будет включена.

Автоматическое выключение лампы произойдет, когда освещенность светодиода VD1 вновь возрастет и останется такой не менее 4 минут. Практика показывает, что такой задержки включения и выключения лампы вполне достаточно для предотвращения ложных срабатываний автомата при значительных но кратковременных колебаниях освещенности под воздействием перемещения облаков, вспышек от молний, взрывов, освещения автомобильными фарами и фонарями. Продолжительность задержки (как включения так и выключения) можно изменять в пределах 1-9 минут, соединяя входы RS-триггера с другими выходами счетчиков DD3 и DD4. Если это приходится делать часто, можно предусмотреть переключатели в автомате.

Узел питания автомата построен по классической трансформаторной схеме со стабилизатором напряжения на стабилитроне VD4 и транзисторе VT3. От применения стабилизатора можно отказаться, если напряжение питания не подвержено значительным колебаниям.

Все элементы автомата размещены на печатной плате, показанной ниже из фольгированного с двух сторон стеклотекстолита.

Светодиоды HL1-HL3 впаяны в плату, но при необходимости могут быть вынесены на панель корпуса. Кнопка SB1 размещена на краю платы, для удобства использования. Фотодиод VD1 установлен на плате.

При коммутации ламп общей мощностью до 200 Вт симистор ТС112-10-7 устанавливают на закреплённом на плате алюминиевом теплоотводе площадью 15…20 см2. Этого достаточно при вышеуказанной мощности лампы EL1 или соединенных параллельно ламп. Для управления лапмами большей мощности, площадь теплоотвода необходимо увеличить.

Магнитопровод импульсного трансформатора Т2 - кольцевой ферритовый типоразмера К10*6*5. Автор использовал «кольцо» от неисправного электронного балласта для энергосберегающих ламп. Обмотки трансформатора имеют соответственно 50, 25 и 30 витков, намотанных внавал проводом ПЭВ-2 диаметром 0,15 мм.

Трансформатор питания Т1 можно использовать любой, подходящий по размерам и имеющий вторичную обмотку напряжением 10…12 В при токе нагрузки не менее 50мА.

Автомат не имеет отдельного выключателя и подключается непосредственно к сети 220 В в распределительной коробке или шнуром с вилкой к обычной сетевой розетке. Налаживать прибор не требуется, при отсутствии ошибок в монтаже он начинает работать сразу.

Устройство устанавливают так, чтобы светодиод VD1 хорошо освещался естественным светом. Однако на него не должен попадать свет лампы EL1. В противном случает в тёмное время суток лампа станет выключаться и включаться каждые 8 минут.

Для установки вне помещения корпус автомата должен быть тщательно герметизирован во избежание попадания внутрь росы, дождя, снега, пыли и грязи. При установке основного блока внутри помещения датчик освещенности может быть вынесен из него на расстояние до нескольких метров и соединен с печатной платой экранированным проводом. Оплетку этого провода соединяют с плюсом напряжения питания микросхем.

печатный плата проводник контактный

2. Компоновка печатной платы

 

При конструкторском проектировании РЭА (радиоэлектронной аппаратуры) решаются задачи, связанные с поиском наилучшего варианта конструкции, удовлетворяющего требованиям технического задания и максимально учитывающего возможности технологической базы производства. Тесная взаимосвязанность задач и большая размерность каждой из них обычно не позволяет предложить метод поиска оптимального конструктивного решения в едином цикле в связи с трудностями создания общей математической модели, комплексно учитывающей особенности конструкторско-технологической базы производства. Поэтому разработка и реализация алгоритмов и методов решения отдельных задач этапа конструкторского проектирования: компоновки, размещения и трассировки,- до сих пор остаются актуальными проблемами, решение которых неотъемлемо связано с развитием систем автоматизации проектирования.

На этапе конструкторского проектирования решаются вопросы, связанные с компоновкой элементов логической схемы в модули, модулей в ячейки, ячеек в панели и т. д. Эти задачи в общем случае тесно связаны между собой, и их решение позволяет значительно сократить затраты и трудоемкость указанного этапа в САПР. Обычно задачи компоновки рассматриваются как процесс принятия решений в определенных или неопределенных условиях, в результате выполнения которого части логической схемы располагаются в конструктивных элементах i- го уровня, а эти элементы размещаются в конструктивных элементах (i+1) -го уровня и т. д., причем расположение выполняется с оптимизацией по выбранному критерию.

Компоновкой электрической схемы РЭА на конструктивно законченные части называется процесс распределения элементов низшего конструктивного уровня в высший в соответствии с выбранным критерием. Основным для компоновки является критерий электромагнитотепловой совместимости элементов низшего уровня. Данный критерий определяет область допустимых разбиений схемы, на которой формулируются другие критерии. Такими критериями могут быть: минимум типов конструктивно законченных частей, плотность компоновки, минимум соединений между устройствами, простота диагностирования и др.  Очевидно, что внешние соединения между частями схем являются одним из важнейших факторов, определяющих надежность РЭА. Поэтому наиболее распространенным критерием является критерий минимума числа внешних связей. Выполнение этого критерия обеспечивает минимизацию взаимных наводок, упрощение конструкции, повышение надежности и т. д.

Трассировка печатной платы - разработка топологии электрических соединений между посадочными местами электронных компонентов, устанавливаемых на печатную плату   Трассировка печатных плат является следующей стадией после разработки принципиальной схемы будущего изделия, подбора соответствующих электронных компонентов, и выбора конструктива для установки печатной платы. Если у Вас есть разработанная принципиальная электрическая схема будущего изделия, но не хватает ресурсов для корректной трассировки современных печатных плат, технические специалисты нашей компании готовы выполнить этот вид работ.

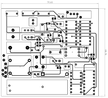
Ниже представлена компоновка и трассировка разрабатываемого нами автомата.

Рисунок 1 - Компоновка элементов

Рисунок 2 - трассировка верхнего слоя печатной платы.

Я использовал для компоновки и трассировки распространенную программу Diptrace, она позволяет редактировать печатные платы любого размера и любой сложности. В частности, моя версия позволяет редактировать 4 слоя ПП и 1000 выводов.

Как видно, данная микросхема имеет два слоя проводников, второй слой можно увидеть на следующей странице.

Рисунок 3 - трассировка нижнего слоя печатной платы

В соответствии с ГОСТ элементы устанавливают на плату по восьми вариантам установки, в данном случая используются три варианта: 1а, 5. Далее поясним эти варианты.

На рисунке 4, вариант установки 1а, т.е. элемент полностью прилегает к печатной плате. На рисунках 5-78 вариант 5а, б, в, для многовыводных элементов, с опорой, без опоры. Размеры всех элементов приведены в таблице 1.

Рисунок 4 - вариант установки 1а

Рисунок 5 - вариант установки 5а

Рисунок 6 - вариант установки 5б

Рисунок 7 - вариант установки 5в

Таблица 1. Массогабаритные параметры элементов схемы

Группа

Наименование элементов

Позиционное обозначение

Масса, г

Габаритные размеры, мм3

Вариант Установки на плате

Установочная площадь, мм2

Установочная площадь группы элементов, мм2

Малогабаритные элементы

Резистор

R3…R12

0,008

2.3*6*1

13.8*9

430,5


Диод

VD3-VD7

1

3,8*6,9*1,2



Конденсатор

С3…С6

3.5

5.5*3.5*3,5


29,6*3



Светодиод

HL1…HL3

1

5,9*5


29.5



Транзистор

VT1…VT5

0,5

7*6*3

18*5


Среднегабаритные элементы

Диод

VD2

2,5

d9*7.4*3

63,9*1

523


Конденсатор

С1…С2

3

d9,1*6,5*2









118,3*2



Микросхема

DD1

1,3

19,5*7,6*5

1a

148,2



Трансформатор

Т2

10

9*5*6

45



Кристалл

ZQ1

1

7,5*3,9

29,3*1


Крупногабаритны элементы

Симистор

VS1

6

31*12*12

372

855,3


Трансформатор

Т1

12

10*6*5

60



Микросхема

DD2…DD4

1,5

21,5*7,4*5

1a

159,1*3



Производим расчет площади рабочей зоны для высокой и низкой плотности компоновки по формулам

Sраб min =2.5*Sмг+1,8*Sсг+1,2*Sкг;               (1)

Sраб min <Sраб<Sраб max                                                             (3)

где Sмг - суммарная установочная площадь для малогабаритных элементов;

Sсг - суммарная установочная площадь для среднегабаритных элементов;

Sкг - суммарная установочная площадь для крупногабаритных элементов;

Sраб - площадь разработанной печатной платы.

Sраб min = 2, 5*430,5+1, 8*523+1, 2*855,3 = 3044,01 (мм²)

Sраб max = 4*430,5+3*523+1,5*855,3 = 4573,99 (мм²)

Sраб = 75*68 = 5100 (мм2)

Теперь убедимся, что наши расчеты правильны, для этого подставим в неравенство (3) полученные значения, 3044,01<5100<4573,99

Полученные значения должны удовлетворять равенство, однако я нарочно нерационально использовал компоновку, дабы выставить светодиоды на край панели.

3. Расчетная часть

.1 Расчет надежности

Исходные данные:

Условия эксплуатации - наземная стационарная аппаратура (поправочные коэффициенты К1 = 1,04; К2 = 1,03);

Температура окружающей среды - средняя температура по Омску ( +20ºС -35ºС);

Влажность - нормальная (поправочный коэффициент К3 = 1);

Атмосферное давление соответствует высоте над уровнем моря 0-1 км(поправочный коэффициент К4 = 1);

Коэффициенты нагрузки элементов схемы (Кн)

для резисторов - 0,5

для конденсаторов рассчитывается по формуле:

Кн = Uраб/ Uном,

где

Uраб - рабочее напряжение, Uном - номинальное напряжение.

для транзисторов - 0,1;

для электрических соединений - 1;

для остальных элементов - 1

Интенсивность отказов элементов с учетом условий эксплуатации определяется по формуле:

λjojj,

где

λoj - интенсивность отказов элементов в номинальном режиме;

Кj - поправочный коэффициент.

Определяем поправочный коэффициент по формуле;

Кj = К1234,

где

К1 - поправочный коэффициент, учитывающий воздействия вибраций;

К2 - поправочный коэффициент, учитывающий ударные нагрузки;

К3 - поправочный коэффициент, учитывающий воздействия влажности и температуры;

К4- поправочный коэффициент, учитывающий воздействия давления окружающей среды;

Кj = 1,04*1,03*1*1 = 1,07

Интенсивность отказов элементов в рабочем режиме определяется по формуле:

λjрjj,

где

λj - интенсивность отказов элементов, с учетом условий эксплуатации;

αj - поправочный коэффициент, учитывающий коэффициенты нагрузки и рабочей температуры элементов.

Интенсивность отказов прибора определяется по формуле:

λ = ∑ λjр * Nj,

где

λjр - сумма интенсивностей отказов группы элементов;

Nj - количество элементов в группе.

Среднее время наработки до отказа определяется по формуле:

Тср = 1/λ,

где

λ - интенсивность отказов прибора.

Результаты расчетов приведены в таблице 2.

Таблица 2.

Порядковый номер группы элементов

Наименование элементов

Количество элементов

Поправочные коэффициент

Интенсивность отказов λ×10^-6 1/час





Элементов в номинальном режиме

Элементов с учетом условий эксплуатации

Элементов в рабочем режиме

Группы элементов в рабочем режиме

j

 

Nj

αi

λoj

λj

λjp* Nj

1

Резистор

12

0,51

0,24

0,257

0,131

1,572

2

Конденсатор

6

0,3

0,15

0,161

0,048

0,289

3

Стабилитрон

1

0,82

0,5

0,535

0,439

0,439

4

Транзистор

4

0,85

0,5

0,535

0,455

1,819

5

Резонатор

1

0,97

0,5

0,535

0,519

0,519

6

Диод

7

1

0,4

0,428

0,428

2,996

7

Светодиод

3

0,85

0,1

0,107

0,09

0,27

8

Трансформатор

2

0,5

0,61

0,652

0,326

0,652

9

Симистор

1

1

0,7

0,749

0,749

10

Микросхема

4

1

0,3

0,321

0,321

1,284

11

Соединение пайкой

135

1

0,01

0,011

0,011

1,485

Интенсивность отказов

1846,24

Среднее время наработки до отказа Тср

953288.847


Расчет вероятностей безотказной работы Р(t) и вероятности отказов Q(t) представлен в таблице 3.

Таблица 3.

Время работы  t час

1

10

100

1000

10000

20000

30000

953288

Вероятность  безотказной работы

0,999991302

0,99991

0,99913

0,99134

0,9167

0,84033

0,77033

0,3678794

Вероятность отказа

0,000008698

0,000087

0,00087

0,00866

0,0833

0,15967

0,22967

0,6321206


Графики зависимости вероятностей безотказной работы Р(t) и вероятности отказов Q(t) изображены ниже.


3.2 Конструктивно-технологический расчет печатного монтажа


Выбираем второй класс точности изготовление печатной платы. Для изготовления печатной платы выбираем стеклотекстолит СФ - 2 - 35 - 1,5 ГОСТ 10316 - 78, обладающий следующими характеристиками:

-         толщина фольги 35 мкм;

-         допустимая плотность тока Iдоп = 20 А/мм2;

-         удельное сопротивление ρ = 0,05 ОмĦмм2/м;

Конструктивные ограничения соответствующие второму классу точности:

-         минимальное значение номинальной ширины проводника b = 0,45 мм;

-         номинальное расстояние между проводниками S = 0,45 мм;

-         отношение диаметра отверстия к толщине платы γ≥0,5;

-         допуск на отверстия Δd = ±0,1 мм;

-         допуск на ширину проводника Δb = ±0,1 мм;

-         допуск на расположение отверстий δd = 0,15 мм;

-         допуск на расположение проводников на ОПП δl = 0,1 мм;

-         расстояние от края просверленного отверстия до края контактной площадки bм = 0,045 мм;

.3 Определение минимальной ширины печатных проводников

Ширина печатных проводников определятся тремя факторами: максимальным током, протекающим по проводнику - для цепей питания и шин заземления, допустимым падением напряжения - для сигнальных цепей, возможностями выбранного метода изготовления и классом точности платы - для всех соединений на плате.

Определяем минимальную ширину bmin I, мм, печатного проводника по постоянному току для цепей питания и шин заземления по формуле

,                                          (4)

Iдоп - допустимая плотность тока, А/мм2;

hф - толщина печатного проводника (толщина фольги), мм.

.

Определяем минимальную ширину bminU, мм, печатного проводника исходя из допустимого падения напряжения на нем, по формуле

,                                    (5)

где ρ - удельное сопротивление фольги, ОМ мм2/м;- максимальная длина сигнального печатного проводника на плате, м;

Uдоп - допустимое падение напряжения, В.

Минимальная ширина печатных проводников для ДПП, изготовленных химическим методом, определяется по формуле

+(0,03…0,08) =  = 0,53

Выбираем ширину печатных проводников в сигнальных цепях из условия

,                                                        (6)

в цепях питания и шинах заземления из условия

.

,5≥max{0,53;0,14;0,18}, выбираем b=0,53

Проверяем проводники с выбранной шириной 0,53 мм на допустимый ток при выбранной толщины фольги 0,35.

Imax ≤ Iдоп,

,1≤ 0,35

Номинальное значение диаметров d, мм монтажных отверстий по группам вывода элементов определяется по формуле

,                                                   (7)

где dэ - максимальный диаметр вывода элемента, устанавливаемого на плату, мм;

Δdн.о. - нижнее предельное отклонение номинального диаметра монтажного отверстия, мм;

r - разница между минимальным диаметром отверстия и максимальным диаметром вывода элемента ( в пределах 0,1 … 0,4 мм).

Рассчитанные значения диаметров d округляют до ближайшего большего значения из ряда: 0,7; 0,8; 0,9; 1,0; 1,1; 1,2; 1,3; 1,4; 1,5 …

Так как элементы имеют различные диаметры выводов, то их можно разделить на две группы:

=0,5мм

=1,5мм

мм

мм

Проверяем наименьшее значение диаметра монтажного отверстия на соответствие

.                                                     (8)

где Н - толщина печатной платы, мм;

γ - конструктивное ограничение, связанное с рассеивающей способностью электролитов, используемых при гальванической металлизации монтажных и переходных отверстий;

dmin - минимальный диаметр переходного отверстия, мм.

Условие(8) выполняется, следовательно, диаметры монтажных отверстий выбраны верно.

3.4 Определение диаметров контактных площадок

Контактная площадка отверстия в печатной плате обеспечивает пайку выводов навесных элементов и надежный электрический контакт между цепями, расположенными на разных сторонах платы. Из-за особенностей процесса травления фольги боковое подтравливание будет уменьшать действительные размеры печатного рисунка и частично разрушать адгезионный слой между диэлектриком и фольгой, то может привести к отслаиванию тонких элементов печатного рисунка. Поэтому диаметр контактной площадки должен превышать минимальный диаметр Dmin, мм, который зависит от метода изготовления печатной платы.

Максимальный диаметр просверленного отверстия dmax,мм, определяется о формуле:

,                                        (9)

где Δd - допуск на отверстие.

мм

мм

Минимальный эффективный диаметр D1min,мм, контактной площадки определяется по формуле:

,                                (10)

мм

мм

Минимальный диаметр контактной площадки для ДПП, изготовленной химическим методом, определяется по формуле:

,                                                    (11)

мм

мм

Максимальный диаметр контактной площадки Dmax, мм, определяется по формуле:

                                                                     (12)

мм

мм

Определяем минимальные расстояния между элементами проводящего рисунка.

Минимальные расстояния между проводником и контактной площадкой определяется по формуле:

S1 min = L0 - [( Dmax / 2 + δр ) + ( bmax / 2 + δl )],              (13)

где δl - допуск на расположение проводников

L0 - расстояние между центрами элементов рисунка на чертеже, мм.

S1 min = 2,5 - [(2,485/2+0,3) +(1,15/2+0,1)] = 0,2 мм

Минимальные расстояния между двумя контактными площадками определяется по формуле:

S2 min = L0 - ( Dmax + 2 δр )                                             (14)

S2 min = 2,5 - (2,775 + 2*0,3) = 0,325 мм

Минимальное расстояние между двумя проводниками определяется по формуле:

.                                                                         (15)

мм

Минимальное расстояние между центами двух контактных площадок при прокладке между ними N печатных проводников определяется по формуле:

.                   (16)

S4min = 0,5*2,485+0,5*2,775 +2*0,3+(1,15+0,1)2+0,45(2+1)= 6,35 мм


.                            (17)

где Sоп - минимальное расстояние от края платы до печатного проводника.5min = 0,5*2,485 + 0,3 + (0,45 + 0,55 +0,1)*2 + 3= 6,74 мм

Расчет параметров печатного монтажа для оценки помехоустойчивости.

Проводится для сигнальных цепей и заключается в определении емкостной и индуктивной составляющих паразитной связи между элементами печатного монтажа.

Паразитная емкость C, пФ, между двумя проводниками определяется по формуле:

,                                                                     (18)

где Li - длина взаимного перекрытия проводников, см.

Погонная емкость Cпог, ПФ/см, определяется по формуле:

,                                                                   (19)

где Кп - коэффициент пропорциональности Кп=0,27;

Е - диэлектрическая проницаемость среды между проводниками определяется по формуле:

,                                                                         (20)

где Еп - диэлектрическая проницаемость материала платы (для стеклотекстолита (СФ-1 Еп=6);

Ев - диэлектрическая проницаемость воздуха, Ев=1 (если плата покрыта лаком, то диэлектрическая проницаемость лака Ел =9).

 ПФ/см

 ПФ

Заключение

Мной была разработана печатная плата, которая подходит для изготовления в домашних условиях, имеет высокую надежность, может использоваться как на улице так и в неотапливаемых помещениях. В ходе работы я составил описание работы схемы, выбор элементного базиса, принципиальную схему, чертежи компоновки и трассировки печатной платы, расчеты надежности и технологические расчеты необходимые для изготовления платы.

Использованная в проекте литература

1. В.С. Глушков Конструктивно-технологический расчет печатного монтажа. Учебное пособие, Омск, Омавиат, 2006г.

. В.С. Глушков Разработка и основные правила оформления конструкторской документации на печатные платы, и печатные узлы радиоэлектронных устройств. Учебное пособие, Омск, Омавиат, 2004г.

. Журнал «Радио» #6 2012г.

. Горохова И.В.Справочник Надежность электрорадиоэлементов, 2002г

. Усатенко С.Т. и др. Графическое изображение электрорадиосхем: Справочник. - К.: Техника, 1986г.

. Справочник интернет магазина platan.ru

. Вики раздел форума radiokot.tu

Похожие работы на - Разработка печатной платы

 

Не нашли материал для своей работы?
Поможем написать уникальную работу
Без плагиата!
Без нейросетей!