Разработка многоканального источника постоянного напряжения, выполненного на основе прямоходового преобразователя
МИНИСТЕРСТВО
ОБРАЗОВАНИЯ И НАУКИ РОССИЙСКОЙ ФЕДЕРАЦИИ
БРЯНСКИЙ
ГОСУДАРСТВЕННЫЙ ТЕХНИЧЕСКИЙ УНИВЕРСИТЕТ
Кафедра
«ЭРЭиЭС»
Пояснительная
записка
к курсовой
работе по дисциплине
«Импульсно-модуляционные
системы»
БГТУ.210106.003
ПЗ
Руководитель
Андриянов А.И.
Студент группы 08-ПЭ
Костюченко А.В.
Брянск 2012
Содержание
Введение
. Расчет входного выпрямителя и фильтра.
. Расчет прямоходового преобразователя
.1 Расчет первого прямоходового преобразователя
.2 Расчет второго прямоходового преобразователя
.3 Расчет третьего прямоходового преобразователя
.4 Расчет четвертого прямоходового преобразователя
. Выбор ключа
. Моделирование прямоходового преобразователя
. Расчет трансформатора
. Расчет потерь
.1 Рассчитаем потери в сердечнике.
.2 Мощность потерь в ключе
.3 Расчет системы охлаждение транзистора
.4 Мощность потерь в диодах выпрямителя.
.5 Мощность потерь в обратных диодах.
.6 Мощность потерь в выпрямительных диодах.
.7 Мощность потерь в дросселях.
.8 КПД преобразователя
. Система управления
. Заключение
.Список литературы
Введение
Целью данной курсовой работы является разработка многоканального
источника постоянного напряжения, выполненного на основе прямоходового
преобразователя. В круг задач, решаемых при проектировании, входят расчет и
выбор параметров системы с учетом требований технического задания, исследование
выбранной схемы преобразователя путем моделирования в OrCAD и оценка
энергетической эффективности устройства. Необходимо разработать и описать
структуру и элементы системы управления.
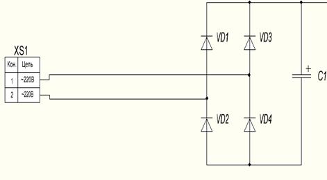
1. Расчет входного выпрямителя и фильтра
Рис.1 Схема выпрямителя
Фильтра заряжен до напряжения, равного амплитуде напряжения питающей сети
минус величину падения напряжения на диодах выпрямителя.
Максимальное обратное напряжение на диодах:

=311 В
Среднее
значение тока, протекающего через диод:
Выберем
диод 1N3940=600В(AV)=2A=50мкА
Расчет
конденсатора фильтра (Розанов, Основы силовой электроники,95)
Для
однофазной мостовой схемы 
.
Зададимся
коэффициентом пульсаций на выходе фильтра 1%

Ом
Примем
Сф=2.2мФ
Выберем
конденсатор электролитический алюминиевый ECAP (К50-35).
Рис.2
Модель выпрямителя в OrCad
выпрямитель транзистор мощность диод
Рис.3
Напряжение на выходе фильтра
2. Расчет
прямоходового преобразователя
Рис.4 Схема преобразователя
.1 Расчет по
каналу питания +5В
В
В
Зададимся
коэффициентом заполнения
Найдем
коэффициент трансформации
Напряжение
стабилизации
Примем
L=2.2мкГн
Выберем
IHLP-5050FD-ER-2R2-M-5A
|
Номинальный ток
|
25.5 А
|
|
Номинальная индуктивность
|
2.2 мкГн
|
|
Допуск индуктивности
|
±20%
|
Примем
С=1мФ
Ток
дросселян=20А
Среднее
значение тока обратного диода
Эффективное
значение тока обратного диода
Максимальное
мгновенное значение тока обратного диода
Максимальное
мгновенное напряжение обратного диода
Выберем
диод FR803
Среднее
значение тока транзистора
Эффективное
значение тока транзистора
Максимальное
мгновенное значение тока транзистора:
Максимальное
мгновенное напряжение на транзисторе:
Среднее
значение тока выпрямительного диода
Максимальное
мгновенное значение тока выпрямительного диода
Максимальное
мгновенное значение напряжения выпрямительного диода
Выберем
MBR1645
Эффективное
значение напряжения первичной обмотки
Эффективное
значение тока первичной обмотки трансформатора
Эффективное
значение напряжения вторичной обмотки
Эффективное
значение тока вторичной обмотки трансформатора
Мощность
трансформатора
Расчетная
габаритная мощность трансформатора
2.2 Расчет по
каналу питания +12В
В
В
Зададимся
коэффициентом заполнения
Найдем
коэффициент трансформации
Примем
L=0.47мГн
Выберем
MCDR1419NP-471K (SUMIDA):
|
Номинальный ток
|
1.5 А
|
|
Номинальная индуктивность
|
470 мкГн
|
|
Допуск индуктивности
|
±10%
|
|
Корпус
|
Radial
|
|
Магнитное экранирование
|
нет
|
|
Размер
|
18 x 18 x 20 мм
|
|
Маркировка на корпусе
|
471K
|
Примем
С=1мкФ
Ток
дросселян=1А
Среднее
значение тока обратного диода
Эффективное
значение тока обратного диода
Максимальное
мгновенное значение тока обратного диода
Максимальное
мгновенное напряжение обратного диода
Выберем
диод FR102
Среднее
значение тока транзистора
Эффективное
значение тока транзистора
Максимальное
мгновенное значение тока транзистора:
Среднее
значение тока выпрямительного диода
Максимальное
мгновенное значение тока выпрямительного диода
Максимальное
мгновенное значение напряжения выпрямительного диода
Выберем
FR303
Эффективное
значение напряжения вторичной обмотки
Эффективное
значение тока вторичной обмотки трансформатора
Мощность
трансформатора
Вт
Расчетная
габаритная мощность трансформатора
На
выходе поставим стабилизатор напряжения LM7812, так как требуется +12В.
.3 Расчет по
каналу питания +15В
В
В
Зададимся
коэффициентом заполнения
Найдем
коэффициент трансформации
Примем
L=120мкГн
Выберем
RCR1616NP-121K:
|
Номинальный ток
|
2.5 А
|
|
Номинальная индуктивность
|
120 мкГн
|
|
Допуск индуктивности
|
±10%
|
|
Ток насыщения при 20°C
|
2.5 А
|
|
Ток перегрева
|
2.6 А
|
|
Корпус
|
Radial
|
|
Магнитное экранирование
|
есть
|
|
Размер
|
16.5 x 16.5 x 16.5 мм
|
|
Маркировка на корпусе
|
121K
|
Примем
С=4.7мкФ
Ток
дросселян=2А
Среднее
значение тока обратного диода
Эффективное
значение тока обратного диода
Максимальное мгновенное значение тока обратного диода
Максимальное
мгновенное напряжение обратного диода
Выберем
диод FR303.
Среднее
значение тока транзистора
Эффективное
значение тока транзистора
Максимальное
мгновенное значение тока транзистора:
Среднее
значение тока выпрямительного диода
Максимальное
мгновенное значение тока выпрямительного диода
Максимальное
мгновенное значение напряжения выпрямительного диода
Выберем
диод FR303.
Эффективное
значение напряжения вторичной обмотки
Эффективное
значение тока вторичной обмотки трансформатора
Мощность
трансформатора
Расчетная
габаритная мощность трансформатора
На
выходе поставим стабилизатор напряжения L78S15CV так, как требуется +15В.
.4 Расчет по
каналу питания -15В
В
В
Расчет
аналогичен 2.3
На
выходе поставим стабилизатор напряжения L7915ACV так, как требуется -15В.
3. Выбор
ключа
Ток транзистора средний будет равен сумме средних значений тока отдельных
прямоходовых преобразователей.
Ток
транзистора эффективный:
Максимальное
мгновенное напряжение на транзисторе:
Выберем
MOSFET транзистор APT1001RBVR со следующими параметрами:
выпрямитель транзистор мощность диод
4.
Моделирование прямоходового преобразователя
Рис. 5 Схема преобразователя в Orcad
Рис. 6 напряжение по каналу питания +5В
Рис.7 по каналу питания +12В
Рис. 8 напряжение по каналу питания +15В
Рис. 9 напряжение по каналу питания -15В
5. Расчет
трансформатора
Полная габаритная мощность трансформатора
В
качестве материала магнитопровода выберем феррит 2000НМ
Для
любых ферритов
, для расчётов можно принять
,
Полученному
значению ScS0 удовлетворяет сердечник 45x28x8


Средняя
длина магнитной линии
Число
витков:
Примем
число витков w1=250, так как 78 витков недостаточно- в этом случае во вторичной
обмотки получается 2 витка.
принимаем
w2=6
Находим
действующие значения токов обмоток:
Находим
сечения и диаметры проводов обмоток:
Размагничивающая
обмотка.
Число
витков размагничивающей обмотки w6 равно рассчитаем исходя из времени, которого
должно хватить на размагничивание 1 обмотки
Будем использовать провода
марки ПЭТВ-2:=0.75мм d1из=0.834мм=2.5мм d2из=2.618мм=0.6мм d3из=0.674мм=0.85мм
d4из=0.939мм=0.85мм d5из=0.939мм=0.1мм d6из=0.125мм
В качестве изоляции
сердечника и изоляции между обмотками будем использовать стеклолакоткань марки
ЛСЭ-105/130 толщиной 0.1мм
Первой будем мотать первичную
обмотку.
Диаметр первого слоя:
Длина первого слоя:
Максимальное число витков в
первом слое:
Первичная обмотка не
укладывается в первый слой, рассчитываем второй:
В два слоя также не
укладывается
Таким образом, обмотка
уложится в 3 слоя.
Поверх обмоток будем ложить
межобмоточную изоляцию из стеклолакоткани марки ЛСЭ-105/130 толщиной 0.1мм.
Следующей будем мотать
размагничивающую обмотку.
Хватает одного слоя для
размагничивающей обмотки.
Следующей будем мотать
вторичную w2 обмотку.
Хватает одного слоя для w2
обмотки.
Следующей будем мотать
вторичную w3 обмотку.
Хватает одного слоя для w3
обмотки.
Следующей будем мотать
вторичную w4 обмотку.
Хватает одного слоя для w4
обмотки.
Следующей будем мотать
вторичную w5 обмотку.
Хватает одного слоя для w5
обмотки.
Получился трансформатор с 8
слоями. Поверх последнего слоя наложим внешнюю изоляцию из стеклолакоткани
марки ЛСЭ-105/130 толщиной 0.1мм.
6. Расчет
потерь
.1 Рассчитаем
потери в сердечнике
α=1.2 β=2.8 Bmax0=1Тл f0=1кГц
Р0=68
Вт/кга -амплитуда переменной составляющей индукции.
Масса
сердечника 42.9грамм.
.2 Мощность
потерь в ключе
.3 Расчет
системы охлаждение транзистора
Так как 24.439Вт-это больше, чем может рассеять транзистор, не
перегреваясь, значит необходима система охлаждения.
Рис.10 Тепловые сопротивления
тепловое
сопротивление между кристаллом и корпусом транзистора
Между
корпусом транзистора и радиатором нанесем термопасту КПТ-8 толщиной 0.1мм.
тепловое
сопротивление между корпусом транзистора и радиатором
-
площадь области теплообмена м2,- толщина теплопроводящего слоя м,
λ - коэффициент теплопроводности Вт/(м·K).
λ=0.7 Вт/(м·K).
Для
корпуса TO-247=312мм2
Рассчитаем
RJa
Рассчитаем
необходимое тепловое сопротивление радиатора RSa
Выберем радиатор фирмы aavid thermal technologies 533601B02552G
с
тепловым сопротивлением 3.8 С/Вт.
Рис.11
Радиатор 533601B02552G
.4 Мощность
потерь в диодах выпрямителя
Потери в диодах выпрямителях переменного тока обусловлены, в основном,
статическими потерями при протекании прямых и обратных токов. Коммутационные
потери незначительны ввиду малой частоты (50Гц).
Так
как диодов 4:
.5 Мощность
потерь в обратных диодах
) FR803
Рис.12
Время обратного восстановления диода FR803
Определим
пороговое напряжение и дифференциальное сопротивление диода:
Рис.13
ВАХ диода FR803
)
FR102
Рис.14
Время обратного восстановления диода FR102
Определим
пороговое напряжение и дифференциальное сопротивление диода:
Рис.15
ВАХ диода FR803
)
FR102
)
Такие же как в 3
Сумма
потерь во всех обратных диодах.
.6 Мощность
потерь в выпрямительных диодах
) MBR1645
Рис.16
ВАХ диода MBR1645
)
FR303
Рис.17
Время обратного восстановления диода FR303
Рис.18
ВАХ диода FR303
)
FR303
)
Потери такие же как в 3 пункте
Сумма
потерь во всех выпрямительных диодах.
.7 Мощность
потерь в дросселях
.8 КПД
преобразователя
7. Система
управления
В качестве системы управления выберем ШИМ-контроллер TL494.
Рис. 19 Описание выводов TL494
Рис. 20 Блок-схема TL494
Рассчитаем RC-цепочку, для задания частоты ШИМ:
Примем С=0.47нФ,
Рассчитаем
сопротивление внутреннее сопротивление r
Рис.
21 Uн(Iн)
Для
управления ШИМ будем использовать П-регулятор
Нестабильность
напряжения должна быть не более, чем
Выберем α=4.7,Uз=1, β=0.1
Смоделируем
П-регулятор в Matlab.
Рис.
22 Модель в Matlab
Рис.
23 Модель в Matlab
Рассчитаем
сопротивления усилителя ошибки
Рис.
24 Усилитель ошибки 1
Примем
R4=47кОм, R1=100кОм
В
качестве ИОН используем встроенный в TL494 ИОН на 5В (вывод14).
Примем
R2=56кОм, тогда решив
, получим
R3=100кОм
Также
смоделируем ШИМ вместе с преобразователем и получим передаточные
характеристики.
Рис.
25 Передаточная характеристика при Uвх=340В
Рис.
26 Передаточная характеристика при Uвх=279В
Заключение
В данной курсовой работе, был разработан многоканальный источник постоянного
напряжения. Разработана аналоговая система управления. В ходе данной курсовой
работы мы ознакомились со свойствами ШИМ, произвели расчет трансформатора,
выбрали элементную базу. Произвели выбор радиатора.
Список литературы
1. Мелешин, В.И. Транзисторная
преобразовательная техника / В.И. Мелешин. - М.: Техносфера, 2005.
2.
Модуляционные источники питания РЭА / А.В. Кобзев, Г.Я. Михальченко, Н.М.
Музыченко. - Томск: Радио и связь, Томский отдел, 1990.
. Розанов Ю.
К. Основы силовой электроники. - М.: Энергоатомиздат, 1992.
4.Андриянов
«Транзисторные преобразователи напряжения: Анализ и расчет».Брянск: БГТУ,
2010.-276с
. Сидоров И.
Н. Малогабаритные магнитопроводы и сердечники: Справочник. М.: Радио и связь,
1989.