Определение параметров нелинейности усилителя аппаратуры ВЧ связи по ЛЭП на основе аппроксимации его коэффициента усиления и выбор оптимального режима

  • Вид работы:
    Курсовая работа (т)
  • Предмет:
    Информатика, ВТ, телекоммуникации
  • Язык:
    Русский
    ,
    Формат файла:
    MS Word
    294,81 Кб
  • Опубликовано:
    2013-04-01
Вы можете узнать стоимость помощи в написании студенческой работы.
Помощь в написании работы, которую точно примут!

Определение параметров нелинейности усилителя аппаратуры ВЧ связи по ЛЭП на основе аппроксимации его коэффициента усиления и выбор оптимального режима

Федеральное государственное бюджетное образовательное учреждение

высшего профессионального образования

"Омский государственный технический университет"

Кафедра "ЭсПП"







Курсовая работа

По дисциплине "Электроника"

"Определение параметров нелинейности усилителя аппаратуры ВЧ связи по ЛЭП на основе аппроксимации его коэффициента усиления и выбор оптимального режима"


Выполнил: ст. гр. Э-310

Лопатин А.С.

Проверил: Тихонов А.И




Омск 2012

Задание на курсовую работу

1.          Аппроксимировать полиномом седьмой степени экспериментальную зависимость коэффициента усиления Кэ = f ( Uсм ) заданного усилительного каскада на полевом транзисторе (ПТ) типа 2П905А(119J).

2. На основе вычисленных коэффициентов аппроксимации и гармонического анализа с использованием метода МКП по формулам приведенным ниже определить параметры нелинейности третьего порядка и выбрать оптимальный режим работы каскада.

,

,

 -

- полином, аппроксимирующий экспериментальную функцию, выражающую коэффициент усиления в рабочей точке усилителя

.

; ;  -

- вторые производные по напряжению  от , , , соответственно;

, ,  и т.д. - коэффициенты усиления, их крутизна, кривизна и т.д. в рабочей точке, которые находятся как коэффициенты аппроксимирующего полинома;

 - обобщенный параметр нелинейности третьего порядка, который в малосигнальном режиме (Uс << Uп) не зависит от входного сигнала, а определяется значением коэффициента усиления  и его производными в рабочей точке

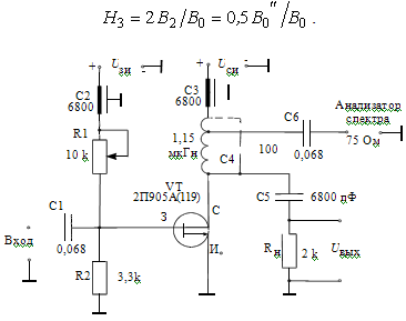
Рисунок 1 - Исследуемый усилительный каскад на ПТ 2П905А(119J)

1. Аппроксимация

Аппроксимацию проводим в следующей последовательности.

. Задаем 11 экспериментальных значений коэффициента усиления в равноотстоящих точках напряжения смещения "затвор-исток" в интервале  и дальнейший расчет производить на основе данного "нормированного" полинома. Эти данные, а также вспомогательные значения нечетных 2Кн и четных 2Кч компонент коэффициента усиления в симметричных точках смещения Uзи сводим в табл.1.

Таблица 1 - Данные аппроксимации коэффициента усиления Кэ =f (Uсм)

х

-1,0

-0,8

-0,6

-0,4

-0,2

0

0,2

0,4

0,6

0,8

1,0

Uзи

-1,5

-1,2

-0,9

-0,6

-0,3

0

0,3

0,6

0,9

1,2

1,5

Кэ

0

0,6

2,6

6,8

12,2

18,6

25,6

32,8

39,8

46,8

53,2

н

-

-

-

-

0

13,4

26

37,2

46,2

53,2

ч

-

-

-

-

-

18,6

37,8

39,6

42,4

47,4

53,2

В0

0,00557

0,564791

2,686893

6,706533

12,21354

18,65354

25,58923

32,73418

39,8715

46,76929

53,20499


2. Находим коэффициенты разложения ортогональных полиномов по формулам:

.

Для определения  используем первую формулу. Входящие в нее нечетные компоненты  берем из таблицы 1 (это разностные значения  в симметричных точках), а значения полинома  - из таблицы 2.

Таблица 2 - значения коэффициентов нормированных полиномов

0

0,000000

-0,291375

0,000000

1,092658

0,000000

-5,1062086

0,000000

0,2

0,0454545

-0,262238

-0,339938

0,728439

2,003205

-1,5318624

-12,765522

0,4

0,0909091

-0,174825

-0,558470

-0,182110

2,003205

4,5955891

-0,9118072

0,6

0,1363636

-0,029138

-1,092658

-0,500801

3,7020048

15,045106

0,8

0,1818182

0,174825

-0,145688

-1,092658

-3,004808

-6,1274442

-10,485929

1,0

0,2272727

0,437063

0,728439

1,092658

1,502404

1,9148344

2,2795937


Находим остальные коэффициенты:

; ; ;

; ; ;

; .

Полином по степеням х находится по формуле, в которой аппроксимирующий полином в отличие от аппроксимируемой функции  обозначен как :

,

где  - ортогональные полиномы. Группируя коэффициенты по степеням х и собирая подобные члены, приходим к удобным выражениям для вычисления членов А0, А1х, А2х2, А3х3 и т.д. этого полинома:

;

;

;

;

;

;

.

В итоге полином по степеням х:

;


Рассматриваемый полином удовлетворяет требованиям формулы:

  = 0 и х = 0     ;

Подставляем в формулу  значение:

,

получаем истинный теоретический полином Во по степеням :

.

По найденному уравнению вычисляем и заносим в нижнюю графу таблицы 2 значения В0 в контрольных точках напряжения смещения .

Из сопоставления экспериментальных значений  и теоретических В0 рисунку 2 видим, что совпадение очень хорошее. Абсолютная ошибка находится в пределах сотых долей, что характеризует пригодность результатов аппроксимации для дальнейшего гармонического анализа различных нелинейных явлений.

. Определение показателей нелинейности и выбор оптимального режима усилительного каскада

Полученные коэффициенты аппроксимации используем для определения параметров нелинейности  и коэффициентов интермодуляционных искажений  в широком диапазоне смещений , что позволит выбрать по этому виду нелинейности оптимальный режим, при котором  стремится к нулю, а коэффициент усиления В0 максимально возможный. Для определения  находим первую и вторую производные полинома , значение которых заносим в таблицу 3, совмещая их с данными самого полинома в тех же контрольных точках.


Тогда с учетом коэффициентов найденного полинома имеем:

Далее вычисляем  и по данным таблицы 3 строим совмещенные зависимости  и  в функции от напряжения  и определяем оптимальный режим, при котором параметр  имеет минимальное значение при максимально возможном коэффициенте усиления .

Таблица 3 - Данные для определения параметров нелинейности  и коэффициентов интермодуляционных искажений  

, В

-1,5

-1,2

-0,9

-0,6

-0,3

0

0,3

0,6

0,9

1,2

1,5

0,00557

0,564791

2,686893

6,706533

18,65354

25,58923

32,73418

39,8715

46,76929

53,20499

-

18,95965

21,71766

16,61786

10,23029

5,353581

2,26036

-0,05737

-2,64283

-5,329

-5,494

, 1/В2

-

16,78467

4,041406

1,238931

0,41881

0,1435

0,044166

-0,00088

-0,0331

-0,0569

-0,0516


Рисунок 2 - Экспериментальная  (пунктиром) и теоретическая  кривые (аппроксимирующий полином) и полученная зависимость  в функции от напряжения затвора  усилителя на ПТ 2П905А(119)

По данным таблицы 3 и графикам легко определить, что оптимальный режим составляет  ≈ 0,9 В, при этом имеет место максимальное ослабление комбинационных составляющих 3-го порядка с амплитудами  и частотами  и .

Коэффициент интермодуляционных составляющих , соответствующий этому ослаблению, при амплитуде бигармонического интермодулирующего сигнала на выходе  В равен:

=0,25··0,142= 0,00016219

или в дБ: (дБ) = 20lg k3 = 20lg 0,00016219 ≈ -76 дБ.

При этом амплитуды бигармонической комбинационной (интермодуляционной) составляющей  с упомянутыми частотами  и  равны

= 0,00016219 ·0,14·10≈22,7 мкВ.

Безупречная точность приведенного расчета подтверждается на основе известного двухсигнального метода измерения соответствующих коэффициентов нелинейности. Метод состоит в том, что на вход усилителя подают два равных сигнала  и  с частотами  и , находящимися в полосе пропускания усилителя.

Рисунок 3 - Схема для измерения коэффициентов нелинейности k2 и k3 двухсигнальным методом.

Рисунок 4 - Вид интермодулирующих U1 = U2 и интермодуляционных Uk3 спектральных составляющих на экране анализатора спектра

аппроксимация усилительный каскад транзистор

На выходе усилителя образуются ПНП третьего порядка с частотами  и  и амплитудами Uk3, измеряемые анализатором спектра.

Ослабление ПНП третьего порядка (амплитуда ) относительно бигармонического сигнала , характеризуемое коэффициентом интермодуляции третьего порядка , измеряется непосредственно анализатором спектра в логарифмическом масштабе (в дБ).

Выводы

1. В выполненной курсовой работе на основе аппроксимации заданной экспериментальной зависимости коэффициента усиления в функции от напряжения смещения "затвор-исток" Кэ = f ( Uзи ) усилительного каскада на полевом транзисторе 2П905А(119J) и гармонического анализа с использованием метода "мгновенного коэффициента передачи" (МКП) определены парамет-ры нелинейности третьего порядка Н3 во всем интервале смещений Uзи и выбран оптимальный режим усилителя, при котором Н3 стремится к нулю при максимально возможном коэффициенте усиления Кэ = Во.

. Выбранный оптимальный режим соответствует Uзи ≈ 0,9 В, параметр нелинейности H3 = - 0,0331 1/ В2. В выбранном оптимальном режиме коэффициент интермодуляционных искажений третьего порядка составил k3=-76 дБ при уровне амплитуд бигармонического сигнала на входе усилителя U1= U2 = Uс = 0,14 В. При этом уровень амплитуды комбинационной (интермодуляционной) составляющей третьего порядка составил Uk3 ≈22,7 мкВ.

Библиографический список

1. Тихонов А. И. Информационно-измерительные и электронные приборы и устройства: практикум / А. И. Тихонов, С. В. Бирюков, А. В. Бубнов. - Омск: Изд-во ОмГТУ, 2010. - 256 с.

. Тихонов А. И., Бубнов А. В., Семенов И. И. Устройства контроля нелинейных параметров усилителей высокочастотных каналов в линиях электропередачи: Сб. "Энергетика на рубеже веков"/ Под ред. В. Н. Горюнова. - Омск: Изд-во ОмГТУ, 2003. - С. 153-159.

. Симонтов И. М., Тихонов А. И. Анализ нелинейных явлений в преобразователях частоты и резонансных усилителях. - Техника средств связи. Сер. ТРС, 1978, вып. 10 (26).- С. 11-23.

. Малышев А. И., Шкарин Ю. П. Специальные измерения высокочастотных каналов по линиям электропередачи. - М.: Энергоатомиздат, 1990.- 336 с.

. Тихонов А. И. Информационно-измерительная техника и электроника: учеб. пособие по выполнению курсовых работ (проектов) и индивидуальных заданий. - Омск: Изд-во ОмГТУ, 2005. - 168 С.

. Ишкин В. Х., Цитвер И. И. Высокочастотная связь по линиям электропередачи 330-750 кВ. - М.: Энергоиздат, 1981. - 208 с.

7. Бруевич А. Н., Евтянов С. И. Аппроксимация нелинейных характеристик и спектры при гармоническом воздействии. - М.: Сов. Радио, 1965.-344 с.

. Тихонов А. И. Анализ и разработка высоколинейных преобразователей и усилителей радиочастоты на транзисторах: Дис. … канд. техн. наук.- Омск

9. Тихонов А. И. О выборе режима преобразователей частоты на полевых транзисторах. - Сб. " Труды учебных институтов связи. Системы и средства передачи информации по каналам связи" - Л.: Изд-во ЛЭИС, 1979.

10. Тихонов А. И. Высокочастотная электроника: учебник по курсу лекций для студентов инженерных и бакалаврских программ обучения / А. И. Тихонов, А. В. Бубнов - Омск: Полиграфический центр КАН, 2012 - 320 с.

Похожие работы на - Определение параметров нелинейности усилителя аппаратуры ВЧ связи по ЛЭП на основе аппроксимации его коэффициента усиления и выбор оптимального режима

 

Не нашли материал для своей работы?
Поможем написать уникальную работу
Без плагиата!
Без нейросетей!