Метрологические характеристики приборов с дифференциально-трансформаторной измерительной схемой

  • Вид работы:
    Контрольная работа
  • Предмет:
    Информатика, ВТ, телекоммуникации
  • Язык:
    Русский
    ,
    Формат файла:
    MS Word
    46,52 Кб
  • Опубликовано:
    2013-02-01
Вы можете узнать стоимость помощи в написании студенческой работы.
Помощь в написании работы, которую точно примут!

Метрологические характеристики приборов с дифференциально-трансформаторной измерительной схемой















Метрологические характеристики приборов с дифференциально-трансформаторной измерительной схемой

1. Дистанционная передача измерительной информации

Для дистанционной передачи измерительной информации широко применяют электрические системы с электромеханическими преобразователями, входная электрическая величина которых определяется положением их подвижных частей. Такие преобразователи, наряду с простотой их устройства и высокой надёжностью, позволяют преобразовать многие технологические параметры в электрический сигнал. К таким параметрам относятся: линейное и угловое перемещения, скорость и ускорение перемещаемых изделий, давление, разрежение, расход, уровень жидкости и т.д.

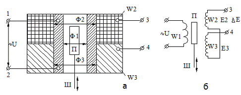
Большое распространение в системах дистанционного контроля получил дифференциально-трансформаторный преобразователь (ДТП), который представляет собой два совмещённых трансформатора с общим подвижным якорем (рис. 1) [1, 2, 3].

Рис. 1. Общий вид цилиндрического ДТП (а); схема соединения его обмоток (б)

дифференциальный трансформаторный преобразователь дистанционный

Принцип действия ДТП основан на изменении взаимоиндуктивности двух систем обмоток при перемещении элемента магнитопровода.

На пластмассовой катушке размещены одна первичная W1 и две вторичные W2, W3 обмотки. Катушка заключена в цилиндрический стальной кожух-магнитопровод для защиты от внешних магнитных полей. Первичная обмотка размещена равномерно по всей длине катушки. К её концам 1 и 2 подводится напряжение питания переменного тока. Вторичные обмотки выполнены в виде секций, каждая из которых занимает половину катушки по длине, имеют одинаковое число витков и включены встречно.

Внутри катушки находится плунжер 2 измагнито-мягкого железа, который по длине меньше катушки. Через шток - Ш плунжер связан с чувствительным элементом, перемещение которого зависит от измеряемого параметра.

При питании обмотки W1 переменным напряжением U создаётся магнитный поток Ф1, охватывающий обе вторичные обмотки, и потоки Ф2 и Ф3, связанные с обмотками W2 и W3 соответственно.

Во вторичных обмотках индуцируется ЭДС.

 

E2 = 4,44fW21 + Ф2) иE3 = 4,44fW31 + Ф3)

где f - частота питающей сети; W2,W3 - число витков соответствующих обмоток.

Если плунжер 2 находится в среднем положении, то ЭДС Е2= Е3 и при последовательном и встречном соединениях вторичных обмоток на зажимах 3 и 4 напряжение будет равно нулю, т. е. ∆Е = Е2-Е3 = 0.

Если плунжер сместится из среднего положения, равенство Ф2 = = Ф3 нарушится, и на зажимах 3 и 4 появится результирующая ЭДС. Величина этой ЭДС будет зависеть от величины смещения плунжера, а фаза - от направления его смещения.

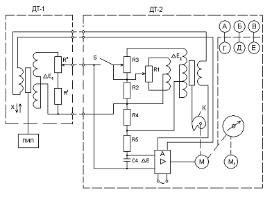
2. Дифференциально-трансформаторная система дистанционной передачи показаний

В схему входят две одинаковые катушки ДТ1 (установленная в датчике) и ДТ2 (установленная во вторичном приборе).

Рис. 2. Принципиальная схема дифференциально-трансформаторной системы передачи показаний

Если сердечник катушки ДТ1 находится в среднем положении, то ∆Е1 = 0. Если сердечник катушки ДТ2 находится в среднем положении, то ∆Е2 = 0. Следовательно, напряжение ∆Е на входе электронного усилителя А вторичного прибора будет равно нулю, так как, ∆Е = Е1 - -Е2 = 0. Система находится в состоянии покоя.

При смещении сердечника датчика от среднего положения в измерительной схеме под действием напряжения ∆Е возникает ток. Величина напряжения этого тока является функцией перемещения сердечника ДТ1, а его фаза - функцией направления смещения. Величина ∆Е усиливается усилителемА и поступает на обмотку управления двигателя М. Последний, вращая кулачок К, будет перемещать сердечник катушки ДТ2 вторичного прибора до тех пор, пока индуцируемое напряжение ∆Е2 не станет равным напряжению∆Е1. Одновременно с кулачкомК передвинется и стрелка прибора, связанная гибкой связью с электродвигателем М. Таким образом, каждому положению сердечника ДТ1 датчика будет соответствовать определённое положение сердечника ДТ2 прибора, а, значит, и положение стрелки.

Для установки начальной (нулевой) отметки шкалы в приборе предусмотрена обмотка W4 , шунтированная резистором R1. Если сердечник находится в нижнем положении, а стрелка прибора не устанавливается на нулевую отметку шкалы, осуществляется регулировка цепи перемещением движка R1.

Исправность прибора проверяют с помощью кнопки контроля S, при замыкании которой цепь вторичной обмотки ДТ1 отключается и на вход усилителя подается сигнал со вторичной обмотки ДТ2. В этом случае М установит указатель в среднее положение, отмеченное на шкале прибора, при котором ∆Е2 = 0. Если при этом стрелка не устанавливается в указанное положение, прибор настраивают перемещением катушек относительно сердечника ДТ2. Резистор R2 выполняется медным для компенсации температурных погрешностей вторичной обмотки прибора.

Для дистанционной передачи давления применяют манометры МЭД, снабженные ДТП [1, 2]. Упругим чувствительным элементом манометра является трубчатая пружина (трубка Бурдона), закрепленная на держателе, на котором находится планка с ДТП. Внутрь трубки Бурдона подводится измеряемое давление. Трубка разгибается и перемещает закрепленный на ее конце плунжер.

Литература

 

1. Волынский В.А. и др. Электротехника /Б.А. Волынский, Е.Н. Зейн, В.Е. Шатерников: Учеб.пособие для вузов. - М.: Энергоатомиздат, 2007. - 528 с., ил.

. Касаткин А.С., Немцов М.В. Электротехника: Учеб.пособие для вузов. - 4-е изд., перераб. - М.: Энергоатомиздат, 2009. - 440 с., ил.

. Основы промышленной электроники: Учебник для неэлектротехн. спец. вузов /В.Г. Герасимов, О М. Князьков, А Е. Краснопольский, В.В. Сухоруков; под ред. В.Г. Герасимова. - 3-е изд., перераб. и доп. - М.: Высш. шк., 200 - 336 с., ил.

. Электротехника и электроника в 3-х кн. Под ред. В.Г. Герасимова Кн.1. Электрические и магнитные цепи. - М.: Высшаяшк. - 2006 г.

. Электротехника и электроника в 3-х кн. Под ред. В.Г. Герасимова Кн.2. Электромагнитные устройства и электрические машины. - М.: Высшаяшк. - 2007 г.

Похожие работы на - Метрологические характеристики приборов с дифференциально-трансформаторной измерительной схемой

 

Не нашли материал для своей работы?
Поможем написать уникальную работу
Без плагиата!
Без нейросетей!