Изучение стационарной радиостанции РС-46М

  • Вид работы:
    Практическое задание
  • Предмет:
    Информатика, ВТ, телекоммуникации
  • Язык:
    Русский
    ,
    Формат файла:
    MS Word
    334,25 Кб
  • Опубликовано:
    2013-01-28
Вы можете узнать стоимость помощи в написании студенческой работы.
Помощь в написании работы, которую точно примут!

Изучение стационарной радиостанции РС-46М

Федеральное Агентство Железнодорожного Транспорта

Уральский Государственный Университет Путей Сообщения

Кафедра: «Связь»









Лабораторная работа № 2

«Изучение стационарной радиостанции РС-46М»


Выполнил:

студент гр. Ша-415

Терентьев П.В.

Проверил: преподаватель

Волынский Д.Н. 




Екатеринбург 2009 г.

Цель работы: изучение стационарной радиостанции РС-46М нового поколения, внедряемой в настоящее время на железнодорожном транспорте в системах поездной и ремонтно-оперативной радиосвязи.

1.  Назначение и функциональные возможности радиостанции

Радиостанция PC - 46М предназначена для применения в линейных сетах поездной (ПРО и ремонтно-оперативной (РОРС-Л) радиосвязи. Она заменяет ранее выпускаемую радиостанцию PC - 6. PC - 46М относится к пятому поколению аппаратуры радиосвязи, выполнена на основе элементов микропроцессорной техники.

В сетях ПPC радиостанция PC - 46М обеспечивает связь машинистов поездных локомотивов с дежурными по станциям (ДСП) и поездными диспетчерами (ДНЦ). При участии ДНЦ к этим сетям могут подключаться помощники поездного диспетчера по локомотивам (ТНЦ) и энергодиспетчеры (ЭЧЦ). В сетях РОРС-Л радиостанция РС-46М позволяет устанавливать связь работников ремонтных подразделений и военизи­рованной охраны, находящихся на перегонах и железнодорожных станциях, с диспетчерами соответствующих подразделений (связи и СЦБ, энергос­набжения, пути, ВОХР и др.). К стационарным радиостанциям РС-46М сетей РОРС-Л могут подключаться пульты управления ПУС, которые находятся в помещениях ДСП, дистанций контактной сети, дорожного мастера (ПД) и других.

В сетях ПРС радиостанция РС-46М 'работает па одной из двух частот гектометрового (ГМВ) диапазона 2,130 или 2,150 МГц. В сетях РОРС-Л она функционирует на любой из 172 частот метрового (MB) диапазона в полосе 151,700...156,000 МГц.

По электрическим параметрам радиостанция РС-46М соответствует ГОСТ 12252-86.

В сетях ПРС и РОРС-Л РС-46М управляется дистанционно от распорядительных станций СР-34, СР-234М по линейным каналам связи. ТЧ Для этого могут использоваться четырехпроводные каналы двухпроводные кабельные и воздушные линии. Для каждой радиостанции предусмотрено присвоение двух индивидуальных номерок. Номера выбираются из двух групп. Каждая из них имеет 28 номеров. Индивидуальные номера устанавливаются при монтаже радиостанции. РС-46М подключается к линейному каналу при приеме сигнала избирательного подключения (СИП), передаваемого распорядительной станцией (СР). После приема такого сигнала РС-46М формирует и передает через линейный канал на распорядительную станцию сигнал контроля подключения (СКП), содержащий информацию о присвоенном номере подключившейся радиостанции, а в радиоканал - вызывной сигнал частотой 1000 Гц.

Дистанционное управление режимами "Прием" и "Передача" радиостанции РС-46М со стороны СР производится двухчастотными кодовыми сигналами (частоты 2227 и 2295 Гц) длительностью 0,2 с или постоянным током. РС-46М автоматически отключается от линейного канала при приеме от СР сигнала "Отбой" (двухчастотная посылка 1071, 1207 Гц длительностью 0,5 с) или через 60 с после прекращения переговоров.

Конструктивно радиостанция РС-46М состоит из шкафа РПО двух пультов управления ГТУС с педалью и выносным микрофоном, блока питания БППУ для удаленных пультов управления, антенно-согласующего устройства АнСУ (для диапазона ГМВ). технологического пульта управления ПУТ, усилителя мощности УМ-40 (для 150 МГц) и комплекта антенн с различными диаграммами направленности для диапазона MB.


Структурная схема радиостанции РС-46М (см. рис.1.) состоит из микропроцессорного контроллера МГ1К, который управляет работой радиостанции по хранящейся в нем программе. В нее также входят блоки: адаптеры проводного канала АПК2 и АПК4 (подключение к линейному каналу); приемник-генератор сигналов ПГС (прием команд из проводного канала и формирование сигналов в радио и проводной каналы); адаптер приемопередатчика АЛЛ (сопряжение с приемопередатчиком); адаптер периферийных устройств АГГУ (сопряжение с пультами, технологической микротелефонной трубкой, цепями подключения устройства документированной регистрации переговоров); адаптер телеуправления АТУ (сопряжение с внешним устройством телеуправления по аналоговому стыку ТУ-ТС и усилителем мощности УМ-40); адаптер телефонной линии АТЛ (сопряжение с абонентской телефонной линией ЖАТС); блок питания радиостанции БП.

АПК, АПУ, АЛЛ, АТУ, АТЛ соединены воедино коммутируемыми аналоговыми магистралями. К каждой из них подключен один источник и несколько приемников. Линия аналогового сигнала подает сигнал из проводного канала (от АПК) в приемник-генератор ПГС для декодирования тональных команд управления.

Рисунок 1 Структурная схема радиостанции

Микропроцессорный контроллер МПК предназначен для управления радиостанцией по хранящейся в нем программе, хранения неоперативно изменяемых (конфигурируемых) параметров, связи с внешней аппаратурой передачи данных, приема сигналов контроля блока питания. Контроллер построен на основе микропроцессора КМ1821ВМ85. Тактовая частота работы контроллера задается кварцевым генератором и равна 4608 кГц.

Постоянное запоминающее устройство (ПЗУ) имеет объем памяти 32 Кбит. Оно выполнено на микросхеме К573РФ4А. Оперативное запоминающее устройство (ОЗУ) на микросхеме КР537РУ10 имеет объем памяти 2 Кбит. Репрограммируемое запоминающее устройство (РПЗУ) необходимо для хранения информации об устанавливаемых неоперативно параметрах станции (номера рабочих каналов и частот СИП и СКП; другие данные, вводимые оператором с технологического пульта управления ПУТ).

Информация между радиостанцией РС-46М и внешней ап­паратурой передачи данных передается последовательным стартстопным кодом в асинхронном режиме байтами. Каждый из них содержит восемь информационных и два стоповых бита при скорости передачи 1200 бит/с.

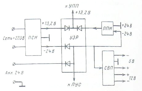
3.Структурная схема электропитания

Структурная схема электропитания радиостанции РС-46М (рис.2) состоит из преобразователя сетевого напряжения (ПСН), преобразователя постоянного напряжения (ППН), устройства защиты и резервирования (УЗР) и стабилизатора вторичных напряжении (СВП). Основное электропитание - сеть переменного тока напряжением 220 В, резервное - аккумуляторная батарея напряжением 24 В с заземленным положительным полюсом. Переход на резервное электропитание происходит автоматически при пропадании сети переменного тока напряжением 220 В. Преобразователь сетевого напряжения - ПСН вырабатывает постоянный ток двух стабилизированных напряжением 13,2 и 24 В. Источник напряжением 13,2 В используется для питания приемопередатчика УПП-Ш (УПП-2М), а 24 В - ближних ПУС и СВП. От источника напряжением 24 В работает СВП. Он обеспечивает электропитанием напряжениями 5 и 12 В все элементы схемы шкафа РПО (кроме УЮТ).

ПСН собран по схеме с импульсной стабилизацией выходных напряжений. Переменный ток напряжением 220 В выпрямляется и затем подается на транзисторный преобразователь. На его выходе выделяется переменное импульсное напряжение частотой 30 кГц с амплитудой порядка 160 В. Оно понижается высокочастотным силовым трансформатором до необходимых уровней. Схема управления стабилизирует выходные напряжения благодаря изменению длительности открытого состояния транзисторов преобразователя, а также защищает ПСН о. перегрузки по току.

Преобразователь постоянного напряжения - ГГПП преобразует напряжение 24В в напряжение 13,2 В с гальванической развязкой между входом и выходом. В состав ППН входит вспомогательный источник питания, усилитель мощности, схема зашиты и двухконтактный инвертор. Стабильность выходного напряжения обеспечивается широтно-импупьсным модулятором.

Рисунок 2 Структурная схема электропитания радиостанции

4. Отличие радиостанции РС-46М от РС-6

Радиостанция РС-46М значительно отличается от РС-6 своими функциональными возможностями. В РС-46М, например, предусмотрены возможность дистанционного контроля состояния основных ее узлов и работающего с ней усилителя мощности УМ-40 с пульта управления ПУС и с распорядительной станции СР, а также взаимодействие с измерительным комплексом вагона-лаборатории без участия оператора. Для этого предусмотрен прием из радиоканала двухчастотного избирательного вызова, аналогичного СИП (в первых образцах радиостанций избирательный вызов представлял собой тональную посылку на одной из трех частот 1100, 1200 и 1300 Гц|. При приеме избирательного вызова, переданного через технологическую радиостанцию вагона-лаборатории, РС-46М автоматически переходит в режим "Передача" на время 8 с в диапазоне ГМВ и на 3 с в диапазоне MB. При этом несущая частота передатчика модулируется кон­трольной частотой 900 Гц.

Последовательное чередование номеров, присвоенных радиостанциям, дает возможность установить взаимодействие измерительного комплекса вагона-лаборатории только с одной РС-46М.

Для контроля технического состояния радиостанции и УМ-40 все световые индикаторы пульта управления имеют второе назначение; а именно: каждый из них сигнализирует о состоянии определенного узла или блока. При нажатии кнопки "Контроль" результаты проверки из шкафа РПО передаются на ПУС. При исправном состоянии радиостанции все световые индикаторы зажигаются и постоянно светятся в течение нескольких секунд. В случае отказа блока (узла) РС-46М или УМ-40 соответствующий ему индикатор начинает мигать. Такой контроль может выполнить, например, дежурный по станции и сообщить о результатах линейному электромеханику. Тот, в свою очередь, выезжая на линию, уже будет знать о характере неисправности и заранее может предпринять соответствующие меры (взять с собой исправный блок, необходимый инструмент и др.).

. Контроль состояния радиостанции

радиосвязь радиостанция функциональный

Для проверки состояния радиостанции РС-46М от распорядительной станции СР-34 (СР-234М) в линейный канал связи передается команда на проведение обобщенного контроля (последовательно два сигнала контрольного цикла СЩ). Приняв эту команду, радиостанция запускает схемы встроенного контроля и его результаты фиксируются в памяти. При последующем опросе со стороны СР (в линейный канал передается команда, состоящая из СКЦ+СИП1) считываются результаты контроля в обобщенном виде. В случае отсутствия отклонений в работе блоков и устройств радиостанция передает информацию о своем состоянии в виде двух сигналов СКП+СКП. Если был выявлен хотя бы один неисправ­ный блок, то ответ радиостанции будет состоять из одного СКП (либо ответа вообще не будет). Результаты полученного контроля накапливаются в памяти распорядительной станции.

антенно-фидерного устройства, блока питания и выходных каскадов усилителя мощности УМ-40;

модулятора и синтезатора приемопередатчика УПП-1М (УПП-2М), чувствительности приемника, выходной мощности передатчика, КСВ антенно-фидерного устройства;

центрального микропроцессора МПК;

блока питания радиостанции;

обоих пультов управления ПУС и их адаптеров.

Результаты контроля высвечиваются на индикаторном табло распорядительной станции СР-234М.

В зависимости от назначения и состава оборудования радиостанция РС-46М в технической документации обозначается: Р22С-46Д; Р12С-46.2 и Р20С-46.3. Первые две радиостанции предназначены для работы в MB диапазоне, причем во вторую входит усилитель мощности УМ-40. Радиостанция Р20С-46.3 выпускается для работы в сетях ПРС гектометрового диапазона волн.

Потребителям радиостанция РС-46М предлагается в 28 вариантах. Они отличаются числом ближних и удаленных пультов управления, типами антенн и адаптеров линейных каналов (ТЧ и НЧ), наличием или отсутствием устройств сопряжения с ЖАТС и блоков гальванической развязки (для антенн MB диапазона). Если в заказе не указан конкретный тип антенны, то поставщик комплектует радиостанцию антенной АС-6/2 с диаграммой направленности в виде "восьмерки". Для каждого варианта радиостанции поставляется технологический пульт.

6. Структура связи

В системе описываемой радиосвязи участвует до 28 радиостанций, размещаемых вдоль ж.-д. полотна (см. рисунок З). Линейные выходы этих радиостанций подключаются к линии диспетчерской связи (ЛДС); к каждой должна быть подключена распорядительная станция СР-234М, размещаемая в крупных железнодорожных узлах и станциях в помещении поездного диспетчера (ДЩ). Именно ДНЦ руководит связью с СР-234М (она описывается в другом пособии). Для вызова машиниста поезда ДНЦ посылает команду (двухчастотный код) на подключение к ЛДС той радиостанции РС-46М, которая находится ближе к нужному поезду. После подключения к ЛДС радиопроводное оборудование РС-46М формирует следующие сигналы:

посылает в линию ДУ1 и ДУ2 команды "Занято" на оба пульта ПУС;

посылает в ЛДС на СР-234М сигнал, подтверждающий подключение этой радиостанции к ЛДС;

посылает в эфир сигнал тонального вызова частотой 1000 Гц на первом канале.

Диспетчер голосом вызывает нужный ему локомотив.

Управление режимами "Прием" и "Передача" радиостанции во время переговоров диспетчера с машинистом локомотива осуществляется посылкой на ЛДС соответствующих команд с СР-234М. После завершения переговоров с СР-234М на радиостанцию РС-46М поступает команда "Отбой", отключающая радиостанцию от ЛДС.

Одновременно в линии ДУ1 и ДУ2 поступают с устройства РПО команды "Занято" на пульты ПУС.

Рисунок 3 Структурная схема организации связи


Не нашли материал для своей работы?
Поможем написать уникальную работу
Без плагиата!
Без нейросетей!