Двухканальный усилитель низкой частоты 2х22Вт

  • Вид работы:
    Курсовая работа (т)
  • Предмет:
    Информатика, ВТ, телекоммуникации
  • Язык:
    Русский
    ,
    Формат файла:
    MS Word
    753,38 Кб
  • Опубликовано:
    2013-02-09
Вы можете узнать стоимость помощи в написании студенческой работы.
Помощь в написании работы, которую точно примут!

Двухканальный усилитель низкой частоты 2х22Вт













Тема

Двухканальный усилитель низкой частоты 2х22Вт

Задание на курсовую работу

Разработать двух канальный усилитель низкой частоты со следующими характеристиками:

Напряжение питания - 6…15 В

Пиковое значение выходного тока - 4 А

Ток в режиме mute/stand-by - 100 мкА

Диапазон воспроизводимых частот - 45…20000 Гц

Коэффициент нелинейных искажений - 0,1%

Сопротивление нагрузки (номинальное 4) - более 2 Ом

Мостовое включение(2X22 Вт).

Выходная мощность: 22 Вт.

Входное сопротивление: 30 кОм.

Коэффициент усиления Au: 26 дБ.

ВВЕДЕНИЕ

Предлагаемый усилитель обладает малыми габаритами и широким диапазоном питающих напряжений. УНЧ воспроизводит частоты 45 Гц…20 кГц при коэффициенте нелинейных искажений 0.1%. Области применения данного УНЧ крайне разнообразны. УНЧ можно использовать как на открытом воздухе для проведения различных мероприятий, так и в домашних условиях в составе музыкального комплекса. Выбор выходной мощности и числа каналов осуществляется самим радиолюбителем, поскольку элементная база обеспечивает работу как одного, так и другого варианта.

УНЧ выполнен на интегральной микросхеме TDA1554Q, содержащей четыре идентичных УНЧ по 11 Вт. При работе в режиме 4х11 Вт каждый усилитель работает отдельно со своим входным сигналом и на свою нагрузку. Для удвоения выходной мощности на той же нагрузке и при том же напряжении питания (вариант 2х22 Вт) усилители включаются попарно по мостовой схеме.

Конструкция предусматривает установку платы в корпус.Габариты устройства специально рассчитаны для использования его совместно с компьютерным радиатором от процессоров семейства Pentium. Радиатор устанавливается перпендикулярно плате.

1. УСИЛИТЕЛИ ЗВУКОВЫХ ЧАСТОТ

 

1.1 Определение


Усилитель <#"598864.files/image001.gif">

 

). Усилитель на TDA1557Q

Uпит - 7...16 V

Iмакc - 6 A

Rнагp - 3,2...16 Om

Uвх - 40...70 mV

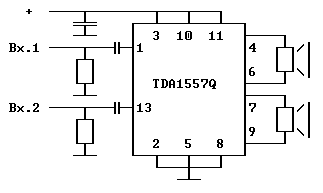
Схема электрическая принципиальная показана на рисунке 2.

Рисунок 2 - электрическая принципиальная схема усилителя на микросхеме TDA1557Q

3). Усилители на TDA1558

Микросхема TDA-1558 (TDA-1555) - это четырехканальный усилитель мощности с выходной мощностью 11 Вт (4 канала при Rн=2 Ом), 22 Вт (2 канала в мостовом включении при Rн=4 Ом). Предназначена для применения в звуковоспроизводящей Hi-Fi аппаратуре.

Усилитель имеет защиту выходного каскада от короткого замыкания и перегрузок по току, переполюсовки питания и термозащиту.

В ИМС встроен стабилизатор напряжения с коэффициентом подавления пульсаций 48 дБ и детектор нелинейных искажений, позволяющий автоматически переводить усилитель в режим "мягкого ограничения" (при совместном использовании с ИМС . Схема электрическая принципиальная показана на рисунке 3.

двухканальный усилитель частота низкий

Рисунок 3 - электрическая принципиальная схема усилителя на микросхеме TDA1558

 

). Усилитель на TA8215

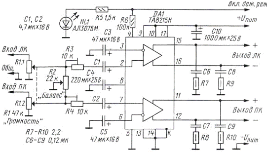
Основа- микросхема TA8215 с мостовым оконечным каскадом, что дает возможность при низком напряжении питания получить значительную выходную мощность! Ещё одна положительная сторона этого УМЗЧ та, что его можно использовать не только дома, но и в автомобиле. Схема электрическая принципиальная показана на рисунке 4.

УМЗЧ изготовлен на основе микросхемы TA8215 внутри микросхема состоит из девяти функциональных узлов- два предварительных усилителя, два фазоинвертора, четыре оконечных усилителя мощности с мостовой схемой включения нагрузки (по два на канал) и узла мониторинга и защиты.

Рисунок 4 - электрическая принципиальная схема усилителя на микросхеме TA8215

). Одноканальный усилитель НЧ 22 Вт (TDA2005, мостовое включение)

УНЧ имеет хорошие эксплуатационные характеристики, надежен и прост в сборке. Его можно использовать как в домашних условиях, так и в автомобиле. Применение в качестве усилительного элемента интегральной микросхемы TDA2005 позволило реализовать следующие функции:

защита от КЗ нагрузки;

защита от бросков напряжения питания в диапазоне до 40 В.

Усилитель имеет широкий диапазон напряжений от 6 до 18 В.

Технические характеристики УНЧ NK057

Напряжение питания - 6…18 В

Пиковое значение выходного тока - 3 А

Ток в режиме покоя - 75 мА

Диапазон воспроизводимых частот - 40…20000 Гц

Коэффициент нелинейных искажений - 1%

Сопротивление нагрузки (номинальное 3,2) - больше 2 Ом

Выходная мощность - 22 Вт

Чувствительность - 300 мВ

Коэффициент усиления - 50 дБ

Размеры печатной платы - 34х28 мм

Общий вид усилителя представлен на рисунке 5, схема электрическая принципиальная на рисунке 6, вид печатной платы со стороны проводников на рисунке 7.

Рисунок 5 - Общий вид усилителя

Рисунок 6 - схема электрическая принципиальная

Рисунок 7 - вид печатной платы со стороны проводников


Размеры микросхемы TDA1554Q показаны на рисунке 8.

Рисунок 8 - размер микросхемы TDA 1554Q Описание схемы включения микросхемы TDA 1554Q: 1- неинвертированный вход 1; 2- инверсный вход 1; 3- общий сигнал; 4- земля; 5, 13 и 14- подключаются к переключателю дежурного режима; 6- OUT1; 7,11- общее питание; 8- OUT2; 10 - OUT3; 12 - OUT4; 16 - инверсный вход 2; 17 - неинвертированный вход 2

Схема включения микросхемы TDA 1554Q показана на рисунке 9.

Рисунок 9 - схема включения

3. ПРИНЦИПИАЛЬНАЯ СХЕМА УСИЛИТЕЛЯ

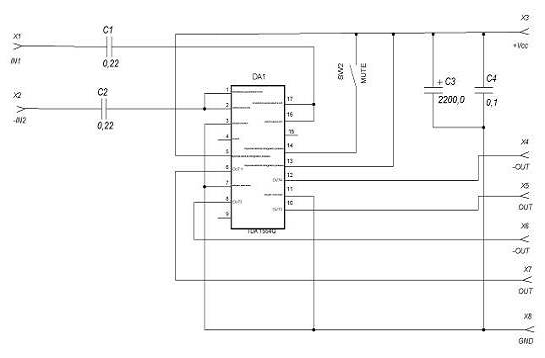
УНЧ выполнен на интегральной микросхеме TDA1554Q, содержащей четыре идентичных УНЧ по 11 Вт. Для удвоения выходной мощности на той же нагрузке и при том же напряжении питания (вариант 2х22 Вт) усилители включаются попарно по мостовой схеме. Габариты устройства специально рассчитаны для использования его совместно с компьютерным радиатором от процессоров семейства Pentium. Радиатор устанавливается перпендикулярно плате. Электрическая принципиальная схема сделанного мной усилителя показана на рисунке 10.

Рисунок 10 - электрическая принципиальная схема усилителя на микросхеме TDA1554Q

Конденсаторы С1 и С2- это разделительные конденсаторы, которые служат для того, чтобы постоянный ток от источника питания не пошел в нагрузку. Конденсаторы С3 и С4- фильтр и сглаживание напряжения вовремя басов.

На входы X1 и Х2 подается звуковой сигнал, в моём случае я беру сигнал с mp3-плеера. Затем сигнал подаётся на два стабилизирующих конденсатора ёмкостью 0,22 мкФ. Конденсатор С2 идет на ножки 1 и 2 микросхемы TDA1554Q, а С1 на ножки 17, 18. Ножки 3, 7 и 11 микросхемы TDA1554Q идут на общий провод. Входное напряжение Х5 идет на стабилизирующий конденсатор ёмкостью 0,1 мкФ и электролитический конденсатор ёмкостью 2200,0 мкФ/ 25В. Минус электролитического конденсатора выходит на общий провод и заземляется. Положительный выход электролитического конденсатора идет на ножки 5, 13 и 14. Выходной сигнал для левого динамика снимаем с ножек 6 и 8 микросхемы TDA1554Q. С ножек 10, 12 выводим сигнал на правый динамик.

Переключатель SW1 служит для выбора режимов работы усилителя:

рабочий режим - SW1 замкнут;

дежурный режим - SW1 разомкнут.

ЗАКЛЮЧЕНИЕ

Усилители низкой частоты являются неотъемлемым звеном практически любой аудиосистемы, независимо от уровня ее сложности и области применения. Существует много факторов, позволяющих характеризовать и делить на категории УНЧ по методам работы и эксплуатационным свойствам. К ним относятся тип применяемых усилительных элементов (полупроводники или лампы), коэффициент передачи (обычно, по напряжению в дБ), диапазон воспроизводимых частот, уровень нелинейных искажений, КПД, величина потребляемого тока и напряжение питания, собственный уровень шумов, входные/выходные параметры, предельно допустимые режимы работы и многие другие. Кроме этого, усилители мощности можно классифицировать по назначению, а именно, автомобильные УНЧ, УНЧ для применения дома и на улице.

Традиционно, при построении УНЧ используют дискретную элементную базу и многочисленные отработанные схемотехнические решения.

На сегодняшний день, уровень развития интегральной полупроводниковой техники позволяет создавать УНЧ в интегральном исполнении с характеристиками, в большинстве случаях эквивалентными дискретным усилителям мощности, а порой даже на порядок лучшими. Подобные интегральные УНЧ обладают рядом неоспоримых преимуществ: они несоизмеримо меньше в размерах и существенно дешевле своих дискретных аналогов. Кроме того, как показывает практика, такие УНЧ удовлетворяют потребности практически любого пользователя.

ПРИЛОЖЕНИЕ

Похожие работы на - Двухканальный усилитель низкой частоты 2х22Вт

 

Не нашли материал для своей работы?
Поможем написать уникальную работу
Без плагиата!
Без нейросетей!