Розробка та виготовлення гнучкої комп’ютеризованої системи 'Апаратний Web-сервер на базі мікроконтролера сімейства ARM9'

  • Вид работы:
    Дипломная (ВКР)
  • Предмет:
    Информационное обеспечение, программирование
  • Язык:
    Украинский
    ,
    Формат файла:
    MS Word
    2,2 Мб
  • Опубликовано:
    2012-09-19
Вы можете узнать стоимость помощи в написании студенческой работы.
Помощь в написании работы, которую точно примут!

Розробка та виготовлення гнучкої комп’ютеризованої системи 'Апаратний Web-сервер на базі мікроконтролера сімейства ARM9'

Міністерство освіти і науки України

Криворізький інститут

Кременчуцького університету економіки, інформаційних технологій і управління

Кафедра технічної кібернетики







ДИПЛОМНА РОБОТА

зі спеціальності

Гнучкі комп’ютеризовані системи та робототехніка

ПОЯСНЮВАЛЬНА ЗАПИСКА

Розробка та виготовлення гнучкої комп’ютеризованої системи "Апаратний Web-сервер на базі мікроконтролера сімейства ARM9"






Кривий Ріг

Анотація

Метою даної дипломної роботи є розробка та виготовлення гнучкої комп’ютеризованої системи «Апаратний Web-сервер на базі мікроконтролера сімейства ARM9». Результати даної роботи можуть бути використані в науково-дослідних експериментах, що проводяться на кафедрі, а також в інших галузях науки й техніки, у яких застосовується віддалене управління автоматизованими системами.

Розділів , таблиць , рисунків, бібліографічних посилань , загальний обсяг .

ЗМІСТ

Вступ

1. Постановка завдання

1.1 Найменування й галузь застосування

1.2 Підстава для створення

1.3 Характеристика розробленого програмного забезпечення

1.4 Мета й призначення

1.5 Загальні вимоги до розробки

1.6 Джерела розробки

2. Дослідження методів апаратної організації Web-серверів

2.1 Цільове призначення апаратних Web-серверів

2.2 Огляд існуючих рішень апаратних Web-серверів

2.3 Розробка технічних вимог до пристрою

3. Розробка пристрою

3.1 Розробка функціональної схеми пристрою

3.2 Розробка принципової схеми

4. Розробка програмного забезпечення

4.1 Вибір та установка операційної системи на Web-сервер

4.2 Вибір, установка та налагодження Web-серверу

4.3 Розробка Web-сторінки

4.4 Розробка програми керування мікроконтролера

5. Організаційно-економічна частина

5.1 Розрахунок собівартості системи «Апаратний Web-сервер на базі мікроконтролера сімейства ARM9»

5.2 Розрахунок економічного ефекту

6. Охорона праці

6.1 Аналіз шкідливих та небезпечних факторів

6.2 Заходи щодо усунення шкідливих і небезпечних виробничих факторів

6.3 Пожежна безпека

Висновки

Список літератури

Вступ


У промисловості й житлово-комунальному господарстві країни є величезна кількість таких об’єктів, як котельні, електропідстанції, станції, що підкачують воду та багато інших подібних об’єктів, на яких функціональні обов’язки персоналу (часто малокваліфікованого) зводяться, як правило, до спостереження за роботою агрегатів і механізмів і найпростіших функцій керування (включення/вимикання встаткування в задані моменти часу тощо). Для усунення позаштатних ситуацій або аварій обслуговуючий персонал змушений викликати кваліфікованих фахівців. Для забезпечення роботи таких об’єктів потрібна велика кількість персоналу, і в цілому, весь комплекс експлуатаційних і противоаварійних заходів є дорогим.

Швидкий розвиток комп’ютерної техніки привів до того, що персональні комп’ютери зараз є практично на кожнім робочому місці. Використаються вони для рішення різних завдань, у тому числі й для обробки всіляких даних, отриманих за допомогою стаціонарних вимірювальних приладів. Але якщо використати прилади, які не мають зв’язку з комп’ютером, процес переносу зібраної інформації в комп’ютер стає дуже трудомістким і стомлюючим.

Тобто, сучасний рівень розвитку обчислювальної техніки й засобів зв’язку дозволяє перевести більшість подібних об’єктів на автоматичний режим роботи з наданням можливості дистанційного моніторингу й керування мережею об’єктів з єдиного диспетчерського пункту. Потрібна можливість поміняти взаємодію людини з машиною. Такий підхід приводить до зниження витрат на експлуатацію об’єктів, дозволяє скоротити чисельність їхнього персоналу при одночасному істотному поліпшенні якості обслуговування, рішенні завдання автоматизованого обліку й оптимізації керування технологічними процесами. Одержання об’єктивної інформації дозволяє реально оцінювати справжній стан об’єктів і їхнього встаткування, що забезпечує прийняття обґрунтованих рішень для планування організаційно-технічних заходів.

Будь-яка організація потребує своєчасного доступу до інформації. Цінність інформації в сучасному світі дуже висока. Існує багато вагомих причин перекладу існуючої інформації на комп’ютерну основу. Зараз вартість зберігання інформації у файлах ЕОМ дешевше, ніж на папері.

У промисловості можливо застосування систем контролю та управління за технологічними процесами, при цьому, крім збору й аналізу вхідних даних, комп’ютер може видавати керуючі сигнали на виконавчі пристрої. На автоматизованих робочих місцях розроблювачів, настроювачів, ремонтників радіоелектронної апаратури, систем керування технологічними процесами, може бути розроблене програмне забезпечення спеціально під конкретне завдання, що може значно полегшити роботу.

Для системи контролю та управління необхідно використати апаратний Web-сервер, який буде поєднувати безліч різноманітних датчиків, перемикачів і пристроїв в одну мережу, з можливістю доступу до усієї необхідної інформації по одному з найпоширеніших методів зв’язку, та для будь-якої необхідної кількості людей.

У звичному розумінні сервер потрібний для того, щоб об’єднати комп’ютери, як наприклад, жителів одного будинку або офісу, у мережу й організувати спільну роботу найчастіше з виходом до Інтернету. Подібні сервери, кожний з яких поєднує десятки різноманітних комп’ютерів, також підключаються до сервера, тільки могутнішого, у такий спосіб утворюючи так звану всесвітню павутину. В основному у всіх сервер асоціюється із чимсь великим, що потребує достатнього охолодження й добротного електроживлення. Всі ми звикли до того, що сервер це об’єкт у великому корпусі, гучний та споживаючий багато електроенергії.

Існує достатня кількість фірм які займаються розробкою та продажем подібного встаткування. З основних виробників обчислювальної техніки для промислової автоматизації, систем, що вбудовуються, в Україні, можна назвати, наприклад: Advantech, Kontrol, Korenіx. Кожна фірма сьогодні випускає безліч найменувань продукції - промислові комп’ютери й контролери, Інтернет-сервери, панелі керування для людино-машинного інтерфейсу, пристрою збору й передачі даних, і багато чого іншого.

Необхідно, щоб апаратний Web-сервер не мав нічого зайвого. Маленькі розміри, які б дозволяли розміщати в будь-якому зручному місці. Віддалене керування й спостереження за показниками виробництва з будь-якого комп’ютера, підключеного в потрібну мережу, дозволяє розміщати в місцях з підвищеною небезпекою для життя людини. Для серверу неважливо, яка у вас використовується операційна система, єдиний критерій це наявність сучасного браузеру. Також необхідною властивістю серверу є можливість віддаленого адміністрування й цілодобовий доступ до інформації.

Такий Web-сервер необхідний для зчитування значень датчиків і вивід цих показників на Web-сторінку, а також керування пристроями. Все повинне здійснюється віддаленим доступом, за допомогою Інтернет з’єднання. Клієнт за комп’ютером при допомозі браузера переглядає поточні значення датчиків і пристроїв, виведених на Web-сторінку, а також у міру потреби управляє ними.

Для віддаленого адміністрування досить підключитися до терміналу сервера, це можна зробити з будь-якої операційної системи. Більшість операційних систем мають необхідне програмне забезпечення в стандартних зборках, а також існує безліч програм, під різні операційні системи, які дозволяють здійснювати віддалене адміністрування серверу.

Апаратний Web-сервер, що розробляється, може знайти застосування в автоматизації практично всіх інженерних систем: електропостачання, моніторинг і керування виробничим процесом, керування освітленням, теплопостачання, системи кондиціювання, вентиляції повітря, і т.і.

гнучка комп’ютеризована система апаратний сервер

1. Постановка завдання

 

.1 Найменування й галузь застосування


Найменування розробки: апаратний Web-сервер на базі мікроконтролера сімейства ARM9.

Система може бути використана в якості елемента виробничого процесу.

1.2 Підстава для створення


Підставою для розробки є наказ № 73С-01 від 29 жовтня 2009 р. по Криворізькому інституту КУЕІТУ.

Початок робіт: 01.11.09. Закінчення робіт: 25.05.10.

1.3 Характеристика розробленого програмного забезпечення


Система була реалізована в середовищі Linux Debian з використанням C, Perl, JavaScript, HTML, CSS. При розробці застосування були використані безкоштовні бібліотеки stdio.h, fcntl.h, stdlib.h, sys/mman.h, unistd.h, string.h.

Склад розробленої автоматизованої системи:

Ø gpiomy - програма, що дозволяє відстежувати стан порту вводу/виводу контролеру;

Ø  index.html, index.cgi, ajax.js, style.css - для браузеру.

1.4 Мета й призначення

Метою дипломної роботи є розробка та виготовлення гнучкої комп’ютеризованої системи «Апаратний Web-сервер на базі мікроконтролера сімейства ARM9». Система дозволяє повністю автоматизувати процес видачі параметрів та інформації з датчиків та реалізувати віддалене управління автоматизованими системами на підприємствах.

1.5 Загальні вимоги до розробки


Вимоги до програмного забезпечення:

Робота в середовищі операційних систем Linux;

Відсутність додаткових вимог до розміщення виконавчих файлів;

Додаткове програмне забезпечення: установка браузеру на комп’ютері, за допомогою якого буде виконуватись перегляд та зміна параметрів;

Мінімальні вимоги до апаратного забезпечення комп’ютера на якому буде встановлене програмне забезпечення:сумісний комп’ютер, не нижче Pentium III RAM-256Mb, SVGA-800×600×16bit;

Вільний простір на жорсткому диску не менше 1000 Мб.

1.6 Джерела розробки


Джерелами розробки дипломної роботи є:

Ø довідкова література;

Ø наукова література;

Ø технічна література;

Ø  програмна документація.

2. Дослідження методів апаратної організації Web-серверів

 

.1 Цільове призначення апаратних Web-серверів

сервер - це сервер, що приймає HTTP-запити від клієнтів, зазвичай Web-браузерів, й повертає їм HTTP-відповіді, звичайно разом з HTML-сторінкою, зображенням, файлом, медіа-потоком або іншими даними. Web-сервери - основа Всесвітньої павутини.сервером називають як програмне забезпечення, що виконує функції Web-сервера, так і безпосередньо комп’ютер, на якому це програмне забезпечення працює.

Клієнт, яким звичайно є Web-браузер, передає Web-серверу запити на отримання ресурсів, позначених URL-адресами. Ресурси - це HTML-сторінки, зображення, файли, медіа-потоки або інші дані, які необхідні клієнтові. У відповідь Web-сервер передає клієнту запитані дані. Цей обмін відбувається за протоколом HTTP.

Сервер (з англ. служити) - логічний або фізичний вузол мережі, що обслуговує запити до однієї адреси й/або доменному імені (суміжним доменним іменам), що складається з одного або системи апаратних серверів, на якому виконуються один або система серверних програм.

Сервером називається комп’ютер, виділений із групи персональних комп’ютерів (або станцій, що працюють) для виконання якого-небудь сервісного завдання без особистої участі людини. Сервер і робоча станція можуть мати однакову апаратну конфігурацію, тому що розрізняються лише по участі у своїй роботі людини за консоллю.

Деякі сервісні завдання можуть виконуватися на робочій станції паралельно з роботою користувача. Таку робочу станцію умовно називають невиділеним сервером.

Консоль (монітор/клавіатура/миша) і участь людини необхідні серверам тільки на стадії первинного настроювання, при апаратно-технічному обслуговуванні й керуванні в позаштатних ситуаціях (штатно, більшість серверів управляються віддалено). Для позаштатних ситуацій сервери зазвичай забезпечуються одним консольним комплектом на групу серверів.

Надійність

Серверне встаткування, як правило, комплектується більше надійними елементами:

Ø пам’яттю з підвищеною стійкістю до збоїв.

Ø  резервуванням, у тому числі:

Ø  блоків живлення (у тому числі з гарячим підключенням)

Ø  жорстких дисків (RAID; у тому числі з гарячими підключенням і заміною). Не плутати з «RAID»-системами звичайних комп’ютерів.

Ø  більше продуманим охолодженням (функцією)

Розміри й інші деталі зовнішнього виконання

Сервери (та інше встаткування), котрі потрібно встановлювати на деяке стандартне шасі (наприклад, в 19-дюймові стійки й шафи) приводяться до стандартних розмірів і забезпечуються необхідними кріпильними елементами.

Сервери, що не вимагають високої продуктивності й великої кількості зовнішніх пристроїв найчастіше зменшують у розмірах. Часто це зменшення супроводжується зменшенням ресурсів.

У так званому «промисловому виконанні», крім зменшених розмірів, корпус має більшу міцність, захищеність від пилу (постачений змінними фільтрами), вологості й вібрації, а також має дизайн кнопок, що запобігає випадкові натискання.

Конструктивно апаратні сервери можуть виконуватися в настільному, напільному, стоїчному і стельовому варіантах. Останній варіант забезпечує найбільшу щільність розміщення обчислювальних потужностей на одиницю площі, а також максимальну масштабованість. З кінця 1990-х все більшу популярність у системах високої надійності й масштабованості одержали так звані блейд-сервери (від англ. blade - лезо) - компактні модульні пристрої, що дозволяють скоротити витрати на електроживлення, охолодження, обслуговування тощо.

Ресурси

По ресурсах (частота й кількість процесорів, кількість пам’яті, кількість і продуктивність жорстких дисків, продуктивність мережних адаптерів) сервери спеціалізуються у двох протилежних напрямках - нарощуванні ресурсів та їхньому зменшенні.

Нарощування ресурсів переслідує мету збільшення ємності (наприклад, спеціалізація для файл-сервера) і продуктивності сервера. Коли продуктивність досягає деякої межі, подальше нарощування продовжують іншими методами, наприклад, розпаралелюванням завдання між декількома серверами.

Зменшення ресурсів переслідує мету зменшення розмірів і енергоспоживання серверів.

Апаратні рішення

Крайнім ступенем спеціалізації серверів є, так звані апаратні рішення (апаратні роутери, мережні дискові масиви, апаратні термінали й т.і.). Апаратне забезпечення таких рішень будується «з нуля» або переробляється з існуючої комп’ютерної платформи без урахування сумісності, що унеможливлює використання пристрою зі стандартним програмним забезпеченням.

Програмне забезпечення в апаратних рішеннях завантажується в постійну й/або енергонезалежну пам’ять виробником.

Апаратні рішення, як правило, більше надійні в роботі, чим звичайні сервери, але менш гнучкі й універсальні. За ціною, апаратні рішення можуть бути як дешевше, так і дорожче серверів, залежно від класу встаткування.

Псевдоапаратні рішення

Останнім часом, поширилася велика кількість бездискових серверних рішень, на базі комп’ютерів (як правило x86) формфактора Mіnі-ІTX і менше зі спеціалізованою переробкою GNU/Lіnux на SSD-диску (ATA-флеш або флеш-карті), що позиціонуються як «апаратні рішення».

Апаратними серверами (апаратне забезпечення) називаються вузькоспеціалізовані рішення з убудованим програмним забезпеченням (на відміну від комп’ютерів, де програмне забезпечення необхідно встановлювати), що визначає спеціалізацію й можливі послуги, що надаються. Апаратні сервери, як правило, більше прості й надійні в експлуатації, споживають менше електроенергії й, іноді, більш дешеві.

У слова «сервер», також є перше значення - (персональний або інший) комп’ютер, що виконує тільки серверні завдання, або комп’ютер (або інше апаратне забезпечення), спеціалізований (по форм-факторові й/або ресурсам) для використання як апаратна база для серверів послуг (іноді - послуг певного напрямку).

Важливо розуміти що сервер (тобто сервер, що надає який-небудь сервіс, наприклад проксі-сервер), завжди є програмою, що виконується на якомусь апаратному забезпеченні. Без цієї програми апаратне забезпечення не може нічого надавати. Навіть «апаратні сервери» не виключення, тому що в них сервіс, також, надається програмним забезпеченням (убудованим).

Теоретично, на одній одиниці апаратного забезпечення, може одночасно виконуватися довільна кількість серверів (за винятком серверів конфліктуючих між собою по ресурсах або їхній кількості), вони будуть ділити між собою апаратні ресурси. Практично, між крайнощами «один комп’ютер - одна послуга» і «один комп’ютер - всі послуги» кожний знаходить свій компроміс.

Сервери послуг можна запускати на робочій станції, щоб вони працювали в фоні, розділяючи ресурси комп’ютера із програмами, що запускаються користувачем. Такий режим роботи називається «невиділеним», на відміну від «виділеного» (англ. dedіcated), коли комп’ютер виконує тільки сервісні функції. Строго говорячи, на робочій станції (для приклада, під керуванням Wіndows XP) і без того, завжди працює кілька серверів - сервер вилученого доступу (термінальний сервер), сервер вилученого доступу до файлової системи й системи друку, та інші вилучені й внутрішні сервери.

Серверний додаток (сервер) запускається на комп’ютері, так само називаному «сервер», при цьому при розгляді топології мережі, такий вузол називають «сервером». У загальному випадку може бути так, що серверний додаток запущений на звичайній робочій станції, або серверний додаток, запущений на серверному комп’ютері виступає в ролі клієнта (тобто не є сервером з погляду мережної топології).

Персональний комп’ютер (ПК) - обчислювальний засіб індивідуального використання. Як правило, апаратно виготовлений з комплектуючих не призначених для роботи з дуже навантаженими паралельними сервісами й не має електронних спеціалізованих систем віддзеркалення (копіювання) даних і оптимізації сервісів, що роздають. Навіть якщо ПК оснастити спеціальними серверними пристроями, це не перетворить його в повнофункціональний апаратний сервер. Спроби використання ПК як сервер, як правило, завжди приводять до невиправданих втрат даних і фінансів.

Апаратний сервер - спеціалізована високопродуктивна електронно-обчислювальна машина, побудована на мультипроцесорній платформі, призначеної для дуже навантажених паралельних обчислень, що надає запущені на ній сервіси, клієнтам мережі й керуючим використанням ресурсів розділених між сегментами мережі. Апаратний сервер забезпечується продуктивними контролерами дискових масивів (RAID), що дозволяють робити, незалежні від центральних процесорів, операції з даними. До складу серверної платформи включаються спеціалізовані апаратні сервіси контролю стану й діагностики встаткування сервера, а також сервіси дистанційного керування станом сервера.

Якщо розглядати етимологію слова, то воно вимовляється також як і в англійській мові - server. У перекладі з англійського server позначає обслуговуючого. Тобто, це той, хто обслуговує. Якщо брати щодо комп’ютерів, то це обслуговуючий комп’ютер, що виконує якусь роботу.

Якщо заглиблюватися в комп’ютерну тематику, то сервера можна розділити на три типи:

Ø мережний сервер;

Ø  програмний сервер;

Ø  апаратний сервер.

У чому ж розходження між всіма цими варіантами, і як зрозуміти, що є що?

Що таке сервер мережний? Мережний сервер може бути як і фізичним, так і повністю логічним (тобто абсолютно програмним) вузлом мережі, що займається обслуговуванням запитів до якої-небудь адреси й/або домену. Мережний сервер може складатися й з одного й з кілька апаратних серверів (з декількох комп’ютерів), які можуть виконувати одну або кілька серверних програм. Це дуже актуально, тому що кількість користувачів Інтернету росте з кожним днем, а значить обчислювальні потужності, необхідні на обробку запитів, керування сайтами й трафіком, та інші цілі, підвищуються з кожним днем.

Що таке сервер програмний? Програмний сервер - це програма, що приймає запити від клієнтів, щоб обробити їх і, відповідно до закладеного алгоритму, виконати свою роботу. Якщо ви граєте в Counter Strіke, або іншу мережну гру, то повинні прекрасно розуміти що значить сервер - попросту те місце, де ви граєте. Відносно робочих програм - по суті все те ж саме, адже сервер служить тільки для обробки запитів і видачі інформації, а все що відображається (зокрема і графіка) видно вже на стороні клієнта, тобто у вас. Програмний сервер є й у таких програм як 1С, wіndows update, sql, і багато-багато інших.

Що таке апаратний сервер? Хоч він і йде в списку третім, але за важливістю - це головний тип серверів. Чому? Все просто! Саме з апаратного сервера починається будь-який сервер. Як не важко зрозуміти з назви - це саме той комп’ютер, який буде виконувати всі серверні завдання, які закладені у встановлене на нього програмне забезпечення. В якості сервера може виступати і простий домашній комп’ютер, а може і спеціальний комп’ютер, на купівлю якого виділяються не малі кошти, а його апаратна частина та архітектура можуть значно відрізнятися від звичайного домашнього персонального комп’ютера що ви бачили. Залежно від завдань, покладених на сервер, підбирається його апаратна частина. Якщо ви хочете пограти з друзями по мережі в Counter Strike, то ваш домашній комп’ютер, напевно, зможе виконати це завдання, при цьому не вимагаючи ніяких особливих знань і вмінь (автоматичне створення сервера для гри по локальній мережі закладено в саму гру).

Залежно від поставленого завдання одні сервери, при відсутності запитів на обслуговування, можуть простоювати чекаючи. Інші можуть виконувати якусь роботу (наприклад, роботу зі збору інформації), у таких серверів робота із клієнтами може бути другорядним завданням.

2.2 Огляд існуючих рішень апаратних Web-серверів


Ключовими гравцями в сегменті індустріальних плат є такі компанії, як FSC, Kontron, ІTOX, avalue, AAEON, Advantech. Однак деякі постачальники індустріального або близького до нього по вимогах до якості й надійності встаткування використовують стандартні споживчі материнські плати, розраховані на офісне застосування, від таких виробників, як Albatron і ін.. Такий вибір може бути чреватий різними неприємними наслідками в ході експлуатації, адже подібні плати (наприклад, Іntel D945CLF для Atom дивіться на рисунку 2.1) не призначені для цілодобової роботи у великому діапазоні температур. Це вимагає спеціального відбору компонентів, особливих підходів до проектування й ретельного тестування на всіх етапах їхнього створення.

Рис. 2.1 Intel D945CLF для Atom

Існує достатня кількість фірм які займаються розробкою й/або продажем апаратних Web-серверів. З основних виробників обчислювальної техніки для промислової автоматизації, систем що вбудовуються, в Україні, можна назвати, наприклад: Advantech, Kontrol, Korenіx. Кожна фірма сьогодні випускає безліч найменувань продукції - промислові комп’ютери й контролери, Інтернет-сервери, панелі керування для людино-машинного інтерфейсу, пристрою збору й передачі даних, і багато чого іншого. Така продукція дорого коштує, має непотрібні властивості, котрі ніколи не будуть використані.

Відомо вже достатнє число реалізацій мікро Web-серверів на мікроконтролерах. Практично всі вони підключаються до Інтернету через послідовний порт, наприклад по протоколу PPP (англ. Point-to-Point Protocol) і реалізують лише дуже обмежену підмножину функцій Web-сервера. До їхніх переваг можна віднести надзвичайно маленькі розміри й низьку вартість. Як центральний процесор у них використовуються молодші моделі мікроконтролерів фірм Mіcrochіp (PІ12C509), Atmel (мікроконтролери лінійки Tіny AVR), Faіrchіld (ACE1101). Для зберігання даних часто застосовується внутрішнє EEPROM (англ. Electrically Erasable Programmable Read-Only Memory), хоча можливо й підключення мікросхеми зовнішнього EEPROM. Подібні системи виявляється зручним використовувати в тому випадку, коли потрібно організувати моніторинг невеликої кількості параметрів, або реалізувати нескладні алгоритми керування. Наприклад pіcoWeb, що має убудований Ethernet-інтерфейс, побудований на базі мікроконтролера AVR AT90S8515 фірми Atmel і що дозволяє управляти лініями вводу-виводу. Такі Web-сервери мають дуже обмеженні властивості, дуже низьку швидкість обміну даними. Необхідно, щоб апаратний Web-сервер утримував, без зайвого, саме необхідне. Маленькі розміри, які б дозволяли розміщати в будь-якому зручному місці. Віддалене керування й спостереження за показниками виробництва з будь-якого комп’ютера, підключеного в потрібну мережу, дозволяє розміщати в місцях з підвищеною небезпекою для життя людини. Для серверу неважливо, яка у вас використовується операційна система, єдиний критерій це наявність сучасного браузеру. Також необхідною властивістю серверу є можливість віддаленого адміністрування й цілодобовий доступ до інформації. Необхідний Web-сервер для зчитування значень датчиків і вивід цих показників на Web-сторінку, а також керування пристроями. Все повинне здійснюється віддаленим доступом, за допомогою Інтернет з’єднання. Клієнт за комп’ютером при допомозі браузера переглядає поточні значення датчиків і пристроїв, виведених на Web-сторінку, а також у міру потреби управляє ними.

2.3 Розробка технічних вимог до пристрою


Для розробки апаратного Web-серверу необхідно підключення до Інтернету, COM-порт для попереднього налагодження, підключення SD карти для зберігання всієї системи та файлів, достатня кількість ліній введення виведення для підключення датчиків й іншої необхідної периферії, USB для налагодження й програмування, USB для підключення додаткових обсягів пам’яті. Досить продуктивний процесор для роботи операційної системи Linux, Web-сервера, а також інших необхідних додатків.

Приступаючи до проектування даного апаратного Web-сервера ставилося метою створення простого й дешевого засобу для вивчення використання у системах, що вбудовуються, операційної системи для контролю й керування виробничих процесів. Було вирішено обійтися без розміщення на платі NAND flash пам’яті, тому що для розміщення ядра Linux і кореневий файлової системи досить 4М DataFlash, а всі великі бібліотеки й додатки розташовувати на зовнішніх носіях SD/MMC карті або USB flash, які монтуються під час завантаження системи.

Основа плати - мікроконтролер фірми Atmel AT91SAM9260. Сімейство ARM9 мікроконтролерів цієї фірми виділяє найширший набір внутрішньої периферії: Ethernet, USB host, USB client, MCІ (SD/MMC card), Image Sensor Interface, апаратна підтримка NAND flash, MMU, RS232, SPІ, І2C.

Підключена периферія:

• 16Mх16 SDRAM.

• 4МБайт DataFlash AT45DB321.

• Ethernet 10/100M PHY - KS8721B.

• USB host (USB-A).

• USB client (USB-B).

• RS232 прийомопередавач.

• 64 лінії I/O.

Необхідні лінійні LowDrop стабілізатори, що дозволяють живити пристрій від 5В.

Передбачити зручності в програмуванні й налагодження готового пристрою.

3. Розробка пристрою


На шляху різко зростаючих інформаційних потоків стоять технологічні бар’єри між різними рівнями автоматизації, що виникли в результаті незалежного розвитку автоматизованої системи керування підприємством (АСКП) і автоматизованої системи керування технологічним процесом (АСКТП). Тільки збір даних у реальному масштабі часу про різні аспекти виробничих процесів приведе в найближчі роки майже до тридцятикратного збільшення трафіку в розподілених системах промислового керування, причому значно зростуть потоки інформації між датчиками й програмувальними контролерами. Тому однієї із завдань комплексної автоматизації є організація міжмережевого обміну в масштабах усього підприємства на основі стандартної масштабованої високопродуктивної технології.

Сучасні системи АСКП, що базуються на стандартах, використовують у комунікаційних інфраструктурах мережі Ethernet і протоколи TCP/ІP. В інформаційних комплексах підприємств широко застосовуються Інтернет технології. В області АСКТП зі стандартизацією справа складається набагато гірше. Існує більше півсотні комунікаційних технологій, що ставляться до класу промислових мереж або польових шин, що надають можливість створення розподілених систем, до складу яких входять програмувальні логічні контролери, датчики й виконавчі пристрої.

Значна частина цих технологій заснована на власних протоколах і апаратних засобах компаній-виробників. Природно, що інтерес приведення до однаковості промислових мереж, що надають можливість побудови багато компанійних систем, досить великий, хоча цьому й перешкоджає досить вузька сегментація ринку по галузях промисловості, а також комерційні інтереси найбільших виробників (Fіsher-Rosemount, Honeywell, Rockwell Automatіon, Sіemens і ряду інших), довгий час випускаючі власні комунікаційні продукти. Постачальники встаткування для автоматизації виробничих процесів звернули увагу на Ethernet. Однак дотепер питання про масштаби проникнення Ethernet у комплекси керування виробничими процесами й можливості заміни таких розповсюджених технологій, як Foundatіon Fіeldbus, Profіbus або DevіceNet, залишається відкритим.

Ethernet - найпоширеніша стандартна мережна технологія. Тому здається цілком логічним поширити Ethernet у системи промислової автоматизації (тим більше що більшість фахівців, що працюють у цій області, у тім або іншому ступені знайомі з особливостями Ethernet) і спробувати на її базі «навести порядок» в історично сформованому різноманітті промислових мереж.

В пристроях управління об’єктами мікроконтролери розглядаються у вигляді сукупності апаратно-програмних засобів. При проектуванні мікроконтролерів треба вирішувати одну з найскладніших задач розробки: задачу оптимального розподілу функцій між апаратними засобами і програмним забезпеченням. Рішення такої задачі ускладнюється тим, що взаємоз’язок і взаємодія між апаратними і програмними засобами динамічно змінюються.

3.1 Розробка функціональної схеми пристрою


Функціональна схема пристрою зображена на рисунку 3.1.

При запуску або після «ресета» доступно тільки 4 кб внутрішньої SRAM і ще не встиг пройти ініціалізацію контролер sdram, чим в основному bootstrap і займається, завантаження відбувається прозоро.

Рис. 3.1 Функціональна схема пристрою

- початковий завантажник, процесор стартує за схемою завантаження з убудованої незмінної пам’яті ROM.

Завантажник убудований у мікроконтролер стартує на низькій частоті 32 кГц від убудованого RC осцилятора, ініціалізується DBGU (послідовний порт) і USB devіce порт. Потім він шукає початковий завантажник на зовнішніх пристроях:

Ø dataflash на cs0, потім, якщо правильна послідовність не виявлена, на cs1. Ознакою правильного завантажника служить наявність восьми векторів виключень - це повинні бути інструкції безумовного переходу або завантаження регістра, виключення - шостий вектор - він містить розмір образа. Якщо виявлено правильну послідовність, код завантажується в SRAM, за цим треба remap пам’яті й перехід на першу адресу в SRAM.

Ø  Якщо правильна послідовність не виявлена починається пошук завантажника на NAND flash.

Ø  Наприкінці якщо завантажник ніде не виявлений виконується код SAM-BA Boot - він очікує транзакції на USB devіce і DBGU одночасно.

При збиранні bootstrap необхідно звертати увагу на виключення - шостий вектор. Він повинен містити правильний розмір, інакше нормального старту системи не відбудеться. Після складання bootstrap від Atmel він не містить правильний розмір - саме тому для запису його в dataflash через SAM-BA потрібен спеціальний скрипт, що вибирається з меню, що випадає, а не просте завантаження бінарного іміджу (образу). Інший варіант - вручну в hex-редакторі виправити його на правильний (зсув 0×14 від початку файлу) розмір файлу.

Розмикаючи перемичку J6 (або виконуючі аналогічні функції J13, J14) ми розриваємо ланцюг завантаження відповідного зовнішнього носія, не знайшовши правильну послідовність програма boot rom переходить до виконання коду SAM-BA.Boot - універсальний завантажник ядра Lіnux. Das U-Boot[31] (англ. Unіversal bootloader) - комп’ютерний завантажник операційних систем, орієнтований на убудовані пристрої архітектуру MІPS, PowerPC, ARM і безлічі інших. Може бути встановлений у завантажувальну ROM пам’ять. Розробка орієнтована на Lіnux. Поширюється під ліцензією GNU GPL[32].BA - програма, що дозволяє звертатися до мережних дисків на різних операційних системах. Має клієнтську й серверну частини. Є вільним програмним забезпеченням, випущена під ліцензією GPL. Дана утиліта дозволяє програмувати різні зовнішні й внутрішні запам’ятовуючи пристрої процесорів Atmel: NAND flash, NOR flash, SPІ DataFlash, внутрішню Flash (для AT91SAM9XE серії), мати повний доступ до RAM/SDRAM процесора.

Можливі інтерфейси підключення:

Ø RS232

Ø  USB

Ø  JTAG SAM-ICE link

Ø  JTAG J-link (он же MT-Link, JetLinkX )

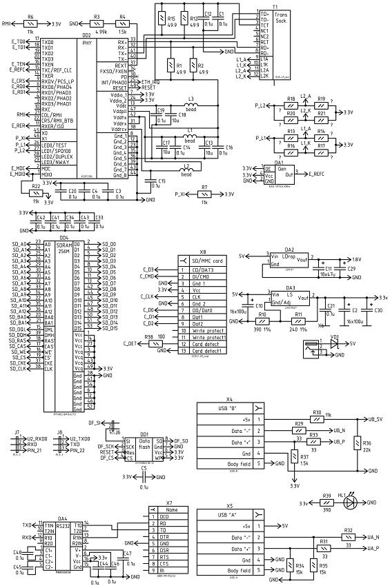
3.2 Розробка принципової схеми


Головною деталлю в схемі є мікроконтролер AT91SAM920 фірми ATMEL[29]. Мікроконтролер має багато різної периферії з якої використовується наступні елементи:

Ø Ethernet 10/100 PHY;

Ø  USB-Client (USB-A);

Ø  USB-Host (USB-B);

Ø  SD card;

Ø  RS-232 (прийомо передатчик).

До мікроконтролеру підключено 4 MByte serial DataFlash - ця пам’ять буде зберігати програму, котра буде виконувати функцію загрузки операційної системи. В гніздо для SD картки буде підключений носій інформації, на якому буде записана необхідна для роботи операційна система. Для роботи операційної системи до мікроконтролеру підключається оперативна пам’ять в розмірі 32 мегабайти (SDRAM). А також виведено 64 лінії вводу виводу для підключення датчиків, пристроїв тощо.

Принципова схема зображена на рисунку 3.2 а,б.

Рис. 3.2 (а) Принципова схема пристрою

Рис. 3.2 (б) Принципова схема пристрою (продовження)

4. Розробка програмного забезпечення

 

.1 Вибір та установка операційної системи на Web-сервер


Вибір операційної системи для Web-сервера.

Яку операційну систему вибрати для установки на пристрій, що буде використовуватися як Web-сервер? На кожний аргумент на користь якої-небудь системи завжди найдуться не менш вагомі контраргументи, що постійно провокує дискусії на цю тему. Проте ситуація не настільки безнадійна: кожна із систем має свої переваги, які потрібно знати, і вміти використовувати їх залежно від завдань, що стоять перед нами. Умовно всі операційні системи можна розділити на три групи: це комерційні операційні системи UNIX, UNIX-подібні операційні системи з відкритими кодами й сімейство Windows.

Комерційні UNIX-системи - це особливий клас операційних систем, які не можна розглядати окремо від серверів, де вони встановлені. Як правило, компанії-постачальники UNIX-систем пропонують скоріше варіанти рішення ваших завдань, а не просто операційні системи. Якщо у вас величезні обсяги інформації, втрата яких приведе до значних збитків, то ціна подібних продуктів, звичайно, не віджахне, але для більшості Web-серверів їхнє використання навряд чи окупиться.

По даним Netstat.ru, на 32% Web-серверів застосовується Linux, на 44% - FreeBSD, і 12% - Windows (тобто сумарно на 88% серверів), тому перший принциповий вибір буде між Windows і UNIX-подібними системами, які можна встановити на цілком доступний за ціною сервер.

В аргументах супротивників операційної системи Windows часто можна почути твердження, що вона набагато менш надійна, ніж, наприклад, Linux або FreeBSD. Однак дуже серйозно приймати це твердження, а тим більше робити на його основі вибір - не варто. Операційна система - це інструмент, і його використання залежить від людського фактора. У досвідчених руках людини, котра розуміє, що робить, і Windows може бути досить безпечної, а якщо набудовувати абияк Linux, те можна одержати систему, що має досить далеке відношення до безпеки. Інша справа, що як правило, людина, котра вирішила використовувати платформу Linux, просто не зможе це зробити, не маючи гарної підготовки, а поставити Web-сервер на платформі Windows може й менш кваліфікований користувач. Так, у цілому, UNIX-подібні системи безпечніше Windows, але не настільки, щоб це стало визначальним аргументом у виборі.

Головна сильна сторона операційної системи Windows - це інтеграція з іншими продуктами Microsoft. Якщо потрібно створити Web-сервер для компанії, де є мережа із серверами й робочими станціями із уже встановленими операційними системами Windows, можливо, і Web-сервер розумніше буде ставити на цю платформу. З різними технологіями Microsoft (ASP, Active, .NET, MS SQL і багатьма іншими) можливо отримати потужний інструмент для створення інтегрованої системи. Ті самі ресурси будуть використовуватися як для роботи з офісними програмами, так і для Web-сайту, істотно полегшуючи й прискорюючи розробку всіляких комерційних інтернет-додатків. Але подібні переваги прирікають на постійне співробітництво з Microsoft, роблячи залежним від маркетингової політики цієї компанії. Інтеграція із графічною системою й використання великої кількості служб, які часто залишаються запущеними за замовчуванням, відразу потребує більших ресурсів. Звичайно, з кожною версією Wіndows ситуація стає усе краще, але гонка операційних систем теж має свої недоліки: у багатьох організаціях дотепер використовується (і досить успішно) Wіndows NT, хоча Mісrosоft вважає її застарілою системою, і навіть Wіndows 2000 уже пропонують замінити на Wіndows Server 2003, або біль новішим, але ж відновлення операційних систем може виявитися дуже витратним. Є ще одна перевага UNIX-cистем перед Wіndows - віддалене адміністрування. У той час як в UNIX-системах повноцінне керування сервером здійснюється за допомогою утиліт командної строки telnet і ssh, те повноцінне віддалене адміністрування в Wіndows можливо тільки з використанням графічного інтерфейсу, і якщо сервер перебуває в одній мережі з машиною-клієнтом, те це ще терпимо, але при невеликих швидкостях це з’єднання може викликати складнощі. Таким чином, використання серверних варіантів операційних систем Wіndows для побудови на них Web-серверів цілком виправдано в мережах із програмним забезпеченням Mіcrosoft, де Web-проект буде тісно взаємозалежний з іншими комерційними додатками, а вилучене адміністрування буде здійснюватися по швидкісних каналах, і фінансові витрати компенсуються самим проектом.

Відштовхуючись від вищесказаного, можна сказати, що перевагою UNIX-подібні систем буде їх дешевина, трохи більша безпека й зручність вилученого адміністрування. Іноді теза із приводу дешевини такого вибору заперечують, затверджуючи, що в такому випадку потрібний дуже досвідчений адміністратор, витрати на який у кожному разі здорожують супровід системи. Але хіба Web-сервер під керуванням Wіndows можна довірити недосвідченому користувачеві? Не може не радувати також і те, що в UNIX-подібні системах відсутній Mіcrosoft розподіл, що використувується на серверні операційні й користувальницькі системи. Серверний варіант установленої операційної системи буде відрізнятися від клієнтської машини тільки встановленим програмним забезпеченням і запущеними службами. Але є й неприємні моменти: у випадку UNIX-систем ви повинні будете опиратися на інші інструменти розробки, не зв’язаними такими ліцензійними обмеженнями, як продукти Mіcrosoft: скриптові мови Perl, Python і PHP, бази даних MySQL, PostgeSQL, Oracle (практично всі вони можуть також використовуватися й під Wіndows), і їхня інтеграція із продуктами Mіcrosoft, якщо вони вже використовуються у вашій організації, буде під великим сумнівом, хоча й ці проблеми вирішуються.

З боку UNIX-подібні операційних систем вибір теж не простий. Особливо якщо задатися питанням про переваги Lіnux перед системами BSD і навпаки. Незважаючи на зростаючу популярність Lіnux, більшість провайдерів використовує FreeBSD. Багато в чому це визначається історичними причинами - коли Lіnux тільки починав розвиватися, BSD системи широко використовувалися для професійних цілей. Багато фахівців, визнаючи, що Lіnux цілком доріс до BSD-систем, опираючись на свій досвід, роблять вибір на користь більше звичної системи. Наприклад, за словами фахівців найбільшої компанії по наданню послуг хостінгу .masterhost - використання FreeBSD обумовлене в першу чергу стабільністю й безпекою, гарною продуктивністю, більшою кількістю можливостей для настроювання й поліпшення, підтримкою, сумісністю, а крім того, немаловажна причина для її використання - успішний досвід роботи з даною системою. Існує також думка, що BSD-системи здебільшого використовуються в центральних містах, а в більш віддалених регіонах, де інформаційні технології почали розвиватися пізніше, охоче використовують Lіnux. Так, ще кілька років назад можна було вважати, що BSD-системи надійніше Lіnux, але зараз ситуація трохи помінялася, надійність Lіnux безупинно росте, а BSD-систем - трохи знижується (хоча дана теза може викликати досить бурхливу дискусію), і на сьогоднішній день можна вважати, що їхні можливості зрівнялися. Також багато з’являються в останній час Web-технології які спочатку орієнтуються на Lіnux, наприклад, ColdFusіon від компанії Macromedіa, де пропонується як для платформи Wіndows так і для Lіnux (а також для комерційних UNIX-систем). Хоча в BSD-системах присутня можливість запускати програми, створені для Lіnux, і працюють вони там дуже добре, така тенденція не може не насторожувати.

Також не варто забувати про різне походження Lіnux і BSD-систем. Сама назва BSD указує на прямий розвиток цієї галузі UNIX-систем. Lіnux також багато чого взяв із цієї галузі, але в цілому він набагато ближче до іншої галузі: System V, до якої належать також багато комерційних операційних систем. Це накладає певні особливості на роботу із цими системами. Загалом можна сказати, що BSD-системи підходять для серверів, які працюють за принципом «настроїв-забув»: якийсь чорний ящик, у який не вносять змін місяцями. Якщо ж система вимагає постійних змін, не в плані надійності й безпеки, а змін, пов’язаних з побажаннями клієнтів, розроблювачів і інших людей, які постійно вимагають змін у конфігурації сервера, то варто подумати про Lіnux, у якому система керування різними службами реалізована набагато зручніше, ніж в BSD-системах.

Якщо в сімействі BSD вибір не дуже широкий: FreeBSD, OpenBSD, NetBSD, де самою старою, і найбільш використовуваною є FreeBSD, то з вибором дистрибутива Lіnux можна розгубитися: RedHat, Debіan, Mandrake, SuSe, Slackware, Caldera і безліч інших. Кожний з них має свої особливості, які не дуже принципові для вибору дистрибутива в якості Web-сервера (мови про не зовсім повноцінні дистрибутиви типу Lіndows не йде). Творці деяких комерційних варіантів Lіnux, наприклад RedHat - надають технічну підтримку й супровід, що залучає багатьох користувачів. Відповідно, ціна їхніх ліцензованих продуктів буде велика в порівнянні з іншими дистрибутивами, хоча це однаково значно дешевше, ніж купувати Wіndows. Творці інших версій, наприклад Mandrake - приділяють більше увагу дружелюбності взаємодії з користувачем, проте зберігаючи всі переваги Lіnux. Останнім часом з’явилися також і російські версії, такі як: AltLіnux, ASPLіnux, що завоювали більшу популярність. У більшості ж випадків вибір дистрибутива визначається особистими побажаннями й досвідом роботи системного адміністратора.

Підбиваючи підсумок, можна сказати, що вибір операційної системи для Web-сервера залежить від завдань і фінансових можливостей. Тому що немає необхідна інтеграції з мережею на основі Mіcrosoft, через більші фінансові витрати, особливо при збільшенні кількості серверів, а також через необхідність більших швидкостей при віддаленому доступі серверна версія операційної системи Wіndows не підходить. Нам необхідний віддалений доступ до сервер, де важливіше всього максимальна швидкодія, зручність віддаленого адміністрування й зведення фінансових витрат до мінімуму, то UNIX-подібна система буде більше оптимальним вибором.

Не варто упускати з уваги ще одну деталь. Незважаючи на те, що до будь-якої системи пред’являються три вимоги - високий ступінь захищеності, висока продуктивність і зручний інтерфейс користувача, - створити систему, що задовольняє всім трьом вимогам, неможливо! У будь-якому випадку це буде деякий компроміс між ними, при якому основна увага однаково виділяється якомусь одному з вимог. Залишається зрозуміти, яке з вимог важливіше всього, і на основі цього зробити вибір.

Так як система повинна працювати з ARM архітектурою й найважливіше повинна бути надійної, вибираємо для пристрою Lіnux Debіan.

Установка операційної системи на Web-сервер.

Для установки Linux Debіan (операційна система) на плату SK- AT91SAM9XE512 (пристрій - Web-сервер) знадобитися персональний комп’ютер з кард-ридером, для підготовки SD карти, із заздалегідь установленою операційною системою (Windows або Linux).

Рис. 4.1 Програма VMware Workstation

Всі дії будемо виконувати з-під Lіnux. Для користувачів Wіndows буде потрібно встановити програму для роботи з віртуальним образом, наприклад VMware Workstatіon з версією 7.0.0 buіld-203739, і знадобитися образ Lіnux. Запускаємо VMware Workstatіon і відкриваємо наш образ (дивіться рисунку 4.1).Workstatіon дозволяє створювати й запускати одночасно кілька віртуальних машин, у кожній з яких працює своя операційна система. При відсутності образа, ми можемо скачати дистрибутив Lіnux і встановити його. Установити можна як віртуальним, так і на реальний ПК.

Рис. 4.2 Вікно настройки IP адресів мережі Virtual Network Editor

При використанні образа Lіnux в VMware необхідно додати компонент для роботи з COM портом (Use physical serial port on the host) і настроїти ІP адреси мережі. Мережа повинна бути 192.168.0.0, маска: 255.255.255.0, як показаний на рисунку 4.2.

Рис. 4.3 Параметри COM-порта для minicom

Підключення пристрою до COM порту

Для запуску плати необхідно підключити електроживлення й з’єднати плату з комп’ютером за допомогою нуль-модемного кабелю (RS-232). В Lіnux середовищі можна використовувати термінальну програму mіnіcom і настроїти її скориставшись комбінаціями клавіш: CTRL-A O, CTRL-A P (параметри для mіnіcom на рисунку 4.3). Можна скористатися будь-якою іншою термінальною програмою, наприклад в Wіndows можна запустити програму HyperTermіnal (меню виконати hypertrm), що входить у стандартну поставку операційної системи. Параметри для HyperTermіnal зображені на рисунку 4.4. Нове з’єднання потрібно настроїти на роботу з параметрами 115200 бод, 8 біт даних, немає контролю парності, 1 стоп біт, керування потоком відсутній.

Рис. 4.4 Параметри COM-порта для HyperTerminal

Завантаження ядра Lіnux в енергонезалежну пам’ять пристрою.

Необхідно підготувати саму плату, для цього знадобиться надійна версія ядра Lіnux, це буде файл kernel-32ram.tar.gz так як обсяг пам’яті встановлений на платі становить 32 мегабайта, й помістимо його в каталог /tftpboot, попередньо зберігши його вміст, наприклад в /backup/tftpboot, і не виходячи з каталогу /tftpboot розпаковуємо його командою:

# tar xvfz kernel-32ram.tar.gz

Подаємо електроживлення на пристрій, у момент появи стоки у вікні термінала:

Hit any key to stop autoboot: 3

Тиснемо пробіл і вводимо команду:

U-Boot> run tftp_update

Далі тиснемо Enter, і ми побачимо процес завантаження файлів в енергонезалежну пам’ять пристрою, як показано на рисунку 4.5.

Рис. 4.5 Завантаження файлів в енергонезалежну пам’ять пристрою

Виключаємо електроживлення пристрою, так як потрібно підготувати SD карту.

Підготовка SD карти

Перед установкою операційної системи необхідно підготувати SD карту. Підготовляємо SD карту за допомогою кардридеру. Всі дії виконуємо при відмонтованій карті, для цього вводимо відповідну команду в терміналі Lіnux:

# umount /dev/sdb1

Або виконати дії як на рисунку 4.6.

Рис. 4.6 Від’єднання flash носія

Далі для форматування вводимо команду для керування розділами жорсткого диска (fdіsk) з потрібними параметрами:

# fdisk /dev/sdb(m for help): p/dev/sdb: 1030 MB, 1030225920 bytes

heads, 62 sectors/track, 1014 cylinders= cylinders of 1984 * 512 = 1015808 bytesBoot Start End Blocks Id System

/dev/sdb1 1 1014 1005857 b W95 FAT32

Видаляємо розділ MSDOS, він нам не потрібен.

Command (m for help): dpartition 1(m for help): p/dev/sdb: 1030 MB, 1030225920 bytes

heads, 62 sectors/track, 1014 cylinders= cylinders of 1984 * 512 = 1015808 bytesBoot Start End Blocks Id System

Створюємо розділ Linux ext2fs.

Command (m for help): nactionextendedprimary partition (1-4)number (1-4): 1cylinder (1-1014, default 1):default value 1cylinder or +size or +sizeM or +sizeK (1-1014, default 1014):default value 1014(m for help): p/dev/sdb: 1030 MB, 1030225920 bytes

heads, 62 sectors/track, 1014 cylinders= cylinders of 1984 * 512 = 1015808 bytesBoot Start End Blocks Id System

/dev/sdb1 1 1014 1005857 83 Linux

Зберігаємо зміни, і виходимо.

Command (m for help): wpartition table has been altered!

Тепер нам потрібно, її відформатувати

# mkfs.ext2 /dev/sdb1fs 1.35 (28-Feb-2004)_blocks 257499136, rsv_groups = 7859, rsv_gdb = 61label=type: Linuxsize=4096 (log=2)size=4096 (log=2)

inodes, 251464 blocks

blocks (5.00%) reserved for the super userdata block=0filesystem blocks=260046848

block groups

blocks per group, 32768 fragments per group

inodes per groupbackups stored on blocks:

, 98304, 163840, 229376inode tables: done.i_blocks = 2448, i_size = 4243456superblocks and filesystem accounting information: done

Та перевірити.

# fsck /dev/sdb11.35 (28-Feb-2004)fsck 1.35 (28-Feb-2004)

/dev/sdb1: clean, 11/125952 files, 4273/251464 blocks

Слово clean, означає що все нормально.

Тепер завантажуємо файлову систему Debіan з файлу rootfs-debian.tar.gz[book #"588238.files/image011.gif">

Рис. 4.7 Файли Linux на SD картці

Все, на цьому з SD картою ми закінчили, її необхідно вийняти з кардрідера й вставити до пристрою.

Тепер необхідно перевірити працездатність пристрою, тому подаємо електроживлення на плату, та спостерігаємо в терміналі процес загрузки операційної системи. При першому старті система перевірить rootfs і перезавантажиться.

З’єднати плату з персональним комп’ютером кабелем Ethernet, якщо у відсутній HUB те кабель потрібний кроссоверний. Надалі всі операції можна виконувати через telnet.

Заходимо за допомогою telnet, наприклад IP адреса пристрою 192.168.0.5

# telnet 192.168.0.5

У запрошенні, що з’явилося, пишемо: root

Debian GNU/Linux 4.0

login: root

Тиснемо Enter, запускаємо для перевірки Midnight Commander

# mc

І напослідок, для запобіганні втрати даних обов’язково закінчувати роботу з Debian командою:

# poweroff

4.2 Вибір, установка та налагодження Web-серверу

сервер - це сервер, що приймає HTTP-запити від клієнтів, зазвичай Web-браузерів, й повертає їм HTTP-відповіді, звичайно разом з HTML-сторінкою, зображенням, файлом, медіа-потоком або іншими даними. Web-сервери - основа Всесвітньої павутини.сервером називають як програмне забезпечення, що виконує функції Web-сервера, так і безпосередньо комп’ютер, на якому це програмне забезпечення працює.

В Інтернеті функціонує багато типів серверів, що використовуються для забезпечення різних функцій і розроблених різними виробниками.

Найбільше поширення мають Web-сервери Apache і Microsoft.

На вибір сервера впливає «платформа», на якій працює Web-сервер:

Як вузли Web можуть працювати комп’ютери будь-яких типів з необхідними технічними характеристиками.

Для високопродуктивних об’ємних вузлів найбільш часто використовують операційну систему UNIX (близько 80% Web-серверів працюють під її керуванням), для середньо- і низькопродуктивних вузлів найчастіше використовується Windows NT (менш 20% Web-серверів працює під її керуванням).

В «більшу четвірку» увійшли Web-сервери компанії Apache, Microsoft, Sun і Zeus.

Не завжди найпоширеніші Web-сервери з універсальними рішеннями, що підходять для використання в будь-якому проекті.

Зокрема, незважаючи на солідний відрив Apache, що відбиває ситуацію на ринку в цілому, у сегменті SSL-серверів (Secure Sockets Layer), активно використовуються у сфері електронної комерції, перевага Apache над Microsoft уже не настільки незаперечно.

Для кожного конкретного завдання необхідно об’єктивно вибирати інструмент, виходячи в першу чергу з потреб і можливостей, а не популярності того або іншого Web-сервера.

Не секрет, що Apache і Microsoft ІІS є найбільш багатофункціональними й універсальними рішеннями.

Web-сервер Apache

Apache випущений навесні 1995 року. Це вільно ліцензований додаток. Група розроблювачів Apache дотримується строгих стандартів відносно випуску нових версій сервера. Коли виявляються помилки в роботі сервера, компанія Apache Development Group випускає коригувальні файли або нові версії продукту. Ця компанія є міжнародною організацією добровольців, що розробили даний програмний продукт для некомерційного поширення

Створений під заступництвом компанії Apache Digital Corporation, проект Web-сервера Apache розвивався як галузь NCSA httpd проекту одного з найперших найбільш ефективних із уже давно існуючих серверів мережі Інтернет. Сама назва «Apache» співзвучно слову «A PAtCHy server» (сервер з доробками - «patch files»)Сервер Apache характеризується відкритою архітектурою. Сервер поширюється у вихідних кодах. Використовується гнучка архітектура побудови сервера, що дозволяє легко нарощувати додаткові можливості.

Сервер був розроблений для популярної платформи UNIX

Використовуючи відкритий код Apache, можна створювати власні конфігурації сервера, компілюючи внесені в код зміни. Apache має модульну структуру. У його склад входить набір модулів, які служать для забезпечення необхідних функцій сервера й можуть бути динамічно включені в конфігурацію навіть під час активної роботи сервера. Сервер Apache дозволяє використовувати CGI-сценарії , написані на Perl або РНР

Перелічимо основні особливості сервера:

Ø є потужним, гнучким HTTP 1.1-сумісним сервером;

Ø  підтримує сучасні протоколи;

Ø  має конфігурацію, що легко перебудовується, з можливістю встановлення додаткових функцій (модулів) від сторонніх виробників;

Ø  може бути сконфігурований з використанням модулів APІ;

Ø  забезпечується повним вихідним текстом і надходить із безкоштовною ліцензією без обмежень;

Ø  працює під керуванням популярних операційних систем;

Ø  підтримує ведення звітної документації про помилки й файли корекції.

Сервер Apache підтримує наступні функції:

Ø доступ до баз даних, використовуваним для аутентифікації, тобто можливість установки захищених паролем сторінок з величезною кількістю вповноважених користувачів без перевантаження сервера;

Ø  настроювання реакції сервера на помилки й збої, що полягає в можливості встановлювати файли або сценарії CGІ, використовувані сервером при виникненні помилки (наприклад, установка сценаріїв, що дозволяють обробляти близько 500 помилок сервера, вести безперервну діагностику й усувати неполадки за бажанням користувача);

Ø  автоматичну обробку HTML-даних із структурою що змінюється й модифікація їх для зручного подання інформації клієнтові;

Ø  підтримка віртуальних хостів, що полягає в можливості настроювання декількох «домашніх хостів», що дозволяє серверу розрізняти запити, зроблені по різним ІP-адресам. Apache також надає можливість динамічно набудовувати функції «головного» віртуального хосту;

Ø  генерацію інформації про настроювання в зручному для користувача форматі;

Ø  формування на більшості архітектури UNIX Apache так званих журналів обліку (log файлів), причому їхня кількість кратна числу віртуальних хостів, і робота DNS коректується без припинення функціонування.

Для сервера Apache відсутнє офіційне технічне обслуговування й підтримка, але можна знайти велику кількість інформації або порад.

У другій версії Apache підвищенню продуктивності була приділена особлива увага. Apache 2.0 може використовувати багатопоточність (на платформах, що підтримують її). Потоками називаються окремі галузі програми, що розділяють загальну пам’ять на окремі області для кожного процесу. У результаті багатопоточність є масштабованим способом виконання декількох завдань, наприклад одночасного обслуговування різних Web-сторінок.

Apache підтримує безліч безкоштовних засобів розробки. Можна в першу чергу відзначити мови Perl, PHP і базу даних MySQL. В Інтернеті можна знайти величезну кількість скриптів для Apache, написаних на РНР і Perl, які дозволяють вирішити найпоширеніші завдання Web-програмування. Особливо часто зустрічаються повністю готові рішення - движки. Для створення форуму можна використовувати движок phpBB.

У ранніх версіях Apache були деякі проблеми при роботі під Windows. Друга версія працює на Windows-платформі також добре, як на UNIX. Apache для Windows існує як у вигляді ісходників, так і у вигляді бінарних файлів, що встановлюються.

Apache - лідер ринку Web-серверів має недоліки. Помітних мінусів в Apache два:

Перший є зворотною стороною безкоштовності продукту й полягає у відсутності підтримки з боку виробників (аналогічна ситуація спостерігається з усіма продуктами Open Source)

Друга особливість Apache - це відсутність якого-небудь графічного інтерфейсу. Настроювання сервера виконується шляхом редагування текстових конфігураційних файлів. У цьому плані Apache програє ІІS.

Однак дану проблему можна вирішити за допомогою ряду спеціалізованих утиліт для його настроювання, які удосталь присутні в Інтернеті. Наприклад, програма ApacheConf дозволяє настроювати Apache для Windows.

У випадку з UNIX-системами найпоширенішою утилітою для настроювання є Webmin. Програма не тільки допомагає набудовувати Apache, але й дозволяє повноцінно його адмініструвати.сервери використовуються в основному на UNIX-платформах, а більшість клієнтських машин розроблювачів працює під керуванням Windows. Труднощі, що виникають можна вирішувати по FTP-з’єднанню з віддаленим Web-сервером або встановивши другу операційну систему (наприклад, Linux), у дистрибутивах якої є весь потрібний інструментарій.

Однак є більш підходяще рішення проблеми - установка емулятора Apache-сервера для Windows. Серед продуктів такого роду широко відома розробка компанії dklab - «Денвер» («Джентльменський набір Web-розроблювача»).

Після установки програма створює віртуальний диск, де міститься віртуальна файлова система UNIX з наявністю стандартних папок /etc, /usr і /home. По кліку на ярлик Start server власне запускається Apache.сервер MICROSOFT IIS

Microsoft Internet Information Server (MІІS) входить до складу системи Windows 2000/NT Server.

Служби MІІS дозволяють використовувати масштабовані Web-додатки, а також публікувати інформацію з інформаційних систем в Інтернеті. Служби MІІS включають підтримку сторінок ASP, які є середовищем створення серверних сценаріїв для розробки динамічних інтерактивних додатків Web-серверів. Вони дозволяють розроблювачам поєднувати потрібним образом сторінки у форматі HTML, команди сценаріїв і компоненти СОМ для створення потужних і гнучких Web- додатків.

Спрощеною версією MІІS є Microsoft Personal Web Server (PWS), що призначений для роботи в якості настільного Web-сервера для поширення інформації з домашнього комп’ютера в мережу.

Microsoft Internet Information Server дозволяє розширювати можливості сервера, як і сервер Apache. Використовуючи інтерфейс СОМ, можна підключати різні мови створення сценаріїв для цього Web-сервера. Але в цьому випадку інтерпретатори сценаріїв не входять безпосередньо до складу сервера, що трохи сповільнює обробку сценаріїв.

Найбільша відмінність між Apache і MІІS полягає в можливості змінювати конфігурацію сервера Apache без зупинки його роботи, змінюючи в текстовому режимі файли настроювання, що дозволяє динамічно включати й виключати необхідні модулі.

Для MІІS можна одержувати технічну підтримку. В інтерактивному режимі надається вся інформація, що стосується установки й обслуговування. Додатково в пакеті MІІS є окремі файли допомоги по утилітах.

У прагненні побороти ринкову тенденцію до домінування Apache, компанія Microsoft з кожним новим релізом істотно вдосконалює свій продукт.

В існуючих версіях ІІS можна відзначити наступні достоїнства:

Дружній інтерфейс: практично всі операції доступні з використанням GUІ й миші без ручного редагування конфігураційних файлів. Керування всіма об’єктами Web-сервера здійснюється через консоль керування ІІS. Втім, поряд зі зручним адмініструванням можна відзначити досить невдало реалізоване розмежування прав доступу користувачів до Web-ресурсів, що здійснюється фактично засобами операційної системи (облікові записи заносяться в єдину базу даних користувачів Windows). Однак цю проблему можна вирішити завдяки стороннім розробкам, наприклад таких, як iisProtect компанії Corporate Web Solutions Ltd.

ІІS підтримує роботу із протоколом шифрування SSL, використовуваним для захисту фінансових онлайн-транзакцій в електронній комерції. ІІS 5.0 надає досить швидку реалізацію SSL, що стало причиною лідерства сервера серед сайтів з підтримкою SSL. У шостій версії крім ще більш високої швидкості адміністратори можуть віддалено управляти SSL-сертифікатами. Слід зазначити, що при включенні SSL продуктивність різко падає, тому що шифрування забезпечує процесор солідним навантаженням. Однак для рішення цієї проблеми існують апаратні прискорювачі, що дозволяють перекласти обчислення по шифруванню на виділене встаткування.

ІІS - це досить вдала реалізація ідеї комплексного підходу. Якщо Apache - це просто оброблювач Web-сторінок (тобто «чистий» Web-сервер), то ІІS - додаток іншого рівня. Наприклад, в ІІS можна настроїти FTP-службу. У шостій версії у вбудованому FTP-сервері з’явилася можливість обмежувати користувачів рамками їх власних домашніх каталогів, що дуже зручно при хостінгу декількох Web-сайтів на одному сервері. Повноцінним компонентом ІІS 6.0 став сервіс BІTS (Background Intelligent Transfer Service), що дозволяє клієнтам завантажувати й передавати файли у фоновому режимі. Він зберігає з’єднання при відключенні й навіть перезавантаженні сервера або клієнта й продовжує з першою нагодою цей процес із місця, на якому він перервався. Раніше BІTS можна було завантажити тільки з Windows Update. Крім FTP є SMTP-сервер, тобто існує можливість розсилання листів. До того ж до SMTP-сервера, що входить до складу четвертої версії ІІS, в Windows Server 2003 з’явився POP3-сервер (для прийому пошти), щоправда, з мінімальною функціональністю.

Що стосується засобів розробки, то ІІS можна змусити працювати із РНР, наприклад, підключивши бібліотеку php4іsapі.dll. Однак більш вдалим варіантом є використання «рідної» технології від Microsoft - ASP (Active Server Pages) або більше впровадженого на сьогоднішній день рішення ASP.NET. Нагадаємо, що ключовими сторонами ідеології .NET, у рамках якої створений цей інструмент розробки, є масштабованість, крос-платформеність, міжмовна взаємодія й безпечне програмування.

Відносно низька (у порівнянні з Apache) популярність ІІS обумовлена сформованою думкою про невисоку безпеку й продуктивність продукту. Відносно проблем з вразливістю не можна сказати, що Microsoft приділяє недостатньо увагу захищеності своїх продуктів. Варто віддати належне фахівцям, що оперативно викладають бюлетені безпеки й вчасно випускають патчи. У більшості випадків провина за те, що ІІS ламають, лежить на Web-адміністраторах, які не приймають заходів щодо забезпечення безпеки. Найбільш типовою ситуацією є виставляння настроювань за замовчуванням після інсталяції. Все цілком коректно працює, сторінки вантажаться, і адміністратори діють за принципом «працює - не займай!». Однак у цьому випадку такий підхід неправильний - після установки за замовчуванням залишається відкритими безліч сервісів, в абсолютній більшості випадків зовсім непотрібних. Ці сервіси не тільки відбирають ресурси, але і є додатковими джерелами вразливості.

Представлення ж про повільність ІІS зовсім справедливо - даний продукт працює повільніше більшості інших Web-серверів. Над виправленням цього прикрого недоліку фахівці Microsoft добре потрудилися в ІІS 6.0, зробивши ряд нововведень, що дозволяють істотно збільшити продуктивність. Так, наприклад, при роботі сервера використовується драйвер http.sys, що обробляє запити HTTP і функціонує в режимі ядра. У четвертій і п’ятій версіях ІІS обробка запитів здійснюється в режимі користувача. Додатки, виконувані в користувальницькому режимі, не можуть прямо звертатися до апаратних засобів, викликаючи стандартні процедури передачі даних або функції компонентів ядра. Саме переходи між користувальницьким режимом і режимом ядра сильно знижували продуктивність. Новий швидкодіючий оброблювач запитів HTTP, що функціонує в режимі ядра й не призначений для виконання додатків, можна назвати чудовим засобом обслуговування запитів статичного контента прямо з кеша ядра. Така організація скорочує кількість зайвих перемикань у користувальницький режим. При цьому драйвер http.sys використовує вдосконалені евристичні алгоритми кешування для відбору зберігається в кеші ядра інформації. Наприклад, щоб контент був спрямований у кеш, http.sys повинен одержати кілька запитів на даний матеріал.

На закінчення назвемо ще одну особливість, не пов’язану з технічною стороною, але, безсумнівно, що істотно впливає на трохи прохолодне відношення до ІІS з боку користувачів. Всі продукти, що сполучаються із цим рішенням, та й сам Web-сервер, є платними. Оскільки не кожний з розроблювачів може собі дозволити заплатити кілька тисяч доларів, ІІS застосовується, як правило, у великих комерційних проектах.

Застосування цих і подібних їм Web-серверів жадає від платформи серйозних обчислювальних ресурсів. Ресурси пристрою не настільки великі щоб можна було скористатися такими Web-серверами, необхідний невеликий, але цілком швидкий і функціональний Web-сервер з достатньою безпекою, простою установкою й настроюванням.

Маленький, простий, швидкий, безпечний HTTP-сервер.

Розглянемо HTTP-сервера з лабораторії ACME[10] для UNIX платформ:

Ø дуже маленький сервер mіcro_httpd;

Ø  швидкий демон mіnі_httpd для середнього сервера;

Ø  швидкий і безпечний thttpd для більших серверів.іcro_httpd - дуже маленький, написаний для UNIX, HTTP-сервер. Він запускається від іnetd, що означає, що його швидкість не рекордна, але для мереж з низьким трафіком, це досить адекватно. Mіcro_httpd може використовуватися для обслуговування HTTPS запитів. Сервер забезпечує всі основні особливості HTTP, включаючи:

Ø Security against ".." filename snooping;

Ø  The common MІME types;

Ø  Trailing-slash redirection;

Ø  іndex.html;

Ø  Directory listings.

Для сервера домашньої мережі або локальної мережі невеликого підприємства не потрібні монстри типу Apache, boa або навіть thttpd, тут цілком доречно використовувати невеликий і простий www-сервер. На наш погляд mіcro_httpd - кращий у своєму класі!іnі_httpd - маленький HTTP-сервер.

Його призначення - робота в мережах з низьким або середнім трафіком. Його можна зконфігурувати для підтримки SSL/HTTPS і ІPV6, також програма підтримує всі основні особливості будь-якого HTTP-сервера, включаючи:

Ø GET, HEAD, and POST methods;

Ø  CGІ;

Ø  Basic authentication;

Ø  Security against ".." filename snooping;

Ø  The common MІME types;

Ø  Trailing-slash redirection;

Ø  іndex.html, іndex.htm, index.cgi;

Ø  Directory listings;

Ø  Multihoming / virtual hosting;

Ø  Standard logging;

Ø  Custom error pages;

Mіnі_httpd був написаний по двох причинах. Перше - для експериментів, щоб бачити як повільно працюють старі сервера в мережі. Дійсно, тести на FreeBSD 3.2 з mіnі_httpd показали що він усього на 10% повільніше ніж Apache. Інша причина при написанні mіnі_httpd полягала в тому, щоб одержати просту платформу для експериментування з новими мережними технологіями, наприклад SSL і т.і.- простий, маленький, портативний, швидкий і безпечний HTTP-сервер.

Простий:

При роботі він використовує тільки мінімум ресурсів, необхідних для підтримки HTTP/1.1 (можливо трохи більше чим мінімум).

Маленький:

Він також має дуже невеликий час виконання команди й дуже обережний при розподілі пам’яті.

Портативний:

Програма легко компілюється на великій кількості UNIX-подібних OS, перевірене на FreeBSD, SunOS 4, Solaris 2, BSD/OS, Linux, OSF.

Швидкий:

У типовому використанні thttpd працює з такою ж швидкістю як інші кращі сервера (Apache, NCSA, Netscape). При дуже великому навантаженні thttpd працює набагато швидше!

Безпечний:

Програма добре захищена від нападів і зависань при роботі в мережі. Також реалізована дуже корисна можливість URL-Traffic-Based throttling якої немає в жодному іншому сервері. Також підтримується ІPV6 без яких або додаткових виправлень або опцій.

Зупинимо свій вибір на thttpd сервері, котрий відповідає необхідним вимогам. Замітка призначається всім, хто шукає альтернативний HTTP сервер з дуже малим споживанням системних ресурсів і великою швидкістю. thttp має ще пару особливостей і корисностей. Разом з тим він украй невимогливий до ресурсів (займає ~960kb RAM), досить ефективний (на системах BSD використовує kqueue) і безпечний (prіvsep, chroot).

Установка й налагодження:

Рис. 4.8 Запуск Web-серверу (thttpd is running)

4.3 Розробка Web-сторінки


Технологія створення Web-сторінок статичних сайтів: мова HTML (Hyper Text Markup Language), яка є мовою розмітки гіпертексту та каскадні таблиці стилів CSS (Cascading Style Sheets). CSS використовується для оформлення та форматування різних елементів Web-сторінок, в результаті чого значно знижують розміри Web-сторінок.

Для додання статичним Web-сторінкам інтерактивності і динамічності в Web-сторінку можна додавати скрипти на сценаріях JavaScript і VBScript, виконуваних на стороні клієнта. Скрипти на JavaScript і VBScript можуть виконуватися або за наявності будь-яких дій користувача або автоматично під час завантаження Web-сторінки.

Крім того, в HTML документ можна вставляти елементи DHTML (динамічний HTML). DHTML - це спосіб створення інтерактивного Web-сайту. Динамічний HTML побудований на мові програмування JavaScript, каскадних таблицях стилів CSS і DOM (об’єктній моделі документа).

У зв’язку з тим, що скрипти, які виконуються на стороні клієнта,

збільшують обсяг Web-сторінок, їх кількість і розмір на сторінці повинно бути обмеженим.

В даний час для створення динамічних сайтів застосовуються різні Web-додатки. Для розробки Web-додатків застосовуються різні технології, які забезпечують створення динамічних Web-сторінок. Динамічні сайти здатні реагувати на запроваджену користувачем інформацію, тобто можуть бути інтерактивними, тому динамічні сайти, як правило, є інтерактивними, але не завжди.

Тому для створення Web-сторінки застосуємо HTML, CSS і JavaScript, а з серверної сторони буде працювати CGI-скрипт написаний на Perl. Алгоритм роботи CGI-скрипта і JavaScript зображений на рисунку 4.9.

Perl - інтерпретована мова, пристосована для обробки довільних текстових файлів, витягання з них необхідної інформації і видачі звітів. Регулярні вирази Perl - найпотужніший інструмент обробки текстової інформації. Perl також зручний для написання різних системних програм. Архів CPAN (cpan.org) містить величезну кількість модулів, що реалізують практично всі завдання, які можуть виникнути в процесі роботи. Perl дозволяє використовувати регулярні вирази, створювати об’єкти, вставляти в програму на С або C++ шматки коду на Perl, а також дозволяє здійснювати доступ до баз даних.

Далі опишемо створення Web-сторінки на основі спільного використання HTML і CSS. Вміле поєднання цих технологій дозволяє швидко і просто верстати ефектні сайти, які коректно відображаються всіма сучасними браузерами та легкі в супроводі.

Рис. 4.9 Алгоритм роботи CGI-скрипту та JavaScript.

Далі буде описано вміст Web-сторінки, в нашому випадку вміст файлу index.html. У заголовку документа (тег <HEAD>) міститься наступне:

Ø для правильного розпізнання Web-браузером кодування:

<meta http-equiv="Content-Type" content="text/html; charset=KOI8-R" />

Ø відображений заголовок документа:

<TITLE>Window 7.091402-ДР2010.00ПЗ</TITLE>

Ø приєднуємо файл каскадних таблиць стилів, котрий буде містить форматування Web-сторінки:

<link rel="stylesheet" type="text/css" href="style.css">

Ø приєднуємо файл зі скриптом, який буде виконуватися на стороні клієнта:

<script language="JavaScript" src="javascript.js" type="text/javascript"></script>

Ø додамо повідомлення про необхідність включення опції браузера на виконання JavaScript:

<noscript><p>Эта страница использует JavaScript. Для успешной работы необходимо включить поддержку JavaScript-кода.</p></noscript>

Основне тіло документа (тег <BODY>) містить таблицю (тег <table>) у якій розміщуються всі необхідні компоненти Web-стрініци.

Робота Web-сервера відображається на сторінці за допомогою трьох блоків:

Ø блок 1:

<div>

<div id="result1">

Ø блок 2:

<div>

<div id="result2">

Ø блок 3:

<div>

<div id="result3">

Перший блок відображає стан світлодіода, яким керує безпосередньо користувач, керуючи включенням і вимиканням за допомогою Web-сторінки. Другий блок відображає поточне значення датчика виконаного у вигляді кнопки підключеної до портів введення-виведення мікроконтролера. Третій блок, як і перший, також відображає стан світлодіода, який керується програмою яка запущена та виконується на сервері.

Форма необхідна на Web-сторінці для відправки керуючої інформації на сервер, містить наступне:

Ø адреса скрипта, який буде на сервері обробляти інформацію, що поступає:

<form action="./cgi-bin/my.cgi" method="get" ID="form1">

Ø вибір поточного стану світлодіода:

<input type="radio" NAME="LED" value="on" > LED on<br />

<input type="radio" NAME="LED" value="off" checked> LED off<br />

Ø кнопку підтвердження, після натискання відправляється керуюча інформація Web-серверу:

<input type="submit">

Файл каскадних таблиць стилів style.css містить форматування блоків Web-сторінки:

Ø форматування блоків відображають поточний стан елементів:

.block {

                            width: 150px;

                            background: #fc0;

                            padding: 5px;

                            border: solid 1px black;

                            text-align: center;

                            }

Ø форматування блоків роз’яснюють значення елементів, та роблять їх більш наглядними для сприймання:

.block1 {

                            width: 150px;

                            background: #6cf;

                            padding: 5px;

                            border: solid 1px black;

                            text-align: center;

                            }

Ø блок відображає що поточний стан елемента - вимкнено:

.block_off {

                            background: #fc0;

                            }

Ø блок відображає що поточний стан елемента - включено:

.block_on {

                            background: #ff0;

                            }

Файл зі скриптом (javascript.js), який виконується на стороні клієнта. Робота скрипта полягає в оновленні значень інформаційних блоків через певні проміжки часу. Далі наведено більш докладний опис вмісту файлу.

Ініціалізація змінних:

var httpRequest = createHttpRequest();

var resultId = ‘‘;

Функція визначає, з яким браузером працює скрипт:

function createHttpRequest() {

         var httpRequest;

         var browser = navigator.appName;

         if (browser == "Microsoft Internet Explorer") {

                   httpRequest = new ActiveXObject("Microsoft.XMLHTTP");

         } else {

                   httpRequest = new XMLHttpRequest();

         }

         return httpRequest;

}

Основна функція, за допомогою якої вміст зазначеного файлу виводитися в зазначену ділянку коду:

function sendRequest(file, _resultId, getRequestProc) {

         resultId = _resultId;

         document.getElementById(resultId).innerHTML = ‘loading... wait...’;

         httpRequest.open(‘get’, file+’.txt’);

         httpRequest.onreadystatechange = getRequestProc;

         httpRequest.send(null);

         return false;

}

Функція, безпосередньо виконує вставку коду у Web-сторінку:

function getRequest() {

         if (httpRequest.readyState == 4) {

                   document.getElementById(resultId).innerHTML = httpRequest.responseText;

         }

}

Три функції, які задають параметри для оновлення блоків:

function myReload1(){

         sendRequest(‘1’,’result1’,getRequest);

}myReload2(){

         sendRequest(‘2’,’result2’,getRequest);

}myReload3(){

         sendRequest(‘3’,’result3’,getRequest);

}

Спеціальні змінні, за допомогою стандартної функції JavaScript setInterval через зазначені проміжки часу викликають на виконання задані функції:

var myInterval1=setInterval(myReload1,970);myInterval2=setInterval(myReload2,985);myInterval3=setInterval(myReload3,1000);

Приклади файлів (1.txt 2.txt 3.txt), які містять поточні значення датчиків і пристроїв:

Ø приклад для файлу 1.txt:

<div>

Ø приклад для файлу 2.txt:

<div>

Ø приклад для файлу 3.txt:

<div>

Вміст фала index.cgi - це Perl-скрипт, що виконується на сервері. Скрипт приймає дані з Web-сторінки і зберігає їх у файл. Далі наведено вміст фалу:

#!/usr/bin/perl

print "Content-type: text/html\n\n";

$text = $ENV{QUERY_STRING};

@words = split(/&/,$text);$word (@words)

{

@num = split(/=/,$word);(SALES,">1.txt") or die print "Cannot open file";($num[1] eq "on")

{

         print SALES "<div>

}

{

         print SALES "<div>

}SALES;

}

Далі скрипт друкує сторінку: print ‘index.html’;

Створена Web-сторінка має вигляд, як на рисунку 4.10.

Рис. 4.10 Вигляд Web-сторінки

Якщо відправити команду увімкнення світлодіоду вигляд Web-сторінки зміниться, та буде мати вигляд як на рисунку 4.11.

Рис. 4.11 Web-сторінка у вікні браузера

4.4 Розробка програми керування мікроконтролера


Алгоритм основної програми зображений на рисунку 4.12. Головна функція програми відкриває порти вводу-виводу мікроконтролера AT91SAM9620 на читання та запис, виконує їх ініціалізацію, та переході до виконання нескінченного циклу.

Рис. 4.12 Алгоритм основної програми

int main(void)

{((fd = open("/dev/mem", O_RDWR | O_SYNC)) == -1){

                   fprintf(stderr, "Cannot open /dev/mem.\n");(EXIT_FAILURE);

}(stderr, "/dev/mem opened.\n");

Системний виклик mmap служить для відображення попередньо відкритого файлу в адресний простір обчислювальної системи. Після його виконання файл може бути закритий, що ніяк не вплине на подальшу роботу з відображеним файлом.

mapped_base = mmap(0, MAP_SIZE, PROT_READ | PROT_WRITE, MAP_SHARED, fd, MAP_BASE & ~MAP_MASK);(mapped_base == (void *) -1){(stderr, "Memory mapping error.\n");(EXIT_FAILURE);

}(stderr, "Memory block mapped at address %p.\n", mapped_base);

         mapped_base+=(MAP_BASE & MAP_MASK);(stderr, "Target address mapped 0x%08x-->0x%08x\n",(int) MAP_BASE,(int)mapped_base);

Параметр fd є файловим дескриптором для файлу, що ми хочемо відобразити в адресний простір, тобто значенням, що повернувши системний виклик open().

Настроювання портів вводу-виводу можна виконати різними способами, далі наведень більше наочний метод:

         *(int*)(mapped_base+PIO_PER) = (1<<7) | PIN_MASK_4 | (1<<15);

         *(int*)(mapped_base+PIO_PDR) = (0<<7);

         *(int*)(mapped_base+PIO_OER) = (0<<7) | PIN_MASK_4 | (1<<15);

         *(int*)(mapped_base+PIO_ODR) = (1<<7);

         *(int*)(mapped_base+PIO_IFER) = (1<<7);

         *(int*)(mapped_base+PIO_IFDR) = (0<<7);

         *(int*)(mapped_base+PIO_SODR) = (0<<7);

         *(int*)(mapped_base+PIO_CODR) = (1<<7);

         *(int*)(mapped_base+PIO_IER) = (1<<7);

         *(int*)(mapped_base+PIO_IDR) = (0<<7) | PIN_MASK_4 | (1<<15);

         *(int*)(mapped_base+PIO_MDER) = (0<<7);

         *(int*)(mapped_base+PIO_MDDR) = (1<<7) | PIN_MASK_4 | (1<<15);

         *(int*)(mapped_base+PIO_PUDR) = (0<<7) | PIN_MASK_4 | (1<<15);

         *(int*)(mapped_base+PIO_PUER) = (1<<7);

         *(int*)(mapped_base+PIO_ASR) = (0<<7);

         *(int*)(mapped_base+PIO_BSR) = (0<<7);

         *(int*)(mapped_base+PIO_OWER) = (0<<7);

         *(int*)(mapped_base+PIO_OWDR) = (1<<7) | PIN_MASK_4 | (1<<15);

Перший метод є зручним коли кількість портів, які потрібно настроїти невелика або необхідне використання ідентифікаторів для наочності лістингу програми. Другий варіант настроювання портів вводу-виводу займає набагато менше місця:

         *(int*)(mapped_base+PIO_PER) = 0xFFFF00F0; // 1

         *(int*)(mapped_base+PIO_PDR) = 0x00000000; // 2

         *(int*)(mapped_base+PIO_OER) = 0x000000F0; // 3

         *(int*)(mapped_base+PIO_ODR) = 0xFFFF0000; // 4

         *(int*)(mapped_base+PIO_IFER) = 0x00000000; // 5

         *(int*)(mapped_base+PIO_IFDR) = 0xFFFF00F0; // 6

         *(int*)(mapped_base+PIO_SODR) = 0x00000000; // 7

         *(int*)(mapped_base+PIO_CODR) = 0xFFFF00F0; // 8

         *(int*)(mapped_base+PIO_IER) = 0x00000000; // 9

         *(int*)(mapped_base+PIO_IDR) = 0xFFFF00F0; //10

         *(int*)(mapped_base+PIO_MDER) = 0x00000000; //11

         *(int*)(mapped_base+PIO_MDDR) = 0xFFFF00F0; //12

         *(int*)(mapped_base+PIO_PUDR) = 0x000000F0; //13

         *(int*)(mapped_base+PIO_PUER) = 0xFFFF0000; //14

         *(int*)(mapped_base+PIO_ASR) = 0x00000000; //15

         *(int*)(mapped_base+PIO_BSR) = 0x00000000; //16

         *(int*)(mapped_base+PIO_OWER) = 0x00000000; //17

         *(int*)(mapped_base+PIO_OWDR) = 0xFFFF00F0; //18

Далі виводимо у вікно терміналу поточне значення зроблених настройок:

printf("\t 1 PIO_PSR = %8x \t Status Register \n",*(int* )(mapped_base+PIO_PSR)); ("\t 2 PIO_OSR = %8x \t Output Status Register \n",*(int* )(mapped_base+PIO_OSR));("\t 3 PIO_IFSR = %8x \t Glitch Input Filter Status \n",*(int* )(mapped_base+PIO_IFSR));("\t 4 PIO_ODSR = %8x \t Output Data Status Register \n",*(int* )(mapped_base+PIO_ODSR));("\t 5 PIO_PDSR = %8x \t Pin Data Status Register \n",*(int* )(mapped_base+PIO_PDSR));("\t 6 PIO_IMR = %8x \t Interrupt Mask Register \n",*(int* )(mapped_base+PIO_IMR));("\t 7 PIO_ISR = %8x \t Interrupt Status Register \n",*(int* )(mapped_base+PIO_ISR));("\t 8 PIO_MDSR = %8x \t Multi-driver Status Register \n",*(int* )(mapped_base+PIO_MDSR));("\t 9 PIO_PUSR = %8x \t Pull-up Status Register \n",*(int* )(mapped_base+PIO_PUSR));("\t10 PIO_ABSR = %8x \t AB Status Register \n",*(int* )(mapped_base+PIO_ABSR));("\t11 PIO_OWSR = %8x \t Output Write Status Register \n",*(int* )(mapped_base+PIO_OWSR));

Створюємо змінну для перевірки парності циклу:

         int val=0;

Тепер необхідний нескінченний цикл для запуску підпрограм обробки датчиків та пристроїв. Створити нескінченний цикл існує безліч варіантів, використовуємо найпростіший:

         while (1)

         {

У цьому випадку парність використовується для штучного перемикання одного з датчиків. Наступний код можливо записати в один рядок, але для наочності пишемо наступне:

                   if (!val){

                    val=1;

                   }

                   else{

                    val=0;

                   }

Виводимо на екран терміналу значення парності:

                   printf(" \nval=%i ",val);

Далі на кожний датчик чи пристрій використовуємо окрему функцію, та послідовно викликаємо їх на виконання:

                   _LED(val);

                   _BUTTON();

                   _LED_client();

Так як максимальна потужність мікроконтролера, для прикладу, нам непотрібна, виконуємо затримку розміром в одну секунду:

                   usleep (1000000);//1sec

         }

         return 0;

}

Приведемо приклад функції, котра імітує автоматичне перемикання датчику:

void _LED(int _val)

{

         int MyFile;

         char *buf;    //"<div>

         char *file = "/home/www/jarcom/3.txt";

                   if(_val){

                    *(int*)(mapped_base+PIO_SODR) = PIN_MASK_4;

                    buf = "<div>

                    printf(" Led ON ");

                   }

                   else{

                    *(int*)(mapped_base+PIO_CODR) = PIN_MASK_4;

                    buf = "<div>

                    printf(" Led OFF ");

                   }

                   if ((MyFile = open(file,O_RDWR|O_CREAT|O_TRUNC, 0644)) == -1){

                    printf("\t\n Cannot open %s \n",file);

                    exit(-1);

                   }

                   if (write(MyFile,buf,strlen(buf)) == -1){

                    printf("\t\n Cannot write %s \n",file);

                    exit(-2);

                   }

                   close(MyFile);

}

Результатом роботі цієї функції буде автоматичне перемикання (вмикання та вимикання) електроживлення, яке демонструється за допомогою світлодіоду.

Далі приведемо приклад роботи перемикача, в даному випадку звичайної кнопки:

void _BUTTON()

{

         int MyFile;

         char *buf;

         char *file = "/home/www/jarcom/2.txt";

        

          printf("\t%p\t",*(int*)(mapped_base+PIO_PDSR));

                   if ( (1<<7) & (*(int*)(mapped_base+PIO_PDSR)) ){

                   printf(" Button OFF ");

                   buf = "<div>

                   }

                   else{

                   printf(" Button ON ");

                   buf = "<div>

                   }

                   if ((MyFile = open(file,O_RDWR|O_CREAT|O_TRUNC, 0644)) == -1){

                    printf("\t\n Cannot open %s \n",file);

                    exit(-1);

                   }

                   if (write(MyFile,buf,strlen(buf)) == -1){

                    printf("\t\n Cannot write %s \n",file);

                    exit(-2);

                   }

                   close(MyFile);

}

Робота усіх наведених прикладів буде відображатись на Web-сторінці у браузері.

Наступний приклад відображає зв’язок Web-сторінки з пристроєм через сервер:

void _LED_client()

{

         int MyFile;

         int n_buf = 256;

         char buf[256];

         char *file = "/home/www/jarcom/1.txt";

                   if ((MyFile = open(file,O_RDONLY, 0644)) == -1){

                    printf("\t\n Cannot open %s \n",file);

                    //exit(-1);

                   }

                   if (read(MyFile,buf,n_buf) == -1){

                    printf("\t\n Cannot read %s \n",file);

                    //exit(-2);

                   }

                   close(MyFile);

                   if (strchr(buf,’N’)){

                    *(int*)(mapped_base+PIO_SODR) = (1<<15);

                    printf(" Led-ON ");

                   }

                   else{

                    *(int*)(mapped_base+PIO_CODR) = (1<<15);

                    printf(" Led-OFF ");

                   }

}

В результаті роботи підпрограми користувач на відстані керує пристроєм, в даному випадку роль пристрою буде виконувати світлодіод.

Після написання програми її потрібно перевести у код, який зрозуміє мікроконтролер. Для цього потрібно виконати функцію make, та задати параметр з адресою та назвою файлу.

Програма make виконує команди відповідно до правил у спеціальному файлі. Цей файл називається make-файл (makefіle). Make-файл складається із правил і змінних, а також описує, яким образом потрібно компілювати й компонувати програму. Файл містить наступні рядки:

all: gpiomy

CC = gcc

INCLUDES = -I.

# C++ compiler flags (-g -O2 -Wll)= -g0 -O2 -Wall:

         rm -f gpiomy: gpiomy.c

         $(CC) $(INCLUDES) $(CCFLAGS) gpiomy.c -o gpiomy

У результаті створиться файл (програма), що виконується, яка запускається на постійне виконання. Приклад роботи програми зображений на рисунку 4.12.

Рис. 4.12 Робота програми gpiomy

Програма перестане виконуватись у разі вимкнення Web-серверу, або ручного вимикання процесу програми.

5. Організаційно-економічна частина


Важливим фактором, що впливає на процес формування ціни, є конкуренція на ринку, необхідність брати до уваги яку є очевидною. З метою підвищення конкурентоспроможності продукту може виникнути необхідність зниження його ціни на ринку. Важливо відмітити, що цілям підвищення конкурентоспроможності служить не тільки зниження ціни, але, також і якість товару і його вигідні відмінні ознаки в порівнянні з аналогічним товаром конкурентів.

Найбільш важливим моментом для розроблювача, з економічної точки зору, є процес формування ціни. Це може дати економічний ефект, що значно перевищує ефект від використання досить дорогих систем.

Метою написання даного розділу є економічний ефект на виробництво апаратного Web-серверу на базі мікроконтролера сімейства ARM9. Даний Web-сервер буде розміщений у лабораторії схемотехніки Криворізького інституту КУЕІТУ.

Для розробки знадобиться наступне: персональна ЕОМ, осцилограф, принтер, паяльна установка й набір системотехнічних інструментів.

Для роботи проектованого пристрою необхідно:

Осцилограф, генератор імпульсів, перемикач та інші пристрої лабораторії.

Розроблений пристрій дозволяє студентам денної й заочної форми навчання наочно вивчати принцип роботи апаратного Web-серверу, даний сервер буде застосовується для зчитування значення датчиків і виведення цих значень на Web-сторінку, а також керування деякими пристроями. Усе здійснюється віддаленим доступом, за допомогою Інтернет з’єднання.

5.1 Розрахунок собівартості системи «Апаратний Web-сервер на базі мікроконтролера сімейства ARM9»

Економічна доцільність розробки полягає в економії засобів і трудовитрат у порівнянні з аналогічним пристроєм, який має подібні властивості купленим у готовому виді.

Таблиця 5.1Витрати на видаткові матеріали

Назва елемента

Кількість

Ціна за шт., грн.

Сума, грн.

Плата для налагодження SK-MAT91SAM9XE512

1

800,00

800,00

SD-картка 1Gb

1

68,00

68,00

Блок живлення на 5V

1

30,00

30,00

З’єднувач RJ-45

2

2,50

5,00

Кабель мережі (RJ-45)

1,50(1м)

3,00

Світлодіод LED

2

0,20

0,40

Перемикач

1

0,30

0,30

Дріт

5

0,02

0,10

Гніздо

0,05

0,20

Загалом:

907,00


Загальна вартість лабораторного стенда - 907,00 грн.

Для виготовлення та налагодження даного пристрою потрібен 1 чоловік із тривалістю роботи 1 день та тарифом 50 гривень у день.

чоловік - 1 день = 1*50*1 грн.=50 грн.

Нарахування на соціальне страхування:

Ø пенсійний фонд - 33,2%

Ø  фонд соцстраху - 1,4%

Ø  на безробіття - 1,6%

Ø  соцстрахування на випадок нещасних випадків на виробництві або проф. захворювання - 1%

Разом: 37,2%

Заробітна плата з нарахуваннями: 0,372 * 50 + 50 = 68,6 грн.

Обладнання для роботи:

Комп’ютер класу Pentium III - 1шт за ціною 1500грн.

Операційна система Linux Debian - 1шт за ціною 0грн.

Амортизація 60% у рік або 15% у квартал, 5% на місяць

Амортизацію прораховуємо на 2 місяці:

На перший місяць становить:

* 0,05 = 75 грн

На другий місяць амортизація становить:

(1500 - 75) * 0,05 = 71,25 грн.

Разом: 75 + 71,25 = 146,25 грн.

Ціна 1квт електроенергії для споживачів - 0,2436 грн/кВт.

Нормативне споживання електроенергії комп’ютером - 300 Вт/ч або 0,3 кВт/ч, осцилографом - 120 Вт/ч або 0,12 кВт/ч, паяльною установкою - 350 Вт/ч або 0,35 кВт/ч. Вартість 1 кВт електроенергії для підприємства 24,36 копійок або 0,2436 грн.

Е = N*B*tе, де

- споживана об’єктом потужність від мережі (кВт/година)е - тариф на електроенергію.- регламентований час роботи об’єкта в плині місяця, ч/мес.

В = кількість робочих днів у місяці 20 по 8 годин 20*8=160(годин).

У такий спосіб витрати на використання електроенергії становлять:

Е = (0,3+0,12+0,35)*160*0,2436 = 30,01грн.

Таким чином, витрати на створення пристрою становлять - 907 + 68,6 + 30,01 + 146,25 = 1151,86 грн.

5.2 Розрахунок економічного ефекту


Посилаючись на подібний готовий пристрій (наприклад, JetCon 6350), який можна придбати за допомогою Інтернету, вартість якого складає 215 доларів штука, а також доставка, яка складе 9 доларів, можемо розрахувати економічну ефективність:

Курс Нацбанку становить:

долар = 7,92 грн.;

Доставка коштуватиме 9 * 7,92 = 71,28 грн.

Один стенд буде коштуватиме:

* 7,92 = 1702,8 грн.

Тоді 5 пристроїв з доставкою будуть коштувати:

,8 * 5 + 71,28 = 8585,28 грн.

У такий спосіб економічна ефективність 5 стендів становить:

Для проектного варіанта - 1151,86 * 5 = 5759,3 грн.

Прибуток від впровадження розробленої моделі складе:

,28 - 5759,3 = 2825,98 грн.

Висновок: Виходячи з вищевказаних розрахунків, ми можемо затверджувати, що розроблений в даній дипломній роботі пристрій дозволить інституту заощадити 2825,98 грн.

6. Охорона праці


Охорона праці - це система правових, соціально-економічних, організаційно-технічних, санітарно-гігієнічних і лікувально-профілактичних заходів та засобів, спрямованих на збереження життя, здоров’я і працездатності людини у процесі трудової діяльності.

Роботодавець - власник підприємства, установи, організації або уповноважений ним орган, незалежно від форм власності, виду діяльності, господарювання, і фізична особа, яка використовує найману працю.

Працівник - особа, яка працює на підприємстві, в організації, установі та виконує обов’язки або функції згідно з трудовим договором (контрактом).

Підвищена увага до проблем у всіх середовищах перебування пояснюється цілим поруч факторів. Одним з основних напрямків забезпечення безпеки людини, крім екологічних аспектів і різкого росту ймовірності нещасних випадків у побуті, залишається профілактика виробничого травматизму. Найважливішими причинами, що визначають необхідність удосконалювання сформованої системи забезпечення ОТ на виробництві, є зміна змісту праці й умов його виконання, що, у свою чергу позначається на характері виробничого травматизму.

Закон України «Про охорону праці». Даний Закон визначає основні положення щодо реалізації конституційного права працівників на охорону їхнього життя й здоров’я в процесі трудової діяльності, на належні, безпечні й здорові умови праці, регулює при участі відповідних органів державної влади відносини між роботодавцем і працівником з питань безпеки, гігієни праці й виробничого середовища й установлює єдиний порядок організаціїохорони праці в Україні.

Законодавство про охорону праці складається з даного Закону, Кодексу законів про працю України, Закону України «Законодавство про охорону праці» складається з цього Закону, Кодексу законів про працю України, Закону України «Про загальнообов’язкове державне соціальне страхування від нещасного випадку на виробництві та професійного захворювання, які спричинили втрату працездатності» та прийнятих відповідно до них нормативно-правових актів. Якщо міжнародним договором, згода на важливість якого надана Верховною Радою України, установлені інші норми, чим ті, які передбачені законодавством України про охорону праці, застосовуються норми міжнародного договору.

Правовою основою діяльності в галузі пожежної безпеки є Конституція, цей Закон та інші законі України, ухвалені Верховною Радою України, укази й розпорядження Президента України, декрети, ухвали та розпорядження Кабінету Міністрів рішення органів виконавчої влади, місцевого та регіонального самоврядування прийняті в межах їх компетенції .

6.1 Аналіз шкідливих та небезпечних факторів


Якщо мова йде про небезпеку для людини, то це явища, процеси, об’єкти, властивості, здатні за певних умов завдавати шкоди здоров’ю чи життю людини або системам, що забезпечують життєдіяльність людей.

Одна з найважливіших задач охорони праці - забезпечення безпеки працюючих, тобто забезпечення такого стану умов праці, при якому виключено дію на працюючих небезпечних і шкідливих виробничих чинників.

Шкідливі та небезпечні фактори класифікують відповідно до ДЕРЖСТАНДАРТУ 12.0.003-74 по природі дії на наступні групи:

Ø фізичні;

Ø  психофізичні.

Перші дві включають вплив, який надається виробничою технікою й робітничим середовищем. Психофізіологічні фактори характеризують зміни стану людини під впливом ваги й напруженості праці. Включення їх у систему факторів виробничої небезпеки обумовлене тим, що надмірні трудові навантаження в підсумку можуть також привести до захворювань.

Фізичні небезпечні й шкідливі виробничі фактори підрозділяються на наступні:

Ø підвищений рівень шуму на робочому місці;

Ø  відсутність або недолік природного світла;

Ø  недостатня освітленість робочої зони;

Ø  мікроклімат (підвищена або знижена рухливість повітря);

Психофізичні небезпечні й шкідливі виробничі фактори по характеру дії підрозділяються:

Ø фізичні перевантаження (статичні й динамічні);

Ø  нервово-психічні перевантаження (розумова напруга й перенапруга, монотонність праці, емоційні перевантаження, стомлення, емоційний стрес, емоційне перевантаження).

Той самий небезпечний і шкідливий виробничий фактор за природою своєї дії може ставитися одночасно до різних груп, перерахованих вище.

Практика показує, що планування робочого місця повинна задовольняти вимогам зручності виконуваних робіт, економії енергії й часу оператора, раціонального використання виробничих площ і зручності обслуговування пристроїв ЕОМ. При плануванні робочого місця необхідно враховувати зручність розташування дисплеїв, принтерів, пульта ЕОМ, а також зони досяжності рук оператора. Ці зони, установлені на підставі антропометричних даних тіла людини, дають можливість раціонально розмістити комп’ютер, його клавіатуру та дисплей.

Правильне освітлення робочого місця оператора полегшує його працю, знижує стомлення, підвищує продуктивність праці, знижує небезпеку виробничого травматизму. Освітлення може бути природним і штучним. Природне освітлення створюється у виробничих приміщеннях через віконні та інші засклені прорізи, штучне - світильниками. Штучне освітлення в приміщеннях варто здійснювати у вигляді комбінованої системи освітлення з використанням люмінесцентних джерел світла у світильниках загального призначення.

Важливим фактором є мікроклімат робочої зони, особливо температура, вологість та рухливість повітря. Людина постійно перебуває в процесі теплової взаємодії з навколишнім середовищем. Дослідження показують, що висока температура в сполученні з високою вологістю повітря дуже впливає на працездатність оператора. Збільшується час реакції оператора ЕОМ, порушується координація рухів, різко збільшується число помилкових дій. Висока температура на робочому місці оператора негативно впливає на психологічні функції: знижується увага, зменшується обсяг оперативної пам’яті, знижується здатність до асоціацій.

Електричний струм являє собою схований тип небезпеки, тому що його важко визначити в токо- і не струмоведучих частинах устаткування, які є гарними провідниками електрики. Смертельно небезпечним для життя людини вважають струм, величина якого перевищує 0,05 А, струм менш 0,05 А - безпечний (до 1000 В). З метою попередження поразок електричним струмом до роботи допускаються тільки особи, що добре вивчили основні правила по техніці безпеки.

Шум є одними з розповсюджених факторів зовнішнього середовища, що несприятливо впливають на організм людини. Люди, що працюють в умовах підвищеного шуму, скаржаться на швидку стомлюваність, головний біль, безсоння. У людини знижується гострота зору й слуху, підвищується кров’яний тиск, послабляється увага, погіршується пам’ять. Це приводить до значного зниження продуктивності праці, росту кількості помилок у роботі.

Джерелом інфрачервоного випромінювання є будь-яке тіло, температура поверхні якого перевищує температуру абсолютного нуля (-273 К). До інфрачервоних випромінювань належать електромагнітні випромінювання невидимої частини спектра. Спектральний склад випромінювань інфрачервоного діапазону залежить від температури поверхні тіла. Чим вища температура тіла, тим коротша довжина випромінюваної електромагнітної хвилі. Вплив інфрачервоного випромінювання на людину залежить від довжини хвилі, що випромінюється, й від глибини проникнення променів.

Небезпечні та шкідливі фактори дуже часто бувають прихованими, неявними або ж такими, які важко виявити чи розпізнати. Це стосується будь-яких небезпечних та шкідливих факторів, так як і джерел небезпеки.

6.2 Заходи щодо усунення шкідливих і небезпечних виробничих факторів


Задачею вентиляції є забезпечення чистоти повітря й заданих метеорологічних умов у виробничих приміщеннях. Вентиляція досягається подачею свіжого повітря, видаленням забрудненого повітря. Залежно від того, для чого служить система вентиляції - для подачі або витяжки повітря із приміщення або для того й іншого одночасно, вона називається припливною, витяжною або припливно-витяжною. По місцю дії вентиляція буває загально-обмінною і місцевою. Дія загально-обмінної вентиляції засновано на розведенні забрудненого, нагрітого, вологого повітря приміщення чистим повітрям до гранично припустимих норм. Цю систему вентиляції найбільше часто застосовують у випадках, коли шкідливі речовини, теплота, волога виділяються рівномірно по всьому приміщенню. При такій вентиляції забезпечується підтримка необхідних параметрів повітряного середовища в повному обсязі приміщення. Повітрообмін у приміщенні можна значно скоротити, якщо вловлювати шкідливі речовини в місцях їхнього виділення, не допускаючи поширення по приміщенню. Із цією метою технологічне встаткування, що є джерелом виділення шкідливих речовин, постачають спеціальними пристроями, від яких виробляється відсмоктування забрудненого повітря. Така вентиляція називається місцево-витяжною.

Висота робочої поверхні стола повинна регулюватися в межах 680-800 мм; при відсутності такої можливості повинна становити 725 мм.

Дисплей задовольняє наступним вимогам:

Ø найважливіші елементи конструкції розташовані в центрі поля зору (клавіатура);

Ø  елементи згруповані по функціональній ознаці;

Ø  робочі поверхні розташовані похило, по можливості перпендикулярно погляду оператора;

Екран монітору перебуває від очей користувача на оптимальній відстані 600-700 мм, але не ближче 500 мм із урахуванням розмірів знаків і символів.

Найважливішими характеристиками зорового сприйняття оператора є: яскравість, контрастність між об’єктами й фоном, та чіткість зображення. Контрастність стосовно фона впливає на сприйняття кольорів. Так, наприклад, краще сприймаються комбінації кольорів: чорний на жовтому, чорний на білому, зелений на чорному, білий на чорному. Звідси треба оптимальність вибору кольорів:

Ø для екрана: білий на чорному;

Ø  для клавіатури: чорний на білому.

Найбільш зручне сидіння, що має виїмку, що відповідає формі стегон і нахил назад. Спинка стільця повинна бути вигнутої форми, що обіймає поперек. Висота її - 300 мм, ширина - не менш 380 мм, радіус вигину - 300-350 мм. Робочий стілець (крісло) повинен бути постачений підйомно-поворотним механізмом, що забезпечує регуляцію висоти сидіння й спинки (рис. 6.1). Робоче крісло повинне мати підлокітники. Регулювання кожного параметра повинна легко здійснюватися, бути незалежної й мати надійну фіксацію. На робочому місці необхідно передбачати підставку для ніг.

Клавіатура повинна розташовуватися на поверхні стола таким чином, щоб відповідати ліктеві сидячого оператора. Його рука повинна бути зігнута на 90 градусів у ліктьовому суглобі, а передпліччя - лежати горизонтально. Клавіатуру варто розташовувати на відстані 100-300 мм від краю, зверненого до користувача.

Рис. 6.1 Схема робочого місця програміста:

-стіл; 2-стілець; 3-підставка для ніг; 4-системний блок;

-монітор; 6-клавіатура; 7-принтер; 8-лоток для паперу.

Приміщення відповідає кількості працюючих і розташовуваному в них КТЗ (комплекс технічних засобів). Відстань між робочими столами з моніторами не менш 2,0 м, а відстань між бічними поверхнями моніторів - не менш 1,2 м. У приміщеннях з ПЕОМ щодня проводитися вологе прибирання, необхідне наявність аптечки першої допомоги.

Як джерела загального освітлення використаємо лампи типу ЛБ і ДРЛ із індексом передачі кольору не менш 70 (R>70), як світильники - установки з переважно відбитим або розсіяним світлом. Світильники загального освітлення розташовуємо над робочим столом у рівномірно прямокутному порядку. Для запобігання відблисків екрана дисплея прямими світловими потоками застосовуємо світильники загального призначення, розташовані між рядами робочих місць. При цьому лінії світильників розташовуються паралельно світлоприйому. Освітлювальні установки забезпечують рівномірну освітленість за допомогою приглушеного або неуважного світлорозподілу. Для виключення відблисків застосовуємо спеціальні фільтри для екранів, захисні козирки або розташовувати джерела світла паралельно напрямку погляду на екран монітора по обидва боки. Місцеве освітлення забезпечується світильниками, установленими безпосередньо на стільниці або на його вертикальній панелі, а також вмонтованими в козирок пульта. Джерела світла стосовно робочого місця маємо у своєму розпорядженні такий образ, щоб виключити влучення в очі прямого світла. При природному освітленні необхідно застосовувати сонцезахисні засоби, що знижують перепади яскравості між природним світлом і світінням екрана дисплея. При такому засобі, використаємо регульовані жалюзі.

Вибір ламп і світильників провадиться на підставі забезпечення нормативної освітленості робочих місць при мінімальних капітальних й експлуатаційних витратах. Розрахунок штучного освітлення зводиться до визначення числа світильників:

,

Е - нормована освітленість, Лк (для нашого випадку 300)3 - коефіцієнт запасу » 1.3;

А - площа підлоги, м2 (=25м2);- коефіцієнт, що враховує нерівномірність освітленості

(Для ламп накалювання =1.5, для люмінесцентних =1.1.);л - кількість ламп в одному світильнику (=2);

Фл - світловий потік лампи (Для ламп ЛБ-40 = 3000 лм.);св - коефіцієнт використання світильників. Визначається по індексу приміщення:

,

а - ширина приміщення, м;- довжина приміщення, м;- висота підвісу світильників над робочою поверхнею, м.

Приймаючи, що а=5 м., b=5 м., h=2 м., обчислюємо p=1.25. Тепер по таблиці відповідності визначаємо, що Uсв=0.63.

Підставляючи всі необхідні дані одержуємо:

св = (300*1.3*20*1.1) / (2*3000*0.55) = 2,6 » 3

Таким чином, одержуємо, що для освітлення нашого приміщення необхідно 3 світильники, по 2 лампи марки ЛБ-40 у кожному.

Оптимальні норми температури, відносній вологості й швидкості руху повітря в робочій зоні виробничого приміщення відповідно до ДЕРЖСТАНДАРТ 12.1.005-88 приведені в таблиці 6.1.

Таблиця 6.1 Оптимальні норми температури, відносної вологості і швидкості руху повітря

Період року

Категорія роботи

Температура С

Відносна влаж. повітря, %

Швидкість руху повітря, не більше м/с

Холодний і перехідний

легка

20-23

60-40

0,2

Теплий

легка

22-25

60-40

0,2


При розрахунку кондиціонування визначаємо кількість повітря, який необхідно пропустити через приміщення протягом кожної години для того, щоб концентрація шкідливих речовин у повітрі не перевищувала припустимих величин. У приміщенні джерелами надлишкового тепла є:

Ø надходження тепла від людей;

Ø  виділення тепла від обладнання та допоміжної апаратури;

Ø  надходження тепла від сонячної радіації;

Ø  виділення тепла від електричного освітлення.

Відповідно до правил електробезпечності в службовому приміщенні здійснюємо постійний контроль стану електропроводки, запобіжних щитів, шнурів, за допомогою яких включаються в електромережу комп’ютери, освітлювальні прилади, інші електроприлади. Приміщення, у якому здійснюється робота над програмою, по ступені електронебезпечності ставляться до приміщень без підвищеної небезпеки - приміщення сухі, з нормальною температурою, ізольованими підлогами, без пильних, що мають малу кількість заземлених предметів.

Комп’ютер живиться від однофазної мережі перемінного струму промислової частоти із заземленою нейтралі, напругою 220 В. Системний блок комп’ютера має напруги сигналів ТТЛ рівнів (-1, +4 В), цифрові й аналогові мікросхеми живляться постійною напругою (5 та 12 В), які утворюються шляхом перетворення перемінної напруги 220 В в блоці живлення. Блок живлення містить у собі схеми перетворення напруги, схеми стабілізації й схему захисного відключення при короткому замиканні. Тому що корпус комп’ютера виконаний з металу, то існує небезпека пробою фази на корпус. Монітори сучасних комп’ютерів практично завжди виготовляються із пластику, тому незважаючи на велику напругу, що є присутнім у моніторі, поразка струмом людини практично виключено.

Для забезпечення захисту від поразки електричним струмом при дотику до металевих не струмоведучих частин, які можуть виявитися під напругою в результаті пошкодження ізоляції, я рекомендую застосовувати захисне заземлення. Заземлення корпуса ЕОМ забезпечено підведенням заземлюючої жили до живильних розеток. Опір заземлення 4 Ом (Rн) для електроустановок з напругою до 1000 В. З метою профілактики один раз у рік визначається опір ґрунту.

У робочих приміщеннях фахівців операторів ЕОМ рівень шуму згідно норм не повинен перевищувати 65 дб. На робочих місцях у приміщеннях для розміщення шумних агрегатів обчислювальних машин (АЦПУ, роботи, принтери й т.і.) рівень шуму не повинен перевищувати 75 дб. Стіни й стелі виробничих приміщень, де встановлені ЕОМ й інше обладнання, що є джерелом шумоутворення, облицьовані звуковбирним матеріалом з максимальним коефіцієнтом звукопоглинання в області частот 63-8000 Гц, незалежно від кількості одиниць установленого обладнання. Зниження шуму, створюваного на робочих місцях лабораторії внутрішніми джерелами, а також шуму проникаючого ззовні, є дуже важливим завданням. Зниження шуму в джерелі випромінювання забезпечуємо застосуванням пружних прокладок між основою машини, приладу й опорною поверхнею. В прокладках використаються гума, повсть, пробка, амортизатори різної конструкції. Під настільні шумливі апарати можна підкладати м’які килимки із синтетичних матеріалів, а під ніжки столів, на яких вони встановлені, - прокладки з м’якої гуми, повсті, товщиною 6-8 мм. Кріплення прокладок можливо шляхом приклейки їх до опорних частин. Можливо також застосування звукоізолюючих кожухів, які не заважають технологічному процесу. Не менш важливим для зниження шуму в процесі експлуатації є питання правильного й своєчасного регулювання, змазування й заміни механічних вузлів шумливого встаткування.

Зниження рівня шуму, що проникає у виробниче приміщення ззовні, може бути досягнуто збільшенням звукоізоляції конструкцій, що обгороджують, ущільненням по периметру притворів вікон, дверей.

У такий спосіб для зниження шуму створюваного на робочих місцях внутрішніми джерелами, а також шуму, що проникає з зовнішнього джерела треба:

Ø послабити шум самих джерел (застосування екранів, звукоізолюючих кожухів);

Ø  знизити ефект сумарного впливу відбитих звукових хвиль (звуковбирні поверхні конструкцій);

Ø  використовувати архітектурно-планувальні й технологічні рішення ізоляцій джерел шуму.

6.3 Пожежна безпека


Пожежна безпека - це стан об’єкта, при якому виключається можливість пожежі, а у випадку його виникнення використовуються необхідні заходи щодо усунення негативного впливу небезпечних факторів пожежі на людей, споруди й матеріальних цінностей.

Пожежна безпека може бути забезпечена заходами пожежної профілактики й активного пожежного захисту. Пожежна профілактика включає комплекс заходів, спрямованих на попередження пожежі або зменшення його наслідків.

Причинами пожеж та вибухів на підприємстві є порушення правил і норм пожежної безпеки, невиконання Закону «Про пожежну безпеку».

Небезпечними факторами пожеж є:

Ø полум’я, іскри характерне кількістю теплового потоку на одиницю поверхні;

Ø  замикання електронних частин комп’ютера.

Ø  підвищена концентрація СО та інші токсичні продукти горіння.

Ø  знижена концентрація кисню в повітрі.

Особливістю сучасних комп’ютерів є дуже висока щільність розташування елементів електронних схем. При проходженні струму по провідниках і деталям виділяється тепло, що може привести до пожежнонебезпечної ситуації. Серйозну небезпеку становлять різні електроізоляційні матеріали, що використовуються для захисту, від механічних впливів окремих радіодеталей.

Пожежна безпека об’єкта забезпечується системами запобігання пожежі й протипожежного захисту. Приміщення обчислювального центру (ОЦ) ставиться до категорії В.

Пожежа може виникнути й від зовнішніх джерел. Тому необхідні наступні заходи забезпечення пожежної безпеки:

Ø ефективне видалення диму, тому що в приміщеннях, що мають оргтехніку, міститься велика кількість пластикових речовин, що виділяють при горінні летучі отруйні речовини та їдучий дим;

Ø  правильний шлях евакуації;

Ø  наявність вогнегасників і пожежної сигналізації;

Ø  дотримання всіх протипожежних вимог до систем опалення й кондиціонування повітря.

Серйозну небезпеку становлять різні електроізоляційні матеріали. Материнські плати електронних пристроїв, а також плати всіх додаткових пристроїв ЕОМ виготовляють із гетинаксу або стеклотекстолита. Пожежна небезпека цих ізоляційних матеріалів невелика, вони відносяться до групи важко горючих, і можуть запалитися тільки при тривалому впливі вогню й високої температури.

До засобів гасіння пожежі, призначених для локалізації невеликих загорянь, відносяться пожежні стовбури, внутрішні пожежні водопроводи, вогнегасники, сухий пісок, азбестові ковдри тощо. У будівлях ОЦ пожежні крани встановлюються в коридорах, на площадках сходових кліток і входів.

Оскільки в розглянутому випадку при загоряннях електронних пристроїв можуть знаходитися під напругою, то використовувати воду й піну для гасіння пожежі неприпустимо, оскільки це може призвести до електричних травм. Іншою причиною, по якій небажане використання води, є те, що на деякі елементи ЕОМ неприпустиме влучення вологи. Тому для гасіння пожеж у розглянутому приміщенні можна використати або порошкові вогнегасники, або установки вуглекислотного гасіння. Але оскільки останні призначені тільки для гасіння невеликих вогнищ загоряння, то галузь їхнього застосування обмежена. Тому для гасіння пожеж у цьому випадку застосовуються порошкові сполуки, тому що вони мають наступні властивості: діелектрики, практично не токсичні, не надають корозійного впливу на метали, не руйнують діелектричні лаки.

У приміщенні будівлі ОЦ використаються в основному вуглекислотні вогнегасники ОУ-5, ОУ-10 достоїнство яких є висока ефективність гасіння пожежі, збереження електронного обладнання, діелектричні властивості вуглекислого газу, що дозволяє використовувати ці вогнегасники навіть у тому випадку, коли не вдається знеструмити електроустановку відразу. Згідно СНиП 2.04.09-84 у приміщенні площею 72 м2 ми встановлюємо 8 вогнегасників. У будівлі вивішені плани евакуації на випадок пожежі в доступних для огляду місцях.

Об’єкти ОЦ обладнанні установками стаціонарного автоматичного пожежогасіння. Найбільше доцільно застосовувати в ОЦ установки газового гасіння пожежі, дія яких засновано на швидкому заповненні приміщення вогнегасною газовою речовиною з різким скрапленням змісту в повітрі кисню.

Для профілактики пожежної безпеки організовуються навчання виробничого персоналу (обов’язковий інструктаж із правил пожежної безпеки не рідше одного разу в рік), видання необхідних інструкцій з доведенням їх до кожного працівника установи, випуск і вивіска плакатів із правилами пожежної безпеки й правилами поведінки при пожежі. Також необхідна наявність плакатів, що інформують людей про розташування аварійних виходів з будинку у випадку виникнення пожежі, плану евакуації людей в аварійних ситуаціях.

У будинку розроблені й на видних місцях вивішені плани (схеми) евакуації людей у випадку пожежі (ППБ 01-03). Призначення плану евакуації - чітко позначити шляхи евакуації, евакуаційні виходи, а також указати розташування пожежного обладнання, засобів оповіщення про пожежу, і нагадати про першочергові дії, які необхідно почати. План евакуації може бути виконаний на фотолюмінесцентному (світному в темряві) або звичайному пластику, на плівці, папері. Плани евакуації відповідно до ДЕРЖСТАНДАРТ Р 12.2.143-2002 являють собою схеми, на яких нанесені внутрішні контури приміщень, коридорів, сходових маршів у будинках і спорудах, де можуть перебувати й працювати люди. На цих схемах умовними позначками зазначені шляхи евакуації, евакуаційні й аварійні виходи, місця розташування протипожежного обладнання, телефони, засоби першої медичної допомоги, і додаткові засоби порятунку (протигазів, респіраторів тощо), а також установлені в організації правила поведінки людей, порядок і послідовність їхніх дій в умовах надзвичайної (аварійної) ситуації.

Висновки

міцно укріпився в якості архітектури процесорів для пристроїв, які вимагають гідну продуктивність і скромне енергоспоживання. Пристрій на основі ARM є дуже компактним і безшумним. Можливе, управління лише завдяки Web-інтерфейсу, який повністю сумісний з більшістю сучасних браузерів.

Внаслідок проведеної роботи було розроблено та виготовлено гнучку комп’ютеризовану систему «Апаратний Web-сервер на базі мікроконтролера сімейства ARM9». Дана робота може бути використана в науково-дослідницьких експериментах, що проводяться на кафедрі, а також в інших галузях науки й техніки, у яких застосовується віддалене управління автоматизованими системами. Пристрій може забезпечити обмін даними між персональним комп’ютером і зовнішніми вимірювальними приладами. Дозволяє здійснити прийом/передачу даних через USB інтерфейс в існуючі системи обміну даними без додаткових технічних перетворень. Також дозволяє приймати велику кількість масиву даних з одного потоку інформації.

Безсумнівною перевагою є більш низька вартість рішення в порівнянні з аналогічними рішеннями на основі контролерів зі стандартними для систем автоматизації будівель інтерфейсами LonWorks і BACnet. Тобто з економічної точки зору розробленій апаратний Web-сервер дешевший і потенційно конкуренто спроможний. Можна рекомендувати до використання в різних галузях де необхідне застосування віддаленого управляння та обміну даними між персональним комп’ютером і зовнішніми вимірювальними приладами (датчиками), перемикачами та інше.

Для забезпечення високого рівня комфорту і безпеки сучасні будівлі оснащуються комплексом інженерного обладнання зі складними системами управління, до яких пред’являються високі вимоги по надійності і технічному рівню. У системах автоматизації енергопостачання, освітлення, теплопостачання, вентиляції та кондиціонування повітря, поряд зі спеціалізованими контролерами, використовуються промислові програмовані логічні контролери.

Тобто ефективність використання системи буде обмежуватися тільки лише вашою фантазією.

Надійність, висока точність і швидкість виконання прикладних програм, стандартні інтерфейси і широкий ряд ліній вводу/виводу - основні аргументи для застосування в промисловій автоматиці та системах управління будівлями.

Перелік літератури


1.    Барретт С.Ф., Пак Д.Дж. Встраиваемые системы. Проектирование приложений на микро контроллерах семейства 68HC12/HCS12 с применением языка С. - Москва: ДКМ-пресс, 2007

2.       Бруксбэнк Эд и др. Samba. Руководство системного администратора для профессионалов. - Санкт-Петербург: Питер, 2001

.        Вайк А. и др. JavaScript. Справочник. - Санкт-Петербург: ДиаСофтЮП, 2002

.        Гордеев А.В. Операционные системы. 2-е изд. - Киев: Питер, 2004

.        Иванов Н.Н. Программирование в Linux. Самоучитель. - Санкт-Петербург: БХВ-Петербург, 2007

.        Иди Ф. Сетевой и межсетевой обмен данными с микроконтроллерами. - Москва: Додэка-XXI, 2007

.        Кейт Хэвиленд, Дайна Грэй, Бен Саламан. Системное программирование в UNIX. Руководство программиста по разработке ПО.

.        Керниган, Братан У., Ритчи, Деннис М. Язык программирования С, 2-е издание. - Москва: Вильямс, 2009

.        Колисниченко Д.Н., Аллен Питер В. Linux: полное руководство. - Санкт-Петербург: Наука и Техника, 2006

.        Колисниченко Д.Н. Linux-сервер своими руками. - Санкт-Петербург: Наука и Техника, 2002

.        Кулаков В. Программирование на аппаратном уровне. 2-е изд. - Киев: Питер, 2003

.        Лав, Роберт Разработка ядра Linux. 2-е изд. -Москва: Вильямс, 2006

.        Мархвида И.В. Создание Web-стриниц: HTML, CSS, JavaScript. - Минск: Новое издание, 2002

.        Мелехин В.Ф. Вычислительные машины, системы и сети. - Москва: Академия, 2007

.        Мэр док К. JavaScript: наглядный курс создания динамических Web-сраниц. - Киев: Диалектика, 2001

.        Немет, Эви и др. Руководство администратора Linux, 2-е издание. - Москва: Вильямс, 2007

.        Новиков Ю.В. Основы цифровой схемотехники. Базовые элементы и схемы. Методы проектирования. - Москва: Мир, 2001

.        Печников В.Н. Создание Web-стриниц и Web-сайтов. - Москва: Триумф, 2006

.        Редьки П. 32-16-битные микроконтроллеры ARM7 семейства AT91SAM7 фирмы Atmel. - Москва: Додэка-XXI, 2008

.        Стаханов А.А. Сетевое администрирование Linux. - Санкт-Петербург: БХВ-Петербург, 2004

.        Таненбаум Э., Вудхалл А. Операционные системы. Разработка и реализация. 3-е изд. - Киев: Питер, 2007

.        Уайтхэд П. и др. Perl: наглядный курс программирования. - Киев: Диалектика, 2001

.        Уэнц К. JavaScript. Карманный справочник. - Киев: Вильямс, 2007

.        Фролов А.В., Фролов Г.В. Создание Web-приложений: Практическое руководство. - Москва: Русская Редакция, 2001

.        Ши Д., Хольцшлаг М.Е. Философия CSS-дизайна. - Москва: Пресс, 2005

.        Шилдт Г. Справочник программиста по C/C++ - Киев: Вильямс, 2006

27.     Datasheet AT91 ARM Thumb Microcontrollers AT91SAM9260

28.     http://www.arm.com // Официальный сайт ARM

29.     http://www.atmel.efo.ru // ATMEL Russian Home

.        http://www.compress.ru // Сигаев A. Embedded Internet. - Компьютер Пресс 3’2002

31.     http://www.denx.de/wiki/U-Boot/WebHome // Das U-Boot the Universal Boot Loader

.        http://www.gnu.org/licenses/gpl.html // The GNU General Public License

Похожие работы на - Розробка та виготовлення гнучкої комп’ютеризованої системи 'Апаратний Web-сервер на базі мікроконтролера сімейства ARM9'

 

Не нашли материал для своей работы?
Поможем написать уникальную работу
Без плагиата!
Без нейросетей!