Расчет переходного процесса в RLC-цепи средствами MS Excel, MathCad и Turbo Pascal
Оглавление
Задание к курсовой работе
Введение
1. Решение системы дифференциальных уравнений RLC-цепи численным
методом
Анализ графиков в Excel
Расчет переходного процесса в математическом пакете MathCad по
точным формулам
Пример расчёта в MathCad
Анализ графиков MathCad
Заключение по проделанной работе
Список использованной литературы
Приложение
Задание к
курсовой работе
Тема:
расчет переходного процесса в RLC-цепи средствами MS Excel, MathCad и Turbo
Pascal.
1.
Нарисовать
электрическую схему последовательной RLC - цепи, полностью соответствующую
заданию, подключаемую ключом к источнику постоянного напряжения с внутренним
сопротивлением равным нулю. Записать таблицу исходных данных с примечаниями.
2.
Подробно
описать процесс, происходящий в схеме при подключении источника постоянного
напряжения. Четко сформулировать поставленную задачу. Раскрыть понятие
"переходный процесс".
3.
Записать
все расчетные соотношения для исследуемой цепи, используя закон Ома, законы
Кирхгофа, законы коммутации и уравнения из электродинамики (курс физики). В
конечном результате получить систему, состоящую из двух дифференциальных
уравнений. Сохранять обозначения принятые в электротехнике.
4.
Описать
выбранные методы решения системы дифференциальных уравнений, рассмотрев, предварительно,
решение одного дифференциального уравнения выбранным методом.
Выбрать шаг изменения времени
(шаг интегрирования), в зависимости от значения периода
собственных колебаний RLC - контура и от его добротности. Задать необходимые
начальные значения, обосновав эти величины с точки зрения законов коммутации.
Определить ожидаемые значения напряжений на всех элементах и ток в цепи по
окончанию переходного процесса с точки зрения физических процессов и явлений.
1.
Провести
вычисления в табличном редакторе Exсel. Считать, что переходный процесс
закончился, если текущие значения напряжений на элементах и ток в цепи
отличаются от окончательных (не нулевых!) не более, чем на 5%. Если
окончательные значения каких-то параметров теоретически должны быть нулевыми,
то расчет заканчивают. Когда значения всех этих параметров становятся меньше 5%
их максимального значения.
2.
Результаты
вычислений представить с точностью трех-четырех значащих цифр. Оценить
правильность полученных значений, исходя из физики переходного процесса.
3.
Провести
вычисления в математическом пакете MathCad, используя встроенные функции.
Ответы представить в виде таблицы. Точность ответов выбрать аналогично MS
Excel.
По вычисленным соотношениям построить графики семейств трех
функций:
где t - время, X - изменяющийся исходный
параметр, указанный в задании. (Например, емкость С). Сделать выводы по
результатам вычислений, в том числе о характере получившихся зависимостей.
1.
Написать
программу на языке программирования (Pascal или Delphi) для решения системы
дифференциальных уравнений аналитическим методом, предварительно составив
блок-схему вычислительного алгоритма. Включить в текст программы комментарии.
Провести вычисления, ответы вывести в табличной форме. Точность представления
выбрать аналогичную установленной в Excel.
2.
Сравнить
результаты вычислений, полученные в Pascal, MathCad и в Excel.
3.
Оценить
удобство, сложность, трудоемкость и т.п. всех трех способов решения в личном
плане.
4.
Оформить
пояснительную записку в соответствии со стандартом.
5.
Защитить
курсовую работу до 1 декабря текущего года.
переходный процесс численный метод
Введение
Под переходным процессом или режимом в электрических цепях
понимается процесс перехода цепи из одного установившегося состояния в другое.
При установившихся, режимах в цепях постоянного тока напряжения и токи
неизменны во времени, а в цепях переменного тока они представляют собой
периодические функции времени. Установившиеся режимы при заданных и неизменных
параметрах цепи полностью определяются только источником энергии.
Следовательно, источники постоянного напряжения (или тока) создают в цепи
постоянный ток, а источники переменного напряжения (или тока) - переменный ток
той же частоты, что и частота источника энергии.
Переходные процессы обычно являются быстро протекающими;
длительность их составляет десятые, сотые, а иногда миллиардные доли секунды.
Тем не менее, изучение переходных процессов весьма важно, так как оно дает
возможность установить, как деформируются по форме и амплитуде сигналы при
прохождении через усилители, фильтры и другие устройства, позволяет выявить
превышения напряжения на отдельных участках цепи, которые могут оказаться
опасными для изоляции установки, увеличения амплитуд токов, которые могут в
десятки раз превышать амплитуду тока установившегося периодического процесса, а
также определить продолжительность переходного процесса.
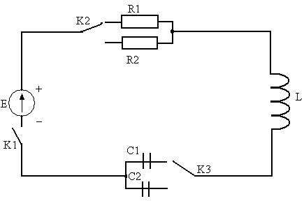
В данном случае переходной процесс будет протекать в
электрической цепи (рис.1), которая состоит из емкостей C1=400 мкФ, C2=1000
мкФ, постоянной индуктивности L=0,7 Гн, сопротивлений R1=5 Ом, R2=56 Ом и
источника электродвижущей силы (ЭДС) Е=120 В.
Внутреннее сопротивление источника ЭДС равно нулю. Элементы
соединены последовательно при помощи трек ключей К1, К2 и К3. Ключ К1
расположен возле источника тока и выполняет роль включателя (выключателя) тока
в цепи.
Ключ К2 расположен возле сопротивлений R1 и R2, включенных
параллельно.
Таким образом, от положения ключа К2 зависит какое сопротивление
подключено. Аналогично с ключом К3, только при помощи него мы переключаемся на
различные емкости (С1, С2).
В данной курсовой работе должны быть рассчитаны зависимости
тока и напряжений на элементах RLC-цепи от времени, построены графики токов и
напряжений для различных значений сопротивления резистора и емкости
конденсатора.
Для выполнения поставленной задачи введены расчетные
соотношения для RLC - цепи путем применения законов Кирхгофа.
Закон Кирхгоффа: "Алгебраическая сумма падений
напряжений по любому замкнутому контуру цепи равна алгебраической сумме ЭДС,
действующих вдоль этого же контура".
Из второго закона Кирхгоффа для произвольного момента времени
получаем:
(1)
где
- изменение напряжения на индуктивности,
описываемое дифференциальным уравнением первого порядка. (Справочник по
теоретической электротехнике),
- напряжение на активном сопротивлении.
Таким образом формула (1) приобретает следующий вид:
(2)
Определяем ток на емкостном сопротивлении, а так как соединение
контура последовательное, то этот ток будет равен току контура. (Справочник по
теоретической электротехнике):
(3)
Преобразуя формулы (2) и (3) получаем систему дифференциальных
уравнений первого порядка:
(4)
Решение полученной системы дифференциальных уравнений является
задачей данной работы, которое будет осуществляться методом Рунге-Кутта
четвертого порядка. В результате решения получим значения тока в цепи и
напряжения на конденсаторе.
Для того чтобы найти напряжение на активном сопротивлении,
применим закон Ома для участка цепи. (Справочник по теоретической
электротехнике):
Напряжение на катушке индуктивности получим путём приведения
выражения (1) к виду:
Рис. 1
Схема электрическая принципиальная последовательной RLC-цепи
Согласно первому закону коммутации ток в ветви с индуктивным
элементом в начальный момент времени и после коммутации имеет то же значение,
какое он имел непосредственно перед коммутацией. В течение переходного процесса
значение начинает плавно изменяться. Это обычно записывают в виде iL (0-) = iL
(0+), считая, что коммутация происходит мгновенно в момент t = 0.
Напряжение на резисторе зависит от силы тока, поэтому оно
равно нулю, так как в начальный момент времени t=0 ток в цепи равен нулю. Так
же в начальный момент времени конденсатор разряжен, соответственно напряжение
на нем равно ноль. Поэтому согласно полученному из второго закона Кирхгоффа
выражению (1) напряжение на индуктивности равно напряжению источника, т.е. Е.
1. Решение
системы дифференциальных уравнений RLC-цепи численным методом
Для того чтобы описать переходный процесс в MS Excel
необходимо решить систему дифференциальных уравнений (4) численным методом.
Для решения дифференциального уравнения численным методом
можно использовать разные способы, однако при решении уравнений методом
Рунге-Кутта четвертого порядка, погрешность метода меньше, поэтому на практике
он используется чаще. Метод Рунге-Кутта является методом решения задачи Коши,
поэтому необходимо задать начальные условия, точка х=х0, в которой они
задаются, - начальной точкой. Дополнительные условия для задачи Коши: значение
функции в начальный момент времени y0 = y (x0), шаг интегрирования h. Тогда
значение функции в следующих точках вычисляется по рекуррентной формуле:
Где
- коэффициенты Рунге - Кутта:
Применим метод Рунге-Кутта для дифференциальных уравнений (4).
Зададим начальные условия в момент времени
.
По первому закону коммутации, если в контуре имеется
индуктивность, то в момент времени
ток будет равен нулю
, так как он является непрерывной функцией времени и не может
изменяться скачком, поэтому после коммутации он имеет такое же значение, как и
перед коммутацией
Напряжение на емкости тоже равно нулю
, так как по второму закону коммутации
напряжение на емкостном элементе не может изменяться скачком, следовательно,
после коммутации оно имеет такое же значение, как и перед коммутацией.
Задав начальные условия, мы можем определить значения силы тока и
напряжения на конденсаторе в любой момент времени, то есть решить задачу Коши.
,
где Di - приращение
силы тока.
,
где DUС - приращение
напряжения на конденсаторе.
Из формул (4) получим коэффициенты Рунге-Кутта четвертого порядка:
(12)
Добротность контура:
(13)
Период колебаний:
(14)
Напряжение на активном сопротивлении:
(15)
Напряжение на индуктивности:
(16)
Напряжением на активном сопротивлении. Для контуров с высокой
добротностью (Q>0.5) мы пренебрегаем.
Система диф. уравнений методом Рунге Кутта 4 порядка на языке
Pascal (для одного сопротивления).
При составлении программы на языке Pascal были использованы
следующие операторы:
· оператор описания переменных var -
объявляем переменные и присваиваем им необходимый тип переменных
· операторы присваивания begin,
· оператор создания и открытия файла assign
с указанием пути к нему, файл открывается для записи в него вычислений
проделанных в Pascal,
· оператор rewrite, который перезаписывает
файл для удаления предыдущих данных,
· полные условные операторы if <…>
then <…> else <…> (данные операторы используются для определения
включенных элементов),
· оператор цикла while - проверяет значение
выражения (выражение логического типа), если оно равно True (условие
выполняется), то выполняются инструкции, находящиеся между begin и end
(инструкции цикла). Затем снова проверяется значение выражения условие, и так
продолжается до тех пор, пока значение выражения условие не станет равным
False. Таким образом, после слова while записывается условие выполнения
инструкций цикла.
· оператор вывода writeln
· оператор ввода readln.
На представленной ниже блок-схеме (Рис.1.2) описана
последовательность действий, выполненных при написании программы.
Как видно из блок-схемы в начале программа значения
необходимые для расчёта добротности контура:
Tmax: =2*Pi*sqrt (L*c2);Tmin: =2*Pi*sqrt (L*c1);
h: =0.1*Tmin;: =0;: =sqrt (l/C);
Далее, используя полученные данные, программа считает
добротность и выбирает в зависимости от неё необходимое время протекания
переходного процесса.
Q: =p/R;Q <0.5 then time: = Tmax else time: =
6*Tmax;
Блок-схема
Рис. 1.2 Блок-схема алгоритма решения системы
дифференциальных уравнений в Pascal
Далее программа переходит к основному циклу:
t <= time Do
i: =i+di;: =uc+duc;
ur: =i*r;: = u-uc-ur;: = (u-i*r-uc) *h/l;: =i*h/c;: = (u- (i+ki1/2)
*r- (uc+ku1/2)) *h/l;: = (i+ki1/2) *h/c;: = (u- (i+ki2/2) *r- (uc+ku2/2))
*h/l;: = (i+ki2/2) *h/c;: = (u- (i+ki3) *r- (uc+ku3)) *h/l;: = (i+ki3) *h/c;: =
(ku1+2*ku2+2*ku3+ku4) /6;: = (ki1+2*ki2+2*ki3+ki4) /6;(f,t: 7: 3,' ',ki1: 7:
3,' ',ki2: 7: 3,' ',: 7: 3,' ',ki4: 7: 3,' ',ku1: 7: 3,' ',ku2: 7: 3,' ',: 7:
3,' ',ku4: 7: 3,' ', i: 7: 3,' ',uc: 7: 3,' ',ur: 7: 3,' ',ul: 7: 3);: =t+h;
В конце работы программа закрывает файл с результатом.
После завершения работы программы пользователь может ознакомиться
с результатами просмотрев файл "tabpas. PAS”.полным текстом программы
можно ознакомиться в приложении.
Расчет
переходного процесса в табличном редакторе Excel методом Рунге-Кутта 4-го
порядка
По формуле (14) вычислим период колебаний и шаг изменения времени,
равный одной десятой периода колебаний:
=2*ПИ () *КОРЕНЬ (B3*C3)=0,1*I3
где C3 - адрес ячейки со значением индуктивности, B3 - адрес
ячейки со значением емкости, I3 - адрес со значением периода.
Используя формулу (13) рассчитываем добротность контура для
сопротивления R1=5 Ом и двух емкостей С1=0.0004Ф; С2=0.001 Ф:
=K3/D3
Аналогично рассчитываем добротность контура для R2=56 Ом.
Используя формулы (9) рассчитаем коэффициенты k1u, k1i:
u=J16*$G$6/$A$14i= (U-J16*$D$14-K16) *$G$6/$A$14
где J16 - адрес ячейки со значением силы тока; $D$14 - адрес
ячейки со значением сопротивления, K16 - адрес ячейки со значением напряжения
на конденсаторе, A$14 - адрес ячейки со значением индуктивности; $G$6 - адрес
ячейки со значением шага интегрирования.
По формулам (10) рассчитаем коэффициенты k2u, k2i:
ki2= (U- (J16+B16/2) *$D$14- (K16+F16/2))
*$G$6/$A$14
ku2= (J16+B16/2) *$G$6/$A$14
где B16 - адрес ячейки со значением коэффициента k1i, F16 -
адрес ячейки со значением коэффициента k1u.
По формулам (11) рассчитаем коэффициенты k3u, k3i:
= (U- (J16+C16/2) *$D$14- (K16+G16/2)) *$G$6/$A$14u=
(J16+C16/2) *$G$6/$A$14
где C16 - адрес ячейки со значением коэффициента k2i, G16 -
адрес ячейки со значением коэффициента k2u.
По формулам (12) рассчитаем коэффициенты k4u, k4i:
k4i= (U- (J16+D16) *$D$14- (K16+H16)) *$G$6/$A$14
k4u= (J16+D16) *$G$6/$A$14
где D16 - адрес ячейки со значением коэффициента k3i, H16 -
адрес ячейки со значением коэффициента k3u.
Рассчитаем напряжение на конденсаторе в соответствии с
формулой (8), через приращение:
=K16+ (F16+2*G16+2*H16+I16) /6
где K16 - адрес ячейки спредыдущим значением напряжения;
Найдём напряжения на индуктивности:
=U-K17-L17
где K17 - напряжение на конденсаторе; L17 - напряжение на
резисторе.
Анализ
графиков в Excel
Графики
напряжения на индуктивности
Данные графики представляют зависимость напряжения на
индуктивности и ёмкости от времени при сопротивлениях R=5 Ом (Рис.2) и при R=56
Ом (Рис.3).
Рис.2. Напряжение на индуктивности (R=5 Ом)
Рис.3. Напряжение на индуктивности (R=56, Ом)
В начальный момент времени t=0 напряжение на катушке
индуктивности имеет максимальное значение и равно ЭДС источника, т.е. UL=E. На
рисунках 2 и 3 видно, что при разных значениях сопротивления R графики
получились, различны: при значении сопротивления 5 Ом графики описывают
затухающий колебательный процесс (Рис.2), при значении сопротивления 56 Ом один
из графиков описывает пограничный процесс (напряжение на индуктивности совершает
небольшой скачек, затем падает до 0), второй график описывает апериодический
процесс (Рис.3). На обоих графиках напряжения на катушках, изменяясь с течением
времени, стремятся от значения UL=E к UL=0.
Графики
изменения силы тока
Графики зависимость силы тока в цепи для сопротивлений R=5,
Ом (Рис.8), R=56 (Рис.9).
Рис.4. График тока (R=5, Ом)
Рис.5. График тока (R=56, Ом)
В начальный момент времени t=0 тока в цепи нет, т.е. I=0. На
рисунках 4 и 5 видно, что при разных значениях сопротивления R графики
получились также различны: при значении сопротивления 5 Ом графики описывают
затухающий колебательный процесс (Рис.4), при значении сопротивления 56 Ом
графики описывает апериодический процесс (Рис.5). Из графиков видно, что
характер процесса зависит от добротности контура. На обоих графиках ток,
изменяясь с течением времени, сначала достигает своего максимального значения,
а затем падает до нуля.
Расчет
переходного процесса в математическом пакете MathCad по точным формулам
Решение системы дифференциальных уравнений (4) аналитическим
методом и является одной из основных задач данной работы. Решить систему
дифференциальных уравнений, значит определить вектор-функцию, которая определена,
и дифференцируема на интервале интегрирования, и удовлетворяет условиям задачи
Коши.
Чтобы математически описать переходной процесс необходимо
применить второй закон Кирхгоффа для произвольного момента времени (1).
Если расписать
как:
, (5)
а
и подставить эти выражения в формулу (1),
то получим:
(6)
Полученное уравнение (18) является неоднородным линейным
уравнением второго порядка. Классический математический метод решения
заключается в непосредственном интегрировании дифференциальных уравнений.
Решение находят в виде суммы экспонент:
(7)
Для получения конкретного решения записываем, соответствующее
характеристическое уравнение:
(8)
и определяем его корни:
, (9)
где
- коэффициент затухания;
- резонансная частота идеального контура
без потерь.
Постоянные А1 и А2 находят из начальных условий, которые
определяют с помощью законов коммутации.
Из формулы (1), по II закону Кирхгоффа, получим
. Таким образом, полное решение для
напряжения на конденсаторе:
(10)
Полное решение для тока в цепи:
(11)
С помощью законов коммутации определим начальные условия, для
определения постоянных А1 и А2, при t=0 получим:
Из этих уравнений получаем формулы для определения
и
:
;
(12)
Дальше в зависимости от соотношения между параметрами цепи
возможны два варианта:
Апериодический режим.
Условие
, корни вещественные, отрицательные,
неравные. Обобщенной характеристикой контура является величина добротности
, определяемая всеми тремя элементами
контура.
(13)
Таким образом, контур имеет значительные потери, т.е. является
низкодобротным
При этом корни (7)
, где
, являются вещественными отрицательными
числами. Подставляя эти корни в формулы (10, 11,12 и 5) получим решения для
трех функций: напряжение на емкости, ток в цепи и напряжение на индуктивности:
(14)
(15)
(16)
Качественный график показан на рисунке 6. Переходное напряжение на
емкости имеет апериодический характер, и представляет собой монотонно
возрастающую функцию. Происходит апериодический, монотонный заряд конденсатора
до напряжения источника
Рис.6
Колебательный
режим.
При выполнении условия
корни комплексные, сопряженные, следовательно
.
Корни характеристического уравнения (8) комплексные и имеют вид:
,
где
- угловая частота свободных затухающих
колебаний контура.
При подстановке этих корней в (14), (15) и (16), используя формулу
Эйлера, получим:
(17)
(18)
, (19)
где
Рис.7
Кривые
и
(рис.7) отображают затухающий колебательный процесс. Как видно из
графика, обе кривые стремятся к своим асимптотам - к новым установившимся
значениям.
Пример
расчёта в MathCad
Рассмотрим случай апериодического режима. Задаёмся начальными
данными:
где С1, C2 - ёмкости конденсаторов; r1,r2 - сопротивления
резисторов; l - индуктивность катушки; u - напряжение на источнике.
Рассчитываем промежуточные результаты:
где а - коэффициент затухания; w0 - резонансная частота
идеального контура без потерь; Q2 - добротность контура.
Подставляя эти результаты в точные формулы, получим точное
решение для трёх функций: напряжение на ёмкости, ток в цепи и напряжение на
индуктивности:
Для построения таблиц результатов зададимся шагом:


Анализ
графиков MathCad
Графики зависимости, строятся при разных сопротивлениях, от
времени. Они строятся для двух конденсаторов с емкостями: C1=400 мкФ; С2=1000
мкФ.
Графики с затухающими колебаниями описывающие периодический
процесс, имеют две кривые различные по амплитуде и периоду. Полученные кривые
имеют разные периоды, так как значение периода колебаний прямо пропорционально
значению емкости конденсатора, поэтому значение периода колебаний напряжения
при включении второго конденсатора больше. Также от емкости конденсатора
зависит начальный скачек напряжения на конденсаторе и индуктивности, и
начальный скачек силы тока.
Рис. 8. График зависимости напряжений на катушке и
конденсаторе R=56, Ом С=0.001 Ф; с= 0.0004Ф
Рис. 9. График зависимости напряжений на катушке и
конденсаторе R=5 Ом С=0.001 Ф с=0.0004 Ф
В начальный момент времени t=0 конденсатор полностью
разряжен, т.е. Uc=0. На рисунках 8 и 9 видно, что при разных значениях сопротивления
R, графики получились различны: при значении сопротивления 5 Ом в цепи
происходит затухающий колебательный процесс (Рис.9), при сопротивлении 56 Ом
один из графиков описывает пограничный процесс (напряжение на конденсаторе
совершает небольшой выброс, затем принимает значение 120, В), второй график
описывает апериодический процесс (Рис.8). Характер протекания переходного
процесса зависит от добротности контура. На всех графиках напряжения на
конденсаторах, изменяясь с течением времени, стремятся достигнуть значения E.
Рис.10 График тока. R=5Ом С=0.001 Ф с=0.0004 Ф
Рис.11 График тока. R=56 Ом; С=0.001 Ф; с=0.0004 Ф
В начальный момент времени t=0 тока в цепи нет, т.е. I=0. На
рисунках 8 и 9 видно, что при разных значениях сопротивления R графики
получились также различны: при значении сопротивления 5 Ом графики описывают
затухающий колебательный процесс (Рис.8), при значении сопротивления 56 Ом
графики описывает апериодический процесс (Рис.9). Из графиков видно, что
характер процесса зависит от добротности контура, а скорость протекания
переходного процесса зависит от емкости конденсатора, чем меньше емкость
конденсатора, тем быстрее протекает процесс (Рис.9). На обоих графиках ток,
изменяясь с течением времени, сначала достигает своего максимального значения,
а затем падает до нуля.
Заключение по
проделанной работе
В данной курсовой работе была решена система дифференциальных
уравнений, описывающая переходный процесс в RLC-цепи, а именно вычислены
значения напряжений на всех элементах цепи и ток в цепи в каждый момент
времени. Для решения данной системы были выбраны различные методы. Система
рассчитана численными методами: методом Рунге-Кутта четвертого порядка в
табличном редакторе MS Excel и на языке программирования Pascal, с помощью
точных формул в математическом пакете Math Cad.
В итоге проделанной работы были получены зависимости
параметров цепи от времени. В соответствии с выбранным методом решения был
составлен алгоритм решения системы дифференциальных уравнений в виде
блок-схемы. Произведены расчеты в табличном редакторе Excel и программе,
написанной на языке Pascal, результаты, которых совпали. Кроме этого, были
построены графики в Excel семейств четырех функций: UC (t, С), UL (t, С), UR
(t, С), Iс (t, С).
Таблица Сравнение результатов (R=5 Ом; C=0.0004 Ф)
|
Точные формулы
|
Метод Рунге -
Кутта
|
|
t
|
Uc
|
Ul
|
I
|
Uc
|
Ul
|
I
|
|
0,000
|
0,000
|
120,000
|
0,000
|
0
|
120
|
0
|
|
0,011
|
24,329
|
87,256
|
1,683
|
24.371
|
87.201
|
1.686
|
|
0,022
|
85,035
|
22,136
|
2,566
|
85.233
|
21.926
|
2.568
|
|
0,033
|
155,096
|
-46,876
|
2,356
|
155.432
|
-47.206
|
2.355
|
|
0,044
|
205,806
|
-91,910
|
1,221
|
206.124
|
-92.191
|
1.213
|
|
0,055
|
218,374
|
-96,796
|
-0,316
|
218.463
|
-96.822
|
-0.328
|
|
0,066
|
190,679
|
-62,633
|
-1,609
|
190.4
|
-62.292
|
-1.622
|
|
|
|
|
|
|
|
|
0,275
|
156,619
|
-33,293
|
-0,665
|
156.185
|
-32.731
|
-0.691
|
|
0,286
|
132,865
|
-7,879
|
-0,997
|
131.852
|
-6.8
|
-1.01
|
|
0,297
|
105,777
|
18,751
|
-0,906
|
104.606
|
19.897
|
-0.901
|
|
0,308
|
86,432
|
35,863
|
-0,459
|
85.59
|
36.601
|
-0.438
|
|
0,319
|
81,970
|
37,345
|
0,137
|
81.804
|
37.371
|
0.165
|
|
0,330
|
93,044
|
23,791
|
0,633
|
93.615
|
23.103
|
0.656
|
Из таблицы видно, что значения параметров, полученных методом
Рунге-Кутта 4 порядка, совпали с точностью до сотых со значениями по точным
формулам. Это говорит о точности данного метода, и обуславливает его широкое
использование в расчётах электрических цепей, и решений систем дифференциальных
уравнений.
С результатами работы можно ознакомиться в приложении.
Список
использованной литературы
1. Метод.
Лабораторные работы по курсу Вычислительная математика и применение ЭВМ.
Издание ЛГИ им. Г.В. Плеханова, 1987 г.
2. Пискунов
П.С. "Дифференциальное и интегральное исчисления" Т.1 Л. 1983 г.
. "Математический
практикум. Часть 4. Дифференциальные уравнения", Господариков А.П., СПб:
2002
. "Курс
физики", Детлаф А.А., Яворский Б.М., Москва: 2001.
. "Теоретические
основы электротехники", Нейман Л.Р., Демирчан К.С., Ленинград: 1981
Приложение
Таблица
расчетов в Excel.
Таблица 1. (R=5 Ом С=0.0004 Ф)
|
R1C1
|
|
|
|
|
|
|
|
|
|
L
|
h
|
E
|
R1
|
C1
|
|
|
|
|
|
|
|
|
|
0,700
|
0,011
|
120,000
|
5,000
|
0,0004
|
|
|
|
|
|
|
|
|
|
t
|
k1i
|
k2i
|
k3i
|
k4i
|
k1u
|
k2u
|
k3u
|
k4u
|
I
|
Ur
|
Ul
|
|
0,000
|
1,886
|
1,812
|
1,611
|
1,368
|
0,000
|
25,929
|
24,910
|
44,298
|
0,000
|
0,000
|
0,000
|
120,000
|
|
0,011
|
1,371
|
0,954
|
0,822
|
0,373
|
46,284
|
65,137
|
59,396
|
68,886
|
1,683
|
24,329
|
8,415
|
87,256
|
|
0,022
|
0,348
|
-0,220
|
-0,235
|
-0,695
|
70,555
|
75,338
|
67,527
|
64,080
|
2,566
|
85,035
|
12,828
|
22,136
|
|
0,033
|
-0,737
|
-1,217
|
-1,118
|
-1,404
|
64,788
|
54,660
|
48,058
|
34,035
|
2,356
|
155,096
|
11,780
|
-46,876
|
|
0,044
|
-1,444
|
-1,651
|
-1,487
|
-1,498
|
33,573
|
13,714
|
10,867
|
-7,325
|
1,221
|
205,806
|
6,104
|
-91,910
|
|
0,055
|
-1,521
|
-1,393
|
-1,234
|
-0,987
|
-8,684
|
-29,598
|
-27,839
|
-42,613
|
-0,316
|
218,374
|
-1,579
|
-96,796
|
|
0,066
|
-0,984
|
-0,598
|
-0,507
|
-0,120
|
-44,257
|
-57,790
|
-52,477
|
-58, 191
|
-1,609
|
190,679
|
-8,047
|
-62,633
|
|
0,077
|
-0,095
|
0,376
|
0,368
|
0,729
|
-59,442
|
-60,747
|
-54,274
|
-49,333
|
-2,162
|
136,849
|
-10,808
|
-6,041
|
|
0,088
|
0,765
|
1,125
|
1,029
|
1,222
|
-49,721
|
-39, 206
|
-34,248
|
-21,437
|
-1,808
|
80,379
|
-9,040
|
48,661
|
|
0,099
|
1,253
|
1,368
|
1,228
|
1,189
|
-20,872
|
-3,638
|
-2,060
|
12,904
|
-0,759
|
44,035
|
-3,795
|
79,760
|
|
0,110
|
1, 204
|
1,046
|
0,922
|
0,684
|
14,123
|
30,679
|
28,503
|
39,477
|
0,514
|
40,808
|
2,568
|
76,624
|
|
0,121
|
0,677
|
0,330
|
0,271
|
-0,057
|
40,814
|
50,129
|
45,353
|
48,256
|
1,484
|
69,469
|
7,421
|
43,110
|
|
0,132
|
-0,080
|
-0,463
|
-0,439
|
-0,718
|
49,167
|
48,069
|
42,800
|
37,085
|
1,788
|
116,141
|
8,939
|
-5,081
|
|
|
|
|
|
|
|
|
|
|
|
|
|
|
0,913
|
-0,036
|
-0,016
|
-0,013
|
0,007
|
-2,452
|
-2,952
|
-2,668
|
-2,797
|
-0,089
|
122,759
|
-0,446
|
-2,313
|
|
0,924
|
0,008
|
0,030
|
0,028
|
0,044
|
-2,847
|
-2,738
|
-2,435
|
-2,069
|
-0,104
|
120,011
|
-0,518
|
0,507
|
|
0,935
|
0,046
|
0,060
|
0,055
|
0,061
|
-2,075
|
-1,446
|
-1,247
|
-0,570
|
-0,075
|
117,467
|
-0,377
|
2,910
|
|
0,946
|
0,062
|
0,064
|
0,057
|
0,052
|
-0,532
|
0,326
|
0,349
|
1,043
|
-0,019
|
116,129
|
-0,097
|
3,968
|
|
0,957
|
0,053
|
0,042
|
0,037
|
0,023
|
1,106
|
1,832
|
1,684
|
2,117
|
0,040
|
116,439
|
0, 201
|
3,360
|
|
0,968
|
0,023
|
0,005
|
0,003
|
-0,013
|
2,178
|
2,492
|
2,245
|
2,263
|
0,079
|
118,149
|
0,396
|
1,455
|
|
0,979
|
-0,014
|
-0,031
|
-0,029
|
-0,041
|
2,298
|
2,106
|
1,866
|
1,494
|
0,084
|
120,468
|
0,418
|
-0,886
|
|
0,990
|
-0,042
|
-0,052
|
-0,047
|
-0,051
|
1,490
|
0,908
|
0,770
|
0,186
|
0,054
|
122,424
|
0,271
|
-2,695
|
Таблица 2. (R=5 Ом С=0.001Ф)
|
R1C2
|
|
|
|
|
|
|
|
|
|
L
|
h
|
E
|
R1
|
C2
|
|
|
|
|
|
|
|
|
|
0,700
|
0,011
|
120,000
|
5,000
|
0,001
|
|
|
|
|
|
|
|
|
|
t
|
k1i
|
k2i
|
k3i
|
k4i
|
k1u
|
k2u
|
k3u
|
k4u
|
I
|
Uc
|
Ur
|
Ul
|
|
0,000
|
1,886
|
1,812
|
1,733
|
1,593
|
0,000
|
10,371
|
9,964
|
19,064
|
0,000
|
0,000
|
0,000
|
120,000
|
|
0,011
|
1,591
|
1,376
|
1,316
|
1,064
|
19,375
|
28,125
|
26,944
|
33,849
|
1,761
|
9,956
|
8,807
|
101,238
|
|
0,022
|
1,058
|
0,748
|
0,715
|
0,401
|
34,113
|
39,930
|
38,228
|
41,974
|
3,101
|
37,182
|
15,506
|
67,312
|
|
0,033
|
0,392
|
0,045
|
0,042
|
-0,278
|
42,151
|
44,305
|
42,399
|
42,610
|
3,832
|
75,916
|
24,924
|
|
0,044
|
-0,288
|
-0,612
|
-0,587
|
-0,860
|
42,678
|
41,092
|
39,310
|
36,220
|
3,880
|
118,944
|
19,399
|
-18,343
|
|
0,055
|
-0,870
|
-1,120
|
-1,072
|
-1,257
|
36,175
|
31,393
|
30,017
|
24,380
|
3,289
|
158,895
|
16,443
|
-55,338
|
|
0,066
|
-1,265
|
-1,405
|
-1,345
|
-1,418
|
24,239
|
17,284
|
16,510
|
9,442
|
2, 204
|
189,457
|
11,018
|
-80,475
|
|
0,077
|
-1,423
|
-1,439
|
-1,377
|
-1,335
|
9,235
|
1,411
|
1,319
|
-5,914
|
0,840
|
206,336
|
4, 198
|
-90,533
|
|
0,088
|
-1,336
|
-1,235
|
-1,181
|
-1,040
|
-6,148
|
-13,495
|
-12,941
|
-19,142
|
-0,559
|
207,799
|
-2,795
|
-85,004
|
|
0,099
|
-1,037
|
-0,844
|
-0,807
|
-0,596
|
-19,363
|
-25,064
|
-24,004
|
-28,235
|
-1,760
|
194,772
|
-8,801
|
-65,971
|
|
0,110
|
-0,590
|
-0,344
|
-0,328
|
-0,088
|
-28,408
|
-31,655
|
-30,300
|
-32,017
|
-2,583
|
170,483
|
-12,913
|
-37,571
|
|
|
|
|
|
|
|
|
|
|
|
|
|
|
0,880
|
-0,017
|
-0,033
|
-0,032
|
-0,046
|
2,151
|
2,056
|
1,967
|
1,798
|
0, 196
|
120,116
|
0,978
|
-1,093
|
|
0,891
|
-0,046
|
-0,058
|
-0,056
|
-0,065
|
1,796
|
1,542
|
1,475
|
1,181
|
0,163
|
122,115
|
0,816
|
-2,931
|
|
0,902
|
-0,065
|
-0,072
|
-0,069
|
-0,072
|
1,173
|
0,815
|
0,778
|
0,417
|
0,107
|
123,617
|
0,533
|
-4,150
|
|
0,913
|
-0,072
|
-0,073
|
-0,069
|
-0,067
|
0,406
|
0,009
|
0,007
|
-0,358
|
0,037
|
124,413
|
0,185
|
-4,597
|
|
0,924
|
-0,067
|
-0,061
|
-0,059
|
-0,051
|
-0,370
|
-0,738
|
-0,707
|
-1,016
|
-0,034
|
124,426
|
-0,168
|
-4,258
|
|
0,935
|
-0,051
|
-0,041
|
-0,039
|
-0,028
|
-1,027
|
-1,307
|
-1,252
|
-1,457
|
-0,093
|
123,713
|
-0,467
|
-3,246
|
|
0,946
|
-0,028
|
-0,015
|
-0,015
|
-0,002
|
-1,466
|
-1,619
|
-1,550
|
-1,627
|
-0,133
|
122,446
|
-0,666
|
-1,780
|
|
0,957
|
-0,002
|
0,011
|
0,010
|
0,022
|
-1,631
|
-1,643
|
-1,572
|
-1,517
|
-0,148
|
120,874
|
-0,742
|
-0,133
|
|
0,968
|
0,022
|
0,033
|
0,032
|
0,041
|
-1,517
|
-1,395
|
-1,335
|
-1,167
|
-0,138
|
119,278
|
-0,690
|
1,412
|
|
0,979
|
0,041
|
0,049
|
0,046
|
0,051
|
-1,164
|
-0,938
|
-0,897
|
-0,653
|
-0,106
|
117,920
|
-0,529
|
2,608
|
|
0,990
|
0,052
|
0,055
|
0,052
|
0,053
|
-0,646
|
-0,362
|
-0,345
|
-0,070
|
-0,059
|
117,006
|
-0,294
|
3,287
|
Таблица 3. (R=56 Ом, C=0.0004Ф)
|
R2C1
|
|
|
|
|
|
|
|
|
|
L
|
h
|
E
|
R2
|
C1
|
|
|
|
|
|
|
|
|
|
0,700
|
0,011
|
120,000
|
56,000
|
0,0004
|
|
|
|
|
|
|
|
|
|
t
|
k1i
|
k2i
|
k3i
|
k4i
|
k1u
|
k2u
|
k3u
|
k4u
|
I
|
Uc
|
Ur
|
Ul
|
|
0,000
|
1,886
|
1,056
|
1,217
|
0,586
|
0,000
|
25,929
|
14,520
|
33,477
|
0,000
|
0,000
|
0,000
|
120,000
|
|
0,011
|
0,557
|
0,059
|
0,218
|
-0,153
|
32,169
|
39,824
|
32,981
|
38,161
|
1,170
|
19,062
|
65,508
|
35,430
|
|
0,022
|
-0,149
|
-0,371
|
-0,257
|
-0,417
|
36,557
|
34,505
|
31,458
|
29,484
|
1,329
|
55,052
|
74,443
|
-9,495
|
|
0,033
|
-0,400
|
-0,446
|
-0,383
|
-0,411
|
28, 204
|
22,698
|
22,074
|
17,683
|
1,026
|
88,047
|
57,434
|
-25,481
|
|
0,044
|
-0,393
|
-0,353
|
-0,328
|
-0,294
|
16,893
|
11,487
|
12,041
|
7,869
|
0,614
|
110,619
|
34,400
|
-25,019
|
|
0,055
|
-0,281
|
-0,216
|
-0,214
|
-0,163
|
7,502
|
3,642
|
4,530
|
1,610
|
0,273
|
122,589
|
15,278
|
-17,866
|
|
0,066
|
-0,156
|
-0,099
|
-0,107
|
-0,064
|
1,521
|
-0,624
|
0,155
|
-1,433
|
0,055
|
126,831
|
3,098
|
|
0,077
|
-0,061
|
-0,023
|
-0,033
|
-0,005
|
-1,382
|
-2,220
|
-1,702
|
-2,296
|
-0,050
|
126,690
|
-2,815
|
-3,875
|
|
0,088
|
-0,005
|
0,015
|
0,007
|
0,021
|
-2, 201
|
-2,263
|
-1,998
|
-2,015
|
-0,080
|
124,770
|
-4,483
|
-0,287
|
|
0,099
|
0,020
|
0,026
|
0,021
|
0,026
|
-1,929
|
-1,652
|
-1,565
|
-1,338
|
-0,070
|
122,646
|
-3,927
|
1,281
|
|
0,110
|
0,025
|
0,024
|
0,022
|
0,021
|
-1,279
|
-0,939
|
-0,950
|
-0,685
|
-0,047
|
121,030
|
-2,604
|
1,575
|
|
0,121
|
0,020
|
0,016
|
0,016
|
0,013
|
-0,654
|
-0,382
|
-0,431
|
-0,223
|
-0,024
|
120,073
|
-1,331
|
1,258
|
|
0,132
|
0,012
|
0,009
|
0,009
|
0,006
|
-0,212
|
-0,045
|
-0,095
|
0,030
|
-0,008
|
119,656
|
-0,433
|
0,777
|
|
0,143
|
0,006
|
0,003
|
0,004
|
0,001
|
0,030
|
0,108
|
0,070
|
0,127
|
0,001
|
119,579
|
0,060
|
0,361
|
|
0,154
|
0,001
|
0,000
|
0,000
|
-0,001
|
0,122
|
0,141
|
0,119
|
0,132
|
0,004
|
119,664
|
0,248
|
0,088
|
|
0,165
|
-0,001
|
-0,001
|
-0,001
|
-0,002
|
0,126
|
0,115
|
0,106
|
0,097
|
0,005
|
119,793
|
0,257
|
-0,049
|
|
0,176
|
-0,001
|
-0,002
|
-0,001
|
-0,001
|
0,093
|
0,073
|
0,072
|
0,056
|
0,003
|
119,904
|
0,189
|
-0,093
|
|
0,187
|
-0,001
|
-0,001
|
-0,001
|
-0,001
|
0,053
|
0,035
|
0,037
|
0,023
|
0,002
|
119,977
|
0,108
|
-0,085
|
|
0, 198
|
-0,001
|
-0,001
|
-0,001
|
-0,001
|
0,022
|
0,009
|
0,013
|
0,003
|
0,001
|
120,013
|
0,045
|
-0,058
|
|
0, 209
|
0,000
|
0,000
|
0,000
|
0,000
|
0,003
|
-0,004
|
-0,001
|
-0,006
|
0,000
|
120,025
|
0,006
|
-0,031
|
Таблица 4. (R=56 Ом, C=0.001Ф)
|
R2C2
|
|
|
|
|
|
|
|
|
|
L
|
h
|
E
|
R2
|
C2
|
|
|
|
|
|
|
|
|
|
0,700
|
0,011
|
120,000
|
56,000
|
0,0010
|
|
|
|
|
|
|
|
|
|
t
|
k1i
|
k2i
|
k3i
|
k4i
|
k1u
|
k2u
|
k3u
|
k4u
|
I
|
Uc
|
Ur
|
Ul
|
|
0,000
|
1,886
|
1,056
|
1,340
|
0,616
|
0,000
|
10,371
|
5,808
|
14,735
|
0,000
|
0,000
|
0,000
|
120,000
|
|
0,011
|
0,693
|
0,283
|
0,433
|
0,077
|
13,370
|
17,180
|
14,926
|
18,136
|
1,215
|
7,849
|
68,063
|
44,088
|
|
0,022
|
0,119
|
-0,070
|
0,008
|
-0,155
|
17,407
|
18,062
|
17,022
|
17,495
|
1,582
|
23,802
|
88,618
|
7,580
|
|
0,033
|
-0,133
|
-0, 209
|
-0,169
|
-0,234
|
17,113
|
16,384
|
15,965
|
15,249
|
1,556
|
41,314
|
87,121
|
-8,434
|
|
0,044
|
-0,222
|
-0,243
|
-0,224
|
-0,241
|
15,054
|
13,833
|
13,720
|
12,590
|
1,369
|
57,490
|
76,638
|
-14,129
|
|
0,055
|
-0,234
|
-0,229
|
-0,221
|
-0,216
|
12,495
|
11, 208
|
11,234
|
10,062
|
1,136
|
71,282
|
63,612
|
-14,894
|
|
0,066
|
-0,213
|
-0, 198
|
-0, 195
|
-0,181
|
10,019
|
8,850
|
8,931
|
7,873
|
0,911
|
82,522
|
51,003
|
-13,526
|
|
0,077
|
-0,180
|
-0,162
|
-0,162
|
-0,146
|
7,856
|
6,869
|
6,964
|
6,073
|
0,714
|
91,431
|
39,996
|
-11,427
|
|
0,088
|
-0,146
|
-0,129
|
-0,130
|
-0,115
|
6,069
|
5,269
|
5,359
|
4,638
|
0,552
|
98,363
|
30,899
|
-9,262
|
|
0,099
|
-0,115
|
-0,101
|
-0,102
|
-0,089
|
4,640
|
4,008
|
4,086
|
3,518
|
0,422
|
103,690
|
23,624
|
-7,315
|
|
0,110
|
-0,089
|
-0,078
|
-0,079
|
-0,068
|
3,522
|
3,031
|
3,095
|
2,654
|
0,320
|
107,748
|
17,930
|
-5,678
|
|
0,121
|
-0,068
|
-0,059
|
-0,060
|
-0,052
|
2,659
|
2,282
|
2,333
|
1,995
|
0,242
|
110,820
|
13,537
|
-4,356
|
-0,052
|
-0,045
|
-0,046
|
-0,039
|
2,000
|
1,713
|
1,753
|
1,496
|
0,182
|
113,134
|
10,180
|
-3,314
|
|
0,143
|
-0,039
|
-0,034
|
-0,035
|
-0,030
|
1,500
|
1,283
|
1,314
|
1,119
|
0,136
|
114,872
|
7,635
|
-2,507
|
|
0,154
|
-0,030
|
-0,025
|
-0,026
|
-0,022
|
1,122
|
0,959
|
0,982
|
0,836
|
0,102
|
116,174
|
5,714
|
-1,887
|
|
0,165
|
-0,022
|
-0,019
|
-0,020
|
-0,017
|
0,839
|
0,716
|
0,734
|
0,624
|
0,076
|
117,148
|
4,269
|
-1,417
|
|
0,176
|
-0,017
|
-0,014
|
-0,015
|
-0,012
|
0,626
|
0,534
|
0,547
|
0,465
|
0,057
|
117,875
|
3,186
|
-1,061
|
|
0,187
|
-0,012
|
-0,011
|
-0,011
|
-0,009
|
0,467
|
0,398
|
0,408
|
0,347
|
0,042
|
118,417
|
2,376
|
-0,793
|
|
0, 198
|
-0,009
|
-0,008
|
-0,008
|
-0,007
|
0,348
|
0,297
|
0,304
|
0,258
|
0,032
|
118,821
|
1,771
|
-0,592
|
|
0, 209
|
-0,007
|
-0,006
|
-0,006
|
-0,005
|
0,259
|
0,221
|
0,227
|
0, 192
|
0,024
|
119,123
|
1,319
|
-0,442
|
Таблица
расчетов в Pacal.
Таблица расчетов для R=56 Ом, C=0,001 Ф.
ki1 ki2 ki3 ki4 ku1 ku2 ku3 ku4 i Uc Ur Ul
.000 1.886 1.056 1.340 0.616 0.000 10.371 5.808 14.735 0.000
0.000 0.000 120.000
.011 0.693 0.283 0.433 0.077 13.370 17.180 14.926 18.136
1.215 7.849 68.063 44.088
.022 0.119 - 0.070 0.008 - 0.155 17.407 18.062 17.022 17.495
1.582 23.802 88.618 7.580
.033 - 0.133 - 0.209 - 0.169 - 0.234 17.113 16.384 15.965
15.249 1.556 41.314 87.121 - 8.434
.044 - 0.222 - 0.243 - 0.224 - 0.241 15.054 13.833 13.720
12.590 1.369 57.490 76.638 - 14.129
.055 - 0.234 - 0.229 - 0.221 - 0.216 12.495 11.208 11.234
10.062 1.136 71.282 63.612 - 14.894
.066 - 0.213 - 0.198 - 0.195 - 0.181 10.019 8.850 8.931 7.873
0.911 82.522 51.003 - 13.526
.077 - 0.180 - 0.162 - 0.162 - 0.146 7.856 6.869 6.964 6.073
0.714 91.431 39.996 - 11.427
.088 - 0.146 - 0.129 - 0.130 - 0.115 6.069 5.269 5.359 4.638
0.552 98.363 30.899 - 9.262
.099 - 0.115 - 0.101 - 0.102 - 0.089 4.640 4.008 4.086 3.518
0.422 103.690 23.624 - 7.315
.110 - 0.089 - 0.078 - 0.079 - 0.068 3.522 3.031 3.095 2.654
0.320 107.748 17.930 - 5.678
.121 - 0.068 - 0.059 - 0.060 - 0.052 2.659 2.282 2.333 1.995
0.242 110.820 13.537 - 4.356
.132 - 0.052 - 0.045 - 0.046 - 0.039 2.000 1.713 1.753 1.496
0.182 113.134 10.180 - 3.314
.143 - 0.039 - 0.034 - 0.035 - 0.030 1.500 1.283 1.314 1.119
0.136 114.872 7.635 - 2.507
.154 - 0.030 - 0.025 - 0.026 - 0.022 1.122 0.959 0.982 0.836
0.102 116.174 5.714 - 1.887
Таблица расчетов для R=56 Ом, C=0,0004 Ф.
ki1 ki2 ki3 ki4 ku1 ku2 ku3 ku4 i Uc Ur Ul
.000 1.886 1.056 1.217 0.586 0.000 25.929 14.520 33.477 0.000
0.000 0.000 120.000
.011 0.557 0.059 0.218 - 0.153 32.169 39.824 32.981 38.161
1.170 19.062 65.508 35.430
.022 - 0.149 - 0.371 - 0.257 - 0.417 36.557 34.505 31.458
29.484 1.329 55.052 74.443 - 9.495
.033 - 0.400 - 0.446 - 0.383 - 0.411 28.204 22.698 22.074
17.683 1.026 88.047 57.434 - 25.481
.044 - 0.393 - 0.353 - 0.328 - 0.294 16.893 11.487 12.041
7.869 0.614 110.619 34.400 - 25.019
.055 - 0.281 - 0.216 - 0.214 - 0.163 7.502 3.642 4.530 1.610
0.273 122.589 15.278 - 17.866
.066 - 0.156 - 0.099 - 0.107 - 0.064 1.521 - 0.624 0.155 -
1.433 0.055 126.831 3.098 - 9.929
.077 - 0.061 - 0.023 - 0.033 - 0.005 - 1.382 - 2.220 - 1.702
- 2.296 - 0.050 126.690 - 2.815 - 3.875
.088 - 0.005 0.015 0.007 0.021 - 2.201 - 2.263 - 1.998 -
2.015 - 0.080 124.770 - 4.483 - 0.287
.099 0.020 0.026 0.021 0.026 - 1.929 - 1.652 - 1.565 - 1.338
- 0.070 122.646 - 3.927 1.281
.110 0.025 0.024 0.022 0.021 - 1.279 - 0.939 - 0.950 - 0.685
- 0.047 121.030 - 2.604 1.575
.121 0.020 0.016 0.016 0.013 - 0.654 - 0.382 - 0.431 - 0.223
- 0.024 120.073 - 1.331 1.258
.132 0.012 0.009 0.009 0.006 - 0.212 - 0.045 - 0.095 0.030 -
0.008 119.656 - 0.433 0.777
.143 0.006 0.003 0.004 0.001 0.030 0.108 0.070 0.127 0.001
119.579 0.060 0.361
.154 0.001 0.000 0.000 - 0.001 0.122 0.141 0.119 0.132 0.004
119.664 0.248 0.088
.165 - 0.001 - 0.001 - 0.001 - 0.002 0.126 0.115 0.106 0.097
0.005 119.793 0.257 - 0.049
.176 - 0.001 - 0.002 - 0.001 - 0.001 0.093 0.073 0.072 0.056
0.003 119.904 0.189 - 0.093
.187 - 0.001 - 0.001 - 0.001 - 0.001 0.053 0.035 0.037 0.023
0.002 119.977 0.108 - 0.085
.198 - 0.001 - 0.001 - 0.001 - 0.001 0.022 0.009 0.013 0.003
0.001 120.013 0.045 - 0.058
.209 0.000 0.000 0.000 0.000 0.003 - 0.004 - 0.001 - 0.006
0.000 120.025 0.006 - 0.031
Таблица
значений в MathCad
Таблица значений для R=56 Ом, C=0,001 Ф с=0.0004 Ф.
Таблица значений для R=5 Ом, C=0,001 Ф. с=0.0004
Текст
программы для расчета данных на языке Pascal
RK4;crt;,r,l,u,c1,c,time,Tmax,T,Tmin,duc,di,h,ki1,ki2,ki3,ki4,Q,p,,ku2,ku3,ku4,uc,ur,ul,
i: real;: string;: text;: = 'G: \tabpas. txt'; {Полный путь к файлу }(f,put);
{Связываем файл с переменной f}(f); {Открываем файл на запись}('введите
R=');(r);('введите С=');(c);: =0.0004; l: =0.7;: =0.001; u: =120;: =0; ki2: =0;
di: =0;: =0; ki4: =0; duc: =0;: =0; ku2: =0;: =0; ku4: =0;: =0; uc: =0;:
=2*Pi*sqrt (L*c2);: =2*Pi*sqrt (L*c1);: =0.011;: =0;: =sqrt (l/c);: =p/R;Q
<0.5 then time: = Tmax else time: = 2*Tmax;
{writeln (f,'R=',r: 3: 0,' T=',time: 3: 3,' C=',c1: 3: 4,'
шаг=',h: 3: 3); }(f,' t ki1 ki2 ki3 ki4 ku1 ku2 ku3 ku4 i Uc Ur Ul ');t <=
time Do: =i+di;: =uc+duc;: =i*r;: = u-uc-ur;: = (u-i*r-uc) *h/l;: =i*h/c;: =
(u- (i+ki1/2) *r- (uc+ku1/2)) *h/l;: = (i+ki1/2) *h/c;: = (u- (i+ki2/2) *r-
(uc+ku2/2)) *h/l;: = (i+ki2/2) *h/c;: = (u- (i+ki3) *r- (uc+ku3)) *h/l;: =
(i+ki3) *h/c;: = (ku1+2*ku2+2*ku3+ku4) /6;: = (ki1+2*ki2+2*ki3+ki4) /6;(f,t: 7:
3,' ',ki1: 7: 3,' ',ki2: 7: 3,' ',: 7: 3,' ',ki4: 7: 3,' ',ku1: 7: 3,' ',ku2:
7: 3,' ',: 7: 3,' ',ku4: 7: 3,' ', i: 7: 3,' ',uc: 7: 3,' ',ur: 7: 3,' ',ul: 7:
3);: =t+h;;;.