Расчет оптимальных параметров реакционной установки взаимодействия изоамиленов с метанолом, программирование вычислений, построение схемы автоматизации

  • Вид работы:
    Курсовая работа (т)
  • Предмет:
    Информационное обеспечение, программирование
  • Язык:
    Русский
    ,
    Формат файла:
    MS Word
    664,79 Кб
  • Опубликовано:
    2012-10-10
Вы можете узнать стоимость помощи в написании студенческой работы.
Помощь в написании работы, которую точно примут!

Расчет оптимальных параметров реакционной установки взаимодействия изоамиленов с метанолом, программирование вычислений, построение схемы автоматизации

Введение


Химический реактор является основным аппаратом в технологической схеме получение практически любого химического продукта. Работой реактора в значительной мере определяется производительность установки в целом, качество и себестоимость продуктов. Одним из наиболее часто применяемых химических реакторов является трубчатый реактор.

Трубчатый реактор обычно используется для проведения газофазных высокоэкзотермических процессов. Они позволяют обеспечить более высокую степень конверсии, чем реакторы смешения, т.к. значительную часть тепла, выделяющегося при реакции, отводится через стенку реактора. Математическая модель трубчатого реактора более сложна для исследования, чем модель идеального смешения, т.к. в трубчатом реакторе параметры процесса изменяются по пространственным координатам.

В данной работе на основе указанной математической модели необходимо найти оптимальные параметры реакционной установки взаимодействия изоамиленов с метанолом, спрограммировать вычисления и построить схему автоматизации.

Постановка задачи


Задание.

-       исследовать процесс функционирования реактора, предназначенного для получения метил-третамилового эфира (МТАЭ) путем химического взаимодействии метанола с изоамиленами (2-метилбутен-1, 2-метилбутен-2) в присутствии катализатора;

-       для заданной области изменения состава смеси изоамиленов определить расход холодного теплоносителя в реактор, температуру теплоносителя и реакционной смеси, при которых степень превращения изоамиленов будет максимальной;

-       получить кинетические кривые по длине реактора для одного из составов смеси изоамиленов;

-       зависимость уставки регулятору расхода нагревающего теплоносителя в теплообменник для нагревания реакционной смеси от состава смеси изоамиленов представить в табличном и графическом виде;

-       зависимость уставки регулятору расхода холодного теплоносителя в реактор, температуры холодного теплоносителя от состава смеси изоамиленов представить в табличном и графическом виде;

-       построить схему автоматизации технологического процесса упрощенным и развернутым методами;

-       разработать презентацию курсовой работы и подготовить доклад к защите.

Исходные данные и описание процесса:

-       Технологическая схема установки состоит из теплообменника и реактора.

-       В целях повышения степени превращения реакционная смесь предварительно нагревается в теплообменнике. Таким образом, температура реакционной смеси на входе реактора поддерживается изменением расхода горячего теплоносителя в теплообменнике.

-       Реакция взаимодействия изоамиленов с метанолом протекает с выделением тепла, поэтому ее проводят в трубчатом реакторе. Для поддержания требуемого температурного режима в межтрубное пространство реактора подается холодный теплоноситель.

-       Температура реакционной смеси и горячего теплоносителя на входе теплообменника , ; теплоемкость реакционной смеси и горячего теплоносителя , ; длина реактора L; пределы изменения температуры реакционной смеси на входе реактора  ч ; пределы изменения температуры теплоносителя на входе реактора  ч ; расход смеси изоамиленов ; концентрация 2-метил-бутена-1 в смеси изоамиленов  ч ; расход метанола ; пределы изменения расхода теплоносителя  ч .

Параметр

Вариант 4Б

L, дм

55

S, дм2

0.0221

N

3500

D, дм

0.2

К, Дж/(дм2∙ град ∙c)

0.3

, моль/л0.11


, Дж/моль43000


, К368


, К310


, К339


, К360


, моль/с24


, мол. дол.0.02


, мол. дол.0.15


, моль/с20


, Дж/(кг∙град)2690


, Дж/(л∙град)1830


, кг/c0.1


, кг/c2


, К313


, К330


, Дж/(кг∙град)4180


, Дж/(кг∙град)4190


 

Характеристика объекта моделирования. Основные определения процесса, классификация химических реакторов


Химический реактор - это аппарат, в котором осуществляется химические реакции с целью получения необходимых веществ в условиях технологического процесса. Наиболее простой мерой скорости и глубины протекания реакционного процесса служит степень превращения и выход продукта, которые получают определением соотношения количеств исходных веществ и продуктов или же их концентраций в исходной и прореагировавшей газовой (жидкой) смеси.

Степень превращения определяют по основному исходному веществу. Основным исходным называют вещество, по которому идет расчет, как правило, это наиболее дорогое из веществ, присутствующее в исходной смеси. Для модельной реакции


например, для окисления диоксида серы по реакции  основным исходным веществом будет , а дешевое - кислород воздуха присутствует в большом избытке.

Общую степень превращения  определяют как отношение массы превратившегося вещества А () к общей массе его в исходной смеси .  включает массу вещества А превратившегося как в целевой продукт, так и в побочные (если они получаются):

.

Для газофазных процессов общую (действительную) степень превращения (конверсии) обычно определяют по замеренным в опыте объемным концентрациям исходного вещества на входе в реактор  и на выходе из него  с поправкой  на изменение объема смеси вследствие реакции:

.       

Многие процессы органического синтеза являются многомаршрутными, т.е. протекают одновременно по нескольким параллельным и последовательным реакциям с получением побочных продуктов. Для таких процессов большое значение имеет селективность процесса.

Селективностью (избирательностью) процесса называют отношение количества основного исходного вещества, превратившегося в основной продукт, к общему количеству превратившегося вещества.

Выходом продукта называют отношение количества полученного продукта к тому, которое получилось бы при полном протекании реакции. Применяют в расчетах три выхода продукта: общий , равновесный  и выход от теоретического .

Условия работы химических реакторов весьма разнообразны: от давления в несколько тысяч мегапаскалей до глубокого вакуума; от глубокого холода до нескольких тысяч градусов; от высоких до низких скоростей потоков вещества через реактор; при наличии нескольких фаз и сложного состава реакционных сред.

Для осуществления физических процессов в реакторных устройствах используются различные конструктивные элементы (мешалки, контактные устройства, теплообменники и др.). Так как сочетаний этих элементов и реакционных процессов может быть много, то и количество реакторных устройств также значительно. Наиболее рациональные признаки классификации химических реакторов следующие:

способ организации процесса, в котором участвует химический реактор: периодический, полунепрерывный, непрерывный;

режим движения реакционной смеси (смешение, вытеснение);

тепловой режим в реакторе;

фазовый состав реакционной смеси;

конструктивные характеристики реактора.

 

Основные понятия химической кинетики


Предметом химической кинетики является исследование закономерностей протекания химических процессов во времени (их скоростей в зависимости от ряда факторов - температуры, давления, концентраций и др.) и механизмов химических реакций (отдельных стадий и промежуточных веществ). Химическая кинетика позволяет рассчитывать время достижения заданных степеней превращения исходных веществ в процессах и минимизировать это время путем оптимального варьирования факторов, влияющих на скорость реакции.

По фазовому принципу химические реакции подразделяются на гомогенные и гетерогенные. Гомогенными называются реакции, протекающие в одной фазе (смесь реагирующих газов, жидкий раствор, твердая фаза). Под гетерогенными подразумеваются реакции, идущие на границе раздела двух фаз: T - T, T - Ж, Т - Г, Ж - Ж, Ж - Г (Т - твердое вещество, Ж - жидкость, Г - газ). При нахождении всех компонентов в одной фазе реакция называется гомофазной, если компоненты находятся в разных фазах - гетерофазной.

Рис. 1. Кинетические кривые для исходных веществ (а) и продукта реакции (б): 1 - медленная реакция, 2 - быстрая реакция

Изучая гомогенные химические процессы в статических условиях легко получить зависимости концентраций исходных веществ с, или продуктов реакции  от времени , которые называются кинетическими кривыми. Зависимости  и  изображены на рис. 1. В соответствии с изменением концентраций исходных веществ и продуктов во времени функции  являются убывающими, а  - возрастающими. На рис. 1 кинетические кривые 1 и 2 относятся к медленной и быстрой реакциям соответственно (). Производные концентрации по времени, входящие в выражение для мгновенной скорости реакции, находятся как тангенсы углов наклона касательных к кинетическим кривым в соответствующих точках.

Математическое описание процесса


Реакция описываются системой дифференциальных уравнений:

,

,


где  - объемные мольные концентрации компонентов реакционной смеси;  - объемная мольная концентрации катализатора; l - продольная координата реактора (дм); S - свободное сечение трубки реактора; V - объемный расход реакционной смеси в трубке (л/с).

Изменение температур реакционной смеси  и холодного теплоносителя  в реакторе определяются с помощью уравнений теплового баланса:

,

,                       

где  - тепловой эффект реакции;  - изобарная теплоемкость реакционной смеси;  - коэффициент теплопередачи от реакционной массы к теплоносителю через стенки трубки; N, D - количество и диаметр трубок в реакторе;  - массовый расход теплоносителя;  - массовая теплоемкость теплоносителя.

Константы скорости реакции  описываются уравнением Аррениуса:

,

где  - предэкспоненциальный множитель,  - энергия активации компонентов, вступающих в реакцию, R - универсальная газовая постоянная.

,  Дж/моль;

,  Дж/моль;

,  Дж/моль;

,  Дж/моль.

Алгоритм решения задачи


В рамках курсовой работы целью расчета реактора заданной конструкции является определение параметров процесса, которые обеспечивают максимальную степень превращения исходного вещества.

В реактор подается бинарная смесь реагентов, состоящая из компонентов А1 и А2. Параметры смеси: состав (с - концентрация вещества А1), расход . Кроме того, на вход реактора подается реагент В, который вступает в реакцию с веществами А1 и А2:

, .

Температура реакционной смеси на входе реактора  поддерживается изменением расхода горячего теплоносителя  в теплообменник, предназначенный для нагревания реакционной смеси.

Температура в реакторе регулируется подачей холодного теплоносителя . Математическое описание реакционного процесса представлено уравнениями кинетики и теплового баланса. В качестве возмущающего параметра процесса рассматривается состав смеси реагентов А1 и А2 (задан диапазон значений концентрации вещества А1). Скомпенсировать эти возмущения возможно определением расходов ,  и температуры холодного теплоносителя  на входе реактора.

Алгоритм расчета приведен на рис. 2. Задав значение концентрации с из области возмущений , осуществляется поиск оптимальных значений , , , при которых степень превращения веществ А1 и А2 будет максимальной. Расчет уравнений кинетики и теплового баланса проводится одним из численных методов. Результатом поиска является зависимость оптимальных значений управляющих параметров от концентрации с. программа кинетика изоамилен реактор

Расход  определяется с помощью уравнения теплового баланса для теплообменника, которое включает: массовые теплоемкости реакционной смеси  и горячего теплоносителя , температуры смеси на входе теплообменника  и выходе , температуру теплоносителя на входе .

Рис. 2. Алгоритм расчета реакционного аппарата

Результаты моделирования

На основании вышеприведенного алгоритма была разработана моделирующая программа. По результатам её работы были получены следующие табличные и графические зависимости:

Концентрация МТАЭ Концентрация Метанола


Концентрация 2-метилбутен-1 Концентрация 2-метилбутен-2

Расход хладогента Температура хладогента


Расход теплоносителя Температура РС


Перечень возмущающих, регулирующих воздействий, регулируемых параметров процесса

Целью управления реакционным процессом является поддержание параметров, которые обеспечивают максимальную степень превращения исходного вещества.

Основным возмущающим воздействием является состав смеси изоамиленов (задан диапазон изменения концентрации 2-метил-бутена-1).

Скомпенсировать эти возмущения возможно определением расходов Gг, Gх, температуры холодного теплоносителя Тх(0) на входе реактора и температуры реакционной смеси Тр(0) на входе реактора.

Температура реакционной смеси на входе реактора  поддерживается изменением расхода горячего теплоносителя  в теплообменник, предназначенный для нагревания реакционной смеси. Температура в реакторе регулируется подачей холодного теплоносителя .

Показателем эффективности реакционного процесса является степень превращения исходного вещества, а целью управления - достижение максимальной степени превращения.

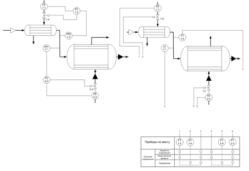
Схема автоматизации реакционного процесса


Система управления реакционным процессом должна обеспечить поддержание заданных значений параметров технологического режима с целью обеспечения максимальной степени превращения. Основные функции системы управления: обработка и представление информации о ходе процесса, контроль и регулирования технологических параметров.

Рис. 3. АСР (а - упрощенная схема, б - развернутая)

Большинству промышленных объектов химической технологии свойственны значительное чистое (транспортное) запаздывание и большие потери времени (обусловленные высокой инерционностью объектов). В этих случаях даже при оптимальных постройках регуляторов одноконтурных АСР характеризуются большими динамическими ошибками, низкой частотой регулирования и длительными переходными процессами. Для повышения качества регулирования необходим переход от одноконтурной АСР к более сложным системам, использующим дополнительные импульсы по возмущению и отклонению (каскадные и комбинированные АСР), или вспомогательным выходным координатам (многоконтурные системы регулирования). Данная схема регулирования как раз удовлетворяет критериям быстродействия и качества регулирования

Выводы по проделанной работе


1) Степень превращения исходного вещества увеличивается с температурой реакционной смеси.

2)      На эффективность реакционного процесса влияет время нахождения реагентов в реакторе.

)        Трубчатый реактор характеризуется устойчивостью исходных параметров.

)        Для повышения качества регулирования в рассматриваемом процессе лучше применять каскадные или комбинированные схемы.

)        В рассматриваемом случае интенсифицировать процесс, возможно уменьшая расход и увеличивая температуру реакционной смеси.

Приложение

Button1Click(Sender: TObject);

{ Private declarations }

{ Public declarations };: TForm1;,S,N,D,K,Ckat,Tg,Trs,Trsmin,Trsmax,Ga,dH,Cmin,Cmax,Gb,Crs,CrsV,,Ghmax,Txmin,Txmax,Ch,Cg,Tp1,Tx1,,k2,k3,k4,alfa,Tp,Tx, Gx,_2mb1,C_2mb2,C_mtae,C_m,C:real;

{$R *.dfm}Konst(T:real);:=exp(26.79-9722.54/T);:=exp(29.19-10986.85/T);:=exp(29.05-10925.99/T);:=exp(25.05-9241.97/T);;V(C_min: real): real;_2mb = 70;_m = 32.04;_mtae = 102.18;_2mb1 = 650;_2mb2 = 662;_m = 791;_mtae = 743;x_2mb1, x_2mb2, p_cm: real;              _2mb1 := c_min;_2mb2 := 1 - c_min;_cm := 1 / (x_2mb1/p_2mb1+x_2mb2/p_2mb2);:= (Ga*M_2mb/p_cm+Gb*M_m/p_m)/N;;grafiki(Tp:real);iter=100;i:byte; v1,dl,c_2mb1n,c_2mb2n,c_mtaen,c_mn:real;:=L/iter;(Tp);_mtae:=0;_m:=1;_2mb1 := (Cmax+Cmin)/2;_2mb2:=1 - c_2mb1;:=v(c);i:=1 to iter do_2mb1n:=c_2mb1-dl*S*Ckat*k1*c_2mb1/V1;_2mb2n:=c_2mb2+dl*S*Ckat*(-k2*c_2mb2+k3*c_2mb1n)/V1;_mtaen:=c_mtae+dl*S*Ckat*(k4*c_2mb1n+k2*c_2mb2n)/V1;_mn:=c_m+dl*S*Ckat*(-k4*c_2mb1n-k2*c_2mb2n)/V1;_2mb1:=c_2mb1n;_2mb2:=c_2mb2n;_mtae:=c_mtaen;_m:=c_mn;.Chart5.Series[0].AddXY(dl*i,c_m);.Chart6.Series[0].AddXY(dl*i,c_2mb1);.Chart7.Series[0].AddXY(dl*i,c_2mb2);.Chart8.Series[0].AddXY(dl*i,c_mtae);;;kinetika (Tp, C: real);iter=100;i:byte; Tpn, Txn, v1,dl,c_2mb1n,c_2mb2n,c_mtaen,c_mn:real;:=L/iter;(Tp);_mtae:=0;_m:=1;_2mb1 := C;_2mb2:=1 - c_2mb1;:=v(c); Tp1:=Tp; Tx1:=Tx;i:=1 to iter do_2mb1n:=c_2mb1-dl*S*Ckat*k1*c_2mb1/V1;_2mb2n:=c_2mb2+dl*S*Ckat*(-k2*c_2mb2+k3*c_2mb1n)/V1;_mtaen:=c_mtae+dl*S*Ckat*(k4*c_2mb1n+k2*c_2mb2n)/V1;_mn:=c_m+dl*S*Ckat*(-k4*c_2mb1n-k2*c_2mb2n)/V1;_2mb1:=c_2mb1n;_2mb2:=c_2mb2n;_mtae:=c_mtaen;_m:=c_mn;:=Tp1+dl*(c_2mb1+c_2mb2)*dH/CrsV-K*3.14*D*(Tp1-Tx1)/(V1*CrsV);:=Tx1+dl*K*3.14*D*N*(Tp1-Tx1)/(Gx*Ch);:=Tpn;:=Txn;;:=1-c_2mb1-c_2mb2;;TForm1.Button1Click(Sender: TObject);kk = 0.1;dC, dGx, dTx, dTp,Gr: real;: byte;alfa_c, Tp_c, Gr_c, Gx_c, Tx_c:array [1..100] of real;:=strtofloat(editL.Text);:=strtofloat(editS.Text);:=strtofloat(editN.Text);:=strtofloat(editD.Text);:=strtofloat(editK.Text);:=strtofloat(editCkat.Text);:=strtofloat(editDH.Text);:=strtofloat(editTg.Text);:=strtofloat(editTrs.Text);:=strtofloat(editTrsmin.Text);:=strtofloat(editTrsmax.Text);:=strtofloat(editGa.Text);:=strtofloat(editCmin.Text);:=strtofloat(editCmax.Text);:=strtofloat(editGb.Text);:=strtofloat(editCrs.Text);:=strtofloat(editCrsV.Text);:=strtofloat(editGhmin.Text);:=strtofloat(editGhmax.Text);:=strtofloat(editTxmin.Text);:=strtofloat(editTxmax.Text);:=strtofloat(editCh.Text);:=strtofloat(editCg.Text);:= (Cmax - Cmin) * kk;:= (Trsmax - Trsmin) * kk;:= (Ghmax - Ghmin) * kk;:= (Txmax - Txmin) * kk;:= Cmin; i := 1;_c[i] := 0;:= Trsmin;:= Ghmin;:= Txmin;(Tp, C);alfa >= alfa_c[i]:= (Ga+Gb)*Crs*(Tp1-Trs)/(Ch*(Tg-(Tp1+5)));_c[i] := alfa;_c[i] := Tp;_c[i] := Gr;_c[i] := Gx;_c[i] := Tx;;:= Tx + dTx;Tx >= Txmax;:= Gx + dGx;Gx >= Ghmax;:= Tp + dTp;Tp >= Trsmax;:= C + dC; Inc(i,1);C >= Cmax; :=1; C:=Cmin;.Cells[0,0]:='C';.Cells[1,0]:='Gr';.Cells[2,0]:='Gx';.Cells[3,0]:='Tx';.Series[0].AddXY(C,Gx_c[i]);.Series[0].AddXY(C,Gr_c[i]);.Series[0].AddXY(C,Tx_c[i]);.Series[0].AddXY(C,Tp_c[i]);.RowCount:= stringgrid1.RowCount +1;.Cells[0,i]:=floattostr(C);.Cells[1,i]:=floattostr(Gr_c[i]);.Cells[2,i]:=floattostr(Gx_c[i]);.Cells[3,i]:=floattostr(Tx_c[i]);:=C+dC;:=i+1;c >=Cmax ;(Trsmin);;.

Похожие работы на - Расчет оптимальных параметров реакционной установки взаимодействия изоамиленов с метанолом, программирование вычислений, построение схемы автоматизации

 

Не нашли материал для своей работы?
Поможем написать уникальную работу
Без плагиата!
Без нейросетей!