Разработка автоматизированной информационной системы эксплуатации измельчительных агрегатов

  • Вид работы:
    Курсовая работа (т)
  • Предмет:
    Информационное обеспечение, программирование
  • Язык:
    Русский
    ,
    Формат файла:
    MS Word
    753,41 Кб
  • Опубликовано:
    2012-09-27
Вы можете узнать стоимость помощи в написании студенческой работы.
Помощь в написании работы, которую точно примут!

Разработка автоматизированной информационной системы эксплуатации измельчительных агрегатов

1. Назначение, цель создания системы и содержательное описание объекта управления

Назначение системы

Назначением системы является повышение эффективности работы мельницы, за счет оптимизации проведения ремонтно-профилактических работ.

Цель создания системы

Цель создания АИС эксплуатации измельчительных агрегатов (мельниц )- повышение качества технического обслуживания и ремонта для предотвращения аварийных ситуаций.

Объектом управления является процесс эксплуатации измельчительных агрегатов с позиций возникновения аварийных ситуаций.

Описание переменных

Входные:

План измельчения;

Плановые характеристики.

Измеряемые:

Контроль давления (протока) масла мельницы (загрузка);

Контроль уровня масла;

Состояние наклонного конвейера;

Состояние горизонтального конвейера;

Шум мельницы;

Расход воды в мельницу;

Расход CaO в мельницу;

Температура подшипника мельницы (загрузка);

Энергоресурсы;

Выходные:

Журнал аварийных событий;

Журнал событий;

Контролируемые переменные:

- исполнение графиков планово-предупредительных ремонтов (ППР);

. Словарь-глоссарий

Автоматизированная информационная система - совокупность программных и аппаратных средств, предназначенных для хранения и/или управления данными и информацией и производства вычислений.

Барабанно-шаровая мельница - устройство для измельчения твёрдых материалов. Применяется в основном для создания порошка для использования в красках, пиротехнических средствах, и в керамике.

Безотказность - свойство объекта сохранять свою работоспособность в течение определенного времени. Событие, нарушающее работоспособность объекта, называется отказом. Самоустраняющийся отказ называется сбоем.

Бункер - ёмкость для временного хранения жидких и сыпучих материалов. Различают бункеры железобетонные (монолитные, сборные, смешанного типа), металлические, комбинированные. Кроме того, в качестве бункера могут использоваться горные выработки.

Вероятность безотказной работы - вероятность того, что в пределах указанного периода времени, отказ объекта не возникнет. Этот показатель определяется отношение числа элементов объекта, безотказно проработавших до указанного момента времени к общему числу элементов объекта, работоспособных в начальный момент.

Дробление - разрушение твердого кускового материала на мелкие куски. Различают крупное, среднее и мелкое дробление.

Интенсивность отказов - это число отказов элементов объекта в единицу времени, отнесенное к среднему числу элементов объекта, работоспособных к определенному моменту времени.

Измельчение - процесс уменьшения крупности твердых частиц в результате различных физических воздействий.

Конвейер - транспортёр, машина непрерывного действия для перемещения сыпучих, кусковых или штучных грузов.

Надежность - свойство выполнять требуемые функции, сохраняя свои эксплуатационные показатели в течение заданного периода времени.

Пески - измельченная руда крупной фракции. Размеры ее частиц превышают требуемые для флотации, поэтому они направляются в мельницу для доизмельчения.

Подшипник - это техническое устройство, являющееся частью опоры, которое поддерживает вал <#"588162.files/image001.gif"> и отношением массы твердого к массе воды в пробе пульпы (сокращенно обозначается Т:Ж) или отношением Ж:Т, где Т, Ж - масса твердого и масса воды в пробе, кг. В практических условиях Тв определяют взвешиванием мерной кружки с пульпой и при помощи зависимости Тв от массы 1 л пульпы. В ряде случаев плотность разгрузки мельницы контролируют плотномерами, а слива классификатора - индикаторами плотности, работающими на основе измерений массы пульпы, а также радиоактивными плотномерами.

Регулировка мельниц II и III стадий измельчения, работающих в замкнутом цикле с гидроциклонами, производится путем изменения крупности слива гидроциклонов. При его увеличении подачу воды в зумпф уменьшают, одновременно может быть несколько увеличено количество подаваемой руды в мельницу I стадии. При снижении крупности увеличивают подачу воды в зумпф, а при появлении признаков перегрузки (переполнение зумпфа насосов гидроциклонов и выброс пульпы из питателя мельницы) снижают производительность мельниц I стадии.

Для получения максимальной производительности мельницы процесс измельчения регулируют изменением плотности ее слива, для контроля которой отбирают пробы (для ситового анализа по какому-либо классу) через каждые 0,5-1 ч. Эффективность измельчения определяется водным режимом, физическими свойствами руды и равномерностью ее подачи, дробящей средой. При измельчении крупного материала для максимальной производительности содержание воды в пульпе составляет 20-35 %, при более мелком материале - 30-50 %. У мельниц самоизмельчения поддерживают содержание твердого в пульпе около 70-75 % по массе. В сливе рудно-галечных мельниц оно на 5-7 % меньше, чем у шаровых.

Подачу воды регулируют по замерам плотности слива мельницы, классификатора или гидроциклона, иногда по интенсивности шума мельницы или температуре пульпы.

Плотность слива непрерывно замеряют автоматически. Наиболее часто применяются радиоизотопный и пьезометрический методы. Достоинство радиоизотопного метода состоит в измерении без контакта датчика с пульпой. При плотности пульпы до 3 г/см3 плотномер можно установить на трубе диаметром 100-300 мм. Погрешность прибора составляет примерно 2 %. Выходной сигнал плотномера передается водопроводной задвижке или вентилю с электрическим приводом и благодаря этому до известной степени обеспечивается стабильная крупность измельченного материала. Равномерность питания мельницы обеспечивается регулированием подбункерных питателей автоматически или вручную.

На эффективность процесса измельчения оказывают влияние крупность кусков и измельчаемость, колеблющиеся в широких пределах. Так, рост крупности и прочности руды укрупняет разгрузку мельницы и слив классификатора, увеличивает циркуляцию. В этом случае постепенно снижают производительность по воде и питанию. Резкое увеличение воды недопустимо из-за нарушения процесса классификации.

Автоматическое регулирование работы мельниц построено на принципах постоянства загрузки мельниц рудой и их нагрузки. Система регулирования содержит датчики производительности по исходному питанию, степени заполнения барабана рудой (по шуму мельницы, датчик - микрофон), песковой нагрузки мельницы (датчик - двигатель классификатора), преобразовательных и исполнительных механизмов, изменяющих производительность по исходному и пескам.

Комбинированные системы поддерживают требуемое соотношение между подачей руды и песками и постоянное отношение Т:Ж в пульпе. Применяется и самостоятельное автоматическое регулирование плотности слива классификатора.

В целом применение автоматического регулирования повышает производительность на 3-10 %.

Системы автоматического регулирования измельчения сооружают, ориентируясь на стабилизацию производительности и крупности по исходному, плотности слива классификатора (гидроциклона), а также на получение максимальной производительности при постоянной крупности продукта. Находят применение следующие системы автоматической стабилизации:

крупности готового и слива классификатора путем постоянства подачи руды с помощью счетчика конвейерных весов, электрически связанного с электродвигателем подбункерных питателей; одновременно поддерживают неизменной подачу воды;

заполнения барабана рудой (по интенсивности шума мельницы) путем применения регулируемого питателя; расход воды регулируется автоматически по показаниям весов; система автоматически компенсирует изменение измельчаемости;

суммы сигналов преобразователей (звукометрического и исходного питания), преобразованных в определенном соотношении и воздействующих на питатель руды; при этом отдельно (пропорционально подаче руды) поддерживается расход воды;

суммарного сигнала преобразователей исходного питания и циркулирующей нагрузки (измеряемой косвенно по мощности, потребляемой электродвигателем спиралей классификатора, для гидроциклонов - датчик массы желоба песков), воздействующего на исполнительный механизм питателя.

Кроме указанных систем, разработаны системы автоматического поиска оптимального режима агрегата измельчения. Оптимум находят последовательным увеличением питания на некоторую величину.

Для мельниц рудного самоизмельчения также разработаны системы стабилизации массы загрузки в барабане (датчик - мощность электродвигателя мельницы или давление масла в коренных подшипниках) и шума мельницы, зависящих от соотношения крупного и мелкого классов руды в мельнице. Систему можно применять при раздельном питании мельницы рудой крупного и мелкого классов.

При эксплуатации мельниц для улавливания отдельных крупных рудных зерен и металлического скрапа разгрузки мельниц и щепы из слива классификаторов на разгрузочную горловину мельницы надевают небольшой барабанный грохот с внутренней спиралью, а в желобе, отводящем слив классификатора, устанавливают перфорированный стальной лист или барабанный грохот-щепоуловитель. На мельницах самоизмельчения бутары выполняют роль классификационного аппарата, поэтому они имеют большие размеры.

Для нормальной работы мельниц коренные подшипники барабана, подшипники малой шестерни, зубчатую передачу барабана и редуктора регулярно смазывают жидкими консистентными минеральными маслами. В качестве жидких масел используют индустриальные масла, а консистентных - индустриальные и синтетические солидолы. Венцовые зубчатые открытые передачи смазывают графитной смазкой, распыляемой сжатым воздухом.

Коэффициент движения мельниц фактически определяется уровнем организации их ремонта. На практике применяют три способа. При первом (узловом) ремонт и перефутеровку осуществляют на месте установки мельницы. Продолжительность ремонта составляет 30-140 ч, коэффициент движения - 0,82-0,89. Способ применяют при числе мельниц до шести. При втором способе (машиносменном комбинированном) измельчающую среду выгружают на месте, а мельницу ремонтируют на стенде ремонтно-монтажной площадки для перефутеровки. Вместо снятой мельницы устанавливают резервную. Длительность простоя составляет 16-24 ч, коэффициент движения - 0,93-0,94. Способ применяют при числе мельниц от семи до 16. При машиносменном способе ремонта мельницу с измельчающей средой переносят краном на стенд ремонтной площадки, где осуществляют ее выгрузку и загрузку. Простой составляет 8-20 ч, коэффициент движения - 0,94-0,95 и выше. Способ применяют при числе мельниц более 16. При использовании различных мельниц коэффициент снижается вследствие несовпадения по времени перефутеровок. Ремонт мельниц и других компонентов измельчающего агрегата приурочивают к смене футеровок. Рекомендуемая периодичность приведена в табл. 1.1.

Замена футеровок является основной ремонтной работой, наиболее длительной и трудоемкой. Вследствие неточностей отливки при сборке зазоры между футеровками достигают 20 мм, поэтому под них подкладывают листы резины или прорезиненную ткань. Расколотые при эксплуатации футеровки рудоразмольных мельниц выбрасывают в лом, а вместо вышедших из строя устанавливают новые.

Для цементных и углеразмольных мельниц замена вышедших из строя плит новыми при их безболтовом креплении сопряжена с большими трудностями, а иногда и невозможна, поэтому в этих случаях футеровки ремонтируют, например при помощи сварки. На некоторых цементных заводах для увеличения срока службы не полностью износившуюся футеровку ремонтируют наплавкой электродами из серого чугуна толщиной 5-6 мм. Наплавка производится элекродуговым способом переменным или постоянным током при обратной полярности. При наплавке переменным током на чугунные электроды наносят обмазку из графита, замешанного на жидком стекле. Наплавку постоянным током можно производить электродами без обмазки. Толщина наплавляемого слоя должна быть 4-5 мм. Поверхность такой футеровки является более износостойкой, чем поверхность из марганцовистой стали. Наплавку футеровок цилиндрической части барабана производят при принудительной вентиляции. Такое восстановление футеровки снижает затраты на нее более чем в два раза.

Таблица 1.1. Рекомендуемая периодичность ремонта мельниц, ч.

Тип мельниц

Шаровые

Стержневые

Рудного самоизмельчения

Технический осмотр

680

680

340

Текущий ремонт

6800

4080

Капитальный ремонт

34000

32640

12240

. Характеристика проблемной ситуации

К проблемным ситуациям, возникающим при эксплуатации оборудования при процессе измельчения руды относятся:

·  отсутствие прогноза значений основных технологических показателей;

·        отсутствие давления масла в маслосистеме;

·        низкий уровень масла в маслосистеме;

·        отсутствие электронного журнала работы и журнала состояния технологического оборудования;

·        отключение мельницы из-за перегрева подшипников;

·        неисправность подшипников;

·        отсутствие протоколирования действий оператора в аварийных ситуациях:

·        поломка контролирующих устройств;

·        низкое давление подачи воды в охлаждающую систему;

·        отключение электроэнергии;

·        заклинивание ленты конвейера;

·        обрыв ленты конвейера;

Признаки нарушения работы оборудования:

·  изменение давления масла в мельнице;

·        изменение температуры в подшипниках мельницы;

·        нарушение режима подачи руды;

·        нарушение режима подачи воды

·        физические повреждения оборудования мельницы;

·        выход из строя оборудования мельницы;

·        посторонние шумы;

·        повышенные вибрации оборудования;

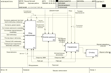
5. Функциональная модель IDEF0

Как есть

Как будет


6. Модель вариантов использования (прецедентов)

Основной сценарий

1. Главный механик получает план по измельчению руды.

2. Главный механик заносит новый план в систему.

3. Главный механик запускает процесс измельчения руды.

4. АИС производит мониторинг состояние оборудования.

5. Главный механик контролирует процесс измельчения.

6. АИС сигнализирует о завершении процесса измельчения руды.

7. Автоматическая система останавливает данный процесс.

8. Главный механик составляет отчет о завершенном процессе измельчения.

9. АИС сохраняет отчет.

Расширения

0. В любое время система выходит из строя:  0.1. Группа системной поддержки восстанавливает систему.

1.1. Представленная информация неполна: 1.1.1. Отправить план обратно с требованием уточнения

2.1. Данные в план по измельчению не вносятся: 2.1.1. Обратиться к системной поддержке.

3.1. Не запускается процесс измельчения. 3.1.1. Проверить состояние оборудования.

4.1 Не производится мониторинг состояния оборудования: 4.1.1. Проверить работоспособность датчиков. 4.1.2. Проверить подключённость датчиков к системе.

7.1. Система не останавливает процесс измельчения: 7.1.1 Самостоятельно остановить производство. 7.1.2. Экстренная остановка всего процесса.

. Информационно-логическая модель

 

Таблица «Бригады»

Имена полей

Тип

Размер поля

Ключевое

Обязательное

Номер бригады

счетчик

Длинное целое

Да

Да

Фамилия бригадира

текстовый

255

Нет

Да

текстовый

255

Нет

Да

Отчество бригадира

текстовый

255

Нет

Да

№ телефона

числовой

Длинное целое

Нет

Да

Адрес

текстовый

255

Нет

Да

Email

текстовый

255

Нет

Да

Таблица «Допуск»

Имена полей

Тип

Размер поля

Ключевое

Обязательное

Id мельницы

счетчик

Длинное целое

Да

Да

Расход воды

числовой

Длинное целое

Нет

Да

Температура подшипника

числовой

Длинное целое

Нет

Да

Уровень масла

числовой

Длинное целое

Нет

Да

 

Таблица «Измельчение»

Имена полей

Тип

Размер поля

Ключевое

Обязательное

№ партии

счетчик

Длинное целое

Да

Да

Время

Дата/время


Нет

Да

Измельчение,%

числовой

Длинное целое

Нет

Расход воды

числовой

Длинное целое

Нет

Да

Температура подшипника

числовой

Длинное целое

Нет

Да

Уровень масла

числовой

Длинное целое

Нет

Да

Таблица «Оборудование»

Имена полей

Тип

Размер поля

Ключевое

Обязательное

Id мельницы

счетчик

Длинное целое

Да

Да

Давление масла

числовой

Длинное целое

Нет

Да

Уровень масла

числовой

Длинное целое

Нет

Да

Температура подшипника

числовой

Длинное целое

Нет

Да

Состояние конвейера

текстовый

255

Нет

Да

Контроль забивки подбункерных течек

текстовый

255

Нет

Да

Таблица «Отчёт»

Имена полей

Тип

Размер поля

Ключевое

Обязательное

Id

счетчик

Длинное целое

Да

Да

Дата

Дата/время


Нет

Да

Время

Дата/время


Нет

Да

числовой

Длинное целое

Нет

Да

№ партии

числовой

Длинное целое

Нет

Да

Id мельницы

числовой

Длинное целое

Нет

Да

Таблица «Партия руды»

Имена полей

Тип

Размер поля

Ключевое

Обязательное

№ партии

счетчик

Длинное целое

Да

Да

Грансостав

текстовый

255

Нет

Да

Расход воды

числовой

Длинное целое

Нет

Да

Расход CaO

числовой

Длинное целое

Нет

Да

8. Имитационная модель

Задача имитационной модели: хранение показаний выбранных датчиков, которые снимаются раз в 3 секунды, сравнение со значениями, указанными в техническом регламенте, построение графика процесса измельчения, выявление аварийных ситуаций.

При запуске программы мы указываем параметры технического регламента, а также выбираем бригадира смены


При выходе одного из регулируемых параметров за пределы допуска, система сигнализирует об этом.

 

мельница измельчительный автоматизированный эксплуатация

При выводе все трёх параметров за пределы допуска, происходит полная остановка процесса измельчения и оповещения главного механика об этом.


Просмотр таблицы измельчения.



Таблица «Бригады», добавление, редактирование и удаление бригады.


Просмотр отчёта.


Также в программе выдаётся общее количество совершенных на данный момент времени ошибок.


Заключение

Создана система в интересах механика участка измельчения. Выполнена главная цель создания АИС эксплуатации измельчительных агрегатов - повышение качества технического обслуживания и ремонта для предотвращения аварийных ситуаций.

Программа в случае аварийных ситуаций сообщает об этом и заносит соответствующую запись в журнал аварийных ситуаций, в случае выхода из строя нескольких оборудований, система сообщает об этом и полностью останавливает процесс измельчения руды до полного восстановления оборудования.

Выполнено содержательное описание объекта управления с позиции возникновения аварийных ситуаций. Построены ВИ с позиции механика участка.

Таким образом, задание полностью выполнено.

Похожие работы на - Разработка автоматизированной информационной системы эксплуатации измельчительных агрегатов

 

Не нашли материал для своей работы?
Поможем написать уникальную работу
Без плагиата!
Без нейросетей!