Моделирование импульсного полумостового преобразователя напряжения на основе широтно-импульсной модуляции

  • Вид работы:
    Курсовая работа (т)
  • Предмет:
    Информационное обеспечение, программирование
  • Язык:
    Русский
    ,
    Формат файла:
    MS Word
    245,21 Кб
  • Опубликовано:
    2012-09-22
Вы можете узнать стоимость помощи в написании студенческой работы.
Помощь в написании работы, которую точно примут!

Моделирование импульсного полумостового преобразователя напряжения на основе широтно-импульсной модуляции

ОГЛАВЛЕНИЕ

ВВЕДЕНИЕ

. Принципы построения преобразователей

. Силовая часть

2.1 Электрическая схема и принцип действия

2.2 Транзисторный ключ

2.3 Диоды

2.4 Расчет выходного фильтра

. Разработка и расчет схемы управления

3.1 Задающий генератор

3.2 Формирователь напряжения управления

3.3 Компаратор

3.4 Распределитель импульсов

3.5 Схема мультивибратора на базе интегральных микросхем

3.6 Расчет драйвера

. Моделирование схемы в OrCad’e

Заключение

Список использованной литературы

ВВЕДЕНИЕ


Импульсные, или ключевые, источники электропитания в настоящее время получили распространение не меньшее, чем линейные стабилизаторы напряжения. Их основными достоинствами являются: высокий коэффициент полезного действия, малые габариты и масса, высокая удельная мощность. Все перечисленные свойства эти источники питания получили благодаря применению ключевого режима при работе силовых элементов. В ключевом режиме рабочая точка транзистора большую часть времени находится в области насыщения или области отсечки, а зону активного (линейного) режима проходит с высокой скоростью за очень малое время переключения. При этом в области насыщения напряжение на транзисторе близко к нулю, а в режиме отсечки в транзисторе отсутствует ток, благодаря чему потери в транзисторе оказываются достаточно малыми. Все это приводит к тому, что средняя за период коммутации мощность, рассеиваемая в ключевом транзисторе, оказывается намного меньше, чем в линейном регуляторе. Малые потери в силовых ключах приводят к уменьшению или полному исключению охлаждающих радиаторов.

К недостаткам импульсных источников электропитания обычно относят: сложность схемы, наличие высокочастотных шумов и помех, увеличенные пульсации выходного напряжения (в среднем в десять раз больше, чем в линейных стабилизаторах), большое время выхода на рабочий режим.

Таким образом, учитывая широкое распространение таких ИВЭП, необходимо подчеркнуть важность данного курсового проекта в рамках которого разрабатывается система управления импульсным преобразователем напряжения.

1. ПРИНЦИПЫ ПОСТРОЕНИЯ ПРЕОБРАЗОВАТЕЛЕЙ


На рис. 1.1 приведена структурная схема импульсного преобразователя. Регулирование выходного напряжения обеспечивается с помощью широтно-импульсной модуляции управляющих сигналов. ШИМ реализуется следующим образом. Задающий генератор (ЗГ) и генератор развертывающего напряжения (ГРН) служат для получения линейно-изменяющегося напряжения пилообразной формы. ЗГ вырабатывает высокочастотные импульсы прямоугольной формы и необходим для синхронизации ГРН. В компараторе опорное (управляющее) напряжение uоп сравнивается с линейно-изменяющемся напряжением пилообразной формы uп. Т.о. на выходе компаратора образуется последовательность прямоугольных импульсов uшим, длительность которых зависит от величины uоп. Далее сигнал поступает на силовые транзисторные ключи через усилительный или согласующий каскад.

Рис. 1.1

Глубина ШИМ характеризуется коэффициентом заполнения (скважность импульса):

g=tи/T (1.1)

где tи - длительность импульса управления, а T=f-1 - период повторения.

Рис. 1.2

Принцип действия ШИМ иллюстрирует Рис. 1.2. На нём  - развёртывающее напряжение,  - управляющее напряжение.

Преобразователь на основе ШИМ (изменение относительной длительности импульса, при постоянной частоте) представлен на Рис. 1.3. При использовании преобразователя такого типа расчёт выходного фильтра однозначен.

Рис. 1.3

2. Силовая часть


2.1 Электрическая схема и принцип действия


Рассчитаем схему двухтактного полумостового преобразователя по схеме приведенной на рис. 2.1. Работает он следующим образом. При открытом транзисторе VT1 происходит передача энергии от конденсатора C1 в нагрузку и в накопительный L1C3-фильтр. Одновременно производится подзарядка конденсатора C2. Во время паузы, когда транзисторы VT1 и VT2 закрыты, конденсатор фильтра разряжается на нагрузку, а через диодный мост в нагрузку передается энергия, накопленная в дросселе L1.

При открывании транзистора VT2 в нагрузку будет передаваться энергия, накопленная в конденсаторе C2, а конденсатор C1 будет подзаряжаться.

Рис 2.1

2.2 Транзисторный ключ


Учитывая достаточно низкие требования по напряжению (Напряжение на запертых транзисторах равно напряжению питания, так как оно всегда равно сумме напряжений на конденсаторах C1 и C2: Uкэ = 160 В.), транзистор для ключа можно выбрать как биполярный, так и полевой, но так как частота достаточно высокая, я больше склонен к биполярному транзистору.

Транзистор должен отвечать следующим требованиям:

Uкэ = (Uвх, max)* 1.25 = 160 * 1.25 = 200 В,

Iк = 1.414 * 1.25 * Pвых/Uвх, min = 1.875 А,

А его быстродействие должно соответствовать частоте ШИМ.

По всем параметрам подходит биполярный транзистор КТ844А, с параметрами:

Uкэ, max = 250 В.

Iк, max = 10 А.

fгр = 1 МГц.

Для обеспечения гальванической развязки схемы управления от силовой цепи сигналы управления подводятся к затворам силовых транзисторов VT1 и VT2 через оптопары типа АОТ128Б(4N25) имеющие следующие характеристики: напряжение коммутации Uк=30В, остаточное выходное напряжение Uоствых=0.4В, входной ток Iвх<30ма.

 

.3 Диоды


Тип диодов следует выбирать из соображений:

Uобр, max = (Uвх /2) * 1.25 = 100 В,

Iпр, max = Iк, max = 1.875 А,

Выбираем диоды КД239А (1N4007) со следующими основными параметрами:

Iпрmax=20A

Uпр=1.4В

Uобр=100В

fдmax=500kHz

2.4 Расчет выходного фильтра


Минимальная индуктивность L дросселя выходного фильтра рассчитывается при условии безразрывности тока IL дросселя согласно выражению:


Выберем g = 2*Uн/Eп = 0.4, а номинальный ток Iн = Pн/Uн = 6.25 А. Индуктивность при номинальном токе нагрузки равна:

L1>23 мкГн.

Выберем L1=25 мкГн.

Емкость конденсаторов входного делителя рассчитываем исходя из допустимой амплитуды (размаха) пульсаций Uп на конденсаторе:

g = 0,4п = 2.5В

fп = 60 кГц

С2 = 1.628 мкФ.

Выберем C2 и C3 типа К50-27-160В-2мкФ.

Емкость конденсатора C4 выходного сглаживающего фильтра с учетом требования по уровню пульсаций напряжения на нагрузке Uп можно определить по формуле:


Выбираем C3 типа K50-27-160B-10мкФ

Результаты моделирования приведены на рисунке 2.2 (т.к. при расчете коэффициента заполнения g не учитывалось КПД преобразователя, в процессе моделирования g получился 0.35).

 


3. РАЗРАБОТКА И РАСЧЕТ СХЕМЫ УПРАВЛЕНИЯ


3.1 Задающий генератор


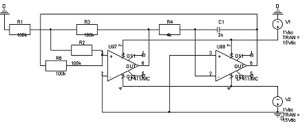
В соответствии с ТЗ задающий генератор должен формировать развёртывающее напряжение треугольной формы с частотой 60 кГц. Такой генератор целесообразно выполнить на двух операционных усилителях, включенных по схеме рис. 3.1.

Рис. 3.1

Рассчитаем параметры элементов:

1) В качестве операционных усилителей (ОУ), в СУ, будем применять ИМС LF411/MC, имеющие время нарастания выходного напряжения  В/мкс, что обеспечивает достаточное быстродействие.

В силу не симметрии ОУ при включении питания на выходе DA1 практически мгновенно появляется напряжение насыщения, полярности зависящей от напряжения смещения ОУ. Допустим оно отрицательно и  полностью разряжен, цепь  поддерживает ОУ в состоянии насыщения. Ток текущий под действием разности потенциалов через  заряжает  отрицательным напряжением по экспоненциальному закону, когда напряжение на  по модулю превысит напряжение на не инвертирующем входе триггер скачком перейдет в состояние насыщения с положительным напряжением на выходе ОУ.  станет заряжаться положительным напряжением (по экспоненте) и достигнув напряжения переключения триггера, опрокинет его и этот процесс будет продолжаться пока на ОУ будет подаваться питание.

) пассивные элементы рассчитываются по следующим формулам:

Напряжение переключения триггера Шмита определяется соотношением сопротивлений R1,R4 и напряжениями насыщения ОУ В (определено в результате моделирования).

Примем  кОм, тогда:

В.

Так как интегратор на DA2 выполнен по инвертирующей схеме, то треугольное напряжение с выхода DA2 надо подавать на неинвертирующий вход DA1, для этого введены резисторы  и . Примемем  кОм.

Чтобы получить частоту тактового генератора f=60 кГц (период T=16мкс), постоянная интегрирования должна быть равна

 с.

Выберем  нФ. Тогда  можно определить из выражения:

 Þ

 Ом.

Моделирование показало, что для достижения заданной частоты необходимо принять  кОм. Это обусловлено параметрами ОУ, неучтёнными в расчётах. На рис. 3.2 показаны результаты моделирования.

Рис. 3.2

3.2 Формирователь напряжения управления

преобразователь напряжение импульсный модуляция

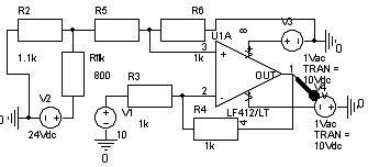
Для формирования напряжения управления используем вычитатель, собранный на ОУ LF412/LT. Схема вычитателя приведена на рис. 3.3. Работает он следующим образом: при помощи резистивного делителя R1, R2 получаем напряжение задания Uзад, соответствующее расчетному g (0,35). Это напряжение подаем на неинвертирующий вход ОУ.

На инвертирующий вход подаем опорное напряжение Uоп, которое вычитаем из Uзад и получаем напряжение управления Uу на выходе ОУ.

Рассчитаем номиналы резисторов R1 и R2.

Период импульсов ШИМ составляет 16 мкс. g = 0,35 соответствует tи = =16*0,35 = 5,6 мкс. Это время работы ключевого элемента. Так как развертывающее напряжение биполярное, следовательно напряжение управления также получится биполярным.

Рис. 3.3

Для получения униполярного напряжения управления используем диод (транзистор 40235 в диодном включении). Это приводит к тому, что максимальное g = 0,5. Этого вполне достаточно для нормальной работы схемы. Напряжение управления соответствующее g = 0,35 можно найти, вычислив развертывающее напряжение в момент времени t = (T/2) - tи)/2 = 1.2 мкс. Это напряжение составляет 1.26 В. Примем R1 = 800 Ом, тогда R2 = 1,1 кОм.

Так как при расчете мы не учитываем переходные процессы, которые при таком количестве активных элементов обязательно имеют место, в процессе моделирования некоторые элементы были уточнены. Результаты показаны на рисунке 3.4.

Рис. 3.4 Напряжение на выходе ОУ при (с низу вверх): 26В, 25В, 24В, 23В, 22В.

3.3 Компаратор


Компаратор - это устройство, сравнивающее 2 напряжения. Компаратор, сравнивающий  и  (элемент ШИМ), должен формировать на выходе импульсы отрицательной полярности при  и положительной полярности при .

Реализуем компаратор на быстродействующем ОУ CLC420/CL, подав  на прямой, а  на инверсный входы. Из-за простоты модели компаратора я приведу его на общей схеме широтно-импульсного модулятора - рис. 3.5. На выходе компаратора необходимо поставить диод для того, чтобы отрицательные импульсы не проходили к микросхемам ТТЛ.

Рис. 3.5

Результат работы данной схемы можно увидеть на рис 3.6.

Рис. 3.6

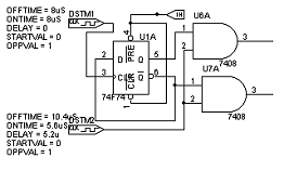
3.4 Распределитель импульсов


Частота работы ШИМ по ТЗ составляет 60 кГц, период следования импульсов соответственно 16 мкс. Т.к. преобразователь полумостовой, необходимо дополнительное устройство, которое позволило бы включать ключевые элементы поочередно, друг за другом. Роль этого устройства выполняет Распределитель импульсов (РА).

Амплитуда выходных импульсов примерно 4.5 В. Это позволяет подключать устройства ТТЛ логики непосредственно к выходу ШИМа. Схема РИ представлена на рис. 3.7.

Рис. 3.7

Принцип работы схемы заключается в следующем. Когда на оба входа элемента И приходит лог. «1», на выходе у него так же устанавливается «1». Если же хотя бы на одном из входов лог. «0», на выходе также буде лог. «0». Элементы И подключены к триггеру таким образом, чтобы на каждом полупериоде поочередно то в одном, то в другом элементе на 1-м входе была единица. При приходе импульса напряжения управления на 2-е входы этих элементов, на выходе того из элементов у которого в данный момент лог. «1» на 1-м входе формируется этот импульс, а на выходе второго остается лог. «0». Таким образом осуществляется распределение импульсов между транзисторными ключами.

Так как отпирание ключа происходит в то момент, когда запирается транзистор из оптопары, будем использовать инвертирующие выводы микросхем элементов И (элементы И-НЕ).

Воспользуемся микросхемами:

К155ЛА3 - 4 - 2 И - НЕ

К155ТМ2 - 2 D - триггера.

.5 Схема мультивибратора на базе интегральных микросхем

 

Генератор прямоугольных импульсов

Схема имеет следующий вид:

Рис. 3.8

Треугольный сигнал с генератора треугольного сигнала подается на неинвертирующий вход компаратора и сравнивается с нулем и в зависимости от знака формирует положительные, либо отрицательные импульсы на выходе компаратора. Дальше импульсы выпрямляются диодом и их амплитуда делится делителем в отношении ½. Для этого используются резисторыR15 и R16.

В итоге на вход триггера приходят импульсы соответствующие ТТЛ уровню.

3.6 Расчет драйвера


Так как нагрузочная способность логики ТТЛ низкая, для управления ключами нам потребуется ее повысить. Для этой цели используется драйвер. Выполним его проектирование и расчет.

Примем значение напряжения на выходе логических элементов 4В и допустимый выходной ток 1мА. Для надежного отпирания оптопары необходимо напряжение 4В и ток 30 мА. Целесообразно использовать в качестве драйвера обычный биполярный транзистор, включенный по схеме эмиттерного повторителя.

Выбор транзистора:

для драйвера нам подходит транзистор 2SA211 со следующими параметрами:

Uкэ,max = 30 В,

Iк, max = 100 мА,

f = 1 МГц,

h21э = 20…30.

Питание к транзистору подводится 10 В.

Сопротивление R17 = (10 В)/(30*10-3 А) = 300 Ом.

Сопротивление в цепи коллектора оптопары возьмем:

R19 = (10 В)/(300*10-3 А) = 33 Ом.

В силу простоты схемы, она будет приведены на полной схеме рис 4.1.

 


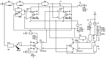
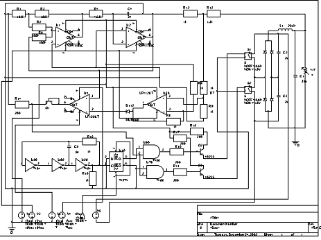
4. МОДЕЛИРОВАНИЕ СХЕМЫ В ORCAD’E


Целиком схема выглядит следующим образом (см. рис. 4.1):

Рис. 4.1 Ключевой импульсный полумостовой преобразователь напряжения. Схема принципиальная

В данной модели ключевые элементы заменены идеальными, т.к. при использовании транзисторов расчет резко усложняется.

Результаты моделирования приведены ниже в виде графиков.

Рис. 4.2 Напряжение на нагрузке (при номинальной нагрузке)

Рис. 4.3 Ширина импульсов относительно напряжения управления

Рис. 4.4 Нагрузочная характеристика (Uвых = f(Uвх)).

Рис. 4.5 Анализ Фурье потребляемого тока при нагрузке Rн = 25*Rном.

Рис. 4.6 Анализ Фурье потребляемого тока при нагрузке Rн = Rном.

Рис. 4.7 Выходное напряжение при действии на входе периодически изменяющегося напряжения питания (150…170 В).

ЗАКЛЮЧЕНИЕ

В ходе курсовой работы было рассчитано и проведено моделирование ключевого импульсного полумостового преобразователя напряжения на основе широтно-импульсной модуляции (ШИМ), с развертывающим напряжением треугольной формы.

Похожие работы на - Моделирование импульсного полумостового преобразователя напряжения на основе широтно-импульсной модуляции

 

Не нашли материал для своей работы?
Поможем написать уникальную работу
Без плагиата!
Без нейросетей!