Реформування фортепіано в ХІХ ст.

  • Вид работы:
    Курсовая работа (т)
  • Предмет:
    Другое
  • Язык:
    Украинский
    ,
    Формат файла:
    MS Word
    3,08 Мб
  • Опубликовано:
    2012-09-05
Вы можете узнать стоимость помощи в написании студенческой работы.
Помощь в написании работы, которую точно примут!

Реформування фортепіано в ХІХ ст.














РЕФОРМУВАННЯ ФОРТЕПІАНО В ХІХ СТ

Зміст

ВСТУП

РОЗДІЛ 1. ВИНАХІД ФОРТЕПІАН

.1 Старовинний інструмент Понтемона праобраз фортепіано

.2 Фортепіано Бертоломео Крістофорі

.3 Ровиди механізмів інструменту у XVIII ст.. (механізм маффі, механізм Шретера)

РОЗДІЛ 2. РОЗВИТОК УДОСКОНАЛЕННЯ ФОРТЕПІАНО В XVIII СТОЛІТТІ

.1 Вертикальні фортепіано

.2 Горизонтальні фортепіано

.3 Різновиди французького, англійського, німецького фортепіано

РОЗДІЛ 3. РЕФОРМУВАННЯ ФОРТЕПІАНО В ХІХ СТ

.1 Створення та розвиток піаніно

.2 Механізм Брютнера

ВИСНОВОК

СПИСОК ОСНОВНОЇ ВИКОРИСТАНОЇ ЛІТЕРАТУРИ

ДОДАТКИ

ВСТУП

Звук у фортепіано витягується наголосом молоточка про струни. Струни за допомогою кілків натягнуті на резонансну деку. Для кожного звуку існує хор струн: три для середнього і високого діапазонів, дві або одна для нижнього. Діапазон більшості фортепіано складає 86 півтонів від ля субконтроктави до 5 октави. У нейтральному положенні струни, крім останніх півтора-двох октав, стикаються з демпферами. При натисканні клавіш в дію приводиться пристрій з важелів, ремінців і молоточків, зване фортепіанної механікою. Після натискання від відповідного хору струн відділяється демпфер, щоб струна могла вільно звучати, і по ньому б'є молоточок, оббита Фільц.

У сучасних фортепіано присутній дві або три педалі. У більш ранніх інструментах для тих же цілей використовувалися висувні важелі.

Права педаль піднімає відразу всі демпфери, так що після відпускання клавіші відповідні струни продовжують звучати.

Ліва педаль використовується для ослаблення звучання.

Середня педаль, або педаль sostenuto, служить для підняття виборчого демпферів. При натиснутій середній педалі демпфери, піднімаються при натисненні клавіш, залишаються піднятими до зняття педалі.

Фортепіано може використовуватися і як сольний інструмент, і разом з оркестром.

Гра на фортепіано - заняття, що вимагає хорошої техніки, уваги і віддачі. Фортепіано вимагає дбайливого поводження і, час від часу, налаштування, тому що деякі струни спускаються, і витягує звук стає іншим.

Попередниками фортепіано були клавесини і винайдені пізніше клавікорди. Їх вадами були швидко затухаючий звук, що заважало грі legato, і постійний рівень гучності, що виключало один з важливих виразних засобів музики - динаміку. Механіка сучасного фортепіано була винайдена італійським майстром Крістофорі. 1709 р., в його конструкції молоточки знаходилися під струнами. Сьогодні великі виробники фортепіано мають свої, трохи розрізняються, версії фортепіанної механіки. У ході розвитку до інструмента були додані педалі. У XX столітті з'явилися принципово нові інструменти - Електронні піаніно і синтезатори.

Метою роботи є дослідити історію виникнення та розвиток фортепіано.

Об’єктом дослідження є фортепіано. Суб’єктом дослідження є історія виникнення та розвиток фортепіано.

РОЗДІЛ 1. ВИНАХІД ФОРТЕПІАНО

 

1.1 Старовинний інструмент Понтемона праобраз фортепіано


Закінчувалося XVII століття. Незадоволення старими формами струнних клавішних інструментів стало особливо гострим. Пошуки нових засобів виразності не могли бути реалізовані тільки удосконаленнями клавесина і клавікорда. Вони повинні були врешті-решт призвести до нового типу музичного інструменту, з істотно відмінним способом збудження звуків, які допускали безпосередній вплив на їхню силу і гучність. Якщо в клавікордах такий вплив могло бути здійснено в якийсь дуже обмеженою мірою, то в оперених інструментах такий вплив був майже цілком виключено.

Слабкість звуку клавікорда і механічність характеру звуків клавесина не могли задовольняти потреби музикантів того часу. Майстрів же це спонукало до винаходу таких клавішних інструментів, силу звуків яких можна було б в широкій мірою регулювати безпосередньо при грі, а не шляхом допоміжних маніпуляцій з регістрами і тому подібними пристроями. Клавікорд і клавесин досягли граничного удосконалення, і все ж музиканти залишалися незадоволеними.

І ось увагу музикантів та любителів музики Західної Європи привертають старовинні (існували ще в стародавній Ассирії) цимбали - багатострунний інструмент з корпусом у вигляді плоского ящика, по струнах якого били двома калаталами або молоточками. Цимбали займали відносно скромне положення серед інших народних музичних інструментів. Широка музична громадськість Європи та музична наука залишала їх майже без уваги до 1690 року, коли ними зацікавлюється скрипаль Панталеон Хебенштрайт (1669-1750). Він удосконалює конструкцію інструменту і починає виступати з концертами в багатьох містах Західної Європи. Надзвичайно виразна гра його на цимбалах вражала віртуозністю і блиском. Французький король Людовик XIV, перед яким Хебенштрайт грав в 1705 році, назвав інструмент власним ім'ям віртуоза - "Понтамон".

Видатний музикант і композитор того часу Кулау вихваляє красу звуків Понтамон, зауважуючи, що грати на ньому дуже важко.

Уми європейських музикантів були збуджені блискучими виступами Хебенштрайта. І цілком можливо, що у деяких з тих, хто слухав і бачили його гру могла в ці часи з'явитися й зміцніти думка, що застосування ударного способу порушення струн може допомогти вирішити питання про створення нового, більш виразного клавішного інструмента.

І от, останній крок був зроблений майже одночасно в трьох різних країнах Європи трьома різними інструментальними майстрами, незалежно один від одного прийшли до знахідки конструкцій клавішного молоточкового механізму, покладеного в основу нового музичного інструменту.

 

1.2 Фортепіано Бертоломео Крістофорі


Новим клавішним інструментом, з якого можна було витягувати за бажанням музиканта різноманітні за силою і характером звуки, стало молоточкове фортепіано (Pianoforte, Hammerklavier).

Його винахідником вважають італійського інструментального та клавесинного майстра Бартоломео Крістофорі (1655-1731), зберігача музею музичних інструментів князя Фердинанда Медічі у Флоренції. У 1709 році поет і археолог маркіз Франческо Чіпіоне Маффі (1675-1755) бачив в цьому музеї чотири клавесина "col piano e forte" з молоточковим механізмом, зроблені Крістофорі. Маффі докладно описав інструменти в статті ("Il grtavicembalo col piano e forte inventato a Firenze da Bartolomeo Cristofori di Padova e descritto dal marchese Scipione Maffei di Verona"), що з'явилася в 1711 році в журналі "Giornali dei letterati d'Italia", що видавався князем Фердинандом. До статті додавався креслення нового механізму. Повний текст статті Маффі був ним передрукований в 1719 році в повному зібранні його творів "Rime e Prosa", а потім в 1725 році переведений на німецьку мову Кенігом і опубліковано в "Музичної критиці" Матесон (Гамбург, 1725).

Епітет, даний Крістофорі новому інструменту, ліг в основу його назви - Pianoforte, що отримав міжнародне вживання. Правда, ця назва згадується вперше ще в 1598 році в листах майстра музичних інструментів Паліаріно до герцога Моденского Альфонса II, але навряд чи можна вважати, що були названі дійсно перші фортепіано з молоточковим механізмом. За припущенням Чезаре Понсіккі, висловлену в журналі "Боккеріні" (1879, № 6), це був клавіцімбал з якимось механізмом для зміни сили звуку. Але чи застосовувалися в ньому молоточки для порушення струн, залишилося невідомим.

Зі статті Маффі виявляється, що замість звичайних стерженьків з пір'їнками, що вживаються в клавіцімбалах, в інструментах Крістофорі був застосований ряд молоточків, обтягнутих на головках лосиною шкірою і били по струнах інструменту знизу вгору. Підстава кожного молоточка є рід коліщатка, укріпленого в вирізі особливої ​​планки, що несе на собі весь ряд молоточків, тому останні можуть обертатися разом з коліщатками. Молоточки приходять в рух, підштовхуванні знизу, через виступи біля основи їх стерженьків, стовпчиками, що стоять вертикально. Ці стовпчики в свою чергу підкидаються вгору задніми кінцями клавіш, при натисненні на останні. Ці стовпчики скріплені з задніми кінцями клавіш пружинками таким чином, що при русі молоточків вони в деякий момент відхиляються назад, звільняючи молоточки і дозволяючи їм падати назад після удару по струнах. Після удару по струнах молоточки опускаються на підкладку з переплетених шовкових шнурків. Для запобігання зайвого гулу і звучання струн Крістофорі ввів глушники (демпфери). Вони являють собою дерев'яні стерженьки з м'якими головками, які лежать на струнах і відводяться вниз задніми кінцями клавіш, при натисненні на них, і звільняють струни для звучання. Коли палець знімається з клавіші, головка демпфера піднімається і лягає на струну, припиняючи її коливання і заглушаючи її звучання. Наводимо креслення першого механізму фортепіано Крістофорі, відтворений в додатку до згаданої статті Маффі.[ Додаток А., 1]

З опису та креслення видно, що в механізмі Крістофорі були передбачені всі найголовніші частини пізніх фортепіанних механізмів: молоток з обтягнутою пружним матеріалом голівкою, при підскакуванні догори б'є по струні; виступ біля основи молотка (шультер), службовець для приведення його в рух; підштовхує проміжний орган (шпілер), влаштований таким чином, що після удару молоточка по струні він відхиляється в сторону, даючи можливість молоточку відпасти від струни, а останньої - можливість вільного коливання; м'яка підкладка для молоточків (рулейстік); глушник (демпфер), що звільняє струну при натисканні клавіші і в інший час її заглушає. Перші інструменти Крістофорі не збереглися. До теперішнього часу залишилися два інструменти роботи Крістофорі, але більш пізнього часу. Очевидно, вони отримали деякі удосконалення, так як їх механізми відрізняються від опису та креслень Маффі. Один з них, побудований в 1720 році, знаходиться в Метрополітен-музеї, в Нью-Йорку (на жаль, в 1875 році він був підданий серйозній реставрації і міг кілька втратити свій первісний вигляд). Другий інструмент Крістофорі, побудований в 1726 році, зберігався в Кельнському музеї Вільгельма Гейер і дійшов до нас у майже недоторканому вигляді.

Механізм цього фортепіано представляє значно вдосконалену конструкцію, ніж та, яку описав Маффі. Інструмент має двухорную систему (тобто на кожну клавішу і звук натягнуті по дві струни), і пристосування для тихої гри, зсувне клавіатуру з механізмом в бік, за допомогою двох ручних кнопок. Молотки при цьому ударяють тільки по одній струні кожного хору. Це пристосування, що представляє прототип пристрою сучасної лівої педалі рояля, було винайдено Крістофорі в 1725 році. Звуковий обсяг інструменту 1726 - чотири октави від до великої октави до до третьої.

Як свідчать історичні дослідження, винахідниками молоточкового ударного механізму, незалежно від Крістофорі, були французький клавесині майстер Жан Маріус і німецький викладач музики в Дрездені Крістоф Готліб Шретер. [ Додаток А., 2]

Перший представив в Паризьку академію наук в 1716 році модель свого винаходу (воно було опубліковано в "Списку машин і винаходів, схвалених Королівською академією наук у 1713-1719 роках"). Другий сконструював молоточковий механізм близько 1717-1721 років. Механізм Маріуса, названий їм клавесином з молоточками (clavecin a maillets), мав суттєвий недолік: в ньому не було демпферів. Винахід же Шретера виявилося вдаліше і мало велике значення для пізнішого будівництва фортепіано тому воно заслуговує більш докладного опису.

Ілія Шретер (1699-1782) займався з юнацьких років музично-педагогічною діяльністю. Не задоволений якостями тодішніх клавесинів і клавікорди, він шукав способи поліпшення сучасних клавішних інструментів. Мистецтво гри Хебенштрайта і виразність, якої він досягав за допомогою ударів молоточками по струнах, навели Шретера на думку знайти спосіб застосування молоточкового удару до струнним клавішних інструментів. До цього він прийшов уже в 1717 році, але лише в 1721 році, за допомогою свого племінника, який працював столяром і знайомого з будівництвом музичних інструментів, зміг спорудити подвійну модель клавішного молоточкового механізму. У моделі молотки вдаряли на одній стороні по струнах знизу вгору, а на іншій - зверху вниз, як при грі на цимбалах.

лютого того ж року Шретер представив модель свого механізму королівському двору у Дрездені. Ознайомившись з нею, курфюрст Август Сильний обіцяв зробити розпорядження митецькому майстру виготовити досконалий і гарний інструмент.

Але незабаром Шретер змушений був залишити Дрезден, не отримавши своєї моделі назад. Система його механізму поширилася в Німеччині, крім його волі і участі, причому авторство приписували іншим особам. Внаслідок цього Шретер двічі (у 1738 і 1763 роках) виступає в пресі з протестом, розповідаючи, яким шляхом і коли він прийшов до думки про спорудження молоточкового механізму. Друга стаття Шретера, опублікована в II томі "Критичних листів про музику" Марпург, докладно описує винайдений ним механізм і дає його креслення.[Додаток А, 3]

Бувши схожим в принципі з механізмом Крістофорі, механізм Шретера все ж настільки істотно відрізнявся в деталях, що може розглядатися як цілком самостійний винахід. До числа його недоліків слід віднести відсутність пристосування для звільнення молотка в момент його удару по струні; менш досконало і ефективно також пристосування для заглушення струн. Якщо в механізмі Маріуса відсутність демпферів було негативним моментом, то в механізмі Шретера звуки глушилися надмірно. У цьому відношенні найбільш вдалим з усіх трьох виявився механізм Крістофорі з сучасним принципом дії і влаштування заглушає механізму.

Перевага механізму Шретера полягала у застосуванні залізного каподастра. Він істотно покращував звук, надаючи протидію підскакують струнах при ударах по них молоточків.

Подальша доля трьох винаходів була різна. Маріус, мабуть, не мав успіху ні у себе на батьківщині, ні за кордоном, нема ніяких даних про те, що запропонований ним механізм отримав практичне застосування. Інструмент Крістофорі, безперечно найбільш вдалий. Він надихнув майстрів північних країн (Німеччини та Англії), де незабаром ж після перекладу та опублікування статті Маффі став застосовуватися і піддаватися практичним удосконаленням. На батьківщині Крістофорі виробництво фортепіано з його системи не мало успіху, а після його смерті надовго припинилося. Відомо тільки, що в 1730 році учень Крістофорі - інструментальний майстер Джованні Ферріні побудував за системою вчителя молоточкової фортепіано для іспанської королеви Єлизавети Фарнезе. Лише через півтора століття після смерті Крістофорі, в 1876 році, на його батьківщині - в Падуї - вдячні піаністи поставили йому пам'ятник.

Механізм Шретера хоча і був ще недосконалий, зацікавив ряд інструментальних майстрів, які, як буде видно надалі, пішли шляхом удосконалення його механізму. Це призвело до створення специфічного типу "віденської механіки". Шретер, будучи за професією викладачем музики, ніколи не займався будівництвом фортепіано. Скромна ім'я винахідника у нього на батьківщині довгий час залишалося майже забутим, а народний поголос в Німеччині стала приписувати честь винаходу інструменту того майстру, який став виготовляти вдалі фортепіано в масовій кількості [Додаток А, 4].

Нам довелося бачити останній інструмент, правда, в дуже зруйнованому стані, і детально ознайомитися з його принципом і конструкцією. За зовнішнім виглядом і розмірами він подібний до звичайного піаніно з паралельною натяжкою струн в напрямку зверху вниз. Замість молоточкового механізму використаний горизонтальний у всю ширину інструменту вал, укріплений в підшипниках приблизно на рівні молоточків звичайного піаніно. Вал обтягнутий пап'є-маше і натирався перед грою каніфоллю. При натисканні клавіш гнучкі язички з китового вуса, з'єднані з передавальним механізмом, притискали до валу особливі джгутики, звиті з морської трави і прикріплені до струн. Ці джгутики, при обертанні вала, що приводиться в дію приводом від педалей, починали коливатися в поздовжньому напрямку, збуджуючи нормальні (поперечні) коливання в струнах. Для збільшення сили звуку інструмент мав октавну копулу (механізм, за допомогою якого одночасно з основною струною могла порушуватися струна, яка звучить октавою вище).

Незважаючи на те, що винаходи смичкових клавірів тривали до початку XX століття, проблему побудови вдалого інструменту цього роду не можна вважати вирішеною. Правда, в останніх конструкціях був застосований такий досконалий звуковозбудітель, як нескінченний кільцеподібний волосяний смичок, а також справжні скрипки ("Деа-Віоліна" Хупфельда). Це дозволило певною мірою покращити звук подібних інструментів і скоротити домішки скрипучих призвуків. Однак всі спроби підміни живого й безпосереднього управління звукоутворення (характерного для справжніх смичкових інструментів) механічно діючими збудниками естетично порочні, омертвляє живе мистецтво. Отже, можна припустити, що вони ніколи не приведуть до задовільних художнім результатами.

Масове конструювання фрикційних клавірів співпало з епохою, коли численні винахідники і майстри, намагалися чисто механічними засобами збагачувати і "вдосконалювати" музичні інструменти. Але в останні десятиліття розвинулися і отримали широке застосування могутні засоби радіотехніки й електроніки; крім того, була усвідомлена порочність і безплідність шляхів і способів механізації музичного виконання. В результаті споживачі музичних інструментів перестали цікавитися такими посередніми по звукових якостях, складними і дорогими механізмами, як смичкові і їм подібні клавішні інструменти. Можна з упевненістю сказати, що всі вони відійшли в безповоротне минуле, зберігши лише подекуди в музеях як забавні дивини і пережитки старовини.

1.3 Ровиди механізмів інструменту у XVIII ст.. (механізм маффі, механізм Шретера)


Вивчаючи спеціальну історичну і теоретичну літературу про фортепіано, нам довелося зустрітися із спотвореннями історичної дійсності в таких творах, які, здавалося б, повинні претендувати на серйозність і ретельність викладу фактів. Мабуть, створені в перші часи навколо винаходу фортепіано чутки та думки, що поширилися по Німеччині, дивно вплинули на деяких авторів, що описують походження цього інструменту.

Настільки ж неточно викладають історію винаходу фортепіано і деякі німецькі автори. Так наприклад, Вальтер Німан, автор кількох книг з історії клавирного мистецтва і літератури, в "Історії фортепіано" пише, що "майже скрізь у Німеччині вважають винахідником молоточкового механізму Крістофа Готліба Шретера" і докладно говорить про нього протягом шести сторінок. Після цього він присвячує Крістофорі чотири сторінки, а Маріус всього лише кілька рядків.

Нарешті, д-р Людвіг Ріман в книзі "Сутність фортепіанного звуку" (Лейпциг, 1911) пише, що "винахідником молоточкового механізму вважається органіст Крістоф Готліб Шретер з Нордгауз, який приблизно в 1717 році сконструював модель молоточкового механізму в найпримітивнішому вигляді". Про Крістофорі і Маріус він не говорить нічого. Ознайомившись з такими "джерелами", читачу, природно, може отримати абсолютно хибне уявлення про історію виникнення фортепіано. Ці німецькі вчені виставляють на перший план останнє по порядку і часу винахід Шретера, про сам же першому і притому найбільш доцільно розробленому винахід говориться або дуже мало, або взагалі нічого.

Тенденції, спрямовані до надмірного звеличення німецького духу і культури, призводять тут до очевидних непорозумінь і неточностей. Історична картина спотворюється. І тільки ретельне збирання джерел та грунтовна їх перевірка і зіставлення дозволили встановити найбільш правильну історичну послідовність і виявити картину виникнення кожного великого винаходу, до числа яких належить і цікавий для нас питання - як, ким і коли був створений той прекрасний музичний інструмент, який отримав таку велику значення в сучасній музичній життя та культури.

РОЗДІЛ 2. РОЗВИТОК УДОСКОНАЛЕННЯ ФОРТЕПІАНО В XVIII СТОЛІТТІ

 

2.1 Вертикальні фортепіано


Серед тих інструментальних майстрів XVIII століття, яким у Німеччині довго приписували честь винаходу молоточкового фортепіано, перш за все слід згадати органного, клавесинного і клавікордного майстра Готфріда Зільбермана (1683-1753). Живучи деякий час у Дрездені, він освоїв мистецтво побудови молоточкових фортепіано. Невідомо, чи був він у той час знайомий з механізмом Шретера, відомо лише, що він був другом придворного поета Кеніга, який опублікував у Гамбурзі в 1725 році переклад статті Маффі про винахід Бартоломео Крістофорі. Можливо, Кеніг познайомив його з конструкцією механізму Крістофорі. або ж не проявив мистецтва і ретельності в його відтворенні. Самолюбний Зільберман, не звиклий терпіти осуду, сприйняв цей закид як велику образу. Стурбований цією невдачею, він протягом декількох років не зробив жодного інструменту. Проте критичне зауваження Баха змусило його задуматися над поліпшенням нового інструменту, і усуненням зазначених недоліків. Ймовірно, він працював після цього кілька років над удосконаленням фортепіано і не випустив за цей період жодного молоточкового інструменту. Тільки з 1735 року Зільберман почав випускати в продаж поліпшені фортепіано з механізмом, багато в чому схожим з конструкцією Крістофорі. Ці вдосконалені фортепіано виявилися більш вдалими, і вже в 1746 році імператор Фрідріх II придбав у нього для свого двору три, а в наступному році ще три інструменти його роботи. У 1747 році старий Й. С. Бах відвідав Фрідріха II, грав в його палаці на зільберманівских фортепіано, які цього разу йому сподобалися. Підбадьорений цим відкликанням Баха, Зільберман до кінця свого життя продовжував будувати інструменти, згодом заслужили також схвалення В. А. Моцарта.

Над подальшим удосконаленням та поширенням фортепіано пізніше багато працював один з племінників Г. Зільбермана - Йоганн Генріх (1727-1799), який жив останні роки життя в Страсбурзі. Його інструменти були особливо популярні й улюблені в Франції, зокрема в Парижі.

У той час, коли Зільберман працювали над удосконаленням криловидних фортепіано, один з їхніх співвітчизників, Христіан Ернст Фредеріці (1712-1779), побудував в 1745 році вертикальний інструмент, названий пірамідальним фортепіано. За формою і розташуванням струн і механізму інструмент нагадував клавіцітерій, він може вважатися прототипом сучасного піаніно.

Близько 1758 Фредеріці створив вдалу конструкцію чотирикутного столоподібного фортепіано (з видозміненим механізмом Шретера), зовні схожого на існуючі в той час клавікорди і верджінели. Ці інструменти, названі винахідником "Fortbien", отримали незабаром швидке поширення. Вони замінили клавікорди і малі форми оперених інструментів і протягом наступного століття високо цінувалися сучасниками. Можливо, що спотворення назви "Fortbien" дало найменування "фортепіано", вкорінене в російській побуті та літератури.

Вибухнула над Центральною Європою семирічна війна (1755-1762) завдала сильного збитку щойно почала розвиватися німецької, зокрема саксонської, фортепіанної промисловості. Ймовірно, в силу важких економічних умов того часу багато інструментальні майстра другої половини XVIII століття почали будувати і продавати дешеві молоточкові фортепіано спрощеної конструкції та малого обсягу, нагадують невеликі клавікорди. У багатьох випадках вони брали за основу і просто переробляли старі клавікорди, зберігаючи їх корпус, деку, струни і частково клавіатуру, ставлячи в них замість тангенту молоточковий механізм самої примітивної конструкції.

Два подібних інструменту є в московських колекціях музичних інструментів (в музеї Державного академічного Великого театру та в Центральному музеї музичної культури).

У пристрої механізмів перше фортепіано незабаром ж було виявлено дві системи: що штовхає і підкидають (Stoss і Prellmechanik), вони розрізняються способом передачі руху від клавіш до молоточком. Здебільшого інструменти післявоєнної епохи дуже недосконалі і представляють помітний крок назад порівняно з досягненнями Зільбермана і Фредеріці. Як вважав німецький інструментознавець д-р Курт Закс, примітивний підкидає механізм цих інструментів міг з'явитися прототипом пізнішої "віденської" механіки.

Виробництво перших фортепіано в Англії починає швидко розвиватися в першій половині XVIII століття. Фірмою, яка почала виготовляти фортепіано, слід вважати фабрику арпсіхордів Джекоба Кіркмена, засновану в 1720 році. Вже через кілька років вона почала випускати, поряд з арпсіхордами і вірджиналами, перші англійські фортепіано, в яких Кіркмен вживав механізм, схожий з механізмом Крістофорі (з цього можна зробити висновок, що стаття Маффі могла, незабаром після її опублікування в Італії, потрапити і до Англії ) [Додаток Б, 4].

Дванадцять років потому (1732) переселився в Англію швейцарець Буркарт Шуді заснував в Лондоні фабрику фортепіано. Спочатку він ввів в інструмент механізм Шретера, проте незабаром значно видозмінив останній і удосконалив під впливом механізму Крістофорі. Таким чином, поки на континенті Європи був тимчасовий застій і занепад виробництва нового інструменту, двома фабриками в Лондоні були зроблені значні успіхи в освоєнні та вдосконаленні фортепіано.

Велике пожвавлення в англійському фортепіанному будівництві почалося з 1760 року. Один з працювали на фабриці Шуді німецьких майстрів - Цумпе - організував самостійне підприємство і став будувати фортепіано німецької системи (можна з достатньою ймовірністю вважати, що до цього часу англійські фабрики все ж переважно займалися будівництвом арпсіхордов і що виготовлені ними фортепіано, мали грубо зроблені і важкі в процесі гри механізми, не користувалися великим успіхом у публіки. З появою ж німецьких інструментів, які мали легкими і рухомими механізмами, англійське виробництво змушене було ввести у себе ряд реформ і поліпшень. В останні десятиліття XVIII століття за порівняно короткий проміжок часу в Англії виникає ряд нових фабрик і вводяться значні поліпшення в конструкцію фортепіано. Так, в 1764 році з'являється вдосконалення, зроблене працювали в Лондоні голландським майстром Амерікусом Бекерсом. У такому вигляді інструмент незабаром набуває загального визнання і проникає в Європу під назвою "англійського механізму").

У 1762 році на фабрику Шуді вступає вправний майстер Джон Бродвуд, до якого після смерті Шуді (1773) переходить фабрика. Вона існує під фірмою Бродвуда і до теперішнього часу.

Важлива подія відбувається в Лондоні в 1767 році: з першої публічною демонстрацією фортепіано виступає один з синів Й. С. Баха - Йоганн Крістіан Бах, - жив у той час в Лондоні. Це дозволило широкій публіці дізнатися звукові якості та можливості нового інструмента і показало, що фортепіано може володіти достатньою потужністю для заповнення звуком навіть великих аудиторій. Інтерес до нового інструменту після концерту Й. К. Баха з боку публіки і музикантів сильно підвищився, що побічно вплинуло на введення в нього необхідних поліпшень і вдосконалень. З цього моменту новий інструмент отримав публічне визнання і широкі права громадянства. Їм почали займатися більше, ніж це було досі, коли в музичному побуті панували клавесин і клавікорд. Публічна демонстрація фортепіано кинула виклик старим клавішних інструментів. Проте перемога фортепіано над своїми попередниками далася йому не відразу і не легко. Минуло ще кілька десятиліть, перш ніж фортепіано витіснило їх і стало на довгі часи єдиним струнним клавішним інструментом. Про це буде сказано докладніше в подальших нарисах.

2.2 Горизонтальні фортепіано

фортепіано інструмент крістофорі піаніно

Але повернемося до виробництва фортепіано в Англії. У тому ж 1767 році в Лондоні грунтується (не як наслідок чи виступів Й. К. Баха?) Фортепіанна фабрика Лонгмен і Бродріп, в 1776 - фабрика Стодарта, а в наступному році - фабрика Роберта Уорнума. Всі вони швидко розширюють своє виробництво і до кінця XVIII століття річний тираж інструментів на них сягає величезної цифри.

Суттєве удосконалення механізму Крістофорі допускає точне регулювання удару і репетиції в англійському механізмі. Тому він знайшов широке застосування і до недавнього часу використовувався в недорогих і невеликих роялях, що відрізнялися простотою конструкції, невеликими габаритами, порівняльної дешевизною виготовлення і гарною витривалістю.

Мабуть, Англія була також першою країною, де застосували до фортепіано педалі в їх сучасному вигляді і дії. Близько 1770 року вони увійшли тут у загальне вживання. До цього демпферна система управлялася передвигании особливої рукоятки, як це можна бачити на одному маленькому столообразном фортепіано, що знаходиться в музеї "Останкіно" в Москві. Ще раніше (близько 1766 року) Вірбес застосував для управління ними більш зручні колінні важелі, на зразок тих, які є у сучасних гармоніум.

Хоча окремі спроби введення педальних важелів робилися в той час у багатьох країнах, перше систематичне застосування двох сучасних педалей (піано-і форте-педалей) було зроблено в 1783 році Бродвудом. Піано-педаль Бродвуд патентував в 1782 році. Двома роками раніше Адам Бейер винайшов конструкцію правої педалі. Одночасно з Бродвудом педальне пристрій стали застосовувати І. Г. Вагнер в Дрездені і С. Ерар в Парижі.

Тут доречно нагадати, що рукоятки для зрушування механізму в сторону ввів Крістофорі в свій інструмент 1726 року. Цей принцип був використаний згодом Бродвудом і віденським фортепіанним фабрикантом Штейном (1789).

Кількома роками пізніше (1794) Вільям Соутуелл винайшов сучасну систему, названу згодом "ірландської", і форму демпферних важелів і вперше застосував їх у англійських фортепіано.

Раз ми заговорили про демпферах - глушниках струн, - то слід сказати про них трохи докладніше. Ми бачили, що вже в механізмах Крістофорі і Шретера були застосовані такі пристосування, влаштовані і діяли по-різному. Представляючи в даний час обов'язкові частини механізму фортепіано, вони увійшли в загальне і обов'язкове вживання лише близько 1770 року. До цього часу багато хто з малих і примітивних фортепіано були позбавлені цих необхідних для усунення зайвого гулу пристроїв; вони стали позитивно необхідними в більш досконалих інструментах кінця XVIII століття і пізніше, з їх більш потужними і тривалими звуками в нижньому і середньому регістрах.

Розвиток демпферного механізму пішло за трьома напрямками, в результаті чого було створено три типи глушників. Перша система, винайдена Соутуеллом, застосовувалася спочатку виключно в Англії, а потім майже у всіх країнах. Вона має глушники у вигляді насаджених на дротові стерженьки важких головок, забезпечених на нижніх плоских сторонах м'якими повстяними подушечками, які в стані спокою лежать на струнах. Відходять від головок стерженьки проходять вниз між хорами струн до важелів "контрклавіатури", які піднімають задніми кінцями клавіш, при натисненні останніх, відводячи головки від струн. Для обмеження підйому глушників спершу поміщали над ними на всю ширину інструменту поперечну планку з м'якою оббивкою, подібно тому, як це робилося в клавесинах і спінет над стерженьками з пір'їнками. Пізніше цю планку стали поміщати під струнами, безпосередньо над важелями контрклавіатури.

Друга конструкція, введена на початку XIX століття Себастьеном Ерар і вживається переважно у Франції (бо звана французької системою), мала глушники під струнами рояля, до яких вони притискалися пружинками. При грі відповідні глушники відводилися клавішами донизу. Ця система в даний час майже зовсім вийшла з ужитку, як більш складна і незручна. Її істотним недоліком є швидке забруднення демпферних подушечок пилом, а також те, що нижні заглушають подушки і пов'язані з ним частини віднімають місце, необхідне для приміщення інших важливих деталей механізму.

Третя система поширилася спочатку в Німеччині та Австрії (так звана німецька). Конструкція її складалася з йде на всю ширину інструменту над струнами консольно-коробчатої балки, до якої на шарнірах або смужках пергаменту були прикріплені невеличкі планочки з м'якими подушечками на їх вільних кінцях, що лежать на струнах і служили демпферами. При грі ці планочки підштовхували знизу особливими стерженьками, відходимо від задніх кінців клавіш. Ця система спочатку широко застосовувалася, а згодом була майже зовсім забута. Її витіснила більш проста, зручна і надійна ірландська конструкція [Додаток Б, 3].

Відомим фортепіанним майстром після зільбермановской епохи був Йоганн Андреас Штейн (1728-1792). Працюючи деякий час учнем у майстерні Зільбермана, він освоїв мистецтво будівлі фортепіано. Переїхавши згодом в Аугсбург, він почав будувати інструменти самостійно. Штейн значно удосконалив механізм, що застосовувався Зільберманом. Він використовував принцип підкидання молотка і надав всьому пристрою своєрідний характер.

Як же влаштований і діє цей механізм? [Додаток Б., 4].

При натисканні на клавішу, гачковидний відросток молотка, зачеплений за щербину визволителя змушує довге плече молотка з головкою підскакувати вгору до струни. Весь механізм відрегульований таким чином, що дзьобик короткого плеча молотка вискакує з зазублини визволителя в той момент, коли головка молотка стосується струни. Після цього молоток падає вниз, даючи струні можливість коливатися і звучати. Таким чином, "підкидає" механізм Штейна вельми істотно відрізнявся від "штовхає" англійського. Його особливостями були простота пристрою і дуже легка гра в порівнянні з більш важким англійським механізмом. Однак він мав гіршій репетицією і меншою міцністю і довговічністю.

Крім оригінальної системи механізму, Штейн зробив ще багато інших винаходів і удосконалень в області фортепіанного будівництва. Наприклад, побудував (1758) подвійний рояль ("vis-a-vis"), який представляв комбінацію столовидного фортепіано і рояля в одному корпусі (обидва входили в цей інструмент фортепіано мали свої незалежні струни, механізми і резонансні деки); сконструював (1770) так звану "мелодику" (маленький рояль з флейтові регістром), а також "струнну гармоніку" (рояль з трихорними струнами, за якими молотки вдаряли лише при звичайній грі; при перекладі регістра механізм зсувається в бік і молотки вдаряли по одній струні, що надавало звукам своєрідний тембр, схожий з тембром спінет, бо третя струна називалася "спінет", ці інструменти один час дуже цінувалися).

Справа Штейна продовжували його діти: Андрій і Нанетт. Син заснував у Відні фортепіанну фабрику. Дочка була дуже майстерним фортепіанним майстром; в 1794 році вона вийшла заміж за Андрія Штрайхер (1761 - 1833), що мав фортепіанну фабрику у Відні. Інструменти фабрики Штрайхер, яку він згодом передав своєму синові, відрізнялися високими якостями і дуже цінувалися сучасниками.

Протягом багатьох десятиліть (приблизно до 1820 року) віденські майстри фортепіано вживали майже без зміни конструкцію механізму А. Штейна та А. Штрайхер. Останній дещо удосконалив механізм і ввів покращення в пристрій капсули і механізму звільнення молотка. У вдосконаленому вигляді "німецький", або "віденський" механізм, зображений на схемі, існував майже до початку цього століття [Додаток Д, 2].

Будівництво фортепіано в XVIII столітті у Франції ледь починало розвиватися. Батьком французької фортепіанної промисловості слід вважати ельзасця Себастьена Ерар, родом зі Страсбурга (1752-1831). Доля його не зовсім звичайна: залишившись сиротою, 16-річний юнак приїхав до Парижа і вступив на навчання до музично-інструментального майстра. Він швидко освоїв справу виробництва клавесинів і вже в тому ж році (1768) винайшов "clavecin mechanique", забезпечений двома резонансними деками і двома хорами струн, з яких один вкорочувався наполовину, даючи октавний обертон основного звуку. Майстер, побачивши, що молодий ельзасець перевершив його в мистецтві будівлі інструментів, через рік вигнав його з майстерні. Увійшовши незабаром в компанію зі своїм братом Жаном Батистом, Себастьен Ерар з 1776 року почав будувати прямокутні фортепіано старого зразка і так звані "організовані фортепіано" (piano organise), що представляли з'єднання фортепіано з невеликим позитивом (маленьким органом).

Після французької революції 1789 року Себастьєн Ерар, вигнаний постановою Конвенту з Парижа, переїхав до Лондона, де заснував свою другу фортепіанну фабрику (там же він в 1811 році винайшов арфу з подвійними педалями, що принесла йому світову славу і отримала застосування в симфонічних оркестрах всього світу) . У 1796 році він отримав можливість повернутися до Франції і продовжив розвиток своєї справи, відновивши виробництво фортепіано спочатку з англійської зразком, а пізніше ввівши в нього ряд істотних поліпшень і вдосконалень.

 

2.3 Різновиди французького, англійського, німецького фортепіано


Майже з самого своєї появи і в міру розповсюдження фортепіано вступило в змагання зі своїми попередниками - клавікордів і клавесином. Ця боротьба, як показує історія, була досить важкою і тривалою. Перш за все вона пояснювалася певними соціальними зрушеннями, естетичними тенденціями і змінами суспільних смаків.

Спочатку всі три роду інструментів співіснували як рівноправні. Це було можливо тому, що в перші десятиліття свого застосування фортепіано було ще недостатньо досконалим з ігрових і звуковим якостям і не давало грає особливих переваг перед вже досить вдосконаленими попередниками. Еволюція молоточкових клавірів в першу половину XVIII століття протікала досить повільно що в якійсь мірі було пов'язано з несприятливими політичними і військовими подіями в Західній Європі, що порушують економічний добробут центральних континентальних країн. І тільки в Англії, яка була трохи осторонь від бурхливих європейських подій, фортепіано могло досягти трохи більшого досконалості. Безсумнівно, що введення поліпшень в конструкцію інструменту диктувалося в першу чергу все більшими вимогами деяких виконавців (зокрема Й. К. Баха), а також розвитком гомофонной інструментальної музики.

В останні десятиліття XVIII століття роль і участь клавікордів і оперених інструментів в європейській музиці починають поступово скорочуватися, вони вже не можуть успішно конкурувати з новим набирає дедалі більше виразних можливостей інструментом і починають поступово поступатися йому своє досі першенствувала положення.

Не можна так просто пояснювати події, як це робить Мармонтель, кидаючи красиву фразу, що "майже все XVIII століття проходить під знаком запеклої боротьби царственого клавесина проти захоплюючої демократії фортепіано". Причини тут лежать не в "царственості" і не в "демократизм". Адже фортепіано в ті часи варто було настільки ж дорого, як і хороший клавесин, отже, воно не могло з'явитися масовим інструментом. Цю роль брали на себе переважно скромні клавікорди.

Насправді, однією з основних причин, що вплинули на долю старих струнних клавішних інструментів, було те, що епоха виникнення і розвитку фортепіано збіглася з тим часом, коли ліквідація та згасання (в усякому разі, скорочення випадків застосування, ролі і значення) поліфонії інструментального стилю стало доконаним фактом. Значною мірою цьому сприяли твори французьких клавесиніст, що показали музичному світові, що засобами гомофонно можливе створення творів, набагато більш підходящих до властивостей і специфіці клавирной музики, ніж цього можна досягти поліфонічними способами, які органічні і специфічні не стільки для інструментальної, скільки для органної та вокальної музики. Крім того, фортепіано явило своїми виразними засобами нові, досі ще не відомі можливості, а це якраз рішуче вплинуло на його висунення в ряду сучасних йому клавішних інструментів. Правда, специфічні можливості фортепіано були розкриті і реалізовані не відразу.

Йосип Гайдн (1732-1809) присвятив фортепіано порівняно невелику частину своїх творів. У їх числі сонати, варіації і фортепіанні концерти.

Вольфганг Амадей Моцарт (1756-1791) - видатний виконавець на клавірі і творець безлічі прекрасних творів для фортепіано. Клавікорди і клавесин для нього є вже інструментами минулого, хоча він іноді і грає на них. Він вже не пише для них спеціально, як це робили композитори першої половини XVIII століття.

Людвіг ван Бетховен (1770-1827) не звертає майже ніякої уваги на старовинні форми клавірів, хоча і цінує, як видно з деяких його висловлювань, якість звуків клавікорда і його ніжну виразність. Клавіцімбалом він користується іноді в першій половині свого творчого шляху, на що вказують позначки в його творах до 1802 року: "для клавіцімбала чи фортепіано". У пізніший період своєї творчості Бетховен звертається до молоточкової фортепіано, і коли він створює грандіозну, найглибшу за змістом сонату B-dur, op. 106, в заголовку її вказує, що вона призначається для "молоточкового клавіру".

Цікаво навести тут свідчення сучасника Бетховена - композитора і письменника про музику Йоганна Фрідріха Рейхардта (1752-1814). Ще в 1809 році він писав у своєму Віденському дорожній звіті, що "Штрайхер випускає інструменти, що мають м'якість і легкозвучність, відкакуючі і котящі клавіші, і що за порадою Бетховена і на його прохання його інструменти дають більш витриманий і пластичний звук, щоб віртуоз, який грає з силою і значущістю, міг краще володіти інструментом і висловлювати на ньому стриманість і терпіння. Штрайхер тому надав своїм інструментам більш значний і мужній характер, так що вони більше в змозі задовольнити того віртуоза, який шукає в грі не тільки одного блиску ".

З висловлювань Рейхардта ясно, що вимоги Бетховена до нового інструменту повинні були безсумнівно спонукати фортепіанних майстрів того часу, до розширення звукових та ігрових можливостей фортепіано. Відомо, що Бродвуд зробив спеціально для композитора рояль із збільшеним числом струн (чотири струни в хорі, замість трьох), щоб підвищити потужність його звуку, як цього вимагало все більш еволюціонувало творчість великого майстра.

Важливий внесок у справу утвердження фортепіано зробив і Муціо Клементі (1752-1832). Обдарований виконавець, Клементі сильно розвиває віртуозну бік гри на фортепіано, вказуючи на багатство можливостей інструменту.

Нові віяння намічаються і зріють в камерній музиці за участю клавіру. Наприкінці XVIII століття збагачується новими інструментами і оркестр. Зі зміною складу інструментів і фактури оркестрового письма поступово відпадає необхідність "бассо континуо". Ударний характер звуків фортепіано мало підходить для виконання ним таких партій. Наближається пора музичного романтизму, з властивим останньому значним розширенням виразних засобів і способів виконання. Окремі твори, наприклад соната Es-dur, op. 81-а Бетховена, багато ранні твори учня Клементі - Джона Фільда (1782-1837) - і інших, починають вводити музику в цей напрямок.

Клавесину в цьому відношенні було приділено менше уваги. Він був улюбленим інструментом французького (за ним та інших) аристократичного салону. На початку XVIII століття його цінували і вважали тут досить досконалим. Що ж стосується незабаром з'явився фортепіано, то воно зустріло масу супротивників у середовищі тих же аристократичних кіл. Його довгий час не визнавали, вважали недосконалим (і це було цілком справедливим, оскільки фортепіано першої половини XVIII століття тільки ще починало своє існування і, звичайно, потребувало технічне і звуковому розвитку) грубим інструментом, непридатним для передачі витонченою і тонкою музики стилю рококо . Вольтер, вихований у дусі витонченого мистецтва того часу, не побачив у фортепіано нічого цінного і не знайшов нічого кращого, як назвати його "винаходом кастрюльника".

Однак на захист клавесина не виступали так переконливо, як на захист клавікорда. Звуки клавесина, кілька холодні і блискучі, не задовольняли сентименталістів, і тому вони менше цінували його. Музично-інструментальні майстри, бачачи, що фортепіано стає все більш популярним, намагалися допомогти збереженню клавесинів і клавікорди в музичній практиці. Вони винаходили і будували комбіновані клавішні інструменти, що представляють поєднання клавесина з фортепіано. Один час майстри вважали, що така форма комбінованого музичного інструменту дозволить довше зберегти у вживанні відживаючих попередників фортепіано. Так, наприклад, Андрій Штейн (1758), Себастьєн Ерар (1770), І. Мерлін (1774), Стодарт (1777), Девіс і Гейб (1792), Шлегель (1794) та багато інших намагалися більш-менш дотепно поєднати в одному корпусі обидва інструменти. Тим не менш, ніякі хитрощі і вигадки майстрів того часу не могли перешкодити фортепіано прокладати собі шляхи в розвивалася музиці, і не могли затримати отживання клавесина і його різновидів, близько 1800 року поступилися своє місце переможно простувала молоточкової фортепіано. Двадцятьма роками пізніше вийшов з ужитку і клавікорд. Починалася нова епоха клавірної музики ...

Багатющі можливості інструменту-переможця відкрили перед сучасниками два великих піаніста і композитора фортепіанної музики. Перший з них - Фредерік Шопен (1810-1849) - вводить своїх музичних сучасників в абсолютно новий світ. Чув його гру англійський критик Гунекер пише: "переломлюються акорди застосовували іноді і Гуммель і Мошелес, але щоб взяти розпилену гармонію і перетворити її в епічний етюд, а децімовие акорди підняти до заходів героїчного - це міг виконати тільки Шопен". Вводячи в свої твори широко розгорнутий гармонійний акомпанемент, в постатях якого він, безперечно, вгадував і відчував акустичну натуральну гаму, Шопен вимагав від фортепіано добре вирівняного, повного і співучого звуку. У той же час у своїх віртуозних і великих творах він дав небачений до нього розмах і експресію, виражені специфічними фортепіанними засобами. Всі ці особливості його творчості передбачали ті якості фортепіанного звуку і механізми, які були досягнуті лише після його смерті, у другій половині XIX століття. За свідченням Гезіка, "почувши гру Шопена, Аркуш відразу зрозумів, що перед ним нові горизонти фортепіанної музики, що необхідно йти по слідах цього молодого поляка, бо він звіщає майбутнє фортепіано як у прийомах гри, так і в композиції".

Ференц Ліст (1811-1886) повів мистецтво фортепіанної гри з абсолютно новим творчим шляхом. Він сприймав значний вплив на розвиток і вдосконалення сучасних йому форм і конструкцій фортепіано.

Граючи зараз на удосконалених і слухняно піддаються будь-яким ігровим вимогам сучасних концертних роялях, ми повинні врахувати те, що 100-200 років тому піаністам ще не уявлялося таких потужних і різноманітних засобів для реалізації їх творчих намірів. Безсумнівно, що геніальна знахідка Себастьена Ерар, разом з іншими доповнивши її удосконаленнями, побічно була викликана до життя грою видатного піаніста XIX століття.

До кінця життя Ліста мистецтво віртуозного фортепіанного виконання, а також звукові та ігрові якості фортепіано, мабуть, досягли закінченості свого розвитку, і з тих пір ми спостерігаємо певну рівновагу, усталене між цими двома супутніми один одному факторами.

РОЗДІЛ 3. РЕФОРМУВАННЯ ФОРТЕПІАНО В ХІХ СТ.


Настало ХІХ століття. Фортепіано розкрило нечувані в попередні століття можливості управління гучністю клавірного звуку. Слідом за "лондонським Бахом", першим зважився демонструвати фортепіано з концертної естради, з'являються блискучі віртуози на цьому інструменті. Починає формуватися нова фактура клавірних творів, виникає і новий стиль виконання. Але що ж могло уявити композиторам і виконавцям початку XIX століття то фортепіано, яке прийшло з XVIII століття?

Природно, що піаністам того часу насамперед хотілося витягувати з інструментів більше звуку взагалі, і більш опуклі динамічні нюанси зокрема. Хотілося їм мати в інструментах і більш соковитий, повний та м'який тон, замість не задовольняв їх рідкого і порівняно слабкого звуку з дзвінким, "дротяним" тембром.

Розвивається віртуозність, швидкість у дрібній ігровий техніці вимагали доведення рухливості та чутливості механізму фортепіано до максимальних можливостей. Нарешті, природно бажанням всіх користувалися новим інструментом було те, щоб інструмент зберігав на тривалий термін налаштування його струн, якість звуку, легкість і рухливість ігрового механізму. Всі ці вимоги, поставлені перед фортепіано, ставилися, перш за все, до його майстрам, конструкторам і фабрикантів. Бажання музикантів і виконавців у ті часи явно набагато випереджали ті технічні можливості вдосконалення фортепіано, які існували на рубежі XVIII-XIX століть.

Ще в кінці попереднього сторіччя, виготовляючи фортепіано різних форм і величин, майстри помітили, що з цими факторами пов'язана сила звуку, яку здатний давати інструмент. Це залежало безпосередньо від довжини і маси струн, а також від форми корпусу і площі резонансної деки, яка випромінювала звуки, що видаються струнами.

Якщо струни були довшими і товстими, сила і якість звуку помітно поліпшувалися. Напрошувався природний висновок: щоб поліпшити і посилити звук фортепіано, треба натягувати на нього більш товсті і довгі струни. Але як примирити цю вимогу з дерев'яною конструкцією корпусу інструмента? І ось, незабаром настав такий момент, коли ця конструкція не могла більше витримувати натяг струн, у зв'язку із збільшенням їх товщини і довжини. Сильно натягнуті струни починали виривати з дерева вбиті в нього штифти, на які вони були одягнені своїми кінцями. Загальна сила натягу струн прагнула зблизити передню і задню боку фортепіано, викликала їх вигини, викривлення (деформації) бічних зв'язків корпусу і сильно знижувала здатність інструментів тримати скільки-небудь тривалий час доданий їм лад. Метал (струни) в своєму сумарному натягу перемагав обмежену міцність дерева (корпусу). Що ж залишалося робити? Не протиставити чи метал металу?

Такий вихід незабаром було знайдено. Вже в 1799 році лондонський майстер Дж. Сміт пробував ставити залізні розпірки в корпусі фортепіано, між задньою і передньою частиною інструменту. З 1816 року починаються систематичні досліди введення металевих елементів у конструкцію корпусу фортепіано. Спершу стали застосовувати залізні розпірки (дві або більше двох) між задньою пластиною, до якої прикріплюються задні кінці струн, і колковой дошкою. Крім того, саму задню пластину стали робити залізниці. Такий пристрій дозволило дещо посилити натяг струн, але тільки до певної межі.

Кілька років по тому (1819) Конрад Мейер з Балтімора (США) винайшов чавунну раму для фортепіано, що мала значно більшу міцність, ніж конструкція з розпірками. У наступному році чавунна рама, відлита з одного шматка, була запропонована також Дж. Томом і В. Алленом; в 1822 році Себастьєн Ерар патентував застосування системи з дев'яти залізних розпірок в роялях, а в 1825 році Алфей Бабкок в Бостоні патентував застосування цільних литих чавунних рам для фортепіано. У 1832 році згаданий вище Конрад Мейер удосконалив раму для фортепіано і з наступного року почав випускати відповідним чином побудовані інструменти. У 1837 році Ионас Чікерінг в Бостоні застосував чавунні рами нової поліпшеної конструкції, пізніше (1840) забезпечивши їх звуковими віддушинами по задньому краю.

З цього часу чавунні рами стали входити в поступове вживання, хоча в перший час (приблизно до 1855 року) вони зустрічали ще протидію і заперечення з боку багатьох фортепіанних фабрикантів. Особливо сильними супротивниками застосування чавунних рам були нью-йоркські фабриканти. Опозиція до введення чавунних рам в конструкцію фортепіано пояснювалася тим, що спочатку рами були дуже недосконалими і недоброякісними; грубе і зернисте чавунне лиття відрізнялося надзвичайної крихкістю і часто уривався при експлуатації інструментів. Це змушувало робити більш масивні і важкі рами, що не тільки збільшувало вага інструментів, але і несприятливо відбивалося на якості їх звуку. Тільки згодом, у 1850-х роках, вдалося конструювання досить легких і водночас міцних чавунних рам (успіхи металургії і ливарної справи дозволили підвищити якості чавуну: лиття стало дрібнозернистим, досить в'язким, однорідним і менш крихким). Це дозволило збільшити натяжку струн. Високому натягу струн сприяло і те, що з 1812 року німецький фабрикант Крупп випустив струни холодної протяжки з тигельній сталі, значно перевершили по міцності і пружності раніше застосовувалися залізні струни.

Яка ж була спільна сила натягу струн в фортепіано і як вона змінювалася з часом?

У роялях віденської фабрики Вахтль і Блейер в 1811 році вона доходила до 4500 кг; в інструментах лондонського фабриканта Стодарта в 1824 році - до 5900 кг; в середині XIX століття деякі фабрики застосовували натяг струн до 14 тонн, а до кінця сторіччя - вже до 18 тонн. Таким чином, за століття сила натягу струн в інструментах зросла приблизно в чотири рази.

Збільшення сили натягу струн, у зв'язку із застосуванням більш товстих діаметрів струн і сталевого дроту, дозволило досягти більш повного і потужного звуку. Крім того, цьому ж сприяло потовщення резонансної деки з 5-6 мм на початку століття, до 9-11 мм в кінці його. Справді, тонка дека вже не могла зберігати належну міцність і стійкість, коли на неї стали ставити струни з сильно збільшеним натягом. Відому роль зіграло також звільнення корпусу і дерев'яних частин інструменту від того напруження, яке було неминуче в інструментах старих конструкцій, без металевих рам; це дозволило дерев'яним частинам інструментів вільніше резонувати на коливання струн.

Ось які були технічні наслідки задоволення конструкторами фортепіано першої вимоги музикантів - поліпшення сили і повноти тону інструментів [Додаток С., 1].

Прагнення можливо раціональніше використовувати простір усередині інструменту (щоб виграти в довжині та потужності струн), а також прагнення не робити корпусу роялів занадто вузькими і довгими (тим самим збільшити площу резонансної деки і підвищити її випромінюючу здатність) спонукало Бабкок в 1830 році створити конструкцію перехрещення струн , в якій 2 - 2,5 нижні октави басового регістра інструменту мають струни, що йдуть у напрямку до правого заднього кутку рояля, при цьому вони проходять над струнами середнього регістру. Останні також йдуть косо і кілька веерообразно, відхиляючись своїми задніми кінцями до заднього лівого кута рояля, під басовими струнами. Таким чином, вийшла можливість трохи продовжити як басові струни, так і нижні струни середнього регістру, зберігаючи ту ж загальну довжину корпусу рояля. Подовження струн дало можливість збільшити їх діаметри і посилити натяг, що мало наслідком збільшення сили їх звуку. Крім того, через деяке розширення хвостової частини рояля, вдалося значно збільшити площу резонансної деки і розташувати Штег на неї в більш вигідному становищі, видаливши їх від країв деки, що є взагалі мертвою зоною, невигідною для випромінювання звуку. Це пристрій, сприятливо вплинуло на поліпшення якості звуку роялів, згодом було покращено Стейнвеем та іншими американськими фабрикантами. У другій половині XIX століття його почали поступово освоювати і застосовувати європейські фабрики роялів. Однак ще довгий час, майже до кінця століття, деякі фабриканти, поряд з перехресно-струнними інструментами, продовжували будувати роялі прямого розташуванням струн, як більш прості за конструкцією, тому й дешевші.

У прагненні поліпшити якість звуку інструментів і пом'якшити його тембр, а разом з тим забезпечити збереження його на якомога триваліший час, довелося провести чимало досліджень і дослідів. Спосіб обтягування головок фортепіанних молотків лосиної шкірою (введений ще Крістофорі і Зільберманом) мав той недолік, що матеріал досить швидко зношувався від ударів по струнах і втрачав свої первісні якості. Шкіра ущільнювалася і ставала твердою в точках дотику зі струнами, а звук набував жорсткий, дзвінкий і стукали характер. Цей недолік шкіряного обтягування головок молотків особливо став відчуватися, коли зміна потужності струнної одягу інструментів призвело до посилення звуку фортепіано.

У 1806 році американець Джон Антес опублікував результати своїх дослідів над пошуком нових матеріалів для обтягування головок фортепіанних молотків. Найкращі звукові результати в той час дало йому застосування трута (деревного гриба). Матеріал, володіючи великою пружністю, давав дуже хороший, порівняно з шкіряними молотками, звук при ударі і міг служити без заміни близько п'яти років. Однак саме ця коротка тривалість служби молотків не могла задовольнити споживачів, і вишукування нових матеріалів тривали. Тільки через 20 років був знайдений відповідний матеріал для обтягування головок молотків - спеціально ущільнений і пресований повсть, запропонований паризьким фабрикантом Папе (1789-1875). Міцність і сталість повсті виявилися найвищими, і спосіб обтягування їм головок молотків був поступово прийнятий у всьому світі, зберігшись до наших днів, як би на багато років отримання найкращих якостей звуку фортепіано.

Іншою вимогою музикантів до нового інструменту була рухливість ігрового механізму. Розроблені в XVIII столітті системи англійської та віденського механізмів не могли задовольняти зрослу техніку фортепіанної гри. Головним їх недоліком ігровим було те, що для повторення удару по струнах необхідно було звільнення клавіші від попереднього натискання (щоб повторити удар, виконавець повинен був підняти палець з клавіші принаймні на глибину її ходу, на сантиметр і більше). Але це далеко не завжди можливо було виконати у швидкій грі. Крім того, необхідність високого підйому пальців тягла за собою витрату зайвої енергії для здійснення цих неефективних, неігрових рухів.

У 1823 році Себастьєн Ерар вперше експонував на Паризькій виставці рояль, який мав механізм з подвійним ходом (a double echappement, 1821) або, як його пізніше стали називати, з подвійною репетицією. У цій системі якраз було досягнуто те, що повторення удару на одній клавіші стало можливим при підйомі пальця тільки на половину ходу клавіші, без відриву його від останньої. Вже не потрібно застосовувати для гри підйомні руху великого розмаху, а сама чутливість клавіатури і механізму до швидких рухів помітно збільшилася. Зручності гри від цього суттєво підвищилися.

Механізм Ерар за своїм устроєм і дії істотно відрізнявся від раніше застосовувалися систем англійської та німецької механізмів, а тому заслуговує більш докладного опису. На малюнку цей механізм показаний в стані спокою [Додаток С., 2].

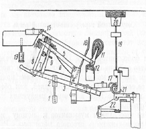
Конструкція механізму діє таким чином: задній кінець клавіші, за допомогою сполученого з нею абстракту (1) піднімає хитний в капсулі (2) нижній основний важіль (3), що підтримує передавальний механізм. На цьому важелі укріплений дерев'яний капсуль (4), в якому гойдається репетиційний важіль (5), підтримуваний знизу репетиційної пружиною (6). На вільному кінці репетиційного важеля є наскрізний проріз. Через нього проходить середня стійка (7) нижнього важеля з гачком, що обмежують підйом репетиційного важеля, а також кінець вертикального відростка Г-подібного шпілера (8). Шпілер гойдається на осі, розміщеної у вилці переднього кінця нижнього важеля механізму. Гвинт (9) з м'якою голівкою служить для установки правильного положення шпілера під шультерним барабанчик (10), обклеєним замшею і укріпленим на стержні молотка, поблизу точки його хитання в капсулі. Головка молотка (11) лежить на м'якій подушці опорного бруска або рулейстіка (12).

При натисканні клавіші абстракт (1) і вся система важелів (3, 5 і 7) піднімається, причому шпілер (8) підштовхує шультерний барабанчик (10) і молоток (11) до струни. Однак трохи раніше удару молотка по струні горизонтальний відросток шпілера зустрічає кнопку визволителя - ауслезера (13), яка повертає його навколо осі й виводить його верхній кінець з-під шультерного барабанчика (10). Не маючи більше опори на шпілер, молоток, ударивши по струні і падаючи назад, лягає шультерним барабанчик на репетиційний важіль (5), який, силою стиснення репетиційної пружини (6), врівноважує його в проміжному положенні. Воно визначається зіткненням шкіряної наклейки (14) на кінці важеля репетиційного з Т-подібним гвинтом (15), угвинченим в гаммерштіль поблизу точки його хитання. У той же час дротяний фенгер (16), що входить у вікно, прорізане в гаммерштіле, гальмує падіння головки молотка і зупиняє його приблизно на одній третині відстані від струни. При невеликому звільнення клавіші від натискання важіль (3) разом з шпілером (8) злегка опуститься; в той же час репетиційний важіль (5) дією пружини (6) підтримає молоток на колишньому проміжному рівні, що дасть можливість верхнього кінця шпілера знову підійти під шультерний барабанчик (10). Це призведе механізм знову в робочий стан, готове до повторення удару. Повторне натискання клавіші викликає повторення удару молотка по струні, що може бути зроблено будь-яке число разів. Одночасно з дією механізму, задній кінець клавіші з гачком (17) відтягує вниз капсулу контрклавіатури (18) разом зі стрижнем (19) і головкою демпфера (20), звільняючи струну для коливання. При звільненні клавіші важіль (21), віджимається вгору пружиною (22), поверне демпфер у вихідне положення, припиняючи коливання струни.

Бездоганно діючий механізм Ерар викликав багато наслідувань і удосконалень. Деяка складність первісної конструкції, процесу її виготовлення, регулювання і налагодження були негативною стороною цієї системи. Природно, що всі системи репетиційних механізмів, запропоновані пізніше, представляють, по суті, лише видозміни і розвиток первісного механізму Ерар. Вони спрощують і здешевлюють способи виготовлення окремих деталей. Завдяки нововведенням полегшилося і уточнення способів регулювання, збільшилася пружність і гнучкість репетиційної пружини, зменшилася тертя між шпілером і шультерним барабанчик молотка.

, коли механізм Ерар був продемонстрував широким колам музикантів та інструментальних майстрів, можна вважати важливим етапом в будівництві роялів, що відокремлює минуле, з його простими, малорухомими та інертними механізмами, від точних і чутливих механізмів нашого часу.

Протягом першої половини XIX століття було зроблено декілька спроб винаходу рояльних механізмів, що ударяють по струнах зверху, тобто діють як би в наслідування тим "пантолонам" (Панталеон), які свого часу навели К. Г. Шретера на думку про винахід молоточкового механізму . Застосуванням таких систем майстра хотіли поліпшити звукові якості інструментів, направляючи удари назустріч резонансної деки. Ці очікування почасти справдилися, однак влаштування таких механізмів було досить складним, дія - часто примхливим, а незручності при налаштуванні інструментів настільки великі, що змусили залишити подібні спроби, тим більше що винахід С. Ерар в 1809 році Горпино і введення його племінником П. Ерар в 1838 році так званого каподастра істотно поліпшило тон інструментів, особливо в дискантові регістри. Це дозволило обмежитися застосуванням механізмів з молотками, що вдаряє по струнах знизу, як більш зручних по конструкціях і дії.

Особливий тип репетиційного рояльного механізму був сконструйований (1856) відомим Лейпцизьким фабрикантом Юлієм Блютнер. Йому вдалося досягти такої ж чутливості, яка була в механізмах типу Ерар і його послідовників, але більш простими засобами [Додаток С., 3].

Пристрій і дія цього механізму наступне: задній кінець клавіші (1) несе на собі місток (2), піджаттям гвинтів регулює положення Г-подібного шпілера (3), підходить під зубець на тілі абстракту (4), сполученого рухомо з основою гаммерштіля (5 ). У нижній кінець абстракту вставлений сталевий стрижень, вільно входить в отвір містка (2). У верхню частину абстракту впрессована пружина, що закінчується кнопкою, або "мушкою" (6), підходящою до вертикального відростку шпілера (3), а в найближчий до клапана рояля кінець містка щільно впресована сталева Г-подібна репетиційна пружина (7). Кінець її горизонтального плеча введений в обклеєне сукном отвір у нижній частині абстракту (4). Крім того, механізм має пружинку (8) для відведення на місце шпілера. Визволитель і фенгер - нормального типу. При натисканні на клавішу шпілер (3), підштовхуючи зубець абстракту (4), підкидає молоток до струни. Після звільнення молоток з абстрактом падає, згинаючи і напружуючи репетиційну пружину (7), а стрижень абстракту занурюється в отвір в містку (2). У той же час "мушка" (6) входить в зіткнення з похилою площиною верхнього кінця шпілера і тисне на неї. При частковому звільнення клавіші репетиційна пружина (7) продовжує підтримувати абстракт (4) і молоток на проміжній висоті, даючи можливість верхнього кінця шпілера під тиском "мушки" і пружини (8) знову підійти під зубець абстракту (4). Тоді механізм приходить в робоче положення і стає здатним до повторення удару молотка по струні.

Свій механізм Блютнер ставив в роялі на продовженні півстоліття і придбав велику любов і популярність серед піаністів, котрі цінували його за м'якість і чутливість у дії. Істотним недоліком його, порівняно з механізмами типу Ерар та інших майстрів, була відсутність пристосувань для точного регулювання напруги репетиційної пружини, що ускладнювало роботу майстрів при його налагодженні. Це і зумовило порівняльну недовговічність застосування його на практиці.

Інша, дуже просте вирішення проблеми надання молоточкового механізму великий чутливості і репетиційних властивостей запропонував в 1878 році англійський майстер Джон Брінсмід. Наводимо рояльний механізм його системи [Додаток С., 4].

Оригінальна форма і розташування шпілерної пружини (4), одночасно виконує функції відведення шпілера (1) і через зв'язок за допомогою шнурочної петлі (6) з нижнім кінцем шультера молотка (5) дають високий репетиційний ефект. Це пристрій повідомило англійської рояльним механізму майже таку ж чутливість, яка властива механізмам типу Ерар.

Посилення натягу струн спричинило, крім введення металевих конструкцій, необхідність збільшення фортеці корпусу інструментів і потовщень резонансної деки. Для досягнення більшої стійкості дерев'яного корпусу (Футори), що служить опорою важкої чавунної рами, в останній чверті XIX століття застосовувалися (переважно в Америці) гнуті бокові стінки корпусів з декількох тонких кленових, дубових або букових дощок, розм'якшується на парі і потім склеюваних в 6 - 10 шарів по шаблону в особливих пресах. При цьому напрям шарів у дошках підбиралося таким чином, що вони йшли поперек один одному в сусідніх шарах. Висушена при підвищеній температурі в паровій сушарці, корпус отримував незмінну форму, надзвичайну жорсткість, міцність і пружність конструкції. Ці якості значно посилило застосування радіально або веерообразно йдуть розпірок (шпрейцов) всередині такої цельногнуті рами. Завдяки такому пристрою, чавунна рама отримала дуже міцну основу, що збільшило її опірність зовнішнім впливам і стійкість настройки інструменту. Зміна пристрою одних частин інструменту тягло за собою зміни й в інших його вузлах і деталях. Піддатися посилення неминуче повинна була і колковой дошка, або вірбельбанк.

У дерев'яних конструкціях минулого порівняно тонка і недостатньо міцна колковой дошка фортепіано не могла витримувати збільшився натягу струн. Її починало коробить, а ті порівняно тонкі колки для натяжки струн, які ставилися в старих інструментах, стали згинатися і виходити зі своїх отворів, так як струни їх поступово витягали звідти. З розвитком і поліпшенням конструкції чавунної рами колкову дошку в передній частині рами стали укладати в рамки, а пізніше прикривати зверху платівкою з металу, званої "панциром". Колкову дошку почали робити багатошарової конструкції, склеюючи 3-5 платівок добірного кленового або букового дерева, шарами і напрямком волокон наперехрест; такий пристрій додало їй більшу міцність і внутрішню в'язкість, завдяки чому вбиті в неї колки тримаються в ній надзвичайно міцно і з значним тертям, а панцир па ній запобігає розхитування кілків в сторони при настроюванні інструмента.

Точно так само і резонансна дека, відповідно до потовщенням струн і збільшенням сили натягу, безперервно потовщується і зміцнювалася впродовж усього століття. Нижня поверхня деки отримала потужне і суттєве посилення і зміцнення поруч поперечних ребер, або ріпок, зроблених з резонансної ж деревини, а також забезпечувалася іноді й додатковими перекладинами.

Можна сміливо сказати, що ніколи по відношенню до будь-якої частини фортепіано не застосовувалося протягом минулого століття стільки старань її удосконалити, як до резонансної деки. Це цілком зрозуміло, якщо врахувати, яку важливу роль в освіті та посилення фортепіанного звуку грає добре побудована резонансна дека. У пошуках поліпшення останньої було проявлено чимало праці та дотепності, і кожен фортепіанний майстер і фабрикант намагався застосувати свій досвід і пізнання до створення найкращої конструкції резонансної деки. Були тут і безсумнівні успіхи, але були і дивні пропозиції, які зараз ми можемо віднести до категорії технічних курйозів і безглуздостей. Пропонували, наприклад, залізні, шкіряні і навіть паперові деки, забезпечували їх додатковими, нібито резонуючими, частинами, робили подвійні деки тощо. Всі такі хитрощі в більшості випадків приводили до погіршення якості звуку інструментів.

Зрештою більшість фабрикантів і майстрів зупинилося на застосуванні досить товстих і міцних одиночних ялинових або ялицевих грудня зі злегка сводообразним профілем, певною мірою навантажених через Штег тиском струн в напрямку, перпендикулярному довжині останніх. Це дало поки найкращі результати.

Позитивну роль для поліпшення якості та потужності звуку дало та усунення нижнього дна під корпусом роялів, запропоноване в 1820-х роках Штрайхер.

У прагненні збагатити тембр інструментів, особливо в верхньому регістрі (де тембр взагалі відрізняється деякою сухістю і звук швидко затухає), було зроблено кілька важливих удосконалень, заснованих на використанні резонансу неударних струн або їх бездіяльних частин. Першою спробою поліпшити звук таким способом було використання лондонським фабрикантом Коллард решт струн, що лежать за Штег і зазвичай заглушуваний переплетенням між ними смужки сукна. У 1822 році Коллард вирішив звільнити ці кінці для коливань, поставивши додаткову підставку, що відокремлює точно відміряні кратні частини струн для того, щоб вони резонували на певні обертони. Досвід виявився вдалим і повів за собою ряд подібних винаходів у цій галузі, як наприклад "дисконтний дзвіночок" Стейнвея - пристрій, в якому використовуються для резонансу відрізки струн як за Штег, так і попереду - перед каподастром. Для звуків середніх октав вони дають співзвуччя в октаву, а для вищих - співзвуччя в терцію, квінту і унісон.

Крім двох педалей (за допомогою яких відбувалося підняття системи демпферів і зрушення клавіатури і механізму в сторону), XVII-XVIII століття привнесли в XIX століття як спадщина смаків і традицій клавесинного минулого, так і численні і різноманітні пристосування. Ці пристосування змінювали характер звуку фортепіано, який імітував звуки арфи, лютні, барабана, дзвіночків, трикутника та інших інструментів. Ці хитрощі особливо широко застосовувалися віденськими фабриками фортепіано на межі XVIII-XIX століть і були розраховані на задоволення нерозвинених смаків дилетантів і вимоги порожній, блискучою віртуозності. Серйозного художнього значення такі пристосування не мали і поступово зникли до середини XIX століття. Захоплення віртуозністю гри і гонитва за дешевими ефектами, у свій час процвітали на початку століття, під впливом більш глибокого і змістовного творчості романтиків, які розкрили краси чистого та природного фортепіанного звуку, стало поступово проходити, а разом з ним зникли і всілякі Harfen-, Lauten-, Trommein-і тому подібні регістри.

До другої половини століття в обов'язковому вживанні залишилися тільки дві сучасні педалі фортепіано. Деякі конструктори робили спроби введення особливо діючих педалей, що затримують тони в окремих октавах (наприклад, "piano scande" Ленца і Гудара в Парижі (1853) і "Kunst-pedal" Цахарія (1871), але вони виявилися незручними в користуванні і успіху не мали .

З педалей особливого роду, що мають деяке практичне значення і що збереглися в користуванні до нашого часу, слід згадати "затримує педаль" (sustaining pedal, sostenuto). Вона була запропонована марсельським майстром Буассело в 1844 році і паризьким майстром Монтале в 1862 році. Педаль діє подібно правої педалі, але лише на демпфери тих клавіш, які були підняті до її натискання. На демпфери ж, піднялися одночасно з її натисканням або ж після нього, вона не робить ніякого впливу. Завдяки цій педалі піаніст отримує можливість затримувати і виділяти з маси тонів будь-які звуки і їх групи, що дозволяє досягати різноманітних звукових ефектів і в багатьох випадках очистити педалізації піаніста, зробити її гармонійно більш правильною.

Наведені нижче приклади з фортепіанної літератури початку XIX століття показують, що ще задовго до винаходу "затримує" педалі композитори як би передбачали необхідність її застосування. Раніше виконавець часто стикався з дилемою: або витримувати за допомогою правої педалі триває ноту в пісні або в басу, допускаючи гармонійну бруд від змішання різних акордів в середніх голосах, або (якщо правильно педалізувати проходять акорди) обривати триває звук мелодії або "педальний" бас.

Ми знаходимо це в адажіо сонати Бетховена ор. 31. № 2.

В прелюдії ор. 28 № 17 Шопена (з такту 64 і до кінця), де композитором дан органний пункт на ля-бемоль, завершальний прелюдію уривок може бути виконаний гармонійно чисто тільки в тому випадку, якщо цей "органний пункт" буде затриманий третій педаллю, а на акордах і обрамлює їх зверху мелодії буде проведена незалежна педалізація правою педаллю.

У експромті ор. 36 Шопена (такти 30-37) органний пункт на cis може бути здійснений також тільки за допомогою затримує педалі.

У композиторів ближчих до нас за часом (зокрема у Рахманінова) нерідко можна зустріти такі особливості фортепіанної фактури, які вимагають для правильного виконання вживання цієї педалі.

Затримує педаль була вперше застосована в кінці XIX століття фабрикою Стейнвей і деякими іншими американськими підприємствами; останнім часом її почали ставити у свої концертні роялі німецькі фабрики Бехштейна й Августа Ферстера.

 

3.1 Створення та розвиток піаніно


Історія піаніно повертає нас до XVI століття - появі клавіцітерія, першого різновиду вертикальних клавірів. Мабуть, приклад вживання арфи навів на думку, що можна побудувати клавішний інструмент, у якому струни були б розташовані у вертикальній площині перед грою. Наступним етапом наближення до цієї форми і конструкції можна вважати химерні форми вертикальних фортепіано кінця XVIII століття: пірамідальні, жирафових і т. п., у всіх цих різновидів рама крилообразной форми містилася вище клавіатури і простір під клавіатурою залишалося невикористаним. Тому корпусу інструментів виходили громіздкими, незграбними, а сила звуку залишалася відносно помірною.

Ранні спроби побудови вертикальних форм фортепіано з використанням простору між клавіатурою і підлогою можуть бути віднесені ще до епохи Хр. Е. Фредеріці. У колекції Державного науково-дослідного інституту театру, музики і кінематографії є ​​такий незграбний і дуже примітивний інструмент, на жаль, знаходиться в дуже поганому і абсолютно неігровому стані. Однак першою спробою знаходження нової вертикальної форми фортепіано можна вважати інструмент І. Шмідта в Зальцбурзі (1780). Який був цей інструмент, з'ясувати не вдалося, так як більш докладних відомостей про нього не збереглося. Протягом наступних двох десятиліть спроби до побудови подібних інструментів, мабуть, не робилися. Відомо тільки, що систематичні зусилля до вироблення нового типу інструменту починаються лише з 1800 року, коли Джон Гоукінс у Філадельфії побудував "кабінетне фортепіано" з масивної залізної рамою. Цей елемент конструкції був новим для фортепіанного виробництва. Через два роки Томас Лоуд в Лондоні будує подібний же інструмент з натяжкою струн в діагональному напрямку.

Винахідник "ірландської" системи демпферів Саутуелл побудував кабінетне фортепіано з об'ємом у шість октав (Лондон, 1807). У 1811 році Роберт Уорнум (Лондон) застосував до такого інструменту натяжку струн по діагоналі, а два роки по тому побудував подібний інструмент, але з натяжкою струн у вертикальному напрямку. У 1821 році згаданий І. Шмідт побудував кілька покращений тип інструменту; в тому ж році Саутуелл взяв патент на пристосування, яке посилює звук в подібних інструментах. Через рік лондонський фабрикант Коллард поліпшив механізм вертикальних інструментів і застосував у ньому принцип часткової репетиції удару.

Незважаючи на всі ці спроби не було знайдено правильної конструкції ударно-молоточкового механізму, що забезпечує рухливість і легкість гри. Тому роком справжнього народження піаніноподобного інструменту, побудованого на правильних технічних основах, слід вважати 1826, коли Уорнум сконструював механізм із застосуванням відтягують молотки стрічок (Бентік), пристрої глушників і діагональної натяжки струн. У 1831 році Штрайхер ввів подальші поліпшення в механізм "кабінетного фортепіано". Перший час виробництво таких інструментів зосереджувалася головним чином в Англії, в той час як на Європейському континенті продовжували панувати пірамідальні і жирафових фортепіано. Але вже з 1835 року почалася споруда піаніно в Німеччині (де їм дали цю назву), з 1860 - в Північній Америці, а з 1867 - у Франції.

Введення в практику споруди роялів чавунних рам і перекрестнострунной конструкції спонукало застосувати ці нововведення і в піаніно, а проте пройшли багато десятиліть у боротьбі зі значними труднощами, які були пов'язані з поділом акорду струн на дві перехресні системи. Таке розташування струн, хоча і давало значні зручності і економію місця всередині інструменту і на невеликій площі його резонансної деки, поставило перед конструкторами великі труднощі рівняння звуку при переході з басового в середній регістр. Нижні кінці басових струн були перенесені в правий кут корпусу піаніно, а басовий Штег наближений майже до краю деки, що викликало значне погіршення умов для випромінювання звуку цього регістра: звук піаніно, особливо в басовому регістрі, часто виходив рідким і слабким. Тому багато майстрів вводили в конструкцію піаніно різні удосконалення. Велике число з них було зроблено в Північній Америці, де цей різновид фортепіано швидко набула популярності. Завзято працюючи над удосконаленням роялів, американські фабриканти вводили одночасно ряд поліпшень в піаніно. Удосконалення стосувалися як акустичної боку, так і механізму і привели в кінцевому результаті до того, що сучасне малогабаритне піаніно змогло замінити в побуті невеликий рояль [Додаток С., 5].

При поліпшенні та удосконаленні піаніно не обійшлося без курйозів і невідповідність. Так наприклад, якийсь Сормані запропонував в 1841 р. "піаніно з брязкальцями" (Piano-basque), що нагадували брязкальця і тому подібні шумові "регістри" старих віденських фортепіано; в 1877 р. Фрідріх Геллінг (Цейтц) побудував піаніно з додатковими резонуючими струнами на іншій стороні резонансної деки, на зразок додаткових струн у старовинних віолах. У 1886 році В. Маршалл і Томас в Лондоні побудували піаніно з скрипковими деками, вважаючи, що вони будуть сприяти поліпшенню звуку. З курйозів в області транспонуючих пристосувань згадаємо лише одне: в 1892 році П. К. Едгар і Г. Шалене взяли привілей на піаніно, в якому для транспонування в іншу тональність весь внутрішній корпус з резонансною декою, чавунної рамою і струнами, вагою по крайній мірі в сто і більше кілограм, пересувався в сторону за допомогою педалі!

Корисне удосконалення механізму піаніно запропонував англійський майстер і фабрикант Джон Брінсмід. Він зміцнив на шпілері, поблизу його заснування, пружинку, що відходить вільним кінцем вгору, і зробив на останньому гачок, з'єднавши його допомогою шнуркової петлі з шультером молотка, ніж досяг того, що новий механізм, майже настільки ж простий, як нормальний англійська, придбав чутливість і легкість дії, які можна порівняти з рояльним репетиційним механізмом кращих типів. Ця система, згодом удосконалена Лангер, досить часто ставиться в піаніно кращих марок і моделей.

Лейпцизький фабрикант Юлій Фейрі ввів у механізм піаніно репетиційне пристрій з додатковою пружинкою, укріпленої на контрфенгере молотка. Форма і пружність пружинки підібрана так, що вона підтримує молоток в проміжному положенні між ударами, спираючись на верхівку відхилився шпілера. Цей механізм, що відрізняється чутливістю і легкістю при грі, застосовувався фірмою майже у всіх випущених нею моделях піаніно. Резонансна дека піаніно, у зв'язку із застосуванням все більш товстих і сильно натягує струн, піддалася потовщення і зміцненню, подібно деці роялів. Застосування так званого "мостовидного" Штега для групи басових струн дозволило перенести введення коливань в деку значно далі від краю і правого нижнього кута, що позитивно відбилося на якості звуку і дозволило досягти більшої його рівномірності. Нарешті, овальна форма резонансної деки з склепінчастою профілем, запропонована в 1911 році Шмідтом в Гаген дала подальше посилення та поліпшення звуку піаніно.

Одночасно з розвитком і удосконаленням піаніно, відбувалося відмирання прямокутного або столообразного типу фортепіано, що був у широкому розповсюдженні з кінця XVIII століття. Не допомогли йому деякі пізніші удосконалення, наприклад перехресно-струнна конструкція. Досить громіздкий столообразний інструмент був поступово витіснений більш компактними і звучними піаніно. Прямокутні фортепіано зникли близько 1875-1880 років.

На перших порах свого існування піаніно робилися іноді з великою кількістю зовнішніх прикрас, що можна, наприклад, бачити на інструментах С. Ерар та І. Плейєль, що експонуються в Державному науково-дослідному інституті театру, музики і кінематографії. Але поступово вони придбали всім відомий скромний "демократичний", чернополірованний вигляд.

Еволюцію інструменту ще не можна вважати закінченою - в останні роки були сконструйовані і випущені в продаж мініатюрні моделі, висота корпусу яких не перевищує 0,85-0,90 метра. Відмінною особливістю їх конструкції є розташування механізму нижче рівня клавіатури, під заднім кінцем клавіш. Всі інші елементи сучасного піаніно - перехресне розташування струн, пристрій педального і демпферного механізмів, нормальні розміри клавіатури - збережені. Такі інструменти, що випускаються під різними назвами (мініпіано, піанохорд та інші), зазвичай мають звуковий обсязі 6,5 октав (C1-g4) і придатні для виконання майже всієї фортепіанної літератури класичного і романтичного періодів. Мініатюрні піаніно займають малу площу і об'єм, вони дуже зручні для використання в умовах обмеженого приміщення.

 

3.2 Механізм Брютнера


Наші нариси почалися з опису гідравлос - першого музичного інструмента з клавіатурою; закінчуються вони описом сучасних клавішних музичних інструментів. Клавіатура - важлива ознака, що характеризує інструменти. Вона пройшла за дві тисячі років свого існування ряд проміжних форм і конструкцій. Розглянемо деякі етапи її розвитку та становлення.

Перша клавіатура гідравлос Ктезібій складалася з декількох розташованих в ряд і виходять з корпусу інструменту брусків - засувок, що були одночасно клапанами для доступу повітря в труби інструменту. Від виконавця для вилучення кожного звуку потрібно два окремих ігрових руху: перше - для відкриття клапана, друге - для його закриття. Природно, що такий спосіб гри був дуже незручний, а проте елементарно проста музика того часу мирилася з цим недоліком.

Другий етап - введення Витрувием проміжних кутових шарнірів, які перетворили горизонтальні поступальні рухи клавіш у вертикальні-натискні і підйомні. Хоча в такому пристрої ще не було пристосування, що повертає клавіші у вихідне положення, воно було значно зручніше первісного. Цей тип клавіатури використовувався в органах понад тисячу років.

Наступним етапом був винахід пристосування, що повертає клавіші, у формі вантажів на задніх плечах клавіш, або поміщених під ними пружин. Воно було застосовано, мабуть, тільки в XIII столітті, тобто незадовго до виникнення перших струнних клавішних інструментів.

З тих пір збереглася саме така конструкція клавіатури як найбільш зручна в користуванні і відповідає вимогам виконання ускладнилися з часом музичних творів.

Іншим напрямком у розвитку клавіатури був розподіл входять до її складу важелів і диференціація їх за величиною, формою, забарвленням і взаєморозташування. У примітивних органах раннього середньовіччя, мали невеликий діатонічний звукоряд, задовольнялися однаковими за формою і величиною клавішами. З плином ж часу, коли звукоряд піддався хроматізації і число різних за висотою звуків у межах октави зросла, довелося ввести в конструкцію клавіатури ряд змін. Для відмінності діатонічних звуків від хроматичних створили контрастне забарвлення клавіш і різну форму їх. Розміри клавіш наблизили до розмірів пальців.

Незважаючи на те, що вже досить рано - приблизно до початку XVII століття - встановилося розташування 12 клавіш в октаві, з розподілом їх у два ряди (7 нижніх з тонами гами до мажор: с, d, e, f, g, a, h і п'ять верхніх з півтонами cis, dis, fis, gis, b), деякі винахідники запропонували інше розташування і кількість клавіш у октаві. Це викликалося наступними міркуваннями.

З одного боку, не відразу був знайдений сучасний принцип налаштування по рівномірно темперірованній гамі в 12 півтонів, де разом з тим клавіші стали легше і об'єднувалися звуки cis і des, dis і es, fis і ges, gis і as, ais і b (hes) . Це, мабуть, стало можливим тому, що відчувалася висотна близькість їх один до одного. Ідея рівномірної темперації вперше була висловлена іспанським музичним вченим Рамосом де Пареха в 1482 році, однак остаточно вона була оформлена і практично санкціонована тільки на початку XVIII століття. Поступово музиканти примирилися з невеликою фальшивістю півтонів і деяких близьких до до-мажору тональностей і прийняли 12 клавіш в октаві, як найбільш зручне для гри розташування.

З іншого боку, робилися спроби побудови клавірів з великим числом клавіш в октаві, щоб задовольнити вимоги більш точного налаштування в нетемперованому системах. Протягом другої половини XVI і усього XVII століття неодноразово пропонувалися "енгармонічні" і "універсальні" клавіатури з 19, 31 і іншою кількістю клавіш в октаві. Проте всі ці складні і незручні для гри та налаштування конструкції клавіатур до початку XVIII століття відпали. З тих пір у вжитку залишилася існуюча понині 12-ти ступенів клавіатура. Різну забарвлення клавіш різних рядів почали застосовувати дуже рано. Спочатку нижні клавіші робили зі світлого букового дерева, півтонни - з темних сортів горіхового, палісандрового дерева або мореного дуба. Пізніше стали вживати і чорне дерево. У дорогих інструментах клавіші покривали пластинками з панцира черепах, перламутром та інкрустацією.

В кінці XVII століття у Франції застосовувалося розташування кольорів, зворотне сучасному: нижні клавіші обклеювали пластинками з чорного дерева, а півтонни обкладали кісткою. Така манера обробки клавіш швидко поширилася по виттям західноєвропейським країнам і протрималася майже до початку XIX століття, поки не була замінена сучасним способом обробки. Успіх і розповсюдження такої похмурої і темної обробки клавіатури пояснюється, на думку відомого інструментоведа Курта Закса, що панували тоді "галантним" стилем. На темному тлі клавіатури рельєфніше виділялися білосніжні, пещені ручки клавікордисток і клавесіністок того часу, подібно до того як чорні мушки на напудрених осіб у білих перуках ще більше підкреслювали їх білизну. З падінням "галантно" епохи вигляд клавіатури змінився, тим більше, що при білих нижніх клавішах кордону між ними ясніше виділилися у вигляді темних щілин, що було непомітно при клавішах з чорного дерева.

Але були і спроби зміни і "удосконалення" сучасної клавіатури, що виходили з міркувань раціоналізаторської характеру. Тут можна відзначити два напрямки. Автори пропозицій першого типу виходили головним чином з міркувань хроматичного і енгармонічні розташування клавіш, яке робило б аплікатуру в різних гамах і тональностях більш одноманітною і зручною і усувало б гегемонію гами до мажор. Спроби винаходів другого роду відносяться до змін форми звичайної клавіатури, з метою зробити її більш зручною для гри.

Найперша побудова "хроматичної" клавіатури належить І. Хюбшу і відноситься ще до 1784 року. Мабуть, цей винахід не мало успіху і незабаром було забуто. Хроматичні клавіатури, запропоновані д-ром Краузе (1810), В. А. Місячному (1843) не зустріли співчуття у колах піаністів. Однак, незважаючи на безуспішність перших спроб, фабрики Шідмайера і К. Гебауера в 1874 році випустили ще дві хроматичні клавіатури, а через два роки в Німеччині навіть було засновано товариство для пропаганди і поширення хроматичних клавіатур (Chroma-Verein). У тому ж році таку клавіатуру випустила фабрика Ібаха [Додаток Д., 1].

Особливе місце в ряду хроматичних клавіатур займає клавіатура Пауля Янко, поліпшена Франке і Блютнер (1887). Особливість клавіатури Янко полягає в тому, що кожна клавіша має три майданчики для натискання, розташовані терасовидно. При чергуванні клавіш с, d, e, fis, gis і b в першому, третьому і п'ятому рядах, з клавішами cis, dis, f, g, а і h в другому, четвертому і шостому рядах, ці майданчики утворюють ступінчасту клавіатуру в шість рядів.

Завдяки цьому Янко досяг повного одноманітності аплікатури у всіх тональностях, а також можливості досить широкого розташування акордів, що досягають відстані майже в дві октави між крайніми звуками. На жаль, непереборні конструктивні незручності і нерівномірність навантаження клавіш в різних рядах були причиною того, що ця дотепно побудована клавіатура не сподобалася піаністам і також не набула поширення, хоча деякі німецькі фабрики до недавнього часу випускали невелику кількість інструментів, забезпечених як звичайними клавіатурами, так і клавіатурами Янко. З клавіатур другого роду слід зазначити пропонувалися неодноразово дугоподібні клавіатури, як наприклад, "круглий піаніно" Г. Штауфер і М. Гайдінгера (1824), дугоподібну клавіатуру Густава Нейгауза (1881), і нарешті, клавіатуру новозеландського віолончеліста Клутсама (1907). Останній виходив з анатомо-фізіологічних міркувань найбільшої зручності при грі. Для цього він надав клавіатурі подвійний вигин, відповідний найбільш економним рухам піаніста, особливо при грі в крайніх октавах. Деякий час така клавіатура викликала інтерес і набула поширення, але також не знайшла широкого застосування.

Подібні цілі переслідувала променеподібно клавіатура, запропонована А. Шульцом (1908). Будучи прямий по фронту інструменту, ця клавіатура відрізняється від звичайної тим, що її клавіші розташовані не паралельно, а променеподібно у напрямку від центру в сторони і вперед від грає.

Особливе місце займає клавіатура Ольбріха (1890), що відрізняється від звичайної зниженими півтонами.

Звуковий обсяг фортепіано впродовж XIX століття значно розширився: від 5 - 5,5 октав до 7 і навіть 7 1 / 3 октав (А2 - а4 або с5). Цікава спроба віденської фабрики Безендорфера до подальшого розширення звукового обсягу: концертний рояль цієї фабрики-"Imperial" має обсяг понад 7,5 октав-від F3 до с5. Однак така конструкція особливого успіху не мала, так як чотири крайніх нижніх звуку погано сприймаються слухом і важко піддаються налаштуванню, це змушує думати, що звуковий обсяг фортепіано втримається, в основному, у зазначених вище межах 7 1 / 3 октав.

ВИСНОВОК


Як свідчать історичні дослідження, винахідниками молоточкового ударного механізму, незалежно від Крістофорі, були французький клавесині майстер Жан Маріус і німецький викладач музики в Дрездені Крістоф Готліб Шретер.

Тенденції, спрямовані до надмірного звеличення німецького духу і культури, призводять тут до очевидних непорозумінь і неточностей. Історична картина спотворюється. І тільки ретельне збирання джерел та грунтовна їх перевірка і зіставлення дозволили встановити найбільш правильну історичну послідовність і виявити картину виникнення кожного великого винаходу, до числа яких належить і цікаве для нас питання - як, ким і коли був створений той прекрасний музичний інструмент, який отримав таке велике значення в сучасному житті музичної культури.

У другій половині XVIII століття Англія поступово створила свій специфічний тип фортепіано, удосконалюючи столовидний різновид і випускаючи також деяку кількість великих інструментів крилоподібної форми, дуже міцних і великовагових, з витривалими, але кілька важкими у грі механізмами. У той же період в Німеччині та Австрії розвиток фортепіанного будівництва протікало іншими шляхами і дало в результаті інші типи та форми інструментів.

Клавіатура фортепіано протягом XVIII століття зазнала певну еволюцію форми, розмірів і забарвлення її клавіш. У цьому відношенні фортепіано пройшло зміни паралельно з існуючими разом з ним клавікорда і опереними клавіру, прийнявши до початку XIX століття майже нормальні сучасні розміри і сучасну забарвлення і обробку клавіш.

Звуковий обсяг фортепіано впродовж XVIII століття потроху розширювалося. Якщо перші інструменти Крістофорі мали 4 і 4,5 октави, то вже Фредеріці збільшив його майже до 5 октав (від фа контроктави до до третьої). У 1770-і роки загальновживаний був обсяг в повні п'ять октав, який і втримався, за малими винятками, аж до кінця XVIII століття.

Поступово з'являються нові прийоми твори клавірної музики і нові способи її виконання. Віддається перевага фортепіано його попередникам. В останніх на той час були вичерпані всі можливості технічного та музичного розвитку і вдосконалення; перед фортепіано же стояв ряд великих і важливих музичних і суспільних завдань, вирішити які воно мало в найближчому майбутньому. Це давало стимул до його технічному прогресу і вдосконалення, чого не розуміли і не могли зрозуміти багато консервативно і навіть ретроградно налаштовані сучасники. Деякі з них, як уже вказувалося в нарисах про значення клавікорда, в ту пору висловлювалися на захист старих інструментів, головним чином клавікорда.

Поступово піаніно зайняло перше місце в ряді музичних інструментів по широті і універсальності використання. Світова продукція піаніно - величезна; можна вважати, що випуск їх складає не менше 85-90% всієї продукції фортепіанних фабрик світу.

Історія винаходу різних систем і форм клавіатур показала, що, незважаючи на численні спроби видозміни клавіатури і навіть на очевидні зручності деяких з них, звичайна форма клавіатури все ж залишається переважаючою і цілком стійкою в практиці. Можна припустити, що чималу роль тут відіграє рутина і традиція фортепіанних шкіл і методів, неохоче засвоюючих різні нововведення.

СПИСОК ОСНОВНОЇ ВИКОРИСТАНОЇ ЛІТЕРАТУРИ


1. А. Алексеев Русская фортепианная музика. - М: Наука, 1969г.

.А.Алексеев.Из истории фортепианной педагогики. Муз. Україна, 1974г.

. Брянцева В. Вступительная статья/ Французская клавесинная музыка для фортепиано. - Музыка, 1974г.

. Брейт гаупт Р. Педализация. - Одесса: Одессполиграф, 1927г.

. Голубовская Н. Искусство педализации. - Л: Музыка, 1974г.

. Гофман И. Фортепианная игра.Ответы на вопросы о фортепианной игре. - М: Музгиз, 1961г.

. Клин В. Українська радянська фортепіанна музика. - К:, 1980.

. Курковський Г. Про виконання фортепіанної музики французьких клавесиністів/Курковський Г. Питання фортепіанного виконавства: Зб. ст. - К: Муз.Україна, 1983.

.Шукайло В. Педализация в процессе воспитания и обучения учащихся-пианистов. -2004г.

. Светозарова Н.,Кременштейн Б. Педализация в процессе обучения игре на фортепиано. - М: КлассикаXXI, 2002г.

ДОДАТКИ


Додаток А

Рисунок 1

Рисунок 2

Додаток А, 4

Додаток Б,1


Додаток Б, 2


Тут ми бачимо наступні частини та їх взаємодія: клавіша (1) при дії піднімає легкий важіль (2), який підштовхує догори штовхає стрижень (3), а останній діє на молоточок (4), ударяющий по струні (5), на поперечній балці (6) укріплені точки обертання клавіш; планка (7) обмежує опускання заднього кінця клавіші; надставка на клавіші (8) при натисненні останньої упирається в м'яку подушку, укріплену знизу колковой дошки (9) і обмежує рух клавіші; на одному бруску (10) укріплені важелі (2); планка (11) обмежує їх опускання, другий брусок (12) - для зміцнення молоточків (4); на планці з м'якою подушкою (13) покояться головки молотків; до дошки з міцного дерева (14) угвинчені кілки ( 15) для натягування струн; між направляючими штифтами на планці (16) йдуть струни; під міцним залізним бруском (каподастром - 17) проходять струни (брусок необхідний для того, щоб інструмент видавав яскравий звук). Заглушення струн в механізмі Шретера досягалося тим, що короткі кінці молоточкових важелів мали м'які подушечки. Останні в стані спокою прилягали до струн.

Додаток Б,4


Задній кінець клавіші (1) несе на собі металеву вилку (2), звану капсулою. На осі в капсулі обертається молоток (З). Стержень молотка має на своєму короткому плечі крючковідний відросток, що входить в щербину визволителя (4).



Як же працює цей механізм? Задній кінець клавіші (1) несе на собі і штовхає важіль особливої форми (3), званий також шпілером. Останній своїм верхнім кінцем входить у виріз підстави (шультер) молоточка (5), а нижнім прикріплюється до задньої частини клавіші і хитається в вирізі клавіші на осі. При натисканні клавіші, шпілер підштовхує молоток, але при цьому зустрічає опір звільняє кнопки (7), яка, поступово відхиляючи похилу площину шпілера, змушує його верхівку вийти з поглиблення в шультере. Звільнення молотка відбувається майже в той момент, коли його головка доходить до струни, і він, по інерції вдаривши останню, негайно ж відпадає і лягає на захоплення (8), не дає йому можливості знову підстрибнути і провести повторний удар по струні. При знятті пальця з клавіші шпілер (3) дією пружинки (4) повертається на місце, а молоток, звільнений від захоплення (фенгера), лягає своїм стрижнем на м'яку подушку на балці - рулейстік (10). Задній кінець клавіші забезпечений м'якою подушкою для підведення важеля глушника, або демпфера, що лежить на струні.

Додаток С,1



Додаток С, 2

Додаток С, 3

Додаток С, 4


Додаток С, 5


Додаток Д

Наводимо схеми пристрою трьох систем глушників.

А - віденська консольна система, Б - система Ерар з нижніми демпферами, В - ірландська система.


Тут, так само як у первісну систему Штейна, ми бачимо задній кінець клавіші (1), з ввинченной в нього капсулою (2) і укріпленим в ній молотком (3). Підстава молотка має відходить вгору відросток (4), в якому укріплена регульована на гвинті звільняє кнопка (8). Остання була винайдена І. Г. Вагнером (Дрезден, 1783). Вона служить для того, щоб під час підскакують молотка до струни точно і в певній точці його руху відштовхувати визволитель (5) і давати молотка можливість відпадати від струни. Пружинка (6) повертає визволитель на місце, а упор з м'якою прокладкою (12) обмежує його рух. Для гальмування молотка після зворотного падіння використовується фенгер (9).

Додаток Д, 1

Похожие работы на - Реформування фортепіано в ХІХ ст.

 

Не нашли материал для своей работы?
Поможем написать уникальную работу
Без плагиата!
Без нейросетей!