Имитационное моделирование САУ с ПИД регулятором при задающем воздействии на фоне помех
Федеральное
агентство по образованию и науке Российской Федерации
ГОУ ВПО
«Норильский индустриальный институт»
Кафедра
электропривода и автоматизации технологических процессов и производств
Курсовая
работа
по
дисциплине «Моделирование объектов и процессов в цветной металлургии»
Тема:
«Имитационное моделирование САУ с ПИД регулятором при задающем воздействии на
фоне помех»
Выполнил: Арламов А.С.
Группа: АПм - 06
Проверил: Писарев А. И.
Ботвиньев К. М.
Норильск
2009
Содержание
1. Идентификация объекта
управления
.1 Краткое описание технологии
объекта управления
.2 Производственный пассивный
эксперимент над ОУ
.3 Передаточная функция и частотные
характеристики ОУ
1.4 Статистические характеристики
случайного процесса
2. Определение передаточной
функции формирующего фильтра сигнала помехи
3. Имитационное моделирование
САУ при действии сигнала помехи
3.1 Структурная схема имитационной
модели САУ
.2 Оптимальные параметры настройки
ПИД-регулятора
.3 Соотношение «сигнал/шум» на входе
САУ
.4 Соотношение «сигнал/шум» на
выходе САУ
. Фильтрация сигнала помехи на
входе регулятора
.1 Модуль спектральной плотности
задающего сигнала
.2 Передаточная функция фильтра
задающего сигнала
.3 Включение фильтра задающего
сигнала в модель САУ
.4 Имитационное моделирование САУ с
фильтром задающего сигнала. Определение соотношения «Сигнал/шум» на выходе
фильтра и выходе САУ
5. Список использованной литературы
1.
Идентификация объекта управления
1.1 Краткое описание технологического
объекта управления (ОУ)
имитационное
моделирование сигнал помеха
В качестве объекта управления была выбрана
флотомашина ФПМ-16 2-4 цепи аппаратов II
секции никель-пирротиновой флотации НОФ.
Транспортно-технологическая схема переработки
ЛПК состоит из его гидродобычи из пирротинохранилища №1 с помощью земснаряда,
перекачки в виде пульпы в отстойник «Южный», затем материал из «Южного»
подается в цех сгущения ИФЦ НОФ на 7 (5) сгуститель. Сгущенный до 40-45% тв.
ЛПК насосами 7-2, 7-2а подается на доизмельчение и классификацию (мельница 4-5,
11) с целью «обдирки» окисленных поверхностей ЛПК.
Далее материал самотеком поступает в
пульподелитель перед основной флотацией. Перед основной флотацией проводится
агитация во флотомашине ФПМ-16 № 2-6 (камеры 1,2) не менее 10 минут с целью
улучшения контакта сульфидных минералов с реагентами для последующей
стабилизации процесса флотации. Основная никель-пирротиновая флотация
проводится во флотомашине ФПМ-16 №№ 2-6 (камеры 3,4), 8, 10, 12. Пенный продукт
основной флотации насосами №№ 2-41, 42 направляется насосами в пульподелитель
перед перечистной флотацией. Перечистная флотация проводится во флотомашинах
ФПМ-16 №№ 2-2,4). Пенный продукт перечистной флотации является готовым
никель-пирротиновым концентратом и насосами №№ 2-45,46 перекачивается на
никелевый узел. Камерный продукт основной и перечистной флотаций объединяется и
является отвальным продуктом от обогащения ЛПК. Отвальный продукт направляется
на гравиообогащение текущих отвальных хвостов.
Учитывая переменный состав ЛПК по содержанию
никеля (от 1,0 до 2,0%), определены зависимости содержания никеля в хвостах
флотации ЛПК от содержания никеля в исходном питании.
В данной работе математическая модель объекта
управления (ОУ) будет определяться по каналу «расход воздуха - уровень пульпы».
На рисунке 1.1.1 приведена структурная схема
объекта управления.
X(t)Y(t)
Рис.1.1.1 Структурная схема ОУ
В качестве входного сигнала X(t)
был взят расход воздуха на выходе насоса, измеряемый в м3/ч; а в качестве
выходного Y(t)
- уровень пульпы во флотомашине, измеряемый в мм.
1.2 Производственный
пассивный эксперимент над ОУ
Над одномерным ОУ был проведен производственный
пассивный эксперимент, результатом которого стали реализации сигналов на входе X(t)
и выходе Y(t)
ОУ в установившемся режиме работы.
Объём выборки составляет 200 точек; дискретность
- 1 минута.
Данные пассивного эксперимента приведены в
таблицах 1.2.1 и 1.2.2.
Табл. 1.2.1. Массив входных данных
|
X(t), м3/ч
|
1
|
2
|
3
|
4
|
|
1
|
897,97083
|
900,70105
|
898,70831
|
897,88123
|
|
2
|
900,23749
|
902,17188
|
898,44269
|
899,15521
|
|
3
|
900,50836
|
899,62396
|
897,68024
|
902,70728
|
|
4
|
897,94269
|
901,57501
|
896,95624
|
903,01874
|
|
5
|
898,85626
|
900,70831
|
897,04999
|
904,70935
|
|
6
|
900,2323
|
901,46667
|
897,06976
|
907,4469
|
|
7
|
898,97815
|
901,10315
|
895,38019
|
907,72186
|
|
8
|
899,39789
|
902,48541
|
893,98645
|
906,54688
|
|
9
|
900,98956
|
904,2146
|
894,12396
|
907,20935
|
|
10
|
896,91565
|
904,57916
|
896,09479
|
905,00415
|
|
11
|
898,89478
|
905,06458
|
898,4729
|
904,36145
|
|
12
|
900,6781
|
907,74585
|
900,49585
|
903,74585
|
|
13
|
897,28125
|
905,80627
|
896,99792
|
902,21771
|
|
14
|
897,61249
|
906,28748
|
896,66669
|
903,3031
|
|
15
|
896,2052
|
907,63123
|
896,72498
|
904,49274
|
|
16
|
898,15314
|
905,54272
|
897,95935
|
904,88226
|
|
17
|
898,06146
|
907,18439
|
896,2323
|
902,38647
|
|
18
|
897,17291
|
907,92603
|
896,83752
|
904,87915
|
|
19
|
896,94794
|
905,60938
|
897,27502
|
904,66772
|
|
20
|
894,19269
|
907,92706
|
896,45831
|
904,26147
|
|
21
|
897,78644
|
908,06976
|
897,50623
|
905,89478
|
|
22
|
898,67499
|
908,61249
|
896,3125
|
906,36353
|
|
23
|
894,65936
|
908,21039
|
896,37292
|
906,14374
|
|
24
|
896,12604
|
907,65002
|
900,74481
|
906,27814
|
|
25
|
897,74689
|
907,75311
|
904,88751
|
906,69897
|
|
26
|
897,96667
|
908,97919
|
903,38751
|
905,15417
|
|
27
|
898,76563
|
902,60211
|
901,22815
|
904,13336
|
|
28
|
896,94586
|
897,05103
|
899,54376
|
904,50726
|
|
29
|
899,23334
|
898,27081
|
901,33856
|
905,22498
|
|
30
|
900
|
898,65625
|
901,59479
|
907,15002
|
|
31
|
896,49896
|
896,58228
|
900,8479
|
905,74896
|
|
32
|
898,78333
|
895,38544
|
900,50311
|
899,54688
|
|
33
|
899,72919
|
898,27399
|
898,93854
|
897,23541
|
|
34
|
900,81561
|
898,4823
|
897,34894
|
895,21252
|
|
35
|
898,51666
|
899,09998
|
894,63751
|
894,69476
|
|
36
|
895,90625
|
895,52814
|
896,53229
|
894,26459
|
|
37
|
898,98645
|
898,67706
|
896,93231
|
894,07605
|
|
38
|
896,75415
|
897,98022
|
896,33856
|
894,9729
|
|
39
|
900,95935
|
898,73126
|
896,99377
|
897,35315
|
|
40
|
898,05939
|
897,41248
|
896,4552
|
896,42603
|
|
41
|
896,78021
|
899,40002
|
896,76874
|
896,34686
|
|
42
|
900,54895
|
898,13959
|
894,13226
|
894,51044
|
|
43
|
899,00208
|
895,6073
|
896,29999
|
899,03125
|
|
44
|
898,55731
|
897,41876
|
897,08228
|
900,28748
|
|
45
|
902,38226
|
896,83539
|
897,53748
|
898,94476
|
|
46
|
899,62811
|
895,77081
|
894,25
|
898,38647
|
|
47
|
899,8844
|
897,69269
|
896,37396
|
898,97601
|
|
48
|
900,44165
|
897,76044
|
897,53229
|
902,0448
|
|
49
|
902,0719
|
896,26666
|
899,89063
|
899,20001
|
|
50
|
900,8656
|
897,22919
|
900,50104
|
897,13959
|
Табл. 1.2.2. Массив выходных данных
|
Y(t), мм
|
1
|
2
|
3
|
4
|
|
1
|
90,375
|
84,815625
|
87,59375
|
67,59375
|
|
2
|
90,95
|
88,259375
|
85,190625
|
59,659375
|
|
3
|
89,578125
|
87,2625
|
92,925
|
74,196875
|
|
4
|
88,11875
|
88,309375
|
84,875
|
82,33125
|
|
5
|
91,40625
|
88,303125
|
85,515625
|
73,84375
|
|
6
|
87,596875
|
88,2875
|
86,16875
|
89,196875
|
|
7
|
86,521875
|
90,26875
|
85,05
|
86,16875
|
|
8
|
90,596875
|
86,73125
|
82,865625
|
85,275
|
|
9
|
91,7125
|
88,696875
|
89,296875
|
|
10
|
86,396875
|
88,853125
|
80,24375
|
85,996875
|
|
11
|
85,58125
|
80,575
|
84,25
|
89,55
|
|
12
|
90,371875
|
88,565625
|
84,79375
|
90,990625
|
|
13
|
87,390625
|
88,5625
|
81,384375
|
87,8375
|
|
14
|
86,78125
|
87,259375
|
79,040625
|
92,8125
|
|
15
|
85,4625
|
89,19375
|
78,109375
|
88,615625
|
|
16
|
85,778125
|
89,38125
|
81,340625
|
90,184375
|
|
17
|
84,01875
|
87,625
|
81,334375
|
89,0875
|
|
18
|
86,61875
|
90,234375
|
80,03125
|
89,275
|
|
19
|
86,665625
|
88,59375
|
79,65
|
89,51875
|
|
20
|
78,040625
|
88,9875
|
78,403125
|
89,3375
|
|
21
|
81,459375
|
88,490625
|
77,79375
|
89,55
|
|
22
|
85,003125
|
88,21875
|
77,2125
|
86,796875
|
|
23
|
81,184375
|
85,340625
|
75,175
|
89,25
|
|
24
|
80,03125
|
92,240625
|
74,228125
|
93,090625
|
|
25
|
82,709375
|
90,2875
|
70,490625
|
87,46875
|
|
26
|
82,5
|
85,903125
|
72,7375
|
84,75625
|
|
27
|
82,209375
|
88,0375
|
75,48125
|
87,546875
|
|
28
|
81,896875
|
91,70625
|
64,9875
|
86,80625
|
|
29
|
90,965625
|
87,065625
|
70,353125
|
83,11875
|
|
30
|
83,61875
|
92,925
|
70,259375
|
98,634375
|
|
31
|
82,978125
|
90,121875
|
69,909375
|
88,090625
|
|
32
|
84,175
|
83,35625
|
69,5
|
81,665625
|
|
33
|
85,721875
|
91,646875
|
69,15
|
92,09375
|
|
34
|
86,90625
|
89,39375
|
66,85
|
83,35
|
|
35
|
87,171875
|
89,778125
|
65,990625
|
87,596875
|
|
36
|
79,55625
|
86,2625
|
65,08125
|
90,76875
|
|
37
|
89,334375
|
92,784375
|
64,14375
|
79,99375
|
|
38
|
80,059375
|
86,15
|
63,2125
|
83,725
|
|
39
|
90,35
|
89,4625
|
62,271875
|
89,221875
|
|
40
|
86,590625
|
88,309375
|
67,30625
|
85,9
|
|
41
|
81,31875
|
92,709375
|
67,909375
|
92,203125
|
|
42
|
89,871875
|
89,446875
|
64,25625
|
84,590625
|
|
43
|
84,946875
|
89,2125
|
64,353125
|
91,759375
|
|
44
|
84,68125
|
85,590625
|
67,403125
|
86,5875
|
|
45
|
89,834375
|
84,828125
|
70,965625
|
93,31875
|
|
46
|
81,440625
|
88,425
|
66,559375
|
87,521875
|
|
47
|
87,003125
|
78,69375
|
68,471875
|
85,89375
|
|
48
|
87,171875
|
87,965625
|
69,40625
|
87,890625
|
|
49
|
88,153125
|
83,834375
|
69,378125
|
90,55
|
|
50
|
88,53125
|
81,859375
|
67,26875
|
88,26875
|
1.3 Передаточная функция и частотные
характеристики ОУ
По полученным экспериментальным данным с помощью
программы «MATLAB
System Identification
Toolbox» рассчитаем
передаточную функцию объекта управления. Окно работающей программы представлено
на рисунке 1.3.1.
По результатам работы программы получена
передаточная функция ОУ вида:
Это апериодическое звено первого порядка без
запаздывания. Как известно, большинство металлургических процессов можно
описать с достаточной степенью точности апериодическим звеном первого порядка.
Рис. 1.3.1 Определение передаточной функции ОУ.
Погрешность модели при 8 итерациях составляет
0.000415 %, что допустимо.
Рассчитанный коэффициент передачи: K
= 0.095274
Рассчитанная постоянная времени : T
= 5.8438
Таким образом, в безразмерных величинах
передаточная функция примет вид:
С помощью программы «MATLAB Simulink» найдём
частотные характеристики модели ОУ. На рисунке 1.3.2 представлена
амплитудно-частотная характеристика (АЧХ) ОУ.
Рис.1.3.2 Амплитудно-частотная
характеристика ОУ.
На рисунке 1.3.3 представлена
фазо-частотная характеристика (ФЧХ) ОУ.
Рис.1.3.3 Фазо-частотная
характеристика ОУ.
На рисунке 1.3.4 представлена
логарифмическая амплитудно-частотная характеристика (ЛАЧХ) ОУ.
Рис.1.3.4 Логарифмическая
амплитудно-частотная характеристика ОУ
Ниже приведены временные
характеристики ОУ: переходная функция на рисунке 1.3.5 и импульсная переходная
функция на рисунке 1.3.6.
Рис. 1.3.5 Переходная функция h(t) ОУ
Рис. 1.3.6 Импульсная переходная
функция ω(t) ОУ.
1.4 Статистические характеристики
случайного процесса на входе ОУ (дисперсия, корреляционная функция,
спектральная плотность)
На рисунке 1.4.1 представлена
реализация случайного процесса Х(t) на входе ОУ (расход воздуха).
Рис. 1.4.1 Реализация случайного
процесса X(t) на входе
ОУ.
С помощью программы «MathLab» рассчитаны
математическое ожидание, дисперсия и среднеквадратическое отклонение процесса X(t).
На рисунке 1.4.2 приведен график
центрированного случайного процесса.
Рис. 1.4.2 Центрированный случайный
процесс X*(t).
Приведём автокорреляционную функцию
к ненормированному виду (домножим все её значения на дисперсию) и
аппроксимируем её экспонентой.
Аппроксимирующая функция будет иметь
вид:
На рисунке 1.4.3 приведена
автокорреляционная функция и её аппроксимация.
Рис. 1.4.3 Автокорреляционная
функция процесса X(t) и её
аппроксимация.
В результате работы программы «Advanced Grapher» был
определён коэффициент затухания аппроксимирующей функции:
Таким образом, принимаем
автокорреляционную функцию случайного процесса X(t) равной:
Для нахождения спектральной
плотности случайного процесса X(t)
воспользуемся формулой Винера-Хинчина:
Подставим вместо KX(τ) полученное
выражение корреляции:
Подставляя численные значения,
получим:
График спектральной плотности S(ω) случайного
процесса X(t)
представлен на рисунке 1.4.4.
Рис. 1.4.4 Спектральная плотность S(ω) случайного
процесса X(t).
2.
Определение передаточной функции формирующего фильтра сигнала помехи
Задача отыскания передаточной функции
формирующего фильтра сигнала помехи решается с использованием формулы связи
спектральных плотностей сигналов на входе и выходе фильтра:
В нашем случае на вход формирующего фильтра
поступает сигнал помехи «белый шум» ( SБШ(ω)
= S0 = const
), на выходе же требуется получить сигнал со спектральной плотностью,
рассчитанной в п. 1.4.
Отсюда находим комплексную частотную
передаточную функцию формирующего фильтра:
Переходя от мнимой частоты jω
к комплексной p, получаем
передаточную функцию формирующего фильтра сигнала помехи:
Структурная схема имитационной
модели формирующего фильтра сигнала помехи показана на рис. 2.1.
Рис. 2.1 Модель формирующего фильтра
сигнала помехи.
Графики белого шума единичной мощности
и отфильтрованного сигнала приведены на рисунках 2.2 и 2.3 соответственно.
Рис. 2.2 График сигнала белого шума
на входе формирующего фильтра.
Рис. 2.3 График отфильтрованного
сигнала на выходе формирующего фильтра.
Рассчитаем амплитудно-частотную
характеристику полученного формирующего фильтра:
Амплитудно-частотная характеристика
(АЧХ) и логарифмическая амплитудно-частотная характеристика (ЛАЧХ) формирующего
фильтра сигнала помехи приведены на рисунках 2.4 и 2.5 соответственно.
Рис. 2.4 АЧХ формирующего фильтра
сигнала помехи.
3.
Имитационное моделирование САУ при действии сигнала помехи
.1 Разработка структурной схемы имитационной
модели САУ
В качестве регулирующего воздействия на систему
был взят прямоугольный импульс амплитудой А = 80 (А) и длительностью tИ
= 10 минут.
Модель входного импульса реализуем с помощью
источника «Step».
Воздействие, поступающее на вход САУ,
представляет собой сумму входного импульса, являющегося полезным сигналом, и
сигнала помехи.
Имитационная модель воздействия поступающего на
вход САУ представлена на рис. 3.1.1. График полезного сигнала с наложенной на
него помехой представлен на рис. 3.1.2.
Рис. 3.1.1 Структурная схема модели входного
воздействия.
Рис. 3.1.2 График входного воздействия (полезный
сигнал + помеха).
Теперь, получив входной сигнал, разработаем
структурную схему САУ. Она будет состоять из сигнала задания (с наложенной на
него помехой), ПИД-регулятора и собственно объекта управления.
На рисунке 3.1.3 приведена структурная схема
разрабатываемой САУ.
Рис. 3.1.3 Структурная схема САУ.
На рисунке WРЕГ
(p) - передаточная
функция ПИД-регулятора, имеющая вид:
WОР (p)
- передаточная функция объекта управления, равная:
.2 Расчет оптимальных параметров
настроек ПИД-регулятора по заданным показателям качества регулирования при
отключенном источнике шума с помощью программы «MATLAB Simulink Response Optimization»
Для получения настроек ПИД-регулятора
составлена схема имитационной модели, представленная на рисунке 3.2.1. В
качестве задания взята «ступенька».
Рис. 3.2.1 Схема получения настроек
ПИД-регулятора
Настройку произведём исходя из
следующих требований:
· Перерегулирование не более 15%
· Отсутствие колебательности на выходе
САУ.
· Минимальное время переходного
процесса.
На рисунке 3.2.2 приведено окно работы программы
«MATLAB Simulink
Response
Optimization», рассчитывающей
настройки ПИД-регулятора.
Рис. 3.2.2 Получение настроек ПИД-регулятора
методом итерации.
Ниже представлен результат работы программы:
max Directional First-orderS-count
f(x) constraint Step-size derivative optimality Procedure
1 0 0.02752
14 0 0.004149 25.4 0 97
21 0 0.000142 5.62 0
1.49termination.a feasible or optimal solution within the specified tolerances.
Таким образом, имеем передаточную функцию
ПИД-регулятора:
Теперь, когда входной сигнал и ПИД-регулятор
рассчитаны, проведём имитационное моделирование работы САУ согласно схеме на
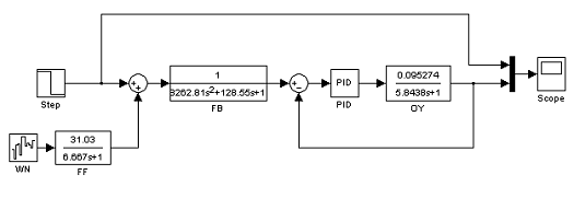
рисунке 3.2.3.
Рис. 3.2.3 Структурная схема модели
САУ при воздействии помехи
На рисунке 3.2.4 представлен график
реакции САУ на воздействие полезного сигнала с наложившейся на него помехой.
Рис.3.2.4 Реакция САУ на полезный
сигнал с помехой
Для определения качества фильтрации
полезного сигнала рассчитываются соотношения « сигнал / помеха » на входе и
выходе САУ с использованием фильтра помехи и без него.
3.3 Определение сигнала ошибки на
входе ПИД-регулятора путём имитации работы САУ. Расчёт соотношения « сигнал /
помеха » на входе системы
Отношение « сигнал / помеха » во
всех случаях будем рассчитывать как отношение энергий соответствующих сигналов.
Средняя энергия сигнала s(t)
рассчитывается следующим образом:
Примем время интегрирования от 0 до
10 минут, так как полезный сигнал обладает ненулевой энергией только на этом
промежутке.
На рисунке 3.3.1 представлена
структурная схема определения средней энергии полезного сигнала, подаваемого на
САУ.
Рис. 3.3.1 Структурная схема
определения средней энергии полезного сигнала
Энергия полезного сигнала составляет
3,84·106 (А2).
Найдём аналогичным способом среднюю
энергию сигнала помехи, подаваемого на вход САУ. На рисунке 3.3.2 представлена
структурная схема определения средней энергии сигнала помехи.
Рис. 3.3.2 Структурная схема
определения средней энергии сигнала помехи
Энергия сигнала помехи составляет
3,617·104 (А2).
Рассчитаем соотношение « сигнал /
помеха » на входе САУ:
Рассчитаем дисперсию входного
сигнала с помощью программы «Microsoft Excel».
3.4 Определение реакции САУ путём имитационного
моделирования. Расчёт соотношения « сигнал / помеха » на выходе системы
Определим реакцию САУ на полезный сигнал и
найдём среднюю энергию полезного сигнала на выходе САУ по схеме, приведённой на
рисунке 3.4.1.
Рис. 3.4.1 Структурная схема определения реакции
САУ на полезный сигнал и средней энергии полезного сигнала на выходе САУ.
На рисунке 3.4.2 приведена реакция САУ на
полезную составляющую сигнала задания.

Определим реакцию САУ на сигнал помехи и найдём
среднюю энергию сигнала помехи на выходе САУ по схеме, приведённой на рисунке
3.4.3.
Рис. 3.4.3 Структурная схема определения реакции
САУ на сигнал помехи и средней энергии сигнала помехи на выходе САУ.
На рисунке 3.4.4 приведена реакция САУ на сигнал
помехи.
Рис. 3.4.4 График реакции САУ на сигнал помехи.
Рассчитаем соотношение « сигнал / помеха » на
выходе САУ
Как видно, соотношение « сигнал / помеха » на
входе и выходе САУ примерно одинаково.
Для увеличения этого соотношения на выходе САУ,
необходимо отфильтровать сигнал задания на входе регулятора.
.
Фильтрация сигнала помехи на входе регулятора
.1 Расчёт модуля спектральной плотности
задающего сигнала
Для качественной фильтрации сигнала помехи на
входе регулятора, необходимо рассчитать модуль спектральной плотности полезного
сигнала.
Рассчитаем модуль спектральной плотности
входного импульса, используя прямое преобразование Фурье:
На рисунке 4.1.1 приведён график модуля
спектральной плотности полезного сигнала.
Рис. 4.1.1 Модуль спектральной плотности
полезного сигнала.
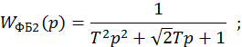
4.2 Определение АЧХ фильтра сигнала по графику
модуля спектральной плотности задания. Выбор передаточной функции фильтра
В качестве фильтра входного сигнала выберем
фильтр Баттерворта второго порядка. Его передаточная функция имеет вид:
Выразим из передаточной функции фильтра его АЧХ:
где Т - постоянная времени фильтра.
ωср - частота среза,
равная: ωср
= 1/Т.
По графику на рисунке 4.1.1 определим частоту
среза исходя из того, что большая часть площади под графиком модуля
спектральной плотности полезного сигнала приходится на интервал от 0 до 0,011
рад/с.
сек
На рисунке 4.2.1 приведена АЧХ
полученного фильтра.
Рис. 4.2.1 Амплитудно-частотная
характеристика фильтра Баттерворта.
Таким образом, передаточная функция
фильтра будет равна:
.3 Включение блока фильтра задающего
сигнала на вход ПИД-регулятора в структуру модели САУ
Включим полученный фильтр на вход
регулятора по схеме, приведённой на рисунке 4.3.1.
Рис. 4.3.1 Структурная схема САУ с
фильтром на входе регулятора
На выходе САУ был снят
отфильтрованный сигнал, изображённый на рисунке 4.3.2.
Рис. 4.3.2 Реакция САУ на
отфильтрованный сигнал
Как видно, форма выходного сигнала
искажается вследствие подавления фильтром высокочастотных гармоник полезного
сигнала.
Однако фильтр устраняет влияние
помехи. В спектр помехи теперь входят лишь низкочастотные гармоники.
.4 Определение соотношения « сигнал
/ помеха » на выходе фильтра (входе регулятора) и выходе САУ
Соотношение « сигнал / помеха » на
входе и выходе САУ с фильтром определим тем же методом, что применялся ранее.
Во всех случаях расчёта средней
энергии сигналов примем интервал времени от 0 до 1400 секунд.
На рисунке 4.4.1 приведена схема
определения средней энергии полезного сигнала на выходе фильтра и выходе САУ.
Рис. 4.4.1 Структурная схема
определения средней энергии полезного сигнала на выходе фильтра и выходе САУ
На рисунке 4.4.2 приведены графики
сигналов на выходе фильтра и выходе САУ при отключенном сигнале помехи.
Рис. 4.4.2 Графики сигналов на входе
регулятора и выходе САУ при отключенном сигнале помехи
На рисунке 4.4.3 приведена схема
определения средней энергии сигнала помехи на выходе фильтра и выходе САУ.
Рис. 4.4.3 Структурная схема
определения средней энергии сигнала помехи на выходе фильтра и выходе САУ
На рисунке 4.4.4 приведены графики
сигналов на выходе фильтра и выходе САУ при отключенном полезном сигнале.
Рис. 4.4.4 Графики сигналов на входе
регулятора и выходе САУ при отключенном полезном сигнале
Рассчитаем соотношение « сигнал /
помеха » на выходе САУ с фильтром:
Сравним этот результат с
соотношением « сигнал / помеха » на выходе САУ без фильтра (Ксигнал/помеха_1 =
111,53) :
Из этого следует, что фильтр
подавляет энергию помехи на выходе САУ примерно в 45 раз.
Такой показатель фильтрации нас
вполне устраивает, однако полезный сигнал вместе с этим существенно искажается.
Поэтому такая фильтрация приемлема не везде.
Наиболее подходящее применение такая
фильтрация может найти в тех системах, где требуется преобразование входного
прямоугольного импульса в импульс трапецеидальной формы (см. рис. 4.4.2).
5.
Список использованной литературы
1. Тарасик В. П. Математическое
моделирование технических систем: учебник для вузов. - М.: ДизайнПРО, 2004. -
640 с.: ил.
2. Зарубин В. С.
Математическое моделирование в технике: Учебник для вызов Под ред.
В.С.Зарубина, А.П.Крищенко. - М.: Изд-во МГТУ им. М.Э.Баумана, 2001. - 496 с.
. Дьяконов В. П. Simulink
4. Специальный справочник. - СПб: Питер, 2002. - 528 с.: ил.
. Дьяконов В. П. MatLab
6.5 SP1/7+Simulik
5/6 в математике и моделировании. Серия «Библиотека профессионала». - М.:
СОЛОН-Пресс, 2005. - 576 с.
. Лукас В. А., Теория
автоматического управления. - М.: Недра, 1990. - 416 с.: ил.
. Гмурман В. Е., Теория
вероятностей и математическая статистика. - М: Высшая школа, 2003.
. Технологическая инструкция
НОФ. - Норильск, 2009.