Статические и динамические характеристики системы автоматического осевого уравновешивания ротора центробежного насоса
СОДЕРЖАНИЕ
Реферат
Перечень условныхобозначений
Введение
. Уравновешивание осевых сил, действующих на ротор
.1 Причина возникновения осевой силы
.2 Методы устранения осевой неуравновешенности
.3 Принцип работы уравновешивающего устройства гидропяты
.4 Причины повреждения гидропят и методы их устранения
.5 Конструкции разгрузочных устройств и методы улучшения их
работы
.6 Выводы
. Вывод основных характеристик АУУ
.1 Течение жидкости в цилиндрическом дросселе гидропяты
.2 Анализ течение жидкости в торцовом дросселе гидропяты с
учетом ее конусности
.3 Статический расчет
.4 Деформация диска
.5 Сравнение характеристик традиционной конструкции гидропяты
с конструкцией с упруго-установленными вкладышами
.6 Коэффициент статической жесткости и условие статической устойчивости
.7 Выбор геометрии
.8 Выводы
. Динамический расчет
.1 Постановка задачи
.2 Структурная схема гидропяты и устойчивость системы
. Охрана труда
.1 Анализ опасных и вредных факторов при работе на насосной
станции
.2 Расчет механической вентиляции
Выводы
Перечень ссылок
ПЕРЕЧЕНЬ УСЛОВНЫХ ОБОЗНАЧЕНИЙ
р1, р2, р3 - давления нагнетания в камере гидропяты и на выходе из
торцовой щели;
−
некоторое установившееся давление в камере и за торцовым дросселем гидропяты;
-
перепад давления:
- для цилиндрического дросселя,
- для
торцового дросселя;
-
перепад давления на преодоление местных сопротивлений в цилиндрической щели, на
входе и на выходе из торцового канала;
,
- полный перепад давления в цилиндрической и торцовой
щели;
-
частота вращения ротора;
Т
- осевая сила;- уравновешивающая сила;
−
сила, действующая со стороны жидкости на стенки торцового зазора;
−
площади элементов диска гидропяты;
−
коэффициенты жесткости кольца и диска гидропяты;
r, rm -
текущий радиус и средний радиус на торцовой щели;
- длина
цилиндрического дросселя;
- длина
торцового дросселя;
-
толщина диска гидропяты;
- угол
конусности торцового зазора;
-
безразмерный угол конусности торцового зазора,
;
;
q/ -
интенсивность распределенной нагрузки;
w -
величина прогиба диска на его наружном радиусе;
К - коэффициент, который зависит от отношения радиусов r1 и r3 ;
-
постоянный по длине цилиндрический зазор;
-
местный зазор;
-
составляющая торцового зазора на среднем радиусе;
-
установившееся значение зазора на среднем радиусе;
- расход
через канал единичной ширины;
- расход
через канал с параллельными неподвижными стенками;
- полные
расходы через цилиндрический и торцовый зазоры;
−
проводимости цилиндрического и торцового дросселей;
−
проводимость торцовой щели при рабочем значении зазора
;
-
коэффициенты местных гидравлических потерь на входе и выходе из цилиндрической
щели и коэффициент потерь по длине канала;
ζс - суммарный коэффициент гидравлических потерь на цилиндрическом
дросселе;
-
коэффициенты местных гидравлических потерь на входе и выходе из торцовой щели и
коэффициент потерь по длине канала;ζт - суммарный коэффициент гидравлических потерь на торцовом дросселе;
-
коэффициенты местных потерь, коэффициент потерь по длине канала и коэффициент
полных потерь соответственно при неподвижных стенках канала;
-
коэффициенты сопротивления трения для цилиндрического и торцового дросселей
соответственно;
,
- модифицированный коэффициент трения для
цилиндрического дросселя и для торцового при движущихся и параллельных стенках
канала соответственно;
-
плотность жидкости;
-
динамический коэффициент вязкости;
- число
Рейнольдса для цилиндрического дросселя и для торцового при движущихся и
параллельных стенках канала соответственно;
n -
показатель степени;
С - постоянная, определяется в зависимости от режима течения жидкости;
,
,
и
- осредненная скорость радиального потока на
внутреннем
, среднем
, внешнем
и на текущем радиусах торцового дросселя;
-
осредненная скорость течения жидкости через цилиндрический канал;
- углы
поворота, определяющие положение системы;
,
;
−
переменная, определяющая конусность канала;
φ - угловая координата;
Реферат
ротор дроссель гидропята
Объект исследования: система ротор - автоматическое уравновешивающее
устройство, исследование гидродинамических процессов в цилиндрическом и
торцовом дросселях.
Цель: исследование гидродинамических процессов в дросселирующих каналах
автоматического разгрузочного устройства с упруго-установленными вкладышами и
построение статических характеристик, дающих представление об эффективности
этого устройства.
Для уравновешивания осевых сил, действующих на роторы современных
высоконапорных центробежных насосов, и измеряемых десятками тонн, оптимальным
является использование автоматических уравновешивающих устройств (АУУ) так как
они работают в режиме автоматического регулирования. АУУ выполняют функции
концевого уплотнения, на котором дросселируется почти полный напор машины, и
радиально-упорного гидростатического подшипника с саморегулируемым торцовым
зазором, на котором срабатывается до 10% мощности насоса. Таким образом, АУУ -
является тяжело нагруженным узлом ротора. [2,4]
Результаты анализа статических и динамических характеристик системы ротор
- УУ позволяют на стадии проектирования наметить пути дальнейшего повышения
экономичности и надежности центробежных машин.
введение
При работе лопастного насоса на его ротор действует сложная система сил,
среди которых самой большой по абсолютному значению является осевая сила. Для
многоступенчатых высоконапорных насосов она измеряется десятками и сотнями
тонн, поэтому устройства для уравновешивания осевых сил оказываются напряженными
и энергонасыщенными. Вместе с тем уравновешивающие устройства представляют
собой сложные саморегулирующиеся гидромеханические системы с обратными связями.
Система уравновешивания осевых сил является комбинированным узлом,
сочетающим функции радиально-упорных гидростатических подшипников и
бесконтактных концевых уплотнений. Для надежности и экономичности таких узлов
необходимо добиваться оптимального взаимодействия отдельных функциональных
элементов, для чего нужны более совершенные методы их расчета и конструирования
[1,2].
В настоящее время в связи с разнообразием условий работы уравновешивающих
устройств и предъявляемых к ним требований применяются различные варианты
конструкций, простейшие статические расчеты которых выполняются по частным, не
связанным друг с другом методикам. Между тем, наиболее перспективные
конструкции построены на общем принципе: между уравновешивающей силой и осевым
положением ротора существует отрицательная обратная связь, обеспечивающая
автоматическую стабилизацию осевого положения ротора. Именно на этом принципе
построены конструкции автоматического уравновешивающего устройства (гидропяты)
[2,3].
Преимущества гидропяты обусловлены главным образом тем, что она
представляет собой систему автоматического регулирования торцового зазора,
несущей способности и протечек .
Но, как и все уплотнения, гидропяты имеют свои недостатки. Их
использование влечет за собой большие потери жидкости. Чтобы обеспечить малые
потери рабочей среды, необходимо уменьшать торцовый зазор при возможных
изменениях осевой силы и деформациях диска гидропяты, а это влечет за собой
опасность контакта торцовых поверхностей.
Поиск оптимальных решений привел к появлению новых конструкций гидропят с
упруго установленными вкладышами. Такие конструкции позволяют отслеживать
возможные перекосы диска гидропяты или опорного кольца и обеспечивать
плоскостность канала, тем самым уменьшая протечки и возможность контакта
торцовых поверхностей [4].
Следуя из выше сказанного в работе были поставлены следующие задачи:
1. Обзор конструкций и методов расчета гидропяты.
. Рассмотреть течение жидкости в цилиндрическом дросселе гидропяты.
Получить расходные характеристики.
. Рассмотреть течение жидкости в торцовой щели с учетом ее конусности.
Получить расходные и силовые характеристики.
. Статический расчет и сравнение характеристик традиционной конструкции
гидропяты с конструкцией с упруго-установленными вкладышами.
1.
УРАВНОВЕШИВАНИЕ ОСЕВЫХ СИЛ, ДЕЙСТВУЮЩИХ НА РОТОР
1.1 Причина возникновения осевой силы
С ростом параметров и частоты вращения питательных насосов условия работы
разгрузочного устройства изменяются и прежние рекомендации, основанные на опыте
создания насосов более низких параметров, становятся не всегда обоснованными.
Это вызывает неточности в расчетах и создает определенные трудности в освоении
питательных насосов на электростанциях. С целью повышения их надежности
возникла необходимость более обоснованного подхода к расчету осевой силы ротора
.
Осевая сила на центробежном колесе возникает из-за того, что площадь
покрывного диска , как правило, приходится делать меньшей, чем основного диска.
Рисунок 1.1 -
Распределение давления на боковых поверхностях колеса
В результате на колесо действует неуравновешенная сила, направленная в
сторону входной воронки. Величина этой силы пропорциональна напору,
развиваемому колесом, и разности площадей основного и покрывного дисков и
зависит от целого ряда факторов, что приводит к изменению ее значения на
различных рабочих режимах. При выборе УУ необходимо обеспечивать
уравновешивание осевой силы на всем диапазоне ее изменения.[2,6]
Осевую силу ротора насосов необходимо определять с учетом расхода
жидкости через уплотнения рабочих колес и начальной окружной скорости потока.
Для расчета осевой силы ротора дается приближенный метод, проверенный в
стендовых и промышленных условиях; расхождение до 10% при работе насоса на
котел. Осевая сила ротора при учете указанных факторов увеличивается на 20-50%
в зависимости от размеров уплотнений и начальной окружной скорости потока на
входе в боковые камеры рабочих колес.
Эта методика позволяет рассчитать осевые силы ротора при различных подаче
и частоте вращения насоса, а также при различных величине утечки и начальной
окружной скорости потока [2,4].
Осевая сила ротора изменяется значительнее при изменении начальной
окружной скорости потока, например, за счет гидравлических потерь колеса, чем
при учете влияния вращения ротора на величину утечки через уплотнения.
Наличие протечки жидкости в передней боковой камере с высокой начальной
окружной скоростью приводит к увеличению окружной скорости потока по сравнению
с задней камерой и к понижению давления по радиусу. Это обусловливает
дополнительный рост осевой силы ротора при увеличении протечек жидкости через
уплотнения колеса [4].
Отношение потенциального напора рабочего колеса к напору ступени
возрастает с увеличением подачи насоса при работе на котел, что вызывает
увеличение относительной осевой силы ротора.
Осевая сила ротора питательных насосов в промышленных условиях обычно
определяется по значениям давлений в камерах до и после разгрузочного диска и
расходу жидкости гидропяты.
В отдельных случаях в турбонасосных агрегатов возникает проблема
уравновешивания осевой силы, направленной в сторону нагнетания, т.е. отрицательной
осевой силы,величина которой зависит от конкретной конструкции машины. В этом
случае величина осевой силы задается как на номинальном режиме, так и на
границах ее изменения. [2]
1.2 Методы устранения осевой неуравновешенности
Для многоступенчатых насосов используется симметричное расположение колес
,что сопряжено с увеличением габаритов и потерь энергии в переводных каналах. В
высоконапорных машинах такой способ уравновешивания применять нецелесообразно.
Вообще, любые способы уменьшения осевой силы, как и любые способы ее
уравновешивания, требует определенных конструктивных усложнений и затрат
мощности, поэтому в каждом конкретном случае для выбора оптимального решения
необходимо тщательно анализировать различные варианты конструкций уравновешивающих
устройств центробежных насосов и компрессоров с точки зрения как эффективности
уравновешивания роторной системы, так и энергоемкости машины [4,5].
В насосах для восприятия осевого усилия ротора устанавливаются
разгрузочные устройства. В основном используют устройства трёх типов: с
постоянной грузоподъемностью, не зависящей от перемещения ротора, -
разгрузочные поршни (думмисы), которые в случае выполнения их в единой
конструкции с рабочим колесом образуют так называемые разгрузочные полости, и
переменной грузоподъемностью, зависящей от осевого сдвига ротора, - гидропяты
(автоматические разгрузочные устройства) и осевые подшипники.[5,6]
Разгрузочный поршень представляет собой часть ротора, разделяющую полость
высокого давления, обычно соединенную с отводом насоса, и полость низкого
давления, связанную со входом в насос. В случае выполнения его в единой
конструкции с рабочим колесом полостью высокого давления является проточная
часть колеса, а разгрузочная полость (низкого давления) соединяется с входом насоса
отверстиями в роторе или перепускными трубопроводами с подводом насоса. Характерной особенностью разгрузочного поршня является
уплотнение его цилиндрической наружной поверхности, не меняющее характеристику
при осевых сдвигах ротора, и большое отношение гидравлического сопротивления этого уплотнения, даже в неблагоприятных
условиях эксплуатации, к гидравлическим сопротивлениям трактов, соединяющих
полости высокого и низкого давлений с соответствующими полостями насоса [5].
Рисунок 1.2- Устройства с разгрузочным поршнем
Также думмисы делают цилиндрическими, ступенчатыми и с коническими
участками. Поскольку в процессе работы насоса осевая сила, действующая на
ротор, может изменяться в широких пределах, разгрузочные поршни приходится
дополнять упорными подшипниками на сравнительно большие остаточные осевые
нагрузки. Для крупных насосов это, как правило, двусторонние упорные подшипники
с самоустанавливающимися колодками, представляющие собой сложные и
дорогостоящие узлы.[5]
Конические думмисы оказались эффективными в центробежнах компрессорах на
высокие давления, где обычные упорные подшипники недостаточно надежны.
Стендовыми исследованиями установлено, что конические поршни являются наиболее
экономичными, однако в эксплуатации их обнаружены осевые автоколебания роторов
.
Поршни ступенчатой формы применяют в питательных насосах крупных блоков
ТЭС. Кольцевая цилиндрическая щель с лабиринтной или винтовой нарезкой
дополнена торцовым дросселем. Главный недостаток уравновешивавших устройств с
разгрузочными коническими и ступенчатыми поршнями заключается в том, что они
обеспечивают автоматическое регулирование осевой силы в узких пределах. Их
статические характеристики нестабильны. Высокочастотные изменения проводимостей
соответствующих участков уплотнений приводят к значительным пульсациям давления
в разгрузочных полостях и могут вызвать осевые самовозбуждающиеся колебания
роторов. Кроме того, разгрузочные поршни обладают сравнительно большими
протечками.[5,7]
В настоящее время для крупных высоконапорных многоступенчатых насосов
самым эффективным способом уравновешивания осевых сил является использование
автоматических уравновешивающих устройств - гидропят.
.3 Принцип работы уравновешивающего устройства - гидропяты
Данное разгрузочное устройство представляет собой систему автоматического
регулирования, для которой осевое положение ротора (координата x) - регулируемая величина, осевая
сила на рабочем колесе - Т и давления Р1 и Р3 - внешние воздействия, а ротор -
объект регулирования. Основными элементами системы являются разгрузочный диск
5, цилиндрическая щель 1 с постоянным гидравлическим сопротивлением и торцовая
щель 3, сопротивление которой изменяется в результате изменения зазора h2 вследствие осевых смещений ротора
[3,4].
Рисунок 1.3 - Схема автоматического уравновешивающего устройства-гидропяты
При возрастании осевого усилия диск вместе с ротором как одно целое
сдвигается влево. При этом зазор торцовый щели уменьшается, что приводит к
увеличению давления в рабочей полости гидропяты . При этом возрастает
уравновешивающая отжимающая сила F.
Таким образом, происходит автоматическая разгрузка упорного подшипника.
Равновесные состояния гидропяты реализуются при малых зазорах, что обеспечивает
работу устройства в условиях смазываемого рабочей жидкостью упорного
подшипника, а также выполнение функций бесконтактного торцового уплотнения.[4]
Полный
перепад давления
на пяте представляет разность между давлением
нагнетания р1 и давлением в камере за гидропятой. Чаще всего эта камера
соединена с входным патрубком насоса, тогда р3 - давление на входе. Часть
общего перепада давления
дросселируется на торцовом дросселе 3, проводимость
которого зависит от ширины зазора h2, т. е. осевого положения
ротора. Если под действием избыточной осевой силы ротор смещается влево, то
зазор h2 уменьшается, а давление р2 увеличивается,
восстанавливая равенство силы Т, действующей на ротор, и уравновешивающей силы
F, действующей на разгрузочный диск. Таким образом, гидропята автоматически
поддерживает осевое равновесие ротора:
. Зависимость
силы F от торцового зазора представляет статическую
характеристику.[4]
В
предельном случае, когда торцовый зазор равен нулю и протечек нет, давление р2
в камере достигает наибольшего значения и равно давлению перед цилиндрической
щелью и на разгрузочный диск действует максимальная осевая сила F. В
другом крайнем случае, когда торцовый зазор велик, почти весь перепад давления
дросселируется на цилиндрической щели, и давление в камере падает до р2 - р3.
При этом осевая сила уменьшается до нуля.
Надежная
работа разгрузочного устройства насоса обеспечивается при равновесии сил ротора
и диска и отсутствии колебательных процессов с возрастающей амплитудой.
Во
всех режимах насоса торцевой зазор и перепад давлений гидропяты должны
учитывать возможные изменения осевых сил ротора и разгрузочного диска, их
прогибов и величины напора насоса.[3,4]
Разгрузочное
устройство должно выполнять заданные функции в течение определенного промежутка
времени при наличии профилактических ремонтов. К разгрузочным устройствам
насосов предъявляются следующие требования:
уравновешивание
осевых сил ротора во всех режимах насоса (работа под нагрузкой, пуск и
останов);
торцевой
зазор гидропяты выше минимально допустимого, а перепад давлений на нагрузочном
диске меньше общего
минимальный
зазор смазочного слоя гидродинамического подшипника соответствует условию обеспечения
жидкостного трения;
разгрузочное
устройство обеспечивает эксплуатацию насоса не менее 15000 ч без замены с
помощью профилактических ремонтов;
затраты
трения в разгрузочном устройстве не превышают затраты мощности, связанные с
расходом жидкости.[4]
1.4 Причины повреждения гидропят и методы их устранения
Для обеспечения надежной работы гидропят питательных насосов необходимо
выполнение следующих условий:
правильный выбор размеров поверхности разгрузочного диска и величины
торцевого зазора;
выполнение размеров и допусков при изготовлении и ремонте деталей
гидропяты;
высокое качество сборки и надежное крепление деталей устройства;
соблюдение правил эксплуатации, особенно при пусках и переходах с насоса
на насос;
исключение попадания грата, окалины и кусков защитной сетки;
целесообразно ввести в конструкцию гидропяты датчик температуры,
установив его в износостойкое кольцо подпятника , для прогнозирования выхода из
строя гидропяты.[4]
Первое условие. Площадь рабочей поверхности разгрузочного диска выбирается
таким образом, чтобы осевая сила ротора на всех режимах работы насоса
уравновешивалась силой разгрузочного диска благодаря перепаду давлений. Поэтому
с целью улучшения работы гидропяты увеличиваются наружный и внутренний радиусы
диска. Иногда вводится предварительная конфузорность торцевой щели за счет
конусности торца разгрузочного диска. Кроме изменения размеров разгрузочного
диска увеличивают диаметр задней концевой втулки (на 5 мм) по сравнению с
передней. В этом случае предотвращаются задевания рабочих поверхностей при
пуске насоса и срыве подачи за счет давления уплотняющего конденсата на
дополнительную площадь втулок вала [4,5].
Следует отметить, что в практике эксплуатации наблюдались размывы секций
внутреннего корпуса или по сварке, или по разъему (при недостатках изготовления
и сборки насоса), что приводило к увеличению осевой силы ротора и снижению
давления. При наличии запаса по уравновешивающей силе происходит уменьшение
расхода воды через гидропяту, при этом, несмотря на уменьшение торцевого
зазора, гидропята работает удовлетворительно. В случае отсутствия отмеченного
запаса возникновение размывов разъемов секций внутреннего корпуса ухудшает
условия работы гидропяты и в совокупности с другими факторами (например, размыв
рабочих поверхностей разгрузочного диска при росте перепад давлений) приводит к
задеваниям и аварийному механическому износу торцов. Итак, выбор площади
разгрузочного диска с требуемым запасом по уравновешивающей силе обеспечивает
удовлетворительную работу гидропяты и в рассмотренном случае.[4]
Второе условие, в значительной мере определяющее надежность работы
гидропяты, - строгое соблюдение указанных в чертежах допусков при изготовлении
и ремонте деталей устройства. Например, гидропята насоса повреждалась
вследствие того, что при ремонте устанавливались запасные детали, изготовленные
с нарушением допусков. В другом случае причиной тяжелого повреждения явилось
отсутствие радиусных переходов шпоночного паза разгрузочного диска вследствие
неточного изготовления .Наблюдались повреждения гидропяты при неравномерной
затяжке болтов дожимного фланца пяты. В связи с этим в технологи сборки
питательных насосов требуется включать операции проверки по краске
параллельности торцов неподвижной пяты и разгрузочного диска после
окончательной затяжки напорной крышки насоса и болтов прижимного фланца [5].
Для предотвращения повреждений нередко увеличивают расход жидкости за
счет кольцевого зазора. Однако даже при увеличении расхода в несколько раз
торцевой зазор остается около 0,2-0,25 мм, поэтому вероятность повреждений не
уменьшается.
В практике наблюдаются размывы рабочих поверхностей диска и неподвижной
пяты вследствие больших перепадов давлений и радиальных скоростей жидкости.
Разрушению указанных поверхностей способствуют радиальные следы, прочерчиваемые
твердыми частицами, и микротрещины, вызванные недостатками термообработки.
Иногда их износ обусловливается сработкой или проточкой закаливаемого слоя.
Выполнение вышеприведенных условий уменьшает вероятность размыва торцевых
поверхностей гидропят.[5]
Исследования показали, что интенсивность эрозионного износа существенно
снижается при уменьшении скорости жидкости в щели. Это также достигается
проведением через каждый год (из опыта эксплуатации) профилактических осмотров
гидропят и их притиркой в случае наличия радиальных рисок.
Третье условие - надежное крепление деталей гидропяты. Конструктивные
недостатки крепления деталей гидропяты являются причинами повреждений
разгрузочных устройств. Гидропяты повреждались вследствие самоотвинчивания
крепежной гайки перед диском. После изменения направления резьбы и замены
материала гайки (сталь вместо бронзы) повреждения не повторялись [5,6].
Четвертое условие - соблюдение правил технической эксплуатации. Одной из
причин повреждений гидропяты и проточной части насосов является вскипание
жидкости из-за возникновения кавитации на их входе. Это обычно происходит при
пусках и переходах с насоса на насос и в большинстве случаев бывает следствием
ошибочных действий эксплуатационного персонала. Наиболее серьезные повреждения
насоса и гидропяты наблюдаются при пуске насоса, если не открывается клапан
рециркуляции или резко снижается уровень жидкости в деаэраторе.
Одним из факторов, отрицательно влияющих как на долговечность уплотнений,
так и гидропяты питательного насоса (на который следует обратить внимание при
эксплуатации), является возникновение разностей температур между верхней и
нижней частями корпуса. Это приводит к деформации корпуса и в некоторых случаях
к повышенному износу рабочих торцов и кольцевых втулок гидропяты и уплотнений
при пуске насоса [5].
Для снижения разности температуры до 15-20°С в эксплуатации используются
различные схемы прогрева. Наиболее эффективной из них является схема прогрева
насоса через дренаж нижней части наружного корпуса. Недостатками указанной
схемы предпускового прогрева насоса через дренаж нижней части корпуса являются
медленное снижение остаточных разностей температур (20°С) по наружному корпусу
после пуска недостаточно прогретого насоса и возникновение разностей температур
после пуска холодного насоса из-за отсутствия циркуляции жидкости в
межкорпусном пространстве.[4,5]
Пятое условие-защита от попадания окалины, грата и кусков защитной сетки
в щели гпдропяты и уплотнения насоса; последнее приводит к повреждению .Часто
твердые частицы вызывают кольцевые натиры и риски на рабочих поверхностях.
Проточка небольших кольцевых канавок не всегда целесообразна, так как это
приводит к уменьшению закаливаемого слоя.
Некоторая часть повреждений насоса происходит вследствие заклинивания твердых
частиц в дросселирующих кольцевых щелях гндропяты. Обычно при правильно
выбранных размерах разгрузочного диска мелкий сварочный грат при попадании в
торцевую щель или истирается, или проталкивается по направлению движения
жидкости, оставляя натиры па поверхности. Опасным является попадание крупных
частиц в кольцевую щель. Поэтому для исключения попадания грата в щели
разгрузочного устройства обычно устанавливают сетки с ячейками 0,4-0,5 мм и
проводят ежегодный контроль за их сохранностью [5,6].
Анализ данных о повреждениях разгрузочных устройств. Количество
повреждений гидропяты питательных насосов зависит от выполнения вышеприведенных
условий. Анализ опыта эксплуатации показал, что доля повреждений гидропят
питательных насосов в среднем составляет 2-8% общего числа повреждений насоса.
В некоторых случаях эта величина возрастает из-за ошибок проектирования,
изготовления и эксплуатации.
Итак, если наблюдается повышенное количество повреждений гидропяты,
несмотря на повышения качества изготовления, с целью улучшения работы требуется
увеличение размеров разгрузочного диска, а в некоторых случаях увеличение
диаметра втулки заднего концевого уплотнения по сравнению с передней.[4,5]
.5 Конструкции гидропят и способы улучшения их работы
Для улучшения работы гидропяты рекомендуются следующие способы:
повышение сопротивления дросселирующих кольцевой и торцевой щелей при
помощи ступенчатых втулок и кольцевых канавок;
устранение соприкосновения торцевых рабочих поверхностей гидропяты путем
применения сферических поверхностей;
повышение уравновешивающей силы рабочей торцевой поверхности;
объединение линий гидропяты и рециркуляции;
применение дополнительных уравновешивающих устройств;
замена гидропяты комбинированным разгрузочным устройством.
Повышение сопротивления дросселирующих щелей гидропяты. С целью повышения
экономичности насоса снижают расход жидкости через гидропяту путем уменьшения
кольцевого и торцевого зазоров.
В кольцевой щели применяют ступенчатые втулки, которые уменьшают расход и
повышают уравновешивающую силу разгрузочного диска. Обычно выполняются две
ступени, разница между радиусами которых составляет 2,5 мм.
Ступенчатые кольцевые втулки согласно примеру расчета позволяют уменьшить
расход жидкости на 4% и перепад давлений на диске на 8% по сравнению с прямыми
втулками при одинаковых торцевых зазорах.[3,4]
Для повышения сопротивления кольцевой щели протачивают кольцевые и
спиральные канавки , которые в основном выполняются на насосах при частоте
вращения ротора до 3000 об/мин, Кольцевые канавки применяются и в торцевой щели
в тех же рабочих условиях. Они протачиваются на неподвижном зеркале пяты.
Расход жидкости через гидропяту уменьшается примерно на 16- 20% при наличии
кольцевых канавок в щели.
Рисунок 1.4 - Гидравлическая пята с дросселирующими ступенчатыми
втулками:
а - прямые втулки с кольцевыми канавками (/, //);
б - ступенчатые кольцевые втулки,
в,г - дополнительная кольцевая щель на выходе и входе торцевой
Применение добавочного сопротивления на выходе торцевой щели приводит к
увеличению торцевого зазора на 15% при соотношении длин щелей дополнительной и
основной и неизменных размерах последней В случае повышения сопротивления
основной кольцевой щели расход уменьшается примерно на ту же величину [4].
Конструкция гидропяты с гидравлическими уравновешенными износостойкими
вкладышами. Конструкция гидропяты с износостойкими вкладышами более
прогрессивна по сравнению с традиционной, однако также не лишена недостатков,
основным из которых является повышенная чувствительность к качеству
изготовления, как самых вкладышей, так и сопрягаемых с ними деталей.
Значительно уменьшить деформации износостойких колец гидропяты , обеспечив при
этом минимально возможные искажения формы торцового зазора, можно за счет
гидравлического уравновешивания вкладышей в обоймах. Для этого необходимо
установить резиновые уплотнительные кольца с тыльной стороны вкладышей .На
форму торцового зазора уже не оказывает влияние деформация опорного диска и
напорной крышки насоса, так как вкладыши не связаны жестко с сопрягаемыми и их
деформации на вкладыши уже не передаются , появляется возможность самоустановки
вкладышей при работе машины.[9,10]
Применяя гидравлическую разгрузку износостойких колец , мы получаем еще
одно преимущество , а именно снимаем с торцовой щели функцию создания несущей
способности , перекладывая ее полностью на диск гидропяты и оставляем за
торцовым дросселем только регулирование давления в разгрузочной камере. Таким
образом гидропята становится менее чувствительной к деформациям , нарушающим
плоскостность торцового зазора, так как деформации уже не приводят к уменьшению
несущей способности и торцового зазора , т.е. гидропята становится существенно
надежнее[9,10].
Гидравлическое уравновешивание вкладышей также позволяет отказаться от
жестких требований к точности и качеству обработки опорной поверхности .
Уменьшение рабочего зазора в гидропяте при обеспечении требуемой
надежности позволит существенно уменьшить величину утечки через гидропяту, тем
самым, обеспечить больший КПД насоса.
Применение сферических поверхностей. Для устранения соприкосновения по
кромке рабочих торцевых поверхностей гидропяты при прогибах ротора и корпуса
насоса предлагается выполнять их сферическими по радиусу[4,5].
а) б)
Рисунок 1.5 - Усовершенствованные конструкции гидропяты с упруго
установленными вкладышами:
а) с упруго опертым кольцом, установленным на диске гидропяты;
б) с упруго опертым кольцом, установленным в корпусе гидропяты
Рисунок 1.6 - Гидропята со сферическими рабочими поверхностями
а)сферические рабочие поверхности б) сферические опорные поверхности
В такой конструкции возможно задевание сферических торцов при неточностях
сборки и изготовления. Этот недостаток устраняется самоустанавливающейся
гидропятой со сферической опорной поверхностью. Диск и неподвижная пята
выполняются из двух частей, одна из которых 2 подвижная и опирается на другую 1
по сферической поверхности. Равномерность зазора обеспечивается за счет действия
на подвижные детали гидродинамического момента благодаря эпюре давления.
Уплотнение между обеими частями (1,2) достигается уплотнительным шнуром 4 и
давлением воды. Первоначальное их прижатие и установка производятся при помощи
пружин 5, а для исключения поворота подвижных элементов по окружности
устанавливаются ограничительные штифты 3. Недостатком самоустанавливающейся
пяты является наличие диска, состоящего из двух деталей, что создает трудность
в их уплотнении. Поэтому наиболее целесообразно применение этой пяты при
небольших перепадах давлений.[3]
Повышение уравновешивающей силы рабочей торцевой поверхности. Для
уравновешивания рабочая поверхность разгрузочного диска используется
недостаточно эффективно в связи с падением давления в торцевой щели с малым
зазором 0,07- 0,17 мм. Если эффективность использования диска принять равной
100%, то эффективность указанной поверхности составит 15-35% в зависимости от
формы торцевого зазора, 15% при наличии диффузорности торцевой щели и 35% для
случая параллельных поверхностей [4].
Для повышения уравновешивающей силы рабочего торца разгрузочного диска
применяются следующие мероприятия. При наличии концентрических канавок на торце
неподвижной пяты их камеры соединяют дополнительными каналами с камерой перед
диском.
Рисунок 1.7 - Разгрузочное устройство насоса с линией рециркуляции
В насосах с прогибами разгрузочного диска компенсируют диффузорность
около 0,05 мм за счет предварительной конфузорности щели. Применяются упомянутые
выше ступенчатые кольцевые втулки или некоторое увеличение радиуса аналогично
разгрузочному поршню, так как большая часть напора насоса воздействует на
поверхность между радиусами [4].
Объединение линий гидропяты и рециркуляции. При работе насоса на малых
подачах с открытым клапаном 2 линии рециркуляции можно увеличить торцевой
зазор. Это достигается , если каналом 3 объединяются линия рециркуляции 1, 2 и
камера гидропяты 4, 5. Такое разгрузочное устройство автоматически обеспечивает
увеличение торцевого зазора на малых подачах и снижает перепад давлений на
клапане рециркуляции в момент открытия. Для увеличения зазора при пусках насоса
используется жидкость из линии рециркуляции, напор которой частично
дросселируется в торцевой щели гидрояты.[4]
Применение дополнительных уравновешивающих устройств. Для предотвращения
износа рабочих торцов гидроляты во время пуска насоса выполняются рубашки
ротора с разными диаметрами на участке концевых уплотнений. За счет разности
диаметров рубашек и давления уплотняющего конденсата исключаются касания
торцевых поверхностей в указанном режиме. У такого ротора диаметр задней
рубашки больше на 5 мм диаметра передней.
В некоторых случаях для устранения касаний в гидропяте при пуске насоса
дополнительно устанавливается механический подшипник на 8000 Н. Для повышения
надежности питательных насосов энергоблоков 600 МВт иногда используют
гидродинамический подшипник типа Митчела, который может воспринять силу ротора
в случае повреждения гидропяты [3,4].
Комбинированные разгрузочные устройства. Вместо гидропяты выполняют
комбинированное разгрузочное устройство . Осевая сила ротора уравновешивается
разгрузочными поршнем и диском, а остаточная величина воспринимается
гидродинамическим подшипником. Недостатки конструкции связаны с трудностями
согласования совместной работы дисков гидропяты и гидродинамического подшипника
.
С учетом отмеченных недостатков на некоторых насосах устанавливается
разгрузочный поршень. Основная часть осевой силы ротора воспринимается
разгрузочным поршнем, а другая часть уравновешивается гидродинамическим
подшипником [2,5].
Тенденции насосостроения по разгрузочным устройствам. Как уже
упоминалось, к надежности питательных насосов при отсутствии резерва должны
предъявляться повышенные требования, чтобы исключить вынужденные простои или
снижение нагрузки блока. С учетом этого обстоятельства с целью исключения
осевых задеваний при работе насоса на вало-повороте и срыве подачи перешли от
схемы уравновешивания осевых сил ротора с помощью гидропяты к разгрузочному поршню
и комбинированной схеме двух предыдущих конструкций. Для обоснования этого
решения использовались статистические данные, анализ которых показал, что 50%
общего количества повреждений насосов (включая гидропяту) вызваны или
недостатками проектирования или не выяснены. Остальные 50% приходятся на ошибки
монтажа и ремонта(25%), попадание твердых частиц (10%), недостатки эксплуатации
(12-14%) и др. В результате большого количества повреждений вследствие
недостатков проектирования и невыясненных причин появляется необходимость
замены гидропяты на разгрузочный поршень. Однако во многих случаях не применяют
разгрузочный поршень с гидродинамическим подшипником из-за существенного
снижения к. п. д. насоса, например к. п. д. на 1,6% (абсолютных) ниже, чем для
насоса с гидропятой, только за счет увеличения протечек воды из насоса ., Для
восприятия небольших осевых сил ротора при срыве подачи, пуске и др. установлен
небольшой упорный гидродинамический подшипник двустороннего действия. Нередко
устранение касаний в гидропяте при работе на валопо-вороте и пуске насоса
осуществляется давлением воды на дополнительную площадь вала вследствие
увеличенного диаметра защитной втулки заднего концевого уплотнения по сравнению
с передней [5,6].
Таким образом, в крупных насосах для уравновешивания осевых сил ротора
применяется гидропята как более перспективное уравновешивающее устройство.[4,5]
.6 Выводы
При работе насоса на его ротор действует сложная система сил, среди
которых самой большой по абсолютному значению является осевая сила. Для
многоступенчатых высоконапорных насосов она измеряется десятками и даже сотнями
тонн, поэтому устройства для уравновешивания осевых сил оказываются
напряженными и энергонасыщенными.
В основном используют устройства трёх типов: с постоянной грузоподъемностью,
не зависящей от перемещения ротора, - разгрузочные поршни (думмисы), которые в
случае выполнения их в единой конструкции с рабочим колесом образуют так
называемые разгрузочные полости, и переменной грузоподъемностью, зависящей от
осевого сдвига ротора, - гидропяты (автоматические разгрузочные устройства) и
осевые подшипники.
Преимущества автоматического уравновешивающего устройства обусловлены,
главным образом, тем, что оно представляет собой систему автоматического
регулирования торцового зазора, несущей способности и протечек.
Конструкции гидропяты построены на общем принципе: между уравновешивающей
силой и осевым положением ротора существует отрицательная обратная связь,
обеспечивающая автоматическую стабилизацию осевого положения ротора.
При проектировании автоматического уравновешивающего устройства главным
образом необходимо учитывать возможность чрезмерного уменьшения торцового
зазора при возможных изменениях осевой силы.
В настоящее время для крупных высоконапорных многоступенчатых насосов
самым эффективным способом уравновешивания осевых сил является использование
автоматических уравновешивающих устройств - гидропят.
2. Вывод основных характеристик АУУ
.1 Течение жидкости в цилиндрическом дросселе гидропяты
Для решения задачи течения жидкости в цилиндрическом дросселе используют
уравнение движения:
(2.1)
где
- динамический коэффициент вязкости;
-
постоянный по величине цилиндрический зазор;
-
коэффициент сопротивления трения;
-
скорость потока жидкости в цилиндрическом канале;
−
коэффициент полных потерь на цилиндрическом дросселе.
Коэффициент
сопротивления трения
равен:
,
где
,
,
.
Расход
жидкости через цилиндрический канал можно представить как:
, (2.2)
Постоянные
и
в
зависимости от режима течения приведены в таблице 2.1.
Таблица
2.1 - Постоянные
и
для
различных режимов течения
|
Режим течения
|
n
|
C
|
|
|
Ламинарное течение
|
1
|
96
|
|
|
Турбулентное течение
|
0,25
|
0,307
|
|
Автомодельная область
турбулентного течения
|
0
|
0,06 - для торцового дросселя
0,04 - для цилиндрического дросселя
|
Уравнение
Рейнольдса с учетом
и
примет
вид:
(2.3)
Проинтегрировав
выражение (2.3), получим распределение давления по длине цилиндрического
дросселя:
(2.4)
Полный
перепад давления в цилиндрической щели можно представить как:
,
где
;
;
-
коэффициент местных потерь на входе в канал;
-
коэффициент местных потерь на выходе;
-
коэффициент потерь по длине канала.
Коэффициенты
местных потерь являются постоянными величинами, которые по экспериментальным
данным принимают следующие значения: коэффициент потерь на входе в канал
, на выходе -
.
Коэффициент
потерь по длине канала:
. (2.5)
Перепад давления на цилиндрическом дросселе, а также сумма давлений на
входе и выходе из дросселя с учетом местных потерь:
(2.6)
(2.7)
Постоянную
определим, приравнивая сумму давлений (2.4)
выражению (2.7). Получим:
(2.8)
Постоянную
определим, приравнивая разность давлений (2.4)
выражению (2.6):
(2.9)
С учетом найденных величин получим выражение для элементарного расхода
жидкости через цилиндрический дроссель:
(2.10)
Проинтегрировав
выражение (2.10), получим полный расход через цилиндрический канал:
(2.11)
2.2 Анализ течения жидкости в торцовой щели с учетом ее конусности
Для решения задачи течения жидкости в торцовом дросселе используют
осредненные уравнение движения с учетом центробежной силы инерции уравнение неразрывности
:
(2.12)
где
- частота вращения;
-
текущий зазор;
-
составляющая
зазора на среднем радиусе;
-
переменная, определяющая конусность канала;
-
средний радиус;
-
текущий радиус;
;
;
;
;
;
- угол
конусности торцового зазора.
Данная
система уравнений (2.12) замыкается граничными условиями для давления с учетом
местных потерь:
при

,
при

,
где
- местные гидравлические потери на входе и на выходе
канала (рисунок 2.1).
Из
уравнения неразрывности системы выразим элементарный расход жидкости в
радиальном направлении:
(2.13)
где
- не зависящая от радиуса составляющая расхода,
- постоянная составляющая радиальной скорости на
среднем радиусе,.
Тогда
осредненная скорость течения жидкости в зависимости от радиуса:
(2.14)
(2.15)
Рисунок
2.1 - Распределение давления в торцовом дросселе с учетом местных потерь
Учтем
изменение модифицированного коэффициента трения в радиальном направлении по
длине торцового зазора в зависимости от скорости радиального потока жидкости, а
именно :
,
где
,
,
- параметры, определяемые без учета движения стенки;
−
осредненная скорость течения жидкости в зависимости от радиуса;
−
осредненная скорость течения жидкости в торцовом зазоре при параллельных
стенках канала.
Уравнение
Рейнольдса системы (2.12) с учетом
и
примет вид:
(2.16)
Полный перепад давления на торцовой щели:
(2.17)
где
− коэффициент местных потерь на радиусе
;
−
коэффициент местных потерь на радиусе
;
−
коэффициент потерь по длине канала;
−
коэффициент полных потерь на торцовом дросселе;
,
и
−
осредненная скорость радиального потока на внутреннем
, среднем
и
внешнем
радиусах соответственно.
Коэффициенты
местных потерь являются постоянными величинами, которые по экспериментальным
данным принимают следующие значения: коэффициент потерь на входе в канал
, на выходе -
.
Коэффициент
потерь по длине канала:
(2.18)
где
- коэффициент сопротивления трения;
- число
Рейнольдса основного радиального потока.
Таким образом, коэффициент потерь по длине канала:
(2.19)
Интегрируя
(2.16), найдем распределение давления по радиусу:
(2.20)
Перепад
давления на торцовом дросселе, а также сумма давлений на входе и выходе
торцового дросселя с учетом местных потерь:
(2.21)
(2.22)
Здесь
параметры, определяющиеся при неподвижных стенках канала, равны: коэффициенты
местных потерь -
и
,
коэффициент потерь по длине канала -
и коэффициент
полных потерь
. Величина скорости жидкости на среднем радиусе
.
Постоянную
найдем, приравнивая сумму давлений
выражению (2.22). В результате получим:
(2.23)
Приравнивая
разность давлений
выражению (2.21), найдем неизвестные постоянные:
(2.24)
где
,
С
учетом найденных величин получаем распределение давления по длине торцового
дросселя:
(2.25)
где
гидростатическая составляющая давления:
На
рисунке 2.2 приведено изменение постоянной составляющей гидростатического
давления по длине торцового дросселя без учета и с учетом местных потерь.
Давление без учета местных потерь завышено, следовательно, результирующая сила
также отличается в большую сторону от осевой силы, подсчитанной с учетом
местных потерь.
Рисунок 2.2 - Изменение давления по длине торцового дросселя
Элементарный расход жидкости через торцовый дроссель:
(2.26)
Давление
жидкости вызывает силы и моменты, действующие со стороны жидкости на диск
гидропяты и неподвижное опорное кольцо, которые формируют торцовый дроссель.
Силы и моменты, обусловленные давлением жидкости в торцовой щели, можем найти,
интегрируя полученные ранее выражения для давления по площади уплотняющей
поверхности
, (2.27)
Интегрируя, получим:
(2.28)
где:
, (2.29)
Сила,
действующая со стороны жидкости на стенки торцового дросселя определяется
перепадом давления на торцовом дросселе, а также обусловленная эффектом
вытеснения, вызвана движением стенок, образующих зазор. Это движение учитывает
вращение кольца, осевые и угловые колебания.
Моменты,
действующие со стороны жидкости на стенки торцового дросселя, обусловленные
перекосом, угловыми колебаниями и эффектом вращения.
Полный
расход через торцовый дроссель найдем, интегрируя элементарный расход через
торцовый сектор
по окружности:
(2.30)
В результате получим:
(2.31)
.3
Статический расчет
Целью
статического расчета является выбор основных геометрических параметров такими,
чтобы в заданном диапазоне изменения уравновешиваемой силы Т торцовые зазоры х
и расходы Q не выходили за допустимые пределы. Расчетная схема системы
автоматического уравновешивания должна учитывать все факторы, оказывающие
существенное влияние на работу системы, и в то же время не должна загромождаться
излишними подробностями, затрудняющими анализ и дающими лишь незначительные
количественные поправки в результаты расчета. При оценке значимости тех или
иных факторов нужно иметь в виду, что погрешность вычисления уравновешиваемой
осевой силы даже в номинальном режиме может достичь 50 %, не говоря уже об
изменении этой силы в процессе эксплуатации насоса.
Статическую
характеристику получаем в результате решения двух уравнений: уравнений баланса
сил и баланса расходов:
(2.32)
где
и
- полные
расходы соответственно цилиндрического и торцового дросселей.
F -
уравновешивающая сила.
Расходы
жидкости через цилиндрический и торцовый дроссель представим в виде:
,
, (2.33)
где
- проводимость цилиндрического канала;
где
(β).
Осевая
сила определяется следующим выражением:
, (2.34)
Давление
p2 зависит от проводимости торцового дросселя и в
установившемся состоянии определяется из уравнения баланса расходов:
(2.35)
Подставляя
значение p2 в уравнение баланса сил (2.34), построим зависимость
, которая является статической характеристикой.
Подставляя значение p2 в уравнение баланса расходов (2.33) и разрешая его
относительно
, получаем расходную характеристику.
Рисунок 2.3- Схема традиционной конструкции гидропяты
Для расчета статической характеристики традиционной конструкции гидропяты
возьмём такие параметры:
Таблица 2.2- Расчетные данные
Давление на входе в камеру Давление
на выходе из камеры
Геометрические параметры: радиусы зазоры r1= 0.075м r4 = 0.120м r2 =
0.125м r5 = 0.143м r3 = 0.155м
м
|
м
|
|
|
Длинна
цилиндрического канала Длинна торцового канала
|
lc
= 0.207м b = 0.03м
|
|
Плотность
|
кг/м3
|
|
Коэфициент
сопротивления трения
|
|
.4 Деформация диска
В рабочих условиях гидропата испытывает нагрузки, обусловленные главным
образом действием давления рабочей среды. Это приводит к возникновению силовых
деформаций диска гидропяты, в результате которых форма торцового зазора
изменяется. Изменение плоскостности ведет к перераспределению гидравлического
давления в торцовой щели, что приводит к изменению сил и моментов. В результате
возникает опасность раскрытия торцового зазора, вызывающего повышенный износ
устройства [8].
Параметром конусности является угол конусности β
(рисунок 2.7).
(2.36)
где
прогиб
диска на радиусе
под действием равномерно распределенной по
эффективной площади нагрузки
. К -
коэффициент, зависящий от относительной ширины диска
,
- толщина
диска.
Рисунок
2.4 - Расчетная схема уравновешивающего устройства с деформированным диском
Угол
конусности β
можно определить также из максимальных
деформаций рассчитанных с использованием многоцелевого универсального
программного комплекса ANSYS 11.0, позволяющего определить
напряженно-деформированное состояние конструкции методом конечных элементов.
Рисунок
2.5 - Деформация традиционной конструкции гидропяты
Рисунок
2.6 - Деформация усовершенствованной конструкции
При
различных давлениях в камере гидропяты были посчитаны деформации для
традиционной конструкции конструкцией с упруго-установленными вкладышами.
Рисунок
2.7 - Деформация гидропяты:
традиционной
конструкции
новой
конструкции
Как
видим из графика усовершенствованная конструкция при тех же значениях давлений
получает деформации меньшие чем традиционная, что подтверждает ее преимущество.
.5
Сравнение характеристик традиционной конструкции гидропяты с конструкцией с
упруго-установленными вкладышами
Статический
расчет для конструкцией с упруго-установленными вкладышами проводился по тем же
формулам и при тех параметрах, что и для традиционной конструкции гидропяты.
Совместные графики для традиционной конструкции гидропяты с конструкцией
с упруго-установленными вкладышами были построены с помощью среды “mathcad”. Из них видно ,что при оптимальном
значении осевой силы усовершенствованная модель работает при меньших зазорах ,а
соответственно и с меньшим расходом через торцовую щель. Причиной этого
являются меньшие значения углов конусности в новой конструкции.
Рисунок 2.8 - Схема гидропяты с упруго-установленными вкладышами
Рисунок 2.9 - Зависимость осевых сил от величин зазоров и расходная
характеристика
Рисунок 2.10 - Зависимости давлений в торцовых дросселях от величин
зазоров
.6 Коэффициент статической жесткости и условие статической устойчивости
Коэффициент
статической жесткости
представляет собой коэффициент пропорциональности
между вариациями регулирующего воздействия и регулируемой величины (зазора).
-
коэффициент статической жесткости.
(2.37)
,что
свидетельствует о статической устойчивости гидропяты. Условие статической
устойчивости системы
выполняется на всем диапазоне изменения торцового
зазора.
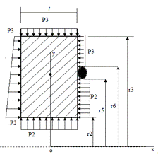
.7 Выбор геометрии сечения
Решим задачу оптимизации для номинального режима работы устройства,
подобрав радиус r6 (рис. ) на
котором находится уплотнительная резинка, таким образом чтобы разгрузить
подвижное кольцо, то есть чтобы угол его поворота β
был минимальным.
Рисунок 2.11 - эпюры давлений на поверхности кольца
Для расчёта перемещений, возникающих в кольцах под действием давления
рабочей жидкости (рис. )а также радиальных и осевых сил, равномерно
распределённых по окружности, применима теория осесимметричной деформации
Бицено, которая основана на следующих допущениях:
а) форма поперечного сечения кольца неизменна - при нагружении сечение
лишь перемещается и поворачивается в своей плоскости;
б) напряжённое состояние в любой точке кольца одноосное .
В теории осесимметричной деформации сравнительно легко вычислить угол
поворота кольца:
,
(2.38)
где
ус - радиус центра тяжести сечения,
- момент
инерции сечения относительно оси Оу, проходящей через центр тяжести и
перпендикулярной оси кольца, Е - модуль упругости материала кольца,
- момент сил относительно оси Оу, обусловленных
неравномерностью полей давлений (рис. ), состоит из момента Mr.
относительно оси Оу радиальных сил давления и
-
момента осевых сил давления.
Рисунок
2.12 - схема поворота сечения кольца под действием момента сил
Момент
относительно оси Оу радиальных сил давления,
действующих на цилиндрические поверхности с радиусами
,
и длиной
,
получим, если просуммируем моменты проекций элементарных сил давления на
плоскость
.
Суммарный
момент по двум цилиндрическим поверхностям равен
(2.39)
Но
так как смещения
и
основной
радиальной нагрузки относительно центра тяжести сечения равны нулю, то и
.
Момент осевих сил:
(2.40)
В
результате аналитического расчета получено, что при увеличении радиуса r6
угол поворота уменьшается:
Рисунок
2.13- зависимость угла поворота от радиуса
Подставив
все выражения в уравнение для угла поворота и решив его относительно r6,
при условии минимального β
получим оптимальный размер.
.8
Выводы
Рассмотрена задача течения вязкой несжимаемой жидкости в цилиндрическом
дросселе с учетом местных сопротивлений, получено выражение для определения
полного расхода через кольцевой канал.
Рассмотрена задача течения вязкой несжимаемой жидкости в торцовом
дросселе с учетом местных потерь. В результате получено распределение давления
жидкости по длине торцовой щели и элементарный расход в радиальном направлении,
вызванный гидростатическим и гидродинамическим потоками.
С помощью ЭВМ и в частности в среды “mathcad” были построены графики силовых и расходных
характеристик, полученных в результате расчета.
3. Динамический расчет
3.1
Постановка задачи
При эксплуатации центробежных насосов с автоматическим уравновешиванием
наблюдаются повышенные осевые вибрации ротора, которые можно объяснить либо
резонансами в системе ротор-авторазгрузка, либо самовозбуждающимися колебаниями
из-за потери системой динамической устойчивости. В связи с этим уравновешивание
системы и проверка ее динамической устойчивости имеют важное значение для обеспечения
надежности быстроходных высоконапорных насосов.
Динамический расчет содержит вычисление коэффициентов характеристических
уравнений, проверку осевой устойчивости системы по критерию Гурвица.
Динамический расчет системы проводился с учетом демпфирования в торцовой
щели, инерционных потерь в дросселях гидравлического тракта, обусловленных
нестационарностью течения и сжимаемостью среды в разгрузочных камерах
гидропяты. Анализ динамики ограничен одномерным осевым движением жесткого
ротора и не учитывает связи, существующей между его изгибными и осевыми
колебаниями. Ротор и гидропята рассматривались как система с сосредоточенными
параметрами.
Рассмотрим
конструкцию системы автоматического уравновешивания осевой силы, действующей на
ротор многоступенчатого центробежного насоса. Представим давление в камере
гидропяты как сумму
, где
−
некоторое установившееся давление в камере,
(
) − отклонение давления жидкости в камере
гидропяты от установившегося значения
. Средний
торцовый зазор определим как
, где
− установившаяся величина зазора на среднем
радиусе,
− осевое смещение ротора. Система описывается
двумя уравнениями: уравнением движения диска гидропяты в осевом направлении и
уравнением баланса расходов. Уравнение движения диска в осевом направлении без
учета статических составляющих:
, (3.1)
где
− сила, действующая со стороны жидкости на
стенки торцового зазора;
,
,
определяются
выражением (2.29);
−
вынуждающая сила.
С
учетом этого уравнение (3.1) перепишем в следующем виде:
(3.2)
Давление
в камере гидропяты
определяется из уравнения баланса расходов через
цилиндрический
и торцовый
дроссели
без статических составляющих с учетом сжатия
и
вытеснения
в камере гидропяты при осевых колебаниях ротора:
, (3.3)
где
;
;
;
−
проводимость торцовой щели при рабочем значении зазора
;
−
объем камеры, Еg - адиабатический объемный модуль упругости жидкости.
Таким
образом, поведение системы автоматического регулирования описывается
нелинейными дифференциальными уравнения первого порядка относительно изменения
давления в камере гидропяты
(
) и осевых колебаний ротора
. Система нелинейная относительно неизвестных
параметров, поэтому численное значение установившихся величин давления и зазора
гидропяты найдем с использованием численных методов.
Обозначим
− безразмерный торцовый зазор гидропяты.
Перейдем к новым переменным
и
. Тогда уравнения колебаний системы (6.2) перепишем
как:
,
.
где
,
,
,
,
,
,
.
Запишем
уравнения системы (6.4) в операторной форме, используя оператор
дифференцирования по времени
:
,
,
где операторы внешних воздействий:
,
,
,
,
Из
системы (6.5) по формулам Крамера находим
,
,
где собственный оператор системы
.
Передаточные
функции системы:
,
,
Реакции
системы на гармоническое воздействие
являются
гармонические функции:
и
.
Производя замену
, получим частотные передаточные функции системы, а,
следовательно, амплитудные и фазовые частотные характеристики:
,
.
Перейдем
к коэффициентам динамичности системы. Для этого найдем из уравнения (6.4)
статическое отклонение величин, полагая все производные по времени равными
нулю. Тогда
,
,
Где
,
,
.
Операторы
системы можно представить в виде комплексных выражений:
,
где
,
,
,
,
,
,
,
Следовательно,
коэффициенты динамичности и фазовые характеристики системы будут следующими
(рисунок 3.1):
,
,
.
Рисунок 3.1- Амплитудно- частотная характеристика изменения зазора
Рисунок 3.2- Фазовая- частотная характеристика изменения зазора
Рисунок 3.3- Амплитудно- частотная характеристика изменения давления
Рисунок 3.4- Фазовая- частотная характеристика изменения давления
.2 Структурная схема гидропяты и устойчивость системы
Под устойчивостью системы понимают ее способность принимать стационарное
состояние, соответствующее данной нагрузке, при исчезновении переменных во
времени внешних возмущений. Устойчивость системы является необходимым условием
ее работоспособности. Для определения устойчивости системы, необходимо
рассмотреть ее структурную схему и записать характеристическое уравнение.
Структурная схема гидропяты, как системы автоматического регулирования,
приведена на рисунке 3.2
Рисунок 3.5 - Структурная схема гидропяты
Запишем характеристическое уравнение системы. Формально, это собственный
оператор, приравненный нулю.
Сгруппировав
члены по
, имеем полином третьего порядка:
.
Определитель
Гурвица здесь записывается так:
Устойчивость
системы будет соблюдаться если:
>0,
>0,
>0,
>0.
Таким
образом, в данном случае, кроме положительности корней, необходимо и достаточно
выполнения соотношения между коэффициентами
>0.
ВЫВОДЫ
В
связи с разнообразием условий работы центробежных машин и предъявляемых к ним
требований в них применяются различные варианты конструкций уравновешивающих
устройств. На основе проведенного анализа имеющихся данных в работе показано,
что эксплуатационные характеристики гидропяты являются одними из наиболее
эффективных среди уравновешивающих устройств, однако при этом она является
наиболее нагруженной и энергонапряженной. Поэтому разрабатываются новые
конструкции гидропят, в частности, с упруго установленными вкладышами, которые
позволяют успешно решать задачи повышения их надежности, герметичности и
долговечности.
В работе рассмотрена задача течения вязкой несжимаемой жидкости в
цилиндрическом и в торцовом дросселях с учетом местных сопротивлений. В
результате получены выражения для определения полного расхода через каналы,
распределение давления жидкости по длине торцового дросселя, а также найдены
гидростатические характеристики.
Рассчитана задача гидроупругости. С использованием программного комплекса
ANSYS 11.0 получена зависимость угла
конусности от давления в камере гидропяты традиционной и усовершенствованной
конструкции.
Разработана методика расчета усовершенствованной конструкции с учетом
упругих деформаций и конусности
На основе установленных зависимостей построены статические
характеристики, определяющие зависимость между зазором и осевой силой, а также
зазором и расходом.
В результате проведенных исследований гидродинамических процессов в
каналах традиционной конструкции гидропяты и конструкции с
упруго-установленными вкладышами видим, что последняя обладает заметным
преимуществом: при оптимальном значении осевой силы усовершенствованная модель
работает при меньших зазорах ,а соответственно и с меньшим расходом через
торцовую щель.
Также была решена задача динамики гидропяты. Построены
амплитудно-частотная и фазовая характеристика.
ПЕРЕЧЕНЬ ССЫЛОК
1.
Марцинковский
В.А. Бесконтактные уплотнения роторных машин. - М.: Машиностроение, 1980. - 200 с.
2.
Марцинковский
В.А., Ворона П.Н. Насосы атомных электростанций. - М.: Энергоатомиздат, 1987. - 256 с.
3.
Марцинковский
В.А. Щелевые уплотнения: теория и практика. - Сумы: Изд-во СумГУ, 2005. - 416
с.
4.
Чегурко Л.Е. Разгрузочные
устройства питательных насосов тепловых электростанций. - М.: Энергия, 1978. -
160 с.
5.
Чегурко Л.Е.
Центробежные энергетические насосы, их неисправности и методы устранения. -
Челябинск, 2002. - 103 с.
6.
Марцинковский
В.А. Гидродинамика и прочность центробежных насосов.- Москва: Издательство
Машиностроение, 1970. - 240 с.
7.
Насосы АЭС:
Справочное пособие / П.Н. Пак, А.Я. Белоусов, А.И. Тимшин и др. Под общ. Ред. П.Н. Пака. - М.: Энергоатомиздат, 1989. -328 с.
8.
Биргер И.А., Шорр
Б.Ф. Расчет на прочность деталей машин. - М.: Машиностроение, 1980. - 230 с.
9.
Пат. RU (11)
2308618 (13) C2 МПК F0 4D 29/041, Разгрузочное устройство центробежного насоса.
Заявл. 2005.04.19, Опубл. 2007.10.20, 3 с.
10.
Пат. RU (11)
2265753 (13) C2 (51) 7 F0 4D 29/04. Разгрузочное устройство центробежного
насоса. Заявл. 2003.04.07, Опубл. 2005.12.10, 4 с.