Розрахунок миттєвих значень струму трифазної системи АІН-АД в силовій схемі локомотива по методу двох складових
Завдання
на курсову роботу
з
дисципліни: Тягові статичні перетворювач
тема: Розрахунок миттєвих значень струму
трифазної системи АІН-АД в силовій схемі локомотива по методу двох складових
Вихідні параметри
Трифазний тяговий електродвигун НБ-607
. Ud = 1500 В.
2.
= 0,016
Ом ;
=0,016 Ом.
.
x1Н =
0,11 Ом; x'2н= 0,188 Ом ; xОН = 4,9 Ом.
. f1Н = 51,5 Гц;
f1 =
70 Гц; f2
= -0,6 Гц.
. q = 0,5;
.
Перелік питань, які підлягають розробці
. Вибір та обґрунтування структури силового ланцюга тягового
електропривода локомотива.
. Вибір та обґрунтування схеми автономного інвертора напруги.
. Вибір форми напруги для живлення автономного інвертора напруги.
. Розрахунок фазних струмів двофазної системи автономний інвертор
напруги - асинхронний електродвигун
1. Вибір та обґрунтування силової схеми тягового
електропривода локомотива
Застосуємо у тяговому
електроприводі локомотива замість машин постійного струму асинхронні тягові
електродвигуни с короткозамкненим ротором, які в наш час знаходять все ширше
застосування, в тому числі і на транспорті.
Для регулювання частоти обертів
ротора (у широкому діапазоні швидкостей) таких двигунів необхідно їх живити
багатофазною (m1≥2) зміною напругою регульованої частоти.
На електрорухомому складі постійного струму вхідний
перетворювач - автономний інвертор напруги, який через вхідний фільтр
безпосередньо або через імпульсний перетворювач приєднаний до контактної мережі.
На сучасних автономних локомотивах з електричною передачею в
якості джерела електроенергії використовується синхронний генератор (СГ),
напруга СГ попередньо перетворюється у постійну напругу величина якої може
стабілізовано змінятися за необхідним законом.
Згідно з теоретичними та експериментальними дослідженнями,
суттєве поліпшення режимів роботи асинхронного тягового електроприводу з
перетворювачами частоти може бути одержано при використанні в тяговому
електроприводі двофазних асинхронних короткозамкнених електродвигунів. В той же
час при застосуванні традиційних трифазних асинхронних електродвигунів існує
ряд проблем, які витікають із умов їх сумісної роботи із напівпровідникова ним
перетворювачами частоти.
Тому можливо використати трифазні асинхронні двигуни на
тяговому рухомому складі. Використання трифазних електродвигунів в першу чергу
пов’язано з поліпшенням умов сумісної роботи асинхронного двигуна.. Відповідно
змінюється структура та топологія вхідного перетворювачів, а в цілому, схемотехніка
тягового електроприводу суттєво спрощується.
Отже, вибираємо силову схему з імпульсним перетворювачем
знижуючого типу, трифазними мостовим інвертором, який живить два паралельно
ввімкнені асинхронні тягові двигуни. Цим досягаємо напруги 3 кВ на кожному з
візків та 1,5 кВ на кожен з однофазних мостових інверторів, отже і на
ізольованих обмотках статора.
2. Вибір та обґрунтування схеми автономного інвертора напруги
Слід відмітити, що у інверторному електроприводі загальне
розповсюдження отримав традиційний трьохфазний асинхронний електродвигун з
короткозамкненим ротором , і зусилля розроблювачів були направлені, в
основному, на відпрацювання схемотехніки і режимів перетворювачів частоти при
їхній сумісній роботі з трьохфазною машиною, на вдосконалення конструкції
трьохфазного електродвигуна з ціллю зниження впливу високих гармонік струму,
викликаних несинусоїдальністю живлячих напруг.
Проте одним із найбільш перспективних напрямків удосконалення
сучасних систем асинхронного електропривода є застосування двохфазних тягових
блоків “автономний інвертор напруги - асинхронний двигун”.
Тяговий електропривод з трифазним асинхронним
електродвигуном, у тому числі і частотно-управляючі, не отримали поки
практичного застосування. Найбільш раціональна система живлення трьохфазного
асинхронного двигуна будується на онові трьохфазних мостових інверторів на
керуючих запираємих тиристорах (рисунок 3.1)
Рисунок 3.1 Трифазний мостовий інвертор
3. Вибір форми напруги для живлення автономного інвертора
напруги
Під оптимальною розуміється така форма кривої фазної напруги,
яка має високий зміст першої гармоніки у загальному дійсному значенні,
забезпечує умови електромагнітній сумісності АІН-АД у всіх робочих режимах, не
приводить к ускладненню схемотехніки АІН. Цим умовам задовольняє такі криві
фазної напруги, які формують годограф вектора магнітного поля у повітряному
зазорі АД у вигляді правильного вписаного многокутника з числом сторін N.
Очевидно, чим більше N, тим ближче годограф магнітного поля у повітряному
зазорі АД до кругового, який відповідає живленню АД синусоїдальною напругою.
Якщо за основу прийняти трьохступеневу на половинному
значенні періоду загальну криву фазної напруги, показану на рисунку 3.3, можна
отримати магнітне поле трифазного АД більше приближене до кругового (N=8 та
N=12).
Рисунок 3.1 Двоступенева форма вихідної фазної напруги двофазного
автономного інвертора напруги
З рисунка 3.1 видно форму фазної напруги, а гармонійний склад напруги
описується наступним рівнянням:
(3.1)
(3.2)
Годограф магнітного поля наближається до форми правильного
восьмикутника, вписаного в коло, а вміст першої гармоніки у діючому значенні
дорівнює 0,955.
4. Розрахунок фазних струмів двофазної системи
„автономний інвертор напруги - асинхронний електродвигун”
Розрахунок ведемо методом двох складових, котрий базується на методах
гармонійних складових і еквівалентного статичного навантаження.
Струм фази
двофазної системи АІД - АД можна подати у вигляді
двох складових: струму першої гармоніки
,
що залежить від частоти обертання
ротора
АД, і суми струмів усіх вищих гармонік
,
що практично не залежить від
:
=
+
(4.1)
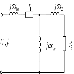
Схема заміщення обертаючого двигуна приведена на рисунку 4.1.
Рисунок 4.1 - Схема заміщення обертаючого двигуна
де
- активний опір статора;
-
активний опір ротора приведений до опору статора;1Н - індуктивний
опір статора;
x'2 - індуктивний опір ротора приведений до
індуктивного опору статора;
xОН - індуктивний опір намагнічуючого контуру.
Параметри ковзання знаходимо за виразами:
,
(4.2)
, (4.3)
де
- частота струму статора;
-
частота ковзання;
-
базова частота.
α =
= 1,35
β =
= -0,012
Розраховуємо загальний активний опір
за
формулою:
, (4.4)
= 0,016 +
=
-1,598 Ом
Розраховуємо загальний реактивний опір хэ за формулою:
(4.5)
=
Ом
Еквівалентний опір Zэ розраховуємо за формулою:
, (4.6)
z
=
Ом
Амплітудне значення напруги
:
(4.7)
=
В
Амплітудне значення напруги першої гармоніки фазної напруги:
(4.8)
В
Амплітудне значення струму першої гармоніки
:
А
Кут зміщення φ1:
,
(4.10)
φ
=
рад
= 27,5 град
Струм першої гармоніки
на
періоді 2π
знаходимо за формулою:
(4.11)
Розрахунки приведемо в таблиці 4.1.
Таблиця 4.1- Розрахунок струму фази
|
θ, град
|
i1(θ), А
|
I1k(θ), А
|
ik(θ), А
|
iв(θ), А
|
iф(θ), А
|
|
0
|
240,719
|
-2398,912
|
-2635,539
|
-236,627
|
4,092
|
|
5
|
280,979
|
-2373,328
|
-2507,622
|
-134,293
|
146,686
|
|
10
|
319,100
|
-2329,682
|
-2380,571
|
-50,889
|
268,211
|
|
15
|
354,793
|
-2268,306
|
-2254,382
|
13,924
|
368,717
|
|
20
|
387,785
|
-2189,666
|
-2129,048
|
60,618
|
448,404
|
|
30
|
444,688
|
-1983,118
|
-1880,923
|
102,195
|
546,883
|
|
40
|
488,079
|
-1716,315
|
-1636,151
|
80,163
|
568,243
|
|
45
|
504,279
|
-1562,785
|
-1515,009
|
47,777
|
552,055
|
|
50
|
516,640
|
-1397,362
|
-1394,687
|
2,675
|
519,315
|
|
55
|
525,070
|
-1275,181
|
-53,877
|
471,192
|
|
60
|
529,503
|
-1035,951
|
-1156,485
|
-120,534
|
408,969
|
|
65
|
529,907
|
-842,714
|
-928,602
|
-85,888
|
444,019
|
|
70
|
526,278
|
-643,063
|
-702,205
|
-59,141
|
467,137
|
|
75
|
518,643
|
-438,518
|
-477,342
|
-38,824
|
479,820
|
|
80
|
507,062
|
-230,636
|
-254,004
|
-23,368
|
483,694
|
|
90
|
472,439
|
188,798
|
188,141
|
-0,658
|
471,781
|
|
100
|
423,461
|
602,496
|
624,311
|
21,814
|
445,275
|
|
105
|
394,038
|
803,249
|
840,181
|
36,932
|
430,970
|
|
110
|
361,617
|
997,888
|
1054,587
|
56,699
|
418,316
|
|
115
|
326,443
|
1184,933
|
1267,540
|
82,607
|
409,050
|
|
120
|
288,785
|
1362,959
|
1479,049
|
116,090
|
404,875
|
|
125
|
1530,613
|
1578,916
|
48,303
|
297,232
|
|
130
|
207,178
|
1686,618
|
1678,264
|
-8,354
|
198,825
|
|
135
|
163,851
|
1829,787
|
1776,938
|
-52,849
|
111,003
|
|
140
|
119,277
|
1959,029
|
1874,943
|
-84,087
|
35,190
|
|
150
|
27,751
|
2171,917
|
2068,964
|
-102,953
|
-75,202
|
|
160
|
-64,617
|
2318,812
|
2260,364
|
-58,449
|
-123,066
|
|
165
|
-110,240
|
2366,035
|
2355,091
|
-10,944
|
-121,183
|
|
170
|
-155,023
|
2395,251
|
2449,177
|
53,925
|
-101,097
|
|
175
|
-198,626
|
2406,238
|
2542,625
|
136,386
|
-62,240
|
|
180
|
-240,718
|
2398,912
|
2635,439
|
236,527
|
-4,191
|
Складову суми струмів вищих гармонік можна подати у вигляді:
=
+
, (4.12)
де
- реакція схеми заміщення загальмованого АД на
прикладену
східчасту напругу;
-
струм першої гармоніки в режимі загальмованого АД.
Якщо двигун загальмований, то частота струму дорівнює частоті мережі,
тобто
, а з цього
.
Схема заміщення загальмованого двигуна приведена на рис. 4.2.
Рисунок 4.2 - Схема заміщення загальмованого двигуна
Загальний активний опір загальмованого двигуна
знаходимо за формулою:
,
(4.13)
Ом
,
(4.14)
Ом
Еквівалентний опір для загальмованого двигуна знаходимо за формулою:
,
(4.15)
Ом
Амплітудне значення струму першої гармоніки розраховуємо за
формулою:
, (4.16)
А
Кут зміщення розраховуємо за формулою:
,
(4.17)
φ
рад = 85,5 град
електропривод локомотив напруга асинхронний
Струм першої гармоніки в режимі загальмованого двигуна
розраховуємо за формулою:
, (4.18)
Розрахунки приведемо в таблиці 4.1.
На інтервалі кожного напівперіоду крива фазної напруги АІН описується
виразом:
(4.19)
Запишемо рівняння електричної рівновагі по інтервалах фазної напруги
для фази АД, подавши її еквівалентним статичним навантаженням:
(4.20)
З умови безперервності фазного струму на границях інтервалів у сталому
режимі маємо:
,
(4.21)
Вираз (4.20) являють собою початкові умови, що дозволяють визначити
єдиний розв’язок системи (4.21.):
(4.22)
Уведемо такі позначення :
,
,
.
(4.23)
(4.24)
Підставляючи прийняті позначення і розв’язуючи цю систему з урахуванням
граничних умов, дістанемо:
(4.25)
Підставляючи отримані значення для початкових умов у систему
(4.22) одержимо вирази, що описують фазні струми АД на інтервалах для
узагальненої кривої фазної напруги АІН:
(4.26)
При введені кутової
й
амплітудної
і
комутуючих
функцій загальний розв’язок для фазних струмів на інтервалі зміни поточного
електричного кута
в межах від 0 до π можна подати у вигляді одного рівняння:
(4.27)
Значення кутової та амплітудної комутуючих функцій за інтервалом
безперервності живлячої напруги наводимо в таблиці 4.2.
Таблиця 4.2 - Значення кутової й амплітудних комутуючих функцій
|
Параметр
|
Значення параметра
|
|
Номер інтервалу
|
n
|
1
|
2
|
3
|
|
Діапазон зміни
поточного ефект. кута
|
  
|
|
|
|
|
Кутова комутуюча
функція
|
0
|
|
|
|
|
Амплітудна
комутуюча функція
|
010
|
|
|
|
|
  
|
|
|
|
де
розраховуємо за формулою:
(4.28)
(4.29)
(4.30)
Індуктивність загальмованого двигуна знаходимо за формулою:
(4.31)
Гн
Часова складова загальмованого двигуна знаходимо за формулою:
(4.32)
Результати розрахунку реакції схеми заміщення загальмованого АД на
прикладену східчасту напругу
наводимо
в таблиці 4.1.
Синусоїдальна складова фазного струму АД визначається першою гармонікою
прикладеної напруги:
,
(4.33)
Результати розрахунку
наведені
в таблиці 4.3.
Таблиця 4.3 - Розрахунок синусоїдної складової фазного струму
, U(θ) та
|
  
|
|
|
|
|
0
|
0
|
500
|
|
5
|
500
|
83,190
|
416,810
|
|
10
|
500
|
165,747
|
334,253
|
|
15
|
500
|
247,042
|
252,958
|
|
20
|
500
|
326,458
|
173,542
|
|
30
|
500
|
477,249
|
22,751
|
|
40
|
500
|
613,540
|
-113,540
|
|
45
|
500
|
674,932
|
-174,932
|
|
50
|
500
|
731,188
|
-231,188
|
|
55
|
500
|
781,879
|
-281,879
|
|
60
|
500
|
826,620
|
-326,620
|
|
60
|
1000
|
826,620
|
173,380
|
|
65
|
1000
|
865,069
|
134,931
|
|
70
|
1000
|
896,935
|
103,065
|
|
75
|
1000
|
921,975
|
78,025
|
|
80
|
1000
|
939,998
|
60,002
|
|
90
|
1000
|
954,499
|
45,501
|
|
100
|
1000
|
939,998
|
60,002
|
1000
|
921,976
|
78,024
|
|
110
|
1000
|
896,936
|
103,064
|
|
115
|
1000
|
865,071
|
134,929
|
|
120
|
1000
|
826,621
|
173,379
|
|
120
|
500
|
826,621
|
-326,621
|
|
125
|
500
|
781,881
|
-281,881
|
|
130
|
500
|
731,190
|
-231,190
|
|
135
|
500
|
674,934
|
-174,934
|
|
140
|
500
|
613,542
|
-113,542
|
|
150
|
500
|
477,251
|
22,749
|
|
160
|
500
|
326,460
|
173,540
|
|
165
|
500
|
247,045
|
252,955
|
|
170
|
500
|
165,749
|
334,251
|
|
175
|
500
|
83,193
|
416,807
|
|
180
|
500
|
0,003
|
499,997
|
Будуємо залежності фазного струму
та
його першої гармоніки
, живлячої напруги
та
її першої гармоніки
.
Також будуємо різницю між прикладеною напругою
та її першою гармонікою
,
тобто напругою на двигуні
.
Будуємо різницю між струмом загальмованого двигуна
та першою гармонікою
.
Рисунок 4.3 - Прикладена напруга
та
її перша гармоніка
Рисунок 4.4 - Напруга вищих гармонік
Рисунок 4.5 - Різниця струмів
Рисунок 4.6 - Фазний струм
та
його перша гармоніка 
1. Бурков А.Т. Электронная техника и преобразователи:
Учебн. для ВУЗов ж.-д. трансп.- М.: Транспорт, 1999.- 464 с.
. Статичні перетворювачі тягового рухомого складу:
Навч. посібник /За ред. Гончарова Ю.П..- Харків, НТУ «ХПИ», 2004.- 184 с.
. Электроподвижной состав с асинхронными тяговыми
двигателями. /Н.А. Ротанов, А.С. Курбасов, Ю.Г. Быков, В.В. Литовченко.- М.:
Транспорт, 1991.- 336 с.
. Розрахунок фазних струмів двофазної системи
«Автономний інвертор напруги - Асинхронний двигун» // Гусевський Ю.І., Пасько
О.В., Шаповал В.П, Збірник наукових праць, УкрДАЗТ, №44, 2000. - 59
5. Розробка, макетування та дослідження раціональних структур
асинхронного тягового електроприводу для електрорухомого складу // Гусевський
Ю.И., Шпіка Н.И. та інш., Звіт про науково-дослідну роботу, ХарДАЗТ, кафедра
СЕТ, 1997. - 35