Расчет электроподстанции ГПП-19
1. Задание на курсовой проект
Рассмотреть установленное электрооборудование исследуемой подстанции
(ГПП-19). Рассчитать токи короткого замыкания (трехфазные и однофазные) с
учетом технических характеристик установленного оборудования.
Во второй части проекта необходимо по полученным значениям токов КЗ и
токов нагрузки в нормальном режиме рассчитать уставки релейной защиты,
обеспечивающие наиболее полную защиту исследуемой подстанции.
В третьей части проекта необходимо выбрать измерительные трансформаторы тока
и трансформаторы напряжения и проверить их.
В заключении необходимо выбрать терминал микропроцессорной защиты для
реализации рассчитанных защит на исследуемой подстанции и описать организацию
каналов связи в выбранном терминале.
2. Характеристика потребителей электрической энергии объекта
Потребителями ГПП-19 являются агрегаты «печь-ковш» (АПК). АПК
предназначены для внепечной обработки металла после его плавки в конверторе
перед подачей на машины непрерывной разливки стали. Агрегаты «печь-ковш» обеспечивают
технологический процесс рафинирования металла в ковше под высокоосновным
безжелезистым шлаком и инертной атмосферой над расплавом металла с эффективным
раскислением и десульфурацией металла, снижением содержания газов и
неметаллических включений. В результате перемешивания металла инертным газом
создаются благоприятные условия для усреднения температуры и химического
состава металла, в объёме ковша достигается высокий уровень воспроизводимости
условий от плавки к плавке и высокое усвоение элементов. Также АПК обеспечивает
выдержку металла, в случае необходимости, с регулирующим нагревом, выступая в
качестве буфера между конвертером и отделением непрерывной разливки стали. Это
позволяет избежать излишнего перегрева металла в конвертере, обеспечивая вместе
с тем, необходимую температуру металла на входе в машину непрерывного литья
заготовок (МНЛЗ). Кроме того, при внепечной обработке стали в сталеразливочный
ковш загружаются по расчёту ферросплавы для доведения химического состава стали
до заданных условий для данной марки с обеспечением меньшего угара легирующих
элементов и сокращения расхода ферросплавов.
Таким образом, основная нагрузка ГПП-19 носит ударный характер. Также АПК
имеют низкий коэффициент мощности и оказывают значительное влияние на питающую
сеть, так как графики их нагрузки имеют циклический резкопеременный характер. В
связи с этим, на шинах 35 кВ питающей подстанции возникают провалы напряжения,
нарушается гармонический состав тока и напряжения, несимметрия напряжения.
Для уменьшения влияния высших гармоник на сеть на ГПП-19 установлены
фильтркомпенсирующие устройства (ФКУ), представляющие собой LC-цепочку, настроенную на определенную
резонансную частоту.
Специфика работы дуговых печей (АПК является одним из видов дуговых
печей) заключается в том, что величины фазных токов во многом определяются
сопротивлением дуги и, следовательно, совпадают очень редко. Для уменьшения
влияния несимметрии на сеть на РУ-35кВ установлены дугогасительные агрегаты
(ДГА).
3. Определение расчетных токов
Шины низшего напряжения ГПП-19 относятся к пятой группе электроприёмников
[1, с.47]. Однако в связи с большой неравномерностью и ударностью нагрузок
расчет будем производить по номинальным параметрам потребителей. Нагрузки для
данной группы берутся на основе данных о суммарной установленной мощности
потребителей и коэффициенте использования активной мощности.
Максимальные нагрузки ГПП-19 сведены в табл. 1.
Таблица 1. Максимальные нагрузки для КРУ-35 кВ ГПП-19
|
Наименование потребителя
|
P, МВт
|
Q, МВАр
|
S, МВА
|
I, А
|
|
КРУ-35 кВ
|
|
АПК-1 КЦ-2 яч. №7
|
36
|
27
|
45
|
742
|
|
АПК-2 КЦ-2 яч.№12
|
36
|
27
|
45
|
742
|
|
АПК-1 КЦ-1 яч. №9
|
20
|
15
|
25
|
412
|
|
АПК-2 КЦ-1 яч. №10
|
20
|
15
|
25
|
412
|
|
ФКУ-1 яч. №11
|
0
|
30
|
30
|
495
|
|
ФКУ-2 яч. №8
|
0
|
30
|
30
|
495
|
Нагрузки для питающих линий определяются на основании данных табл. 2 для
нормального и утяжелённого режимов. Нормальным считается режим с раздельной
работой секций КРУ-35 кВ ГПП-19 и с полностью функционирующими устройствами
ФКУ. Утяжелённым считается режим с работой распределительных устройств через
одну питающую линию без компенсации реактивной мощности.
Нагрузки питающих линий в нормальном режиме работы:
яч.№7, 9 или яч.№10, 12 КРУ-35 кВ:

(3.1)

(3.2)

(3.3)
Токовые
нагрузки питающих линий на напряжении 35 кВ составят:

(3.4)
Токовые
нагрузки питающих линий на напряжении 110 кВ составят:

(3.5)
Токовые
нагрузки линий ФКУ составят:

(3.6)
Нагрузки
питающих линий в утяжелённом режиме работы:
яч.№7,
9 и яч.№10, 12 КРУ-35 кВ:

(3.7)

(3.8)

(3.9)
Токовые
нагрузки питающих линий на напряжении 35 кВ составят:

(3.10)
Токовые
нагрузки питающих линий на напряжении 110 кВ составят:

(3.11)
Данные
по проектным максимальным и расчётным нагрузкам позволяют осуществить проверку
электрооборудования по условиям длительной работы в нормальном и утяжелённом
режимах.
4. Режимы работы электрической сети
В качестве максимального режима рассматривается режим работы, при котором
включены линии РП-1 ВЛ-110 кВ связь правая, левая в транзит и отключены АТ1
Металлургической подстанции и 1 ТГ ТЭЦ-2.
В качестве минимального режима принят режим работы, при котором отключены
ВЛ-110 кВ Северная - ГПП-18 одна цепь; РП-1 - ГПП-18 одна цепь; ТЭЦ НЛМК - РП-1
первая цепь, вторая цепь; СВ-1 и СВ-2 110 кВ ПС РП-1; АТ2 ПС Новая; Т4, ТГ6, Т7
ТЭЦ НЛМК.
Параметры энергосистемы в данных режимах приведены в табл. 2.
Таблица 2. Параметры энергосистемы
|
Режим работы
|
Z1, Ом
|
Z0, Ом
|
|
Максимальный
|
0,111+1,586j
|
0,338+2,41j
|
|
Минимальный
|
0,235+5,078j
|
0,892+8,369j
|
5. Описание внешнего и внутреннего электроснабжения
5.1 Описание схемы внешнего электроснабжения
Формирование схемы электроснабжения потребителей ОАО «НЛМК» базируется на
требованиях обеспечения надежности и экономичности работы электроустановок с
учетом характера электрических нагрузок, взаимного расположения
распределительных и главных понизительных подстанций, ожидаемых перспектив
развития схемы, загрязнения атмосферы в процессе металлургического производства
и т.п.
Электроснабжение потребителей ОАО «НЛМК» осуществляется от электростанций
ОЭС Центра по сетям 110-220 кВ Верхне-Донского предприятия магистральных
электрических сетей (ПМЭС) филиала ОАО «ФСК-ЕЭС», подстанций 500/220 кВ
«Липецкая» и «Борино», подстанций 220/110 кВ «Новая», «Северная»,
«Металлургическая», «Правобережная», от липецкой ТЭЦ-2 филиала «ТГК-4» и
подстанций центра электроснабжения энергетического производства ОАО «НЛМК».
ГПП-19 запитана от распределительной подстанции 110 кВ №1 (РП-1). В свою
очередь, РП-1 на напряжении 110 кВ имеет 6 линий связи с главной понизительной
подстанцией №18 (ГПП-18, получающая питание от УТЭЦ и подстанции Северной), ТЭЦ
НЛМК и подстанцией «Новая».
Схема РП-1 110 кВ согласно номенклатуре включает в себя четыре рабочие
системы шин, которые фактически являются двумя рабочими секционированными
системами шин (СШ), а также секционированную обходную систему шин. I и II СШ, а также III и IV СШ соединены между собой секционными
выключателями. I и III СШ, а также II и IV СШ соединены шиносоединительными
выключателями. I и III СШ получают питание по двухцепной
воздушной линии от подстанции «Новая». II и IV СШ
получают питание по двухцепной воздушной линии от подстанции «Северная». Все
подстанции схемы внешнего электроснабжения питаются по радиальным схемам. Под
питание ГПП-19 построены ячейки № 33, 35 I и III СШ РП-1 110 кВ с возможностью
перевода присоединения на любую из двух данных систем шин.
Таким образом, электроснабжение РУ-110 кВ и КРУ-35 кВ осуществляется от
двух независимых источников питания, которыми являются разные системы шин РП-1
110 кВ. При повреждении питающей воздушной линии питание системы шин
осуществляется через секционные и шиносоединительные выключатели. Таким
образом, схема электроснабжения соответствует требованиям к питанию
потребителей первой категории по надёжности электроснабжения.
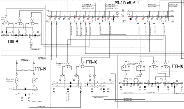
Схема внешнего электроснабжения ГПП-19 представлена на рис. 1.
Рисунок 1. Схема внешнего электроснабжения ГПП-19
5.2 Описание схемы внутреннего электроснабжения
Питание КРУ-35 кВ ГПП-19 осуществляется через два трансформатора типа
ТДЦНМ-160000/250000/110/35, имеющих устройства регулирования напряжения под
нагрузкой. Схема КРУ-35 кВ представляет собой секционированную систему шин.
Трансформаторы и секции в нормальном режиме работают раздельно. При выводе
одного из трансформаторов в ремонт, соответствующая секция получает питание
через секционный выключатель. Состав потребителей на каждой секции идентичен и
включает в себя: печной трансформатор АПК КЦ-2 мощностью 45 МВА, печной
трансформатор АПК КЦ-1 мощностью 25 МВА, трансформатор собственных нужд (ТСН)
типа ТМГ-630/35/0,4. Также на каждой системе шин установлено ФКУ (включающее в
себя три фильтра высших гармоник мощностью по 10 МВАр) и дугогасящий агрегат.
Схема внутреннего электроснабжения ГПП-19 представлена на рис. 2.
Рисунок 2.
Схема внутреннего электроснабжения ГПП-19
6. Обоснование схем подстанции
6.1 Схема РУ-110 кВ
На ГПП-19 применяется глубокий ввод напряжением 110 кВ. Это обусловлено
большой мощностью потребителей КРУ-35 кВ и позволяет сократить протяжённость
кабельных линий напряжением 35 кВ, что снижает потери электроэнергии, упрощает
работы по прокладке кабелей, а также повышает надёжность электроснабжения.
Схема РУ-110 кВ состоит из открытого и закрытого распределительного устройства
и представляет собой схему без сборных шин на первичном напряжении с перемычкой
между линиями глубоких вводов [1]. Такие схемы используются для питания
трансформаторов подстанций глубокого ввода (ПГВ), особенно расположенных в
местах плотной застройки и высокого загрязнения воздуха при небольшом числе
присоединений. ГПП-19 занимает небольшую площадь вблизи КЦ-2. В связи с высоким
содержанием в воздухе токопроводящей пыли, грязи и т.п. схема РУ-110 кВ
выполнена в закрытом исполнении. В открытой части РУ расположены мощные
трансформаторы специального исполнения, помещение которых в ЗРУ крайне
затруднено из-за больших размеров. Перемычка между линиями вводов в нормальном
режиме разомкнута. Она позволяет сохранить электроснабжение потребителей при
выводе в ремонт или ревизию одного из трансформаторов или одной из питающих
линий. Схема без сборных шин позволяет сократить количество коммутационных
аппаратов, а также упростить обслуживание подстанции за счёт более простой и
наглядной схемы. Необходимость перемычки обусловлена требованиями к надёжности
электроснабжения потребителей.
6.2 Схема КРУ-35 кВ
Схема РУ-35 кВ ГПП-19 представляет собой одну рабочую секционированную
систему шин. Такие схемы обычно применяются на распределительных устройствах
вторичного напряжения ПГВ и ГПП с нагрузкой, состоящей преимущественно из
электродвигателей и электропечей [1]. Преимущество такой схемы заключается в
небольшом количестве коммутационных операций при производстве переключений, что
снижает риск ошибки и повышает надёжность работы подстанции. Кроме того, разъединители
в такой схеме не являются оперативными, а служат лишь для снятия напряжения с
выключателя во время ревизии или ремонта. Поэтому для них достаточно простой и
надёжной (обычно механической) блокировки, исключающей операции разъединителем
под нагрузкой. Комплектное исполнение РУ позволяет сократить время монтажа и
наладки РУ, а также упростить обслуживание и повысить безопасность работ в РУ.
Это достигается за счёт однотипности конструкции ячеек КРУ, а также благодаря
наличию выкатных тележек, обеспечивающих надёжный разрыв электрической цепи и
позволяющих производить операции в ячейке на удалении от действующего
электрооборудования. Наличие перегородок между ячейками КРУ позволяет снизить
вероятность распространения повреждения ячейки на остальные элементы КРУ.
7. Режимы работы нейтралей
Электротехнические установки напряжением выше 1 кВ согласно [4]
разделяются на установки с большими токами замыкания на землю (сила тока
однофазного замыкания на землю превышает 500 А) и установки с малыми токами
замыкания на землю (сила тока однофазного замыкания на землю меньше или равна
500 А). В установках с большими токами замыкания на землю нейтрали присоединены
к заземляющим устройствам непосредственно или через малые сопротивления. Такие
установки называются установками с глухозаземленной нейтралью.
В установках, имеющих малые токи замыкания на землю, нейтрали
присоединены к заземляющим устройствам через элементы с большими
сопротивлениями. Такие установки называются установками с изолированной
нейтралью.
В установках с глухозаземленной нейтралью всякое замыкание на землю
является коротким замыканием и сопровождается большим током. В установках с
изолированной нейтралью замыкание одной из фаз на землю не является коротким
замыканием.
Выбор режима нейтрали в установках напряжением выше 1 кВ производится при
учете следующих факторов: экономических, возможности перехода однофазного
замыкания в междуфазное, влияние на отключающую способность выключателей,
возможности повреждения оборудования током замыкания на землю, релейной защиты
и др. В электрических сетях РАО ЕЭС приняты следующие режимы работы нейтрали:
· электрические сети с номинальными напряжениями 6...35 кВ работают с
малыми токами замыкания на землю (изолированная нейтраль);
· электрические сети выше 110 кВ являются сетями с эффективно
заземленной нейтралью;
· электрические сети с номинальным напряжением 0,4…0,66 кВ
являются сетями с глухозаземленной нейтралью.
Если в одной из фаз трехфазной системы, работающей с изолированной
нейтралью, произошло замыкание на землю, то напряжение ее по отношению к земле
станет равным нулю, а напряжение остальных фаз по отношению к земле станет
равным линейному. Ток замыкания на землю будет небольшим, поскольку вследствие
изоляции нейтрали отсутствует замкнутый контур для его прохождения, и не
вызовет аварийного отключения линии. Таким образом, изоляция нейтрали источника
питания обеспечивает надежность электроснабжения, так как не отражается на
работе потребителей.
Однако в сетях с большими емкостными токами на землю (особенно в
кабельных сетях) в месте замыкания возникает перемежающаяся дуга, которая
периодически гаснет и вновь зажигается, что наводит в контуре с активными,
индуктивными и емкостными элементами ЭДС, превышающие номинальные напряжения в
2,5...3 раза. Такие напряжения в системе при однофазном замыкании на землю
недопустимы. Чтобы предотвратить возникновение перемежающихся дуг между
нейтралью и землей включают индуктивную катушку с регулируемым сопротивлением.
Повышение напряжения по отношению к земле в неповрежденных фазах при
наличии слабых мест в изоляции этих фаз может вызвать междуфазное короткое
замыкание. Кроме того, напряжение в неповрежденных фазах повышается,
следовательно, требуется выполнять изоляцию всех фаз на линейное напряжение,
что приводит к удорожанию машин и аппаратов. Поэтому, хотя и разрешается работа
сети с изолированной нейтралью при замыкании фазы на землю, его требуется
немедленно обнаружить и устранить.
Электрические сети с номинальным напряжением 110 кВ и выше работают с
большими токами замыкания на землю, режим работы нейтрали - с эффективно
заземленной нейтралью.
Около 75% всех повреждений в электрических сетях относятся к однофазным
замыканиям на землю, что при глухозаземленной нейтрали приводит к отключению и
перерывам в электроснабжении потребителей. Кроме того, значительно усложняются
и удорожаются заземляющие устройства.
Еще один недостаток глухого заземления нейтрали - большие токи
однофазного короткого замыкания, которые могут превосходить токи трехфазного
короткого замыкания. Вследствие этого глухо заземляют нейтрали не всех
трансформаторов, некоторая часть нейтралей разземляется для уменьшения тока
однофазного КЗ до величины тока трехфазного КЗ, определяющего отключающую
способность выключателей. Именно по этой причине данная схема используется на
РУ-110 кВ ГПП-19. Для ЗРУ-35 кВ ожидаемо применяется схема с изолированной
нейтралью.
8. Параметры электрооборудования
8.1 Параметры трансформаторов
На ГПП-19 установлены два трансформатора типа ТДЦНМ -
160000/250000/110/35-У1, где:
Т - трехфазный;
ДЦ - охлаждение с дутьем и принудительной циркуляцией масла;
Н - с регулировкой напряжения под нагрузкой;
М - ударный характер нагрузки.
Параметры выбранных трансформаторов приведены в табл. 3.
Таблица 3. Паспортные данные выбранных ТС
|
Марка
|
ТДЦНМ-160000/250000/110/35-У1
|
|
Мощность номинальная Sн,
МВА
|
160
|
|
Мощность при ударных
толчковых нагрузках, МВА
|
250
|
|
Напряжение номинальное
обмотки высшего напряжения UВН, кВ
|
115
|
|
Напряжение номинальное
обмотки низшего напряжения UНН, кВ
|
35
|
|
Номинальная частота, Гц
|
50
|
|
Схема и группа соединения
обмоток
|
Y/Δ-11
|
|
Напряжение короткого
замыкания, приведенное к 160000 кВА, %
|
13
|
|
Потери холостого хода, ΔPхх, кВт
|
80
|
|
Потери короткого замыкания,
ΔPк, кВт
|
450
|
|
Регулирование напряжения
|
РПН±8×1,5%
|
Трансформаторы оборудованы на стороне 110кВ устройством регулирования
напряжения под нагрузкой (РПН) типа R III 1200 Y -72,5/C-10193 WR с
моторным приводом ED 1003. Ступени
регулирования напряжения приведены в табл. 4.
Таблица 4. Ступени регулирования напряжения трансформатора
|
Положение указателя
переключателя
|
Напряжение обмотки ВН, кВ
|
Ток обмотки ВН, А
|
Напряжение обмотки НН, кВ
|
Ток обмотки НН, А
|
Коэффициент трансформации
|
|
1
|
128,8
|
717,2
|
35,0
|
2639,3
|
3,68
|
|
2
|
127,08
|
726,9
|
35,0
|
2638,6
|
3,63
|
|
3
|
125,35
|
736,95
|
35,0
|
2638,3
|
3,58
|
|
4
|
123,62
|
741,2
|
35,0
|
2616,4
|
3,53
|
|
5
|
121,9
|
757,8
|
35,0
|
2637,1
|
3,48
|
|
6
|
120,18
|
768,7
|
35,0
|
2636,6
|
3,43
|
|
7
|
118,45
|
779,8
|
35,0
|
2635,7
|
3,38
|
|
8
|
116,72
|
791,4
|
35,1
|
2635,4
|
3,33
|
|
9
|
115
|
803,2
|
35,1
|
2634,5
|
3,28
|
|
10
|
115
|
803,2
|
35,0
|
2639,1
|
3,28
|
|
11
|
115
|
803,2
|
35,1
|
2634,5
|
3,28
|
|
12
|
113,28
|
815,5
|
35,1
|
2634,1
|
3,23
|
|
13
|
111,55
|
828,2
|
35,1
|
2633,7
|
3,18
|
|
14
|
109,82
|
841,1
|
35,0
|
2639,4
|
3,14
|
|
15
|
108,1
|
854,6
|
35,0
|
2639,0
|
3,09
|
|
16
|
106,38
|
854,6
|
35,0
|
2597,1
|
3,04
|
|
17
|
104,65
|
854,6
|
35,0
|
2555,3
|
2,99
|
|
18
|
102,92
|
854,6
|
35,0
|
2512,5
|
2,94
|
|
19
|
101,2
|
854,6
|
35,0
|
2469,8
|
2,89
|
.2 Параметры токоведущих частей
Для прокладки кабельных линий на ГПП-19 используются кабели с изоляцией
из сшитого полиэтилена. Они обладают повышенной пропускной способностью по
сравнению с традиционными типами кабелей, высокой надёжностью и длительным
сроком службы. Определённым недостатком данного типа кабелей является
неспособность к самовосстановлению изоляции при замыкании на землю, в связи с
чем повышается вероятность выхода из строя кабельной линии при данном типе
повреждения.
Паспортные данные установленных кабелей приведены в табл. 5.
Таблица 5. Наименования установленных кабелей
|
Наименование присоединения
|
Тип кабеля
|
Sсеч., мм2
|
Iдоп., А
|
Kзагр., %
|
|
РУ-110 кВ
|
|
Линия от яч. №35 РП-1 110
кВ
|
A2XS(FL)2Y
|
800
|
749
|
40,2
|
|
Линия от яч. №33 РП-1 110
кВ
|
A2XS(FL)2Y
|
800
|
749
|
40,2
|
|
КРУ-35 кВ
|
|
Ввод от 1Т яч. №1-3
|
АС-500/27
|
3х500
|
2490
|
38
|
|
Ввод от 2Т яч. №16-18
|
АС-500/27
|
3х500
|
2490
|
38
|
|
АПК-1 КЦ-2 яч. №7
|
АПвВнг2г
|
2х800
|
1328
|
55,9
|
|
АПК-2 КЦ-2 яч.№12
|
АПвВнг2г
|
2х800
|
1328
|
55,9
|
|
АПК-1 КЦ-1 яч. №9
|
АПвВнг2г
|
800
|
664
|
62
|
|
АПК-2 КЦ-1 яч. №10
|
АПвВнг2г
|
800
|
664
|
62
|
|
ФКУ-1 яч. №11
|
АПвВнг(В)
|
2х120
|
648
|
67,4
|
|
ФКУ-2 яч. №8
|
АПвВнг(В)
|
2х120
|
648
|
67,4
|
9. Расчет токов КЗ
.1 Однолинейная схема замещения
Общий вид однолинейной схемы замещения ГПП-19 для определения токов КЗ
приведен на рис. 3 основная схема.
Рисунок 3. Общий вид однолинейной схемы замещения
Определим реальные сопротивления всех элементов схемы замещения.
Сопротивления кабельных линий равны:
Сопротивление трансформатора:

.
Сопротивления системы для расчета токов КЗ основной схемы равны:

,

,

,

.

.
Приближенное
сверхпереходное сопротивление асинхронного двигателя:

Средние
значения для приближенных расчетов сверхпереходная ЭДС
асинхронных двигателей и энергосистемы примем по [6,
с. 118]:
- для
энергосистемы;
- для
асинхронных двигателей.
9.2 Расчет трехфазных токов КЗ
Расчет токов короткого замыкания выполним методом относительных единиц.
При этом примем Sб=1000 МВА, Uб1=115 кВ, Uб2=35 кВ, Uб3=6,3
кВ.
Определим базисные токи:
Определим относительные сопротивления всех токоведущих частей и
трансформаторов.
Определим
относительные сопротивления энергосистемы:
Таким образов, окончательный вид схем замещения для расчета токов
короткого замыкания представлен на рис. 4 (основная часть ГПП).
Рисунок 4. Схема замещения для расчета токов КЗ основной части ГПП
Полученная схема имеет простой вид, поэтому при её упрощении будем
использовать лишь правило последовательного соединения проводников. После
финального упрощения схема основной части ГПП примет вид «источник -
сопротивление - приемник», а схема СН ГПП - «источник - сопротивление -
источник».
В качестве примера приведем расчет точки К3 основной схемы ГПП. Расчет
точек К1, К2 и К4 будет отличаться от расчета точки К3 только величиной
операций упрощения схемы, а расчет точек К5 и К6 - дополнительным источником
энергии (подпитка от двигателя), который рассчитывается аналогично подпитке от
энергосистемы.
Проведем упрощение схемы для расчета точки К3:
Начальный ток периодической составляющей от энергосистемы в максимальном
режиме:
Начальный ток апериодической составляющей от энергосистемы в максимальном
режиме:
Постоянная времени затухания апериодической составляющей от энергосистемы
в максимальном режиме:
Ударный коэффициент апериодической составляющей от энергосистемы в
максимальном режиме
Ударный ток короткого замыкания от энергосистемы в максимальном режиме:
Начальный ток периодической составляющей от энергосистемы в минимальном
режиме:
Начальный ток апериодической составляющей от энергосистемы в минимальном
режиме:
Постоянная времени затухания апериодической составляющей от энергосистемы
в минимальном режиме:
Ударный коэффициент апериодической составляющей от энергосистемы в
минимальном режиме:
Ударный ток короткого замыкания от энергосистемы в минимальном режиме:
Аналогично находим токи трехфазного КЗ для всех остальных выбранных
точек. Полученные значения трехфазных токов КЗ для различных точек расчетной
схемы приведены в табл. 6.
Таблица 6. Расчетные токи КЗ
|
Точка расчетной схемы
|
Режим расчета (для точек К5
и К6 - направление подпитки)
|
Iп0, кА
|
iа0, кА
|
iуд, кА
|
|
К1
|
max
|
41,76
|
59,06
|
106,47
|
|
min
|
13,06
|
18,47
|
34,44
|
|
К2
|
max
|
37,72
|
53,34
|
91,99
|
|
min
|
12,64
|
17,88
|
32,78
|
|
К3
|
max
|
17,46
|
24,69
|
48,28
|
|
min
|
13,64
|
19,29
|
37,47
|
|
К4
|
max
|
15,63
|
22,1
|
40,06
|
|
min
|
12,5
|
17,68
|
32,32
|
|
К5
|
система
|
22,5
|
31,82
|
63,63
|
|
двигатель
|
0,2789
|
0,3944
|
0,6626
|
|
сумма
|
22,78
|
32,21
|
64,3
|
|
К6
|
система
|
2,414
|
3,414
|
3,314
|
|
двигатель
|
0,2887
|
0,4082
|
0,8165
|
|
сумма
|
2,703
|
3,822
|
4,231
|
9.3 Расчет однофазных токов КЗ
Однофазные токи КЗ относятся к несимметричным токам КЗ. В основу расчета
несимметричных КЗ положен метод симметричных составляющих, согласно которому
любую несимметричную систему векторов (тока, напряжения) можно заменить тремя
условными симметричными составляющими: прямой, обратной и нулевой
последовательности (в дальнейшем величины, характеризующие прямую
последовательность, будем обозначать с индексом 1, обратную последовательность
- с индексом 2, нулевую последовательность с индексом 0). В данной курсовой
работе будем рассматривать расчет только одного вида несимметричных КЗ -
однофазного КЗ.
Для расчета токов однофазного КЗ необходимо построить схемы замещения
прямой, обратной и нулевой последовательности. Каждая из этих схем имеет свои
особенности.
Схема прямой последовательности аналогична схеме замещения для расчета
трехфазного КЗ. Для всех элементов схемы замещения прямой последовательности
индуктивные и активные сопротивления соответствуют оспротивлениям при
симметричном режиме работы.
Схема замещения обратной последовательности отличается от схемы замещения
прямой последовательности отсутствием эдс генераторов. Индуктивные
сопротивления (как и активные) для всех элементов (за исключением
электродвигателей и генераторов, принимаются равными сопротивлениям прямой
последовательности. В данной работе при расчете однофазных КЗ отсутствует
подпитка от двигателей и генераторов (расчет производится только для сети ВН
110 кВ), поэтому схемы замещения прямой и обратной последовательностей будут
аналогичными.
Схема замещения нулевой последовательности следует начинать с точки, где
возникла несимметрия (т. е. с точки КЗ). Чтобы получилась замкнутая цепь для
прохождения токов нулевой последовательности, в схеме должна быть хотя бы одна
заземленная нейтраль. Сопротивление, через которое заземлена нейтраль, должно
вводится в схему замещения утроено.
Заземление нейтрали на ГПП-19 отсутствует, поэтому необходимо учитывать
однофазную подпитку только от энергосистемы потому, что ГПП питается
непосредственно от шин РП-1, т. е. энергосистема непосредственно связана с
шинами РУВН ГПП-19 (без трансформатора). Значит однофазные токи, наводимые
другими трансформаторами НЛМК с заземленной нейтралью, будут иметь существенные
значения. Сопротивления нулевой последовательности для трансформаторов без
заземленной нейтрали равно бесконечности, для кабельных линий активное и
реактивное сопротивления находятся по следующим формулам:
Расчетная
схема замещения прямой последовательности приведена на рис. 5, обратной
последовательности - на рис. 6, а нулевой последовательности - рис. 7.
Рисунок
5. Схема замещения прямой последовательности
Рисунок
6. Схема замещения обратной последовательности
Рисунок
7. Схема замещения нулевой последовательности
Начальное
значение периодической составляющей тока КЗ определяется по формуле:
где
- суммарное сопротивление до точки КЗ, равное сумме
суммарных сопротивлений схем замещения прямой, обратной и нулевой
последовательностей до соответствующей точки КЗ.
Результаты
расчетов приведены в табл. 7 и табл. 8.
Таблица
7. Результаты расчетов сопротивлений схем замещений
|
Прямая последовательность
|
|
К1
|
К2
|
|
max
|
R1 sum
|
X1 sum
|
max
|
R1 sum
|
X1 sum
|
|
0,111
|
1,586
|
|
0,1797
|
1,7511
|
|
min
|
R1 sum
|
X1 sum
|
min
|
R1 sum
|
X1 sum
|
|
0,235
|
5,078
|
|
0,3037
|
5,2431
|
|
Обратная последовательность
|
|
К1
|
К2
|
|
max
|
R2 sum
|
X2 sum
|
max
|
R2 sum
|
X2 sum
|
|
0,111
|
1,586
|
|
0,1797
|
1,7511
|
|
min
|
R2 sum
|
X2 sum
|
min
|
R2 sum
|
X2 sum
|
|
0,235
|
5,078
|
|
0,3037
|
5,2431
|
|
Нулевая последовательность
|
|
К1
|
К2
|
|
max
|
R0 sum
|
X0 sum
|
max
|
R0 sum
|
X0 sum
|
|
0,338
|
2,41
|
|
1,025
|
3,0704
|
|
min
|
R0 sum
|
X0 sum
|
min
|
R0 sum
|
X0 sum
|
|
0,892
|
8,369
|
|
1,579
|
9,0294
|
Таблица 8. Результаты расчетов токов КЗ
|
К1
|
|
Xsum
|
Rsum
|
Ta 2.1
|
k уд 2.1
|
I2.1
|
Ia0(г1)
|
I уд2.1
|
max
|
|
5,582
|
0,56
|
0,0317
|
1,7298
|
37,0491
|
52,3953
|
90,6324
|
|
|
Xsum
|
Rsum
|
Ta 2.1
|
k уд 2.1
|
I2.1
|
Ia0(г1)
|
I уд2.1
|
min
|
|
18,525
|
1,362
|
0,0433
|
1,7939
|
10,2571
|
14,5057
|
26,0211
|
|
|
К2
|
|
Xsum
|
Rsum
|
Ta 2.1
|
k уд 2.1
|
I2.1
|
Ia0(г1)
|
I уд2.1
|
max
|
|
6,5726
|
1,3844
|
0,0151
|
1,5161
|
30,9441
|
43,7616
|
66,3486
|
|
|
Xsum
|
Rsum
|
Ta 2.1
|
k уд 2.1
|
I2.1
|
Ia0(г1)
|
I уд2.1
|
min
|
|
19,5156
|
2,1864
|
0,0284
|
1,7034
|
10,5840
|
14,9681
|
25,4971
|
|
10. Выбор РЗА
10.1 Выбор защит питающей кабельной линии 110 кВ
Согласно требованиям [3] для защиты кабельной линии напряжением 110 кВ
должны применяться два типа быстродействующих защит.
На одиночных линиях с односторонним питанием от многофазных замыканий
следует устанавливать ступенчатые токовые защиты или ступенчатые защиты тока и
напряжения. Если такие защиты не удовлетворяют требованиям чувствительности или
быстроты отключения повреждения, должна быть предусмотрена ступенчатая
дистанционная защита. В последнем случае в качестве дополнительной защиты
рекомендуется использовать токовую отсечку без выдержки времени.
От замыканий на землю должна быть предусмотрена, как правило, ступенчатая
токовая направленная или ненаправленная защита нулевой последовательности.
Защита должна быть установлена, как правило, только с тех сторон, откуда может
быть подано питание.
В связи с этим для защиты кабельной линии принимаем следующие типы защит:
в качестве основной - дифференциальную защиту линии (ДЗЛ) без выдержки
времени;
в качестве резервной - ступенчатую дистанционную защиту с минимальной
выдержкой времени;
в качестве дополнительной - максимальную токовую защиту;
для защиты от коротких замыканий на землю - максимальную токовую защиту
нулевой последовательности (в связи с отсутствием заземления нейтрали
трансформатора).
Также согласно требованиям [3] для линии напряжением 110 кВ требуется
использование УРОВ.
10.2 Выбор защит трансформаторов 110/35 кВ
На трансформаторе должны быть предусмотрены следующие защиты:
дифференциальная токовая защита (два комплекта для трансформаторов 110 -
220 кВ мощностью 63 МВА и более);
газовая защита;
защита устройства РПН;
резервные защиты на сторонах высшего и низшего напряжения;
защита от перегрузки.
На понижающих трансформаторах - максимальная токовая защита с
комбинированным пуском напряжения или без него; на мощных понижающих
трансформаторах при наличии двустороннего питания можно применять токовую
защиту обратной последовательности от несимметричных КЗ и максимальную токовую
защиту с минимальным пуском напряжения от симметричных КЗ.
При выборе тока срабатывания максимальной токовой защиты необходимо
учитывать возможные токи перегрузки при отключении параллельно работающих
трансформаторов и ток самозапуска электродвигателей, питающихся от
трансформаторов.
Учитывая значительную мощность, специальное исполнение и высокую
стоимость установленных на ГПП-19 трансформаторов 110/35 кВ выбираем следующие
типы защит:
в качестве основной - дифференциальную токовую защиту без выдержки
времени;
в качестве резервной - максимальную токовую защиту;
в качестве дополнительной - токовую защиту от перегрузки;
также для трансформаторов данной мощности обязательно применение газовой
защиты бака трансформатора и РПН.
трансформатор
подстанция ток микропроцессорный
10.3 Выбор защиты шин, защиты секционном выключателе
При наличии трансформаторов тока, встроенных в выключатели, для
дифференциальной защиты шин и для защит присоединений, отходящих от этих шин,
должны быть использованы трансформаторы тока, размещенные с разных сторон
выключателя, чтобы повреждения в выключателе входили в зоны действия этих
защит.
В качестве защиты сборных шин электростанций и подстанций 35 кВ и выше
следует предусматривать, как правило, дифференциальную токовую защиту без
выдержки времени, охватывающую все элементы, которые присоединены к системе или
секции шин. Защита должна осуществляться с применением специальных реле тока,
отстроенных от переходных и установившихся токов небаланса (например, реле,
включенных через насыщающиеся трансформаторы тока, реле с торможением).
Защиту шин следует выполнять так, чтобы при опробовании поврежденной
системы или секции шин обеспечивалось селективное отключение системы (секции)
без выдержки времени.
В связи с этим принимаем для расчета следующие типы защит:
максимальная токовая защита (на выключателях ввода шины и на секционном
выключателе);
дифференциальная защиты шин.
10.4 Выбор защит отходящей линии к трансформатору АПК-1 КЦ-1
Для печных трансформаторов (трансформаторных агрегатов) установок дуговых
печей должны быть предусмотрены:
) максимальная токовая защита без выдержки времени от двух- и трехфазных
КЗ в обмотке и на выводах, отстроенная от токов эксплуатационных КЗ и бросков
намагничивающего тока при включении установок;
) газовая защита от повреждения внутри бака, сопровождающегося выделением
газа, и от понижения уровня масла в баке;
) защита от однофазных замыканий на землю в обмотке и на выводах печных
трансформаторов, присоединенных к электрической сети с эффективно заземленной
нейтралью;
) защита от перегрузок для установок всех видов дуговых печей.
Для установок дуговых сталеплавильных печей рекомендуется предусматривать
защиту с зависимой от тока характеристикой выдержки времени. Защита должна
действовать с разными выдержками времени на сигнал и отключение. Характеристики
и выдержки времени защиты, как правило, должны выбираться с учетом скорости
подъема электродов при работе автоматического регулятора тока (мощности)
дуговой печи, чтобы эксплуатационные КЗ своевременно устранялись поднятием
электродов и отключение печного выключателя происходило лишь при отказе или
несвоевременной работе регулятора;
) защита от повышения температуры масла в системе охлаждения печного
трансформатора с использованием температурных датчиков с действием на сигнал
при достижении максимально допустимой температуры и на отключение при ее
превышении;
) защита от нарушения циркуляции масла и воды в системе охлаждения
печного трансформатора с действием на сигнал - для масловодяного охлаждения печного
трансформатора с принудительной циркуляцией масла и воды.
Согласно [3] и в связи с вышеизложенным для защиты линий к печным
трансформаторам выбираем следующие типы защит:
в качестве основной - максимальная токовая защита без выдержки времени;
в качестве дополнительной - токовая защита от перегрузки;
для сигнализации замыкания на землю - токовая защита нулевой
последовательности.
11. Расчет уставок РЗ
В качестве примера приведены расчеты уставок РЗ по одному типу на каждый
участок. Для КЛ 110 кВ приведен расчет токовой отсечки без выдержки времени,
для трансформатора - дифференциальной токовой защиты и токовой защиты нулевой
последовательности, для шин ЗРУ-35 кВ - максимальной токовой защиты, а для
отходящей линии к АПК - токовой защиты от перегрузок.
11.1 Токовая отсечка без выдержки времени КЛ 110 кВ
Ток срабатывания токовой отсечки выбирается больше максимального тока
внешнего к.з. Iк.вн.max при к.з. на шинах подстанции:
где
- коэффициент отстройки, учитывающий возможную
апериодическую составляющую в токе, неточность расчетов при КЗ, погрешности
трансформатора тока и измерительного органа защиты;
-
периодическая составляющая тока внешнего короткого замыкания на шинах РУ-35 кВ
в максимальном режиме (с учётом коэффициента трансформации).
Ток
срабатывания реле рассчитываем по следующей формуле:
где kсх - коэффициент схемы при соединении
трансформаторов тока по схеме полной звезды,
kтт -
коэффициент трансформации трансформаторов тока.
Таким образом принимаем Iс.з. = 8000 А, Iс.р. = 27 А.
11.2 ДЗТ без выдержки времени
Основной защитой трансформатора является продольная дифференциальная
защита. Дифференциальный ток срабатывания определяется по условию отстройки от
тока небаланса, который рассчитывается по выражению:
,
где
- составляющая, обусловленная погрешностью ТТ;
-
составляющая, обусловленная регулированием напряжения защищаемого
трансформатора;
-
составляющая, обусловленная неточностью установки расчетных чисел витков
уравнительных обмоток.
Составляющая
, обусловленная погрешностью ТТ, определяется по
следующей формуле:
где
- коэффициент апериодической составляющей,
учитывающий переходный режим;
-
коэффициент однотипности, учитывающий количество выключателей на всех сторонах
защищаемого трансформатора;
-
относительное значение тока намагничивания при выборе ТТ по кривым предельных
кратностей.
Составляющая
, обусловленная регулированием напряжения защищаемого
трансформатора, определяется по следующей формуле:
где
- относительная погрешность, обусловленная
регулированием напряжения на сторонах защищаемого трансформатора (рекомендуется
принимать равным половине суммарного полного диапазона регулирования напряжения
на соответствующей стороне трансформатора);
-
периодическая составляющая токов, проходящих при расчетном внешнем КЗ на
стороне, где производится РПН.
Составляющая
, обусловленная неточностью установки расчетных чисел
витков уравнительных обмоток, учитывается только при расчете уточненного тока
срабатывания, после выбора чисел витков обмотки насыщающихся ТТ.
Ток
небаланса равен:
Первым
условием выбора тока срабатывания защиты является отстройка от полученного тока
небаланса:
где
- коэффициент надежности, учитывающий ошибку реле и
необходимый запас.
Вторым
условием выбора первичного тока срабатывания защиты является отстройка от
бросков тока намагничивания при включении ненагруженного трансформатора под
напряжение:

Таким
образом принимаем ток срабатывания защиты равным:
Ток
срабатывания реле равен:
Аналогично
определяя ток срабатывания на стороне НН, получаем:
Произведем
проверку чувствительности защиты при повреждении в зоне её действия.
Коэффициент чувствительности дифференциальной защиты равен:
Коэффициент
чувствительности удовлетворяет условию
.
Базисный ток стороны ВН рассчитывается по выражению:
где
- номинальный ток ВН трансформатора;
-
коэффициент трансформации ТТ соответствующей стороны;
-
коэффициент учитывающий схему соединения ТТ (при соединении в «треугольник»,
, а при соединении в «звезду» -
);
-
коэффициент трансформации внешнего выравнивающего трансформатора, используемого
для выравнивания значения базисного тока соответствующей стороны, если он
выходит за пределы диапазона 0,251 - 16,000 А (при начальном расчете базисного
тока принимается
).
Таким образом получаем:
Уставка тока начала торможения ДТЗ IТ.0, т.е. начало второго (наклонного) участка характеристики,
принимается:
IТ.0 =
1,
где IТ.0 = 0,6 - для пускорезервных
трансформаторов и трансформаторов (автотрансформаторов), на которых возможно
несинхронное АВР НН;
IТ.0 =
1 - во всех остальных случаях.
Уставка задается в относительных единицах от базисного тока защищаемого
объекта в диапазоне от 0,60 до 1,0 от Iбаз с шагом 0,01.
Таким образом получаем:
Ток
торможения блокировки IТ.БЛ определяет переключение характеристики срабатывания
ДТЗ с наклонного участка на вертикальный:
– если I'1 ≥
IТ.БЛ и I'2 ≥ IТ.БЛ
- ДТЗ блокируется;
– если I'1
< IТ.БЛ или I'2 < IТ.БЛ
- наклон характеристики срабатывания ДТЗ определяется коэффициентом торможения.
Ток торможения блокировки IТ.БЛ
определяется исходя из отстройки от максимально возможного сквозного тока
нагрузки трансформатора. Своего наибольшего значения сквозной ток нагрузки
достигает при действии АВР секционного выключателя и может быть равным:
где
- коэффициент отстройки, принимаемый равным 1,1;
-
коэффициент определяющий предельную нагрузочную способность трансформатора в
зависимости от его мощности, принимается из диапазона
:
- для
трансформаторов большой мощности;
- для
трансформаторов средней мощности;
- для
распределительных трансформаторов.
Таким образом получаем:
Коэффициент
торможения влияет на устойчивость ДТЗ при внешних КЗ. Под коэффициентом
торможения понимается отношение приращения дифференциального тока (Iд) к
приращению тормозного тока (Iт). С помощью правильного выбора коэффициента
торможения обеспечивается несрабатывание ДТЗ в диапазоне значений тормозного
тока от
до
.
Значение
уставки рекомендуется рассчитывать по выражению:
,
где
- коэффициент отстройки, принимаемый равным 1,1;
-
расчетный дифференциальный ток, вызванный протеканием по защищаемому
трансформатору сквозного тока и рассчитываемый по формуле:
-
максимальное значение тока, равное току внешнего металлического КЗ, приведенное
к базисному току стороны внешнего КЗ, определяемый по формуле:
-
расчетный тормозной ток, определяемый по формуле
,
где
b = 180-a, а a - угол между векторами токов
и (
) (в проектных расчетах принимается b=10 ÷ 20°).
Таким образом получаем:
Аналогично
проводим расчет тормозной характеристики для стороны НН трансформатора.
Получаем:
11.3 МТЗ шин
Отстройка МТЗ осуществляется от максимально допустимого рабочего тока
шины. Ток срабатывания релейной защиты определяется по формуле:

,
где kотс = 1,2 - коэффициент отсройки.
Ток срабатывания реле определяется исходя из коэффициента трансформации
по следующей формуле:

,
где kсх = 1 - коэффициент схемы,
kтт =
600 - коэффициент трансформации ТТ.
Принимаем Iс.з. = 3879 А, Iс.р. = 6,46 А.
В связи с тем, что МТЗ является резервной для защиты шин, то выдержка
времени принимается самой большой (соответствует наиболее медленному
срабатыванию), т. е. tс.з. = 2,5 с.
Коэффициент чувствительности защиты должен быть более 1,2 при КЗ в месте
установки отсечки в наиболее благоприятном по условию чувствительности режиме
(трехфазном короткого замыкания в конце защищаемой линии в минимальном режиме):

11.4 Токовая защита нулевой последовательности трансформатора
Токовая защита нулевой последовательности на стороне ВН в качестве
расчетного использует утроенный ток нулевой последовательности 3I0, полученный суммированием фазных
токов стороны ВН или измерением тока в нулевом проводе защищаемого
трансформатора.
Первичный ток срабатывания ТЗНП выбирается исходя из условий:
1)
отстройка от тока
небаланса нулевой последовательности при КЗ между тремя фазами на стороне НН
защищаемого трансформатора по выражению:
,
где
- коэффициент отстройки;
- ток
небаланса нулевой последовательности в установившемся режиме при
рассматриваемом внешнем КЗ между тремя фазами и рассчитываемый по формуле:
Где
- коэффициент небаланса, который в зависимости от
кратности тока принимается равным:
- 0,05, если кратность не более 2 ÷ 3 по отношению к первичному току
трансформаторов тока;
- 0,05 ÷ 0,10, при больших кратностях (но не превышающих 0,7 ÷ 0,8 по отношению к предельной
кратности первичного тока трансформаторов тока);
-
первичный ток в месте установки защиты в установившемся режиме при
рассматриваемом внешнем КЗ между тремя фазами.
Таким
образом получаем:
1)
отстройка от тока
небаланса нулевой последовательности в послеаварийном нагрузочном режиме по
выражению:
,
где
- коэффициент отстройки, принимаемый равным 1,25;
-
коэффициент возврата, который принимается равным:
,9
- для максимальных реле тока и напряжения;
,1
- для минимальных реле тока и напряжения
,6
- для ДТЗ;
-
первичный ток нулевой последовательности, обусловленный несимметрией в системе;
-
первичный ток нулевой последовательности в послеаварийном нагрузочном режиме,
рассчитываемый по формуле:
где
- первичный ток в месте установки защиты в
послеаварийном нагрузочном режиме.
Таким
образом получаем:
Значение уставки ИО тока нулевой последовательности принимается равным
наибольшему значению из рассчитанных выше. Таким образом принимаем:
Чувствительность
ИО тока нулевой последовательности ТЗНП проверяют по выражению
где
- минимальный ток нулевой последовательности при
однофазном КЗ на выводах трансформатора;
-
принятое значение уставки ИО тока нулевой последовательности.
Согласно ПУЭ при оценке чувствительности резервных защит наименьшие
коэффициенты чувствительности должны быть для органов тока, напряжения - 1,2.
Выдержка времени выбирается по условиям согласования с последними, наиболее
чувствительными ступенями защит от замыканий на землю смежных элементов. Расчет
может быть выполнен по выражению:
,
где
- время срабатывания наиболее чувствительных ступеней
смежных защит, с которыми производится согласование;
-ступень
селективности (по рекомендациям при использовании в сети только цифровых реле
можно принимать ступень селективности 0,15
0,2 сек).
Таким
образом принимаем:
11.5 Токовая защита от перегрузки
Защита от перегрузки КЛ к АПК предназначена для защиты печных
трансформаторов от повышенных значений токов продолжительного режима работы.
Поэтому ток срабатывания защиты от перегрузки рассчитываем по следующей
формуле:
где
- коэффициент запаса;
-
коэффициент возврата микропроцессорного реле.
Ток срабатывания реле:
Так, как данная защита является дополнительной, то выдержка времени для
нее задается несколько выше, чем для основной защиты.
Принимаем
ток срабатывания защиты
, ток срабатывания реле
,
выдержку времени срабатывания
12. АВР
Устройства АВР должны предусматриваться для восстановления питания
потребителей путем автоматического присоединения резервного источника питания
при отключении рабочего источника питания, приводящем к обесточиванию
электроустановок потребителя.
При проектировании схемы АВР, допускающей включение секционного
выключателя, важно учитывать пропускную способность питающего трансформатора и
мощность источника энергии, питающих параллельную систему. В противном случае
может получиться так, что переключение на питание от параллельной системы
выведет из строя и её, так как источник питания не сможет справиться с
суммарной нагрузкой обеих систем. АВР разделяют на:
АВР одностороннего действия (в таких схемах присутствует одна рабочая
секция питающей сети, и одна резервная; в случае потери питания рабочей секции
АВР подключит резервную секцию).
АВР двухстороннего действия (в этой схеме любая из двух линий может быть
как рабочей, так и резервной).
Для секции, входящей в состав исследуемой ГПП, АВР осуществляется по двум
секциям ЗРУ-35 кВ ГПП-19 (АВР двухстороннего действия).
В качестве измерительного органа для АВР в высоковольтных сетях служат
реле минимального напряжения, подключённые к защищаемым участкам через
трансформаторы напряжения. В случае снижения напряжения на защищаемом участке
электрической сети реле даёт сигнал в схему АВР. Однако, условие отсутствия
напряжения не является достаточным для того, чтобы устройство АВР начало свою
работу. Как правило, должен быть удовлетворён еще ряд условий, таких как:
на защищаемом участке нет неустранённого короткого замыкания (понижение
напряжения может быть связано с коротким замыканием, включение дополнительных
источников питания в эту цепь нецелесообразно и недопустимо.
вводной выключатель включён (чтобы АВР не сработало, когда напряжение
исчезло из-за того, что вводной выключатель был отключён намеренно).
на соседнем участке, от которого предполагается получать питание после
действия АВР, напряжение присутствует (если обе питающие линии находятся не под
напряжением, то переключение не имеет смысла).
После проверки выполнения всех этих условий логическая часть АВР даёт
сигнал на отключение вводного выключателя обесточенной части электрической сети
и на включение секционного выключателя. Причём, секционный выключатель
включается только после того, как вводной выключатель отключился. Рассмотрим
выбор АВР между I и II секциями КРУ-35 кВ ГПП-19.
Напряжение срабатывания реле минимального напряжения определяем по следующей
формуле:
Выдержка
времени пускового органа определяется по следующей формуле:
где
tм − наибольшая выдержка времени защиты
присоединений, отходящих от шин подстанции, с;
∆t -
ступень селективности, с.
Наибольшая
выдержка времени составляет tм = 0,1 с., ступень селективности принимаем равной ∆t =
0,2 сек., тогда:
13. УРОВ
Устройство резервирования при отказе выключателя (УРОВ) предусматривается
на выключателях всех сторон защищаемого трансформатора. УРОВ НН действует на
отключение выключателей со всех сторон защищаемого трансформатора. УРОВ ВН
действует на отключение выключателей системы шин со стороны ВН.
Для обеспечения быстрого возврата схемы УРОВ, если выключатель нормально
отключился при действии защит, предусмотрен максимальный ИО тока. Выдержка
времени УРОВ предназначена для фиксации отказа выключателя, т.е. если в течение
данного времени условия пуска УРОВ сохраняются, то происходит действие на отключение
всех выключателей, через которые продолжается питание повреждения. Прием
сигналов срабатывания УРОВ ВН фиксируется при длительности сигнала не менее 3
мс.
УРОВ формирует сигнал без выдержки времени на отключение резервируемого
выключателя при появлении любого из сигналов:
– действие внешних устройств РЗА (внешний сигнал);
– действие ДЗШ (внешний сигнал);
– действие защит на отключение выключателя (внутренний сигнал).
Функция УРОВ шкафа реализует принцип индивидуального устройства, причем
схема УРОВ выполнена универсальной и возможна реализация УРОВ как по схеме с
дублированным пуском, так и по схеме с автоматической проверкой исправности
выключателя. Выбор принципа действия УРОВ производится с помощью
программируемой накладки.
В соответствии с индивидуальным принципом исполнения, УРОВ имеет
индивидуальную выдержку времени, необходимую для фиксации отказа выключателя.
Это позволяет отказаться от запаса по выдержке времени, который
предусматривается в централизованных УРОВ с общей выдержкой времени.
Реле тока УРОВ предназначено для возврата схемы УРОВ при отсутствии
отказа выключателя и для определения отказавшего выключателя или КЗ в зоне
между выключателем и трансформатором тока с целью выбора направления действия
устройства. Ток срабатывания реле тока УРОВ должен выбираться по условию
обеспечения чувствительности и по возможности минимальным. Рекомендованное
значение тока срабатывания (0,05÷0,1)·IНОМ присоединения. В отдельных
случаях могут возникнуть дополнительные ограничения по выбору минимальной уставки
по току срабатывания реле тока УРОВ (отстройка от максимального емкостного тока
для УРОВ выключателей с пофазными приводами, отстройка от токов через емкостные
делители и т.д.), которые должны учитываться проектировщиками при выборе
уставок.
В шкафу защиты трансформатора ШЭ2607 041 для контроля тока через
выключатель предусмотрены по три однофазных реле тока УРОВ.
13.1 Расчет уставки тока срабатывания УРОВ
Коэффициент возврата для ИО тока УРОВ ВН должен приниматься равным 0,9.
Уставки по току срабатывания реле тока УРОВ задаются в амперах во вторичных
величинах из диапазона от 0,04 до 2,00 с шагом 0,01 А. Рекомендуется принимать
уставку срабатывания по току равной:
Принимаем
ток срабатывания равным:
13.2 Расчет
уставки времени срабатывания УРОВ ВН
Величина выдержки времени УРОВ должна выбираться по условию отстройки от
времени отключения исправного выключателя с учетом времени возврата устройства,
погрешности внутренних элементов выдержки времени и необходимого запаса, в
соответствии с выражением:
,
где
- время отключения выключателя с той стороны
защищаемого трансформатора, для которой рассматривается УРОВ. Данная величина
должна учитывать время срабатывания промежуточного реле или контактора, если
действие на электромагнит отключения выключателя производится только через
него;
-
максимальное время возврата ИО тока УРОВ. Время возврата реле тока УРОВ при
сбросе входного тока от 20
до нуля не более 0,03 с.;
- время
запаса, принимаемое равным 0,1 с.
Принимаем выдержку времени УРОВ ВН равной:
13.3 Расчет
уставки действия УРОВ ВН «на себя»
Схема УРОВ каждого присоединения может быть выполнена с повторным
действием на отключение «своего» выключателя при пуске УРОВ от защит
присоединения, что позволяет исключить излишнее срабатывание УРОВ при нарушении
целостности цепи отключения от защит присоединения и исправном состоянии
выключателя.
Повторное действие на отключение выключателя производится через выдержку
времени Тсраб.
В принятом к установке шкафу эта выдержка времени обозначается «ТУРОВ на
себя» и задается в секундах из диапазона от 0,10 до 0,60 с шагом 0,01 с.
Принимаем задержку времени равной:
ТУРОВ на себя = 0,3 с.
14. АПВ
Уставки выдержки времени АПВ в шкафах защиты шин обозначаются
«ТАПВ1сш» - для АПВ 1СШ; «ТАПВ2сш» - для АПВ 2СШ. Уставки регулируются в
диапазоне 0,05 ÷ 10,00 с.
Рекомендуемое значение уставки - 5 с.
Уставка выдержки времени задержки на цикл АПВ выбирается с учетом времени
АПВ питающего присоединения, включаемого первым.
Уставка выдержки времени задержки на цикл АПВ в шкафах защиты шин обозначается -
«Тзад.АПВ». Уставки регулируются
в диапазоне 0,05 ÷ 27,00 с. Рекомендуемое значение уставки - 10 с.
15. Выбор микропроцессорных терминалов защиты
Принимаем к установке микропроцессорные терминалы отечественной фирмы
«ЭКРА». Распределение терминалов по защищаемым элементам приведено в табл. 9.
Таблица 9. Распределение терминалов ЭКРА
|
Защищаемый элемент
|
Название терминала
|
|
КЛ-110 кВ
|
ШЭ2607 091
|
|
Трансформатор
|
ШЭ2607 048
|
|
Шины
|
ШЭ2607 026
|
|
Отходящие линии
|
ШЭ2607 171
|
15.1 ШЭ2607 171
Обеспечение выполнения задач шкафа по назначению возложено на:
максимальную токовую защиту (МТЗ), защиту от однофазных замыканий на землю
(ЗОЗЗ), защиту от дуговых замыканий (ЗДЗ), защиту резервирования при отказе
выключателя (УРОВ), защиту от несимметричного режима (ЗНР), защиту минимального
напряжения (ЗМН), автоматику повторного включения линии (АПВ), управление
выключателя.
МТЗ содержит три направленные ступени с пуском по напряжению с
независимой времятоковой характеристикой - для I и II ступени, как зависимой
так и независимой - для III ступени. ЗОЗЗ содержит две направленные ступени с независимой
(I ступень) и зависимой (II ступень) времятоковой характеристикой. ЗНР содержит
компаратор токов прямой и обратной последовательностей. АПВ содержит автоматику
двукратного повторного включения линии. УРОВ содержит автоматику резервирования
при отказе выключателя линии. Субъекты управления выключателем содержат
автоматику, действующую на отключение или включение выключателя и
осуществляющую контроль цепей управления.
Предусмотрено отключение и включение (при наличии второй защиты
присоединения) выключателя от защит, АСУТП (ТМ), ключа управления даже при
отсутствии питания терминала или при неисправности терминала.
15.2 ШЭ2607 026
Шкаф предназначен для защиты шин с фиксированным присоединением
элементов. При этом число защищаемых присоединений не более двенадцати.
Шкаф содержит реле дифференциальной защиты шин (ДЗШ), состоящее из
пускового органа (ПО), избирательных органов первой (ИО1) и второй систем шин
(ИО2), реле чувствительного токового органа (ЧТО), органы контроля напряжения
первой и второй систем шин, реле контроля исправности токовых цепей, логику
“очувствления” ДЗШ, логику опробования, логику запрета АПВ, цепи отключения,
пуска УРОВ и запрета АПВ.
Защита выполнена пофазной и содержит пусковые органы (ПО), действующие
при КЗ на любой из систем шин, а также избирательные органы первой (ИО1) и
второй (ИО2) систем шин, определяющие поврежденную систему шин. Сигнал на
отключение поврежденной системы шин появляется только при срабатывании
пускового и избирательного органов поврежденной фазы/фаз. Предусмотрена
возможность ручного перевода ДЗШ на отключение обеих систем (секций) шин,
необходимого при несоответствии схемы ДЗШ схеме первичных соединений.
Избирательные органы первой (ИО1) и второй (ИО2) систем шин с помощью
промежуточных трансформаторов тока подключены к группам ТТ присоединений
соответственно первой и второй систем шин, включая трансформаторы тока ШСВ.
Пусковые органы подключены к расчетному дифференциальному току всех
присоединений обеих систем шин, за исключением тока ШСВ.
Цепи переменного тока шкафа обеспечивают подключение к вторичным цепям
главных трансформаторов тока с номинальным вторичным током 1 или 5 А, при этом
предусмотрено возможность выравнивания для двух значений коэффициентов
трансформации ТТ.
Для надежного отключения выключателей систем шин при работе ДЗШ, в том
числе в цикле АПВ шин, предусмотрено реле ЧТО, включенное на дифференциальный
ток пускового органа.
Реле контроля исправности токовых цепей контролирует баланс токов в
каждой фазе пускового и избирательных органов ДЗШ и при обрыве во вторичных
токовых цепях с выдержкой времени обеспечивает сигнализацию о поврежденной фазе
и блокировку работы ДЗШ.
В устройстве защиты предусмотрены логические цепи запрета АПВ шин в
режимах после неуспешного АПВ шин, неполнофазного или полнофазного отказа
выключателя, при отключении от УРОВ. Имеется возможность оперативного запрета
АПВ при работе ДЗШ.
Имеется возможность ручного опробования от ШСВ, СВ1, СВ2, ОВ, четырех
линий. При этом обеспечивается отключение того выключателя, которым
производится опробование.
15.3 ШЭ2607 048
Шкаф предназначен в качестве основной и резервной защиты двухобмоточного
трансформатора с высшим напряжением 110-220 кВ.
Защита действует при следующих видах КЗ:
дифференциальная токовая защита трансформатора (ДЗТ) - при всех видах КЗ
внутри бака;
токовая защита нулевой последовательности стороны высшего напряжения
(ТЗНП ВН) - при КЗ на землю;
максимальная токовая защита стороны высшего напряжения (ВН), низшего
напряжения (НН) с пуском по напряжению (МТЗ ВН, МТЗ НН) при междуфазных КЗ.
Максимальная токовая защита в шкафах со стороны ВН, НН имеет выдержки
времени для действия на различные выключатели всех сторон трансформатора.
В шкафах обеспечивается прием сигналов от сигнальной и отключающей
ступеней газовой защиты трансформатора (ГЗТ), ГЗТ РПН, датчиков повышения
температуры масла, понижения и повышения уровня масла, неисправности цепей
охлаждения. Шкафы оснащены устройствами контроля изоляции цепей ГЗ.
Шкаф содержит следующие пусковые и измерительные органы:
• Дифференциальная токовая защита (ДЗТ):
реле ДЗТ выполнено в виде двухканальной дифференциальной токовой защиты с
торможением, содержащей чувствительное реле и отсечку. Чувствительное реле ДЗТ
имеет токозависимую характеристику с уставкой по начальному току срабатывания.
орган блокировки ДЗТ по 2-ой гармонике от бросков тока намагничивания.
• Токовая защита нулевой последовательности (ТЗНП):
реле тока ТЗНП использует расчетное значение тока 3I0, полученное
суммированием фазных токов стороны ВН.
• Максимальная токовая защита стороны ВН (МТЗ ВН):
реле тока МТЗ ВН выполнено пофазно, с пуском по напряжению.
• Максимальная токовая защита стороны НН (МТЗ НН):
реле тока МТЗ НН имеет по 2 ступени, выполнено пофазно, с пуском по
напряжению.
• Защита от перегрузки (ЗП):
реле тока ЗП включается на фазные токи (фаза А) сторон ВН, НН.
• Защита автоматики охлаждения (АО):
реле тока автоматики охлаждения включается на фазные токи (фаза А) сторон
ВН НН.
• УРОВ выключателя стороны ВН:
три однофазных реле тока.
15.4 ШЭ2607 091
Шкаф с использованием цифровых каналов связи используется в качестве
основной защиты линий электропередачи напряжением 110-220 кВ и предназначены
для защиты двух или трех концевых линий электропередачи.
Защита выполнена в виде двух полукомплектов, устанавливаемых на разных
концах защищаемой линии.
Связь между полукомплектами ДЗЛ может осуществляться:
• по выделенному оптическому каналу с использованием двух жил оптического
кабеля (многомодовое или одномодовое волокно).
• с использованием стандартного 64 Кбит/с синхронного канала (с
подключением к мультиплексору через электрический интерфейс Х21 или G703).
Скорость передачи между устройствами может быть увеличена до 512 Кбит/с (до 8
тайм-слотов по 64 Кбит/с).
Дополнительно, с целью резервирования ДЗЛ при потере цифровых каналов
связи, полукомплект содержит комплект ступенчатых защит.
ДЗЛ действует при всех видах коротких замыканий (КЗ) на защищаемой линии.
ДЗЛ не срабатывает при внешних КЗ. Комплект ступенчатых защит обеспечивает
дальнее резервирование при внешних КЗ.
Полукомплекты защиты выполнены на базе микропроцессорных терминалов,
реализующих функции:
• ДЗЛ.
• комплекта ступенчатых защит.
• устройства резервирования отказа выключателя (УРОВ).
• токовой отсечки (ТО).
ДЗЛ содержит три независимых дифференциальных реле тока (фазы А, фазы В,
фазы С) с торможением.
В комплект ступенчатых защит входит:
• трехступенчатая дистанционная защита (ДЗ) от междуфазных и одна ступень
от однофазных КЗ на землю с блокировкой при качаниях (БК).
• четырехступенчатая токовая направленная защита нулевой
последовательности (ТНЗНП) с реле направления мощности нулевой
последовательности (РНМНП).
• автоматика разгрузки при перегрузке по току (АРПТ).
Шкаф имеет два независимых канала связи, позволяющих реализовать их
полное дублирование или дифференциальную защиту трехконцевой линии.
Кроме функций защиты шкаф обеспечивает:
• измерение текущих значений токов, напряжений, частоты, активной и
реактивной мощности.
• регистрацию входных аналоговых и дискретных сигналов.
• осцилографирование токов, напряжений и дискретных сигналов.
• определение расстояния до места повреждения (ОМП).
• непрерывную проверку функционирования и самодиагностику.
16. Выбор и проверка измерительных трансформаторов
16.1 Выбор трансформаторов тока
Выбор ТТ производится исходя из следующих условий:

,

.
При
этом номинальный ток ТТ должен быть как можно ближе к расчетному току
установки, так как недогрузка первичной обмотки приводит к увеличению
погрешностей.
Проверяются
ТТ по следующим условиям:
Кроме того, при подключении нагрузки ко вторичной обмотке трансформатора
необходимо учитывать то, что номинальное значение сопротивления нагрузки должно
быть больше расчетного, т. е.:
Трансформаторы тока характеризуются номинальным первичным током IТТ1н и номинальным вторичным током IТТ2н. Отношение номинального
первичного к номинальному вторичному току представляет собой коэффициент
трансформации (однако обычно в технической документации приводят не само
значение коэффициента, а дробь, из которой он получен - т. е. вместо 300
приводят 1500/5):
.
В
зависимости от токовой погрешности измерительные трансформаторы тока разделены
на пять классов точности: 0,2; 0,5; 1; 3; 10. Для присоединения счетчиков
электроэнергии предназначены трансформаторы тока класса 0,5, для присоединения
щитовых измерительных приборов и реле защиты - классов 1 и 3.
Следует отметить, что ТТ, входящие в комплект бакового элегазового
выключателя (на присоединении 110 кВ к ТС), не требуют проверки по термическим
и электродинамическим условиям, т. к. они поставляются вместе с выключателями
и, соответственно, рассчитаны на режим работы самого выключателя.
Баковый выключатель на линии 110 кВ комплектуется трансформаторами тока SB0.8 1500/5 30/0,2SF s10, SB0.8
1500/5 40/10P25 и SB0.8 1500/5 30/0,5Fs10, представляющими собой индуктивные одновитковые трансформаторы тока.
Функцию первичной обмотки выполняет токонесущий проводник, проходящий сквозь
ввод выключателя ЗАР1DТ.
Вторичные обмотки встроены в трансформатор тока, каждая из них имеет
собственный ферромагнитный сердечник. Вторичных обмоток - три: обмотки с
классом точности 0,5 используются для подключения измерительных приборов и
счетчиков электроэнергии; обмотки с классом точности 10Р - для подключения к
цепям релейной защиты. На полюс выключателя устанавливаются по 2 трансформатора
тока (по отношению к сети - перед выключателем и после выключателя).
На линии, соединяющей РП-1 и ТС, установлены ТТ элегазового бакового
выключателя типа SB0.8 (1500/5) и
отдельные ТТ типа ТВ-110-3 (1500/5). На линии, соединяющей ТС и шины КРУ-35 кВ
установлены ТТ типа TPU 76.63
(3000/5). На присоединениях к шинам КРУ-35 кВ установлены ТТ типа TPU 70.63 (600/5, 1000/5). Следует
отметить, что на присоединении ФКУ после колонкового элегазового выключателя
установлены ТТ типа ТЛК-35-1 (750/1) в каждую фазу, а непосредственно на
батареях конденсаторов и катушек индуктивности установлены ТТ типа ТЛК-35-1
(250/1) в две фазы из трех. КРУ-6 кВ содержит ТТ типа ТЗЛЭ и ТТ типа ТОЛ-10-1
(1500/5, 200/5, 300/5, 150/5). Паспортные данные выбранных трансформаторов
приведены в табл. 10.
Таблица 10. Паспортные данные выбранных ТТ
|
Наименование типа ТТ
|
Номинальное напряжение, кВ
|
Номинальный ток, А
|
Ток термической стойкости
(3 с), кА
|
Ток электродинамической
стойкости, кА
|
|
SB0.8
|
110
|
1500/5
|
40
|
100
|
|
ТТ-110-3
|
110
|
1500/5
|
50
|
120
|
|
TPU 76.63
|
35
|
3000/5
|
100
|
250
|
|
TPU 70.63
|
35
|
1000/5
|
100
|
250
|
|
TPU 70.63
|
35
|
600/5
|
100
|
250
|
|
ТЛК-35-1
|
35
|
750/1
|
100
|
250
|
|
ТЛК-35-1
|
35
|
250/1
|
100
|
250
|
|
ТЗЛЭ-125
|
0,66
|
500/1
|
140
|
102
|
|
ТОЛ-10-1
|
10
|
1500/5
|
40
|
102
|
|
ТОЛ-10-1
|
10
|
300/5
|
16
|
81
|
|
ТОЛ-10-1
|
10
|
200/5
|
16
|
81
|
|
ТОЛ-10-1
|
10
|
150/5
|
16
|
81
|
Проверку выбранных ТТ производим по условиям (14.3) и (14.4). Полученный
значения для каждого ТТ приведены в табл. 11.
Таблица 11. Проверка выбранных ТТ
|
Наименование типа ТТ
|
Максимально допустимый
интеграл Джоуля, МА2 сПолученный интеграл Джоуля, МА2 сДопустимый электродинамический ток, кАУдарный ток
КЗ, кА
|
|
|
|
|
ТТ-110-3
|
7500
|
409,8
|
120
|
91,99
|
|
TPU 76.63
|
30000
|
138
|
250
|
48,28
|
|
TPU 70.63
|
30000
|
138
|
48,28
|
|
TPU 70.63
|
30000
|
138
|
250
|
48,28
|
|
ТЛК-35-1
|
10000
|
138
|
250
|
48,28
|
|
ТЛК-35-1
|
10000
|
138
|
250
|
48,28
|
|
ТЗЛЭ-125
|
19600
|
528,97
|
102
|
64,3
|
|
ТОЛ-10-1
|
4800
|
528,97
|
102
|
64,3
|
|
ТОЛ-10-1
|
768
|
528,97
|
81
|
64,3
|
|
ТОЛ-10-1
|
768
|
528,97
|
81
|
64,3
|
|
ТОЛ-10-1
|
768
|
528,97
|
81
|
64,3
|
Заключительной проверкой выбранных ТТ является проверка по нагрузке ТТ в
нормальном режиме. Под номинальной нагрузкой трансформатора тока (SТТ2н, ВА) понимают нагрузку вторичной
обмотки, при которой погрешности не выходят за пределы, установленные для
трансформаторов данного класса точности. Значение SТТ2н дается в каталогах.
В данной курсовой работе в качестве примера приведена проверка по
мощности вторичной обмотки ТТ, расположенного на вводе АПК 1 КЦ 2. Проверка ТТ
по нагрузке первичной обмотки обычно не проводится (т. к. выбор осуществляется
фактически по мощности первичной обмотки), а проверка по нагрузке вторичной
обмотки производится по следующему условию:
SТТ2н ≥
SТТ2расч ,
где SТТ2н = 30 ВА - номинальная нагрузка
вторичной обмотки ТТ TPU
70.63 1000/5;
SТТ2расч
- расчетная нагрузка вторичной обмотки ТТ TPU 70.63 1000/5 в нормальном режиме работы.
Расчетная нагрузка вторичной обмотки ТТ в нормальном режиме работы
определяется по следующей формуле:
Расчетный
ток первичной обмотки ТТ в нормальном режиме совпадает с расчетным током КЛ 35
кВ, в цепи которой будет устанавливаться первичная обмотка ТТ. Получаем, что в
нормальном режиме:
Полное
расчетное сопротивление внешней цепи вторичной обмотки ТТ (на основании
рекомендаций [7, с.141]):
где
- сопротивление контактов;
-
сопротивление соединительных проводов;
-
сопротивление последовательно соединенных приборов или реле во вторичной обмотке
ТТ.
Сопротивление
соединительных проводов
рассчитывается исходя из длины соединительного
алюминиевого провода
, схемы соединения вторичных обмоток ТТ - полная
звезда (наиболее распространенная схема, позволяющая обеспечивать надежную
защиту от всех ненормальных режимов работы); сечения провода Sсоед.ТТ
=1,5 мм2, а так же удельного сопротивление алюминия при 20 0С
. Следует отметить, что принятые расчетные значения
соединительных проводов являются средними значениями (в связи с отсутствием
данных по расстояниям на исследуемой ГПП).
Получаем,
что сопротивление соединительных проводов составит:
Сопротивление
последовательно соединенных приборов или реле во вторичной обмотке ТТ
рассчитывается исходя из условия включения во
вторичную цепь токовых обмоток микропроцессорного терминала, осуществляющего
защитные функции. Исходя из среднего значения сопротивлений обмоток
микропроцессорных терминалов, принимаем к расчету:
Номинальный
коэффициент трансформации проверяемого ТТ равен:
Таким
образом получаем, что расчетная нагрузка вторичной обмотки ТТ в нормальном
режиме работы равна:
Получаем,
что требуемое условие выполняется:
SТТ2н = 30 ВА ≥
SТТ2расч = 4,37 ВА.
Значит
выбранный ТТ может быть принят к установке.
17. Выбор трансформаторов напряжения
Выбор ТН производится исходя из следующих условий:

,
где
- активная и реактивная мощность, потребляемая
установленными приборами.
Если вторичная нагрузка превышает номинальную мощность в выбранном классе
точности, то устанавливают второй ТН и часть приборов присоединяют к нему.
В качестве ТН, расположенных на шине ЗРУ 110 кВ, примем трансформаторы
типа НАМИ-110 (паспортные данные приведены в табл. 12). На шинах ЗРУ-35 кВ
примем к установке ТН типа TJP
7.1 (паспортные данные приведены в табл. 13). На шинах ЗРУ-6 кВ примем к установке
ТН типа ЗНОЛ-6 (паспортные данные приведены в табл. 14).
Таблица 12. Паспортные данные ТН типа НАМИ-110УХЛ1
|
Номинальное напряжение Uном,
кВ
|
110/
|
|
Наибольшее рабочее
напряжение Uмакс, кВ
|
126/
|
|
Класс точности вторичных
обмоток
|
0,2 и 3
|
|
Номинальная нагрузка
вторичных обмоток, ВА
|
120 и 1200
|
|
Номинальная частота f,
Гц
|
50
|
|
Допустимая суммарная
нагрузка по термической стойкости S, ВА
|
2000
|
|
Тип конструкции ТН
|
электромагнитный
|
Таблица 13. Паспортные данные ТН типа TJP 7.1
|
Номинальное напряжение Uном,
кВ
|
35
|
|
Наибольшее рабочее
напряжение Uмакс, кВ
|
42
|
|
Класс точности вторичных
обмоток
|
0,2, 0,5 и 1
|
|
Номинальная нагрузка
вторичных обмоток, ВА
|
30, 75 и 150
|
|
Номинальная частота f,
Гц
|
50
|
Таблица 14. Паспортные данные измерительного трансформатора ЗНОЛ-6
|
Марка
|
ЗНОЛ-6
|
|
Предельная мощность вне
класса точности Sпред, ВА
|
400
|
|
Напряжение номинальное
обмотки высшего напряжения UВН, В
|
6900/
|
|
Напряжение номинальное
основной обмотки низшего напряжения UНН, В
|
100/
|
|
Напряжение номинальное
дополнительной обмотки низшего напряжения UНН, В
|
100
|
|
Номинальная частота, Гц
|
50
|
Работа ТН в заданных пределах точности возможна только при нагрузке фаз
меньше номинального значения. Максимальная нагрузка вторичной обмотки
выбранного ТН составляет SТН2ном
= 30 ВА на фазу (при выбранном классе точности). Потребление цепей напряжения в
случае применения микропроцессорных устройств защиты фирмы ЭКРА составляет не
более 2 ВА на фазу [12]. Тогда условие нагрузки на вторичные обмотки
трансформатора напряжения выполняется:
SТН2ном
= 30 ВА ≥ SТН2расч = 2 ВА.
Дополнительный расход мощности из-за наличия соединительных проводов при
этом не учитывался ввиду малых потерь в них [7]. Сечение проводов, однако,
следует проверить по потере напряжения (как основного сигнала измерения).
Сечение проводов в цепях ТН определяется по допустимой потере напряжения.
Потеря напряжения от ТН до расчетных счетчиков должна быть не более 0,5%, а до
щитовых измерительных приборов - не более 1,5% при нормальной нагрузке [7,
с.143]. Номинальное напряжение вторичных обмоток ТН составляет UТН2ном = 100 В. При потреблении
максимальной полной мощности SТН2расч
= 1,5 ВА на фазу ток в цепях напряжения составит:
При
применении алюминиевых проводов сечением Sсоед.ТН =1,5
мм2 и длиной
сопротивление каждого такого провода составит:
Тогда
относительная потеря напряжения в каждом проводе при максимальном потреблении
мощности счетчиком будет равна:
Проверку
по динамической и термической устойчивости трансформаторов напряжения
производить не нужно.
18. Организация связи РЗ
Мощный последовательный канал связи обеспечивает опрос цифровых
измеренных значений и другой информации, хранимой в модулях защиты, для
распечатки и дальнейшей обработки на подстанционном или системном уровне
управления. С другой стороны, с удаленного центра управления можно менять
группы уставок или запускать тестовые программы.
Для ввода параметров и считывания информации используется простая
встроенная панель оператора, работа с которой не требует никаких специальных
знаний по программному обеспечению.
Совокупность шкафов связи с объектом типа ШЭ2608.10.011 и различные его
модификации совместно с интеллектуальными контроллерами РЗА, оборудованием ПА и
других подсистем образуют средний контроллерный уровень ПТК ЭКРА. Основой шкафа
ШЭ2608.10.011 является контроллер, который обеспечивает функции сбора сигналов
телесигнализации и телеизмерения, а также при необходимости ввод данных от
других интеллектуальных устройств, решение задач логического управления и
блокировки, передачи команд и сигнализации. Модульность состава шкафа связи с
объектом позволяет при небольшой номенклатуре типовых узлов оптимально
распределить решение всех функциональных задач системы между аппаратурой
среднего уровня и придать соответствующую специализацию каждому шкафу уже на
этапе проектирования АСУ ТП ПС. Вычислительные ресурсы шкафа обеспечивают все
необходимые возможности и средства для организации локального сбора и
предварительной обработки данных, регистрации событий и информационного обмена
шкафа на сетевом уровне ПТК.
Для обеспечения надежной среды взаимодействия между контроллерами ПТК
ЭКРА использует дублированную оптоволоконную сеть Ethernet. Средства Ethernet
сетей предоставляют широкие возможности сегментации сети, распределения и
маршрутизации информационных потоков для оптимизации трафика и минимизации
времени доставки сообщений между клиентами сети. Сетевой уровень ПТК ЭКРА
реализован с использованием широко применяемого в энергетике сетевого
оборудования известных фирм-производителей. Система единого времени является
специфической подсистемой сетевого уровня, предназначенной для синхронизации
локальных таймеров всех устройств, объединяемых ПТК ЭКРА в системе АСУ ТП ПС.
Верхний уровень реализует функцию поддержки дистанционного управления и
обмена данными о состоянии объекта с обслуживающим персоналом и вышестоящими
системами. Данный уровень включает в себя пользовательские автоматизированные
рабочие места (АРМ), коммуникационное и серверное оборудование.
Серверное оборудование верхнего уровня ПТК ЭКРА предназначено для
организации регистрации и хранения данных о событиях и аварийных ситуациях,
создания оперативных и архивных баз данных, обеспечения работы различных
вычислительных и вспомогательных программных сервисов системы, выполнения
функций преобразования интерфейсов и протоколов при организации связи с
системами и клиентами верхнего уровня. Номенклатура серверного оборудования
представлена серией шкафов типа ШЭ2608.10.006/007/010. Функциональный состав
оборудования данных шкафов одинаков и отличается лишь количеством и типом
вычислительного и коммуникационного оборудования.
На рис. 8 приведена структурная схема АСУ ТП на базе ЭКРА. На рис. 9
представлено задание уставок через SCADA-систему. На рис. 10 представлена принципиальная схема соединения
измерительных трансформаторов тока для защиты силового трансформатора.
Цифровые реле осуществляют контроль как собственных аппаратных средств,
так и программного обеспечения. Исчерпывающие функции самоконтроля и
самодиагностики не ограничиваются контролем самого реле защиты, но систематически
проверяют всю цепь от трансформаторов тока до катушек отключающих реле. Таким
образом, обслуживающий персонал теперь имеет возможность устранить
неисправность сразу после её появления, тем самым значительно повышая
надежность всей защиты.
Современные цифровые реле содержат несколько наборов параметров, которые
могут быть заранее протестированы перед пуском устройства в эксплуатацию. Один
набор является оперативным. Переход на другие группы может осуществляться по
командам на бинарные входы или последовательные интерфейсы. Можно автоматически
изменять уставки, например, при выводе из схемы одного из источников питания
(генератора).
Пользователь при конфигурировании может выбирать в широких пределах
функции защиты и управления, без снижения надежности функций защиты.
В составе АСУ ТП на основе ПТК ЭКРА в качестве смежных систем могут
функционировать специализированные системы и ПТК других производителей. Обмен
информацией и командами с системами сторонних производителей, входящих в одну
АСУ ТП (специализированную или АСУ ТП общестанционного уровня управления),
может выполняться с использованием единой локальной сети, по выделенным
цифровым каналам связи или с использованием устройств типа «шлюз»,
обеспечивающих управляемый обмен между устройствами, имеющими различные
интерфейсы. Состав типов и каналов связи определяется технологическими
требованиями и составом информационного обмена, а также составом
контролируемого оборудования и смежных подсистем. Обмен информацией между ПТК
ЭКРА подстанционного уровня, АСДУ ФСК и системного оператора осуществляется с
помощью специализированной системы сбора и передачи информации PI System
OSIsoft и протокола МЭК 60870-5-104.
Рисунок 9. Задание уставок через SCADA-систему
Рисунок 10. Схема соединения измерительных ТТ для защиты силового
трансформатора
Список источников
1) Правила
устройства электроустановок. - 7-е изд., перераб. и доп. с изм. М.:
Главэнергонадзор, 1998.
2) Басс.
Э.И. Релейная защита электроэнергетических систем: Учебное пособие [Текст] /
Э.И.Басс, В.Г.Дорогунцев, под ред. А.Ф.Дьякова. - М.: Издательство МЭИ, 2002. -
296 с., ил.
3) Релейная
защита и автоматика систем электроснабжения: Учебник для вузов/ В.А. Андреев. -
4-е изд. перераб. и доп. - М.: Высшая школа, 2006. - 639с.: ил.
4) Справочник
по проектированию электроснабжения / Под общ. ред. В.И. Круповича, Ю.Г.
Барыбина, М.Л. Самовера - 3-е изд., перераб. и доп. - М.: Энергия, 1980. - 456
с., ил.
5) Гловацкий
В.Г., Пономарев И.В. Современные средства защиты и автоматики электросетей. 4-я
электронная версия. Энергомашвин, 2004.
6) Руководящие
указания по расчету токов короткого замыкания и выбору электрооборудования. РД
153-34.0-20.527-98 / Под ред. Неклепаева Б. Н.
7) Современные
решения в области силовых кабелей. Кабели с изоляцией из сшитого полиэтилена
среднего и высокого напряжения. АВВ, Москабель, 2000.
8) Электрическая
часть станций и подстанций: Справочные материалы для курсового и дипломного
проектирования. Учеб. пособие для электротехнических специальностей вузов/И.П.
Крючков, Н.Н.Кувшинский, Б.Н. Неклепаев и др.; Под ред. Б.Н. Неклепаева - 3-е
изд., перераб. и доп. - М.: Энергия, 1978. - 456 с.: ил.
9) Шабад
М. А. Расчеты релейной защиты и автоматики распределительных сетей / Второе
издание переработанное и дополненное. Энергия 1976 год.
10) Гловацкий
В.Г., Пономарев И.В. Современные средства защиты и автоматики электросетей. 4-я
электронная версия. Энергомашин, 2004.
11) Авербух
А. М. Релейная защита в задачах с решениями и примерами. - Л.: Энергия.
Ленинград, 1795. - 416 с.