Разработка устройства управления вентилятором, работающем на эффекте Коанда

  • Вид работы:
    Курсовая работа (т)
  • Предмет:
    Физика
  • Язык:
    Русский
    ,
    Формат файла:
    MS Word
    1,66 Мб
  • Опубликовано:
    2012-12-03
Вы можете узнать стоимость помощи в написании студенческой работы.
Помощь в написании работы, которую точно примут!

Разработка устройства управления вентилятором, работающем на эффекте Коанда

Содержание

Введение

. Эффект Коанда

. Виды вентиляторов и их классификация

. Вентилятор работающий на эффекте Коанда

. Разработка устройства управления вентилятором работающего на эффекте Коанда

Выводы

Список литературы

Введение

В данной курсовой работе поставлена задача разработки устройства управления вентилятором, работающем на эффекте Коанда. Для этого необходимо в первую очередь описать эффект Коанда. Далее вкратце рассмотреть различные вентиляторы и их принципы работы и применение в различных вентиляционных системах. Широко рассмотреть принцип работы самого вентилятора, работающим на эффекте Коанда. Описать достоинства и недостатки такого вентилятора. Сравнить его с другими вентиляторами. Предложить способ регулирования расходом воздуха исходя из устройства вентилятора.

1. Эффект Коанда

Эффект Коанда - физическое явление, названное в честь румынского учёного Анри Коанды, который в 1932 году обнаружил, что струя жидкости, вытекающая из сопла, стремится отклониться по направлению к стенке и при определенных условиях "прилипает" к ней.

Рисунок 1 - Слои воздуха

Никакого прилипания на самом деле, конечно же, нет. Объясняется всё той же разницей давлений между слоями воздуха, которая является причиной и многих других интересных явлений в воздухе и воде

Это объясняется тем, что боковая стенка препятствует свободному поступлению воздуха с одной стороны струи, создавая вихрь в зоне пониженного давления

В аэродинамике давно пользуются моделью, основанной на слоях воздуха, имеющих одинаковую скорость движения. Согласно этой модели причина, в том, что трение между твёрдой поверхностью и граничными к ней слоями потока меньше, чем между отдельными слоями потока воздуха. Кроме того, где-то на достаточно большом расстоянии от поверхности обязательно появится слой с почти нулевой скоростью течения относительно рассматриваемой твёрдой поверхности. Таким образом, скорость слоёв потока возле твёрдой поверхности выше, чем на некотором удалении от поверхности. А по закон Бернулли, по которому более медленные слои воздуха оказывают большее поперечное давление, чем слои, которые движутся быстрее. То есть, со стороны более медленных слоёв воздушный поток испытывает поперечное давление в сторону более быстрых слоёв. И, весь поток отклоняется. То есть, в случае эффекта Коанда, отклоняется в сторону твёрдой поверхности, которая его ограничивает. Итак, эффект Коанда часто в изобретательской практике используется для засасывания дополнительной массы воздуха не через вентилятор, а увлеканием скоростным потоком. Это считается более эффективным. Закон сохранения энергии при этом, конечно же, не нарушается. Просто, маленький вентилятор для того, чтоб подать больше воздуха, должен крутиться быстрее, ускорять воздушный поток, чтоб прокачать больше. Но, затрачиваемая энергия, как нам подсказывает формула кинетической энергии, растёт пропорционально массе и квадрату скорости. Так что, если нам требуется именно большое количество воздуха, то очень заманчиво для изобретателя этот квадрат скорости преобразовать в как можно большие массы.

2. Виды вентиляторов и их классификация

Вентилятор представляет собой механическое устройство, предназначенное для перемещения воздуха по воздуховодам систем кондиционирования и вентиляции, а также для осуществления прямой подачи воздуха в помещение либо отсоса из помещения, и создающее необходимый для этого перепад давлений (на входе и выходе вентилятора).

По конструкции и принципу действия вентиляторы делятся на осевые (аксиальные), радиальные (центробежные) и диаметральные (тангенциальные). В зависимости от величины полного давления, которое они создают при перемещении воздуха, вентиляторы бывают низкого давления (до 1 кПа), среднего давления (до 3 кПа) и высокого давления (до 12 кПа).

По направлению вращения рабочего колеса (если смотреть со стороны всасывания) вентиляторы могут быть правого вращения (колесо вращается по часовой стрелке) и левого вращения (колесо вращается против часовой стрелки).

В зависимости от состава перемещаемой среды и условий эксплуатации вентиляторы подразделяются на:

обычные - для воздуха (газов) с температурой до 80 °С

коррозионностойкие - для коррозионных сред;

термостойкие - для воздуха с темпера турой выше 80 °С;

взрывобезопасные - для взрывоопасных сред;

пылевые - для запыленного воздуха (твердые примеси в количестве более 100 мг/м3).

По способу соединения крыльчатки вентилятора и электродвигателя вентиляторы могут быть:

с непосредственным соединением с электродвигателем;

с соединением на эластичной муфте;

с клиноременной передачей;

с регулирующей бесступенчатой пере дачей.

По месту установки вентиляторы делят на:

обычные, устанавливаемые на специальной опоре (раме, фундаменте и т.д.);

канальные, устанавливаемые непосредственно в воздуховоде;

крышные, размещаемые на кровле.

Основными характеристиками вентиляторов являются следующие параметры:

Ø  расход воздуха, Q [м3/ч];

Ø  полное давление, H [Па];

Ø  частота вращения, n [об/мин];

Ø  потребляемая мощность, затрачиваемая на привод вентилятора, P [кВт];

Ø  КПД (η) - коэффициент полезного действия вентилятора, учитывающий механические потери мощности на раз личные виды трения в рабочих органах вентилятора, объемные потери в результате утечек через уплотнения и аэродинамические потери в проточной части вентилятора;

Ø  уровень звукового давления, N [дБ].

Различают уровни звукового давления в воздуховоде со стороны всасывания и нагнетания, а также передаваемые в окружающую среду.

Осевые вентиляторы

Осевой вентилятор представляет собой расположенное в цилиндрическом кожухе (обечайке) колесо из консольных лопастей, закрепленных на втулке под углом к плоскости вращения (в некоторых конструкциях используются поворотные лопасти).

Рабочее колесо чаще всего насаживается непосредственно на ось электродвигателя. При вращении колеса воздух захватывается лопастями и перемещается в осевом направлении. При этом перемещение воздуха в радиальном направлении практически отсутствует. На входе в вентилятор устанавливается коллектор (спрямляющий аппарат), значительно улучшающий аэродинамические характеристики работы вентилятора. Осевые вентиляторы имеют больший КПД по сравнению с радиальными и диаметральными. Расход и напор регулируются поворотом лопаток, к тому же они имеют меньшие размеры. Такие вентиляторы, как правило, применяют для подачи значительных объемов воздуха при малых аэродинамических сопротивлениях сети.

Рисунок 2 - Осевые вентиляторы

Радиальные вентиляторы

Радиальный вентилятор представляет собой расположенное в спиральном кожухе лопаточное (рабочее) колесо, при вращении которого воздух, попадающий в каналы между его лопатками, двигается в радиальном направлении к периферии колеса и сжимается. Под действием центробежной силы он отбрасывается в спиральный кожух и далее направляется в нагнетательное отверстие.

Рисунок 3 - Радиальный вентилятор: а - на одном валу с электродвигателем; б - с клиноременной передачей

Рабочее колесо - основной элемент радиального вентилятора, представляет собой пустотелый цилиндр, в котором по всей боковой поверхности, параллельно оси вращения, установлены на равных расстояниях лопатки. Лопатки скреплены по окружности с помощью переднего и заднего дисков, в центре которых находится ступица для насаживания рабочего колеса на вал. В зависимости от назначения вентилятора, лопатки рабочего колеса изготавливают загнутыми вперед или назад. Количество лопаток бывает различным, в зависимости от назначения и типа вентилятора. Вентиляторы выпускаются с восемью положениями кожуха. Могут иметь правое и левое вращение. В системах вентиляции и кондиционирования применяются радиальные вентиляторы (см. рис. IV.3.):

одностороннего или двустороннего всасывания;

на одном валу с эл. двигателем или с клиноременной передачей;

с лопатками, загнутыми назад или вперед.

Рисунок 4 - Вентилятор а - одностороннего всасывания; б - двустороннего всасывания

Применение радиальных вентиляторов с лопатками, загнутыми назад, дает экономию электроэнергии примерно 20%. Другое весьма важное достоинство вентиляторов с лопатками, загнутыми назад, заключается в том, что они относительно легко переносят перегрузки по расходу воздуха. Радиальные вентиляторы с лопатками, загнутыми вперед, обеспечивают одни и те же расходные и напорные характеристики, что и вентиляторы с лопатками, загнутыми назад, при меньшем диаметре колеса и более низкой частоте вращения. Таким образом, они могут достичь требуемого результата, занимая меньше места и создавая меньший шум.

Диаметральные вентиляторы

Диаметральный вентилятор состоит из рабочего колеса барабанного типа с загнутыми вперед лопатками и корпуса, имеющего патрубок на входе и диффузор на выходе. Действие диаметральных вентиляторов основано на двукратном поперечном прохождении потока воздуха через рабочее колесо.

Рисунок 5 - Диаметральные вентиляторы

Диаметральные вентиляторы характеризуются более высокими аэродинамическими параметрами, по сравнению с другими типами вентиляторов, в частности, они создают плоский равномерный поток воздуха большой ширины; удобством компоновки, позволяющей осуществлять поворот потока в широких пределах; компактностью установки, позволяющей существенно сократить объем, занимаемый вентиляционной установкой. КПД таких вентиляторов может достигать 0,7. Благодаря этим качествам диаметральные вентиляторы нашли самое широкое применение в различных агрегатированных установках вентиляции и кондиционирования воздуха: фанкойлах, внутренних блоках сплит-систем, воздушных завесах и т.д.

. Вентилятор работающий на эффекте Коанда

Впервые такой вентилятор был выполнен Джеймсом Дайсоном в октябре 2009 г. Джеймс Дайсон с его инженерами, когда создавали сушилку для рук, обратили внимание, что очень много воздуха засасывается в отверстие для рук, что связанно именно с эффектом Коанда. Они создали вентилятор без наружного винта.

Рисунок 6 - Вентилятор Дайсона

Устройство и принцип действия


Рисунок 7 - Эскиз вентилятора

Турбина подаёт в щель свыше 20 литров воздуха в секунду. А на выходе из прибора объём воздуха вырастает в среднем в 10-20 раз. Из щели воздух выходит со скоростью 88 км/ч и после чего тормозится до 35 км/ч.

Рисунок 8 - Распределение воздуха

Рисунок 9 - Модель обтекания обруча вентилятора с эффектом Коанда

Рисунок 10 - Умножающий эффект вентилятора

Сравнение лопастного вентилятора (ЛВ) с вентилятором на эффекте Коанда (ВД).

Таблица 1 - Различный расход воздуха при одинаковых мощностях моторов


Потребляемая мощность

Расход

ЛВ

40 Вт

230 м3

ВД

40 Вт

1080 м3


Достоинства и недостатки вентилятора Дайсона

Достоинства вентилятора Дайсона заключается также в безопасности, по тому, как нет внешних вращающихся деталей и лопастей. Вентилятор Дайсона создает непрерывный поток воздуха, в то время как лопастной вентилятор рубит воздух. Также расход подаваемого воздуха в 4,7 раз больше чем у лопастного вентилятора при одинаковых мощностях, следовательно КПД такого вентилятора горазда выше.

Недостатком является ограниченность использования. Его нельзя использовать в системах вентиляции и в небольших помещениях. Потому что для работы вентилятора необходим свободный воздух вокруг вентилятора.

Рисунок 11 - Поток воздуха от осевого вентилятора и вентилятора Дайсона

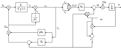
4. Разработка устройства управления вентилятором работающего на эффекте Коанда

Регулируя количество подаваемого воздуха вентилятором можно оказывать воздействие на температуру объекта или воздуха, также на влажность воздуха.

Пусть вентилятор регулирует температуру некоторого технологического объекта который не должен перегреваться до некоторой определенной температуры. Примером такого объекта могут быть батареи конденсаторов.

В Исходных данных имеем текущую температуру объекта, которую измеряет датчик температуры, и температуру задания. Далее по разнице температур определяется количество подаваемого воздуха (расход). Расход воздуха в свою очередь регулируется скоростью вращения турбины, создающую стартовый поток. Таким образом, имеется некоторая зависимость разницы температур и скоростью вращения турбины. Контур регулирования показан на рисунке 12.

Рисунок 12 - Контур регулирования температуры

где: Wр - передаточная функция регулятора

WЭП - передаточная функция электропривода

Wоб - передаточная функция объекта

Т - температура объекта

Тзад - температура задания

ΔТ - ошибка регулирования

ω - скорость вращения

ωзад - заданная скорость вращения

Также для более точного регулирования можно использовать обратную связь по скорости.

Рисунок 13 - Контур регулирования с ОС по температуре и скорости

Рассматривается передаточные функции в отдельности

Регулятор

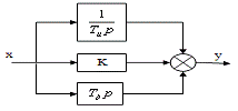
Регуляторы бывают пропорциональные (П), дифференцирующие (Д), интегрирующие (И), а также разновидности ПИ, ПИД, ПД регуляторов. В общем случае передаточную функция ПИД регулятора будет

р=,

где K - коэффициент усиления,

Tи - постоянная времени интегрирования

Tд - Постоянная времени дифференцирования,

Что соответствует рисунку 14

Рисунок 14 - Передаточная функция регулятора

Реализация регулятора возможна на микропроцессоре в составе контроллера. Например контроллер ОВЕН ТРМ101.

Передаточная функция электропривода

Передаточная функция электропривода зависит от способа регулирования скорости. Для турбины мощностью 40 Вт выбирается регулирование входным напряжением. Для автоматического регулирования выбирается регулирование напряжения с помощью тиристорного преобразователя. Тогда передаточная функция состоит из регулятора скорости, тиристорного преобразователя, и передаточной функции двигателя.

W(p)ЭП=Wр.с∙WТП∙Wд

Графически представлена на рисунке 15

Рисунок 15 - передаточная функция ЭП

α - угол отпирание тиристора

U - напряжение на двигателе

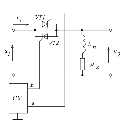
Регулирование напряжения однофазным регулятором переменного напряжения

Основным элементом однофазного регулятора является тиристорный симистор, он представляет собой два встречно-параллельно включенных тиристора, при помощи, которых нагрузка подсоединяется к цепи переменного тока (рисунок 16).

Рисунок 16 - Схема однофазного регулятора переменного напряжения

Фазовые методы регулирования базируются на управлении действующим значением переменного напряжения на нагрузке путем изменения длительности открытого состояния одного из включенных встречно-параллельно тиристоров в течение полупериода частоты сети. При фазовом методе частота выходного напряжения соответствует частоте питающей сети, а регулирование производится путем изменения формы кривой выходного напряжения и тока. Форма тока зависит от характера нагрузки. Рассмотрим простой случай, когда . Нагрузка чисто активная характерная для электротермических установок и ламп накаливания.

Фазовое регулирование возможно с отстающим углом управления ; с опережающим углом управления ; либо с тем и другим (двустороннее фазовое управление).

Фазовое регулирование с отстающим углом управления. Временная диаграмма (рисунок 17) иллюстрирует фазовое регулирование с отстающим углом управления . Тиристоры поочередно открываются в интервале положительной полуволны напряжения, приложенного к их анодам в момент прихода импульса тока  в цепь управляющего перехода. Тиристоры закрываются в точках естественной коммутации ,,.

Рисунок 17 - Временная диаграмма фазового метода с отстающим углом управления для активной нагрузки

Зависимость действующего значения напряжения на нагрузке  от угла управления  называется регулировочной характеристикой , определяется из уравнения


При нахождении интеграла учтем, что

 (16.2)

Получим

. (16.3)

Как видно из временной диаграммы угол сдвига первой гармонической составляющей тока , относительно питающего напряжения . В этом заключается некоторый парадокс: нагрузка чисто активная, а ток отстает от напряжения, что характерно для индуктивной нагрузки.

Рисунок 18 - Регулировочные характеристика

Рисунок 19 - Передаточная функция.

Математическую модель асинхронного двигателя в общем виде можно представить в виде следующей системы уравнений

 

,

.

В операторной форме уравнения имеют вид

,

.

Передаточная функция асинхронного двигателя представлена на рисунке 20.

Рисунок 20 - Передаточная функция асинхронного электропривода

Объект

Передаточная функция объекта отражает зависимость между температурой объекта и скоростью вращения турбины. Для нагревающего объекта можно приняться как апериодическое звено 1-го порядка

Рисунок 21 - Передаточная функция объекта

Выводы

В курсовой работе были проанализированы вентиляторы разного исполнения, их особенности и принцип работы. Применение в разных областях вентиляции. Широко был рассмотрен вентилятор работающий на эффекте Коанда. Этот вентилятор был изобретен командой Джеймса Дайсона в октябре 2009, и не получил широкого распространения на предприятиях и технологическом процессе. Вентилятор как уже было сказано работает на эффекте Коанда. Этот эффект был открыт румынским ученым Анри Коандом, который 1932 году обнаружил, что струя жидкости, вытекающая из сопла, стремится отклониться по направлению к стенке и при определенных условиях "прилипает" к ней. Были рассмотрены его специфические особенности и принципы работы.

Был произведено сравнение вентилятора Дайсона и обычного лопастного вентилятора. Вентилятор Дайсона имеет ряд плюсов среди них можно выделить безопасность, большой расход воздуха, высокий КПД. Недостатком является ограниченность применения связанным с необходимостью свободного воздуха вокруг обода вентилятора.

Также было рассмотрен способ регулирования температуры с помощью вентилятора Дайсона. Предложены теоретические передаточные функции ключевых объектов входящих в автоматическую систему регулирования. Структурная схема регулирования. Определение параметров для каждой системы индивидуально и зависит от объекта управления. Также в литературе не найдена передаточная функция самого вентилятора, это усложняет процесс синтеза АСУ. Для определения неизвестной передаточной функции необходимо провести опыты с реальным вентилятором.

коанд вентилятор температура дайсон

Список литературы

Е.В. Стефанов. Вентиляция и кондиционирование воздуха./ Е.В. Стефанов. С-Пб. 2003 г. - 372 с.

www.membrana.ru/particle/3578 - Статья про вентилятор Дайсона

Моль Р. Гидропневмоавтоматика. Пер. с франц. М., "Машиностроение", 1975. 352 с.

Ильинский Н.Ф. Общий курс электропривода: Учеб. для вузов. - М.: Энергоатомиздат, 1992. - 544 с.: ил.

Куропаткин П.В. Теория автоматического управления. Учеб. пособие для электротехн. спец. вузов. - М.: "Высшая школа", 1973. - 528с., ил.

Розанов Ю.К. Основы силовой электроники. - М.: Энергоатомиздат, 1992. - 296 с.: ил

. Тихомиров К.В., Сергеенко Э.С. Теплотехника, теплогазоснабжение и вентиляция: Учеб. для вузов.- 4-е изд., перераб. и доп.- М.: Стройиздат, 1991, 480 с.

Похожие работы на - Разработка устройства управления вентилятором, работающем на эффекте Коанда

 

Не нашли материал для своей работы?
Поможем написать уникальную работу
Без плагиата!
Без нейросетей!