Разработка системы автоматического регулирования уровня воды в диаэраторе ДСА-300 для электрокотельной
Разработка
системы автоматического регулирования уровня воды в диаэраторе ДСА-300 для
электрокотельной
Введение
Научно-техническая революция в современном
промышленном производстве в значительной мере связана с автоматизацией.
Автоматизация способствует росту
производительности труда и коренным образом меняет роль человека в процессе
производства. При автоматизации повышается культурно- технический уровень
работников и создаются условия для ликвидации различий между умственным и
физическим трудом.
Большое развитие получила автоматизация в
современной энергетике, основу которой составляют ТЭЦ.
На ТЭЦ осуществляется преобразование первичной
химической энергии, заключенной в топливе, в электрическую энергию, за счет
тепла, выделяющегося при сгорание топлив. В парогенераторе вырабатывается
перегретый водяной пар. Он поступает в паровую турбину, в которой происходит
преобразование тепловой энергии перегретого пара (теплоносителя) в механическую
энергию вращения ротора турбогенератора. В последнем вырабатывается
электрическая энергия переменного тока.
Темой курсового проекта является автоматическое
регулирование уровня воды в деаэраторе ДСА-300.
Системы автоматического регулирования основных
технологических параметров деаэратора предназначены для обеспечения
безаварийного и эффективного управления деаэратором с целью стабилизации
параметров на заданном уровне в различных режимах работы основного
оборудования.
В основу проектирования систем регулирования
деаэратора положен, принцип создания систем на базе современных технических
средств автоматики, способных обеспечить выполнение всех требований
технологического регламента, повысить культуру производства и облегчить труд
оператора- технолога.
Развитие науки и техники позволило внедрять во
многих производствах (в том числе ТЭЦ) автоматические приборы управления.
К ним относится рассмотренный в данном курсовом
проекте программируемый микропроцессорный регулирующий прибор ТКМ52
(Технологический контроллер многоблочный 52). Технологический контроллер
многоблочный ТКМ52 предназначен для сбора, обработки информации и формирования
воздействия на объект управления (промышленное оборудование) в составе
распределенных иерархических или локальных автономных АСУ ТП на основе сети
Ethernet или RS-485.
автоматическое регулирование
диаэратор
1.
Описание технологического процесса
.1 Электродный водогрейный котел
В промышленности в районах с избыточной
выработкой электроэнергии, в первую очередь при использовании
гидроэлектростанций, находят применение электрокотлы для:
). Временного и постоянного теплоснабжения жилых
районов городов и поселков;
). Постоянного теплоснабжения производственных
зданий энергетических объектов - гидроэлектростанций и электроподстанций;
). Подогрева вентиляционного воздуха в шахтах -
в угольной промышленности;
). Пароснабжения буровых установок - в нефтяной
промышленности;
). Для приготовления горячей воды на фермах, в
парниках, теплицах;
Водогрейные электрокотлы изготовливаются на
низкое и высокое напряжение, в данном случае рассматривается ЭКВ высокого
напряжения. Питание котлов должно осуществляться от отдельного понижающего
трансформатора или от отдельной обмотки трехобмоточного трансформатора.
Работа электродных водогрейных котлов основана
на прямом нагреве воды электрическим током, который протекает через движущийся
в котле поток воды, представляющий в данной конструкции активное сопротивление.
Мощность электродного котла и его конструкция зависит от удельного
электрического сопротивления воды, нагреваемой в данном котле. Конструктивно КЭВ
- 10 кВ изготавливаются с цилиндрическими и кольцевыми электродами.
Электродные котлы с цилиндрическими электродами
применяются в основном для вод с высоким удельным электросопротивлением. Корпус
электрокотла выполнен из стандартных труб или закатывается из листовой стали и
имеет входной и выходной патрубки. К корпусу приварены опорные лапы с
отверстиями под болты крепления к несущей конструкции. Крышка и днище корпуса
котла в зависимости от диаметра корпуса и величины рабочего давления в котле
могут быть плоскими или сферическими. В днище корпуса на определенной
окружности выполнено три специальных ввода, в которых смонтированы фазные
электроды. Фазные электроды в данной конструкции котла представляют собой
цилиндрические стержни определенной длины и диаметра, к которым подводится
напряжение по токоведущим шпилькам, изолированным от корпуса котла проходными
электродами. Каждый фазный электрод коаксиально окружен нулевым электродом.
Нулевые электроды выполнены из стальных труб и приварены верхними концами к
диафрагме. Диафрагма делит корпус котла на две части между входным и выходным
патрубками и позволяет направить поток воды в кольцевые зазоры между фазным и
нулевым электродами, где и происходит ее нагрев. В нижней части нулевых
электродов крепятся три фторопластовые втулки, которые служат для равномерного
распределения воды по фазам и защищают от износа узел уплотнения между фазным
электродом и проходным изолятором. Регулирование мощности котла осуществляется
при помощи фторопластовых экранов, расположенных коаксиально относительно
фазных и нулевых электродов. Фторопластовые экраны жестко закреплены на
специальной крестовине, которая посредством ходового винта и кулачковой муфты
связана с электроприводом, установленным на верхней крышке корпуса котла. Фторопластовые
экраны, перемещаемые электроприводом относительно фазных электродов, изменяют
их активную площадь, тем самым изменяя мощность котла. Кроме указанных узлов и
элементов конструкция электрокотла содержит воздушник, дренажный патрубок,
штуцер для установки температурного датчика (рис.1.1).
- корпус котла; 2,3 - входной и выходной
патрубки; 4 - опорные лапы;
,6 - крышка и днище; 7 - фазный электрод;8
-нулевой электрод;
- фторопластовые втулки; 10 - экраны;11 -
диафрагма; 12 - ходовой винт; 13 - электропривод регуляторы мощности; 14 -
ручная задвижка;
- воздушник; 16 - дренажный патрубок; 17 -
штуцер для установки термодатчика.
Рис.1.1. Электродный водогрейный котел
Технические характеристики и паспортные данные
на электрокотел КЭВ-10000/10 указаны в (табл.1.1).
Таблица 1.1
|
Наименование
характеристики
|
Величина
|
Единицы
измерения
|
|
1
|
2
|
3
|
|
Теплопроизводительность
Электрическая рабочая нагрузка Мощность номинальная Мощность максимальная
Напряжение номинальное Номинальная токовая нагрузка (в фазе) Частота тока
Удельное сопротивление воды при 20 0С Расчетное давление воды
Температура на входе Температура на выходе Емкость Расчетный расход воды
через КЭВ Расчетный срок службы Расчетный ресурс
|
8,6
регулируемая 10000 5000 10 580 50 7000 16 50 120 2,215 200 10 60000
|
Гкал/час
кВт кВт кВ Гц кг/см2 0С 0С м3 м3/час
лет часов
|
Широкий диапазон регулирования мощности
позволяет поддержать требуемую мощность при небольшом изменении
электропроводности воды.
Для контроля удельного электросопротивления воды
необходимо периодически производить лабораторные замеры. В прямоточных котлах
обеспечена устойчивая циркуляция воды для исключения парообразования в
межэлектродном пространстве. Парообразование приводит к неустойчивой работе
котлов и повышенному износу электродов. Признаком парообразования в котлах
служит резкое колебание стрелок амперметров (нагрузки по фазам). Каждый
электрокотел имеет следующие защиты, действующие на его отключение:
). Защита, отключающая электродный котел без
выдержки времени при однофазных и междуфазных коротких замыканиях в нем ;
). Защита от перегрузки по току выше
номинального на 15 % ;
). Защита от повышения температуры - отключает
котел при повышении температуры воды, выходящей из электрокотла, свыше
максимальной по расчетному тепловому графику на 5°С ;
). Защита от понижения давления - отключает
электрокотел при понижении давления в котле ниже минимального рабочего на 0,5
кгс/см2 ;
). Защита от прекращения или уменьшения
циркуляции воды через котел - отключает котел при уменьшении циркуляции через
котел на 15-20 % от расчетной.
.2 Назначение и принцип действия деаэратора ДСА
- 300
На электрокотельной установлен деаэратор типа
ДСА - 300 (деаэратор струйный, атмосферного типа, производительностью по воде -
300 т/час) которому уделено в курсовом проекте особое внимание. Деаэратор
предназначен для удаления из воды, идущей на подпитку тепловых сетей,
растворенных в ней газов (в основном, кислорода О2 и углекислого газа СО2).
Если воду не деаэрировать, то растворенные в ней газы активно реагируют с
металлом трубопроводов и вызывают ускоренную коррозию, сокращая срок службы их
в несколько раз.
Так как особое внимание направлено на деаэратор,
то рассмотрим только его принцип действия. Принцип деаэрации основан на
свойстве газов снижать свою способность к растворению в воде с повышением
температуры (или понижением давления при неизменной температуре). Такой эффект
достигается при доведении жидкости до состояния кипения при заданном давлении.
В деаэраторе это достигается путем подачи перегретого в котлах до 105 °С потока
воды на систему расположенных друг под другом дырчатых тарелок в количестве 5
штук, закрепленных в корпусе головки. Тарелки, имеющие множество отверстий
диаметром 5 - 8 мм дробят поток воды на тонкие струйки, вертикально ниспадающие
поочередно с тарелки на тарелку (рис1.2). В результате быстрого падения
давления перегретой воды при поступлении в головку, происходит ее вскипание с
выделением кислорода и углекислого газа. Выделение газов из тонких струек
значительно интенсивнее, нежели из сплошного потока воды. Образовавшийся при
вскипании пар конденсируется, а газы выталкиваются в атмосферу.
Рис.1.2. Устройство деаэратора ДСА - 300
Для эффективной работы деаэратора необходимо,
чтобы была достаточной вентиляция головки (т.е. надежно работали охладители
выпара, успевая отсасывать образующиеся в головке газы). А также чтобы
температура поступающей в головку воды не была занижена против нормы, а также
время нахождения в падении струй воды было максимальным (т.е. высокий уровень
воды в баке деаэратора, является фактором, ухудшающим деаэрацию).
Деаэратор состоит из вертикальной деаэрационной
колонки (головки), приваренной к горизонтально расположенному цилиндрическому
баку емкостью 50м3. Бак опирается на две опоры, одна из которых
закреплена жестко, а другая имеет свободу перемещений вдоль продольной оси бака
при его термическом удлинении. Бак служит для сбора воды прошедшей деаэрацию в
головке.
Вода из бака деаэратора откачивается в бак -
аккумулятор (БА) емкостью 2000м3. Для отвода воды, в нижнюю
образующую бака деаэратора врезан вертикальный патрубок, к которому внутри бака
приварена горизонтальная труба с вырезанными окнами по верху трубы и
заглушенными торцами. Патрубок трубопроводом соединяется со всасом
перекачивающих насосов.
Такая система забора воды из деаэратора
позволяет организовать отстой шлама в нижней части бака, без попадания его в
теплосеть. При вскрытиях бака шлам из него удаляется механическим путем. Для
опорожнения бака от воды в нижней части, имеется дренажная труба с задвижкой.
От переполнения и возможного при этом разрыва корпуса деаэратор защищен
гидрозатвором, который связан с баком и не имеет отключающей арматуры, во
избежание ее ошибочного закрытия.
На баке имеются два люка для осмотра и очистки
бака. В головке смонтированы 5 тарелок. Перегретая вода подается на верхние
тарелки с двух сторон. На верхнюю тарелку кроме того, периодически подается
конденсат выпара. В верхней части головки имеется патрубок отвода паро-воздушной
смеси на охладители выпара. На верхней крышке имеется люк и два люка на боковой
поверхности головки. Люки предназначены для осмотров и ревизии тарелок.
Для контроля за уровнем на баке смонтировано
водоуказательное стекло, а для контроля за давлением имеется манометр. На
верхней площадке обслуживания смонтированы два охладителя выпара.
Для обеспечения постоянного запаса воды в
деаэраторе необходимо поддерживать в заданных пределах уровень воды в баке.
Таким образом, автоматическое управление деаэратором
сводится к поддержанию в заданных пределах уровня воды в баке. Колебания уровня
воды в баке деаэратора допускаются в пределах ±100-200 мм.
Регулятор Р-25.1
2.
Идентификация объекта управления
.1 Аппроксимация переходной характеристики
апериодическим звеном первого порядка
Способ №1. Рассмотрим переходную характеристику,
на которой будет изображено изменение уровня воды в деаэраторе в зависимости от
времени.
Рис. 2.1. Экспериментальная переходная
характеристика
В данном пункте необходимо определить
передаточную функцию апериодического звена первого порядка, соответствующего
снятой переходной характеристике в виде:
где k -
коэффициент усиления объекта, который определяется по следующей формуле: k=hуст(t)/hвх(t), или k=hуст(t)/1(t);
t
- полное запаздывание, определяемое как сумма транспортного запаздывания tтр и
переходного запаздывания tпер;
T -
постоянная времени.
Все эти величины определяются по
графику, представленному на рис.2.1 с помощью дополнительных построений,
изображённых на рис.2.2.
Рис.2.2. Вспомогательный рисунок
Из рис.2.2. определяем:
) tтр=0,1
мин.; tпер=0,6
мин.;
t=tтр+tпер=0,1+0,6=0,7
мин.
) T=11,5
мин.;
) k=
hуст(t)/1(t)=1,5/1=1,5.
Таким образом, получили следующий вид
передаточной функции:
Далее, построим расчётную переходную
характеристику объекта (в одной плоскости с экспериментальной). Предварительно
найдём аналитическое выражение для переходной характеристики с помощью
программы Modeling Tame :
h(t)расч=1,5-1,5*exp(-0,087(t-0,7))
Рис.2.3. Аппроксимация переходной характеристики
звеном первого порядка
Определим ошибку идентификации:
Таблица 2.1
|
t
|
0
|
1,5
|
3
|
4,5
|
6
|
7,5
|
9
|
10,5
|
12
|
13,5
|
15
|
16,5
|
18
|
19,5
|
|
h(t)эксп
|
0
|
0,10
|
0,29
|
0,49
|
0,66
|
0,80
|
0,92
|
1,02
|
1,10
|
1,17
|
1,23
|
1,27
|
1,31
|
1,34
|
|
h(t)расч
|
0
|
0,10
|
0,27
|
0,42
|
0,55
|
0,67
|
0,77
|
0,86
|
0,94
|
1,01
|
1,07
|
1,12
|
1,17
|
1,21
|
|
Δ
|
0
|
0,1
|
1,2
|
4,5
|
7,1
|
8,7
|
9,9
|
10,6
|
10,7
|
10,8
|
10,8
|
10,0
|
9,5
|
8,8
|
|
t
|
21
|
22,5
|
24
|
25,5
|
27
|
28,5
|
30
|
|
h(t)эксп
|
1,37
|
1,39
|
1,42
|
1,45
|
1,47
|
1,49
|
1,5
|
|
h(t)расч
|
1,24
|
1,27
|
1,30
|
1,33
|
1,35
|
1,37
|
1,38
|
|
Δ
|
8,4
|
7,7
|
7,8
|
8,2
|
8,1
|
8,2
|
7,8
|
Ошибка идентификации D
определяется по формуле :
Таким образом, ошибка идентификации
|Dmax|=10,8 %.
Получившаяся ошибка больше чем 5%, следовательно, данный метод идентификации не
является достаточно точным.
Способ №2. Такие параметры, как k и t, мы оставляем такими же,
какими мы их получили в способе №1, то есть k=1,5; t=0,7 мин.
Определим величину 0,63*h(t)уст=0,95.
Далее по экспериментальной (рис.2.2) кривой определяем время, когда выходная
величина равна 0,95.
Получаем, А=9,5 мин.
T=А-t;
T=9,5-0,7=8,8
мин.
Таким образом, получили следующую
передаточную функцию:
Построим расчётную переходную
характеристику объекта управления и найдём ошибку идентификации.
(t)=1,5-1,5*exp(-0,114(t-0,7))
Таблица 2.2
|
t
|
0
|
1,5
|
3
|
4,5
|
6
|
7,5
|
9
|
10,5
|
12
|
13,5
|
15
|
16,5
|
18
|
19,5
|
|
h(t)эксп
|
0
|
0,10
|
0,29
|
0,49
|
0,66
|
0,80
|
0,92
|
1,02
|
1,10
|
1,17
|
1,23
|
1,27
|
1,31
|
1,34
|
|
h(t)расч
|
0
|
0,13
|
0,35
|
0,53
|
0,68
|
0,81
|
0,92
|
1,01
|
1,09
|
1,15
|
1,21
|
1,25
|
1,29
|
1,32
|
|
Δ
|
0
|
2,0
|
3,7
|
2,5
|
1,3
|
0,6
|
0,2
|
0,7
|
0,9
|
1,2
|
1,6
|
1,2
|
1,2
|
1,1
|
|
t
|
21
|
22,5
|
24
|
25,5
|
27
|
28,5
|
30
|
|
h(t)эксп
|
1,37
|
1,39
|
1,42
|
1,45
|
1,47
|
1,49
|
1,5
|
|
h(t)расч
|
1,35
|
1,38
|
1,39
|
1,41
|
1,43
|
1,44
|
1,45
|
|
Δ
|
1,2
|
1,0
|
1,7
|
2,6
|
3,0
|
3,5
|
3,5
|
Рис. 2.4. Аппроксимация звеном первого порядка
Таким образом, ошибка идентификации |Dmax|=3,7
%. Получившаяся ошибка менее 5%, следовательно, данный метод идентификации
можно использовать для дальнейших расчётов.
.2 Аппроксимация переходной характеристики
объекта передаточной функцией апериодического звена второго порядка (Метод
Ольденбурга-Сарториуса)
Данный метод производится в несколько этапов, а
именно:
) находим h’(t)
= hi+1(t)
- hi(t).
Таблица 2.3
|
t
|
0
|
1,5
|
3
|
4,5
|
6
|
7,5
|
9
|
10,5
|
12
|
13,5
|
15
|
16,5
|
18
|
19,5
|
|
h(t)эксп
|
0
|
0,10
|
0,29
|
0,49
|
0,66
|
0,80
|
0,92
|
1,02
|
1,10
|
1,17
|
1,23
|
1,27
|
1,31
|
1,34
|
|
h’(t)
|
0,10
|
0,19
|
0,2
|
0,17
|
0,14
|
0,12
|
0,10
|
0,08
|
0,07
|
0,06
|
0,04
|
0,04
|
0,03
|
0,03
|
|
T
|
21
|
22,5
|
24
|
25,5
|
27
|
28,5
|
30
|
|
h(t)эксп
|
1,37
|
1,39
|
1,42
|
1,45
|
1,47
|
1,5
|
|
h’(t)
|
0,02
|
0,03
|
0,03
|
0,02
|
0,02
|
0,01
|
0,00
|
Точка где h’(t)-максимальная
является точкой перегиба, т.е. в данном
случае это точка при tр=3 мин.
) Далее строится нормированная переходная
характеристика h”(t) и через
точку перегиба tр проводится касательная к ней
(рис.2.5).
) Находим отрезки a и b, а также отношение a/b.
Имеем a=8,6 и b=10,8.
Тогда отношение (a/b)
= 0,796 ≈ 0,8.
4) Затем воспользуемся номограммой, изображенной
на рис.2.7 и отложим
точку 0,8 по обеим осям номограммы.
) Концы отрезков соединим прямой линией, которая
пересечёт номограмму
в двух точках на расстоянии A
и B. A=0,157;
B=0,793.
Рис.2.5. Нормированная переходная характеристика
) Найдём постоянные времени:
T1=B*b=0,793*10,8=8,56 мин;2=A*a=0,157*8,6=1,35
мин.
7) Определим расчётную точку перегиба:
tp*=2,96 мин.
) Найдём время полного запаздывания:
t=tp-tp*
t=3-2,96=0,04
мин.
Передаточная функция будет выглядеть
следующим образом:
) Получим и построим расчётную
переходную характеристику объекта :
h(t)=1,5+0,281*exp(-0,741(t-0,04))-1,78*exp(-0,117(t-0,04)).
10) Определим ошибку аппроксимации:

Ошибка аппроксимации - |Dmax|=2,9 %,
исходя из ниже приведённой таблицы.
Таблица 2.4
|
t
|
0
|
1,5
|
3
|
4,5
|
6
|
7,5
|
9
|
10,5
|
12
|
13,5
|
15
|
16,5
|
18
|
19,5
|
|
h(t)эксп
|
0
|
0,10
|
0,29
|
0,49
|
0,66
|
0,80
|
0,92
|
1,02
|
1,10
|
1,17
|
1,23
|
1,27
|
1,31
|
1,34
|
|
h`(t)
|
0,10
|
0,19
|
0,20
|
0,17
|
0,14
|
0,12
|
0,10
|
0,08
|
0,07
|
0,06
|
0,04
|
0,04
|
0,03
|
0,03
|
|
h"(t)
|
0
|
0,07
|
0,19
|
0,33
|
0,44
|
0,53
|
0,61
|
0,68
|
0,73
|
0,78
|
0,82
|
0,85
|
0,87
|
0,89
|
|
h(t)расч
|
0
|
0,09
|
0,27
|
0,45
|
0,62
|
0,76
|
0,88
|
0,98
|
1,06
|
1,13
|
1,19
|
1,24
|
1,28
|
1,32
|
|
Δ
|
0
|
0,3
|
1,2
|
2,4
|
2,9
|
2,8
|
2,9
|
2,9
|
2,6
|
2,6
|
2,6
|
2,0
|
1,8
|
1,5
|
Рис.2.8. Аппроксимация методом
Ольденбурга-Сарториуса
Так как ошибка идентификации составляет 2,9 %
<5 %, то этот метод идентификации тоже является приемлемым. К тому же ошибка
данного метода меньше, чем у предыдущего метода.
2.3 Графо-аналитический метод
В данном методе также как и в предыдущем
необходимо перейти к нормированной переходной характеристике:
Таблица 2.5
|
t
|
0
|
1,5
|
3
|
4,5
|
6
|
7,5
|
9
|
10,5
|
12
|
13,5
|
15
|
16,5
|
18
|
19,5
|
21
|
|
h"(t)
|
0,00
|
0,07
|
0,19
|
0,33
|
0,44
|
0,53
|
0,61
|
0,68
|
0,73
|
0,78
|
0,82
|
0,85
|
0,87
|
0,89
|
0,91
|
|
t
|
22,5
|
24
|
25,5
|
27
|
28,5
|
30
|
|
|
h"(t)
|
0,93
|
0,95
|
0,97
|
0,98
|
0,99
|
1,00
|
|
|
|
|
|
|
|
|
|
|
|
|
|
|
|
|
|
|
|
|
|
|
|
|
Рис. 2.9. Нормированная переходная
характеристика объекта
На нормированной переходной
характеристике выбираем два интерполяционных узла, в которых ордината
0,33 и
=0,7.
Находим соответствующие им абсциссы:
t
=4,5 мин и t
=11 мин.
Общий вид передаточной функции:
W(p)=
Для определения неизвестных
и T имеются
равенства:
=0,5*(3*t
-t
)=0,5*(3*4,5-11)=1,25
мин
T=1,25*(t
-t
)=1,25*(11-4,5)=8,125
мин
Тогда передаточная функция имеет вид:
Получим переходную характеристику и
домножим её на h(t)
, чтобы уйти
от нормирования:
h(t)=1,5-1,5exp(-0,123(t-1,25))
Построим графики экспериментальной и расчётной
характеристик:
Рис. 2.10. Аппроксимация звеном
первого порядка графо-аналитическим методом
Определим ошибку:
Таблица 2.6
|
t
|
0
|
1,5
|
3
|
4,5
|
6
|
7,5
|
9
|
10,5
|
12
|
13,5
|
15
|
16,5
|
18
|
19,5
|
21
|
|
h(t)эксп
|
0
|
0,1
|
0,29
|
0,49
|
0,66
|
0,8
|
0,92
|
1,02
|
1,1
|
1,17
|
1,23
|
1,27
|
1,31
|
1,34
|
1,37
|
|
h(t)расч
|
0
|
0,10
|
0,29
|
0,49
|
0,66
|
0,80
|
0,92
|
1,02
|
1,10
|
1,17
|
1,22
|
1,27
|
1,31
|
1,34
|
1,37
|
|
Δ
|
0
|
0
|
0,03
|
0,28
|
0,25
|
0,31
|
0,12
|
0,05
|
0,01
|
0,16
|
0,43
|
0,01
|
0,08
|
0,07
|
0,14
|
|
t
|
22,5
|
24
|
25,5
|
27
|
28,5
|
30
|
|
|
h(t)эксп
|
1,39
|
1,42
|
1,45
|
1,47
|
1,49
|
1,5
|
|
|
h(t)расч
|
1,39
|
1,41
|
1,43
|
1,45
|
1,47
|
1,48
|
|
|
Δ
|
0,01
|
0,76
|
1,33
|
1,33
|
1,33
|
1,33
|
|
|
|
|
|
|
|
|
|
|
|
|
|
|
|
|
|
|
|
|
|
|
|
|
Вывод: данный метод также приемлем,
т. к. ошибка составила
=1,33% <
5%. В дальнейших расчётах будем использовать результаты данного метода
аппроксимации, так как именно в нём получилась наименьшая ошибка.
3.
Выбор
регулятора
3.1 Выбор типа регулятора
По конструктивно-техническому оформлению
регуляторы можно разделить на гидравлические, пневматические и электрические.
Гидравлические регуляторы обладают большой
надёжностью, широким диапазоном плавного регулирования скоростей исполнительных
механизмов, большими перестановочными усилиями при немалых габаритах, простой
эксплуатацией. Недостатками этих регуляторов являются сравнительно небольшой
радиус действия, огнеопасность (если рабочая среда - масло), зависимость
рабочих характеристик от температуры, необходимость иметь рабочие и резервные
насосы, возможность загрязнения системы из-за отложения примесей, повышенная
инерционность регулятора при длинных соединительных линиях.
Пневматические регуляторы выбирают из условий
пожаро-взрывоопасности производства. Однако непременным фактором их применения
является наличие на предприятии сжатого воздуха соответствующего качества, а
также сравнительно небольшая протяжённость импульсных и командных линий.
Электрические регуляторы наиболее широко
распространены в пожаро-взрывоопасных помещениях (при соответствующем
исполнении могут применяться и в данных условиях), где протяжённость командных
и импульсных линий велика (>300 м).
В данном курсовом проекте целесообразнее выбрать
электрический регулятор, так как ТЭЦ-7 относится к пожаро-взрывоопасным
предприятиям. А так же нам необходимо достичь минимальной зависимости рабочих
характеристик от температуры, снизить инерционность регулятора при длинных
соединительных линиях .
По характеру действия регуляторы можно разделить
на позиционные, непрерывного действия и многоконтурные. Тип регулятора будет
зависеть от соотношения t/Tоб
,
где t
- полное запаздывание объекта ; Tоб
- максимальное значение постоянной времени.
Передаточная функция самого точного метода
идентификации, применяемого в данном проекте имеет вид :
t/Tоб=1,25/8,125=0,154.
Хотя данное значение меньше 0.2 , лучше выбрать регулятор непрерывного
действия, чем позиционный.
3.2 Выбора закона регулирования
В соответствии с технологическими требованиями в
нашем случае не допускается 20 % -ое перерегулирование, поэтому выбираем
апериодический переходный процесс без перерегулирования .
Время регулирования примем равным приблизительно
tp=20 минутам.
Используя номограмму и значения t/Tоб=0,154
и tp/t=16
определим закон регулирования. Используем для рассмотрения рис.3.1 а). По оси
абсцисс отложим значение 0,154 , а по оси ординат - 16. Получим точку 1,
которая означает, что нужно применить ПИ-закон регулирования.
Рис. 3.1. Номограмма к определению закона
регулирования.
4.
Определение
настроечных параметров регулятора
4.1 Табличный способ
В данной работе мы рассматриваем апериодический
переходный процесс без перерегулирования. Ранее выбрали ПИ-закон регулирования.
Из метода аппроксимации, который дал результат с
меньшей ошибкой (графо-аналитический метод ), получили следующие параметры
объекта kоб=1,5;
t=1,25
мин; T=8,125 мин.
С помощью табличных формул получаем kp, Tи.
Рис. 4.1. К определению настроечных
параметров регулятора табличным методом.
Отсюда: С0=kp/Tи=3,47; C1=kp=2,6
Определим передаточную функцию замкнутой системы
:
Определим выражение для сигнала на
выходе системы:
h(t)=
1,5+1,543*exp(-0,3t)*cos(0,742t+3,376)
Рис.4.2. Переходный процесс с
настроечными параметрами регулятора Со=3,47 ; С1=2,6
Определим интегральную оценку
качества переходного процесса:
I=
I = ∫ |
h(t)-hуст | dt =
| h(i∙∆t)- hуст | ∙∆t =32,58
·0,1=3,258
Определим показатели качества получившегося
переходного процесса.
) Время переходного процесса tp=9,2
мин;
) Перерегулирование s=(hmax-hуст)/hуст=(2,02-1,5)/1,5=34,7%;
) Число колебаний 1;
) Колебательность d=h2/h1*100%=0%;
) Частота колебаний для данного процесса не
определяется;
) Время достижения первого максимума tmax=3,3
мин;
) Время нарастания переходного процесса tн=1,87
мин;
) Степень затухания y=(Аi-Ai+2)/Ai=0.
4.2 Метод расширенных АФЧХ
Для условия устойчивости необходимо и
достаточно, чтобы корни характеристического уравнения имели отрицательные
вещественные части.
Если все корни характеристического уравнения
лежат левее некоторой прямой, проведенной в левой полуплоскости параллельно
мнимой оси на расстоянии g
от нее, то система обладает некоторой степенью устойчивости.
Величина g
характеризующая интенсивность затухающего процесса, численно равна абсолютному
значению действительной части корня характеристического уравнения, это
называется степенью устойчивости переходного процесса.
Степень колебательности переходного процесса m
характеризует затухание его колебательных составляющих и численно равна
абсолютному значению отношения действительной части к коэффициенту при мнимой
части корня характеристического уравнения с наименьшим абсолютным значением
этого отношения.
Степенью затухания y
называют отношение разности двух соседних амплитуд к первой из них. Ее можно
выразить через степень колебательности процесса:
y = 1- е-2mp,
где 2pm
- логарифмический декремент затухания колебаний.
tg
g = m,
т.е. получаем, что g = arctg
m
Рис. 4.3. К раскрытию понятия РАФЧХ
Степень затухания рассматриваемой составляющей
процесса будет определяться значением тангенса этого угла. Если корень
характеристического уравнения этой системы будет лежать в плоскости
комплексного переменного на линии АОВ, то степень затухания y
будет постоянной.
Выражение передаточной функции звеньев, для
которых рк находится на линии АОВ, называется расширенной АФЧХ:
W(m, jw)=A(m,
jw)*(e-j(m, jw))
Если m=0,
то РАФЧХ совпадает с линией АОВ и совмещается с мнимой осью, следовательно, АОВ
- мнимая ось, а система находится на границе устойчивости. При расчете системы
используется соотношение:
W(m,
jw)об.*W(m,
jw)р=1 (1)
Если корень характеристического уравнения
системы будет лежать в плоскости комплексного переменного на линии АОВ, то
степень затухания y будет одна и та же.
Выбран ПИ-закон регулирования с
передаточной функцией:
Wp(p)=
Для получения РАФЧХ объекта
произведём замену p=-mw+jw в
передаточной функции объекта и выделим реальную и мнимую части.
Умножим числитель и знаменатель на
комплексно сопряжённое знаменателю число и выделим Re(w) и Im(w):
Произведём подстановку:
Для получения вещественной и мнимой
характеристик регулятора воспользуемся следующими формулами:
Для получения настроечных
коэффициентов регулятора воспользуемся следующими формулами:
После того, как мы получили эти
формулы, вносим их в программу Excel и с помощью неё производим
дальнейшие расчёты.
Примем степень затухания y=0,9 и степень
колебательности m=0,366.
Для этих показателей построим
плоскость параметров настройки регулятора.
Рис. 4.4. Плоскость параметров настройки
регулятора при m=0,366
Возьмём точку, которая на графике находится чуть
правее максимума, а именно С1=3,271; С0=0,986. Эти величины соответствуют
следующим настроечным параметрам регулятора: kp=3,271;
Ti=3,317.
Рис. 4.5. Переходный процесс при С1=3,271;
С0=0,986
Примем степень затухания y=0,9877
и степень колебательности m=0,7.
Для этих показателей построим плоскость
параметров настройки регулятора.
Рис. 4.6. Плоскость параметров
настройки регулятора при m=0,7
Возьмём точку, которая на графике находится чуть
правее максимума, а именно С1=2,537; С0=0,678. Эти величины соответствуют
следующим настроечным параметрам регулятора: kp=2,537;
Ti=3,742.
Рис. 4.7. Переходный процесс при
С1=2,537; С0=0,678
Примем степень затухания y=0,998133
и степень колебательности m=1.
Для этих показателей построим плоскость
параметров настройки регулятора.
Рис. 4.8. Плоскость параметров
настройки регулятора при m=1
Возьмём точку, которая на графике находится чуть
правее максимума, а именно С1=2,27; С0=0,536. Эти величины соответствуют
следующим настроечным параметрам регулятора: kp=2,27;
Ti=4,235.
Рис. 4.9. Переходный процесс при
С1=2,27; С0=0,536
Примем степень затухания y»1
и степень колебательности m=4.
Для этих показателей построим плоскость
параметров настройки регулятора.
Рис. 4.10. Плоскость параметров
настройки регулятора при m=4.
Возьмём точку, которая на графике находится чуть
правее максимума, а именно С1=1,748; С0=0,308. Эти величины соответствуют
следующим настроечным параметрам регулятора: kp=1,748;
Ti=5,675.
Рис. 4.11. Переходный процесс при
С1=1,748; С0=0,308
Интегральная оценка качества получившегося
переходного процесса.
Определим передаточную функцию системы:
Определим выражение для сигнала на
выходе системы:
h(t)=1,5+2,318exp(-0,223t)*COS(0,085t+4,01)
Определим интегральную оценку качества
переходного процесса:
I = ∫ |
h(t)-hуст | dt =
| h(i∙∆t)- hуст | ∙∆t =42,33
·0,1=4,233
Определим показатели качества получившегося
переходного процесса.
) Время переходного процесса tp=5,95
мин;
) Процесс без перерегулирования;
) Число колебаний 0;
) Колебательность d=h2/h1*100%=0%;
) Частота колебаний для данного процесса не
определяется;
) Время достижения первого максимума tmax=12
мин;
) Время нарастания переходного процесса tн=7,5
мин;
) Степень затухания y=(Аi-Ai+2)/Ai=1.
5.
Определение качества регулирования
Определим качество регулирования переходного
процесса системы при настроечных параметрах регулятора, соответствующих
различным точкам на плоскости параметров и вычислим интегральные оценки
качества переходного процесса, соответствующего этим точкам. Возьмём плоскость
параметров настройки регулятора при m=4.
Рис. 4.12. Плоскость параметров
настройки регулятора при m=4
Возьмём точку, которая на графике является
максимумом, а именно С1=1,864; С0=0,386. Этим величинам соответствуют следующие
настроечные параметры регулятора: kp=1,864;
Ti=4,829.
Интегральная оценка качества получившегося
переходного процесса.
Определим передаточную функцию системы:
Рис. 4.13. Переходный процесс
системы при параметрах настройки регулятора, расположенных в точке максимума на
плоскости параметров
Определим выражение для сигнала на выходе
системы:
h(t)= 1,5+1,974exp(-0,233t)*cos(0,129t+3,847)
Определим интегральную оценку качества
переходного процесса:
I = ∫ |
h(t)-hуст | dt =
| h(i∙∆t)- hуст | ∙∆t =43,12
·0,1=4,312
Возьмём точку, которая на графике находится
левее максимума, а именно С1=1,531; С0=0,263. Этим величинам соответствуют
следующие настроечные параметры регулятора: kp=1,531;
Ti=5,821.
Интегральная оценка качества получившегося
переходного процесса.
Определим передаточную функцию системы:
Рис. 4.14. Переходный процесс
системы при параметрах настройки регулятора, расположенных левее точки
максимума на плоскости параметров
Определим выражение для сигнала на выходе
системы:
h(t)=
=1,5+2,046exp(-0,203t)*cos(0,086t+3,887)
Определим интегральную оценку качества
переходного процесса:
I = ∫ |
h(t)-hуст | dt =
| h(i∙∆t)- hуст | ∙∆t =49,11
·0,1=4,911
Возьмём точку с параметрами настройки С1=1,598;
С0=0,194. Этим величинам соответствуют следующие настроечные параметры
регулятора: kp=1,598;
Ti=5,821.
Интегральная оценка качества получившегося
переходного процесса.
Определим передаточную функцию системы:
Рис. 4.15. Переходный процесс
системы при параметрах настройки регулятора С1=1,598;С0=0,194
Определим выражение для сигнала на выходе
системы:
h(t)=1,5-1,476exp(-0,298t)-0,016exp(-0,12t)
Определим интегральную оценку качества
переходного процесса:
I = ∫ |
h(t)-hуст | dt =
| h(i∙∆t)- hуст | ∙∆t =51,57
·0,1=5,157
Построим в одной плоскости и в разных масштабах
кривые С0=f(C1)
и I=f(C1).
При анализе полученных кривых можно сделать вывод, что точка, находящаяся
правее максимума имеет настроечные параметры регулятора, при которых переходный
процесс получается высокого качества.
Рис. 4.16. Кривые С0=f(C1)
и I=f(C1).
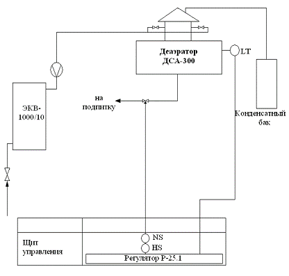
6.
Структурная схема автоматизации
Рис 6.1. Структурная схема автоматизации
регулирования уровня воды в деаэраторе
На схеме изображены следующие структурные
элементы:
Р - регулятор (технологический контроллер
многоблочный ТКМ52);
ИМ+РО - исполнительный механизм и регулирующий
орган - исполнительное устройство (электропривод типа МЭО-250/25+задвижка);
ОУ - объект управления (уровень воды в
деаэраторе);
ИУ - измерительное устройство (датчик
«Метран-43ДД»).
7. Выбор технических средств автоматизации
.1 Выбор регулятора
В качестве микроконтроллера для более точной
работы системы автоматического регулирования применим технологический
контроллер многоблочный ТКМ52.
Назначение и область применения устройства
ТКМ52 (Рисунок 7.1.) является приемником контроллера
ТКМ 51, в том смысле, что он имеет такой же конструктив, те же модули ввода -
вывода и блок клавиатуры и индикации. Отличие состоит в том, что в ТКМ52
используется РС - совместимый процессорный модуль. Контроллер ТКМ52
предназначен для сбора, обработки информации и формирования воздействия на
объект управления (промышленное оборудование) в составе распределенных
иерархических или локальных автономных АСУ ТП на основе сети Ethernet
или RS-485 (Modbus).
Рисунок 7.1. Внешний вид контроллера ТКМ52
Контроллер может использоваться:
· как автономное устройство управления
небольшими объектами;
· как удаленный терминал связи с
объектом в составе распределенных систем управления;
· одновременно как локальное
устройство управления и как удаленный терминал связи с объектом в составе
сложных распределенных систем управления.
Контроллер в дублированном
режиме рассчитан на применение в высоконадежных системах управления.
Автономное применение
В этом варианте управление
объектом производится прикладной программой, написанной пользователем.
Прикладная программа хранится в энергонезависимой памяти контроллера. В
контроллер, в зависимости от вариантов исполнения, может устанавливаться одна
из операционных систем: DOS
или Системное Программное Обеспечение (СПО) на базе OS
Linux. В первом случае
программирование МФК можно осуществлять посредством универсальных средств
программирования либо с помощью программы TraceMode.
В случае применения СПО достигается наиболее полное использование ресурсов
контроллера. СПО содержит многозадачную операционную систему Linux,
сервер ввода-вывода и пользовательские библиотеки. Программирование контроллера
осуществляется с помощью кроссовой системы программирования ТесоnСХ.
Загрузка подготовленных прикладных программ в память контроллера для отладки
производится либо по последовательному каналу, либо по сети Ethernet,
используя протокол TCP/IP. Отладка программ на работающем контроллере в
дистанционном режиме поддерживается системой ТесоnСХ.
Для программирования
контроллера МФК с установленным СПО можно использовать другие популярные
средства, в частности, ISaGRAF. К контроллеру, работающему автономно, можно
подключить различные внешние периферийные устройства по последовательным
(RS-232 и RS-485) и параллельному интерфейсу, а также по сети Ethernet. В
качестве пульта оператора-технолога может использоваться встроенный блок
клавиатуры и индикатора V03. В автономном применении контроллер решает задачи
средней информационной емкости (50...200 каналов).
Применение в качестве удаленного терминала связи
собъектом
Управляющая программа в этом
варианте исполняется на вычислительном устройстве верхнего уровня иерархии
(например, на IBM
PC),соединенном с
контроллером по последовательному каналу (RS-232
или RS-485 по протоколу
Modbus) либо по сети Ethernet,
а контроллер обеспечивает сбор информации с объекта и выдачу управляющих
воздействий на объект. Данный вариант не является оптимальным в смысле наиболее
полного использования возможностей контроллера как интеллектуального элемента
распределенной системы управления.
Применение в смешанном режиме (в
качествеинтеллектуального узла распределенной АСУ ТП)
В этом варианте управление
объектом производится прикладной программой, хранящейся в энергонезависимой
памяти контроллера. При этом контроллер подключен к сети Ethernet,
что позволяет вычислительному устройству верхнего уровня иерархии, иметь доступ
к значениям входных и выходных сигналов контроллера и значениям рабочих
переменных прикладной программы, а также воздействовать на эти значения. В
контроллере могут быть использованы все свободные интерфейсы, а также его
клавиатура и индикатор. Одновременное исполнение прикладной программы и работа
по сети Ethernet
поддерживается средствами операционной системы контроллера и системой
ввода-вывода. Данный вариант в наибольшей степени использует ресурсы
контроллера ТКМ52, и позволяет создавать с его помощью гибкие и надежные
распределенные АСУ ТП любой информационной мощности (до десятков тысяч
каналов). При этом обеспечивается живучесть отдельных подсистем.
Описание и работа модулей
Контроллер ТКМ52 представляет
собой многопроцессорное устройство. Каждый модуль контроллера, включая все
модули ввода-вывода и блок клавиатуры-индикации, имеет свой локальный
микропроцессор, который работает по жесткой программе и выполняет функции
управления данным модулем, а также обеспечивает интерфейс с центральным
процессором.
Процессорный модуль:
Основные
характеристики:
· Процессор:
AMD DX5-133 (5x86-133);
· Системное
ОЗУ - 8 Мб, в зависимости от установки модуля памяти может расширяться до 32
Мбайт;
· Flash-память
системных и прикладных программ - 4 Мб (может расширяться до 144 Мб);;
· Последовательные
порты: СОМ1 RS232, COM2 RS232/RS485.
Программно совместимые с UART 16550;
· Параллельный
порт LPT1:
поддерживает режимы SPP/EPP/ECP;
· Ethernet
интерфейс: контроллер Realtek
RTL8019AS,
программно совместим с NE2000;
· Таймер
аппаратного сброса WatchDog;
· Астрономический
таймер - календарь с питанием от встроенной батареи;
· Питание
+5В±5%, 2А.
Дополнительные
возможности при тестировании и отладке ПО:
· Возможность
подключения дисковода гибких дисков и жесткого диска;
· Инфракрасный
порт объединен с COM2, скорость до 115,2 кбит/с(устанавливается в SETUP);
· Разъем
типа PS/2 для подключения клавиатуры и мыши;
· Возможность
подключения монитора VGA,
жидкокристаллической или электролюминесцентной панели для процессорного модуля
РСМ-4823 (без буквы «L»);
· Интерфейс
для подключения дополнительных модулей формата РС104.
Световая индикация процессорного
модуля
Процессорный модуль имеет 4
попарно расположенных светодиодных индикаторов NET
LED (желтый и зеленый)
и POWER/HDD
LED (желтый и
зеленый).
Описание функций светодиодов
приведено в табл. 7.1.
Таблица 7.1.Функции светодиодов
процессорного модуля
|
Индикаторы
|
Исправное
состояние
|
Неисправное
состояние
|
|
1
|
2
|
3
|
|
ЖЕЛТЫЙ
светодиод NET
LED
|
1.Светодиод
горит постоянно- сетевой контроллер Ethernet работает
нормально.
|
Светодиод
не горит. 1. Не работает блок питания контроллера. 2. Отказ сетевого
контроллера Ethernet.
|
|
ЗЕЛЕНЫЙ
светодиод NET
LED
|
1.Светодиод
горит с паузами - идет передача сообщений по сети. 2.Светодиод горит
постоянно отсутствует трафик в сети.
|
Светодиод
не горит. 1. Не работает блок питания контроллера. 2. Неправильно подключен разъем
Ethernet.
|
|
ЖЕЛТЫЙ
светодиод POWER
LED
|
3.Светодиод
горит постоянно-есть питание +5В.
|
3.
Светодиод не горит Не работает блок питания контроллера.
|
Зеленый светодиод HDD
LED горит, когда
процессорный модуль обращается к подключенному дисководу типа
"винчестер".
Последовательные интерфейсы RS-232/RSU85
Контроллер ТКМ52 имеет два
последовательных порта СОМ1 и COM2.
Порт СОМ1 - RS-232C
(разъем D-SUB-9M)
поддерживает работу со стандартными скоростями обмена до 115200 бит/с. Скорость
обмена и режим устанавливаются программно. К порту СОМ1 можно подключить одно
устройство со стандартным каналом RS-232C
(например, компьютер или модем). Назначение контактов разъема СОМ1 или COM2/RS232
представлено в табл. 7.2.
Таблица 7.2. Назначение
контактов разъема СОМ1 или COM2/RS232
|
Контакт
разъема
|
Обозначение
сигнала
|
Назначение
|
|
1
|
2
|
3
|
|
1
|
DCD
|
Детектор
несущей. Вход
|
|
2
|
RXD
|
Принимаемые
данные.
|
|
3
|
TXD
|
Передаваемые
данные.
|
|
4
|
DTR
|
Готовность
терминала.
|
|
5
|
GND
|
Земля
|
|
6
|
DSR
|
Готовность
модема.
|
|
7
|
RTS
|
Запрос
передачи.
|
|
8
|
CTS
|
Сброс
передачи.
|
|
9
|
RI
|
Индикатор
звонка.
|
Порт COM2 может работать с
интерфейсами RS232 и RS485.
Асинхронный приемопередатчик, программно совместимый с UART16550,
работает со скоростями до 115200 бит/с. Скорость обмена задается программно.
Выбор среды (RS232 или RS485)
и режима передачи (дуплексный или полудуплексный) осуществляется перемычкой J6
процессорного модуля. Для подключения внешних устройств используются разъемы
типа D-SUB
9M - "COM2/RS232"
и "COM2/RS485".
Назначение контактов COM2/RS485
разъемов приведено в таблице 7.3.
Таблица 7.3.Назначение
контактов разъема COM2/RS485
|
Контакт
разъема
|
Обозначение
|
Назначение
|
|
1
|
2
|
3
|
|
1
|
TXD-/DATA-
|
Инверсные
передаваемые данные (*)
|
|
2
|
TXD+/DATA+
|
Передаваемые
данные (*)
|
|
3
|
RXD+
|
Принимаемые
данные
|
|
4
|
RXD-
|
Инверсные
принимаемые данные
|
|
5-9
|
-
|
не
используются
|
(*) Для полудуплексного режима работы RS485
используются только сигналы DATA+
(данные) и DATA- (инверсные
данные).
При работе по RS485
можно выбрать дуплексный или полудуплексный режим передачи информации. Оба
режима позволяют строить сети с использованием самостоятельно разработанного
или любого из стандартных протоколов на основе асинхронных приемо-передатчиков
(UART) и физической
среды RS485 (одна
или две витые пары проводников в экране) Можно использовать протокол Modbus,
поддерживаемый СПО ТКМ52.
Процессорный модуль имеет
фиксированные установки запросов прерываний IRQ
и адреса последовательных портов. Если необходимо изменить начальные установки
или запретить использование последовательных портов, то это можно выполнить в SETUP
для модуля РСМ-4823 (с VGA
адаптером). В табл. 7.4. приведены исходные установки для последовательных
портов СОМ1 и COM2.
Таблица 7.4.Исходные установки
СОМ1 и COM2
|
Порт
|
Возможные
адреса
|
Исходные
установки
|
|
|
адрес
|
Прерывание
|
|
1
|
2
|
3
|
4
|
|
СОМ1
|
3F8h, 3E8h
|
3F8h
|
IRQ4
|
|
COM2
|
2F8h, 2E8h
|
2F8h
|
IRQ3
|
Установка перемычек
Процессорный модуль ТКМ52 имеет
четыре группы перемычек: J2,
J4, J6,
J8. (см. Рис.7.2.).
Пользователь может менять только J6
и J8.
Перемычкой J6
(Рис.7.2.) выбирается среда передачи информации для последовательного порта
COM2. Варианты установки перемычек приведены в табл. 7.5.
Таблица 7.5.Установка перемычки
J6.
|
Физическая
среда передачи
|
Замкнутые
контакты
|
|
1
|
2
|
|
RS-232
|
1-2
|
|
RS-485(дуплексный
режим)
|
3-4
|
|
RS-485
(полудуплексный
режим)
|
5-6
|
Установкой перемычки J8
можно задавать режимы работы таймера аппаратного сброса WatchDog.
При замкнутых контактах 1-2 J8
срабатывание таймера приводит к появлению сигнала запроса прерывания IRQ11
процессорного модуля. Установленная перемычка 2-3 J8
(заводская установка) приводит к аппаратному сбросу контроллера при
срабатывании таймера WatchDog.
Перемычки J4
(очистка SETUP) и J2
(установка адреса микросхемы FLASH)
устанавливаются только производителем и изменение их установки пользователем
недопустимо.
Сетевой интерфейс Ethernet
Процессорный модуль ТКМ52 имеет
высокоскоростной последовательный интерфейс Ethernet,
удовлетворяющий спецификации IEEE
802.3, скорость 10 Мбит/с, программно совместим с Novell
NE-2000. Встроенный
контроллер Ethernet
обеспечивает выполнение сетевых алгоритмов, обнаружение коллизий и управление
передачей данных. Исходные установки интерфейса:
·
базовый
адрес - 300h;
·
запрос
на прерывание - IRQ5.
Для подключения сетевого кабеля
используются разъем "LAN"
типа RJ45.
Назначение контактов описано в табл. 7.6.
Таблица 7.6.Назначение
контактов разъема "LAN"
|
Контакт
разъема
|
Сигнал
|
|
1
|
2
|
|
1
|
TD+
|
|
2
|
TD-
|
|
3
|
RD+
|
|
4
|
-
|
|
5
|
-
|
|
6
|
RD-
|
|
7
|
-
|
|
8
|
-
|
В качестве основного протокола
для Ethernet,
поддерживаемого системным программным обеспечением ТКМ52, выбран TCP/IP.
Некоторые
рекомендации по выбору типа витой пары:
Для промышленного использования
Ethernet 10 Мбит/с
рекомендуется применять проводник с 2 витыми парами с общим экраном категории
5. Экран проводников заземляется. Длина сегмента станция-коммутатор не должна
превышать 100 метров. Интерфейс ТРЕ (Twisted-Pair
Ethernet) предусматривает
соединение только "точка-точка". Для построения топологии сети типа
"звезда" необходимо дополнительно приобрести коммутатор. В центре
звезды находится коммутатор и каждая рабочая станция (контроллер) или сервер
подключается к коммутатору. В этом случае кабель распаивается "один в
один". Если соединяются только два контроллера (например, при
резервировании) или контроллер с сервером, то две пары кабеля перекрещиваются.
Сигналы TD+ и TD-
на одном конце соединяются с сигналами RD+
и RD- на другом, a
RD+ и RD-
с TD+ и TD-
соответственно. Рекомендуется применять активные коммутаторы (switch)
вместо пассивных (hub),
что позволяет резко уменьшить количество конфликтов при звездообразной
топологии сети, а также использовать мосты (bridge)
и маршрутизаторы (router)
для отделения сегментов сети.
Параллельный интерфейс
(принтерный порт)
Контроллер имеет
двунаправленный параллельный принтерный порт LPT1.
К этому порту можно подключить, например, печатающее устройство или устройство
резервного копирования.
Исходные настройки
параллельного порта:
·
базовый
адрес - 378h;
·
запрос
на прерывание - IRQ7;
·
режим
работы - ЕСР/ЕРР.
Назначение контактов разъема
"LPT1" типа
D-SUB
25F приведено в табл.
7.7.
Таблица 7.7. Назначение
контактов разъема LPT1
|
Контакт
разъема
|
Обозначение
сигнала
|
|
1
|
2
|
|
1
|
STB*
|
|
2
|
DATA0
|
|
3
|
DATA1
|
|
4
|
DATA2
|
|
Контакт
разъема
|
Обозначение
сигнала
|
|
1
|
2
|
|
5
|
DATA3
|
|
6
|
DATA4
|
|
7
|
DATA5
|
|
8
|
DATA6
|
|
9
|
DATA7
|
|
10
|
АСК*
|
|
11
|
BUSY
|
|
12
|
РЕ
|
|
13
|
SLCT
|
|
14
|
AFD*
|
|
15
|
ERR*
|
Блок клавиатуры и индикации V03
Блок V03
имеет однострочный жидкокристаллический дисплей с подсветкой и пленочную
клавиатуру. Основные характеристики блока клавиатуры и индикации:
Дисплей:
· Количество
символов -16.
· Цвет
свечения - черные символы на желто-зеленом фоне.
· Формат
символа - 5x7 точек.
· Размер
символа - 4,84x9,66 мм.
· Угол
видимости - 90 градусов.
· Набор
отображаемых символов - и кириллица в кодировке СР866.
· Курсор
- мигающий под изображением в знакоместе.
· Регулируемая
контрастность .
Клавиатура:
· Тактильное
ощущение нажатия.
· Количество
клавиш - 36 (поле 9 х 4).
· Автоповтор
- нет.
· Опрос
текущего состояния клавиш - есть.
Дополнительные сведения по
работе с блоком клавиатуры и индикации V03
можно получить из его руководства по эксплуатации (ДАРЦ.426476.004РЭ).
К ТКМ52 может, подключается персональный
компьютер, с помощью которого ведется контроль за системой автоматизации, к
компьютеру также может подключаться принтер, при помощи которого информация
выводится на печать.
7.2 Выбор датчиков
В данной системе, для измерения давления
используется «Метран-43ДД». Датчики давления этой серии предназначены для
работы в системах автоматического контроля, регулирования и управления и
обеспечивают непрерывное преобразование значения измеряемого параметра в
аналоговый унифицированный сигнал. Датчик «Метран-43ДД» с микропроцессорным
преобразователем имеют преимущества перед аналоговыми датчиками с аналоговым
преобразователем по всем показателям: метрологическим, функциональным, эксплуатационным.
Датчики имеют устройство, позволяющее перенастраивать их в процессе
эксплуатации на любой из пределов измерений для данной модели.
Датчики устойчивы к воздействию относительной
влажности окружающего воздуха до (95±3)% при 35°С и более низких температурах
без конденсации влаги.
Степень защиты датчиков от воздействия пыли и
воды по ГОСТ 14254: IP55.
Датчики предназначены для работы при атмосферном
давлении от 84,4 до 106,7 кПа и соответствуют группе исполнения Р1 по ГОСТ
12997.
По устойчивости к механическим воздействиям
датчики соответствуют виброустойчивому исполнению по ГОСТ 12997: V1 и V2.
Датчики ДД выдерживают воздействие односторонней
перегрузки рабочим избыточным давлением в равной мере как со стороны плюсовой,
так и минусовой камер.
Датчик давления состоит из преобразователя
давления - измерительного блока и электронного преобразователя.
При измерении разности давлений (ДД) датчиками
Метран-43 положительное и отрицательное давления подаются в камеры
"+" и "-" соответственно. Давление (разность давлений)
рабочей среды воздействует на мембрану 3 и посредством тяги 9 вызывает
деформацию чувствительного элемента, прочно скрепленного с мембраной
тензопреобразователя 2.
Схема датчиков Метран-43-ДД
1 - измерительный блок
- тензопреобразователь
- измерительная мембрана
- жесткий центр
- электронный преобразователь
, 7 - “плюсовая” и ”минусовая” камеры
- тяга
- фланец
7.3 Выбор исполнительного механизма и
регулирующего органа
В качестве исполнительных механизмов для работы
в системе автоматического регулирования был выбран электропривод типа
МЭО-250/25 (механизм электрический однооборотный), обладающий требуемыми
характеристиками, отвечающий существующими условиям эксплуатации. На ТЭЦ-7
используются электроприводы для регулирующей арматуры.
Электроприводы для регулирующей арматуры
(задвижка, которая регулирует температуру воды в деаэраторе) предназначены для
плавного перемещения регулирующего органа с возможностью контроля его
положения. Максимальное перемещение привода - один оборот штока. На практике
как правило используется от 90 до 180° поворота штока. При этом на указателе
положения указывается степень поворота в % от заданной величины, определяемой
конструкцией привода.
Технические характеристики МЭО-250/25.
· Напряжение питания 220 В
· Частота 50 Гц
· Число включений в час 320
· Потребляемая мощность 60 Вт
· Номинальное время полного хода
· выходного вала 25 с
· Номинальный полный ход выходного
вала
· обороты 0,25
Список литературы
1. Клюев А.С. Автоматическое
регулирование: Учеб. для сред. спец. учеб. заведений. - М.: Высш.шк., 1986. -
351 с.: ил.
. Пиргач Н.С., Пиргач В.С.
Автоматическое регулирование и регуляторы в целлюлозно-бумажной,
деревообрабатывающей и лесохимической промышленности: Учебник для техникумов. -
2-е изд., исп. и доп. - М.: Лесная промышленность, 1983. - 264 с.
. Мартыненко И.И., Лысенко В.Ф.
Проектирование систем автоматики. - 2-е изд., перераб. и доп. - М.:
Агропромиздат, 1990. - 243 с.: ил. - (Учебники и учебные пособия для студентов
высших учебных заведений).
. Система автоматического
управления: Лабораторный практикум/ Т.Н. Буштрук, А.Д. Буштрук, Т.А.
Григорьева, А.В. Авсиевич. - Братск: БрИИ, 1998.-60с.
. Параметрический синтез локальных
систем автоматического управления: Методические указания к курсовому
проектированию/ В.Н. Толубаев, Т.А. Григорьева.-Братск: БрГТУ, 2000.-29С.