П’єзодатчик тиску
АНОТАЦІЯ
Проведено аналіз сучасного стану
існуючих п'єзо датчиків тиску та визначено, що актуальним напрямком в розробці
датчиків тиску є створення п’єзо датчиків тиску з використанням
мікроконтролера. Розглянуто конструкцію та принцип роботи п’єзо датчика тиску,
визначені основні галузі використання. Розроблено оптимальний маршрут
виготовлення датчика регістра за КМОН-технологією та проведено моделювання
технологічного маршруту в програмному середовищі Microwind 3.1 Profesional.
ВСТУП
Актуальність теми
Сучасна вимірювальна практика
ставить все більш високі вимоги до точності, надійності, швидкодії,
функціональності цифрових приладів. Слід зазначити, що в більшості випадків ці
вимоги суперечливі, тобто поліпшення одних характеристик, як правило, досягається
за рахунок недостатньої реалізації можливостей поліпшення інших. Так,
збільшення функціональних можливостей приладів за рахунок ускладнення знижує їх
надійність внаслідок зростання числа підданих відмов елементів. Збільшення
швидкодії знижує ефективність систем автоматичної компенсації похибок, що
повільно змінюються, викликаних впливом зовнішнього середовища, параметрів
вимірюваних об'єктів тощо. Тому розвиток вимірювальної техніки супроводжується
постійним пошуком розумного компромісу між реалізованими властивостями
приладів, технічними можливостями та економічною доцільністю. Проте різке
підвищення точності вимірювань було і залишається найважливішим завданням
розвитку вимірювальної техніки.
Об’єктом дослідження є п’єзо датчик
тиску.
Мета дослідження Метою даної роботи
є розробка технології виготовлення п’єзо датчика тиску.
Курсова робота складається з трьох
основних розділів. В першому розділі наведено аналіз теоретичної бази п’єзо
датчика тиску. У другому розділі розглянуто конструкцію та принцип роботи п’єзо
датчика тиску, визначено їх основні галузі використання. Третій розділ містить
технологічний маршрут та опис основних операцій КМОН-технології.
Задачі дослідження полягають в тому,
щоб проаналізувати різновиди п’єзо датчиків, розглянути їх принцип дії, основні
переваги та недоліки та обрати найперспективніший з них.
п’єзодатчик тиск
мікроконтролер
1. АНАЛІЗ ТЕОРЕТИЧНОЇ БАЗИ ПЄЗО
ДАТЧИКІВ
.1 Загальна характеристика п’єзо
датчиків
Універсальність п’єзо резонатора як
перетворювача фізичних величин визначається можливістю варіювати в широких
межах його властивості і вибірковість реакцій на впливи різної фізичної
природи. Великі ресурси для управління властивостями перетворювача закладені в
анізотропії п’єзо електриків і різноманітті типів коливань. Використання
зазначених факторів і створює передумови до застосування п’єзо резонансних
датчиків для вирішення широкого кола завдань.
Як коливальна система п’єзо
резонатор може бути представлений у вигляді структури, що складається з
чотирьох основних елементів: вібратора, плівкових покриттів на його поверхнях
(до них належать і електроди порушення), елементів кріплення вібратора і,
нарешті, навколишнього середовища.
У процесі коливання між елементами
структури відбувається взаємодія (обмін енергією), що визначає особливості
поведінки п’єзо резонатора як електричного елемента і вид його електричної
амплітудно-частотної характеристики. Вимірюється вплив модулює характеристичні
параметри елементів структури п’єзо резонатора та взаємодію між цими елементами.
У результаті змінюється амплітудно-частотна характеристика п’єзо резонатора. У
модуляції амплітудно-частотної характеристики п’єзо резонатора і полягає суть
роботи п’єзо резонансних датчиків[1].
Найпростіша схема п’єзо датчика
тиску представлена на рис. 1.1.
Рисунок 1.1 - Електрична
принцова схема включення п’єзо датчика тиску
Схема, представлена на рис.
1.1, являється найрозповсюдженішою.
На мікропотужному ОУ DA1
зібраний компаратор, поріг його перемикання Uп встановлюють підстроюваним
резистором R4. У стані спокою на напруга на інвертуючому вході ОП DA1 перевищує
на 0,3 ... 3 мВ напруга на не інвертуючому, тому на його виході встановиться
низький рівень - лог. 0.
При появі на п'єзоелемент В1
змінної напруги з амплітудою, достатньої для перемикання ОУ DA1, на його виході
формується "пачка"імпульсів, які після інвертування логічним
елементом DD1.3 надійдуть на вхід С лічильника DD2 і вхід одно вібратора (вивід
6 DD1.1), зібраного на елементах DD1.1, DD1.2. Цей одно вібратор формує імпульс
тривалістю Такт = 0.7 * С1 * R8 = 7 с, який задає часовий інтервал активної
роботи датчика - тривалість циклу підрахунку імпульсів. Після закінчення цього
інтервалу на виході елемента DD1.4 формується короткий (t = 0.7 * R9 * C3 = 14
мс) імпульс, обнулює лічильник DD2.
У датчиках, званих
абсолютними (або, правильніше, абсолютного тиску), одна з порожнин повністю
герметизована і «накачана» до певного тиску (хоча всередині неї може бути і
глибокий вакуум). Таким чином, тиск, що прикладається до єдиного входу датчика,
буде виміряна щодо цього опорного тиску. Датчики подібного типу
використовуються, зокрема, в барометрах і висотомір, які порівнюють зовнішнє
атмосферний тиск з опорним. Природно, такому датчику для нормальної роботи не потрібна
складна електроніка.
Схема пристрою узгодження,
наведена на рис. 1.2., взята безпосередньо з посібника з застосування,
розробленого компанією Motorola, і є не найкращою з існуючих, але її точності в
надлишку вистачає для роботи з 8-розрядним АЦП.[2]
Рисунок 1.2 - Схема
ввімкнення п’єзо-датчика тиску
До цієї схеми було додано
інтегральний стабілізатор 7805, формуючий напруга живлення 5 В для датчика і
для мікросхеми здвоєного операційного, підсилювача LM 358. Каскади мікросхеми
вирішують два завдання: по-перше, сприймають диференціальний сигнал з виходу
датчика, по-друге, підсилюють його.
При напрузі джерела живлення
5 В напругу на виході другого операційного підсилювача не може станови більше 4
В. Саме ця величина і є напругою повної шкали пристрою (4 В при тиску 2 бару).
Багатооборотний потенціометр
R6 з номіналом 20 кому служить для точної установки цієї величини або будь-якої
іншої точки шкали, для якої є можливість перевірити тиск за допомогою
еталонного манометра. Присутній в оригінальній схемі, але не обов'язковий
підстроюваний резистор для корекції зміщення нуля не був використаний через
малу величини цього зміщення і обмежень точності перетворення 8-розрядних
АЦП.[2]
Для зменшення вартості схеми
та більшої чутливості з будь-якою потужністю зазвичай використовується схема
подана на рис. 1.3.
Рисунок 1.3 - Спрощена схема
ввімкнення п’єзо-датчика тиску
Найдешевший варіант схеми для
ввімкнення п’єзо-датчика тиску представлено на рис. 1.3. П'єзоелектрична
діафрагма, при впливі на зміну тиску через звук в його околицях, генерує
електричний сигнал.. Коли діафрагма отримує будь-який тиск, він генерує різницю
потенціалів між її протилежними гранями. Дана схема може працювати при значній
вологості повітря.
Врахувавши переваги та
недоліки вище розглянутих схем, для моделювання була обрана схема зображена на
рис. 1.3, тому, що вона є найпростішою схемою для ввімкнення п’єзо датчиків
тиску, яка забезпечує всі необхідні параметри роботи.
.2 Оформлення схеми
електричної принципової
Оформлення електричної
принципової схеми виконується в середовищі OrCAD CAPTURE (додаток Б).
На схемі повинна
забезпечуватися мінімальна кількість перетинів ліній зв’язку та зламів.
Щільність компонентів повинна бути приблизно однаковою.
Поряд, на схемі, із графічним
позначенням елементів праворуч або зверху повинно проставлятися позиційне
позначення. Порядкові номери повинні відповідати послідовності розміщення
компонентів на схемі зверху донизу та у напрямку зліва направо.
Створення схеми в OrCAD
CAPTURE починається з задавання основних параметрів конфігурації майбутнього
проекту.
Далі слідує створення нового
проекту під назвою PDT, який має тип Analog or Mixed- Signal Circuit, що
дозволить після складення схеми провести схемо технічне моделювання за
допомогою програми PSPICE та розробити друковану плату за допомогою програми
Layout.
Складання схеми починається з
пошуку потрібних елементів у бібліотеках. В таблиці 1 показані потрібні нам
елементи та бібліотеки, в яких вони знаходяться.
Таблиця 1 -
Бібліотеки елементів схеми
|
Елементи
|
Бібліотеки
|
|
Резистори, конденсатори
|
ANALOG.OLB
|
|
Транзистори
|
TRANSISTOR.OLB
|
|
Джерела
|
SOURСE.OLB
|
Відповідно до електричних зв’язків
розташовуються елементи та задаються їх номінали.
2. СХЕМОТЕХНІЧНЕ МОДЕЛЮВАННЯ ЗА
ДОПОМОГОЮ ПРОГРАМИ PSPICE
.1 Вибір схеми для моделювання
Після створення схеми пристрою, що
моделюється, необхідно ввести символи джерел сигналів. Джерело змінної напруги,
яке використовується при моделюванні даної схеми, розташовується в бібліотеці
Source.olb.
Перед початком моделюванням
необхідно присвоїти позиційні позначення (Reference Designator) всім
компонентам схеми. При розстановці компонентів на схемі вводяться позиційні
позначення.
По використанні команді
Analysis>Electrical Rule Check виконується перевірка на наявність в схемі не
з′єднаних (плаваючих) виводів компонентів, позиційних позначень, що
співпадають та інше.
Для запуску програми моделювання
потрібно використовувати команду Pspice>Run. При цьому автоматично
виконуються команди Elektrical Rule Check i Create Netlist.
Схема для моделювання, побудована на
основі схеми 1.3, зображена на рисунку 2.1.
Рисунок 2.1 - Схема для моделювання
На рис. 2.2 представлена карта
напруг, а на рис. 2.3 карта струмів для даної схеми.
П'єзоелектричні діафрагми, при
впливі на зміну тиску, генерує електричний сигнал. Цей вихід потім
поставляється на Дарлінгтон пару, яка в основному складається з двох
транзисторів. Транзистори T1 і T2 (BC548) були використані в Дарлінгтон парі,
яка має дуже високий коефіцієнт посилення по струму. Коли діафрагма отримує
сигнал, він генерує різницю потенціалів між їх протилежних граней. Цей сигнал
фільтрується для будь-якого компонента DC по конденсатор С1 (0.1uF). Транзистор
Т1 Дарлінгтон пари підсилює вхідний сигнал і вихід з'явиться через резистор R2
(3.3k). Резистор R2 (470K) забезпечує база-колектор зміщення T1. Вихід T1
подається на базу транзистора Т2 після його фільтрує інший конденсатор С2 (0.1uF).
Вихід T1 далі посилюється T2 і посилений сигнал з'являється через R4 (1.2K).
Резистор R4 (220) Використовується для забезпечення необхідного зсуву на Т2.
Вихід T2 фільтрується конденсатором С3 (10uF). Резистор R1 (2,2) перевіряє
поточний сигнал що, подається на п’зо діафрагми.[3]
Рисунок 2.2 - Карта напруг
Рисунок 2.3 - Карта струмів
За допомогою даних карт можна
дізнатись величину напруги та струму на будь-якому елементі або на вузлі схеми.
Однак ці карти дають лише миттєві значення струмів та напруг в даних вузлах.
Для більш точної інформації потрібно проводити моделювання для того щоб
отримати часову залежність струму чи напруги в потрібній точці чи вузлі схеми.
Після розгляду карт напруг та
струмів обраної схеми ввімкнення люмінесцентної лампи проведемо часовий,
параметричний та температурний аналіз.
.2 Часовий аналіз схеми
Рисунок 2.4 - Залежність сигналу на
навантаженні від вхідного сигналу
З даних рисунка чітко
спостерігається зменшення вихідної напруги на виході до 2В та аналогічного
зменшення напруги на навантаженні після фільтру до максимального значення
приблизно в 1В. Мінімальне значення напруги в цьому випадку становить 0В, що
поліпшує можливість представлення даного сигналу в цифровому вигляді Також на
рис. 2.4 на проміжку часу в 12нс спостерігається пряма напруга, що поліпшує
чутливість реєстрації.
Рисунок 2.5 - Часова діаграма
напруги на виході
На рис. 2.5 зображено часову
діаграму перехідного процесу схеми. Час відкладений на осі абсцис, а амплітуда
напруги на осі ординат. На даному рисунку видно що амплітуда на виході
збільшується з 0 В до 550мВ. Також на рисунку видно пологий передній фронт
сигналу більш пологий, що негативним явищем, так як це призводить до меншої
чутливості та більшої вірогідності отримання похибки при переведенні сигналу в
цифровий вигляд. Тому дану схему не доцільно використовувати при вимірах
надвисокої точності .
.3 Параметричний аналіз
Параметричний (багатоваріантний)
аналіз дозволяє одночасно розглянути роботу схеми при різних номінальних
значеннях параметра елемента.
На кожному кроці варіації параметрів
по черзі виконуються всі види аналізу характеристик ланцюга.
Для проведення такого аналізу
потрібно із бібліотеки special обрати директиву PARAM, в якій задається ім’я
глобального параметра.
Проведемо параметричний аналіз схеми
при різних значеннях опору R2, що забезпечує база-колектор зміщення на
транзисторі Q1.
Рисунок 2.6 - Параметричний аналіз
(зміна номіналу опору R2)
При зміні номіналу опору R2 від
470Ом до 600Ом амплітуда вихідного сигналу не змінюється. Це дозволяє зробити
висновок про те, що зміна величини опору R2 в даних межах ніяк не впливає на
роботу схеми, а його величину обирають зручну для проектування.
Рисунок 2.7 - Параметричний аналіз
(зміна номіналу ємності С3)
Як видно з рисунку 2.7 при зміні
номіналу ємності С3 від 10мкФ до 500мкФ спостерігається затримка у часі
заднього фронту сигналу, що є досить негативним явищем, так як це вливає на
чутливість реєстрації. Тому можна зробити висновок, що ємність 10мкФ є найбільш
доцільною в даній схемі.
Рисунок 2.8 - Вихідний сигнал при
зміні марки транзистора на ВС107
Рисунок 2.9 - Вихідний сигнал при
зміні марки транзистора на ВС413
На основі отриманих графіків (рис.
2.8 та 2.9) можна зробити висновок, що зміна марки транзистора з ВС548 на ВС107
і ВС413 не викликає зміни амплітуди вихідного сигналу, а вибір для схеми саме
транзистора марки ВС548 зумовлений його більшою надійністю та меншою вартістю.
2.4 Температурний аналіз
Температурний аналіз дозволяє
побачити стан схеми при різних значеннях температури (0; 21; 72, 120
, рис.
2.10).
Рисунок 2.10 - Температурний
аналіз
Як бачимо з графіка, задані
температури суттєво не впливають на роботу схеми. Отже, можна зробити висновок,
що схема при даних температурах буде працювати без зміни параметрів, що
дозволяє застосовувати її в різних кліматичних умовах.
3. РОЗРОБКА ДРУКОВАНОЇ ПЛАТИ В ORCAD
LAYOUT
.1 Вибір типу та матеріалу
друкованої плати
Для того щоб вибрати правильний тип
друкованої плати для конструкції в першу чергу враховують техніко-економічні
показники. Даний прилад не є складним за конструкцією і складається з простих
радіоелементів. Тому вибираємо односторонню
друковану плату, яка має підвищену міцність
з’єднань виводів навісного елемента з рисунком плати та низькою вартістю.
Виготовляючи таку друковану плату використовують фольговані та нефольговані
діелектрики. Вихідними матеріалами для їх виготовлення є папір або скловолокно,
просякнуті синтетичними смолами, або полімерні плівки з лавсану, фторопласту та
ін. На поверхню фольгованих матеріалів приклеюється мідна фольга з однієї чи
двох сторін листа в процесі виготовлення. Її товщина становить 20 - 50 мкм.
До матеріалу висуваються такі
вимоги:
а) висока технологічність;
б) високі електрофізичні
властивості;
в) забезпечення високої адгезії;
г) мінімальні механічні короблення.
В таблиці 3 подано основні
властивості матеріалів друкованих плат [7].
Таблиця 3 -
Властивості матеріалів друкованих плат
|
Параметри
|
Гетинакс
|
Текстоліт
|
Склотекстоліт
|
|
Щільність без фольги, г/см3
|
1,3…1,4
|
1,3…1,45
|
1,6…1,8
|
|
Відносна діелектрична проникність
|
4,5…6
|
4,5…6
|
5…6
|
|
Питомий об’ємний опір, Ом·м
|
1012…1014
|
1012…1014
|
1014…1015
|
|
Діапазон робочих температур, °С
|
-60…+80
|
-60…+70
|
-60…+120
|
|
Коефіцієнт теплопровідності, Вт/(м×К)
|
0,25…0,3
|
0,23…0,34
|
0,34…0,74
|
|
Температурний коефіцієнт лінійного розширення,
10-6 К-1
|
22
|
22
|
8…9
|
Для виготовлення друкованих плат
використовують склотекстоліт і гетинакс наступних марок:
ГФ - фольгований гетинакс;
СФ - фольгований склотекстоліт;
ФГС - склотекстоліт фольгований
травильний;
СФПН - склотекстоліт фольгований
нагрівостійкий;
СТФ - склотекстоліт теплостійкий.
В основному товщина друкованої плати
визначається як товщиною вихідного матеріалу, так і вибирається залежно від
елементної бази та навантажень.
Найкращі параметри, згідно таблиці
2, має склотекстоліт. Тому обираємо склотекстоліт фольгований односторонній
марки СФ-1-50-1,5 ТУ16-503.271-86, який має товщину фольги 50 мкм, товщину
матеріалу з фольгою 1,5 мм. діапазон робочих температур від - 60 до +120 °С
[8].
.2 Вибір класу точності та методу
проектування друкованої плати [5]
Враховуючи, що для даної схеми є не
досить складне трасування та висока щільність монтажу (для мінімізації приладу)
оптимальним варіантом є вибір третього класу точності друкованої плати. Даний
клас точності не вимагає використання високоякісних матеріалів та обладнання.
Однак, для даної схеми, властиве сильне нагрівання елементів, тому матеріалом
для друкованої плати використовується саме склотекстоліт.
Третій клас точності
характеризується такими параметрами конструкції:
а) ширина провідника - 0,45
мм;
б) ширина провідника у вузьких
місцях - 0,45 мм;
в) відстань між елементами - 2,5 мм;
г) гарантійний поясок - 0,1
мм.
Установка навісних елементів на
друкованій платі здійснюється згідно з ОСТ4.ГО.010.030 та ОСТ4.ГО.010.009. При
розташуванні елементів враховують наступні фактори:
забезпечення високої економічності,
мінімізація розмірів,
забезпечення тепловідводу та
ремонтопридатності.
Елементи розташовуються тільки з
однієї сторони паралельно сторонам плати по принципу найкоротших зв’язків.
Було обрано крок координатної сітки
2,5 мм. Координатну сітку на початок
координат розташовують згідно з ГОСТ 2.417-78.
Отвори та елементи друкованого малюнку розташовуємо на платі відносно початку
координат.
Всі контактні площадки розміщуємо у
вузлах сітки. Це ж стосується і виводів елементної бази.
.3 Розрахунок діаметру монтажних
отворів і контактних площадок [7]
Діаметр контактних площадок
розраховується відповідно до діаметру отворів за формулою:
де dотв - діаметр отвору,
dотв = 0; Δdотв
- верхній допуск на діаметр отвору, Δdотв = 0,04
мм; в - ширина гарантійного пояска; DtВ- верхній допуск на ширину провідника, DtВ= 0,14 мм;
Dtтр-
допуск на підтравлювання діелектрика в отворі, Dtтр= 0; Тd -
позиційний допуск розміщення отворів, Тd = 0,04 мм; ТD - допуск розміщення центрів
контактних площадок, ТD = 0,4 мм; Dtнв - нижній допуск на ширину провідника, Dtнв = 0,14
мм. Визначаємо загальний допуск
Діаметри отворів
розраховуються за формулою
= dвив + (0,2...0,4),
де dвив - діаметри виводів радіоелементів.В даному
пристрої елементи мають наступні діаметри виводів (0,5; 0,7) мм.
Здійснюємо оптимізацію діаметрів отворів:
d1= 0,5+ 0,4 = 0,9 (мм);= 0,7 + 0,4= 1,1 (мм).
Отже, маємо два діаметри отворів: d1 = 2,1 мм;
d2 = 1,6 (мм).
Знаходимо діаметри контактних площадок: = 0,9 +
0,5 = 1,4 (мм);= 1,1 + 0,5 = 1,6 (мм).
.4 Розрахунок ширини провідників [7]
Ширина провідників визначається у розрахунку на
струм, який проходить через них, та максимально можливе падіння напруги.
Для допустимого струму
де jдоп - допустима густина струму, jдоп = 50
А/мм2 ; t - товщина провідника, t = 50 мкм; Iмах - максимальний постійний струм, який
проходить через провідник, Імах = 0,4мкА , згідно індивідуального завдання;
(мкм) <
250(мкм).
Визначимо мінімальну ширину
провідника з умови допустимого падіння напруги
,
де r - питомий
опір провідників, r
= 0,0175Ом×мм2/м;
Імах - струм, який
проходить по провіднику,
Імах = 0,4 мкА;мах -максимальна довжина провідника, lмах = 10 мм;доп -
допустиме падіння напруги (становить 5% від напруги живлення Uдоп = 16×0,05 = 0,8
В);- товщина провідника.
.
Розраховані значення ширини
провідників не перевищують обраних для третього класу точності.
.5 Створення нового проекту в
Layout
Розробка друкованої плати,
після завантаження OrCAD Layout, розпочинається виконанням команди File\New.
Спочатку вводиться ім′я технологічного шаблону (*.tch), потім ім′я
файлу списку з′єднань (*.mnl) і на завершення ім′я файлу плати, що
створюється (*.max). У подальшому параметри технологічного шаблона можна
змінювати, або завантажувати новий шаблон. Але, якщо схема виконана в
міліметровій системі, то і технологічний шаблон повинен мати відповідну систему
одиниць.
В процесі завантаження списку
з’єднань знаходимо відповідний корпус для кожного символу схеми в бібліотеках
корпусів компонентів */LLB (Footprint Libraries). Ця відповідність вказується
або з допомогою атрибута PCB Footprint чи з допомогою файлу System.prt. [6].
Якщо в процесі завантаження списку з’єднань знайдено компонент, який не має
посилань на корпус, то виводиться діалогове вікно для його визначення. Перед
початком розміщення компонентів в Layout потрібно встановити параметри плати.
Ці параметри перераховані нижче, але не всі знадобиться змінювати, оскільки
вони можуть бути встановлені в технологічному шаблоні чи в шаблоні плати, які
були завантажені на етапі створення плати:
створення границь плати;
установка одиниць виміру,
сіток;
створення кріпильних отворів;
визначення стека шарів
зазорів.
Для коректної роботи в OrCAD
Layout вибираємо одиниці виміру - міліметри. В OrCAD Layout також
використовуються мілі (mils). 100 mils=2,54 мм або 1 мм=39,37 mils. Тому
потрібно перевести всі геометричні розміри елементів та плати із міліметрів в
мілі. В таблиці 4 подані всі необхідні розміри для розробки друкованої плати
високолінійного амплітудного модулятора в OrCAD Layout (довжина враховує
відстань між виводами).
Таблиця 4 -
Геометричні розміри плати та корпусів елементів
|
Елементи
|
Довжина
|
Ширина
|
|
мм
|
mils
|
мм
|
mils
|
|
Плата
|
75
|
2952,75
|
65
|
2559,05
|
|
Конденсатори
|
9
|
354,33
|
2,6
|
102,36
|
|
Транзистори
|
7
|
275,59
|
2,6
|
102,36
|
|
Резистори
|
10,2
|
401,57
|
2,5
|
98,43
|
|
Діаметр
|
|
|
|
Кріпильні отвори
|
3,5
|
137,795
|
|
|
Перед початком трасування необхідно:
позначити відповідні шари як
суцільні або шари трасування;
визначити перехідні отвори;
Складальне креслення та трасування
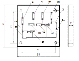
плати п’єзо датчика тиску наведені в додатках Г і Д відповідно.
П'єзоелектричний датчик - пристрій,
який використовує п'єзоелектричний ефект для вимірювання тиску , прискорення ,
деформації або сили шляхом перетворення їх в електричний заряд.
Важливими характеристиками п’єзо
датчиків є вихідний струм, чутливість, поріг та проліт над порогом матеріалу.
Вихідний струм залежить від матеріалу виготовлення та від прямої дії сторонньої
сили на датчик. Чутливість залежить від матеріалу датчика та його конструкції.
Поріг являється мінімально можливим реєстрованим значенням і залежить від
архітектури схеми та чутливості[1].
Таблиця 1.1- Характеристики різних
датчиків тиску
|
Принцип
|
Чутливість[V/µ]
|
Поріг[µ]
|
Проліт над порогом
|
|
П'єзоелектричний
|
5,0
|
0,000001
|
100000000
|
|
Пьезорезистний
|
0,0001
|
0,0001
|
2500000
|
|
Індуктивний
|
0,001
|
0,0005
|
2000000
|
|
Ємнісний
|
0,007
|
0,0001
|
750000
|
Схема одного з типових п’єзо
датчиків подана на рис. 1.1.
Рисунок 1.1 - П’єзо
електричний датчик
За допомогою табл. 1.1 і рис. 1.1 ми
маємо можливість спостерігати за роботою цього пристрою. Спочатку очистимо
регістр (встановимо рівні логічного нуля на його виходах А, B, C, D). Для цього
потрібно подати логічний 0 на вхід очищення CLR. Отриманому стану регістра
зсуву відповідає рядок 1 табл. 1.1 До приходу тактового імпульсу виходи
регістру залишаються в стані 0000. Подамо перший імпульс на синхронізуючий вхід
CLK; індикатор покаже число 1000 (рядок 3 в табл. 1.1), оскільки на тактовому
імпульсі логічна 1 з інформаційного входу тригера TA переноситься на його
логічний вихід Q. Тепер при наявності логічної 1 на інформаційному вході
регістру ця одиниця з кожним тактовим імпульсом вводиться в розряд А, а введені
раніше одиниці зсуваються на одну позицію (розряд) вправо (тактові імпульси 2 і
3 в табл. 1.1). Таким самим чином при подачі на інформаційний вхід логічного 0
цей нуль при кожному тактовому імпульсі вводиться в розряд А, а введені раніше
одиниці та нулі зсуваються вправо (тактові імпульси 4-8 в табл. 1.1). Перед
приходом тактового імпульсу 9 на інформаційному вході встановлюється 1, а перед
приходом імпульсу 10 цей вхід повертається до 0. В час дії тактових імпульсів
9-13 введена в регістр на імпульсі 9 одиниця буде зміщуватись на індикаторі
вправо. Рядок 15 в табл. 1.1 показує, на імпульсі 13 ця одиниця покидає крайній
правий розряд регістру зсуву і втрачається.
Таблиця 1.1
- Робота 4-розрядного регістру зсуву
|
Входи
|
Виходи
|
|
Номер рядка
|
Очищення
|
Дані
|
Номер тактового імпульсу
|
TА
|
TB
|
TC
|
TD
|
|
|
|
|
А
|
B
|
C
|
D
|
|
1
|
0
|
0
|
0
|
0
|
0
|
0
|
0
|
|
2
|
1
|
1
|
0
|
0
|
0
|
0
|
0
|
|
3
|
1
|
1
|
1
|
1
|
0
|
0
|
0
|
|
4
|
1
|
1
|
2
|
1
|
1
|
0
|
0
|
|
5
|
1
|
1
|
3
|
1
|
1
|
1
|
0
|
|
6
|
1
|
0
|
4
|
0
|
1
|
1
|
1
|
|
7
|
1
|
0
|
5
|
0
|
0
|
1
|
1
|
|
8
|
1
|
0
|
6
|
0
|
0
|
0
|
1
|
|
9
|
1
|
0
|
7
|
0
|
0
|
0
|
0
|
|
10
|
1
|
0
|
8
|
0
|
0
|
0
|
0
|
|
11
|
1
|
1
|
9
|
0
|
0
|
0
|
|
12
|
1
|
0
|
10
|
0
|
1
|
0
|
0
|
|
13
|
1
|
0
|
11
|
0
|
0
|
1
|
0
|
|
14
|
1
|
0
|
12
|
0
|
0
|
0
|
1
|
Нагадаємо, що D-тригер називають
також тригером з затримкою. Він просто передає інформаційний сигнал з входу D
на вихід Q з затримкою на один такт.
Прилад, схема якого приведена на
рис. 1.1 має назву послідовного регістру зсуву. Термін “послідовний” відображає
той факт, що в цей регістр дані вводяться порозрядно. Наприклад, щоб ввести в
регістр двійкову комбінацію 0111 треба пройти всю послідовність станів від
рядка 1 до рядка 6 в табл. 1.1. Послідовне завантаження 4-бітової комбінації
0111 в послідовний регістр відбувається за 5 тактів (рядок 2 можливо
виключити).
Інший спосіб завантаження регістру -
паралельне (або розширене) завантаження, при якому всі інформаційні біти
вводяться в регістр одночасно “за командою” одного тактового імпульсу.
Регістр зсуву на рис. 1.1 можливо
трансформувати в 5-розрядний, додав до схеми ще один D-тригер. Регістри зсуву
частіше бувають 4-, 5- або 8-розрядними. В них можливо використання не тільки
D-тригеру, але й тригерів іншого типу (наприклад, JK-тригера, або синхронних
RS-тригерів).
Послідовний регістр зсуву, робота
якого описана вище має два суттєві недоліки: він дозволяє вводити тільки по
одному біту інформації на кожному тактовому імпульсі і, крім того, кожний раз
при зсуві вправо втрачається крайній правий біт [2].
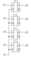
На рис. 1.2 показана схема
4-розрядного паралельного кільцевого регістру. Входи A, B, C, D в даному
приладі є інформаційними.
Рисунок 1.2 - 4-розрядний
паралельний кільцевий регістр зсуву
Цю систему можливо спорядити ще
однією корисною характеристикою - можливістю кільцевого переміщення інформації,
коли дані з входу приладу повертаються на його вхід і не втрачаються.
В даному регістрі зсуву
використовуються чотири JK-тригери. Треба звернути увагу на зворотній зв’язок
виходу тригера TD та входів J і K тригера ТА. Завдяки цьому ланцюгу зворотного
зв’язку введена в регістр інформація, яка звично втрачається на виході тригеру
TD, буде циркулювати по регістру зсуву. Сигналом очищення регістру
(встановлення його виходів в стан 0000) є рівень логічного нуля на вході CLR.
Входи паралельного завантаження A,
B, C, D пов’язані з входами попереднього встановлення тригерів PRN, що дозволяє
встановлювати рівень логічної одиниці на будь-якому виході (A, B, C, D). Якщо
на один з цих входів подати логічний 0, то на відповідному виході буде логічна
1. Подача тактових імпульсів на входи CLK всіх JK-тригерів призводить до зсуву
інформації в регістрі вправо. З тригеру TD дані передаються в тригер ТА
(кільцеве переміщення інформації). Табл. 1.2 допомагає зрозуміти принцип роботи
паралельного регістру зсуву. При включенні живлення на виходах регістру
встановлюється будь-яка двійкова комбінація, така, наприклад як в рядку 1
таблиці 1.2. Подача логічного 0 на входи CLR тригерів ініціює очищення регістру
(рядок 2). Далі (рядок 3) відбувається завантаження в регістр двійкової
комбінації 0100. Послідовні тактові імпульси викликають зсув введеної
інформації вправо (рядки 4-8). Треба звернути увагу на рядки 5 і 6: одиниця з
крайнього правого тригеру TD переноситься в крайній лівий тригер ТА. В даному
випадку можливо говорити про кільцеве переміщення одиниці в регістрі. Далі
(рядок 9) заново ініціюється очищення регістру за допомогою входу CLR.
Завантажується нова двійкова комбінація 0110 (рядок 10). Подача 5 тактових
імпульсів (рядки 11-15) призводить до кільцевого зсуву інформації на 5 позицій
вправо. Треба звернути увагу, що для повернення даних в початковий стан
потрібно 4 тактових імпульси. Якщо в регістрі зсуву на рис. 1.2 розірвати
ланцюг зворотного зв’язку, то ми отримаємо звичайний паралельний регістр зсуву;
можливість кільцевого переміщення даних буде виключена.
Таблиця 1.2
- Робота 4-розрядного паралельного кільцевого регістру зсуву
|
Входи
|
Виходи
|
|
Номер рядка
|
Очищення
|
Паралельне завантаження даних
|
Номер тактового імпульсу
|
TА
|
TB
|
TC
|
TD
|
|
|
A
|
B
|
C
|
D
|
|
А
|
B
|
C
|
D
|
|
1
|
1
|
1
|
1
|
1
|
1
|
0
|
1
|
1
|
1
|
0
|
|
2
|
0
|
1
|
1
|
1
|
1
|
0
|
0
|
0
|
0
|
0
|
|
3
|
1
|
1
|
0
|
1
|
1
|
0
|
0
|
1
|
0
|
0
|
|
4
|
1
|
1
|
1
|
1
|
1
|
1
|
0
|
0
|
1
|
0
|
|
5
|
1
|
1
|
1
|
1
|
1
|
2
|
0
|
0
|
0
|
1
|
|
6
|
1
|
1
|
1
|
1
|
1
|
3
|
1
|
0
|
0
|
0
|
|
7
|
1
|
1
|
1
|
1
|
1
|
4
|
0
|
1
|
0
|
0
|
|
8
|
1
|
1
|
1
|
1
|
1
|
5
|
0
|
0
|
1
|
0
|
|
9
|
0
|
1
|
1
|
1
|
1
|
5
|
0
|
0
|
0
|
0
|
|
10
|
1
|
1
|
0
|
0
|
1
|
6
|
0
|
1
|
1
|
0
|
|
11
|
1
|
1
|
1
|
1
|
1
|
6
|
0
|
0
|
1
|
1
|
|
12
|
1
|
1
|
1
|
1
|
1
|
7
|
1
|
0
|
0
|
1
|
|
13
|
1
|
1
|
1
|
1
|
1
|
8
|
1
|
1
|
0
|
0
|
|
14
|
1
|
1
|
1
|
1
|
1
|
9
|
0
|
1
|
1
|
0
|
|
15
|
1
|
1
|
1
|
1
|
1
|
10
|
0
|
0
|
1
|
1
|
Регістри зберігання
Регістри зберігання складаються з
одноступеневих D- або RS-тригерів. З цією метою можна також застосовувати і
JK-тригери, але їх можливості більші, ніж потрібно для регістру зберігання.
Варіант чотирьохрозрядного регістра зберігання наведено на рис. 1.3.
Рисунок 1.3 - Чотирьохрозрядний
регістр зберігання
На рисунку 1.3 зображено ІМС
К155ТМ8, яка містить 4 D-тригери з об'єднаними входами установки нуля та
синхронізації. Числа в тригери регістра записуються по входах D при сигналі
дозволу C=1. Після зміни сигналу на вході C на 0 тригери переходять в режим
зберігання. В цей час на входи D можна подати наступне число, яке при C=1
запишеться в регістр. Для занулення регістра до входу R підводять від'ємний
імпульс на час, який потрібний для переведення всіх тригерів в 0. Цей час
вказують у довідниках. Поки регістр виконує свої функції, на вході R
підтримується напруга високого рівня [3].
Регістри зберігання, які виконані по
різних варіантах і подані в серіях ІМС широкою номенклатурою (таблиця 1.3),
відрізняються функціональними можливостями, електричними характеристиками,
режимами керування. Багато регістрів мають виходи на три стани і відповідне
керування ними, спеціальні входи для сигналів керування режимом запису, причому
деколи входи керуючих сигналів об'єднані логічним оператором. Ряд серій містить
багаторегістрові ІМС.
Таблиця 1.3
- Склад регістрів зберігання в серіях ІМС
|
Мікросхема
|
Кількість розрядів
|
Середня затримка, нс
|
Потужність споживання, мВт
|
Напруга живлення, В
|
|
Однорегістрові ІМС
|
|
К1500ИР150
|
6
|
1.6
|
716
|
-4.5
|
|
К1500ИР151
|
6
|
2.2
|
890
|
-4.5
|
|
К531ИР19П
|
4
|
15
|
480
|
5
|
|
К531ИР20П
|
4
|
15
|
600
|
5
|
|
К531ИР22П*
|
8
|
19
|
800
|
5
|
|
К555ИР22*
|
8
|
43
|
200
|
5
|
|
К155ИР15*
|
4
|
37
|
360
|
5
|
|
К1804ИР1*
|
4
|
21
|
715
|
5
|
|
К580ИР82*
|
8
|
30
|
800
|
5
|
|
К589ИР12*
|
8
|
55
|
725
|
5
|
|
Багаторегістрові ІМС
|
|
К1802ИР1*
|
4´16**
|
55
|
990
|
5
|
|
К1002ИР1
|
8´32
|
500
|
0.1
|
5
|
|
К555ИР26*
|
4´4
|
43
|
250
|
5
|
|
К555ИР30
|
1´8
|
34
|
180
|
5
|
|
К561ИР11
|
4´8
|
600
|
0.2
|
3...15
|
|
К561ИР12*
|
4´4
|
4000
|
0.02
|
3...15
|
|
* Виходи з трьома станами. ** Друга цифра вказує
на кількість регістрів.
|
Регістри зсуву
Регістри зсуву - ряд послідовно
з'єднаних тригерів двоступеневої структури. Число тригерів визначає розрядність
коду, що записується. За напрямком зсуву записаної в регістр інформації
розрізняють регістри прямого зсуву, тобто вправо, в сторону молодшого розряду,
зворотнього зсуву, тобто вліво, в сторону старшого розряду та реверсивні
регістри, які допускають зсув в обох напрямках. В табл. 1.4 наведені ІМС
регістрів зсуву, які входять до складу найбільш популярних серій.
Таблиця 1.4
- Склад регістрів зсуву в серіях ІМС
|
Мікросхема
|
Кількість розрядів
|
Кількість входів-виходів
|
Напрямок зсуву
|
Середня затримка, нс
|
Потужність споживання, мВт
|
|
К1500ИР141
|
8
|
8-8
|
Реверс
|
2.4
|
1070
|
|
К500ИР141
|
4
|
4-4
|
Реверс
|
4.3
|
655
|
|
К531ИР11П
|
4
|
4-4
|
Реверс
|
18
|
675
|
|
К531ИР12П
|
4
|
4-4
|
Зворотний
|
18
|
545
|
8
|
8-8
|
Реверс
|
22
|
1225
|
|
К1533ИР31
|
24
|
1-24
|
Зворотний
|
35
|
200
|
|
К555ИР8
|
8
|
1-8
|
Прямий
|
32
|
135
|
|
К134ИР8
|
8
|
1-8
|
Прямий
|
220
|
59
|
|
К561ИР2
|
42
|
1-4
|
Зворотній
|
970
|
0.05
|
|
К561ИР9
|
4
|
4-4
|
Зворотній
|
360
|
0.03
|
|
К176ИР2
|
42
|
1-4
|
Зворотній
|
250
|
1
|
|
К176ИР3
|
4
|
4-4
|
Реверс
|
250
|
0.9
|
|
К176ИР4
|
64
|
1-1
|
Прямий
|
250
|
0.9
|
|
К155ИР17
|
12
|
1-12
|
Регістри послідовного наближення для АЦП
|
|
564ИР13
|
12
|
1-12
|
|
ІМС регістрів відрізняються не
тільки за напрямком зсуву, але й кількістю розрядів, способом запису та
зчитування інформації, швидкодією, енергоспоживанням та за іншими показниками.
За способом запису інформації в регістр та її зчитування з виходів можливі
наступні варіанти реалізації: запис за одним або за всіма входами одночасно;
зчитування за одним або за всіма входами одночасно. В табл. 1.4 інформація про
те, до якого типу за вказаною ознакою відноситься регістр, міститься в колонці
"Число входів-виходів". Наприклад, регістр К555ИР8 має один вхід і
вісім виходів, тому відноситься до регістрів з послідовною системою запису та
паралельною системою зчитування інформації. Наступний регістр К555ИР9 має вісім
входів і один вихід, тому відноситься до регістрів паралельно-послідовного
типу. Прикладом регістра з паралельною системою запису і зчитування служить
регістр К155ИР13, в якого вісім входів і вісім виходів (за кількістю розрядів)
[4].
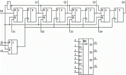
На рис. 1.4,а наведена типова схема
регістра зсуву послідовно-паралельного типу, який складається з послідовної
ланки двоступеневих D-тригерів.
Рисунок 1.4 - Регістри зсуву:
а) функціональна схема, б) умовне
графічне позначення
Тактові імпульси (імпульси зсуву)
надходять на всі тригери одночасно. Інформаційним кодом регістра є вхід тригера
старшого розряду. Кількість виходів рівна кількості розрядів. Інформація, яка
записується, повинна бути подана в часі послідовним кодом. Код записується
порозрядно зі сторони старшого розряду шляхом просування кодової комбінації з
кожним тактовим імпульсом від розряду до розряду. Тому для запису
чотирьохрозрядного коду потрібно чотири тактові імпульси. Напрямок зсуву
вказується на умовному графічному позначенні ІМС регістра стрілкою (рис.
1.4,б). Зчитування в такому регістрі можна виконати двома способами: послідовно
в часі і паралельно. В першому випадку інформацію знімають порозрядно з виходу
молодшого розряду Q1, в другому - зі всіх виходів в паузі між тактовими
імпульсами.
Реверсивний регістр
Інший приклад схемотехнічної
реалізації регістра наведено на рис. 1.5,а, де показано дещо спрощену схему
реверсивного регістра К155ИР1. Кожен розряд складається з D-тригера та
логічного елемента, який виконує функцію двоканального мультиплексора, який
керується сигналом V.
Рисунок 1.5 - Реверсивний регістр
К155ИР1:
а) функціональна схема, б) умовне
графічне позначення
Регістр може записувати інформацію
порозрядно послідовно в часі і всіма розрядами одночасно. При послідовному
способі запису сигнал V повинен бути низького рівня, а код, який записується,
повинен надходити на вхід D0. З кожним тактовим імпульсом C1 вхідний код
просувається на один розряд в сторону старшого розряду. При паралельному
способі запису код подається на входи D4-D1. Запис проводиться в паузі між
тактовими імпульсами C1 при V=1 імпульсом C2.
Якщо після запису число потрібно
зсунути, то регістр переводять в режим зсуву сигналом V=0 і керують за
допомогою імпульсів C1. При умові, що Q1 - вихід молодшого розряду, а Q4 -
старшого, інформація в регістрі зсувається вліво (зворотній зсув). Але він може
бути перетворений і в регістр із зсувом вправо (прямий зсув). Для цього
необхідно виконати наступні зовнішні з’єднання: D3 з Q4, D2 з Q3, D1 з Q2. Код
записують по входу D4 при V = 1, а керують регістром тактовими імпульсами C2.
Таким чином, в розглянутому регістрі виконуються умови як прямого, так і
зворотнього зсувів. Регістр має виходи від всіх розрядів, отже дозволяє
зчитувати записаний код як в послідовній, так і в паралельній формах подання
інформації в часі. Умовне графічне позначення регістра К155ИР1 наведено на
рис.1.5,б [5].
4. КОНСТРУКЦІЯ ТА ПРИНЦИП РОБОТИ
РЕГІСТРА ЗСУВУ
.1 Принцип роботи регістра зсуву
Тактові імпульси (імпульси зсуву)
надходять на всі тригери одночасно. Інформаційним кодом регістра є вхід тригера
старшого розряду. Кількість виходів рівна кількості розрядів. Інформація, яка
записується, повинна бути подана в часі послідовним кодом. Код записується
порозрядно зі сторони старшого розряду шляхом просування кодової комбінації з
кожним тактовим імпульсом від розряду до розряду. Тому для запису
чотирьохрозрядного коду потрібно чотири тактові імпульси. Напрямок зсуву
вказується на умовному графічному позначенні ІМС регістра стрілкою (рис. 2.1).
Зчитування в такому регістрі можна виконати двома способами: послідовно в часі
і паралельно. В першому випадку інформацію знімають порозрядно з виходу
молодшого розряду Q1, в другому - зі всіх виходів в паузі між тактовими
імпульсами [6].
Рисунок 2.1 - Функціональна схема
регістра зсуву
.2 Синтез паралельного регістра
зсуву
Кожен із чотирьох регістрів зберігає
4-розрядний код, тобто паралельні регістри використовуються як найпростіші
елементи пам’яті. Побудуємо регістр на D-тригерах.
Рисунок 2.2 - Побудова 4-розрядного
паралельного регістра на D-тригерах
Бачимо, що виникла необхідність
синтезувати тригер затримки. Синтез D-тригера проведемо на основі RS-тригера,
побудова якого на елементах І-НЕ подана на рис. 2.3.
Рисунок 2.3 - RS-тригер,
побудований у базисі І-НЕ [7]
Для синтезу D-тригера
запишемо спочатку повну таблицю функціонування D-тригера (табл. 2.1).
Таблиця 2.1 - Таблиця
функціонування D-тригера
|
  
|
|
|
|
|
1
|
0
|
0
|
0
|
|
1
|
0
|
1
|
0
|
|
1
|
1
|
0
|
1
|
|
1
|
1
|
1
|
1
|
|
0
|
0
|
0
|
0
|
|
0
|
0
|
1
|
1
|
|
0
|
1
|
0
|
0
|
|
0
|
1
|
1
|
1
|
На основі даної таблиці складаємо
карту Карно.
Спростивши дану карту Карно,
отримаємо рівняння функціонування D-тригера:
.
Для синтезу скористаємось
картою переходів RS-тригера (табл. 2.2).
Таблиця 2.2 - Карта переходів
RS-тригера
|
 
|
|
|
|
00
|
*
|
0
|
|
01
|
0
|
1
|
|
10
|
1
|
0
|
|
11
|
0
|
*
|
Складаємо карту Карно, в яку
записуємо переходи виходів, що відповідають певним комбінаціям вхідних змінних.
На основі даної карти Карно та
таблиці переходів RS-тригера складаємо карти Карно для входів бістабільної
комірки. Для цього у відповідні клітки прикладної таблиці записуємо замість
переходів стани входів, що їм відповідають.
Тоді отримаємо вирази для входів
бістабільної комірки, які на основі теореми де Моргана перетворимо у базис
І-НЕ:
,
.
На основі даних рівнянь
будуємо схему D-тригера (рис. 2.4 ).
Рисунок 2.4 - D-тригер,
побудований у базисі І-НЕ
Тоді схема регістра у базисі
І-НЕ матиме вигляд (рис.2.5).
Рисунок 2.5 - Паралельний регістр,
побудований у базисі І-НЕ [7]
.3 Синтез послідовного регістра
Кожен із чотирьох регістрів зберігає
4-розрядний код, тобто послідовні регістри використовуються як найпростіші
елементи пам’яті. Побудуємо регістр на JK-тригерах (рис. 2.6).
Рисунок 2.6 - Побудова
чотирьохрозрядного послідовного регістру на JK-тригерах
Бачимо, що виникла
необхідність синтезувати тригер затримки. Проведемо cинтез JK-тригера ,
побудова якого на елементах І-НЕ подана на рис. 2.7.
Рисунок 2.7- JK-тригер,
побудований у базисі І-НЕ
Для синтезу JK -тригера запишемо
спочатку повну таблицю функціонування JK -тригера (табл. 2.3).
Таблиця 2.3
- Таблиця функціонування JK-тригера
На основі даної таблиці складаємо
карту Карно.
Спростивши дану карту Карно,
отримаємо рівняння функціонування JK-тригера:
Для синтезу скористаємось
картою переходів JK-тригера (табл.2.4).
Таблиця 2.4 - Карта переходів
JK-тригера
|
 
|
|
|
|
00
|
0
|
*
|
|
01
|
1
|
*
|
|
10
|
*
|
1
|
|
11
|
*
|
0
|
Тоді отримаємо вирази для входів,
які на основі теореми де Моргана перетворимо у базис І-НЕ:
Тоді схема регістра у базисі
І-НЕ матиме вигляд (рис. 2.8)
Рисунок 2.3 - Послідовний
4-розрядний регістр, побудований у базисі І-НЕ [7]
5. ТЕХНОЛОГІЯ ВИГОТОВЛЕННЯ КМОН ІС
РЕГІСТРА ЗСУВУ НА D-ТРИГЕРАХ
.1 Опис технологічного маршруту
виготовлення КМОН ІС регістра зсуву на D-тригерах
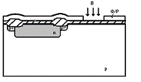
Вихідний матеріал являє собою
слаболеговану (~ 1015 см-3) підкладку кремнію p-типу з орієнтацією поверхні
(100) (при такій орієнтації щільність поверхневих станів менше, ніж на
підкладках з орієнтацією (111) і (110)). Термічним окисленням створюють шар, що
маскує SiO2, потім проводять фотолітографію для формування карману (рис. 3.1).
Карман потрібен для подальшого створення в ньому структури p-канального
транзистора [8].
Рисунок 3.1 - Створення n-карману,
окислення підкладки КДБ 4
Перед іонним легуванням вирощують
проміжну плівку оксиду кремнію, яка виступає в ролі буферного шару,
призначеного для захисту поверхні кремнію від виникнення дефектів, обумовлених
пружними напругами, в ході наступного етапу іонного легування. Після іонного
легування проводять високотемпературний відпал для активації впровадженої
домішки і відновлення зруйнованої структури кремнію (рис. 3.2).
Рисунок 3.2 - Нанесення шару Si3N4
Потім створюють захисні області
p-типу і ізолюючі області (рис. 3.3). Захисні області p-типу необхідні для
запобігання розповсюдження інверсного каналу між n-карманом і областю витоку
n-канального транзистора. Осадження плівки нітриду кремнію проводять для того,
щоб в процесі локального окислення запобігти окисленню лежачих під нею шарів
кремнію [9].
Рисунок 3.3 - Створення p +-захисних
кілець
Потім маскуючі шари нітриду кремнію
і проміжного оксиду видаляються, і на поверхні структури знову вирощується
тонкий шар підзатворного оксиду (рис. 3.4). Суцільність і ступінь чистоти
підзатворного оксиду мають великий вплив на працездатність приладів.
Рисунок 3.4 - Підгонка порогової
напруги n-канального транзистора
На наступному етапі виконують
осадження полікремнію для формування затворів, тобто його легування домішкою
n-типу і формування затворів (рис. 3.5). Сильнолегованою домішкою n-типу
полікремній добре витримує високотемпературну термообробку [10].
Рисунок 3.5 - Видалення ф/р ,
видалення буферного оксиду
Потім здійснюється створення
областей стоку і витоку (рис. 3.6). В якості домішки для формування областей
стоку і витоку широке використання отримав миш'як, який дозволяє формувати
дрібні p-n переходи і мінімізувати дифузійне розмиття в горизонтальному
напрямку.
Рисунок 3.6 - Нанесення Si*
Висока доза домішки імплантації
(1015-1016см-2) забезпечує формування низькоомних областей витоку і стоку.
Спейсери необхідні для запобігання змикання ОПЗ витоків зі стоками (рис. 3.7).
Рисунок 3.7 - Формування областей
затвору, стоку і витоку
Після цього відбувається осадження
захисного шару оксиду, його оплавлення, формування контактних вікон та
напилювання металу (рис. 3.8). Обкладене фосфоро-силікатне скло виконує
декілька функцій. Фосфор у такому склі захищає лежачу під ним структуру приладу
від рухливих іонів, і, крім того, він робить скло в'язким, полегшуючи його
оплавлення при підвищеній температурі [11]. Поряд з цим ФСС ізолює металевий
шар від полікремнієвих шин. Для створення контакту між ними до ФСС розкривають
вікна.
Рисунок 3.8 - Нанесення ФСС, розтин
контактних вікон
Завершальним етапом є створення
контактних виводів, що представлено на рис. 3.9.
Рисунок 3.9 - Створення контактних
виводів
5.2 Основні операції технологічного
процесу виготовлення КМОН ІС регістра зсуву
Повний технологічний маршрут
приведений в таблиці 3.1.
Таблица 3.1
- Повний технологічний маршрут виготовлення КМОН ІС регістра зсуву [11]
|
№
|
Операція
|
Режим обробки
|
|
1
|
Хімічна обробка підкладки
|
|
|
2
|
Окислення
|
Т=1000оС, О2, d=0,3 мкм
|
|
3
|
ЖХТ окислу
|
SiO2, h=0,3 мкм
|
|
4
|
Окислення
|
Т=1000оС, О2, d=0,6 мкм
|
|
5
|
Фотолітографія (ФЛ1), формування карману
|
|
|
6
|
ЖХТ окислу у вікнах
|
h=0,6 мкм
|
|
7
|
Видалення фоторезисту, хімічна обробка
|
vтр=0,1 мкм, t=6,5 хв
|
|
8
|
Окислення
|
Т=1100оС, О2, d=200 А
|
|
9
|
Іонне легування (ІЛ) P
|
Е=150кэВ, D=2мкКл/см2
|
|
10
|
Відпал домішки в кишені
|
Т=1200оС, О2, 2г, N2, 6г
|
|
11
|
Травлення окислу
|
vтр=0,1 мкм, t=8 мин, на всю товщину
|
|
12
|
Окислення
|
Т=1000оС, О2, d=0,03-0,04 мкм
|
|
13
|
Осадження нітриду кремнію
|
dN=0,24 мкм
|
|
14
|
ФЛ2, формування захисних і ізолюючих областей
|
|
|
15
|
ПХТ нітриду кремнію до окислу
|
hN=0,15-0,20 мкм
|
|
16
|
ІЛ бором
|
Е=40кэВ, D=10 мкКл/см2
|
|
17
|
Видалення фоторезисту химическая обработка
|
|
|
18
|
Хімічна очистка
|
|
|
19
|
Відпал легованих шарів
|
Т=1050оС, О2, 60 хв, N2, 60 хв
|
|
20
|
Травлення окислу
|
H=0,03-0,04 мкм
|
|
21
|
Хімічна обробка
|
|
|
22
|
Локальне окислення
|
T=950°C, O2+H2O, p=5атм, d=0,8мкм
|
|
23
|
Хімічна очистка
|
|
|
24
|
Травлення окислу
|
vтр=0,1 мкм, t=1 мин,
|
|
25
|
Хімічна обробка поверхні кремнію
|
Перевірити повне видалення окислу в області
затвору
|
|
26
|
Попереднє окислення
|
T=1000°C, O2, d=250Å
|
|
27
|
Травлення окислу
|
h=250Å
|
|
28
|
Окислення під затвор
|
T=1000°C, O2, d=250Å
|
|
29
|
Нанесення полікремнію
|
Т=650оС, d=0,4 мкм
|
|
30
|
Окислення полікремнію
|
Т=1000оС, О2, 20хв
|
|
31
|
ІЛ полі кремнію окислом
|
Е=30 кеВ, D=100мкКл/см2
|
|
32
|
Віджиг полікремнію
|
Т=900оС, 30 хв
|
|
33
|
Травлення ФСС
|
На всю товщину до полікремнію
|
|
34
|
ФЛ4, формування затворів
|
|
|
35
|
ПХТ поликремнію (селективно до окислу)
|
h=0,4 мкм
|
|
36
|
Видаленя фоторезиста, хімічна обробка
|
|
|
37
|
Окисление поликремния
|
Т=950оС, О2, t=20-30хв
|
|
38
|
ФЛ5, формування n+-областей сток-витік
|
|
|
39
|
ІЛ фосфором
|
Е=80кеВ, D=500мкКл/см2
|
|
40
|
Видаленя фоторезиста, хімічна обробка
|
|
|
41
|
ФЛ6, формування p+-областей сток-витік
|
|
|
42
|
ИЛ бором
|
Е=60кеВ, D=500мкКл/см2
|
|
43
|
Видаленя фоторезиста, хімічна обробка
|
|
|
44
|
Т=900оС, хj и-с=1,5-2,5 мкм
|
|
45
|
Осадження захисного окислу кремнію
|
T=750оС, d=0,4 мкм
|
|
46
|
Видаленя фоторезиста
|
|
|
47
|
Сплавлення захисного окислу
|
Т=900оС
|
|
48
|
ФЛ8, формування контактних вікон
|
|
|
49
|
Травлення окислу у вікнах
|
До повного стравлення
|
|
50
|
Видаленя фоторезиста, хімічна обробка
|
|
|
51
|
Напилення металу (алюминий +1% кремнію)
|
d=1мкм
|
|
52
|
ФЛ9 по металу
|
|
|
53
|
Травлення металу
|
h=1мкм
|
|
54
|
Зняття фоторезисту, хімічна очистка
|
|
|
55
|
Плазмохімічне осадження ФСС
|
Tосажд=300°С, d=1мкм
|
|
56
|
ФЛ10 по ФСС
|
|
|
57
|
ПХТ ФСС
|
|
|
58
|
ПХТ обробка вікон
|
|
|
59
|
Зняття фоторезисту
|
|
|
60
|
Вжигання алюмінію
|
450°С, 15хв, сухий N2
|
.3 Технологічний маршрут
виготовлення КМОН ІС регістра зсуву за допомогою програми Microwind 3.1
Моделювання технологічного маршруту
створення регістра зсуву проводиться в програмі Microwind 3.1, так як вона
легка в користуванні. Також вона має простий інтерфейс і займає досить мало
місця в дисковому накопичувачі.
Рисунок 3.10 - Внесення домішки
n-типу
На рисунку 3.10 проводиться внесення
домішки n-типу в підкладку p-типу.
Рисунок 3.11 - Окислення
напівпровідника
На рисунку 3.11 показано окислення
кремнію для створення захисного (ізолюючого) шару SiO2.
Рисунок 3.12 - Нанесення першого
шару полікремнію
На даному етапі наноситься перший
шар полікристалічного кремнію (рис. 3.12).
Рисунок 3.13 - Збіднення шару n-типу
Проводиться збіднення першого шару
n-типу шляхом іонного бомбардування.
Рисунок 3.14 - Нанесення другого
шару полікремнію
На рисунку 3.14 зображено нанесений
другий шар полікремнію.
Рисунок 3.15 - Утворення виводів
На рисунку 3.15 видно утворені
металічні виводи.
В MicroWind 3.1 будування
напівпровідникових структур відбувається в редакторі, в якому накладається шар
за шаром. Результуючий малюнок регістра зсуву ми можна спостерігати на рисунку
3.16.
Рисунок 3.16 - Регістр зсуву в
редакторі MicroWind 3.1
Рисунок 3.17 - Регістр зсуву в
редакторі MicroWind 3.1, вигляд збоку
Завдяки програмі Microwind 3.1
Profesional, ми можемо побачити, як буде виглядіти наш регістр вцілому.
ВИСНОВКИ
. В результаті дослідження було
проаналізовано сучасний стан існуючих регістрів, які займають домінуюче місце
цифровій схемотехніці. До них на даному етапі розвитку науки та техніки
висувають підвищені вимоги, що водночас пов’язано з автоматизацією
технологічних процесів. Показано, що за останні п'ять років спостерігається
інтенсивний розвиток регістрів зсуву, адже вони є часто застосовуючими.
. Розглянуто структуру та принцип
роботи регістра зсуву. В результаті було визначено, що найбільш оптимальною для
виготовлення приладу є КМОН-технологія.
. Розроблено технологічний маршрут
виготовлення регістра зсуву за КМОН-технологією. Наведено опис основних
операцій технологічного процесу, які об'єднані в процеси послідовного
виконання.
. Проведено моделювання
технологічного маршруту виготовлення регістра зсуву за допомогою програмного
пакету Microwind 3.1.
У курсовому проекті проведені
схемотехнічне моделювання та розробка смеми ввімкнення п’єзо датчика тиску.
Для реалізації даної схеми було
використано пакет наскрізного схемотехнічного проектування ОrCAD.
В проекті наведений аналіз схеми
електричної принципової та елементної бази п’єзо датчика тиску. На його основі
було оформлено схему для моделювання в PSPICE.
Проведено аналіз обраної схеми за
змінною вхідною напругою, який показав, що при амплітудному значенні вхідної
напруги 12В на виході отримуємо сигнал з амплітудою 0,6В. Дана напруга
забезпечує подальше представлення сигналу в цифровому вигляді.
Проведено параметричний аналіз, що
дозволив одночасно розглянути роботу схеми при різних номінальних значеннях
параметра елемента. Результати аналізу показали, що при збільшені номіналу R2
від 470 Ом до 600 Ом амплітуда вихідного сигналу не змінюється. Це дозволяє
зробити висновок про те, що зміна величини R2 в даних межах ніяк не впливає на
роботу схеми, а його величину обирають зручну для проектування.. При
використані різних марок транзисторів (ВС107 та ВС413) можна зробити висновок,
що зміна марки транзисторів з ВС548 на ВС107 та ВС413 не викликає зміни
амплітуди вихідного сигналу. Так при змінні номіналу ємності від 10мкФ до
500мкФ спостерігається спотворення заднього фронту, що призводить до похибки
реєстрації. Тому можна зробити висновок про те, що ємність схеми обрана вірно.
Проведено температурний
аналіз, який показав що задані температури (0; 21; 72, 120
) суттєво не
впливають на роботу схеми. Отже, можна зробити висновок, що схема в даному
діапазоні температур буде працювати без зміни параметрів, що дозволяє
застосовувати її в різних умовах.
Під час розрахунку основних
параметрів друкованої плати обрано її тип - одностороння. Даний тип
характеризується підвищеною міцністю з’єднань виводів навісного елемента з
рисунком плати та низькою вартістю. У якості матеріалу використали
склотекстоліт фольгований односторонній марки СФ-1-50-1,5 ТУ16-503.271-86, який
має товщину 6 мм. Для даного типу плати проведений розрахунок ширини друкованих
провідників та діаметрів монтажних отворів та контактних площадок.
Використовуючи ОrCAD Layout
та визначені раніше параметри схеми ввімкнення п’єзо датчика тиску було
створено новий проект та проведено ручне трасування друкованих провідників.
Таким чином, розміри
друкованої плати п’єзо датчика тиску становлять 75х65 мм; ширина друкованих
провідників - 0,2 мм; товщина плати - 6 мм.
В графічній частині курсового
проекту наведено схему електричну принципову, трасування та складальне
креслення плати.
Отже, було виконано
комплексний аналіз та розрахунок найважливіших параметрів схеми ввімкнення
п’єзо датчика тиску, які дозволяють стверджувати, що такий пристрій відповідає
усім нормам та вимогам, що висуваються до подібного класу апаратури.
П'єзоелектричні датчики
пропонують унікальні можливості, які зазвичай не зустрічаються в інших
зондуваннях. Як вже говорилося, є певні переваги (наприклад, широкий частотний
діапазон і амплітуду) і недоліки (не статична можливість вимірювання) залежно
від конкретного додатка. Тому при виборі конкретного датчика або датчика
технології, важливо звернути увагу на технічні характеристики.
ПЕРЕЛІК ПОСИЛАНЬ
п’єза датчик тиск
мікроконтролер
1. Малов В.
Пьезорезонансные датчики./ В.В Малов. - Электроатомиздат, 1989. - 112с.
. Фрайден Дж.
Современные датчики. Справочник./ Дж. Фрайден. - Техносфера, 2006. - 142с.
. Смагин А.
Пьезоэлектричество кварца и кварцевые резонаторы. / А.Г. Смагин, М.И.
Ярославский - М.: Энергия, 1970. - 94с.
. Каленик Д. Технология
материалов электроники / Д.В. Каленик - М.: Москва, 2001. - 342 с.
. Разевіг В. Система
проектирования OrCAD/ В.Д. Разевіг - М.: Солон-Р, 2000. - 215с.
. Грошев Д. Применение
пакета OrCad для компьютерного проектирования электронных схем./ Д.Е. Грошев -
Новосибирск: Издательство НГТУ, 1999. - 399 с.
. Красилькова Г. Автоматизация
инженерно-графических работ / Г.А. Красилькова, В.В. Самсонов, С. М. Тарелкин.
- СПб.: Питер, 2001. - 256 с.
. Романычев Э.
Разработка и оформление конструкторской документации РЕА./ Э.Г. Романычев - М.:
Радио и связь, 1989. - 154с.
. Марин Милчев -
Тенденции в цифровой фотографии. Часть 3 (ПЗС-матрицы) // 3D News Daily Digital
Digest. - 2004. [Електрон. ресурс] - Режим доступу:
#"584357.files/image073.gif">


. *Розміри для довідок.
. Плату виготовити хімічним
методом.
. Форма контактних площадок
довільна, Вмін = 0,1 мм.
. Допуск між двома будь-якими
отворами становить + 0,08 мм.
. Параметри друкованого
рисунку виконати згідно з таблицями 1, 2.
. На плату зі сторони пайки
нанести захисну маску. Місця, не захищенні маскою, покрити сплавом 0-Ви.9.
. Маркування радіоелементів
виконати зі сторони навісних елементів фарбою ТНПФ-853, білою, відповідно до
креслення.
. Заводський номер і дату
виготовлення маркувати фарбою БМ білою, шрифтом ЗПр-3.