Проект автоматизации парового котлоагрегата КЕ-10/14

  • Вид работы:
    Курсовая работа (т)
  • Предмет:
    Физика
  • Язык:
    Русский
    ,
    Формат файла:
    MS Word
    1,22 Мб
  • Опубликовано:
    2012-11-09
Вы можете узнать стоимость помощи в написании студенческой работы.
Помощь в написании работы, которую точно примут!

Проект автоматизации парового котлоагрегата КЕ-10/14

Содержание

Введение

1 Описание технологического процесса и выбор оборудования

1.1 Автоматизация процесса

1.2 Выбор средств автоматизации

1.2.1 Описание преобразователей давления измерительных АИР-20/М2

1.2.2 Описание термобреобразователей измерительных ТСПУ-205

1.2.3 Описание датчика-реле уровня РОС-301

1.2.4 Описание датчика-реле давления РД-1600

1.2.5 Описание бесконтактных индуктивных датчиков положения BERO M30 DC

1.2.6 Описание кислородомера стационарного ИКТС-11

1.2.7 Описание манометров показывающих МП3-У и ДМ 8010

1.2.8 Описание напоромера НМП-100

1.2.9 Описание термометров биметаллических показывающих ТБ

1.2.10 Описание контроллера ICP-DAS WinPAC-8441

1.2.11 Описание модуля ввода аналоговых сигналов I-8017HW

1.2.12 Описание модуля ввода дискретных сигналов I-8053PW

1.2.13 Описание модуля вывода дискретных сигналов I-8057W

1.2.14 Описание регистрирующего прибора Диск-250

2 расчетная часть

2.1 Расчет сопротивлений резисторов измерительной схемы автоматического потенцирометра

2.2 Расчет шкалы ротаметра

Заключение

Библиографический список

Введение

Автоматизация - это применение комплекса средств, позволяющих осуществлять производственные процессы без непосредственного участия человека, но под его контролем. Автоматизация производственных процессов приводит к увеличению выпуска, снижению себестоимости и улучшению качества продукции, уменьшает численность обслуживающего персонала, повышает надежность и долговечность машин, дает экономию материалов, улучшает условия труда и техники безопасности.

Автоматизация освобождает человека от необходимости непосредственного управления механизмами. В автоматизированном процессе производства роль человека сводится к наладке, регулировке, обслуживании средств автоматизации и наблюдению за их действием. Если автоматизация облегчает физический труд человека, то автоматизация имеет цель облегчить так же и умственный труд. Эксплуатация средств автоматизации требует от обслуживающего персонала высокой техники квалификации.

По уровню автоматизации теплоэнергетика занимает одно из ведущих мест среди других отраслей промышленности. Теплоэнергетические установки характеризуются непрерывностью протекающих в них процессов. При этом выработка тепловой и электрической энергии в любой момент времени должна соответствовать потреблению (нагрузке).Почти все операции на теплоэнергетических установках механизированы, а переходные процессы в них развиваются сравнительно быстро. Этим объясняется высокое развитие автоматизации в тепловой энергетике.

1 Описание технологического процесса и выбор оборудования

 

.1 Автоматизация процесса.


Котёл КЕ-10/14 состоит из нескольких основных частей, перечисленных ниже:

-    бункер топлива;

-       система подачи топлива на топочное полотно:

-       топка котла;

-       система экранных и конвективных труб;

-       барабаны котла.

Так же имеются другие узлы, агрегаты, механизмы и трубопроводы:

-    вентилятор дутьевой;

-       вентилятор возврата уноса;

-       дымосос;

-       трубопроводы воды;

-       трубопроводы пара;

-       газовоздухопроводы;

-       запорная и регулирующая арматура.

Топливо из бункера (1) с помощью забрасывателей (4.1) и (4.2) подаётся на вращающееся топочное полотно обратного хода (6). Топочное полотно движется вдоль котла. Горение топлива происходит непосредственно на топочном полотне.

Горение поддерживается нагнетанием воздуха под решётку топочного полотна с помощью дутьевого вентилятора (2). Несгоревшие частицы топлива улавливаются и возвращаются на дожигание с помощью вентилятора возврата уноса (8).

Газы, образующиеся в процессе сгорания топлива, удаляются из топки котла с помощью дымососа (3).

Вода нагревается в экранных трубах котла и подается в барабан (7). В барабане происходит отделение пара от воды. Полученный пар используется для технологических нужд и нужд горячего водоснабжения.

Основными параметрами работы котла являются:

-    давление под решёткой, измеряемое датчиком давления аналоговым поз. 6а;

-       разрежение в топке котла, измеряемое датчиком давления аналоговым поз. 5а;

-       уровень воды в барабане котла, измеряемый датчиком уровня аналоговым поз. 1a;

-       давление пара в барабане котла, измеряемое датчиком давления аналоговым поз. 3а.

 

.2 Выбор средств автоматизации


При выборе наиболее предпочтительного варианта технических средств автоматизации, учитываются основные требования: технологические и системные:

К техническим требованиям относятся:

-    вид и величина измеряемого параметра;

-       характер измеряемой и окружающей среды;

-       место установки датчиков и исполнительных механизмов.

К системным требованиям относятся:

-    степень функционального развития (многофункциональность, комплектность поставки);

-       вид потребляемой энергии, энергетические характеристики (напряжение, потребляемая мощность);

-       унификация входных и выходных сигналов;

-       метрологические характеристики (класс точности, предел измерения параметра и др.)

Также при выборе технических средств необходимо ориентироваться на их серийность, по возможности стремиться применять однотипные средства государственной системы приборов (ГСП), входящих в состав локальных систем автоматического контроля, регулирования и управления.

Руководствуясь этим требованиям, датчики и преобразователи, выбраны, преимущественно, промышленной группы «Метран», так как промышленной группой «Метран» поставляется практически все оборудование нижнего уровня систем автоматизации необходимое для измерения и поддержания основных параметров в заданных пределах. В качестве вторичных показывающих, регистрирующих и регулирующих приборов выбраны приборы ДИСК-250.

 

1.2.1 Описание преобразователей давления измерительных АИР-20/М2

В системе используются преобразователи давления серии ДИ, ДИВ, ДД.

Преобразователи предназначены для непрерывного преобразования величины избыточного давления (ДИ), давления-разрежения(ДИВ), разности давлений(ДД) в унифицированный выходной токовый сигнал.

Функциональные и конструктивные особенности:

-    число выходных сигналов - один 4…20 мА или два 4…20 мА и 0…5 мА одновременно;

-       линейная зависимость преобразования измеряемого параметра;

-       возможность изменения единицы измерения с кПа или МПа на кгс/см2;

-       светодиодный индикатор, крышка с окном;

-       подстроечный резистор для корректировки диапазона;

-       степень защиты IP65;

-       защита от обратной полярности питающего напряжения.

Основные характеристики:

-    класс точности 1,5;

-       напряжение питания 24 В;

-       сопротивление нагрузки 250 Ом;

-       потребляемая мощность 0,7 Вт;

-       средняя наработка на отказ 125000 ч;

-       средний срок службы 12 лет;

-       гарантийный срок эксплуатации 2 года;

-       межповерочный интервал 5 лет.

Для измерения параметров процесса в системе используются следующие преобразователи давления:

-    уровень воды в барабане котла поз. 1а - датчик разности давлений АИР-20/М2/ДД/410/02G/А3И2/t1070/C05/0…6,3кПа/10MПа/42/С/К1+/БР/ГП/ ТУ 4212-064-13282997-05;

-       давление пара в барабане котла поз. 3а - датчик избыточного давления АИР-20/М2/ДИ/189/02/А2И2/t1070/C05/0…1,6МПа/42/GPS/К1+/ГП/ ТУ 4212-064-13282997-05;

-       разрежение в топке котла поз. 5а - датчик давления-разрежения АИР-20/М2/ДИВ/315/13G/А2И2/t1070/C05/-0,3…0,3кПа/42/GPS/К1+/ГП/ ТУ 4212-064-13282997-05;

-       давление воздуха под решетку поз. 6а - датчик избыточного давления АИР-20/М2/ДИ/121/12V/А2И2/t1070/C05/0…2,5кПа/42/GPS/К1+/ГП/ ТУ 4212-064-13282997-05.

 

1.2.2 Описание термобреобразователей измерительных ТСПУ-205

ТСПУ- термометр сопротивления платиновый, с унифицированным выходным сигналом.

Термопреобразователи предназначены для преобразования температуры различных сред в унифицированный выходной токовый сигнал.

Функциональные и конструктивные особенности:

-    измерительный преобразователь встроен в клеммную головку первичного преобразователя;

-       выходной сигнал 4…20 мА;

-       несколько вариантов конструктивного исполнения арматуры;

-       степень защиты IP54;

-       климатическое исполнение С2: от минус 50 до 70°C.

Основные характеристики:

-    диапазон преобразования измеряемого параметра 0…400°C;

-       условное давление 16 МПа;

-       номинальная статическая характеристика 100П;

-       класс точности 0,25;

-       напряжение питания 18…36 В;

-       потребляемая мощность 0,8 ВА;

-       гарантийный срок эксплуатации 2 года;

-       межповерочный интервал 2 года.

Для измерения температуры уходящих газов поз. 8а используется термопреобразователь ТСПУ-205/100П/0…+4000С/2/630мм/ø8/ГП/ ТУ 4227-003-13282997-01.

 

1.2.3 Описание датчика-реле уровня РОС-301

Датчик-реле уровня предназначен для контроля уровней электропроводных жидкостей по трем независимым каналам реле.

Функциональные и конструктивные особенности:

-    состоит из передающего преобразователя ППР-03 и трех датчиков;

-       материал электрода - сталь 12Х18Н10Т.

Основные характеристики:

-    релейный выходной сигнал, ток 0,1…2,5 А, напряжение 12…250 В, частота 50 Гц;

-       рабочее избыточное давление контролируемой среды до 2,5 МПа;

-       температура контролируемой среды до 250°C;

-       удельная электрическая проводимость среды не менее 0,015 См/м;

-       работа от сети переменного тока, напряжение питания 220В, частота 50 Гц;

-       потребляемая мощность 12 ВА.

Для контроля НАУ и ВАУ в барабане котла поз. 2а, 2б и 2в используется датчик-реле уровня РОС-301-6-Т3-(0,43;0,63) ТУ 25-2408.0009-88.

 

1.2.4 Описание датчика-реле давления РД-1600

Датчик-реле давления предназначен для сигнализации предельного давления в барабане котла.

Функциональные и конструктивные особенности:

-    контролируемая среда: газ, жидкость;

-       одна или две независимые плавно регулируемые уставки;

-       нагрузка - активно-индуктивная;

-       степень защиты IP54;

-       климатическое исполнение С2: от минус 50 до 70°C.

Основные характеристики:

-    диапазон уставок от минус 90 до 1600 кПа;

-       предел допускаемой основной погрешности срабатывания - 1% от верхнего предела диапазона уставок;

-       регулируемая зона возврата не более 10% от верхнего предела диапазона уставок.

Для сигнализации предельного давления пара в барабане поз. 4а используется датчик-реле давления РД-1600-I-М20-1000-В-3-2000 ТУ4218-010-36897690-2004.

1.2.5 Описание бесконтактных индуктивных датчиков положения BERO M30 DC

Датчики бесконтактные индуктивные положения предназначены для бесконтактного контроля положения (приближения, нахождения в зоне) металлических объектов.

Функциональные и конструктивные особенности:

-    материал корпуса - никелированная латунь;

-       установка в металл - заподлицо;

-       встроенный светодиод индикации желтого цвета;

-       степень защиты IP68.

Основные характеристики:

-    дальность срабатывания 10 мм;

-       рабочее напряжение 15…34 В постоянного тока.

Для контроля целостности ремней забрасываетелей поз. 11а, 12а используются датчики Siemens BERO M30 DC 24V.

 

1.2.6 Описание кислородомера стационарного ИКТС-11

Кислородомер стационарный предназначен для непрерывного измерения содержания кислорода и других газов (CO, NO) в уходящих газах топливосжигающих установок с передачей в виде унифицированного выходного токового сигнала и по интерфейсу RS-485.

Функциональные и конструктивные особенности:

-    вывод результатов измерения и информации о режимах работы прибора на ЖК-дисплей;

-       стандартный интерфейс RS-485 для передачи данных к интеллектуальным устройствам;

-       длина погружного пробоотборного зонда до 2000 мм.

Основные характеристики:

-    диапазон измерения содержания O2 - 0…21% объема;

-       температура газовой пробы 25…800°C;

-       относительная влажность пробы до 100%;

-       содержание пыли в пробе не более 10г/м3;

-       содержание SO2 до 3000 мг/м3;

-       давление от минус 0,04 кПа до 0,1 кПа;

-       работа от сети переменного тока, напряжение 220 В, частота 50 Гц;

-       гарантийный срок эксплуатации 12 месяцев.

Для измерения содержания O2 и CO в уходящих газах поз. 7а используется кислородомер стационарный ИКТС-11 с блоком отбора пробы 0,3 м.

 

1.2.7 Описание манометров показывающих МП3-У и ДМ 8010

Манометры МП3-У предназначены для измерения избыточного давления неагрессивных, некристаллизующихся по отношению к медным сплавам жидкостей, пара и газа, в том числе кислорода.

Функциональные и конструктивные особенности:

-    материал корпуса - сталь, алюминиевый сплав, стекло;

-       диаметр корпуса 100 мм (250 мм для манометра ДМ 8010);

-       степень защиты IP54;

-       климатическое исполнение У2, диапазон рабочих температур от минус 50 до 60°C.

Основные характеристики:

-    широкий диапазон верхних предельных значений измеряемого параметра;

-       класс точности 1,5;

-       средний срок службы 10 лет;

-       межповерочный интервал 1 год.

Для измерения и индикации давления используются следующие показывающие манометры:

-  давление питательной воды поз. 20а - манометр показывающий МП3-У, 0…25кгс/см2, У2, IP53, ЦСМ;

-       давление пара в барабане котла поз. 22а - манометр показывающий ДМ 8010 ТУ 4212-001-42368375-01;

-       давление пара на выходе из котла поз. 25а - манометр показывающий МП3-У, 0…16кгс/см2, У2, IP53, ЦСМ;

 

1.2.8 Описание напоромера НМП-100

Напоромер предназначен для измерения избыточного давления воздуха и неагрессивных газов.

Основные характеристики:

-    диапазон измерения давления 0…2,5 кПа;

-       класс точности 1,5;

-       климатическое исполнение У3 - рабочая температура от минус 50 до 60°C, относительная влажность до 98% при 35С°;

-       межповерочный интервал 1 год;

-       масса не более 0,6 кг.

Для измерения и индикации давления воздуха под решеткой поз 23а используется напоромер НМП-100-М1-2,5кПа-1,5-У3 ТУ 25-7305.016-90.

 

1.2.9 Описание термометров биметаллических показывающих ТБ

Термометры биметаллические ТБ предназначены для измерения температуры в системах тепло-, водоснабжения, газовых средах и универсального использования.

Функциональные и конструктивные особенности:

-    алюминиевый корпус диаметром 100 мм, стекло - техническое;

-       степень защиты IP54;

-       климатическое исполнение У2, диапазон рабочих температур от минус 50 до 60°C.

Основные характеристики:

-    широкий диапазон верхних предельных значений измеряемого параметра;

-       класс точности 1,5;

-       средний срок службы 10 лет;

-       межповерочный интервал 1 год.

Для измерения и индикации температуры используются следующие показывающие термометры:

-    температура питательной воды поз. 21а - термометр биметаллический показывающий ТБ-100-5-0…100-40-1,5-М20х1,5;

-       температура пара на выходе из котла поз. 26а - термометр биметаллический показывающий ТБ-100-5-0…200-100-1,5-М20х1,5.

 

1.2.10 Описание контроллера ICP-DAS WinPAC-8441

Контроллер ICP-DAS WinPAC-8441 является центральным звеном системы и предназначен для выполнения функций сбора данных, их обработки, реализации логики управления процессом, формирования и передачи управляющих воздействий к механизмам, архивации параметров процесса и формирования аварийных сообщений процесса.DAS WP-8441 - новое поколение программируемых логических контролеров, оснащенных центральным процессором PXA270 CPU, операционной системой Windows CE.NET 5.0, различными коммуникационными интерфейсами (VGA, USB, Ethernet, RS-232/485) и 4-мя слотами для установки высокопроизводительных параллельных модулей ввода-вывода серии I-8000 или серийных последовательных модулей серии I-8700.

Контроллеры данной серии обладают многими преимуществами:

-    малый размер ядра процессора;

-       высокая скорость загрузки;

-       низкоуровневое управление прерываниями.

Использование ОС Windows CE.NET 5.0 позволяет контролерам серии WP-8441 исполнять PC-ориентированное ПО, например, Visual Basic.NET, Visual C#, Embedded Visual C++, SCADA-программы и т.д. Таким образом, WP-8441 сочетает в себе лучшие свойства традиционных ПЛК и Windows-совместимых компьютеров.

Характеристики аппаратного обеспечения:

-    высокопроизводительный модуль ЦПУ PXA270 520 МГц;

-       встроенный VGA-интерфейс (800x600, 640x480);

-       широкие возможности расширения;

-       встроенный Flash-диск емкостью 31 Mбайт;

-       оперативная память 128 Мбайт;

-       2 сторожевых таймера;

-       2 модуля памяти SRAM 512 кбайт (резервное питание от батареи);

-       2 Ethernet-порта, 4 COM-порта RS-232/RS-485;

-       канал резервного питания;

-       щитовой монтаж или монтаж на DIN-рейку;

-       эксплуатация в диапазоне температур от минус 25 до 75°C.

Характеристики программного обеспечения:

 

-    операционная система Windows CE.NET 5.0;

-       удаленное обслуживание посредством Ethernet;

-       встроенный OPC-сервер Quicker:

·   OPC-сервер и SCADA-обеспечение;

·   локальные и удаленные модули ввода-вывода (связь по RS-232/485 или Ethernet);

·   библиотеки для eVC, C# и VB.NET;

·   поддержка протоколов Modbus и DCON.

1.2.11 Описание модуля ввода аналоговых сигналов I-8017HW

Модуль предназначен для ввода аналоговых сигналов процесса в контроллер.

Функциональные и конструктивные особенности:

-    модуль с параллельным интерфейсом, пластиковый корпус;

-       интерфейс - локальная шина контроллера;

-       гальваническая изоляция 3000 В;

-       встроенные светодиоды состояния каналов;

-       эксплуатация в диапазоне температур от минус 25 до 75°C при влажности от 5 до 95%.

Основные характеристики:

-    количество каналов аналогового ввода - 16 каналов с общим проводом или 8 дифференциальных каналов;

-       диапазон входного сигнала напряжения - ±1,25; ±2,5; ±5В; ±10В;

-       диапазон входного сигнала тока - ±20мА;

-       входное сопротивление при измерении напряжения - 20 кОм, при измерении тока - 125 Ом;

-       АЦП с разрядностью 14 бит и частотой выборки 100 кГц;

-       питание от внутренней шины контроллера 5В, потребляемая мощность 2,5Вт;

время наработки на отказ 80000 ч.

 

1.2.12 Описание модуля ввода дискретных сигналов I-8053PW

Модуль предназначен для ввода дискретных сигналов процесса в контроллер.

Функциональные и конструктивные особенности:

-    модуль с параллельным интерфейсом, пластиковый корпус;

-       интерфейс - локальная шина контроллера;

-       гальваническая изоляция 3750 В;

-       встроенные светодиоды состояния каналов;

-       эксплуатация в диапазоне температур от минус 25 до 75°C при влажности от 5 до 95%.

Основные характеристики:

-    количество каналов дискретного ввода - 16;

-       входное напряжение логического «0» - (0…1)В, логической «1» - (3,5…30)В;

-       входное сопротивление - 3 кОм;

-       максимальная частота входного сигнала 500 Гц;

-       питание от внутренней шины контроллера 5В, потребляемая мощность 0,8Вт;

-       время наработки на отказ 75000 ч.

 

1.2.13 Описание модуля вывода дискретных сигналов I-8057W

Модуль предназначен для выдачи дискретных сигналов контроллера в процесс.

Функциональные и конструктивные особенности:

-    модуль с параллельным интерфейсом, пластиковый корпус;

-       интерфейс - локальная шина контроллера;

-       гальваническая изоляция 3750 В;

-       встроенные светодиоды состояния каналов;

-       эксплуатация в диапазоне температур от минус 25 до 75°C при влажности от 5 до 95%.

Основные характеристики:

-    количество каналов дискретного вывода - 16;

-       коммутируемый ток - постоянный 125 мА;

-       коммутируемое напряжение 30 В;

-       максимальная частота выходного сигнала 10 кГц;

-       питание от внутренней шины контроллера 5В, потребляемая мощность 0,8Вт;

-       время наработки на отказ 80000 ч.

 

1.2.14 Описание регистрирующего прибора Диск-250

Регистрирующий прибор ДИСК-250.

Применяется для измерения, отображения и регистрации температуры, давления, расхода, уровня и других параметров. Управление процессом.

Особенности:

-    Универсальность: измерение, регистрация, сигнализация, регулирование;

-       Хорошо видимая издалека круговая шкала;

-       Широкая гамма применяемых входных сигналов: термопары, термопреобразователи сопротивления, мВ, В, мА;

-       Непрерывная линия регистрации на диаграммном диске;

-       На передней панели расположены оси переменных резисторов для задания уставок;

-       Светодиодная индикация включения прибора, обрыва датчика, состояния сигнализирующих и регулирующих устройств;

-       Простота эксплуатации и ремонта.

Выбор осуществляется следующим образом:

Все выбранные средства автоматизации и их метрологические характеристики представлены в заказной спецификации на приборы (Приложение А).

2. Расчетная часть

 

2.1 Расчет сопротивлений резисторов измерительной схемы автоматического потенцирометра


Таблица 1 - Исходные данные

Наименование

Обозначение

Значение

1. Шкала прибора


0-750 0С

2. Градуировка температуры свободных концов термометра


ХК

3. Расчетное значение температуры свободных концов термометра

t0

20 0C

4. Возможное значение температуры свободных концов термометра

tI0

35 0C

5. Начальное значение шкалы

E(tн, t0)

0 мВ

6. Конечное значение шкалы

E(tк, t0)

57,080 мВ

7. Диапазон измерений

EД

57,080 мВ

8. Нормированное номинальное сопротивление реохорда

RН.Р.

90 Ом

9. Нерабочие участки реохорда

2l

0,05

10. Нормированное номинальное значение падения напряжения на резисторе RК

UК

1019 мВ

11. Выходное напряжение ИПС - 148П

UИ.П.

5 В

12. Номинальное значение силы тока в цепи ИПС - 148П

I0

5 мА

13. Сопротивление нагрузки ИПС - 148П

RИ.П.

1000 Ом

14. Номинальное значение силы тока в верхней ветви измерительной схемы прибора

I1

3 мА

15. Номинальное значение силы тока в нижней ветви измерительной схемы прибора

I2

2 мА

16. Температурный коэффициент электрического сопротивления меди

a

4.25 *10-3 К-1


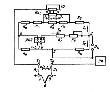
Рисунок 1 - Принципиальная компенсационная измерительная схема автоматического потенциометра.

Rк - контрольный резистор;м - медное сопротивление;пр - сопротивление реохорда;ип - сопротивление нагрузки ИСП;н - резистор для установления начального значения шкалы;б - балластный резистор;п - резистор для установления диапазона измерения;и R1 - резистор в цепи ПС для ограничения и регулирования

рабочего тока;

НИ - нуль индикатор;

1. Определим сопротивление резистора RП:

 Ом;                                 (2.1)

где Rн.р - нормированное сопротивление реохорда;

Ед - диапазон измерения прибора;1 - номинальное значение силы тока в нижней ветви

измерительной схемы прибора

Ом;

. Определим приведенное сопротивление реохорда RПР:

 ;                                               (2.2)

 Ом.

Производим проверку правильности определения RПР:

 мВ.

. Определим сопротивление контрольного резистора RК:

 ;                                         (2.3)

 Ом;

. Определим сопротивление резистора Rб:

 ;                     (2.4)

 Ом;

5. Найдём сопротивление медного резистора Rм:

              (2.5)

где:

мВ;


. Определим значение сопротивления резистора RН:

 ;                                 (2.6)

 Ом;

. Определим значение сопротивления резистора Rbd;

 ;                                    (2.7)

 Ом.

. Определим сопротивление резистора R1 по формуле:

 ;                                        (2.8)

 Ом;

9. Определим изменения показания потенциометра для конечного значения шкалы при изменении температуры свободных концов термометра от до  по формуле:

                                    (2.9)


Мы рассчитали сопротивления измерительной схемы автоматического потенциометра и определили измерение показаний потенциометра для конечного значения шкалы при изменении температуры свободных концов термометра от t0 до t 0.

 

.2 Расчет шкалы ротаметра


Таблица 2 - Исходные данные

Наименование

Обозначение

Значение

1. Конусность трубки ротаметра

k

0,01

2. Длина шкалы ротаметра (шкала имеет 11-ть оцифрованных делений с градацией Dl = 0,025 м)

l

0,25 м

3. Диаметр трубки ротаметра в месте нулевого деления шкалы

D0

0,0171 м

4. Объём поплавка

V

3,075×10-6 м3

5. Диаметр миделя поплавка

d

0,0164 м

6. Материал поплавка

Сталь Х18H9Т

-

7. Вес поплавка

G0

0,191 Н

8. Измеряемая среда

СН3OH

Спирт метиловый

9. Температура измеряемой среды

t0

300

10. Плотность среды (при t0 = 200)

778,5 кг/м3


11. Динамическая вязкость вещества

m30

0,52×10-3 Па×с


Описание ротаметра

Ротаметр является расходомером постоянного перепада давлений. Так же к ним относятся поплавковые и поршневые расходомеры. Наибольшее применение имеют ротаметры и поплавковые расходомеры, шкалы которых практически равномерны. Их можно использовать для измерения малых расходов, так как потери давления в них незначительны и не зависят от расхода. Ротаметры и поплавковые расходомеры имеют большой диапазон измерения (Qmax/Qmin = 10:1).

1        Определяем диаметр трубки ротаметра D10 в месте усиления шкалы для максимального расхода Qmax по формуле:

, (м).                                               (2.10)

м.

2        Определяем расстояние от нулевого сечения шкалы D0 до сечения диаметром d (высота нулевой отметки) по следующей формуле:

, (м).                                             (2.11)

м.

3 Определяем безразмерный параметр  для оцифрованных отметок шкалы:

 ;

;

где Dl - расстояние между оцифрованными делениями, 0,025; i - отметка на оцифрованной шкале;

Таблица 3 - Высота поднятия поплавка над оцифрованными сечениями.

i

0

1

2

3

4

5

6

7

8

9

10

li

0

0,025

0,05

0,075

0,1

0,125

0,15

0,175

0,2

0,225

0,25

hi, м

0,07

0,095

0,12

0,145

0,17

0,195

0,22

0,245

0,27

0,295

0,32


                                   (2.12)

Таблица 4 - Значения безразмерного параметра  для оцифрованных отметок шкалы.

а

0

1

2

3

4

5

6

7

8

9

10


4,268

5,793

7,317

8,841

10,366

11,89

13,415

14,939

16,463

17,988

19,512


Определим вес поплавка в измеряемой среде:

,

G=0,191 - 3,075·10-6·778,5·9,81=0,16752   Н.               (2.13)

Определим кинематическую вязкость:

;

6 Определим значение безразмерной величины  и значение ее десятичного логарифма

:

                           (2.14)

получим:

;                          (2.15)

7 Определим значение безразмерной величины :

Для нахождения этой величины воспользуемся графиком, который изображен на рисунке 2

Рисунок 2 - График для определения безразмерной величины

Для нахождения промежуточных значений аi воспользуемся формулой нелинейной интерпретации:

;                                              (2.16)

где:

х - расстояние от искомой точки до нижней кривой;

 - значение нижней кривой;

 - значение верхней кривой;- расстояние между верхней и нижней кривой.

Получим:

Таблица 5 - Определение недостающих расчетных данных


0

1

2

3

4

5

6

7

8

9

10

Х

0,078

0,1628

0,0377

0,0412

0,0412

0,0542

0,0245

0,0304

0,0127

0,03

0,01013

1,042

1,523

1,508

1,626

1,781

1,894

1,965

2,03

2,093

2,13

2,16


8. Определим значение безразмерной величины = Yi путем обратного преобразования

 и занесем в таблицу.


9. Определим значение величины Q в :

так как нам известно, чему равно (примем, что , безразмерная величина).

Составим формулу:

                                                        (2.18)


. Определим значение величины Q в :

 

Таблица 6 - Расчетные данные

,








0                4,268       1,042         11,01      

1,2060,434




 

0,025

5,792


1,291

33,328


3,649

1,314

0,05

7,317


1,508

32,189


3,525

1,269

0,075

8,841


1,626

42,284


4,63

1,667

0,1

10,366


1,781

60,416


6,616

2,382

0,125

11,89


1,894

78,384


8,583

3,09

0,15

13,415


1,965

92,159


10,091

3,633

0,175

14,939


2,03

107,254


11,744

4,228

0,2

16,463


2,093

123,791


13,555

4,88

0,225

17,988


2,13

134,896


14,771

5,318

0,25

19,512


2,16

144,587


15,832

5,7


11. Построим градуировочный график в виде зависимости , который изображен на рисунке 3:









Рисунок 3 - График зависимости

На градуировочном графике по оси X отложены оцифрованные значения шкалы принятые в процентах (диапазон шкалы от 0 до 100%).

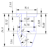
Выполним чертеж поплавка ротаметра и трубки ротаметра и самого ротаметра, которые изображены на рисунке 4, 5 и 6.

Рисунок 4 - Поплавок ротаметра

Рисунок 5 - Трубка ротаметра












Рисунок 6 - Ротаметр

Устройство ротаметра со стеклянной конусной трубкой 1, которая зажата в патрубках 2 и 3, снабженных сальниками. Оба патрубка между собой связаны тягами 4 с надетыми на них ребрами 5. Эта армировка придает прибору необходимую прочность. Внутри патрубка 2 имеется седло, на которое опускается поплавок 6 при нулевом расходе жидкости или газа. Верхний патрубок 3 снабжен ограничителем хода поплавка 7. Шкала наносится непосредственно на внешней поверхности стеклянной конусной трубки. Указателем у ротаметров со стеклянной трубой служит верхняя горизонтальная плоскость поплавка.

Расчет геометрических размеров поплавка

.1 Расчет веса поплавка

Найдем вес поплавка по формуле

         (2.19)

.

.2 Найдем объем, высверловки м3

(2.20)

.

.3 Найдем диаметр высверловки, м3

     (2.21)

.

автоматизация паровой котлоагрегат ротаметр

13.4 Глубина высверловки и длина поплавка, м

  (2.22)


Заключение


В результате выполнения курсового проекта была разработана функциональная схема автоматизации парового котлоагрегата КЕ-10/14 и были выбраны средства автоматизации использованные в функциональной схеме.

Выполнен расчёт шкалы ротаметра и расчет сопротивлений резисторов измерительной схемы автоматического потенциометра.

 


Библиографический список


1. Клюев А.С. Проектирование систем автоматизации технологических процессов, справочное пособие. М. «Энергия» 1980 г.

2. Преображенский В. П. Теплотехнические измерения и приборы, 3 изд. перераб. и доп. , М: «Энергия» 1978 г.

. Техника чтения схем автоматического управления и технологического контроля /А.С.Клюев, Б.В.Глазов, М.Б. Миндин, С.А.Клюев; Под ред. А.С.Клюева. -3-е изд., перераб. и доп. - М.:Энергоатомиздат, 1991.- 432 с.: ил.

4. Зингель Т.Г. Система управления химико-технологическими процессами. Функциональные схемы автоматизации: Учебное пособие для практических занятия, курсового и дипломного проектирования для студентов химико-технологических специальностей всех форм обучения. - Красноярск: СибГТУ, 2004. - 212 с.

Похожие работы на - Проект автоматизации парового котлоагрегата КЕ-10/14

 

Не нашли материал для своей работы?
Поможем написать уникальную работу
Без плагиата!
Без нейросетей!