Послеремонтные приемно-сдаточные испытания турбогенератора ТВФ-110-2

  • Вид работы:
    Курсовая работа (т)
  • Предмет:
    Физика
  • Язык:
    Русский
    ,
    Формат файла:
    MS Word
    216,06 Кб
  • Опубликовано:
    2012-10-26
Вы можете узнать стоимость помощи в написании студенческой работы.
Помощь в написании работы, которую точно примут!

Послеремонтные приемно-сдаточные испытания турбогенератора ТВФ-110-2

Введение


Одним из основных параметров работы любой электростанции и энергосистемы является непрерывность выработки энергии и снабжение ею потребителей. Непрерывность выработки энергии обеспечивается высокой надежностью всего энергетического - вспомогательного и основного, силового и слаботочного оборудования. Поэтому абсолютно все оборудование электростанции подвергается периодическим ремонтам и испытаниям: периодичность этих работ строго регламентируется ПТЭ и Нормами испытаний. Ни одно оборудование на электростанции не может быть включено в работу, если срок его ремонта и испытаний истек. В данной курсовой работе составляется программа испытаний турбогенератора, определяется работоспособность промежуточного реле, выбирается реле максимального напряжения и добавочный термостабильный резистор, определяется начальная температура обмотки статора, а также производится расчет намагничивающей и контрольной обмоток для испытания стали статора.
 

РАБОЧАЯ ПРОГРАММА

послеремонтных приемно-сдаточных испытаний турбогенератора ТВФ-110-2

Основные параметры генератора:

Тип турбогенератора

ТВФ-110-2

Мощность номинальная

137.5 МВА / 110 МВт

Напряжение статора, номинальное

10,5 кВ

Ток статора, номинальный

7560 А

Емкость на три фазы

0,75 мкФ

Система возбуждения

СДН-310-1900-2УХЛ4

Сопротивление обмотки ротора, при 15 ºС

0,126 Ом

Система охлаждения стали статора

Косвенное, водородом

Система охлаждения обмотки ротора

Непосредственное , водородом


1.
Испытание изоляции обмотки статора генератора повышенным выпрямленным напряжением

Условия проведения испытаний:

–  схема обмотки статора разобрана, нейтраль разобрана;

–        вода из обмотки статора слита, обмотка продута сжатым воздухом;

–        испытания проводятся пофазно, две другие фазы при этом закорочены и заземлены.

Испытательное напряжение, кВ,

UИСП =1,28×(2×Uном+3)

UИСП =1,28×(2×10,5+3)=30,72.

Напряжение поднимается пятью ступенями по 1/5 полного испытательного напряжения, кВ,

UСТ =30,72/5=6,144.

На каждой ступени производится выдержка данного напряжения в течение 60 с.

На каждой ступени производится измерение тока утечки через изоляцию через 15 с и 60 с после установления неизменного напряжения: I15’’ и I60’’.

По измеренным напряжению данной ступени и токам утечки I15’’ и I60’’ вычисляются для каждой ступени величины сопротивления изоляции для 15 с и 60 с, Ом,

R15’’=UИСП/ I15’’;’’=UИСП/ I60’’.

На каждой ступени вычисляется коэффициент абсорбции,

KАБС= R60’’/ R15’’.

В процессе испытаний строится график зависимости тока утечки I60’’ от испытательного напряжения UИСП. При оценке результатов токи утечки не нормируются, но по характеру зависимости их от испытательного напряжения, асимметрии токов по фазам или ветвям и характеру изменения токов утечки в течение одноминутной выдержки судят о степени увлажнения изоляции и наличии дефектов.

Резкое возрастание тока утечки, не пропорциональное росту приложенного напряжения, особенно на последних ступенях напряжения (перегиб в кривой зависимости токов утечки от напряжения), является признаком местного дефекта изоляции, если оно происходит при испытании одной фазы обмотки или признаком увлажнения, если оно происходит при испытании каждой фазы.

Характеристикой зависимости тока утечки от напряжения является коэффициент нелинейности

Ku=Iнб×Uнм/( Iнм ×Uнб),

где

Iнб- наибольший ток утечки при полном испытательном напряжении;

Iнм- ток утечки при испытательном напряжении, равном приблизительно 0,5×Uном генератора;

Uнб- полное испытательное напряжение;

Uнм- испытательное напряжение, равное приблизительно 0,5×Uном генератора.

Коэффициент нелинейности должен быть меньше трёх.

Коэффициент нелинейности не учитывается тогда, когда токи утечки на всех ступенях напряжения не превосходят 50 мкА. Рост тока утечки во время одноминутной выдержки изоляции под напряжением на одной из ступеней является признаком дефекта (включая увлажнение изоляции). Во избежание местных перегревов изоляции токами утечки выдержка напряжения на очередной ступени допускается лишь в том случае, если токи утечки не превышают значений, указанных в таблице 2.

Таблица 2- Предельные значения тока утечки от испытательного напряжения

Кратность испытательного напряжения по отношению к номинальному UИСП/ Uном

0,5

1

1,5 и выше

Ток утечки I60’’max, мА

0,25

0,5

1


Если в процессе подъёма напряжения величина тока утечки начнёт резко возрастать и выйдет за допустимые пределы, то испытания необходимо прекратить до выяснения причины резкого возрастания тока утечки.

По достижению полного расчетного испытательного напряжения, оно выдерживается в течение одной минуты и далее плавно в течение двух минут снижается до нуля.

По снижению напряжения до нуля необходимо разрядить обмотку наложением заземления через токоограничивающий резистор заземляющей штанги. Через 10 с необходимо наложить глухое заземление на вывод испытанной фазы.

Измерительная аппаратура и оборудование.

–  аппарат для испытания изоляции АИМ-90 (с миллиамперметром до 5мА).

–        секундомер пружинный с ценой деления 0,2 с.

–        разрядно-заземляющая штанга.

Испытание изоляции обмотки статора повышенным напряжением частоты 50 Гц.

Условия проведения испытаний.

–  схема статорной обмотки генератора разобрана, каждая фаза испытывается отдельно, две другие фазы закорочены и заземлены;

–        обмотка генератора очищена от грязи, промыта и просушена;

–        в системе охлаждения и по обмотке циркулирует дистиллят с удельным сопротивлением не ниже 75 кОм/см. Расход дистиллята номинальный;

–        испытания проводятся в тёмное время суток при потушенном общем освещении машинного зала и включенном местном освещении. На последнем этапе местное освещение также отключается для наблюдения за коронированием обмотки статора;

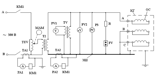
Схема испытательной установки для проведения испытания генератора повышенным напряжением промышленной частоты приведена на рисунке 1.


UИСП=0,8×(2×UНОМ+3), кВ,

UИСП=0,8×(2×10,5+3)=19,2 кВ.

где UНОМ=10,5 кВ- номинальное напряжение генератора;

Схема подключается на линейное напряжение, в котором меньше, чем в фазном высших гармоник, а следовательно, меньше возможность искажения синусоиды испытательного напряжения.

Перед началом испытаний необходимо отрегулировать пробивное напряжение разрядника FV на 110% испытательного напряжения UИСП:

UР=1,1×19,2=21,12 кВ.

Испытательная схема отключается от объекта испытаний, и испытательное напряжение поднимается на холостом ходу. Устанавливается заданное напряжение 21,12 кВ, и шары разрядника сближаются до возникновения пробоя.

Испытательное напряжение снижается до 50% и вновь поднимается до возникновения пробоя: напряжение пробоя разрядника должно быть в пределах (1,05-1,1) UИСП, то есть 20,16-21,12 кВ. Контрольный пробой шарового разрядника FV производится трижды подъёмом напряжения с 0,5 UИСП.

Проведение испытаний повышенным напряжением частоты 50 Гц.

Напряжение поднимается с нуля плавно, со скоростью около 2 %/с-0,38 кВ/с. Следовательно вся процедура подъёма напряжения будет длится около 1-2 мин.

В процессе подъёма напряжения необходимо прослушивать генератор на предмет возникновения потрескивания или шипения частичных разрядов. Одновременно необходимо наблюдать за обмоткой- не появится ли тление или искрение на поверхности обмотки.

В процессе подъёма напряжения необходимо делать промежуточные отсчеты по вольтметрам и индикатору частичных разрядов. В случае расхождения в показаниях вольтметра или резкого возрастания показаний индикатора частичных разрядов подъём напряжения следует прекратить и немедленно выяснить причину ненормальных явлений.

Если причина не проясняется, то необходимо плавно снизить напряжение до нуля. Недопустимо резкое снятие испытательного напряжения.

При достижении полного испытательного напряжения UИСП=19,2 кВ оно выдерживается в течение 1 мин и плавно снижается до номинального напряжения UНОМ=10,5 кВ.

На номинальном напряжении в течение 5 мин изоляция проверяется визуально, для чего желательно полностью выключить освещение в машзале при соблюдении мер безопасности.

При этом не должно наблюдаться сосредоточенное в отдельных точках свечение жёлтого и красного цвета, дым, тление бандажей и т.п..

Голубое и белое свечение допускается. По выполнению наблюдений коронирования обмотки напряжение плавно снижается до нуля, обмотка разряжается и заземляется. Освещение машзала включается.

Поочерёдно испытываются все три фазы обмотки статора.

Температура обмотки принимается как среднее значение показаний штатного термоконтроля статора.

Необходимое оборудование.

–  испытательная установка высокого напряжения согласно схеме на рисунке 1.2;

–        секундомер пружинный с ценой деления 0,2 с;

–  разрядно-заземляющая штанга;

Расчёт и выбор испытательного оборудования.

UИСП=19,2 кВ.

Емкость фазы обмотки статора при дух других заземленных,

Сф=0,25 мкФ.

Емкостная мощность фазы,

Sф=2pfCфU2исп10-3,

Sф=2p50×0,25×19,22×10-3=28,95кВА.

Необходим высоковольтный трансформатор (Т2 , рис.1 ) с первичным напряжением 0,4 кВ и вторичным напряжением 19,2 кВ и мощностью не менее 29 кВА.

Выбираем наиболее подходящий испытательный трансформатор типа ОМ-66/35: номинальная мощность Sном=50 кВА, вторичное напряжение максимальное Uвн=35±2×2,5% кВ, первичное напряжение Uнн=0,38 кВ.

Регулирующий автотрансформатор (TUV, рис.1) выбираем мощностью, соответствующей мощности повышающего трансформатора.

Автотрансформатор типа РОТМ-80/0,5. Первичное напряжение 0,38 кВ, номинальная мощность 80 кВА, наибольший первичный ток 420 А, вторичный 364 А.

Измерительный трансформатор напряжения (TV) для испытательного напряжения 19,2кВ выбираем ЗНОМ-20-63У2; кл.0,5.

Вторичный прибор (PV1) -вольтметр переменного тока электромагнитной системы для подключения ко вторичной обмотке трансформатора напряжения (TV) выбираем типа Э515/2 с диапазоном измерения : 0-75-150 В, кл. 0,5.

Киловольтметр (PV2) электростатический выбираем типа С96 с диапазоном измерения : 7,5-15-30 кВ, кл. 1,5.

Шаровой разрядник (FV) выбираем типа MKTWSR на напряжение 8-65,5 кВ. Диаметр шаров 50 мм.

Пробивное напряжение разрядника устанавливается равным 1,1 Uисп . Величина демпфирующего резистора R, смонтированного на разряднике, определяется по допустимой крутизне α фронта перенапряжения, получаемого при пробое разрядника.

, Ом

где

Uисп - максимальное испытательное напряжение частоты 50 Гц, кВ;

Сф - емкость фазы испытуемой обмотки, мкФ;

a=5 кВ/мкс- допустимая крутизна фронта.


Снятие характеристик холостого хода и короткого замыкания

Снятие характеристики трехфазного короткого замыкания (КЗ).

Условие проведения испытаний- закоротки, устанавливаемые при снятии характеристики трёхфазного замыкания, должны быть рассчитаны на длительное протекание номинального тока генератора.

Рис.1 Схема испытательной установки для испытания генератора повышенным напряжением промышленной частоты.

Характеристика КЗ в пределах не менее полуторократного номинального тока статора имеет прямолинейный характер, поэтому достаточно снять 4-5 точек характеристики до 1,1Ia.ном .

Если определение характеристики КЗ генератора не сопровождается изменением его потерь, то поддержание номинальной частоты вращения не обязательно.

Характеристика снимается при постепенном увеличении тока ротора и одновременной записи установившихся значений на каждой ступени тока ротора и тока во всех фазах статора.

Отклонение характеристики КЗ, снятой при испытании, от заводской должно находиться в пределах допустимых погрешностей измерений. Обращается особое внимание на то, чтобы характеристика стремилась к началу координат. В противном случае делаются повторные испытания, и если результат повторяется, то делается предположение о наличии витковых замыканий в обмотке ротора. В этом случае включение машины в работу не допускается.

Необходимые приборы:

Трансформатор тока ТШЛ-10, кл.0,5;Кт=1000.

Амперметры марки А590, кл.0,1, пределы 2,5-5А.

Снятие характеристики холостого хода генератора (ХХ).

Перед подъёмом напряжения на генераторе для снятия характеристики измеряют остаточное напряжение на генераторе при разомкнутой обмотке ротора.

Для снятия характеристики холостого хода генератора производится плавный подъём напряжения до заданной величины при номинальной скорости вращения. Обычно напряжение на генераторе поднимается до 115% от номинального.

Испытательное напряжение, кВ,

UИСП=1,15× UНОМ,

UИСП=1,15× 10,5=12,075.

Во время проведения пусковых испытаний генератора снятие характеристики холостого хода совмещают с проверкой витковой изоляции. Для этого напряжение на генераторе поднимается до напряжения, соответствующего номинальному току ротора, но не ниже 130% номинального напряжения. Продолжительность такого испытания - 5 мин.

Испытательное напряжение, кВ,

UВИ=1,3× UНОМ,

UВИ=1,3× 10,5=13,65.

Снижая напряжение на генераторе, снимают основные точки характеристики. Последняя точка снимается при отключенном токе возбуждения. Всего снимают 10-15 точек примерно на равных интервалах напряжения. Полученную характеристику холостого хода смещают на Di0.

Отсчет показаний приборов производится только при установившихся параметрах одновременно на всех приборах по команде руководителя испытаний или наблюдателя, измеряющего ток ротора. Как отсчет, так и запись показаний приборов производится в делениях шкалы с указанием предела измерения.

После окончания измерений до разбора схемы необходимо построить характеристику и убедиться в отсутствии большого числа сомнительных точек, затрудняющих построение характеристики.



где UНОМ - напряжение при номинальной скорости вращения;

nНОМ - номинальная скорость вращения;

n1 - скорость вращения, при которой производились измерения.

Одновременно со снятием характеристики холостого хода при проведении пуско-наладочных испытаний проверяют симметрию напряжения. Для этого при установившемся режиме, близком к номинальному, измеряются напряжения между тремя фазами. Измерение производится одним вольтметром, что повышает точность измерения. Несимметрия напряжения DU определяется отношением разности между наибольшим UMAX и наименьшим UMIN измеренными напряжениями к среднему его значению линейного напряжения UСР:

Коэффициент несимметричности не должен превышать 5 %.

По характеристике холостого хода определяется ток ротора, соответствующий номинальному напряжению генератора на холостом ходу. Он должен соответствовать расчетному значению. Если ток ротора выше расчетного, то следует искать ошибки в расчетах или монтаже (увеличенный воздушный зазор или неправильная установка ротора по высоте, отклонения в качестве стали).

Измерительная аппаратура и оборудование.

–  вольтметр класса 0,5 или 0,2, подключающийся через «вольтметровый ключ», позволяющий в процессе испытаний быстро переключать вольтметр на другие линейные напряжения;

–        частотомер с пределами 45-55 Гц, а для снятия характеристики холостого хода при пониженной частоте- частотомер с низким пределом измерения 40Гц;

–        милливольтметр класса 0,2, подключенный к штатному или специально установленному в цепи ротора шунту класса 0,2.

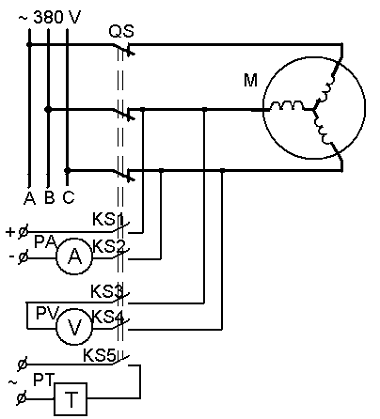
Рис.2 Схема снятие характеристик трехфазного короткого замыкания (КЗ) и холостого хода.

Необходимые приборы :

1. Трансформатор напряжения НОМ-10-66У3: U1=11 В ; U2=100 В; кл. 0,5.

2.       Вольтметры P5015/2 ; пределы измерения 0-150 В ; кл 0,2.

.         Частотомер P577/1 ; с пределами 45-55 Гц; кл 0,5.

. Определение работоспособности промежуточного реле с катушкой из медного провода

Таблица 2.1 - Исходные данные:

Номинальное напряжение реле, Uнр, В

110

Минимальное напряжение срабатывания реле, Uмр, В

100

Сопротивление катушки реле при 20 ºС, R20, Ом

8500

Максимальная температура реле , uм, ºС

85

Номинальное напряжение сети постоянного тока, Uнс, В

110


Минимальное напряжение сети оперативного постоянного тока, при котором схема должна работать, В:

 ;

 .

Минимальный ток срабатывания реле, А:

;

.

Сопротивление обмотки реле при максимальной температуре 85 ºС, Ом: ;

 .

Ток в горячей обмотке реле с сопротивлением 10667 Ом при возможном минимальном напряжении в сети постоянного тока, А :

;

.

Заключение о работоспособности реле.

Iмср = 0,012 А

Iмс = 0,0087 А

Так как ток в обмотке реле в самом тяжёлом режиме Iмс меньше минимального тока срабатывания реле Iмср, то можно сделать вывод о невозможности применения исследуемого реле в данных условиях.

. Выбор реле максимального напряжения и добавочного термостабильного резистора для термокомпенсации

Таблица 3.1 - Исходные данные:

Требуемое напряжение срабатывания реле, Uмср, В

55

Допустимая погрешность срабатывания, %

2

Диапазон изменения температуры реле, ºС

10 - 30


Изменение сопротивления обмотки реле, % ,

 ;


В заданном диапазоне температур сопротивление обмотки реле, а следовательно и напряжение срабатывания изменяются на 8%. Для решения поставленной задачи необходимо применить схему, в которой ток, протекающий через реле не зависел бы от температуры реле.

Выбор реле.

По /2,табл.3-5/ выбираем низковольтное реле РН51/6.4, имеющее следующие характеристики:

·   напряжение срабатывания Uср=6.4 В;

·   сопротивление обмотки реле при 20 ºС R20=2400 Ом.

Все остальное напряжение 55-6,4=48,6 В погасим на сопротивлении резистора, выполненного из температуронезависимого резистивного материала - константана или манганина.

Сопротивление добавочного резистора, Ом ,

 ;

.

Суммарное изменение сопротивления цепи реле с добавленным резистором в заданном диапазоне температур, % ,

.

Так как суммарное изменение сопротивления цепи реле с добавленным резистором, а значит и изменение сопротивления срабатывания реле не превысило 2% - предельно допустимой нормы, то можно сделать вывод о возможности применения рассчитанного реле и резистора в заданном диапазоне температур.

4. Определение начальной температуры обмотки статора электрической машины

Исходные данные:

1

2

3

4

5

Время

t,c

20

40

70

130

200

Перегрев

0C

57,20

54,60

50,90

44,60

31,60

Расчет производится графически (рис 3) и в цифровой форме.

Графический метод: qн =60 0С .

Цифровой метод:

Определяется постоянная времени остывания, Т,с :

 ,

где t - отрезок времени ;

qН - перегрев машины в начале отрезка времени t ;

q - перегрев машины в конце отрезка времени t.

 ;

 ;

с .

За расчетное значение постоянной времени остывания берется среднеарифметическое значение ТСР :

 ;

.

Начальный перегрев машины:

 ;


Начальная температура обмотки статора электрической машины при температуре окружающей среды tОКР = 180С

qОБМ = qН + tОКР ;

qОБМ = 59,88+ 18 = 77,87 0С.

Сопоставив результаты расчетов двух методов, можно говорить о правильности расчетов и о высокой точности графического метода.

Рис. 3. Процесс остывания электрической машины после ее отключения в линейных координатах.

Рис. 4. Схема измерения сопротивления обмотки статора электрической машины непосредственно после ее отключения.

5. Расчет намагничивающей и контрольной обмоток для испытания стали статора

Исходные данные:

Наружный диаметр, dH, M

2,5

Внутренний диаметр, dB, м

1,28

Полная длина спинки статора, l, м

6,0

Ширина вентиляционного канала, lк , м

0,01

Число вентиляционных каналов, n

55

Высота зуба статора, hэ, м

0,21

Коэффициент заполнения стали, к

0,93

Теплоемкость стали, m, кВт×ч/кг×град

-0,0001429


Принимается, что 1/3 мощности расходуется на потери во внешнюю среду на конвекцию и лучеиспускание. Для питания обмоток намагничивания выбирается напряжение 380 В.

Рассчитать:

. Число витков намагничивающей и контрольной обмоток.

. Потребляемый намагничивающей обмоткой ток, активную и полную мощности.

. Скорость нагрева активной стали.

1. Определение массы активной стали статора

Длина спинки:

,

Высота спинки:

,

.

Чистое сечение спинки:

 ,

.

Средний диаметр спинки:

 ,

 .

Масса активной стали статора:

 ,

 .

1. Расчет необходимой мощности.

Требуемая скорость подъема температуры a = 5 0С/ч. Необходимая для этого мощность:

,

.

Для получения необходимой мощности нужно создать в стали активные потери:

,

.

Определяется значение индукции для создания удельных потерь р0 = 1,072 Вт/кг /1,таблица и рис.3/

В = 0,79 Тл.

1. Расчет числа витков намагничивающей обмотки.

Если включить намагничивающую обмотку на линейное напряжение сети собственных нужд 380 В, то потребуется следующее число витков:

 ,

 .

Выбираем один виток W=1. При этом индуктивное сопротивление намагничивающей обмотки неизбежно уменьшится против расчетного значения, ток намагничивания и индукция - увеличатся.

 ,

 .

что на 6,7% больше вычисленного ранее значения индукции. При В = 0,843 Тл нагрев будет происходить несколько быстрее, но в данном случае иного выхода нет.

1. Потребляемые ток и мощность

Для создания индукции В = 0,843 Тл по графику /1, рис.3/ определяем требуемые удельные ампер-витки:w0 = 112 А-в/м

Полные ампер-витки:

 ,

 ,

При одном витке W = 1 ток намагничивания численно равен ампер-виткам :

I = AW / W ,

I = 739 /1 = 739 A .

Полная мощность намагничивающей обмотки:

S = I×U ,

S = 739 × 380 = 280,82 кВА .

Активная мощность при индукции В = 0,843 Тл вычисляется по величине удельных потерь /1, рис.3/ р0 = 1,16 Вт/кг :


Р = р0 × G ,

Р = 1,16 × 104340,6 = 121 ,04кВт .

Коэффициент мощности схемы намагничивания:

 ,

 ,

Кабель для обмотки намагничивания, исходя из допускаемой в данном случае плотности тока j = 2,0 А/мм2 , должен быть сечением не менее:

 ,

Расчет контрольной обмотки.

Учитывая, что напряжение на контрольной обмотке при равном числе витков с намагничивающей обмоткой будет близким к напряжению 380 В , выбираем для контрольной обмотки один виток WК = 1, ЭДС контрольной обмотки при индукции в статоре В = 1 Тл определяется:

 ,


Добавочный резистор R (рис. 5.1) для вольтметра 300 В, 150 дел. и внутренним сопротивлением RВ = 30 кОм выбирается таким образом, чтобы при 450,7 В (соответствует В=1 Тл) его показания были бы равны 100 делениям:

 ,

 .

Необходимые приборы :

1. Трансформатор тока И509, I1=5-1000A, I2=5A,кл.0,2.

2.       Амперметр Д180, кл.1,5

.         Ваттметр Д365, диапазон измерений 1-3×107 кВт, кл.1,5.

.         Вольтметры Э316, диапазон измерений 15-300-600 В, кл.1,0.

Рис. 5. Схема индукционного нагрева статора генератора намагничиванием стали статора.

Заключение

Обеспечение нормальной эксплуатации электрооборудования во многом зависит от правильно выбранного режима работы и своевременного выявления и устранения тех или иных дефектов как заводских, так и возникших в эксплуатации. Все это может быть осуществлено путем своевременного проведения тщательных испытаний и обследований.

В ходе курсовой работы были рассмотрены вопросы проведения технологических испытаний оборудования в объёме, предусмотренном ПТЭ и нормами испытания электрооборудования.

Были рассмотрены принципы составления программы испытаний турбогенератора ТВФ-110-2:

–  испытание изоляции обмотки статора повышенным напряжением промышленной частоты;

–  испытание изоляции обмотки статора повышенным выпрямленным напряжением;

–        снятие характеристики холостого хода и короткого замыкания.

статор генератор напряжение

Библиографический список


1.   Хагемейстер Е. А. Испытания активной стали статора генератора. Методические указания . К.: КПИ, 1988.

2.       Справочник по наладке электрооборудования электрических станций и подстанций / Под. ред. Э.С. Мусаэляна - М.: Энергоатомиздат, 1984.

.         Мусаэлян Э.С. Наладка и испытания электрооборудования электрических станций и подстанций. - М.: Энергоатомиздат, 1986.

.         Неклепаев Б.Н., Крючков И.П.Электрическая часть электростанций и подстанций: Справочные материалы для курсового и дипломного проектирования :Учеб. пособ для вузов.-4-е изд.,перераб. и доп.М.:Энергоатомиздат,1989 .

Похожие работы на - Послеремонтные приемно-сдаточные испытания турбогенератора ТВФ-110-2

 

Не нашли материал для своей работы?
Поможем написать уникальную работу
Без плагиата!
Без нейросетей!