Основные параметры тепловой схемы ТЭЦ, характеризующие ее работу в расчетном режиме работы
АННОТАЦИЯ
Необходимо определить основные параметры
тепловой схемы ТЭЦ характеризующие ее работу в расчетном режиме работы.
Построить в h-s диаграмма процесс расширения пара в проточной части турбины.
Давления пара в отборах на регенерацию выбрать из условия оптимального
распределения подогрева воды по ступеням. Выбрать основное и вспомогательное
оборудование. Составить таблицу расчетных параметров.
Расчетная часть проекта включает несколько
разделов:
. Графики тепловых нагрузок
. Выбор типа, числа и мощности турбин
устанавливаемых на ТЭЦ
. Выбор производительности и числа
энергетических и пиковых водогрейных котлов
. Расчет тепловой схемы ТЭЦ
. Выбор вспомогательного оборудования ТЭЦ
Расчетно-пояснительная записка содержит 20
таблиц, 12 рисунков, 41 лист и 41 страница. Графическая часть курсового проекта
включает принципиальную тепловую схему ТЭЦ, процесс расширения пара в турбине в
h-s диаграмме на формате А1.
ВВЕДЕНИЕ
Электрическую энергию производят на
электрических станциях, использующих различные виды природной энергии.
Основными являются тепловые электрические станции на органическом топливе
(ТЭС).
Паротурбинные электростанции, вырабатывающие
один вид энергии - электрическую, оснащают турбинами конденсационного типа и
называют конденсационными электростанциями (КЭС). Эти станции называют
сокращенно ГРЭС (государственные районные электрические станции). На
электростанциях, вырабатывающих и отпускающих два вида энергии - электрическую
и тепловую, устанавливают паровые турбины с конденсацией и регулируемыми
отборами пара, частично - турбины с противодавлением. Такие тепловые
электростанции называют теплоэлектроцентралями: на органическом топливе - ТЭЦ,
на ядерном топливе-АТЭЦ.
На ТЭЦ и АТЭЦ осуществляют комбинированное
производство и отпуск двух видов энергии - электрической и тепловой.
Централизованное теплоснабжение потребителей с использованием отработавшей
теплоты турбин и выработкой электроэнергии на базе теплового потребления
называют теплофикацией. Турбины соответствующего типа называют теплофикационными.
Тепловая электрическая станция, ее оборудование
и технологические схемы должны удовлетворять ряду технических и экономических
требований.
Надежное и бесперебойное энергоснабжение
потребителей в соответствии особенно важно для снабжения электрической
энергией, так как производство и потребление ее осуществляются практически
почти одновременно. Электроэнергия не запасается и не хранится на складах.
Ведутся работы по созданию накопителей электроэнергии. Показатели качества
энергии (частота, напряжение электрического тока, давление и температура пара и
воды) должны удовлетворять установленным нормам.
Должны безусловно обеспечиваться требования
безопасности, нормальных условий труда персонала, а также охраны окружающей
среды, включающие требования противопожарной безопасности.
Экономические требования заключаются в снижении
первоначальных затрат (капиталовложений) и эксплуатационных расходов (издержек
производства). Такое снижение должно выполняться в результате рационального
конструирования оборудования и проектирования ТЭС в целом, индустриализации
строительства и монтажа.
1. ГРАФИКИ ТЕПЛОВЫХ НАГРУЗОК
.1 Построение графика изменения сезонной
нагрузки ТЭЦ от температуры наружного воздуха и по продолжительности
. Расчет максимального расхода тепла на отопление,
вентиляцию и горячее водоснабжение по укрупненным показателям
Теплофикационная нагрузка ТЭЦ
включает расход тепла на отопление
, вентиляцию
и горячее
водоснабжение
:
(1.1)
Заданием на курсовой проект
предусматривается расчет теплофикационной нагрузки по укрупненным показателям.
Поэтому, суммарная расчётная (максимальная) нагрузка определяется по формуле:
(1.2)
где
- число жителей в жилом массиве,
чел;
- максимальный расход теплоты на
одного жителя при расчётной наружной температуре воздуха, кВт. В расчёте
В соответствии с заданием суммарное
количество теплоты на отопление и вентиляцию:
(1.3)
Из последних соотношений следует,
что:
(1.4)
. Расчет расхода тепла на отопление,
вентиляцию и горячее водоснабжение в характерных точках графика (
={8, -7} ºС).
Отопительная нагрузка относится к
категории сезонных и изменяется, главным образом, от температуры наружного
воздуха. Текущее значение величины отопительной нагрузки определяется из
соотношения:
(1.5)
где
- относительный расход теплоты на
отопление;
- расчётная температура внутри
помещения (при отсутствии перечня зданий, принимают равной 18), ºС;
- текущее значение температуры
наружного воздуха, ºС;
- расчётная температура наружного
воздуха для проектирования систем отопления ( для города Бердянска, равна -19), ºС.
Вентиляционная нагрузка, так же как
и относительная, относится к категориям сезонных. Изменение вентиляционной
нагрузки в зависимости от температуры наружного воздуха определяется по формуле
(1.6)
где
- расчётная температура наружного
воздуха для проектирования систем вентиляции (для города Бердянска, равна -7), ºС.
Так как нагрузка горячего
водоснабжения сохраняется на одном уровне в течение года и несколько уменьшается
летом, то в соответствии с методическим указаниям можно принять, что
(1.7)
Определим расход тепла на отопление
и вентиляцию в характерных точках графика в соответствии с приведенными
формулами (1.5) и (1.6):
а) при значении температуры
наружного воздуха 8 оС
Моментом включения отопления осенью
и его отключения весной считается устойчивое значение
(не менее
трёх суток подряд). Этому значению температуры наружного воздуха соответствует
минимальный расход теплоты:
,
.
б) при значении температуры наружного
воздуха -7 оС, при этой температуре происходит «перелом» графика суммарной
тепловой нагрузки, поэтому
,
.
. Определение годовых расходов
теплоты.
Средний расход теплоты за
отопительный период, по средней температуре наружного воздуха
= 0,0 оС
(для города Бердянска):
а) для системы отопления:
(1.8)
.
б) для системы вентиляции:
(1.9)
.
Годовые расходы теплоты:
а) на отопление:
(1.10)
где
- продолжительность отопительного
периода (для города Киева - 167 суток).
б) на вентиляцию:
(1.11)
где z - продолжительность работы
системы вентиляции за сутки, час. Для административных и общественных зданий
при отсутствии данных z = 16 час.
в) на горячее водоснабжение:
(1.12)
где 350 - продолжительность работы
систем горячего водоснабжения в году, сут.
.
Суммарный расход теплоты отпускаемой
ТЭЦ за год:
(1.13)
.
Годовое число часов использования
максимума отопительной нагрузки определяется соотношением:
(1.14)
. Построение графика изменения
сезонной нагрузки ТЭЦ от температуры наружного воздуха и по продолжительности.
Используя выше приведенные расчетные
данные, а также информацию о длительности стояния температуры наружного воздуха
(таблица 1.1), построим график изменения сезонной нагрузки ТЭЦ от температуры
наружного воздуха и по продолжительности - рисунок 1.1.
Таблица 1.1- Длительность стояния
температуры наружного воздуха
|
Населённый
пункт
|
Число
часов за отопительный период со среднесуточной температурой, t , °С, наружного воздуха, час
|
|
-30
|
-25
|
-20
|
-15
|
-10
|
-5
|
0
|
5
|
8
|
|
Бердянск
|
-
|
9
|
35
|
142
|
452
|
832
|
2189
|
2837
|
4032
|
1.2 Построение диаграммы режимов
теплофикационной установки
При построении температурного
графика принимаем, температурный график сетевой воды
=150/70
(оС), в соответствием с методическим указанием.
При tн = tвр = 18 оС наступает
тепловое равновесие между температурой внутри помещения и окружающей средой.
Оба тепловых графика, таким образом, исходят из одной точки с осями абсцисс и
ординат, равными +18 оС.
Температура воды, поступающей на
горячее водоснабжение, равна обычно ≈ 70 оС, поэтому температура прямой
сетевой воды не может быть ниже указанных цифр. Остается постоянной и
температура обратной сетевой воды. С этого момента регулирование подачи горячей
воды на отопление и вентиляцию осуществляется пропусками.
На ТЭЦ осуществляется
многоступенчатый подогрев сетевой воды. Обязательной ступенью подогрева, а в
ряде случаев и двумя является подогрев воды в основном сетевом подогревателе
(ОСП). Греющий пар - пар теплофикационного отбора. Давление этого пара Рот =
(0,05
0,25) МПа
определяет возможное значение температуры сетевой воды на выходе из
подогревателя
, т. е.
(1.15)
где
- температура насыщения при
давлении
МПа;
- температурный напор на выходе из
ОСП, принимают - 8 оС.
Составим таблицу зависимости
температуры сетевой воды на выходе из подогревателя от давления греющего пара
перед подогревателем.
Таблица 1.2- Таблица зависимости Рот
от
|
Рот,
Мпа
|
0,25
|
0,22
|
0,20
|
0,18
|
0,16
|
0,14
|
0,12
|
0,10
|
0,08
|
0,06
|
|
,
оС118,07113,76110,6107,15103,3599,1194,2988,6981,9373,32
|
|
|
|
|
|
|
|
|
|
|
С помощью таблицы 2 и диаграммы режимов работы
(рисунок 1.2), можно определить при заданном давлении греющего пара:
максимально возможный подогрев прямой сетевой воды, температуры обратной
сетевой воды и наружного воздуха, максимально возможную нагрузку ОСП,
длительность стояния температур наружного воздуха.
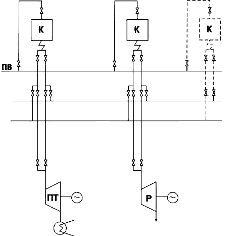
2. ВЫБОР ТИПА, ЧИСЛА И МОЩНОСТИ ТУРБИН,
УСТАНАВЛИВАЕМЫХ НА ТЭЦ
В задании на проектирование задаётся
промышленная тепловая нагрузка в виде пара (
), а по величине жилмассива
определяется теплофикационная нагрузка (см. раздел 1) в виде горячей воды.
Организация отпуска от ТЭЦ двух видов энергии, электроэнергии и теплоты,
требует использования теплофикационных турбин с регулируемыми отборами пара.
Заданием на выполнение курсового
проекта предусмотрено, что за счёт отборов турбин на ТЭЦ покрывается 50%
расчётной нагрузки на отопление, вентиляцию и горячее водоснабжение, т.е.
Тогда
где
- число типов турбин на ТЭЦ с
теплофикационными отборами;
- соответственно число однотипных
теплофикационных турбин и тепло отборного пара.
По приведенным данным в методическом
руководстве к данной курсовой работе произведем выбор возможных вариантов
компоновки турбинного отделения исходя из тепловых нагрузок теплофикационного и
промышленного отборов. При этом учтем, то чтобы выбранная нагрузка была не
более 15 % и не менее 5 % от расчетной /6/.
Таблица 2.1-Варианты компоновки
турбинного отделения для
и
|
№
|
Тип
турбины
|
Количество
|
% %
|
|
|
|
|
1
|
ПТ-135-130
|
1
|
227,4
|
-
|
140,49
|
-
|
|
Р-100-130
|
2
|
49,3∙2
|
-
|
-
|
-
|
|
-326,0+
4,0140,49+ 53,74
|
|
|
|
|
|
|
2
|
ПТ-60-130
|
1
|
100,0
|
-
|
65,14
|
-
|
|
Р-50-130
|
1
|
239,6
|
-
|
-
|
-
|
|
-339,6+
0,1465,14+0,25
|
|
|
|
|
|
Особенностью компоновки I варианта турбинного
отделения является снижение удельных затрат при укрупнении агрегата, чем при
установке двух агрегатов половинной мощности. Но при том снижается надежность и
увеличивается коэффициент аварийности (/12/, стр. 30). При выборе варианта II ,
мы увеличиваем капитальные вложения на установку выбранных агрегатов, но при
этом повышаем маневренность блока и увеличиваем коэффициент готовности, снижая
коэффициент аварийности. Вариант II также наиболее близок по выбираемым
показателям, чем вариант I.
Таблица 2.2- Показатели отборов турбин /7, 11/
|
Наименование
параметров и характеристик регулируемых отборов
|
ПТ-60-130
|
Р-50-130
|
|
Расход
острого пара, т/ч, (кг/с)
|
350
(97,222)
|
373
(103,611)
|
|
Расход
пара в отбор, кг/с
|
|
-
промышленный
|
38,89
|
93,06
|
|
-
теплофикационный
|
27,78
|
-
|
|
Давление
отборного пара, МПа
|
|
-
промышленный
|
1,3
|
1,3
|
|
-
теплофикационный
|
0,25
|
-
|
|
Температура
отборного пара, °С
|
|
-
промышленный
|
280
|
280
|
|
-
теплофикационный
|
150
|
-
|
|
Энтальпия
отборного пара, кДж/кг
|
|
-
промышленный
|
2997
|
2993
|
|
-
теплофикационный
|
2763
|
-
|
|
Тепло,
отданное отборным паром, МВт
|
|
-
промышленный
|
100,0
|
239,6
|
|
-
теплофикационный
|
65,14
|
-
|
3. ВЫБОР ПРОИЗВОДИТЕЛЬНОСТИ И ЧИСЛА
ЭНЕРГЕТИЧЕСКИХ И ПИКОВЫХ ВОДОГРЕЙНЫХ КОТЛОВ
Основные положения выбора котлоагрегатов для
руководства в процессе проектирования сводятся к следующему:
. Производительность и число энергетических
котлов выбирается с учётом требований “Норм технологического проектирования ТЭЦ
и тепловых сетей”.
. Шкала производительности и параметры пара
должны приниматься исходя из соответствия их выбранным турбинам.
. При выборе типа энергетических котлоагрегатов,
помимо производительности и начальных параметров, необходимо учитывать следующие
обстоятельства:
а) барабанные котлы менее требовательны к
качеству питательной воды, чем прямоточные. Поэтому на ТЭЦ при больших потерях
рабочего пара и при неблагоприятном качестве исходной воды, первые
предпочтительнее вторых;
б) прямоточные котлы дешевле барабанных, они
более гибки в эксплуатации, что важно при резко переменном графике работы
станции.
. На ТЭЦ при выборе типа котлов исходят из
принципа секционирования, при котором каждый турбоагрегат обслуживается одним
или двумя котлами. Их номинальная производительность должна быть равна или
несколько превышать максимальный расход пара на турбину и вспомогательное
оборудование. Резервные котлоагрегат включается так, что он может заменить
любой рабочий в каждой секции.
. Для снижения затрат на сооружение и
эксплуатацию станции желательна установка меньшего числа наиболее крупных
энергетических котлоагрегатов.
. Для покрытия пиковых тепловых нагрузок чаще
всего используются водогрейные котлы типа ПТВ (пиковый теплофикационный
водогрейный) и КВГМ (котёл водогрейный газомазутный).
Для выбора котлов приведем данные по капитальным
вложениям при строительстве теплоэлектроцентралей в таблице 1. Данные взяты из
методического руководства к выполнению курсовой работы по «Внутрифирменному
менеджменту» /13/.
Таблица 3.1 - Капитальные вложения по
теплоэлектроцентралям, отнесенные на один энергетический котел (топливо - газ,
мазут), млн. грн
|
№
|
Тип
парогенератора
|
Заводская
марка
|
Номинальная
паро-производительность, т/ч
|
Первый
агрегат
|
Последующий
агрегат
|
|
1
|
Е-320-140ГМ
|
БКЗ-320-140ПУ-5
|
320
|
9,75
|
6,48
|
|
2
|
Е-420-140нГМ
|
БКЗ-420-140НГМ-3
|
420
|
10,7
|
7,46
|
|
3
|
Е-480-140ГМ
|
ТГМ-96/Б
|
480
|
13,38
|
10,56
|
Опираясь на приведенные данные в таблице 3.1,
взятые из /11/, произведем выбор энергетических котлов для наших условий, -
общий номинальный расход острого пара составляет величину равную 352,61 + 373 =
725,61 (т/ч) . В таблице 3.2 приведем капитальные вложения при строительстве
котельного отделения и запас резерва по пару работающих котлов в возможных
вариантах его компоновки.
Таблица 3.2 - Варианты компоновки котельного
отделения по капитальным вложениям
|
№
|
Тип
парогенератора
|
Номинальная
паро- производительность, т/ч
|
Количество
{необходимых + резервный} котлов, шт
|
%
резерва по пару
|
Затраты,
млн. грн
|
|
1
|
Е-320-140ГМ
|
320
|
3+1
|
+
24,41
|
35,67
|
|
2
|
Е-420-140нГМ
|
420
|
2+1
|
+
13,61
|
33,08
|
|
3
|
Е-480-140ГМ
|
480
|
2+1
|
+24,41
|
34,50
|
Выбираем вариант компоновки котельного отделения
- 2, исходя из минимального капиталовложения. При выборе котлов также определим
схему подключения котла к турбине - схему главного паропровода. В данном случае
выбранный тип котла способен обеспечить по нагрузки ( 420 т/ч) одну турбину
типа ПТ (352,61т/ч) или Р (373 т/ч) при номинальной нагрузки, так и при
максимальной имея при этом еще хороший запас по пару, в результате чего котлы
будут немного недогружены. В связи с этим выбираем схему главного паропровода
секционного типа. При этом резервный котлоагрегат включается так, что он может
заменить любой рабочий в каждой секции (см. рисунок 3.1).
Рисунок 3.1 - Принципиальная схема главного
паропровода
Так как часть теплофикационной нагрузки
покрывается за счет пиковых водогрейных котлов, то для этой части нагрузки -
64,98 МВт, выбираем три котла типа ПТВМ-50, характеристика которого приведена в
таблице 3.3.
Таблица 3.3 - Характеристика водогрейного котла
(топливо - мазут)
|
Наименование
|
ПТВМ-30
|
|
Расчетная
производительность, МВт
|
40,7
|
|
Расчетный
расход воды, кг/c
|
122
|
|
Расчетная
температура воды, °С
|
|
|
-
на входе
|
70
|
|
-
на выходе
|
150
|
|
Перепад
давления воды, МПа
|
0,17
|
|
КПД,
%
|
88,0
|
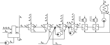
4. РАСЧЕТ ТЕПЛОВОЙ СХЕМЫ ТЭЦ
.1 Исходные данные для расчета тепловой схемы
После выбора основного оборудования перейдем к
расчету тепловой схемы. Для этого выберем турбину ПТ-60-130 и произведем расчет
ее тепловой схемы, исходные данные которой приведены ниже.
Исходные данные:
1. Электрическая мощность турбины
.
. Начальные параметры пара /10, стр.
37 и 346/: ро = 12.75 МПа, to = 565 оС (io = 3512,96 кДж/кг), давление перед
сопловыми сегментами, с учетом дросселирования в паропроводящих органах (5 %
или ∆р = 0,6375 МПа).
. Давление в конденсаторе - 0,006
МПа.
. Схема отпуска теплоты с ТЭЦ:
а) технологический пар из
промышленного отбора в количестве 100 МВт, с давлением рп =1,386 МПа, возврат
конденсата 100 %;
б) теплофикационная нагрузка
составляет 134,93 МВт. Теплофикационная установка на ТЭЦ включает в себя один
основной сетевой подогреватель и пиковый водогрейный котел, где в период работы
системы отопления вода догревается до 150 оС.
. Температурный график сети 150/70
оС..
. Температура питательной воды - 242
оС.
. Коэффициент продувки
парогенератора αпр = 2,0 %
от расхода пара из парогенератора (брутто).
. Внутристанционные потери
конденсата (условно приняты из деаэратора) αут = 1,6 % от расхода пара на
турбину.
. Коэффициент расхода пара на
собственные нужды котельного отделения
= 1,1 % от расхода пара из ПГ
(нетто).
. Коэффициент расхода на собственные
нужды машзала
= 1,2 % от
расхода пара на турбину.
. Схема использования теплоты
продувочной воды парогенератора: двухступенчатый сепаратор и подогрев химически
очищенной воды в поверхностном теплообменнике.
. Схема приготовления добавочной
воды парогенератора - химводоочистка.
. Температура ХОВ - tхов = 30 оС.
. Подогрев воды в сальниковом и
эжекторном подогревателях принять равным
= 15 оС.
. Недогрев воды в подогревателях
высокого давления
= 5 оС, а в
подогревателях низкого давления
= 3 оС.
. КПД теплообменников
= 0,98.
. КПД электромеханический
= 0,98.
. Температура продувочной воды после
второй ступени расширителя, сливаемая в техническую канализацию, на выходе из
подогревателя ХОВ составляет 60 оС.
.2 Построение процесса расширения
пара в проточной части турбины в h-S диаграмме
Для определения параметров пара и
конденсата в основных точках тепловой схемы ТЭЦ строится процесс расширения
пара в проточной части турбины. Значение относительных внутренних КПД цилиндров
высокого, среднего и низкого давления турбины, то есть h0iЧВД; h0iЧСД; h0iЧНД; соответственно -
0,791; 0,912; 0,747, принятые в соответствии с рекомендациями методического
указания - /11/. Так же принимаем значения регулируемых и нерегулируемых
отборов в соответствии с рекомендациями /4, 11 и 14/. Используя вышеприведенные
данные построим процесс расширения пара по цилиндрам:
) ЦВД - от ро до рпп;
) ЦСД - от рпп до рот;
3) ЦНД - от рот до рк.
ЧВД - от давления перед стопорным клапаном
турбины к давлению в промышленном отборе. Потери давления в стопорных и
регулировочных клапанах принимаются 5%, в паропроводах отборного пара 8 %.
При ро=12,75 МПа и to= 565 оС io=3512,96 МДж/кг;
р’о=0,95·ро=0,95·12,75=12,113 МПа.
При рп=1,386 МПа адиабатическая энтальпия iпа=
2894,79 МДж/кг; тогда
п = io - h0iЧВД · (io - iпа)
= 3512,96 - 0,791·(3512,96 - 2894,79) = 3023,99 МДж/кг.
ЧСД - от давления в промышленном отборе к
давлению в теплофикационном отборе. Дросселирование в регулировочных органах
промышленного отбора принимаю 5% от давления промышленного отбора.
При рп= 1,386 МПа и iп= 3023,99 МДж/кг tп=
292,13 оС; р’п= 0,95·рп= 0,95·1,386= 1,317 МПа.
При рот= 0,263 МПа адиабатическая энтальпия
iота= 2685,10 МДж/кг; тогда
от = iп - h0iЧСД · (iп - iота)
= 3023,99 - 0,912 · (3023,99 - 2685,10) = 2714,92 МДж/кг.
ЧВД - от давления в отопительном отборе к
давлению в конденсаторе. Потери давления в регулировочных органах принимаю 5%
от давления отопительного отбора.
При рот= 0,263 МПа и iот= 2714,92 МДж/кг tп=
127,39 оС; р’от=0,95·рот=0,95·0,263=0,25 МПа. При рк=0,0060 МПа адиабатическая
энтальпия iка= 2170,61 МДж/кг; тогда
к = iот - h0iЧНД · (iот - iка)
= 2714,92 - 0,747·(2714,92 - 2170,61) = 2308,32 МДж/кг.
Процесс расширения пара в h-S диаграмме для турбины
типа ПТ-60-130 представленный на рисунке 4.1. Параметры рабочего тела в
основных елементах схемы регенеративного подогрева питательной воды приведены в
таблице 4.1.
.3 Распределение регенеративного подогрева
питательной воды по ступеням и определения давлений и энтальпий пара в отборах
Воспользуемся одним из приближенных методов
распределения регенеративного подогрева питательной воды приведенного в /4,
стр. 48/. Одним из которых является метод равномерного распределения интервала
подогрева между ступенями.
При расчете схемы необходимо найти значение
давлений в нерегулированных отборах. При известных значениях температур
питательной воды tПВ и температуры конденсата tК (определяется по давлению в
конденсаторе рК), определяется интервал регенеративного подогрева (tПВ - tК)
при количестве регенератных отборов равным n, данный интервал разбивается на n
равных частей. С учетом подогрева конденсата в охладителе уплотнений ОУ и
охладителе эжекторов ОЭ (сальниковом и эжекторном подогревателях) общий
интервал подогрева уменьшается на величину DtОУ+ОЭ.
Тогда подогрев конденсата в каждой ступени
подогревателя низкого давления - ПНД составит
(4.1)
А подогрев питательной воды в каждой
ступени подогревателя высокого давления - ПВД
(4.2)
где tД - температура питательной
воды на выходе из деаэратора, оС;К - температура конденсата на выходе из
конденсатора, оС;ОУ+ОЭ - повышение температуры конденсата в охладителе
уплотнений и охладителе эжекторов, оС.ПВ - температура питательной воды, оС;
nПНД, nПВД - соответственно, количество
подогревателей низкого и высокого давления.
ПНД:
) от температуры воды после конденсатора до
температуры конденсата отбора пара, при давлении в подогревателе 0,242, см.
таблицу 4.1

;
По известной величине подогрева в ступени
определяют давление в соответствующем регенератном отборе. Для этого находится
температура насыщения пара отбора. Для ПНД
ПНД7 = tК + DtОУ+ОЭ + Dt(7-5)ПНД + q;ПНД6 = tПНД7 + Dt(7-5)ПНД; (4.3)ПНД5
= tПНД6 + Dt(7-5)ПНД;ПНД4
= tПНД5 + Dt(4-Д)ПНД;
где tПНД4, tПНД5, tПНД6, tПНД7 - температура
насыщения греющей пара, соответственно 4, 5, 6 и 7 регенеративного отбора
низкого давления, считая от деаэратора;
q - подогрев конденсата к температуре насыщения
пара регенератного отбора.
ПНД7 = 36,2 + 15 + 24,05 + 3 = 75,25оС;ПНД6 =
75,25 + 24,05 = 99,30 оС;ПНД5 = 99,30 + 24,05 = 123,35 оС;ПНД4 = 123,35 + 17,74
= 141,09 оС.
Аналогично для ПВД
ПВД3 = tД + DtПВД + q;ПВД2
= tПВД3 + DtПВД; (4.4)ПВД1
= tПВД2 + DtПВД
где tПВД1, tПВД2, tПВД3 - температура насыщения
греющего пара, соответственно первого, второго и третьего регенеративного
отбора высокого давления, считая от котла.
ПВД3 = 158,83 + 26,807 +5 = 188,39 оС;ПВД2 =
188,39 + 26,807 = 215,19 оС;ПВД1 = 215,19 + 26,807 = 242,00 оС.
Зная температуры насыщения, по таблицам свойств
воды и водяного пара находят давление регенеративных отборов и на h-S диаграмме
процесса расширения пары находят точки пересечения изобар отборов с
действительным процессом расширения пара в турбине, а по ним - энтальпии пара
соответствующих регенеративных отборов. Значение энтальпий пара, питательной
воды, конденсата заносят в таблицу 4.1.
Полученные данные позволяют перейти к следующему
этапу расчета схемы.
.4 Расчет сетевой подогревательной установки
Подогрев сетевой воды осуществляется в основном
сетевом подогреватели, а затем в пиковом водогрейном котле при низких внешних
температурах.
. Расход сетевой воды, определяется по формуле
(4.5)
где QТ мах - теплофикационная
нагрузка ТЭЦ, кВт;
t10
t20 -
расчетные температуры сетевой воды в подающем и обратном трубопроводе
соответственно, оС (согласно температурного графика);
СВ - средняя теплоемкость воды,
кДж/(кг·оС).
. Тепловая нагрузка отопительного
отбора /11/
(4.6)
3. Тепловая нагрузка пикового водогрейного котла
(4.7)
(ПВК - ПТВМ-30, см. таблицу 3.3)
. Расход пара на сетевой
подогреватель /11/
.
.5 Предварительное определение
расхода пара на турбину
Общий расход пара на турбину
определяется по формуле
ДТ = Кр(
+ уПДП +
уСПДНС ) (4.8)
где NЭ - номинальная электрическая
мощность турбины, кВт;- полезно использованный теплоперепад в турбине, кДж/кг;
hМ,
hГ -
соответственно механический КПД турбины и электрический КПД генератора;
уП,, уСП - соответственно,
коэффициенты недовыработки мощности паром промышленного отбора и отбора
основного сетевого подогревателя
, (4.9)
где hОТ - энтальпия пара
соответствующего отбора, кДж/кг (промышленного или отопительного);, hК -
соответственно энтальпия пара на входе в турбину и при давлении в конденсаторе,
кДж/кг;
ДП, ДСП - соответственно, расходы
пара промышленного отбора или отопительного отборов, кг/с;
КР - коэффициент регенерации, что
учитывает увеличение расхода пара на турбину в результате регенератного
подогрева питательной воды. /11/
Для турбины Р-50-130: Nэ = 50000
кВт; Нi = 519,96 кДж/кг /11/. Тогда
Для турбины ПТ-60-130:э = 60000 кВт;
Нi = 1205 кДж/кг (таблица 4.1).
;
ДСП = 27,78 (кг/с), ДП =
Тогда
Полученные значения практически соответствуют,
выше принятым по /7/, поэтому выбор основного оборудования произведен верно
(что подтверждают полученные значения). Поэтому можно перейти к дальнейшему
расчету тепловой схемы.
.6 Определение расходов пара с котла и
питательной воды
. Расход пара с котла нетто
, кг/с (4.10)
где ДТ - расход пара на турбину,
кг/с;
ДРОУ - расход свежей пара на РОУ,
кг/с (равно 0);
- расход свежего пара на
собственные нужды машзала, кг/с
= 1,2/100 · Дт = 0,012 · 99,491 =
1,194 (кг/с).
ДКНТ = 99,491 + 0 + 1,194 = 100,685
(кг/с).
. Производительность котла брутто
ДКБР= ДКНТ +
, кг/с (4.11)
где
= aксн · ДКНТ - затрата свежей пара на собственные
потребности котла, кг/с;
aксн
- коэффициент затраты пара на собственные потребности котла.
= 0,011 · 100,685 = 1,108 (кг/с);
ДКБР = 100,685 + 1,108 = 101,793
(кг/с).
. Расход питательной воды
ПВ= ДКБР + GПР, кг/с (4.12)
где GПР=aпр ·ДКБР - расход продувочной
воды котла, кг/с;
aпр
- коэффициент продувки.ПР= 0,02 · 101,793 = 2,036 (кг/с);ПВ= 101,793 + 2,036 =
103,829 (кг/с).
.7 Тепловые и материальные балансы
элементов тепловой схемы
. Расчёт сепараторов непрерывной
продувки котла.
Рисунок 4.3 - Схема сепараторов
продувки котла
, 2 - I-я и II-я ступени расширителя;
- охладитель продувки (подогреватель
ХОВ).
Количество пара из I-й ступени
расширителя:
(4.13)
где
- энтальпия кипящей воды при
давлении в барабане
(
);
- теплота парообразования при
Расход продувочной воды на выходе из
расширителя:
Для II-й ступени:
(4.14)
Количество сливной воды:



. Расход ХОВ для восполнения
внутренних и внешних потерь в цикле станции.
. Температура химически очищенной
воды после охладителя непрерывной продувки.
(4.15)
.8 Расчёт регенеративной схемы
. Определение расходов пара на ПВД
Расчёт схемы начинают с 1-го от
котла ПВД расход греющего пара из регенеративного отбора на подогреватель
определяют из уравнения теплового баланса подогревателя, принимая, что пар
отбора конденсируется без переохлаждения конденсата. Составляем схему
подогревателя со всеми входящими и выходящими потоками пара, конденсата,
питательной воды или изображается группа подогревателей.
Рисунок 4.4 - Схема потоков пара и
воды через ПВД
Расход пара на ПВД1:
(4.16)
- энтальпии греющего пара и
конденсата подогревателя ПВД1.
Аналогично для ПВД2:
(4.17)
Для расхода Д3 сначала определяют
энтальпию питательной воды на входе в ПВД3, с учётом её повышения в питательном
насосе, в связи с ростом давления воды от давления в деаэраторе до давления
после насоса.
Учитывая, что tд = 158,83 оС,
находим средний удельный объём воды в насосе
Тогда увеличение энтальпии
питательной воды в насосе:
Тогда энтальпия питательной воды на
входе в ПВД3:
Расход пара на ПВД3:
2. Расчет деаэратора 0,6 МПа
При расчёте деаэратора обычно неизвестными являются
два потока: поток греющего пара на деаэратор и поток основного конденсата
турбины Дд, Дкд.
Рисунок 4.5 - Схема потоков через
деаэратор
Для нахождения неизвестных значений
используют уравнения теплового и материального балансов деаэратора.
(4.18)
Решая совместно эти два уравнения,
находим расходы пара на деаэратор и расход конденсата турбины:
. Расчет деаэратора добавочной воды
0,118 МПа
При расчёте деаэратора обычно
неизвестными являются два потока: поток греющего пара на деаэратор и поток воды
на выходе из деаэратора
.
Рисунок 4.6 - Схема потоков через
деаэратор
Для нахождения неизвестных значений
используют уравнения теплового и материального балансов деаэратора.
(4.19)
4. Определение расходов пара на ПНД
Рис.4.7 - Схема потоков воды и пара через ПНД
Расход пара на ПВД4:
(4.20)
Расход пара на ПВД5:
(4.21)
На основании материального баланса определяется
расход пара поступающего в конденсатор турбины.
(4.22)
Расход воды через ПНД7:
(4.23)
Составим уравнение теплового баланса
для ПНД6
(4.24)
Расход пара из (4.24) для ПНД6
(4.25)
Составим уравнение теплового баланса
для ПНД7
(4.26)
Расход пара из (4.26) для ПНД6
(4.27)
. Проверка принятых значений
энтальпий после точек смешения
Для этого составим уравнение
теплового баланса для первой точки смешения и определим энтальпию
(4.28)
Полученное значение практически
соответствует принятому, поэтому переходим ко второму уточнению. Для этого
составим уравнение теплового баланса для второй точки смешения и определим
энтальпию
(4.29)
Полученное значение также
соответствует выше принятому. Поэтому можно перейти к дальнейшей проверки
выполненных расчетов.
4.9 Проверка предварительного расхода пара на
турбину
Проверку материального баланса пара в турбину
выполняют путём сложения всех потоков пара, включая производственный и
отопительный отбор:
(4.30)
где
- расход пара в конденсатор турбины;
- сумма регенеративных отборов;
- расход пара промышленного отбора;
- расход пара из отопительных
отборов.
Для тепловой схемы уравнение материального
баланса:
Сравнивая полученные значения можно
заметить, что нет ни какого расхождения с ранее принятым значением.
.10 Определение электрической
мощности турбогенератора
Для определение электрической
мощности, развиваемой турбогенератором в расчётном режиме, необходимо каждый
поток пара, отводимый из турбины, умножить на использованный теплоперепад
соответствующего потока. Таким образом, уравнение электрической мощности:
(4.31)
где
- расход пара в конденсатор;
- использованный теплоперепад;
- расход и теплоперепад j-го
регенеративного отбора;
- расход и теплоперепад j-го
отопительного отбора;
- расход и теплоперепад
промышленного отбора;
- механический к.п.д. турбины и
к.п.д. генератора.
Полученное значение сравниваем с
принятым заранее N = 60000 кВт. Расхождение отсутствует.
На этом расчёт принципиальной
тепловой схемы паротурбинной электростанции заканчивается.
5. ВЫБОР ВСПОМОГАТЕЛЬНОГО ОБОРУДОВАНИЯ ТЭЦ
.1 Выбор насосов
.1.1 Выбор питательных насосов
На ТЭЦ с рабочим давлением до 10÷17
МПа
в основном применяются насосы с приводом от асинхронных электродвигателей. При
рабочем давлении выше 20 МПа, как правило, применяются насосы с турбоприводом.
При подсчёте потребного количества питательной
воды, кроме основного расхода на питание котлов, необходимо учитывать:
а) расход питательной воды на РОУ;
б) непрерывную продувку котлов.
тепловой нагрузка пар турбина
Таким образом, потребное количество питательной
воды составит:
где
- объёмный расход воды на питание
всех котлоагрегатов;
- максимальная производительность
котлоагрегата, т/ч;
- число котлоагрегатов;
- удельный объём воды при
температуре перед питательным насосами;
- объёмный расход воды на РОУ;
- то же на непрерывную продувку
котлоагрегата.
Для ТЭС с общими питательными трубопроводами
необходимое число насосов:
где
- единичная производительность
выбранного типа насоса.
Таблица 5.1 - Техническая
характеристика питательных насосов
|
Технические
характеристики
|
ПЭ-780-185
|
|
Подача,
м3/ч Напор, м.ст.ж. Потребляемая мощность, кВт К.П.Д., % Допустимый
кавитационный запас, м.ст.ж. Масса, кг
|
780
2030 4890 80 15 16380
|
Устанавливаем 4 насоса.
.1.2 Выбор конденсатных насосов
Конденсатные насосы паровых турбин поставляются
комплексно с турбоустановкой, поэтому расчёты по их выбору носят поверочный
характер.
Производительность конденсатных насосов выбирают
по условиям летнего режима работы с учётом ухудшения вакуума в конденсаторе
турбин и, как следствие, увеличения расхода пара в это время.
На турбоагрегатах мощностью 12 МВт и выше
устанавливают 2÷3 конденсатных
насоса, один из них резервный.
Расчётная производительность конденсатного
насоса:
где
- количество пара, поступающего в
конденсатор;
- коэффициент, учитывающий подвод в
конденсатор дренажей регенеративной системы, химически очищенной воды и т.п.
Полный напор конденсатных насосов
для турбоустановок среднего давления составляет 0,35÷0,6 МПа; для
турбоустановок высокого давления 1,1÷1,6 МПа.
Таблица 5.2 - Техническая
характеристика конденсатных насосов
|
Технические
характеристики
|
ЭКН-18к
|
|
Подача,
м3/ч Напор, м Число оборотов, 1/мин Потребляемая мощность, кВт К.П.Д., % Тип
электродвигателя
|
12-14
35 1500 4,5 62 АО -51-4
|
Устанавливаем 6 насосов.
.1.3 Выбор циркуляционных насосов
Циркуляционные насосы служат для подачи
охлаждающей воды в конденсаторы паровых турбин, а также в газоохладители
генераторов и маслоохладителей турбин. Расчётная производительность насосов
выбирается по летнему режиму
где
- расход охлаждающей воды через
конденсатор;
- кратность охлаждения двухходового
конденсатора;
- расходы охлаждающей воды на газо-
и маслоохладители (3÷7%
от
).
Величина напора циркуляционных
насосов при прямоточном водоснабжении составляет 0,1÷0,2 МПа. При
оборотной системе водоснабжения величина напора находится в приделах 0,07÷0,12 МПа при
охлаждении воды в прудах-охладителях и 0,18÷0,22 МПа при
охлаждении воды в градирнях и брызгальных бассейнах.
Таблица 5.3 - Техническая
характеристика циркуляционных насосов
|
Технические
характеристики
|
8
НДн
|
|
Подача,
м3/ч Напор, м Число оборотов, 1/мин Потребляемая мощность, кВт К.П.Д., %
|
720
89 1450 216 81
|
Устанавливаем 6 насосов.
5.1.4 Выбор сетевых насосов
Сетевые насосы служат для
обеспечения циркуляции воды в тепловых сетях. Их расчётная производительность
определяется
величиной нагрузки
и расчётным
температурным перепадом
.
Насосы, как правило, устанавливаются на обратной
магистрали сетевой воды перед основными сетевыми подогревателями, т.е. работают
на воде с температурой до 70ºС.
Расчётный напор сетевых насосов обычно находится в пределах 0,5÷2,0
МПа;
давление на всасе - 0,2÷0,8 МПа.
Таблица 5.4 - Технические характеристики сетевых
насосов
|
Технические
характеристики
|
СЭ-800-60(12
СД-9)
|
|
Подача,
м3/ч Напор, м Число оборотов, 1/мин Потребляемая мощность, кВт К.П.Д., %
Давление на входе, кгс/см2 Температура перекачиваемой воды, ºС Тип
электродвигателя
|
800
60 1500 150 81 16 180 АЗ-315S-2
|
Установим 6 насосов.
.2 Деаэраторные установки
Деаэраторы предназначены для
удаления из воды растворённых в ней неконденсирующихся газов
.
Для деаэрации питательной воды
применяются атмосферные деаэраторы (давлением 0,12 МПа) и повышенного давления
(0,6÷0,7
МПа).
Первые применяются на ТЭЦ с котлами на давление до 4 МПа и на станциях высокого
давления для предварительной деаэрации химочищенной воды, восполняющей потери
рабочего тела в цикле станции, и потока конденсата, возвращаемого с
производства. Деаэраторы повышенного давления применяются на ТЭЦ высокого
давления для деаэрации всего потока питательной воды.
Таблица 5.5 - Характеристики деаэратора
питательной воды
|
Технические
характеристики
|
ДСП-400
|
|
Производительность,
т/ч Давление, кгс/см2 Полезная ёмкость, м3
|
400
6 100
|
Таблица 5.6 - Характеристики деаэратора
добавочной воды
|
Технические
характеристики
|
ДСА-200
|
|
Давление,
кгс/см2 Полезная ёмкость, м3
|
1,2
75
|
В качестве деаэраторов подпиточной воды
теплосети используются смешивающие атмосферные и вакуумные деаэраторы (0,025÷0,03
МПа).
Суммарная производительность деаэраторов подпитки теплосети должна обеспечить
восполнение удвоенных потерь сетевой воды за счёт естественной утечки, а также
расход воды на горячее водоснабжение.
Таблица 5.7 - Характеристики деаэратора
подпиточной воды
|
Технические
характеристики
|
ДСВ-25
|
|
Давление,
кгс/см2 Полезная ёмкость, м3
|
0,5
15
|
.3 Редукционно-охладительные установки (РОУ)
Редукционно-охладительные установки,
предназначенные для резервирования промышленных отборов, устанавливают по одной
для данных параметров пара производительностью равной отбору одной турбины.
РОУ для резервирования теплофикационного отбора
не устанавливают; поэтому при выходе из работы одной турбины оставшиеся турбины
совместно с пиковыми котлами и РОУ для пиковых сетевых подогревателей и
производства должны обеспечить отпуск тепла на отопление, вентиляцию и горячее
водоснабжение в размере не менее 80% максимального.
Когда даже кратковременное прекращение подачи пара
потребителю недопустимо, применяют быстродействующие редукционно-охладительные
установки. Если для автоматического включения РОУ требуется 30 с, то для БРОУ
10 ÷
15 с.
Расход свежего пара на РОУ
и воды на
впрыск
для
регулирования температуры редуцированного пара определяется из уравнения
материального и теплового балансов:
где
=3513 кДж/кг- энтальпия свежего пара
перед РОУ;
=670,5 кДж/кг- энтальпия питательной
воды на выходе из деаэратора;
- расход редуцированного пара.
Таблица 5.8 - Характеристики РОУ
|
Техническая
характеристика
|
РОУ-5-ВАЗ
|
РОУ-4-ВАЗ(2шт.)
|
|
Производительность,
т/ч Начальное давление, кг/см2 Начальная температура,°С Давление редуцированного
пара, кг/см2 Температура редуцированного пара,°С
|
250
140 570 14-10 250
|
150
140 570 16-10 250
|
5.4 Оборудование, поставляемое комплектно с
турбинами
Комплектно с паровыми турбинами поставляют
конденсаторы, регенеративные подогреватели низкого и высокого давления,
эжекторы, насосы системы смазки и регулирования.
Таблица 5.9 - Характеристика оборудования,
поставляемого комплектно с турбиной
|
Наименование
|
ПТ-60-130/13
|
Р-50-130
|
|
Конденсаторы
Электрогенераторы
|
50КЦС-4
ТВ-60-2
|
- ТВФ-60-2
|
|
Эжекторы: Пусковой Основной
|
ЭП-1-1100-1
ЭП-3-700-1
|
|
|
ПНД
|
ПН-100-2М
ПН-100-6М
|
|
|
ПВД
|
ПВ-350/230
№6 ПВ-350/230 №7 ПВ-350/230 №8
|
ПВ-425/230-25
ПВ-425/230-35 ПВ-425/230-50
|
|
Вспомогательные
масляные насосы: Пусковой
Резервный Аварийный
|
8 МС-7´8 5 НДв 4
НДв
|
6МС-6´10 - 4НДв/5НДв
|
.5 Подогреватели сетевой воды
Подогреватели сетевой воды (бойлеры)
подразделяются на две группы: основные и пиковые. Первые предназначаются для
работы в базисной части графика тепловых нагрузок. Греющий пар к ним подводится
из теплофикационных отборов турбин с давлением 0,05÷0,25
МПа;
подогрев воды может быть доведён до 115÷119ºС.
Дальнейший подогрев сетевой воды до 130÷150ºС
производится в пиковых сетевых подогревателях или в пиковых водогрейных котлах.
В задании проекта предусмотрен ориентировочный
выбор сетевого подогревателя по расходу сетевой воды, температуре её подогрева
параметрам греющего пара и расчётной теплопроизводительности.
Таблица 5.10 Характеристика подогревателей
сетевой воды
|
Наименование
|
ПСВ-200-7-15
|
|
Поверхность
нагрева, м3 Расчётный пропуск воды, т/ч Допустимое давление и температура по
пару (кг/см2)/°С
Допустимое избыточное давление и температура по воде, (кг/см2)/°С Диаметр труб, мм Число
ходов по воде Живое сечение для воды, м2
|
200
400/800 7/400 15/150 19/17 4/2 0,057
|
ЗАКЛЮЧЕНИЕ
В заключении отмечу основные опорные моменты при
проектировании отопительной ТЭС с кратким пояснением.
При заданном географическом районе, промышленной
нагрузкой, числе жителей рассматриваемого района и других данных была
спроектирована отопительная ТЭС в соответствии с рекомендациями методического
указания -11.
Для построения графика изменения сезонной нагрузки
ТЭЦ от температуры наружного воздуха и по продолжительности, теплофикационная
нагрузка ТЭЦ определена по укрупненным показателям. Дополнительно были
определенны годовые расходы теплоты (раздел 1.1, п.3).
Для определения давления греющего пара при изменении
температуры наружного воздуха, в соответствии с температурным графиком 150/70,
была построена диаграмма режимов теплофикационной установки ТЭЦ. С помощью
диаграммы режимов, можно также определить, при заданном давлении греющего пара:
максимально возможный подогрев прямой сетевой воды, температуры обратной
сетевой воды и наружного воздуха, максимально возможную нагрузку ОСП,
длительность стояния температур наружного воздуха (рисунок 1.2, раздел 1.2).
Компоновка турбинного отделения, а это выбор
типа, числа и мощности турбин, устанавливаемых на ТЭЦ, основывалась в первую
очередь на повышении надежности блока, коэффициента готовности, а также и из
соображений того, что размеры выбранных турбин (ПТ и Р) практически одинаковы,
что упрощает их размещение в турбинном отделении. Также не помешает отметить
то, что турбина Р-50-130/13 унифицирована с турбиной ПТ-60-130/13 и аналогична
ее ЦВД /10, стр. 335/.
Выбор производительности энергетических котлов
произведен на основании минимума капиталовложений. При этом из рассматриваемых
вариантов, были выбраны 3 по 420 т/ч и один в резерве. Дополнительно, была
определена схема подключения котла к турбине исходя из следующих соображений:
что выбранный тип котла способен обеспечить по нагрузки ( 420 т/ч) одну турбину
типа ПТ (352,61 т/ч) или Р (373 т/ч) как при номинальной, так и при
максимальной имея при этом весьма хороший запас по пару, в результате чего
котлы будут немного недогружены. В связи с этим была выбрана схема главного
паропровода секционного типа. При этом резервный котел включается так, чтобы он
может заменить любой рабочий в каждой секции (раздел 3, рисунок 3.1). ПВК
выбраны по теплофикационной нагрузки при коэффициенте теплофикации, равным 0,5.
Перед расчетом тепловой схемы были
сформулированы исходные данные, приведенные в разделе 4.1.
Построен процесс расширения пара в турбине в h-s
диаграмме. Параметры в регулируемых отборах были выбраны при номинальном режиме
работы турбоустановки с максимальной теплофикационной нагрузкой. Значение
параметров в нерегулируемых отборах были определенны приближенно, методом
равномерного распределения интервала подогрева между ступенями. Основные
параметра рабочего тела в основных элементах схемы регенеративного подогрева
питательной воды приведены в таблице 4.1.
Расчет регенеративной схема сводится к
составлению уравнений материального и теплового балансов элементов тепловой
схемы в которых основной неизвестной был расход греющего пара. Проверенны
значения энтальпий после точек смешения, для чего было составлено уравнение теплового
баланса. Вообще расчет схемы выполнен сугубо принципиально на основании знаний
полученных в результате изучения курса ТЭС ПП.
В целом, была спроектировано отопительная ТЭС
для заданного режима работы, данные, при этом полученные описывают нам состояние
объекта, как в целом, так и по отдельному элементу схему.
Практически была достигнута цель данного
курсового проекта - это навыки по работе с технической литературой и
возможность принимать самостоятельные решения конкретных задач технического
характера.
ПЕРЕЧЕНЬ ССЫЛОК
Бененсон
Е.И., Иоффе Л.С. Теплофикационные паровые турбины. - М.: Энергия, 1976.
Горшков
А.С. Технико-экономические показатели электрических станций. - М.: Энергия,
1980.
Елизаров
Д.П. Теплоэнергетические установки электростанций. -М.: Энергоиздат, 1982.
Промышленные
тепловые электростанции / М.И. Баженов, А.С. Богородский, Б.В. Сазагов и др. /
Под общей редакцией Е.Я. Соколова. - М.: Энергия, 1979.
Роддатис
К.Ф. Котельные установки. - М.: Энергия, 1977.
Рыжкин
В.Я. Тепловые электрические станции. - М.: Энергия, 1976.
Соколов
Е.Я. Теплофикация и тепловые сети. - М.: Энергоиздат, 1982.
Соловьев
Ю.П. Вспомогательное оборудование паротурбинных электростанций. - М.: Энергия,
1975.
Шляхин
П.Н., Бершадский М.Л. Краткий справочник по паротурбинным установкам. - М.:
Энергия, 1970.
Щегляев
А.В. Паровые турбины. - М.: Энергия, 1976.
Методические
указания к выполнению курсового проекта по курсу «Теплоэнергетические системы
промышленных предприятий» для студентов специальности 10.07 - Промышленная
теплоэнергетика / Сост. Г.С. Сапрыкин. - Мариуполь, ММИ, 1993.
Сапрыкин
Г. С. Надежность оборудования тепловых электростанций.: 1972 г - 122 с.
Методические
указания к выполнению курсовой работы по курсу «Внутрифирменный менеджмент» для
студентов специальности 7.090510 «Промышленная теплоэнергетика» / Составила
Парлюк И. П.. - Мариуполь 1999 г.
Сазанов
Б. В. Тепловые электрические станции. - М.: 1974 г.
1.