Кожухотрубний теплообмінник
Вступ
обладнання апарат
теплообмінний плита
Процеси теплообміну посідають одне з
найважливіших місць при обробці харчових продуктів.
Теплообмін - це процес
перенесення енергії у формі тепла між тілами, що мають різну температуру. Тепло
переноситься від більш нагрітого теплоносія до менш нагрітого. Теплообмін може
відбуватися трьома способами: теплопровідністю, конвекцією і випромінюванням.
Теплопровідність -
процес передачі тепла від більш до менш нагрітого тіла в результаті
безпосередньої взаємодії частинок в їх тепловому русі. В твердих тілах
теплопровідність є одним з основних видів теплопередачі. У ролі теплоносія у
виробництві харчових продуктів використовують водяну пару, повітря, воду та ін.
Найбільш часто використовується водяна пара тому, що вона зручна для
транспортування, легко регулюється її температура та витрати, має велику
теплоту конденсації, незначна її агресивна дія на матеріал паропроводів та
апаратів, а також її можна використовувати в умовах безпосереднього контакту з
харчовими продуктами.
Для проведення процесу
теплообміну застосовують апарати, які називаються теплообмінниками. В
теплообмінних апаратах можуть відбуватися різні теплові процеси: зміна
температури, випаровування, кипіння, конденсація, плавлення, твердіння і більш
складні, комбіновані процеси.
Класифікують
теплообмінники за рядом ознак:
. За
функціональним призначенням розрізняють нагрівачі, кип'ятильники, випарники,
холодильники, конденсатори, пастеризатори, стерилізатори;
. За агрегатним
станом робочих середовищ: рідинно-рідинні, парорідинні і парогазові,
газорідинні і газо-газові;
. За способом
передачі тепла теплообмінники поділяються на поверхневі і теплообмінники
змішування.
В свою чергу поверхневі
теплообмінники підрозділяються на рекуперативні та регенеративні. В такого виду
апаратів теплообмін між середовищами здійснюється через поверхню, що їх
розділяє. У теплообмінниках змішування теплообмін відбувається за рахунок
безпосереднього змішування теплоносіїв;
За конструкцією
теплообмінні апарати бувають трубчасті, оболонкові, пластинчасті, спіральні,
зрошувальні;
За тепловим режимом
апарати бувають періодичної та безперервної дії;
За напрямком руху
робочих середовищ: прямотечійні, протитечійні, з перехресним потоком течій та
комбіновані.
Кожухотрубний
теплообмінник належить до рекуперативних апаратів. Він може бути одноходовим ті
багатоходовим. Такий теплообмінник має велику поверхню нагрівання і великий
поперечний переріз всіх трубок. Тому швидкість руху продукту в трубах мала і
коефіцієнт теплопередачі невеликий. Для збільшення швидкості руху продукту
зменшують переріз потоку шляхом установки направляючих перегородок в кришках
теплообмінників. Пучок трубок за допомогою цих перегородок розділений на кілька
секцій. Такі теплообмінники називають багатоходовими.
До обладнання для
нагрівання та охолодження харчових продуктів ставляться вимоги теплового,
гідродинамічного, конструктивного, експлуатаційного і технологічного характеру,
які враховуються при виборі, розрахунку та конструювання відповідного апарата.
Основні вимоги до такого
типу обладнання - досягнення в теплообміннику максимального коефіцієнта
теплопередачі при мінімальному гідравлічному опорі; герметичність поверхні
нагрівання; надійність в роботі, зручність ремонту та очищення; надійна
термокомпенсація конструктивних елементів; мінімально можлива металоємність;
максимально можлива питома поверхня нагрівання; простота конструкції,
технологічність виготовлення та монтажу; достатня міцність та інші.
.
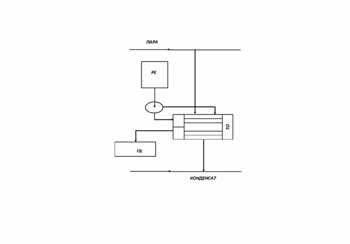
Технологічна схема та її короткий опис
Рис. 1.1Технологічна схема
Розчин (томатний сік) з
витратної ємкості РЕ задопомогою відцентрового насоса ЦН подається в між
трубний простір кожухотрубного теплообмінника ТО. У трубний простір
теплообмінника поступає вода, що охолоджує потім скидається в лінію оборотного
водопостачання. Охолоджений розчин з теплообмінника самопливно поступає в
приймальну ємність ПЕ.
У курсовому проекті
розраховується кожухотрубний теплообмінник. Він забезпечує великі поверхні
теплообміну в одному апараті, простий у виготовленні та надійний в
експлуатації.
Рис. 1.2 Схема
кожухотрубного багатоходового теплообмінника
Через малу швидкість
руху теплоносіїв одноходові теплообмінники працюють з низьким коефіцієнтом
тепловіддачі. Щоб збільшити швидкість руху теплоносіїв, застосовують
багатоходові теплообмінники (рис. 2.1), в яких пучок труб за допомогою
поперечних перегородок 1, встановлених у кришках, розділений на кілька секцій
(ходів), по яких теплоносій І проходить послідовно. Швидкість руху теплоносія
ІІ в міжтрубному просторі підвищують, встановлюючи ряд сегментних перегородок
2. З двох теплоносіїв, що рухаються в трубках і в міжтрубному просторі, треба
збільшувати швидкість руху насамперед того, в якого при теплообміні вищий термічний
опір.
Проектуючи кожухотрубні
теплообмінники, теплоносій, що найбільше забруднює поверхню теплообміну,
спрямовують у труби (трубний простір), які легше очищати.
Незважаючи на те, що
теплообмінні апарати розрізняють за принципом дії, будовою, типом теплоносіїв і
призначенням, можна сформувати ще й основні вимоги теплового, гідродинамічного,
експлуатаційного і технічного характеру, які треба враховувати при виборі типу,
розрахунку і конструктивній розробці теплообмінної апаратури.
Різноманітність конструкцій теплообмінників, а також вимог, які до них ставляться,
утруднюють вибір апаратів для різних конкретних умов перебігу процесу.
Звичайно жодна з
конструкцій не відповідає цілком усім вимогам і доводиться обмежуватись виробом
такої, яка задовольняє лише основні вимоги.
Теплообмінні апарати
усіх типів повинні працювати в оптимальних теплових режимах, які відповідають
поєднанню заданої продуктивності та інших показників технологічного процесу з
мінімальною витратою тепла.
Кожухотрубні
теплообмінники використовуються, в основному, для теплообмінуміж двома рідинами
і між рідиною і парою, що конденсується.
Для підтримання
необхідного температурного режиму роботу теплообмінників регулюють шляхом зміни
кількості середовища, що подається, для цього існують регулюючі вентилі, які
працюють автоматично або в ручному режимі.
Розрахунок оптимального
варіанту кожухотрубного теплообмінника, який повинен забезпечити нагрівання
томатного соку до певної температури та з певною продуктивністю, з найменшими
затратами на виготовлення теплообмінника та на його експлуатацію. Зображена
технологічна схема процесу теплообміну (рис. 1.1).
2. Технологічний
розрахунок апарату
.1. Визначення теплового
навантаження
Теплове навантаження
визначаємо за виразом:
(2.1)
де
-
кількість бурякового соку, призначеного для нагрівання;
- теплоємність соку.
Визначаємо за формулою:
, (2.2)
-доброякісність
продукту у 80%
- відповідно початкова і
кінцева температура продукту.
Густину
бурякового соку визначаємо за формулою:
(2.4)
При температурі 75ºС
В-вміст сухих
речовин%
Динамічна
в’язкість бурякового соку визначається за формулою:
(2.5)
При температурі 75ºС
Теплопровідність
бурякового соку визначаємо за формулою:
(2.6)
При температурі 75ºС
.2
Визначення витрати гарячого теплоносія
Витрату сухої
насиченої водяної пари знайдемо з формули:
(2.7)
де
-
витрата гріючої пари;
За тиском гріючої
пари р = 0,35 МПа вибираємо температуру
t = 138,8°С.
- ентальпія гріючої
пари ([8], табл. 17);
- ентальпія конденсату
при кінцевій температурі
([8], табл. 18).
Густина сухої
насиченої водяної пари, при температурі
-
густина сухої насиченої водяної пари ([8], табл. 17).
- динамічна в’язкість
насиченої водяної пари ([8], табл. 17).
- питома теплоємність
води при температурі кипіння ([8], табл. 18)
2.3
Визначення середньої корисної різниці температур
, (2.8)
,
де
(2.9)
При
;
(2.10)
.4
Орієнтовний вибір теплообмінника
Визначаємо
орієнтоване значення площі теплообмінника
де
-
орієнтовне значення коефіцієнта теплопередачі;
- середня різниця
температур
;
Q
- теплове навантаження теплообмінника;
Як видно з табл.
4 [8], теплообмінники з близькою поверхнею мають діаметр кожуха 273-400 мм.
,
,
,
,
.5
Уточнений розрахунок поверхні теплопередачі
Варіант 1:
Визначаємо
критерій Рейнольдса і Прандтля за виразами
, (2.12)
, (2.13)
де
-теплопровідність, динамічна в'язкість та питома теплоємність
бурякового соку.
За значенням
критерія Рейнольдса встановлюємо характер руху рідини по трубам. Оскільки2320<Rе< 10000, то рух перехідний і коефіцієнт тепловіддачі від рідини, що
рухається по трубам, визначають за формулою ([3], с. 34):
(2.14)
Але в свою чергу
критерій Нуссельта визначається за формулою:
(2.15)
З виразу
визначаємо коефіцієнт тепловіддачі рідини, яка рухається по трубам:
(2.16)
Площа січення
потоку в між трубному просторі між перегородками вибирають з табл. 4 [7].
Для розглядуваного
прикладу вона складає S = 0,020 м²([8], гр. 13, табл. 4).
Тоді числа Рейнольдса і
Прандтля для між трубного простору визначаємо за формулами:
(2.17)
(2.18)
де
-
коефіцієнт динамічної в'язкості гарячого теплоносія;
- коефіцієнт
теплопровідності гарячого теплоносія;
Коефіцієнт
тепловіддачі пари, яка рухається в між трубному просторі, визначаємо за
виразом:
(2.19)
Оскільки
теплоносіями є водяна пара і томатний сік, то з табл. 6 [8] вибираємо термічний
опір забруднення, який є рівним і дорівнює
. В якості матеріалу
труб приймаємо нержавіючу сталь. Теплопровідність такої сталі приймаємо рівною
Сума термічних
опорів стінки і забруднень визначаємо за формулою:
(2.20)
де
-
товщина стінки труби;
-
теплопровідність стінки;
- відповідно термічний
опір внутрішньої і зовнішньої стінок.
Коефіцієнт
теплопередачі розраховуємо за формулою:
(2.21)
Визначаємо
остаточне значення площі поверхні теплообмінну
Варіант 2:
2.6
Розрахунок гідравлічного опору
Для вибору
насоса, який переміщує рідину в трубний простір і пару в міжтрубний простір,
необхідно провести гідравлічний розрахунок.
Гідравлічний опір
в трубному просторі обумовлений опором тертя і місцевим опором в ньому і
розраховується по формулі:
(2.22)
де
-
коефіцієнт тертя, який залежить від режиму руху і шорсткості трубопроводу:
(2.23)
L - довжина трубопроводу;
Z - число ходів;
- швидкість продукту в трубах.
(2.24)
Швидкість руху
рідини по трубах визначаємо за формулою:
(2.25)
де
-
площа січення одного ходу труби ([8], табл. 4);
- швидкість руху продукту в штуцерах. Цю швидкість визначаємо за формулою:
(2.26)
де
-
діаметр проходу штуцера для трубного простору. Цей показник вибираємо з табл. 8
[8];
Гідравлічний опір в між
трубному просторі визначаємо зрівняння:
(2.27)
де т - число
рядів труб, які омиваються парою в між трубному просторі.
(2.28)
де п=100 - загальне число труб для даного
теплообмінника. Цей показник вибирають
з табл. 4 [8].
x=1 - число сегментних перегородок ([8],
табл. 7);
- швидкість в між трубному просторі її визначаємо за формулою:
(2.29)
де
-
площа між трубного простору. Ця площа залежить від типу теплообмінника і
вибираємо з табл. 4 [8]
- швидкість пари в
штуцерах;
(2.30)
де
-
площа січення штуцера. Вона залежить від діаметра умовного проходу штуцера для між трубного простору D = 0,15 м ([8], табл. 8);
Аналогічні
розрахунки проводять для інших варіантів:
Варіант 2К
;
;
.7
Розрахунок енергетичних затрат на прокачування рідини
Для вибору
оптимального теплообмінника необхідно провести розрахунок енергетичних затрат.
Цей показник
необхідний для порівняння альтернативних теплообмінників з точки зору затрат на
електроенергію.
Енергетичні
затрати на прокачування продукту визначаємо з виразу:
(2.31)
де
-
енергетичні затрати на прокачування холодного теплоносія по трубам ([9], с.
135):
(2.32)
де
-
ККД насосної установки. Приймаємо в межах
- енергетичні затрати на
прокачування гарячого теплоносія по між трубному простору:
(2.33)
Тоді енергетичні
затрати для альтернативних теплообмінників складуть:
для
теплообмінника 1В-
;
для
теплообмінника 2В-
.8
Вибір оптимального варіанта теплообмінника
Основні
розрахункові показники альтернативних теплообмінників зводимо в таблицю.
Таблиця 2.1
Основні показники теплообмінників
Варіант D,
мм
мм2
Zп n тX
x
|
мM,
кг ,
Па ПаN, кВт
|
|
|
|
|
|
|
|
|
|
|
|
1 1К
|
325
|
20x2
|
6 1
|
100
|
5 5,7
|
1
|
8,3
|
870
|
134,5
|
3,5
|
0,00146
|
|
2К
|
325
|
25x2
|
2
|
56
|
4,3
|
2
|
5,6
|
1370
|
219,5
|
56,4
|
0,0123
|
Аналіз табл. 2.1
показує, що оптимальним являється теплообмінник варіанту 1К, так як
гідравлічний опір як в трубному, так і в міжтрубному просторі значно менший
порівняно з іншими варіантами. В цьому теплообміннику енергетичні затрати на
прокачування продукту теж мінімальні.
3. Розрахунок на міцність
Розрахунок на міцність
теплообмінного апарата зводиться до визначення міцності кріплення трубок в
грубній плиті і напружень в трубках і в корпусі від гідравлічного опору і дії
температури.
.1 Визначення міцності
кріплення трубок в трубній плиті
Міцність кріплення
трубок в трубній плиті визначаємо з умови:
(3.1)
де
-
допустиме зусилля, яке приходиться на одиницю довжини периметра розвальцювання
труби. Це зусилля для апаратів харчових виробництв приймаємо рівним
S - зусилля, яке приходиться на одиницю довжини периметра
розвальцювання труби. Це зусилля визначаємо за формулою:
(3.2)
де
-
сумарне зусилля в трубках;
- сумарна довжина
периметра розвальцювання трубок в апараті.
Сумарне зусилля в
трубках визначаємо за виразом:
де
- зусилля, яке виникає в результаті тиску в трубках; Р' - зусилля, яке виникає
в результаті дії температури. Зусилля, що виникає від тиску в трубках, визначаємо
за формулою:
(3.4)
де Q - сила, яка викликана дією тиску робочої рідини в апараті. Її визначаємо з виразу:
(3.5)
де
-
сила, яка викликана тиском пари в міжтрубному просторі.
Її, в свою чергу, визначаємо за формулою:
(3.6)
де D - внутрішній діаметр корпуса
апарата;
п
- загальне число трубок в апараті;
dн - зовнішній діаметр
трубок;
- гідравлічний опір в
міжтрубному просторі.
(3.7)
Qтр - сила, яка викликана тиском в
трубному просторі апарата. Цю силу визначаємо по формулі:
(3.8)
- внутрішній діаметр
трубок;
- гідравлічний опір в трубному просторі;
(3.9)
Отже, сила, яка
викликана дією тиску робочої рідини в апараті дорівнює:
(3.10)
- площа перерізу трубок,
розташованих в апараті:
(3.11)
- площа перерізу корпуса
апарата;
(3.12)
де
-
товщина стінки корпуса апарата.
Приймаємо
.
(3.13)
Отже, зусилля, що
виникає від тиску в трубках, дорівнює:
(3.14)
Зусилля, що
виникає в результаті дії температури, визначаємо за формулою:
(3.15)
де
-
коефіцієнт лінійного розширення матеріалу трубок і корпуса теплообмінника.
Приймаємо
[5];
,
-
відповідно різниця між робочою температурою трубок і температурою навколишнього
середовища і між корпусом і навколишнім середовищем:
(3.16)
де
-
температура навколишнього середовища. Приймаємо
(3.17)
(3.18)
Е
- модуль пружності матеріалу трубок і корпусу.
Приймаємо
[5];
(3.19)
Сумарне зусилля в
трубках:
(3.20)
Отже, зусилля,
яке приходиться на одиницю довжини периметра розвальцювання труби дорівнює:
(3.21)
Так як [S]>S,
тобто 40>12, то трубки в плиті можна кріпити за допомогою розвальцювання.3.2.
Визначення напружень в трубках і в корпусі
Нормальні
напруження в трубках і в корпусі теплообмінного апарата визначаємо з виразу:

(2.22)
де
- сумарне зусилля трубках площа перерізу всіх трубок;
Допустимі
нормальні напруження для трубок, які виконані з сталі 10, складають
Нормальні
напруження для трубок теплообмінного апарата знаходяться в допустимих межах,
так як
,
тобто12>1,31.
Нормальні
напруження в корпусі апарата визначаємо з формули:
(2.23)
де
-
сумарне зусилля в корпусі теплообмінника. Цю складову визначаємо з виразу:
(3.24)
- зусилля, яке виникає в результаті дії тиску в корпусі. Визначаємо
з виразу:
(3.25)
Допустимі
нормальні напруження для корпуса, виконаного з Ст. 3, складають
.
Нормальні напруження знаходяться в допустимих межах, так як
,
тобто 15>2,81.
Вибір матеріалу
для трубок і корпуса теплообмінника, а також товщини стінок корпусу і трубок
вибрані правильно.
4.
Розрахунок або підбір допоміжного обладання
Вибираємо
оптимальний насос і електродвигун для прокачування продукту в теплообміннику.
Продуктивність
теплообмінника визначається за формулою:
(4.1)
За знайденими
даними вибираємо насос ([8], табл. 13):
. Марка насоса -
Х8/18
Продуктивність
ККД насоса
Тип
електродвигуна - АО2-31-2
Потужність
двигуна 
ККД двигуна
5.
Експлуатація установки
При експлуатації
теплообмінних апаратів потрібно керуватися «Правилами налагодження безпечної
експлуатації апаратів, що працюють під тиском», необхідно постійно слідкувати
за температурою і тиском вхідного теплоносія і температурою вихідного продукту.
Необхідно систематично контролювати стан конденсатовідвідників, запобіжних
клапані і повітряних клапанів. Повітряний кран для відведення з парового отвору
апарату повітря і інших газів, що не конденсуються, потрібно тримати
напіввідкритими, щоб температура відвідної труби була не менша 50°С.
Категорично забороняється підвищувати тиск і температуру в апаратах і
трубопроводах вище допустимих норм.
Необхідно
слідкувати за щільністю фланцевих з'єднань і справністю огороджень деталей, що
рухаються. Змащування рухомих деталей і набивання сальників на ходу
забороняється.
Періодично, не
рідше одного разу в рік, проводять зовнішній огляд апаратів, одночасно
контролюють правильність їх експлуатації. Внутрішній огляд проводять не рідше
одного разу в три роки, при цьому перевіряться стан внутрішніх поверхонь
апарату, зварних і заклепочних швів. Якщо внутрішній огляд неможливий,
проводиться гідравлічне дослідження (випробування).
Для надійної
експлуатації апаратів необхідно систематично очищувати її поверхні теплообміну.
Спосіб очищення залежить від виду і степені забруднення, а також конструкції
апарату. Існують наступні способи очищення теплообмінних апаратів:
Механічний - для
очищення м'якого осаду використовують шомполи, волосяні щітки і щітки з латунного
дроту, металеві їжаки, гумові кульки чи корки, що проштовхуються струменем воли
або стиснутим повітрям.
Твердий накип
знищується порошками, жорсткими дротяними щітками і механічними долотами;
Хімічний -
апарати заповнюються хімічними реактивами з наступним промиванням, забруднення
органічного характеру виводяться за допомогою 5%-вого розчину каустичної соди,
розчину хлористого вапна тощо. Осад, що відкладається в результаті вихідної
жорсткої води, виводяться 3…5% розчином соляної кислоти; слиз масляного,
глиняного чи намуленого виду - 3…5% розчином їдкого натру, інколи з додаванням
керосину;
Гідравлічний -
використовують для видалення відкладень, що не прилипають (піску, щепи тощо),
за допомогою струменя води чи потоку води з підвищеною циркуляційною швидкістю;
Термічний -
використовують для видалення дуже твердого накипу шляхом прогрівання трубок
парою з наступним обризгуванням холодною водою; в результаті різкої зміни
температури накип відділяється і змивається. При очищуванні апаратів жорсткої
конструкції користуватися цим способом потрібно обережно, гак як через різкі
зміни температури може порушитися щільність вальцьовки трубок.
Висновки
В курсовому проекті
проведений розрахунок кожухотрубного теплообмінника, який включає в себе
орієнтовний вибір теплообмінника, уточнений розрахунок поверхні теплопередачі,
гідравлічний розрахунок, розрахунок на міцність, вибір допоміжного обладнання.
Даний курсовий проект
містить шість розділів. В першому розділі приведено принципову схему
теплообмінного апарату і її короткий опис. В другому розділі проведено
технологічний розрахунок і вибрано оптимальний кожухотрубний теплообмінник.
Третій розділ - це перевірка міцності кріплення трубок в трубній решітці і
напружень в трубках і корпусі. В четвертому розділі підібрано допоміжне
обладнання, а саме насос для перекачування продуту і електродвигун. В п'ятому і
шостому розділі описано основні правила і техніка безпеки при експлуатації
кожухотрубного теплообмінника.
Характеристика
кожухотрубного теплообмінника
1. Діаметр
кожуха,
. Діаметр
труб,
. Число
ходів,
. Загальне
число труб,
. Площа
теплообмінника,
. Довжина
однієї труби,
. Відстань
між перегородками,
Було проведено
розрахунок на міцність та підбір допоміжного обладнання, а саме насос (Х8/18)
типу А02-31-2, потужністю N=3кВт і продуктивністю G=2.4 10-2 м³/с, частота обертання
;
ККД насоса
Під час
експлуатації теплообмінника необхідно дотримуватись правил техніки безпеки і
враховувати всі фактори, які на нього впливають. Тому при розробці цього
апарату проведено не лише розрахунок його параметрів та розгляд складових
деталей, але й урахувалися експлуатаційні чинники.
Вибраний
теплообмінник задовольняє вимоги, які висовуються до даного апарату, має велику
поверхню теплообміну та зручний у використанні.
Список
літератури
1. Богомолов О.В., Рурський П.В., Богомолов В.П. Курсове та
дипломне проектування обладнання переробних і харчових підприємств: Навч.
посібник. - X.: Еспада, 2005. - 432 с.
. Закалов О.В., Закалов І.О. Технологічне обладнання харчових
виробництв.: - Тернопіль., 2000. - 406 с.
. Лабораторний практикум по поцессам и аппаратампищевьіх
производств/ А.С. Гинзбург и др. - М: Агропромиздат, 1990.
. Мирончук В.Г., Гулий І.С., Пушанко М.М. та ін. Обладнання
підприємств переробної та харчової промисловості/ За ред. В.Г. Мирончука.
Підручник. - Вінниця: Нова книга, 2007. - 648 с.
. Мороз В.К. Курсовоепроектирование по курсу «Зксплуатация
оборудования предприятий пищевой промьішленности» - М.: Легкая и пищевая
промьішленость, 1984.
. Панасюк С.Г. Методичні вказівки до виконання курсового проекту
«Обладнання переробних і харчових виробництв» машинобудівного факультету денної
і заочної форми навчання. - Луцьк: Ред.-вид. відділ ЛДТУ, 2004. - 62 с.
. Серебровский В.И, Корчагин В.И., Кострикин Г.Г. Курсовое проектирование
по процессам и аппаратам пищевьіх производств: - Курск. -2001. - 140 с.
. Стабников В.Н., Баранцев В.И. Сборник Процессьі и аппаратьі
пищевьіх производств. - М.: Легкая и пищевая промьішленность, 1983.