Соответствие автомобиля-тягача МАЗ-643068-020-020 и полуприцепа МАЗ-938020-016 международным требованиям

  • Вид работы:
    Курсовая работа (т)
  • Предмет:
    Транспорт, грузоперевозки
  • Язык:
    Русский
    ,
    Формат файла:
    MS Word
    470,99 Кб
  • Опубликовано:
    2012-12-14
Вы можете узнать стоимость помощи в написании студенческой работы.
Помощь в написании работы, которую точно примут!

Соответствие автомобиля-тягача МАЗ-643068-020-020 и полуприцепа МАЗ-938020-016 международным требованиям

Введение

автомобиль индекс масса груз

При организации международных автомобильных перевозок необходимо правильно выбрать транспортное средство для их осуществления. Для перевозки различных грузов используются следующие типы подвижного состава: бортовые автомобили, фургоны, цистерны и т.д. Для осуществления международных автомобильных перевозок данный автомобиль должен соответствовать стандартам СНГ и отвечать заданным правилам ЕЭК ООН.

Важно правильно разместить груз на транспортном средстве, а также закрепить его в кузове. Груз должен быть закреплен таким образом, чтобы обеспечивалась устойчивость и чтобы исключалась возможность падения или опрокидывания груза.

Так же важным фактором для выбора автомобиля является его соответствие с экологическими нормами выбросов. Так, транспортные средства, предназначенные для международных автомобильных перевозок должны соответствовать стандарту ЕВРО-3 или ЕВРО-4, которыми регулируются основные параметры автомобилей, необходимые для надежной перевозки.

В данной курсовой работе рассматривается вариант перевозки 2 грузов. Предлагается использовать автомобиль МАЗ-643068-020-020 и полуприцеп МАЗ-938020-016. В данной курсовой работе необходимо проверить соответствие предложенного подвижного состава международным требованиям. Международные требования к подвижному составу изложены в Правилах ЕЭК ООН. Данные правила содержат следующие требования:

масса и габариты транспортных средств;

требования к системам, обеспечивающим безопасность движения;

требования к экологической безопасности транспортного средства (шум и выбросы;

требования к устройствам, обеспечивающим повышение безопасности и эффективности перевозок и т.д.

Кроме того, в курсовой работе необходимо выбрать оптимальный вариант размещения грузов в кузове полуприцепа. Также выбрать способ крепления грузов в полуприцепе и рассчитать количество средств крепления.

1. Проверка соответствия автотранспортного средства международным требованиям

1.1    Классификация автомобиля и расшифровка его индекса

Автомобиль МАЗ-643068-020-020 - седельный тягач. Внешний вид автомобиля представлен на рисунке 1.1.

Рисунок 1.1 - Внешний вид автомобиля МАЗ-643068-020-020

Схема автомобиля с геометрическими размерами приведена на рисунке 1.2.

Рисунок 1.2 - Схема автомобиля МАЗ-643068-020-020

автомобиль дорожный движение безопасность

Данный автомобиль в соответствии с международной классификацией транспортных средств на основе рекомендаций ЕЭК ООН относится к категории N3 - грузовые транспортные средства, имеющие полную массу более 12 т.

По классификации в соответствии с отраслевой нормалью ОН-025270-66 по данному автомобилю можно дать следующую информацию:

МАЗ - завод-изготовитель РУП «Минский автомобильный завод», Беларусь;

- класс транспортного средства по полной массе, от 20 до 40 тонн;

- тип транспортного средства, седельный тягач;

- порядковый номер модели;

- модификация базовой модели;

- особенности выпуска, вариант исполнения;

-020 - переходная модель, имеющая дополнительную комплектацию.

Технические характеристики автомобиля МАЗ-643068-020-020 приведены в таблице 1.1.

Таблица 1.1 - Технические характеристики автомобиля МАЗ-643068-020-020

Показатель

Значение

Колёсная формула

6х4

Полная масса автопоезда, кг

44000

Полная масса автомобиля, кг

25800

Распределение полной массы на переднюю ось, кг

6800

Распределение полной массы на заднюю ось, кг

19000

Нагрузка на седло, кгс

15850

Масса снаряженного автомобиля, кг

9800

Модель двигателя

MAN D2866LF20 (EURO-2)

Тип двигателя

дизель

Число и расположение цилиндров

8, V-образное

Рабочий объём, см. куб.

14860

Мощность двигателя, кВт (л.с.)

294 (400)

Максимальный крутящий момент, Нм(кгсм)

1730

Коробка передач

ZF 16S151

Тип коробки передач

механическая

Число передач КП

16

Передаточное число ведущего моста

3,86 (4,2)

Подвеска передняя

Параболические малолистовые рессоры

Подвеска задняя

пневматическая

Шины

295/80R22,5

Тип кабины

Длинная с высокой крышей, с 2 сп. местами.

Топливный бак, л

500

Максимальная скорость, км/ч

100

Контрольный расход топлива, л/100 км при V=60 (80) км/ч

36,5

База автомобиля

3200+1350

Габаритная длинна, не более

6900

Дополнительное оборудование

ASR - электронная система противобуксования; независимый подогреватель двигателя и кабины; магнитола; кондиционер


Автомобиль используется в составе автопоезда совместно с полуприцепом МАЗ-938020-016.

Внешний вид полуприцепа представлен на рисунке 1.3.

Рисунок 1.3 - Внешний вид полуприцепа МАЗ-938020-016

Схема прицепа с геометрическими размерами приведена на рисунке 1.4.

Рисунок 1.4 - Схема полуприцепа МАЗ-938020-016

Данный полуприцеп в соответствии с международной классификацией транспортных средств на основе рекомендаций ЕЭК ООН относится к категории O4 - прицепы и полуприцепы полной массой свыше 10 т.

По классификации в соответствии с отраслевой нормалью ОН-025270-66 по данному полуприцепу можно дать следующую информацию:

МАЗ - завод-изготовитель РУП «Минский автомобильный завод», Беларусь;

- полуприцеп;

- тип полуприцепа, бортовой;

- порядковый номер модели;

- модификация базовой модели;

- особенности выпуска, вариант исполнения;

- переходная модель.

Технические характеристики полуприцепа МАЗ-938020-016 представлены в таблице 1.2.

Таблица 1.2 - Технические характеристики полуприцепа МАЗ-938020-016

Показатель

Значение

Тип платформы

тент, передняя жесткая стенка, задние ворота

Масса, кг - перевозимого груза - снаряженного полуприцепа - полуприцепа полная

 14000 5000 19000

Масса, приходящаяся на - седельное устройство тягача - на тележку

 9000 10000

Платформа

пол деревянный, боковые борта откидные, задняя дверь двустворчатая с запорами контейнерного типа, передний высокий борт. Тент синтетический сварной.

Габаритные размеры, мм - длина - ширина - высота - площадь, м.кв

 9840 2420 2320 23,8

Подвеска

рессорная

Колеса - количество колёс - количество осей

 4 + 1 1

Шины

11,00R20


1.2 Проверка соответствия массы и габаритных параметров

Полная масса автопоезда представляет собой сумму снаряженной массы автомобиля-тягача и полной массы полуприцепа.

Полная масса автопоезда, рассматриваемого в данной курсовой работе, согласно данным представленным в таблицах 1.1 и 1.2, составляет

кг+19000 кг=28800 кг=28,8 т.

Предельные полные массы и осевые нагрузки регламентируются Директивой 96/53 ЕС (далее - Директива). Требования Директивы относительно полной массы комбинированных АТС приведены в таблице 1.3, а требования относительно осевых нагрузок - в таблицах 1.4 - 1.6.

Таблица 1.3 - Полная масса комбинированных АТС

Конструктивная схема АТС

Количество осей

Полная масса, т

Шарнирно-сочлененные АТС (тягач с полуприцепом)

3

26,0

Грузовой автомобиль с прицепом1

3

22,0

Шарнирно-сочлененный автобус

любое

28,0

Шарнирно-сочлененное АТС

4

36,0

Шарнирно-сочлененные АТС2

4

38,0

Грузовой автомобиль с прицепом

4

30,0

Грузовой автомобиль с прицепом1

4

36,0

Конструктивная схема АТС

Количество осей

Полная масса, т

Шарнирно-сочлененное АТС

5 и более

40,0

Грузовой автомобиль с прицепом

5 и более

34,0

Грузовой автомобиль с прицепом1

5 и более

40,0

Шарнирно-сочлененное АТС3

6 и более

41,0

Грузовой автомобиль с прицепом1,3

6 и более

41,0

Грузовой автомобиль с прицепом1,3,4

6 и более

44,0

1 Относится к АТС, у которых расстояние между задней осью автомобиля и передней осью прицепа не менее 3 м; 2 Относится к комбинированным АТС, у которых: а) 2-осный тягач и 2-осный полуприцеп; б) масса тягача в комбинации не превышает 18,0 т; в) суммарная масса, приходящаяся на оси полуприцепа, не превышает 20 т; г) ведущая ось оборудована сдвоенными шинами и пневматической или эквивалентной ей подвеской; 3 Относится к АТС, у которых: а) масса, приходящаяся на каждую ведущую ось, не превышает 10,5 т и б) либо каждая ведущая ось оборудована сдвоенными шинами и пневматической или эквивалентной ей подвеской, либо каждая ведущая неуправляемая ось оснащена сдвоенными шипами и масса, приходящаяся на нее, не превышает 8,5 т; в) каждая ось прицепа оснащена пневмошинной или эквивалентной ей подвеской; г) каждое ТС в сцепке имеет не менее 3 осей; 4 Относится к ТС, снабженным двигателями с малым выделением токсичных компонентов (дизельные и газобаллонные двигатели).


Таблица 1.4 - Осевые нагрузки в зависимости от расстояний между центрами смежных осей

Конструктивная схема

Расстояние между центрами смежных осей, м

Максимальная нагрузка, кН

Двойная ведущая ось

Менее 1,0

115,0

Двойная ведущая ось

Не менее 1,0 Не более 1,3

160,0

Двойная ведомая ось

Менее 1,0

110,0

Двойная ведомая ось

Не менее 1,0 Не более 1,3

160,0

Двойная ведомая ось

Не менее 1,3 Не более 1,8

180,0

Тройная ось

Расстояние между центрами любых двух смежных осей 1,3 или менее

210,0


Рассматриваемый автопоезд относится к шарнирно-сочлененным АТС с 4 осями. Для них Директивой установлена максимальная полная масса 38 т.

Полная масса автопоезда составляет 28,8 т, из них (согласно таблицам 1.1 и 1.2):

- 10 т приходится на тележку полуприцепа, т.е. нагрузка на ось тележки составляет 109,81=98,1 кН

16,26 т (9 - от полуприцепа и 7,26 - от тягача) приходится на 2 ведущие оси тягача, т.е. нагрузка на 2 ведущие оси тягача составляет 159,5 кН, что удовлетворяет требованиям Директивы (таблица 1.4);

2,54 т приходится на переднюю ведомую ось тягача, т.е. нагрузка составляет 24,9 кН, что удовлетворяет требованиям Директивы.

Так как нагрузка на оси полуприцепа превышает 75 кН, то проверим соответствие нагрузки на тележку полуприцепа в целом требованиям Директивы (таблица 1.6): нагрузка на тележку полуприцепа составляет 235,44 кН, что превышает требования Директивы.

Таким образом, из произведённых расчётов можно сделать вывод, что при полной загрузке полуприцепа происходит нарушение требований Директивы. Поэтому для выезда автопоезда в страны ЕС необходимо производить неполную загрузку полуприцепа.

Габаритные параметры транспортных средств в странах ЕС представлены в таблице 1.7.

Таблица 1.7 - Габаритные параметры транспортных средств в странах ЕС

Конструктивная схема ТС

Максимальная длина, м

Одиночное ТС

12

Шарнирно-сочлененное ТС

16,5

Шарнирно-сочлененное ТС с низким центром тяжести

18

Автопоезд с одним прицепом

18,75

Автопоезд с двумя и более прицепами

25,9

Высота ТС - 4 м; Ширина - 2,55 м (для всех ТС); 2,6 м (для ТС с изотермическим кузовом).


Габариты рассматриваемого автопоезда: длина - 13,27 м (согласно расчетам, проведенным на основании рисунков 1.2 и 1.4); высота - 4,0 м; ширина 2,5 м.

Таким образом, габаритные параметры автопоезда соответствуют требованиям Директивы 96/53 ЕС.

1.3 Требования к системам обеспечивающие безопасность дорожного движения

Рулевое управление

Рулевое управление - совокупность механизмов, служащих для поворота управляемых колес, обеспечивающее движение автомобиля в заданном направлении.

Основные требования в отношении конструкции рулевого управления регламентируют Правила ЕЭК ООН №79. Главное требование заключается в наличии жесткого механического соединения между органом рулевого управления и управляемыми колесами.

Механизмы рулевого управления - это все механизмы, которые предназначены для изменения направления движения транспортного средства.

Орган рулевого управления - это все элементы, расположенные выше той точки, в которой рулевое усилие преобразуется при помощи механических, гидравлических или электрических устройств.

Рулевой привод - элементы, обеспечивающие функциональную связь между органом рулевого управления и управляемыми колёсами. Рулевой привод делится на привод управления (обеспечивает передачу механических усилий) и энергетический привод (обеспечивает передачу энергии).

Система рулевого управления должна обеспечивать простое и надежное управление транспортным средством на всех скоростях до достижения максимально допустимой скорости. Должна самостоятельно возвращаться в нейтральное положение. При движении по прямой должна исключаться необходимость заметной корректировки водителем направления движения. При движении с максимальной скоростью не должно быть вибраций.

Орган рулевого управления должен поворачиваться в ту же сторону, куда осуществляется поворот транспортного средства, должна быть постоянная взаимосвязь между углами поворота органа рулевого управления и колес.

Механизм рулевого управления при нормальных условиях эксплуатации должен выдерживать возникающие нагрузки.

Ни одна из частей рулевого управления, кроме специально предусмотренных, не должна ограничивать угол поворота.

Современные системы содействия водителю в осуществлении рулевого управления должны предусматривать возможность преднамеренной корректировки водителем управления вручную.

Для энергопитания рулевого управления и других систем может применяться один и тот же источник энергии, но при отказе других систем или этого источника приоритет отдается рулевому управлению.

При движении автопоезда по прямой тягач и прицеп (полуприцеп) должны останавливаться на одной линии.

Те части рулевого управления, поломка которых влияет на потерю управляемости, должны быть изготовлены из металла.

Механизм рулевого управления должен быть спроектирован таким образом, чтобы его можно было проверить общепринятыми способами, без демонтажа при помощи доступных приборов.

Основные эксплуатационные требования к рулевому управлению изложены в СТБ 1641-2006:

) Суммарный люфт должен быть не более величины, установленной заводом- изготовителем. Либо, если не указано, то:

легковые автомобили и транспортные средства на базе легковых - 10°;

автобусы - 20°;

грузовые автомобили - 25°.

) Вращения руля должно быть без рывков и заеданий.

) Предусмотренный усилитель рулевого управления должен быть исправен.

) Максимальный угол поворота должен ограничиваться только при помощи предназначенных для этого устройств.

) Не должно быть непредусмотренных перемещений деталей и узлов, деформаций.

) Резьбовые соединения должны быть затянуты и зафиксированы.

) Не должно быть подвижности рулевой колонки.

Рулевое управление автомобиля-тягача МАЗ-643068-020-020 удовлетворяет всем вышеизложенным требованиям.

Тормозные системы

Тормозной называется система управления автомобилем, которая служит для уменьшения скорости движения, остановки и удержания автомобиля на месте. Тормозная система обеспечивает безопасность при движении и остановках.

Основным документом, содержащим требования к тормозным системам, является Правило ЕЭК ООН №13.

Тормозной привод подразумевает под собой совокупность элементов, находящихся между органом управления и тормозом, обеспечивает их функциональную взаимосвязь.

Тормозная система должна противостоять старению и коррозии. Тормозные накладки не должны содержать асбест.

Седельный тягач МАЗ-643068-020-020 относится к транспортному средству категории N3. Транспортные средства данной категории должны быть оборудованы системой рабочего, аварийного и стояночного торможения.

Полуприцеп МАЗ-938020-016 относится к транспортным средствам категории О4. Прицепы и полуприцепы данной категории должны иметь рабочую тормозную систему (непрерывного или полунепрерывного типа) и на случай отсоединения от тягача - стояночный тормоз. При этом стояночный тормоз должен быть таким, чтобы он приводился в действие лицом, стоящим на дороге.

Если механическое транспортное средство допущено к буксировке прицепа О3 или О4, то рабочая тормозная система прицепа должна приводится в действие одновременно со срабатыванием рабочей, аварийной или стояночной системами буксирующего транспортного средства.

Рабочая тормозная система должна позволять контролировать направление движения транспортного средства, останавливать его надежным и быстрым способом, тормозное усилие должно быть регулируемым. Водитель должен осуществлять торможение со своего места, не отрывая рук от руля. Рабочая тормозная система должна воздействовать на все колеса транспортного средства, распределять свое усилие между передними и задними осями, симметрично распределять усилие относительно продольной оси (исключение составляют транспортные средства, оборудованные АБС).

Аварийная тормозная система должна обеспечивать остановку на достаточно коротком расстоянии при отказе рабочего тормоза. Тормозное усилие должно быть регулируемым. Водитель должен осуществлять торможение со своего места, хотя бы одной рукой контролируя направление движения.

Стояночное торможение должно обеспечивать неподвижность транспортного средства на подъеме и спуске, при отсутствии водителя за счет поддержания заторможенного состояния при помощи только механических устройств. В транспортных средствах категории М и N такая система должна приводиться в действие с места водителя. Для категорий О3 и О4 должна приводиться в действие только снаружи.

Тормозные системы должны автоматически останавливать прицеп при разрыве сцепки с тягачом.

Кроме вышеперечисленных тормозных систем, транспортные средства категории N3, которым разрешено буксировать прицепы (полуприцепы) категории О4, должны быть оборудованы вспомогательной тормозной системой.

Вспомогательная тормозная система предназначена для уменьшения энергонагруженности рабочей тормозной системы. Она реализует функцию замедления транспортного средства без торможения.

Вспомогательная тормозная система должна иметь несколько уровней эффективности: нижний уровень рассчитан на порожние транспортные средства, а максимальный уровень - на полностью загруженные.

Нормативные требования к тормозным системам, проверяемые дорожным или стендовым методом, приведены в СТБ 1641-2006:

) Стояночная тормозная система при полной массе должна обеспечивать неподвижное состояние транспортных средств на уклонах:

до 16% включительно - для транспортных средств всех категорий с полной нагрузкой;

до 23% включительно - для транспортных средств категорий М1, М², и М³ в снаряженном состоянии;

до 31% включительно - для транспортных средств категорий N1, N2, и N3 в снаряженном состоянии (в т.ч. с прицепами).

) Седельный тягач с полуприцепом должен сохранять устойчивость. Критерием устойчивости сложит тормозной фактор k =0,8…1,2.

Нормативы эффективности торможения транспортных средств в соответствии с Правилами ЕЭК ООН приведены в таблицах 1.8 и 1.9.

Таблица 1.8 - Нормативы эффективности торможения транспортных средств рабочей и аварийной тормозных систем при проверках на стендах

Категория ТС

Усилие на органе управления, Н, не более

Удельная тормозная сила γт, не менее



рабочей тормозной системы

аварийной тормозной системы

М1

500 4003

0,50

0,25

М², М³

700 6003

0,50 0,481

0,25 0,241

N1

700 6003

0,45 0,52

0,20 0,222

N2, N3

700 6003

0,43 0,452

0,19 0,202

О2 (кроме оборудованных рабочими тормозами инерционного типа), О3, О4

-

0,40 0,432

0,20 0,212

1 Не оборудованные АБС либо получившие официальное утверждение типа до 01.10.1991 г. 2 Получившие официальное утверждение типа после 1988 г. 3 Для ТС с ручным управлением аварийной тормозной системой


Таблица 1.9 - Нормативы эффективности торможения транспортных средств рабочей и аварийной тормозных систем при проверках в дорожных условиях (начальная скорость торможения - 40 км/ч)

Категория ТС

Усилие на органе управления, Н, не более

Тормозной путь ТС Sт, м, не более

Установившееся замедление Jуст, м/с2, не менее

Время срабатывания тормозной системы tср, с, не более



рабочей тормозной системы

аварийной тормозной системы

рабочей тормозной системы

аварийной тормозной системы


M1

500 4001

14,7 15,42

25,3 26,82

5,8 5,42

2,9 2,72

0,6

M², M³

700 6001

18,3

30,6

5,0

2,5

0,6

N1, N2, N3

700 6001

18,3 19,52

33,8 35,02

5,0

2,2

0,6 0,82

1 Для ТС с ручным управлением аварийной тормозной системой 2 ТС с прицепами и полуприцепами


Седельный тягач МАЗ-643068-020-020 имеет рабочую тормозную систему с пневматическим двухпроводным приводом, стояночный тормоз механического типа, а также аварийную и вспомогательную тормозные системы.

Полуприцеп МАЗ-938020-016 имеет рабочую и стояночную тормозные системы.

Таким образом, рассматриваемый автопоезд, состоящий из седельного тягача МАЗ-643068-020-020 и полуприцепа МАЗ-938020-016, соответствует международным требованиям в плане оборудования тормозными системами.

Шины, оси и колеса

Седельный тягач МАЗ-643068-020-020 имеет переднюю подвеску c параболическими малолистовыми рессорами и пневматическую заднюю. На автомобиле устанавливается 10 дисковых колес размером 8,5-20. На двух задних осях установлены сдвоенные колеса. Шины размером 295/80R22,5.

Полуприцеп МАЗ-938020-016 имеет рессорную 1-осную подвеску. На полуприцепе устанавливается 4 (+1 запасное) колеса размером 8,5-20. Колёса сдвоенные. Способ крепления - клиновый. Колеса полуприцепа имеют шины размером 11.00R20. Давление в шинах составляет 0,662+/-0,02 МПа.

На транспортных средствах в процессе их эксплуатации не допускается отсутствие хотя бы одного болта или гайки крепления колес, а также несоблюдение моментов их затяжки.

Подшипники ступиц колес должным быть отрегулированы в соответствии с указанием завода-изготовителя.

Ступицы должны свободно и равномерно вращаться в обоих направлениях.

Тип и размеры дисков колес должны соответствовать требованиям изготовителя.

Не допускается наличие трещин и деформаций.

Требования к шинам содержаться в Правилах ЕЭК ООН №30 и №54:

Размер, модель, допустимая нагрузка и тип рисунка протектора выбираются в соответствии с требованиями изготовителя транспортного средства.

Запрещается установка шин с отремонтированными местными повреждениями на передних осях всех механических транспортных средств.

Если применяются шины с шипами противоскольжения, то они должны быть установлены на всех осях транспортного средства.

Не допускается установка на одной оси и сдвоенных колесах одной оси шины различной конструкции и с различным типом рисунка протектора.

Шины не должны иметь местных повреждений, которые обнажают корд, а также местных отслоений протектора.

Не допускается инородные предметы между сдвоенными шинами.

Не допускается замена золотников заглушками, пробками и т.д.

Высота рисунка протектора должна быть не менее:

2,0 мм - для транспортных средств категории М² и М³;

1,0 мм - для транспортных средств категории N1.

Высота рисунка протектора шин прицепов и полуприцепов должна быть такой же, как и у применяемых с ними тягачей.

Шина считается непригодной к эксплуатации, если появился 1 индикатор износа на дне канавки протектора при равномерном износе шины или 2 индикатора в различных сечениях, при неравномерном износе.

Не допускается наличие трещин, следов их устранения сваркой.

Таким образом, установленные на тягаче и полуприцепе колеса и шины соответствуют международным требованиям.

Сцепные устройства

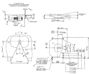
Седельный тягач МАЗ-643068-020-020 оборудован опорно-сцепным устройством класса G. А на полуприцепе МАЗ-938020-016 установлен шкворень опорно-сцепного устройства класса H.

Внешний вид и основные размеры стандартных опорно-сцепных устройств приведены на рисунке 1.5. Также на рисунке показаны углы поворота, которые должно обеспечивать опорно-сцепное устройство класса G.

Рисунок 1.5 - Размеры стандартных опорно-сцепных устройств

Размеры стандартных опорно-сцепных устройств приведены в таблице 1.10.

Таблица 1.10 - Размеры стандартных опорно-сцепных устройств, мм

Класс

G50-1

G50-2

G50-3

G50-4

G50-5

G50-6

H

140-159

160-179

180-199

200-219

220-239

240-260


Размеры направляющих клиньев на пружинной опоре приведены на рисунке 1.6.

Рисунок 1.6 - Размеры направляющих клиньев на пружинной опоре

Размеры шкворней опорно-сцепных устройств класса H50 приведены на рисунке 1.7.

Рисунок 1.7 - Размеры шкворней опорно-сцепных устройств класса H50

Общее требования к сцепным устройствам устанавливаются Правилами ЕЭК ООН №55:

Все детали, повреждение которых может привести к отсоединению, должны изготавливаться из стали.

Устройства должны быть безопасны в эксплуатации.

Расцепка и сцепка должна производиться одним человеком без использования специального инструмента.

В закрытом положении устройства должны блокироваться хотя бы одним механическим приспособлением.

К каждому устройству должна прилагаться инструкция по эксплуатации и монтажу.

На всех устройствах должен указываться его класс, а также основные характеристики.

Требования к опорно-сцепным устройствам класса G:

Должны использоваться со шкворнями класса H.

Должны быть оснащены направляющими приспособлениями для безопасного запирания шкворня. Размеры направляющих приспособлений приведены на рисунке 1.6.

Должно блокироваться в закрытом положении двумя устройствами: основное устройство должно быть автоматическим, аварийное - автоматическим либо ручным. Аварийное устройство запирания должно срабатывать только после срабатывания основного. Закрытое положение должно указываться визуально при помощи механического приспособления. Разблокирование должно производиться только при помощи целенаправленных осознанных действий. Разблокирование должно осуществляться рычагом, расположенным непосредственно на самом сцепном устройстве.

Требования к шкворням класса H приведены на рисунке 1.7.

Таким образом, сцепные устройства, установленные на тягаче и полуприцепе, соответствуют международным требованиям.

Зеркала, стекла и стеклоочистители

Требования к стеклам устанавливаются Правилами ЕЭК ООН №43, СТБ 1641-2006, а также правилами дорожного движения.

Коэффициент светопропускания стекол не менее:

75% - для ветровых стекол;

70% - остальные стекла, обеспечивающие обзор спереди, кроме ветровых, а также для стекол, обеспечивающих обзор сзади.

Стекла должны быть достаточно прозрачными и не давать искажения предметов, наблюдаемых через ветровое стекло, не приводить к путанице цветов, используемых в дорожной сигнализации.

В случае разрушении ветрового стекла водитель должен достаточно хорошо видеть дорогу, что бы безопасно остановить транспортное средство.

Не допускается наличие трещин на ветровом стекле на половине со стороны водителя, в зоне очищаемой стеклоочистителем.

Запрещается наносить дополнительные предметы или покрытия, ограничивающие обзорность со стороны водителя. В верхней части ветрового стекла может быть нанесена цветная пленка шириной до 140 мм.

Требования к зеркалам устанавливаются Правилами ЕЭК ОНН №46:

Внешние зеркала заднего вида должны просматриваться через ту часть ветрового стекла, которая очищается стеклоочистителем.

Зеркала не должны выступать за кузов ТС больше, чем это необходимо для обеспечения полей обзора.

Внутреннее зеркало заднего вида должно регулироваться водителем с своего места. А внешние зеркала должны регулироваться при закрытой двери, окно при этом может быть открыто.

В таблице 1.11 приведен перечень зеркал, которые должны быть установлены на транспортных средствах категории N3.

Таблица 1.11 - Количество и тип зеркал, устанавливаемых на транспортном средстве

Категория транспортного средства

Класс зеркал

Наличие

Количество

N3

I

Допускается

1 внутри


II

Обязательно

1 слева, 1 справа


III

Запрещено

-


IV

Допускается

1 слева, 1 справа


V

Обязательно - 1 справа Допускается - 1 слева

-


VI

Обязательно

сперели

Требования к стеклоочистителям:

1) Должны сохранять работоспособность при температуре от -20 до +55°С.

) Должны выдерживать нагрузки, возникающие при затормаживании его за рычаг щетки.

) При установке на автомобилях и автобусах после выключения должны возвращаться в исходное положение.

) Двигатель должен быть защищен от перегрузок.

) Частота перемещения щеток по мокрому стеклу не менее 35 двойных ходов в минуту (на самом быстром режиме).

) Угол размаха не менее установленного конструкцией транспортного средства.

7) Щетки должны очищать стекло не менее чем за 10 двойных ходов - для автобусов и 5 - для остальных транспортных средств.

Стекла, зеркала и стеклоочистители, установленные на автомобиле МАЗ-643068-020-020, соответствуют вышеизложенным требованиям.

Система освещения и световой сигнализации

В процессе производства все световые приборы проходят процедуру утверждения на соответствие определенным правилам ЕЭК ООН. А затем транспортные средства в целом (со смонтированными световыми приборами) проверяются на соответствие Правилу ЕЭК ООН №48.

Запрещается установка световых приборов и светоотражателей с огнями красного цвета - спереди и белого цвета - сзади (исключение: фонарь заднего хода, подсветка номера, светоотражающий фон номерного и опознавательных знаков).

Электрическая схема должна обеспечивать одновременное включение и выключение передних и задних габаритных огней, контурных огней, боковых габаритных огней и подсветки номера. При этом могут быть включены фары дальнего, ближнего света и противотуманные фары.

Не допускается изменение предусмотренного заводом-изготовителем месторасположения фар.

Не допускается установка дополнительных оптических элементов, не предусмотренных конструкцией транспортного средства.

Требуемое количество, цвет и расположение световых приборов и светоотражающих устройств указаны в таблице 1.12.

Таблица 1.12 - Световые приборы и светоотражающие устройства

Наименование

Расположение и количество

Цвет излучения

Наличие приборов на АТС в зависимости от категорий

Фара дальнего света

2 или 4 спереди

Белый

Обязательно для категорий М, N. Запрещено для категории О

Фара ближнего света

2 спереди

Белый


Передняя противотуманная фара

2 спереди

Белый или желтый

Допускается для категорий М, N. Запрещено для категории О

Фара заднего хода

1 сзади (допускается 2)

Белый

Обязательно для категорий: М1; М², М³, N, О2, О3, О4 - длиной ≤ 6 м. Допускается для O1


2 сзади (допускается 4)

Белый

Обязательно для категорий М², М³, N, О2, О3, О4 - длиной > 6 м.

Указатель поворота:


передний

2 спереди

Желтый

Обязательно для категорий М, N. Запрещено для категории О

задний

2 сзади

Желтый

Обязательно

боковой

2 сбоку

Желтый

Обязательно для категорий М, N. Запрещено для категории О

Фонарь сигнала торможения

2 сзади

Красный

Обязательно

Дополнительный сигнал торможения

1 сзади

Красный

Обязательно для категории М1, N1, за исключением категории N1 без кузова или с открытым грузовым отделением. Допускается для остальных категорий

Габаритный огонь:


передний

 2 спереди

 Белый

Обязательно для категорий М, N. Обязательно для категории О шириной > 1,6 м. Для остальных прицепов - допускается.

задний

2 сзади

Красный

Обязательно

Задняя противотуманная фара

1 или 2 сзади

Красный

Обязательно

Наименование

Расположение и количество

Цвет излучения

Наличие приборов на АТС в зависимости от категорий

Стояночный огонь (при совмещении с боковыми указателями поворота и боковыми габаритными фонарями):


передний

2

Белый

Допускается для ТС длиной ≤ 6 м и шириной ≤ 2 м и запрещено на остальных ТС

задний

2

Красный


боковой

2

Желтый


Боковой габаритный огонь

2 сбоку (с каждой стороны)

Желтый

Обязательно на ТС > 6 м, за исключением грузовых автомобилей без кузова. Допускается для других ТС.

при группировании, комбинировании или совмещении с задним габаритным, контурным огнями или сигналом торможения


Красный


Контурный огонь:


передний

2 спереди

Белый

Обязательно для ТС шириной > 2,1 м. Допускается для ТС шириной от 1,8 до 2,1 м и для грузовых автомобилей без кузова

задний

2 сзади

Красный


Фонарь освещения заднего государственного регистрационного знака

Достаточное для освещения номерного знака

 Белый

 Обязательно

Дневной ходовой огонь

2 спереди

Белый

Обязательно для категорий М, N. Запрещено для категорий О

Переднее светоотражающее устройство

2 спереди

Белый

Обязательно для категории О и ТС с убирающимися фарами. Допускается для других ТС

Боковое светоотражающее устройство:

Не менее 2 сбоку

Желтый

Обязательно для категорий M, N длиной > 6 м. Обязательно для категории О. Допускается для других ТС.

при группировании с задними габаритным, контурным огнями, задним противотуманным фонарем, сигналом торможения или красным боковым габаритным фонарем


  Красный


Заднее светоотражающее устройство: не треугольной формы

2 сзади

Красный

Обязательно для категорий М и N. Для категории О - допускается (при группировании с другими световыми приборами задней световой сигнализации).

треугольной формы

2 сзади

Красный

Обязательно для категорий О. Запрещено для категорий М, N

Контурная маркировка:


боковая

1 и более

Белая или желтая

Запрещено для категории М1 и О1. Обязательно для ТС длиной > 6 м следующих категорий: N2 максимальной массой > 7,5 т; N3 (за исключением грузовых автомобилей без кузова, неукомплектованных транспортных средств и тягачей для полуприцепов); О3 и О4. Для остальных ТС - допускается

задняя

1 и более

Красная или желтая

Запрещено для категории М1 и О1. Обязательно для ТС шириной > 2,1 м следующих категорий: N2 максимальной массой > 7,5 т; N3 (за исключением грузовых автомобилей без кузова, неукомплектованных транспортных средств и тягачей для полуприцепов); О3 и О4. Для остальных ТС - допускается


Фары должны соответствовать Правилам ЕЭК ООН №31, №98, №112.

На автопоезде установлены все предусмотренные Правилами ЕЭК ООН световые приборы и светоотражающие устройства. Все они соответствуют требованиям международных стандартов.

Опознавательные знаки и светоотражающие маркировки

Опознавательные знаки транспортных средств - это предупредительные устройства и обозначения, изготавливаемые согласно международному соглашению.

Опознавательные знаки должны быть чистыми, хорошо заметными другим участникам дорожного движения.

На транспортные средства запрещается прикреплять любую другую информацию или знаки, в которых использованы формы, цветовые комбинации и символика, установленные Государственным стандартом для дорожных знаков и которые могут ввести в заблуждение других участников дорожного движения.

На прицепах (полуприцепах), длина которых, включая сцепное устройство, превышает 8 м, а также на прицепах (полуприцепах), полная масса которых превышает 10 т, сзади должен быть прикреплен опознавательный знак «Транспортное средство большой длины» - прямоугольник, изготовленный из светоотражающего материала желтого цвета с флюоресцирующей каймой красного цвета (длина стороны прямоугольника от 195 до 230 мм, ширина каймы 40 мм). Количество, размещение и общая длина опознавательных знаков должны соответствовать требованиям.

Требования к светоотражающей маркировке:

• Светоотражающие маркировочные материалы должны быть изготовлены таким образом, чтобы в нормальных условиях эксплуатации обеспечивалось их удовлетворительное функционирование и сохранялись их характеристики. Кроме того, они не должны иметь каких-либо конструктивных или производственных дефектов, препятствующих их эффективному функционированию или сохранности.

• Маркировочные материалы или их элементы должны быть устроены таким образом, чтобы их нельзя было легко разобрать.

• Средства крепления маркировочных материалов должны быть прочными и надежными.

• Внешняя поверхность маркировочных материалов должна легко чиститься, она не должна быть шероховатой, и любые выпуклости, которые могут быть на ней, не должны препятствовать чистке.

• Повреждения и отслоения светоотражающей маркировки не допускаются.

Кроме того, должна подтверждаться информация о наличии на борту транспортного средства сертификата дорогосоответствия по требованиям EKMT путем установки на нем спереди соответствующего опознавательного знака.

Внешний вид опознавательных знаков, предназначенных для установки на транспортные средства, представлен на рисунке 1.8.

«Автопоезд»

«Транспортное средство большой длины»

«Транспортное средство большой грузоподъемности»

Рисунок 1.8 - Опознавательные знаки для транспортных средств

Устройства измерения и ограничения скорости

Требования к устройствам измерения и ограничения скорости регламентируются Правилами ЕЭК ООН №39, №68, и №89:

Средства измерения скорости (спидометры) и пройденного пути должны быть работоспособны.

Дисплей спидометра должен быть расположен непосредственно в поле зрения водителя, и его показания должны быть четко различимы как в дневное, так и в ночное время. Диапазон показываемых скоростей должен быть достаточно большим для того, чтобы включать максимальную скорость для данного типа транспортного средства, указанную заводом-изготовителем.

Спидометры, предназначенные для транспортных средств категории N, должны иметь цену делений 1, 2, 5 или 10 км/ч.

Автотранспортные средства (транспортные средства на жесткой раме и тягачи для полуприцепов) максимальной массой более 12 т должны быть оборудованы устройством ограничения скорости в соответствии с техническими требованиями Правил №89 ЕЭК6 с поправками. Это устройство должно быть отрегулировано таким образом, чтобы скорость не могла превышать 90 км/ч, с учетом технического допуска устройства.

Седельный тягач МАЗ-643068-020-020 оборудован средствами измерения и ограничения скорости, соответствующими международным требованиям.

Ремни и подушки безопасности

Ремнями безопасности должны быть оборудованы все посадочные места, предназначенные для взрослых пассажиров и водителей.

Главным недостатком ремней безопасности является ограничение перемещений людей и стеснение их движений в безаварийных условиях. Чтобы избежать указанного недостатка, применяют устройства, позволяющие ограничивать перемещения людей только при аварии. К ним относятся: подушки безопасности, защитные стенки из надувных мешков, удерживающие рычаги и упругие части сидений, предохранительные сетки безопасности, безопасные сиденья, надежное крепление сидений к полу кузова, подголовники.

Требования к ремням и подушкам безопасности устанавливаются Правилами ЕЭК ООН №14, №16 и №114:

Ремень или удерживающая система должны быть сконструированы и изготовлены таким образом, чтобы при их правильном креплении и правильном использовании обеспечивалось их надлежащее действие и чтобы они уменьшали опасность телесных повреждений в случае ДТП.

Лямки ремня не должны принимать такую форму, которая может оказаться опасной.

Все жесткие части ремня безопасности, такие, как пряжки, регулирующие

устройства, детали крепления и т.д., не должны иметь острых углов, которые могут приводить к износу или разрыву лямок в результате трения.

Жесткие части, предназначенные для поглощения энергии либо для несения или передачи нагрузки, не должны быть хрупкими.

Жесткие части и изготовленные из пластмассы элементы ремня безопасности располагаются и устанавливаются таким образом, чтобы при нормальном пользовании они не могли попасть под передвижное сиденье или в дверь транспортного средства.

Надетый пользователем ремень безопасности должен либо регулироваться автоматически, либо иметь такую конструкцию, чтобы ручное регулирующее приспособление было легкодоступным для сидящего пользователя и обеспечивало удобную и легкую регулировку. Оно должно также допускать затягивание ремня одной рукой в зависимости от телосложения пользователя и от положения сиденья транспортного средства.

Минимальные требования, предъявляемые к ремням безопасности представлены в таблице 1.13.

Таблица 1.13 - Минимальные требования, предъявляемые к ремням безопасности

Категория транспортного средства

Сиденья, расположенные по направлению движения

Сиденья, расположенные против направления движения


Боковые

Центральные



Передние

Прочие

Передние

Прочие


N2 и N3

A или B*

B

A или B*

B

B

А - ремень (поясной и диагональный) с креплением в трех точках. B - ремень (поясной) с креплением в двух точках. * допускается.


Воздействие магнитных полей не должно нарушать функционирование системы подушки безопасности.

Комплект системы должен включать в себя устройство, предупреждающее пользователя о неисправности системы подушки безопасности.

Седельный тягач МАЗ-643068-020-020 оборудован необходимым количеством (согласно Правилам ЕЭК ОНН) ремней и подушек безопасности. Данные устройства соответствуют международным требованиям.

Сиденья и подголовники

Требования к сиденьям и подголовникам устанавливаются Правилами ЕЭК ООН №11, №17, №21, №25, и №80.

Общие технические требования, предъявляемые к сиденьям и подголовникам, установленным на транспортных средствах категорий N1, N2 и N3:

На сиденьях и спинке сиденья не допускаются провалы, рваные места, выступающие пружины и острые углы.

Одиночные сиденья и многоместные нераздельные сиденья должны быть надежно закреплены на транспортном средстве.

Регулируемые одиночные сиденья, передвигаемые по направляющим, и многоместные нераздельные сиденья должны автоматически фиксироваться во всех предусмотренных положениях.

Регулируемые спинки сидений должны фиксироваться во всех предусмотренных положениях.

Все сиденья, которые могут сдвигаться вперед или оборудованы складными откидными спинками, должны автоматически фиксироваться в нормальном положении.

Наличие подголовника не должно создавать дополнительную опасность для водителя и пассажиров транспортного средства. В частности, подголовник не должен, находясь в любом положении, иметь опасные неровности или острые выступы, которые могли бы увеличить опасность или серьезность ранения водителя и пассажиров.

Подголовник должен быть укреплен на сиденье или конструкции транспортного средства таким образом, чтобы под давлением модели головы во время испытания из набивки подголовника, из крепления или из спинки кресла не выступало никаких острых и опасных частей.

Для подголовников, не регулируемых по высоте, высота должна составлять не менее 800 мм в случае передних сидений и 750 мм в случае других сидений.

Для подголовников, регулируемых по высоте высота должна составлять:

не менее 800 мм в случае передних сидений;

не менее 750 мм в случае задних сидений.

Ширина подголовника должна обеспечивать удобное положение для головы нормально сидящего человека.

Установленные на седельном тягаче МАЗ-643068-020-020 сиденья и подголовник соответствуют требованиям Правил ЕЭК ООН.

Противоподкатные устройства

Противоподкатные устройства подразделяются на передние, задние и боковые.

Требования к передним противоподкатным устройствам устанавливаются Правилами ЕЭК ООН №93: N2 N3 O3 O4

Должны быть установлены на транспортных средствах категорий N2 и N3.

Должны обладать достаточной прочностью.

Не должны иметь острых граней, концы не должны загибаться вперед.

Внешняя поверхность должна быть ровной либо иметь горизонтальное рифление.

Требования к задним противоподкатным устройствам устанавливаются Правилами ЕЭК ООН №58:

Обязательно устанавливаются на транспортные средства категорий N2, N3, O3, и O4 (исключение составляют седельные тягачи и прицепы для перевозки длинномерных неделимых грузов).

Ширина не должна превышать длину самой длинной из задних осей и в то же время не должна быть короче ее более чем на 100 мм с каждой стороны.

Должны иметь высоту поперечного сечения не менее 100 мм.

Концы не должны загибаться назад или иметь острые выступы.

Должны иметь дорожный просвет по всей длине не более 550 мм.

Требования к боковым противоподкатным устройствам устанавливаются Правилами ЕЭК ООН №73:

Обязательно устанавливаются на транспортные средства категорий N2, N3, O3, и O4 (исключение составляют седельные тягачи и прицепы для перевозки длинномерных неделимых грузов).

Не должны выступать по ширине за габариты транспортного средства и в то же время не должны отстоять более чем на 120 мм от наружной поверхности.

Внешняя поверхность должна быть гладкой и по возможности сплошной от передней до задней части.

Как видно на рисунках 1.1 - 1.4, на автомобиле МАЗ-643068-020-020 и полуприцепе МАЗ-938020-016 установлены требуемые Правилами ЕЭК ООН противоподкатные устройства. Данные устройства соответствуют международным требованиям.

Кабина и кузов

Требования к кабине и кузову транспортных средств устанавливаются Правилами ЕЭК ООН №29, №32, №33 и №66.

В соответствии с этими Правилами к кабине (салону) транспортных средств предъявляются следующие требования:

шум, вибрация, микроклимат и концентрация вредных веществ в кабине грузового автомобиля, внутри салона и кабины автобуса и кузова легкового автомобиля должны соответствовать значениям, указанным в действующих государственных стандартах, санитарных нормах и правилах, гигиенических нормативах;

отопительные устройства кабины и салона в холодное время должны быть работоспособны; применять отработавшие газы в качестве теплоносителя для обогрева кабины и салона запрещается, они могут использоваться только для подогрева теплоносителя;

пол кабины, салона и кузова АТС должен застилаться ковриком, не имеющим отверстий и прочих повреждений.

Кроме того, кабина должна быть сконструирована и укреплена на транспортном средстве таким образом, чтобы в случае ДТП максимально устранить опасность ранения находящихся в ней лиц.

После удара никакой жесткий элемент в салоне не должен представлять опасности серьезного ранения водителя или пассажиров транспортного средства.

Боковые двери транспортного средства не должны открываться под действием удара.

После удара должна остваться возможность открытия без необходимости использования инструмента достаточного числа дверей для обеспечения эвакуации всех лиц, находящихся в транспортном средстве.

Кабина автомобиля МАЗ-643068-020-020 отвечает требованиям Правил ЕЭК ООН.

.4 Требования к экологической безопасности

Требования по выбросам отработавших газов транспортных средств устанавливаются Правилами ЕЭК ООН №15, №24, №49, №83 и №103. А требования по шумовому воздействию транспортных средств устанавливаются Правилами ЕЭК ООН №51 и №59.

На седельном тягаче МАЗ-643068-020-020 установлен двигатель модели MAN D2866LF20 (EURO-2) мощностью 294 кВт.

Для транспортных средств, соответствующих нормам Евро-2 - Евро-5, предусмотрена сертификация дорогосоответствия по требованиям EKMT.

Основные требования данной сертификации для Евро-2 «Более зеленое и безопасное транспортное средство» в отношении экологической безопасности:

уровень шума для двигателей мощность более 150 кВт - не более 80 дБ;

- выбросы для дизелей: СО - не более 4 г/кВтч; СН - не более 1,1 г/кВтч; NOx - не более 7 г/кВтч и РН (дымность) - не более 0,15 м-1.

Начиная с 2008 года в странах ЕС действует стандарт Евро-5. Согласно данному стандарту к транспортным средствам применяются более жесткие экологические требования.

Так как автомобиль МАЗ-643068-020-020 не соответствует стандарту Евро-5, то выезд его в страны ЕС возможен только по специальному разрешению.

1.5 Требования к устройствам, обеспечивающим повышение безопасности и эффективности перевозок

Согласно Директиве 3821/85 ЕС большинство грузовых автотранспортных средств, имеющих разрешенную максимальную полную массу более 3,5 т, и автотранспортные средства для перевозки пассажиров вместимостью более 9 человек должны быть оснащены аттестованным тахографом. Тахограф - контрольный бортовой регистрирующий прибор в составе транспортного средства, предназначенный для контроля и регистрации таких параметров как: скорость движения, пробег автомобиля, периоды труда и отдыха водителя. Принцип работы тахографа основан на обработке электрических сигналов, поступающих с импульсного датчика пути / скорости, устанавливаемого на коробке передач. Переключение режимов работы тахографа осуществляют водители. Параметры автоматически регистрируются на персональном диаграммном диске для каждого водителя.

Тахограф должен позволять записывать следующие данные:

расстояние, пройденное транспортным средством;

скорость транспортного средства;

время нахождения в движении;

другие периоды работы или данные о присутствии на работе водителя (водителей);

перерывы в работе и ежедневные периоды для отдыха;

- вскрытие контейнера, содержащего лист с записью.

Кроме того, для повышения безопасности и эффективности перевозок транспортные средства, используемые для международных перевозок, могут быть оснащены антипробуксовочной системой, навигационной системой, системой «круиз-контроль» и т.д.

Антипробуксовочная система - электрогидравлическая система автомобиля, предназначенная для предотвращения потери сцепления колес с дорогой посредством контроля за буксованием ведущих колёс.

Данная система существенно позволяет упростить управление машиной на влажной, сырой трассе. Предназначается для ликвидации потери тяги посредством контроля над пробуксовкой ведущих колёс. В реальном времени, с помощью датчиков, отслеживается скорость вращения колёс и если вдруг обнаруживается начало пробуксовки одного из них, то система вычисляет наилучший вариант восстановления сцепления с дорогой и обеспечивает уверенную управляемость и максимально эффективный разгон автомобиля.

Система навигации чрезвычайно удобна в эксплуатации и быстро направляет водителя прямо в пункт назначения. Текущее месторасположение автомобиля определяется навигатором автоматически, при помощи глобальной системы позиционирования (GPS), с точностью до 10 метров. Используя эту информацию, система рассчитывает оптимальный маршрут до пункта назначения. Инструкции предоставляются визуально, в виде стрелок на мониторе, или четких голосовых команд через звуковую систему.

Автомобиль МАЗ-643068-020-020 оснащен тахографом, соответствующим международным стандартам.

.1 Определение устойчивого варианта размещения грузов

При расстановке груза в кузове полуприцепа необходимо определить его устойчивость в продольном (ось x) и в поперечном (ось y) направлениях.

Условие устойчивости груза:

, (2.1)

где Fz - вертикальная сила, которая представляет сумму сил, включающую силу

тяжести груза и силу инерции, которая действует на груз вследствие

движения автомобильного транспортного средства в направлении

вертикальной оси (ось - z) автомобильного транспортного средства,

кН;

Fx - продольная сила, кН;

Fy - поперечная сила, кН;

d - высота центра тяжести груза, м;

bx,y - расстояние от ребра опрокидывания до центра тяжести, м.

; (2.2)

, (2.3)

где cx, cy и cz - коэффициенты ускорения;

m - масса груза, т;

g - ускорение свободного падения, м/с2.

1)      ;

кН;

кН;

кНм;

 кНм;

35,34 кНм <44,75 кНм;

 кНм.

2)      ;

кН;

кН;

кНм;

 кНм;

35,34 кНм >27,93 кНм;

 кНм.

3)       и ;

кН;

кН;

кНм;

 кНм;

,23 кНм >27,93 кНм;

 кНм.

Так как, в двух случаях , то груз при данном варианте размещения считается устойчивым.

Суммарный запас устойчивости при размещении груза №1 по первому варианту составит

 кНм.

2        вариант размещения груза №1: груз ставиться длинной стороной вдоль боковых бортов полуприцепа.

1)      ;

кН;

кН;

кНм;

 кНм;

41,23 кНм<44,75 кНм;

 кНм.

2)      ;

кН;

кН;

кНм;

 кНм;

41,23 кНм >27,93 кНм;

 кНм.

3)       и ;

кН;

кН;

кНм;

 кНм;

,34 кНм >27,93 кНм;

 кНм.

Так как во всех случаях , то груз при данном варианте размещения считается устойчивым.

Суммарный запас устойчивости при размещении груза №1 по второму варианту составит

 кНм.

Так как  одинакова при первом и втором варианте размещения груза №1, то для дальнейших расчетов принимаем второй вариант размещения груза №1 (значение Δторм больше, чем в первом случае размещения) в кузове полуприцепа, т.е. груз №1 ставиться длинной стороной вдоль боковых бортов полуприцепа.

Груз №2: масса 7 т, габаритные размеры (ДШВ) - 1,4х1,6х2,0 м.

вариант размещения груза №2: груз ставиться длинной стороной вдоль торцевых бортов полуприцепа.

1)      ;

кН;

кН;

кНм;

 кНм;

48,09 кНм <54,9 кНм;

 кНм.

2)      ;

кН;

кН;

кНм;

 кНм;

48,09 кНм >34,3 кНм;

 кНм.

3)       и ;

кН;

кН;

кНм;

 кНм;

,96 кНм >34,3 кНм;

 кНм.

Так как, в двух случаях , то груз при данном варианте размещения считается устойчивым.

Суммарный запас устойчивости при размещении груза №2 по первому варианту составит

 кНм.

3        вариант размещения груза №2: груз ставиться длинной стороной вдоль боковых бортов полуприцепа.

1)      ;

кН;

кН;

кНм;

 кНм;

54,96 кНм >54,9 кНм;

 кНм.

2)      ;

кН;

кН;

кНм;

 кНм;

54,96 кНм >34,3 кНм;

 кНм.

3)       и ;

кН;

кН;

кНм;

 кНм;

,09 кНм >34,3 кНм;

 кНм.

Так как во всех случаях , то груз при данном варианте размещения считается устойчивым.

Суммарный запас устойчивости при размещении груза №2 по второму варианту составит

 кНм.

Так как  одинакова при первом и втором варианте размещения груза №2, то для дальнейших расчетов принимаем второй (все значения Δ>0) вариант размещения груза №2 в кузове полуприцепа, т.е. груз №2 ставиться длинной стороной вдоль боковых бортов полуприцепа.

Таким образом, оба груза размещаются длиной стороной вдоль боковых бортов полуприцепа.

2.2

Похожие работы на - Соответствие автомобиля-тягача МАЗ-643068-020-020 и полуприцепа МАЗ-938020-016 международным требованиям

 

Не нашли материал для своей работы?
Поможем написать уникальную работу
Без плагиата!
Без нейросетей!