Конструирование и расчет автомобиля

  • Вид работы:
    Курсовая работа (т)
  • Предмет:
    Транспорт, грузоперевозки
  • Язык:
    Русский
    ,
    Формат файла:
    MS Word
    254,21 Кб
  • Опубликовано:
    2012-10-17
Вы можете узнать стоимость помощи в написании студенческой работы.
Помощь в написании работы, которую точно примут!

Конструирование и расчет автомобиля

Федеральное государственное бюджетное образовательное учреждение

высшего профессионального образования

«Южно-Уральский государственный университет»

(национальный исследовательский университет)

Кафедра «Автомобили»






Пояснительная записка

к курсовой работе

«Конструирование и расчет автомобиля»

Руководитель:

Петров П.П.

Выполнил:

студент группы АТ-431

Иванов И.И.






Челябинск 2012

1. РАСЧЕТ СЦЕПЛЕНИЯ

Цель расчёта:

Определение размеров фрикционных накладок;

Определение габаритов диафрагменной пружины.

1.1 Исходные данные

Автомобиль-прототип: Kia Spectra

Максимальный крутящий момент: Memax=130 Нм;

Частота вращения коленчатого вала при Memax : nM=3400 мин-1;

Масса автомобиля (с полезной нагрузкой): ma=1600 кг;

Масса ведомого диска: mД=3 кг;

Теплоёмкость ведомого диска: c=0.48 кДж/кгК;

Радиус качения колеса: RК=0.255 м;

Коэффициент запаса: β=1.7;

КПД трансмиссии: η=0.92;

Передаточное отношение первой передачи: i1=3.64;

Коэффициент трения: µ=0.3;

Число пар трения: z=2;

Доля теплоты, расходующейся на нагрев детали: γ=0.5;

Коэффициент, учитывающий вращающиеся массы: δ=1.05;

Коэффициент для расчёта момента сопротивления: ψ=0.015;

- диафрагменная пружина

- нажимной диск

- ведомый диск

Рисунок 1 Расчётная схема привода сцепления

1.2 Определение размеров фрикционных накладок

≤0.393 м;

Подберём внешний и внутренний диаметры фрикционной накладки с учётом условия D≤0.393м и величины крутящего момента Memax=130 Нм:=200 мм;=130 мм;

δН=3.3 мм;

1.3 Определение нажимного усилия


МПа - потребный ресурс накладок обеспечен.

.4 Определение работы буксования и удельной работы


где L - работа буксования;- момент инерции приведённого к коленчатому валу двигателя маховика, заменяющего поступательно движущуюся массу автомобиля;

ωe - угловая скорость коленчатого вала;

MΨ -момент сопротивления движению автомобиля, приведённого к коленчатому валу двигателя.

 

(рад/с)

 (Нм)

ωe=275.76 рад/c ; Ja=0.47 кгм2 ; MΨ=3.62 Нм ; L=18.38 кДж ;

- удельная работа, Fсум - суммарная площадь накладок.

 (Дж/см2)

1.5 Нагрев сцепления

 °К

где g=0,5 - доля теплоты, расходуемая на нагрев детали;

с=0,48 кДж/(кгК) - теплоёмкость детали;д - масса детали кг; [Dt]=10¸15° К, mд=3 кг.

Δt=6.38° К

.6 Определение параметров диафрагменной пружины

По величине нажимного усилия PН в соответствии с ГОСТ 3057-90 выберем пружину, обеспечивающую необходимую зависимость Pпр=f(f).

а=60,5мм, b=80мм, с=60мм,

Нпр=9мм, Н=4,4мм, h=2,2мм, n=18

Рисунок 2 Параметры диафрагменной пружины














Рисунок 3 График зависимости перемещения от усилия на пружине

Вывод

В ходе расчета были определены размеры фрикционных накладок, а также определены габариты диафрагменной пружины. Контролируемые параметры (нажимное усилие, нагрев сцепления) удовлетворяют допустимым значениям.

2. РАСЧЕТ СИНХРОНИЗАТОРА

Цель расчета:

Определение геометрических размеров синхронизатора;

Расчет блокирующего элемента.

2.1 Исходные данные

Передаточные числа:=3,7; U2=2,16; U3=1,41; U4=1,05; U5=0,8; Uз=3,4; Uг=4,1;

Массы шестерен:         m1=0,2313 кг=0,3360 кг=0,3595 кг=0,6286 кг=0,7610 кгз.х.=0,2092 кг

Радиус шестерен:         r1=0,032 м=0,032 м=0,032 м=0,032 м=0,032 мз.х.=0,032 м

Параметры диска сцепления:                           Rд=0,1 м; mд=3 кг;

Обороты двигателя:                                 n=3400 об/мин;

Время синхронизации:                                     t=0,9 с;

Коэффициент трения (сталь-бронза):              µ=0.06;

Коэффициент трения (сталь-сталь):                  μ=0,15;

КПД привода переключения:                           ηприв=0,99;

Рисунок 4 Схема динамической системы синхронизатора:

2.2 Определение момента трения

Для выравнивания угловых скоростей соединяемых элементов необходимо на поверхностях конусов создавать момент трения Mтр.


где t - время синхронизации;

ωе - угловая скорость коленчатого вала,

КПi+1 - передаточное отношение включаемой передачи,КПi+1 = 2,16;КПi - передаточное число выключаемой передачи, uКПi = 3,7;П - момент инерции ведущего вала;


2.3 Определение геометрических размеров синхронизатора

Момент трения, создаваемый на корпусных поверхностях, может

быть выражен через нормальную силу Pn на конусах синхронизации:


где Pn - нормальная сила на поверхности трения;

μ - коэффициент трения, μ = 0,15;

rср - средний радиус конуса.

В свою очередь, нормальная сила может быть выражена через усилие Q, создаваемое водителем при включении передачи:


где    γ = 80;

Выразим средний радиус конуса:

где    Q - усилие, создаваемое водителем при включении передачи определяется по формуле:


где    Pp - сила, прикладываемая к ручке переключения передач,= 60 Н;пр- передаточное отношение привода, iпр=5;



Удельное давление определяется по формуле:


где Рn - нормальная сила, ширина синхронизатора (длинна образующей конуса),


где    [Р0] - условно допустимое давление, [Р0]=2 Мпа;

(м)

(кПа)

 - условие выполняется.

.4 Расчет блокирующего элемента

Чтобы не произошло преждевременного включения передачи, достаточно обеспечить неравенство:


где    μ2 - коэффициент трения блокирующих поверхностей,

μ2 = 0,06;

β = 300;

rср ≈ rb,


 - условие выполняется.

Вывод

В ходе расчета были определены геометрические размеры синхронизатора и произведен расчет блокирующего элемента. Значения контролируемых параметров лежат в установленных пределах. Все необходимые условия выполняются.

3. РАСЧЕТ ГИДРОТРАНСФОРМАТОРА

Гидротрансформатор - (от гидро… и трансформатор), гидродинамическая передача; в отличие от гидромуфты в гидротрансформаторе циркулирующая жидкость дополнительно проходят через реактор ( направляющий аппарат) , который изменяет направление потока и позволяет бесступенчато регулировать крутящий момент и частоту вращения ведомого ( турбинного ) вала.

Рисунок 5 Гидротрансформатор

откуда

, где

 - плотность рабочей жикости;

-коэффициент моментов ведущего и ведомого валов;

- частота вращения;

буксование трение передача полуось

4. СИНТЕЗ ПЛАНЕТАРНОЙ КОРОБКИ ПЕРЕДАЧ С ДВУМЯ СТЕПЕНЯМИ СВОБОДЫ

.1 Передаточные числа коробки передач

=3.64

I2=1.95=0.78=-3.5

4.2 Звенья

, X, 1, 2, 3, -1

4.3 Число сочетаний схем

С64=6!/4!=20

4.4 Построение плана скоростей

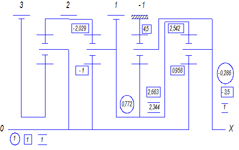
Рисунок 6 План скоростей коробки передач.

.5 Определение структур планетарных рядов

N

Ряд

Структура

К

ωd-1=2ω/(k+1)

Итог

1

0Х1

1/0 Х

2,653

0,55

++

2

0Х2

0/2 Х

1,057


-

3

0Х3

Х/3 0

3,57

2,44

++

4

0Х-1

Х/0 -1

3,5

0,444

++

5

012

2/0 1

1,49

0,678

++

6

013

1/3 0

2,59

3,11

++

7

01-1

1/0 -1

1,298


-

8

02-1

0/2 -1

1,655

0,75

++

9

023

2/3 0

1,73

4,09

++

10

Х12

1/3 Х

1,8

1,1

++

11

Х13

1/3 Х

12,12


-

12

Х1-1

-1/1 Х

1,69

0,57

++

13

03-1

-1/3 0

4,6


-

14

Х23

2/3 Х

4,3

2,1

++

15

Х2-1

-1/2 Х

4,7


-

16

Х3-1

Х/3 -1

19,59

2,481

++

17

12-1

-1/2 1

1,13


-

18

123

2/3 1

7,28


-

19

23-1

2/3 -1

3,39

2,55

++

Таблица 1

4.6 Отбраковка рядов по характеристике планетарного ряда

,5<|K|<4,5…5


4.7 Отбраковка рядов по относительной частоте вращения сателлитов

|d| < 4…5

4.8 Построение кинематической схемы

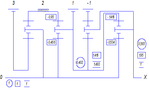
Рисунок 7 Кинематическая схема четырёх ступенчатой автоматической коробки передач.

4.9 Анализ работоспособности


А

В

С

В

1




+

2


+


+

3

+

+


+

-1



+

+

Таблица 2

4.10 Кинематический анализ

ωа - (1- к)ωв = кωс - основное уравнение кинематики планетарного ряда.

Первая передача.

ω0 - (1- кD)ωx = кDω1, ω1=0,273

Вторая передача.

ω0 - (1- кВ)ω1 = кВω2, ω1=0,402

ω0 - (1- кD)ωX = кDω1, ωX=0,565

Третья передача.

ω3 - (1- кA)ω0 = кAω2, ω2=0,412

ω0 - (1- кВ)ω1 = кВω2, ω1=0,648

ω0 - (1- кD)ωX = кDω1, ωx=1,28

Передача заднего хода.

ω1 - (1- кС)ωX= кCω-1, ω1=2,69ωX

ω0 - (1- кD)ωX = кDω1, ωX=0,287

ω1=0,77203.

4.11 Силовой анализ кинематической схемы

Условия: ∑Mi=0, Ma + Mв + Mc = 0, M0 + MХ + MР = 0, Mс = -KMа , MX = -M0Ui.

4.12 Мощностной анализ

N = ωM.

Рисунок 8 Кинематическая схема первой передачи.

Рисунок 9 Кинематическая схема второй передачи.

Рисунок 10 Кинематическая схема третьей передачи.

Рисунок 11 Кинематическая схема передачи заднего хода.

5. РАСЧЕТ ПОЛУОСИ

Цель работы: Необходимо рассчитать критическую скорость вращения полуоси и допустимые касательные напряжения в ней.

Требования к узлу: При анализе и оценке конструкции полуоси, как и других механизмов, следует руководствоваться предъявляемыми к ним требованиями:

·        передача крутящего момента от главной передачи к ведущим колёсам без создания дополнительных нагрузок в трансмиссии (изгибающих,

скручивающих, вибрационных, осевых);

·        возможность передачи крутящего момента с обеспечением равенства

·        угловых скоростей ведущего и ведомого валов независимо от угла между соединяемыми валами;

·        высокий КПД;

·        бесшумность;

Кроме того, к полуоси, как и ко всем механизмам автомобиля, предъявляют такие общие требования: обеспечение минимальных размеров и массы,

простота устройства и обслуживания, технологичность, ремонтопригодность.

5.1 Определение критической скорости вращения

Для определения критической угловой скорости вращения вала (полуоси) воспользуемся следующей формулой:

где Спо - коэффициент поперечной жесткости полуоси;по - масса полуоси;

Коэффициент поперечной жесткости полуоси равен:


где Е - коэффициент упругости, Е = 2.105 МПа;по - длинна вала (полуоси), Lпо = 600 мм = 0,6 м;- приведённый момент инерции сечения вала (полуоси);

Приведённый момент инерции сечения вала рассчитывается по формуле:


где D и d - внешний и внутренний диаметр вала соответственно; D = 35 мм,= 33 мм.

Масса полуоси рассчитывается по следующей формуле:


где ρ - плотность материала, из которого изготовлен вал (полуось), ρст = 7800 кг/м3;

Соответственно критическая частота вращения вала


Так как максимальная частота вращения коленчатого вала двигателя составляет 5600 об/мин, то nmax/nкр = 0,66.

5.2    Определение напряжения кручения вала (полуоси)

Напряжение кручения трубчатого вала определяется из следующей зависимости:


где Mк max - максимальный крутящий момент двигателя, Mк max = 130 Н.с

u´тр max - максимальное передаточное число высшей ступени КПП, uтр max = uКП I = 3,64;


[τкр] = 300…400 МПа, τкр<[τкр] - условие прочности на кручение выполняется.

Вывод

В расчете были определены основные параметры полуоси автомобиля Kia Spectra. Полученные результаты удовлетворяют всем нормам и допущениям.

6. РАСЧЕТ ДИФФЕРЕНЦИАЛА

Цель работы:

Определить нагрузку на зубья сателлитов, полуосевых шестерен,

крестовину и нагрузки со стороны сателлитов на корпус дифференциала.

Прототип:

В качестве прототипа возьмем дифференциал автомобиля Kia Spectra.

Дифференциал конический, двухсателлитный

.1 Определение нагрузки на зуб сателлита и полуосевых шестерён

Нагрузку на зуб сателлита и полуосевых шестерён определяют из условия, что окружная сила распределена поровну между всеми сателлитами, и каждый сателлит передаёт усилие двумя зубьями. Окружная сила, действующая на один сателлит,


где    r1 - радиус приложения силы,= 0,03 м;- число сателлитов, nc = 2;- максимальный момент,

развиваемый      двигателем,= 130 Н.м;ТР - передаточное число трансмиссии,

iТР = iКП1* iГП =;

Кд - коэффициент динамичности,

,5 > Кд > 1,5 , в расчете примем Кд=2.

Рисунок 12 Рассчетная схема дифференциала

Шип крестовины под сателлитом испытывает напряжение среза


Преобразуя формулы, получаем:


где принимаем τср = 120 МПа, и исходя из этого можно найти d:

Шип крестовины под сателлитом испытывает также напряжение смятия:


где принимаем σсм = 60 МПа, исходя из этого находим l1;

 

Шип крестовины под сателлитом испытывает напряжение смятия в месте крепления в корпусе дифференциала под действием окружной силы :


где радиус приложения силы м;



где принимаем σсм = 60 МПа, и исходя из этого находим l2;

Вывод

В ходе расчета была определена нагрузка на зубья сателлитов, полуосевых шестерен, крестовину и нагрузки со стороны сателлитов на корпус дифференциала. Нагрузки, рассчитанные с учетом всех допущений, удовлетворяют принятым условия.

7. КИНЕМАТИЧЕСКИЙ И СИЛОВОЙ РАСЧЕТ РУЛЕВОГО УПРАВЛЕНИЯ

Цель работы:

Определить усилие на рулевом колесе и сделать вывод о

необходимости применения усилителя рулевого управления.

7.1 Расчет углов поворота

Рисунок 13 Схема рулевого управления

Максимальный внутренний угол поворота колёс равен


где R - радиус поворота, R=4,8 м;- плечо обкатки, rf = -0,04 м;- база а/м, L=2,635 м;

М - межшкворневое расстояние, М= 1,45 м.

Максимальный наружный угол и максимальный внутренний углы поворота колёс связаны зависимостью:


Откуда и находим


7.2 Расчёт передаточного отношения рулевого управления

7.2.1 aрк= 2,5·3600 = 9000 - угол поворота рулевого колеса

Общее кинематическое передаточное число рулевого управления:


7.2.2 Усилие на рулевом колесе

 ,

где    Rрк = 190 мм - радиус рулевого колеса;

ηру =0,9 - КПД рулевого управления.

7.2.3 Суммарный момент сопротивления повороту

МΣ=Мf+Мφ+MH

где    Мf=z·Gк·f· rf - момент сопротивления перекатыванию управляемых колёс при их повороте вокруг шкворней;

Мj=z·Gк·j· rφ - момент сопротивления деформации шин и трения в контакте с опорной поверхностью вследствие проскальзывания шин;- число управляемых колёс, z = 2;- коэффициент сопротивления перекатыванию колёса (f=0,018);

j - коэффициент сцепления колёс с опорной поверхностью (j=0,8)

rφ - плечо силы трения скольжения относительно центра отпечатка шины

rφ =0,15· lrf l= 0,006 (м)

= 1600·9,8/4 = 3920 (Н) - вес, приходящийся на одно колесо;

- момент, обусловленный поперечным и продольным наклонами шкворней;

- число управляемых осей, m = 1;

δ0 - угол наклона шкворня в поперечной плоскости, δ0 = 10;

γ0 - угол наклона шкворня в продольной плоскости, γ0 = 10;


) Определение усилия на рулевом колесе:


Вывод

Полученное значение усилия Pрк не превышает допустимое [Pрк] на рулевом колесе. Следовательно, установка усилителя рулевого управления не требуется.

8. РАСЧЕТ ТОРМОЗНОГО МЕХАНИЗМА

Цель:

Определение величин тормозных моментов на осях автомобиля;

Определение основных параметров тормозных механизмов.

8.1 Определение тормозных моментов

Тормозной момент на одном борту определяется из следующего соотношения:


где    ja - ускорение замедления автомобиля, jа = 7 м/с2;а - полная масса автомобиля, mа = 1600 кг;к - радиус качения колеса, rк = 0,255 м;

Тормозной момент передней оси автомобиля равен


где    а - расстояние от передней оси до центра тяжести автомобиля,

а = 1,35 м;- колёсная база автомобиля, L = 2,635 м;- высота центра тяжести автомобиля от опорной поверхности,= 0,6 м.

Тормозной момент задней оси равен


где    b - расстояние от задней оси до центра тяжести автомобиля,= 1,285 м;


8.2 Определение сил давления в накладках тормозного механизма задней оси

На задних колёсах установлены барабанные тормозные механизмы.

Составим три уравнения: передней колодки, задней колодки и барабана.


Так как имеется три уравнения и четыре неизвестных R1, R2, P1, P2, то примем допущение, P1 = P2 (это равенство можно обеспечить конструктивно).

Рисунок 14 Схема барабанного тормозного механизма

Выражая из уравнений равновесия передней и задней колодок реакции R1 и R2, получим:


Тогда,


где    μ - коэффициент трения, μ = 0,3;

a = 98 мм;

с = 92 мм;= 121 мм;Б = 152,4 мм;

Из уравнения  выразим P, при условии, что P1 = P2 = P.



8.3 Определение удельного давления на накладках заднего тормозного механизма

Удельное давление на накладках определяется в соответствии со следующей формулой:


где bн - ширина накладки, bн = 30 мм;

β = 1200 ;

[р] = 2,5 МПа; р<[р] - условие выполняется.

8.4 Определение тормозных сил в накладках тормозного механизма передней оси

На передние колёса автомобиля установлены дисковые тормозные механизмы. Для дискового тормозного механизма тормозной момент рамен:


где    rср - средний радиус накладки, rср = 120 мм;- тормозная сила;

μ - коэффициент трения, μ = 0,3

Рисунок 15 Схема дискового тормозного механизма

Из уравнения  определяем P - тормозную силу.


8.5 Определение удельного давления на накладках переднего тормозного механизма

Удельное давление на накладках определяется в соответствии со следующей формулой

= a . b = 0,14.0,07 = 0,0098 (м2) - площадь накладки;

[р] = 2,5 МПа; р<[р] - условие выполняется

Вывод

В расчете были определены основные параметры тормозных механизмов автомобиля Kia Spectra. Результаты, полученные с учетом всех допущений, удовлетворяют всем нормам. Все необходимые условия выполняются.

8. РАСЧЕТ ПОДВЕСКИ И УПРУГОГО ЭЛЕМЕНТА

Цель работы:

Построение упругой характеристики подвески;

Расчет упругого элемента.

8.1 Расчет и построение упругой характеристики

Для удовлетворения требования плавности хода подвеска должна

обеспечивать определённый закон изменения вертикальной реакции на

колесо в зависимость от прогиба - эта зависимость называется упру гой

характеристикой подвески.

8.1.1 Найдём статический прогиб подвески


υ - частота собственных колебаний подрессоренных масс, υ = 1,2 Гц

8.1. 2 Усилие на упругом элементе при статическом прогибе определим из нагрузки на одно колесо


где    Ga - вес автомобиля;

Учтем, что развесовка автомобиля примерно 50/50. Следовательно:

8.1.3 Для нахождения динамической нагрузки и динамического прогиба пружины

воспользуемся следующими соотношениями:


где    Kд =2…2,5 - для легковых автомобилей (примем Kд=2)


8.1.4 Зададим полный ход подвески, который для легковых автомобилей

равен 180...250 мм (примем fп =210 мм).

Рисунок 16 Упругая характеристика подвески

8.2 Определение жесткости

Жесткость основной пружины определяется по формуле:


8.3 Расчет упругого элемента подвески

Конструкция задней подвески обеспечивает равенство перемещений пружины и колеса, следовательно жесткость пружины равна жест кости подвески.

8.3.1 Жесткость пружины определяется по следующему уравнению


где G - модуль сдвига, для стали ( МПа)- число рабочих витков

d - диаметр проволоки (d = 15 мм)- средний диаметр витка пружины ( D = 150 мм)

8.3.2 Отсюда найдем число рабочих витков

 ,

примем n=7

Число витков n+2=9

8.3.3 Напряжение цилиндрической пружины



Вывод

В ходе работы были рассчитаны статический и динамический прогибы подвески, построена её упругая характеристика и определены размеры упругого элемента, каким в данной конструкции является цилиндрическая пружина.

СПИСОК ЛИТЕРАТУРЫ

1.      Вахламов В. К..Автомобили основы конструкции

.        Беляев В. П. Выполнение курсовых и дипломных проектов по

.        специальности 190201 "Автомобиле- и тракторостроение" : учебное пособие для вузов по специальности "Автомобиле- и тракторостроение / В. П. Беляев ; Южно-Уральский Государственный Университет, Кафедра «Автомобили»

Похожие работы на - Конструирование и расчет автомобиля

 

Не нашли материал для своей работы?
Поможем написать уникальную работу
Без плагиата!
Без нейросетей!