Электромонтёр: должностные обязанности работника

  • Вид работы:
    Курсовая работа (т)
  • Предмет:
    Физика
  • Язык:
    Русский
    ,
    Формат файла:
    MS Word
    375,75 Кб
  • Опубликовано:
    2012-10-12
Вы можете узнать стоимость помощи в написании студенческой работы.
Помощь в написании работы, которую точно примут!

Электромонтёр: должностные обязанности работника

Оглавление

1. Историческая справка

2.       Должностная инструкция электромонтёра по испытаниям и измерениям 3 разряда службы диагностики, испытаний, защиты от перенапряжений и изоляции

2.1 Общие положения

2.2 Должностные обязанности

2.3 Права

2.4 Ответственность

3. Общие требования охраны труда электромонтера по испытаниям и

измерениям службы диагностики, испытаний, защиты от перенапряжений и изоляции

4. Используемое оборудование

4.1 ТДТН-40000/110-У1

4.2 Вакуумные выключатели BB/TEL-10-12,5/1000

4.3 Выключатель масляный ВМП-10

4.4 Токоограничивающие реакторы

1. Историческая справка

марта 1937 года приказом № 28 по Кольско-Карельскому районному управлению Главэнерго НКТП «Колэнерго» от 27 февраля 1937 г., как самостоятельное предприятие, был образован Мурманский сетевой район, ставший праобразом сегодняшнего предприятия Северные электрические сети - филиал ОАО «Колэнерго». История предприятия неразрывно связана с развитием народного хозяйства, освоением богатств нашего края и его электрофикацией. Предприятие с момента образования и по сей день занимается эксплуатацией, ремонтом высоковольтных линий электропередачи и понизительных подстанций, обеспечивающих электроэнергией города, промышленные предприятия, объекты сельского хозяйства, Краснознаменного Северного флота и Ленинградского военного округа нашей области.

В 1937 г. предприятие состояло из 2-х подстанций напряжением 35 и 110 кв в г. Мурманске и 45 км ЛЭП напряжением 35 кВ. К началу Великой Отечественной войны в состав предприятия уже входили линии 110 кВ и несколько подстанций в области. Многие работники ушли на фронт, а оставшиеся, в условиях постоянных бомбежек фашисткой авиации самоотверженно выполняли свою работу. За доблестный труд в годы войны и вклад в оборону советского Заполярья 85 работников СЭС награждены орденами и медалями.

Послевоенный период характерен бурным развитием предприятия, строительством новых ЛЭП и ПС, восстановлением разрушенного хозяйства. 50-е годы характеризуются большими работами по реконструкции ЛЭП 110 кВ для перевода их на напряжение 150кВ. Введение нового класса напряжения привело к необходимости приведения эксплуатационного обслуживания к более высокому уровню, как в организационном, так и в техническом плане. Был организован цех централизованного ремонта оборудования, обслуживание подстанций г. Мурманска оперативно-выездными бригадами, внедряются радиостанции для связи с подстанциями и бригадами ОВБ. Схема сетей строится с учетом максимальной надежности.

В 60-е годы количественный и качественный рост за счет приемки сетей от крупных промышленных предприятий предопределил переход предприятия в новое качество- Северный высоковольтный район в 1965 году становится Северными электрическими сетями с Оленегорским и Печенгским районами, службой распредсетей в Коле, Ловозере, Ура-Губе и Мурманским сетевым участком. С вводом в строй гидростанций Серебрянского Каскада граница предприятия распространилась далеко на Восток, в сложную гористую тундру, в область абсолютного бездорожья. Уникальная линия на Гремиху определила необходимость внедрения новых форм обслуживания, новой техники. Стали применяться вертолеты , мощные гусеничные тягачи, снегоходы, впервые на этой линии был разработан и успешно применен 2-х фазный режим работы. Но как и прежде главное решали люди, и новое поколение электромонтеров - линейщиков с честью справились с трудностями обслуживания ЛЭП в этом сложном районе нашего края.

-80-е годы характерны не только большим строительством и внедрением в системе напряжения 330 кВ, но и широким развитием социально-производственной сферы предприятия. Были построены производственные базы в Заполярном, Оленегорске, Ловозере, Коле, Туманном, Мурмашах, Дровяном, комплекс производственных зданий в Мурманске, построен столярный цех и спортзал. Многие работники получили благоустроенное жилье. Началась активная работа по реконструкции ЛЭП и перевод их на железобетонные и металлические опоры и стеклянные изоляторы, полностью отказались от строительства ЛЭП на деревянных опорах.

Рост сетей привел к необходимости создания Кольской группы подстанций и передачи в 1985 г. Оленегорской группы подстанций, Оленегорского сетевого участка, Ловозерского участка распредсетей Центральным электрическим сетям. Но это некоторое уменьшение объема предприятия было компенсировано вводом крупных промышленных объектов в Кольском и Печенгском районах. В эти годы было построено 13 подстанций напряжением 35-150 кВ и более 100 км линий распределительных сетей сельскохозяйственного назначения. Но к этому времени эксплуатационный ресурс оборудования, введенного в 40-50-е годы, был исчерпан, и предстояла большая работа по реконструкции устаревшего оборудования. Из-за сложного финансового положения и невозможности привлечения подрядчиков работы проводились собственными силами

В 90-е годы на фоне общего кризиса в стране объемы электрсетевого строительства по Северным электрическим сетям сократились. Усилия предприятия в этот период были направлены на поддержание надежности и модернизацию существующих объектов, обновление устаревшего оборудования на более современное, внедрение устройств защиты и противоаварийной автоматики на новой элементной базе, реконструкцию телекоммуникационной сети с заменой оборудования на цифровое, внедрение новых систем связи и телемеханики. На всех крупных системообразующих подстанциях внедряется современное оборудование , методы диагностики его состояния, меняется система управления с целью повышения эффективности производственной деятельности.

Самоотверженность, высокое чувство долга были проявлены работниками предприятия при устранении последствий стихийных явлений (ураганов) в 1973г., 1977г., 1993г., когда разбушевавшейся стихией валились опоры, рвались провода, гасились целые районы и поселки. Работники СЭС выходили на устранение повреждений, не ожидая улучшения погодных условий, что позволило свести последствия стихии к минимуму.

В настоящее время в состав Северных электрических сетей входят более 2300км ЛЭП напряжением 35-110-150-330 кВ, 72 п/ст и открытые распределительные устройства Нижнетуломской и Верхнетуломской ГЭС. Персонал предприятия базируется в г.г. Мурманске, Коле, Заполярном, Никеле, Снежногорске, п.п. Выходном, Мурмашах, Ура-Губе, Заозерном, Вьюжном, Килп-Явре, Д.Зеленцы, Гремихе. Общая численность персонала 484 чел. Управление находится в г. Мурманске. Техническая оснащеннось, квалификация персонала, постоянное совершенствование системы автоматики, противоаварийных систем защиты оборудования позволяют успешно справляться с поставленными задачами по надежному энергоснабжению потребителей, а также быстрому устранению последствий стихийных явлений.

электромонтёр диагностика изоляция перенапряжение реактор выключатель

2. Должностная инструкция электромонтёра по испытаниям и измерениям 3 разряда службы диагностики, испытаний, защиты от перенапряжений и изоляции

2.1 Общие положения


1) Настоящая инструкция является основным документом, определяющим функции, должностные обязанности, права и ответственность электромонтёра по испытаниям и измерениям 3 разряда Службы диагностики, испытаний, защиты от перенапряжений и изоляции (далее - электромонтёр 3 разряда СДИЗПИ) производственного отделения «Северные электрические сети» филиала ОАО «МРСК Северо -Запада» «Колэнерго» (далее - ПО «СЭС»).

2)      На должность электромонтёра 3 разряда СДИЗПИ назначается лицо, имеющее среднее общее образование или начальное профессиональное образование без предъявления требований к стажу работы, прошедшее медицинскую комиссию и признанное годным к работе на энергетическом предприятии.

3)    Электромонтёр 3 разряда СДИЗПИ относится к категории рабочих.

4) Электромонтёр 3 разряда СДИЗПИ назначается, перемещается и освобождается от занимаемой должности в установленном действующим трудовым законодательством порядке приказом директора ПО «СЭС» по представлению начальника СДИЗПИ и по согласованию с заместителем главного инженера, в соответствии с локальными нормативными актами филиала.

5)      Электромонтёр 3 разряда СДИЗПИ руководствуется в своей деятельности:

         приказами, распоряжениями руководителей ОАО «МРСК Северо-Запада», Филиала ОАО «МРСК Северо-Запада» «Колэнерго», ПО «СЭС», решениями Совета директоров и иными организационно-распорядительными и регламентирующими документами руководства ОАО «МРСК Северо-Запада», Филиала ОАО «МРСК Северо-Запада» «Колэнерго», ПО «СЭС»;

         правилами Ростехнадзора, директивными материалами Минэнерго РФ и др. указаниями;

         межотраслевыми правилами по охране труда (правила безопасности) пpи эксплуатации электpоустановок в объёме 3-й группы по электробезопасности;

         пpавилами технической эксплуатации электpостанций и сетей РФ;

         пpавилами устpойства электpоустановок;

         пpавилами пожаpной безопасности ПО «СЭС»;

         стандартом предприятия СТП 349300 - 2006 «Контроль за соблюдением безопасных условий и охраны труда»;

         правилами организации работы с персоналом на энергетических предприятиях и в учреждениях энергетического производства (РД-34.12.102-94) ;

         инструкцией по пpименению и испытанию сpедств защиты, используемых в электpоустановках;

         пpавилами безопасности при работе с инстpументом и пpиспособлениями;

         объёмами и ноpмами испытаний электpообоpудования;

         директивными указаниями, касающиеся эксплуатации изоляции и испытания электрооборудования;

         инстpукцией по охpане тpуда инженеpа и электромонтёра СДИЗПИ;

         инструкцией по оказанию первой помощи при несчастных случаях на производстве;

         инстpукцией по пожаpной безопасности СДИЗПИ;

         правилами внутреннего трудового распорядка

         положением о Службе диагностики, испытаний, защиты от перенапряжений и изоляции;

         настоящей должностной инструкцией.

6)      Электромонтёр 3 разряда СДИЗПИ подчиняется непосредственно начальнику Службы Диагностики, испытаний, защиты от перенапряжений и изоляции или лицу его замещающего.

7)      Электромонтёр 3 разряда СДИЗПИ должен иметь 3 квалификационную группу по электробезопасности. Периодичность проверки знаний - 1 раз в год.

)        Настоящую Должностную инструкцию разрабатывает начальник СДИЗПИ под методическим руководством СМТ и УК, ответственного за работу с персоналом, утверждает директор ПО «СЭС».

)        Первый экземпляр настоящей должностной инструкции находится в СМТиУК, второй - в СДИЗПИ.

2.2 Должностные обязанности


Электромонтёр 3 разряда СДИЗПИ обязан:

1)       Выполнять под руководством производителя работ на подстанциях и в электрических сетях несложные испытания и измерения параметров электрооборудования напряжением до 150 кВ:

-испытание повышенным напряжением защитных средств и приспособлений,

измерение сопротивления контуров заземления распределительных устройств,

определение мест повреждения кабельных и воздушных линий,

испытания силовых трансформаторов и автотрансформаторов 6 ¸150 кВ,

испытания измерительных трансформаторов тока и напряжения,

испытания масляных выключателей напряжением 6 ¸150 кВ,

испытания элегазовых и вакуумных выключателей напряжением 6 ¸150 кВ,

испытания вентильных разрядников,

ограничителей перенапряжения под рабочим напряжением,

испытание силовых кабелей,

испытание отделителей и короткозамыкателей,

испытание опорной изоляции,

испытание аппаратов, вторичных цепей и электропроводки напряжением до 1000 В со снятием напряжения и без снятия напряжения.

2)       Осуществлять подготовку рабочих мест для испытаний и измерений.

3)      Проводить техническое обслуживание и ремонт аппаратуры, применяемой при испытаниях и измерениях.

)        Оформлять результаты испытаний и измерений в первичной технической документации.

)        Пpинимать участие в анализе пpичин аваpий и повpеждений электpообоpудования, связанных с электpическими или тепловыми пpобоями или ослаблением изоляции, pазpаботке меpопpиятий, напpавленных на пpедупpеждение аваpий.

)        Участвовать в пpоведении исследований по улучшению эксплуатации, повышению надежности и экономичности pаботы высоковольтного обоpудования.

8)       Выполнять функции ответственного лица, возложенные на него приказом предприятия в нарядно-допускной системе.

9)      Выполнять разовые распоряжения и указания руководства ПО «СЭС» в рамках задач, возложенных на СДИЗПИ.

)        Соблюдать требования системы менеджмента качества, а так же выполнять соответствующие бизнес-процессы в деятельности ПО «СЭС».

)        Соблюдать соответствующие требования охраны труда, условия труда на каждом рабочем месте.

)        При выполнении работ в действующих электроустановках обеспечивать постоянный взаимоконтроль; ответственного руководителя работ; производителя работ; подготавливающего рабочее место; допускающего; наблюдающего.

)        Каждый член бригады обязан выполнять работы в действующих электроустановках в определенной зоне рабочего места, а также осуществлять взаимоконтроль за остальными членами бригады. Запрещается несанкционированный выход из зоны рабочего места для исключения ошибочного попадания на действующее оборудование.

)        Выполнять работы, проводимые в электроустановках, находящихся на балансе и в обслуживании филиала (ПО).

ЗАПРЕЩЕНО :

Выполнять работы, проводимые в электроустановках, не находящихся на балансе и в обслуживании, для сторонних организаций и частных лиц, по инициативе работника в рабочее время без получения в установленном порядке в соответствии с договором оказания услуг, а так же использования техники, инструментов и приспособлений.

15)     Проходить инструктажи и проверку знаний требований охраны труда в соответствии, с требованиями Инструкции по охране труда электромонтёра по испытаниям и измерениям СДИЗПИ и Правилами организации работы с персоналом на энергетических предприятиях и в учреждениях энергетического производства (РД-34.12.102-94).

16)     Принимать меры по предотвращению аварийных ситуаций, по оказанию пострадавшим первой медицинской помощи, при необходимости участвовать в расследовании несчастных случаев на производстве и профессиональных заболеваний в установленном Правительством Российской Федерации порядке.

)        Выполнять предписания должностных лиц органов государственного надзора и контроля, за соблюдением требований охраны труда и рассмотрение представлений органов общественного контроля в объеме возложенных на него должностных обязанностей.

)        По охране труда:

         выполнять требования правил ОТ определенных Инструкцией по охране труда электромонтёра по испытаниям и измерениям СДИЗПИ;

         правильно применять средства индивидуальной и коллективной защиты;

         проходить обучение по оказанию первой помощи пострадавшим на производстве;

         немедленно извещать своего непосредственного руководителя о любой ситуации, угрожающей жизни и здоровью людей, о каждом несчастном случае, происшедшем на производстве, или об ухудшении состояния своего здоровья, в том числе о проявлении признаков острого профессионального заболевания;

         проходить обязательные производственные предварительные (при поступлении на работу) и периодические (в течение трудовой деятельности) медицинские освидетельствования по направлению работодателя в случаях, предусмотренных законодательством РФ;

         при несчастном случае с самим работником, в зависимости от тяжести травмы, обращаться в медицинское учреждение или самим себе оказывать первую помощь (самопомощь).

При получении травмы устанавливается максимальный срок обращения в медицинское учреждение:

         в праздничный день - одни сутки;

         в пути на работу - рабочий день;

         в пути с работы - одни сутки.

При обращении в медицинское учреждение позднее определенного срока и отсутствия объективных причин, вызвавших несвоевременное получение пострадавшим медицинской помощи, администрация предприятия может считать его нарушением требований охраны труда и правил внутреннего трудового распорядка с последующими организационными выводами.

2.3 Права


Электромонтёр 3 разряда СДИЗПИ вправе:

1)      Знакомиться с проектами решений руководителя Общества, филиала, ПО «СЭС», СДИЗПИ, касающимися деятельности СДИЗПИ, в котором он выполняет свои обязанности.

2)      Присутствовать на заседаниях, совещаниях СДИЗПИ по вопросам деятельности.

3)      Участвовать в обсуждении вопросов относительно исполняемых им обязанностей.

)        Вносить на рассмотрение начальника СДИЗПИ предложения по улучшению деятельности СДИЗПИ и совершенствованию методов работы коллектива; замечания по деятельности СДИЗПИ варианты устранения имеющихся в деятельности СДИЗПИ недостатков.

)        Осуществлять взаимодействие с работниками других структурных подразделений.

)        Запрашивать лично или по поручению начальника СДИЗПИ от иных структурных подразделений информацию и документы, необходимые для выполнения его должностных обязанностей.

)        Подписывать и визировать документы в пределах своей компетенции.

)        Требовать от начальника СДИЗПИ оказания содействия в исполнении должностных обязанностей, возложенных на него, и прав, ему предоставленных.

)        Требовать обеспечения условий труда, согласно норм производственной санитарии и правил техники безопасности.

2.4 Ответственность


Электромонтёр 3 разряда СДИЗПИ несет ответственность:

1)      За ненадлежащее исполнение или неисполнение своих должностных обязанностей, предусмотренных настоящей инструкцией.

)        За сохранность закрепленного за ним имущества и эффективное его использование.

3)      За несоблюдение трудовой дисциплины, нарушение правил внутреннего трудового распорядка.

)        За нарушение правил техники безопасности и технической эксплуатации.

)        За несоблюдение правил пожарной безопасности.

)        За невыполнение требований системы менеджмента качества, а так же невыполнения соответствующих бизнес-процессов в деятельности ПО «СЭС».

)        За несвоевременное прохождение ежедневного психофизиологического предсменного обследования.

3. Общие требования охраны труда электромонтера по испытаниям и измерениям службы диагностики, испытаний, защиты от перенапряжений и изоляции

1)        К проведению измерений и испытаний электрооборудования допускаются работники не моложе 18 лет, прошедшие предварительный медицинский осмотр и не имеющие противопоказаний к выполнению указанной работы.

2)      Электромонтер СДИЗПИ при приеме на работу проходит вводный инструктаж. Перед допуском к самостоятельной работе электромонтер СДИЗПИ должен пройти:

обучение по программам подготовки по профессии;

первичный инструктаж на рабочем месте;

проверку знаний:

инструкции по оказанию первой помощи пострадавшим при несчастных случаях на производстве;

инструкции по применению средств защиты, необходимых для безопасного выполнения работ;

правил и инструкций по охране труда, пожарной безопасности и технической эксплуатации.

3)        Для производственного обучения электромонтеру СДИЗПИ должен быть предоставлен срок, достаточный для ознакомления с оборудованием, аппаратурой, оперативными схемами и одновременного изучения необходимой для данной должности нормативной и технической литературы.

4)        К работе с электроизмерительными приборами должны допускаться работники, прошедшие инструктаж и обучение безопасным методам труда, проверку знаний правил и инструкций в соответствии с занимаемой должностью, применительно к выполняемой работе, с присвоением соответствующей группы по электробезопасности и не имеющие медицинских противопоказаний.

5)      Работников, совмещающих профессии, обучают и инструктируют по правилам безопасности труда в полном объеме по их основной и совмещаемой профессиям (должностям).

)        Допуск электромонтера СДИЗПИ к самостоятельной работе оформляется соответствующим распоряжением по предприятию.

)        Вновь принятому электромонтёру СДИЗПИ выдается удостоверение с оформлением результатов проверки знаний инструкций и правил.

)        Удостоверение электромонтера СДИЗПИ во время исполнения служебных обязанностей должно храниться при себе.

)        Электромонтер СДИЗПИ, не прошедший проверку знаний в установленные сроки, к самостоятельной работе не допускается.

10) Электромонтер СДИЗПИ в процессе работы обязан проходить:

повторные инструктажи - один раз в месяц;

проверку знаний Инструкции по охране труда и действующей Инструкции по оказанию первой помощи пострадавшим при несчастных случаях на производстве - один раз в год;

медицинский осмотр - один раз в год;

проверку знаний Правил пожарной безопасности и Правил технической эксплуатации для работников, имеющих право быть производителем работ, наблюдающим или членом бригады, - один раз в год.

11) Электромонтер СДИЗПИ, получивший неудовлетворительную оценку при квалификационной проверке, к самостоятельной работе не допускается и не позднее одного месяца должен пройти повторную проверку.

12) При нарушении Правил охраны труда, в зависимости от характера нарушений, проводится внеплановый инструктаж или внеочередная проверка знаний.

13)      Право на проведение измерений и испытаний подтверждается записью в строке «Свидетельство на право проведения специальных работ» удостоверения о проверке знаний норм и правил работы в электроустановках.

14) Работники, проводящие испытания единолично с использованием стационарных испытательных установок должны пройти обучение, согласно утверждённой программы, а так же, стажировку под контролем опытного работника в течении 2 - 15 смен.

)        Запрещается выполнение работ, проводимых в электроустановках, не находящихся на балансе и в обслуживании, для сторонних организаций и частных лиц, по инициативе работников энергопредприятий в рабочее время без получения распоряжения в установленном порядке в соответствии с договором оказания услуг, а так же использования техники, инструментов и приспособлений.

)        Каждый работник, если он сам не может принять меры к устранению нарушений требований настоящей Типовой инструкции, правил, норм, инструкций по охране труда ( в том числе нарушения правил и норм охраны труда членами бригады ), обязан немедленно сообщить непосредственному, а в случае его отсутствия - вышестоящему руководителю обо всех замеченных им нарушениях, неисправностях оборудования, применяемых при работе механизмов, приспособлений, приборов, инструментов и средств защиты, представляющих собой опасность для работников.

)        Электромонтер СДИЗПИ должен знать и соблюдать правила личной гигиены. Принимать пищу, курить, отдыхать только в специально отведённых для этого местах. Пить воду только из специально предназначенных для этого установок.

)        Электромонтер СДИЗПИ должен знать местонахождение аптечки и уметь ею пользоваться.

)        При несчастном случае на производстве электромонтер СДИЗПИ обязан назначить сопровождающего пострадавшего в медицинское учреждение или сопровождать пострадавшего сам.

)        При несчастном случае электромонтер СДИЗПИ обязан оказать первую помощь пострадавшему до прибытия медицинского персонала. При несчастном случае с самим работником, в зависимости от тяжести травмы, он обращается за медицинской помощью в здравпункт или сам себе оказывает первую помощь (самопомощь).

)        О каждом несчастном случае или аварии пострадавший или очевидец обязаны немедленно известить своего непосредственного руководителя.

)        При несчастном случае в быту, по пути на работу или с работы должен обращаться за медицинской помощью в ближайшее лечебно-профилактическое учреждение (здравпункты, скорую медицинскую помощь и др.). При получении травмы устанавливается максимальный срок обращения в медицинское учреждение:

в праздничные дни - одни сутки;

в пути на работу - рабочий день;

в пути с работы - одни сутки.

При обращении в лечебное учреждение позднее определённого на предприятии срока и отсутствия объективных причин, вызвавших несвоевременное получение пострадавшим медицинской помощи, администрация может считать его нарушителем инструкции по охране труда, правил внутреннего трудового распорядка с последующими организационными выводами.

24) Электромонтер СДИЗПИ должен соблюдать режим труда в холодный период года, предусматривающий прекращение работ при погодных условиях, связанных с высоким риском общего переохлаждения, обморожения и других нарушений здоровья во время выполнения работ.

25)     Электромонтер СДИЗПИ, участвующий в проведении измерений и испытаний электрооборудования, должен работать в спецодежде и применять средства защиты, выдаваемые в соответствии с «Межотраслевыми правилами обеспечения работников специальной одеждой, обувью и другими средствами индивидуальной защиты».

)        При проведении работ в электроустановках до и свыше 1000 В должен быть обеспечен жёсткий контроль ношения персоналом комплектов, устойчивым к воздействию электрической дуги, в течении всего времени нахождения на рабочем месте при выполнении работ, где имеется риск возникновения электрической дуги, включая нательное бельё и средства защиты лица и глаз.

)        В соответствие с «Межотраслевыми правилами обеспечения работников специальной одеждой, обувью и другими средствами индивидуальной защиты» и «Типовыми отраслевыми нормами бесплатной выдачи рабочим и служащим специальной одежды, обуви и других средств индивидуальной защиты» работнику бесплатно выдаются следующие средства индивидуальной защиты:

Комплект рабочий для защиты от термических рисков электрической дуги:

- костюм из термостойких материалов с постоянными защитными свойствами - 1 на 2 года - ГОСТ 12.4.045-87, ГОСТ 12.4.234-2007;

куртка-накидка из термостойких материалов с постоянными защитными свойствами - 1 на 2 года - ТУ 23-05-03-00;

куртка-рубашка из термостойких материалов с постоянными защитными свойствами - 1 на 2 года - ГОСТ Р 12.4.234-2007, ГОСТ 12.4.221-2002;

бельё нательное хлопчатобумажное - 2 комплекта - ГОСТ 26085-84 или белье нательное термостойкое - 2 комплекта - ГОСТ 20462-87 (М), 904-87 (Ж);

фуфайка-свитер из термостойких материалов - 1 на 2 года - ГОСТ 20462-87 (М), 904-87 (Ж);

перчатки трикотажные термостойкие - 4 пары - ГОСТ 5007-87;

ботинки кожаные с защитным подноском от повышенных температур на термостойкой маслобензостойкой подошве - 1пара - ГОСТ ГОСТ 12265-78 или сапоги кожаные с защитным подноском для защиты от повышенных температур на маслобензостойкой подошве - 1пара - ГОСТ 12.4.032-77;

каска термостойкая с защитным щитком для лица с термостойкой окантовкой - 1 на 2 года - ГОСТ 12.4.207-99;

подшлемник под каску термостойкий - 1 на 2 года - ТУ 8570-001-5661549-2003

Дополнительно:

- боты или галоши диэлектрические - дежурные - ТУ 38.106605-96;

перчатки диэлектрические - дежурные - ТУ 38.306-5-63-97;

перчатки с полимерным покрытием - 2 пары - ГОСТ 12.4.010-75;

средство индивидуальной защиты органов дыхания (СИЗОД) противоаэрозольное или средство индивидуальной защиты органов дыхания (СИЗОД) противогазовое - до износа - ГОСТ Р 12.4.220-2001;

наушники противошумные или вкладыши противошумные - до износа - ГОСТ Р 12.4.208-99;

страховочная или удерживающая привязь (пояс предохранительный) - до износа - ГОСТ Р ЕН 358-2008. ГОСТ Р ЕН 361-2008;

На наружных работах зимой дополнительно:

- костюм из термостойких материалов с постоянными защитными свойствами на утепляющей прокладке - 1 на 2 года - ГОСТ 12.4.045-87, ГОСТ 12.4.234-2007;

подшлемник под каску термостойкий утепленный- 1 на 2 года - ТУ 8570-001-5661549-2003;

ботинки кожаные утепленные с защитным подноском от повышенных температур на термостойкой маслобензостойкой подошве - 1пара - ГОСТ 12.4.137-84 или сапоги кожаные утепленные с защитным подноском для защиты от повышенных температур на термостойкой маслобензостойкой подошве - 1пара - ГОСТ 12.4.032-77.

В зависимости от характера работ и условий их производства электромонтеру СДИЗПИ временно бесплатно выдаются дополнительная спецодежда и защитные средства для этих условий.

28) Хранить специальную одежду и обувь следует в шкафах, а теплую спецодежду и обувь в летний период сдавать для хранения на склад. Всю спецодежду подвергать в установленном порядке сушке и сдавать в стирку и ремонт.

29)     Опасные и вредные производственные факторы, возникающие в зоне измерений и испытаний, а также перечень нормативных правовых актов, регламентирующих допустимые значения этих факторов, приведены в табл.1

Перечень опасных (вредных) факторов и наименование документов, регламентирующих допустимые значения этих факторов

Опасный (вредный) фактор

Документ, регламентирующий предельно допустимое значение фактора и методы контроля

Допустимое значение тока и напряжения при его воздействии на организм человека

ГОСТ 12.1.038-82

Повышенный уровень ультразвука

ГОСТ 12.1.001-89

Повышенный уровень шума

ГОСТ 12.1.003-83. Санитарные нормы допустимых уровней шума на рабочих местах. Минздрав России. СН 2.2.4/2.1.8.562-96

Повышенный уровень ионизирующих излучений

НРБ 99. Нормы радиационной безопасности ОСП ОРБ-99. Основные санитарные правила обеспечения радиационной безопасности

Повышенный уровень лазерного излучения

Санитарные нормы и Правила устройства и эксплуатации лазера. Минздрав СССР. № 5804-91

Повышенная напряженность электромагнитного поля радиочастот

ГОСТ 12.1.006-84

Повышенная напряженность электрического поля токов промышленной частоты

ГОСТ 12.1.002-84

Повышенная напряженность электростатического поля

ГОСТ 12.1.045-84

Недостаточная освещенность, повышенная ослепленность, пульсация освещенности

СНиП 23-05-95. Естественное и искусственное освещение

Повышенные или пониженные температура, влажность, скорость движения воздуха и повышенное содержание в нем вредных веществ

ГОСТ 12.1.005-88

Повышенная или пониженная ионизация воздуха

Санитарно-гигиенические нормы допустимых уровней ионизации воздуха производственных и общественных помещений. Минздрав СССР. № 2152-80 от 12.02.80


30) Опасное и вредное воздействие на людей электрического тока, электрической дуги и электромагнитных полей проявляется в виде электротравм и профессиональных заболеваний.

31)     Степень опасного и вредного воздействия на человека электрического тока, электрической дуги и электромагнитных полей зависит от:

рода и величины напряжения и тока;

частоты электрического тока;

пути тока через тело человека;

условий внешней среды.

Электробезопасность должна обеспечиваться:

конструкцией электроустановок, измерительных и испытательных стендов (ИС), устройств, приборов;

техническими способами и средствами защиты;

организационными и техническими мероприятиями.

В действующих электроустановках следует выполнять следующие организационные мероприятия, обеспечивающие безопасность работ при испытаниях и измерениях:

оформление наряда или распоряжения на производство работ;

допуск к работе;

надзор во время работы;

установление рационального режима труда и отдыха.

Технические способы и средства защиты, обеспечивающие электробезопасность, должны устанавливаться с учетом:

номинального напряжения, рода и частоты тока электроустановки и измерительного (испытательного) напряжения ИС, устройства, прибора;

способа электроснабжения (от стационарной сети, автономного источника питания электроэнергией);

режима нейтрали (средней точки) источника питания электроэнергией (изолированная, заземленная нейтраль);

вида исполнения испытательной установки (стационарные, передвижные, переносные);

условий внешней среды;

возможности снятия напряжения с токоведущих частей, на которых или вблизи которых должна проводиться работа;

характера возможного прикосновения работника к элементам цепи тока;

возможности приближения к токоведущим частям, находящимся под действующим или измерительным и испытательным напряжением, на расстояние, менее допустимого, или попадания в зону растекания тока;

видов работ.

В электроустановках не допускается приближение людей, механизмов и грузоподъемных машин к не огражденным токоведущим частям, находящимся под напряжением, на расстояния, менее указанных в табл. 2.

Допустимые расстояния до токоведущих частей, находящихся под напряжением

Напряжение, кВ

Расстояние от людей и применяемых ими инструментов и приспособлений, от временных ограждений, м

Расстояние от механизмов и грузоподъемных машин в рабочем и транспортном положении, от стропов грузозахватных приспособлений и грузов, м

До 1: на ВЛ

0,6

1,0

в остальных электроустановках

Не нормируется (без прикосновения)

1,0

1-35

0,6

1,0

60*, 110

1,0

1,5

150

1,5

2,0

220

2,0

2,5

330

2,5

3,5

400*, 500

3,5

4,5

750

5,0

6,0

800*

3,5

4,5

1150

8,0

10,0

* Постоянный ток.

При проведении электрических измерений и испытаний в условиях воздействия электромагнитных полей время пребывания персонала на рабочих местах устанавливается в зависимости от уровня напряженности электрических полей.

32) Допустимая напряженность неискаженного электрического поля составляет 5 кВ/м. При напряженности электрического поля на рабочих местах выше 5 кВ/м (работа в зоне влияния электрического поля) необходимо применять средства защиты.

33)     Допустимая напряженность (Н) или индукция (В) магнитного поля для условий общего (на все тело) и локального (на конечности) воздействия в зависимости от продолжительности пребывания в магнитном поле определяется в соответствии с данными табл. 3.

Допустимые уровни магнитного поля

Время пребывания (ч)

Допустимые уровни магнитного поля, Н (А/м)/В (мкТл), при воздействии


общем

локальном

1

1600/2000

6400/8000

800/1000

3200/4000

4

400/500

1600/2000

8

80/100

800/1000


34) При необходимости пребывания персонала в зонах с различной напряженностью магнитного поля общее время выполнения работ в этих зонах не должно превышать предельно допустимое для зоны с максимальной напряженностью.

35)     Допустимое время пребывания в магнитном поле может быть реализовано одноразово или дробно в течение рабочего дня. При изменении режима труда и отдыха (сменная работа) предельно допустимый уровень магнитного поля не должен превышать установленный для 8-часового рабочего дня.

)        Контроль уровней электрического и магнитного полей должен производиться при:

приемке в эксплуатацию новых и расширении действующих электроустановок;

оборудовании помещений для постоянного или временного пребывания персонала, находящихся вблизи электроустановок (только для магнитного поля);

аттестации рабочих мест.

)    Уровни электрического и магнитного полей должны определяться во всей зоне, где может находиться персонал в процессе выполнения работ, на маршрутах следования к рабочим местам и местам осмотра оборудования.

38)     Безопасность производства электрических измерений и испытаний должна обеспечиваться:

соблюдением установленного порядка и организованности на каждом рабочем месте, высокой производственной, технологической и трудовой дисциплиной;

профессиональным отбором, обучением работающих, проверкой их знаний и навыков безопасности труда;

использованием производственных помещений, удовлетворяющих соответствующим требованиям и комфортности работающих;

оборудованием производственных площадок при выполнении измерений и испытаний вне помещений;

использованием комплектующих, узлов, элементов приспособлений, не оказывающих опасного и вредного воздействия на работающих. При невозможности выполнения этого требования должны быть приняты меры, обеспечивающие безопасность проведения электрических измерений и испытаний и защиту обслуживающего персонала применением средств измерений и испытаний (приборов, приспособлений, устройств), не являющихся источником травматизма и профессиональных заболеваний;

разработкой программ и методик измерений и испытаний, утверждаемых в установленном порядке;

применением надежно действующих и регулярно проверяемых контрольно-измерительных приборов, устройств противоаварийной защиты, средств получения, переработки и передачи информации;

рациональной организацией рабочего места и размещением приборов;

обозначением опасных производственных зон и работ.

39) Требования безопасности при проведении конкретных электрических измерений и испытаний на производстве должны устанавливаться нормативными актами по охране труда с учетом конкретных условий и утверждаться в установленном порядке.

40)     Во избежание попадания под действие электрического тока не следует прикасаться к оборванным свешивающимся проводам или наступать на них.

)        Загромождать подходы к щитам с противопожарным инвентарем и к пожарным кранам, а также использовать противопожарный инвентарь не по назначению не допускается.

)        Безопасность работников должна быть обеспечена при возникновении пожара в любом месте объекта при проведении испытаний и измерений.

)        Для обеспечения безопасности проведения работ должно предусматриваться применение рациональных режимов труда и отдыха с целью предотвращения монотонности, гиподинамики, чрезмерных физических и нервно-психических перегрузок.

4. Используемое оборудование

 

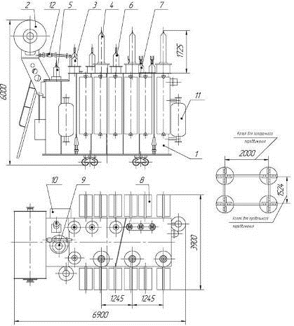
.1 ТДТН-40000/110-У1


ТДТН-40000/110-У1- трансформатор трехобмоточный класса 110 кВ, который выпускает компания Тольяттинский Трансформатор. Трансформаторы стационарные силовые масляные трехфазные трехобмоточные общего назначения с регулированием напряжения под нагрузкой (РПН) на нейтрали обмотки высокого напряжения в диапазоне 16 % 9 ступеней (± 14,24 % ± 8 ступеней) без регулирования напряжения на стороны среднего напряжения с системой охлаждения вида «М», «Д», «ДЦ» предназначены для работы на электрических сетях с глухозаземленной нейтралью.



1.Бак трансформатора

.Расширитель

.Ввод "0" ВН

.Ввод ВН

.Ввод "0" СН

.Ввод СН

.Ввод НН

.Радиатор панельный

.Устройство РПН

.Шкаф

.Фильтр термосифонный

.Реле Бухгольца

Масло, подлежащее доливке          5500 кг

Транспортная с маслом        68150 кг

Полная масса масла     22000 кг

Полная масса      82850 кг

4.2 Вакуумные выключатели BB/TEL-10-12,5/1000


Вакуумные выключатели серии ВВ/TEL предназначены для эксплуатации в сетях трехфазного переменного тока частотой 50 Гц с номинальным напряжением до 10 кВ с изолированной и компенсированной нейтралью в нормальных и аварийных режимах.

Выключатели ВВ/TEL применяются в ячейках КРУ внутренней и наружной установки, а также в камерах КСО, как при новом строительстве, так и при замене выключателей прошлых лет выпуска.

Отличительные особенности:

• высокий коммутационный и механический ресурсы;

• отсутствие необходимости проведения текущего и среднего ремонтов;

• питание цепей управления от сети постоянного, выпрямленного и переменного оперативного тока;

• малое потребление мощности из сети оперативного питания;

• возможность отключения при потере оперативного питания;

• полная взаимозаменяемость с устаревшими маломасляными выключателями по главным и вспомогательным цепям;

• возможность работы в любом пространственном положении;

• малые габариты и масса.

Все вакуумные выключатели серии ВВ/TEL полностью испытаны на соответствие требованиям российских стандартов и имеют сертификаты соответствия системы ГОСТ Р.

ОСНОВНЫЕ ТЕХНИЧЕСКИЕ ХАРАКТЕРИСТИКИ

Параметр

BB/TEL-10-12,5/1000 У2

BB/TEL-10-20/1000 У2

BB/TEL-10-20/1600 У2

BB/TEL-10-25/1600 У2

Номинальное напряжение, кВ

10

10

10

Номинальный ток, А

630, 1000

630, 1000

1600

1600

Номинальный ток отключения, кА

12,5

20

20

25

Ток динамической стойкости, (наибольший пик),А

32

51

51

64

Испытательное кратковременное напряжение (одноминутное) промышленной частоты, кВ

42

42

42

42

Ресурс по коммутационной стойкости,  а) при номинальном токе, циклов "ВО"  б) при номинальном токе отключения, операций "О" в) при номинальном токе отключения, циклов "ВО"

50000 100 100

50000 150 100

30000 150 50

30000 50 50

Собственное время отключения, мс, не более

15

15

15

15

Полное время отключения, мс, не более

25

25

25

25

Собственное время включения, мс, не более

70

70

70

70

Верхнее/нижнее значение температуры окружающего воздуха, °С.

+55/-40

+55/-40

+55/-40

+55/-40

Стойкость к механическим воздействиям, группа по ГОСТ 17516.1-90

М7

М7

М7

М7

Масса модуля коммутационного, кг,  не более  а) с межполюсным расстоянием  б) с межполюсным расстоянием

35 37

35 37

65 70

65 70

Срок службы до списания, лет

25

25

25

25


КОНСТРУКЦИЯ ВЫКЛЮЧАТЕЛЯ

Выключатель состоит из трех полюсов, установленных на металлическом основании, в котором размещены пофазные электромагнитные приводы с магнитной защелкой, удерживающей выключатель неограниченно долго во включенном положении после прерывания тока в катушке электромагнита привода.

Остальные узлы полюсов размещаются в изоляционном корпусе из прозрачного механически прочного и дугостойкого полимерного материала (лексана), который предохраняет их от возможных в эксплуатации механических повреждений и воздействий электрической дуги тока короткого замыкания. Все три полюса имеют одинаковую конструкцию.


Включение выключателя

Командой на включение от блока управления подается постоянное напряжение на катушку электромагнита 11.

Под действием электромагнитных сил якорь 12 начинает двигаться вверх и через пружину поджатия 10 заставляет двигаться тяговый изолятор 5 и подвижный контакт 3, сжимая при этом пружину отключения 9.

После замыкания контактов 1 и 3

якорь продолжает двигаться еще до упора, сжимая пружину 10 и создавая необходимое поджатие между контактами ВДК 2.

После снятия напряжения якорь

остается во включенном положении благодаря остаточной индукции в

электромагните 13.

Отключение выключателя

Командой на отключение от блока управления на катушку 11 подается напряжение противоположной полярности, чем при включении. Магнит 13 при этом частично размагничивается, якорь 12 снимается с магнитной защелки и под действием пружин 9 и 10 перемещается совместно с подвижными частями выключателя в отключенное положение. В этом положении они удерживаются силой отключающей пружины 9.

Ручное отключение осуществляется воздействием на кнопку ручного отключения, которая через толкатель 15, шарнирно связанный с валом 8, и через кулачок 7 с якорем 12, срывает якорь с магнитной защелки и отключает выключатель.

Вакуумная дугогасительная камера

Одним из основных элементов выключателя является вакуумная дугогасительная камера (ВДК), разработанная специалистами предприятия «Таврида Электрик».


Сегодня ВДК серии TEL имеет самую прогрессивную конструкцию и выпускается «Таврида Электрик» с применением последних достижений современных технологий. Она имеет рекордно малые габариты и массу. Износ ее контактов при

совершении 50000 операций отключения номинального тока не превышает .

Конструкция ВДК

Корпус ВДК состоит из двух керамических изоляторов 2 и 6 и медного экрана 4, припаиваемого к изоляторам.

Конструктивными особенностями ВДК являются чашеобразная форма керамических изоляторов и сварной сильфон 7, значительно снизившие вес и габариты ВДК.

Сильфон припаивается к изолятору 6 и выводу 8, обеспечивая возможность перемещения подвижного контакта 5 без нарушения герметичности ВДК.


На торцевые части неподвижного 3 и подвижного 5 контактов припаяны пластины из металлокерамики, обеспечивающие им высокую износостойкость.

Выводы 1 и 8 служат для соединения с выводами выключателя. Аксиальное магнитное поле в межконтактном промежутке создается путем выполнения в контактах специальных разрезов (на рис. не показаны). За счет его дуга не концентрируется, а находится в диффузионном состоянии на всей поверхности контактов, что видно на прилагаемом фото. Это значительно

снижает износ контактов, повышает отключающую способность и коммутационный ресурс выключателя.

Неотъемлемой частью вакуумных выключателей ВВ/TEL являются устройства управления, изготавливаемые в виде отдельных блоков, устанавливаемых в релейных шкафах, на выкатных элементах КРУ, КРУН, а также на фасадах КСО.

Устройства управления позволяют выполнить следующие основные функции:

- местное и дистанционное управление, в том числе от низковольтного вспомогательного источника питания;

стандартный цикл управления вакуумным выключателем «О»-0,3с-«ВО»-15с-«ВО» по ГОСТ 687) 78;

блокировку от повторного включения;

питание от токовых цепей при отсутствии напряжения питания;

возможность отключения выключателя в течении 20 с после исчезновения напряжения оперативного питания.

На сегодняшний день существуют две основных модификации устройств управления:

) Блок управления BU/TEL- 05А, применяемый совместно с блоком питания BP/TEL- 02A, имеет минимальный набор функций и позволяет управлять вакуумным выключателем только посредством «сухих» контактов.

) Блок управления БУ/TEL-12А обеспечивает наиболее гибкое и удобное сопряжение со вторичными цепями защиты и управления, выполненными как с применением традиционных электромеханических реле, так и с использованием современных микропроцессорных реле.

В БУ/TEL-12А основные функции, присущие блоку управления BU/TEL- 05А, дополнены следующими функциям:

- контроль исправности цепи электромагнитов выключателя;

отключение выключателя от токовых цепей и от независимого источника питания;

сигнализация аварийного отключения выключателя;

самодиагностика;

сигнализация и идентификация типа неисправности.

Блок управления БУ/TEL-12А выпускается в трех модификациях:. БУ/TEL-12-01А рекомендуется применять на постоянном (выпрямленном) оперативном токе совместно с микропроцессорными защитам всех фирм)производителей;. БУ/TEL-12-02А рекомендуется применять на постоянном (выпрямленном) оперативном токе совместно с защитами, выполненными на электромеханике;. БУ/TEL-12-03А рекомендуется применять на переменном оперативном токе со всеми типами защит.

4.3 Выключатель масляный ВМП-10


Выключатель масляный ВМПЭ-10 относятся к жидкостным трехполюсным высоковольтным выключателям с малым объемом дугогасящей жидкости (масло, в качестве диэлектрика). Масляные выключатели ВМП-10 предназначены для коммутации высоковольтных цепей трехфазного переменного тока в номинальном режиме работы установки, а также для автоматического отключения этих цепей при коротких замыканиях и перегрузках, возникающих при аварийных режимах. Управляется выключатель ВМП-10 электромагнитным приводом постоянного тока, встроенным в раму выключателя.

Структура обозначения масляного выключателя ВМПЭ-10-Х/Х У2:

ВМП - выключатель подвесной маломасляный.

Э - электромагнитный привод ПЭ-11.

- номинальное напряжение, кВ.

Х - номинальный ток отключения (20; 31,5) кА.

Х - номинальный ток выключателя (630; 1000; 1600), А.

У3 - климатическое исполнение и категория размещения.

Выключатели ВМП-10, ВМП-10П. В закрытых распределительных устройствах применяют маломасляные выключатели ВМП-10, ВМПП-10, ВМПЭ-10 и другие (отличающиеся друг от друга типом привода) для сборных камер КСО, а также ВМП-10К для КРУ.

Маломасляные выключатели выпускаются отечественными предприятиями серии ВМП (выключатель масляный подвесной) с встроенным пружинным или электромагнитным приводом (разновидности ВМПП и ВМПЭ), масляные выключатели колонкового типа ВК-10 с пружинным приводом, выключатели масляные горшкового типа ВМГ-10 и др. Сохранившиеся в эксплуатации баковые масляные выключатели в настоящее время вытесняются маломасляными, а теперь уже вакуумными, элегазовыми и др.

В сетях применяют выключатели с малым объемом масла ВПМ-10, ВПМП-10, ВМП-10, ВМП-10К, ВМП-10П, ВМПП-10.

Выключатель типа ВМП-10: 1 - полюс; 2 - опорный изолятор; 3 - рама; 4 - изоляционная тяга; 5 - вал; б - масляный буфер

Выключатели типа ВМП-10 (рис. 1) изготовляют для работы в нормальных климатических условиях, в тропическом климате и усиленные - с повышенной механической стойкостью в нормальном и тропическом исполнениях. Выключатели в тропическом исполнении имеют индекс «Т» (ВМП-10Т), усиленные - индекс «У» (ВМП-10У, ВМП-10ТУ). Выключатели имеют различные габаритные размеры в зависимости от типа РУ, для которого они предназначены.

Размеры выключателей ВМП-10, мм, следующие:

Для стационарных распределительных устройств КСО.... 250 х774

Для комплектных распределительных устройств КРУ..... 230 х 666

У выключателей для КРУ между полюсами устанавливаются изоляционные перегородки, что позволяет сократить междуполюсные расстояния. Выключатели унифицированы по номинальному току и отличаются только сечением токопровода и размерами выводов.

 

.4 Токоограничивающие реакторы


Токоограничивающий реактор в электросети служит для ограничения величины возникающего при коротком замыкании ударного тока до пределов, не составляющих опасности для подключенного оборудования. Его основа представляет собой однофазную индуктивную катушку крупного размера с постоянным сопротивлением без магнитного сердечника, охлаждение которой происходит естественным (воздушным) путем, а индуктивное сопротивление составляет постоянную, не зависящую от протекающего тока величину. В реакторе такие катушки монтируются в трехфазные блоки.

Потеря напряжения в таком реакторе обычно не превышает 2%. Его вольт-амперная характеристика располагается в широких пределах, ограниченных изменением тока от номинального до величины короткого замыкания.

Токоограничивающий реактор используется в мощных электроустановках, в линию его включают последовательно. Его обмотки выполняются из алюминиевого или медного многожильного провода. Конструкторские нововведения позволяют существенно уменьшить габаритные размеры и массу современныхтокоограничивающих реакторов, а универсальное исполнение выводов дает возможность не ограничивать угол подсоединения. Монтаж таких реакторов требует соблюдения необходимых мер предосторожности. Особенно это касается строительных конструкций, поскольку создаваемое реактором магнитное поле может вызвать нагрев арматуры, входящей в состав железобетона, что приведет к возникновению механических усилий, способных разрушить бетон.

Установка токоограничивающего реактора благоприятно сказывается на подсоединенных к этой же цепи потребителях, позволяет использовать менее дорогостоящее оборудование, не рассчитанное на токи КЗ. Это влияние возрастает с увеличением значения индуктивного сопротивления реактора.

Фильтровые реакторы

Используются в фильтрах для уменьшения содержания высших гармоник в токе различных преобразователей.

Мы выпускаем фильтровые реакторы по спецификациям заказчиков на номинальные напряжения от 0,4 до 220 кВ с номинальными токами от 50 до 10000 Ампер

Шунтирующий реактор предназначен для стабилизации напряжения за счет компенсации избыточной зарядной мощности. Преимущественно он используется для снижения потерь электроэнергии в высоковольтных линиях электропередач в режиме слабых нагрузок.

Шунтирующий реактор помогает нормализовать уровень напряжения таким образом, что его колебания не выходят за пределы 2%. Результатом его установки является значительное сокращение активных потерь: снижение потерь электроэнергии на 15-20%, а интенсивности эксплуатации коммутационного оборудования высокой стоимости - в 10 раз и более.

Принцип работы шунтирующего реактора основан на снижении тока в линиях и трансформаторах за счет ограничения перетока реактивной мощности и компенсации ее избытка. Это дает возможность нивелировать колебание напряжения до минимально возможных величин, снижать его до нормальных значений.

Как правило, шунтирующий реактор подсоединяется к третичной обмотке трансформатора. Уровень напряжения реакторов может достигать 35 кВ с мощностью до 80 МВА.

Похожие работы на - Электромонтёр: должностные обязанности работника

 

Не нашли материал для своей работы?
Поможем написать уникальную работу
Без плагиата!
Без нейросетей!