Синхронный вертикальный двигатель типа ВДС 375/64-24
ЗАДАНИЕ НА ПРОЕКТИРОВАНИЕ
Спроектировать вертикальный синхронный двигатель со следующими
параметрами:
Номинальная мощность
= 9000 кВт
Номинальное линейное напряжение
= 10 кВ
Номинальный коэффициент мощности
= 0,9
Номинальная частота напряжения сети
= 50 Гц
Номинальная частота вращения ротора nн = 250 об/мин;
Внешний диаметр сердечника статора Dа = 3,75 м;
Схема обмотки статора - Y;
Изоляция - термореактивная класса В;
Возбудитель - статический тиристорный.
Технические требования:
Кратность пускового тока
=6.0
Кратность пускового момента
=0.4
Кратность максимального момента
=2.0
Кратность входного момента
=1.1
Реферат
В пояснительной записке представлен расчет синхронного вертикального
двигателя типа ВДС 375/64-24 мощностью
= 9000 кВт.
В первой главе описаны конструкция, принцип действия, назначение,
основные характеристики и элементы конструкции синхронного двигателя.
Вторая глава представляет собой ручной расчет электромагнитного ядра
двигателя по номинальным данным и техническим требованиям. В ходе этой работы
получен первоначальный вариант параметров двигателя.
В третьей главе производится синтез электромагнитного ядра машины на ЭВМ
и поиск оптимального варианта, используя первоначальные данные, которые были
получены во второй главе, путем коррекции основных конструктивных размеров.
В четвертой главе приведен анализ серии вертикальных синхронных
двигателей.
Пояснительная записка содержит 66 страниц, 15 рисунков, 30 таблиц. В ходе
работы были использованы 4 источника литературы.
ВВЕДЕНИЕ
Синхронной машиной называется электрическая машина переменного тока, у
которой частота вращения ротора n
находится в строгом соответствии с частотой сети f.
Синхронные двигатели - это бесколлекторные машины переменного тока. По
своему устройству они отличаются от асинхронных машин лишь конструкцией ротора,
который может быть явнополюсным или неявнополюсным. Синхронные машины
отличаются синхронной частотой вращения ротора при любой нагрузке, а также
возможностью регулирования коэффициента мощности, устанавливая такое его
значение, при котором работа синхронной машины становится наиболее экономичной.
В настоящее время в эксплуатации находится большое количество крупных
вертикальных электродвигателей переменного тока. В ирригационных и оросительных
системах, на насосных станциях городского и промышленного водоснабжения
устанавливаются насосные агрегаты с вертикальными электродвигателями,
преимущественно синхронными, мощностью от 500 до 25000 кВт.
На гидроаккумулирующих станциях, где агрегаты работают то как насосы,
создавая запасы воды в водохранилищах, то как турбины, расходуя запасенную воду
в часы пиков электронагрузки, мощность синхронных двигателей-генераторов
доходит до 100 МВт и более.
Двигатель, спроектированный в данной работе, используется в системах
водоснабжения в качестве насоса для подъема воды на определенную высоту в
каналах городского и промышленного водоснабжения, проложенных на местности с
разно-уровневым рельефом.
Гидравлический насос изготавливается с вертикальным валом. Это
объясняется значительными технико-экономическими преимуществами вертикальных
насосов по сравнению с горизонтальными - более удобной компоновкой и меньшими
размерами. Нагрузку от реакции воды и силы тяжести ротора насоса и
электродвигателя воспринимает подпятник вертикального электродвигателя. Эта
особенность существенно влияет на конструкцию электродвигателя. В данном
двигателе применяется подвесное исполнение. В этом случае подпятник расположен
выше ротора и грузонесущей является верхняя крестовина электродвигателя. Такое
исполнение обеспечивает удобство обслуживания и повышает надежность работы.
На рис. 1 показан разрез насосного агрегата, состоящего из осевого насоса
и синхронного двигателя мощностью 12500 кВт.
Рис. 1 - Насосная станция с вертикальным синхронным двигателем мощностью
12500 (кВт), 10 (кВ), 250 (об/мин)
1. НАЗНАЧЕНИЕ, ОПИСАНИЕ КОНСТРУКЦИИ И
СИСТЕМЫ ВОЗБУЖДЕНИЯ ВЕРТИКАЛЬНОГО СИНХРОННОГО ДВИГАТЕЛЯ
.1 Принцип действия вертикального синхронного двигателя
Выделим две основные части синхронной машины: статор и ротор. Статор это
неподвижный полый шихтованный сердечник с продольными пазами внутри, в которых
расположена обмотка статора. Во внутренней полости статора расположена
вращающаяся часть машины - ротор. Вертикальный синхронный двигатель типа ВДC имеет явнополюсное исполнение
ротора. В роторе крепится обмотка возбуждения и демпферная клетка, которая
служит для пуска и успокоения ротора при резком изменении режимных параметров.
Обмотка возбуждения создает неподвижное поле. К валу ротора подводится
нагрузка.
Рассмотрим принцип действия синхронной машины, которая имеет питание как
обмотки возбуждения, так и обмотки статора от независимых источников: обмотка
возбуждения - от возбудителя, обмотка статора - от трехфазной сети. Если подать
постоянное напряжение на обмотку возбуждения, то по ней потечет постоянный ток,
который будет создавать неподвижное, относительно ротора, поле. При подключении
фаз обмотки статора, которые сдвинуты в пространстве на 120° к трехфазной сети,
будет создано вращающееся с синхронной скоростью поле. Если ротор привести во
вращение с синхронной скоростью, то эти поля, относительно друг друга станут
неподвижными. В зависимости от положения ротора возникнет момент - тормозящий
или двигательный. Таким образом, синхронная машина при подключении к сети, в
зависимости от положения ротора, может работать как в генераторном, так и в
двигательном режимах. В режиме двигателя ротор отстает от поля статора, в
отличии от генераторного, где ротор опережает. Под действием электромагнитного
момента, который совпадает с направлением вращения и противонаправлен внешнему
нагрузочному моменту, происходит синхронное вращение ротора.
Устойчивость работы электродвигателя характеризуется высоким значением
максимального момента, равным 2.2Мном, что предохраняет
электродвигатель от выпадения из синхронизма при кратковременном понижении
напряжения от сети до 0.75Uном.
Как правило, все типы вертикальных синхронных двигателей рассчитаны для
работы с опережающим cosφ = 0.9. При работе в номинальном режиме это позволяет
получить от двигателя реактивную мощность в пределах до 40% номинальной,
которая может быть использована для улучшения коэффициента мощности сети.
.2 Краткое описание конструкции вертикального синхронного
двигателя типа ВДС
Исполнение вертикального синхронного двигателя - подвесное с подпятником,
расположенным выше корпуса ротора, и двумя направляющими подшипниками в верхней
и нижней крестовинах и с фланцевым концом вала для присоединения к насосу.
Система смазки - замкнутая внутри масляных ванн верхней и нижней
крестовин без внешней циркуляции. Масло в ваннах охлаждается с помощью
встроенных маслоохладителей. Двигатель оснащен статическим тиристорным
возбудителем с питанием через согласующий трансформатор от сети собственных
нужд.
Синхронный двигатель выполнен с замкнутым циклом вентиляции и охлаждением
воздуха водяными охладителями. Воздухоохладители прикрепляются непосредственно
к корпусу статора. Двигатель выполнен с демпферной обмоткой и предназначен для
пуска от полного напряжения сети с включением обмотки возбуждения на
возбудитель через разрядное сопротивление. Так как электродвигатель для
насосной станции должен допускать частые пуски, то его демпферная обмотка имеет
усиленную конструкцию, так же как и крепление статорной обмотки.
Конструкция вертикального синхронного электродвигателя типа ВДС приведена
на рис. 2.
Рис. 2 - Общий вид вертикального синхронного двигателя типа ВДС
Верхняя крестовина 1 является грузонесущей и выполняется цельносварной из
стальных листов. К основанию крестовины и центральной цилиндрической части
привариваются четыре сварные лапы из листовой стали. В центральной
цилиндрической части масляной ванны крестовины расположены: сегментный
регулируемый подпятник 2, сегментный регулируемый направляющий подшипник 3 и
маслоохладители 4.
Нижняя крестовина 5 также сварная из листовой стали. Центральная
цилиндрическая часть крестовины служит масляной ванной для размещения
направляющего подшипника и трубчатых маслоохладителей. Каждая из четырех лап
крестовины снабжается площадкой для установки гидравлических масляных или
винтовых домкратов, служащих для подъема ротора при демонтаже подпятника и
других работах по сборке и разборке электродвигателя.
Система смазки подпятника и направляющих подшипников замкнута внутри ванн
с постоянным объемом масла, без внешней циркуляции. Охлаждение масла
осуществляется встроенными маслоохладителями.
Обмотка статора 6 выполняется из шаблонных двухслойных катушек с
сокращенным шагом, имеющих изоляцию на основе термореактивных связующих. В
процессе изолировки катушки подвергаются вакуумной сушке и пропитке под
вакуумом эпоксидным компаундом. Класс изоляции обмотки В.
Обмотка возбуждения 7 состоит из отдельных одинаковых катушек, насаженных
на изолированные полюсы. Катушки изготовляются из голой ленточной меди, гнутой
на ребро. Витки изолируются друг от друга лакированными асбестовыми
прокладками.
Демпферная обмотка ротора состоит из круглых медных стержней, пропущенных
через отверстия в башмаках полюсов, и приваренных к ним на концах медных
сегментов. Полное замкнутое кольцо образуется путем соединения отдельных
сегментов между собой планками и болтами.
Остов ротора 8 выполняется в виде сварной конструкции, состоящей из
кованной стальной втулки, двух круглых рам из толстого листа и поперечных ребер
прямоугольного сечения. Кроме приварки, рамы закрепляются на втулке стальными
цилиндрическими штифтами.
.3 Конструкция корпуса, сердечника и обмотки статора
вертикального синхронного двигателя
.3.1 Корпус статора
Корпус статора служит для передачи на фундамент усилий от веса размещенных
на нем узлов и деталей и электромагнитных усилий. Корпус статора имеет круглую
форму и выполняется сварным из листовой стали. Он состоит из горизонтально
расположенных круглых фланцев, промежуточных рам, распорных ребер и
цилиндрической обшивки с отверстиями для выхода нагретого воздуха.
В корпусе статора различают верхнюю, среднюю и нижнюю части. К средней
части крепится сердечник статора. Она состоит из нескольких полок, приваренных
к наружной обшивке. К полкам средней части корпуса статора с внутренней стороны
по образующей цилиндрической поверхности с помощью угольников приварены клинья.
Верхняя часть корпуса статора располагается выше лобовых частей и
соединительных шин обмотки статора. На нее опирается крестовина.
Расположение ребер, промежуточных рам и обшивки обеспечивает получение
секционных камер для прохождения нагретого воздуха к охладителям. Нижняя
торцевая рама является опорной поверхностью, статор которой установлен на
фундамент.
Для подъема двигателя краном к корпусу приварены цапфы. Диаметр статора -
3.75м, что по условиям транспортабельности позволяет сделать корпус цельным.
.3.2 Сердечник статора
Сердечник статора является магнитопроводом. Его шихтуют из отдельных
сегментов, изготовляемых методом холодной штамповки из электротехнической стали
толщиной 0.5мм, легированной кремнием, с выштампованными по внутреннему
диаметру открытыми пазами для катушек обмотки, сегментов с вентиляционными
распорками и концевых сегментов с нажимными пальцами. В пазы закладывают
обмотку статора, закрепляемую пазовыми клиньями. Пазовые клинья входят в
специальный, предусмотренный для них паз между окончаниями соседних зубцов. По
внешней дуге сегмента штампуют пазы специальной формы для крепления сердечника
к корпусу статора.
Сегменты собраны в пакеты и стянуты посредством нажимных фланцев и шпилек
в корпусе статора. Сегменты штампуются из электротехнической стали марки 2411 и
покрыты с обеих сторон лаком горячей сушки.
Пакеты сердечника разделяются между собой сегментами с вентиляционными
распорками, образующими радиальные вентиляционные каналы шириной по 10мм.
Концевые сегменты крайних пакетов выполняются с нажимными пальцами. Для
повышения эффективности вентиляции и обеспечения более равномерного охлаждения
сердечника и обмотки статора крайние пакеты сердечника выполнены большей
ширины, чем средние.
Сердечник удерживается в корпусе статора посредством приваренных к рамам
шихтованных клиньев и установленных с обеих сторон стальных нажимных гребенок.
С помощью стяжных шпилек пакеты активной стали статора опрессовываются в
монолитный сердечник.
Пакеты собираются в остов сварной конструкции, выполненной из стального
листа и состоящий из двух рам, ряда ребер и нажимного фланца. Сердечник
закрепляется в остове посредством стяжных шпилек, пропущенных через отверстия в
спинке сегментов, в раме и в нажимном фланце. В корпусе статора сердечник
устанавливается уже в обмотанном виде и закрепляется посредством балок и
болтов.
На внутренней дуге сегментов штампуют открытые пазы прямоугольной формы,
чередующиеся с зубцами. В пазы закладывают обмотку статора и закрепляют
пазовыми клиньями. Пазовые клинья вставляются в специальный, предусмотренный
для них паз между окончаниями соседних зубцов. На внешней дуге сегмента
штампуют пазы специальной формы для крепления к корпусу статора.
Размеры сегментов, число пазов в них, размеры пазов и зубцов определяют
из расчёта электромагнитного ядра. При сборке сердечника отдельные сегменты
могут быть сдвинуты относительно друг друга так, что размеры паза «в свету»
уменьшатся по сравнению с размерами пазов «в штампе». Для того чтобы этого не
случилось, размеры паза в штампе увеличивают обычно по ширине на 0,5 мм, по
высоте - на 0,2 мм от расчётных величин. После штамповки сегменты имеют на
контуре вырубок грат (заусенцы), который в собранном сердечнике замыкает листы
стали между собой, что приводит к дополнительным потерям мощности в сердечнике
и увеличенному его нагреву. Поэтому после штамповки сегменты обязательно
проходят операцию снятия грата. Очищенные сегменты покрывают прочной лаковой
плёнкой толщиной около 0.05 мм, которая предохраняет их от коррозии и создаёт
электрическую изоляцию между ними в собранном сердечнике.
Чтобы уменьшить потери мощности и большие местные нагревы, вызванные
торцевым магнитным полем (главным образом из-за выпучивания магнитного поля
воздушного зазора), крайние пакеты сердечника делают ступенчатыми. Для этого в
сегментах стали, укладываемых в крайние пакеты, обрезают зубцы (по внутреннему
радиусу) на необходимую величину. Размер ступенек - 6х6 мм. Ступенчатая форма
крайнего пакета позволяет укоротить нажимной палец, уменьшить потери в нем и
увеличить его жёсткость.
Чтобы обеспечить в сердечнике наибольшую магнитную проводимость и
механическую прочность, его собирают из отдельных сегментов способом в
перекрой, при котором стыки сегментов одного слоя перекрываются сегментами
другого слоя.
.3.3 Обмотка статора
Вертикальный синхронный двигатель выполнен с катушечной петлевой
двухслойной обмоткой с укороченным шагом. Катушки состоят из ряда витков
обмоточной меди сечения марки ПСД с двухсторонней изоляцией толщиной 0.33 мм.
Так как напряжение двигателя превышает 3000В, витковая изоляция накладывается
на каждый виток.
Для большей плотности крепления обмотки в паз под клин, между стержнями и
на дно паза, между стенками паза и стержнями закладывают специальное
уплотняющие прокладки. Крайние нижние клинья закрепляют, чтобы предотвратить их
выпадение из паза. Лобовые части обмотки статора удерживаются бандажным
кольцами от деформаций и вибраций при действии на них усилий, особенно
значительных при внезапных коротких замыканиях.
Катушки изготовляются на шаблонах совершенно одинаковыми по форме и
размерам. Выгибанием лобовой части на специальном оборудовании достигается
форма катушек, при которой стороны располагаются в разных плоскостях.
.3.4 Изоляция статорных обмоток
Статорные обмотки имеют термореактивную изоляцию типа монолит. Изоляция
выполнена из стеклослюдинитовой ленты, пропитанной эпоксидным компаундом
горячего твердения. На катушку после наложения витковой изоляции накладывается
многими слоями вполнахлеста сухая стеклослюдинитовая лента толщиной 0.13мм,
представляющая собой слюдинитовый материал на стеклотканевой основе. Сверху на
стеклослюдинитовую ленту накладываются слои стеклоленты толщиной 0.1мм
вполнахлеста. Изолированные катушки в холодном состоянии укладываются в
открытые пазы сердечника статора и заклиниваются клиньями. Дальнейший процесс
производится в специальной вакуум - пропиточной установке с обогреваемыми
котлами.
После сушки и вакуумирования сердечник с обмоткой пропитывается под
вакуумом эпоксидным компаундом, состоящим из эпоксидной смолы и отвердителя, а
затем гидростатическим путем опрессовывается и выпекается при давлении в 10
кгс/см2 и температуре около 90 0С. После пропитки и
опрессовки в котле сердечник с обмоткой нормализуется в печи при температуре
около 130 0С. Полностью обмотанный сердечник статора устанавливается
и закрепляется в корпусе статора.
Стеклослюдинитовая на термореактивных связующих изоляция катушек по
сравнению с ранее использующейся микалентной изоляцией обеспечивает лучшее
заполнение паза медью, имеет более высокую электрическую прочность в 1,5 раза
лучшую теплопроводность. Стоимость подобной изоляции примерно в 1,5 раза меньше
микалентной изоляции.
По классу нагревостойкости термореактивная изоляция типа монолит
относится к классу В. Обмотка, состоящая из катушек, имеющих термореактивную
изоляцию, неремонтоспособная.
.3.5 Крепление обмотки статора, выводы обмотки
Катушки, заложенные в пазы, удерживаются в них посредством гетинаксовых
или стеклотекстолитовых клиньев со скошенными на протяжении вентиляционного
канала краями для улучшения вентиляции.
Для предотвращения смещения лобовых частей обмотки и отгиба их к
сердечнику, что может произойти при пуске или внезапном коротком замыкании, они
прикрепляются к одному или к двум изолированным бандажным кольцам, выполненным
из стали круглого или квадратного сечении. Бандажные кольца устанавливаются на
кронштейны, прикрепленные к фланцам статора. Для соединения отдельных катушек
обмотки в общее кольцо между лобовыми частями соседних сторон катушек через
каждые 80 - 100 мм прокладываются и бандажируются шнуром методом «цепной вязки»
гетинаксовые или стеклотекстолитовые прокладки.
Напряжение, растягивающее кольца, получается сравнительно небольшим.
Однако на практике для уменьшения деформаций лобовых частей обмотки бандажные
кольца устанавливаются через каждые 75 - 100 мм длины вылета лобовых частей.
Изоляция бандажных колец выполняется из микаленты или слюдопластоленты и
стеклолакоткани. Крепление междукатушечных соединений обмотки выполняется с
помощью шнура. Выводные концы соседних катушек скрепляются между собой шнуром,
образуя общее кольцо.
От обмотки статора к коробке выводов выводятся четыре конца. В данном
случае нулевые выводы обмотки соединяются в звезду внутри корпуса статора и
подключаются к четвертому выводу коробки обычной конструкции с литым чугунным
или сварным стальным корпусом.
Концы обмотки статора подключаются к медным контактным шпилькам,
встроенным в центральные отверстия опорных фарфоровых изоляторов, установленных
на корпусе коробки. Кабельные концы, подключаемые к сети, присоединяются к
другим концам медных шпилек, расположенным с противоположной стороны опорных
изоляторов. Корпус коробки выводов сварной конструкции выполняется из стального
листа и закрывается стальной крышкой. Внизу корпус имеет уплотняющее устройство
для выводного кабеля и снабжен фланцем для прикрепления кабельной муфты.
При наличии в обмотке нескольких параллельных ветвей их соединение по
схеме осуществляют через специальные соединительные шины, расположенные за
лобовыми частями обмотки. Соединительные шины изолированы и размещены между
изоляционными плитами, стянутыми болтами из немагнитной стали, укреплённым на
нажимной плите или корпусе статора.
.3.6 Воздухоохладители
Для охлаждения воздуха в двигателях с замкнутым циклом вентиляции
применяются водяные воздухоохладители из трубок с развитой поверхностью
охлаждения. Воздухоохладитель состоит из сварной рамы, двух трубных досок с
трубками и двух крышек. Увеличение поверхности трубок достигается за счет
оребрения их или навивки и припайки к трубкам медных проволочных спиралей
эллиптической формы. Оребренные трубки выполняются биметаллическими (внутри
латунные и снаружи оребренные алюминиевые). Трубки, на которые навиваются
медные спирали, также изготовляются из латуни. Внутренний диаметр латунной
трубки 17 мм.
Концы трубок развальцованы в стальных трубных досках. С внешней стороны
трубные доски закрыты стальными штампованными крышками. Крышки снабжены
фланцами для подвода и отвода охлаждающей воды и водоразделяющими
перегородками. Крепление крышки к трубной доске производится через уплотняющую
резиновую прокладку. Рама воздухоохладителя представляет собой стальное
гофрированное основание с приваренными уголками, в которых имеются отверстия
для подъема воздухоохладителя и отверстия для крепления его к корпусу статора.
Охлаждающая вода подается по трубкам. Нагретый воздух омывает наружную
поверхность оребренных трубок или трубок с проволочными спиралями, расположенных
в шахматном порядке. Нагретый воздух попадает на трубки со стороны корпуса
статора и выходит из противоположной стороны уже охлажденным. Воздухоохладитель
уплотняется на корпусе статора резиновыми шайбами.
.4 Конструкция ротора вертикальных синхронных двигателей
Основными частями ротора являются остов, обод, полюсы с обмоткой
возбуждения, вентилятор, тормозные сегменты и вал с насаженными втулками
подпятника и направляющими подшипниками.
.4.1 Остов и магнитный обод ротора
Остов ротора выполняется в виде сварной конструкции, состоящей из кованой
стальной втулки, двух круглых рам из толстого листа и поперечных ребер
прямоугольного сечения. Кроме приварки, рамы закрепляются на втулке стальными
цилиндрическими штифтами.
На остов ротора насажен обод, выполненный из стального литья марки 25.
Обод имеет многогранную форму с числом граней, равным числу полюсов ротора. На
каждой грани имеется по одной продольной канавке для крепления полюсов с
Т-образным хвостовиком. Со стороны, обращенной к нижней крестовине, к ободу
прикрепляется болтами диск из стального листа.
Для предохранения от сдвига обода при подъеме ротора на домкратах обод
дополнительно закрепляется на остове путем установки стальных цилиндрических
штифтов, пропущенных сквозь толщу обода и поперечное ребро остова. Обод ротора
подобной конструкции воспринимает усилия от центробежной силы полюсов и зоны
обода, в которой размещаются хвостовики полюсов.
Между отдельными кольцами установлены дистанционные распорки из полосовой
стали, образующие радиальные вентиляционные каналы, через которые охлаждающий
воздух попадает в окна между катушками обмотки возбуждения. Остов прикрепляется
к двум фланцам втулки посредством пригнанных конусных стальных шпилек. Сама
втулка насаженна на вал с натягом методом горячей посадки. Подобная конструкция
допускает выем ротора из статора, не нарушая линию спаренных валов двигателя и
насоса.
.4.2 Полюсы ротора
Полюс ротора представляет собой сердечник с надетой на него катушкой
обмотки возбуждения.
Для уменьшения пульсационных потерь полюсы набираются из штампованных
листов. Листы сердечника полюса получают холодной штамповкой из обычной
низкоуглеродистой стали марки Ст3 толщиной 1 или 1.5 мм. Штампованные вырубки
полюсов собираются в монолитные пакеты посредством двух стальных щек и шпилек.
В башмаках полюсных вырубок выштамповываются и в щеках высверливаются круглые
отверстия для размещения стержней демпферной обмотки. Щеки полюсов
изготовляются стальными, литыми или коваными или вырезаются из толстого
листового проката. Опрессованный и стянутый стяжными шпильками сердечник полюса
подвергают необходимой механической обработке. Чтобы боковые ребра
четырехгранного сердечника полюса не прорезали изоляцию обмотки, острые углы
сердечника срезают, благодаря чему уменьшаются размеры катушки полюса и
создается возможность более удобно разместить ее на сердечнике. Крепление
полюсов к остову ротора производится посредством Т-образных хвостовиков и
парных тангенциальных клиньев или болтами.
Для увеличения устойчивости полюсов рекомендуется производить проварку
головки хвоста. При пропаренных хвостах допускаемые нагрузки в среднем
увеличиваются на 35%. Величины допускаемых нагрузок составляют примерно
половину от нагрузки, при которой полюс теряет устойчивость. В шихтованных
полюсах наиболее нагруженной частью является хвостовая зона полюсной щеки, на
которую действует сосредоточенная центробежная нагрузка от массы лобовой части
полюсной катушки, сегмента пусковой обмотки и самой щеки.
В вертикальных электродвигателях полюсы крепятся к остову ротора с
помощью одного или двух хвостов. Крепление одним хвостом является более простым
и технологичным, и поэтому имеет преимущественное применение.
.4.3 Обмотка возбуждения
Обмотка возбуждения синхронных двигателей выполняется из отдельных полюсных
катушек с открытыми наружной и внутренней поверхностями.
Катушка полюса изготовляется из голой, согнутой на ребро шинной меди
специального профиля. Применением подобной меди достигается увеличение наружной
поверхности катушки и улучшение съема тепла с катушки.
Витковая изоляция катушки выполняется из лакированной асбестовой бумаги
или из стеклоткани, пропитанной эпоксидным лаком. Для придания монолитности
катушки опрессовываются и выпекаются под большим давлением на прессе (не менее
150 кгс/см2 площади витка).
Изоляция больших полюсов изготовляется в виде твердых коробов,
выполненных из прессованной стеклоткани на эпоксидных связующих. Короба
составные и склеиваются под давлением непосредственно на сердечнике полюса. От
остова ротора и от полюсного башмака катушки изолируются путем прокладки
гетинаксовых или стеклотекстолитовых шайб.
Выводные концы катушек с целью обеспечения удобств сборки и компенсации
температурных деформаций набираются из тонкой ленточной меди и приклепываются к
крайним виткам катушки.
Соединение катушек производится медными хомутиками и пропаивается. Для
предохранения от выгиба и разрыва, которые возможны под действием центробежных
усилий, верхние выводные концы катушек прикрепляются к изоляционной прокладке,
установленной между башмаками соседних полюсов и прибандажированной шпагатом.
Нижние выводные концы прикрепляются изоляционными планками к ободу ротора.
Для предохранения катушек от перемещения в радиальном направлении на
полюсах, прикрепляемых к остову ротора Т-образными хвостами, устанавливаются
спиральные пружины, и нажим пружин на катушки осуществляется через стальные
шайбы.
.4.4 Демпферные обмотки
Демпферная обмотка предназначена для: демпфирования колебаний ротора при
переходных процессах, гашения поля обратной последовательности, создаваемого
токами обратной последовательности при несимметричных режимах работы, улучшения
условий входа в синхронизм, уменьшения перенапряжений при несимметричных
коротких замыкания.
Синхронные вертикальные двигатели имеют демпферные (пусковые) обмотки,
состоящие из круглых латунных или медных стержней, припаянных концами к медным
пластинам (сегментам). Для получения хорошего теплоотвода стержни демпферной
обмотки должны сидеть в пазу плотно, без зазора. Стержни должны быть
зафиксированы по центру полюсного башмака с помощью керновки или чеканки для
обеспечения равномерного удлинения от торцов башмака при нагреве. Сегменты
демпферных обмоток выполняются из меди марки МГТ и припаиваются к стержням
тугоплавким припоем. Сегменты располагаются в горизонтальной или вертикальной
плоскости.
В данном двигателе применяется конструкция демпферной обмотки с
креплением каждого сегмента зубом (выступом) на козырьке щеки полюса.
На плоскости сегмента, обращенной к щеке, делается паз глубиной примерно
в половину толщины сегмента. В этом пазу размещается выступ щеки. Соединение
сегментов в кольцо выполняется в этом случае также с помощью соединительных
медных планок по две на каждый стык. Контактные поверхности сегментов и
накладок для особо тяжелых условий пуска двигателя выполняются серебряными.
.4.5 Элементы конструкции ротора синхронного вертикального
двигателя
В синхронных двигателях, если напряжение в катушке полюса на изгиб
превосходит допускаемое (для меди 500 кгс/см2), необходимо в
междуполюсные окна соседних полюсов устанавливать распорки из немагнитного
материала, которые будут воспринимать усилия от тангенциальной составляющей
центробежной нагрузки, создаваемой катушками. Распорки изготовляются из
прочного кованого алюминиевого сплава или из литой бронзы. Распорки из
кованого, термически обработанного алюминиевого сплава выполняются цельными и
прикрепляются к остову ротора болтами. Для уменьшения перекрытия поверхности
катушек и обеспечения максимального прихода охлаждающего воздуха в
междукатушечное пространство соседних полюсов распорки изготовляются меньшей
высоты, чем катушка. Распорка устанавливается между катушками на изоляционных
прокладках из теплостойкого материала (стеклотекстолита марки СТЭФ). Литые
распорки из медного сплава, состоящие из двух частей, опирающихся на башмаки
полюсов и распертых сверху шпилькой, в вертикальных двигателях применяются
редко.
В двигателе токоподвод от контактных колец к обмотке возбуждения
выполняется из изолированных кабелей и помещается в центральном отверстии вала.
С одного конца вала кабели присоединяются к выводам катушек. С другого
конца кабели токоподвода с помощью кабельных наконечников присоединены к
шпилькам контактных колец. На участке от места выхода кабеля из центрального
отверстия вала до катушек полюсов токоподвод располагается на остове ротора.
Кабели токоподвода закрепляются на остове ротора и на валу посредством
изоляционных прокладок, стальных хомутиков и болтов.
В вертикальном синхронном двигателе применяются вентиляторы, выполненные
в виде отдельных крыльев, прикрепленных с обеих сторон ротора к торцам обода.
Вентиляторные крылья изготовляются из листовой стали.
Число крыльев с каждой стороны обода соответствует числу полюсов ротора,
и располагаются они таким образом, чтобы лопасти направляли воздух в
междуполюсные окна. Вентилятор состоит из двух стальных дисков и прикрепленных
между ними лопастей. Вентиляторы прикрепляются к торцевым поверхностям обода
ротора болтами.
Обмотка возбуждения, размешенная на полюсах ротора, питается постоянным
током, проходящим через скользящий контакт, вращающиеся контактные кольца -
неподвижные щетки.
Контактные кольца размещаются на торцевой части вала ротора. Подобная
конструкция представляет собой стальной фланец, на котором посредством четырех
стяжных изолированных шпилек и промежуточных изоляционных втулок закреплены два
контактных кольца. Кабельные наконечники токоподвода ротора прикрепляются
непосредственно к телу контактных колец (без контактных шпилек).
1.5 Конструкция крестовин и вала
.5.1 Верхняя крестовина
В вертикальных электродвигателях верхняя крестовина является
грузонесущей, она опирается на корпус статора.
Крестовина выполняется лучевого типа сварной конструкции из листовой
стали. Крестовина состоит из центральной части и приваренных к ней лап. Центральная
часть крестовины изготовляется: из внутреннего цилиндра, внешней обечайки
цилиндрической или конической формы, верхнего и нижнего фланцев, основных и
промежуточных ребер, сваренных между собой. К основным ребрам приварен опорный
диск, непосредственно воспринимающий нагрузку от подпятника. Центральная часть
крестовины является масляной ванной и в ней расположены опорный подпятник,
верхний направляющий подшипник и маслоохладители. Пространство между лапами
закрывается перекрытием, состоящим из отдельных листов и являющимся
одновременно верхним статорным щитом. Подпятник крестовины воспринимает
нагрузку, складывающуюся из силы тяжести вращающихся частей электродвигателя и
насоса и гидравлического усилия, действующего на рабочее колесо насоса.
Размеры верхней крестовины определяются из условия обеспечения ее
вертикальной жесткости и допустимых механических напряжений в сечениях лап, во
фланцах центральной части, в ребрах и других частях крестовины.
.5.2 Нижняя крестовина
Нижняя крестовина выполняется сварной конструкции из листовой стали
лучевого типа с четырьмя лапами. Центральная часть крестовины представляет
собой цилиндр из верхнего и нижнего фланцев и приваренных к ним обечайкам. Лапы
двутаврового сечения приварены к фланцам и к обечайке.
Центральная часть крестовины является масляной ванной, в которой
размещены нижний направляющий подшипник скользящего трения и маслоохладитель.
Снизу к масляной ванне прикрепляется болтами через резиновую прокладку сварная
крышка из листовой стали с центральным отверстием. К крышке по внутреннему
диаметру приварен цилиндр, являющийся выгородкой нижней крестовины. На нижнюю
крестовину в радиальном направлении действует несбалансированная односторонняя
нагрузка, воспринимаемая направляющим подшипником. Кроме того, при пуске
двигателя, крестовина нагружается моментом сил трения, возникающим на
поверхности сегментов подпятника. Нижняя крестовина располагается своими лапами
на фундаментных плитках, закрепленных непосредственно на фундаменте, или
крепится к нижнему опорному кольцу статора.
.5.3 Конструкция вала
Вал двигателя изготовлен кованным из стали марки 35.
Для сопряжения с приводом вал выполнен с фланцевым концом для
непосредственного сопряжения. При исполнении с фланцем на вал насаживаются
наглухо втулка нижнего направляющего подшипника и съемная втулка подпятника.
Для укладки токоподвода от обмотки ротора до контактных колец верхняя
часть вала выполняется с центральным отверстием.
В ряде случаев валы электродвигателей для привода насоса снабжаются
сквозным центральным отверстием для пропуска тяг механизма разворота лопастей
насоса.
Для закрепления на валу остова ротора, контактных колец, втулок и других
деталей применяются стальные призматические шпонки.
1.6 Подпятники
Подпятник электродвигателя должен воспринимать осевую нагрузку от силы
тяжести вращающихся частей электродвигателя и насоса и гидравлического усилия,
действующего на рабочее колесо насоса.
.6.1 Подпятники скольжения
Современные подпятники отечественного производства изготовляются с
гладким отдельным вращающимся диском (пятой), укрепленными на втулке, и
неподвижными самоустанавливающимися сегментами. Каждый сегмент установлен на
кулачковую опору, имеющую на конце сферическую головку.
Подпятник состоит из восьми сегментов с рабочей поверхностью, залитой
баббитом, и вращающегося стального полированного диска (зеркала подпятника),
прикрепленного болтами к нижней торцевой плоскости втулки подпятника. Каждый
сегмент эксцентрично подперт отдельной кулачковой опорой, выполненной в идее
стального винта со сферической поверхностью на одном конце, а другим концом
ввинченного в опорное кольцо крестовины.
Втулки изготовлены из стальных поковок или стального литья. Втулки
насаживаются на верхний конец вала ротора. Наружная поверхность верхней части
втулки является цапфой для направляющего подшипника.
К верхнему торцу втулки прикрепляется болтами запорное стальное кольцо,
удерживающее ротор электродвигателя и присоединенное к нему колесо насоса. К
нижнему торцу втулки через изоляционную прокладку прикрепляется вращающийся
диск подпятника.
.6.2 Смазка подпятника и маслоохладители
Для сегментного подпятника вертикального синхронного двигателя
применяется замкнутая внутри масляной ванны система смазки. Внешняя циркуляция
масла отсутствует. Весь подпятник полностью погружен в масло. Масло в ванне
циркулирует за счет насосного действия вращающего диска и этим обеспечивает
смазку поверхностей трения и охлаждение сегментов. Масло в масляной ванне
охлаждается с помощью маслоохладителей.
Эффективное охлаждение масла в подпятнике осуществляется за счет
встроенных в масляную ванну водяных трубчатых охладителей. Маслоохладители
выполняются из прямых или U-образных латунных трубок, концы которых
развальцованы. Внутри трубок протекает охлаждающая вода. С наружной стороны
трубки омываются маслом. К трубным доскам посредством болтов прикреплены на
резиновых прокладках сварные стальные или литые чугунные крышки. Верхняя крышка
снабжена двумя патрубками для присоединения трубопровода подачи и отвода воды.
Маслоохладители с U-образными трубками и одной крышкой при одинаковых внешних
размерах имеют увеличенную поверхность теплоотдачи и меньше гидравлических
соединений внутри масляной ванны, отчего уменьшается вероятность попадания воды
в масло по сравнению с маслоохладителями с прямыми трубками и двумя крышками.
.7 Направляющие подшипники
.7.1 Сегментные подшипники скольжения
В вертикальном синхронном двигателе применяют сегментные
самоустанавливающиеся направляющие подшипники, выполненные по типу сегментных
подпятников, но с цилиндрической рабочей поверхностью.
Сегмент направляющего подшипника состоит из основания, вырезанного из
стального кольца, и прикрепленного к нему двумя болтами стального башмака.
Рабочая поверхность основания сегмента залита баббитом. Комплект сегментов на
подшипниках устанавливается в гнездо направляющего подшипника. Под каждый
сегмент между специальной канавкой в башмаке и гнездом направляющего подшипника
прокладываются регулировочные стальные прокладки, за счет которых
устанавливается необходимый зазор между сегментом и цапфой вала. Сегменты
располагаются в верхней крестовине вокруг втулки подпятника, в нижней - вокруг
специальной, насаженной на вал электродвигателя стальной втулки.
Сегменты погружены своей нижней частью в масло. Охлаждение направляющих
подшипников производится за счет циркуляции масла в масляных ваннах крестовин.
Охлаждение масла выполняется с помощью строенных в масляные ванны трубчатых
водяных охладителей. В верхней крестовине маслоохладители общие для подпятника
и подшипника.
.7.2 Изоляция направляющих подшипников и подпятника
В подпятнике изолируется вращающийся диск путем установки между диском и
основанием втулки подпятника изоляционной прокладки из калиброванного по
толщине гетинакса или приклейки к диску прокладки из стеклоткани. Болты, крепящие
диск к основанию втулки, изолируются бакелитовыми или стеклотканевыми трубками.
В направляющих подшипниках изоляционные прокладки устанавливаются между
сегментами и башмаками. Болты, крепящие сегмент к башмаку, изолируются втулками
и шайбами.
.8 Система возбуждения вертикального синхронного двигателя
Возбуждение синхронного двигателя обеспечивается от отдельно стоящего
тиристорного возбудителя.
Для возбуждения синхронных машин применяют статические устройства.
Проектируемый двигатель оснащен полупроводниковым статическим тиристорным
возбудительным устройством. Преимущества тиристорных возбудителей заключаются в
их малых габаритах и небольшой массе, практической безынерционности, широких
возможностях регулирования и требуемой для этого малой мощности, измеряемой
ваттами, высоком к.п.д.
Нестандартные значения номинальных напряжений возбуждения СД обусловили
нестандартные напряжения ТВУ и потребовали разработки специальных
трансформаторов, что позволило уменьшить установленную мощность
трансформаторов, повысить КПД и коэффициент мощности ТВУ.
К системам возбуждения предъявляются следующие основные требования,
которым она должна удовлетворять:
)надёжное питание постоянным током обмотки возбуждения ротора двигателя в
любых режимах работы;
)устойчивое регулирование тока возбуждения при изменении на грузки
двигателя от нуля до номинальной при заданном уровне напряжения;
)достаточное быстродействие;
)форсировка возбуждения;
)быстрое гашение магнитного поля в двигателе.
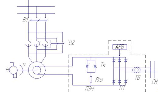
На рис. 3 показана схема возбуждения от тиристорного возбудителя.
Рис. 3 - Схема возбуждения от тиристорного возбудителя
Система возбуждения состоит из следующих основных узлов: внешней сети Uc,
сети собственных нужд СН, трансформатора возбуждения ТВ, тиристорного
преобразователя ТП, пускозащитного сопротивления Rпз, тиристорного
ключа ТК, автоматического регулятора возбуждения АРВ, трансформатора напряжения
ТН и трансформатора тока ТТ.
Регулирование тока возбуждения осуществляется изменением угла отпирания
тиристоров. При пуске синхронного двигателя на подсинхронной скорости тиристоры
отпираются с углом, соответствующим потолочному напряжению возбуждения.
Длительность форсировки при этом обычно около 1 с. Предельное установившееся
напряжение возбудителя (потолок) Uпот при форсировке должно быть не
менее 1,4 номинального напряжения возбуждения синхронного двигателя Uв.н.
Для крупных двигателей практически всегда Uопт = (1,7-2,0)Uв.н
(особенно при тиристорном возбуждении). Система возбуждения должна быть
рассчитана на длительность форсировки 50 сек.
Тиристорный возбудитель управляет пуском и остановкой двигателя и потому
отпадает надобность в станции управления. При пуске, когда в обмотке ротора
индуктируется переменная э.д.с., обмотка должна быть включена на резистор,
чтобы создать замкнутую цепь для отрицательной полуволны тока. Резистор может
быть линейным и нелинейным, включенным только на время пуска или постоянно
подключенным. В последнем случае он осуществляет и защиту тиристоров от
перенапряжений при переходных процессах в двигателе. При пуске синхронного
двигателя тиристорный преобразователь заперт, обмотка возбуждения включена на
разрядный резистор через тиристорный ключ, который представляет собой два
встречно-параллельных тиристора. К концу пуска, когда напряжение на обмотке
ротора падает, включается тиристорный преобразователь, а тиристоры ключа
запираются.
1.9 Пуск
Весьма сложен процесс пуска двигателя, так как за счет синхронного
момента разогнать ротор из неподвижного состояния до синхронной скорости
невозможно из-за инерционности ротора. Если попытаться запустить двигатель за
счет подачи одновременно напряжения на обмотку статора и на обмотку ротора от
возбудителя, то синхронный момент, возникший в результате взаимодействия полей
ротора и статора будет знакопеременным с частотой 50 Гц. Вследствие этого, для
пуска предусмотрена специальная пусковая обмотка или демпферная обмотка,
которая помогает гасить качание ротора в результате переходных процессов. В
явно полюсной синхронной машине пусковая обмотка представляет собой
короткозамкнутую обмотку типа беличья клетка. Ее стержни располагаются в пазах
полюсного наконечника. Сегменты соседних полюсов также связаны и образуют общее
короткозамыкающее кольцо.
Пусковые характеристики вертикальных синхронных двигателей ВДС 375
рассчитаны для пуска насосов в утяжеленных условиях и рассчитаны на реакторный
пуск от пониженного напряжения.
Пуск осуществляется в два этапа: на первом за счет взаимодействия поля
статора с пусковой обмоткой возникает асинхронный момент, двигатель запускается
до подсинхронной скорости; на втором подается напряжение на обмотку возбуждения
и под действием электромагнитного момента происходит втягивание машины в
синхронизм.
Процесс пуска СД сопровождается большими пусковыми токами и интенсивным
нагревом обмоток, особенно пусковой, поэтому повторный пуск для многих мощных
машин не допускается без охлаждения. При частых пусках демпферная обмотка
должна иметь усиленную конструкцию, так же как и крепление статорной обмотки.
2. ЭЛЕКТРОМАГНИТНЫЙ РАСЧЕТ ДВИГАТЕЛЯ И ВЫБОР ГЛАВНЫХ РАЗМЕРОВ
.1 Расчет номинальных величин
Номинальная полная мощность
где
- среднее значение КПД крупных синхронных двигателей;
= 0.95
Номинальный фазный ток статора
.2 Расчет сердечника статора
Число пар полюсов
Внутренний диаметр статора
где
- внешний диаметр сердечника статора, м
Полюсное деление
Длина сердечника статора
Высота спинки сердечника статора
Высота паза статора
Ширина паза статора
где
и
при термореактивной изоляции.
Проведем проверку выполнения следующих соотношений:
Соотношения не выполняются. Проведем коррекцию диаметра.
В ходе коррекции мы получили следующие значения:
Число параллельных ветвей
Число параллельных ветвей выбирается из ряда чисел, кратных числу
полюсов. При 2
= 24 возможны числа параллельных ветвей 24, 12, 8, 6, 4, 3,
2, 1.
Выбираем наименьшее число, при котором выполняется следующее условие:
Минимальное зубцовое деление
Максимально возможное число пазов статора
Число пазов на полюс и фазу
В этом случае выбираем число
дробным.
Знаменатель d выбираем из ряда
чисел, кратных отношению числа полюсов к числу параллельных ветвей, но не
кратных трем.
Числу 8 кратны числа 8, 4, 2, 1.
Рассмотрим все значения d из
ряда возможных чисел.
Каждому выбранному значению d может соответствовать несколько значений числителя c. Величина c подбирается так, чтобы отношение
представляло собой несократимую
дробь.
Возможны следующие варианты:
= 0.125
= 225
= 0.375Z =
243 - неприемлемо
= 0.625Z =
261 - неприемлемо
= 0.875Z =
279 - неприемлемо
= 0.25Z =
234 - неприемлемо
= 0.75Z =
270 - неприемлемо
= 0.5Z =
252 - неприемлемо
Нашим условиям удовлетворяет число
Число пазов статора
Число пазов в сегменте
Число выбирается кратным числу пазов Z в диапазоне
.
При этом большая хорда сегмента:
Штампуем сегменты из рулонов электротехнической стали шириной 500мм.
Зубцовое деление
Рис. 4 - Раскрой рулона электротехнической стали и чертеж сегмента (М
1:4)
2.3 Расчет обмотки статора
Линейная нагрузка
Число эффективных проводников в пазу
Число
округляется до ближайшего целого четного числа.
= 12
Число элементарных проводников в одном эффективном
где
- предварительное значение плотности тока в обмотке статора
- предварительная площадь сечения элементарного проводника
=18
Ширина элементарного проводника
где
- толщина витковой изоляции,
- толщина корпусной изоляции,
- число элементарных проводников по ширине паза
Высота элементарного проводника
где
=0.33 мм - двухсторонняя толщина изоляции элементарного
проводника
По найденным значениям
и
определяются размеры стандартного проводника и его сечения
, а затем уточняются размеры паза
=12.67
Размеры паза должны удовлетворять соотношениям:
Соотношения выполняются.
Окончательные размеры паза устанавливаются после проверки среднего
перепада температуры в изоляции обмотки статора
где
- плотность тока в обмотке статора.
- теплопроводность изоляции
Число витков в фазе
Шаг обмотки (округляется до ближайшего целого)
где m - число фаз; m = 3.
Укорочение шага
Коэффициент укорочения
Коэффициент распределения
Обмоточный коэффициент
.4 Коррекция главных размеров статора по уровню индукции в
воздушном зазоре, зубцах и спинке статора
Число вентиляционных каналов (округляется до ближайшего целого)
где
- ширина пакета статора
- ширина вентиляционного канала
Длина сердечника статора
Индукция в воздушном зазоре над серединой полюса
где
- коэффициент полюсного перекрытия.
Индукция в спинке статора
где
- высота спинки статора
- суммарная длина пакетов статора.
Индукция в зубцах на высоте
от основания паза
где
ширина зубца на высоте
от основания паза.
Значения индукций в различных участках магнитной цепи при холостом ходе
обычно находятся в пределах:

Рис. 5 - Паз статора со спецификацией (М 1:1)
|
Позиция
|
Наименование
|
Число слоев
|
Толщина, мм
|
|
|
По ширине
|
По высоте
|
По ширине
|
По высоте
|
|
1
|
Провод ПСД
|
3
|
12
|
1.2
|
0.33
|
|
2
|
Стеклослюдинитовая лента ЛС
0.13 мм
|
9
|
вполнахлеста
|
6
|
6
|
|
3
|
Лента стеклянная ЛЭС 0.1 мм
|
1
|
встык
|
0.2
|
0.2
|
|
Толщина изоляции катушечной
стороны
|
|
6.2
|
6.2
|
|
4
|
Стеклотекстолит СТ-1, 1мм
|
|
2
|
|
2
|
|
5, 6
|
Стеклотекстолит СТ-1, 0.5
мм
|
|
2
|
|
1
|
|
Общая толщина изоляции на
паз
|
|
|
6.2
|
15.4
|
Полученные значения индукций не попадают в указанные диапазоны, поэтому
необходимо выполнить коррекцию главных размеров: внутреннего диаметра
и длины
.
Таблица 1 - Коррекция главных размеров статора
|
Проектные показатели
|
Вариант коррекции
|
|
1
|
2
|
3
|
4
|
|
|
3.296
|
3.306
|
3.306
|
3.32
|
|
|
12
|
12
|
13
|
13
|
|
(ширина крайних пакетов)
|
0.05
|
0.05
|
0.05
|
0.05
|
|
|
0.66
|
0.66
|
0.71
|
0.71
|
0.54
|
0.54
|
0.58
|
0.58
|
|
|
0.431
|
0.435
|
0.435
|
0.435
|
|
|
0.046
|
0.046
|
0.046
|
0.046
|
|
|
0.117
|
0.112
|
0.112
|
0.11
|
|
|
0.026
|
0.027
|
0.027
|
0.027
|
|
|
0.841
|
0.839
|
0.78
|
0.779
|
|
|
1.464
|
1.529
|
1.424
|
1.46
|
|
|
1.92
|
1.91
|
1.779
|
1.775
|
2.5 Выбор величины воздушного зазора
Линейная нагрузка
Величина воздушного зазора под серединой полюса
где
синхронное сопротивление по оси d
Найденное значение
не должно быть ниже граничного
, определяемого условиями
изготовления и монтажа
Одновременно проверяется условие
, определяемое допустимым уровнем
потерь в полюсном наконечнике от зубцовых гармоник поля.
.6 Расчет полюса и демпферной обмотки
Ширина полюсного наконечника
Высота полюсного наконечника
Ширина сердечника полюса
Высота сердечника полюса
Число стержней демпферной обмотки (округляется до ближайшего целого
числа)
Сечение стержня демпферной обмотки
Диаметр стержня демпферной обмотки
Размеры демпферной обмотки корректируются по условию термической
устойчивости:
Условие выполняется
Шаг демпферной обмотки
Для уменьшения добавочных потерь и исключения прилипания ротора при пуске
число стержней
и их шаг
корректируют так, чтобы выполнялось условие:
Условие выполняется.
Площадь поперечного сечения короткозамыкающих колец
Поперечные размеры короткозамыкающих колец
Размеры колец приводятся в соответствие со стандартными значениями шинной
меди:
Ширина шлица паза демпферной обмотки
Высота шлица паза демпферной обмотки
Рис. 6 - Межполюсное окно (М 1:2,5)
.7 Расчет магнитной цепи
Магнитопровод статора собирается из листов электротехнической стали марки
1511 (высоколегированная). Полюсы синхронной машины выполнены шихтованными из
стали марки Ст3.
Заданными являются первая гармоника основного магнитного потока
на холостом ходу
и МДС обмотки статора
по продольной оси
где
коэффициент приведения обмотки статора по продольной оси.
Поскольку характер распределения полного потока
отличается от синусоидального, то
вводится коэффициент формы поля:
где
Часть потока
, приходящегося на полюсный наконечник
, определяет индукцию в зазоре и
зубцах статора. Расчет потока
выполняется с помощью коэффициента
приведения
:
Величина
определяется по формуле:
где
Наличие пазов на статоре и роторе создает дополнительное магнитное
сопротивление для потока
в воздушном зазоре. Такой же эффект оказывают и радиальные
вентиляционные каналы. Учет этих эффектов производится с помощью коэффициента
Картера
путем соответствующего увеличения
величины воздушного зазора.
где
Таблица 2 - Размеры магнитной цепи
|
Расчетная величина
|
Спинка статора
|
Зубцы статора
|
Зазор
|
Полюс ротора
|
|
Длина участка, м
|
|
|
|
|
|
Ширина участка, м
|
|
|
|
|
|
Площадь участка, м2
|
|
|
|
|
|
Длина силовой линии, м
|
|
|
|
|
При расчете магнитной цепи необходимо также учесть потоки рассеяния
обмотки возбуждения, которые дополнительно нагружают полюсы:
где
- коэффициент рассеяния обмотки возбуждения
Величина потока рассеяния
зависит от коэффициента проводимости
где
где
Расчет магнитной цепи выполняется для режима холостого хода (
= 0) и режима номинальной нагрузки (
= 0.8). Для удобства вычислений весь
расчет сведен в таблицы 3 и 4.
Таблица 3 - Расчет магнитной цепи в режиме холостого хода
|
Расчетная величина
|
Спинка статора
|
Зубцы статора
|
Зазор
|
Полюс ротора
|
|
Магнитный поток, Вб
|
|
|
|
|
Индукция, Тл
|
|
|
|
|
|
Напряженность А/м
|
|
|
|
|
|
Магнитное напряжение, А
|
|
|
|
|
Магнитный поток при номинальной нагрузке
вычисляется по формуле:
-активное сопротивление обмотки статора, о.е.;
-индуктивное сопротивление рассеяния обмотки статора, о.е.
Для расчета сопротивлений
и
используются соотношения:
)
где
)
где
Таблица 4 - Расчет магнитной цепи в режиме номинальной нагрузки
|
Расчетная величина
|
Спинка статора
|
Зубцы статора
|
Зазор
|
Полюс ротора
|
|
Магнитный поток, Вб
|
|
|
|
|
Индукция, Тл
|
|
|
|
|
|
Напряженность, А/м
|
|
|
|
|
|
Магнитное напряжение, А
|
|
|
|
|
Потоки
, i = 1, 2
определяют соответствующие магнитные напряжения:
- магнитное напряжение воздушного зазора;
- магнитное напряжение зубцов статора;
- магнитное напряжение спинки статора.
Сумма этих магнитных напряжений совместно с МДС обмотки статора
определяет магнитное напряжение
на участке рассеяния полюсов:
Зная магнитное напряжение
, находим коэффициент рассеяния
и полный поток полюса
Потоку
соответствует магнитное напряжение полюса
.
Результирующее магнитное напряжение:
Магнитное напряжение
определяет МДС обмотки возбуждения при номинальной нагрузке
2.8 Расчет перегрузочной способности
МДС обмотки возбуждения в режиме трехфазного короткого замыкания при
номинальном токе статора
Кратность максимального синхронного момента
.9 Расчет обмотки возбуждения
Ширина провода обмотки возбуждения
где
Ширина провода обмотки возбуждения ограничивается:
)Условием ее размещения в пространстве:
где
=785, так как p
2.
)Условием надежного крепления обмотки возбуждения на полюсе:
Высота провода обмотки возбуждения
Размеры провода обмотки возбуждения приводятся в соответствие со
стандартными значениями шинной меди.
.9.3.Средняя длина витка обмотки возбуждения
Номинальное напряжение возбуждения
.9.5.Число витков обмотки возбуждения
Число витков округляется с точностью до
витка.
Ток возбуждения холостого хода
Ток возбуждения при номинальной нагрузке
Плотность тока в обмотке возбуждения при номинальной нагрузке
Перегрев обмотки возбуждения
Номинальные значения напряжения и тока обмотки возбуждения должны быть
приведены в соответствие с номинальными данными возбудителей, имеющихся в
соответствующих каталогах.
Номинальные данные тиристорного возбудителя:
= 630 А
= 230 В
Найденный таким образом вариант синхронного двигателя полностью определяет
его свойства и характеристики. Их оценка производится с помощью ЭВМ. Результаты
поверочного расчета полученного варианта позволяют судить о степени его
соответствия требованиям ГОСТов и технического задания.
3. СИНТЕЗ И ОПТИМИЗАЦИЯ ЭЛЕКТРОМАГНИТНОГО ЯДРА НА
ПЕРСОНАЛЬНОМ КОМПЬЮТЕРЕ
Характерной чертой современного этапа развития теории и практики
проектирования электрических машин является переход к автоматизированному
проектированию. Задача синтеза электромагнитного ядра явнополюсного синхронного
двигателя разбивается на два этапа: аналитический и поисковый. На аналитическом
этапе определяется исходный вариант двигателя. Этот этап выполняется вручную.
Результаты данного расчета приведены во второй главе. В ходе поискового этапа
выполняются проектные исследования двигателя, и решается задача его
параметрической оптимизации. Этот этап выполняется на персональном компьютере с
помощью пакета программ OPTCD.
В этой главе приведен поэтапный процесс корректировки исходного варианта
двигателя: поиск приемлемого варианта двигателя, оптимизация по минимуму
приведённой стоимости, оптимизация по минимуму резервов.
.1 Поиск приемлемого варианта
.1.1 Подготовка исходных данных
Проведем подготовку данных для двигателя ВДС 375/71-24.
Номинальные данные:
Номинальная мощность
= 9000 кВт
Номинальное линейное напряжение
= 10 кВ
Номинальный коэффициент мощности
= 0,9
Номинальная частота напряжения сети
= 50 Гц
Число пар полюсовp = 12
В соответствии с требованиями технического задания он должен иметь
следующие эксплуатационные показатели:
Кратность пускового тока
=6.0
Кратность пускового момента
=0.4
Кратность максимального момента
=2.0
Кратность входного момента
=1.1
Двигатели данной серии имеют вертикальное исполнение. Полюсы -
шихтованные из стали марки Ст3. Сердечник статора выполняется из
электротехнической стали марки 1511. Тип изоляции - термореактивная класса B. Пазовый клин статора выполняется из
немагнитного материала. Обмотка возбуждения питается от статического
тиристорного возбудителя с номинальным током
= 630 А и кратностью форсировки
= 2.
На основе этих данных был выполнен ручной расчет двигателя, в результате
которого получены следующие конструктивные параметры:
Число эффективных проводников в пазу
= 12
Число пазов статора
= 225
Внутренний диаметр статора
=
3.32 м
Длина сердечника статора
=
0.71 м
Высота паза статора
=
0.103 м
Ширина паза статора
=
0.02 м
Величина воздушного зазораd = 0.0085 м
Ширина полюсного наконечника
= 0.312 м
Ширина сердечника полюса
=
0.241 м
Высота сердечника полюса
=
0.241 м
Высота проводника обмотки возбуждения
= 5 мм
Ширина проводника обмотки возбуждения
= 35 мм
Число стерней демпферной обмотки
= 8
Вся подготовленная информация заносится в таблицы исходных данных пакета OPTCD в следующей последовательности.
Номинальные данные
|
Тип
|
, кВт
|
, кВ
|
|
, Гц
|
p
|
, А
|
|
ВДС 375/L-24
|
9000
|
10
|
0.9
|
50
|
12
|
630
|
Конструктивные данные
|
Полюс
|
Клин
|
Изоляция
|
Возбудитель
|
Исполнение
|
Сталь(j)
|
Сталь(z)
|
Сталь(m)
|
, м
|
|
1
|
0
|
2
|
2
|
1
|
1511100
|
1511200
|
3000300
|
3.75
|
Возможные числа параллельных ветвей
|
A(1)
|
A(2)
|
A(3)
|
A(4)
|
A(5)
|
A(6)
|
A(7)
|
A(9)
|
A(10)
|
|
12
|
8
|
6
|
4
|
3
|
2
|
1
|
1
|
1
|
1
|
Возможные числа знаменателя дробной части q
|
D(1)
|
D(2)
|
D(3)
|
D(4)
|
D(5)
|
D(6)
|
D(7)
|
D(8)
|
D(9)
|
D(10)
|
|
8
|
4
|
2
|
1
|
1
|
1
|
1
|
1
|
1
|
1
|
Технические и технологические требования
|
|
|
|
|
|
, тм
|
, А
|
, м
|
|
0.4
|
1.1
|
2.0
|
6.0
|
2.0
|
0.0
|
275
|
0.0075
|
Допустимый уровень контролируемых показателей
|
, Тл
|
, Тл
|
, Тл
|
, град
|
, град
|
, град
|
, град
|
, А/м
|
|
1.6
|
1.8
|
1.6
|
80
|
60
|
200
|
25
|
52470
|
Исходные значения конструктивных параметров
|
|
|
, м
|
. м
|
, м
|
, м
|
d, м
|
|
, м
|
, м
|
, м
|
, м
|
|
|
12
|
225
|
3.32
|
0.71
|
0.103
|
0.02
|
0.0085
|
0.312
|
0.241
|
0.241
|
5
|
35
|
8
|
.1.2 Выбор приемлемого варианта
Результаты поверочного расчета приведены в таблице 5. Первые две колонки
таблицы содержат заданные значения конструктивных параметров, а последние две
колонки - рассчитанные значения основных показателей двигателя. В нижней строке
таблицы указываются значения индукции магнитного поля в воздушном зазоре при
холостом ходе
, величина линейной нагрузки
, приведенная стоимость двигателя CD, отнесенная к полной мощности, и
целевая функция CF, включающая CD и штрафы за нарушение ограничений.
При выполнении всех ограничений CF = CD.
Таблица 5 - Поверочный расчет двигателя по исходным данным
Как видно из полученной таблицы, результаты вполне удовлетворительны.
Данный вариант является приемлемым. Однако стоимость такого двигателя велика и
следует стремиться к её уменьшению. Для этого проведем оптимизацию расчета по
минимуму приведенной стоимости.
.2 Оптимизация по приведенной стоимости
На первом шаге оптимизации изменим материал пазового клина с немагнитного
на магнитный и марку стали, из которой выполнен сердечник статора. Изменение
материала клина должно привести к уменьшению пульсации магнитного поля, а сталь
марки 2411 (холоднокатаная) имеет лучшие магнитные характеристики по сравнению
с о сталью 1511 (горячекатаная).
Таблица 6
Как видно из таблицы, приведенная стоимость уменьшилась, а КПД возросло.
На втором шаге изменим размеры паза статора. Уменьшим ширину паза. Это
должно привести к снижению пульсационных потерь на поверхности полюсного
наконечника. Одновременно с этим увеличим высоту паза, так как уменьшение ширины
паза приведет к перегреву обмотки статора.
Эти изменения могут привести к снижению индукции в зубцах и к росту
индукции в спинке статора, что, в свою очередь, может привести к перегреву
обмотки статора и ротора. Для коррекции индукции уменьшим внутренний диаметр
статора.
Таблица 7
Приведенная стоимость значительно уменьшилась по сравнению с предыдущим
вариантом.
На третьем шаге увеличим размеры сердечника полюса.
Таблица 8
На четвертом шаге увеличим ширину шины обмотки возбуждения, что приведет
к увеличению перегрева и к уменьшению потерь в обмотке возбуждения.
Таблица 9
На пятом шаге еще уменьшим ширину паза статора, увеличив при этом его
высоту. Это может привести к тому, что не будут выполнены технические
требования по пусковому и по входному моментам, так как из предыдущего варианта
видно, что они малы, а изменение размеров их неизбежно уменьшит. Для
компенсации уменьшим длину, повысив таким образом пусковой и входной моменты.
Таблица 10
На шестом шаге уменьшим диаметр, снизив при этом индукцию в спинке
статора.
Таблица 11
На седьмом шаге уменьшим длину сердечника статора, увеличив при этом
ширину и уменьшив высоту сердечника полюса.
Таблица 12
В ходе оптимизации двигателя по приведенной стоимости мы уменьшили CD с 26.36 у.е. до 22.56 у.е. КПД
возрос с 96.28% до 97.06%.
3.3 Оптимизация по минимуму резервов
Шаг первый. Как видно из таблицы 12, у двигателя значительные резервы по
токам. Снизим эти резервы посредством уменьшения числа пазов. Число пазов
уменьшается с шагом 9. При первом приближении уменьшим число Z на два шага. Снижение Z ведет к уменьшению индуктивного
сопротивления обмотки статора. При этом увеличивается пусковой ток, но при этом
увеличиваются пусковой, максимальный и входной моменты.
Таблица 13
Как видно из таблицы 13, уменьшение числа пазов оказалось недостаточным.
При Z = 189 пусковой ток недостаточен.
Уменьшим Z до 180 и изменим марку стали на
1511, изменив при этом материал пазового клина на магнитный. Одновременно с
этим увеличим длину сердечника статора, что позволит скомпенсировать избыточный
пусковой ток.
Таблица 14
Это позволило нам добиться удовлетворительного пускового тока.
Как видно из таблицы 13, у двигателя есть большой резерв по перегреву
обмотки возбуждения. На третьем шаге увеличим температуру обмотки возбуждения,
уменьшая ширину провода обмотки возбуждения. При этом увеличим длину сердечника
статора.
Таблица 15
На четвертом шаге уменьшим ширину и высоту сердечника полюса, что
приведет к увеличению температуры обмотки возбуждения. Также уменьшим высоту
провода обмотки возбуждения. Для того, чтобы несколько уменьшить пусковой и
входной моменты, уменьшим число стержней демпферной обмотки.
Таблица 16
Данный вариант является наиболее оптимальным для данного двигателя в
отношении минимума резервов.
.4 Выбор оптимального варианта
Анализ данных показал, что вариант по минимуму приведенной стоимости
наиболее приемлем. При данных значениях конструктивных параметров наибольший
КПД - 97.06% и минимальная приведенная стоимость - 22.56 у.е./кВА. В данном
случае мы имеем резервы по перегреву обмотки возбуждения и по пусковому току.
Расчетный формуляр двигателя ВДС-375/64 -24 приведен в приложении.
3.5 Анализ серии синхронных двигателей
В ходе курсового проекта группы Э-34013 и Э-34014 были поделены на три
бригады по 10 человек. Руководителем первой бригады был назначен студент
Захаров Ю.П.
В ходе работы бригады были получены вертикальные синхронные двигатели со
следующими показателями:
Таблица 17
|
Фамилия
|
, кВт
|
CD, у.е.
|
, кг/кВА
|
, кг/кВА
|
, %
|
, град
|
, град
|
|
|
|
|
Малиевская
|
12500
|
21.83
|
0.820
|
0.344
|
96.88
|
55.4
|
73.1
|
0.53
|
2.37
|
5.43
|
|
Мошкина
|
12000
|
22.52
|
0.752
|
0.389
|
96.48
|
57.5
|
70.5
|
0.40
|
2.68
|
5.25
|
|
Пяткова
|
11500
|
22.71
|
0.900
|
0.411
|
96.68
|
58.5
|
77.9
|
0.43
|
2.34
|
5.42
|
|
Семенова
|
11000
|
22.86
|
0.707
|
0.329
|
96.66
|
54.8
|
73.4
|
0.5
|
2.16
|
5.30
|
|
Шарапова
|
10500
|
22.33
|
0.812
|
0.423
|
96.88
|
58.6
|
48.7
|
0.67
|
2.53
|
5.22
|
|
Назарова
|
10000
|
23.63
|
0.957
|
0.324
|
96.55
|
58.6
|
77.5
|
0.41
|
2.29
|
4.64
|
|
Дудин
|
9500
|
24.81
|
1.143
|
0.353
|
96.36
|
59.9
|
74.0
|
0.81
|
2.27
|
5.51
|
|
Захаров
|
9000
|
22.56
|
0.853
|
0.584
|
97.06
|
58.2
|
29.5
|
0.47
|
2.23
|
4.55
|
|
Зубарев
|
8500
|
25.55
|
0.709
|
0.410
|
96.25
|
58.2
|
78.3
|
0.41
|
2.36
|
5.15
|
|
Лукичев
|
8000
|
24.26
|
0.874
|
0.354
|
96.64
|
55.2
|
66.7
|
0.49
|
2.30
|
5.26
|
.5.1 Анализ технико-экономических показателей
Анализ серии вертикальных синхронных двигателей по приведенной стоимости
Таблица 18
|
Фамилия
|
CD, у.е.
|
|
Реальная
|
Расчетная
|
Отклонение
|
Нормированная
|
Средневзвешенная
|
|
Малиевская
|
21.83
|
21.96
|
+0.13
|
+0.08
|
+0.02
|
|
Мошкина
|
22.52
|
22.26
|
-0.26
|
-0.17
|
-0.043
|
|
Пяткова
|
22.71
|
22.56
|
-0.15
|
-0.1
|
-0.025
|
|
Семенова
|
22.86
|
22.86
|
0
|
0
|
0
|
|
Шарапова
|
22.33
|
23.16
|
+0.83
|
+0.55
|
+0.138
|
|
Назарова
|
23.63
|
23.46
|
-0.17
|
-0.11
|
-0.028
|
|
Дудин
|
24.81
|
23.76
|
-1.05
|
-0.7
|
-0.18
|
|
Захаров
|
22.56
|
24.06
|
+1.5
|
+1
|
+0.25
|
|
Зубарев
|
25.55
|
24.36
|
-1.19
|
-0.79
|
-0.198
|
|
Лукичев
|
24.26
|
24.65
|
+0.39
|
+0.26
|
+0.065
|
Изобразим тенденцию зависимости приведенной стоимости от активной
мощности.
y=a+b*x
b =
=
= -0.6
a = 29.454
Рис. 7 - График зависимости приведенной стоимости от мощности
Анализ серии вертикальных синхронных двигателей по удельному расходу
стали
Таблица 19
|
Фамилия
|
, кг/кВА
|
|
Реальный
|
Расчетный
|
Отклонение
|
Нормированный
|
Средневзвешенный
|
|
Малиевская
|
0.820
|
-0.006
|
-0.02
|
-0.005
|
|
Мошкина
|
0.752
|
0.823
|
+0.071
|
+0.26
|
+0.065
|
|
Пяткова
|
0.900
|
0.831
|
-0.069
|
-0.25
|
-0.063
|
|
Семенова
|
0.707
|
0.840
|
+0.133
|
+0.48
|
+0.12
|
|
Шарапова
|
0.812
|
0.848
|
+0.036
|
+0.13
|
+0.033
|
|
Назарова
|
0.957
|
0.857
|
-0.1
|
-0.36
|
-0.09
|
|
Дудин
|
1.143
|
0.865
|
-0.278
|
-1
|
-0.25
|
|
Захаров
|
0.853
|
0.874
|
+0.021
|
+0.08
|
+0.02
|
|
Зубарев
|
0.709
|
0.882
|
+0.173
|
+0.62
|
+0.155
|
|
Лукичев
|
0.874
|
0.891
|
+0.017
|
+0.06
|
+0.015
|
a = 1.027= -0.017
Рис. 8 - График зависимости удельного расхода стали от мощности
Анализ серии вертикальных синхронных двигателей по удельному расходу меди
Таблица 20
|
Фамилия
|
, кг/кВА
|
|
Реальный
|
Расчетный
|
Отклонение
|
Нормированный
|
Средневзвешенный
|
|
Малиевская
|
0.344
|
0.363
|
+0.019
|
+0.10
|
+0.025
|
|
Мошкина
|
0.389
|
0.369
|
-0.02
|
-0.11
|
-0.027
|
|
Пяткова
|
0.411
|
0.376
|
-0.035
|
-0.20
|
-0.05
|
|
Семенова
|
0.329
|
0.382
|
+0.053
|
+0.3
|
+0.075
|
|
Шарапова
|
0.423
|
0.389
|
-0.034
|
-0.19
|
-0.048
|
|
Назарова
|
0.324
|
0.395
|
+0.071
|
+0.4
|
+0.1
|
|
Дудин
|
0.353
|
0.402
|
+0.049
|
+0.28
|
+0.07
|
|
Захаров
|
0.584
|
0.408
|
-0.176
|
-1
|
-0.25
|
|
Зубарев
|
0.410
|
0.415
|
+0.005
|
+0.03
|
+0.008
|
|
Лукичев
|
0.354
|
0.421
|
+0.067
|
+0.38
|
+0.095
|
b = -0.013= 0.526
Рис. 9 - График зависимости удельного расхода меди от мощности
Анализ серии вертикальных синхронных двигателей по КПД
Таблица 21
|
Фамилия
|
, %
|
|
Реальный
|
Расчетный
|
Отклонение
|
Нормированный
|
Средневзвешенный
|
|
Малиевская
|
96.88
|
96.73
|
+0.15
|
+0.32
|
+0.08
|
|
Мошкина
|
96.48
|
96.71
|
-0.23
|
-0.49
|
-0.123
|
|
Пяткова
|
96.68
|
96.69
|
-0.01
|
-0.02
|
-0.005
|
|
Семенова
|
96.66
|
96.67
|
-0.01
|
-0.02
|
-0.005
|
|
Шарапова
|
96.88
|
96.65
|
+0.23
|
+0.49
|
+0.123
|
|
Назарова
|
96.55
|
96.64
|
-0.09
|
-0.19
|
-0.047
|
|
Дудин
|
96.36
|
96.62
|
-0.26
|
-0.55
|
-0.137
|
|
Захаров
|
97.06
|
96.59
|
+0.47
|
+1
|
+0.25
|
|
Зубарев
|
96.25
|
96.57
|
-0.32
|
-0.68
|
-0.17
|
|
Лукичев
|
96.64
|
96.56
|
-0.08
|
-0.17
|
-0.043
|
b=0.038=96.259
Рис. 10 - График зависимости КПД от мощности
Оценка работы бригады по технико-экономическим показателям серии
вертикальных синхронных двигателей
Таблица 22
|
Фамилия
|
CD, у.е.
|
, кг/кВА
|
, кг/кВА
|
, %
|
∑
|
Место
|
|
Малиевская
|
+0.02
|
-0.005
|
+0.025
|
+0.08
|
+0.12
|
5
|
|
Мошкина
|
-0.043
|
+0.065
|
-0.027
|
-0.123
|
-0.128
|
7
|
|
Пяткова
|
-0.025
|
-0.063
|
-0.05
|
-0.005
|
-0.143
|
8
|
|
Семенова
|
0
|
+0.12
|
+0.075
|
-0.005
|
+0.19
|
3
|
|
Шарапова
|
+0.138
|
+0.033
|
-0.048
|
+0.123
|
+0.246
|
2
|
|
Назарова
|
-0.028
|
-0.09
|
+0.1
|
-0.047
|
-0.065
|
6
|
|
Дудин
|
-0.18
|
-0.25
|
+0.07
|
-0.137
|
-0.497
|
10
|
|
Захаров
|
+0.25
|
+0.02
|
-0.25
|
+0.25
|
+0.27
|
1
|
|
Зубарев
|
-0.198
|
+0.155
|
+0.008
|
-0.17
|
-0.205
|
9
|
|
Лукичев
|
+0.065
|
+0.015
|
+0.095
|
-0.043
|
+0.132
|
4
|
.5.2 Оценка резервов мощности серии вертикальных синхронных
двигателей
Таблица 23
|
Фамилия
|
, град
|
|
Реальная
|
Расчетная
|
Отклонение
|
Нормированная
|
Средневзвешенная
|
|
Малиевская
|
55.4
|
60
|
-4.6
|
-0.74
|
-0.148
|
|
Мошкина
|
57.5
|
60
|
-2.5
|
-0.4
|
-0.08
|
|
Пяткова
|
58.5
|
60
|
-1.5
|
-0.24
|
-0.048
|
|
Семенова
|
54.8
|
60
|
-6.2
|
-1
|
-0.2
|
|
Шарапова
|
58.6
|
60
|
-1.4
|
-0.23
|
-0.046
|
|
Назарова
|
58.6
|
60
|
-1.4
|
-0.23
|
-0.046
|
|
Дудин
|
59.9
|
60
|
-0.1
|
-0.02
|
-0.004
|
|
Захаров
|
58.2
|
60
|
-1.8
|
-0.29
|
-0.058
|
|
Зубарев
|
58.2
|
60
|
-1.8
|
-0.29
|
-0.058
|
|
Лукичев
|
55.2
|
60
|
-4.8
|
-0.77
|
синхронный вертикальный двигатель статор
Оценка перегрева обмотки возбуждения
Таблица 24
|
Фамилия
|
, град
|
|
Реальная
|
Расчетная
|
Отклонение
|
Нормированная
|
Средневзвешенная
|
|
Малиевская
|
73.1
|
80
|
-6.9
|
-0.14
|
-0.028
|
|
Мошкина
|
70.5
|
80
|
-9.5
|
-0.19
|
-0.038
|
|
Пяткова
|
77.9
|
80
|
-2.1
|
-0.04
|
-0.008
|
|
Семенова
|
73.4
|
80
|
-6.6
|
-0.13
|
-0.026
|
|
Шарапова
|
48.7
|
80
|
-31.3
|
-0.62
|
-0.124
|
|
Назарова
|
77.5
|
80
|
-2.5
|
-0.05
|
-0.01
|
|
Дудин
|
74.0
|
80
|
-6
|
-0.12
|
-0.024
|
|
Захаров
|
29.5
|
80
|
-50.5
|
-1
|
-0.2
|
|
Зубарев
|
78.3
|
80
|
-1.7
|
-0.03
|
-0.006
|
|
Лукичев
|
66.7
|
80
|
-13.3
|
-0.26
|
-0.052
|
Оценка резервов по пусковому моменту
Таблица 25
|
Фамилия
|
|
|
Реальная
|
Расчетная
|
Отклонение
|
Нормированная
|
Средневзвешенная
|
|
Малиевская
|
0.53
|
0.4
|
-0.13
|
-0.32
|
-0.064
|
|
Мошкина
|
0.40
|
0.4
|
0
|
0
|
0
|
|
Пяткова
|
0.43
|
0.4
|
-0.03
|
-0.07
|
-0.014
|
|
Семенова
|
0.5
|
0.4
|
-0.1
|
-0.24
|
0.048
|
|
Шарапова
|
0.67
|
0.4
|
-0.27
|
-0.66
|
-0.132
|
|
Назарова
|
0.41
|
0.4
|
-0.01
|
-0.02
|
-0.004
|
|
Дудин
|
0.81
|
0.4
|
-0.41
|
-1
|
-0.2
|
|
Захаров
|
0.47
|
0.4
|
-0.07
|
-0.17
|
-0.034
|
|
Зубарев
|
0.41
|
0.4
|
-0.01
|
-0.02
|
-0.004
|
|
Лукичев
|
0.49
|
0.4
|
-0.09
|
-0.22
|
-0.044
|
Оценка резервов по максимальному моменту
Таблица 26
|
Фамилия
|
|
|
Реальная
|
Расчетная
|
Отклонение
|
Нормированная
|
Средневзвешенная
|
|
Малиевская
|
2.37
|
2
|
-0.37
|
-0.54
|
-0.108
|
|
Мошкина
|
2.68
|
2
|
-0.68
|
-1
|
-0.2
|
|
Пяткова
|
2.34
|
2
|
-0.34
|
-0.5
|
-0.1
|
|
Семенова
|
2.16
|
2
|
-0.16
|
-0.24
|
-0.048
|
|
Шарапова
|
2.53
|
2
|
-0.53
|
-0.78
|
-0.156
|
|
Назарова
|
2.29
|
2
|
-0.29
|
-0.43
|
-0.086
|
|
Дудин
|
2.27
|
2
|
-0.27
|
-0.40
|
-0.08
|
|
Захаров
|
2.23
|
2
|
-0.23
|
-0.34
|
-0.068
|
|
Зубарев
|
2.36
|
2
|
-0.36
|
-0.53
|
-0.106
|
|
Лукичев
|
2.30
|
2
|
-0.30
|
-0.44
|
-0.088
|
Оценка резервов по пусковому току
Таблица 27
|
Фамилия
|
|
|
Реальная
|
Расчетная
|
Отклонение
|
Нормированная
|
Средневзвешенная
|
|
Малиевская
|
5.43
|
6
|
-0.57
|
-0.39
|
-0.078
|
|
Мошкина
|
5.25
|
6
|
-0.75
|
-0.52
|
-0.104
|
|
Пяткова
|
5.42
|
6
|
-0.58
|
-0.40
|
-0.08
|
|
Семенова
|
5.30
|
6
|
-0.70
|
-0.48
|
-0.096
|
|
Шарапова
|
5.22
|
6
|
-0.78
|
-0.54
|
-0.108
|
|
Назарова
|
4.64
|
6
|
-1.36
|
-0.94
|
-0.188
|
|
Дудин
|
5.51
|
6
|
-0.49
|
-0.34
|
-0.068
|
|
Захаров
|
4.55
|
6
|
-1.45
|
-1
|
-0.2
|
|
Зубарев
|
5.15
|
6
|
-0.85
|
-0.59
|
-0.118
|
|
Лукичев
|
5.26
|
6
|
-0.74
|
-0.51
|
-0.102
|
Оценка работы бригады по оптимизации резервов серии вертикальных
синхронных двигателей
Таблица 28
|
фамилия
|
, град
|
, град
|
|
|
|
∑
|
Место
|
|
Малиевская
|
-0.148
|
-0.028
|
-0.064
|
-0.108
|
-0.078
|
-0.426
|
7
|
|
Мошкина
|
-0.08
|
-0.038
|
0
|
-0.2
|
-0.104
|
-0.422
|
6
|
|
Пяткова
|
-0.048
|
-0.008
|
-0.014
|
-0.1
|
-0.08
|
-0.25
|
1
|
|
Семенова
|
-0.2
|
-0.026
|
-0.048
|
-0.048
|
-0.096
|
-0.418
|
5
|
|
Шарапова
|
-0.046
|
-0.124
|
-0.132
|
-0.156
|
-0.108
|
-0.566
|
10
|
|
Назарова
|
-0.046
|
-0.01
|
-0.004
|
-0.086
|
-0.188
|
-0.344
|
3
|
|
Дудин
|
-0.004
|
-0.024
|
-0.2
|
-0.08
|
-0.068
|
-0.376
|
4
|
|
Захаров
|
-0.058
|
-0.2
|
-0.034
|
-0.068
|
-0.2
|
-0.56
|
|
Зубарев
|
-0.058
|
-0.006
|
-0.004
|
-0.106
|
-0.118
|
-0.292
|
2
|
|
Лукичев
|
-0.154
|
-0.052
|
-0.044
|
-0.088
|
-0.102
|
-0.44
|
8
|
Таблица 29
|
фамилия
|
Место 1
|
Место 2
|
Сумма мест
|
итог
|
|
Малиевская
|
5
|
7
|
6
|
6-8
|
|
Мошкина
|
7
|
6
|
6.5
|
9
|
|
Пяткова
|
8
|
1
|
4.5
|
2-3
|
|
Семенова
|
3
|
5
|
4
|
1
|
|
Шарапова
|
2
|
10
|
6
|
6-8
|
|
Назарова
|
6
|
3
|
4.5
|
2-3
|
|
Дудин
|
10
|
4
|
7
|
10
|
|
Захаров
|
1
|
9
|
5
|
4
|
|
Зубарев
|
9
|
2
|
5.5
|
5
|
|
Лукичев
|
4
|
8
|
6
|
6-8
|
ЗАКЛЮЧЕНИЕ
Полученный при оптимизации вариант является более приемлемым, несмотря на
то, что отличается от полученного при ручном расчете. Также можно видеть, что
мы увеличили перегрев обмотки статора, повысив его до крайнего верхнего
предела. Кратности моментов и тока входят в допустимые пределы. В ходе
оптимизации двигателя по приведенной стоимости мы уменьшили CD с 26.36 у.е. до 22.56 у.е. КПД
возрос с 96.28% до 97.06%.
Таким образом, данный вариант синхронного двигателя, полученный при
оптимизации, можно считать полностью удовлетворяющим всем показателям
проектирования.
Я считаю, что в результате процесса разработки курсового проекта удалось
получить вертикальный синхронный двигатель с неплохими для такого класса машин
показателями.
БИБЛИОГРАФИЧЕСКИЙ СПИСОК
1. Проектирование
электрических машин: Учебник для вузов / И.П. Копылов, Ф.А. Горяинов, Б.К.
Клоков и др.; Под ред. И.П. Копылова. - М.: Высшая школа, 2002.
2. Конструктивное
устройство вертикальных электродвигателей переменного тока: Методические
указания к курсовому и дипломному проектированию / Новиков Н.Н., Шутько В.Ф. -
Екатеринбург: изд. ИПК УГТУ, 2001, 38 с.
. Синтез
и оптимизация явнополюсных синхронных двигателей: Методические указания к
курсовому проектированию / Новиков Н.Н., Шутько В.Ф. - Свердловск: изд. УПИ им.
С.М. Кирова, 1985, 41 с.
. Проектирование
гидрогенераторов и синхронных компенсаторов: Учебник для вузов / Абрамов А.И.,
Иванов-Смоленский А.В. - М.: Высшая школа, 1978.
ПРИЛОЖЕНИЕ
Расчетный формуляр двигателя ВДС-375/64 -24