Реконструкция ПС 110кВ Ойсунгур
СОДЕРЖАНИЕ
ВВЕДЕНИЕ
.
ЭЛЕКТРИЧЕСКИЕ НАГРУЗКИ И ФОРМИРОВАНИЕ СЕТИ 110 КВ ЧЕЧЕНСКОЙ ЭНЕРГОСИСТЕМЫ В
РАЙОНЕ РАЗМЕЩЕНИЯ ПС 110 КВ ОЙСУНГУР
.1 Электрические
нагрузки потребителей ПС 110 кВ Ойсунгур
.2 Характеристика
существующей схемы электроснабжения потребителей в районе размещения ПС 110 кВ
Ойсунгур
.3 Существующее
состояние подстанции и факторы, определяющие необходимость расширения и
реконструкции подстанции
.4 Технические
решения реконструкции ПС 110 кВ Ойсунгур
.4.1 Реконструкция
ОРУ 110 кВ
.4.2 Реконструкция
КРУ 10 кВ
. ВЫБОР ЧИСЛА
И МОЩНОСТИ ТРАНСФОРМАТОРОВ
.2
Определение потерь электроэнергии в трансформаторах
. Расчет
токов короткого замыкания
.1 ВЫБОР
ВЫСОКОВОЛЬТНОЙ АППАРАТУРЫ
.2 Выбор
трансформаторов собственных нужд
.3 Выбор
выключателей высокого напряжения
.4 Выбор
разъединителей
.5 Выбор
ячеек КРУН - 10 кВ
.6 Выбор
измерительных трансформаторов
.6.1
Трансформаторы тока
.6.2
Трансформаторы напряжения
.7 Выбор
гибкого токопровода
.8 Выбор
шинопровода
.9 Выбор
изоляторов
.10 Выбор
ограничителей перенапряжения
.11 Выбор
устройства компенсации емкостных токов
.11.1 Расчет
емкостных токов
.11.2
Дугогасящие катушки
.11.3 Выбор
мощности и места установки дугогасящих катушек
. РЕЛЕЙНАЯ
ЗАЩИТА И АВТОМАТИКА
.1 Виды
повреждений и ненормальных режимов работы трансформаторов
.2 Защиты
трансформаторов 110/35/10 кВ
.2.1 Общие
положения
.2.2 Газовая
защита
.2.3 Токовая
защита обратной последовательности и максимальной токовой защитой с пуском по
напряжению
.2.4
Дистанционная защита от многофазных замыканий
.2.5 Токовая
защита нулевой последовательности от внешних замыканий на землю
.2.6
Максимальная токовая защита от перегрузки
.2.7
Дифференциальная токовая защита
.3 Устройство
автоматического включения резерва
.4
Автоматическое повторное включение
.5
Автоматическая частотная разгрузка
.
ТЕХНИКО-ЭКОНОМИЧЕСКОЕ ОБОСНОВАНИЕ
.1
Определение капитальных затрат, необходимых для реконструкции
.2
Определение экономического эффекта от внедрения нового оборудования
.
ЭКОЛОГИЧНОСТЬ И БЕЗОПАСНОСТЬ ПРОЕКТА
.1
Безопасность труда
.2 Расчет
заземляющего устройства подстанции «Ойсунгур»
.3
Молниезащита
.4 Оценка
экологичности проекта
ЗАКЛЮЧЕНИЕ
СПИСОК
ИСПОЛЬЗУЕМЫХ ИСТОЧНИКОВ
ПРИЛОЖЕНИЯ
ВВЕДЕНИЕ
Развитие электроэнергетики России: проблематика и перспективы
Рост потребления электроэнергии - одна из основных тенденций развития
мировой экономики. В соответствии с прогнозом Международного энергетического
агентства, к 2025 году потребление электроэнергии в мире вырастет до 26 трлн
кВт.ч по сравнению с 14,8 трлн кВт.ч в 2003 году. При этом установленная
мощность электростанций вырастет с 3400 ГВт в 2003 году до 5500 ГВт в 2025
году.
В России потребление электроэнергии после затяжного спада 1990-1998 гг.
неуклонно растет и в 2005 году, по прогнозам МЭРТ, достигло уровня 1993 года.
Несмотря на резкое снижение инвестиций в строительство и реконструкцию
генерирующих мощностей в 90-е годы, генерирующие мощности России превосходят
потребности экономики. В то же время разрыв между производством и потреблением
электроэнергии в России в 2001-2005 гг. постепенно сокращался
,"Энергетической стратегией России на период до 2020 года"
прогнозировался прирост потребления электроэнергии в 2000-2005 гг. 46-50 млрд
кВт.ч, однако реальный прирост оказался выше более чем в 1,5 раза и составил 73
млрд кВт.ч. В некоторых регионах разрыв между прогнозным и реальным приростом
потребления электроэнергии в 2000-2005 гг. оказался более существенным: в
Белгородской области - в 1,8 раза, в Ленинградской области - в 3 раза, в
Калининградской области - в 3,4 раза, в Москве и Московской области - в 3,8
раза, в Тюменской области - в 4,8 раза. В указанных регионах потребление
электроэнергии уже превысило показатели 1990 года, что в условиях
прогрессирующего физического и морального износа и недостаточных объемов ввода
новых генерирующих мощностей создает предпосылки формирования дефицита
электроэнергии.
Объем и структура установленной мощности электростанций России в
2001-2005 гг. существенно не изменились. По оценке ИА "INFOLine",
динамика инвестиционных процессов в электроэнергетике и возрастная структура
генерирующих мощностей не позволяют прогнозировать до 2009 г.
Основные производственные фонды в электроэнергетике России имеют высокую
степень морального и физического износа, величина которого в течение 2000-2004
гг., по данным ФСГС, возросла с 51,6 до 57,3%.
По мнению экспертов ИА "INFOLine", данные ФСГС, характеризующие
износ производственных фондов электроэнергетики России, не позволяют оценить
ситуацию в отрасли, так как в состав основных средств гидроэлектростанций
включаются, например, плотины со сроком службы 100 лет. Более адекватной
представляется оценка износа генерирующих мощностей на уровне 65-75% в
зависимости от региона. При этом до 40% оборудования гидроэлектростанций и не
менее 20% оборудования тепловых электростанций России выработало 100% паркового
ресурса.
Таким образом, в целом по тепловым и гидроэлектростанциям России парковый
ресурс истек для 50 тыс. МВт генерирующих мощностей.
По мнению экспертов ИА "INFOLine", рост уровня физического
износа генерирующих мощностей обусловлен следующими факторами:
ограниченностью собственных финансовых средств, невозможностью
привлечения значительных кредитных ресурсов и низкой привлекательностью
энергетических компаний для стратегических инвесторов в рамках существующей в
настоящее время модели регулирования тарифов на электроэнергию;
неконкурентоспособностью по показателям эффективности и надежности
продукции ряда предприятий энергетического машиностроения и электротехнической
промышленности, а также недостаточным уровнем конкуренции на рынке
инжиниринговых услуг;
низким уровнем цен на энергетические ресурсы, в первую очередь природный
газ, доля которого в структуре используемого тепловыми электростанциями топлива
составляет около 65%, в результате чего техническое перевооружение генерирующих
мощностей характеризуется меньшей инвестиционной привлекательностью по
сравнению с продлением срока эксплуатации, способствующим увеличению расхода
топлива и затрат на ремонт; неэффективной моделью инвестиционного
финансирования предприятий электроэнергетики: привлечение частных инвестиций
для строительства и модернизации генерирующих мощностей сопряжено со
значительными ограничениями, а реализуемые за счет собственных средств
энергетических компаний и финансирования РАО "ЕЭС России" инвестиционные
проекты зачастую недостаточно чувствительны к рыночному соотношению
перспективного спроса и предложения электроэнергии и характеризуются низкой
экономической эффективностью. По оценкам экспертов, резерв экономии средств при
реализации инвестиционных проектов составляет от 15 до 30%.
Проблема физического износа генерирующих мощностей усугубляется высоким
уровнем их морального износа. При этом если снижение уровня физического износа
может быть достигнуто путем увеличения централизованных инвестиций в строительство
новых генерирующих мощностей, что позволит в целом обеспечивать потребности
экономики в электроэнергии, то использование устаревшего оборудования и
технологий в производстве электроэнергии приводит к снижению
конкурентоспособности российской экономики.
Генерирующие мощности в России в основном представляют собой
электростанции с паросиловым циклом, КПД которых на 40-45% ниже парогазовых или
газотурбинных электростанций
По оценке экспертов ИА "INFOLine", большинство частных
инвесторов, которые приобрели пакеты акций энергетических компаний, не
заинтересованы в масштабной модернизации генерирующих мощностей в целях
удовлетворения потребностей экономики России в электроэнергии. При реализации
неблагоприятного сценария приватизации энергетических компаний, генерирующие
мощности в России примерно на 23-25% будут контролироваться
компаниями-поставщиками энергоресурсов (ОАО "Газпром",
"СУЭК", ОАО "ЛУКойл"), на 24-26% - крупными
металлургическими холдингами-потребителями электроэнергии, и на 38-42% - государством.
Таким образом, генерирующие мощности будут распределены между крупными
холдингами из смежных отраслей экономики, заинтересованными в основном в
повышении прибыльности основного бизнеса (топливного либо энергопотребляющего)
путем влияния на цены на топливо для электростанций либо на производимую ими
электроэнергию, и государством, эффективность инвестиционной политики которого
существенно ниже, чем у частных инвесторов.
По мнению экспертов ИА "INFOLine", именно на избежание
подобного сценария развития событий направлены последние инициативы
правительства России, которое предложило заменить планируемую приватизацию
оптовых и территориальных генерирующих компаний путем проведения аукционов на
реализацию схемы, при которой часть генерирующих компаний выделится из ОАО
"РАО "ЕЭС России" в 2006 году, а их акции будут распределены
между нынешними акционерами ОАО "РАО "ЕЭС России", а другим
генерирующим компаниям предлагается проведение дополнительных эмиссий акций,
направленных на привлечение финансирования инвестиционных проектов. Кроме того,
не исключен вариант совмещения двух указанных выше вариантов.
Подписанное Михаилом Фрадковым 7 декабря Постановление Правительства
России N738 "О порядке формирования источника средств на оплату услуг по
формированию технологического резерва мощностей по производству электрической
энергии и финансирования объектов по производству электрической энергии в целях
предотвращения возникновения дефицита электрической мощности" направлено
на привлечение частного капитала в электроэнергетику России путем формирования
механизма гарантирования инвестиций в строительство новых генерирующих
мощностей в энергодефицитных регионах на период до 2010 года. Необходимость
формирования подобного механизма обусловлена невозможностью отказа от тарифного
регулирования рынка электроэнергии, а также прогрессирующим физическим и
моральным износом генерирующих мощностей, который способен к 2008-2009 гг.
привести к дефициту электроэнергии в ряде регионов.
Суть механизма гарантирования инвестиций заключается в том, что инвестору
компенсируется разница между текущей ценой электроэнергии и показателем,
необходимым для обеспечения инвестиционной привлекательности проекта
строительства генерирующих мощностей.
В условиях, когда тарифы на электроэнергию регулируются Федеральной
службой по тарифам, а темпы роста тарифов на электроэнергию в течение 2004-2005
гг. были ниже уровня инфляции, причем подобная ситуация сохранится и в 2006
году, государство принимает на себя часть рисков инвестора, осуществляющего строительство
генерирующих мощностей. Финансирование разницы между уровнем регулируемых
тарифов на электроэнергию и показателем, необходимым для обеспечения
привлекательности инвестиционных проектов, будет осуществляться за счет тарифа
"Системного оператора" на услуги по оперативно-диспетчерскому
управлению в виде платы за формирование перспективного технологического
резерва. Реализация комплекса мер в рамках механизма гарантирования инвестиций
может обеспечить ввод дополнительно до 5 ГВт генерирующих мощностей до 2010
года, причем определение величины генерирующей мощности, территориального
расположения, сроков ввода в эксплуатацию энергетических объектов будет
осуществляться в соответствии с правилами, разработанными Министерством
промышленности и энергетики России, а выбор инвестора - путем проведения
открытых конкурсов на основании критериев, также разрабатываемых Министерством
промышленности и энергетики.
Подстанция 110 кВ Ойсунгур является одним из энергоузлов, входящих в
системообразующую сеть Чеченской энергосистемы.
Реконструкция ПС 110 кВ Ойсунгур вызвано необходимостью модернизации и
замены устаревшего электрооборудования и автоматики.
В настоящей работе рассматриваются вариант реконструкции ПС 110кВ
Ойсунгур для повышения надёжности схемы электроснабжения.
Реконструкция ПС 110кВ Ойсунгур включает:
1) Установку вакуумных выключателей на стороне 10 кВ;
2) Установку элегазовых выключателей на стороне 110 кВ;
) Установку вакуумных выключателей на стороне 35 кВ;
) Замена разрядников, на более современные, ограничители
перенапряжения нелинейные;
) Установку более мощных устройств компенсации емкостного тока.
1. ЭЛЕКТРИЧЕСКИЕ НАГРУЗКИ И ФОРМИРОВАНИЕ СЕТИ 110 КВ
ЧЕЧЕНСКОЙ ЭНЕРГОСИСТЕМЫ В РАЙОНЕ РАЗМЕЩЕНИЯ ПС 110 КВ ОЙСУНГУР
1.1 Электрические нагрузки потребителей ПС Ойсунгур
Электрические нагрузки являются исходными данными для решения сложного
комплекса технических и экономических задач. Определение электрических нагрузок
составляет первый этап проектирования любой системы электроснабжения и
производится с целью выбора и проверки токоведущих элементов (шин, кабелей,
проводов), силовых трансформаторов и преобразователей по пропускной способности
(нагреву) и экономическим параметрам, расчёта потерь, отклонений и колебаний
напряжения, выбора компенсирующих установок, защитных устройств и т.д. . От
правильной оценки ожидаемых электрических нагрузок зависит рациональность
выбора схемы и всех элементов системы электроснабжения и её
технико-экономические показатели.
Потребителями электроэнергии ПС Ойсунгур являются: Хлебозавод, Кирпичный
завод, Котельная, Бытовая нагрузка, Птицеферма, Животноводческий комплекс,
Зверосовхоз, кирпичный завод, КНС. Баланс мощности электрических нагрузок ПС
Ойсунгур приведён табл. 1.1.
Таблица 1.1 Электрические нагрузки потребителей ПС Ойсунгур
|
Наименование потребителей
|
Зимой в (А)
|
Летом в (А)
|
cos j
|
|
Хлебозавод Кирпичный завод
Котельная Бытовая нагрузка Животноводческий комплекс МТФ
|
95 210 272 120 65 219
|
134 204 140 91 45 117
|
0,95 0,8 0,9 0,95 0,95 0,9
|
|
Птицеферма Зверосовхоз КНС
Итого
|
35 15 50 1081
|
13 5 117 866
|
0,9 0,95 0,9 ----
|
1.2 Характеристика существующей схемы электроснабжения
потребителей в районе размещения ПС 110 кВ Ойсунгур
Подстанция 110 кВ ойсунгур была введена в эксплуацию в 1975 году,
подключена к энергосистеме путём сооружения ВЛ 110 кВ 127 и ВЛ 110 кВ 128. Она
предназначалась для развития промышленной зоны и части поселка, находящегося
вблизи подстанции.
Напряжение на вводах трансформаторов подается по двум взаиморезервируемым
линиям: Л-127 и Л-128. Такая схема позволяет производить поочередный ремонт
выключателей без отключения потребителей.
1.3 Существующее состояние подстанции и факторы, определяющие
необходимость расширения и реконструкции подстанции
Подстанция 110 кВ Ойсунгур состоит из основного оборудования выпуска
семидесятых годов.
На подстанции установлены:
Два трех обмоточных трансформатора 1Т и 2Т - ТДН-25000/110
На стороне 110 кВ трансформатор 1Т запитан от ВЛ 127, 2Т - от ВЛ 128.
Питание 1 секции 10 кВ осуществляется от трансформатора 1Т. Параллельная
работа трансформаторов 1Т и 2Т на напряжениях 10 кВ, допускается кратковременно
(не более 10 минут) при производстве переключений по переводу нагрузки с одного
трансформатора на другой.
Регулирование напряжения на шинах 10 кВ подстанции осуществляется с помощью
устройства регулирования напряжения под нагрузкой (РПН) трансформаторов 1Т, 2Т
автоматически или дистанционно.
В цепи линий установлены аппараты, необходимые для эксплуатационных
включений и отключений линий, для их отключений при чрезмерных перегрузках и
коротких замыканиях, а также для отсоединения аппаратов линий от сборных шин
или от сети при их ремонтах.
Силовые выключатели рассчитаны на отключение рабочих токов и токов
короткого замыкания. На стороне 10 кВ установлены выключатели: ВК-10-20/630.
Разъединители применяются для снятия напряжения с цепи при отключенной
нагрузке. Для предупреждения аварий между силовыми выключателями и
разъединителями данной цепи предусматривается механическая и электромагнитная
блокировка, недопускающая отключение разъединителя при включенном выключателе.
На стороне 110 кВ установлены разъединители: РНДЗ-1-110У1 и РНДЗ-2-110У1;
на стороне 10 кВ на линиях 1Т - КРУН-10 кВ и 2Т - КРУН-10 кВ установлены
разъединители РНДЗ-1-10/2000.
В результате электромагнитных процессов, связанных с резким изменением
режима работы электрических сетей внутри электроустановки, или внешних
воздействий, например, молний, возникают перенапряжения. Для защиты от них на
стороне 110 кВ применяют разрядники РВС - 110/73 - 10(I)УХЛ1 и для защиты изоляции нейтралей трансформаторов РВС -
110/44 - 10(I)УХЛ1; на стороне 10 кВ: РВ0 - 10/11
- 10(I)УХЛ1. Для обеспечения измерения
токов и напряжений в электроустановках высокого напряжения применяют
трансформаторы тока и трансформаторы напряжения.
Таблица 1.2.
|
U,кВ
|
Трансформатор тока
|
Трансформатор напряжения
|
|
10 10
|
ТЛМ-10 ТЛН-10
|
НТМИ-10
|
Схема КРУН-10кВ двух-секционированная система шин. В целях ограничения
токов короткого замыкания применяется раздельная работа секций. В схеме
предусмотрен секционный выключатель с устройством автоматического включения
резерва (АВР). Надежность схемы на стороне напряжения 10 кВ повышается за счет
применения шкафов КРУ-10 кВ, позволяющих производить быструю замену выкатной
части ячейки для ремонта выключателя. Установлены ячейки K-37. Для питания собственных нужд
установлены два трансформатора ТМ - 160/10/0,4, присоединенные к секциям 10 кВ.
Распределение электроэнергии от подстанции осуществляется:
кВ - кабельными и воздушными ЛЭП.
За время эксплуатации всё электротехническое оборудование практически
выработало свой ресурс.
Кроме того, с течением времени выявились недостатки расположения ПС
Ойсунгур: большая длина кабельных линий, и как следствие, высокий уровень
емкостных токов, требующий применения соответствующего оборудования.
Поэтому необходима реконструкция действующей подстанции, целью которого
является замена устаревшего оборудования и автоматики.
.4 Технические решения реконструкции ПС 110 кВ Ойсунгур
Технические решения реконструкции подстанции «Ойсунгур» направлены на
повышение надежности схемы подстанции:
установка выключателей на стороне 110 кВ на подходящих линиях;
выключателя на перемычке между линиями 110 кВ;
замена устаревшего оборудования на новое и более совершенное.
Кроме того, рассматривается выбор дополнительного оборудования для
компенсации емкостных токов.
Замена оборудования на 35кВ в данном проекте реконструкции не будет
произведено исходя из экономических соображений. Из-за отсутствия нагрузки на
стороне 35 кВ, оборудования практически не использовалось и имеет большой
рабочий ресурс…
1.4.1 Реконструкция ОРУ 110 кВ
В основу реконструкции ОРУ 110 кВ подстанции Ойсунгур заложены следующие
принципы:
·
обеспечение
возможности подключения ВЛ 110 на любом из этапов реконструкции;
·
сохранение связи
между ОРУ 110 и КРУН 10 кВ;
·
минимальное
количество переключений коммутационного оборудования;
·
минимальное
количество и протяжённость временных перемычек и участков линий.
·
Гибкость,
надежность.
1.4.2 Реконструкция КРУН 10 кВ
К существующему КРУН 10 кВ ПС Ойсунгур подключены линии электропередачи,
одни из которых обеспечивают электроснабжение ответственных потребителей.
Указанные особенности присоединений КРУН 10 кВ определяют расчётные условия, в
которых должна производиться реконструкция действующей подстанции.
В основу приведённого ниже варианта реконструкции КРУН 10 кВ заложены
следующие принципы:
·
максимальное
сохранение в работе всех присоединений;
·
обеспечение
выдачи всей установленной мощности ;
·
сохранение связи
между ОРУ 110 и КРУН 10 кВ подстанции;
·
минимальное
количество временных перемычек;
·
исключение
использования ячеек межсекционного выключателя для временного подключения
присоединений.
2. ВЫБОР ЧИСЛА И МОЩНОСТИ ТРАНСФОРМАТОРОВ
Мощность трансформаторов подстанции определяется электропотреблением
потребителей 10 кВ. Часовые потребления нагрузок сведены в таблицу 3.1.
Таблица 3.1.
|
Время
|
S, МВА
|
|
2:00 3:00 4:00 5:00 6:00
7:00 8:00 9:00 10:00 11:00 12:00 13:00 14:00 15:00 16:00 17:00 18:00 19:00
20:00 21:00 22:00 23:00 0:00 1:00
|
17,5 17,5
17,5 17,5 17,5 19.5
19.5 19.5 19.5 19.5 19.5 19.5 19.5 19.5 19.5 23.2 23.2 23.2
23.2 23.2 19.5 19.5 17,5
19.5
|
Находим
полную среднеквадратичную мощность
из
графика нагрузки подстанции по формуле:
МВА.
1) Номинальная мощность трансформаторов определяется по условию:
(3.1)
гдеn -
число трансформаторов на подстанции (n=2).
,7
- нормируемый коэффициент загрузки 70%.
МВА.
С
перспективой развития промзоны и строительством новых микрорайонов оставляем
существующие трансформаторы мощностью
МВА.
Определяем
коэффициент загрузки трансформатора в нормальном режиме:
(3.2)
Следовательно,
в нормальном режиме трансформаторы перегрузок не испытывают.
2) Определим коэффициент загрузки трансформатора в послеаварийном
режиме, т.е. когда один трансформатор отключен:
(3.3)
Коэффициент
загрузки трансформатора в послеаварийном режиме не превышает установленной
нормы 1,5.
Следовательно,
трансформаторы мощностью 25 МВА каждый удовлетворяют требуемым условиям.
Выбираем
трансформаторы ТРДН-25000/110. Параметры трансформатора сведены в табл. 3.2.
Таблица 3.2
|
Тип трансформатора
|
ТДН-25000/110
|
|
Sном, МВА
|
25
|
|
Uвн, кВ
|
115
|
|
Uсн, кВ
|
38.5
|
|
Uнн, кВ
|
10,5
|
|
DPхх,
кВт
|
25
|
|
DPк,
кВт
|
120
|
|
Uк, %
|
10,5
|
|
Iк, %
|
0,65
|
|
Количество трансформаторов
|
2
|
.1 Регулирование напряжения на подстанции
Для нормальной работы потребителей необходимо поддерживать определенный
уровень напряжения на шинах ПС. В электрических сетях предусматриваются
различные способы регулирования, одним из которых является изменение
коэффициента трансформации трансформаторов.
Обмотки трансформаторов снабжаются дополнительными ответвлениями, с
помощью которых можно изменять коэффициент трансформации. Переключение
ответвлений может происходить без возбуждения (ПБВ), то есть после отключения
всех обмоток от сети или под нагрузкой (РПН).
Районные понизительные ПС согласно ПУЭ должны иметь силовые
трансформаторы со встроенными в них устройствами РПН. Регулирование под
нагрузкой позволяет переключать ответвления обмотки трансформатора без разрыва
цепи. Регулировочные ступени выполняются на стороне ВН, так как меньший по
значению ток позволяет облегчить переключающее устройство. Для увеличения
диапазона регулирования без увеличения числа ответвлений применяют ступени
грубой и тонкой регулировки. Наибольший коэффициент трансформации получается,
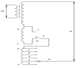
если переключатель П находится в положение II, а избиратель И на ответвление 6.
Наименьший коэффициент трансформации при положение переключателя I, а
избирателя - на ответвлении 1.
Рисунок 2.1,1 Схема включения регулирующих ступеней РПН трансформатора
2.3 Определение потерь электроэнергии в трансформаторах
Потери электроэнергии в трансформаторах, МВт*ч:
(3.4)
где
- нагрузочные потери активной мощности в
трансформаторе, МВт*ч;
- время
максимальных потерь, ч;
- номинальные
потери холостого хода трансформатора, МВт;
Т
- время работы трансформатора, ч (при работе круглый год принимается Т=8760 ч).
(3.5)
где
- фактическая мощность, протекающая по трансформатору,
МВА;
-
номинальное напряжение первичной обмотки трансформатора, кВ;
-
активное сопротивление трансформатора, Ом.
(3.6)
где
- номинальные потери к.з. трансформатора, МВт;
-
номинальная мощность трансформатора, МВА.
(3.7)
Потери электроэнергии в группе одинаковых параллельно включенных
трансформаторов:
(3.8)
гдеn -
число трансформаторов в группе.
(ч)(3.9)
где
- число часов использования максимума, ч в год.
(3.10)
где
- значения мощностей за соответствующие периоды
времени
;
-
максимальное значение мощности за сутки (из графика нагрузок).
Потери электроэнергии в трехобмоточных трансформаторах и трансформаторах
с расщепленной обмоткой, МВт*ч:
(3.11)
где
- фактические мощности, протекающие соответственно по
обмотке высокого, среднего и низкого напряжения, МВА.
Потери электроэнергии в группе одинаковых параллельно включенных
трансформаторов, МВт*ч:
(3.12)
гдеn -
число трансформаторов в группе.
Расчеты
представлены в таблице 3.3.
Таблица
3.3
Тип трансформа-ра Число транс-форматоров
, ч
,
МВт
,
МВтТ, ч
,
МВА
,
МВА
,
|
МВт*ч
|
|
|
|
|
|
|
|
|
ТДН- 25000/110
|
2
|
6298
|
0,025
|
0,12
|
8760
|
20,36
|
25
|
561,6
|
3. ВЫБОР ВЫСОКОВОЛЬТНОЙ АППАРАТУРЫ
.1 Расчёт токов короткого замыкания
Коротким замыканием (КЗ) является всякое не предусмотренное нормальными
условиями работы соединение двух точек электрической цепи (непосредственно или
через пренебрежительно малое сопротивление). Причинами КЗ являются механические
повреждения изоляции, её пробой из-за перенапряжения и старения, обрывы,
набросы и схлёстывания проводов воздушных линий (ВЛ), ошибочные действия
персонала и тому подобное. В следствии КЗ в цепях возникают опасные для
элементов сети токи, которые могут вывести их из строя. Поэтому для обеспечения
надёжной работы электрооборудования, устройств релейной защиты и автоматики
(РЗиА), электрической сети в целом производится расчёт токов КЗ.
В трёхфазных сетях и устройствах различают трёхфазные (симметричные),
двухфазные и однофазные (не симметричные) КЗ. Могут иметь место также
двухфазные КЗ на землю, КЗ с одновременным обрывом фаз. Наиболее частыми
являются однофазные КЗ на землю (до 65% от общего числа КЗ), значительно реже
случаются двухфазные КЗ на землю (до 20% от общего количества КЗ), двухфазные
КЗ (до 10% от общего количества КЗ) и трёхфазные КЗ (до 5% от общего количества
КЗ).
Токи короткого замыкания (КЗ) рассчитывают для выбора и проверки
аппаратов и токоведущих частей на термическую и динамическую стойкость, для
выбора, при необходимости, устройств по ограничению этих токов, а также для
выбора и оценки устройств релейной защиты.
Расчётным является трёхфазное короткое замыкание, т.к. токи КЗ в этом
случае имеют максимальные значения. При расчётах токов КЗ принимаются
допущения:
·
все источники,
участвующие в питании рассматриваемой точки КЗ, работают одновременно и с
номинальной нагрузкой;
·
расчётное
напряжение каждой ступени схемы электроснабжения принимается на 5 % выше
номинального значения;
·
короткое замыкание
наступает в момент времени, при котором ударный ток КЗ будет иметь наибольшее
значение;
·
сопротивление
места КЗ считается равным нулю;
·
не учитывается
сдвиг по фазе ЭДС различных источников питания, входящих в расчётную схему;
·
не учитываются
ёмкости, а следовательно, и емкостные токи в воздушных и кабельных сетях;
·
не учитываются
токи намагничивания трансформаторов;
·
напряжение
источников питания остаются неизменным.
В сетях 110 кВ и выше, работающих с глухозаземленной нейтралью, расчёт
токов КЗ производится для того вида КЗ (однофазное или трёхфазное), при котором
ток в повреждённой фазе больше. В сетях менее 110 кВ, расчёт токов КЗ
производится для трёхфазного вида КЗ.
В связи с необходимостью проверки выбираемого силового и коммутационного
электрооборудования на правильную работу в режимах коротких замыканий, а также
для правильной работы устройств РЗиА расчётным видом КЗ является трёхфазное
симметричное КЗ.
В зависимости от назначения расчёта выбираются соответствующие режимы
работы электрической сети.
Например, выбор и проверка коммутационной аппаратуры на термическую
стойкость требует, чтобы в ветви с КЗ протекал максимально возможный ток. Этот
режим требует включения в расчетной схеме всех источников питания и ветвей
связи. Такой режим называется максимальным.
Наоборот, проверка чувствительности устройств релейной защиты должна
производится с учётом ремонтных режимов сети, при которых отключена часть
источников питания и ветвей связи, для того чтобы ток КЗ через проверяемую
защиту был минимальным.
Однако, хотя расчётные режимы и виды повреждения для проверки
чувствительности устройств РЗиА должны устанавливаться, исходя из наиболее
неблагоприятных условий работы системы, выбранный режим работы должен быть
реально возможным.
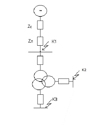
Схема замещения для расчётов токов КЗ представлена на рис. 2.1.
Рис.3.1,1
Найдем параметры схемы замещения приведенные к напряжению 110 кВ:
1) Сопротивление системы.
5,57/6,47
Ом
2) Найдем сопротивления трансформаторов.
Ом
Ом
Запишем
параметры схемы замещения в общем виде:
)Удельное
реактивное сопротивление параллельных i - j линий:
(2.1)
2) Общее сопротивление линии:
(2.2)
3) Общее реактивное сопротивление линии:
(2.3)
где
- удельное реактивное сопротивление линии (Ом/км);
- длина
линии (км).
4) Общее активное сопротивление линии:
(2.4)
где
- удельное реактивное сопротивление линии (Ом/км);
- длина
линии (км).
5) Общее сопротивление i -j линий:
(2.5)
6) Реактивное сопротивление i -j линий:
(2.6)
7) Активное сопротивление i -j линий:
(2.7)
Параметры
линии 110 кВ (АС-150):
Xл= 2,38 Ом
Rл= 1,092 Ом
Параметры
токопровода 10 кВ (2АС-150):
Xт.п.=0,41 Ом
Rт.п.= 0,19 Ом
Запишем формулы для расчета тока короткого замыкания в общем виде:
) Периодическая составляющая тока короткого замыкания:
(2.8)
где
- расчетное напряжение;
-
сопротивление участка до точки короткого замыкания.
2) Постоянная времени:
(2.9)
где
- реактивное сопротивление участка до точки короткого
замыкания;
-
активное сопротивление участка до точки короткого замыкания;
3) Ударный коэффициент:
(2.10)
4) Ударный ток короткого замыкания:
(2.11)
Для
примера рассмотрим точку К1, рис.2.2:
рис.
3.1,2
кА
гдеIк.б.
max/min - приведенный к 110 кВ ток к.з. при максимальном и
минимальном режимах системы.
Ток
к.з., приведенный к номинальному напряжению:
с
кА
Результаты
расчетов сведем в таблицу 2.1.
Таблица
2.1.
|
Расчетная точка к.з.
|
Max режим системы
|
Min режим системы
|
|
К1
|
К2
|
К3
|
К4
|
К1
|
К2
|
К3
|
К4
|
|
Х110S, Ом
|
7,95
|
63,55
|
63,96
|
36
|
8,85
|
64,45
|
64,86
|
36,9
|
|
R110S, Ом
|
1,092
|
3,632
|
3,822
|
2,5
|
1,092
|
3,632
|
3,822
|
2,5
|
|
Ikiб, кА
|
8,4
|
1,05
|
1,04
|
1,4
|
1,03
|
1,02
|
1,2
|
|
Uн, кВ
|
110
|
10
|
10
|
10
|
110
|
10
|
10
|
10
|
|
Ik, кА
|
8,4
|
11,5
|
11,4
|
15,3
|
7,5
|
11,3
|
11,2
|
23,1
|
|
Та, с
|
0,023
|
0,056
|
0,053
|
0,046
|
0,026
|
0,057
|
0,054
|
0,047
|
|
iуд, кА
|
20,2
|
29,3
|
29,0
|
38,9
|
18,0
|
28,7
|
28,5
|
33,0
|
.2 Выбор трансформаторов собственных нужд
Непрерывность процесса передачи и распределения электроэнергии
потребителям на подстанции обеспечивается потребителями собственных нужд. В
качестве источников энергии для них используются понижающие трансформаторы
10/0,4.
В таблице 3.4 представлены потребители собственных нужд подстанции
«Ойсунгур».
Таблица 3.2
|
Наименование потребителя
|
Iн, А
|
|
1. Охлаждение 1Т
|
25
|
|
2. Охлаждение 2Т
|
25
|
|
3. Освещение ОРУ
|
50
|
|
4. Регулирование напряжения
1Т
|
50
|
|
5. Регулирование напряжения
2Т
|
50
|
|
6. Обогрев счетчиков Альфа
|
50
|
|
7. Освещение ячеек 10кВ
|
25
|
|
8. Аварийное освещение
ЗРУ-10 кВ
|
25
|
|
9 Обогрев приводов ОД и
КЗ-110 кВ
|
25
|
|
10. Освещение коридора ЗРУ
|
25
|
|
12. Проверка устройств РзиА
|
25
|
|
13. Телеизмерение
|
88
|
Путем замеров было выяснено, что электроснабжение потребителей
собственных нужд составляет в среднем Sср=144 кВА.
Определим мощность трансформаторов собственных нужд:
кВА
Выбираем трансформаторы Sн=160 кВА
Коэффициент загрузки трансформаторов в нормальном режиме:
Коэффициент загрузки трансформаторов в послеаварийном режиме:
Т.е. трансформаторы собственных нужд не испытывают перегрузок.
На подстанции «Ойсунгур» установлено два трансформатора собственных нужд
ТМ-160/10/0,4.
Таким образом, трансформаторы собственных нужд на подстанции «Ойсунгур» в
замене не нуждаются.
3.3
Выбор выключателей 110кВ 35кВ и 10кВ
Выключатель - это аппарат, предназначенный для отключения и включения
цепей высокого напряжения в нормальных и аварийных режимах.
Выключатель является основным коммутационным аппаратом в электрических
установках, он служит для отключения и включения цепи в любых режимах. Наиболее
тяжёлой и ответственной операцией является отключение токов короткого
замыкания.
Выключатели вакуумные с электромагнитным приводом, с усиленной изоляцией,
наружной установки предназначены для работы в электрических сетях на открытых
частях станций, подстанций, для тяговых подстанций электрифицированных железных
дорог, в распределительных устройствах в сетях трёхфазного переменного тока.
Предназначены для замены маломасляных выключателей ВМУЭ-35II-25/1250 УХЛ1,
ВМК-35-20/1000 У1 и масляных баковых выключателей МКП-35-20/1000 У1,
С-35М-630-10 У1, ВТ-35-12,5/630 У1.
Выключатели соответствуют требованиям ГОСТ 687-78, ГОСТ 18397-86,
КУЮЖ.674153.003ТУ
К выключателям высокого напряжения предъявляются следующие требования:
·
надёжное
отключение токов любой величины от десятков ампер до номинального тока
отключения;
·
быстрота
действия, т.е. наименьшее время отключения;
·
пригодность для
автоматического повторного включения, т.е. быстрое включение выключателя сразу
же после отключения;
·
возможность
пофазного (пополюсного) управления для выключателей 110 кВ;
·
удобство ревизии
и осмотра контактов и механической части;
·
взрыво- и
пожаробезопасность;
·
удобство
транспортировки и обслуживания.
Высоковольтные
выключатели должны длительно выдерживать номинальный ток
и номинальное напряжение
.
Выбор
выключателей производится:
по
напряжению
;(3.13)
по длительному току
;(3.14)
по отключающей способности.
В первую очередь производится проверка на симметричный ток отключения
,(3.15)
где
- действующее значение периодической составляющей
тока короткого замыкания в момент t начала расхождения
дугогасительных контактов;
-
номинальный ток отключения, кА.
Затем
проверяется способность выключателя отключить асимметричный ток короткого
замыкания, т. е. полный ток короткого замыкания с учётом апериодической
составляющей
,(3.16)
где
- апериодическая составляющая тока короткого
замыкания в момент расхождения контактов t;
-
номинальное значение относительного содержания апериодической составляющей в
отключаемом токе короткого замыкания; t - наименьшее время
от начала короткого замыкания до момента расхождения дугогасительных контактов,
,
где
= 0.01 с - минимальное время действия релейной защиты;
-
собственное время отключения выключателя.
На
электродинамическую устойчивость выключатель проверяется по предельному
сквозному току короткого замыкания:
;(3.17)
;(3.18)
где
- начальное значение периодической составляющей тока
короткого замыкания в цепи выключателя;
-
действующее значение предельного сквозного тока короткого замыкания (по
справочнику);
-
ударный ток короткого замыкания в цепи выключателя;
- амплитудное
значение предельного сквозного тока короткого замыкания (по каталогу).
На
термическую устойчивость выключатель проверяется по тепловому импульсу
,(3.19)
,(3.20)
где
- тепловой импульс по расчёту;
-
предельный ток термической устойчивости по каталогу;
-
длительность протекания тока термической устойчивости, с.
Проверка
выключателей по параметрам восстанавливающего напряжения обычно не проводится.
Рассмотрим
выбор высоковольтного выключателя на ОРУ 110 кВ для присоединения линии Л-127.
Максимальный рабочий ток в линии равен:
, (3.21)
А
Намечаем выключатель типа:
ВЭБ-110Б/1000/УХЛ1 и производим его проверку:
) По напряжению:
2) По номинальному току:
3) По току отключения:
4) По величине ударного тока к.з. в сети:
5) На термическую стойкость:
6) На способность выключателя отключить асимметричный ток короткого
замыкания:
Таким
образом, выключатель удовлетворяет условиям. Результаты выбора выключателей ОРУ
110 и ЗРУ 10 кВ сведены в таблицу 3.5.
Таблица
3.5. Выбор высоковольтных выключателей
|
ВБС-35Ш25/1000УХЛ1
|
|
Условие выбора
|
Расчётные данные
|
Каталожные данные
|
|
 35 кВ 35 кВ
|
|
|
|
 305 А 1000 А
|
|
|
|
 10,5 кА 11,1 кА
|
|
|
|
 20,2 кА 52 кА
|
|
|
|
 8,2 кА2с 1200 кА2с
|
|
|
|
Iк=10,5 кАIпр.скв.=20 кА
|
|
|
|
ВБКЭ-10-20/1600УХЛ (для
вводных и межсекционных выключателей)
|
|
 10 кВ 10 кВ
|
|
|
|
 825,6 А 1600 А
|
|
|
|
 15,3 кА 20 кА
|
|
|
|
 38,9 кА 52 кА
|
|
|
|
 22,4 кА2с 1200 кА2с
|
|
|
|
Iк=15,3 кАIпр.скв.=20 кА
|
|
|
|
ВБКЭ-10-20/630УХЛ (на
присоединение)
|
|
 10 кВ 10 кВ
|
|
|
|
 272 А 630 А
|
|
|
|
 15,3 кА 20 кА
|
|
|
|
 38,9 кА 52 кА
|
|
|
|
 22,4 кА2с 1200 кА2с
|
|
|
|
Iк=15,3 кАIпр.скв.=20 кА
|
|
|
.4 Выбор разъединителей 110 и 35кВ
Выбор разъединителей производится:
·
по напряжению;
·
по току;
·
по конструкции,
роду установки;
·
по
электродинамической устойчивости;
·
по термической
устойчивости.
Результаты выбора разъединителей сведены в табл. 3.6
Таблица 3.6
|
РНДЗ 1-110/1000ХЛ
|
|
Условие выбора
|
Расчётные данные
|
Каталожные данные
|
|
1. 110 кВ 110 кВ
|
|
|
|
Iраб.макс=75,1 А 1000 А
|
|
|
|
iу=20,2 кА 80 кА
|
|
|
|
4. Bк=5,2 кА2с 3969
кА2с
|
|
|
|
РГ 35/1000УХЛ1
|
|
Условие выбора
|
Расчётные данные
|
Каталожные данные
|
|
1. 110 кВ 35 кВ
|
|
|
|
Iраб.макс=305 А 1000 А
|
|
|
|
iу=5,09 кА 80 кА
|
|
|
|
4. Bк=5,4 кА2с 1024
кА2с
|
|
|
Разъединители не проверяют на коммутационную способность при коротких
замыканиях, поскольку они не предназначены для работы в таком режиме.
.5 Выбор ячеек КРУ - 10 кВ
При напряжении 10 кВ в настоящее время наибольшее распространение
получили комплектные распределительные устройства (КРУ) с вакуумными
выключателями, благодаря своим достоинствам:
·
высокая
износостойкость при коммутации номинальных токов и номинальных токов
отключения;
·
резкое снижение
эксплуатационных затрат;
·
полная взрыво- и
пожаробезопасность и возможность работы в агрессивных средах;
·
широкий диапазон
температур, в котором возможна работа вакуумной дугогасительной камеры;
·
повышенная
устойчивость к ударным и вибрационным нагрузкам вследствие малой массы и
компактной конструкции аппарата;
·
произвольное
рабочее положение и малые габариты, что позволяет создавать различные
компоновки распределительных устройств (РУ);
·
бесшумность,
чистота, удобство обслуживания, обусловленные малыми выделениями энергии в дуге
и отсутствие выброса масла, газов при отключении КЗ;
·
отсутствие
загрязнений окружающей среды;
·
высокая
надёжность и безопасность эксплуатации, сокращение времени на монтаж.
К недостаткам относится повышенный уровень коммутационных перенапряжений,
что требуют применения специальных технических средств и высокая цена.
В качестве распределительного устройства 10 кВ целесообразно применить
закрытое КРУ заводского изготовления, состоящего из отдельных ячеек различного
назначения.
Для комплектования КРУН-10 кВ выберем малогабаритные ячейки К-59,
изготовляемые самарским заводом «Электрощит». Данные ячейки отвечают
современным требованиям эксплуатации, имеют выкатные тележки с вакуумными
выключателями, безопасный доступ к любому элементу КРУ-10.
В составе КРУ сери К-59 входят вакуумные выключатели типа ВБЭ-10-20/1600
с электромагнитным приводом, трансформаторы тока, трансформаторы напряжения,
разрядники, заземляющие ножи, сборные и соединительные шины, опорные и
переходные изоляторы.
3.6 Выбор измерительных трансформаторов
.6.1 Трансформаторы тока
Трансформатор тока (ТТ) предназначен для уменьшения первичного тока до
величин, наиболее удобных для измерительных приборов и реле, а также для
отделения цепей измерения и защиты от первичных цепей высокого напряжения.
Выбор ТТ при проектировании РУ заключается в выборе типа трансформатора,
определении ожидаемой нагрузки и сопоставлении её с номинальной, проверке на
электродинамическую и термическую стойкость. Класс точности намечают в
соответствии с назначением трансформатора тока: класс точности 0,5 - применяем
для присоединения счётчиков денежного расчёта; класса 1 - для всех технических
измерительных приборов; класса 3 и 10 - для релейной защиты.
Контроль за режимом работы подстанции осуществляем с помощью
контрольно-измерительных приборов: вольтметра, ваттметра, варметра, счётчиков
активной и реактивной энергии. Выбор и сравнение трансформаторов тока приведён
в табл. 3.7.
Выбор и проверка трансформаторов тока:
Таблица 3.7
|
ТФЗМ - 110Б-1
|
|
|
Условие выбора и проверки
|
Расчётные данные
|
Каталожные данные
|
|
 110 кВ 110 кВ
|
|
|
|
 75,1А 300 А
|
|
|
|
Bк=5,2 кА2с 2187
Ка2с
|
|
|
|
iу=20,2 кА 62 кА
|
|
|
|
ТВ-35-Ш-1500/5
|
|
 110 кВ 110 кВ
|
|
|
|
 75,1А 300 А
|
|
|
|
Bк=5,2 кА2с 2187
Ка2с
|
|
|
|
iу=20,2 кА 62 кА
|
|
|
|
ТШЛ-10
|
|
 10 кВ 10 кВ
|
|
|
|
 825,6А 1500 А
|
|
|
|
Bк=22,4 кА2с 2187
Ка2с
|
|
|
|
iу=38,9 кА 69 кА
|
|
|
|
ТПЛ-10
|
|
 10 кВ 10 кВ
|
|
|
|
 272А 400 А
|
|
|
|
Bк=22,4 кА2с 3675
Ка2с
|
|
|
|
iу=38,9 кА 66 кА
|
|
|
Для проверки трансформаторов тока по вторичной загрузки, пользуясь
каталожными данными приборов, определяем нагрузку по фазам (табл. 3.8. ).
Из табл. 3.8. видно, что наиболее загружены трансформаторы тока фаз А и
С. Производим проверку по вторичной нагрузке трансформаторов тока ТФЗМ 110Б-1.
Общее сопротивление приборов:
Ом.
Таблица 3.8
|
Прибор
|
Тип
|
Нагрузка, В·А
|
|
|
Фаза А
|
Фаза В
|
Фаза С
|
|
Амперметр
|
Э365
|
0,1
|
0,1
|
0,1
|
|
Ваттметр
|
Д365
|
1,5
|
-
|
1,5
|
|
Варметр
|
Д365
|
2,5
|
-
|
2,5
|
|
Счётчик активной энергии
|
СА4У-И670(3)
|
2,5
|
2,5
|
2,5
|
|
Счётчик реактивной энергии
|
СР4У-И670(3)
|
2,5
|
2,5
|
2,5
|
|
РЗиА
|
|
5
|
5
|
5
|
|
Итого
|
|
14,1
|
10,1
|
14,1
|
Из табл. 3.8. видно, что наиболее загружены трансформаторы тока фаз А и
С.
Производим проверку по вторичной нагрузке трансформаторов тока ТШЛ-10.
Общее сопротивление приборов
Ом.
Вторичная номинальная нагрузка трансформатора тока в классе точности 0,5
составляет 0,8 Ом. Сопротивление контактов принимаем 0,1, тогда сопротивление
проводов
Ом.
Проверка трансформаторов тока на 110 и 10 кВ сведена в табл. 3.9.
Таблица 3.9
|
Тип ТТ
|
, А , Ом , Ом
|
|
|
|
ТШЛ-10
|
25
|
0,564
|
0,136
|
|
ТФЗМ-110Б-1
|
25
|
0,564
|
0,136
|
|
ТШЛП-10
|
25
|
0,564
|
0,136
|
3.6.2 Трансформаторы напряжения
Измерительные трансформаторы напряжения (ТН) предназначены для
преобразования напряжения до значения, удобного для измерения. Трансформаторы,
предназначенные для присоединения счётчиков, должны отвечать классу точности
0,5. Для присоединения щитовых измерительных приборов используют трансформаторы
классов 1,0 и 3,0; для релейной защиты - 0,5, 1,0 и 3,0.
Трансформаторы напряжения выбирают:
по напряжению
; (3.22)
по конструкции и схеме соединения обмоток;
по классу точности;
по вторичной нагрузке
, (3.23)
где
- номинальная мощность в выбранном классе точности;
-
нагрузка всех измерительных приборов и реле, присоединённых к трансформатору
напряжения, В·А
.(3.24)
Для ОРУ 110 кВ выбираем трансформатор напряжения типа НКФ-110-83. Подсчёт
нагрузки производим в табл. 3.10.
Таблица 3.10 Вторичная нагрузка трансформатора напряжения
Прибор Тип Потр. мощн-ость 
Кол-во
приб.Суммарная
|
мощность SS
|
|
|
|
|
|
Вольтметр Ваттметр Варметр
Счётчик активной энергии Счётчик реактивной энергии РзиА
|
Э365 Д365 Д335/1
СА4У-И670(3) СР4У-И670(3)
|
0,1 1,5 2,5 2,5 2,5 5
|
1 1 0,38 0,38 0,38 1
|
0 0 0,92 0,92 0,92
|
3 2 2 3 3
|
0,3 3 5 7,5 7,5 5
|
Рассмотрим выбор трансформатора на U=110 кВ:
Рассмотрим
выбор трансформатора на U=10 кВ:
Sном=120ВА>25,6ВА
Выбор трансформаторов напряжения сведён в табл. 3.11
Таблица 3.11
|
Тип ТН
|
, В·А , В·А
|
|
|
НАМИ-10
|
25,6
|
120
|
|
НКФ-110-83
|
25,6
|
400
|
Таким образом, трансформаторы будут работать в выбранном классе точности.
электроснабжение ток трансформатор замыкание
Выберем токопровод, по которому электроэнергия передается от
трансформатора 110/10 кВ в КРУН - 10 кВ.
) Определим экономически выгодное сечение токопровода (материал -
алюминий):
(3.25)
где
iэк -
экономическая плотность тока (для зоны данного региона iэк =1,3 А/мм2);
Iраб - рабочий ток нормального режима.
(3.26)
гдеIрасч - расчетное значение тока.
=825,6 А
=412,8 А
= 317,5
мм2
Выбираем
токопровод 2АС-150.
2) Условие выбора по продолжительному нагреву:
(3.27)
гдеIраб.утяж. - максимальный рабочий ток токопровода.
(3.28)
гдеIт - максимальное допустимое значение тока для
проводника по ПУЭ;
к1
- коэффициент, учитывающий фактическую температуру окружающей среды;
к5
- коэффициент, учитывающий фактическое рабочее напряжение.
Выберем
в качестве проводника АС-150.
Iт =450 А
к1
=1
к5
=1,05
А
А
Пусть
на каждую фазу токопровода идут линии АС - 150, таким образом токопровод будет
представлять собой линию 2АС-150.
А
3) Проверка по электродинамической стойкости:
Для обеспечения электродинамической стойкости шинопровода при токах
короткого замыкания расчетное напряжение не должно превосходить допустимого
напряжения sдоп.
(3.29)
Для
алюминия sдоп.=70
мПа.
Так
как в нашем случае на каждую фазу идет две линии, то возникают
электродинамические силы двух видов: усилие от взаимодействия токов различных
фаз и усилие от взаимодействия токов в проводниках одной фазы.
sрасч.= s1 +s2 (3.30)
гдеs1 -
напряжение на шине в результате взаимодействия токов различных фаз.
s2 - напряжение в проводниках одной фазы.
(3.31)
гдеiуд - ударный ток короткого замыкания iуд =38,9 кА;
a - расстояние
между фазами, м;
а=1
м.
l - длина
пролета токопровода, м;
l=0,5 м.
x=10
W - момент
сопротивления поперечного сечения, м3;
W1=2W
(3.32)
гдеd -
диаметр проводника, м;
d=17,5 мм.
гдеq -
сила взаимодействия между проводниками одной фазы на 1м длины.
(3.33)
гдеl2 - расстояние между проводниками одной фазы, м;
l2 =0,15 м.
МПа
Результаты
расчетов сведем в таблицу 3.12
Таблица
3.12
|
Условия для выбора
|
Расчетные данные
|
Данные для токопровода
|
|
U= 10 кВ
|

iэк =1,3
=412,8А
мм2S=150 мм2

А
l=1
м, а=1 м, x=10,
iуд =7 кА
d=17,5 мм.
Iт=450 А
Iдоп=2*472,5 А
|
|
|
|
|
Таким образом, выбираем
токопровод 2АС-150 для соединения выводов трансформаторов с шинами КРУН-10
кВ.
|
.8 Выбор шинопровода
Сечение сборных шин выбирают по:
) По допустимому нагреву, исходя из токовой нагрузки в утяжеленном
режиме;
) По термической стойкости;
) По электродинамической стойкости.
Выбираем шинопровод для КРУН-10 кВ.
Расчетный ток утяжеленного режима:
Iутяж. =825,6 А.
Выбираем алюминиевые шины сечение 60х6 мм2.
Iдоп. =870 А.
. Проверка по допустимому нагреву:
2. Минимальное сечение шинопровода по термической стойкости:
гдеIк. - установившийся ток к.з., А;
tn. - приведенное время к.з., с;
С
- коэффициент, для алюминия С=92.
tn. = tоткл. +Та
tn. =0,05+0,046=0,096 с.
Iк. =15,3 кА=15300 А.
3. По электродинамической стойкости шины выбирают исходя из
условия:
гдеs- напряжение в материале шин;
(3.34)
Где
М- максимальный изгибающий момент, Н*м;
W- момент
сопротивления сечения шин, м3.
(3.35)
гдеF -
сила взаимодействия между проводниками при протекании по ним ударного тока
к.з., Н;
l- расстояние
между изоляторами, l=1м.
x=10
(3.35)
гдеa - расстояние между фазами, а=0,15 м;
Кф- коэффициент формы, Кф=0,35;
iуд - ударный ток короткого замыкания iуд =38,9 кА.
Пусть шины расположены друг к другу узкими сторонами:
b=
6мм=6*10-3 м.
h=
60мм=6*10-2 м
Н
Н*м.
м3.
мПа.
Наибольшее
допустимое при изгибе напряжение sдоп не должно превышать для алюминия 70 мПа.
4. Найдем частоту собственных колебаний шин:
(3.36)
Где
Е- модуль упругости материала шин, для алюминия Е=7*1010 Па;
J- момент
инерции поперечного сечения шин, м4.
(при
расположении шин друг к другу узкими сторонами). (3.37)
гдеm -
масса одного погонного метра шины, кг/м.
Следовательно, явление резонанса не учитывается.
Таким образом, алюминиевые шины прямоугольного сечения 60х6 мм2
удовлетворяют необходимым условиям.
.8.1 Выбор гибких шин.
Согласно ПУЭ §1.3.28, сечение сборных шин выбирается по условию нагрева Iр.м.£Iдоп
Сечение сборных шин выбираю по наибольшему току присоединения.
По
таблице 7.35 [3] с учетом минимального сечения по коронированию принимаю провод
марки АС-95/16, d=13,5мм, Iдоп=330А
Согласно
ПУЭ шины не проверяются на термическую и электродинамическую стойкость.
Проверка
по условию коронирования не производится.
Для
крепления проводов на опоры выбираю подвесные изоляторы типа:
ПС-70Д в 5 штук в
трансформаторе и 3 в линии.
.9 Выбор изоляторов
Изоляторы предназначены для крепления шин и их безопасного обслуживания.
Изоляторы, выбираются по следующим условиям:
. Род установки
(3.37)
2. Допустимая механическая нагрузка:
(3.38)
Расчетная
нагрузка на изолятор определяется по формуле:
(3.39)
гдеl -
расстояние между изоляторами в пролете, l=1м.
а
- расстояние между фазами, а=0,15 м.
кН
Выбираем
изолятор для внутренней установки: ИОР-10-30.00УХЛ:
.
.
Выбранный
изолятор удовлетворяет условиям. Высота изолятора 130 мм.
3.10 Выбор ограничителей перенапряжения
До 70-х годов традиционным аппаратом для защиты изоляции
электрооборудования от перенапряжения является вентильный разрядник, который
содержал нелинейный элемент с симметричной вольт-амперной характеристикой на
основе карбида кремния и последовательно включенные с ним искровые промежутки.
Из-за относительно слабой нелинейности не линейного элемента он не мог
подключаться к сети непосредственно, так как при рабочем напряжении через него
протекал бы значительный ток.
В 70-х годах появились нелинейные элементы на основе окиси цинка, имеющие
вольт-амперные характеристики с гораздо большей нелинейностью, что позволяло
подключать их к сети непосредственно, без последовательных искровых
промежутков. В нашей стране защитные аппараты с оксидно-цинковыми элементами
получили название ограничители перенапряжения нелинейные (ОПН). За рубежом
подобные аппараты называются безыскровыми разрядниками. Отсутствие
последовательных искровых промежутков позволяет значительно улучшить защитные
характеристики аппарата и уменьшить его массогабаритные показатели. К началу
70-х годов безыскровые защитные аппараты получили преимущественное
распространение.
ОПН представляет собой аппарат опорного типа и содержит высоконелинейный
резистор, состоящий из последовательно соединенных в колонку дисков
оксидно-цинковых варисторов производства лучших зарубежных фирм, помещенных в
изоляционную оболочку. Огранчители исполнения УХЛ1 имеют взрывобезопасный чехол
из комбинированной полимерной изоляции: стеклопластиковый цилиндр с оребренным
покрытием из кремнийорганической резины.
Принцип работы ОПН заключается в следующем: в нормальном режиме через
аппарат протекает незначительный ток (порядка долей мА) при появлении всплесков
перенапряжений любой физической природы из-за резкой нелинейной вольт-амперные
характеристики ограничителя ток через него возрастает до значений от ампер до
десятков килоампер, снижая уровень перенапряжения до заданных значений.
Выбираем ограничители перенапряжения.
Для напряжения 10 кВ выбираем ОПН-10/11-10(I)УХЛ1.
Для напряжения 110 кВ выбираем ОПН-110/73-10(I)УХЛ1.
3.11 Выбор устройства компенсации емкостных токов
.11.1 Расчет емкостных токов
Емкостной ток для воздушной линии определяется по формуле:
(3.40)
Емкостной
ток для кабельной линии определяется по формуле:
(3.41)
Результаты расчетов сведем в таблицу 3.14
Таблица 3.14
|
№ ячейки
|
Наименован. отходящих линий
|
Марка кабеля.
|
Протяженность, км
|
Iс
|
|
|
|
Общая
|
В том числе кл
|
В т.ч. вл
|
|
|
2
|
ЗРОМ-1
|
АШВУ-3х70
|
0,01
|
0,01
|
|
0,01
|
|
3
|
КНС-8
|
ААВ-3х150
|
0,35
|
0,35
|
|
0,35
|
|
4
|
Хлебозавод
|
ААШВ-3х120
|
0,35
|
0,35
|
|
0,35
|
|
5
|
РП-9-1
|
ААШВ-3х185
|
0,4
|
0,4
|
|
0,4
|
|
6
|
Быт. нагрузка
|
ААШВУ3х120
|
0,719
|
0,719
|
|
0,719
|
|
|
ААШВУ3х185
|
0,980
|
0,980
|
|
0,980
|
|
7
|
РП-5-1
|
АСВ-3х240
|
1,530
|
1,530
|
|
1,530
|
|
10
|
РП горкотел
|
2ААШВ3х185
|
2х1,4
|
2х1,4
|
|
2,8
|
|
11
|
РП-10-2
|
ААШВ-3х150
|
0,1
|
0,1
|
|
0,1
|
|
|
АС-95
|
1,5
|
|
1,5
|
0,043
|
|
|
ААШВ-3х185
|
0,7
|
0,7
|
|
0,7
|
|
12
|
РП-8-3
|
АСВ-3х240
|
4,57
|
4,57
|
|
4,57
|
|
Общий емкостной ток I
системы шин 16,6
|
|
15
|
КНС-8
|
ААВ-3х150
|
0,35
|
0,35
|
|
0,35
|
|
16
|
РП-5-2
|
АСВ-3х240
|
1,53
|
1,53
|
|
1,53
|
|
17
|
Птицеферма
|
А-70
|
13,07
|
|
13,07
|
0,37
|
|
18
|
РП горкотел
|
2ААШВ3х185
|
2х1,4
|
2х1,4
|
|
2,8
|
|
19
|
РП-8-4
|
АСБ-3х240
|
4,57
|
4,57
|
|
4,57
|
|
23
|
Хлебозавод
|
ААШВ-3х120
|
0,35
|
0,35
|
|
0,35
|
|
24
|
ЗРОМ-2
|
АШВУ-3х70
|
0,012
|
0,012
|
|
0,012
|
|
25
|
РП-10-1
|
ААШВ-3х150
|
0,1
|
0,1
|
|
0,1
|
|
|
АС-95
|
1,5
|
|
1,5
|
0,043
|
|
|
ААШВ-3х185
|
0,7
|
0,7
|
|
0,7
|
|
26
|
Быт. нагрузка
|
ААШВУ3х120
|
0,723
|
0,723
|
|
0,723
|
|
|
ААШВУ3х185
|
0,98
|
0,98
|
|
0,98
|
|
27
|
Зверосовхоз
|
А-50
|
10,3
|
|
10,3
|
0,29
|
|
28
|
РП-9-2
|
ААШВ-3х185
|
4,4
|
4,4
|
|
4,4
|
|
Общий емкостной ток II
системы шин 17,2
|
.11.2 Дугогасящие катушки
Дугогасящая катушка представляет собой индуктивность, предназначенную для
гашения дуги емкостного тока замыкания на землю и ограничения перенапряжений
при повторных зажиганиях заземляющей дуги.
По способам регулировки тока компенсации, современные дугогасящие катушки
разделяются на три основных вида:
) с переключением ответвлений обмотки;
) с изменением зазоров в магнитной системе;
) с изменением индуктивности подмагничиванием постоянным током.
В высоковольтных сетях 6 - 35 кВ применяются в основном дугогасящие
катушки ЗРОМ, они имеют прямо пропорциональную зависимость тока от напряжения.
Насыщение стали практически не проявляется при напряжении 1,1 Uф, когда переключатель установлен на
ответвление наибольшего тока.
Обмотки дугогасящей катушки ЗРОМ имеют пять ответвлений, делящих токи в
соотношении 1:2. Длительная работа сетей 3-60 кВ с изолированной нейтралью
допускается при емкостных токах замыкания на землю, не превышающих следующие
значения:
Таблица 3.15
|
Напряжение сети, кВ
|
6
|
10
|
15-20
|
35 и выше
|
|
Емкостной ток замыкания на
землю, А
|
30
|
20
|
15
|
10
|
Указанные значения токов соответствуют требования Правил технической
эксплуатации (ПТЭ). Однако, исследования опасности воздействия заземляющих дуг
и перенапряжений, а также опыт эксплуатации показали, что в сетях 6 и 10 кВ
целесообразно применять дугогасящие катушки тогда, когда емкостные токи
замыкания на землю достигнут соответственно 20 и 15 А.
3.11.3 Выбор мощности и места установки дугогасящих катушек
Мощность дугогасящих катушек выбирается по величине полного емкостного
тока замыкания на землю сети и подсчитывается по формуле [3]:
(3.42)
Дугогасящие
катушки должны устанавливаться, как правило, на питающих узловых подстанциях,
связанных с компенсирующей сетью не менее чем тремя линиями. Установка на
тупиковых подстанциях нежелательна, так как неполнофазные режимы питания
трансформатора с дугогасящей катушкой, возникающие из-за обрыва проводов на
питающей линии, приводят к неполнофазной компенсации емкостных проводимостей
фаз сети индуктивными проводимостями дугогасящей катушки. При этом смещение
нейтрали может достигнуть опасных величин.
Определяем
мощность дугогасящих катушек:
I С.Ш. : Q=1,25*16,6*10=207,5
кВА
II С.Ш. : Q=1,25*17,2*10=215
кВА
Выбираем
дугогасящие катушки:ЗРОМ-300/10.
Для подключения дугогасящих катушек к нейтрали сети используем
трансформаторы ТМ-400/10.
4. РЕЛЕЙНАЯ ЗАЩИТА И АВТОМАТИКА
В процессе работы подстанции могут возникнуть повреждения отдельных её
элементов и ненормальные режимы работы.
Повреждения в электроустановках чаще всего связаны с нарушением изоляции,
обрывом цепей или возникновением коротких замыканий. При этом прекращается
питание потребителей, расположенных за местом повреждения. кроме того,
протекание токов короткого замыкания приводит к повышенному нагреву токоведущих
частей и аппаратов, снижению напряжения у удалённых потребителей и может
явиться причиной нарушения устойчивой работы системы электроснабжения.
Ненормальные режимы работы обычно приводят к отклонению величин напряжения,
тока и частоты от допустимых значений. При понижении напряжения и частоты
создаётся опасность нарушения нормальной работы потребителей и устойчивости
системы электроснабжения, а повышение напряжения может привести к пробою
изоляции и повреждению электрооборудования.
Таким образом, повреждения нарушают работу электроустановок, а
ненормальные режимы работы создают условия для возникновения повреждений.
Для уменьшения размеров повреждений и предотвращения развития аварий
устанавливаем релейную защиту, которая представляет собой совокупность
автоматических устройств, обеспечивающих отключение поврежденной части
электроустановки.
4.1 Виды повреждений и ненормальных режимов работы
трансформаторов
В процессе эксплуатации не исключена возможность к.з., как в
трансформаторах, так и на их соединениях с выключателями. Имеют место также
опасные ненормальные режимы работы, связанные с повреждением трансформатора и
его соединений. Возможность повреждений и ненормальных режимов обуславливает
необходимость установки на трансформаторах защитных устройств. При этом
учитываются однофазные и многофазные короткие замыкания в обмотках и на выводах
трансформатора, а также “пожар стали” сердечника. Однофазные короткие замыкания
бывают двух видов: на землю и между витками обмотки (витковые замыкания).
Наиболее вероятными являются однофазные и многофазные повреждения на выводах
трансформаторов и однофазные витковые замыкания.
Значительно реже возникают междуфазные короткие замыкания в обмотках. Для
групп однофазных трансформаторов они вообще исключены. Защита от коротких
замыканий выполняется с действием на отключение повреждённого трансформатора.
Для ограничения размеров разрушений целесообразно выполнять её работающей без
замедления.
Замыкания одной фазы на землю представляют опасность для обмоток ,
присоединённых к сетям с большими токами замыкания на землю. В этом случае
защита должна отключить трансформатор и при однофазных коротких замыканиях в
его обмотках на землю.
Ненормальные режимы работы трансформаторов обусловлены внешними короткими
замыканиями и перегрузками. В этих случаях в обмотках трансформатора появляются
большие токи (сверхтоки).Особенно опасны токи, при внешних коротких замыканиях;
эти токи могут значительно превышать номинальный ток трансформатора. В случае длительного
прохождения тока возможен интенсивный нагрев изоляции обмоток и её повреждение.
Вместе с этим при коротком замыкании имеет место понижение напряжения в
сети. Поэтому на трансформаторе должна предусматриваться защита, отключающая
трансформатор при появлении сверхтоков, обусловленных не отключившимся внешним
коротким замыканием.
К ненормальным режимам работы трансформатора относится также недопустимое
понижение уровня масла, которое может произойти, например, вследствие
повреждения бака.
.2 Защиты трансформаторов 110/35/10 кВ
.2.1 Общие положения
На трансформаторы согласно предусматриваем следующие защиты:
·
дифференциальная
токовая защита трансформатора;
·
газовая защита,
газовая защита устройства РПН;
·
токовая
направленная защита обратной последовательности от несимметричных КЗ и
максимальная токовая защита с пуском напряжения от трёхфазного КЗ;
·
двухступенчатая
дистанционная защита от многофазных КЗ;
·
максимальная
токовая защита с комбинированным пуском напряжения от многофазных КЗ на стороне
низшего напряжения;
·
токовая
направленная защита нулевой последовательности от замыканий на землю на стороне
высшего;
·
защита от
неполнофазного режима;
·
максимальная
токовая защита от перегрузки.
УРОВ 110 кВ выполняем действующими:
·
при КЗ в трансформаторе
с отказом выключателя - на отключение всех выключателей системы (секций) шин,
элемент которой повреждён;
·
при КЗ на шинах с
отказом выключателя трансформатора - на отключение всех выключателей
трансформатора.
При КЗ в трансформаторе с отказом его выключателя при действии УРОВ
запрещается АПВ шин соответствующего напряжения.
4.2.2 Газовая защита
Цепи защиты выполняем в соответствии с, с учётом наличия:
·
одного газового
реле (РГЧЗ-66), реагирующего на повреждения в кожухе трансформатора, с двумя
контактами действующими соответственно на отключение и на сигнал;
·
одного газового
реле, реагирующего на повреждения в контакторном объёме трансформатора, которых
используется контакт, действующий на отключение.
·
одного газового
реле, реагирующего на повреждения в контактном объёме РПН трансформатора.
В схемах предусматриваем возможность перевода действия отключающих
контактов газовых реле трансформатора на сигнал.
4.2.3 Токовая защита обратной
последовательности и максимальные токовые защиты с пуском напряжения
Токовую защиту обратной последовательности предусматриваем для
резервирования отключения несимметричных внешних КЗ на сторонах высшего и
среднего напряжений, а также для резервирования основных защит трансформаторов
(дифференциальных и газовых).
Защита устанавливается на стороне 110 кВ и питается от трансформаторов
тока, встроенных во втулки высшего напряжения трансформатора; защиту выполняем
направленной с использованием фильтра-реле тока и направления мощности обратной
последовательности типа РМОП-2М.
Защиту выполняем направленной в сторону 110 кВ в предположении, что
выдержка времени резервных защит линий высшего напряжения меньше выдержек
времени резервных защит линий среднего напряжения.
Направленная защита действует с первой выдержкой времени (большей
выдержек времени резервных защит линий 110 кВ) на отключение межсекционного
выключателя 110 кВ, со второй - на отключение выключателя 10 кВ трансформатора
и с третьей - на выходные промежуточные реле защит трансформатора, отключающие
последний со всех сторон.
Для резервирования основных защит стороны 10 кВ трансформатора
предусмотрена максимальная токовая защита с комбинированным пуском напряжения,
присоединённая к трансформаторам тока, встроенным в трансформатор со стороны
низшего напряжения.
Рассматриваемая защита является также защитой шин низшего напряжения и
резервирует отключения КЗ на элементах, присоединённым к этим шинам. В этом
случае защита действует с первой выдержкой времени на отключение выключателя НН
и на пуск его устройства АПВ, а со второй на выходные промежуточные реле защит
трансформатора.
Аппаратуру указанных защит в цепях ответвлений к секциям шин НН размещаем
на панели общеподстанционного пункта управления. В этом случае исключается
падение цепей оперативного постоянного тока защиты трансформатора в шкафы КРУ и
тем самым повреждение этих цепей, а так же связанная с этим возможная потеря
постоянного тока в целом при повреждениях в шкафах КРУ 10 кВ.
4.2.4 Дистанционная защита от
многофазных замыканий
Защиту предусматриваем в предположении необходимости её использования в
общем случае:
·
для обеспечения
возможности согласования защит линий высшего напряжения с защитами
трансформатора;
·
для обеспечения
дальнего резервирования в сетях высшего напряжения.
Одновременно защита может использоваться для частичного резервирования
основных защит трансформатора.
Дистанционную защиту выполняем с использованием панели типа ПЭ2105,
содержащей комплекты реле сопротивления типов КРС-2 (первая ступень) и КРС-3
(вторая ступень), устройство блокировки при качаниях типов КРБ-125 (панель
ПЭ2105Б), устройство блокировки при неисправности цепей напряжения типа КРБ-12.
Неселективные действия дистанционной защиты исключаются при согласовании
с ней вторых ступеней дистанционных защит линий.
В целях упрощения ступень дистанционной защиты для резервирования сети
110 кВ не устанавливается и предполагается наличие на них полноценного ближнего
резервирования.
4.2.5 Токовая защита нулевой
последовательности от внешних замыканий на землю
Для резервирования отключения внешних КЗ на землю предусматриваем две
токовые защиты нулевой последовательности:
·
защита от
замыканий на землю на стороне 110 кВ, питаемая от трансформаторов тока,
встроенных во втулки 110 кВ трансформатора;
·
защита от
замыканий на землю на стороне 10 кВ, питаемая от трансформаторов тока,
встроенных во втулки 10 кВ трансформатора.
Обе защиты выполняем направленными и трёхступенчатыми для обеспечения
согласования с ними четырёхступенчатых защит линий смежного напряжения.
Защиты выполняем с использованием устройств типа КЗ-15, в которых
выходное промежуточное реле по типу РП-253.
Промежуточное реле комплекта КЗ-15 является выходным реле резервных защит
данной стороны (от многофазных КЗ и КЗ на землю) и действует на отключение
межсекционного выключателя на шинах 110 кВ, 10 кВ и пуск реле времени.
Реле времени с первой выдержкой времени действует на отключение
выключателя защищаемой стороны трансформатора, а со второй - на выходные
промежуточные реле защиты трансформатора.
4.2.6 Максимальная токовая защита от перегрузки
Защиту выполняем с использованием тока одной фазы, действующей на сигнал
с выдержкой времени.
МТЗ устанавливаем со сторон высшего и низшего напряжений и со стороны
выводов обмотки трансформатора к нейтрали. Реле тока со стороны выводов обмотки
к нейтрали необходимо для сигнализации перегрузки общей обмотки трансформатора
с действием на соответствующий выключатель.
В выходных цепях каждой из защит предусматриваем указательные реле для
сигнализации действия этих защит. Для всех защит, выполненных с двумя
выдержками времени, предусматриваем действие на выходные промежуточные реле
защиты трансформатора с большей выдержкой времени через общее указательное
реле.
.2.7 Дифференциальная токовая защита
Дифференциальная токовая защита является основной быстродействующей
защитой трансформаторов с обмоткой высокого напряжения 3 кВ и выше от к.з. на
выводах, а также внутренних повреждений. В соответствии с ПУЭ продольная ДТЗ
без выдержки времени должна предусматриваться на трансформаторах мощностью 6,3
МВА и выше, а также на трансформаторах 4 МВА при их параллельной работе и на
трансформаторах меньшей мощности (но не менее 1 МВА), если токовая отсечка не
удовлетворяет требованиям чувствительности, а МТЗ имеет выдержку времени более
0,5 с.
Рассмотрим дифференциальную защиту трансформатора 110/35/10 кВ Sн=25 МВА:
Для защиты силовых трансформаторов с регулированием напряжения под
нагрузкой применяется реле серии ДЗТ-10 с насыщающимися трансформаторами тока
(НТТ) и магнитным торможением сквозным током дифференциальной защиты.
Выполнение схемы и расчеты уставок дифференциальной защиты
трансформаторов имеют ряд особенностей:
) необходимость отстройки от бросков намагничивающего тока,
возникающих при выключении ненагруженного трансформатора под напряжение (на ХХ)
или при восстановлении напряжения внешнего к.з. в питающей сети;
) необходимость отстройки от токов небаланса, обусловленных
неполным выравниванием действия неодинаковых вторичных токов в плечах
дифференциальной защиты, что вызывается:
а)
невозможностью точной установки на коммутаторе реле расчетных чисел витков
уравнительных обмоток, этим вызывается появление составляющей тока небаланса
.
б)
регулировкой коэффициента трансформации защищаемого трансформатора с РПН: этим
вызывается изменение вторичных токов только в одном из плеч дифференциальной
защиты, что приводит к появлению составляющей тока небаланса
.
Наряду
с этим составляющими, существует составляющая тока небаланса
, обусловленная разностью намагничивающих токов
трансформаторов тока в плечах защиты.
Таким
образом, ток небаланса дифференциальной защиты трансформаторов состоит из трех
составляющих:
,(4.1)
(4.2)
(4.3)
(4.4)
где
- периодическая составляющая при расчетном внешнем
трехфазном к.з.,
= 1,5 кА;
Е
- относительное значение тока намагничивания, Е=0,1;
-
коэффициент однотипности,
=1;
-
коэффициент, учитывающий переходный режим, для реле с ННТ
=1;
-
половина суммарного (полного) диапазона регулирования напряжения,
=0,16.
(4.5)
1. Токи короткого замыкания на вводах трансформатора:
Рис.4.1.
2. Средние значения первичных и вторичных номинальных токов для
всех сторон защищаемого трансформатора.
(4.6)
(4.7)
Вторичный
ток в плечах защиты:
(4.8)
где
- коэффициент схемы;
- коэффициент
трансформации трансформатора тока.
Таблица
4.1
|
Технические параметры
|
Uвн =115
кВ
|
Uнн=10,5
кВ
|
|
Iном.тр.,
А
|
125,5
|
1375
|
|
300/51500/5
|
|
|
|
Схема соединения обмоток
трансформатора тока
|
D
|
Y
|
|
Ксх
|
1
|
|
|
Вторичный ток в плечах
защиты, А
|
3,6
|
4,6
|
3. Первичный
ток небаланса без учета составляющей
, т.к.
неизвестно, насколько точно удастся в ходе расчета подобрать число витков
обмоток НТТ реле.
. Предварительное,
без учета
значение тока срабатывания защиты:
(4.9)
где
- коэффициент надежности, для ДЗТ-11
=1,5.
По
условию отстройки от броска токов намагничивания трансформаторов:
Следовательно,
5. Предварительная проверка чувствительности защиты при
повреждениях в зоне ее действия:
При двухфазном к.з. в точке К2:
(4.10)
где
- ток в первичной обмотке НТТ.
При
однофазном к.з. в точке К1:
6. Определим число витков обмоток реле:
Таблица 4.2
|
Обозначение величины
|
Численное значение
|
|
1,95 А
|
|
|
, 51,3
витков
|
|
|
51 виток
|
|
|
100/51=1,96 А.
|
|
|
1,96*300=588 А.
|
|
|
588*115/10,5=6440 А.
|
|
|
51*3,6/4,6=39,9 витков
|
|
|
40 витков
|
|
|

|
|
|
с учетом 390+3,8=393,8
А.
|
|
|
с учетом 1,5*393,8=590,7А>585
А
|
|
|
1,97 А
|
|
|
50,8 витков
|
|
|
50 витков
|
|
|
100/50=2 А.
|
|
|
600 А.
|
|
|
600*115/10,5=6571 А
|
|
|
39,1 витков
|
|
|
39 витков
|
|
|
3,6 А.
|
|
|
393,6 А
|
|
|
с учетом 590,4<590,7
А.
|
|
Окончательно примем число витков:
=39
витков
=50
витков
Проверка:
,6*39»3,6*50
,4»180
7. Коэффициент чувствительности:
8. Для повышения чувствительности продольных дифференциальных защит
широко используется принцип торможения сквозным током.
Число витков тормозной обмотки:
(4.11)
где
- периодическая составляющая тока;
-
тангенс угла наклона тормозной характеристики, для ДЗТ-11:
=0,75¸0,8.
витков
.3 Устройство автоматического включения резерва
Устройства автоматического включения резерва (АВР) нашли широкое
применение на подстанциях на напряжение 6-10 кВ. Устройство АВР должно
подключать резервный источник питания при исчезновении по любой причине питания
от рабочего источника. Исчезновение напряжения на шинах может быть вызвано
короткими замыканиями в питающей сети высшего напряжения, в рабочем
трансформаторе, на его шинах низшего напряжения и присоединенной к шинам
распределительной сети, а так же произвольным отключением одного выключателя
рабочего трансформатора. Включение резервного источника должно происходить
после деионизации среды в случае неустойчивого короткого замыкания на сборных
шинах, поэтому требуется, чтобы tАВР > tд.с .Это условие в сетях до 10 кВ выполняется
автоматически, так как собственное время включения выбранных выключателей
превышает время деионизации среды. Устройство АВР должно контролировать наличие
напряжения на резервном источнике, отключенное состояние рабочего источника и
быть отстроенным по времени от максимальных токовых защит присоединений. При
включении резервного источника на устойчивое КЗ релейная защита должна
обеспечить его отключение от поврежденного участка, чтобы сохранилось питание
других присоединений.
.4 Автоматическое повторное включение
Эффективным мероприятием, позволяющим повысить надёжность питания
потребителей, является автоматическое повторное включение (АПВ) элементов
электроснабжения, которые были до этого отключены релейной защитой.
Практика эксплуатации энергосистем показала, что значительное число
коротких замыканий в воздушных и кабельных электрических сетях имеет
неустойчивый характер. При снятии напряжения с повреждённой цепи электрическая
прочность изоляции в месте повреждения быстро восстанавливается, и цепь может
быть вновь включена в работу [20].
Устройство АПВ работает в едином комплекте с релейной защитой. При
возникновении КЗ на линии срабатывает релейная защита этой линии и отключает соответствующий
выключатель. Через некоторый промежуток времени tАПВ устройство вновь включает линию. Если короткое замыкание
само ликвидировалось, то включение линии будет успешным, и она останется в
работе. Если же короткое замыкание оказалось устойчивым, то после включения
выключателя линия вновь отключается релейной защитой и остаётся в отключенном
состоянии до устранения повреждения ремонтным персоналом.
Действие устройств АПВ и АВР необходимо согласовать следующим образом.
При коротком замыкании на одной из линий повреждённая линия отключается
релейной защитой. Устройства автоматики должны попытаться восстановить
электроснабжение потребителей от своего источника питания путём АПВ. В случае
успешного АПВ электроснабжение потребителей восстанавливается и АВР не
требуется. Если же АПВ неуспешно, то должно сработать устройство АВР и
подключить потребители к резервному источнику питания. Следовательно, выдержка
времени у АПВ должна быть меньше, чем у АВР. Примем tАПВ = 1 с.
.5 Автоматическая частотная разгрузка
Согласно ГОСТ - 13109 - 87 отклонение частоты в нормальном режиме не
должно превышать ± 0,1 Гц. Допускается кратковременное отклонение частоты не
более чем на ± 0,2 Гц.
При дефиците активной мощности в энергосистеме может наступить чрезмерное
снижение частоты тока, что угрожает нарушению статической устойчивости системы.
Дефицит мощности может привести к лавинообразному снижению не только частоты,
но и напряжения.
В таких случаях для восстановления нормального режима работы
автоматически отключают часть наименее ответственных потребителей с помощью
устройств автоматической частотной разгрузки (АЧР). АЧР должна быть выполнена
таким образом, чтобы не допустить даже кратковременного снижения частоты ниже
45 Гц. Работа энергосистемы с частотой менее 47 Гц допускается в течение 20 с,
а с частотой 48,5 Гц - 60 с.
АЧР предусматривает отключение потребителей небольшими долями по мере
снижения частоты (АЧРI) или
по мере увеличения продолжительности существования пониженной частоты (АЧРII). Наиболее эффективной является АЧРI.
В настоящее время выпускается аналого-цифровое измерительное реле частоты
типа РСГ - 11, которое срабатывает при снижении частоты и применяется в схемах
АЧР.
При повышении частоты до нормального значения в целях сокращения перерыва
в электроснабжении потребителей, отключенных АЧР, применяют для них
автоматическое повторное включение (частотное АПВ - ЧАПВ).
Действие АЧР должно быть согласовано с работой устройств АПВ и АВР.
5. ТЕХНИКО-ЭКОНОМИЧЕСКОЕ ОБОСНОВАНИЕ
.1 Определение капитальных затрат, необходимых для
реконструкции
Для обеспечения поступательного технического и хозяйственного развития
любого предприятия необходимо иногда существенное вложение денежных средств.
Капиталовложения, необходимые для реконструкции подстанции:
(5.1)
где
- капитальные вложения, необходимые для реконструкции
ЛЭП;
-
капитальные вложения, необходимые для закупки, доставки и монтажа нового
оборудования подстанции и демонтажа старого оборудования подстанции;
-
ликвидационная стоимость старого оборудования подстанции.
(5.2)
где
- капитальные вложения, необходимые для реконструкции
ОРУ-110 кВ;
-
капитальные вложения, необходимые для закупки и доставки трансформаторов;
-
капитальные вложения, необходимые для замены силового оборудования (выключателей)
ЗРУ-10 кВ;
-
капитальные вложения, необходимые для закупки и доставки ограничителей
перенапряжения нелинейных (ОПН);
-
стоимость монтажных и демонтажных работ.
(5.3)
гдеN -
число ячеек;
-
стоимость ячейки ОРУ-110 кВ вместе с выключателем (с учетом стоимости
трансформаторных услуг).
(5.4)
где
- стоимость трансформатора (с учетом стоимости
транспортных услуг);
- число
трансформаторов.
(5.5)
где
- стоимость ячеек КРУ-10 кВ вместе с выключателем;
n - число ячеек.
(5.6)
где
- стоимость ОПН-110 кВ;
- число
ОПН-110 кВ;
-
стоимость ОПН-10 кВ;
- число
ОПН-10 кВ.
(5.7)
где
- стоимость ликвидируемого оборудования;
-
фактический срок эксплуатации оборудования;
-
нормативный срок эксплуатации оборудования (для силового оборудования
подстанции
=25 лет).
При
эксплуатации оборудования более нормативного срока, ликвидационная стоимость
равняется остаточной стоимости оборудования, т.е. стоимости содержащихся в
оборудовании металлов (в основном цветных металлов).
Остаточная
стоимость оборудования вычисляется по формуле:
(5.8)
где
- содержание металла в единице оборудования, кг;
-
количество однотипного оборудования;
-
стоимость одного кг металла . Стоимость цветных металлов -
=25 руб./кг. Стоимость черного металла
= 400 руб./т.
Расчет
сведен в таблицу 5.1.
Таблица 5.1
|
Наименование
капиталовложений
|
Численное выражение
|
|
, лет>25
|
|
|
, тыс. руб.-----
|
|
|
, тыс. руб.-----
|
|
|
, кг40
|
|
|
, шт.24
|
|
|
, кг-----
|
|
|
, шт.-----
|
|
|
, кг-----
|
|
|
, шт.-----
|
|
|
, руб./кг25
|
|
|
, тыс. руб.24
|
|
|
, тыс. руб.24
|
|
|
N, шт.
|
3
|
|
, тыс. руб.700
|
|
|
, тыс. руб.2100
|
|
|
, шт.-----
|
|
|
, тыс. руб.-----
|
|
|
, тыс. руб.-----
|
|
|
n, шт.
|
24
|
|
, тыс. руб.382
|
|
|
, тыс. руб.9168
|
|
|
, шт.4
|
|
|
, тыс. руб.126х3
|
|
|
, шт.4
|
|
|
, тыс. руб.30х3
|
|
|
, тыс. руб.1872
|
|
|
, тыс. руб.1140
|
|
|
, тыс. руб.14280
|
|
|
, тыс. руб.-----
|
|
|
, тыс. руб.14256
|
|
5.2 Определение экономического эффекта от внедрения нового
оборудования
Эффективность проекта будем связывать с эффективностью капитальных
вложений в реконструкцию подстанции 110 кВ Ойсунгур. Показателями экономической
эффективности служат следующие:
·
накопленная
чистая дисконтированная стоимость;
·
срок окупаемости
инвестиций (капиталовложений);
·
норма
рентабельности инвестиций (внутренняя норма доходности);
·
другие
показатели, отражающие интересы участников проекта.
По плану реконструкции на подстанции «Ойсунгур» должно быть установлено
современное, более совершенное по сравнению со старым оборудование. Это
повлечет за собой снижение издержек на эксплуатацию основного оборудования
подстанции.
Согласно, отчисления на эксплуатацию основного оборудования подстанции в
настоящее время (т.е. до реконструкции) составляют:
U1=13,6%
В результате реконструкции в КРУН-10 кВ будут установлены
вакуумные выключатели, затраты на эксплуатацию которых минимальны, также
предусматривается использование счетчиков ЕвроАльфа, позволяющих полностью
автоматизировать систему учета электроэнергии. Вышеуказанные факторы позволять
снизить издержки на эксплуатацию до 2,6%, т.е.:
U2=2,6%
Следовательно, экономический эффект от внедрения нового оборудования
вычисляется по формуле:
тыс.
руб.(5.9)
Где К- капиталовложения необходимые для реконструкции подстанции, тыс.
руб.
тыс.
руб. в год.
Эффективность выбранного варианта рассчитываем по следующей методике:
1) налог на имущество
,(5.10)
где
- остаточная сумма от капиталовложений в t-й период;
- ставка
налога на имущество ( 2%);
)
налог на прибыль в t-й период рассчитывается по следующему выражению
,(5.11)
где
- ставка налога на прибыль (30%);
)
определяем коэффициент дисконтирования в t-м году расчётного периода
,(5.12)
где Е - коэффициент эффективности капиталовложений или цена авансового
капитала, определяется ставкой банковского процента по долгосрочным депозитам;
Т - год, затраты и результаты которого приводятся к расчётному (в наших
расчётах затраты будем приводить к первому году);
4) зная налог на имущество, налог на прибыль и амортизацию в t-м году,
определяем поток наличности в t-м году
;(5.13)
5) суммируя потоки наличности за каждый год расчётного периода,
определяем накопленный поток наличности;
6) чистая дисконтированная стоимость за t-й год расчётного периода
определяется по выражению
ЧТСt=ПН
t
;(5.14)
7) определяем индекс доходности инвестиционного проекта
.(5.15)
Если ИД>1, то проект следует принять; если ИД<1 - его следует
отклонить; если ИД=1, то при принятом проекте не будет ни прибыли, ни убытка.
Определяем индекс доходности инвестиционного проекта (индекс рентабельности) по
выражению (5.15)
.
Определяем внутренний коэффициент окупаемости проекта (норму
рентабельности) ВКО.
Под
нормой рентабельности понимают такое значение коэффициента дисконтирования, при
котором НЧТС=0. Необходимо определить методом подбора значение
, при котором НЧТС будет равняться нулю.
В таблице 5.2 приведён расчёт показателей экономической эффективности
инвестиций. Расчётный период принимаем равным 15 годам.
Расчёт ЧТС при разном значении коэффициента эффективности приведён в
таблице 5.3.
Таблица 5.2 Расчёт накопленной чистой текущей стоимости от инвестиционного
проекта «Реконструкция ПС 110 кВ Ойсунгур» (расчёт выполнен в ценах 2010 г.),
тыс.руб
|
Обозначение величины
|
Расчётные годы
|
|
0
|
1
|
2
|
3
|
4
|
5
|
6
|
7
|
|
К
|
14256
|
|
|
|
|
|
|
|
|
, тыс. руб.1570157015701570157015701570
|
|
|
|
|
|
|
|
|
|
Аt (Hст=6,7%)
|
|
955,2
|
955,2
|
955,2
|
955,2
|
955,2
|
955,2
|
955,2
|
|
Ним (Нст=2%)
|
|
266
|
246,9
|
227,8
|
208,7
|
189,6
|
170,5
|
151,4
|
|
Нпр (Нст=35%)
|
|
391,2
|
396,9
|
402,7
|
408,4
|
414,1
|
419,9
|
425,6
|
|
(Е=10%)1,00,910,830,760,690,630,570,52
|
|
|
|
|
|
|
|
|
|
ПНt
|
-14256
|
1868
|
1881,4
|
1894,7
|
1908,1
|
1934,8
|
1948,2
|
|
НПНt
|
-14256
|
-12388
|
-10506,6
|
-8611,9
|
-6703,8
|
-4782,3
|
-2847,3
|
-899,3
|
|
ЧТСt
|
-14256
|
1700
|
1561,6
|
1440
|
1316,6
|
1210,6
|
1102,6
|
1102,9
|
|
НЧТСt
|
-14256
|
-12556
|
-10994,4
|
-9554,4
|
-8237,8
|
-7027,2
|
-5924,3
|
-4911,2
|
|
Эt, тыс. руб.
|
1570
|
1570
|
1570
|
1570
|
1570
|
1570
|
1570
|
1570
|
|
Аt (Hст=6,7%)
|
955,2
|
955,2
|
955,2
|
955,2
|
955,2
|
955,2
|
955,2
|
955,2
|
|
Ним (Нст=2%)
|
132,3
|
113,2
|
94,1
|
74,9
|
55,9
|
36,8
|
17,7
|
-1,5
|
|
Нпр (Нст=35%)
|
421,3
|
437
|
442,8
|
448,5
|
454,2
|
460
|
465,7
|
471,5
|
|
(Е=10%)0,470,430,390,360,320,290,270,24
|
|
|
|
|
|
|
|
|
|
ПНt
|
1961,6
|
1975
|
1988,3
|
2001,8
|
2015,1
|
2028,4
|
2041,8
|
2055,2
|
|
НПНt
|
1062,3
|
3037,3
|
5025,6
|
7027,4
|
9042,5
|
11070,9
|
13112,7
|
15167,9
|
|
ЧТСt
|
922
|
849,3
|
775,5
|
720,7
|
644,9
|
588,3
|
551,3
|
493,3
|
|
НЧТСt
|
-3989,2
|
-3139,9
|
-2364,4
|
-1643,7
|
-998,8
|
-410,5
|
-140,8
|
634,1
|
Таблица 5.3. Расчёт ЧТС при разном коэффициенте эффективности, тыс.руб.
|
Годы
|
ПНt
|
Расчет1
|
Расчет2
|
Расчет3
|
|
|
Е,%=10,00
|
Е,%=11,00
|
Е,%=12,00
|
|
|
ЧТС ЧТС ЧТС
|
|
|
|
|
|
|
0
|
-142560
|
1,0000
|
-142560
|
1,0000
|
-142560
|
1,0000
|
-142560
|
|
1
|
1868
|
0,91
|
1700
|
0,9
|
1681,2
|
0,9
|
1681,2
|
|
2
|
1881,4
|
0,83
|
1561,6
|
0,82
|
1542,8
|
0,8
|
1505,1
|
|
3
|
1894,7
|
0,76
|
1440
|
0,74
|
1402,1
|
0,72
|
1364,2
|
|
4
|
1908,1
|
0,69
|
1316,6
|
0,66
|
1259
|
0,64
|
1221,2
|
|
5
|
1921,5
|
0,63
|
1210,6
|
0,6
|
1152,9
|
0,57
|
1095,3
|
|
6
|
1934,8
|
0,57
|
1102,9
|
0,54
|
1044,8
|
0,51
|
986,8
|
|
7
|
1948,2
|
0,52
|
1013,1
|
0,49
|
954,6
|
0,46
|
896,2
|
|
8
|
1961,6
|
0,47
|
922
|
0,44
|
863,1
|
0,41
|
804,3
|
|
9
|
1975
|
0,43
|
849,3
|
0,4
|
790
|
0,37
|
730,8
|
|
10
|
1988,3
|
0,39
|
775,5
|
0,36
|
715,8
|
0,33
|
656,1
|
|
11
|
2001,8
|
0,36
|
720,7
|
0,32
|
640,6
|
0,29
|
580,5
|
|
12
|
2015,1
|
0,32
|
644,9
|
0,29
|
584,4
|
0,26
|
523,9
|
|
13
|
2028,4
|
0,29
|
588,3
|
0,26
|
527,4
|
0,23
|
466,5
|
|
14
|
2041,8
|
0,27
|
551,3
|
0,24
|
490,1
|
0,21
|
428,8
|
|
15
|
2055,2
|
0,24
|
493,3
|
0,21
|
413,6
|
0,19
|
390,5
|
|
НЧТС
|
634,1
|
-175,6
|
-924,6
|
С помощью данных табл. 5.2 рассчитываем ВКО по выражению
где
и
-
коэффициент эффективности, при котором НЧТС является положительным и
отрицательным значением, соответственно.
Изменение
потока наличности и чистой текущей стоимости за время расчётного периода
приведено на рис. 5.1.
Рис.
5.1. Изменение потока наличности и чистой текущей стоимости за расчетный срок.
Зависимость
накопленного потока наличности от коэффициента эффективности капиталовложений
отражена на рис. 5.2.
Рис.
5.2. Зависимость накопленного потока наличности от коэффициента эффективности
капиталовложений.
Для
данного проекта ВКО=10,8%, это значит, что коэффициент эффективности
капитальных вложений не должен быть больше 10% . В нашем случае Е=10 % годовых,
т.е. для предприятия, принимаемого проект, это выгодно.
6. БЕЗОПАСНОСТЬ И ЭКОЛОГИЧНОСТЬ ПРОЕКТА
6.1 Безопасность труда
При эксплуатации объекта возможны следующие опасные факторы:
·
поражение
электрическим током при прикосновении к токоведущим частям;
·
поражение
электрическим током при прикосновении к токоведущим частям нормально не
находящихся под напряжением;
·
влияние
электромагнитного поля на организм;
·
поражение
электрическим током при работе с неисправным инструментом и средств
индивидуальной и коллективной защиты;
·
поражение
обслуживающего персонала, находящегося в зоне растекания электрического
потенциала при замыкании на землю;
·
возможность
падения персонала с высоты;
·
возможность
поражения персонала при проведении коммутационных операций;
·
др. факторы.
Для предотвращения влияния опасных факторов на персонал, необходимо
предусматривать следующие мероприятия:
·
персонал должен
действовать согласно ПТБ при работе в электроустановках; должна проводится
ежегодная проверка знаний, инструктаж по технике безопасности;
·
при невозможности
ограничения времени пребывания персонала под воздействием электрического поля
необходимо применить экранирование рабочих мест: экраны над переходами,
экранирующие козырьки и навесы над шкафами управления, вертикальные экраны
между выключателями на ОРУ 110 кВ, съёмные экраны при ремонтных работах.
·
установка заземляющего
контура, заземление и зануление оборудования;
·
соблюдение
расстояний до токоведущих частей;
·
применение
надлежащей изоляции, а в отдельных случаях - повышенной;
·
надежного и
быстродействующего автоматического отключения частей электрооборудования,
случайно оказавшихся под напряжением, и поврежденных участков сети, в том числе
защитного отключения;
·
выравнивание
потенциалов;
·
применения
разделительных трансформаторов;
·
применения
напряжений 42 В и ниже переменного тока частотой 50 ГЦ и110 В и ниже
постоянного тока;
·
применение
предупреждающей сигнализации, надписей и плакатов;
-пожаро- и взрывобезопасность электроустановок, содержащих
маслонаполненные аппараты и кабели, а также электрооборудования, покрытого и
пропитанного маслами, лаками, битумами и т.п., должна обеспечиваться в
соответствии с требованиями ПУЭ. При сдаче в эксплуатацию указанные
электроустановки должны быть снабжены противопожарными средствами и инвентарем
в соответствии с действующими положениями
·
выполнение
организационно-технических мероприятий для безопасного проведения работ.
6.2 Расчет заземляющего устройства подстанции «Ойсунгур»
В пределах территории подстанции возможно замыкание на землю в любой
точке. В месте перехода тока в землю, если не предусмотрены особые устройства
для проведения тока в землю, возникают значительные потенциалы, опасные для
людей, находящихся вблизи. Для устранения этой опасности на подстанции
предусматривают заземляющие устройства, назначение которых заключается в
снижении потенциалов до приемлемых значений.
Вспомогательными заземлителями являются металлические предметы любого
назначения, так или иначе соединенных с землей, например, стальных каркасов
зданий, арматуры железобетонных оснований, труб любого назначения и т.п.
К основному заземлителю в общем случае присоединяют:
·
вспомогательные
заземлители;
·
нейтрали
генераторов, трансформаторов, подлежащих заземлению в соответствии с принятой
системой рабочего заземления;
·
разрядники и
молниеотводы;
·
металлические
части электрического оборудования, нормально не находящиеся под напряжением, но
могущие оказаться под напряжением при повреждении изоляции, например основания
и кожухи электрических машин, трансформаторов, аппаратов, токопроводов,
металлические конструкции РУ, ограждения и т.п.;
·
вторичные обмотки
измерительных трансформаторов, нейтрали обмоток 380/220 В силовых
трансформаторов.
Согласно расчет заземляющего устройства проводится в следующем порядке:
1. В соответствии с ПУЭ устанавливают
допустимое сопротивление заземляющего устройства Rз . Если
заземляющее устройство является общим для установок на различное напряжение, то
за расчетное принимается наименьшее из допустимых.
2. Определяют необходимое сопротивление
искусственного заземлителя с учетом использования естественного заземлителя,
включенного параллельно, из выражения
Rи
=
,(6.1)
где Rз - допустимое сопротивление заземляющего устройства
принятое по п.1;и - сопротивление искусственного заземлителя;е
- сопротивление естественного заземлителя.
. Определяют расчетное удельное сопротивление грунта rр для горизонтальных и вертикальных электродов с учетом
повышающего коэффициента Кп , учитывающего высыхание грунта летом и
промерзание его зимой по формулам:
rр.г = rудКп.г,(6.2)
rр.в = rудКп.в,(6.3)
где rуд - удельное сопротивление грунта;
Кп.г и Кп.в - повышающие коэффициенты для
горизонтальных и вертикальных электродов соответственно.
. Определяют сопротивление растеканию одного вертикального
электрода по выражению:
Rв.о
=
,(6.4)
где l - длина стержня, м;-
диаметр стержня, м;- глубина заложения, расстояние от поверхности почвы до
середины стержневого заземлителя, м;
. Определяют
ориентировочное число вертикальных заземлителей при предварительно принятом
коэффициенте использования Ки.в:
N
=
,(6.5)
где Rо.в.э - сопротивление растеканию одного вертикального
электрода, определенное в п.4;и - сопротивление искусственного
заземлителя, найденное в п.2.
Коэффициент использования заземлителя учитывает увеличение сопротивление
заземлителя вследствие явления экранирования соседних электродов.
. Определяют расчетное сопротивление растеканию горизонтальных
электродов Rр.г.э по формуле
Rр.г.э =
,(6.6)
где Rг.э - сопротивление растеканию горизонтальных электродов,
определяемое по выражению:
Rг,э
=
,(6.7)
где l - длина электрода;- ширина полосы;- глубина заложения электрода.
. Уточняют необходимое сопротивление вертикальных электродов с
учетом проводимости горизонтальных соединительных электродов
Rв.э
=
(6.8)
. Определяют число вертикальных электродов с учетом уточненного
сопротивления вертикального заземлителя:
N
=
(6.9)
. Принимают окончательное число вертикальных электродов, намечают
расположение заземлителей.
Рассмотрим расчет заземляющего устройства для данной подстанции.
. Заземляющее устройство и грозозащита подстанции должны быть выполнены в
соответствии с ПУЭ.Сопротивление заземляющего устройства не должно превышать
0,5 Ом в любое время года.
Удельное сопротивление r=100 Ом*м.
. При расчете заземляющего устройства сопротивлением естественных
заземлителей пренебрегаем, они уменьшают общее сопротивление заземляющего
устройства, их проводимость идет в запас надежности. Тогда
Rн=
0,5 Ом
. Определим расчетные удельные сопротивления грунта для
горизонтальных и вертикальных заземлителей, принимая:
Кп.г.=4,5 и Кп.в.=1,5
rр.г = 100*4,5=450
Ом
rр.в =
100*1,5=150 Ом
. Находим сопротивление стеканию тока одного вертикального
электрода. В качестве вертикального электрода примем круглый стальной стержень
диаметром 12 мм, длиной 5м. Верхние концы стержней заглублены на глубину 0,8 м
от поверхности земли.
Таким образом
Н=0,8 м
t=H+l/2=0,8+10/2=5,8 м.
L=10 м
d=14*10-3
м.
Rов.э
=
Ом
5. Определим примерное число вертикальных заземлителей при
предварительно принятом коэффициенте использования Ки.в.=0,3.
N
=
6. Определим сопротивление стеканию тока горизонтального
заземлителя
Для выравнивания потенциалов по всей площади подстанции выполняется
уравнительный контур из стальных полос сечением 40x4 мм2, прокладываемый на глубине 0,8 м от
поверхности земли.
Н=0,8 м
t=0,802
м.
L=1755
м
b=0,04
м.
Rг,э
=
Ом
7. Уточняем необходимое сопротивление вертикальных электродов:
Rв.э
=
Ом
8. Определяем окончательное число вертикальных электродов:
N
=
9. Таким образом, заземляющее устройство подстанции «Ойсунгур+»
состоит из горизонтальных и вертикальных заземлителей. Горизонтальный
заземлитель (стальные полосы) прокладывается на расстояние 0,8 - 1 м от
фундаментов или оснований оборудования. Заземляющие стержни ввинчиваются в
грунт по внешнему контуру заземляющего устройства с расстоянием между стержнями
4 м.
Защитное заземление подстанции удовлетворяет требованиям рабочих
заземлений и заземлений средств грозозащиты. Однако, при присоединении средств
грозозащиты к защитным заземлениям подстанции необходимо учитывать их
особенности.
Защитные и рабочие заземлители отводят в землю ток промышленной частоты и
их сопротивление является стационарным, тогда как через средства грозозащиты
проходит ток молнии, который имеет импульсную форму. При стекании с
заземлителей больших токов молнии в землю вблизи поверхности электродов
создаются очень высокие напряженности электрического поля, под воздействием
которых пробивается слой земли, прилегающий к поверхности электрода. Вокруг
электрода образуется проводящая зона искрения, которая как бы увеличивает
поперечные размеры электрода и тем самым снижает его сопротивление. Однако,
наибольший эффект снижения сопротивления за счет искрения имеет место только в
том случае, когда электроды имеют небольшие размеры и их индуктивное
сопротивление практически не влияет на процесс отвода тока в землю. Такие
заземлители называются сосредоточенными.
Следовательно, на подстанции возле каждого молниеотвода устанавливается
по три стержня, а у каждого ОПНа (ограничителя перенапряжения)- по одному
стержню.
К заземляющим устройствам ОРУ присоединены заземляющие тросы ЛЭП и все
естественные заземлители подстанции.
Вокруг заземляющего устройства, вынесенного за территорию подстанции, для
выравнивания потенциала укладывается один выравнивающий проводник на расстоянии
1 м в направлении от его границ на глубине 1 м.
Эти неучтенные заземлители уменьшают общее сопротивление заземления,
проводимость их идет в запас надежности.
.3 Молниезащита
М1: H=36 м
М2: H=10,7 м.
Расстояние между молниеотводами L:
- L=44 м
Габаритные размеры торцевых зон защиты определяются по формулам:
h01=0,92h1h02=0,92h201=1,5h1r02=1,5h2x1=1,5(h1-hx/0,92)x2=1,5(h2-hx/0,92)
Габаритные размеры внутренней области зоны защиты определяются по
формулам:
rс=(r01+ r02)/2
hс=(hc1+ hc2)/2
rсx =rс (hc- hx)/ hc
где rx - радиус зоны защиты на высоте hx;
r0
- радиус зоны
защиты на уровне земли.
Область зоны защиты должна охватывать площадь подстанции на высоте hx=6 м.
Рассчитаем зону защиты для молниеотвода М1:
hx1=6
м; hx2=4,5 м;
м
м
Рассчитаем
зону защиты для молниеотвода М2:
hx1=6 м; hx2=4,5 м;
м
м
Таким
образом, область зона защиты охватывает площадь подстанции.
.4 Оценка экологичности проекта
Влияние подстанции на окружающую среду крайне разнообразно.
Вредное действие магнитного поля на живые организмы, и в первую очередь
на человека, проявляется только при очень высоких напряжённостях порядка
150-200 А/м, возникающих на расстояниях до 1-1,5 м от проводов фаз ВЛ, и
представляет опасность при работе под напряжением.
Непосредственное (биологическое) влияние электромагнитного поля на
человека связано с воздействием на сердечно-сосудистую, центральную и
периферийную нервные системы, мышечную ткань и другие органы. При этом возможны
изменения давления и пульса, сердцебиение, аритмия, повышенная нервная
возбудимость и утомляемость. Вредные последствия пребывания человека зависят от
напряжённости поля и от продолжительности его воздействия.
Для эксплуатационного персонала подстанции установлена допустимая
продолжительность периодического и длительного пребывания в электрическом поле
при напряжённостях на уровне головы человека (1,8 м над уровнем земли): 5 кВ/м
- время пребывания неограниченно; 10 кВ/м - 180 мин; 15 кВ/м - 90 мин; 20 кВ/м
- 10 мин; 25 кВ/м - 5 мин. Выполнение этих условий обеспечивает
самовосстановление организма в течении суток без остаточных реакций и
функциональных или патологических изменений.
ЗАКЛЮЧЕНИЕ
В дипломном проекте рассмотрены вопросы реконструкции подстанции. По
результатам расчета электрических нагрузок, а также с учетом надежности питания
разработана схема подстанции. Выбранное современное электротехническое
оборудование для всех ступеней напряжения проверено на воздействие токов
короткого замыкания.
В качестве устройств релейной защиты и автоматики применены аналоговые -
на напряжение 110 и 10 кВ системы защиты электрооборудования.
Произведены расчеты основных параметров релейной защиты.
Расчет показателей экономической эффективности показывает, что проект
реконструкции является выгодным и окупаемым.
Рассмотрены вопросы, относящиеся к обеспечению безопасности работающих на
предприятии, экологичности проекта с точки зрения возможного воздействия на
окружающую среду.
СПИСОК ИСПОЛЬЗОВАННЫХ ИСТОЧНИКОВ
1. Блок В.М.
Пособие к курсовому и дипломному проектированию для электроэнергетических специальностей
ВУЗов: Учеб. пособие для студентов электроэнергетических специальностей ВУЗов,
2-е изд., перераб. и доп - М.: Высшая школа, 1990.-383 с.
. Ермолов
А.А. Основы электроснабжения промышленных предприятий. - М-Л: Энергоатомиздат,
1986.-344 с.
. Инструкция
по выбору, установке и эксплуатации дугогасящих катушек. - : Минтопэнерго РФ,
1994.
. Инструкция
по устройству молниезащиты зданий и сооружений. - М: Энергоатомиздат, 1989.
. Камнев В.Н.
Практические работы по релейной защите и автоматике.- М: «Высшая школа», 1978.-
109 с.
. Карякин
Р.Н. Заземляющие устройства электроустановок: Справ.- М: Энергосервис,
2000.-373 с.
. Кудрин Б.И.
Электроснабжение промышленных предприятий. -М: Энергоатомиздат, 1995.-416 с.
.
Методические указания по контролю состояния заземляющих устройств
электроустановок. - М: ОРГРЭС, 2000.
.Неклепаев
Б.Н. Электрическая часть электростанций и подстанций.: Справочные материалы для
курсового и дипломного проектирования: Учебное пособие для вузов. - 4-е изд.,
перераб. и доп. - М.: Энергоатомиздат, 1989. -608с.
.Положения о
порядке разработки и утверждения правил и инструкций по охране труда:
Методические указания по разработке правил и инструкций по охране труда:-М: НПО
ОБТ, 1994.
. Правила
организации работы с персоналом на предприятиях и учреждениях энергетического
производства. - М: ОРГРЭС, 1994.
. Правила
устройств электроустановок. - М.: Главгосэнергонадзор России, 1998.-600 с.
.Семчинов
А.М. Токопроводы промышленных предприятий. - 3-е изд. , перераб. и доп. - Л.:
Энергоиздат. Ленингр. отд-ние 1982. -208с.
.Справочник
по электроснабжению и электрооборудованию. Электроснабжение.- М.:
Энергоатомиздат, под общ. ред. А.А. Федорова, 1986.- 568 с.
.Сюсюкин А.И.
Основы электроснабжения предприятий. В двух частях. Ч.1.-Тюмень: ТюмГНГУ, 1998.
- 204 с.
.Сюсюкин А.И.
Основы электроснабжения предприятий. В двух частях. Ч.2.-Тюмень: ТюмГНГУ, 1998.
-167 с.
.Тиходеев
Руководство по защите электрических сетей 6-1150 кВ от грозовых и внутренних
перенапряжений. - 2-е изд. С-Петербург: ПэиПК Минтопэнерго РФ, 1999.
.Федосеев
А.М. Релейная защита электрических систем: Учеб. для вузов. - М.: Энергия,
1976. - 560 с.
.Фёдоров А.А.
Основы электроснабжения промышленных предприятий. Изд. 2-е, перераб. и доп. -
М.: Энергия, 1972. - 416 с.
.Червяков
Д.М. Релейная защита и автоматика электроустановок нефтяной и газовой
промышленности: Учебное пособие. - Тюмень: ТюмГНГУ, 1998.-79 с.
. Червяков
Д.М., Лысова О.А., Панфилов Г.А. Дипломное Проектирование: Учебное пособие. -
Тюмень: ТюмГНГУ, 1999. - 93 с.
.Чернобровов
Н.В., Семенов В.А. Релейная защита энергетических систем: Учебное пособие для
техникумов.- М.: Энергоатомиздат, 1998. - 800 с.
. Шабад М.А.
Расчеты релейной защиты и автоматики распределительных сетей. - 2-е изд.,
перераб. и доп. - Л.: Энергоатомиздат. Ленингр. отд-ние, 1985. - 296 с.
ПРИЛОЖЕНИЯ
Приложение 1
Часовые потребления нагрузок на Ойсунгур.
|
Время
|
Р, МВА
|
S, МВА
|
|
2:00 3:00 4:00 5:00 6:00
7:00 8:00 9:00 10:00 11:00 12:00 13:00 14:00 15:00 16:00 17:00 18:00 19:00
20:00 21:00 22:00 23:00 0:00 1:00
|
8 8 8 8 8 10 10 10 10 10 10
10 10 10 10 12 12 12 12 12 10 10 8 10
|
12,3 9,4 9,4 9,4 9,4 15
11,2 11,2 11,2 11,2 11,2 11,2 11,2 11,2 11,2 17,7 13 13 13 13 15 11,2 12,3 15
|
Приложение 2
Часовые потребления нагрузок на Ойсунгур.
|
Время
|
Р, МВА
|
S, МВА
|
|
2:00 3:00 4:00 5:00 6:00
7:00 8:00 9:00 10:00 11:00 12:00 13:00 14:00 15:00 16:00 17:00 18:00 19:00
20:00 21:00 22:00 23:00 0:00 1:00
|
12,5 3 3 3 3 14,5 3 3 3 3 3
3 3 3 3 16,2 3 3 3 3 3 3 1 1
|
12,9 3,2 3,2 3,2 3,2 14,5
3,2 3,2 3,2 3,2 3,2 3,2 3,2 3,2 3,2 16,2 3,2 3,2 3,2 3,2 3,2 3,2 1,4 1,4
|