Синтез устройства, производящего арифметическую операцию суммирования по модулю семь

  • Вид работы:
    Дипломная (ВКР)
  • Предмет:
    Информатика, ВТ, телекоммуникации
  • Язык:
    Русский
    ,
    Формат файла:
    MS Word
    307,67 Кб
  • Опубликовано:
    2012-10-20
Вы можете узнать стоимость помощи в написании студенческой работы.
Помощь в написании работы, которую точно примут!

Синтез устройства, производящего арифметическую операцию суммирования по модулю семь

Оглавление

Техническое задание

Анализ технического задания

Составление таблицы истинности

Замена симметричных переменных с использованием элементарных симметричных функций

Анализ целесообразности совместной реализации системы функций

Раздельная минимизация системы функций алгебры логики.

Декомпозиция системы функций алгебры логики методом ПМФ.

Выбор элементной базы

Факторизация системы логических уравнений

Разработка принципиальной схемы синтезируемого устройства

Расчет основных параметров устройства (время переключения, потребляемая мощность, время наработки на отказ)

Моделирование работы устройства, анализ правильности функционирования и состязаний в схеме

В таблице не приведены наборы, на которых функция была не определена.

Оценка степени выполнения задания

Список использованной литературы

 

Техническое задание


Сумматор по модулю семь

Требования:

напряжение питания 5в +- 5%

потребляемая мощность: не более 95 мвт

время формирования выходного сигнала не более 120 нс

время наработки на отказ не менее 500000 час.

Условия эксплуатации:

диапазон рабочих температур от -300 С до +400 С;

перегрузки до 5g;

одиночные удары с ускорением не более 10g длительностью 0.1-1 мкс;

вибрация с частотой 10 - 500 гц и ускорением не более 10g.

Срок эксплуатации 15 лет, наработка за время эксплуатации до 85 тыс. часов.

Дополнительные требования.

Предусмотреть меры обеспечения контроля при изготовлении и эксплуатации

Содержание пояснительной записки.

1. Анализ технического задания

2. Составление таблицы истинности

3. Использовать замену симметричных переменных с использованием элементарных симметричных функций

4. Анализ целесообразности совместной реализации системы функций

5. Минимизация системы функций алгебры логики (раздельная)

6. Декомпозиция системы функций алгебры логики методом ПМФ

7. Выбор элементной базы

8. Факторизация системы логических уравнений

9. Разработка принципиальной схемы синтезируемого устройства

10. Расчет основных параметров устройства (время переключения, потребляемая мощность, время наработки на отказ)

11. Моделирование работы устройства, анализ правильности функционирования и состязаний в схеме.

12. Оценка степени выполнения задания

Плакаты и чертежи

. Принципиальная схема устройства

 

Анализ технического задания


Необходимо синтезировать устройство производящие арифметическую операцию суммирования по модулю семь двух чисел в двоичном коде. При выполнении данной операции для представления каждого числа требуется три разряда. Следовательно, устройство будет иметь шесть входов и три выхода.

Устройство должно удовлетворять требованием ТЗ. Для этого необходимо правильно выбрать элементную базу.

Входные коды

Значение

X1+X2

Остаток

Y

Входные коды

Значение

X1+X2

Остаток

Y

X1

X2

X1

X2




X1

X2

X1

X2




111 111 111 111 111 111 111 111

111 110 101 100 011 010 001 000

7 7 7 7 7 7 7 7

7 6 5 4 3 2 1 0

14 13 12 11 10 9 8 7

0 6 5 4 3 2 1 0

*** *** *** *** *** *** *** ***

011 011 011 011 011 011 011 011

111 110 101 100 011 010 001 000

3 3 3 3 3 3 3 3

7 6 5 4 3 2 1 0

10 9 8 7 6 5 4 3

3 2 1 0 6 5 4 3

*** 010 001 000 110 101 100 011

110 110 110 110 110 110 110 110

111 110 101 100 011 010 001 000

6 6 6 6 6 6 6 6

7 6 5 4 3 2 1 0

13 12 11 10 9 8 7 6

6 5 4 3 2 1 0 6

*** 101 100 011 010 001 000 110

010 010 010 010 010 010 010 010

111 110 101 100 011 010 001 000

2 2 2 2 2 2 2 2

7 6 5 4 3 2 1 0

9 8 7 6 5 4 3 2

2 1 0 6 5 4 3 2

*** 001 000 110 101 100 011 010

101 101 101 101 101 101 101 101

111 110 101 100 011 010 001 000

5 5 5 5 5 5 5 5

7 6 5 4 3 2 1 0

12 11 10 9 8 7 6 5

5 4 3 2 1 0 6 5

*** 100 011 010 001 000 110 101

001 001 001 001 001 001 001 001

111 110 101 100 011 010 001 000

1 1 1 1 1 1 1 1

7 6 5 4 3 2 1 0

8 7 6 5 4 3 2 1

1 0 6 5 4 3 2 1

*** 000 110 101 100 011 010 001

100 100 100 100 100 100 100 100

111 110 101 100 011 010 001 000

4 4 4 4 4 4 4 4

7 6 5 4 3 2 1 0

11 10 9 8 7 6 5 4

4 3 2 1 0 6 5 4

*** 011 010 001 000 110 101 100

000 000 000 000 000 000 000 000

111 110 101 100 011 010 001 000

0 0 0 0 0 0 0 0

7 6 5 4 3 2 1 0

7 6 5 4 3 2 1 0

0 6 5 4 3 2 1 0

*** 100 101 100 011 010 001 000

 

Составление таблицы истинности

1(x)

1

1


1


*



1




1

*

1


*

*

*

*

*

*

*

*

1



1


*

1




1


1

*


1


1

1

1


*




1

1



*


1





1

*

1

1









Y2(x)




1


*

1

1


1




*

1

1

*

*

*

*

*

*

*

*

1


1


1

*



1

1




*


1

1

1



1

*





1

1


*

1




1

1

1

*





3(x)


1



1

*

1


1


1



*


1

*

*

*

*

*

*

*

*




1

1

*


1


1


1

1

*



1


1



*

1


1



1


*


1


1

1



*

1


 

 

Замена симметричных переменных с использованием элементарных симметричных функций

Симметричные переменные определим графически по картам Карно. Видно, что симметричными являются:

 

 

 

Произведем замену симметричных переменных с помощью элементарных симметричных функций:

 

 

 

 

 

 

Запрещенные наборы при этом:

 

 

 

Таблица истинности с учётом замены симметричных переменных.

X1

X2

Y

Z

X3

X2

X1

X3

X2

X1

Y3

Y2

Y1

Z1

Z2

Z3

Z4

Z5

Z6

1

1

 1

1

1

1

*

*

*

0

0

0

1

1

1

1

1

1

1

1

0

*

*

*

0

0

1

1

1

0

1

1

1

1

0

1

*

*

*

0

1

0

1

0

1

1

1

1

1

0

0

*

*

*

0

1

1

1

0

0

1

1

1

0

1

1

*

*

*

1

0

0

0

1

1

1

1

1

0

1

0

*

*

1

0

1

0

1

0

1

1

1

0

0

1

*

*

*

1

1

0

0

0

1

1

1

1

0

0

0

*

*

*

1

1

1

0

0

0

1

1

0

1

1

1

*

*

*

0

0

1

1

1

0

1

1

0

1

1

0

1

0

1

0

0

0

1

1

0

1

1

0

1

0

1

1

0

0

0

1

1

1

0

0

1

1

0

1

0

0

0

1

1

0

1

0

1

0

0

1

1

0

0

1

1

0

1

0

1

0

1

0

1

0

1

1

0

0

1

0

0

0

1

1

0

0

0

1

0

1

1

0

0

0

1

0

0

0

1

1

1

0

0

0

1

1

0

0

0

0

1

1

0

1

1

0

0

0

0

1

0

1

1

1

1

*

*

*

0

1

0

1

0

1

1

0

1

1

1

0

1

0

0

0

1

1

1

0

0

1

0

1

1

0

1

0

1

1

0

0

0

1

0

1

1

0

1

1

0

0

0

1

0

0

0

1

1

0

0

1

0

1

0

1

1

0

0

1

1

1

0

0

0

1

1

0

1

0

1

0

0

0

0

1

1

1

0

0

0

1

0

1

0

0

1

1

1

0

1

0

0

0

0

1

1

0

1

0

0

0

1

0

1

1

0

1

0

0

0

1

0

0

1

1

1

*

*

*

0

1

1

1

0

0

1

0

0

1

1

0

0

1

1

0

1

0

1

0

0

1

0

0

1

0

1

0

1

0

0

0

1

1

0

0

1

0

0

1

0

0

0

0

1

0

0

0

1

0

0

1

0

0

0

1

1

0

0

0

1

1

1

0

0

1

0

0

0

1

0

1

1

0

1

1

0

0

0

0

1

0

0

0

0

1

1

0

1

1

0

1

0

0

0

1

0

0

0

0

0

1

0

0

1

0

0

0

0

0

0

1

1

1

1

1

*

*

*

1

0

0

0

1

1

0

1

1

1

1

0

0

1

0

1

0

1

0

1

0

0

1

1

1

0

1

0

0

1

1

1

0

0

0

1

0

1

1

1

0

0

0

0

0

1

1

1

0

0

0

0

1

1

0

1

1

1

1

0

0

0

0

0

1

1

0

1

1

0

1

0

1

0

1

0

0

1

0

1

0

0

1

1

0

0

1

1

0

0

0

1

0

0

0

1

0

1

1

0

0

0

0

1

1

0

1

1

0

0

0

0

1

0

1

1

1

*

*

*

1

0

1

0

1

0

0

1

0

1

1

0

0

0

1

1

0

0

0

1

0

0

1

0

1

0

1

0

0

0

1

1

1

0

0

0

0

1

0

1

0

0

1

1

0

1

1

0

0

0

0

0

1

0

0

1

1

1

0

1

0

0

1

0

1

0

0

1

0

0

1

0

1

0

0

0

0

0

0

1

0

0

1

0

0

0

1

0

1

1

0

1

1

0

0

0

0

1

0

0

0

0

0

1

0

0

1

0

0

0

0

0

0

1

1

1

1

*

*

*

1

1

0

0

0

1

0

0

1

1

1

0

0

0

0

1

1

1

0

0

0

0

0

1

1

0

1

1

1

0

1

0

0

0

0

1

0

0

1

1

0

0

1

0

1

1

0

1

0

0

0

0

0

1

0

1

1

0

0

0

1

0

0

0

1

0

0

1

0

1

0

0

1

1

0

1

1

0

0

0

0

0

1

0

0

1

0

1

0

0

0

0

0

0

1

0

0

1

0

0

0

0

0

1

0

0

1

0

0

0

0

0

0

1

1

1

*

*

*

1

1

1

0

0

0

0

0

0

1

1

0

1

1

0

1

1

0

0

0

0

0

0

0

1

0

1

1

0

1

1

0

1

0

0

0

0

0

0

1

0

0

1

0

0

1

0

0

0

0

0

0

0

0

0

1

1

0

1

1

0

1

1

0

0

0

0

0

0

0

1

0

0

1

0

0

1

0

0

0

0

0

0

0

0

0

1

0

0

1

0

0

1

0

0

0

0

0

0

0

0

0

0

0

0

0

0

0

0

0

0


Преобразованная таблица истинности

Z

Y

 Z1

Z2

Z3

Z4

Z5

Z6

Y3

Y2

Y1

0

0

0

1

1

1

*

*

*

0

0

1

1

1

0

*

*

*

0

1

0

1

0

1

*

*

*

1

0

0

0

1

1

*

*

*

0

0

0

1

1

0

1

0

1

0

1

1

1

0

0

1

0

0

0

1

0

1

0

0

0

1

1

1

0

1

0

1

0

0

1

0

1

0

0

0

1

0

0

0

1

1

1

1

0

0

0

0

0

0

1

1

0

0

0

0

1

1

0

0

0

0

1

0

1

0

1

1

0

0

1

1

0

0

0

1

0

1

1

0

0

0

1

0

0

1

1

0

0

0

0

1

1

1

0

1

0

1

0

0

0

1

0

1

0

0

0

1

0

0

0

0

1

1

0

0

0

0

0

1

0

0

0

0

0

1

1

1

1

0

0

0

1

0

1

0

1

0

1

0

1

0

0

0

1

1

0

0

0

1

1

0

0

0

0

1

1

0

0

0

0

1

0

1

0

0

0

1

0

0

0

0

0

1

0

0

0

0

0

0

1

0

1

0

0

0

1

0

0

0

0

0

1

0

0

0

0

0

0

0

0

0


Карты Карно преобразованных функций

Y1(z)

0

0

1

0

*

*

*

*

1

*

*

*

*

*

*

*

*

*

*

*

*

*

*

*

0

*

*

*

*

*

*

*

0

1

*

*

*

*

0

1

1

*

*

*

*

*

*

*

1

*

*

1

0

*

*

0

0

0

0

0

1

0

1

1




Y2(z)

1

1

0

0

*

*

*

*

1

*

*

*

*

*

*

*

*

*

*

*

*

*

*

*

1

*

*

*

*

*

*

*

0

0

*

*

*

*

1

0

0

*

*

*

*

*

*

*

0

*

*

1

0

*

*

1

0

0

1

1

1

0

0

0


Y3(z)

0

1

0

1

*

*

*

*

0

*

*

*

*

*

*

*

*

*

*

*

*

*

*

*

1

*

*

*

*

*

*

*

1

0

*

*

*

*

0

1

1

*

*

*

*

*

*

*

0

*

*

0

1

*

*

0

0

1

1

0

0

0

1

0

 

 

Анализ целесообразности совместной реализации системы функций


Для оценки целесообразности совместной реализации системы ФАЛ Y1(z), Y2(z), Y3(z) где , сформируем следующую систему характеристических подмножеств, позволяющих оценить связность функций:


Оценка связности функций Y1(z), Y2(z), Y3(z)

Z

Y

Характеристические подмножества  для Y3(z), Y2(z)

Характеристические подмножества  для Y3(z), Y1(z)

Характеристические подмножества  для Y2(z), Y1(z)

1

2

3

4

5

6

3

2

1

11

00

10

01

11

00

10

01

11

00

10

01

0

0

0

1

1

0

1

0

1



1


1







1

0

1

1

1

0

0

1

0

0



1




1



1



0

1

0

1

0

0

0

1

1




1




1

1




1

0

1

0

1

0

0

1

0




1


1


1

0

0

0

1

0

0

0

1


1






1




1

1

1

1

0

0

0

0

0

0


1




1




1



1

1

0

0

0

0

1

1

0

1






1




1


0

0

0

1

0

1

0

1

1




1




1

1




0

0

1

1

0

0

0

1

0




1


1





1


1

1

0

0

0

1

0

0

1


1






1




1

1

0

0

0

0

1

1

1

0

1






1




1


1

0

1

0

0

0

1

0

1



1


1







1

0

0

0

1

0

0

0

0

1


1






1




1

1

0

0

0

0

0

1

0

0



1




1



1



0

0

0

0

1

1

1

1

0

1






1




1


0

0

1

0

1

0

1

0

1



1


1







1

0

1

0

0

0

1

1

0

0



1




1



1



0

1

1

0

0

0

0

1

1




1




1

1




0

0

0

0

1

0

1

0

0



1




1



1



0

1

0

0

0

0

0

1

0




1


1





1


0

0

0

0

0

1

0

1

0




1


1





1


0

0

1

0

0

0

0

0

1


1






1




1

0

0

0

0

0

0

0

0

0


1




1




1




Характеристики связности функций Y1(z), Y2(z), Y3(z).

Подмно- Жество

Мощность подмножеств




333




666




777




7

7

7


Анализ полученной таблицы показывает, что связность всех функций Y1(z), Y2(z), Y3(z). одинакова. Это не позволяет выделить ядро и затрудняет использование методов структурного проектирования.

.        Рассмотрим возможность совместной реализации нулевого подмножества функций Y1(z), Y2(z), Y3(z). Для этого построим функции F0 (z) являющиеся пересечением нулей функций Y1(z), Y2(z), Y3(z) .

F0 (z)





*

*

*

*


*

*

*

*

*

*

*

*

*

*

*

*

*

*

*


*

*

*

*

*

*

*



*

*

*

*




*

*

*

*

*

*

*


*

*



*

*


1





1




F0

Сформируем функции:



1

1

0

0

*

*

*

*

1

*

*

*

*

*

*

*

*

*

*

*

*

*

*

*

1

*

*

*

*

*

*

*

0

0

*

*

*

*

1

0

0

*

*

*

*

*

*

*

0

*

*

1

0

*

*

1

*

0

1

1

1

0

0

                                                                                                                                                                                   

0

0

1

0

*

*

*

*

1

*

*

*

*

*

*

*

*

*

*

*

*

*

*

*

0

*

*

*

*

*

*

*

0

1

*

*

*

*

0

1

1

*

*

*

*

*

*

*

1

*

*

1

0

*

*

0

*

0

0

0

1

*

1

1



0

1

0

1

*

*

*

*

0

*

*

*

*

*

*

*

*

*

*

*

*

*

*

*

1

*

*

*

*

*

*

*

1

0

*

*

*

*

0

1

1

*

*

*

*

*

*

*

0

*

*

0

1

*

*

0

*

1

1

0

0

*

1

0



Сложность , ,  операторов

Сложность ФАЛ при совместной реализации операторов, при раздельной реализации  операторов. Следовательно, совместная реализация нулевого подмножества функций Y1(z), Y2(z), Y3(z) не целесообразна.

.        Рассмотрим возможность совместной реализации единичного подмножества функций Y1(z), Y2(z), Y3(z). Для этого построим функции F1 (z) являющиеся пересечением единиц функций Y1(z), Y2(z), Y3(z) .

F1(z)



































































Совместная реализация единичного подмножества функций Y1(z), Y2(z), Y3(z) не целесообразна.

Проведя данный анализ, приходим к выводу, что совместная реализация не целесообразна.

Раздельная минимизация системы функций алгебры логики


В дальнейшем для простоты записи примем следующие обозначения: Z1=1, Z2=2, Z3=3, Z4=4, Z5=5, Z6=6.

.        Проведем минимизацию

Запишем СКНФ:

1(z)=(1 v 2 v 3 v 4 v v ) ( v 2 v 3 v 4 v 5 v ) (1v  v 3 v 4 v 5 v ) (1v 2 v 3 v 4 v v )& (1 v 2 v 3 v 4 v v 6) ( v 2 v  v 4 v  v 6) (1 v  v  v  v 5 v 6) (1 v 2 v  v  v 5 v 6) &

(1 v 2 v 3 v 4 v 5 v 6) ( v 2 v 3 v 4 v 5 v 6) ( v  v 3 v 4 v 5 v 6) ( v  v 3 v 4 v 5 v 6) &

( v  v  v 4 v 5 v 6) =ABCDEFGHIJKLM= (1 v 2 v 3 v 4 v 5 v 6) ( v 2 v 3 v 4 v 5 v 6) = 2 v 3 v 4 v 5 v 6= ( v  v 3 v 4 v 5 v 6) ( v  v 3 v 4 v 5 v 6) = v 3 v 4 v 5 v 6

(JI)(KL) = (2 v 3 v 4 v 5 v 6) (v 3 v 4 v 5 v 6) = 3 v 4 v 5 v 6= (1 v 2 v 3 v 4 v v ) ( v 2 v 3 v 4 v 5 v ) = 2 v 3 v 4 v v = (1v 2 v 3 v 4 v v ) (1 v 2 v 3 v 4 v v 6) = 1v 2 v 3 v 4 v

(AB)(DE) = (2 v 3 v 4 v v ) (1v 2 v 3 v 4 v ) = 2 v 3 v 4 v 15 v 1 v  

(JI)(KL)(AB)(DE) = (3 v 4 v 5 v 6) (2 v 3 v 4 v 15 v 1 v ) = 3 v 4 v 15 v 25 v 26 (JI)(KL)(AB)(DE) = (3 v 4 v 15 v 25 v 26) (1 v  v 3 v 4 v 5 v ) = 3 v 4 v 15 v 25 v 126= ( v 2 v  v 4 v  v 6) ( v  v  v 4 v 5 v 6) =  v 4 v 6 v 25 v = (1 v  v  v  v 5 v 6) (1 v 2 v  v  v 5 v 6) = 1 v  v  v 5 v 6

(FM)(C(JI)(KL)(AB)(DE)) = (3 v 4 v 15 v 25 v 126) ( v 4 v 6 v 25 v ) = 4 v 25 v  v 36 v 1 v  v 126 v

(GH)((FM)C(JI)(KL)(AB)(DE)) = (1 v  v  v 5 v 6) (4 v 25 v  v 36 v 1 v  v 126 v ) = 25 v 36 v 14 v  v 45 v 46 v 1 v 156 v  v 35 v 126 v 13 v 3

Таблица покрытия функции Y1(z)

Простые Импликанты

6    2 1

6  4   

 5    1

   3  

 5 4   

  4   

  4  2

   3 2

   3  1

   3  

25











36











14












V



V

V

V




45





V






46


V









15



V





















V




V


V

35




V







126

V










13









V










V

V


Получим сокращенную таблицу покрытия:

Простые Импликанты

   3  1

13

V

V







1(z)= 4 v 1 v 3 v 126 v

19 операторов И, ИЛИ, НЕ.

.        Проведем минимизацию  

Запишем СКНФ:

2(z)=(v 3 v 4 v 5 v ) (1 v  v 3 v 4 v 5 v ) (1 v 2 v 3 v 4 v  v 6) ( v 2 v 3 v 4 v  v 6) & (1 v 2 v  v 4 v  v 6) (1 v 2 v 3 v  v  v 6) (1 v 2 v 3 v  v 5 v 6) (1 v  v  v  v 5 v 6) &

(1 v 2 v 3 v 4 v 5 v 6) (v 2 v 3 v 4 v 5 v 6) (v  v 4 v 5 v 6) (v  v 4 v 5 v 6) &

(1 v 2 v  v 4 v 5 v 6)=ABCDEFGHIJKLM = (v 3 v 4 v 5 v ) (1 v  v 3 v 4 v 5 v ) =  v 3 v 4 v 5 v = (1 v 2 v 3 v 4 v  v 6) ( v 2 v 3 v 4 v  v 6) = 2 v 3 v 4 v  v 6= (1 v 2 v 3 v  v  v 6) (1 v 2 v 3 v  v 5 v 6) = 1 v 2 v 3 v  v 6= (1 v 2 v 3 v 4 v 5 v 6) (v 2 v 3 v 4 v 5 v 6) = 2 v 3 v 4 v 5 v 6

(CD)(IJ) = (2 v 3 v 4 v  v 6) (2 v 3 v 4 v 5 v 6) = 2 v 3 v 4 v 6= (v  v 4 v 5 v 6) (1 v 2 v  v 4 v 5 v 6) = 2 v  v 4 v 5 v 6(LM) = (2 v  v 4 v 5 v 6) (v  v 4 v 5 v 6) =  v 4 v 5 v 6 v 2(K(LM)) = (1 v 2 v  v 4 v  v 6) ( v 4 v 5 v 6 v 2) = v 4 v 6 v 2 v 15 v 25

(AB)(CD)(IJ) = ( v 3 v 4 v 5 v ) (2 v 3 v 4 v 6) = 3 v 4 v 6 v 25 v 56 v 6 v 2

(AB)(CD)(IJ)(FG) = (3 v 4 v 6 v 25 v 56 v 6 v 2) (1 v 2 v 3 v  v 6) = 3 v 6 v 25 v 56 v 2 v 14 v 24 v 46(K(LM))(AB)(CD)(IJ)(FG)=( v 4 v 6 v 2 v 15 v 25) (3 v 6 v 25 v 56 v 2 v 14 v 24 v 46)= = 6 v 25 v 56 v 14 v 24 v 46 v 34 v 36 v 23 v 135 v 2 v 2(E(K(LM))(AB)(CD)(IJ)(FG)) = (6 v 25 v 56 v 14 v 24 v 46 v 34 v 36 v 23 v 135 v 2 v 2) (1 v  v  v  v 5 v 6) = 6 v 25 v 56 v 14 v 46 v 36 v 135 v 2 v 24 v 34 v 345 v 23 v 2

Таблица покрытия функции Y2(z)

Простые  Импликанты

6     

6     1

6  4   

6     

     1

     

     

     1

     

     

6

V

V

V

V







25











56




V







14











46



V








36











135





V






2






V


V

V


24






V





34







V




345











23











2









V

V

2(z)= 6 v 135 v 2 v 34 v 2

(Y2)=19 операторов И, ИЛИ, НЕ.

.        Проведем минимизацию  

Запишем СКНФ:

3(z)= (1 v  v 3 v 4 v 5 v ) ( v  v 3 v 4 v 5 v ) (1 v  v 3 v  v 5 v ) ( v  v 3 v 4 v  v ) ( v  v  v 4 v  v ) (v  v  v  v  v ) ( v  v  v  v v  ( v v  v  v v ) & (1 v 2 v 3 v 4 v 5 v 6) ( v  v  v  v v ) ( v  v  v  v v ) ( v  v  v  v v )& (1 v  v  v 4 v 5 v ) = ABCDEFGHIJKLM

AC = (1 v  v 3 v 4 v 5 v ) (1 v  v 3 v  v 5 v ) = 1 v  v 3 v 5 v = ( v  v 3 v 4 v  v ) ( v  v  v 4 v  v ) =  v  v 4 v  v = (v  v  v  v  v ) ( v  v  v  v v  =  v  v  v v = (1 v 2 v 3 v 4 v 5 v 6) ( v  v  v  v v ) =  v  v  v v = ( v  v  v  v v ) ( v  v  v  v v ) =  v  v  v v

(AC)(IJ) = (1 v  v 3 v 5 v ) ( v  v  v v ) = 1 v 3 v 5 v 24 v 26 v 4(KL) = (1 v  v  v 4 v 5 v ) ( v  v  v v ) =  v  v v  v 1(M(KL))= ( v v  v  v v )( v  v v  v 1) =  v v  v 1 v 14 v 24(M(KL)) (FG) = ( v v  v 1 v 14 v 24) ( v  v  v v ) = 5 v 6 v 1 v 1 v 14 v 234 v ((AC)(IJ)) = ( v  v 3 v 4 v 5 v ) (1 v 3 v 5 v 24 v 26 v 4) = 3 v 5 v 24 v 4 v 1 v 14 v 1 v (M(KL)) (FG)( B((AC)(IJ))) = (5 v 6 v 1 v 1 v 14 v 234 v ) (3 v 5 v 24 v 4 v 1 v 14 v 1 v ) = 5 v 1 v 14 v  v 36 v 234 v 1(M(KL)) (FG)( B((AC)(IJ))) (DE) = (5 v 1 v 14 v  v 36 v 234 v 1) ( v  v 4 v  v ) =

= 14 v  v 36 v 234 v 246 v  v 25 v 45 v 56 v 1 v 1 v 12 v 1

Таблица покрытия функции Y3(z)

Простые  Импликанты

6     

    2

 5    

 5    

 5  3  

 5    

  4 3 2

     

     

     

14











36











25











45






V





56



V










V

V

V

V






V









234







V




246











1

V







V


V

1

V










12









V


1

V







V

V



Получим сокращенную таблицу покрытия:

Простые  Импликанты

     

12

V

1

V

3(z) =  v  v 234 v 1 v 1

(Y3)=19 операторов И, ИЛИ, НЕ.

В результате минимизации получили следующие представления функций:

1(z)= 4 v 1 v 3 v 126 v 2(z)= 6 v 135 v 2 v 34 v 23(z) =  v  v 234 v 1 v 1

Суммарная сложность =3*14+6+15=63 c учетом замены симметричных переменных.

 

 

Декомпозиция системы функций алгебры логики методом ПМФ


Формирование первичных ДНФ ПМФ   будем производить с использованием декомпозиционной таблицы. Наборы, на которых ФАЛ не определена, обозначены «*» в соответствующих графах таблицы. Наборы, на которых ПМФ принимают единичные значения, а коньюнкции их неинверсных переменных являются простыми импликантами с соответсвующей ДНФ ПМФ отмечены знаком «1», а остальные наборы на которых ПМФ принимают единичные значения, отмечены знаком «V».

Декомпозиционная таблица функции :

Z


ПМФ для

ОДНФ для

 Z1

Z2

Z3

Z4

Z5

Z6

Y1

1

2

3

-

-

-

0

V

1

V

1

1

2

-

-

-

6

1

1


1


1

-

3

-

5

-

0

V

V

1

1

-

-

-

5

6

*

V


V


-

2

3

4

-

-

0

V

V

V

V

-

2

-

4

-

6

*

V


V


-

-

3

4

5

-

*

V

V

V

V

-

-

-

4

5

6

*

V


V


1

2

-

-

-

-

0





1

-

3

-

-

-

1

V


V


1

-

-

-

5

-

1

1


1


1

-

-

-

-

6

0





-

2

3

-

-

-

1

V


V


-

2

-

4

-

-

1

V


V


-

2

-

-

-

6

0





-

-

3

4

-

-

0

V

1

V

1

-

-

3

-

5

-

1

V


V


-

-

-

4

5

-

1

V


V


-

-

-

4

-

6

1

V


V


-

-

-

-

5

6

0





1

-

-

-

-

-

0





-

2

-

-

-

-

0





-

-

3

-

-

-

1

1


1


-

-

-

4

-

-

1

1


1


-

-

-

-

5

-

0





-

-

-

-

-

6

0





-

-

-

-

-

-

0






Проведем оптимизацию

Формирование множества простых импликант ПМФ

Конъюнкция

Покрываемость наборов

Покрываемый набор

12

+


13

+


23

+


15

+


35

+


34


34

45

+


3

+


4

+



При заполнении данной таблицы, сначала проверим, не покрывают ли конъюнкции наборы из множества , если покрывают, дальнейшая проверка для множества  не имеет смысла. Аналогичные действия проводим при оптимизации .

Как видно из таблицы оптимизация функции  невозможна.

Формирование множества простых импликант ПМФ

Конъюнкция

Покрываемость наборов

Покрываемый набор

12

+


26

+


1

+


5

+



Как видно из таблицы оптимизация функции  невозможна.

Запишем полученные выражения:

3 v 4 v 15 v 126

=34 v 135 v123

Аналогичные действия произведем для формирования ДНФ ПМФ  и

Декомпозиционная таблица функции :

Z


ПМФ для

ОДНФ для

 Z1

Z2

Z3

Z4

Z5

Z6

Y2

1

2

3

-

-

-

0

V

1

V

1

1

2

-

-

-

6

0

V

V

V

V

1

-

3

-

5

-

1

1


1


1

-

-

-

5

6

*

V


V


-

2

3

4

-

-

0

V

1

V

1

-

2

-

4

-

6

*

V

V

V

V

-

-

3

4

5

-

*

V


V


-

-

-

4

5

6

*

V


V


1

2

-

-

-

-

1


V


1

-

3

-

-

-

0





1

-

-

-

5

-

0





1

-

-

-

-

6

1

V


V


-

2

3

-

-

-

1

V


V


-

2

-

4

-

-

1

V


V


-

2

-

-

-

6

0

V

1

V

1

-

-

3

4

-

-

1

1


1


-

-

3

-

5

-

0





-

-

-

4

5

-

0





-

-

-

4

-

6

1

V


V


-

-

-

-

5

6

1

V


V


1

-

-

-

-

-

0





-

2

-

-

-

-

1

1


1


-

-

3

-

-

-

0





-

-

-

4

-

-

0





-

-

-

-

5

-

0





-

-

-

-

-

6

1

1


1


-

-

-

-

-

-

0






Проведем оптимизацию

Формирование множества простых импликант ПМФ

Конъюнкция

Покрываемость наборов

Покрываемый набор

12

+


13

+


23

+


34

+


2

+


6

+



При заполнении данной таблицы, сначала проверим, не покрывают ли конъюнкции наборы из множества , если покрывают, дальнейшая проверка для множества  не имеет смысла. Аналогичные действия проводим при оптимизации .

Как видно из таблицы оптимизация функции  невозможна.

Формирование множества простых импликант ПМФ

Конъюнкция

Покрываемость наборов

Покрываемый набор

13

+


35

+


3

+


4

+



Как видно из таблицы оптимизация функции  невозможна.

Запишем полученные выражения:

2 v 6 v 34 v 135

=26 v 234 v123

Декомпозиционная таблица функции :

Z


ПМФ для

ОДНФ для

 Z1

Z2

Z3

Z4

Z5

Z6

Y3

1

2

3

-

-

-

0

V

1


1

1

2

-

-

-

6

0

V

1


1

1

-

3

-

5

-

0

V

V


V

1

-

-

-

5

6

*

V

V


V

-

2

3

4

-

-

1

1




-

2

-

4

-

6

*

V




-

-

3

4

5

-

*

V




-

-

-

4

5

6

*

V




1

2

-

-

-

-

1

V




1

-

3

-

-

-

1

V




1

-

-

-

5

-

0

V

1


1

1

-

-

-

-

6

1

V




-

2

3

-

-

-

0





-

2

-

4

-

-

0





-

2

-

-

-

6

1

1




-

-

3

4

-

-

0





-

-

3

-

5

-

1

V




-

-

-

4

5

-

1

V




-

-

4

-

6

0





-

-

-

-

5

6

1

V




1

-

-

-

-

-

1

1




-

2

-

-

-

-

0





-

-

3

-

-

-

0





-

-

-

4

-

-

0





-

-

-

-

5

-

1

1




-

-

-

-

-

6

0





-

-

-

-

-

-

0






Проведем оптимизацию:

Формирование множества простых импликант ПМФ

Конъюнкция

Покрываемость наборов

Покрываемый набор

12

+


13

+


23

+


26

+


1

+


5

+



При заполнении данной таблицы, сначала проверим, не покрывают ли конъюнкции наборы из множества , если покрывают, дальнейшая проверка для множества  не имеет смысла. Аналогичные действия проводим при оптимизации .

Как видно из таблицы оптимизация функции  невозможна.

Формирование множества простых импликант ПМФ

Конъюнкция

Покрываемость наборов

Покрываемый набор

23

+


34

+


2

+


6

+



Как видно из таблицы оптимизация функции  невозможна.

Запишем полученные выражения:

1 v 5 v 26 v 234

=15 v 126 v123

В результате получены следующие представления ФАЛ Y1(z), Y2(z), Y3(z):

Y1(z) = (3 v 4 v 15 v 126) 2(z) = (2 v 6 v 34 v 135) 3(z) = (1 v 5 v 26 v 234)

Сложность полученного представления с учетом замены симметричных переменных L=60 операторов И, ИЛИ, НЕ, что на 12 операторов меньше сложности представления, полученного методом минимизации.

Выбор элементной базы

Произведем выбор элементной базы, с использованием которой предполагается реализовать проектируемую схему. В процессе выбора необходимо учитывать следующие основные технические и эксплуатационные требования к проектируемому устройству:

Быстродействие

Энергопотребление

Условия хранения и эксплуатации

Механические воздействия

Специальные воздействия

Анализ сложности логических уравнений, полученных в процессе синтеза, показывает, что для реализации проектируемого устройства нецелесообразно использовать полузаказные БИС (БМК), а также ПЛИС. Это обусловлено тем, что сложность полученных логических уравнений невелика, что приведёт к неэффективному использованию возможностей данной элементной базы.

Приведем таблицу параметров (глубина и сложность схемы) серий ИС.

переменный функция симметричный уравнение

Тип

Серия ИС

Параметр



Глубина схемы

Сложность схемы

ТТЛ

130

10

5


К131

10

5


К134

1

110


К133, КМ133

4

11


К155, КМ155

4

11

ТТЛШ

К555, КМ555

5

55


533

5

55


530

20

5


КР531, КМ531

20

5


КР1533

11

110


1531

16

27


КР1531

25

27

ЭСЛ

100

34

4


К500

34

4


К1500

145

2

КМОП

К561

0

44000


564

0

44000


1564

2

44000


КР1554

20

44000

НОПТШ

К6500

238

18


Из приведенной таблицы видно, что для реализации сумматора для модуля семь подходят микросхемы следующих серий КР1533, КР1531 и КР1554.

Условиям хранения и эксплуатации, а так же требованиям по механическим воздействиям и специальным воздействиям удовлетворяют серии КР1531, КР1533 и КР1554 для дальнейшего анализа.

Перейдем к оценке быстродействия и энергопотребления данных серий.

Быстродействующей серией является серия КМОП ИС КР1554, выполненных по 1,4 мкм технологии с оксидной изоляцией, что обеспечивает сочетание малого потребления с высоким быстродействием. Основным преимуществом КМОП ИС является низкая рассеиваемая мощность. Если у биполярных ИС ток потребления в статическом режиме может достигать нескольких десятков миллиампер, то КМОП ИС имеют ток потребления в статическом режиме на 3 порядка ниже, чем у аналогичных ИС серии К1531 и КР1533. Ток потребления в статическом режиме КМОП вентиля определяется током утечки закрытых n- и p- канальных транзисторов, поэтому для ИС серии КР 1554 он составляет при Т = 25 С порядка 4 мкА для логических элементов и порядка 8 мкА для схем средней степени интеграции.

Проведя данный анализ, выбираем серию КР1554 для дальнейшего проектирования устройства. Поскольку данная серия обеспечит выполнение требований ТЗ при наименьшей потребляемой мощности и максимальном быстродействии.

 

Факторизация системы логических уравнений


Проведем факторизацию для системы логических уравнений, полученных при минимизации функций алгебры логики, описывающих работу синтезируемой схемы, и их декомпозиции с использованием метода приближающих монотонных функций.

Факторизация логических уравнений, полученных методом минимизации

Для логических уравнений, полученных в результате минимизации, дизъюнктивные факторы (одинаковые дизъюнкции импликант в их МДНФ) отсутствуют, в связи с чем факторизация возможна лишь путем формирования конъюнктивных факторов.

Выполним процесс факторизации:

1(z)= 4 v 1 v 3 v 126 v  {1,2,3,4,5}

Y2(z)= 6 v 135 v 2 v 34 v 2 {6,7,8,9,10}

Y3(z) =  v  v 234 v 1 v 1 {11,12,13,14,15}

Оценка качества факторов функций:

Фактор

Порождающее множество

Качество

1, 2, 8, 15

1

1

2,4,7,14,15

2

3,10,11,12

1

3

3,5,7,9,13

2

3,5,10

1

2

4,8,10,12,13

2

5,6,9,14

1

5,14,15

1

8,10,15

1

3

3,5

2

2

8,10

2

1

14,15

2

34

9,13

1

26

4,12

1

15

2,7

1


.        Выделим конъюнктивные факторы:

K1=3

K2=2

K3=1

K4=34

K5=26

K6=15

.        Произведем подстановку:

1(z)= 4 v K6 v K1 v 1K5 v K1 = 4 v K6 ) v K1 v ) v 1K5 2(z)= 6 v 3K6 v K2 v K4 v K2 = 6 v K4) v K2(  v ) v 3K63(z)=  v K5 v 2K4 v K3 v K3 =  v K5) v K3 v  v 2K4

Процесс факторизации окончен. Сложность полученных представлений составляет L=8+8+8+6+6+15=51 оператор И, ИЛИ, НЕ. (с учетом замены симметричных переменных)

Данное представление на 12 операторов меньше, чем полученное в ходе минимизации.

Факторизация логических уравнений, полученных методом приближающих монотонных функций

Проведем факторизацию системы логических уравнений, полученных в результате декомпозиции методом ПМФ. Учитывая, что функции разложения монотонны, а количество возможных факторов невелико, факторизацию проведем сразу для всей системы функций разложения.

.        Сформируем выражение U:


2.       Выделим дизъюнктивные факторы:

D1= (15 v 126);2= (34 v 135);3= (26 v 234);

3.       Произведем подстановку:


4.       Выделим конъюнктивный фактор:

1=123

.        Произведем подстановку:


6.       Запишем полученный результат:

 v 4 v D1)

 = (2 v 6 v D2)

 = (1 v 5 v D3) 1= (15 v 126);2= (34 v 135);3= (26 v 234);1=123

.       

.        Видно что в дизъюнктивных факторах можно выделить три конъюнктивных фактора:

K2=26

K3=34

K4=15

Получаем:

 v 4 v D1)

 = (2 v 6 v D2)

 = (1 v 5 v D3)

D1= (K4 v 1K2);2= (K3 v 3K4);3= (K2 v 2K3);1=123

K2=26

K3=34

K4=15

Суммарная сложность L=5+5+5+6+5+15=41 оператор И, ИЛИ, НЕ (с учетом замены симметричных переменных).

Данное представление на 19 операторов меньше, чем полученное в ходе декомпозиции.

Сравним сложность, полученную в ходе факторизации решений полученных минимизацией и декомпозицией. Она равна 51 и 41 оператор, соответственно. Поэтому принимаем решение, в дальнейшем использовать ФАЛ полученные в ходе факторизации ПМФ.

 

Разработка принципиальной схемы синтезируемого устройства


Как было сказано ранее, разработку принципиальной схемы будем проводить для ФАЛ полученных при помощи ПМФ.

 v 4 v D1)

 = (2 v 6 v D2)

 = (1 v 5 v D3) 1= (K4 v 1K2);2= (K3 v 3K4);3= (K2 v 2K3);

K1=123

K2=26

K3=34

K4=15

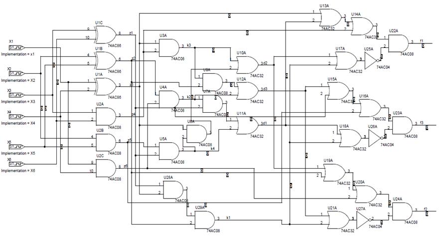
1. Разработаем схему устройства в базисе И, ИЛИ, НЕ, , поскольку этот базис очевиден и не требует преобразований уравнений. Схема представлена на рисунке 1.

Приведем характеристики сложности и быстродействия синтезированной логической схемы.

Тип ЛЭ

Количество ЛЭ

Тип ИС

Количество ИС

Число неиспользованных ЛЭ

h/V

НЕ 2И 2ИЛИ

3 14 12 3

ЛН1 ЛИ1 ЛЛ1 ЛП5

1 4 3 1

3 2 0 1

7/9


Приведем данные по времени задержки распространения и потребляемой мощности выбранных ИС.

Тип ИС

tЗ.Р. нс (вкл/выкл)

Ток потребления, мкА

Потребляемая мощность, мВт

ЛН1 ЛИ1 ЛЛ1 ЛП5

7/7.5 7.5/8.5 7.5/8.5 13.5/13.5

40 40 40 80

0.2 0.2 0.2 0.4



Рис.1 Схема сумматора по модулю семь в базисе И, ИЛИ, НЕ,

2.       Проведем анализ целесообразности перехода к базису И, ИЛИ-НЕ, ИЛИ, .

Приведем характеристики сложности и быстродействия синтезированной логической схемы.

Тип ЛЭ

Количество ЛЭ

Тип ИС

Количество ИС

Число неиспользованных ЛЭ

h/V

2ИЛИ-НЕ 2И 2ИЛИ

3 14 9 3

ЛЕ1 ЛИ1 ЛЛ1 ЛП5

1 4 3 1

1 2 3 1

7/9


Запись ФАЛ в новом базисе останется прежней:

 v 4 v K3 v K16)

 = (2 v 6 v )

 = (1 v 5 v  )

K1 = 12

K2 = 34

K3 = 15

K4 = 26

Приведем данные по времени задержки распространения и потребляемой мощности выбранных ИС.

Тип ИС

tЗ.Р. нс (вкл/выкл)

Ток потребления, мкА

Потребляемая мощность, мВт

ЛЕ1 ЛИ1 ЛЛ1 ЛП5

7/6.5 7.5/8.5 7.5/8.5 13.5/13.5

40 40 40 80

0.2 0.2 0.2 0.4





3.   Проведем анализ целесообразности перехода к монофункциональному базису И-НЕ.


Тип ЛЭ

Количество ЛЭ

Тип ИС

Количество ИС

Число неиспользованных ЛЭ

h/V

2И-НЕ 3И-НЕ

57 4

ЛА3 ЛА4

15 2

3 2

12/17


Приведем данные по времени задержки распространения и потребляемой мощности выбранных ИС.

Тип ИС

tЗ.Р. нс (вкл/выкл)

Ток потребления, мкА

Потребляемая мощность, мВт

ЛА3 ЛА4

7/8.5 6.5/8

40 40

0.2 0.2



Рис.2 Схема сумматора по модулю семь в базисе И-НЕ.

4.   Проведем анализ целесообразности перехода к монофункциональному базису И-НЕ, .

Приведем характеристики сложности и быстродействия синтезированной логической схемы.

Тип ЛЭ

Количество ЛЭ

Тип ИС

Количество ИС

Число неиспользованных ЛЭ

h/V

2И-НЕ 3И-НЕ

42 4 3

ЛА3 ЛА4 ЛП5

11 2 1

2 2 1

11/14


Приведем данные по времени задержки распространения и потребляемой мощности выбранных ИС.

Тип ИС

tЗ.Р. нс (вкл/выкл)

Ток потребления, мкА

Потребляемая мощность, мВт

ЛА3 ЛА4 ЛП5

7/8.5 6.5/8 13.5/13.5

40 40 80

0.2 0.2 0.4


5.   Выберем базис, в котором будет реализовано устройство.

Базис

h/v

Потребляемая мощность (максимальная) мВт

Время задержки распространения (максимальное) нс

И, ИЛИ, НЕ,

7/9

2

64.5

И, ИЛИ, ИЛИ-НЕ,

7/9

2

64.5

И-НЕ

12/17

3.4

102

И-НЕ,

11/14

3

98.5


Из данной таблицы видно, что рационально использовать либо базис И, ИЛИ, НЕ, , или И, ИЛИ,ИЛИ-НЕ, . Из этих двух базисов предпочтительнее базис И, ИЛИ, НЕ,  поскольку при реализации в нем остается меньше неиспользованных ЛЭ.

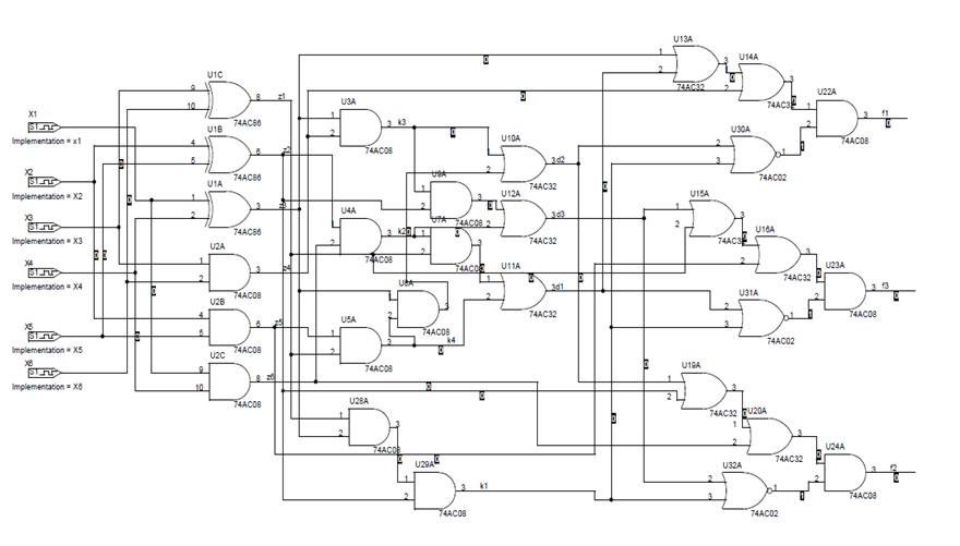
В выбранном схемном решении шесть незадействованных элементов 3 - НЕ, 2 - 2И и 1 . Неиспользуемый вход  соединим параллельно используемому входу. А неиспользуемые входы 2И, НЕ будем использовать для повышения контролепригодности, за счет повышения его показателей наблюдаемости. Для этого необходимо вывести на разъём через свободные логические элементы внутренние точки схемы. Точки целесообразно выбрать в середине наиболее длинных путей распространения сигнала от входа к выходу схемы .

При разработке устройства необходимо установить буферные элементы на входы схемы. В качестве буферных элементов будем использовать повторитель ЛИ9.

Тип ИС

tЗ.Р. нс (вкл/выкл)

Ток потребления, мкА

Потребляемая мощность, мВт

ЛИ9

7/7.5

40

0.2


Тип ЛЭ

Количество ЛЭ

Тип ИС

Количество ИС

Число неиспользованных ЛЭ

h/V

НЕ 2И 2ИЛИ  Буф.Эл.

3 14 12 3 6

ЛН1 ЛИ1 ЛЛ1 ЛП5 ЛИ9

1 4 3 1 1

3 2 0 1 0

8/10


Чтобы устранить низкочастотные помехи вблизи разъема установим развязывающие конденсаторы. Их емкость должна быть не менее 0.1мкФ*10=1мкФ. Для устранения высокочастотных помех по площади печатной платы расположим развязывающие конденсаторы, из расчета один конденсатор на группу не более чем из 10 ИС. Их емкость должна быть не мене 0.002мкФ*10=0.02мкФ.

Сложность схемы не велика, для ее реализации нужно всего 10 ИС, поэтому разбиение ее на подсистемы не требуется.

Выберем для установки на плате один конденсатор  мкФ, и два конденсатора К10-17-1СА Н50 0.015мкФ. Они полностью соответствуют требованиям, предъявляемым к проектируемому устройству по условиям эксплуатации и надежности

Поскольку суммарное количество входных, выходных шин и шин питания разрабатываемого устройства равно 16, выберем для установки на плате разъем типа ГРПМ1-21ШУ2.

Расчет основных параметров устройства (время переключения, потребляемая мощность, время наработки на отказ)

Для оценки быстродействия необходимо определить пути распространения сигналов от входа к выходу максимальной глубины. Анализ схемы представленной на рисунке 2 показывает, таких путей 4:

.        Буф.эл.   2И 2ИЛИ  2ИЛИ ИЛИ  2И

.        Буф.эл.  2И 2ИЛИ  2ИЛИ ИЛИ  2И

.        Буф.эл.   2И 2ИЛИ  2ИЛИ  2И

.        Буф.эл.  2И 2ИЛИ  2ИЛИ   2И

Максимальное время переключения схемы при распространении сигнала по каждому из рассмотренных вариантов пути составляет:

.        7.5+13.5+8.5+8.5+8.5+8.5+8.5+8.5 = 72нс

2.       7.5+8.5+8.5+8.5+8.5+8.5+8.5+8.5 = 67нс

.        7.5+13.5+8.5+8.5+8.5+8.5+7.5+8.5 = 71нс

.        7.5+8.5+8.5+8.5+8.5+8.5+7.5+8.5 = 66нс

Таким образом, максимальное время переключения синтезированной схемы не превышает 120 нс.

Для расчета потребляемой мощности необходимо рассчитать потребляемый ток:

 

Iср рассчитывается из следующих соображений:

Тип ЛЭ

Тип ИС

Количество ИС

Iпот.мак., мкА

Iпот.мин., мкА

НЕ 2И 2ИЛИ  Буф.Эл.

ЛН1 ЛИ1 ЛЛ1 ЛП5 ЛИ9

1 4 3 1 1

40 40 40 80 40

4 4 4 8 4


 

 

Следовательно, потребляемая мощность составит:

 

 

Расчет показатели надежности разработанного устройства.

Интенсивность отказов устройства, содержащего разнотипные элементы, определяется следующим соотношением:


где  - число элементов i-го типа,  - число типов элементов в составе устройства,  - интенсивность отказов элементов i-го типа.

Тип элемента

Число элементов

λ [час-1]

Qλ [час-1]

КР1554ЛН1

1

0,017*10-6

0,017*10-6

КР1554ЛИ1

4

0,017*10-6

4*0,017*10-6

КР1554ЛЛ1

3

0,017*10-6

3*0,017*10-6

КР1554ЛП1

1

0,017*10-6

0,017*10-6

КР1554ЛИ9

1

0,017*10-6

0,017*10-6

Паяные соединения

140

10-9

0,14*10-6

Конденсаторы

3

0,004*10-6

0,012*10-6

Вилка разъема

1

0,011*10-6

0,011*10-6

Суммарная интенсивность отказов

0,333*10-6

Время наработки на отказ разработанного устройства при этом составит:

.

 

Моделирование работы устройства, анализ правильности функционирования и состязаний в схеме


Моделирование произведем в САПР Orcad. Ниже представим результаты моделирования в виде временных диаграмм.


Составим таблицу истинности для проверки правильности функционирования.

Входные коды

Y

Входные коды

Y

X1

X2


X1

X2


110 110 110 110 110 110 110

110 101 100 011 010 001 000

101 100 011 010 001 000 110

010 010 010 010 010 010 010

110 101 100 011 010 001 000

001 000 110 101 100 011 010

101 101 101 101 101 101 101

110 101 100 011 010 001 000

100 011 010 001 000 110 101

001 001 001 001 001 001 001

110 101 100 011 010 001 000

000 110 101 100 011 010 001

100 100 100 100 100 100 100

110 101 100 011 010 001 000

011 010 001 000 110 101 100

000 000 000 000 000 000 000

110 101 100 011 010 001 000

100 101 100 011 010 001 000

011 011 011 011 011 011 011

110 101 100 011 010 001 000

010 001 000 110 101 100 011





В таблице не приведены наборы, на которых функция была не определена.

 

Оценка степени выполнения задания


Анализ выполнения требований технического задания

Параметр

Требования ТЗ

Полученное значение

Оценка степени выполнения

1  2  3 4

Время переключения Потребляемая мощность Наработка на отказ Срок эксплуатации

120 нс  95 мВт  не менее 500000 15 лет

72 нс  2.2 мВт    15 лет

Выполнено  Выполнено  Выполнено Выполнено


Из приведенной таблицы видно, что разработанное устройство суммирования по модулю пять соответствует требованиям технического задания по всем параметрам, т.е. выполнено в полном объеме.

 

Список использованной литературы


1.       Музыченко О. Н. «Проектирование цифровых устройств»: Мет. указания по курсовому проектированию / БГТУ СПб., 2000.

.        Музыченко О. Н. «Синтез конечных автоматов»: Мет. указания по курсовому проектированию / БГТУ СПб., 2010.

.        Музыченко О. Н. «Универсальные методы синтеза логических схем. Книга 1»: Учеб. пос. / БГТУ СПб., 2005.

.        Музыченко О. Н. «Универсальные методы синтеза логических схем. Книга 2»: Учеб. пос. / БГТУ СПб., 2005.

.        Петровский И.И., Прибыльский А.В., Троян А.А., Чувелев В.С. «Логические ИС КР1533. КР1554. Справочник». В 2х частях.

Похожие работы на - Синтез устройства, производящего арифметическую операцию суммирования по модулю семь

 

Не нашли материал для своей работы?
Поможем написать уникальную работу
Без плагиата!
Без нейросетей!