Модернизация системы автоматизации парового котла ТП-38 'Обуховоэнерго' с разработкой САУ давлением пара за котлом на базе ПТК

  • Вид работы:
    Дипломная (ВКР)
  • Предмет:
    Физика
  • Язык:
    Русский
    ,
    Формат файла:
    MS Word
    1,75 Мб
  • Опубликовано:
    2012-08-22
Вы можете узнать стоимость помощи в написании студенческой работы.
Помощь в написании работы, которую точно примут!

Модернизация системы автоматизации парового котла ТП-38 'Обуховоэнерго' с разработкой САУ давлением пара за котлом на базе ПТК

Введение

Современный мощный котельный агрегат требует самого тщательного контроля, управления и обслуживания.

Контроль и управление котлоагрегатом сводятся к обеспечению в каждый данный момент требуемой теплопроизводительности при заданных параметрах, а также к обеспечению надежности и экономичности работы котлоагрегата.

Обслуживание котлоагрегата во время работы - задача весьма сложная, так как отдельные элементы котла очень сильно разобщены (общая высота котлоагрегата равна 15 м). Поэтому крайне желательна замена ручного труда по управлению котлоагрегатом работой автоматических устройств.

Автоматизация теплоэнергетических установок обеспечивает:

уменьшение численности обслуживающего персонала и повышение производительности его труда за счет расширения зон обслуживания,

изменение характера и облегчение условий труда обслуживающего персонала,

улучшение постоянства параметров тепловой и энергетической энергии, отпускаемых потребителю,

более надежную работу оборудования,

повышение использования производственной мощности оборудования,

более высокую экономичность работы электростанции.

Объем применения средств автоматизации определяется достигаемым при этом экономическим эффектом - экономия топлива и электроэнергии, повышением производительности труда обслуживающего персонала за счет расширения зон обслуживания, облегчением условий труда, улучшением качества отпускаемой энергии, повышением надежности работы оборудования.

Кроме экономических соображений, объем комплексной автоматизации электростанций определяется совершенством и подготовленностью к автоматизации оборудования, а также наличием средств автоматизации. Поэтому для каждого объекта объем автоматизации должен устанавливаться отдельно.

1. Описание и анализ котлоагрегата ТП-38

Объектом автоматизации является котел станционный № 4, заводской № 19/ТП-38 типа ТП-38 установленный в котельном цеху ООО «Обуховоэнерго» г.Санкт-Петербурга.

"Обуховоэнерго" производит электрическую и тепловую энергию, обслуживая часть территории Невского района Санкт-Петербурга (около 550 жилых домов), а также территорию "ГОЗ Обуховский завод". Установленная электрическая мощность "Обуховоэнерго" составляет 37 тыс. кВт, тепловая - 385 Гкал/ч. В составе генерирующих мощностей - две паровые турбины, четыре энергетических котла.

1.1 Техническая характеристика котлоагрегата ТП-38

Котел станционный № 4, заводской № 19/ТП-38 типа ТП-38, изготовлен Таганрогским заводом в декабре 1965 года [1].

Котел вертикально - водотрубный, однобарабанный с сухопарником.

Циркуляция воды в котле - естественная.

Расчетная паропроизводительность котла Дк - 150 т/час.

Расчетное давление пара в барабане Р = 34 кгс/см2.

Расчетное давление пара за пароперегревателем Р = 32 кгс/см2.

Температура перегретого пара tп/д = 420°С.

Котел П - образной компоновки.

Топочная камера полностью экранирована и предназначена для сжигания жидкого и газообразного топлива. Топка оборудована четырьмя горелками, расположенными на боковых стенках.

Для сжигания газообразного и жидкого топлива используются мазутные форсунки, вмонтированные по оси горелок. Котел снабжен: пароперегревателем, расположенным в верхней части топочной камеры, водяным экономайзером и воздухоподогревателем, расположенным, в конвективной шахте котла. Перед воздухоподогревателем (со стороны входа холодного воздуха, после дутьевых вентиляторов) установлен калорифер для подогрева воздуха.

Основные данные котла представлены в таблице 1.

1.2 Основные данные котла

Таблица 1 - Основные данные котла ТП-38

№ п/п

Наименование

Единица измерения

Количество

Тип

Топка котла

1

Объем топочной камеры

м3

770

Камерная

2

Глубина топки

м

7,16


3

Ширина топки

м

7,3


Экраны котла

1

Суммарная радиационная поверхность

м2

503

Гладкие, нешипованные

2

Количество труб фронтового  заднего  левого  правого

шт шт шт шт

72 72 70 70


3

Диаметр труб внутренний  наружный

мм мм

76 83


4

Шаг между трубами

мм

100


Конвективный пучок

1

Поверхность нагрева

м2

240

ст. 20

2

Количество труб

шт

108


3

Наружный диаметр труб

мм

83


4

Шаг между трубами по ходу газов  поперек хода газов

мм мм

400 400


Пароперегреватель

1

Поверхность нагрева

м2

900

Смешанного типа

2

Диаметр труб внутренний  наружный

мм мм

31 38


Водяной экономайзер

1

Поверхность нагрева

м2

1140

ст. 20

2

Диаметр труб наружный  внутренний

мм мм

38 31


Воздухоподогреватель

1

Поверхность нагрева

м2

5940


2

Диаметр труб наружный  внутренний

мм мм

51 48



Данные теплового расчета

) Паропроизводительность котла Д - 150 т/ч.

) Давление в барабане котла Р - 34 кгс/см2.

) Температура питательной воды Тп.в. - 100-160 °С

) Температура перегретого пара Тп.п. - 420 °С

) Теоретическая температура горелки Тг - 1943 °С.

) Температура газов на выходе из топки Тт - 1100 °С.

) Температура газов перед первой частью пароперегревателя Т´пе - 969 °С.

) Температура газов перед второй частью пароперегревателя Т"пе - 757 °С.

) Температура газов перед водяным экономайзером Т эк - 579 °С.

) Температура газов перед воздухоподогревателем Твп - 325 °С.

) Температура уходящих газов Тух - 186 °С.

) Температура воды за экономайзером - 254 °С.

) Температура воздуха за воздухоподогревателем - 168 °С.

) Температура холодного воздуха Т х.в. - 30 °С.

) Температура воздуха после подогрева в калорифере Тк - 80 °С.

) Температура газов за кипятильным пучком Тф - 1048 °С.

) Объем котла:

водяной - 25,6 м3,

паровой - 15,6 м3,

питательный - 1,08 м3

) Сопротивление тракта от дутьевого вентилятора до места забора горячего воздуха - 166 мм.вод.ст.

) Полный напор дутьевого вентилятора - 378 мм в.ст.

На рисунке 1.1 и на листе 10.02.11-075097 АКУ.4 представлен продольный разрез котла ТП-38.

Рис. 1.1 - Продольный разрез котла ТП-38

Барабан котла

Барабан расположен параллельно фронту котла и подвешен к каркасу на двух подвесках.

Барабан - сварной, из ст. 20К, толщиной 45 мм, с приварными днищами. Внутренний диаметр барабана - 1510 мм, длина цилиндрической части 9503 мм. На днищах расположены лазы, закрывающиеся изнутри пазовыми затворами.

Внутренний объем, барабана котла двумя перегородками разделен на 3 части. Две боковые камеры меньшего объема являются солеными отсеками, средняя часть - чистый отсек.

Внутри чистого отсека расположены два коллектора питательной воды с вырезами в верхней части с козырьками над ними. К каждому коллектору присоединены 4 питательных трубопровода, по которым вводится питательная вода от экономайзера.

Для аварийного сброса воды при перепитках котла смонтирована линия аварийного сброса воды.

Из соленых отсеков выведены на фронт котла по две трубы ø 83 мм для водомерных колонок и по одной трубе непрерывной продувки.

Экраны

Котел имеет хорошо развитую радиационную поверхность нагрева, состоящую из экранов топки и фестона перед кипятильным пучком.

Фронтовой экран образован из 72 труб ø83 мм, из ст.20 с зазором, между трубами 100 мм. Нижним, концом трубы вварены в фронтовой коллектор, верхняя часть труб защищает обмуровку наклонного потолка топки. Верхние концы труб фронтового экрана вварены в чистый отсек барабана котла.

Левый и правый боковые экраны выполнены каждый из 70 труб ø83 мм из ст.20, с шагом, между трубами 100 мм. По конструктивному выполнению левый экран является зеркальным отображением правого.

Трубы каждого из этих экранов нижними концами вварены в нижние коллекторы боковых экранов, верхними концами - в верхние коллекторы боковых экранов. Коллекторы цельнотянутые из ст.20 ø273 мм, толщиной стенки 26 мм с приварными электросваркой донышками.

Как нижние так и верхние коллекторы глухими перегородками разделяются на 2 части, ближняя к фронту - меньшей длины и в нее вварены 16 труб экрана (чистый отсек), задняя часть коллектора большей длины и в нее вварены 54 трубы экрана (соленый отсек).

К фронтовой части нижнего коллектора приварены 3 водоопускных трубы ø 108 мм из чистого отсека, к задней части - 8 труб ø 108 мм из соленого отсека.

Из фронтовом части верхних коллекторов выходит по 3 паро-перепускных трубы ø 108 мм в чистый отсек барабана, а из задней части - по 16 перепускных труб ø 83 мм в соленые отсеки барабана.

Нижние коллекторы боковых экранов имеют по одной продувочной точке из каждой части коллектора.

Задний экран котла образован из 72 труб ø83 мм из ст.20 с шагом между трубами 100 мм. Нижние концы труб, образуя задний скат холодной воронки, вварены в задний коллектор холодной воронки. Коллектор цельнотянутый из ст.20 с приварными донышками и с двумя штуцерами для присоединения продувочных вентилей.

К коллектору приварены 10 водоопускных труб ø108 мм по 5 труб идущих из правого и левого вертикальных коллекторов котла. Верхние концы труб заднего экрана образуют фестон и вварены в чистый отсек барабана котла.

Конвективный пучок

За фестоном расположена конвективная поверхность нагрева котла, выполненная в виде пучка труб ø83 мм в количестве 108 шт. Трубы расположены в три ряда, шаг между рядами - 400 мм.

Верхним концом трубы конвективного пучка вварены в чистый отсек барабана, нижние концы в коллектор конвективного пучка.

Коллектор конвективного пучка цельнотянутый ø325 из ст.20 с приварными донышками. Имеет 2 штуцера для присоединения вентилей периодической продувки коллектора.

К коллектору приварены 8 труб ø133 мм, питающих конвективный пучок водой из чистого отсека барабана.

Экономайзер

Экономайзер не кипящего типа выполнен из труб ø38/31мм из стали 20 имеет 2 параллельно включенных по воде секции: правую и левую.

Змеевики экономайзера расположены горизонтально. Как правая, так и левая секции экономайзера состоят из 2 пакетов - верхнего и нижнего, включенных по воде последовательно. Пакеты объединяются промежуточным коллектором.

Каждая секция экономайзера имеет 3 коллектора: входной, промежуточный и выходной.

К входному коллектору с двух его торцов подводится питательная вода, которая по змеевикам нижнего пакета поступает в промежуточный коллектор, а из него по змеевикам верхнего пакета направляется в верхний - выходной коллектор. Из выходного коллектора по 4 водоперепускным трубам (с каждой стороны слева и справа) вода поступает в чистый отсек барабана котла.

Входные коллекторы экономайзера соединяются с чистым отсеком барабана котла с помощью трубопровода рециркуляции. Каждый из входных коллекторов имеет по одной дренажной точке для спуска воды из экономайзера и замены гильзы для термометров.

При растопках котла, когда питательный трубопровод закрыт, расход воды через экономайзер может быть равен нулю и в экономайзере может происходить кипение воды, а при открытии вентилей на питательной линии могут происходить гидроудары. Поэтому для обеспечения расхода воды через экономайзер предусмотрена линия рециркуляции «барабан-экономайзер».

Воздухоподогреватель

Для подогрева воздуха перед подачей его в горелки котла за счет тепла отходящих газов на котле имеется воздухоподогреватель.

При работе котла с воздухоподогревателем улучшаются условия сжигания топлива, и увеличивается КПД котла.

Котел снабжен воздухоподогревателем трубчатого типа. Одноходовой по газу, четырех ходовой по воздуху; выполнен из труб ø 51/48, состоит из 2 секции верхней и нижней, а каждая секция - из четырех кубов.

Предохранительная арматура

Для предотвращения разрушения котлов при превышении рабочего давления на котле установлены 6 пружинных предохранительных клапанов. 4 клапана установлены на сухопарнике и два клапана установлены на коллекторе перегретого пара.

Давление срабатывания клапанов:

клапана пароперегревателя - 34,7 кгс/см2,

контрольные клапаны(2 шт. на сухопарнике) - 35,0 кгс/см2,

рабочие клапаны(2 шт. на сухопарнике) - 35,7 кгс/см2,

Водоуказательные приборы

Для контроля уровня воды в барабане котла установлены следующие водоуказательные приборы:

две водоуказательных колонки, показывающие уровень воды в чистом отсеке,

одна водоуказательная колонка, показывающая уровень воды в соленом отсеке,

сниженный указатель уровня в чистом отсеке барабана,

регистрирующий прибор на щите управления котлом показывающий (регистрирующий) уровень воды в чистом отсеке.

Описание технологического процесса.

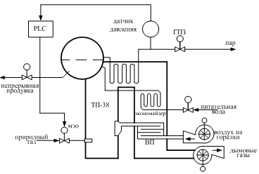
Принципиальная технологическая схема парового барабанного котла ТП-38 работающего на природном газе показана на рисунке 1.2 и на листе 10.12.11-075097 АКУ.4.

Рис. 1.2 - Принципиальная схема технологического процесса производства пара

Котлоагрегат ТП-38 относится к классу паровых котлов с П-образным профилем - это две вертикальные призматические шахты, соединенные вверху горизонтальным газоходом. Первая шахта - большая по размерам - является топочной камерой (топкой).

Производительность котлоагрегата ТП-38 составляет 150 т/час, давлением пара 3.4 МПа, температурой пара 420 oC). Котел барабанный, с естественной циркуляцией, с камерным сжиганием топлива.

В котле происходит нагрев воды, ее испарение и перегрев образовавшегося пара. В качестве топлива используется природный газ. Котел предназначен для работы в закрытых помещениях.

Теплоносителем являются продукты сгорания - дымовые газы. Горение топлива происходит в вертикальной топочной камере, образованной экранными трубами. Верхние и нижние концы труб введены в сборные коллекторы. На противоположных стенках топки расположены по две газо-мазутных горелки типа ГМУ-30, с помощью которых

сжигается топливо. В обогреваемых газами трубах, образующих топку и конвективную шахту, образуется насыщенный водяной пар. Пароводяная смесь поступает в верхние коллекторы, а из них в барабан-паросборник и выносные сепараторы-циклоны. В барабанах и циклонах происходит отделение пара от воды. По не обогреваемым опускным трубам и стоякам котловая вода поступает в нижние коллекторы экранов. После барабанов и циклонов пар направляется в пароперегреватель, где он перегревается горячими дымовыми газами, а затем идет потребителю.

Питание котла водой производится через экономайзер, в котором вода предварительно подогревается. Горячий воздух необходимый для горения, подается в топку через короба из воздухоподогревателя, обогреваемого горячими дымовыми газами. Движение дымовых газов по трактам котла осуществляется за счет работы дымососа Д-15,5. Подача воздуха производится высоконапорным вентилятором ВД-15,5.

Поступая к котлу, питательная вода (94.5т/ч, 3,0 МПа, 145 oC) направляется в водяной экономайзер, из первой ступени экономайзера питательная вода подается в конденсатор далее во вторую ступень экономайзера, а затем в барабан. Насыщенный пар из барабана поступает в пароперегреватель, а далее через ГПЗ к потребителю. Воздух поступает с напора дутьевого вентилятора на воздухоподогреватель, где нагревается до 200 oC и подается к горелкам котла (в топочную камеру). Разрежение продуктов сгорания в топке котла 20 Па. Продукты сгорания с температурой 1180 oC поступают на пароперегреватель. Затем с температурой 520 oC, давлением 100 Па. и 2 % содержанием кислорода направляются к экономайзеру, на входе которого температура 300 oC и давление 700 Па. Продукты сгорания после воздухоподогревателя с температурой 130 oC направляется в дымосос. Природный газ (6000-10000 нм3/ч) поступает к горелкам по газопроводу при температуре 4 oC и давлении 40 кПа.

Котел оборудован:

. трубопроводами топлива, питательной воды и пара

. электрифицированной арматурой, исполнительными механизмами и эл. двигателями (далее везде ИМ)

. датчиками и приборами контроля теплотехнических параметров ИМ., датчики и приборы контроля теплотехнических параметров образуют согласно функциональной принадлежности и пространственного расположения, следующие технологические (функциональные) подсистемы котла:

топливопроводов и газо-воздуховодов (ТГВ)

газо-мазутных горелок (ГМГ-30)

трубопроводов питательной воды и пара (ТПВП)

Режимная карта котла ТП-38 представлена в таблице 1.1

Таблица 1.2 - Режимная карта котла ТП-38

№ п/п

Наименование величин

Размер

Значение величин

1

Паропроизводительность

т/ч

82

100

136

2

Кол-во работающих горелок

шт

4

4

4

3

Давление газа за рег. клапаном

кгс/см2

0.09

0.13

0.21

4

Давление газа перед горелками № 1,2,3,4

кгс/м2

720

1050

1900

5

Расход газа

м3/ч

6530

7278

11238

6

Давление пара в барабане

кгс/см2

32-33

32-33

32-33

7

Давление перегретого пара

кгс/см2

31-32

31-32

31-32

8

Температура перегретого пара

°С

390-410

9

Температура питательной воды

°С

102

102

102

10

Давл. возд. перед воздухоподогревателем

кгс/м2

75

135

255

11

Давл. возд. за воздухоподогревателем

кгс/м2

45

80

160

12

Давл. возд. перед горелками № 1,2,3,4

кгс/м2

30

55

120

13

Разрежение в топке

кгс/м2

7-8

14

Температура газов за экономайзером

°С

220

226

250

15

Температура уходящих газов

°С

104

108

120

16

Содержание за пароперегревателем СО2  О2

%

10.4 2.5

10,8 1,8

11,2 1,3

17

Содержание перед дымососом СО2  О2

%

8,9 5,1

9,2 4,6

9,6 4,0

18

К-нт избытка возд. за пароперегреват.


1,12

1,08

1,06

19

К-нт избытка воздуха перед дымососом


1,29

1,25

1,21

20

КПД по обратному балансу

%

94,45

94,51

94,44

21

КПД среднеэксплуатационный

%

92,46

22

КПД средневзвешенный

%

92,46

1.3 Описание основного оборудования

Дымососы

На котле для отсоса дымовых газов установлены два дымососа, находящиеся на отметке 0 м. Газоходы котла объединены между собой.

Ходовая часть дымососа вращается на двух подшипниках. Для смазки подшипников применяется турбинное масло. Уровень масла проверяется по указателю уровня. Уровень масла должен быть не ниже нижней риски (отметки). Для охлаждения подшипников используется техническая вода. Показания температуры подшипников измеряется датчиком и выводятся на щит измерений. Температура подшипников должна быть не выше 80 0С.

Для регулирования разряжения в топке котла на всасе дымососов установлены шибера. Регулировка положения шиберов перед дымососом производится со щита управления котлом.

Характеристика дымососов

Дымососы Д-15,5 х 2ц двухстороннего всасывания.

Электродвигатель: ДА30-12-55-8

Производительность,151000 м3/час

Напор, 244 мм.вод.ст.

Число оборотов, 730 об/мин

Напряжение, 6000 В

Сила тока номинальная, 30 А.

Мощность электродвигателя, 250 кВт.

На газоходах котла ст. № 4 установлены следующие запорно-регулирующие устройства:

4 шибера перед электрофильтрами

перед каждым дымососом по два шибера с электроприводом

Вентиляторы

Дутьевые вентиляторы состоят из следующих узлов: ходовой части, улиткообразного корпуса с всасывающим и нагнетательным патрубками, рабочего колеса и направляющих аппаратов.

Ходовая часть состоит из вала, который вращается на двух подшипниках. Для смазки подшипников применяется турбинное масло. Уровень масла проверяется по указателю уровня. Уровень масла должен быть не ниже нижней риски (отметки). Для охлаждения подшипников используется вода.

Направляющие аппараты, с помощью которых регулируется подача воздуха, установлены на всасе вентилятора, они имеют поворотные лопатки. Все поворотные лопатки имеют общий поворотный механизм, с помощью которого они могут поворачиваться на одинаковый угол.

Воздух по воздуховоду через направляющий аппарат подводится к центру колеса и за счет центробежной силы отбрасывается от центра к периферии, нагнетается в воздуховод и дальше подводится к горелкам и в топку котла.

Для повышения температуры уходящих газов (для предотвращения низкотемпературной коррозии) на котле установлена линия рециркуляции и калорифер. Горячий воздух после воздухоподогревателя поступает через трубу на которой установлен шибер и вновь идёт на всас вентилятора и нагрев в воздухоподогреватель. За счет того, что в воздухоподогреватель поступает более горячий воздух, температура уходящих газов повышается. Из-за повышенного расхода воздуха через вентилятор, нагрузка на вентиляторе увеличивается.

Характеристика дутьевых вентиляторов.

Вентилятор: ВД 15,5.

Тип электродвигателя: 4А 315-84

Производительность: 74100 м3/час

Напор: 378 мм.вод.ст.

Мощность электродвигателя: 200 кВт

Число оборотов: 730 об/мин

Напряжение: 6 кВ

1.4 Характеристика КТС

На котлоагрегате ТП-38 для оценки технического состояния и технико-экономических показателей оборудования используется штатная система измерений и регулирования, реализованная на локальных средствах автоматизации.

Система автоматического регулирования построена на регулирующих приборах РПИБ и РС29.1.12 производства МЗТА. Оперативный контроль и управление основными технологическими процессами осуществляется с группового щита ГрЩУ, вспомогательного оборудования - с местных щитов управления.

Температура контролируется с помощью датчиков типа ТСМ, ТСП, ТХА, ТХК, давление и расход - с помощью технических манометров, контактных манометров, вакуумметров, дифманометров ДМ-3583М [3], датчиков МС2000.

В качестве вторичных приборов используются приборы серии КСД-2, РП-160.

В качестве исполнительных механизмов к регулирующим органам используются МЭО и КДУ. Для управления исполнительными механизмами типа МЭО использованы бесконтактные реверсивные магнитные пускатели ПБР, для КДУ - пускатели ПМЕ.

Для анализа содержания кислорода в дымовых газах применяется твердоэлектролитный анализатор кислорода в дымовых газах ТДК-3М «Оксимесс», ООО «НПФ Циркон», г.Москва.

Применяемые технические средства приведены в таблице 1.3.

Таблица 1.3 - КТС контуров регулирования котлоагрегата ТП-38

Контур регулирования

Тип регулятора

Тип измерительного преобразователя

Тип исполнител. механизма

САУ давлением пара за барабаном котла

РПИБ-III

ДМ-3583М

КДУ II/П

САУ разрежением

РПИБ-III

ДТ-2

КДУ II/П

САУ уровнем в барабане котла

РС29.1.12 M

ДМ-3583М, ДМ3583М, МС2000

МЭО 250/63-0,25

САУ соотношением топливо-воздух

РПИБ-III

ДМ-3583М

КДУ II/П

САУ непрерывной продувкой котла

Ручное

ДМ-3583М

КДУ II/П



Краткое описание применяемого оборудования.

Регуляторы РПИБ-III

РПИБ-III регулятор пропорционально интегральный бесконтактный. На сегодняшний день морально устаревший. Предназначен для работы с дифференциально-трансформаторными индуктивными преобразователями (до 3 штук). Снят с производства.

Регуляторы РС29 [4]

Функции, выполняемые прибором: суммирование сигналов от дифференциально - трансформаторных преобразователей (в пределах 0 - 10 мГн) и сигналов постоянного тока (модификация РС29.1), формирование выходных сигналов для воздействия на управляемый процесс в соответствии ПИ законом регулирования. Пропорционально-интегральный (ПИ) закон регулирования реализуется совместно с исполнительным механизмом; трёхпозиционным и двухпозиционным; сигнализация предельных отклонений сигнала рассогласования; индикация выходов.

Манометр дифференциальный ДМ 3583М [3]

Преобразователи ДМ-3583М предназначены для преобразования разности давлений в выходной унифицированный сигнал взаимной индуктивности с линейной зависимостью. Преобразователи применяются с вторичными приборами, регуляторами, сигнализаторами и другими устройствами автоматики, работающими от сигналов взаимной индуктивности или постоянного тока.

Принцип действия преобразователей ДМ-3583М основан на изменении деформации чувствительного элемента (мембранного блока) при действии на него разности давлений, приводящего к перемещению сердечника дифференциально-трансформаторного преобразователя, которое преобразуется в пропорциональное значение выходного сигнала взаимной индуктивности. Условное обозначение, диапазон изменения взаимной индуктивности, климатическое исполнение преобразователей ДМ-3583М приведены в таблице 1.4. В таблице 1.5 указаны основные технические данные дифманометров.

Таблица 1.4 - Характеристики ДМ-3583М

Условное обозначение

Диапазон изменения взаимной индуктивности, мГн

Климатическое исполнение по ГОСТ 15150-96

ДМ-3583М

0-10

У3, Т3


Основные технические данные сведены в таблицу 1.5.

Таблица 1.5 - Основные технические характеристики ДМ-3583М

Наименование показателя

Значение показателя

1. Верхние пределы измерений разности давлений, кПа

1,6; 2,5; 4,0; 6,3; 10; 16; 25; 40; 63; 100; 160; 250; 400; 630

2. Диапазоны изменения выходных сигналов взаимной индуктивности, мГн

0-10

4. Предельно допустимое рабочее избыточное давление, МПа

16; 25 (для разности давлений 6,3-630 кПа)

5. Пределы допустимой приведенной основной погрешности преобразования, % при изменении разности давлений в пределах: 0-100%

±1,0

6. Диапазон рабочих температур, °С

 

- исполнение У3, ТЗ

-30 +50

7. Электрическое питание:

 

- ток, мА

 

- напряжение, В

-

- частота, Гц

50 ±1

8. Потребляемая мощность, не более, ВА

2


Преобразователи давления МЭД-22364, МЭД-22365

Преобразователи давления (манометры, вакуумметры и мановакуумметры) типа МЭД, взаимозаменяемые моделей 22364 и 22365 предназначены для непрерывного преобразования избыточного или вакуумметрического давления в унифицированный выходной сигнал переменного тока, основанный на изменении взаимной индуктивности.

Технические данные:

Верхний предел измерений - 60 кгс/см2

Измеряемая среда - газ

Класс точности прибора 1; 1,5

Выходным сигналом приборов является взаимная индуктивность между первичной и вторичной цепями дифференциально-трансформаторного преобразователя, зависящая от значения измеряемого давления. Значения индуктивности составляют 0-10 мГ.

Питание первичной обмотки дифференциально-трансформаторного преобразователя прибора осуществляется от вторичного устройства переменным током 125мА 50Гц.

Исполнительные механизмы

Механизм исполнительный электрический однооборотный МЭО-250/63-0.25.

Механизмы исполнительные МЭО-250-92К перемещают рабочие органы неполноповоротного принципа действия (шаровые и пробковые краны, поворотные дисковые затворы, заслонки). Принцип работы электроисполнительных механизмов МЭО-250-92К заключается в преобразовании электрического сигнала поступающего от регулирующего или управляющего устройства во вращательное перемещение выходного вала. Исполнительные механизмы МЭО-250-92К устанавливаются вблизи регулирующих устройств и связываются с ними посредством тяг и рычагов. Исполнительные механизмы МЭО-250-92К изготовляются с датчиком обратной связи (блоком сигнализации положения выходного вала) для работы в системах автоматического регулирования. Виды блоков сигнализации положения - индуктивный БСПИ, реостатный БСПР, токовый БСПТ.

Состав исполнительного механизма МЭО-250-92К

электродвигатель АИР-56А4;

тормоз механический;

редуктор;

ручной привод;

блок сигнализации положения реостатный БСПР

Технические характеристики МЭО-250 представлены в таблице 1.6.

Таблица 1.6 - Технические характеристики МЭО-250

Условное обозначение механизма

Номинальный крутящий момент на выходном валу, N.m

Номинальное время полного хода выходного вала, s

Номинальное значение полного хода выходного вала, r

Потребляемая мощность, W

Масса  kg

Тип сигнализации положения выходного вала 

МЭО-250/63-0,25

250

63

0,25

200

27

БСПР


Климатические исполнения: У2 (от -30 до +50 °С); Т2 (от -10 до +50°С). Напряжение питания и частота питания - 220/380 V частотой 50 Hz. Режим работы механизма - S4, частота включений до 320 в час при ПВ до 25 %. Максимальная частота включений до 630 в час при ПВ до 25 %.

Для управления исполнительным механизмом (МЭО) используются трёхфазные асинхронные электродвигатели типа АИР 56 А4 У3.

Технические характеристики электродвигателя типа АИР 56 А4 У3 приведены в таблице 1.7. Данные взяты из справочной литературы [2].

Таблица 1.7 - Технические характеристики асинхронного двигателя

Тип электродвигателя

При номинальной нагрузке








АИР56 А4

0,12

1350

63

0,66

5,0

2,2

2,2

1500


Габаритные и присоединительные размеры МЭО-250 изображены на рис. 1.3.

Рис. 1.3 - Габаритные размеры МЭО-250

Колонка дистанционного управления КДУ.

КДУ предназначена для работы в системах автоматического регулирования тепловых процессов. Применяется совместно с электронными регулирующими ПИ приборами типа РПИБ. КДУ II/П комплектуется концевыми и путевыми выключателями и индукционным датчиком положения. Питание колонок осуществляется переменным током промышленной частоты напряжением 380В 50 Гц. Внешний вид колонки изображен на рисунке 1.4.

Рис. 1.4 - Колонка дистанционного управления КДУ

Управление исполнительным механизмом производится при помощи реверсивного магнитного пускателя.

2. Технико-экономическое обоснование системы управления

.1 Анализ существующей системы управления давлением пара за барабаном котла

Существующая система автоматизации реализована на базе локальных средств автоматики с регуляторами РПИБ и РС29.1.12.

Схемой автоматического регулирования предусматриваются следующие регуляторы:

давлением пара за барабаном котла.

регулятор общего воздуха.

регулятор разряжения в топке.

регулятор питания.

регулятор непрерывной продувки [5].

Краткая характеристика контуров регулирования приведена в таблице 2.1

Таблица 2.1 - Краткая характеристика контуров регулирования котлоагрегата ТП-38

Контур регулирования

Тип регулятора

Тип измерительного преобразователя

Тип САУ

САУ давлением пара за барабаном котла

РПИБ-III

МЭД-2364

одноимпульсная

САУ разрежением

РПИБ-III

ДТ-2

одноимпульсная

САУ уровнем в барабане котла

РС29.1.12 M

ДМ-3583М, ДМ3583М, МС2000

трехимпульсная

САУ соотношением топливо-воздух

РПИБ-III

ДМ-3583М

двухимпульсная

САУ непрерывной продувкой котла

ручное

ДМ-3583М

 

САУ давлением пара за котлом.

Назначение - поддерживать заданное давление пара путем изменения подачи топлива при колебаниях давления пара при изменении его расхода.

Система автоматического управления представлена на рис. 2.1. САУ состоит из регулирующего прибора РПИБ-III (поз. 1-2), работающего в ПИ-режиме, датчика давления МЭД-2364 (поз. 1-1) и колонки дистанционного управления КДУ-II (поз. 1-4) с регулирующим органом. Регулируемое давление пара непрерывно измеряется датчиком давления, преобразуется в сигнал индуктивности 0-10 мГ и поступает на регулятор. Если сигнал с датчика МЭД-2364 (поз. 1-1) равен заданной величине, оба сигнала равны и компенсируют друг друга, то система регулирования находится в покое. Если давление пара отклонится в какую-либо сторону от задания, то сигнал рассогласования обрабатывается регулятором, который затем вырабатывает управляющий дискретный сигнал 24В. Этот сигнал поступает на соответствующий контакт пускателя ПМЕ (поз. 1-3), который приводит в действие исполнительный механизм. Регулирующий орган будет перемещаться в направлении, необходимом для ликвидации сигнала рассогласования и восстановления заданного давления пара.

Рис. 2.1 - САУ давлением пара за котлом

Перечень технических средств САУ указан в таблице 2.2.

Таблица 2.2 - Состав САУ давлением

Позиция

Тип

Измеряемый параметр

Выходной сигнал

1-1

МЭД-2364

Давление

0-10 мГн

1-2

РПИБ-III

-

24В

1-3

ПМЕ

-

-

1-4

КДУ-II

-

-


ГПЗ - главная паровая задвижка.

САУ разрежением в верхней части топки котла.

Назначение - поддерживать заданное значение разрежения 20-40 Па в верхней части топки котла, путем изменения угла поворота лопастей направляющего аппарата дымососа.

Система автоматического управления представлена на рис. 2.2. САУ состоит из регулирующего прибора РПИБ-III (поз. 2-2), работающего в ПИ-режиме, датчика давления ДТ-2 (поз. 2-1) и колонки дистанционного управления КДУ-II (поз. 2-3) с регулирующим органом НА (поз. 2-4). Регулируемое давление пара непрерывно измеряется датчиком давления, преобразуется в сигнал индуктивности 0-10 мГ и поступает на регулятор. Если сигнал с датчика ДТ-2 (поз. 2-1) равен заданной величине, оба сигнала равны и компенсируют друг друга, то система регулирования находится в покое. Если давление пара отклонится в какую-либо сторону от задания, то сигнал рассогласования обрабатывается регулятором, который затем вырабатывает управляющий дискретный сигнал 24В. Этот сигнал поступает на соответствующий контакт пускателя ПМЕ (поз. 2-3), который приводит в действие исполнительный механизм. Регулирующий орган будет перемещаться в направлении, необходимом для ликвидации сигнала рассогласования и восстановления заданного давления пара.

Рис. 2.2 - САУ разрежением в верхней части котла

Перечень технических средств САУ указан в таблице 2.3

Таблица 2.3 - Состав САУ давлением

Позиция

Тип

Измеряемый параметр

Выходной сигнал

2-1

ДТ-2

разрежение

0-10 мГн

2-2

РПИБ-III

-

24В

2-3

ПМЕ

-

-

2-4

КДУ-II

-

-


САУ уровнем воды в барабане котла.

Назначение - поддержать уровень воды в барабане постоянным с точностью ±20 мм при изменении расхода пара.

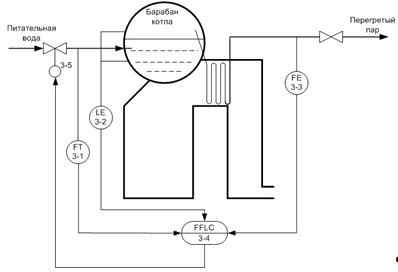
Система автоматического регулирования изображена на рис 2.3. САУ состоит из регулирующего прибора РС29.1.12 (поз. 3-4), работающего в ПИ-режиме, датчика уровня воды в барабане котла ДМ-3583М (поз. 3-2), преобразователя расхода пара ДМ-3583М (поз. 3-3), преобразователя расхода питательной воды МС2000 (поз. 3-1) и электрического исполнительного механизма МЭО-250/63-0,25 (поз.3-5) с регулирующим клапаном.

САУ уровнем воды в барабане - трехимпульсная [6]. Регулятор РС29.1.12 (поз. 1-4) получает сигнал пропорциональный изменению уровня воды в барабане котла от датчика ДМ-3583М (поз. 1-1) и корректирующие сигналы по расходу питательной воды от датчика МС2000 (поз. 1-3) и датчика расхода пара ДМ-3583М (поз. 1-3). Прибор сравнивает эти сигналы с сигналом задатчика. При появлении сигнала рассогласования регулятор, воздействуя на количество питательной воды протекающей через регулирующий орган, по ПИ-закону, восстанавливает равновесие системы.

Рис. 2.3 - САУ уровнем в барабане котла

Перечень технических средств САУ указан в таблице 2.4

Таблица 2.4 - Состав САУ уровнем в барабане котла

Позиция

Тип

Измеряемый параметр

Выходной сигнал

3-1

МС2000

Расход воды

0-5 мА

3-2

ДМ-3583М

Уровень воды

0-10 мГн

3-3

ДМ-3583М

Расход пара

0-10 мГн

3-4

РС29.1.12

-

24В

3-5

МЭО-250/63-0,25

-

-


САУ соотношением «топливо-воздух».

Назначение - поддерживать заданное соотношение между давлением топлива и давлением воздуха на горелках во всем диапазоне нагрузок котла согласно режимной карте. Необходимые данные получены при теплотехнической наладке.

САУ соотношением «топливо-воздух» изображена на рис 2.4.

САУ состоит из регулирующего электронного прибора РПИБ-III (поз. 4-3) работающего в ПИ-режиме, датчика давления воздуха ДТ-2 (поз. 4-2), датчика расхода газа ДМ-3583М (поз. 4-1), пускателя ПМЕ и колонки дистанционного управления КДУ-II (поз. 4-4) с регулирующим органом (направляющий аппарат вентилятора).

Рис. 2.4 - САУ соотношением «топливо-воздух»

Сигнал пропорциональный изменению расхода газа, преобразуется датчиком расхода газа ДМ-3583М (поз. 4-1) и посылается на регулятор РПИБ-III (поз. 4-3), где он сравнивается с сигналом от датчика давления воздуха ДТ-2 (поз 4-2). При данном расходе газа в топку подается определенное количество воздуха согласно режимной карте котла. Всякое изменение расхода газа вызовет изменение сигнала датчика и регулятор должен восстановить соотношение сигналов датчиков, т.е. соотношение «давление топлива - давление воздуха». Давление газа является задающим параметром для регулятора воздуха, изменяющего подачу воздуха вслед за изменением расхода газа, т.е. регулятор воздуха, является следящим.

Перечень технических средств САУ указан в таблице 2.5.

Таблица 2.5 - Состав САУ соотношением «топливо-воздух»

Позиция

Тип

Измеряемый параметр

Выходной сигнал

2-1

ДМ-3583М

Расход газа

0-10 мГн

2-2

ДТ-2

Давление воздуха

0-10 мГн

2-3

РПИБ-III

-

24В

2-4

КДУ-II

-

-


Регулирование температуры перегретого пара осуществляется дистанционно путем изменения положения факела.

Регулирование расхода котловой воды в линии непрерывной продувки осуществляется дистанционно по результатам химического анализа.

Анализ качества управления существующей САУ давлением пара за котлом

САУ предназначена для автоматического поддержания давления пара за барабаном котла за счет изменения подачи топлива (природный газ) на горелки котла.

Существующая система управления построена на базе локального регулятора РПИБ-III. Для оценки качества работы системы регулирования проанализируем работу САУ давлением пара за барабаном котла ТП-38 ООО «Обуховоэнерго».

Допустимые значения максимальных отклонений основных технологических параметров в нормальных эксплуатационных условиях при постоянном заданном значении нагрузки котла указаны в таблицу 2.5.

Таблица 2.6 - Допустимые значения максимальных отклонений тех. параметров

Технологический параметр

Максимальное отклонение

Давление перегретого пара перед турбиной или в главной паровой магистрали (только в режиме постоянного давления и в тех случаях, когда оно поддерживается котельной автоматикой), %

±2

Расход пара на выходе из котла (в тех случаях, когда он поддерживается котельной автоматикой), %

±3

Температура перегретого пара на выходе из котла (в указанном ТУ (ТЗ) диапазоне нагрузок), %

±1

Температура пара промежуточного перегрева на выходе из котла (в указанном ТУ (ТЗ) диапазоне нагрузок), %

±1

Уровень воды в барабане котла, мм

±20

Содержание избыточного кислорода в продуктах сгорания топлива, %:

±1

Разрежение в топке, Па (мм вод.ст.)

±20(±2)


Аппроксимируем тренд давления пара (см. рис 2.5) при работе САУ за 8 часов работы плавной кривой и выполним необходимые вычисления.

Рис. 2.5 - Тренд давления пара за барабаном котла ТП-38

Затем нужно определить среднеарифметическое значение параметра (математическое ожидание) по формуле

 

,94 [МПа]

Произведем проверку, подчиняются ли эти остаточные случайные отклонения закону Гаусса. Для этого рассчитаем среднеквадратическое отклонение ряда дискретных значений параметра (стандарт) σ по формуле Бесселя.

 

И по формуле нормального распределения

 и

Так как  и  отличаются друг от друга менее чем на 10%, то действительный закон распределения принимаем как нормальный.

Разброс дискретных значений управляемого параметра относительно математического ожидания определяется по величине дисперсии

Далее следует определить границу доверительного интервала отклонения параметра от математического ожидания .

При доверительной вероятности Рдов, равной 0,95

Тогда , ,  МПа

Отсюда получаем 2,92±0,082 МПа.

Согласно требованиям регламента, допустимое значение максимального отклонения давления пара за котлом должно быть равным , то есть находиться в диапазоне 2,79 - 3,0 МПа

Исходя из результатов обработки трендов, давление пара будет находиться в диапазоне 2,83 - 3,0 МПа. Следовательно, САУ давлением пара за барабаном котла в целом удовлетворяет требованиям регламента. Но т.к. параметр достигает верхнего предела, целесообразно усовершенствовать САУ давления пара за котлом.

Существующая система управления на базе локального регулятора РПИБ в целом удовлетворяет требованиям, предъявляемым техническим регламентом, но нахождение параметра регулирования у верхней границы нецелесообразно во время эксплуатации котлоагрегата.

У существующей системы есть следующие недостатки.

. система позволяет реализовать только простые алгоритмы управления;

. имеет низкий уровень автоматизации и большое количество контрольно-измерительных и преобразовательных приборов, что экономически и технически нецелесообразно;

. система физически и морально устарела вследствие износа ее составляющих. В связи с этим уменьшаются экономические параметры и производительность котла, приходится снижать его нагрузку, уменьшается надежность системы. Таким образом, поскольку котел ТП-38 является объектом повышенной опасности с точки зрения безопасности работы производственного оборудования, для обеспечения его надежной, безопасной и экономичной работы необходимо внедрение новой САУ котлоагрегата, т.к. старая система автоматизации уже не удовлетворяет повышенным требованиям, предъявляемым к безопасности эксплуатации и обслуживания котлоагрегата.

.2 Выбор и обоснование системы управления

Учитывая вышеуказанные основные недостатки исходной системы управления, можно сделать вывод об необходимых свойствах проектируемой системы. Требования к надежности, эффективности и функциональности систем управления, установленных на котлах данной ТЭЦ определенно возрастет, что можно обосновать потребность в модернизации существующей САУ или ее полной реконструкции.

Учитывая результаты анализа САУ котла и АСР давления в частности, представленные в предыдущем разделе (п. 2.1.1), при изучении варианта модернизации действующей на котле системы автоматизированного управления был выбран вариант замены исходной системы на новую, безщитовую, централизованную, основанную на базе программируемого логического контроллера (ПЛК), как отвечающую всем требованиям САУ теплоэнергетическим объектом (коим является рассматриваемый котел) современного уровня.

Централизация, снижающая живучесть системы, в данном случае вызвана, в основном, экономическими причинами (т.к. один комплекс ПЛК современного уровня успешно справляется с управлением средних теплоэнергетических объектов) и относительной простотой структуры системы управления в данном случае. Для компенсации снижения живучести системы возможно применить комплекс средств и действий, направленных на резервирование проектируемой системы и обеспечения ее бесперебойной и надежной эксплуатации.

Выбор в качестве управляющей части САУ программируемого логического контроллера позволяет модернизировать исходный комплекс технических средств, заменяя устаревшее и выработавшее срок своей эксплуатации оборудование САУ котла (измерения, исполнительной части, привода арматуры и др.), что, вкупе со сменой уровня автоматизации управляющей части обеспечить определенную новизну проектируемой системе. Применение ПЛК позволяет использовать безщитовой вариант системы управления, предоставляя оператору котла несравнимо большее, нежели исходная система (на базе локальных регуляторов), участие в функционировании системы и работе котла, что выражается в максимуме предоставляемой оператору информации о системе, возможность непосредственного контроля за процессами и оборудованием котла, оперативной перенастройки и диагностики работы САУ.

Целью создания и внедрения автоматизированной системы управления паровыми котлами является достижение оптимальных производственно-экономических, технологических и технических параметров работы котлов за счет внедрения современных и передовых технологий управления. Функционально котел и его оборудование можно разделить на несколько частей (рис. 2.6):

• система подачи топлива;

• система подачи воздуха;

• горелочные устройства;

• система непрерывной продувки котловой воды;

• топка;

• система подачи воды;

• барабан котла.

Рис. 2.6 - Функциональная схема котла

Исходя из функциональной схемы на рис 2.6 требуется реализовать контроль и управление автоматизированной системой управления следующих участков:

подачи воздуха на горение;

подачи газа;

регулирования разрежения в топке;

регулирования уровня воды в барабане котла [7];

система управления непрерывной продувкой котла;

Выбор контроллера

Рис. 2.7 - Функциональная схема разрабатываемой САУ давлением пара за котлом

Из функционально-технологической структуры объекта видно, что разрабатываемая структура контроллера должна обладать следующими свойствами:

классический контроллер образуется набором модулей, установленных в каркас (крейт) и объединенных традиционной параллельной шиной;

контроллер имеет два модуля центрального процессора, взаимодействующего с остальными модулями контроллера через параллельную шину;

остальные модули выполняют в контроллере функции устройств сопряжения с объектом (УСО) или другие вспомогательные функции;

все модули, кроме процессорного, не являются интеллектуальными;

взаимодействие между модулями осуществляется на уровне циклов обращений микропроцессора к внутренним регистрам и ячейкам памяти модулей;

взаимодействие по параллельной шине характеризуется высокими скоростями передачи;

относительно высокое число каналов в контроллере.

Применение PLC в качестве регуляторов позволит увеличить быстродействие всей АСУТП в целом, сделать процесс регулирования более гибким при помощи выбора наиболее оптимальных настроек регулятора

Выбор системы автоматизации будем производить из двух возможных вариантов:

ПТК «СР6000» производства СКБ «ПСИС» г. Чебоксары[8]

ПТК «КОНТАР» производства «МЗТА» г. Москва[9]

Таблица 2.7 - Основные данные управляющих контроллеров

Наименование

КОНТАР

СР6000


Назначение

Предназначен для построения децентрализованной СУ, размещается вблизи ОУ. Имеет внутреннюю самодиагностику и проектнокомпонуемый состав. Высокий уровень надежности и живучести, возможности резервирования. Свободно-программируемый контроллер.

Контроллеры с мезонинной архитектурой серии СР6000. Возможность реализации на единой элементной и конструктивной базе АСУТП различного назначения и сложности.

Основной модуль

автономный контроллер МС8, МС12

Контроллеры СР6782/СР6783/СР6784

Минимальная компановка ПТК

МС8(12)

- СР6708 - клеммная колодка - СР678* - модуль контроллера - СР6762 - модуль питания - СР671* - модуль ввода 3 DI - СР672* - модуль вывода 2 DO - СР6731 - модуль ввода токовый 4-20мА -СР6732 - модуль аналоговый AI -СР6751- модуль интерфейса

Напряжение питания

от сети 220В или  24В, 50(60)Гц

от сети 220В

Максимальное количество вх/вых или общее

Дискретные входы - 4 Аналоговые входы - 8 Дискретные выходы - 8 Аналоговые выходы - 2

Свободно масштабируемая система

Совместимость с ПК

Связь с ПК по интерфейсу RS232. Требования к ПК - процессор Pentium III

Связь с ПК по интерфейсу RS232, RS485.

Наличие специализированных  модулей управления техпроцессом

МС8_РСТВ - регулятор соотношением топливо - воздух

Ремиконт Р-130 - Микроконтроллер МК1

Среда разработки

КОНГРАФ

Бесплатная среда CoDeSyS

Пульт управления

Встроенный пульт - наличие дисплея и кнопок управления

CP6911- пульт станционарный графический


ПТК «СР6000» производства СКБ «ПСИС» г.Чебоксары является более предпочтительным, ввиду его централизованной структуры, более низкой цены и преимущества мезонинной организации СР6700:

Минимальная избыточность (1-3 канала на модуле).

Снижение эксплуатационных расходов: диагностика до канала, простая процедура замены модулей без настроек и монтажных работ, оптимальный ЗИП.

Дешевое резервирование процессоров, важных сигналов, естественная живучесть.

Параллельная обработка данных на мезонинах, обеспечивающая любые структуры и количества информационных связей контроллеров.

Возможность реализации на единой элементной и конструктивной базе АСУТП различного назначения и сложности.

Процессор СР6782 имеет значительно больший объем памяти, чем основной модуль МС8 ПТК «КОНТАР».

Система является легко масштабируемой, т.е., при необходимости, уже в процессе эксплуатации она может быть расширена без ущерба для работы уже установленной системы.

Простота организации и наглядность систем диспетчеризации как локальных, так и территориально распределенных объектов

Контроллеры СР6700 имеет высокую надежность и помехоустойчивость, универсальность применения и преемственность по отношению к традиционным российским датчикам и исполнительным устройствам.

2.3 Экономическая оценка системы управления

Экономичность работы парового котла ТП-38 в значительной мере определяется уровнем его автоматизации ввиду сложности протекающих в нем процессов, надежное управление которыми невозможно без применения средств информационной измерительной техники.

Существующая система автоматизации котла выполнена по принципу локального регулирования. Замена этой системы на современный управляющий комплекс позволит более точно регулировать технологические параметры, повысит надежность работы оборудования.

Также позволит снизить удельные затраты сырья и энергии на единицу производимого пара.

Капитальные вложения на стадии эксплуатации системы управления определяются затратами на приобретение предварительно разработанного комплекса технических средств с последующими монтажными и наладочными работами.

Эти затраты компенсируются в течение срока окупаемости проекта. Расчет экономической эффективности предлагаемой системы на базе контроллера серии «СР6700» представлен в пункте 6.

3. Разработка системы управления

Для создания автоматизированной системы управления процессами выработки пара, в первую очередь необходимо определить цель создания системы и ее назначение, а также провести обследование котла и его технологического оборудования как объекта предстоящей автоматизации. В процессе обследования надо составить перечень технологического оборудования, указать на его исправность, определить режимы работы и эксплуатационные характеристики: энергопотребление, вид топлива, производительность и др., а также контролируемые и управляемые параметры, перечень критических и опасных значений параметров процесса.

Математическое описание объекта управления.

В данном дипломном проекте рассмотрена автоматизация котла ТП-38 с разработкой САУ давлением пара на выходе котла.

Для построения математической модели объекта управления были сняты разгонные кривые по давлению пара по каналам: управления (подача топлива в топку) и возмущения (расход пара). Для удобства расчетов значения единиц давления были переведены в систему Си. Приведенные ниже разгонные характеристики говорят о том, что изменение давления пара начинается с некоторым запаздыванием τ, характеризующим влияние инерционности топки на динамические свойства котла.

Динамические характеристики объекта управления по каналу управления:

Канал управления: расход топлива (природный газ) в топку котла Qт (м3/ч) - давление пара на выходе котла Рп (кПа).

Рис. 3.1 - График изменения расхода топлива подаваемого на горелки котла ТП-38

Рис. 3.2 - Кривая разгона по давлению пара при управлении расходом топлива

По графикам, представленным на рис 3.1 и рис. 3.2 можно рассчитать математическую модель объекта управления по каналу управления:

Объект можно описать передаточной функцией 1-го порядка с запаздыванием.


где: постоянная времени объекта по каналу управления;коэффициент передачи объекта по каналу управления;

τ - запаздывание по каналу управления.

Найдем параметры модели объекта:

Для определения передаточной функции Wоб (p), необходимо вычислить коэффициент передачи объекта (kоб), постоянную времени объекта (Тоб) и запаздывание в объекте (τоб).

Значения этих величин можно получить непосредственно обработав кривые разгона путем простейших вычислений.

Запаздывание определяем визуально по кривой: τоб = 16 [c].об = ∆P / ∆Qт = (2824,3-2941,98)/(9340-8000) = 0,088 [кПа / м3/ч]

Для нахождения Тоб найдём Р (t1) и Р (t2), после по кривой разгона определим непосредственно t1 и t2 и вычислим постоянную времени объекта:

Р1 = ΔQт*Коб*0.63+Р0 = 1340 * 0,088 * 0,63 + 2824,3= 2898,44 [кПа]

Р2 = ΔQт*Коб*0.87+Р0 = 1340 * 0,088 * 0,87 + 2824,3= 2927 [кПа]= 81 с= 114 с

Тоб = (t1 + t2 - 2τ)/3 = (81+114-2*16) / 3 = 54 [с].

  

Динамические характеристики объекта управления по каналу возмущения:

Канал возмущения: расход пар Qп (т/ч) - давление пара на выходе котла Рп (МПа).

Для снятия разгонной характеристики котлоагрегата ТП-38 были проведены замеры изменения давления пара при изменении потребления пара турбиной со 95 до 105 т/ч.

Рис. 3.3 - График изменения расхода пара

Рис. 3.4 - Кривая разгона по давлению пара при изменении расхода пара

Передаточная функция апериодического объекта 1-го порядка с запаздыванием при возмущении расходом пара:


где: постоянная времени объекта по каналу возмущения;коэффициент передачи объекта по каналу возмущения;

τ - запаздывание по каналу возмущения.

Найдем параметры модели объекта:

Для определения передаточной функции Wоб (p), необходимо вычислить коэффициент передачи объекта (kоб), постоянную времени объекта (Тоб) и запаздывание в объекте (τоб).

Запаздывание определяем визуально по кривой:

τобв = 60 [с].обв = ∆P / ∆Qт = (3138,23-3089,09)/(95-105) = -4,9 [кПа / т/ч]

Для нахождения Тоб найдём Р1 и Р2, после по кривой разгона определим непосредственно t1 и t2 и вычислим постоянную времени объекта:

Р1 = ∆Qп * kобв *0.63+Р0 = 10 * -4,9 * 0,63 + 3138,2 = 3107,3 [кПа]

По графику находим t1 = 248 с

Р2 = ∆Qп * kобв *0.87+Р0 = -4,9 * 10 * 0,87 + 3138,2 = 3095,6 [кПа]

По графику находим t2 = 316 с

Тоб = (t1 + t2 - 2τ)/3 = (248+316-2*60) / 3 = 148 [с].

 

В результате обработки графиков разгонных характеристик котлоагрегата ТП-38 данных были получены передаточные функции по каналам управления и возмущения.

.2 Анализ возмущающих воздействий

Для выбора режимов работы, построения системы автоматического регулирования процессами, протекающими при производстве пара, необходимо провести анализ входных и выходных потоков технологического процесса и получить математическое описание объекта управления.

На рис. 3.5 представлена упрощенная схема котельной установки ТП-38.

Рис. 3.5 - Упрощенная схема парового котлоагрегата ТП-38

Анализ литературных источников [5,6,7] и опыта промышленной эксплуатации позволил выявить, что в процессе производства пара на котельной установке ТП-38 основным выходным параметром (регулируемой переменной) является давление генерируемого пара p. Входными воздействиями (регулирующими и возмущающими) в процессе производства пара являются степень открытия клапана на подачи топлива μ2, степень открытия клапана на линии отбора пара μ1 (или расход потребляемого пара gп), температуры подаваемой топливной смеси вх tсм и питающей воды вх tв, давление в линии подачи топлива рт и давление в линии потребления пара рпот (рис. 3.6).

Рис. 3.6 - Связь меду параметрами

В качестве регулирующего воздействия может быть выбрана степень открытия клапана на линии подачи топлива в топку, а остальные воздействия являются возмущающими. Основным возмущающим воздействием на процесс производства пара является колебание давления в линии потребителя пара.

Управляющим воздействием для корректировки давления пара на выходе котла является расход топлива. Также влияние на изменение давления оказывают расход отбираемого к потребителю пара и расход питательной воды, поступающей в котел, хотя эти показатели технологического процесса вносят незначительные коррективы в работу САУ.

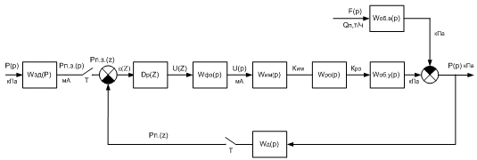
Структурная схема математической модели системы управления давлением пара на выходе котла представлена на рис 3.7.

т (Р)

п (Р) Рп (Р)

Рис. 3.7 - Структурная схема математической модели САУ давлением пара за котлом

На данном рисунке даны следующие обозначения:т (Р) - расход топлива;п (Р) - расход пара;

Рп (Р) - давление пара на выходе котла;об1 (Р) - передаточная функция объекта по каналу: расход топлива - давление пара на выходе котла.об2 (Р) - передаточная функция объекта по каналу: расход пара - давление пара на выходе котла.

Синтез системы управления.

Синтез системы управления производился при помощи автоматизированной системы имитационного моделирования автоматических систем управления разработанной доцентом кафедры АСУ ТП СПГТУРП Селяниновой Л.Н. [10]

Для расчета составлена алгоритмическая схема разрабатываемой САУ, представленная на рис.3.8 и листе 10.02.11- 075097 АКУ.6.

Рис. 3.8 - Алгоритмическая схема разрабатываемой САУ

ЗД(P) - передаточная функция задатчика.Р(Z) - дискретная передаточная функция цифрового регулятора.ФЭ(Р) - передаточная функция формирующего элемента.ИМ(Р) - передаточная функция исполнительного механизма.РО(P) - передаточная функция регулирующего органа на линии подачи топлива.ОБ.У(P) - передаточная функция объекта по каналу управления.

WОБ.В(P) - передаточная функция объекта по каналу возмущения.

ε(Z), U(Z),, PП.(Z) - дискретные изображения соответствующих аналоговых сигналов.

Т - период дискретности

Рассматривается линейная одноконтурная система с амплитудно-импульсной модуляцией. Ранее были получены передаточные функции для рассматриваемого объекта по каналам:

расход топлива - давление пара на выходе котла:

  

и расход пара - давление пара на выходе котла:

 

Произведем расчет цифровой САУ с ПИ-алгоритмом управления.

Передаточная функция дифференциального датчика давления равна

 []

Передаточная функция регулирующего органа при условии, что максимальный расход топлива на горелки Qтмах =10000 м3/ч соответствует 100% открытия клапана равна:

 []

Для синтеза системы выбираем ПИ-регулятор. ПИ-закон регулирования позволяет увеличить точность регулирования, уменьшить время отработки задающего воздействия, свести статическую ошибку к нулю.

 

где К1 и К2 - коэффициенты настройки регулятора.

После внесения численных значений передаточных функций в систему, получаем область устойчивости в плоскости К1 и К2, которая определяется следующим образом:

апериодическая граница задаётся в виде неравенства К1 > К2;

колебательная граница задаётся в виде таблицы значений К1 и К2;

линия равного запаса устойчивости задаётся в виде таблицы значений К1 и К2

Распечатка данных приведена в приложение 1.

Рис. 3.9 - Колебательная граница устойчивости

Рис. 3.10 - Линия равного запаса устойчивости

Выбранные настройки регулятора:= 71.5= 67.0

Расчет и анализ системы управления.

С помощью программы АSIM LIN строим переходные процессы по задающему и возмущающему воздействиям. Рекомендуемые параметры настройки регулятора при ПИ-законе управления: К1 = 71.5, К2 = 67.0. Данные настройки обеспечивают минимальное перерегулирование 11% и минимальное время обработки сигнала.

Переходный процесс по задающему воздействию представлен на рисунке 3.11.

Рис. 3.11 - График переходного процесса по заданию.

Произведем оценку показателей качества работы системы управления для переходного процесса под действием задающего воздействия. Иллюстрации для расчета приведены на рис.3.11 и листе 10.02.11-075-097.АКУ8 графической части диплома.

Статическая ошибка.

Как видно из графика переходного процесса, этот показатель в данной системе равен нулю.

∆Х∞ = 0

Максимальный динамический выброс.

∆Рmax = Рmax - Р0 = 222-0=222 кПа

Перерегулирование.

Критерий запаса устойчивости (склонность системы к колебаниям) определяет степень удаленности проектируемой системы от ее колебательной границы устойчивости в плоскости варьируемых параметров.

Затухание за период.

Время регулирования.

По графику находим tрег = 97 с

Время регулирования определяется заданной точностью регулируемого параметра. В данной системе - 5%.

Время переходного процесса.

По графику находим tпер.пр = 160 с

Время переходного процесса приближенно определяется зоной допустимого изменения регулируемого параметра. В данной системе - 2%.

Произведем оценку показателей качества работы системы управления для переходного процесса под действием возмущающего воздействия. Иллюстрации для расчета приведены на рис.3.12 и листе 10.02.11-075-097.АКУ8 графической части диплома.

Переходный процесс по возмущению представлен на рисунке 3.12.

Рис. 3.12 - График переходного процесса по возмущению

Из графика на рис.3.12 видно, что по данному каналу система обладает значительно меньшим быстродействием, чем по каналу управления. Это закономерно, поскольку из передаточной функции объекта следует, что по этому каналу он является более инерционным.

Статическая ошибка.

Как видно из графика переходного процесса, этот показатель в данной системе равен нулю.

∆Р∞ = 0

Максимальный динамический выброс.

Перерегулирование.

Не определяем.

Критерий запаса устойчивости (склонность системы к колебаниям) определяет степень удаленности проектируемой системы от ее колебательной границы устойчивости в плоскости варьируемых параметров.

Затухание за период.

Не определяем.

Время регулирования.

По графику находим tрег = 560 с

Время регулирования определяется заданной точностью регулируемого параметра. В данной системе - 5%.

Время переходного процесса.

Не определяем.

Время переходного процесса приближенно определяется зоной допустимого изменения регулируемого параметра. В данной системе - 2%.

При расчете одноконтурной системы автоматического регулирования были получены следующие настройки регулятора: К1 = 71.5, К2 = 67.0. Предлагаемая система автоматического регулирования имеет величину перерегулирования 11%, статическая ошибка минимальная.

4. Разработка системы автоматизации и выбор КТС

Для разрабатываемой системы автоматизации котлоагрегата ТП-38 и управления его технологическими параметрами предлагается система управления выполненная на базе программируемого контроллера модели СР6782, промышленных внешнего пульта управления СР6911, фирмы (СКБ ПСИС (г. Чебоксары) и АРМ оператора.

Структура системы управления на базе ПТК СР6782 представлена на рис. 4.1. и на листе 10.02.11-075097.АКУ.9. Система представляет собой централизованную трехуровневую систему управления.

На нижнем (полевом) уровне находятся измерительные преобразователи, исполнительные механизмы и др. оборудование котлоагрегата ТП-38.

На среднем уровне расположен блок управления, предназначенный для обработки входных аналоговых и дискретных сигналов и управления внешними устройствами по заданному алгоритму, представляющий собой контроллер с модулями входных и выходных сигналов и с выходом в сетевой интерфейс RS-485.

Рис. 4.1 - Структурная схема системы управления

На верхнем уровне находится автоматизированное рабочее место оператора. Связь АРМ с управляющим контроллером происходит по интерфейсу RS-485, с использованием

протокола MODBUS RTU. Автоматическая система управления котлоагрегата должна обеспечить выработку пара строго в соответствии с его потреблением турбиной и поддержание ряда качественных показателей работы оборудования.

Для решения этих задач производится регулирование, контроль и регистрация следующих параметров:

. автоматическое регулирование:

уровня воды в барабане котла;

давления пара на выходе котла;

разрежения в топке котла;

соотношения «топливо-воздух».

управление температурой перегретого пара

управление непрерывной продувкой котловой воды

. контроль и регистрация:

давления пара;

разрежение в топке;

давление воздуха перед горелками;

давление газа перед горелками;

расход питательной воды;

расход пара;

расход газа на котел;

уровень в барабане котла.

. управление регулирующими органами:

управление клапаном на линии подачи топлива в котел;

управление клапаном на линии подачи питательной воды;

управление направляющими аппаратами дутьевого вентилятора;

управление направляющими аппаратами дымососа;

управление клапаном на линии впрыска воды в пароперегреватель;

управление клапаном на линии непрерывной продувки котловой воды.

Датчики снимают показания с объекта управления и передают их в виде унифицированного сигнала на контроллер СР6782 через модули аналоговых входных сигналов СР6731. В контроллере данные программно обрабатываются в соответствии с алгоритмом и заданием, в результате микроконтроллер вырабатывает управляющие сигналы, которые через модули выходов СР6723 поступают на исполнительные устройства (исполнительные механизмы и регулирующие органы) для регулирование следующих параметров: уровня воды, давления пара на выходе котла, разрежения в топке, соотношения «топливо-воздух».

4.1 Выбор КТС системы автоматизации

В проекте предусматривается установка контрольно-измерительных приборов фирмы «Метран». Микропроцессорные измерительные преобразователи производства «МЕТРАН» имеют ряд преимуществ перед традиционными датчиками.

Экономические преимущества:

Снижение временных и экономических затрат при проектировании систем автоматизации;

Возможность перенастройки диапазона и как результат сокращение затрат в 5-7 раз на содержание парка запасных датчиков;

Снижение сроков поставки изделий до 20 дней.

Преимущества микропроцессорного преобразователя:

Оперативность проведения ремонтных и профилактических работ как результат непрерывной самодиагностики; уменьшение простоев оборудования и повышение надежности производственного процесса;

Повышенная точность измерений (приведенная погрешность до +0,15 %);

Встроенная cамокалибровка;

Сигнализация обрыва или короткого замыкания первичного преобразователя (сенсора);

Минимизация погрешности измерений.

Линеаризация микропроцессором номинальной статической характеристики сенсора для повышения точности измерений;

Сигнализация выхода сигнала 4-20 мА (20-4 мА) за пределы допускаемого диапазона в процессе настройки и пусконаладочных работ;

Возможность инверсного выхода 20-4 мА;

Встроенный фильтр радиопомех.

Средства автоматизации, применяемые в проекте:

Для непрерывного преобразования давления пара за котлом в унифицированный сигнал постоянного тока (4-20 мА) для систем управления, применен измеритель давления, типа «Метран-150СG - (0 - 6 МПа), фирмы «Метран».

Для непрерывного преобразования уровня воды в барабане котла в унифицированный сигнал постоянного тока (4-20 мА) для систем управления, применен преобразователь дифференциального давления, типа «Метран - CD - (0-6,3 кПа)», фирмы «Метран».

Для непрерывного преобразования расхода газа подаваемого на горелки котла в унифицированный сигнал постоянного тока (4-20 мА) для систем управления, применен преобразователь дифференциального давления, типа «Метран - CD - (0-6,3 кПа)», фирмы «Метран».

Для непрерывного преобразования давления воздуха подаваемого на горелки котла, в унифицированный сигнал постоянного тока (4-20 мА) для систем управления, применен преобразователь дифференциального давления, типа «Метран - CG - (0-6,3 кПа)», фирмы «Метран».

Для непрерывного преобразования расхода пара в унифицированный сигнал постоянного тока (4-20 мА) для систем управления, применен преобразователь дифференциального давления, типа «Метран - CD - (0-250 кПа)», фирмы «Метран».

Для непрерывного преобразования расхода питательной воды в унифицированный сигнал постоянного тока (4-20 мА) для систем управления, применен преобразователь дифференциального давления, типа «Метран - CD - (0-63 кПа)», фирмы «Метран».

Для непрерывного преобразования расхода воды на впрыск в пароперегреватель, в унифицированный сигнал постоянного тока (4-20 мА) для систем управления, применен преобразователь дифференциального давления, типа «Метран - CD - (0-250 кПа)», фирмы «Метран».

Для непрерывного преобразования значения температуры пара в пароперегревателе, в унифицированный сигнал постоянного тока (4-20 мА) для систем управления, применены термопреобразователи с унифицированным выходным сигналом, типа «ТХАУ Метран-271 (0-600 ºС) (4 - 20 мА)», фирмы «Метран».

Для непрерывного преобразования расхода котловой воды на непрерывную продувку, в унифицированный сигнал постоянного тока (4-20 мА) для систем управления, применен преобразователь дифференциального давления, типа «Метран - CD - (0-250 кПа)», фирмы «Метран».

Для непрерывного преобразования значения разрежения в топке котлоагрегата, в унифицированный сигнал постоянного тока (4-20 мА) для систем управления, применен преобразователь давления, типа «Метран - CG0 - (-0,63…0,63 кПа)», фирмы «Метран».

Для регулирования расходов газа и воздуха на горелки, питательной воды, воды на впрыск, разрежения в топке котла, расхода воды на продувку, применены электрические, однооборотные механизмы, типа «МЭО».

- Для контроля количества кислорода и угарного газа в уходящих газах и преобразования его значения в унифицированный сигнал постоянного тока (4-20 мА) применяется газоанализатор кислорода в дымовых газах OMS 420 рис. 4.2. Производитель, фирма MRU GmbH (Германия).[11]

Рис. 4.2 - Внешний вид газоанализатора OMS 420

Особенности

Непрерывный мониторинг (О2)

Автоматическая система калибровки

Обогреваемые сенсоры на твердом электролите

Встроенный микроконтроллер с графическим ЖК дисплеем с подсветкой 2 аналоговых выхода 4...20 мА, (нагрузка не более 500 Ом) для передачи сигнала к программируемому контроллеру (PLC) и цифровой интерфейс RS 485

Высокое быстродействие и малое энергопотребление

Не требует чистого воздуха, точно измеряет компоненты во влажном газе

Компактная прочная промышленная конструкция

Автоматическая продувка зонда сжатым воздухом

Принцип измерения

Кислород (O2) ZrO2 оксид циркония CO2 (компоненты химического недожога) ― обогреваемый твердый электролит. Все компоненты химического недожога дымового газа (CO+H2+СxHy) индицируются как эквивалент СО

Технические характеристики

Рабочая температура, °C +20…+55

Температура газов, °C до 1000

Класс защиты IP65

Питание, В 24

Диапазон измерения О2 0…25%

Диапазон измерения СО2 0…1000 ппм

Описание комплекта контроллера:

Автоматическое управление работой котлоагрегата реализуется с помощью программируемых контроллеров серии СР6700 производства «СКБ ПСИС», г. Чебоксары.

Контроллерами реализуются следующие функции:

измерения параметров работы котлоагрегата и их регулирования;

автоматического управления техпроцессом;

связи с верхним уровнем;

представления информации о значении параметров и ходе техпроцесса;

Расчет информационной мощности ПТК

При проектировании автоматизированной системы для конкретного энергообъекта на основе перечня технологических функций системы, технологических алгоритмов этих функций и перечней входных и выходных сигналов, содержащихся в каждом из технологических алгоритмов, должны быть разработаны обобщенные перечни входных и выходных сигналов. На основе этих обобщенных перечней, а также технических характеристик контроллеров ПТК и проекта их территориального размещения на объекте должно быть выполнено распределение входных и выходных сигналов по контроллерам.

Сведём эти данные в соответствующие таблицы 4.1,4.2,4.3,4.4.

Таблица 4.1 - Аналоговые входные сигналы

Аналоговые входные сигналы

№пп

Наименование технологического параметра

№ поз.

Вид сигнала

Кол.


Топливный тракт




1

Давление пара за котлом


4 - 20 мА

1

2

Угол поворота МЭО газа



1


Газовоздушный тракт




4

Расход газа на горелки


4-20 мА

1

5

Давление воздуха перед горелкой


4-20 мА

1

6

Угол поворота МЭО дутьевого вентилятора


4-20 мА

1

7

Концентрация кислорода в уходящих газах


4-20 мА

1


Разрежение в топке

Разрежение в топке


4 - 20 мА

1

 

9

Угол поворота МЭО дымососа


4 - 20 мА

1

 


Пароводяной тракт




 

10

Расход питательной воды на котел


4-20 мА

1

 

11

Уровень воды в барабане котла


4-20 мА

1

 

12

Расход пара в паровую магистраль


4-20 мА

1

 

13

Расход котловой воды на непрерывную продувку


4-20 мА

1

 

14

Расход воды на впрыск в пароперегреватель


4-20 мА

1

 

15

Температура пара после 1 ст. пароперегревателя


4-20 мА

1

 

16

Температура пара после 2 ст. пароперегревателя


4-20 мА

1

 

17

Угол поворота МЭО питательной воды


4-20 мА

1

 

18

Угол поворота МЭО непрерывной продувки


4-20 мА

1

 

19

Угол поворота МЭО впрыска воды


4-20 мА

1

 






 


Общее количество:


S=

19

 


С учетом резерва 10%



22

 


Таблица 4.2 - Дискретные входные сигналы

Дискретные входные сигналы

№пп

Наименование технологического параметра

№ поз.

Вид сигнала

Кол.


Паровой тракт




1

конечные выключатели ИМ главной паровой


NO

2


задвижки









 


Общее количество:


S=

2

 


С учетом резерва 10%



3

 


Таблица 4.3 - Дискретные выходные сигналы

Дискретные выходные сигналы

№пп

Наименование технологического параметра

№ поз.

Вид сигнала

Кол.


Топливный тракт




1

Пускатель ПБР-3А ( МЭО на регулирующем


24В

2


клапане газовой магистрали )





Газовоздушный тракт




2

Пускатель ПБР-3А ( МЭО дутьевого вентилятора)


24В

2

3

Пускатель ПБР-3А ( МЭО дымососа )


24В

2


Пароводяной тракт




4

Пускатель ПБР-3А ( МЭО на регулирующем


24В

2


клапане питательной воды )




5

Пускатель ПБР-3А ( МЭО на регулирующем


24В

2

 


клапане линии непрерывной продувки )




 

6

Пускатель ПБР-3А ( МЭО на регулирующем


24В

2

 


клапане впрыска воды )




 

7

Пускатель ПБР-3А ( МЭО на ГПЗ)


24В

2

 






 


Общее количество:


S=

14

 


С учетом резерва 10%



16

 


Общее количество входных и выходных сигналов сведено в таблицу 4.4

Таблица 4.4 - Итоговая таблица сигналов

Тип сигнала

Аналоговые входные сигналы

Дискретные входные сигналы

Дискретные выходные сигналы

Количество

22

3

16


Выбор требуемой конфигурации контроллера.

Контроллеры с мезонинной архитектурой серии СР6000.

Клеммные колодки (для подключения сигнальных кабелей) свободно компонуются малоканальными модулями ввода/вывода (мезонинами), образующими требуемую конфигурацию контроллера. Для масштабирования вычислительной мощности, объема ввода/вывода колодки имеют разную емкость и легко объединяются. Аппаратура устанавливается в стандартные шкафы, ящики и панели централизованных систем, специализированные оболочки распределенных систем и непосредственно в оборудование (температура до 70°С, механические воздействия - М4, кабель - до 4 мм²).

Преимущества мезонинной организации СР6700

Минимальная избыточность (1-3 канала на модуле). Снижение эксплуатационных расходов: диагностика до канала, простая процедура замены модулей без настроек и монтажных работ, оптимальный ЗИП. Дешевое резервирование процессоров, важных сигналов, естественная живучесть. Параллельная обработка данных на мезонинах, обеспечивающая любые структуры и количества информационных связей контроллеров. Возможность реализации на единой элементной и конструктивной базе АСУТП различного назначения и сложности.

Коммуникации, программирование, формальности

Интерфейсы - RS-232, RS-485, Ethernet, ZigBee. Открытая и бесплатная среда для МЭК - программирования CoDeSys. Взаимодействие со SCADA/HMI - ModBus или ОРС-сервер. ТУ 3433-001-13095309-2006 «Устройства управления технологической автоматики, защиты и КИП УСО 6000». Сертификаты.

Гарантийный срок - 2 года. Срок службы - 15 лет.

Для реализации требуемых задач была выбрана следующая конфигурация:

. СР6711 (3 дискретных входа с общей точкой) - 2 шт.

. СР6723 (2 дискретных выхода, оптореле) - 8 шт.

. СР6731 (2 унифицированных токовых входа) - 11 шт.

. СР6751 (интерфейс RS-485) - 3 шт.

. СР6761 (внутренний источник питания 3В) - 4 шт.

. СР6782 (процессор) - 2 шт.

. СР6082 (клемная колодка для 2-х СР6782) - 1 шт.

. СР6044 (системная плата на 44 мезонина) - 1 шт.

. СР6640 (блоки питания ̴ /=220 в =24В) - 4 шт.

блоки питания СР6640 - 2 шт преобразуют напряжение 220В (переменное или постоянное) в 9 каналов стабилизированного напряжения 24В постоянного тока с нагрузочной способностью каждого до 120 мА (общая мощность до 10 Вт). От них осуществляется резервированное питание контроллера, дискретных входов, части аналоговых датчиков.

Технические характеристики программного обеспечения

Период обновления данных входов/выходов - не более 100мс.

Интерфейс: RS-485 115200 bps.

Протокол: Modbus RTU.

Среда программирования: CoDeSys (программа среды и инструкции пользователя распространяются бесплатно, в т.ч. по интернет).

Языки программирования - стандарт МЭК 61131-3: IL (список инструкций), ST (структурированный текст), LD (графический язык релейных диаграмм), SFC (графический язык последовательных функциональных схем), FBD (графический язык функциональных блоковых диаграмм), CFC (графический язык непрерывных функциональных схем).

Объем оперативной памяти - 512 кбайт Flash, 32 Мбайт RAM.

Объем поддерживаемой энергонезависимой памяти хранения пользовательских настроек - (полный - 5 кбайт)

Управление процессом ведется с помощью SCADA-системы EISA. предназначена для создания верхнего уровня автоматизированных систем (подсистем) управления технологическими процессами (АСУ ТП). Благодаря гибкой системе настройки пакетов обмена с контроллерами нижнего уровня, EISA легко адаптируется под различные протоколы обмена. Практически отсутствует необходимость написания драйверов различных устройств. Большинство настроек протоколов осуществляется непосредственно из системы. Здесь задаются как временные характеристики обмена, так и непосредственно структура пакетов. Данные от любых устройств можно просматривать в стандартном окне программы, которое не зависит от типа подключенного оборудования. Это дает возможность персоналу легко настраивать систему, «привязывать» элементы мнемосхем и контролировать входные данные в случае некорректного отображения информации на мнемосхеме. Настройками каналов обмена можно легко конфигурировать частоту и порядок опроса контроллеров нижнего уровня, что позволяет получать требуемые временные характеристики отображения информации.

Таблица 4.5 - Основные характеристики системы EISA

Информационная мощность

Количество входных/выходных сигналов:

Ограничено установленным на нижнем уровне оборудованием

Количество видеокадров

Не ограничено

Количество динамических элементов на одном видеокадре

Ограничено размером экрана

Количество стандартных типов технологической сигнализации

3

Количество сообщений

Не ограничено

Количество исторических графиков

Все аналоговые сигналы

Периодичность обновления графиков, сек

1

«Глубина» графиков

до 1 года

Отображение информации

Время полной смены кадра, сек

не более 1

Цикл обновления оперативной информации на мониторе, сек

не более 0,2

Передача управляющих воздействий

Информационные сети

RS-485, Ethernet

Задержка представления аварийных сигналов, сек

не более 0,2

Задержка в передаче командных сигналов, сек

0,1

Программное обеспечение

Среда разработки

Delphi 7

Операционная система

MS Windows 2000 Prof, MS Windows XP Prof

Предустановленные программы

BDE Administrator

Описание применяемого способа передачи данных- стандарт передачи данных по двухпроводному полудуплексному многоточечному последовательному каналу связи. В стандарте RS-485 для передачи и приёма данных часто используется единственная витая проводов. Передача данных осуществляется с помощью дифференциальных сигналов. По одному проводу (условно А) идет оригинальный сигнал, а по-другому (условно В) - его инверсная копия. Таким образом, между проводниками витой пары всегда есть разность потенциалов: при "1" она положительна, при "0" -отрицательна.

Электрические и временные характеристики интерфейса RS-485

приёмопередатчика при многоточечной конфигурации сети (на одном сегменте, максимальная длина линии в пределах одного сегмента сети: 1200 метров).

Только один передатчик активный.

Максимальное количество узлов в сети - 250 с учётом магистральных усилителей.

Характеристика скорость обмена/длина линии связи (зависимость экспоненциальная):

,5 кбит/с 1200 м (одна витая пара)

кбит/с 300 м (одна витая пара)

кбит/с

кбит/с

кбит/с 100 м (две витых пары)

кбит/с 10 м

Технические характеристики основных модулей

Перечень технических характеристик основных модулей представлен в таблице 4.6.

Таблица 4.6 - Назначение и характеристики используемых модулей комплекса

Внешний вид

Название

Технические характеристики

 <#"581136.files/image064.gif"> <#"581136.files/image065.gif"> <#"581136.files/image066.gif"> <#"581136.files/image067.gif"> <#"581136.files/image068.gif"> <#"581136.files/image069.gif"> <#"581136.files/image070.gif"> 

Пульт управления СР6911

Цветной графический 2,8". Размер экрана: 58 × 43 мм. Клавиатура: 16 клавиш. Интерфейс: RS-485/USB. Целевая визуализация средствами CoDeSys в графическом режиме (СР6782).

Разработка функциональной схемы автоматизации.

Функциональная схема системы управления котлом ТП-38 на базе ПТК «СР6700» представлена на рисунке 4.3 и в графической части проекта - лист 10.02.11 - 075097.АКУ.10. Спецификация на КТС представлена в Приложении 2.

Функциональная схема разрабатывалась после решения следующих задач:

изучена технологическая схема объекта;

составлен перечень контролируемых параметров технологического процесса;

определены предельные рабочие значения контролируемых объектов;

выбрана структура измерительных каналов;

выбраны методы и технические средства получения, преобразования, передачи и представления измерительной информации;

решены вопросы размещения технических средств автоматизации (ТСА) на технологическом оборудовании, трубопроводах, по месту и на щитах;

Разработанная в данном проекте функциональная схема содержит описание и структуру следующих контуров регулирования:

давления пара на выходе котла;

уровня воды в барабане котла;

разрежения в топке котла;

соотношения «топливо-воздух».

управление температурой перегретого пара

управление непрерывной продувкой котловой воды

Описание работы функциональной схемы:

Измерительные преобразователи преобразуют значения каждого контролируемого параметра в соответствующие унифицированные сигналы 4-20 мА. Эти сигналы, через модули аналогового ввода СР6731 передаются на управляющий контроллер СР6782. Процессор контроллера обрабатывает полученные сигналы по заданному алгоритму и в зависимости от результата выдает, через модули вывода СР6723, управляющие сигналы которые приводят в действие соответствующие ИМ регулирующих органов.

Рис. 4.3 - Функциональная схема автоматизации

5. Безопасность объекта

В данном разделе рассмотрена безопасность работы персонала в помещении котельного цеха ТЭЦ ООО «Обуховоэнерго». Процесс производства характеризуется как непрерывный.

Производство обслуживается оперативным и оперативно-ремонтным персоналом, работающими по одно и двухсменным графикам. В таком режиме работают электрослесари, слесари по ремонту котельного оборудования (КО), проводящие основное рабочее время в соответствующих цехах. Электрослесарь по ремонту электрооборудования обеспечивает работу электрооборудования в заданных режимах, ведет регулярное наблюдение за действующим и резервным оборудованием, проводит профилактический и капитальный ремонт электрооборудования. Слесарь по ремонту КО осуществляет плановый профилактический и капитальный ремонт КО. Слесарь по обслуживанию тепловых пунктов (ТП) и ремонту оборудования тепловых сетей (ТС) обеспечивает работу оборудования ТП в заданных режимах по температуре и давлению, ведет постоянное наблюдение за действующим и резервным оборудованием, проводит профилактический и капитальный ремонт оборудования ТП, осуществляет обход ТС, вскрытие люков, спуск в тепловые камеры и технические подвалы зданий, монтаж тепловых трасс, зачистку тепловых трасс от загрязнений. Оператор КО осуществляет растопку, пуск, остановку котлов, питание их водой, регулирование режима горения топлива; наблюдает за контрольно-измерительными приборами, уровнем воды в котле, давлением пара и температурой воды в отопительной системе. Электросварщик осуществляет сварку трубопроводов в рабочих помещениях, технических подвалах зданий и на открытой территории

Производственная безопасность.

При эксплуатации основного и вспомогательного оборудования в котельной возникают различные опасные и вредные производственные факторых [12], которые могут вызвать у человека различные заболевания, создать травмоопасные и аварийные ситуации.

Производственная среда - это пространство, в котором осуществляется трудовая деятельность человека. В производственной среде, как части техносферы формируются негативные факторы, которые существенно отличаются от негативных факторов природного характера.

Эти факторы формируют элементы производственной среды (среды обитания), к которым относятся:

. предметы труда;

. средства труда (инструмент, машины и т.п.);

. продукты труда;

. энергия;

. природно-климатические факторы;

. растения животные;

. персонал.

Производственные помещения - это замкнутые пространства производственной среды, в которых постоянно или периодически осуществляется трудовая деятельность людей, связанная с участием в различных видах производства, в организации, контроле и управлении производством.

Внутри производственных помещений находятся рабочая зона и рабочие места.

Рабочей зоной называется пространство (до 2 м) над уровнем пола или площадки), на котором находятся места постоянного или временного пребывания работающих.

Рабочее место - часть рабочей зоны; оно представляет собой место постоянного или временного пребывания работающих в процессе трудовой деятельности.

Условия труда - сочетание различных факторов, формируемых элементами производственной среды, оказывающих влияние на здоровье и работоспособность человека.

Опасные производственные факторы:

движущие, вращающие предметы (обрабатываемые детали, заготовки и др.);

поражение электротоком;

различные ожоги;

высокое давление воды, водяного пара.

Вредные производственные факторы:

повышение влажности, температуры;

вредные вещества 1-4 класса, микроорганизмы;

повышенный шум при работе насосов, вентиляторов.

Группа производственного процесса: загрязнение рук спецодежды веществами 3 и 4 класса опасности 2 в.

Тяжесть труда: умеренные физические нагрузки. Категория II Б;

Зрительная работа:

рассматривание предметов размеров 1-5 мм.

Характер зрительной работы средней точности.

Разряд зрительной работы 5.

Риски:

падение на ровных поверхностях;

падение с высоты;

взрыв котла с вероятностью пожара;

возгорание и взрыв топлива;

ожоги от горячих поверхностей, горячей воды и выходящего пара;

отравление окисью углерода или другими продуктами сгорания в воздухе и др.

Комплексная оценка труда рабочих основных профессий промышленно-отопительных котельных представлена в таблице 5.1, данные в которой свидетельствуют о том, что условия труда слесарей по ремонту КО, операторов КО, электросварщиков соответствуют классу 3.1, что не исключает появление функциональных изменений в организме, увеличивающих риск ухудшения здоровья. Условия труда электрослесарей, слесарей по ремонту ТС и ТП по результатам комплексной оценки относятся к допустимому, 2 классу. По тяжести трудового процесса работа слесарей по ремонту КО, электросварщиков, газорезчиков относится к классу 3.1, по напряжённости - к допустимому, 2 классу. Труд операторов котельных по тяжести относится к допустимому 2 классу, по напряженности - к классу 3.1. Труд электрослесарей, слесарей по ремонту ТС и ТП по тяжести труда и напряжённости соответствует допустимому 2 классу.

Таблица 5.1 - Комплексная оценка труда рабочих основных профессий.

Профессия

Факторы производственной среды

Тяжесть

Напряжен-ность

Общ. оценка


Микро климат

Шум

Общ. вибрация

Запыленность

Токс. в-ва




Слесарь по ремонту КО

2

3.1

2

2

2

3.1

2

3.1

Оператор КО

2

3.1

-

-

2

2

3.1

3.1

Слесарь по ремонту ТС и ТП

2

2

-

2

2

2

2

2

Электрослесарь

2

2

-

-

2

2

2

2

Электросварщик

2

3.1

2

-

2

3.1

2

3.1

Группа сравнения

2

2

-

-

2

2

2

2


Контроль загазованности котельной.

Безопасная работа обслуживающего персонала и безаварийная работа оборудования, систем и помещений котельной строго регламентируется требованиями нормативных документов:

ПБ 12-529-03 Правила безопасности систем газораспределения и газопотребления;

РД 12-341-00 Инструкция по контролю за содержанием окиси углерода в помещениях котельных.

Указанные нормативные документы предусматривают установку специальной системы контроля воздуха в котельной по содержанию в нем окиси углерода и природного газа метана.

Система контроля загазованности предусматривает установку газоанализатора Хоббит-Т с возможностью выполнения замеров в 6-ти точках помещений котельной по содержанию окиси углерода и метана. Схема размещения приведена на рис. 6.1

Для данной котельной предусматривается установка газоанализатора Хоббит-Т-2СО-7СН4 с установкой:

2-х датчиков по контролю окиси углерода - в рабочей зоне оператора у фронта котлов и помещения операторской;

4-х датчиков по содержанию метана - под коньком кровли котельного зала и над газорегуляторной установкой (ГРУ).

Сигнал от датчиков поступают на блок индикации газоанализатора, установленный в помещении операторской. Блок индикации сравнивает величины сигналов от датчиков с заданными порогами предельных значений и вырабатывает управляющие сигналы.

При достижении концентрации окиси углерода равной 20 мг/м3, соответствующей 1-му Порогу, на блоке индикации включается световая прерывистая сигнализация (светодиод Порог 1) и дублирующий ее звуковой сигнал.

При достижении в зонах контроля концентрации окиси углерода равной 100 мг/м3 соответствующей 2-му Порогу, на блоке индикации включается световая непрерывная сигнализация (светодиод Порог 2) и дублирующий ее звуковой сигнал, блок коммутации через свой управляющий контакт Порог 2 и дополнительно установленной на вводе газа в котельную.

Основные показатели по замерам загазованности Таблица 5.2

Таблица 5.2 - Основные показатели по замерам загазованности

Наименование контролируемого компонента

Порог срабатывания сигнализаторов

Устанавливаемое оборудование


1 порог

2 порог

Прибор

Датчик




Тип

Место установки

Тип

Место установки

Окиси углерода СО

20  мг/м3

100 мг/м3

Хоббит-Т-2СО-7СН4

Помещение оператора 

1

Блок датчика СО

На боковой стенке слева от входа в операторскую






2

Блок датчика СО

котельный зал на оси  5-Б

Метан СН4 Природный газ

10% НКПР

20% НКПР



3

Блок датчикаСН4

под коньком оси 4-Б






4

Блок датчикаСН4

под коньком оси 4-В






5

Блок датчикаСН4

под коньком оси 6-Б






6

Блок датчика СН4

в ГРП


При достижении концентрации метана равной 10% НКПР и 20 НКПР, соответствующих 1-му и 2-му порогам, на блоке индикации включается прерывистая или непрерывная сигнализация на каждый заданный порог по каждому каналу и дублирующий ее звуковой сигнал. По 2-му порогу концентрации метана передается сигнал на закрытие электрозадвижки на вводе газа в котельную.

При снижении концентрации СО или СН4 ниже уровня 1-го порога световая и звуковая сигнализация включается автоматически.

Рис. 5.1 - План размещения датчиков контроля содержания СО и СН4 в помещение котельного цеха

Обозначения на схеме:

- прибор Хоббит-Т-2СО-7СН4 5 - датчик СН4

- датчик СО 6 - датчик СН4

- датчик СО ГРП - газораспределительный пункт

- датчик СН4

- датчик СН4

Причины возникновения повышенного содержания окиси углерода и метана в воздухе помещений котельной.

Основными причинами возникновения повышенного содержания окиси углерода и метана в воздухе помещений котельной являются нарушения тяги, которые могут происходит в результате следующего:

несогласованной работы дутьевого вентилятора и дымососа;

колебания величины разрежения в топке котла в связи с разрушением горелки, нарушения процесса смесеобразования топлива с воздухом;

разрушения газоходов при попадании в них грунтовых вод (или воды из других коммуникаций);

появления течи из труб и других элементов поверхностей нагрева котлов, экономайзеров;

загорания сажи на поверхности нагрева котлов, при работе на мазуте;

нарушений в настройке приборов и регуляторов соотношения давлений газ-воздух, разрежения в топке, тепловой нагрузки;

возникновение разрежения в помещении котельной вследствие нарушений в работе приточной вентиляции, когда забор воздуха на горение топлива в котлах осуществляется из этого помещения;

нарушение газоплотности обмуровки и гарнитуры котлов;

другие причины.

Мероприятия по безопасности, выполняемые обслуживающим персоналом.

При срабатывании на газоанализаторах сигнала 1-й порог оператор котельной должен:

. Убедиться в постоянстве полученного от датчика сигнала;

. Принять меры к обнаружению и устранению причины или источника проникновения СО и СН4 в помещении котельной;

. Открыть двери, фрамуги, проверить действие рабочей вентиляции;

. Сделать запись в сменном журнале.

При срабатывании на газоанализаторах 2-й порог оператор котельной должен:

. Открыть двери, фрамуги, проверить действие рабочей вентиляции;

. Принять меры к обнаружению и устранению причины или источника проникновения СО и СН4 в помещении котельной;

. Сообщить ответственному за газовое хозяйство котельной о возникшей инциденте;

. Сделать запись в сменном журнале.

. При сохранении уровня концентрации в течении 30 мин. Проверить отключения подачи топлива.

Пожаротушение.

Для пожаротушения наружного участка мазутного хозяйства мазутонасосной, резервуаров запаса мазута и присадки принимается передважная система пожаротушения с применением воздушно-механической пены средней кратности.

Для получения воздушно-механической пены принимается пеногенератор═ ПГВ-600 эжекционного типа с использованием 6% водного раствора пенообразователя ПО-1. Необходимый запас воды для нужд пожаротушения хранится в 3-х подземных резервуарах емкостью по 50 м3.

Неблагоприятные воздействия физических факторов.

а) воздействие микроклимата.

Микроклимат производственных помещений это климат внутренней среды этих помещений, который определяется действующими на организм человека сочетание температуры, влажности и скорости движения воздуха, а также температуры окружающих поверхностей.

Микроклимат оказывает влияние на процесс теплообмена и характер работы. Длительное воздействие на человека неблагоприятных метеорологических условий резко ухудшает его самочувствие, снижает производительность труда и приводит к заболеваниям.

Для создания нормальных условий труда в производственных помещениях обеспечивают нормативные значения параметров микроклимата температуры воздуха, его относительной влажности и скорости движения, а также интенсивности теплового излучения.

В ГОСТ 12.1.005-88 указаны оптимальные и допустимые показатели микроклимата в производственных помещениях. Оптимальные параметры воздуха рабочей зоны, обеспечивающие комфорт и высокую работоспособность человека:

температура воздуха 18-21 0С;

относительная влажность 40-60%,

скорость движения воздуха не более 0,5 м/с.

Допустимыми называются такие параметры, при которых могут ощущаться дискомфортные тепловые ощущения, временное ухудшение самочувствия и снижение работоспособности, но эти отклонения быстро компенсируются и не вызывают нарушения здоровья человека.

б) воздействие шума.

Шум это беспорядочное сочетание звуков различной частоты и интенсивности (силы), возникающих при механических колебаниях в твердых, жидких и газообразных средах. Длительное воздействие шума снижает остроту слуха и зрения, повышает кровяное давление, утомляет центральную нервную систему, в результате чего ослабляет внимание, увеличивает количество ошибок в действиях работающего, снижается производительность труда. Воздействие шума приводит к появлению профессиональных заболеваний и может явиться также причиной несчастного случая. Источниками производственного шума в котельном цеху являются: дымососы, дутьевые вентиляторы и сами котлы.

Уровень шума в помещении котельной не должен превышать 80 децибел.

Нормы уровня шума приводятся в ГОСТ 12.1.003-83 ССБТ Шум. Общие требования безопасности.

в) воздействие вибрации.

Вибрация представляет собой процесс распространения механических колебаний в твердом теле. Длительное воздействие вибрации ведет к развитию профессиональной вибрационной болезни. Вибрация, воздействует на машинный компонент системы человек-машина, снижает производительность технических установок и точность считываемых показаний приборов и т.д.

Особенно вредны вибрации с вынужденной частотой, совпадающей с частотой собственных колебаний тела человека или его отдельных органов (для тела человека 6-9 Гц, головы 6 Гц, желудка 8 Гц, других органов в пределах 25 Гц).

Частотный диапазон расстройств зрительных восприятий лежит между 60 и 90 Гц, что соответствует резонансу глазных яблок.

Для санитарного нормирования и контроля вибраций используются среднеквадратичные значения виброускорения и виброскорости, а также их логарифмические уровни в децибелах (ГОСТ 12.1.012-90). Нормы установлены при длительности воздействия 4-8 часов. В помещении котельной действует вибрация с частотой от 4 до 31,5 Гц. В связи с этим регламентируется общая виброскорость в пределах от 90 до 92 децибел.

г) воздействие механических нагрузок.

При длительной эксплуатации трубопроводов за счет коррозии уменьшается толщина стенки. При повышении давления среды внутри сосудов, трубопроводов выше допустимого возможны разгерметизация и выброс среды в помещение, что может привести к ожогам, отравлениям.

д) вредное воздействие химических веществ.

. раздражение глаз, дыхательных путей и кожи в результате попадания гидразина и его производных, использующихся в добавках к котловой воде (сильное воздействие может вызвать временную слепоту);

. раздражение верхних дыхательных путей и кашель в результате вдыхания двуокиси серы, в частности, при сжигании топлив с высоким содержанием серы;

. воздействие химических веществ и соединений, используемых в водоочистке, в частности, ингибиторов коррозии и очистителей кислорода, таких как гидразин; химических веществ, являющихся восстановителями ионообменных смол, включая кислоты и основания; чистящих веществ и растворителей для удаления ржавчины и окалины; окиси углерода и др.

е) неблагоприятное воздействие биологических факторов.

Развитие грибковых заболеваний и рост бактерий в котельной вследствие повышения температуры и влажности.

ж) социальные факторы.

стресс под действием жары;

общая усталость в результате физической работы в шумном, теплом и влажном помещении.

Мероприятия по уменьшению вредного воздействия производственных факторов.

Для уменьшения вредного воздействия на человека вышеперечисленных факторов и предупреждения несчастных случаев предусматриваются следующие мероприятия:

Для защиты персонала от вредных механических воздействий предусмотрены следующие средства индивидуальной защиты: костюм х/б; рукавицы комбинированные; очки защитные; куртка на утепленной подкладке; ботинки кожаные; каска защитная; наушники или беруши; респиратор.

В котельной предусмотрена высокая степень механизации трудоемких работ, для чего используется соответствующее подъемно-транспортное оборудование

Вращающиеся части оборудования имеют ограждения и кожухи.

Лестницы, переходы и площадки оборудованы перилами высотой 1 м и бортовыми ограждениями высотой 100 мм, угол наклона лестниц не превышает 60º.

- Предусмотрена выдача молока: рекомендуется 0.5 л. Молока за смену.

Также предусмотрена доплата к тарифной сетке в размере 4%.

Все тепловыделяющие поверхности имеют тепловую изоляцию, температура на поверхности тепловой изоляции не превышает 48ºС при теплоносителе с температурой выше 500ºС и 45ºС при теплоносителе с меньшей температурой, температура неизолированных частей оборудования не превышает 45ºС.

для создания заданных параметров микроклимата установлены системы кондиционирования воздуха.

Зоны с уровнем звука или эквивалентным уровнем звука выше 85 дБА должны быть обозначены знаками безопасности по ГОСТ 12.4.026. Работающие в этих зонах должны быть обеспечены средствами индивидуальной защиты органов слуха по ГОСТ 12.4.051.

Мероприятия, повышающие уровень производственной безопасности.

К данным мероприятиям относятся изучение персоналом «Правил техники безопасности при обслуживании тепломеханического оборудования» (ПТБ) с последующей сдачей квалификационных экзаменов. Последующие очередные экзамены по ПТБ принимает администрация цеха с периодичностью 1 раз в год. Также проводятся следующие инструктажи по технике безопасности и пожарной безопасности:

повторный 1 раз в месяц;

внеплановый;

текущий (целевой).

По графику, утвержденному администрацией предприятия, проводятся контрольные

противоаварийные и противопожарные тренировки. Допускается совмещение противоаварийных тренировок с противопожарными. Противоаварийные тренировки, как правило, проводятся на рабочих местах или на тренажерах.

Экологическая безопасность

На ТЭЦ «Обуховоэнерго» используется, два вида топлива: природный газ (основное) и мазут (резервное).

Характерные для котельных выбросы - это оксид углерода (именуемый в обиходе угарным газом), диоксид серы и оксиды азота.

Загрязнение воздуха производственных помещений может происходить за счет выбросов из технологического оборудования или при проведении технологических процессов без локализации выбросов. В этом случае возможно повышенное загрязнение воздуха рабочей зоны, а удаляемый из помещения вентиляционный воздух может стать причиной загрязнения атмосферного воздуха промышленных площадок и населенных мест.

Ввиду того, что данное предприятие - источник загрязнения окружающей среды, котельная и жилой район должны быть разделены санитарной защитной зоной.

Для котельных, работающих на газе, устанавливается единая санитарно - защитная зона.

В санитарно - защитной зоне допускается расположение гаражей, складских помещений, рекомендуется озеленение.

Категория сочетанием «источник - вредное вещество» для диоксида азота 1 категория вредности. Периодичность контроля за соблюдением нормативов ПДВ для диоксида азота 1 раз в квартал. Для остальных веществ 1раз в год.

Одним из мероприятий по предотвращению вредного влияния выбросов из котельной является обеспечение оптимальной высоты дымовой трубы.

Мероприятия по снижению экологического ущерба.

Для снижения уровня выбросов NOX, в данном дипломном проекте, разработанный программно технический комплекс позволяет реализовать внедрение режима сгорания топлива с контролируемым умеренным недожогом [10].

Целью мероприятия является снижение избытка воздуха в топке. В результате уменьшения содержания кислорода в зоне горения происходит подавление образования как термических, так и топливных NOx. Поэтому данное мероприятие может быть применено при сжигании любых видов органического топлива. Оно позволяет не только снизить выбросы NOx, но и несколько повысить КПД котла за счет снижения потерь теплоты с уходящими газами и затрат энергии на собственные нужды.

Сжигание природного газа с контролируемым умеренным недожогом позволяет снизить выбросы NOX на 30-40% при одновременном повышении КПД котла.

Суммарный показатель вредности таких режимов в 1,5 - 2,0 раза ниже, чем при обычном сжигании природного газа в соответствии с режимной картой, а суммарный вклад монооксида углерода и бенз(а)пирена в общую вредность выброса от котла в атмосферу не превышает 3 - 7%.

При этом величина химического недожога должна быть ограничена содержанием вредных примесей в дымовых газах за дымососом (в пересчете на а = 1,4): для СО - не более 100 ррm (125 мг/м3) и для БП - 60 - 100 нг/м3.

Следовательно, режимы с контролируемым умеренным недожогом являются наиболее оправданными как с точки зрения экологической чистоты, так и с точки зрения эффективного сжигания топлива.

Режимы с контролируемым умеренным недожогом являются малозатратными и быстро внедряемыми, поскольку могут быть легко реализованы на котле в результате наладочных испытаний.

Для эффективной работы котла с контролируемым умеренным недожогом необходима полная информация о завершенности процессов выгорания топлива, что возможно только на основании одновременных измерений содержания СО в дымовых газах в режимном сечении и в сечении за дымососом.

Внедрение режимов с контролируемым недожогом целесообразно при модернизации АСУ ТП котла. Для этих целей следует предусмотреть установку на котле измерительных систем для контроля содержания O2, СО и NO в продуктах сгорания.

Безопасность в условиях чрезвычайных ситуаций

Котельный цех ТЭЦ ООО «Обуховоэнерго» относится:

по пожаровзрывоопасности - к категории Г;

по степени огнестойкости зданий - к категории 2;

Класс конструктивной пожарной опасности помещения котельной - С1. Класс функциональной пожарной опасности помещения котельной - Ф5.1. Степень огнестойкости здания котельной - IV по СНиП 21-01-97* (IIIа по СНиП 2.01.02-85*)

В здании котельной имеются запасные выходы для быстрой эвакуации людей. Котлы и газоходы для уменьшения последствий возможных хлопков и взрывов оборудованы взрывными предохранительными клапанами. Коммуникации котельной обеспечивают надежную связь между цехами и отделами предприятия, что позволяет оперативно взаимодействовать персоналу в чрезвычайной ситуации. Для организации действий персонала в чрезвычайной ситуации разработаны специальные инструкции, которые в полном объеме должны знать оперативный и ремонтный персонал.

В котельной могут возникнуть следующие чрезвычайные ситуации техногенного и природного характера: взрывы, пожары, наводнения, разрушение оборудования, снежные заносы (таблица 5.3).

Анализ возможных аварий на объекте.

Таблица 5.3 - Перечень чрезвычайных ситуаций

N п/п

Наименование аварии

При каких условиях возможна аварийная ситуация

Возможное развитие аварий, последствий, в т.ч. за пределами цеха, организации

Способы и средства предотвращения аварий

Меры по локализации аварий

1

2

3

4

5

6

 1

Взрыв

Утечка газа, повреждение разрушение оборудования

Уничтожение материальных ценностей котельной, разрушение соседних зданий и сооружений, создание опасности жизни людей.

Контроль загазованности помещения, поддержание оборудования в исправном состоянии.

Отсечка газа, вызов пожарной и газовой службы.

 2

Пожар

Повреждение, разрушение оборудования, воздействие внешнего источника тепла.

Возгорание соседних зданий и сооружений, уничтожение материальных ценностей котельной, создание опасности жизни людей

Соблюдение пожарной безопасности персоналом, применение огнеупорных материалов.

Применение первичных средств пожаротушения, отключение оборудования, вызов пожарной охраны.

 3

Разрушение оборудования

Нарушение правил эксплуата-ции, старение материалов, отклонение параметров от нормы, коррозия материалов, вибрация,дефекты конструкций.

Уничтожение материальных ценностей котельной, разрушение соседних зданий и сооружений, создание опасности жизни людей.

Поддержание оборудования в исправном состоянии, соблюдение графика ППР, контроль за работой оборудования в течение эксплуатации.

Отключение оборудования, вызов ремонтного персонала.


Все перечисленные организационные и технические мероприятия направлены на улучшение условий труда оперативного персонала и снижают до минимума риск получения травмы, болезни, а также возникновение чрезвычайных ситуаций техногенного характера.

6. Расчет экономической эффективности модернизации системы управления котлоагрегатом ТП-38 на базе ПТК

котлоагрегат управление автоматизация безопасность

Расчет капитальных затрат.

Величина капитальных затрат (К0) определяется по следующей формуле:

 (6.1.1.)

где: КПР - предпроизводственные расходы (на проведение НИОКР, маркетинговых исследований, разработку проектов, программ и пр.);

КОФ - капитальные вложения в основные производственные фонды;

КДМ - затраты на демонтаж устаревшего оборудования;

КМ - затраты на монтаж нового оборудования;

КНС - недоамортизированная стоимость демонтируемого оборудования;

КОС - прирост или сокращение величины оборотных средств;

ККР - величина, соответствующая плате за использование кредита.

На стадии технико-экономического обоснования (ТЭО) можем принять:

 (6.1.2.)

где: КОБ - капитальные вложения в оборудование, руб.

Величина КОБ рассчитывается по следующей формуле:

 (6.1.3.)

где: n - количество типов оборудования;- количество единиц оборудования, средств автоматизации i-го наименования;

Цдi - договорная цена оборудования i-го наименования;

α1 - доля от стоимости оборудования, учитывающая расходы на его транспортировку, монтаж, наладку, доли ед., для ТЭО можем принять α1 ≈ (0,25…0,3);

α2 - коэффициент, учитывающий удельный вес стоимости передаточных устройств, сооружений, транспортных средств и инвентаря в общей стоимости оборудования, доли ед., для ТЭО можем принять α2 ≈ (0,05…0,1).

Для системы управления котлоагрегата ТП-38 будут использовано оборудование, представленные в таблице 6.1, 6.2, 6.3.

Стоимость комплекта оборудования

. Датчики МЕТРАН

Таблица 6.1 - Стоимость измерительных преобразователей

Датчики МЕТРАН


Наименование

Кол-во

Цена за 1 ед.

Всего

1.1

Метран-150-СG

9

23420

210780

1.2

Метран -271

2

2300

4600


ИТОГО



215380


. Исполнительные механизмы

Таблица 6.2 - Стоимость исполнительных механизмов

Исполнительные механизмы


Наименование

Кол-во

Цена за 1 ед.

Всего

1.1

МЭО-250/63-0,25

7

18320

128240

1.2

ПБР

7

4200

32200


ИТОГО



160440

3. Комплект контроллера

Таблица 6.3 - Стоимость комплекта контроллера управления

Комплект контроллера


Наименование

Кол-во

Цена за 1 ед.

Всего

1.1

СР6711 (3 дискретных входа с общей точкой)

2

400

800

1.2

СР6723 (2 дискретных выхода, оптореле)

8

850

1700

1.3

СР6731 (2 унифицированных токовых входа)

11

1750

19250

1.4

СР6751 (интерфейс RS-485)

3

2200

6600

1.5

СР6761 (внутренний источник питания 3В)

4

1200

4800

1.6

СР6782 (процессор)

2

7000

14000

1.7

СР6044 (системная плата на 44 мезонина)

1

13000

13000

1.8

СР6640 (блоки питания ̴ /=220 в =24В

4

2500

10000

1.9

СР6911 (пульт управления)

1

9000

9000


ИТОГО



79150


. Газоанализатор OMS-420 151000 рублей

. АРМ оператора 29700 рублей

ОБЩАЯ СТОИМОСТЬ 635670 рублей

КОБ = (635670)·(1+0,25)·(1+0,05) = 834316,9 рублей.

Кпр=0,1*834316,9=83431,7

Величина КОФ рассчитывается по следующей формуле:

 (6.1.4.)

где: КП - капитальные вложения в производственные и административные помещения

КП = 0,

КОФ = КОБ = 834316,9 руб.

На стадии технико-экономического обоснования (ТЭО) можем принять:

 (6.1.6.)

где: КБ - балансовая стоимость устаревшего оборудования, руб.

КБ = 6000 руб.,

КДМ = 0,1·6000 = 600 руб.

Затраты на монтаж нового оборудования (КМ) составляют:

КМ = 0,3·КОБ, (6.1.7.)

КМ = 0,3·834316,9 = 250295,1 руб.

Величина КНС рассчитывается по следующей формуле:

 (6.1.8.)

где: t - срок эксплуатации демонтируемого оборудования, лет;

НАР - норма амортизационных отчислений на реновацию, %.

руб.

Итого величина капитальных затрат составляет:

К0 = 834316,9+83431,69+600+240+250295,1 = 1168884 руб.

Расчет экономии текущих затрат

Годовой экономический эффект от усовершенствования аппаратуры

Внедрение нового комплекса автоматизации позволит сократить время простоя оборудования (из опыта эксплуатации) и за счет выработки дополнительной тепловой энергии окупить затраты на модернизацию системы управления.

Проектируемая система имеет более высокую надежность, чем существующая система (по данным производителей оборудования).

Более высокая точность поддержания технологических параметров позволяет произвести экономию топлива (из опыта эксплуатации)

По данным ПТО котлоагрегат ТП-38 находился в работе 3320 часов в 2010 г.

ТПОЛН = 3320 часов, Т запланированное = 4040 часов

Σ ТПРОСТОЯБ.В. = 30 дней = 720 ч - время простоя котла в ремонте со старой схемой автоматизации (из опыта эксплуатации).

Б.В. - бывший вариант.

Внедрение новой системы регулирования позволяет сократить время простоя на 4% (из опыта эксплуатации).

Новая система регулирования позволяет сократить время простоя.

Определяем время простоя в новом варианте

Σ ТПРОСТОЯН.В. = 691,2 часов

Н.В. - новый вариант.

Время работы в бывшем и новом варианте

ТРАББ.В.=ТПОЛН - Σ ТПРОСТОЯБ.В, часов

ТРАББ.В.=3320 - 720 = 2600, часов

ТРАБН.В. = ТПОЛН - Σ ТПРОСТОЯН.В,часов

ТРАБН.В. = 3320 - 691,2 = 2628,8 часов

Число часов использования номинальной нагрузки котла, час.

Б.В. = ТРАББ.В.* КИСПБ.В., чН.В. = ТРАБН.В.* КИСПН.В., ч

КИСПБ.В, КИСПН.В - коэффициенты использования оборудования

КИСПБ.В = ТРАББ.В / ТПОЛН = 2600 / 3320 = 0,64 %.

КИСПН.В = ТРАБН.В / ТПОЛН = 2628,8 / 3320 = 0,65 %.Б.В. = 2600* 0,64=1673,27 чН.В. = 2628,8*0,65 = 1710,54 ч

ОБ.B = hБ.B * NУCT,ОН.B = hН.B * NУCT.

УСТ = 90 Гкалл/ч - установленная мощность котлоагрегатаОБ.B = 1673,27 * 90 = 183253,01ОН.B = 1710,54 * 90 = 187335,26

Дополнительно выработанная энергия, Гкал/год,

ΔW = WОБ.B - WОН.B

ΔW = 187335,26 - 183253,01 = 3354,7 Гкал/год

Расход условного топлива

ΔB = вт * ΔW,

вт = 154 кг / Гкал - расход условного топлива на выработку одной единицы энергии

ΔB = 154 * 3354,7 = 516626,55 кг

Полученная экономия ресурсов

Величина экономии текущих затрат (ΔС, тыс. руб./год.) определяется по следующей формуле:

 (6.2.1.)

где: S - экономия ресурсов живого и овеществленного труда, которая может быть получена по результатам внедрения системы автоматизации, руб./год;

ΔСА - дополнительные амортизационные отчисления, руб./год;

ΔСТО - дополнительные расходы на текущий ремонт и техническое обслуживание, руб./год; можно принять ∆СТО ≈ (0,03…0,05)·КОБ;

Величина S рассчитывается путем умножения фактической экономии ресурсов (топливно-энергетических, заработной платы и др.) на договорную цену ресурсов или тарифные ставки.

S= ΔW*(Цр - Sр) - ΔB*Цт = 3354,7 * (1144-180) - 516626,55 *2=2200693 руб

Цр=1144 рублей - цена за 1 Гкал энергиир=180 рублей- себестоимость выработки 1 Гкал энергии

Цт = 2000 руб/т цена за 1 тонну условного топлива= 2200693 руб.

Величины ΔСА рассчитывается по следующей формуле:

 (6.2.2.)

где: НА - норма амортизационных отчислений на оборудование, на практике НА =10%.

∆СА=(834316,9-6000)*10/100=82831,69 руб.

∆СТО = 0,03·834316,9-6000 = 24849,51 руб.

Затраты на энергопотребление контроллера и датчиков в процессе работы оказывает незначительное влияние на общие затраты электроэнергии для котельной, поэтому ∆СЭ можно принять равной нулю.

∆С = 2200693 - (82831,69 + 24849,51) = 2093012 руб.

Таким образом экономия затрат составила за год 2093012 рублей, т.е. прибыль от проекта равна годовой экономии.

Прибыль от проекта (ППР) составляет 2093012 руб.

Расчет и распределение прибыли

Налог на имущество (НИ=2,2%):

НИ = КОБ ·0,022, (6.3.1.)

НИ = 834316,9·0,022 = 18355 руб.

Налогооблагаемая прибыль (ПН):

ПН = ППР - НИ, (6.3.2.)

ПН = 2093012 - 18355 =2074657 руб.

Налог на прибыль (НПР=24%):

НПР = ПН ·0,2, (6.3.3.)

НПР = 2074657·0,2 = 414931 руб.

Чистая прибыль предприятия (ПЧ):

ПЧ = ПН - НПР, (6.3.4.)

ПЧ= 2074657- 414931 = 1659725 руб

Срок окупаемости проекта (Т):

 (6.3.5.)

Т = 1168884 / 1659725 = 0,7 года.

При Т<2-3года проект является выгодным

Таблица 6.4 - Сводная таблица экономических показателей

№ п/п

Наименование показателя

Единицы измерения

Численное значение

1

Капитальные затраты

руб.

1168884

2

Дополнительные ресурсы

Гкал/год

3354,7

3

Амортизационные отчисления

руб./год

83432

4

Налогооблагаемая прибыль

руб./год

2074657

5

Чистая прибыль

руб./год

1659725

6

Срок окупаемости

год

0,7


В результате установки на предприятии новой системы управления котлоагрегатом ТП-38 на базе ПТК капитальные затраты составили 1168884 руб. Данная система позволила сократить время простоя действующего оборудования и получить дополнительные ресурсы в виде увеличения выработки энергии на 4082,2 Гкал/год. Модернизация системы управления привела к увеличению налогооблагаемой прибыли до 2074657 руб./год и позволило получить чистую прибыль 1576739 руб./год. Срок окупаемости проекта составит 0,74 года.

Заключение

В данной дипломной работе была разработана модернизация системы управления котлоагрегатом ТП-38 ст.№4 ТЭЦ «Обуховоэнерго» с детальной разработкой САУ давлением пара за котлом, на базе ПТК.

При написании работы была дана характеристика существующей системы управления котлоагрегатом. Обоснована необходимость ее модернизации.

В ходе разработки САУ были определены математические модели объекта, определены управляющие и возмущающие параметры системы управления.

ПТК разработан на применением продукции СКБ ПСИС с применением контролеров серии СР6700.

В ходе разработки ПТК был произведен подбор компонентов комплекса для реализации САУ, включающий:

выбор программируемого логического контроллера и средств программирования;

выбор технических средств.

Внедрение разработанной системы автоматизированного управления позволит:

повысить точность регулирования технологических параметров;

снизить время простоя котлоагрегата, вследствие повышения надежности системы;

повысить производительность оборудования за счет исключения операций ручного управления.

В экономической части диплома была рассчитана целесообразность применения новой системы.

Литература

1. “Обуховоэнерго”, ”Инструкция по эксплуатации котлоагрегата ст. № 4 ТП-38”, 2007 г.

. В.Л. Лихачев. «Электродвигатели асинхронные». Москва, 2002.

. Приборы контроля и средства автоматики тепловых процессов. В.С. Мухин, И.А. Саков, 1988.

. Техническое описание и инструкция по эксплуатации РС 29.1.12.

. Автоматизированное управление объектами тепловых электростанций. Г.П. Плетнев, 1981.

. Теория автоматического управления теплоэнергетическими процессами. Ротач В.Я. 1985 г.

. Наладка систем автоматического регулирования котлоагрегатов. А.С. Клюев, А.Г. Товарнов, 1970

8. «Специализированное конструкторское бюро программируемых средств и систем», <http://www.psis.ru/main/>

. ОАО "МЗТА, http://mzta.ru/

. Автоматизированная система имитационного моделирования, Л.Н. Селянинова.

. <http://www.mru-rus.com/mru.htm>

. Безопасность жизнедеятельности. С.В. Белов, 1999.

Похожие работы на - Модернизация системы автоматизации парового котла ТП-38 'Обуховоэнерго' с разработкой САУ давлением пара за котлом на базе ПТК

 

Не нашли материал для своей работы?
Поможем написать уникальную работу
Без плагиата!
Без нейросетей!