Разработка приёмника супергетеродинного типа
1. Введение
В данном курсовом проекте должен быть разработан
приёмник супергетеродинного типа по полученным техническим данным. Должна быть
разработана схема электрическая принципиальная.
При выполнении курсового проекта должны быть
приобретены навыки по выбору и обоснованию основных параметров схемы
радиоприёмника и его элементной базы.
Должен использоваться ПК, это облегчит выполнение
работы и поможет приобрести практические навыки по применению средств
вычислительной техники на этапе дипломного проекта.
1. Предварительный расчет супергетеродинного РПУ
2.1 Последовательность выполнения расчета
В техническом задании (ТЗ) на проект
приведены следующие данные:
1) диапазон частот принимаемых сигналов:65,8 ÷ 73 МГц;
2) вид модуляции: ЧМ: fн ÷ fb :
3) избирательность РПУ по соседнему
каналу: Sсек=28 дБ;
4) избирательность по зеркальному каналу: Se з.к.=22 дБ;
) промежуточная частота =10 МГц;
6) неравномерность усиления в полосе
пропускания (частотные искажения)=11дБ;
7) нелинейные искажения=7%;
8) эффективность схемы автоматической
регулировки усиления (АРУ): вх=26; вых=8.
9) величина выходной мощности =150 мВт.
10) напряжение питания =6 В.
2.2
Предварительный выбор структурной схемы РПУ
Радиовещательный приемник предназначен для приема программ
звукового радиовещания в диапазоне ультракоротких волн (65,8 ÷ 74; 100 ÷ 108 МГц).
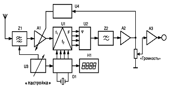
Схема структурная РПУ
2.3
Выбор числа поддиапазонов и элементов настройки
Необходимость разбивки рабочего диапазона
частот на отдельные поддиапазоны оценивается с помощью коэффициента перекрытия
диапазона частот:
(2.1)
где,
f0 max и f0 min - максимальная
и минимальная частота принимаемого сигнала.
Кд
max=1,05…1,1(выбрано из таблицы)
Применяем способ равных интервалов;
Исходные данные для расчета:
f0
max=73 МГц; f0 min=65,8 МГц; Кд max=1,1
Определяется коэффициент перекрытия Кд:
Кд=1,1094
Производится сравнение полученной величины
с Кд max, если Кд <Кдmax, то разбивка на
поддиапазоны не производится.
При Кд>Кд max определяется необходимое
количество поддиапазоновN:
(2.2)
Полученное число округляется до большего целого и принимается за
число поддиапазонов. Разбиваем на 2
поддиапазона
Определяется разность крайних частот одного поддиапазона 
пд
:

пд =

пд =
Определяется интервал частот каждого поддиапазона
и
с учетом
запаса, а также коэффициент перекрытия каждого поддиапазона КпдN
I поддиапазон:
(2.4)
МГц


пд) (2.5)
МГц
(2.6)
II поддиапазон:
(2.7)
МГц
(2.8)
МГц
(2.9)
Выбор элемента настройки
РПУ
Сmin (пФ) = 7пФ; Сmax (пФ) = 50пФ; варикап КВ121А.
Выбираем варикап Сmin =
8пФ ,Сmax = 50пФ.
Определяется фактический коэффициент
перекрытия поддиапазонов, обеспечиваемый изменением емкости выбранного варикапа
или варикапной матрицы:
(2.10)
где, Сcx -
начальная емкость схемы резонансного контура
Ccx=Cm+Cl+Cbh (2.11)
где, См - емкость монтажа;
СL - собственная емкость
катушки индуктивности;
Свн - емкость, вносимая
активным элементом 1-го каскада УСЧ на рабочей частоте.
Из таблицы 4 выбираем:
См =5пФ;СL =3пФ;Свн
=21пФ;
Ccx=5+3+21=29
пФ

2.4 Распределение частотных искажений между трактами РПУ
Частотные искажения, обуславливающие неравномерное усиление в
полосе пропускания частот, создаются всеми каскадами РПУ.
Основой для распределения частотных
искажений являются, как правило, заданные частотные искажения в целом для РПУ.
Выбирается ТСЧ, УПЧ, Предв. УНЧ, Оконеч. УНЧ из таблицы 7, исходя из того
что радиовещание приёмника происходит в диапазоне частот 65,8-73 МГц.
ТСЧ = 0 дБ; УПЧ = 6 дБ; Предв. УНЧ = 2 дБ; Оконеч. УНЧ = 4 дБ.
2.5 Распределение нелинейных искажений между трактами РПУ
В основном НИ сигнала в РПУ создаются
детекторами и каскадами УНЧ, т.е.:
Кн общ = Кн дет + Кн
УНЧ (2.12)
Кн общ = 7%
Кн.дет = 4%
Кн.унч = 3%
2.6
Выбор элементной базы радио-тракта (линейного тракта) РПУ
Выбор активного элемента определяется,
прежде всего, диапазоном рабочих частот. Основой для выбора активного элемента
в этом случае, является его коэффициент частотного использования:
(2.13)
где,
fo max -
максимальная частота принимаемого сигнала;
fг - граничная частота выбранного активного элемента.
Необходимо, чтобы, а<0,3.
а
=
Выбираем
активный элемент - транзистор КТ 315A, с fг =250 МГц,
УСЧ-КТ
315; ПЧ (смеситель) - КТ 339A; УПЧ - КТ 339A.
2.7 Расчет полосы пропускания линейного тракта РПУ
Необходимая полоса пропускания
определяется реальной шириной спектра принимаемого сигнала ∆Fc, допустимой
погрешностью сопряжения частоты гетеродина ∆fг , т.е. полоса пропускания
равна:
(2.14)
Ширина спектра
для ЧМ - сигнала определяется:
(2.15)
где, FB - верхняя частота
модулирующего сигнала;
Δfmax =50кГц - максимальная девиация частоты ЧМ
- сигнала;
∆Fc =
2´(50+14) = 128 кГц
Fв =
14 кГц
∆fсопр. = 32 кГц
∆fг = 0,6×
10-3´73´10
кГц
П
= 128 + 32 + 43,8 = 0,2038 МГц
Допустимая погрешность сопряжения контуров для УКВ -
диапазона Δfсопр. - 32 кГц.
Допустимое отклонение частоты гетеродина
для перестраиваемых РПУ: Δfг=0,6× 10-3´f0 max
Расширение полосы пропускания линейного может значительно
уменьшается его избирательность. Поэтому для сужения полосы пропускания
необходимо снижать нестабильность частоты гетеродина и погрешность
сопряжения контуров. Сужение полосы пропускания за счет уменьшения
нестабильности гетеродина обеспечивается с помощью автоматической подстройки
частоты гетеродина (АПЧГ).
2.8
Проектирование тракта сигнальной частоты ТСЧ
Основные требования, предъявляемые к ТСЧ:
- диапазон рабочих частот f0 min … f0 max: fo min …f0 max- 65,8-73 МГц;
- избирательность по
зеркальному каналу Sе з.к.: Sе з ю.- 22 дб
- избирательность по
помехе, с частотой равной промежуточной частоте Sеп.ч.:Sв. п.ч.- 28 дб
- неравномерность АЧХ в
пределах заданной полосы пропускания, АЧХ- 11дБ
Определение требуемого количества
одиночных контуров ТСЧ и их эквивалентного затухания.
Сначала определяется эквивалентное
затухание контуров:
(2.16)
где, q=3 - коэффициент шунтирования контуров
активными элементами
d0 - собственное затухание
контура =0,01.
Затем ориентировочно определяется
необходимое число одиночных контуров исходя из заданной величины
избирательности, ориентируясь на типовую величину затухания сигнала зеркальной
частоты, обеспечиваемого одиночным контуром Sк и примерно равного 22дБ.
(2.17)
³ 0,88
Полученное значение nсч округляется до большего целого числа и
определяется фактическое ослабление сигнала в ТСЧ на границе полосы пропускания
РПУ:
(2.18)
Полученное фактическое значение Мсч сравнивают со
значением, приведенным в п. 3.4., (ТСЧ). Оно должно быть меньше или равно.
Определение типа и числа избирательных
систем ТСЧ.
По ориентировочному числу одиночных контуров nсч вычисляется максимально
допустимое значение добротности контуров, обеспечивающее заданное ослабление на
краях пропускания для ТСЧ
(2.19)
где, П - полоса пропускания;
f0
min - минимальная частота полосы пропускания;
nс.ч - число одиночных контуров;
Мсч - фактическое ослабление сигнала в ТСЧ.
Определяется необходимая добротность
контуров Qn, обеспечивающая заданную избирательность по зеркальному
каналу Sез.к.: при применении одиночных контуров в ВЦ и УСЧ с индуктивной
связью:
(2.20)
где, fз.к.max - зеркальная частота:
;
fпр -
промежуточная частота РПУ (или первая промежуточная частота fпр1 РПУ с двойным преобразованием частоты).
Определяется эквивалентная добротность
контуров ТСН Qэкв по конструктивной добротности контура:
(2.21)
Qк - конструктивная
добротность контура.
Принятое значение добротности Q должно удовлетворять условию Q≤Qэкв.
В результате расчетов по п.п.2.8.2.1; 2.8.2.2. и 2.8.2.3
добротность контур Q необходимо принять равной или немного
большей Qи, но не больше Qn.
;
. Q = 35
(2.22)
Избирательность по промежуточной частоте Sепр.
определяется на минимальной частоте принимаемого сигнала или на частотах
близких к
:
(2.23)
Выбор структурной схемы ТСЧ производят по результатам
произведенного расчета.
Связь ВЦ с антенной высшей - первой группы сложности -
трансформаторная. УСЧ в ЧМ тракте обычно используют по схеме с общей базой.
ВЦ - перестраиваемый колебательный контур;
УСЧ - тип активного элемента биполярного транзистора КТ 315
К- перестраиваемый колебательный контур;
2.9 Проектирование тракта промежуточной частоты
Основные требования, предъявляемые к
тракту промежуточной частоты: значения промежуточных частот fпрЧМ= 10,7 МГц,
избирательность по соседнему каналу Sес.к. = 22дб.
При выборе избирательной системы тракта ПЧ
учитываются следующее:
1) одиночный колебательный контур
обеспечивает избирательность по соседнему каналу порядка 5 ... 6 дБ,
пъезофильтр - до 40 дБ.
Количество требуемых систем с запасом
определяется по формуле:
(2.24)
где, Sес.к - заданное значение
избирательности по соседнему каналу;
Sск1 - значение
избирательности выбранной избирательной системы.
) В усилителях промежуточной частоты (УПЧ) с распределенной
избирательностью каждый каскад усиления (обычно с ДПФ) вносит определенный
вклад, как в усиление сигнала, так и в избирательность. В УПЧ с разделением
функций требуемая селективность осуществляется в преобразовательной ступени
тракта ПЧ с помощью ФСС, а усиление - последующими каскадами - апериодическими
или широкополосными. Второй вариант предпочтительнее, т.к. обеспечивает лучшую
избирательность и повышает устойчивость работы тракта. Поскольку основная
избирательность осуществляется в преобразовательной ступени, избирательность
последующих каскадов при расчете структурной схемы не учитывается.
Порядок расчета тракта ПЧ с применением пъезофильтра:
Для согласования фильтра с преобразователем частоты; необходимо
применить широкополосный согласующий контур, который имеет собственные
избирательность и ослабление на краях полосы пропускания.
Основные параметры выбранного по таблицам фильтра:
Пьезокерамический фильтр: ПФ1П-0495
. Средняя полоса пропускания, МГц-
2. Полоса пропускания, кГц-
.
Селективность
.
Затухание в полосе пропускания, дБ, не более 10
.
Неравномерность АЧХ в полосе пропускания не более 3 дБ
.
Входное сопротивление источника сигнала 330Ом
.
Входное сопротивление со стороны нагрузки 330Ом
Определяются требования по избирательности и ослабление на краях
полосы пропускания для согласующих широкополосных контуров:
=1,41 раз
=1,41 раз
При
распределении частотных искажений для тракта ПЧ было принято значении 6дБ. Для
ПКФ значение частотных искажений принимаются:
.
Следовательно, для контура смесителя значение частотных искажений будет 3 дБ.
Допустимая
добротность контура
равна:
(7.2)
Определяем
добротность контура
, обеспечивающую заданную избирательность
по соседнему каналу со знаком в 1 дБ, т.е. 3 дБ.
(7.3)
Определяем
конструктивную эквивалентную добротность контура
с учётом
коэффициента шунтирования
контура активным элементом.
(7.4)
где:
- конструктивная добротность контура.
Из
условия
и
выбираем
добротность контура смесителя
:
(7.5)
Выбираем
= 50.
Определяем
действительное ослабление сигнала на краях полосы пропускания контура
смесителя:
(7.6)
Определяем
действительное значение избирательности по соседнему каналу, которое
обеспечивает контур смесителя:
(7.7)
Расчёт коэффициента искажений и избирательности по соседнему каналу
тракта ПЧ. Частотные искажения тракта ПЧ равны:
(7.8)
Избирательность
по соседнему каналу равна:
(7.9)
Результат
расчёта соответствует заданому. Определяются рассчитанные суммарные значения
избирательности
и ослабления на краях полосы пропускания
тракта ПЧ.
Коэффициент усиления линейного тракта РПУ
(до детектора) при приеме на наружную антенну:
(2.29)
где, Uвхд - напряжение промежуточной части на входе детектора,
Еа - чувствительность со входа приемника,
Из таблицы 12 Uвх.д = 0,6В
Ea =
мкВ∙м
где, Еат.з. - заданная чувствительность
Для УКВ - диапазона ae=2,5
… 3,5; ae - коэффициент запаса.
Таким образом:
(2.30)
Kлm
=
При работе РПУ на магнитную антенну (МA):
(2.31)
где, Um.вых - амплитуда напряжения на входе первого каскада РПУ
где, Ен - заданная напряженность поля в точке
приема, мВ/м;
hд - действующая высота МА в
метрах;
Qэкв - эквивалентная добротность
контура входной цепи, взятая на
поддиапазона.
m2 - коэффициент
включения входного транзистора УСЧ в контур ВЦ.
(2.32)
где,
- максимальная частота поддиапазона, МГц;
Rвх -
входное сопротивление транзистора или ИС первого каскада РПУ (для схемы с 0Э Rвх = 0,5...1 кОм; для схемы с ОБ Rвх =
0,1...0,5 кОм)
- минимальная эквивалентная емкость контура МА, пФ;
Qк - конструктивная добротность
контура МА, принимаемая=200...300.
Примечание: при применении во входном
каскаде (УСЧ или ПЧ, если УСЧ отсутствует) полевых транзисторов или ИС с
входным каскадом на полевом транзисторе коэффициент можно принять равным 1.
Напряжение на входе детектора Uвх.д определяется группой
сложности приемника, видом детектора и типом активного элемента (диод, ИС).
Минимальное допустимое напряжение Uвх.д (в вольтах) на входе
амплитудного и частотного детекторов указано в таблице 14. Выбран частотный
дискриминатор Uвх.д=0,6В. Для выбора числа каскадов линейного тракта радиовещательных
приемников можно воспользоваться таблицей 15 в случае применения в каскадах
активных элементов на биполярных транзисторах. Пользуясь этой таблицей
необходимо определить число каскадов с коэффициентом передачи Квц, Кусч,
Кпч и ш так, чтобы

(2.33)
0.5
где, n - число каскадов.
Для усилителя промежуточной частоты необходимо определить
устойчивый коэффициент усиления:
(2.34)
Ку =6.3
где, Ск - емкость коллекторного перехода транзистора;
Y21 - крутизна характеристики транзистора,
выбранного для УПЧ.
где, а - коэффициент частотного использования (см. 2.8.)
при а<0,3 можно считать
Если в справочнике данные о транзисторе взяты в h параметрах (как правило), то Y21 можно пересчитать:
(2.35)
Y21 =
Необходимое условие: 
При невыполнении этого условия количество каскадов УПЧ следует
увеличить, уменьшив коэффициент усиления каждого.
2.11 Выбор схем детектора и расчет его выходного напряжения
Выбор схемы детектора ЧМ - сигнала.
При детектировании ЧМ - сигналов
применяются частотные дискриминаторы (ЧД), дробный детектор (ДД) и детектор
совпадений.
При приеме непрерывных ЧМ сигналов
используется ЧД со связанными, одинаково настроенными контурами, ДД и детектор
совпадений. Для приема частотно-модулированных ЧТ и ДЧТ сигналов, в приемниках
многоканальных спутниковых и радиорелейных линий используют ЧД с взаимно
расстроенными контурами.
(2.36)
50 х 5
х 0,909=0,227В
UвхЧД =
где, Uвх.УНЧ - чувствительность УНЧ радиоприемника;
m - глубина амплитудной модуляции;
Кдел -
коэффициент деления делителя нагрузки детектора (вводится при Rвх.УНЧ<50…100 КОм и
выбирается в пределах:0,1 ... 0,5; при Квх.унч >100кОм, Кдел.=1)
Рассчитанная величина Uвхд, должна находиться в допустимых
пределах ±20% с рекомендуемой в таблице 16.
Минимальные - допустимые напряжения на
входе амплитудного и частотного детекторов UД, мВ.
Элементная база, используемая в схемах
детекторов.
Детекторы ЧМ сигналов
а) диоды Д2, Д9, Д18, Д20, КД503, КД514, КД521,
ГД507, ГД508.
б) многофункциональные ИС К174ХУРЗ,
К174ХА6, К2УС242, в которые входит схема ЧМ - сигналов.
К2ДС241, 2ДС351 - детектор ЧМ - сигналов.
Выбор схемы детекторов
В радиовещательных приемниках
амплитудно-модулированных сигналов обычно используют диодный детектор
последовательного типа с разделенной нагрузкой. В качестве детектора АРУ
используют детектор основного канала; в приемниках высшей и 1-ой группы
сложности применяют отдельный детектор, обычно параллельного типа.
Выходы АМ, ЧМ- детекторов на ИС, как
правило, согласуют со входом УЗЧ через эмиттерный повторитель.
2.12 Проектирование тракта ЗЧ радиовещательных приёмников
а) номинальная выходная мощность тракта
Рст.
б) диапазон воспроизводимых частот Fmin … Fmax
в) неправомерность частотной
характеристики МуЗЧ (дб).
г) среднее звуковое давление при заданной
номинальной мощности и диапазоне звуковых частот φор .
При выборе громкоговорителя должны быть
обеспечены следующие условия:
а) Ргр≥2 Рн
где, Ргр - суммарная мощность
громкоговорителей, на которые нагружен усилитель мощности тракта 3Ч УМЗЧ.
б) Мгр≤Мас
(дБ)
где; Мгр - неравномерность АЧХ
громкоговорителя
Мас - неравномерность АЧХ
акустической системы
(2.38)
Мас =11+5-(10.9+1)=4,1 дб
где, Мпрк - заданная неравномерность АЧХ приёмника в
целом (11дб)
Мл.т -
неравномерность АЧХ линейного тракта (10.9дб)
Мдет - частотные искажения
детектора (1дб)
для РПУ средних и высших групп сложности (3, 2, 1 и 0
группы)
Музч =(5дб)
в) Fгр.min<Fmin, Fгр.max≥Fmax
10Гц<20Гц, 15.5кГц>14кГц
Выбор типа и количества каскадов УЗЧ.
Применяем безтрансформаторную
двухтактную схему последовательного типа, позволяющую обеспечить дальнейшее
повышение КПД и устойчивости, расширение АЧХ, уменьшения нелинейных искажений и
фона. супергетеродинный
радиоприемный устройство детектор
Активные элементы оконечного каскада
следует выбирать исходя из условий:
(2.39)
(2.40)
Uкэ ≤
0.4 Uкэ 25В
Pдоп ≥
; Pдоп =
=180мВт
где, Uкэ.доп., Pдоп. - допустимые напряжения и мощность
рассеивания
на коллекторе транзистора при нормальной температуре;
tдоп.=800С
- наибольшая допустимая температура p-n перехода;ср.mах=500С -
наибольшая температура окружающей среды в oС.
для определения количества каскадов УЗЧ
необходимо рассчитать коэффициент передачи УЗЧ по мощности
(2.41)
Крзч =
Pвх.ЗЧ =
15мВт
где,
- минимальная величина мощности на входе
усилителя, который обеспечивает получение номинальной выходной мощности
aос=10…100
- коэффициент запаса, учитывающий введшие ООС тембровые регулировки и разбросы параметров
усилителя.
Исходя из рассчитанного по формуле 2.40 Крзч,
определяют число каскадов УЗЧ, принимая коэффициент усиления мощности
оконечного каскадаКр0 равным 30…100, остальных каскадов (по схеме с
ОЭ) - Кп равным 30...300, т.к.
(2.42)
=
30n
n = 0.8 ≈
1
Рекомендуемые активные элементы для УЗЧ. К
каскадам предварительного усиления применяем транзистор КТ 3102 ( n-p-n)
2.13 Выбор схемы АРУ
Исходными данными для расчёта АРУ
являются:
- относительное изменение уровня сигнала
на входе РПУ в дБ:
(2.43)
- соответствующее изменение уровня сигнала на выходе РПУ в дБ
(2.44)
чувствительность РПУ - Еа
(мкВ/м или мВ/м)
По заданным величинам “a” и ”b”определяется необходимое
изменение коэффициента усиления регулируемого каскада:
(2.45)
Выбирается число регулируемых каскадов исходя из того, что один
каскад позволяет получить глубину регулировки от 15 до 25 дБ:
(2.46)
np.k.=
=0.9 ≈1
Определяется требуемое напряжение управления, снимаемое с выхода
детектора АРУ:
(2.47)
∆Еупр =350мВ
При применении простейших схем детектора
АРУ (последовательной или параллельной), имеющий малый угол отсечки, его
коэффициент передачи близок к единице. Поэтому:
(2.48)
В качестве детектора АРУ применяем ИС: К1ДА191
Заключение
В результате выполнения курсового проекта, студентом был приобретен навык
расчета и проектирования супергетеродинного РПУ, а также разработана схема
электрическая принципиальная к нему. Также изучена документация к элементам
приемника и их характеристики.
Литература
1. Белкин М.К., Белинский В.Т., Мазор Ю.Л., Терещук В.М.
Справочник по учебному проектированию приёмно-усилительных устройств. Киев,
«Высшая школа»,1988.
. Екимов В.Д., Павлов К.М. Проектирование радиоприёмных
устройств. Москва, «Связь», 1970.
3. Лавриненко В.Ю. справочник по полупроводниковым
приборам. Киев, «Техника», 1980.
4. Полупроводниковые приборы: транзисторы. Справочник под
редакцией Горюнова Н.Н. Москва, «Энергоатомиздат», 1985.
. Справочник по полупроводниковым диодам, транзисторам и
ИС. Под редакцией Горюнова Н.Н. Москва, «Энергия», 1976.
6. Интегральные микросхемы. Справочник под редакцией
Тарабарина В.В. Москва, «Энергоатомиздат»,1986.