Разработка макета блокиратора сигнала сотовых телефонов
Содержание
1. Общая характеристика работы
1.1. Цель и задачи работы
1.2. Введение
2.
Основное содержание работы
2.1. Принцип работы GSM-сетей
2.2. TDMA(Пакетная передача данных).
.3. Принцип работы генератора пакетов
.4. Схема устройства
.5. Типы используемых деталей
3.
Основные результаты работы.
4.
Литература
1. Общая
характеристика работы
1.1 Цель и задачи работы
Целью курсовой работы является разработка макета блокиратора сигнала сотовых
телефонов.
В ходе выполнения курсовой работы были решены следующие задачи:
1. Изучить принципы организации связи формата GSM.
2. Разработать устройство, реализующее подавление сигнала сотовых
телефонов.
.2 Введение
В нашей стране сотовые телефоны получили такое распространение, что их
использование все чаще призывают ограничить. Пока преимущественно в крупных
городах. Делать это предлагается с помощью специальных систем, блокирующих
радиоволны в определенном диапазоне.
На выезде из многих российских населенных пунктов можно увидеть странные
конструкции - антенны высотой до 30 м, расставленные по эллипсу на территории
примерно в квадратный километр. Это те самые советские станции глушения и
пеленгации, которые в не столь уж отдаленные времена мешали особенно пытливым
гражданам слушать "вражеские голоса". Системы радиоблокировки сотовых
телефонов выполняют несколько иные функции и действуют по другому принципу.
Мобильные "глушилки" бывают трех типов. Первую группу
составляют довольно простые системы, использование которых не требует
дополнительных энергозатрат. На стенах в помещении монтируются специальные
экранирующие электромагнитные панели (Faraday Cage), обеспечивающие пассивное
блокирование сотовых сигналов. Как утверждает начальник отдела продвижения
решений НИП "Информ защита" Михаил Савельев, "деревянные панели
с тонкими пластинами из никель-цинкового сплава отсекают до 97% радиоволн.
Данный вариант подходит для небольших помещений и позволяет сэкономить на
оплате счетов за электричество".
Второй метод - установка специального прибора, определяющего наличие
включенного мобильника в радиусе пяти метров и более. При попытке позвонить
устройство в течение короткого промежутка времени излучает подавляющий сигнал
сравнительно небольшой мощности. В результате канал управления базовой станции,
предназначенный для абонента, в зоне действия устройства перекрывается.
Конкретные параметры подобных участков "мобильного молчания" зависят
от характеристик используемых антенн. Входящие звонки отсекаются точно так же,
вызова абонента не происходит, сигнал не слышен. После чего сотовый аппарат
переключается в режим ожидания, оставаясь на обслуживании в сотовой сети.
Сигналы подавляются на частотах 860-960 и 1800-1970 МГц. В качестве примера
можно привести прибор RS Jammer, который не создает помех для работы систем
сотовой связи и прочей электроники, а воздействует только на телефонный
аппарат, находящийся в определенной зоне. При этом его действие не фиксируется
стандартными средствами радионаблюдения. "Дальнобойность" RS Jammer
зависит от характеристик блокирующего передатчика. В предлагаемых вариантах
мощность составляет 1,5 или 4 Вт (при импульсе).
Наконец, третий вариант - системы, создающие постоянные помехи в
определенном диапазоне, причем некоторые из них обладают любопытной функцией: с
помощью беспроводных технологий типа Bluetooth они автоматически переводят
любой совместимый телефон в режим "молчания".
Еще в 2001 году гонконгская компания Champion Technology представила одну
из первых "глушилок", переделанную из военной системы, применявшейся
в противоракетной обороне. Стоимость MuteTone составила $1600. Прибор
предназначался для коммерческого использования и блокировал связь на площади
порядка 700 кв. м.
В конце 2003 года в Великобритании была создана "глушилка" для
сотовых телефонов, внешне похожая на обычный мобильник с двумя антеннами.
Компания Global Gadget выпустила две модификации: SH-066PL2B - для подавления
работы сетей GSM 900/1800 и SH-066PL2A - для "борьбы" с телефонами,
действующими в диапазоне 800 и 1900 МГц. Мощность устройства не превышает 20 мВт,
что, по словам его изобретателей, достаточно для блокирования сотовой связи в
радиусе 10-15 м. Стоит система около $270. Аппарат автономный, в комплекте
поставляются зарядник и батарея, которой, правда, хватает всего на несколько
часов работы.
Существуют также интеллектуальные блокираторы мобильных телефонов ГАММА,
"Москит", "Скит-МП", MobilePhoneProtect, БСТ модели JA и MJ
- все они предназначены для подавления в заданной зоне мобильников и
аппаратуры, использующей для передачи информации каналы сотовой связи.
В нашей стране производством подобного рода техники занимается несколько
компаний. По информации заместителя директора по консалтингу НИП
"Информзащита" Максима Эмма, один из наиболее известных отечественных
блокираторов RS Jammini для сетей GSM 900/1800 (как и C-Guard LP, изготовляемый
израильской компанией NetLine) стоит в районе 1500 евро. Работают они неплохо,
хотя бы исходя из принципа "ломать - не строить": чем мощнее сигнал,
тем надежнее система глушит сотовые трубки.
В режиме ожидания подобный прибор не генерирует сигнал. Защита включается
только на время вызова, в строго ограниченной зоне. Прибор блокирует аппараты
стандартов D-AMPS, CDMA, GSM-900 и 1800.
Трезвон сотовых телефонов все сильнее раздражает людей в общественных
местах. Почти во всех странах запрещено использование трубок в больницах и
поликлиниках, где они могут помешать электронному оборудованию. Значки с
перечеркнутыми трубками встречаются в аудиториях, где проводят экзамены, на
электростанциях, в храмах и музеях. Во Франции некоторое время назад
рассматривался законопроект, разрешающий установку мобильных глушилок в
библиотеках и музеях. К этому моменту в стране уже молчали трубки во многих
кинотеатрах и концертных залах, поскольку их владельцы, столкнувшиеся с
серьезными финансовыми потерями, заняли весьма активную и непримиримую позицию.
Министр юстиции штата Новый Южный Уэльс (Австралия) обратился к
федеральному правительству за разрешением применять в тюрьмах глушилки, дабы
прекратить любые попытки использования заключенными мобильных телефонов. По его
словам, число попыток пронести в здания тюрем сотовые аппараты резко
увеличилось.
Убедились в необходимости устанавливать запрет на сотовые телефоны и
священники. В мусульманских мечетях в Саудовской Аравии он уже введен. В одной
из католических церквей на юго-востоке Испании мобильные телефоны больше не
мешают проведению служб. Настоятель установил внутри храма электронное
приспособление, блокирующее мобильники. Причиной, побудившей священника пойти
на этот шаг, стали постоянные звонки телефонов, раздающиеся во время мессы и
мешающие проявлению религиозных чувств.
В индийском парламенте уже пару лет назад "глушилки" установили
в связи с тем, что политические деятели игнорировали многочисленные просьбы
выключить свои сотовые телефоны во время заседаний, в результате
законодательные сессии постоянно прерывались.
В Италии университеты начали использовать блокираторы после того, как
узнали о том, что хитроумные студенты-подростки обманывали экзаменаторов,
обмениваясь SMS или фотографируя тестовые задания.
Отдельный вопрос - безопасность. Поскольку мобильный телефон может
выступить в качестве взрывателя для различного рода бомб, глушение активно
используется силовыми структурами. Особенно богатый опыт в этом отношении у
израильских, американских и российских спецслужб - сказывается напряженная
борьба с терроризмом. К примеру, при проезде высокопоставленных чиновников по
правительственной трассе еще за пару минут до появления их автомобилей на
дисплее мобильного телефона пропадает сотовая сеть и восстанавливается только
через 3-4 минуты после удалившегося кортежа. Раньше в арсенале у сотрудников
специальных служб были устройства, подавляющие активность радиовзрывателей с
помощью излучения по широкому спектру радиочастот, теперь же перешли на более современное
оборудование. Радиус действия "глушилок" составляет 300-500 м, притом
небольшие размеры позволяют устанавливать их в несколько автомобилей,
увеличивая этот радиус до 1-2 км вокруг кортежа.
Что касается законодательства: скажем, в США закон категорически (еще с
1930-х годов) запрещает глушение и определяет его как "намеренное
воздействие на радиокоммуникации любой станции, имеющей лицензию на
передачу".
2.
Основное содержание работы
2.1
Принцип работы GSM-сетей
GSM (Global System for Mobile Communications) был разработан в 1990 году. Первый
оператор GSM принял абонентов в 1991 году, к началу 1994 года сети, основанные
на рассматриваемом стандарте, имели уже 1.3 миллиона подписчиков, а к концу
1995 их число увеличилось до 10 миллионов!
Начнем с самого сложного и, пожалуй, скучного - блок-схемы сети. При
описании будут использоваться принятые во всем мире англоязычные сокращения.
Самая простая часть структурной схемы - переносной телефон, состоит из
двух частей: собственно "трубки" - МЕ (Mobile Equipment - мобильное
устройство) и смарт-карты SIM (Subscriber Identity Module - модуль
идентификации абонента), получаемой при заключении контракта с оператором. Как
любой автомобиль снабжен уникальным номером кузова, так и сотовый телефон имеет
собственный номер - IMEI (International Mobile Equipment Identity -
международный идентификатор мобильного устройства), который может передаваться
сети по ее запросу. SIM, в свою очередь, содержит так называемый IMSI
(International Mobile Subscriber Identity - международный идентификационный
номер подписчика). Таким образом, IMEI соответствует конкретному телефону, а
IMSI - определенному абоненту.
"Центральной нервной системой" сети является NSS (Network and
Switching Subsystem - подсистема сети и коммутации), а компонент, выполняющей
функции "мозга" называется MSC (Mobile services Switching Center -
центр коммутации). Именно последний все называют "коммутатор", а
также, при проблемах со связью, винят во всех смертных грехах. MSC в сети может
быть и не один. MSC занимается маршрутизацией вызовов, формированием данных для
биллинговой системы, управляет многими процедурами - проще сказать, что не
входит в обязанности коммутатора, чем перечислять все его функции.
Следующими по важности компонентами сети, также входящими в NSS, я бы
назвал HLR (Home Location Register - реестр собственных абонентов) и VLR
(Visitor Location Register - реестр перемещений). Обратите внимание на эти
части, в дальнейшем мы будем часто упоминать их. HLR, грубо говоря,
представляет собой базу данных обо всех абонентах, заключивших с
рассматриваемой сетью контракт. В ней хранится информация о номерах
пользователей (под номерами подразумеваются, во-первых, упоминавшийся выше
IMSI, а во-вторых, так называемый MSISDN-Mobile Subscriber ISDN, т.е.
телефонный номер в его обычном понимании), перечень доступных услуг и многое
другое - далее по тексту часто будут описываться параметры, находящиеся в HLR.
В отличие от HLR, который в системе один, VLR может быть и несколько -
каждый из них контролирует свою часть сети. В VLR содержатся данные об
абонентах, которые находятся на его (и только его!) территории (причем
обслуживаются не только свои подписчики, но и зарегистрированные в сети
роумеры). Как только пользователь покидает зону действия какого-то VLR,
информация о нем копируется в новый VLR, а из старого удаляется. Фактически,
между тем, что есть об абоненте в VLR и в HLR, очень много общего - посмотрите
таблицы, где приведен перечень долгосрочных (табл.1) и временных (табл.2 и 3)
данных об абонентах, хранящихся в этих реестрах. Еще раз об отличие HLR от VLR:
в первом расположена информация обо всех подписчиках сети, независимо от их
местоположения, а во втором - данные только о тех, кто находится на
подведомственной этому VLR территории. В HLR для каждого абонента постоянно
присутствует ссылка на тот VLR, который с ним (абонентом) сейчас работает (при
этом сам VLR может принадлежать чужой сети, расположенной, например, на другом
конце Земли).
Долгосрочные данные, хранимые в HLR и VLR
1. Международный идентификационный номер подписчика (IMSI)
. Телефонный номер абонента в обычном смысле (MSISDN)
. Категория подвижной станции
. Ключ идентификации абонента (Ki)
. Виды обеспечения дополнительными услугами
. Индекс закрытой группы пользователей
. Код блокировки закрытой группы пользователей
. Состав основных вызовов, которые могут быть переданы
. Оповещение вызывающего абонента
. Идентификация номера вызываемого абонента
. График работы
. Оповещение вызываемого абонента
. Контроль сигнализации при соединении абонентов
. Характеристики закрытой группы пользователей
. Льготы закрытой группы пользователей
. Запрещенные исходящие вызовы в закрытой группе пользователей
. Максимальное количество абонентов
. Используемые пароли
. Класс приоритетного доступа
Временные данные, хранимые в HLR
1. Параметры идентификации и шифрования
. Временный номер мобильного абонента (TMSI)
. Адрес реестра перемещения, в котором находится абонент (VLR)
. Зоны перемещения подвижной станции
. Номер соты при эстафетной передаче
. Таймер отсутствия ответа
. Состав используемых в данный момент паролей
. Активность связи
Временные данные, хранимые в VLR
1. Временный номер мобильного абонента (TMSI)
. Идентификаторы области расположения абонента (LAI)
. Указания по использованию основных служб
. Номер соты при эстафетной передаче
. Параметры идентификации и шифрованиясодержит еще два компонента - AuC
(Authentication Center - центр авторизации) и EIR (Equipment Identity Register
- реестр идентификации оборудования). Первый блок используется для процедур
установления подлинности абонента, а второй, как следует из названия, отвечает
за допуск к эксплуатации в сети только разрешенных сотовых телефонов.
Исполнительной, если так можно выразиться, частью сотовой сети, является
BSS (Base Station Subsystem - подсистема базовых станций). Если продолжать
аналогию с человеческим организмом, то эту подсистему можно назвать
конечностями тела. BSS состоит из нескольких "рук" и "ног"
- BSC (Base Station Controller - контроллер базовых станций), а также множества
"пальцев" - BTS (Base Transceiver Station - базовая станция). Базовые
станции можно наблюдать повсюду - в городах, полях - фактически это просто
приемно-передающие устройства, содержащие от одного до шестнадцати излучателей.
Каждый BSC контролирует целую группу BTS и отвечает за управление и
распределение каналов, уровень мощности базовых станций и тому подобное. Обычно
BSC в сети не один, а целое множество (базовых станций же вообще сотни и
тысячи).
Управляется и координируется работа сети с помощью OSS (Operating and Support
Subsystem - подсистема управления и поддержки). OSS
состоит из всякого рода служб и систем, контролирующих работу и трафик.
При каждом включении телефона после выбора сети начинается процедура
регистрации. Рассмотрим наиболее общий случай - регистрацию не в домашней, а в
чужой, так называемой гостевой, сети (будем предполагать, что услуга роуминга
абоненту разрешена).
Пусть сеть найдена. По запросу сети телефон передает IMSI абонента. IMSI
начинается с кода страны "приписки" его владельца, далее следуют
цифры, определяющие домашнюю сеть, а уже потом - уникальный номер конкретного
подписчика. Например, начало IMSI 25099… соответствует российскому оператору
Билайн. (250-Россия, 99 - Билайн). По номеру IMSI VLR гостевой сети определяет
домашнюю сеть и связывается с ее HLR. Последний передает всю необходимую
информацию об абоненте в VLR, который сделал запрос, а у себя размещает ссылку
на этот VLR, чтобы в случае необходимости знать, "где искать" абонента.
Очень интересен процесс определения подлинности абонента. При регистрации
AuC домашней сети генерирует 128-битовое случайное число - RAND, пересылаемое
телефону. Внутри SIM с помощью ключа Ki (ключ идентификации - так же как и
IMSI, он содержится в SIM) и алгоритма идентификации А3 вычисляется 32-битовый
ответ - SRES (Signed RESult) по формуле SRES = Ki * RAND. Точно такие же
вычисления проделываются одновременно и в AuC (по выбранному из HLR Ki
пользователя). Если SRES, вычисленный в телефоне, совпадет со SRES,
рассчитанным AuC, то процесс авторизации считается успешным и абоненту
присваивается TMSI (Temporary Mobile Subscriber Identity-временный номер
мобильного абонента). TMSI служит исключительно для повышения безопасности
взаимодействия подписчика с сетью и может периодически меняться (в том числе
при смене VLR).
Теоретически, при регистрации должен передаваться и номер IMEI, но у меня
есть большие сомнения насчет того, что минский оператор отслеживают IMEI
используемых абонентами телефонов. Давайте будем рассматривать некую
"идеальную" сеть, функционирующую так, как было задумано создателями
GSM. Так вот, при получении IMEI сетью, он направляется в EIR, где сравнивается
с так называемыми "списками" номеров. Белый список содержит номера санкционированных
к использованию телефонов, черный список состоит из IMEI, украденных или по
какой-либо иной причине не допущенных к эксплуатации телефонов, и, наконец,
серый список - "трубки" с проблемами, работа которых разрешается
системой, но за которыми ведется постоянное наблюдение.
После процедуры идентификации и взаимодействия гостевого VLR с домашним
HLR запускается счетчик времени, задающий момент перерегистрации в случае
отсутствия каких-либо сеансов связи. Обычно период обязательной регистрации
составляет несколько часов. Перерегистрация необходима для того, чтобы сеть
получила подтверждение, что телефон по-прежнему находится в зоне ее действия.
Дело в том, что в режиме ожидания "трубка" только отслеживает
сигналы, передаваемые сетью, но сама ничего не излучает - процесс передачи
начинается только в случае установления соединения, а также при значительных
перемещениях относительно сети (ниже это будет рассмотрено подробно) - в таких
случаях таймер, отсчитывающий время до следующей перерегистрации, запускается
заново. Поэтому при "выпадении" телефона из сети (например, был
отсоединен аккумулятор, или владелец аппарата зашел в метро, не выключив
телефон) система об этом не узнает.
Все пользователи случайным образом разбиваются на 10 равноправных классов
доступа (с номерами от 0 до 9). Кроме того, существует несколько специальных
классов с номерами с 11 по 15 (разного рода аварийные и экстренные службы,
служебный персонал сети). Информация о классе доступа хранится в SIM. Особый,
10 класс доступа, позволяет совершать экстренные звонки (по номеру 112), если
пользователь не принадлежит к какому-либо разрешенному классу, или вообще не
имеет IMSI (SIM). В случае чрезвычайных ситуаций или перегрузки сети некоторым
классам может быть на время закрыт доступ в сеть.
Как уже было сказано, сеть состоит из множества BTS - базовых станций
(одна BTS - одна "сота", ячейка). Для упрощения функционирования
системы и снижения служебного трафика, BTS объединяют в группы - домены,
получившие название LA (Location Area - области расположения). Каждой LA
соответствует свой код LAI(Location Area Identity). Один VLR может
контролировать несколько LA. И именно LAI помещается в VLR для задания
местоположения мобильного абонента. В случае необходимости именно в
соответствующей LA (а не в отдельной соте) будет произведен поиск абонента. При
перемещении абонента из одной соты в другую в пределах одной LA перерегистрация
и изменение записей в VLR/HLR не производится, но стоит ему (абоненту) попасть
на территорию другой LA, как начнется взаимодействие телефона с сетью. При
смене LA код старой области стирается из VLR и заменяется новым LAI, если же
следующий LA контролируется другим VLR, то произойдет смена VLR и обновление
записи в HLR.
Вообще говоря, разбиение сети на LA довольно непростая инженерная задача,
решаемая при построении каждой сети индивидуально. Слишком мелкие LA приведут к
частым перерегистрациям телефонов и, как следствие, к возрастанию трафика
разного рода сервисных сигналов и более быстрой разрядке батарей мобильных
телефонов. Если же сделать LA большими, то, в случае необходимости соединения с
абонентом, сигнал вызова придется подавать всем сотам, входящим в LA, что также
ведет к неоправданному росту передачи служебной информации и перегрузке
внутренних каналов сети.
Теперь рассмотрим очень красивый алгоритм так называемого handover (такое
название получила смена используемого канала в процессе соединения). Во время
разговора по мобильному телефону вследствие ряда причин (удаление
"трубки" от базовой станции, многолучевая интерференция, перемещение
абонента в зону так называемой тени и т.п.) мощность (и качество) сигнала может
ухудшиться. В этом случае произойдет переключение на канал (может быть, другой
BTS) с лучшим качеством сигнала без прерывания текущего соединения (добавлю -
ни сам абонент, ни его собеседник, как правило, не замечают произошедшего
handover).
Handover принято разделять на четыре типа:
1. Смена каналов в пределах одной базовой станции
. Смена канала одной базовой станции на канал другой станции, но
находящейся под патронажем того же BSC.
. Переключение каналов между базовыми станциями, контролируемыми
разными BSC, но одним MSC
. Переключение каналов между базовыми станциями, за которые
отвечают не только разные BSC, но и MSC.
В общем случае, проведение handover - задача MSC. Но в двух первых
случаях, называемых внутренними handover, чтобы снизить нагрузку на коммутатор
и служебные линии связи, процесс смены каналов управляется BSC, а MSC лишь
информируется о происшедшем.
Во время разговора мобильный телефон постоянно контролирует уровень
сигнала от соседних BTS (список каналов (до 16), за которыми необходимо вести
наблюдение, задается базовой станцией). На основании этих измерений выбираются
шесть лучших кандидатов, данные о которых постоянно (не реже раза в секунду) передаются
BSC и MSC для организации возможного переключения. Существуют две основные
схемы handover:
"Режим наименьших переключений" (Minimum acceptable
performance). В этом случае, при ухудшении качества связи мобильный телефон
повышает мощность своего передатчика до тех пор, пока это возможно. Если же,
несмотря на повышение уровня сигнала, связь не улучшается (или мощность
достигла максимума), то происходит handover.
"Энергосберегающий режим" (Power budget). При этом мощность
передатчика мобильного телефона остается неизменной, а в случае ухудшения
качества меняется канал связи (handover).
Интересно, что инициировать смену каналов может не только мобильный
телефон, но и MSC, например, для лучшего распределения трафика.
Поговорим теперь, каким образом происходит маршрутизация входящих вызовов
мобильного телефона. Как и раньше, будем рассматривать наиболее общий случай,
когда абонент находится в зоне действия гостевой сети, регистрация прошла
успешно, а телефон находится в режиме ожидания.
При поступлении запроса (рисунок ниже) на соединение от проводной
телефонной (или другой сотовой) системы на MSC домашней сети (вызов
"находит" нужный коммутатор по набранному номеру мобильного абонента
MSISDN, который содержит код страны и сети).пересылает в HLR номер (MSISDN)
абонента. HLR, в свою очередь, обращается с запросом к VLR гостевой сети, в
которой находится абонент. VLR выделяет один из имеющихся в ее распоряжении
MSRN (Mobile Station Roaming Number - номер "блуждающей" мобильной
станции). Идеология назначения MSRN очень напоминает динамическое присвоение
адресов IP при коммутируемом доступе в Интернет через модем. HLR домашней сети
получает от VLR присвоенный абоненту MSRN и, сопроводив его IMSI пользователя,
передает коммутатору домашней сети. Заключительной стадией установления
соединения является направление вызова, сопровождаемого IMSI и MSRN,
коммутатору гостевой сети, который формирует специальный сигнал, передаваемый
по PAGCH (PAGer CHannel - канал вызова) по всей LA, где находится абонент.
Маршрутизация исходящих вызовов не представляет с идеологической точки
зрения ничего нового и интересного. Приведу лишь некоторые из диагностических
сигналов , свидетельствующие о невозможности установить соединение и которые
пользователь может получить в ответ на попытку установления соединения.
2.2 TDMA(Пакетная
передача данных)
Большинство мобильных систем применяют метод временного разделения
каналов (Time Division Multiple Access - TDMA) для приёма и передачи речевых
сигналов.
Информация делится на фреймы. Фреймы делятся на тайм слоты. Каждому
пользователю назначается 1 тайм-слот. В тайм-слотах содержится информация с
преамбулами, если нужна синхронизация.
Благодаря использованию TDMA один канал используется для обслуживания
нескольких вызовов/установления нескольких соединений. Каждый коннект
устанавливается по одному и тому же каналу, но в разные временные интервалы.
Эти временные интервалы обозначаются как TS - time slots. Каждая MS в процессе
соединения занимает один TS как при направлении связи uplink, так и downlink.
Информация, которая передается через один TS, называется пакетом (burst).
Кадр TDMA в системе GSM построен из 8 временных интервалов. Это означает,
что в системе GSM на одной несущей может быть осуществлено 8 соединений. На
рисунке приведена структура TDMA.
рис. Структура TDMA
Когда мобильная станция включается, она начинает поиск BTS, чтобы
установить соединение с ней. MS производит сканирование всего диапазона частот
или, в качестве варианта, использует список частот, принадлежащих оператору.
Когда MS находит несущую с самым большим уровнем сигнала, она должна определить
канал управления. Первый из каналов, который MS должна найти - это
широковещательный логический канал Broadcast Control Channel (BCCH) - канал управления
с широковещательной передачей.
Несущая частота BCCH содержит важную информацию для MS, включающую,
например, идентификатор зоны местоположения (LA), идентификатор сети,
информацию о синхронизации. Без такой информации MS не может работать с сетью.
Данная информация передается в определённом временном промежутке и называется
широковещательной информацией, так как предназначена всем MS, способным
получить доступ к этой несущей. Именно поэтому канал Broadcast Channel (BCH)
называется широковещательным.
После того, как MS окончит анализировать информацию на канале BCH, она
будет располагать всей информацией, необходимой для нормального
функционирования и работы с сетью. Однако, если MS переходит в другую соту
(этот процесс называется роуминг - roaming), она должна повторить всю процедуру
сканирования системы, читая информацию на каналах FCCH, SCH, BCCH.
Если абонент делает вызов с помощью MS, то мобильная станция должна
использовать общий канал управления Common Control CHannel (CCCH)
Принцип
Модуляции и передачи в GSM - (Модуляция дискретным сигналом называется цифровой
модуляцией или манипуляцией.)
Когда
сообщение составлено Каждое значение представляется бинарным кодом из 13 бит
(можно изменять размер). Например, значению 2157 будет соответствовать число
0100001101101.
Он передаётся
через радиоэфир, для этого используется несущая частота. Как указывалось выше,
в GSM используется метод модуляции GSMK. Биты модулируются на несущей частоте
(например, 916.4 МГц) и передаются через эфир. блокиратор сигнал сотовый
телефон
Формирование
сигнала происходит таким образом, что на интервале, соответствующем одному биту
фаза несущей изменяется на 90 градусов. Это наименьшее изменение фазы.
Разработанная схема аналогично пакетной передачи
данных, передает в эфир похожий сигнал, по рабочим каналам и каналу управления,
тем самым срывая сигнал синхронизации связи между абонентским устройством и
базовой станцией.
Каналы управления GSM
Когда мобильная станция включается, она
начинает поиск BTS, чтобы установить соединение с ней. MS производит
сканирование всего диапазона частот или, в качестве варианта, использует список
частот, принадлежащих оператору. Когда MS находит несущую с самым большим
уровнем сигнала, она должна определить канал управления. Первый из каналов, который
MS должна найти - это широковещательный логический канал Broadcast Control
Channel (BCCH) - канал управления с широковещательной передачей.
Несущая частота BCCH содержит важную
информацию для MS, включающую, например, идентификатор зоны местоположения
(LA), идентификатор сети, информацию о синхронизации. Без такой информации MS
не может работать с сетью. Данная информация передается в определённом
временном промежутке и называется широковещательной информацией, так как
предназначена всем MS, способным получить доступ к этой несущей. Именно поэтому
канал Broadcast Channel (BCH) называется широковещательным.
После того, как MS окончит анализировать
информацию на канале BCH, она будет располагать всей информацией, необходимой
для нормального функционирования и работы с сетью. Однако, если MS переходит в
другую соту (этот процесс называется роуминг - roaming), она должна повторить
всю процедуру сканирования системы, читая информацию на каналах FCCH, SCH,
BCCH.
Если абонент делает вызов с помощью MS, то
мобильная станция должна использовать общий канал управления Common Control
CHannel (CCCH)
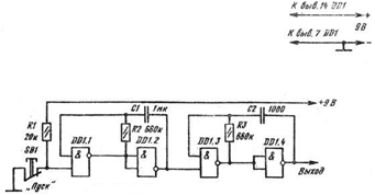
2.3 Принцип работы генератора пакетов
Принцип
работы генератора пакетов
Устройство
подобно генератору прерывистого сигнала. Его образуют два взаимосвязанных
генератора, один из которых формирует на выходе пачки импульсов с частотой
повторения, а второй - импульсы заполнения частотой. Длительность пачек
импульсов равна 120мс. Генератор включают подачей на нижний вход элемента DD1.1
управляющего напряжения высокого уровня. Первый формируемый импульс на выходе
генератора возникает сразу после этого разрешающего сигнала. (Для разных
форматов можно подгонять размеры тайм-слота (пакета импульсов)). В роле
генераторов в схеме использовались логические микросхемы К176.
Промышленность выпускает широкий ассортимент логических микросхем,
использующих структуры металл-окисел-полупроводник (МОП или КМОП).На их основе
выполнены такие распространенные серии, как К176 (CD4000), К561 (CD4000A), КР1561
(CD4000B), 564 и 1564 - в скобках указаны импортные аналогичные серии. Эти
микросхемы отличаются очень малым потреблением тока в статическом режиме -
0,1... 100 мкА, высокой надежностью и помехоустойчивостью.
Отличительная особенность серии КР1561 от К561 - наличие буферных
элементов на входах и выходах, в результате чего все микросхемы серии имеют
примерно одинаковые выходные характеристики. Кроме того, микросхемы КР1561
защищены от перегрузок, как по входу, так и по выходу (в выходные цепи добавлены
токоограничительные резисторы), но некоторые из элементов данной серии имеют
меньший допустимый диапазон питающего напряжения.
Логика работы микросхем с идентичными буквенно-цифровыми обозначениями
после номера серии у К176, К561, КР1561, 564 и 1564 одинакова (нумерация
выводов та же).
Микросхемы серии К561 (564,1561,1564) являются более современными по
сравнению с серией 176 и превосходят их по всем параметрам. Кроме того, у них
более широкий номенклатурный перечень. Сравнить основные параметры серий микросхем
можно по приведенной таблице.
|
Параметр
микросхемы
|
К176 CD4000
|
К561 CD4000A
|
CD4000B
МС14000В
|
564
|
|
Р, (мкВт/вент)
|
10
|
0,4
|
0,4
|
0,4
|
|
Тзад,(нс)
|
200
|
50
|
50
|
|
Uпит,(В)
|
5...12
|
3...15
|
3...15
|
3...15
|
Серии 564 и 1564 выпускаются с планарным расположением выводов и
отличаются от остальных серий МОП микросхем меньшими размерами корпуса и
повышенной радиационной стойкостью (используются военными).
Питание микросхем может находиться в широком диапазоне: для серии К176 от
5 до 12 В (номинальное напряжение 9 В); для серий К561, 564 +3...15 В, для
1554+2...6 В.
Диапазон допустимой окружающей температуры для микросхем серии К176 от
-10 до +70 °С; К561 и КР1561 от -45 до +85 °С; 564 от -60 до +125 °С, 1564 и
1554 от -60 до +125 °С. Фактически микросхемы сохраняют работоспособность в
более широком диапазоне, но разработчики не гарантируют в этом случае их
паспортные параметры.
Большинство МОП микросхем применяются на частотах до 1 МГц, а некоторые
элементы серии, например К561ЛН2, К561ТМ2, могут работать на частотах до 4 МГц.
При использовании микросхем на предельно допустимой частоте питание должно быть
также максимальным (обеспечивается более крутой фронт импульсов). Увеличение
напряжения питания микросхем также улучшает их помехоустойчивость.
Выходные уровни микросхем практически не отличаются от напряжения питания
(лог. "1") и потенциала общего провода (лог. "0").
Благодаря высокому входному сопротивлению (RBX >100 МОм) микросхемы
имеют высокую нагрузочную способность К-раз >10...30 (количество входов,
которые можно подключить к выходу логического элемента, ограничивается только
емкостью монтажа; при К-раз=10 паразитная емкость нагрузки составляет Сн=20
пФ).
Надежность работы устройств на логических микросхемах зависит и от
построения схемы. Так, например, нельзя подавать входные сигналы, не подав
питание, а также недопустимо превышение уровня входного сигнала над питающим
напряжением (исключением являются специально приспособленные для этого
микросхемы 561ЛН2 и преобразователь уровня 561 ПУ4). Напряжение источника
питания должно подаваться раньше или одновременно с подачей входных сигналов.
Это связано с тем, что во входных цепях микросхем стоят защитные диоды,
соединенные с шинами питания, и в случае появления напряжения на входе (при
отсутствии питания) возможно протекание тока по цепи "вход" -
"шина питания", что допускать нельзя.
Для согласования МОП микросхем с другими сериями используются
преобразователи уровня 176ПУ1...176ПУЗ, 561 ПУ4, 561ЛН2, что исключает сбои в
работе (из-за разного быстродействия) и перегрузку выходов (у микросхем ТТЛ
серий требования к крутизне фронта логических сигналов более высокие).
2.4 Схема
устройства
Структурная электрическая схема устройства
Печатная плата устройства
Изготовление печатных плат
Многие радиолюбители используют для разработки и изготовления
печатных плат персональные компьютеры и специальное программное обеспечение.
Самым трудным в таком случае является перенос полученного рисунка на
поверхность фольги. Если имеется возможность отпечатать рисунок на лазерном
принтере или ксероксе, можно наносить рисунок на фольгу методом термопереноса.
Дело в том, что тонер, используемый в этих аппаратах,
размягчается под действием температуры. На предварительно тщательно зачищенную
плату кладут рисунок проводников, отпечатанный на бумаге в зеркальном
изображении, и переносят их на фольгу, "прикатывая" горячим утюгом.
После остывания платы бумагу с нее смывают в теплой воде. Тонер имеет
достаточно хорошее сцепление с фольгой и остается на ней. Дальше плата
обрабатывается обычным способом.
Таким методом можно изготовить печатные платы высокого
качества.
Если печатать рисунок на бумаге, которая используется для
защиты липкого слоя клеящихся обоев или какой-либо другой липкой пленки, причем
печатать на той стороне, которая прилегала к липком слою (скользкий сторона),
тогда после перевода изображения утюгом, бумагу можно очень аккуратно снимать
не дожидаясь полного остывания (слегка теплая). При снятии бумаги пока частично
она приклеена к плате, если заметили, что изображение не полностью переведено,
можно повторно прогреть утюгом.
Небольшие замечания:
перед печатью рисунка принтер лучше прогреть (напечатать один
лист, даже чистый, на обычной бумаге);
при переносе рисунка на подготовленную плату положить поверх
листа бумаги хлопчатобумажную ткань, через которую и греть утюгом.
бумагу для печати нужно выбирать по толщине, как обычный лист
бумаги для печати на лазерном принтере, на сильно толстой бумаге изображение не
закрепляется ввиду ее плохого прогрева и возможно засорение картриджа, излишне тонкая бумага
может застрять в принтере.
Нажим утюга и время прогрева подбирается опытным путем, при
чрезмерном нажиме возможно растекание изображения по плате при недостаточном
прогреве неполный перевод изображения. Момент снятия бумаги также подбирается.
После травления в хлорном железе изображение смывается ватой
смоченной в ацетоне.
Примечания при сборке схемы
Схема для грубой настройки (регулируйте подстроечным
конденсатором до потери сотовыми телефонами базовой станции (поиск сети)
выключите электропитание схемы глушилки. Повторно включите глушилку убедитесь
что через несколько секунд мобильник потерял станцию.
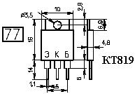
Выпаять дроссель и вместо него припаять к точке С4L5 эмитер
транзистора КТ 819 - регулятора ГУН(стабилизатора питания ГУН)постарайтесь его
расположить на том же радиаторе что ГУН, а резистор 10 кОм можете распологать
где угодно.
. Все монтажные концы деталей укорачиваются максимально,
иначе будут паразитные связи на высокой частоте.
. Контрольные точки (настроечные) на схеме не указаны потому,
что обычными приборами замеры произвести не возможно, идет наводка на приборы.
. Антенны лучше использовать готовые 5 мм в диаметре
телескопические, продаются на любом радиорынке, длина влияет на частоту (длина
8,2 см) для GSM. (Размер имеет значение.)
. Проверьте блок питания на нагрузке - должно быть не меньше
3-х Ампер (3А). Когда убедитесь что все работает, можете пробывать на
аккумуляторах но не меньше 3 ампер для данного варианта.
. На плату припаивать панельки а затем в них установить
микросхемы;
. Плата односторонняя
. Микросхема модулятора во время работы должна нагреваться,
примерная температура 40-50 градусов
Шестиугольник на плате это отверстие - его надо вырезать
(выпилить) чтобы утопить в ней транзюк!
. Монтаж поверхностный!
. Без резонатора (антенны) схема работает только на
расстояние 3-4 метра.
Данное устройство на близком расстоянии наводит помеху в ВЧ
блоках электронных устройств независимо на каких частотах они работают.
Возможно влияние оказывается на саму плату из-за полосковой технологии
Чего делать нельзя:
1. Нельзя включать транзистор без микросхемы.
. Нельзя коротить + и -.
. Нельзя менять полярность питания.
во всех этих случаях транзистор СГОРАЕТ
Технические характеристики устройства:
Диапазон
частот 450-2000Мгц.
Ток 3-4
Ампера.
Питание ~220в/9-14,5 В (возможно так же от батарейки 9в).
Напряжение
питания микросхемы - 12 вольт.
Напряжение на
коллекторе до 900-1000 вольт.
Мощность
30-40 Ватт.
Дальность блокирования в открытом пространстве: телефон до 10 м,
телевизор до 15 м.
Настройка:
. Выставить напряжение 12 вольт на всю схему, переменным конденсатором
добиться потери станции - телефон переходит в поиск сети (грубая настройка).
. Плавной регулировкой (точной настройкой на частоту) служит емкость P-N
перехода (аналогично варикапу) транзистора Т1 включенного напрямую к + источника
питания. Диаппазон плавной регулировки напряжения питания "Генератора
управляемого напряжением" должен быть от 12 до 9 вольт, либо от 14,5 до 9
вольт. Регулятор - переменный резистор 10 кОм . Принцип такой - напряжение
меньше - частота больше и наоборот.
Шкалу можно представить:
. 14,5В - 450 мГц;
. 12В - 900 мГц;
. 9В - 2000 мГц.
(14,5 В. - Диапазон радио FM, Телевизионные каналы) - точная настройка
(плавная регулировка - диапазон 0т 450 МГц до 2000 МГц).
Мобильный телефон при потере базовой станции начинает поиск во всех
диапазонах 900, 1800, 1900, 3G, поэтому для гарантированного подавления и
существует точная плавная подстройка частоты.
У GSM 900/1800 - вертикальная поляризация антенн, а не горизонтальная,
так что глушилка работает уверенно, когда антенна направлена вертикально, но
может отклоняться на 45 градусов от вертикали.
Вид сверху
Конечный вид макета:
2.5 Типы используемых деталей
В ходе работы были использованы следующие виды деталей:
1. Конденсатор
подстроечный - в данной схеме используются только керамический, для
предотвращения пробоя на высокой частоте (греется):


3. Основные результаты работы
В результате выполнения курсовой работы были сформулированы основные
понятия и принципы работы GSM-сетей. Было выяснено, что GSM джаммер - это
устройство, которое передает сигнал на той же самой частоте, что и
GSM-оператор, подавляя работу мобильных устройств в радиусе действия данного
устройства. Было изучено несколько путей блокировки работы мобильных устройств:
Устройства первого типа заглушают сигнал мобильных телефонов более мощным
сигналом.
Устройства второго так же называют «Умные блокираторы» и они не формируют
помехоподобный сигнал. Когда устройство детектирует присутствие работающего
мобильного телефона, оно сигнализирует об этом базовой станции, которая в свою
очередь запрещает доступ к сети.
Устройства третьего типа (джаммеры) подобны устройствам первого типа,
однако они имеют в своем составе приёмник для адаптивного включения во время
работы мобильного телефона.
Устройства
четвертого типа являются достаточно громоздкими и сложными, называются «клетка
фарадея». Клетка Фарадея изобретена английским физиком и химиком Майклом
Фарадеем <http://ru.wikipedia.org/wiki/%D0%A4%D0%B0%D1%80%D0%B0%D0%B4%D0%B5%D0%B9,_%D0%9C%D0%B0%D0%B9%D0%BA%D0%BB>
в 1836 <http://ru.wikipedia.org/wiki/1836> году для экранирования
аппаратуры от внешних электромагнитных полей
<http://ru.wikipedia.org/wiki/%D0%AD%D0%BB%D0%B5%D0%BA%D1%82%D1%80%D0%BE%D0%BC%D0%B0%D0%B3%D0%BD%D0%B8%D1%82%D0%BD%D0%BE%D0%B5_%D0%BF%D0%BE%D0%BB%D0%B5>.
Обычно представляет собой заземлённую
<http://ru.wikipedia.org/wiki/%D0%97%D0%B0%D0%B7%D0%B5%D0%BC%D0%BB%D0%B5%D0%BD%D0%B8%D0%B5>
клетку, выполненную из хорошо проводящего материала. Принцип действия
устройства основан на перераспределении электронов
<http://ru.wikipedia.org/wiki/%D0%AD%D0%BB%D0%B5%D0%BA%D1%82%D1%80%D0%BE%D0%BD>
в проводнике
<http://ru.wikipedia.org/wiki/%D0%9F%D1%80%D0%BE%D0%B2%D0%BE%D0%B4%D0%BD%D0%B8%D0%BA>
под воздействием электромагнитного поля. Для того, чтобы клетка Фарадея
эффективно работала, размер ячейки сетки должен быть значительно меньше длины
волны излучения, защиту от которого требуется обеспечить.
В
рамках курсовой работы было изучено и собрано достаточно эффективное устройство
по принципу действия, сходное с первым типом. В работе была представлена схема
и описание принципа работы этого устройства.
Литература
1. Сайт http://glushilka.narod.ru, автор и создатель схемы
В. Шуверов.
2. Хорев А. А. Защита информации от утечки по
техническим каналам. Ч. 1. Технические каналы утечки информации. Учебное
пособие. - М.: Гостехкомиссия России, 1998.
3. Барсуков В. Блокирование технических каналов утечки
информации //Jet Info. Информационный бюллетень. 1998. № 5-6, с. 4-12.
4. Хорев А. А. Классификация и характеристика
технических каналов утечки информации, обрабатываемой ТСПИ и передаваемой по
каналам связи // Специальная техника. 1998. № 2. Май-июнь, с. 41-46.
5. Хорев А. А. Технические каналы утечки акустической
(речевой) информации // Специальная техника. 1999. № 1. Март-апрель, с. 48-55.
6. «Шпионские штучки» и устройства для защиты объектов
и информации: Справочное пособие. - СПб.: Лань, 1996.
7. Лобашев А. К., Лосев Л. С. Современное состояние и
тактические возможности применения индикаторов электромагнитных излучений.
Специальная техника, № 6, 2004 г .
8. Бузов Г. А., Лобашев А. К., Лосев Л.С. Легальные
жучки: суровая реальность и меры противодействия. Специальная техника, № 1,
2005.