Енергетичне обстеження системи водопостачання насосної станції
Вступ
Україна відноситься до
енергодефіцитних країн, тому економія електроенергії визнана найважливішим
напрямком енергетичної політики в Україні. Систему водопостачання відносяться
до числа найбільш технологічних об’єктів в комунальному господарстві та промисловості.
Система водопостачання -
це комплекс інженерних споруд, призначених для забору води з водного джерела,
її підняття на певну висоту, транспортування, покращення її якості, зберігання
запасів і розподілу води між окремими її споживачами.
Метою водопостачання є
безперебійне забезпечення всіх водоспоживачів водою потрібної якості в
достатній кількості і з необхідним напором при найменшій витраті коштів.
Головною метою
проведення енергетичного аудиту систем водопостачання є підвищення ефективності
використання енергетичних ресурсів, обробка даних основних виробничих
показників, аналіз методів регулювання насосних агрегатів, визначення
об'єктивних норм питомих витрат електроенергії на перекачування води,
узгодження робочих характеристик гідравлічної мережі та насосної станції.
На даний час система
водопостачання більшості підприємствах України залишається енергоємною, що
обумовлено значними втрати електроенергії. Виробничі процеси на підприємствах
більшості галузей промисловості супроводжуються витратою води на технологічні
та побутові потреби. Одним з напрямів поліпшення стану системи водопостачання
підприємств України є ефективне енергозбереження, що включає зниження витрат та
мінімізацію витрат на енергоносії. Основним фактором, що визначає режим роботи
всіх елементів системи водопостачання, є режим споживання води споживачами,
яких ця система повинна обслуговувати. Така система повинна забезпечувати
ефективні режими експлуатації насосних станцій шляхом вибору не тільки
ефективного але й раціонального методу регулювання технологічних параметрів в
залежності від необхідного діапазону регулювання продуктивності, а також
прийняття рішення про доцільності подальшої експлуатації технологічного
обладнання з урахуванням змінених у часі їх робочих характеристик.
На даний час в Україні
для 25% систем водопостачання та водогінних мереж закінчився термін
амортизації, 22% систем водопостачання потребують невідкладного ремонту, а 35%
із них вже повністю вийшли з ладу [4]. З іншого боку, втрати в системах
водопостачання сягають 30…40%, а в деяких регіонах перевищують 50% [2]. Це
підтверджує актуальність вирішення проблем системи водопостачання кожного
промислового об’єкту та країни в цілому.
Предметом енергетичного
дослідження є система водопостачання ділянки компресорного обладнання ПАТ
«СМНВО ім. М.В. Фрунзе».
Об’єктом дослідження є
насосна станція другого підйому промислового підприємства.
1. Характеристика
об’єкту енергетичного обстеження
Забезпечення населення
України якісною питною водою відповідно до Закону України «Про питну воду та
питне водопостачання» та інших нормативних документів є однією з пріоритетних
проблем країни, розв'язання якої необхідне для збереження здоров'я, поліпшення
умов діяльності і підвищення рівня життя населення. Водночас, вирішення цієї
проблеми значно ускладнюється через незадовільний технічний стан та зношеність
основних фондів систем питного водопостачання й водовідведення, застосування
застарілих технологій та обладнання, високу енергоємність централізованого
питного водопостачання і водовідведення тощо. За оцінками фахівців, сьогодні в
собівартості одного кубометра питної води витрати на електроенергію складають
до 80% технологічний процес станцій водопідготовки іноді називають «електрикою,
що розбавлена водою».
Враховуючи те, що
вартість електричної енергії є основною складовою собівартості води
господарсько-питного призначення, завдання енергозбереження стає першочерговою
при здійсненні модернізації системи питного водопостачання. З огляду на досвід
провідних країн світу, основою ресурсозберігаючих технологій у системах
водопостачання є автоматизовані системи управління різного рівня складності
залежно від призначення об'єкту управління. З іншого боку, особливої уваги
набуває питання інтенсифікації процесу очищення природних вод, удосконалювання
технологій і розробка нових ефективних методів очищення, при цьому досягнення
практичних результатів можливо за рахунок покращення роботи окремих споруд
комплексів систем водопостачання, найважливішим елементом яких є швидкі фільтри
[5].
Сучасний рівень розвитку
промислових приборів контролю якості води, датчиків рівня, напору та
витратомірів, різноманітних уніфікованих сенсорів параметрів роботи допоміжного
обладнання, швидкодіючої електропровідної запірної та високоточної регулюючої
арматури, мікропроцесорних частотних перетворювачів, електричних лічильників з
цифровим інтерфейсом, потужних
програмно-логічних
контролерів та зручних інтерактивних засобів керування і відображення
інформації дозволяє сьогодні не тільки виконати заміну застарілих систем
керування фільтрувальних споруд і вирішити завдання автоматизації, але й
створити якісно нову технологію ресурсо та енергозбереження, істотно збільшити
термін служби наявного технологічного устаткування.
Застосування частотного
регулювання дозволяє попередити виникнення великих пускових струмів, отже
зменшити витрати на пуско-регулюючу апаратуру, не тільки підвищити
економічність електроприводів, але й збільшити ресурс агрегатів.
1.1 Загальний опис
будівлі, існуючого насосного обладнання
Водозабірні споруди ПАТ
«Сумське машинобудівне науково-виробниче об’єднання ім. М.В. Фрунзе»
розташоване на північно-західній частині м. Суми, у промисловій зоні. ПАТ
«СМНВО ім. Фрунзе» складається з п’яти окремих заводських ділянок: виробництва
хімобладнання (ХВ), у так званій зоні «Північний промвузол», ділянка насосного
виробництва (НВ), ділянка компресорного виробництва (КВ), ділянка
машинобудівного виробництва (МВ), ділянка котельної північного промислового
вузлу (КППВ).
Водопостачання ПАТ
«СМНВО ім. Фрунзе» здійснюється з власних свердловин, міського водопроводу та
поверхневого водоймища (р. Псел). ПАТ «СМНВО ім. Фрунзе» не має єдиного
водозабору: водозабірні вузли, що складаються зі свердловин, резервуарів та
насосних станцій, розташовані на територіях хімічного виробництва, насосного
виробництва, компресорного виробництва, машинобудівного виробництва, котельної
північного промислового вузлу.
На території
компресорного виробництва розташовані 2 свердловини глибиною 550 і 150 м,
загальне середнє водовикористання яких становить 100
Для видобутку води з свердловини використовують глибинний насос ЭЦВ 8-40-90,
які перекачують воду в залізобетонний резервуар об'ємом 1000м3. З
резервуару відцентровими насосами (типу Д 200-36) вода подається у внутрішні
заводські мережі на госппобутові потреби та систему протипожежної безпеки.
Облік усієї піднятої води здійснюється повіреними приладами обліку. Свердловини
мають зони санітарної охорони, що заасфальтовані і знаходяться в належному стані.
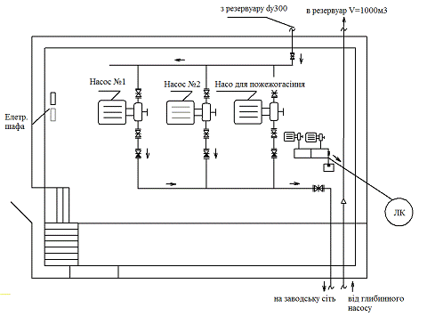
Об’єктом
обстеження є насосна станція другого підйому. Водопостачання здійснюється двома
насосами. Будівля насосної станції є одноповерховою, виконаною за типовим
проектом, і має габарити 12 м х 8 м. Стіни цегляні, двері металеві, вікна
однокамерні з дерев’яними рамами. Схема насосної станції ПАТ «СМНВО ім. Фрунзе»
представлена на рис 1.1.
Рисунок 1.1 - Схема
насосної станції ПАТ «СМНВО ім. Фрунзе»
На насосній станції
встановлено насосне обладнання, яке складається з двох насосів марки Д 200х36 і
одного Д 200х65. Насосний агрегат №1 є робочим, інший №2 резервний, насос №3
призначений для потреб системи пожежогасіння. Насоси живляться від мережі
електропостачання з напругою 380 В.
Горизонтальний
електронасосний агрегат Д 200-36 з робочим колесом двостороннього входу
призначений для перекачування води і схожих з нею по в'язкості і хімічній
активності рідин, температурою до +85 С, що містять тверді включення до 0,05 по
масі, розміром до 0,2 мм Основні деталі: матеріал корпуса, кришки та робочого
колеса - чавун СЧ 18-36; матеріал валу - сталь 45 На рис. 1.2 представлено
загальний вид насосу Д 200-36, в табл. 1.1 наведені його технічні
характеристики.
Рисунок 1.2 - Загальний
вид насосу Д 200-36
Корпус насоса Д 200-36
має роз'єм в горизонтальній площині. Розташування всмоктуючого і напірного
патрубка в нижній частині корпусу насоса дозволяє проводити ремонт без
від'єднання труб і демонтажу двигуна.
Двигун приводить в дію
ротор насоса через пружну втулково-пальцеву муфту. Радіальні або
радіально-завзяті підшипники є опорами ротора. Робоче колесо двостороннього
входу, що забезпечує рівновагу осьових сил. Для запобігання протікання по валу
у насоса Д 200-36 застосовано подвійне ущільнення.
Таблиця 1.1 -
Характеристики насоса Д 200-35
|
Витрата
|
200 м?/год
|
|
Напір
|
36 м
|
|
Потужність
|
37 кВт
|
|
Частота обертання
|
1450 об/хв
|
|
Габаритні розміри
|
1625? 799? 835 мм
|
|
Маса
|
240 кг
|
Напірні та енергетичні
характеристики насосу Д 200-36 приведено на рисунку 1.3.
Рисунок 1.3 - Напірна та
енергетична характеристики насосу Д 200-36
1.2 Аналіз даних по
водопостачанню та споживанню електричної енергії
На насосних станції
ведеться щомісячний облік споживання електричної енергії та води. В табл. 1.2
та 1.3 приведені обсяги використання електроенергії на насосній станції та
обсяги піднятої питної води глибинними насосами.
Таблиця 1.2 - Обсяги
піднятої питної води глибинними насосами за 2009-2011 рік
|
Обсяг піднятої води, м3
|
|
Місяць
|
2009 р.
|
2010 р.
|
2011 р.
|
|
Січень
|
11999
|
13478
|
18825
|
|
Лютий
|
16200
|
13613
|
20554
|
|
Березень
|
12398
|
13613
|
22622
|
|
Квітень
|
13732
|
12073
|
17827
|
|
Травень
|
13414
|
12609
|
16062
|
|
Червень
|
14498
|
13750
|
16166
|
|
Липень
|
21229
|
16412
|
13899
|
|
Серпень
|
16434
|
17608
|
15033
|
|
Вересень
|
13929
|
19439
|
15033
|
|
Жовтень
|
15845
|
16673
|
16038
|
|
Листопад
|
17065
|
17268
|
15074
|
|
Грудень
|
13747
|
17939
|
14897
|
На рис. 1.5 графічна
інтерпретація обсягів піднятої питної води насосами за 2009-2011 рр., аналіз
отриманих гістограм показує, що обсяги піднятої води відбуваються не
рівномірно, в залежності від рівня споживання води під час робочої зміни
робітниками та технологічними процесами.
Таблиця 1.3 - Обсяги
використання електроенергії по насосній станції №1 за 2009 - 2011 р. рік
|
Обсяги використання електричної
енергії, кВт.год.
|
|
Місяць
|
2009 р.
|
2010 р.
|
2011 р.
|
|
Січень
|
19172
|
27346
|
18123
|
|
Лютий
|
18963
|
20962
|
19315
|
|
Березень
|
19389
|
22272
|
20550
|
|
Квітань
|
18148
|
18904
|
19072
|
|
Травень
|
15863
|
18131
|
19626
|
|
Червень
|
18014
|
20272
|
12209
|
|
Липень
|
21852
|
22718
|
10202
|
|
Серпень
|
19450
|
21810
|
9916
|
|
Вересень
|
18434
|
20844
|
10814
|
|
Жовтень
|
21256
|
19416
|
10638
|
|
Листопад
|
20088
|
17652
|
9863
|
|
Грудень
|
16460
|
22936
|
10164
|
На рис. 1.4 представлена
графічна інтерпретація обсягів споживання електроенергії за 2009-2011 рр.
Аналіз отриманих гістограм показує, що споживання електричної енергії
відбувається не рівномірно, що пов’язано з режимом роботи ПАТ «СМНВО ім.
Фрунзе» та періодичністю водоспоживання робітниками підприємства.
Одним з основних техніко
- економічним показником роботи насосної станції є енергоємність (ЕЕ): відношення
кількості затраченої енергії електродвигуном (N) до кількості води, що
перекачується насосом (Q). В табл. 1.5 приведені показники питомої
енергоємністі води за 2009 - 2011 р. по місяцям.
Таблиця 1.5 - Питома
енергоємність води за 2009 - 2011 р. кВт.год./м3
|
Питома енергоємність води
кВт.год./м3
|
|
Місяц
|
2009 р.
|
2010 р.
|
2011 р.
|
|
Січень
|
1,598
|
2,029
|
0,963
|
|
Лютий
|
1,171
|
1,54
|
0,94
|
|
Березень
|
1,563
|
1,636
|
0,908
|
|
Квітань
|
1,322
|
1,566
|
1,07
|
|
Травень
|
1,183
|
1,438
|
1,222
|
|
Червень
|
1,243
|
1,507
|
0,755
|
|
Липень
|
1,029
|
1,384
|
0,734
|
|
Серпень
|
1,184
|
1,239
|
0,66
|
|
Вересень
|
1,323
|
1,072
|
0,72
|
|
Жовтень
|
1,341
|
1,165
|
0,78
|
|
Листопад
|
1,177
|
1,022
|
0,71
|
|
Грудень
|
1,197
|
1,279
|
0,81
|
На рис. 1.4 представлена
графічна інтерпретація питомої енергоємністі води за 2009 - 2011 р 2009-2011
рр.
Рисунок 1.4 - Обсяги
використання електроенергії на насосній станції за 2009-2011 р.
Зменшення енергоємності
питної води та кількість її споживання в 2011 року відносно попередніх
2009-2010 р. пояснюється тим, що в технологічних процесах замінили використання
питної води на використання технологічної води. Енергоємність питної води
вдалося зменшити за рахунок усунення витоків під час постачання та використання
води, а також усунення витоків в санітарних вузлах ділянки підприємства.
Рисунок 1.5 - Обсяги
використання питної води на насосній станції за 2009-2011 р.
Режим роботи насосної
установки істотно залежить від зміни режимів водоспоживання. Як правило режим
водоспоживання визначається багатьма незалежними одна від одної причинами:
кліматичними та погодними умовами, режимом роботи підприємств і організацій
міста, числом культурно-масових заходів. Режим водоспоживання звичайно
характеризується піковими навантаженнями так і зменшенням споживання, яке
пояснюється зменшенням випуску продукції підприємства.
Рисунок 1.6 - Питома
енергоємність води насосної станції за 2009-2011 р.
На рис. 1.6 представлено
використання питної води за 2011 рік по цехам, відповідно до даних
підприємства.
Рисунок 1.6 -
Використання питної води за 2011 рік по цехам.
З аналізу даної діаграми
можна зробити висновок, що найбільше використання води становить в цехах з
найбільш завантаженим та масовим виготовленням продукції. Також вода
витрачається на обслуговування адміністративної будівлі в яких знаходиться
інженерний персонал заводу та інші працівники. Споживання води в цехах йде на
технологічні процеси, охолодження деталей, випробування ємностей та приймання
душу працівниками після робочої зміни. Основними споживачами питної води є
термічний, котельно-зварювальний та механічний цех. Вода в цих цехах
витрачається для охолоджування заготівок при отриманні потрібної структури
металу, а також для охолодження деталей після оброблення їх на верстатах.
2. Розрахунковий аналіз
дійсного стану досліджуваного об’єкту
Режим роботи насосної
установки істотно залежить від зміни режимів водоспоживання. Як правило режим
водоспоживання визначається багатьма факторами: режимом роботи підприємства,
кліматичними умовами, завантаженості підприємства, кількістю аварій та поривів.
Режим водоспоживання звичайно характеризується добовими, тижневими графіками
водоспоживання.
В результаті
встановлення витратоміра на насосну станцію компресорного виробництва ПАТ
«СМНВО ім. М.В. Фрунзе», згідно схеми наведеної на рис. 2.1 були отримані данні
добового щогодинного водоспоживання. Графік споживання в координатах «кількість
спожитої води» - «години доби» представлено на рис. 2.2. Інструментальне
обстеження проводилося з 9 години 26.03.2012 до 10 години 27.03.2012.
Реєстрація обсягів водоспоживання проводилася автоматично кожні 15 хвилин.
Рисунок 2.1 - Схема
становлення ультрохвильового витратоміра-лічильника «Взлет ПР»
Рисунок 2.2 - Графік
водоспоживання компресорного виробництва ПАТ «СМНВО ім. М.В. Фрунзе»
Аналіз результатів
показав, що найбільш істотний мінімум водоспоживання знаходиться в діапазоні
від 2 до 7 години. Істотне зростання споживання води спостерігається починаючи
з 8-ї години і досягає свого піку о 16 годин 30 хвилин.
Другий мінімум
водоспоживання, менш значний, спостерігається між 18 та 20 годинами. В період
часу від 1 по 2 години спостерігається другий пік споживання води. Такий графік
водоспоживання пов'язаний з режимом роботи підприємства, максимальне
водоспоживання о 1 годині та о 16 годині пояснюється закінченням зміни
робітників, які приймають післязмінний душ.
Враховуючи зазначене
вище, та описавши математично степеневу параболічну залежність енергетичних
характеристик насоса Д 200-35 від витрати, було визначено тиск на виході з
насосної станції, обсяг споживання електричної енергії та енергоємність
впродовж доби, що наведені у таблиці 2.1.
Таблиця 2.1 - Споживана
електрична енергія та енергоємність насосної станції
|
t, год
|
Q, м3/год
|
Н, м
|
N, кВт
|
EE, кВт·год/м3
|
|
1
|
2
|
3
|
4
|
5
|
|
1
|
62,3
|
41,71
|
17,69
|
0,28
|
|
2
|
156,8
|
39,44
|
21,77
|
0,14
|
|
3
|
40,38
|
41,72
|
16,74
|
0,41
|
|
4
|
16,79
|
41,53
|
15,73
|
0,94
|
|
5
|
12,42
|
41,47
|
15,54
|
1,25
|
|
6
|
7,98
|
41,40
|
15,34
|
1,92
|
|
7
|
14,93
|
41,50
|
15,64
|
1,05
|
|
8
|
14,56
|
41,50
|
15,63
|
1,07
|
|
9
|
40,31
|
41,72
|
16,74
|
0,42
|
|
10
|
52,96
|
41,74
|
17,29
|
0,33
|
|
11
|
55,40
|
41,73
|
17,39
|
0,31
|
|
12
|
51,35
|
41,74
|
17,22
|
0,34
|
|
13
|
102,14
|
41,19
|
19,41
|
0,19
|
|
14
|
100,50
|
41,22
|
19,34
|
0,19
|
|
15
|
54,42
|
41,74
|
17,35
|
0,32
|
|
16
|
54,57
|
41,73
|
17,36
|
0,32
|
|
17
|
206,95
|
36,78
|
23,94
|
0,12
|
|
18
|
92,44
|
41,37
|
18,99
|
0,21
|
|
19
|
54,05
|
41,74
|
17,33
|
0,32
|
|
20
|
52,12
|
41,74
|
17,25
|
0,33
|
|
21
|
69,78
|
41,66
|
18,01
|
0,26
|
78,32
|
41,57
|
18,38
|
0,23
|
|
23
|
60,09
|
41,72
|
17,60
|
0,29
|
|
24
|
62,58
|
41,71
|
17,70
|
0,28
|
В результаті аналізу
графіка споживання, та розрахунків досліджуваного об’єкта, було визначено
енергоємність насосної станції впродовж доби. Представлено графік енергоємності
роботи насосної станції.
За результатами
розрахунків, аналізу добової енергоємності та режимів роботи насосної станції,
можна зробити висновок про невідповідність встановлення даних насосних
агрегатів, та їх не ефективне використання. Показники енергоємності значно
завищені, що веде до збільшення витрат на систему водопостачання. Заміна
існуючих насів на нові, менш потужні, застосування ступеневого регулювання
ними, змінить характеристики станції, що досягається шляхом зміни кількості
одночасно працюючих насосів. Величина «кроку» перемикання залежить від витрати
та виду характеристик використовуваних насосів, що покращить енергоємність
системи водопостачання.
Середня енергоємність
насосної станції - це техніко-економічний показник енергетичної цінності роботи
об'єкту, що показує середнє значення відношення кількості затраченої енергії
двигуном до кількості води, що перекачується насосом. Даний показник насосної
станції компресорного виробництва ПАТ «СМНВО ім. М.В. Фрунзе» представлено на
рис. 2.3, та становить 0,53кВт*год/м3.
Гідравлічний розрахунок
системи водозабезпечення досліджуваного об’єкту проводився в програмному
комплексі MIKE NET. Були проведені гідравлічні розрахунки системи
водопостачання компресорного виробництва ПАТ «СМНВО ім. М.В. Фрунзе», що
виявили надмірний робочий тиск в системі, який веде до збільшення витрат
електроенергії на роботу насосної станції. Надмірний тиск в системах
водозабезпечення призводить до зношення робочих лементів системи, поривів
трубопроводів та зменшує термін служби об’єктів. При зменшенні надмірного тиску
в системі, можлива економія коштів за рахунок зменшення потужності насосної
станції.
При роботі з програмою
MIKE NET модель системи водоводів враховує реальну конфігурацію, величини кутів
повороту, діаметри окремих ділянок, їх протяжність, геодезичні відмітки,
місцеві опори та шорсткість внутрішніх поверхонь. Налагодження
об’єктно-орієнтованої моделі системи водопостачання здійснювалося з
використанням даних режиму їх роботи.
Представлено схеми
розрахунків тисків та потоків по довжині трубопроводів та у кожного споживача
при максимальних режимів водозабезпечення компресорного виробництва ПАТ «СМНВО
ім. М.В. Фрунзе». Аналогічно допомогою програми MIKE NET були побудовані схеми
при мінімальному та проміжних режимів водозабезпечення.
Розглянувши схему
розподілу тисків в мережі, можна зробити висновок про завищені значення тиску і
всій системі та завищення його значення на вході до споживачів, що призводить
до додаткових залучень коштів на обслуговування та утримання системи. За
допомогою програми MIKE NET візуально можемо відслідкувати значення тисків на
кожній з ділянок, та визначити причини заниженого тиску в системі.
Розподіл потоків по
трубопроводам є змінними в кожній частині системи водозабезпечення.
Закільцована система дозволяє зрівняти їх значення в кожній ділянці системи
трубопроводів та дає можливість ремонту поривів та інших аварійних ситуацій без
відключення інших споживачів від системи довозабезпечення. За допомогою
програми MIKE NET було відслідковано значення потоків до споживачів, та
встановили значення потоків при максимальному, мінімальному та проміжних рівнях
водоспоживання.
3. Представлення
енергозберігаючих заходів та їх розрахунковий аналіз
Проаналізувавши режими
роботи насосної станції ПАТ «СМНВО ім. Фрунзе» за допомогою ультразвукового
витратоміра «Взлет ПР» та провівши гідравлічні розрахунки системи
водозабезпечення програмою MIKE NET, за допомогою якої було визначено
оптимальні показники тиску в системі, було визначено та запропоновано
енергозберігаючі заходи для підвищення енергоефективності насосних агрегатів та
насосної станції вцілому. Основними енергозберігаючими заходами застосування
ступеневого, частотного та комбіноване регулювання насосних агрегатів.
3.1 Ступеневе
регулювання
При ступеневому способі
регулювання зміна характеристик насосної станції досягається шляхом зміни
кількості одночасно працюючих насосів. Величина «кроку» перемикання залежить
від споживання у мережі та виду характеристик використовуваних насосів.
Ступеневе регулювання є
найбільш простим та відносно дешевим, тому зміна характеристик шляхом
перемикання числа нерегулююмих насосів знайшло широке застосування на більшості
підвищуючи насосних станціях. Подача роботи одного насосного агрегату, як
правило, є більшою за споживання в години мінімального розбору споживачами. В
деяких випадках, для запобігання роботи потужних насосів з малим навантаженням
і відповідно з малим ККД застосовують допоміжні насоси, які мають подачу
близьку до витрати в години мінімального розбору води споживачами.
Коли регулювання
здійснюється зміною кількості працюючих насосів, стрибок напору при переході
від одного насосу до іншого залежить від пологості характеристики.
Попереднім аналізом та
розрахунком роботи насоса Д 200-35 встановлено, що його робота є неефективною та
енергоємною, тому треба підібрати потрібну кількість насосів та іх
характеристики, які б відповідали умовам водоспоживання компресорним
виробництвом ПАТ «СМНВО ім. М.В. Фрунзе»
Виконаємо розрахунок при
роботі двох насосів типу К 100-65-200б/2-5 з подачею Q=100 м3/год,
та напором Н =35 м.
Враховуючи зазначене
вище, та описавши математично степеневу параболічну залежність енергетичних
показників насоса К 100-65-200б/2-5 від витрати в мережі, отримаємо дані, що
наведені у таблиці 3.1.
(3.1)
(3.2)
Таблиця 3.1 -
Споживана електрична енергія і енергоємність насосної станції при ступеневому
регулюванні двома насосними агрегатами
|
t, год
|
Q, м3/год
|
Н, м
|
n, штук
|
N, кВт
|
EE, кВт·год/м3
|
|
1
|
2
|
3
|
4
|
5
|
6
|
|
1
|
62,33
|
32,67
|
1
|
10,11
|
0,16
|
|
2
|
156,80
|
37,52
|
2
|
31,18
|
0,20
|
|
3
|
40,38
|
33,49
|
1
|
8,70
|
0,22
|
|
4
|
16,79
|
33,31
|
1
|
7,14
|
0,43
|
|
5
|
12,42
|
33,15
|
1
|
6,85
|
0,55
|
|
6
|
7,98
|
32,96
|
1
|
6,55
|
0,82
|
|
7
|
14,93
|
33,25
|
1
|
7,02
|
0,47
|
|
8
|
14,56
|
33,23
|
1
|
6,99
|
0,48
|
|
9
|
40,31
|
33,50
|
1
|
8,70
|
0,22
|
|
10
|
52,96
|
33,14
|
1
|
9,51
|
0,18
|
|
11
|
55,40
|
33,03
|
1
|
9,67
|
0,17
|
|
12
|
51,35
|
33,20
|
1
|
9,41
|
0,18
|
|
13
|
102,14
|
35,77
|
2
|
25,05
|
0,25
|
|
14
|
100,50
|
35,72
|
2
|
24,86
|
0,25
|
|
15
|
54,42
|
33,08
|
1
|
9,61
|
0,18
|
|
16
|
54,57
|
33,07
|
1
|
9,62
|
0,18
|
|
17
|
206,95
|
39,12
|
2
|
36,28
|
0,18
|
|
18
|
92,44
|
35,46
|
2
|
23,90
|
0,26
|
|
19
|
54,05
|
33,09
|
1
|
9,58
|
0,18
|
|
20
|
52,12
|
33,17
|
1
|
9,46
|
0,18
|
|
21
|
69,78
|
32,17
|
1
|
10,57
|
0,15
|
|
22
|
78,32
|
31,46
|
1
|
11,10
|
0,14
|
|
23
|
60,09
|
32,79
|
1
|
9,97
|
0,17
|
|
24
|
62,58
|
32,65
|
1
|
10,12
|
0,16
|
Енергоємність роботи
двох насосів К 100-65-200б/2-5 при ступеневому регулюванні представлений на рис.
3.2. Середня енергоємність складає 0,28 кВт·год/м3.
Виконаємо розрахунок
енергоємності насосної станції при роботі трьох насосів типу КМ 100-80-160 з
подачею Q = 70 м3/год, та напором Н = 35 м, енергетичні
характеристики яких апроксимовані.
Враховуючи зазначене
вище, та описавши математично степеневу параболічну залежність енергетичних
характеристик насоса КМ 100-80-160 від витрати, було визначено тиск на виході з
насосної станції, обсяг спожитої електричної енергії та енергоємність впродовж
доби, що наведені у таблиці 3.2.
(3.3)
(3.4)
Таблиця 3.2 - Споживана енергія і енергоємність насосної станції при
ступеневому регулюванні трьома насосними агрегатами
|
t, год
|
Q, м3/год
|
Н, м
|
n, штук
|
N, кВт
|
EE, кВт*год/м
|
|
1
|
2
|
3
|
4
|
5
|
6
|
|
1
|
62,33
|
30,0
|
1
|
1,68
|
0,02
|
|
2
|
156,80
|
29,47
|
3
|
1,21
|
0,01
|
|
3
|
40,38
|
30,39
|
1
|
3,65
|
0,02
|
|
4
|
16,79
|
30,74
|
1
|
1,91
|
0,11
|
|
5
|
12,42
|
30,81
|
1
|
1,93
|
0,15
|
|
6
|
7,98
|
30,88
|
1
|
1,96
|
0,24
|
|
7
|
14,93
|
30,77
|
1
|
1,92
|
0,12
|
|
8
|
14,56
|
30,78
|
1
|
1,92
|
0,13
|
|
9
|
40,31
|
30,39
|
1
|
1,79
|
0,04
|
|
10
|
52,96
|
30,20
|
1
|
1,73
|
0,03
|
|
11
|
55,40
|
30,16
|
1
|
1,72
|
0,03
|
|
12
|
51,35
|
30,22
|
1
|
1,74
|
0,03
|
Виконаємо розрахунок при
роботі чотирьох насосів типу КМ 100-65-200а/2-5 з подачею Q = 50 м3/год,
та напором Н = 35 м.
Враховуючи зазначене
вище, та описавши математично степеневу параболічну залежність енергетичних
характеристик насоса КМ 100-65-200а/2-5 від витрати, було визначено тиск на
виході з насосної станції, обсяг спожитої електричної енергії та енергоємність
впродовж доби, що наведені у таблиці 3.3.
(3.5)
(3.6)
Таблиця 3.3 -
Споживана електрична енергія і енергоємність насосної станції при ступеневому
регулюванні чотирма насосними агрегатами
|
t, год
|
Q, м3/год
|
Н, м
|
n, штук
|
N, кВт
|
EE, кВт*год/м
|
|
1
|
62,33
|
30,13
|
2
|
18,50
|
0,3
|
|
2
|
156,80
|
31,40
|
4
|
39,20
|
0,41
|
|
3
|
40,38
|
30,22
|
1
|
7,64
|
0,19
|
|
4
|
16,79
|
31,94
|
1
|
5,92
|
0,35
|
|
5
|
12,42
|
32,14
|
1
|
5,60
|
0,45
|
|
6
|
7,98
|
32,30
|
1
|
5,28
|
0,66
|
|
7
|
14,93
|
32,038
|
1
|
5,78
|
0,38
|
|
8
|
14,56
|
32,055
|
1
|
5,76
|
0,40
|
|
9
|
40,31
|
30,23
|
1
|
7,64
|
0,19
|
|
10
|
52,96
|
30,48
|
2
|
17,13
|
|
11
|
55,40
|
30,39
|
2
|
17,49
|
0,32
|
|
12
|
51,35
|
30,54
|
2
|
16,90
|
0,33
|
|
13
|
102,14
|
32,17
|
4
|
48,62
|
0,48
|
|
14
|
100,50
|
32,19
|
4
|
48,15
|
0,48
|
|
15
|
54,42
|
30,43
|
2
|
17,35
|
0,32
|
|
16
|
54,57
|
30,42
|
2
|
17,37
|
0,32
|
|
17
|
206,95
|
30,32
|
4
|
79,23
|
0,38
|
|
18
|
92,44
|
30,18
|
3
|
34,34
|
0,37
|
|
29
|
54,05
|
30,44
|
2
|
17,29
|
0,32
|
|
20
|
52,12
|
30,52
|
2
|
17,01
|
0,33
|
|
21
|
69,78
|
30,76
|
3
|
29,38
|
0,42
|
|
22
|
78,32
|
30,54
|
3
|
31,25
|
0,40
|
|
23
|
60,09
|
30,22
|
2
|
18,17
|
0,30
|
|
24
|
62,58
|
30,12
|
2
|
18,54
|
0,29
|
Енергетична ефективність
роботи чотирьох насосів КМ 100-65-200а/2-5 при їх ступеневому регулюванні
представлений на рис. 3.6. Середня енергоємність складає 0,38 кВт·год/м3.
Виконаємо розрахунок при
роботі п’яти насосів типу КМ 80-65-160а/2-5 з подачею Q = 40 м3/год,
та напором Н = 35 м.
Враховуючи зазначене
вище, та описавши математично степеневу параболічну залежність енергетичних
характеристик насоса КМ 80-65-160а/2-5 від витрати, було визначено тиск на
виході з насосної станції, обсяг спожитої електричної енергії та енергоємність
впродовж доби, що наведені у таблиці 3.4.
(3.7)
(3.8)
Таблиця 3.4 -
Споживана електрична енергія і енергоємність насосної станції при ступеневому
регулюванні п’ятьма насосними агрегатами
|
t, год
|
Q, м3/год
|
Н, м
|
n, штук
|
N, кВт
|
EE, кВт*год/м
|
|
1
|
2
|
3
|
4
|
5
|
6
|
|
1
|
62,33
|
30,41
|
3
|
6,54
|
0,10
|
|
2
|
156,80
|
30,56
|
5
|
11,49
|
0,07
|
|
3
|
40,38
|
30,31
|
2
|
4,24
|
0,10
|
|
4
|
16,79
|
30,49
|
1
|
2,06
|
0,12
|
|
5
|
12,42
|
30,69
|
1
|
2,06
|
0,17
|
|
6
|
7,98
|
30,84
|
1
|
2,06
|
0,26
|
|
7
|
14,93
|
30,58
|
1
|
2,06
|
0,14
|
|
8
|
14,56
|
30,60
|
1
|
2,06
|
0,14
|
|
9
|
40,31
|
30,31
|
2
|
4,24
|
0,11
|
|
10
|
52,96
|
30,54
|
3
|
6,54
|
0,12
|
|
11
|
55,40
|
30,51
|
3
|
6,54
|
0,12
|
|
12
|
51,35
|
30,57
|
3
|
6,54
|
0,13
|
|
13
|
102,14
|
30,22
|
4
|
8,96
|
0,09
|
|
14
|
100,50
|
30,24
|
4
|
8,96
|
0,09
|
|
15
|
54,42
|
30,52
|
3
|
6,54
|
0,12
|
|
16
|
54,57
|
30,52
|
3
|
6,54
|
0,12
|
|
17
|
206,95
|
30,37
|
5
|
11,48
|
0,06
|
Енергетична ефективність
роботи п’яти насосів КМ 80-65-160а/2-5 при ступеневому регулюванні
представлений на рис. 3.8. Середня енергоємність складає 0,12 кВт·год/м3.
Таким чином, порівнюючи
роботу насосної станції у запропонованих варіантах (рис. 3.11), доходимо
висновку, що найбільше питоме споживання електроенергії на підняття 1м3
води припадає від 3 до 8 години. Найбільш сприятлива робота насосної станції
спостерігається з 9 по 12 години.
Порівнюючи отримані
результати розрахунків ступеневого регулювання робимо висновок, що з
запропонованих варіантів найбільш ефективним є встановлення трьох насосів
КМ100-80-160 енергоємністю роботи 0,06 кВт·год/м3.
3.2 Частотне регулювання
При зміні частоти
обертання робочого колеса насосні напірні характеристики H(Q) насоса є
подібні криві. Робоча точка при цьому переміщується по характеристиці мережі,
визначаючи різні значення подачі Q. Зміна напору, подачі і потужності
насоса в залежності від числа обертів підкоряється законам подібності, що
виражається наступними залежностями:
(3.9)
, (3.10)
, (3.11)
де
значення
подачі, в початковий момент часу, м3/год;
значення подачі, в
наступний момент часу, м3/год;
значення частоти обертання, в початковий момент часу, 1/с;
значення частоти
обертання, в наступний момент часу, 1/с;
значення напору, в
початковий момент часу, м;
значення напору, в наступний момент часу, м;
значення потужності, в
початковий момент часу, кВт;
значення потужності, в
наступний момент часу, кВт;
Ці залежності
справедливі за умови сталості ККД насоса та його складових (гідравлічної,
об?ємної та механічної) для точок, що лежать на параболі подібних режимів.
Відомо, що в результаті проведення фізичних експериментів було встановлено, що
зменшення обертів на 10% супроводжується зниження ККД лише на 1%.
При частотному
регулюванні:
, (3.12)
, (3.13)
де а, b, c -
коефіцієнти, що залежать від конструктивного виконання насоса.
Основною вимогою
до насосних станцій, що працюють на мережу незалежних один від одного
споживачів, є необхідність підтримки тиску у мережі таким чином, щоб тиск у
конкретного споживача знаходився у межах припустимого відхилення від
нормованого у всьому діапазоні зміни витрати. Згідно цієї вимоги параметром, що
регулюється, є тиск. Підтримуючи його в заданих межах на насосній станції або в
диктуючій точці споживач буде мати якісну послугу водопостачання у всьому
діапазоні зміни витрат.
До числа переваг
даного способу регулювання можна віднести економічність, плавність та
технологічність. До недоліків частотного регулювання можна віднести збільшення
капітальних затрат на насосний агрегат за рахунок збільшення вартості приводу
електродвигуна та підвищення вимог до обслуговуючого персоналу.
Використовуючи
основні характеристики насосу Д 200-35, проведемо аналіз енергоефективності
роботи при частотному регулюванні.
У якості
перетворювача частоти на насосній станції, що обстежується, обрано перетворювач
фірми Grundfos. Перетворювач призначений для керування насосами із приводними
асинхронними електродвигунами.
До функціональних
можливостей частотного перетворювача можна віднести:
- повний захист
двигуна;
внутрішній
ПІД-регулятор;
управління по
вольт-частотній характеристиці та ін.
Перетворювач призначений
для керування насосами із приводними асинхронними електродвигунами потужністю
від 0,25 до 30 кВт на напругу 380 В, та частоту струму - 50 Гц.
Враховуючи математичну
модель водоспоживання (форумули 3.5 і 3.6) та аналітичний опис напірної та
енергетичної характеристик насоса Д 200-35, визначимо споживання електричної
енергії, ККД насосу та енергоефективність системи водопостачання при заданій
моделі водоспоживання, при регулюванні зміною частоти обертів робочого колеса
та отримані дані представлені в табл. 3.6.
Таблиця 3.6 - Споживана
електрична енергія і енергоємність насосної станції при частотному регулюванні
|
t, год
|
Q, м3/год
|
Н, м
|
nвідносне
|
N, кВт
|
EE, кВт·год/м3
|
|
1
|
62,33
|
30
|
0,84
|
10,92
|
0,17
|
|
2
|
156,80
|
30
|
0,85
|
14,14
|
0,09
|
|
3
|
40,38
|
30
|
0,84
|
10,31
|
0,25
|
|
4
|
16,79
|
30
|
0,84
|
9,71
|
0,57
|
|
5
|
12,42
|
30
|
0,85
|
9,60
|
0,77
|
|
6
|
7,98
|
30
|
0,85
|
9,49
|
1,18
|
|
7
|
14,93
|
30
|
0,84
|
9,66
|
0,64
|
|
8
|
14,56
|
30
|
0,84
|
9,65
|
0,66
|
|
9
|
40,31
|
30
|
0,84
|
10,31
|
0,25
|
|
10
|
52,96
|
30
|
0,84
|
10,66
|
0,20
|
|
11
|
55,40
|
30
|
0,84
|
10,73
|
0,19
|
|
12
|
51,35
|
30
|
0,84
|
10,61
|
0,21
|
|
13
|
102,14
|
30
|
0,84
|
12,15
|
0,12
|
|
14
|
100,50
|
30
|
0,84
|
12,10
|
0,12
|
|
15
|
54,42
|
30
|
0,84
|
10,70
|
0,19
|
|
16
|
54,57
|
30
|
0,84
|
10,70
|
0,19
|
|
17
|
206,95
|
30
|
0,86
|
16,35
|
0,07
|
|
18
|
92,44
|
30
|
0,84
|
11,83
|
0,12
|
54,05
|
30
|
0,84
|
10,69
|
0,19
|
|
20
|
52,12
|
30
|
0,84
|
10,63
|
0,20
|
|
21
|
69,78
|
30
|
0,84
|
11,14
|
0,15
|
|
22
|
78,32
|
30
|
0,84
|
11,40
|
0,14
|
|
23
|
60,09
|
30
|
0,84
|
10,86
|
0,18
|
|
24
|
62,58
|
30
|
0,84
|
10,93
|
0,17
|
Енергоємність роботи
насоса Д 200-35 впродовж доби при частотному регулюванні представлений на рис.
3.12. Середня енергоємність складає 0,32 кВт·год/м3.
Таким чином, при роботі
насосу Д 200-35 з частотним перетворювачем, середня енергоємність насосної
станції менша ніж при роботі того ж насосу, але без частотного перетворювача.
Це пояснюється тим, що при зміні обсягів спожитої води, змінюється частота
обертання ротора двигуна, а значить і вала насоса, що в свою чергу призводить
до роботи насосної установки на максимальних ККД.
Проаналізувавши дані
отримані під час розрахунку ефективності роботи насосної станції за допомогою
ступеневого регулювання, прийшли до висновку, що роботу системи можна
покращити, встановивши на один з насосів частотний перетворювач.
3.3 Регулювання насосної
станції за допомогою зміни кількості насосних агрегатів та використанні
частотного перетворювача
Для організації
водопостачання встановлюємо три насоси типу КМ 100-80-160. Два насоси будуть
нерегульованими, а один - з частотним перетворювачем.
Описавши математично
степеневу параболічну залежність енергетичних характеристик насоса КМ
100-80-160 (рис. 3.3) від витрати, було визначено тиск на виході з насосної
станції, обсяг спожитої електричної енергії та енергоємність впродовж доби, що
наведено у таблиці 3.7.
Таблиця 3.7 - Споживана
електрична енергія і енергоємність насосної станції при комбінованому
регулюванні
|
t, год
|
Q, м3/год
|
n, штук
|
nвідносне
|
Н, м
|
N, кВт.
|
ЕЕ, кВт·год/м3
|
|
1
|
2
|
3
|
4
|
5
|
6
|
7
|
|
1
|
62,33
|
1
|
0,97
|
30
|
4,33
|
0,069
|
|
2
|
156,80
|
3
|
0,94
|
30
|
9,14
|
0,058
|
|
3
|
40,38
|
1
|
0,95
|
30
|
4,29
|
0,106
|
|
4
|
16,79
|
1
|
0,94
|
30
|
4,20
|
0,250
|
|
5
|
12,42
|
1
|
0,93
|
30
|
4,18
|
0,336
|
|
6
|
7,98
|
1
|
0,93
|
30
|
4,15
|
0,520
|
|
7
|
14,93
|
1
|
0,94
|
30
|
4,19
|
0,280
|
|
8
|
14,56
|
1
|
0,94
|
30
|
4,19
|
0,287
|
|
9
|
40,31
|
1
|
0,95
|
30
|
4,29
|
0,106
|
|
10
|
52,96
|
1
|
0,96
|
30
|
4,31
|
0,081
|
|
11
|
55,40
|
1
|
0,97
|
30
|
4,32
|
0,078
|
|
12
|
51,35
|
1
|
0,96
|
30
|
4,31
|
0,084
|
|
13
|
102,14
|
2
|
0,95
|
30
|
6,74
|
0,066
|
|
14
|
100,50
|
2
|
0,95
|
30
|
6,73
|
0,067
|
|
15
|
54,42
|
1
|
0,96
|
30
|
4,32
|
0,079
|
Енергетична ефективність
роботи насосної станції впродовж доби при комбінованому регулюванні
представлений на рис. 3.13. Середня енергоємність при застосуванні даного
способу регулювання становить 0,06 кВт·год/м3.
4. Розділ економіки
4.1 Розрахунок
економічної ефективності енергозберігаючих заходів
4.1.1 Коротка
техніко-економічна характеристика проекту
Даний енергозберігаючий
проект спрямований на економію електричної енергії за рахунок встановлення
нового сучасного насосного обладнання зі системою автоматизації і контролю.
Енергозберігаючий захід
проводиться на насосній станції станції ПАТ «СМНВО ім. Фрунзе». Насосне
обладнання буде працювати щодня. Термін підключення і монтажу не більше двох
тижнів. Тривалість життєвого циклу проекту 7 років. За необхідності
обслуговування обладнання досить двох фахівців.
4.1.2 Визначення
капітальних вкладень (інвестицій) на реалізацію проекту
Оцінка економічної
ефективності реалізації заходів з енергозбереження є необхідною умовою при
прийнятті керівництвом підприємства та інвесторами рішення щодо інвестування
коштів з метою їх повернення та отримання прибутку від впровадження даних
заходів.
На основі проведених
розрахунків у розділі 3 робимо фінансовий аналіз одного із енергозберігаючих
заходів, а саме ступеневе регулювання роботи насосної станції трьома насосами
типу КМ 100-80-160 фірми «Энергоснабкомплект».
Капітальні витрати на
енергозберігаючий захід заносимо у таблицю 4.1.
Таблиця 4.1 - Капітальні
витрати, необхідні для реалізації енергозберігаючого заходу (проекту), грн.
|
№ з/п
|
Перелік витрат
|
Величина витрат
|
|
1
|
2
|
3
|
|
1
|
Підготовчі роботи
|
1719,63
|
|
2
|
Складання проектно-кошторисної
документації
|
286,56
|
|
3
|
Вартість установки
|
57312,11
|
|
4
|
Витрати на спорудження установки,
в тому числі
|
|
|
- матеріали на комплектуючі
|
2865,61
|
|
- монтаж устаткування та
підключення до мережі
|
1719,36
|
|
- пусконалагоджувальні роботи
|
2278,00
|
|
5
|
Інші витрати
|
573,12
|
|
ВСЬОГО
|
66754,12
|
4.1.3 Розрахунок річних
експлуатаційних витрат
Витрати на енергоресурси
визначаємо за формулою:
Вр = W·Сe·t (4.1)
де W - потужність
установки, кВт;
Сe - вартість одного кВт·год, грн/кВт·год (див. тариф для
промислових користувачів);
t - час роботи установки на рік у базовому режимі, год;
грн./рік
Визначаємо витрат
на основну та додаткову заробітну плату обслуговуючого персоналу та
відрахування від неї на соціальні заходи проводиться у разі необхідності за
формулою:
(4.2)
де Тмj
- посадовий оклад (ставка) j-го фахівця;
kзj - коефіцієнт трудової участі (частка робочого часу на обслуговування
установки j-м спеціалістом);
kдj - коефіцієнт, що враховує додаткову зарплату (приймається kдj=1,1-1,3);
kс - коефіцієнт, що враховує відрахування на соціальні заходи
(приймається kс =1,38)
n - кількість фахівців.
грн./рік
Річну суму
амортизаційних відрахувань визначаємо за відповідними нормами амортизації від
вартості установки (основних фондів).
Амортизацію установки
нараховуємо за формулою:
А = F · a (4.3)
де F - вартість
установки;
a - річна норма амортизації.
Річна норма амортизації
обчислюємо прямолінійним методом відповідно до строку корисного використання
установки:
a = 1/Tексп, (4.4)
де Tексп
- середній термін експлуатації установки (основних фондів), років.
грн/рік
Вартість
витратних матеріалів визначаємо залежно від їх необхідного річного обсягу та
ціни за одиницю.
Витрати на ремонт
приймаємо рівними 2,5% від вартості установки з урахуванням прогнозування
відмов:
Впр=F·kпр/100, (4.5)
де kпр
- відсоток витрат на поточний ремонт.
грн./рік
Результати
розрахунків зводимо в таблицю 4.2.
Таблиця 4.2 -
Річні експлуатаційні витрати, грн.
|
Витрати
|
Обсяг витрат
|
|
Зарплата обслуговуючого персоналу
|
3643,20
|
|
Амортизаційні відрахування
|
8187,44
|
|
Вартість витратних матеріалів
|
100,00
|
|
Витрати на поточний ремонт
|
1432,80
|
|
Всього (Вре)
|
13363,44
|
4.1.4 Чистий дисконтний
дохід NPV
Для аналізу ефективності
інвестиційних рішень в якості основного вимірника кінцевого абсолютного
результату інвестування найбільше розповсюдження одержав чистий дисконтний
дохід. NPV є різницею між сукупною приведеною вартістю прогнозованих грошових
потоків від реалізації проекту і сумарними приведеними інвестиційними
витратами.
При одночасному
здійсненні інвестиційних витрат NPV може бути визначений за формулою:
(4.6)
де Pt -
чистий грошовий потік у році t; I0 - одночасні
інвестиційні витрати на реалізацію інвестиційного проекту; r - дисконтна
ставка, що використовується для приведення доходів та інвестиційних витрат до
єдиного моменту часу (виражається у частках одиниць); tп - момент
отримання першого доходу; T - термін реалізації (життєвий цикл)
інвестиційного проекту, років.
Сума чистого грошового
потоку за окремими інтервалами часу визначається за формулою:
(4.7)
Дt - очікуваний загальний дохід від реалізації проекту;
Вt - поточні витрати;
At - амортизаційні відрахування, які не увійшли до складу витрат і
не оподатковуються,
kп - податкова ставка (приймається в діапазоні від 0 до 0,3).
Вигоди розраховуємо за
формулою:
грн./рік
Таблиця 4.3 - Оцінка NPV
|
Рік
|
Інвестиції I (капітальні
витрати)
|
Поточні витрати (експлуатаційні)
|
Вигоди Д (дохід)
|
Грошові потоки CF=Д-В-I
|
Дисконтний множник PVIF за
ставкою r=r1
|
Приведена вартість PV=CF∙PVIF
|
|
1
|
2
|
3
|
4
|
5
|
6
|
7
|
|
0
|
66754,12
|
0
|
0
|
-66754,12
|
1
|
-66754,12
|
|
1
|
0
|
13363,44
|
126796,37
|
113432,93
|
0,909
|
103120,85
|
|
2
|
0
|
13363,44
|
126796,37
|
113432,93
|
0,826
|
93746,22
|
|
3
|
0
|
13363,44
|
126796,37
|
113432,93
|
0,751
|
85223,84
|
|
4
|
0
|
13363,44
|
126796,37
|
113432,93
|
0,683
|
77476,22
|
|
5
|
0
|
13363,44
|
126796,37
|
113432,93
|
0,621
|
70432,92
|
|
6
|
0
|
13363,44
|
126796,37
|
113432,93
|
0,564
|
64029,93
|
|
7
|
0
|
13363,44
|
126796,37
|
113432,93
|
0,513
|
58209,03
|
|
Всього
|
485484,90
|
Результат розрахунку NPV
є орієнтовним критерієм прийняття рішення щодо інвестування енергоощадного
проекту, в випадку NPV>0, дисконтовані результати перевищують дисконтовані
витрати. Проект є інвестиційно привабливим і може сприяти збільшенню капіталу
підприємства. З великою вірогідністю проект може бути реалізовано.
4.1.5 Індекс доходності
PI
PI є відносним
показником і розраховується як відношення чистого приведеного доходу від
реалізації проекту до початкових або приведених інвестиційних вкладень:
(4.8)
Критерієм
ефективності певного інвестиційного проекту за показником PI є значення
індексу доходності, що перевищує одиницю, оскільки в цьому випадку сума
дисконтованих доходів перевищить суму дисконтованих інвестиційних витрат, тобто
реалізація проекту буде супроводжуватись певними прибутками. Неефективною є
реалізація інвестиційного проекту, індекс доходності якого не перевищує
одиницю: в цій ситуації дисконтовані інвестиційні витрати за проектом
перевищать або будуть дорівнювати сумі дисконтованих доходів, тобто
впровадження проекту призведе до збитків або нульового прибутку.
PI >1, дисконтовані
результати перевищують дисконтовані витрати. Проект є ефективним (прибутковим).
З великою вірогідністю проект може бути реалізовано.
4.1.6 Внутрішня норма
доходності IRR
Внутрішня норма
доходності IRR є найбільш складним для розрахунку та одним із найважливіших
показників оцінки ефективності інвестиційних проектів. Під цим критерієм
розуміють таку розрахункову ставку приведення, за якої дохід
від реалізації проекту
дорівнює приведеним витратам на здійснення і, отже, капіталовкладення тільки
окупаються. Таким чином IRR - це така ставка дисконтування за якої NPV=0.
, (4.9)
де r1
- ставка дисконту, за якої NPV>0; r2 - ставка
дисконту, за якої NPV<0; NPV1, NPV2
- величина чистої поточної вартості, що відповідає r1
та r2.
Таблиця 4.4 - Оцінка IRR
|
Рік
|
Грошові потоки CF=Д-В-I
|
Дисконтний множник PVIF за
ставкою r=10%
|
Приведена вартість PV=CF∙PVIF
|
Приведена вартість PV=CF∙PVIF
|
|
0
|
-66754,12
|
1
|
-66754,12
|
1
|
-66754,12
|
|
1
|
113432,93
|
0,909
|
103120,85
|
0,333
|
37810,98
|
|
2
|
113432,93
|
0,826
|
93746,22
|
0,111
|
12603,66
|
|
3
|
113432,93
|
0,751
|
85223,84
|
0,037
|
4201,22
|
|
4
|
113432,93
|
0,683
|
77476,22
|
0,012
|
1400,41
|
|
5
|
113432,93
|
0,621
|
70432,92
|
0,004
|
466,80
|
|
6
|
113432,93
|
0,564
|
64029,93
|
0,001
|
155,60
|
|
7
|
113432,93
|
0,513
|
58209,03
|
0
|
51,87
|
|
Всього
|
|
485484,89
|
|
-10063,59
|
IRR>r, IRR перевищує
мінімальну ціну інвестицій для даного проекту. Проект є вигідним, та
інвестиційно привабливим.
4.1.7 Дисконтований
термін окупності PP
Дисконтований термін
окупності PP є поширеним та найбільш наочним показником ефективності
інвестиційних проектів. Це період часу, за який дисконтовані доходи покриють
величину дисконтованих інвестиційних витрат за проектом.
(4.10)
де РР -
дисконтований період окупності інвестиційних витрат за проектом, років;
(т+1) - рік,
в якому сума дисконтованих надходжень, розрахованих наростаючим підсумком,
перекриє суму дисконтованих інвестиційних витрат;
Pт+1 - дисконтовані
грошові надходження за проектом в (т+1) - му році.
року
Отримані в результаті
розрахунків дисконтованих економічних показників від реалізації
енергозберігаючого заходу наводимо в таблиці 4.5.
Таблиця 4.5 - Очікувані
економічні показники від реалізації енергозберігаючого заходу
|
№ з/п
|
Перелік показників
|
Значення
|
|
1
|
2
|
3
|
|
1
|
Капітальні вкладення, грн
|
66754,12
|
|
2
|
Річні експлуатаційні витрати, грн
|
13363,44
|
|
3. Техніко-економічні показники
|
|
|
3.1
|
Загальна вартість продукції, що
виробляється (дохід), грн
|
32826,22
|
|
3.2
|
Чистий дисконтний дохід, грн
|
113432,93
|
|
3.3
|
Індекс доходності, %
|
8,27
|
|
3.4
|
Внутрішня норма доходності, грн
|
59,28
|
|
3.5
|
Дисконтований термін окупності,
років
|
0,6
|
Даний енергозберігаючий
захід є ефективним так як NPV>0, РІ>1 та IRR>r. Дисконтовані
результати перевищують дисконтовані витрати. Проект є інвестиційно привабливим
і може сприяти збільшенню капіталу підприємства. Проект може бути реалізований
з великою вірогідністю.
4.2 Розвиток системи
матеріального стимулювання енергоощадних заходів на підприємстві
Існуюча в Україні
економічна система функціонування суспільного виробництва значно відрізняється
від жорсткої централізованої економічної системи СРСР. На сьогодні, за ринкових
умов, при конкуренції імпортної продукції, негарантованому обсязі виробництва
продукції, незавантаженності обладнання, нестабільності цін на енергоресурси, а
також за умов необхідності включення суб’єктивного фактору, стара система
нормування витрат ПЕР не може виконувати ту роль, що була їй притаманна в
економічній системі СРСР. В сучасних умовах система нормування не може служити
механізмом планування обсягів постачання енергоресурсів на виробництво. І вона
вже не є тим механізмом.
Стаття 1 Закону України
«Про енергозбереження» визначає, що економія паливно-енергетичних ресурсів
визначається як відносне скорочення витрат паливно-енергетичних ресурсів, що
виявляється у зниженні їх питомих витрат на виробництво продукції, виконання
робіт і надання послуг встановленої якості.
Стаття 20 Закону
передбачає, що норми і нормативи витрат паливно-енергетичних ресурсів в
обов'язковому порядку включаються в енергетичні паспорти обладнання, режимні
карти, технологічні інструкції та інструкції з експлуатації, а також у технічні
умови та паспорти на всі види машин і механізмів, що споживають
паливно-енергетичні ресурси. На період до введення в дію систем енергетичних
стандартів допускається застосування прогресивних норм і нормативів витрат
паливно-енергетичних ресурсів. Контроль за дотриманням нормативів витрат
паливно-енергетичних ресурсів здійснюється уповноваженим на те Кабінетом
Міністрів України органом.
Таким чином, нормативні
витрати ПЕР встановлюються для конкретного виробництва на конкретному
підприємстві, це своєрідне наближення до стандартизованих показників, що
враховують всі ланки виробництва та обладнання, а для оцінки економії ПЕР
використовується порівняння фактичних та встановлених питомих витрат ПЕР на
виробництво продукції.
Розроблені норми питомих
витрат ПЕР є лише вихідною точкою, навколо якої можна задіяти механізм
стимулювання енергозбереження на підприємстві. Цей механізм може складатись із
двох важелів впливу: економічного і матеріального стимулювання впровадження
енергозберігаючих заходів та накладання відповідальності і санкцій за не
проведення цієї роботи. І саме норми питомих витрат ПЕР є тією точкою, навколо
якої будується цей механізм.
У механізм стимулювання
закладається наступний алгоритм. При досягненні зниження питомих затрат
енергоресурсів на виробництво продукції в поточному році в порівнянні із
показником, визначеним в результаті науково-обґрунтованих розрахунків чи
встановленим в результаті енергетичного аудиту, і тим самим підвищення
ефективності використання енергоресурсів, підприємство заслуговує на
матеріальне стимулювання.
Таким чином, механізм
економічного стимулювання енергозбереження пов’язується з результатами роботи
підприємства в напрямку підвищення ефективності використання енергоресурсів, а
критерієм оцінки цієї роботи є зменшення питомих витрат ПЕР на виробництво
продукції в порівнянні з розрахованим, науково-обґрунтованим показником.
Назвемо цей показник прогресивними питомими витратами, а процес розрахунку
питомих витрат - нормуванням питомих витрат ПЕР.
Законопроектами
пропонується звільнити від оподаткування частину прибутку платників податків,
яка отримана в результаті ефективного використання паливно-енергетичних
ресурсів енергоємними підприємствами, що дорівнює різниці витрат на
паливно-енергетичні ресурси в обсягах виробництва звітного періоду по
відношенню до нормативних питомих витрат за цей же період. Звільнена від
оподаткування економія коштів підприємств використовується на наповнення
спеціальних фондів енергозбереження підприємств. Використані не за призначенням
кошти цих фондів підлягають оподаткуванню у загальному порядку.
На жаль, пропозиції
Держкоменергозбереження не знаходять розуміння в Міністерстві фінансів України,
що гальмує подання погоджених усіма іншими зацікавленими відомствами
законопроектів на розгляд не тільки Верховної Ради України.
Іншим важелем
стимулювання енергозбереження є застосування санкцій до підприємств, що не
зацікавленні в підвищенні ефективності використання енергоресурсів. І в цьому
випадку норми питомих витрат ПЕР служать лише точкою відліку. При перевищенні
питомих затрат енергоресурсів на виробництво продукції в поточному році в
порівнянні із встановленою нормою питомих витрат ПЕР і, тим самим, зниженні
ефективності використання енергоресурсів, підприємство має нести
відповідальність.
Держава має повне право
застосовувати санкції до підприємств, які взагалі занедбали виробництво,
байдуже використовують енергоресурси, що призводить до значного перевищення
всіх допустимих показників витрат енергоресурсів на виробництво продукції, а
свою безгосподарність включають до ціни на продукцію. Що особливо характерно
для практики роботи енергопостачальних підприємств. Крім того, встановлюється
адміністративна відповідальність за порушення у сфері використання
енергоресурсів. Зокрема, статтею 101 Закону України від 21 червня
2001 року «Про внесення змін до Кодексу України про адміністративні
правопорушення щодо встановлення відповідальності за порушення законодавства
про енергозбереження» передбачена адміністративна відповідальність керівників
підприємств, установ та організацій, незалежно від форм власності, за
недотримання вимог щодо встановлення норм питомих витрат паливно-енергетичних
ресурсів (порушенням вважається відсутність норм питомих витрат на
підприємствах з річним споживанням ПЕР понад 10000 тонн умовного палива,
встановлених відповідно до постанови Кабінету Міністрів України від 15.07.97 р.
№786, або за перевищення встановлених відповідно до законодавства норм (мова
йде саме про міжгалузеві норми).истема нормування питомих витрат ПЕР не є єдино
можливим критерієм оцінки роботи підприємств в напрямку підвищення ефективності
використання енергоресурсів. Є й інші підходи, більш точні, проте потребують
штучного підходу до кожного підприємства. На сьогодні на загальнодержавному
рівні може працювати лише запропонована і діюча система нормування питомих
витрат. Питомі витрати енергоресурсів на виробництво продукції дають можливість
з деяким наближенням отримати критерій оцінки ефективності використання
енергоресурсів на підприємстві і, таким чином, впливати на зацікавленість
підприємств в енергозбереженні.
Метою впровадження
економічного механізму енергозбереження в господарчу практику є інтенсифікація
та розширення процесів енергозбереження в умовах становлення та розвитку
ринкових відносин в економіці.
Завданням економічного
механізму енергозбереження є стимулювання раціонального використання та
економії паливно-енергетичних ресурсів, створення виробництва і широкого
застосування енергетично ефективних технологічних процесів, обладнання та
матеріалів.
Економічні заходи для
забезпечення енергозбереження передбачають [2]:
а) комплексне
застосування економічних важелів та стимулів для орієнтації управлінської,
науково-технічної і господарської діяльності підприємств, установ та
організацій на раціональне використання і економію паливно-енергетичних
ресурсів;
б) визначення джерел і
напрямів фінансування енергозбереження;
в) створення бази для
реалізації економічних заходів управління енергозбереженням у вигляді системи
державних стандартів, які містять показники питомих витрат паливно-енергетичних
ресурсів для основних енергоємних видів продукції та технологічних процесів в
усіх галузях народного господарства;
г) використання системи
державних стандартів у сфері енергозбереження при визначенні розмірів надання
економічних пільг та застосування економічних санкцій;
д) введення відрахувань
від вартості фактично використаних підприємствами паливно-енергетичних
ресурсів;
е) введення плати за
нераціональне використання паливно-енергетичних ресурсів у вигляді надбавок до
діючих цін та тарифів залежно від перевитрат паливно-енергетичних ресурсів щодо
витрат, встановлених стандартами;
є) застосування
економічних санкцій за марнотратне витрачання палива та енергії внаслідок
безгосподарної або некомпетентної діяльності працюючих;
ж) надання юридичним і
фізичним особам субсидій, дотацій, податкових, кредитних та інших пільг для
стимулювання розробок, впровадження патентних винаходів та використання
енергозберігаючи технологій, обладнання і матеріалів;
з) матеріальне
стимулювання колективів та окремих робітників за ефективне використання та
економію паливно-енергетичних ресурсів, впровадження розробок, захищених
патентом.
Економія енергоресурсів
визначається як різниця між нормативами базовими і фактичними (звітними)
питомими витратами ПЕР, помножена на кількість виробленої продукції відповідно
до методики визначення величини економії паливно-енергетичних ресурсів.
Матеріальне стимулювання
здійснюється:
за ефективне
використання енергоресурсів здійснюється шляхом преміювання працівників у межах
установленої частки вартості зекономлених ПЕР.
для колективів
підприємств та їх структурних підрозділів (цехів, служб, відділів і т.ін.) -
щомісячно або щоквартально за фактичну економію ПЕР у поточному виробництві і
проводиться після підбиття підсумків за звітний період.
для окремих працівників
за впровадження енергоощадних технологій та обладнання - у порядку,
передбаченому діючими положеннями про винагородження за впровадження нової
техніки та технологій.
для окремих працівників
організацій та установ за виконання науково-дослідних робіт та розроблення
нормативної бази енергозбереження - після введення в дію нормативних
документів.
для матеріального
стимулювання колективів окремих виробничих структурних підрозділів підприємств
(далі - цехи) - норми питомих витрат кожного енергоносія на виробництво
продукції цеху.
Для підприємств у разі
розрахунку економії ПЕР у виробництві як нормативні (базові) питомі витрати ПЕР
допускається застосовувати:
) для матеріального
стимулювання колективів окремих виробничих структурних підрозділів підприємств
(далі - цехи) - норми питомих витрат кожного енергоносія на виробництво
продукції цеху.
) для підприємств у
цілому - наскрізні норми питомих витрат ПЕР на виробництво товарної продукції.
До товарної продукції
належать:
основна товарна
продукція підприємства;
похідні енергоносії,
самостійно вироблені підприємством і відпущені стороннім споживачам (теплова
енергія, кисень, стиснене повітря, вода, холод, тощо);
напівфабрикати, товари
народного споживання та всі інші види робіт і послуг для сторонніх споживачів.
До завершення
розроблення та впровадження науково обґрунтованих методик розрахунків норм для
підприємств у цілому як базові питомі витрати використовуються фактичні питомі
витрати ПЕР попереднього року або іншого року, що передує звітному, якщо він
визначений базовим відповідним органом управління, та за умови погодження з
Держкоменергозбереження.
Підставою для
матеріального стимулювання трудових колективів і окремих працівників
підприємств, організацій та установ є розрахунок вартості зекономлених
придбаних ПЕР. Розрахунок проводиться за даними бухгалтерської звітності з
використанням як допоміжної інформації даних оперативного обліку в підрозділах
підприємства. Для підприємств обов'язковою умовою застосування цього Положення
є наявність затверджених у встановленому порядку питомих норм витрат ПЕР.
Економією енергоресурсів
вважаються як пряма економія енергоносіїв на технологічні потреби, так і
економія енергоносіїв, витрачених на виробництво на підприємстві
напівфабрикатів, змінного обладнання, комплектувальних виробів.
Розрахунки і звітні
дані, які підтверджують економію ПЕР, оформляються економічними службами
підприємства, підписуються головним енергетиком і головним технологом
підприємства, начальником планового відділу, головним бухгалтером, головним
економістом і затверджуються керівником підприємства.
Перевірка об'єктивності
розрахункових даних щодо економії ПЕР здійснюється за заявками підприємств
спеціалізованими організаціями з проведення енергетичних обстежень,
атестованими Держкоменергозбереження на право їх проведення. Витрати на
проведення енергетичних обстежень (енергетичний аудит) зараховуються до валових
витрат цього підприємства.
Кошти, використані
підприємством для матеріального стимулювання за економію ПЕР, зараховуються до
валових витрат. Загальна сума коштів, що спрямовуються на матеріальне
стимулювання, не повинна перевищувати 30 відсотків вартості зекономлених
придбаних енергоресурсів.
Кількість зекономлених
ПЕР для розрахунку коштів, які використовуються на матеріальне стимулювання за
зниження питомих витрат ПЕР на підприємствах, визначаються накопичувальним
підсумком за результатами роботи підприємства (цеху, відділу) за останні 6
місяців. Якщо за попередні 5 місяців мали місце перевитрати ПЕР, то розмір
фонду, який спрямовується на матеріальне стимулювання колективу, підлягає
зменшенню на величину, яка відповідає цим перевитратам.
Матеріальне стимулювання
працівників цехів підприємства проводиться за наявності фактичної економії ПЕР
у цьому цеху, розрахованої за різницею питомих витрат, незалежно від економії
або перевитрат ПЕР у цілому по підприємству.
До 15 відсотків коштів,
які належать цехам на матеріальне стимулювання за економію ПЕР, можуть бути
направлені керівником підприємства на преміювання працівників за проведення
організаційно-технічних заходів, які сприяли зниженню енергоємності продукції.
Першочерговому
матеріальному заохоченню підлягають працівники енергетичних, технологічних або
інших споріднених служб залежно від специфіки виробництва. Преміювання
проводиться тільки за наявності економії придбаних палива, електроенергії та
інших енергоносіїв у цілому по підприємству накопичувальним підсумком за 6
місяців з коригуванням розмірів премії.
Керівнику підприємства
надається право знижувати розмір премії або позбавляти її повністю за
невиконання завдань щодо зниження енергоємності продукції, використання
вторинних енергетичних ресурсів, за перевитрати окремих видів палива або
електроенергії. Позбавлення та зниження розміру премії оформлюється мотивованим
наказом по підприємству.
Розмір премій у межах
суми, яка виділяється для преміювання трудового колективу, затверджується
наказом по підприємству в установленому порядку.
Перелік посад і
професій, які підлягають преміюванню, установлюється відділом праці і зарплати
за погодженням з керівництвом цехів і служб та затверджується керівником
підприємства.
Інші особливості
застосування цього Положення для матеріального стимулювання працівників
підприємств та організацій визначаються їх керівниками за погодженням з
профспілковими комітетами.
5. Розділ з охорони
праці та безпеки в надзвичайних ситуаціях
5.1 Загальна
характеристика об’єкта дослідження
Об’єктом дослідження є
насосна станція ІІ підйому призначена для подачі води водоспоживачам. Насосна
станція належить до 1 категорії надійності і подає воду із резервуарів чистої
води у мережу виробництва.
У машинному приміщенні
розміщаються два насоси марки Д200х36 та один резервний насос марки Д 320х50.
На території насосної станції влаштований під'їзд до будівлі насосної станції
та пішохідні доріжки. Під'їзди й пішохідні доріжки систематично очищаються від
бруду та снігу, а в темну пору доби освітлюватися. Ширина пішохідної доріжки є
не менше ніж 1,0 м.
На території насосної
станції встановлені таблички із зазначенням номерів телефонів рятувальних служб
підприємства, а також порядку виклику пожежної охорони, місць розміщення
засобів пожежогасіння, схеми розташування гідрантів.
Колірна обробка
виробничих приміщень і фарбування устаткування відповідає вимогам СН 181-70
«Указания по проектированию цветовой отделки интерьеров производственных зданий
промышленных предприятий».
Підлога в приміщенні є
щільною, має тверде покриття з рівною поверхнею, зручна для чищення та ремонту,
і не слизька, і не є джерелом утворювання пилу. Підлога в приміщенні
цементобетонна, вкрита лінолеумом світло-коричневих відтінків. Поверхня підлоги
рівна, без вибоїн, неслизька і зручна для очищення та вологого прибирання.
Стеля покрита білою водоемульсійною фарбою. У приміщенні є вхідні двері та
п’ять вікон, на вікнах штори. У приміщенні диспетчерського пункту в кожній
розетці є фаза нуль, а сама будівля заземлене по контуру. Розеток у приміщенні
три. Вимикачів сім. Освітлення бічне природне - 2 вікна і штучне - лампи розжарювання
класу Е в кількості 2 штук (80 Вт). У приміщенні знаходяться шафа, два робочих
столи і три стільці.
У дверних прорізах
виробничих та допоміжних приміщень не має порогів та виступів, двері
відчиняються назовні.
Територія насосної
станції огороджена, упорядкована, забезпечена зовнішнім освітленням. Для
ремонту агрегатів в машинному залі передбачено ремонтний майданчик, обладнаний
краном мостовим електричним і достатній для розміщення всіх деталей
найкрупнішого агрегату, що є на станції. Через трубопроводи та інші місця, які
прокладені на підлозі станції, що є небезпечними і незручними для проходу,
встановлені перехідні містки, завширшки 0,8 м, з поручнями заввишки 1 м, а на
спусках і підйомах добре укріплені драбини з поручнями. Драбини переходів через
трубопроводи, а також до окремих майданчиків біля засувок, мають кут нахилу не
більше 60 градусів.
Заглиблені приміщення
сполучаються з наземними частинами і виходами з будівель по відкритих драбинах
шириною не менше 0,7 м з кутом нахилу не більше 45 градусів.
Ширина робочих проходів,
розташованих на висоті 0,8 м над підлогою, або майданчиків для обслуговування
ємностей складає не менше 0,6 м. Проходи і майданчики захищені на висоту не
менше 1 м із зашиванням знизу на висоту 0,1 м.
Висота приміщень від підлоги
до низу виступаючих конструкцій перекриття є не менше 2,2 м. Висота приміщень
від підлоги до низу виступаючих частин комунікацій і устаткування в місцях
регулярного проходу людей є не менше 2 м. Ширина проходів складає не менше 1 м,
коридорів - 1,4 м, дверей 0,8 м, сходових маршів і майданчиків -1,05 м.
Насосна станція,
заглиблена нижче за рівень землі, є надійно ізольованою від ґрунтових вод і
затоплення поверхневими водами.
На станціях з
вантажно-підйомними механізмами висота машинного залу є такою, що між низом
переміщуваного вантажу і верхом встановленого устаткування забезпечується
відстань не менше 0,5 м.
Насосні агрегати,
розподільні щити, трубопроводи, арматура, прилади, допоміжні механізми
розміщені так, що до них забезпечено вільний доступ.
Експлуатація насосних
станцій, проведення ремонтних або аварійних робіт організовуються відповідно до
вимог Правил технічної експлуатації систем водопостачання.
3.2 Аналіз потенційних
небезпечних та шкідливих факторів досліджуваного об’єкту
Водопровідні насосні
станції (ВНС) є одним із найважливіших елементів в системах водопостачання та
водовідведення і, з погляду безпеки праці, є акумуляторами ряду специфічних
небезпечних і шкідливих виробничих чинників. Відповідно до ГОСТ 12.3.006-75 на
ВНС присутні наступні небезпечні і шкідливі виробничі чинники:
механічні небезпечні
фактори - рухомі елементи устаткування, вали електродвигунів і насосів,
вантажопідйомні крани, падаючі предмети та інструменти обслуговування
устаткування на висоті;
Механічна небезпека зумовлена
наявністю рухомих частин в електродвигунах та з’єднувальних муфт. Заходами
безпеки є захисні кожухи встановлені над муфтою та кінцями приводного та
відомого валу та захисний корпус електродвигуна, які захищають людину від
контакту з частинами агрегату.
З електронебезпеки
станція відноситься до класу почищеної небезпеки, так як станція має багато
частин (пилу, стружки) металу та вологість 80%, обмотки проводів знаходяться в
запиленому стані з місцевими тріщинами.
Електронебезпека також
зумовлена наявністю трифазної напруги 380 В, якою живляться привідні
електродвигуни. Безпека обумовлена заземленням електропровідних елементів,
використанням запобіжних засобів.
Системи трубопроводів,
що працюють під тиском, забезпечуються запобіжними пристроями: клапанами
(важільними і пружинними) і мембранами (розривними). Клапани використовуються
для автоматичного випуску надлишку рідини з системи при аварійному зростанні
тиску. Розривні мембрани застосовуються для захисту при аварійному швидкому
зростанні тиску. Для регулювання системою водопостачання використовуються
контрольно-вимірювальні прилади і автоматика. Контрольно-вимірювальна апаратура
перевіряється не рідше 2х разів на рік спеціальними організаціями.
Гідравлічне випробування
трубопроводів проводять пробним тиском, регламентованим правилами. Матеріали
трубопроводів застосовують в залежності від робочого тиску, а також допустимих
напружень для матеріалів. У період експлуатації здійснюються перевірку подібних
компенсаторів, проводять перевірку пробним тиском.
Аварійна зупинка
насосного агрегату проводиться при:
загрозі небезпеки життя
обслуговуючого персоналу;.
відчутті запаху горіння
або появи диму електродвигуна;
перевищенні температури
нагріву підшипників електродвигуна чи насоса;
появі різкого,
відмінного від звичайного, металічного звуку при роботі;
Після аварійної зупинки
провести запуск резервного агрегату і про свої дії повідомити диспетчера і
адміністрацію.
3.3 Санітарно-гігієнічні
умови та шкідливі фактори на досліджуваному об’єкті
Аналіз небезпечних і
шкідливих виробничих факторів:
знижена температура
повітря у виробничих приміщеннях;
підвищена вологість
повітря у виробничих приміщеннях;
підвищений рівня шуму і
вібрацій;
недостатня освітленості
робочої зони.
3.3.1 Мікроклімат та
повітря робочої зони
Мікроклімат робочої зони
визначається такими параметрами як температура, відносна вологість повітря,
швидкість руху повітря, теплове випромінювання, виходячи з категорії
виконуваних робіт по важкості, характеристиці приміщень, по надлишку тепла із
урахуванням періодів року.
Мікроклімат на дільниці
насосної станції:
температура повітря
становить 21 °С;
швидкість руху повітря
0,12 м/сек;
відносна вологість
повітря 42%.
Згідно з ГОСТ
12.1.005-88 нормативні значення для робочих місць керування процесом: температура
повітря
,
швидкість руху повітря до 0,4 м/с, вологість повітря 75%, та СНиП 2.04.05,
показники мікроклімату знаходяться в допустимих межах.
3.3.2
Освітленість робочої зони
Природне
освітлення в машинному залі та допоміжних приміщеннях здійснюється через
віконні прорізи. На об’єкті використовується комбіноване освітлення при якому
природне доповнюється штучним або місцевим за допомогою ламп розжарювання.
Напруженість аналізаторних функцій зору згідно з СНіП ІІ-4-79 категорія зорових
робіт - ІV, норма освітлення складає 300 лк.
3.3.3
Шум і вібрації
Джерелами шуму й
вібрації є насосні агрегати. Шум негативно впливає на здоров'я людини, усилює
стомлюваність працюючого, сприяючи тим самим виникненню травм і помилок в роботі,
а також зниженню працездатності людини.
Рівень шуму
становить 71-79 дБ, що не більше нормативного значення 80 дБА, відповідно до
ДСТУ 2293-99.
Вплив вібрації на
об’єкті за даними перевірки знаходиться в межах норм і відповідає групі В.
Нормовані значення відповідають діапазону від 2,3 до 4,5 мм/с за стандартом ISO
10816-3:1998 (Е).
3.4
Забезпечення безпеки об’єкту в надзвичайних ситуаціях
3.4.1 Пожежна безпека
Насосна станція являє
собою одноповерхову будівлю. Вона складається з трьох кімнат, в двох з яких
встановлено насосне обладнання. В одній з кімнат є розподільні устрої,
електрощитові. У будівлі наявний один евакуаційний вихід.
Насосна станція має
категорію «Д» з пожежної безпеки згідно ДСТУ 2272-93. В даному приміщенні
негорючі рідини і матеріали у холодному стані. Допускається відносити до
категорії «Д» приміщення, в яких знаходяться горючі рідини в системах
змащування, охолодження та гідроприводу обладнання, в кількості не більше 60 кг
на одиницю обладнання у разі тиску не більше 0,2 МПа; кабельні
електропровідники до обладнання, окремі предмети меблів на місцях.
Основні причини
виникнення пожеж:
несправність
електрообладнання;
куріння в неналежному
місці;
перегрів в несправних
вузлах машин внаслідок тертя;
запалення від іскри.
Виникнення пожежі
можливо, якщо на об'єкті є горючі речовини, окислювач та джерела запалювання.
Для оцінки пожежної небезпеки проаналізовано ймовірність взаємодії цих трьох
факторів, а також їх загроза для життя людей та можливий розмір матеріальних
збитків від пожежі.
Горючий компонент в
розглянутому приміщенні: віконні рами, двері, ізоляція силових, ізоляція
з'єднувальних кабелів.
Джерелами запалювання
можуть виявитися електричні іскри, дуги і перегріті ділянки елементів. Джерела
запалювання виникають в електричних і електронних приладах, пристроях, що
застосовуються для технічного обслуговування елементів.
Об'єкт обладнаний
пожежним зв'язком. Він є телефонним і двостороннім.
На насосній станції
присутнє протипожежне водопостачання. Присутні первинні засоби пожежогасіння, а
саме один вуглекислотний вогнегасник типу ОУ-3 та ящик з піском. Вогнегасник та
пожежний кран знаходяться в коридорі.
Вогнегасник ОУ-3
застосовують для гасіння рідких та твердих речовин (крім тих, що можуть горіти
без доступу повітря), а також електроустановок, що знаходяться під напругою до
1000 В.
Висновки
В результаті виконання
даної дипломної роботи було проведено енергетичне обстеження системи
водопостачання насосної станції ПАТ «СМНВО ім. Фрунзе». Були розглянуті питання
раціонального використання водних ресурсів на промисловому підприємстві,
виконана обробка даних основних виробничих показників, представлено та
проаналізовано методи регулювання насосних агрегатів. В розділі економіки
представлено розвиток матеріального стимулювання енергоощадних заходів на
підприємстві, а також виконано економічний розрахунок запропонованих
енергозберігаючих заходів.
Для ефективної роботи
насосних станцій, було запропоновано декілька варіантів енергозберігаючих
заходів:
) організація
водопостачання трьома насосами типу КМ 100-80-160 з ступеневим їх регулюванням.
Вартість такого заходу складає 66754 грн., а економія - 126796 грн./рік. Строк
окупності енергозберігаючого заходу складає 0,6 року, а питома енергоємність
0,07 кВт∙год/м3.
) організація
водопостачання трьома насосами типу КМ 100-80-160, їх ступеневим регулюванням,
та частотним регулюванням одного з насосів за допомогою частотного
перетворювача фірми Grundfos. Вартість заходу складає 87278 грн., а економія
від впровадження заходу - 133825 грн./рік. Термін окупності заходу складає 0,8
роки, а питома енергоємність - 0,06 кВт∙год/м3.
В розділі охорони праці
визначені небезпечні та шкідливі виробничі фактори, розраховано заземлення
насосного агрегату.
В розділі програмування
на ЕОМ за допомогою програми Mike Net виконано гідравлічний розрахунок мережі
водопостачання
Список джерел
насосний
енергозберігаючий перетворювач частотний
1. http://esco-ecosys.narod.ru/2005_3/art25.htm «Електронний
журнал енерго-сервісної компанії «Экологические системы».
2. Верховна Рада України; Закон «Про енергозбереження» вiд
01.07.1994 №74/94-ВР.
. Наказ №47/127 Державного Комітету України з
Енергозбереження Міністерство Економіки України від 21.06.2000 м. Київ «Про
затвердження Положення про матеріальне стимулювання колективів і окремих
працівників підприємств, організацій та установ за економію
паливно-енергетичних ресурсів у суспільному виробництві».
. http://esco-ecosys.narod.ru/2005_5/art30.htm «Електронний
журнал енерго-сервісної компанії «Экологические системы».
. http://zakon.rada.gov.ua/cgi-bin/laws/main.cgi?
nreg=z0405-00.
. ГОСТ 12.3.006-75.ССБТ. Эксплуатация водопроводных и
канализационных сетей и сооружений. Общие требования безопасности.
. http://zakon.nau.ua/doc/? uid=1194.289.0 №55, 12.03.2010,
Наказ, Правила, Державний комітет України з промислової безпеки, охорони праці
та гірничого нагляду Про затвердження Правил безпечної експлуатації насосних
станцій водогосподарських систем.