|
(4.5.)
|
|
4.3 Выбор
насоса
Насос подбираем по максимальному рабочему расходу гидропривода, рабочему
давлению, типу строительно-дорожной машины.
Максимальный рабочий расход определяется по формуле:
|
(4.6.)
|
|
Режим работы гидропривода весьма тяжелый, расход очень большой, поэтому
выбираем аксиально-поршневой насос типа 210.
4.4 Выбор
емкостей масляного бака.
Определим емкость масляного бака:
|
(4.7.)
|
|
Принимается
объем бака Vб = 0,63 м3.
4.5
Определение диаметров трубопроводов
Рассчитаем
диаметры трубопроводов из условия обеспечения допустимых эксплуатационных
скоростей:
всасывающие
сливные
нагнетательные
По
расчетным диаметрам выбираем выбирается наиболее близкий к нему гостированный
диаметр стальных бесшовных труб и резинометаллических шлангов:
Принимаем:
для всасывающего трубопровода dr = 12мм; dн = 18мм; δ = 3мм;
для
сливного трубопровода dr = 86мм; dн = 102мм; δ = 8мм;
для
нагнетательного трубопровода dr = 50мм; dн = 60мм; δ = 5мм,
где
dr -внутренний диаметр; dн - наружный
диаметр; δ -толщина стенки.
4.6 Выбор
рабочей жидкости
Расчет максимальной и минимальной допустимой температуры жидкости АМГ-10.
Минимальная и максимальная температура рабочей жидкости определяется ее
свойствами, температурой воздуха климатической зоны, типом насоса:
Рассчитанные
вязкости удовлетворяют оптимальным требованиям кинематической вязкости рабочей
жидкости для аксиально-поршневого насоса, однако при минимальных температура
необходимо использовать подогреватель для получения диапазона температур от
-450С до 500С.
Так
же можно использовать масло ВМГЗ, которое имеет незначительно большую вязкость
при низких температурах.
|
Технические характеристики
рабочих жидкостей.
|
Таблица 4.1.
|
|
|
Вязкость, 10-6 м2/с
|
Температура, 0С
|
Температурные пределы
применения, 0С, t0min - t0max
|
|
Марка масла
|
Плотность при 500С, кг/м3
|
При 500С
|
При 00С
|
Застывания
|
Вспышки
|
|
|
АМГ-10
|
870
|
10
|
42
|
-70
|
92
|
-45 - +100
|
|
ВМГЗ
|
860
|
10
|
66
|
-80
|
135
|
-40 - +100
|
|
И-30А
|
901
|
30
|
960
|
-15
|
180
|
10 - + 50
|
При положительных температурах разрешено использование рабочей жидкости
И-30А.
Определим коэффициент гидравлического сопротивления:
Всасывающие трубопроводы:
Сливные
трубопроводы:

4.7
Определение потерь давления
Определяется потери давления по длине каждой гидролинии и находится их
сумма:
Длины
гидролиний: от бака к насосу 0,25м, от насоса до гидроцилиндра 28м, от
гидроцилиндра к баку 33м.
Подсчет
потерь в вобранной гидроаппаратуре:
Определение
потерь в гидросистеме:
Уточняем
рабочее давление двух насосов:
,
что
соответствует рабочему давлению насосов.
4.8 Расчет
коэффициентов полезного действия.
Расчет КПД произведится при температуре -380С.
Определим КПД насоса и гидроцилиндра:
Гидравлический
КПД гидролинии рассчитывается по суммарным потерям давления:
Гидравлический
КПД гидроаппаратуры определяется из формулы:
Объемный
КПД гидроаппаратуры рассчитывается по следующей зависимости:
Определяем
общий КПД гидропривода:
4.9 Тепловой
расчет гидросистемы
Определим потерю мощности в гидроприводе:
экскаватор траншейный
гидрогенератор
Температура воздуха, соответствующая данным температуре рабочей жидкости
и режиму работы гидропривода находится по формуле:
Определим
коэффициент теплопередачи от поверхности гидроагрегатов в окружающую среду:
К
= (6,15+4,17VВ)10-3 = (6,15+4,17·3,8)10-3 = 0,022кВт/м2 ·0С.
Вычислим
суммарную площадь теплопередачи от поверхностей гидропривода:
Определим
площадь теплообменника:
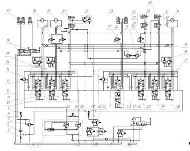
5. Краткое
описание и техническая характеристика выбранных унифицированных гидроагрегатов
.1 Фильтры
Фильтры предназначены для очистки жидкости при заправке, очистка воздуха
соприкасающегося с жидкостью, непрерывной очистки рабочей жидкости при работе
гидропередачи. Фильтрующий элемент используемых типов фильтров изготовлен из
металлокерамики. Принцип действия основан на механическом удержании мелких
частиц до соответствующей тонкости фильтрации.
.2
Гидрораспределители
Гидрораспределители предназначены для изменения согласно внешнему
управляющему воздействию направления потоков жидкости в нескольких гидролиниях.
Используем секционный распределитель золотникового типа безгильзовый
трехлинейный с механическим приводом: С1 - четырехпозиционная рабочая секция,
нагнетательная линия соединена со сливной в нейтральном перекрытом положении и
нейтральном плавающем положении, золотник имеет автоматическую фиксацию в
нейтральном положении, пружинный возврат из положения «подъем» и «опускание», и
принудительную фиксацию в нейтральном перекрытом положении. С2 -
трехпозиционная секция, отличающаяся от предыдущей отсутствием плавающего
положения. В распределителе установлены два предохранительных клапана и два
дросселя с обратными клапанами. На один из предохранительный клапан установлен
игольчатый дроссель.
5.3 Клапаны
Клапаны - это устройства, способные изменять проходную площадь,
пропускающую поток, под его воздействием. Основное назначение клапанов
поддерживать в полости гидрсистем давление жидкости в заданных пределах.
Предохранительные клапаны ограничивают в безопасных пределах повышение
давления. Применяем конструкцию клапанов конических с прямым действием,
состоящие из корпуса, силовой пружины, поршня и регулировочного устройства
винтового типа. При увеличении до номинального давления клапана под действием
напора рабочей жидкости происходит сжатие пружины, которое влечет за собой
открытие перепускного отверстия.
Обратные клапаны допускают движение потока только в одном определенном
направлении. Они устанавливаются последовательно в гидросети.
Управляемый обратный клапан имеет схожую конструкцию, но в нем гильза
является штоком поршня цилиндра, в который при рабочем положении подается
рабочая жидкость, не позволяющая открыться клапану.
5.4 Дроссели
Дроссели - это регулирующие устройства, способные устанавливать
определенную связь между перепадом давления до и после дросселя и пропускаемым
расходом. Дроссель состоит из иглы и проходного отверстия. Регулирование
расхода осуществляется за счет изменения площади проходного пространства,
получаемого между иглой и отверстием.
5.6
Гидроцилиндры
Гидроцилиндром называют гидродвигатель с возвратно-поступательным движением
рабочего звена (штока). Используемые гидроцилиндры двухстороннего действия с
подводом рабочей жидкости через штуцера, закрепленные в отверстиях гильзы.
Гидроцилиндр состоит из гильзы, поршня, штока, направляющего штока (буксы),
передней и задней проушины, уплотнительных и крепежных деталей. Поршень
разделяет внутреннюю полость на штоковую и поршневую. Способ крепления
гидроцилиндров на проушине с шарнирным подшипником. Рабочий ход осуществляется
при подаче рабочей жидкости в безштоковую полость.
.7 Насосы
В гидросети установлены аксиально-поршневые насосы типа 210
нерегулируемого № 32 с двойным несиловым карданом и с регулятором-ограничителем
давления. Рабочий объем 225см3, давлением 25МПа, частотой вращения 1740мин-1,
КПД 0,94, массой 88 кг.
Насос имеет наклонный блок цилиндров, в котором ось вращения блока
цилиндров наклонена к оси вращения вала. В ведущий диск вала заделаны
сферические головки шатунов, закрепленных также при помощи сферических шарниров
в поршнях. При вращении блока и вала вокруг своих осей поршни совершают
относительно цилиндров возвратно-поступательное движение. Синхронизация
вращения вала и блока в машине осуществляется шатунами, которые, проходя через
положение максимального отклонения от оси поршня, прилегают к его юбке и, давя
на нее, сообщают вращение блоку цилиндров. Для этого юбки поршней выполнены
длинными, а шатуны снабжены точными конусными шейками.
6. Заключение
Спроектированная система гидропривода отличается от базовой модели по
числу насосов, виду фильтрации. В проектируемом объемном гидроприводе
гидроцилиндры значительно большей мощности, поэтому пришлось устанавливать два
насоса, большой бак, а так же установить теплообменник. Был получен
сравнительно низки коэффициент полезного действия для всей гидросистемы. Установленная
гидроаппаратура практически вся отличается от базового экскаватора.
Рассчитанная гидросхема предусматривает одновременную работу всех
гидроагрегатов и гидродвигателей, что позволяет уменьшить время рабочего цикла,
тем самым повысить общую производительность машины.
7.
Использованная литература
1. Алексее Т.Е. Гидропривод и гидроавтоматика
землеройно-транспортных машин. М.: Машиностроение, 1978.
.Башта Т.М. Машиностроительная гидравлика. М.:
Машиностроение, 1981.
.Гидравлика гидравлические машины, гидроприводы. /Башта Т.М.,
Руднев С.С., Некрасов Б.Б. и др. М.: Машиностроение, 1982 - 423с.
.Домбровский Н.Г. Многоковшовые экскаваторы. Конструкция,
теория и расчет. М.: Машиностроение, 1972, - 432с.
.Мерданов Ш.М., Закирзаков Г.Г., Конев В.В. Методические
указания к курсовой работе по дисциплине Техническая гидромеханика и
гидропривод для студентов специальности 170900 - «Подъемно-транспортные,
строительные, дорожные машины и оборудование» очной и заочной форм обучения,
Тюмень: ТюмГНГУ, 2003 - 24с.
.Родин И.И., Соколов Л.К. Основы проектирования многоковшовых
экскаваторов непрерывного действия. Красноярск: Краснояр. Ун-та, 1987 - 224с.
ГОСТы.
.ГОСТ 2.780-68 - обозначения условные и графические.
.ГОСТ 2.781-68 - аппаратура распределительная и регулирующая
.ГОСТ 13824-68 - насосы объемные и моторы, рабочие объемы.
.ГОСТ 16770-71 - баки гидравлических и смазочных систем.
Номинальные емкости.
.ГОСТ 16515-70 - фильтры гидравлические и смазочных систем.
Общие технические.
.ГОСТ 8734-78 - трубы стальные бесшовные, холоднотянутые и
холоднокатаные.
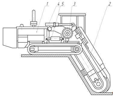
Похожие работы на - Экскаватор траншейный цепной ЭТЦ-250