Проектирование печатной платы устройства ИК линии связи в охранной сигнализации

  • Вид работы:
    Курсовая работа (т)
  • Предмет:
    Информатика, ВТ, телекоммуникации
  • Язык:
    Русский
    ,
    Формат файла:
    MS Word
    256,31 Кб
  • Опубликовано:
    2012-12-07
Вы можете узнать стоимость помощи в написании студенческой работы.
Помощь в написании работы, которую точно примут!

Проектирование печатной платы устройства ИК линии связи в охранной сигнализации

СОДЕРЖАНИЕ

ВВЕДЕНИЕ

1. АНАЛИЗ СХЕМЫ И КОНСТРУКЦИИ ИК ЛИНИИ СВЯЗИ В ОХРАННОЙ СИГНАЛИЗАЦИИ

2. ПОДГОТОВКА И ФОРМИРОВАНИЕ БИБЛИОТЕКИ КОМПОНЕНТОВ

2.1 Формирование УГО компонента

2.2 Формирование КТО компонента

2.3 Формирование интегрального образа компонента

3 ВЫПОЛНЕНИЕ ПРОЕКТИРОВАНИЯ

ЗАКЛЮЧЕНИЕ

ЛИТЕРАТУРА

ПРИЛОЖЕНИЕ А

ВВЕДЕНИЕ

Автоматизированное проектирование (АП) - одно из направлений научно-технического прогресса в области автоматизации проектирования, к ней относится далеко не всякое применение ЭВМ. Для АП характерно систематическое использование ЭВМ для решения типовых задач проектирования при рациональном распределении функций между человеком и ЭВМ так, чтобы применение ЭВМ становилось удобным и эффективным.

Целью данной работы является изучение и практическое освоение системы автоматизированного проектирования P-CAD для проектирования печатной платы устройства ИК линии связи в охранной сигнализации;

Основные задачи работы:

. Произвести анализ схемы и конструкции;

. Сформировать библиотеку компонентов;

. Произвести трассировку печатной платы;

Автоматизация проектирования позволяет:

повысить качество проектирования;

сокращение сроков проектирования;

снижение материальных затрат на проектирование;

уменьшение численного состава проектировщиков при одновременном повышении производительности их труда.

Система автоматизированного проектирования (САПР) - это организационно-техническая система, состоящая из комплекса средств автоматизации и проектных подразделений и выполняющая автоматизированное проектирование.

Одним из современных и используемых средств САПР является система P-CAD, которая объединила в себе ряд взаимосвязанных пакетов прикладных программ. Эта система позволяет выполнить полный цикл проектирования ПП, включающий создание условных графических обозначений (УГО) электрорадиоэлементов (ЭРЭ), разработку посадочных мест ЭРЭ на ПП, размещение ЭРЭ на печатных платах, ручную, интерактивную и автоматическую трассировку проводников, контроль ошибок в схеме и на ПП и выпуск конструкторско-технологической документации.

P-CAD Shematiс - графический редактор электрических схем. Он предназначен для разработки электрических принципиальных схем и может применяться для создания УГО отдельных ЭРЭ.

P-CAD PCB - графический редактор ПП. Предназначен для проектирования конструкторско-технологических параметров ПП. К ним относятся: задание размеров ПП, ширина проводников, величина зазоров, размер контактных площадок, диаметр переходных отверстий (ПО), задание экранных слоев, маркировка, размещения ЭРЭ, неавтоматическая трассировка проводников и формирование управляющих файлов технологическим оборудованием.

P-CAD Autorouters предназначен для автоматической трассировки проводников ПП. Включает два автотрассировщика: программу Quick Route для проектирования рисунка ПП не очень сложных электрических схем и бессеточный трассировщик Shape-Based Router, предназначенный для проектирования многослойных ПП с высокой плотностью расположения ЭРЭ.

Symbol Editor - редактор символов элементов (файлы с расширением .sym). Предназначен для создания условных графических обозначений символов ЭРЭ электрических схем.

Pattern Editor - редактор посадочных мест (файлы с расширением .pat). Предназначен для разработки посадочных мест для конструктивных ЭРЭ на ПП.

 

1. АНАЛИЗ СХЕМЫ И КОНСТРУКЦИИ ИК ЛИНИИ СВЯЗИ В ОХРАННОЙ СИГНАЛИЗАЦИИ


Печатная плата (ПП) - один из главных конструктивно-технологических элементов современной электронной аппаратуры. ПП представляет собой коммутационный узел, обеспечивающий электрическую связь между компонентами электронного устройства.

Анализ конструкции ПП как подготовительная стадия перед выполнением автоматизированного проектирования в первую очередь направлен на выявление тех особенностей ПП, которые определяют контролируемые в автоматическом режиме параметры и конструкторско-технологические ограничения. Такие параметры и ограничения устанавливаются при настройке процедур размещения компонентов и трассировки печатного монтажа через определение значений настроечных параметров.

Анализ схемы и конструкции с целью выявления значений настроечных параметров проводится в рамках подготовительной стадии разработки конструкции печатной платы и включает следующие этапы:

а) выбор и обоснование типа ПП;

б) выбор и обоснование класса точности печатного монтажа;

в) выбор конфигурации и габаритных размеров ПП;

г) выбор и обоснование вариантов установки компонентов на ПП;

д) определение фиксированных позиций для некоторых компонентов;

е) определение фиксированных элементов проводящего рисунка.

Рисунок 1 - Схема электрическая принципиальная

Большие помехи в радиоканалах, разрешенных в России для охранных систем (26 945 кГц и 26 960 кГц), легкость их блокировки, различные административно-финансовые препятствия, возникающие при использовании радио в устройствах охранной сигнализации, заставляют искать иные средства беспроволочной связи. С появлением полупроводниковых излучателей, способных генерировать мощные ИК вспышки, такая возможность стала реальностью.

Микросхема DА1 преобразует импульсы тока, возникающие в фотодиоде ВL-1 под действием ИК вспышек, в импульсы напряжение. Одновибратор, выполненный на элементах DD1.1 и DD2.2, расширяет этот импульс до tф1 = 5 мс (tф1 - R2С5). Одновибратор DD1.2, DD2.3 формирует импульс длительностью tф2= 1.5 с (tф2~ R4С6), разрешающий беспрепятственный подсчет импульсов счетчиком DD3 лишь на этом временном интервале. На элементах DD2.5 и DD2.6 собран звуковой генератор.

Приемник активизируется фронтом первой же ИК вспышки. Запускаются одновибратор DD1.1, DD2.2, а также одновибратор DD1.2, DD2.3. Одновременно цепь DD2.1С7R6 формирует на входе R счетчика DD3 импульс (его длительность tR = 7 мкс, tR - R6С7), устанавливающий счетчик в нулевое состояние. Как только отработает одновибратор DD1.1, DD2.2, на выходе элемента DD1.1 возникнет низкий уровень и на счетчик DD3 поступит первый счетный импульс.

Если на фотоприемник поступают импульсы, следующие с частотой 2 Гц (с такой частотой, напомним, следуют ИК вспышки в дежурном режиме), то на выходе 4 счетчика DD3 сохраняется низкий уровень, так как фронтом четвертого импульса (он появится через 0,5x4 = 2 с - по окончании разрешающего счет интервала tф2= 1.5 с) DD3 будет возвращен в предстартовое состояние.

По-иному ведет себя приемник, если на него приходят ИК импульсы, период следования которых равен 62,5 мс, т. е. сигнал тревоги. Поскольку четыре периода по 62,5 мс -это 250 мс, что значительно меньше интервала tф2= 1,5 с, то четвертый импульс переведет счетчик DD3 в состояние "4" (высокий уровень на выводе 5). Счетчик в этом состоянии заблокируется (из-за низкого уровня на выходе DD1.3), включится светодиод НL1 и звуковой генератор будет издавать прерывистый сигнал. Это будет продолжаться примерно 1.25 с, после чего возникнет 0,25-секундная пауза и тревожная сигнализация повторится.

При обрыве связи приемник ведет себя иначе. Если в течение примерно 1,5 с приемник не обнаруживает ИК вспышки, конденсатор С8 разряжается по цепи VD4R8DD2.3. Транзистор VТ1 входит в насыщение, напряжение на резисторе R11 возрастает до напряжения питания, на выходе DD1.4 устанавливается низкий уровень, и звуковой генератор излучает тональный сигнал частотой 1 кГц. С появлением первой же ИК вспышки конденсатор С8 быстро зарядится по цепи R7VD3, тональный сигнал прекратится и приемник приступит к анализу поступающих сигналов.

Фотоголовку ИК приемника (фотодиод ВL1, микросхема DА1 и др.), обладающую высокой чувствительностью к электрическим наводкам в широком спектре частот, необходимо экранировать. В корпусе нужно предусмотреть место для размещения пьезоизлучателя ВF1 и светодиода НL1. К узлу крепления приемника предъявляются те же требования, что и к креплению передатчика: должна быть обеспечена удобная наводка и надежная фиксация в лучшем положении.

Проектирование печатного модуля начинается с определения площади печатной платы, которая вычисляется по формуле

=S SУСТi / КЗАП,

Где S - площадь ПП, мм; SУСТi - установочная площадь i-го элемента, мм; КЗАП - коэффициент заполнения ПП (0,33...1).

Площадь резисторов МЛТ =33мм².

Площадь конденсатора КМ-6=51,84мм, К50-12=210мм.

Площадь диода Д9Б=50мм², КД510А=30мм².

Площадь микросхем К561ЛЕ5,К561ЛН2,К176ИЕ1 =130мм, К1056УП1 =146,25мм.

Площадь транзистора КТ3107И = 21,84мм².

Площадь светодиода КИПД14А-К =25мм².

Площадь фотодиода ФД 263-01 =100мм².

КЗАП примем равным 0,4; тогда площадь ПП:

S=2526,13/0,4= 6315,325 мм

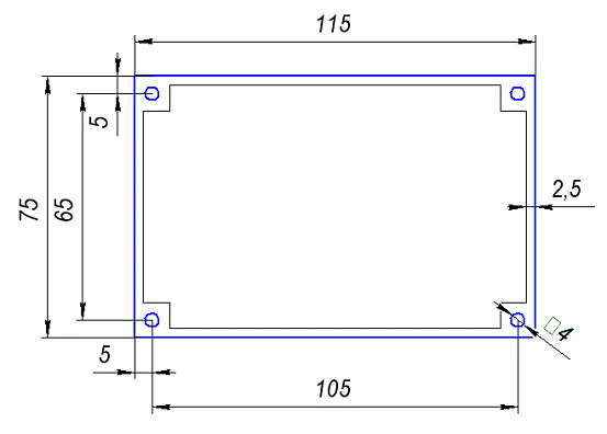
По ГОСТ 10317-79 рекомендуется проектировать печатные платы прямоугольной формы, с соотношением сторон не более 3:1 и размерами не более 470х470мм. Выбирается размер ПП равный 115´75 мм. Исходя из элементной базы компонентов и вариантов их установок по ОСТ 4.010.030-81 выбираем шаг координатной сетки равный 2.5 мм. Эскиз ПП изображен на рисунке 2.

Рисунок 2 - Эскиз платы печатной

Для определения ширины печатных проводников необходимо проанализировать основные функции проектируемого устройства, токовые нагрузки электрорадио элементов, особенности размещения элементов на печатной плате и способ установки платы в корпусе устройства. По ГОСТ 23751-86 ширину печатных проводников определяют по классам точности, которые подразделяются по плотности проводящего рисунка. Данная печатная плата будет проектироваться по третьему классу точности исходя из ее функционального назначения. Ширина печатных проводников должна быть не менее 0,5 мм.

2. ПОДГОТОВКА И ФОРМИРОВАНИЕ БИБЛИОТЕКИ КОМПОНЕНТОВ

 

.1 Формирование УГО компонента


УГО компонента представляет собой его изображение на электрической схеме, формируемой в среде системы P-CAD. Отдельные УГО сводятся в библиотеки и доступны для применения в различных проектах.

Библиотечное описание УГО компонента имеет строго регламентированную структуру и включает:

-условное графическое изображение компонента на схеме (его символ);

обозначения выводов (точек подключения символа) и атрибуты выводов;

точку привязки символа - графический элемент, маркирующий характерную точку символа, которая позволяет правильно оценить местоположение и ориентацию символа при его размещении на поле схемы (рекомендуется в качестве точки привязки указывать первый вывод УГО);

местоположение идентификационного параметра компонента.

Процедура выполняется в среде схемного редактора Schematic.

Порядок выполнения работы изображен на рисунке 3.

2.2 Формирование КТО компонента


КТО компонента представляет собой его графическое изображение на печатной плате, а также на видах расположения и на сборочных чертежах. Отдельные КТО сводятся в библиотеки и доступны для применения в различных проектах. Библиотечное описание КТО компонента имеет строго регламентированную структуру и включает:

Настройка рабочих параметров среды графического редактора

Options/Configure (выбираем систему единиц измерения, размеры рабочего поля графического редактора)

Options/Grids (настройка шага сетки)

Options/Current Line (настройка толщины линии)


Формирование графического обозначения компонентов

Place/Line (инструмент линия )

Place/Arc(инструмент окружность)

Place/Text(добавление текстовых надписей)


Формирование выводов

Place/Pin(формирование и атрибутирование выводов)

Length (указать длину вывода)

Display (опция видимости на схеме имен и позиционных обозначений выводов)

Display Characteristics (графика вывода)


Перенумеровать выводы

Utils/Renumber(в процессе создания символа все выводы получают номер 0, поэтому необходима перенумерация, предварительно выделив все элементы)

Pin Num(режим нумерации)

StartingNumber (начальное значение номеров)

IncrementValue (приращение номеров)


Вывести точку привязки

Place/Point(указывает точку привязки, верхний левый вывод символа)


Разместить атрибуты в слое TopSilk

Place/Atributtes

RefDes (размещается над УГО)

Type(размещается под УГО)


Сохранить элементы в библиотеке

Library/SymbolSaveAs (сохранение символа в библиотеке)

Рисунок 3 - Графическая схема процедуры формирования УГО компонентов

-цоколевочный образ компонента (иначе называемый посадочным местом компонента), определяющий взаимное расположение контактных площадок для установки компонента на печатную плату;

графика корпуса компонента;

точку привязки КТО - графический элемент, маркирующий характерную точку КТО, которая позволяет правильно оценить местоположение и ориентацию компонента при его размещении на поле печатной платы (рекомендуется в качестве точки привязки указывать первую контактную площадку КТО);

местоположение позиционного обозначения компонента;

местоположение идентификационного параметра компонента.

Процедура выполняется в среде подсистемы проектирования печатного монтажа РСВ.

Порядок выполнения работы изображен на рисунке 4.

2.3 Формирование интегрального образа компонента


Для автоматического преобразования информации об электрических связях на схеме в информацию об электрических соединениях между выводами конструктивных компонентов, размещенных на печатной плате, необходимы сведения о соответствии выводов компонентов схемы выводам конструктивных компонентов (в конечном итоге контактным площадкам посадочных мест компонентов).

Указанная задача имеет несколько уровней сложности. Наиболее просто она решается для дискретных компонентов (в этом случае в корпусе упакован один схемный компонент). Сложнее с интегральными схемами (в корпусе микросхемы могут быть упакованы несколько однотипных, а то и разнотипных секций).

После установления указанного соответствия УГО и КТО образуют интегральный образ компонента, которых затем заносится в библиотеку.

Процедура упаковки реализуется с применением утилиты Library Executive.

Порядок выполнения работы изображен на рисунке 5.

Настройка рабочих параметров среды графического редактора

Options/Configure (выбираем систему единиц измерения, размеры рабочего поля графического редактора)

Options/Grids (настройка шага сетки)

Options/Current Line (настройка толщины линии)


Формирование цоколевочного образа компонента

Place/Pad(формирование стиля стека контактных площадок )


Формирование графического обозначения компонентов(в слое TopSilk)

Place/Line (инструмент линия )

Place/Arc(инструмент окружность)


Перенумеровать выводы

Utils/Renumber (в процессе создания символа все выводы получают номер 0, поэтому необходима перенумерация, предварительно выделив все элементы)

PadNum(тип нумерации)

StartingNumber (начальное значение номеров)

IncrementValue (приращение номеров)


Вывести точку привязки

Place/Point(указывает точку привязки, верхняя левая контактная площадка)


Разместить атрибуты в слое TopSilk

Place/Atributtes

RefDes (размещается над КТО)

Type(размещается под КТО)


Сохранить элементы в библиотеке

Library/PatternSaveAs (сохранение символа в библиотеке)

Рисунок 4 - Графическая схема процедуры формирования КТО компонента

Упаковка компонентов в схемы в корпус происходит в утилите LibraryExecutive.

 Создание нового компонента

Component/New(создание компонента, при этом указав файл библиотеки, в которой ранее были занесены описания УГО и КТО компонентов)


Настройка созданиянового компонента

SelectSymbol(подключение символа компонента )

Number of Gates (числосекций)

NumberofPads(число выводов - проставляется автоматически)

RefdesPrefix(префикс позиционного обозначения компонента)

GateNumbering(буквенный способ именования секций компонента)

Component Style(стиль компонента)

Component Type(тип компонента)


Редактирование таблицы выводов

PinDes иSymPin (установка соответствий между номерами вывода корпуса и номерами выводов секций)

PinName (имена выводов секций)

GateEq иPinEq (эквиваленты секций и входам секций)

Elec.Type(тип выводов)


Проверка на ошибки

Component/Validate(при наличие или отсутствии ошибок появляется соответствующее сообщение)


Сохранить компонента в библиотеке

Component/SaveAs (сохранение символа в библиотеке)

Рисунок 5 - Описание процедуры упаковки компонентов схемы в корпус

3. ВЫПОЛНЕНИЕ ПРОЕКТИРОВАНИЯ

Процедура автоматической трассировки печатной платы

1. Загрузить подсистему P-CAD РСВ. Открыть файл размещения.

. Вызвать программу Shape-Based Router, для чего выполнить команду Route/Autorouters, нажатием кнопки Autorouters открыть список доступных трассировщиков и выбрать трассировщик P-CAD Shape-Router.

В разделе Strategy назначить имена файлов:

PRF File (рабочий файл трассировщика XXX.prf);

Output PCB File (выходной файл XXX.pcb);

Output Log File (файл отчета XXX.log).

Для сохранения параметров конфигурации нажать на кнопку Save.

. Запустить программу Shape-Based Router нажатием кнопки Start. Будет открыто окно трассировщика и загружен файл XXX.prf.

. Настроить стратегию трассировки, для этого выполнить команду Options/Auto-Router. Открывается диалоговое окно Autorouter Setup. В нем имеется три закладки: Routing Passes, Parameters и Testpoints.

На закладке Routing Passes в полях Router Passes и Manufacturing Passes определяют правила трассировки.

В поле Options выбирают угол изгиба трасс в окне Routed Corners: 90 или 45 град.

На закладке Parameters в поле Router Direction для слоев ПП задают ориентацию трасс. Щелчок в этой колонке напротив требуемого слоя вызывает стрелку, по которой открывается ниспадающее меню вариантов ориентации трасс.

Щелчок по панели Analyze Directions устанавливает автоматический выбор предпочтительных направлений трассировки для слоев, параметр Router Direction которых был определен как Auto.

Другие окна параметров:

-       Units - система единиц измерения (установить мм);

-       Via Type - разрешение на использование переходных отверстий;

-       Via under SMD - разрешение размещения переходных отверстий под КП планарных ЭРЭ;

-       Channel Size - размер канала трассировки (установить 1,25 мм или 2.5 мм);

-       Primary Pad Size - диаметр КП выводов штыревых ЭРЭ;

-       Primary Via Width - диаметр переходных отверстий;

-       Primary Trace Width - ширина трасс (установить 0,5 мм);

-       Primary Clearance - минимальный зазор на ПП (установить 0,3 мм).

На закладке Testpoints устанавливают приоритет размещения различных контрольных точек на ПП. Рекомендуется назначить режим запрета.

. Задать атрибуты электрических цепей по команде Edit/Net Attributes. В диалоговом окне.

. Получить информацию о прогнозируемой плотности размещения печатных проводников на ПП по команде View/Density. Места с различной плотностью соединений будут выделены разными цветами.

. Выполнить трассировку по команде Tools/Start Autorouter.

Повторное нажатие на кнопку Start Autorouter приводит к пере трассировке рисунка печатного монтажа. При этом сокращается длина отдельных соединений, но могут вводиться дополнительные переходные отверстия. Пользуясь этой командой, стремятся получить более качественный рисунок печатного монтажа.

После окончания трассировки по команде Reports/Routing Statistics можно просмотреть итоговый статистический отчет.

Процедура трассировки печатной платы авто трассировщиком Shape-Based Router завершена.

. Выполнить редактирование проекта с использованием команд меню Tools.

Убрать неправильно проложенные проводники или их части можно с использованием группы команд Tools/Unroute.

В меню Tools (Инструменты) трассировщика Shape-Based Router предусмотрены команды, позволяющие выполнять ручную и интерактивную прокладку трасс.

Ручная трассировка соединений выполняется командами Tools/Manual Route. Команды Tools/Sketch Route позволяют изобразить курсором примерное расположение трассы, которая после этого будет проложена автоматически с доступным трассировщику приближением к эскизу.

. Сохранить результаты трассировки и вернуться к редактору P-CAD РСВ по команде File/Save and Return.

Результат проектирования показан на рисунках 6, 7, 8.

 

Рисунок 6 -

Похожие работы на - Проектирование печатной платы устройства ИК линии связи в охранной сигнализации

 

Не нашли материал для своей работы?
Поможем написать уникальную работу
Без плагиата!
Без нейросетей!