Проект устройства IPS дисплея
РЕФЕРАТ
Объем работы, листов 42
Количество рисунков 18
Количество таблиц 3
Количество используемых источников 15
ПРОЕКТ УСТРОЙСТВА IPS
ДИСПЛЕЯ
Цель работы - подготовка проекта устройства дисплей и описание алгоритма
работы, связанного с модулем беспроводной сети.
В процессе работы разрабатываются принципиальная и структурная схемы
устройства. Рассматривается принцип работы IPS дисплея, а так же рассматривается принципы работы
микроконтроллера ATMega1281 и
возможности подключения к ней дополнительных устройств, влияющих на его работу.
СОДЕРЖАНИЕ
ВВЕДЕНИЕ
ГЛАВА 1. ОБЩИЕ СВЕДЕНИЯ
.1 Профиль Smart Energy стека протоколов ZigBee
.2 Основные устройства, входящие в профиль Smart Energy
.3 IPS дисплей
.4 Обзор IPS дисплеев
.5 Пакет программного обеспечения BitCloud
ГЛАВА 2. ФУНКЦИОНАЛЬНАЯ СХЕМА. ОБЗОР ЭЛЕМЕНТОВ УСТРОЙСТВА
.1 Технология разработки программного обеспечения системы
.2 Функциональная схема и принцип работы устройства
.3 Описание основного микроконтроллера для устройства
.4 Блок управления пользователем функциями устройства
(кнопки)
.5 Блок взаимодействия с USB портом внешнего устройства
.6 Блок отображения данных
.7 Блок приёма данных при помощи модуля Zigbee
.8 Блок памяти для хранения принимаемых данных
.9 Вывод
ГЛАВА 3. ПРОЕКТИРОВАНИЕ И ОПИСАНИЕ РАБОТЫ ЭЛЕКТРИЧЕСКОЙ
ПРИНЦИПИАЛЬНОЙ СХЕМЫ УСТРОЙСТВА
.1 Разработка принципиальной схемы и печатной платы
.2 Описание принципиальной схемы устройства
.3 Алгоритм работы схемы
ЗАКЛЮЧЕНИЕ
СПИСОК ИСПОЛЬЗОВАННОЙ ЛИТЕРАТУРЫ
ПРИЛОЖЕНИЯ
ВВЕДЕНИЕ
Ежегодно в мире производятся тысячи устройств, передающий и принимающих
информацию по беспроводным каналам, на базе этих устройств в свою очередь
строятся новые сети, использующие такие технологии как ZigBee, Bluetooth, Wifi. Круг задач, решаемый с их помощью
чрезвычайно широк - от полностью автоматических систем управления потребляемой
энергии каждого из цехов завода, до простейших систем управления бытовыми
приборами.
В качестве центрального управляющего элемента каждого из устройств такой
системы является модуль, в нашем случае ZegBee. Компания ZigBee делает свой акцент на малую энергопотребляемость в своих разработках.
Управление такими устройствами является достаточно простой задачей,
пользователь может самостоятельно вносить изменения в работу устройств.
Разработки с данными программными и техническими составляющими производят
множество фирм, включающие свои новинки.
Актуальность данного проекта обусловлена тем, что в условиях рыночных
преобразований современной российской экономики система инвестиционных
взаимоотношений является одним из ключевых объектов государственного
регулирования. В двадцать первом веке огромная часть инвестиций направлена на
разработку новых и обновление существующих технических ресурсов, занимающих
ведущую роль в повседневной жизни людей. Значимость всестороннего исследования
устройства дисплей определяется тем, что именно на него отображается вся
информация самым простым и удобным способом, которая может быть задействована в
подобных сетях или же устройствах.
Практическая значимость данного исследования заключается в проведении
комплексного анализа, разработке технического проекта устройства.
ГЛАВА 1.
ОБЩИЕ СВЕДЕНИЯ
.1 Профиль
Smart Energy стека протоколов ZigBee
Миллионы устройств, реализованных с использованием ZigBee стандарта, доказывают что
потребители могут рассчитывать на самые разнообразные, умные и, в тоже время
простые, продукты, использующиеся повсеместно, будь то место вашей работы, ваш
дом или же детская площадка, на которой играет ваш ребёнок. Эти технологии
позволяют клиентам управлять ситуацией, экономить энергию и деньги, дают
инструменты, необходимые для получения контроля в повседневной жизни. Возможно
даже, чтобы помочь людям сохранить свою независимость и позволит им внимательно
следить за своим здоровьем и физической подготовки. ZigBee позволяет легко и экономически выгодно, добавлять
новые возможности повышения эффективности, безопасности, надежности и удобства
выпускаемой продукции. Здесь используются недорогие маломощные беспроводные
датчики. ZigBee может быть использован практически в любом месте, легко
реализовывается.
История стандарта 802.15.4 (ZigBee) началась, когда многие инженеры,
знакомясь с новейшими (в то время) стандартами Bluetooth и Wi-Fi, с
разочарованием поняли, что оба эти стандарта были и остаются энергетически
слишком прожорливы, слишком сложны для множества нужных рынку устройств. IEEE
802.15.4 стандарт определяющий протокол и совместимость соединения устройств.
Для разработки нового стандарта был образован ZigBee Alliance, сформировавший в
мае 2003 года первую версию стандарта.
На сегодняшний день ZigBee является наиболее молодой и перспективной
технологией для построения беспроводных сетей с небольшими объемами
передаваемой информации. Протокол ZigBee изначально разрабатывался для
объединения в сеть большого количества автономных устройств, например датчиков
и выключателей с батарейным питанием. Надежная беспроводная производительность
и время автономной эксплуатации ZigBee дает свободу и гибкость эксплуатации и
применения стандарта на сегодняшний день[9].
Трансиверы, отвечающие стандарту 802.15.4, могут использоваться как
самостоятельные устройства, если разработчику нужно организовать связь
точка-точка или звезда. Для организации полноценной сети ZigBee необходимо
добавить микроконтроллер, в который должен быть загружен набор управляющих
программ, так называемый стек протоколов ZigBee, который обеспечивает
возможность самоорганизации и самовосстановления сети. Сеть сама определяет
оптимальный маршрут передачи данных и позволяет находиться в одной сети тысячам
устройств! Все продукты, относящиеся к одному стандарту, могут легко общаться
между собой независимо от типа продукта или производителя. Это будет полезно
при построении единых сетей на больших промышленных предприятиях. Дальность
связи между двумя устройствами может достигать 6 000 метров, в зависимости от
мощности и условий окружающей среды. Важным также является тот факт, что данные
в ZigBee-сетях могут передаваться по цепочке устройств, своего рода эстафетой.
А это, вместе с развитыми средствами самонастройки, должно сильно упростить
развертывание на больших площадях. В основе каждого ZigBee стандарта и
спецификации IEEE 802.15.4 мощный физический стандарт операционной радио полосы
по всему. миру на 2,4 ГГц (глобально), 915 ГГц (Америка) и 868 ГГц (Европа). Он
обеспечивает пропускную скорость передачи данных на частоте 2,4 ГГц 250Kbs (16
каналов), 40Kbs на 915 ГГц (10 каналов) и 20Kbs на 868 (1 канал)[7].
Альянс ZigBee растет и имеет целый ряд корпоративных, частных и
государственных субъектов в качестве участников, которые вносят свой вклад в
инновации в каждый стандарт ZigBee.получил ведущую роль в мировом движении
смарт-электрических сетей. Поставщики энергетических услуг сотрудничают с
ZigBee, так как ZigBee отвечает их потребностям и предоставляет им надежный,
безопасный и простой в использовании стандарт ZigBee Smart Energy. ZigBee Smart
Energy является ведущим стандартом для совместимости продуктов, мониторинга,
контроля и информирования. Этот стандарт поддерживает разнообразные потребности
глобальной экосистемы коммунальных услуг. Данный стандарт позволяет создавать
интеллектуальные дома. Под интеллектуальным домом стоит понимать дом, в котором
контроль за освещением, отоплением, охлаждением, энергопотребление и
безопасностью производится системно.
Все продукты ZigBee Smart Energy создавать развёрнутые сети устройств в
домашних условиях, предоставляя потребителям самим делать выбор своей среды
[7].
.2 Основные устройства, входящие в профиль Smart Energy
Рассмотрим основные устройства стандарта Smart Energy, встречающиеся повсеместно в жизни.
. Smart Energy предоставляет безопасные розетки. Они устанавливаются в
стандартные разъёмы и имею на своём корпусе дисплей через который возможно
отслеживать потребляемую энергию. Данные розетки защищают приборы от перепадов
напряжения, самостоятельно применяют меры безопасности при внешний
воздействиях. Такие устройства могут сообщить о наличии или отсутствии
уникальной идентификации каждой отдельной нагрузки вилки, если вилка имеет
формат кодирования RightPlug или дополнения кодировку тегов.
. Ещё одним устройством, обеспечивающим в какой-то мере комфорт для
человека, является смарт-шлюз. Он представляет собой прибор, соединяющий
интеллектуальные счетчики на один общий сервер через беспроводную связь. Это позволяет
отслеживать и управлять состояниями приборов. Сбор и передача данных из сети
ZigBee могут осуществляться для возможности доступа к этим данным IP-сети через
сотовый, Wi-Fi или Ethernet.
. Одним из наиболее распространённых разработок на базе Zigbee SmartEnergy является счётчик, измерительный
прибор, отслеживающий потребление ресурсов или же, например состояния
какого-либо устройства (измерение напряжения, тока, частоты).
. Для более удобного считывания показаний ранее рассмотренных приборов
используются устройство отображения - дисплей, на котором отображается
информация с приборов расположенных на расстоянии.
. Термостат, являющийся одним из подвидов счётчиков, к данному прибору
привязано большое внимание, так как он может контролировать системы кондиционирования,
отопления и охлаждения. Этот счётчик так сказать объединяет определённую часть
измерений.
. По беспроводному каналу в устройствах Zigbee SmartEnergy передаётся информация различных
типов и соответственно передаётся она между разными устройствами. В данном
случае речь идёт о фоторамках. Цифровые фоторамки позволяют пользователям
принимать и отправлять фотографии между собой и имеют доступ в интернет.
Данные устройства представляют перечень основных устройств, однако стоит
учитывать, что каждый вид таких устройств имеет сотни аналогов, различных по
своему применению, внешнему виду, функциональной начинке, которые реализуют
разные компании [7].
.3 IPS
дисплей
является одной из основных технологий использующихся при изготовлении ЖК
дисплеев. Технологии различаются геометрией поверхностей, полимера, управляющей
пластины и фронтального электрода.
Название In-Plane Switching было получено из-за способа размещения
кристаллов в IPS-панели. Дело в том, что, в отличие от своих предшественников,
кристаллы здесь расположены в одной плоскости параллельно поверхности панели.
Такой подход позволяет получить много большие углы обзора. Внедрение технологии
IPS позволяет избавиться от основных «болезней» первых жидкокристаллических
дисплеев - маленького угла обзора, который обусловлен разной степенью
поворачиваемости молекул ЖК-вещества. А это, в свою очередь, приводит к разной
интенсивности излучения пучков света, после того, как они проходят второй
фильтр панели.
Раньше, при прохождении электрического тока, изменялась сама ориентация
молекул жидких кристаллов, после чего, они не могли поворачиваться на угол
поляризации. Но, IPS немного изменил сам принцип прохождения электрического
напряжения через полупрозрачные электроды, которые находятся в одной плоскости
по отношению к внутренней стороне жидкокристаллической ячейки.
Такие огромные изменения в отрасли данного производства, стали возможны
благодаря инженерам компании Hitachi, которые в 1996 году официально
представили IPS-технологию. Благодаря этому прорыву, новые дисплеи имели не
очень большое время отклика при качестве цветопередачи, соизмеримым с
мониторами, созданными на базе электронно-лучевой трубки.
В результате изменений и доработок чёрный цвет стал чёрным, а не
тёмно-серым. При выходе из строя транзистора «битый» пиксель для панели IPS
имеет более насыщенный чёрный цвет в выключенном состоянии. По состоянию на
2008 год, матрицы, изготовленные по технологии IPS, были единственные, всегда
передающие полную глубину цвета RGB - 24 бита, по 8 бит на канал.
Но, как и всегда, за всё приходиться платить. Так, из-за увеличения угла
обзора, применяется сразу два управляющих транзистора к каждому элементу. Это
является необходимым в результате размещения электрического поля в плоскости по
отношению к экрану. И, хотя, качество изображения это значительно улучшает, но
использование такого большого количества транзисторов, автоматически,
увеличивает непрозрачную площадь, занимающую ими же, в результате чего,
приходится значительно увеличить мощность лампы подсветки.
Принцип работы IPS-матрицы следующий: молекулы жидких кристаллов и
поляризующие светофильтры относительно друг друга расположены таким образом,
что при отсутствии приложенного напряжения свет через них не проходит.
Соответственно на дисплее отображается черная точка. При подачи напряжения
молекулы жидких кристаллов поворачиваются, а соответствующая точка дисплея
становится белой. Кристалл возвращает свою круговую поляризацию, а значит,
увеличивает свою яркость.
В первые годы производства IPS-панелей, цены на них были неоправданно
высокими, что никак не способствовало их распространению. На первых этапах
производства IPS дисплеев время реакции равнялось 50
мс. Такое большое время отклика было заметным даже при простом скроллинге, не
говоря уже про трёхмерные игры.
Такие недостатки повлекли за собой целый ряд усовершенствований,
сделанных различными производителями ЖК-панелей. Среди них Super-IPS, Dual Domain IPS, Advanced Coplanar Electrode. Они позволили добиться ещё больших
углов обзора, вплоть до поразительных 180 градусов.
Рис.1.1 Структура IPS-матрицы.
На сегодняшний день одно из основных применений IPS-матрицы нашли в
планшетах, в частности по этой технологии выполнен дисплей iPad2.
.4 Обзор IPS
дисплеев
. Computime, компания основанная в 1974 году,
Computime является глобальной, производственной компанией, предоставляющей
инновационные решения для клиентов в коммерческих, промышленных и
потребительских рынках. Компания предоставляет технологии и продукты, которые экономят
энергию и делают жизнь людей более продуктивной и комфортной.
Рис. 1.2 Деятельность компании Computime.
Приведём конкретные примеры устройств, являющихся подобными нашему
проекту. CTW300 устройство, представляющее собой способ отображения информации
на матричный 4,5 дюймовый дисплей, мощностью - 100 мВт. Оно предназначено для
того, чтобы контролировать скорость и потребление энергии в жилых домах.
На дисплее отображается: дата, количество израсходованной энергии, а так
же её стоимость, возможно задание дополнительных параметров, просмотр данных за
прошедшие временные промежутки.

. Фирма Aztech специализируется в области сохранения и управления спросом,
аксессуары для отрасли коммунальных услуг и удаленного мониторинга и
управления, с использованием наземных и спутниковых беспроводных
систем.Associates, Inc была основана в 1993 году, Aztech получила международное
признание после того, как они развили систему дистанционного слежения, что
позволило клиентам в нефтяной и газовой промышленности точно контролировать
местонахождение вагонов. Aztech затем внесли свою нотку в системы судоходства,
в направлении контроля таких вещей, как температура рефрижераторных
контейнеров, курс и скорость судов. Aztech начал специализироваться в
разработке энергосберегающего оборудования для дома. Благодаря устройствам
фирмы, человек самостоятельно может производить запуск энергопотребляющей
техники в любой момент времени, тем самым экономя деньги и затраты
электроэнергии.
Устройство В-Home Display обращается непосредственно к счетчикам,
считывая с них информацию. Здесь используются световые индикаторы и графический
дисплей, с помощью которого домовладельцы могут легко просмотреть использование
электроэнергии и затрат на неё, что позволяет им экономить деньги и защитить
окружающую среду.
Рис. 1.4 Внешний вид устройства In-Home Display.
Полностью беспроводное подключение к смарт-электросчетчикам. Нет
необходимости модернизации. ZigBee сертифицированный.
Чтения может быть в кВт/ч или денежные единицы, или всё вместе.
Общая потребляемая мощность за всё время использования. Значения
потребления по отдельным периодам использования. Средняя потребляемая мощность.
Показания 24 часа в сутки, а так же посуточная гистограмма.
Часы автоматически обновляются, 12 или 24 часовой режим.
Дополнительное отображение пользовательского профиля использования.
Связь с ПК через USB. Обновление программного обеспечения через USB.
Дополнительное интеллектуальное управление термостатом.
. Компания Carrier является
мировым лидером в области кондиционирования, отопления и охлаждения. Сто
процентная дочерняя United Technologies Corporation, Carrier построена на
наследие инноваций. Одной из главных задач фирмы является комфорт.предлагает
ComfortChoice ®, ведущий в отрасли двух полосный проверяемый термостат.
ComfortChoice ® Touch Термостат предназначенный для смарт-приложения энергии.
Термостат ComfortChoice помогает предприятиям и потребителям с принятием
решения эффективного управления энергопотребления в периоды пикового спроса на
энергоносители. Он имеет 4,3" цветной сенсорный экран, полный семи дневной
программы и порт USB для закачки данных и обновление программного обеспечения.
Рис. 1.5 Внешний вид ComfortChoice.
. Home Automation, Inc (HAI) с
1985 года является ведущим производителем продуктов управления для
домовладельцев и компаний по всему миру. HAI построили очень гибкую линейку продуктов, чтобы
удовлетворить потребности любого клиента. На рисунке 1.6 показана схема
взаимодействия продукции фирмы.
Рис. 1.6 Схема взаимодействия устройств HAI.
In Display Home является примером работы данной компании. Очень
низкая мощность резервного источника 25 Вт. Может использоваться на открытом
воздухе.
Рис.
1.7 Внешний вид In Display Home.
Display
Home позволяет клиентам отслеживать
потребление энергии и выводить данные в форме диаграммы или графика. Устройство
может отображать так же сравнительный анализ с типичным использованием энергии.
In Display Home может быть портативным, его можно носить с собой или
разместить на столе, или установить на стену. Они могут быть настроены для
работы в качестве координатора ZigBee
® или маршрутизатора. Экологически чистые устройства внутреннего резервного
аккумулятора позволяет домовладельцу получать уведомление после отключения
электроэнергии.
IDH
имеет большой графический дисплей, который может менять цвет в зависимости от
значения или события. Он может принимать сообщения от коммунального предприятия
в режиме реального времени о выставлении счета, цены на энергоносители, и
многое другое. IDH может
контролировать термостаты и корректировать их работу. ZigBee выдаёт максимальную мощность передачи 100 мВт[7].
1.5 Пакет
программного обеспечения BitCloud
поддерживает свои беспроводные аппаратные микроконтроллеры, готовые к
использованию IEEE 802.15.4 протоколом, совместимого программного стека. Кроме
того, Atmel предлагает ZigBee пульт дистанционного управления программным
обеспечением профиля и BitCloud пакет программного обеспечения, включающий
полный набор: ZigBee Smart Energy, ZigBee Building Automation и ZigBee Home
Automation. Atmel BitCloud Profile
Suite представляет собой готовую к работе платформу для быстрой разработки
ZigBee сертифицированной продукции. Профиль, основанный на IEEE 802.15.4 стека
ZigBee PRO. В комплект входит полный набор функциональной поддержки надежных,
масштабируемых, защищенных приложений и обширная документация API???. Программа
поддерживает большое количество устройств и оптимизирована для сверхнизкого
энергопотребления с 5 до 15 лет от батарей (зависит от приложения). Гибкий,
легкий в использовании инструментарий для разработчиков.
Рассматриваемая разработка будет осуществлять свои действия, основываясь
на протоколе BitCloud PS.
BitCloud PS представляет собой полнофункциональный, профессиональный класс,
встроенное программное обеспечение для платформы разработки Atmel. Программное
обеспечение представляет собой основу для создания ZigBee Smart Energy,
работающем на микроконтроллерах Atmel и IEEE 802.15.04 - совместимых радио приемопередатчиков[2].
Основные свойства:
полная совместимость со стандартами ZigBee и ZigBeePRO;
набор С-функций (C API);
поддержка АТ-команд;
поддержка маршрутизации данных для надежной их доставки;
возможность создания больших сетей (с числом узлов порядка
нескольких сотен);
оптимизация энергопотребления;
расширенный набор функций обеспечения безопасности данных
(поддержка шифрования)[10].
BitCloud PS производит поддержку выбора типа устройства, определенного в
спецификации ZigBee профиля. За счёт этого
предоставляется полный спектр программных настроек, а так же профиль приложения
в сочетании со специальным сопроцессором ZigBee. [8].
Продукция Atmel загружается со встроенным Runner приложением,
применяющимся в качестве сопроцессора Zigbee. Пользователь может запустить приложение Runner как
есть, добавить новые команды, или изменить функциональность существующих.
Пользовательское приложение также имеет прямой доступ к аппаратным слоям.
Эти программные модули используются в основном для контроля и управления
внешними интерфейсами. В руководстве пользователя представлен обзор этих
модулей.
ГЛАВА 2. ФУНКЦИОНАЛЬНАЯ СХЕМА. ОБЗОР ЭЛЕМЕНТОВ УСТРОЙСТВА
.1 Технология разработки программного обеспечения системы
Главной деталью устройства будет микроконтроллер ATMega1281, который должен соединять, управлять и
контролировать модули, которые непосредственно связаны с ним. Другими словами
разработка начинается с создания алгоритма работы самого управляющего
контроллера. В состав программного обеспечения для ATMega1281 входят подпрограммы, представляющие собой
реализации алгоритмов для подключаемых частей микроконтроллера.
.2
Функциональная схема и принцип работы устройства
Функциональная схема устройства представлена на рисунке 2.1.
Рис. 2.1 Функциональная схема устройства.
Устройство состоит из нескольких блоков. Основной задачей является
обработка данных текстового формата. Данные поступают от беспроводного модуля в
виде сообщений, выводятся на дисплей и записываются в память.
Управляющими кнопками возможно просматривать сообщения хранящиеся в памяти,
а так же стирать какие-либо надписи с дисплея.
Пунктирной линией обозначена часть, которая будет находиться на одной
плате и будет реализована полностью самостоятельно. Для модуля Zigbee на плате будет выведен специальный
разъём, как и для соединения с персональным компьютером.
Рассматриваемую схему можно разбить на 6 блоков:
· Основной контроллер.
· Блок приёма данных при помощи модуля Zigbee.
· Блок памяти для хранения принимаемых данных.
· Блок управления пользователем функциями устройства (кнопки).
· Блок взаимодействия с USB портом внешнего устройства.
· Блок отображения данных.
.3 Описание
основного микроконтроллера для устройства
Основной контроллер играет главную роль в работе схемы. С ним связаны все
блоки. Рассмотрим основные характеристики выбранного микроконтроллера.
Микроконтроллер ATMega1281
фирмы Atmel.Как и все микроконтроллеры AVR фирмы
Atmel, микроконтроллеры семейства Mega являются 8 разрядными
микроконтроллерами, предназначенными для встраиваемых приложений. Они
изготавливаются по мало потребляющей КМОП технологии, которая в сочетании с
усовершенствованной RISC архитектурой позволяет достичь наилучшего соотношения
быстродействия, энергопотребления. Микроконтроллеры описываемого семейства
являются наиболее развитыми представителями микроконтроллеров AVR. В таблице
2.1 показаны основные микроконтроллеры Mega AVR и их параметры.
Таблица 2.1 Основные микроконтроллеры Mega AVR и их параметры
В ходе сравнения, а так же по желанию заказчика был выбран
Микроконтроллер ATMega1281.Опишем
параметры микросхемы подробнее. Тактовая частота до 16 МГц, 128 Кбайт Flash ПЗУ
программ, 4 Кбайт ЭСППЗУ (EEPROM) данных, 4 Кбайт оперативной памяти (SRAM),
возможность программирования через последовательные интерфейсы SPI и JTAG,
возможность само программирования, два универсальных синхронный или асинхронных
приемопередатчика USART, последовательный двухпроводный интерфейс TWI (аналог
I2C), 53 программируемые линии ввода/вывода с уровнями ТТЛ; на эти линии
выведена также поддержка периферийных функций, напряжения питания от 4,5 до 5.5
В. ATMega1281 имеет один тип корпуса размером
16 мм на 16 мм. Стоит такой микроконтроллер порядка 400 рублей[4].
.4 Блок управления пользователем функциями устройства (кнопки)
Блок представляет собой набор кнопок, при нажатии на которые выполняются
определённые действия. Действия определяются прошивкой микроконтроллера ATMega1281.
Рассмотрим некоторые способы подключения кнопок.
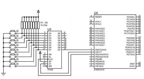
. Подключение клавиатуры на сдвиговых регистрах. Часто возникает
необходимость использования в своем проекте большого количества кнопок для
различный целей. Максимальное количество кнопок ограничивается лишь максимально
допустимым временем на сканирование клавиатуры. Помимо самих кнопок и идущих с
ними резисторов, дополнительные элементы: сдвиговые регистры представленные
микросхемой sn74198n. Сдвиговые регистры - вещь довольно удобная за счет своей
дешевизны и универсальности. Их часто используют для подключения элементов по
небольшому количеству выводов микроконтроллера. Рассмотрим пример подключения
восьми кнопок на рисунке 2.2.
Рис. 2.2 Схема клавиатуры на сдвиговых регистрах[3].
Состоит такая схема из трёх блоков: блок клавиатуры, блок сдвиговых
регистров и блок микроконтроллера. На таком сдвиговом регистре осуществляется
последовательная и параллельная передача данных. Параллельной передачей данных
называют метод передачи нескольких сигналов с данными одновременно по
нескольким параллельным каналам, например порт целиком, сразу все восемь бит.
При последовательной передачи данных биты пересылаются по одной линии связи,
друг за другом, последовательно. Одним выводом кнопки подключены к входу
сдвигового регистра. Одним выводом кнопки подключены к входу сдвигового
регистра. Как только кнопка замыкается, на входе сдвигового регистра образуется
логический ноль, так как он оказывается напрямую подключен к общему проводу.
Такая схема не требует особых дополнительных затрат, так как подобный сдвиговый
регистр стоит порядка 15 рублей, а размеры клавиатуры на плате зависят
непосредственно от количества кнопок.
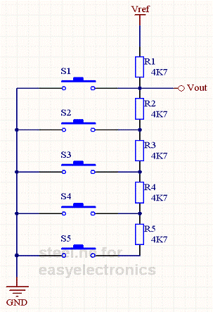
. Клавиатура на резистивных делителях. Идея такого способа, так же как и
предыдущего является экономия ножек контроллера, либо избавление от их
нехватки. Один из таких вариантов - поставить цепочку резисторов и кнопками
замыкать их на землю. Такой вариант представлен на рисунке 2.3.
Рис. 2.3 Схема клавиатуры на резистивных делителях 1[3].
Работает данная схема примерно так:
Если нажата кнопка S1, то она тянет Vout к земле, и на выходе Vout=0.
Если нажата кнопка S2, то схема преобразуется в резистивный делитель:
верхнее плечо образует резистор R1, нижнее плечо - R2. Поскольку номиналы этих
резисторов равны, то на выходе Vout = Vref / 2.
Если нажата кнопка S3, то в нижнее плечо включается резисторы R2 и R3, и
коэффициент деления стал 2/3.
Кнопка S1 - 0 значение АЦП, S2 - 128 значение АЦП, S3 - 170 значение АЦП, S4 - 191 значение АЦП, S5 - 204 значение АЦП, значение АЦП
255 - кнопки отжаты. При восьми битном АЦП, другими словами при Vout = Vref его
значение 255, к десятой кнопке будет не возможно распознавать какая кнопка
нажата. Но и на это случай есть своё решение рисунок 2.4.
Рис. 2.4 Схема клавиатуры на резистивных делителях 2[3].
Если посмотреть глобально, то принцип остался такой же - одно плечо
делителя неизменно, другое формируется из комбинации резисторов в зависимости
от нажатых кнопок. Весь интерес в том, что подобрав значения резисторов, можно
расширить диапазон изменения напряжения Vout (например, в прошлой схеме
напряжения меньше чем Vref/2 получить не удавалось). Посмотрим подробнее на
комбинации резисторов. При нажатии кнопки в верхнее плечо делителя подключается
от 0 до 3 резисторов Ra, Rb, Rc и от 0 до 3 резисторов Rd, Re, Rf. Для
упрощения расчетов примем значения Ra = Rb = Rc = R1, Rd= Re = Rf = R2. Для
того чтобы не перепутать кнопки, соотношение резисторов R1/R2 должно быть не
менее 4, R1=10k, а R2=40k. Теперь значения АЦП выглядят так:(3,3)=54, S(3,2)=57, S(3,1)=60, S(3,0)=64;(2,3)=68,
S(2,2)=73, S(2,1)=78, S(2,0)=85;(1,3)=93, S(1,2)=102,
S(1,1)=113, S(1,0)=128;
S(0,3)=146,
S(0,2)=170, S(0,1)=204, S(0,0)=255;
Данный способ, безусловно, экономит драгоценные ножки микроконтроллера и
не требует количество резисторов такое же как например в предыдущем случае.
Минусом является подборка резисторов и расчёт значений АЦП.
. Реализация кнопок на ножках контроллера. Данный способ отличается от
первых двух тем, что в нём совсем не экономятся ножки контроллера. Это может
быть связанно либо с тем, что количество кнопок ограничивается тремя, четырьмя
кнопками, либо с тем, что помимо всех устройств, соединённых с контроллером
остаётся большое количество свободных ножек. В том и другом случае опрос кнопок
происходит с помощью портов, на которые эти кнопки выведены.
Программа опрашивает последовательно выводы, на которых изначально
значения единицы. При нажатии клавиши значение вывода изменяется на нуль и
соответственно происходит действие, связанное с этим выводом.
Пример такой клавиатуры показан на рисунке 2.5.
Рис. 2.5 Схема соединения кнопка - ножка контроллера[11].
Естественно рассмотрены не все случаи подключения клавиатуры к
микроконтроллеру. Учитывая специфику устройства и пожелания заказчика, стоит
выбрать последний вариант ATMega1281,
этот микроконтроллер имеет 53 ножки, которые могут служить входами или же
выходами. Подключая, клавиатуру, состоящую из шестнадцати кнопок в последнюю
очередь, будет вполне достаточно свободных ножек. Проблемы с ножками решена, а
так же такой способ не составит сложности при написании прошивки контроллера,
так как в нём не используется никаких дополнительных алгоритмов[14].
.5 Блок взаимодействия с USB
портом внешнего устройства
В этот блок входит преобразователь интерфейса USART, который использует ATMega1281, в привычный нам USB. Вряд ли кого-то стоит убеждать в необходимости и
полезности USB-UART-преобразователей - COM-порт найти в современных компьютерах
всё труднее. Для большей части практических задач, использующих обмен данными
между компьютером и устройством - управления, отладки, передачи небольших
объёмов данных - ничего проще и удобнее, чем преобразование USB-UART,
придумать, пожалуй, невозможно.
Интерфейсные контроллеры USB
выпускаются большим количеством компаний среди них Atmel, Epson Electronics, Future Technology Devise International Ltd (FTDI),
Mircel Inc, SMSC, Texas Instruments, Silicon Labs и т.д.
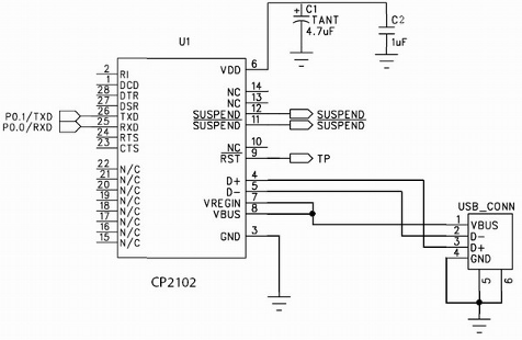
. Способ реализации USB-UART на микросхеме CP2102 компании Silicon Labs. Данная
компания предлагает комплексный, прочный, надежный и простой в использовании
беспроводной перечень решений, доступных сегодня на рынке. Данная фирма
предоставляет микросхемы для беспроводных коммуникаций, микросхемы для
реализации интерфейса пользователя, микросхемы для телерадиовещания, а так же
высокопроизводительные микроконтроллеры для совместной обработки аналоговых и
цифровых сигналов, к которым и относится рассматриваемый CP2102. Что касается параметров, CP2102 содержит встроенный генератор на
48 МГц, контроллер UART с поддержкой всех модемных сигналов (300 bps - 1 Mbps),
буферы на прием и передачу (576 байт / 640 байт), USB 2.0 (до 12Мбит/сек)
контроллер, EEPROM для хранения настроек, имеет размер 5*5мм, потребляемый ток
500мА, на входах и выходах 100мА, питание 3-3.6В. Для работы микросхемы достаточно
двух внешних фильтрующих конденсаторов на линию питания[15].
На официальном сайте компании можно найти драйвера для установки
преобразователя как USB порт или COM порт. Так же там можно скачать
программы для работы с данной микросхемой, включая написание драйверов
самостоятельно.
Стоимость такой микросхемы примерно составляет 70 рублей, что является
явным преимуществом CP2102. К сожалению, у всего есть недостатки. В ее случае
это ее корпус, который выводов не имеет вообще, что может стать проблемой для
начинающих. Противовес этому является экономия места на плате. Не совсем удобно
в нашем случае и то, что по умолчанию микросхема имеет прошивку, определяющую
её как COM порт. На рисунке 2.6 представлена
принципиальная схема подключения CP2102 к USB и выводами на другой контроллер[3].
Рис. 2.6 Cхема USB-UART на микросхеме CP2102[11].
. Способ реализации USB-UART на микросхеме ATMega8 компании Atmel. Компания Atmel является одной из ведущих компаний на рынке микроконтроллеров, именно
поэтому не удивительно, что на микроконтроллере этой марки возможна реализация
устройства рассматриваемое в этом разделе.
ATMega8
флэш память объёмом 8 Кб, ОЗУ 1024 байт, 23 ножки микросхемы могут быть
использованы как входы или выходы, тактовая частота до16 МГц, напряжения
питания 4.5-5.5 В. Так же сам контроллер поддерживает такие интерфейсы как SPI, UART, TWI, ISP. Микроконтроллер можно встретить в
DIP корпусе или например в корпусе TQFP. Из перечисленных параметров видно, что
ATMega8 может использоваться не только для
преобразования USB-UART. В этом случае это можно реализовать
в добавок к какому-либо устройству, так как рассматриваемое преобразование не
занимает много ножек микросхемы рисунок 2.7.
Рис. 2.7 CхемаUSB-UART на микросхеме ATMega8[3].
Стоимость такой микросхемы составляет 150 рублей, не самый дешёвый
вариант. В это случае преобразователь использую скорее как дополнение например
в комплекте с дисплеем, подключённым к контроллеру, что порой помогает
сэкономить место на плате и стоимость устройства. Большим минусом в этом методе
является обязанность написания прошивки для правильной работы устройства. Это
не является проблемой для тех, кто уже долгое время работает с ATMega, но однако это создает
дополнительные возможности появления ошибок[11].
. Способ реализации USB-UART на микросхеме FT232RL компании FTDI Chip. Это шотландская частная компания,
торгующая полупроводниковыми устройствами. Специализируется в области связанной
с шиной USB. Она разрабатывает, производит и осуществляет поддержку устройств и
соответствующих программных драйверов для преобразования последовательной
передачи данных по RS-232 или уровней TTL в сигналы шины USB, для того чтобы
дать возможность современным компьютерам использовать устаревшие устройства.
Микроконтроллер FT232RL - одночиповый переходник из USB в
асинхронный последовательный интерфейс передачи данных, протокол USB полностью
реализован в микросхеме, интерфейс UART поддерживает режимы передачи 7 и 8 бит
данных, 1 и 2 стоповых бита, различные режимы контроля четности, скорости
передачи от 300 бод до 3 мегабод для RS422 /RS485 / TTL и от 300 bps до 1 Mbps
для RS-232, новые настраиваемые выводы CBUS, возможность подачи тактового
сигнала на внешние микросхемы, контроллеры, ПЛИС, частоты 6, 12, 24 и 48 МГц,
встроенная энергонезависимая память EEPROM объемом 1024 байт, скорость USB до 12 Мбит/с., питание от +3.3V до
+5V, потребляемы ток в рабочем режиме 25мА. Микросхемы поставляются с
запрограммированной EEPROM, нет необходимости программировать EEPROM для начала
работы. На рисунке 2.8 показана схема USB-UART на микросхеме FT232RL[4].
Рис. 2.8 Cхема USB-UART на микросхеме FT232RL[3].
Данная микросхема имеет 2 типа корпусов по 28 и 32 вывода. Стоимость
такой микросхемы от 160 рублей. Довольно не дешёвое удовольствие, однако
приобрести её не составит никакого труда. Контроллеры этой фирмы отличаются
простотой эксплуатации и большим количеством технической документации
множеством примеров по работе с ними, а также простотой монтажа.
Исходя из выше рассмотренных примеров, было принято решение использовать
в нашем устройстве именно преобразователь с USB на UART
микросхему FT232RL. Так как он является вполне доступным, для его пайки не нужно
дополнительного оборудования имеет встроенное, программное обеспечение и
приемлемую цену.
.6 Блок
отображения данных
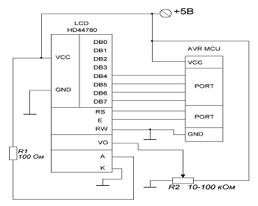
Данные в нашем устройстве отображаются дисплее. В основном дисплеи
различаются количеством символов в строке, количеством самих строк и наличием
подсветки. Эти свойства определяются ничем иным как желанием пользователя.
Можно выделить лишь способ подключения дисплея к микроконтроллеру, подключив
дисплей либо по восьми битной, либо по четырёх битной шине. Во втором случае
задействовано на четыре ножки микросхемы меньше рисунок 2.9[12].
Рис. 2.9 Подключение дисплея по четырёх битной шине[12].
В случае если использовать восьми битную шину D0-D3 так же будут
направлены на ножки микроконтроллера. E, RS, и R/W являются
управляющими линиями. Первая определяет начало работы с данными, например
принять данные с шины, вторая определяет, передаются данные или команда, ну а
третья линия определяет, происходит считывание с дисплея или же запись на
дисплей. На последнюю линию, как правило, подаётся нуль, это значит выбирается
запись на дисплей.
Для нашего устройства возьмём четырёх строчный дисплей с длинной строки в
шестнадцать символов, этого вполне хватит для отображения необходимых данных, и
подключим его по восьми битной шине, это упростит передачу данных на дисплей,
тем более что свободных ножек у нас предостаточно.[3]
.7 Блок
приёма данных при помощи модуля Zigbee
Данные должны приниматься по беспроводному каналу от устройства,
располагающегося на определённом расстоянии. Вариант принятия данных с помощью
кабеля исключается, так как это ограничивает наши возможности. Среди
беспроводных устройств наиболее известными считаются Wi-Fi, Bluetooth, IrDA, а так же технологии Zigbee. Все они обладают определёнными плюсами и минусами.
По необходимым требованиям, используется модуль Zigbee на микроконтроллере ATMega128rfa1.
На фоне своих конкурентов Zigbee
выделяет, прежде всего, ориентация на следующие важнейшие моменты: простая
инсталляция, высокая надёжность передачи данных, низкая стоимость, а так же
низкое энергопотребление. Однако Zigbee
имеет малую скорость передачи данных от 20 кбит/с до 250 кбит/с, но для нашего
устройства это не имеет значения[7].
2.8 Блок памяти для хранения принимаемых данных
Принимаемые данные должны сохраняться в каком-либо месте, памяти
микроконтроллера может быть не достаточно, так как изначально не известно,
сколько времени должна происходить запись. Рассмотрим два варианта подключения
дополнительной памяти: память определённого объёма в виде SD карты или же в виде микросхемы. В
первом случае можно рассмотреть карту памяти microSD с переходником в виде обычной SD карты. Для нормальной работы в этом
случае потребуется разъём на плате, а так же программа объясняющая
микроконтроллеру, как работать с подключаемым модулем, другими словами выбор
необходимого интерфейса и его настройка. Приобретение нужных компонентов не
доставит проблем пользователю.
Второй вариант может быть использование микросхемы, которая будет хранить
данные, например AT24C04N-10SU, фирмы Atmel.Микросхема располагается на самой или же вставляется в установленный на
плате разъём под данную микросхему. Так же как и SD карта, AT24C04N-10SU требует определённую прошивку для
подключаемого микроконтроллера. Стоит такая микросхема объёмом памяти 2 Мбайт,
60 рублей, когда SD карта объёмом 1
Гбайт стоит порядка 200 рублей. Так же кардинально микросхемы отличаются
способом их использования для считывания другими устройствами, и в этом случае
бесспорно выигрышное положение занимает SD карта. Её можно легко использовать в домашних условиях, без
дополнительного оборудования.
.9 Вывод
В результате тщательного обзора возможностей и реализации подключения
основных блоков схемы, был сделан выбор по каждому блоку. Выбранные варианты не
являются оптимальными решениями, однако вполне оправдывают себя в данной схеме.
Не стоит забывать, что некоторые модули рассмотрены и по требованию заказчика.
ГЛАВА 3. ПРОЕКТИРОВАНИЕ И ОПИСАНИЕ РАБОТЫ ЭЛЕКТРИЧЕСКОЙ ПРИНЦИПИАЛЬНОЙ
СХЕМЫ УСТРОЙСТВА
.1 Разработка принципиальной схемы и печатной платы
В ходе выполнения работы была разработана схема электрическая
принципиальная устройства. Все чертежи выполнялись в системе
автоматизированного проектирования P-CAD 2006 фирмы Altium.
Схема электрическая принципиальная изображена в приложении 1, печатная
плата в приложении 2.
.2 Описание принципиальной схемы устройства
В таблице 3.1 указаны элементы, присутствующие на плате и их номиналы.
Таблица 3.1 Элементы схемы и их параметры
|
Обозначение элемента
|
Название элемента
|
Количество элементов
|
|
Микросхемы
|
|
|
DD1
|
FT232RL
|
1
|
|
DD2
|
ATMega1281
|
1
|
|
DA1
|
7805
|
1
|
|
Кварцевые резонаторы
|
|
|
ZQ1
|
32.678 Гц
|
|
|
ZQ2
|
16 МГц
|
|
|
Резисторы
|
0805 4K7 ±5%
|
1
|
|
R2
|
0805 10К ±5%
|
1
|
|
R5
|
СП5-2ВБ 10K ±10%
|
1
|
|
Конденсаторы
|
|
|
C1, С9, С14
|
К50-35 100 мкФ, 16В ±20%
|
1
|
|
C2
|
1206 4,7мкф±10% X7R 16в
|
1
|
|
C3, С4, С10-С13
|
0603 0,1 мкФ ±10% X7R
|
5
|
|
С5-С8
|
0603 22пФ, NPO 50В, ±5%
|
4
|
|
С15
|
К50-35 100 мкФ, 16В ±20%
|
|
|
Кнопки
|
|
|
SB1-SB16
|
|
|
Напряжение питание подаётся на схему от трёх батареек номиналом 4.5V. От этой батарейки питается ATMega1281, подключаемая SD карта, IPS дисплей, а так же при необходимости Zigbee модуль.
На линии питания находится три конденсатора С11-С13. Они являются
фильтрующими по питанию. Питание идёт на выводы источника питания VCC микроконтроллера. Так же напряжение
питания подаётся на входы DD2
через резисторы R3 на сброс
микросхемы, и R4 на вход питания.
Ко всем ножкам портов A и F DD2 привязаны кнопки замыкающие на GND. В обычном режиме на выводах ножек «1», при нажатии
кнопки значение вывода меняется на «0». Опрос кнопок происходит с помощью
подпрограммы написанной пользователем.
Порт С DD2 занять IPS дисплеем подключаемым в разъёму X9. Данные передаются по восемь бит. В
свою очередь на дисплее, для соединения с управляющей системой DD2, используется параллельная
синхронная шина, насчитывающая 8 линий данных. Линия выбора операций R\W линия выбора регистра RS и линия синхронизации или стробирования Е являются
управляющими линиями, которые соединяются с РG0, PG1и PG2 через X9. Тещё три вывода разъёма X8 связаны с «землёй», линией питания и линией подачи
напряжения драйвера, которая в свою очередь выходит на переменный резистор R5 позволяет подавать напряжение от
нуля до напряжения питания, тем самым, задавая контрастность изображения.
Линии RXD_1 и TXD_1 это линии, по которым осуществляется организация
протокол USART1. По нему осуществляется приём
данных от внешнего модуля Zigbee.
Эти линии связанны с разъёмами Х6 и Х7, соответственно, а вторые контакты этих
разъёмов связываются с разъёмом Х8. Х8 имеет четыре вывода два из которых мы
описали, а другие два - высокий и низкий уровни питания. По этому разъёму
подключается модуль Zigbee.
В свою очередь RXD_0
и TXD_0 - вход и выход USART0. По ним осуществляется связь с DD1. Линии проходят через разъёмы Х3,
Х4.
Разъёмы Х6, Х7, Х3, Х4 имеют по два контакта. Замыкая контакты
определённым образом мы определяем как подсоединяется модуль Zigbee, либо к DD2, либо минуя DD2 к DD1.
Все элементы, соединённые с DD1 помимо линий RXD_0
и TXD_0 микросхемы DD2, образуют преобразователь
интерфейса USART в USB. В DD1
запрограммирован алгоритм преобразования. Необходимо учесть что, вход данных RXD микросхемы DD2 связывается с выходом данных TXD DD1 и наоборот.
Рассмотрим элементы, на которых происходит преобразование интерфейса USART в USB. DD1
питается от напряжения питания, подающегося с USB порта. Конденсаторы С1-С3 являются фильтрующими по
помехе. Подключение поводилось по схеме из технической документации.
На схеме имеется разъём Х2, предназначенный для подключения SD карты. Обмен данными между DD2 и картой происходит с помощью
интерфейса SPI. При таком обмене данными одно из
устройств будет вести себя как ведущий, а другое как ведомый. Это будет влиять
на режимы выводов таблица 3.2.
Таблица 3.2 Режимы выводов интерфейса SPI
|
Вывод Режим «Slave»
|
Режим «Master»
|
Режим «Slave»
|
|
MOSI
|
Определяется пользователем
|
Вход
|
|
MISO
|
Вход
|
Определяется пользователем
|
|
SCK
|
Определяется пользователем
|
Вход
|
|
SS
|
Определяется пользователем
|
Вход
|
Подключение рассматриваемого устройства для правильной работы происходит
с помощью четырёх линий связывающих Х2 и DD2. Это линии SCK -
выход или вход тактового сигнала, MISO - вход или выход данных, MOSI
-выход или вход данных, SS -
выбор ведомого устройства. Эти четыре линии и подаются на соответствующие
контакты разъёма Х2. Выводы разъёма Х2 соответствуют подписанным линиям на
рисунке 3.1.
Рис. 3.1 Выводы соответствующие разъёму Х1.
Четвёртый вывод означает, что SD карта питается от напряжения 3.3V. Это объясняет присутствие в схеме стабилизатора напряжения
7805 и линии связи между четвёртым контактом разъёма Х1 и 7805. На стабилизатор
подаётся входное напряжения схемы +4.5V, один его контакт идёт на ноль питания, а третий контакт выход +3.3. Для
правильной работы на входной и выходной линии питания стоят электролитические
конденсаторы С14 и С15.
На DD2 стоят два кварцевых генератора с
кварцевым элементом ZQ1 и
конденсаторами С5, С6. Эта связка представляет собой таймер часы реального
времени, использующиеся при условии перехода системы в режим покоя.
Генератор на элементах ZQ2 и
С7, С8.является частотным, он задаёт частоту работы микроконтроллера.
Через разъём Х5 происходит программирование DD2 с помощью интерфейса ISP.
.3 Алгоритм работы схемы
На рисунке 3.2 представлен один цикл работы схемы. Устройство не имеет
кнопки отключения, прервать работу устройства можно путём отключения питания.
Исходя из этого пункт «конец» определяет конец одного цикла.
Рис. 3.2 Блок-схема алгоритма работы устройства.
ЗАКЛЮЧЕНИЕ
протокол дисплей микроконтроллер
В результате выполнения бакалаврской работы был разработан проект IPS дисплея. В ходе анализа дисплеев
было принято решение добавить в проект дополнительную память для хранения
данных, подключаемую на микроконтроллер, а так же USB порт, для работы с ПК.
В процессе работы был произведён тщательный обзор способов подключения
блоков устройства, осуществлён выбор конечного списка элементов, а так же были
разработаны структурная, принципиальная и печатная платы.
СПИСОК ИСПОЛЬЗОВАННОЙ ЛИТЕРАТУРЫ
1. Евстифеев
А.В. Микроконтроллеры AVR семейства Mega. Руководство пользователя. -М.:
«Додэка - XXI», 2007. - 599с.
2. ATMEL | atmel.com [Электронный ресурс]: 8-разрядные микропроцессоры AVR -
Режим доступа: #"580755.files/image020.gif">
ПРИЛОЖЕНИЕ 2
Нижний слой печатной платы