Теплообменный аппарат блока наружной установки газоразделения установки низкотемпературной конденсации

  • Вид работы:
    Курсовая работа (т)
  • Предмет:
    Другое
  • Язык:
    Русский
    ,
    Формат файла:
    MS Word
    501,01 Кб
  • Опубликовано:
    2012-12-03
Вы можете узнать стоимость помощи в написании студенческой работы.
Помощь в написании работы, которую точно примут!

Теплообменный аппарат блока наружной установки газоразделения установки низкотемпературной конденсации

Реферат

Курсовой проект 52с. машинописного текста, , 2 рисунка, 14 таблиц, 8 использованных источников, 1 приложение.

Теплообменный аппарат блока наружной установки газоразделения установки низкотемпературной конденсации.

Цель курсового проекта заключалась в систематизации, закреплении, расширении и углублении практических знаний при изучении дисциплины «Машины и аппараты нефтегазопереработки» и ряда предшествующих общеобразовательных дисциплин, а также применение полученных знаний и навыков для решения конкретных технических задач.

При выполнении курсового проекта были использованы правила, методы выбора и расчета на прочность элементов теплообменных аппаратов.

В результате выполнения работы в первом разделе был изложен общий обзор по технологии, процессу и его аппаратурному оформлению установки низкотемпературной конденсации.

Во втором разделе была описана технологическая схема установки низкотемпературной конденсации.

В третьем разделе были произведены проектировочный и уточненный расчет теплообменного аппарата и окончательный выбор проектируемого типа теплообменного аппарата.

В четвертом разделе были выбраны конструктивные параметры теплообменного аппарата и произведены расчеты на прочность его элементов.

В графической части на первом листе представлена принципиальная технологическая схема установки низкотемпературной конденсации. На втором - общий вид теплообменного аппарата, на третьем и четвертом - основные узлы и детали спроектированного аппарата.

Таким образом, в результате проведенной работы был сконструирован теплообменный аппарат 1200 ТПГ-6,3-М8/25Г-9-Т-4-У-И, определены его основные конструктивные размеры, разработаны рабочие чертежи некоторых деталей.

Содержание

Введение

Литературный обзор

Технологический раздел

2.1 Описание технологической схемы и оборудования

Проектировочный расчет теплообменного аппарата (т/а)

.1 Обоснование и выбор исходных данных для расчета т/а

.2 Определение поверхности нагрева и предварительный выбор типа т/а по каталогу

.3 Уточненный расчет поверхности т/а и окончательный выбор типа т/а

.4 Разработка эскиза теплообменного аппарата

.5 Сводная таблица по результатам расчетов теплообменного аппарата

Вывод

Механический раздел

.1 Расчет на прочность элементов т/а

.1.1 Выбор конструктивных параметров некоторых элементов теплообменных аппаратов.

.1.2 Расчет толщины стенки корпуса и трубной решетки.

.2 Подбор штуцера (вход продукта в кожух т/а)

.2.1 Подбор и обоснование выбора типа фланцевого соединения.

.3 Сводная таблица по результатам расчетов

Вывод

Заключение

Список использованных источников

Приложение А

Введение

Современное нефтеперерабатывающее и нефтехимическое производство со специфическими условиями работы технологического оборудования, характеризуемыми часто высокими рабочими параметрами (температурой и давлением), особенно при агрессивности, токсичности и огне- и взрывоопасности перерабатываемой среды и в основном большой производительности, требует создания аппаратов только высокого качества.

Высокое качество аппаратов характеризуется высокой эффективностью, зависящей от эффективности технологического процесса, осуществляемого в аппарате, и его производительности; долговечностью, экономичностью, надежностью, безопасностью, удобством и простотой обслуживания в эксплуатации, зависящих как от качества конструкции, так и от качества изготовления; формой аппарата, удовлетворяющей требованиям технической эстетики.

Весьма тяжелые условия работы оборудования приводят к преждевременному износу и разрушению основных деталей оборудования, т.е. оборудование обладает недостаточной надежностью и долговечностью. В связи с этим актуальны вопросы, связанные с решением данных проблем.

Повышение надежности и долговечности деталей машин и аппаратов в значительной мере может быть достигнуто грамотным конструированием аппаратов и машин, в частности, с использованием современных методов проведения технических расчетов, правильным выбором конструкционного материала для их изготовления, и т.д.

Основная цель курсового проектирования состоит в систематизации, закреплении, расширении и углублении практических знаний при изучении дисциплины «Машины и аппараты нефтегазопереработки» и ряда предшествующих общеобразовательных дисциплин, а также применение полученных знаний и навыков для решения конкретных технических задач.

В настоящей работе объектом проектирования явился теплообменный аппарат Т-1 технологического блока наружной установки газоразделения, входящего в состав установки низкотемпературной конденсации. Назначение аппарата заключается в охлаждении смеси углеводородных газов, поступающих в качестве сырья, за счет рекуперации холода сухого отбензиненного газа, уходящего с установки.

1. Литературный обзор

На Губкинском газоперерабатывающем комплексе (ГПК) в 2010 году была запущена новая установка низкотемпературной конденсации, производительность которой составляет 2 млрд.м3/год по углеводородному газу. В результате извлечение целевых фракций из попутного нефтяного газа на предприятии увеличилось до 99%. По этому показателю Губкинский ГПК стал лидером в России, повысив глубину извлечения до лучших мировых аналогов.

Новая установка представляет собой производственный объект «Установка переработки газа - 2. Установка низкотемпературной конденсации и наружное оборудование. Реконструкция на промышленной площадке ОАО «Губкинский ГПК» (УПГ-2)» и предназначена для переработки на современном техническом уровне углеводородного газа, являющегося смесью углеводородных газов: отбензиненного газа с НТК-1и осушенного газа установки компримирования газа-2 (УКГ-2), с целью снижения потерь целевых компонентов с газом, подаваемым в магистральный газопровод, и получения в качестве дополнительного товарного продукта ШФЛУ по ТУ 38.101524-93 (марка Б), направляемой на узел учета ШФЛУ, где происходит ее смешение с ШФЛУ, поступающей с НТК-1 газоперерабатывающего комплекса. Далее ШФЛУ поступает в продуктопровод Губкинский ГПК - Уренгой-Сургутский ЗСК; Губкинский ГПК - Муравленковский ГПК, наливную эстакаду г. Ноябрьска. Сухой отбензиненный газ (СОГ) по ОСТ 51.40-93 с остаточным суммарным содержанием углеводородов С3+В около 2 г/ст. м3 направляется на дожимные компрессора УКГ-1 и УКГ-2 и далее в магистральный газопровод.

Процесс переработки газа исходного состава с максимально возможным при заданных граничных условиях коэффициентом извлечения пропана и более тяжелых углеводородов осуществляется наиболее экономичным методом частичной конденсации исходного газа, его сепарации при высоком давлении, с последующим детандированием паровой части потока во всем располагаемом диапазоне давлений и разделением выделенного конденсата в ректификационной колонне.

В качестве источника холода для компенсации потерь от недорекуперации и в окружающую среду используется эффект адиабатического расширения газа в турбодетандере с отдачей внешней работы, используемой для компримирования обратного потока отбензиненного газа, отводимого из установки, а также дроссель-эффект. Для снятия тепла компримирования газа и отводимых жидких товарных продуктов используется окружающая среда (в аппаратах воздушного охлаждения).

Установка предназначена для получения следующей товарной продукции:

газ отбензиненный (метан-этановая фракция) по ОСТ 51.40-93 с остаточным суммарным содержанием углеводородов С3+В около 2 г/ст. м3;

ШФЛУ по ТУ 38.101524-93 марка Б.

Проектная мощность производственного объекта УПГ-2 по перерабатываемому исходному газу и получаемой продукции приведена в таблице 1.1.

Таблица 1.1 - Проектная мощность

Приход

Млн. м3в год (при 20°С и 0,1 МПа)

Тыс. тн.  в год

Расход

Млн. м3 в год (при 20°С и 0,1 МПа)

Тыс.тн. в год

Углеводородный газ Р = 1,57 МПа Т = 40°С Время непрерывной работы 16800 часов(2 года) при условии непрерывной работы дожимного компрессорного агрегата. Норма часов работы в год по проекту 8400, в т.ч. зимний период 5472ч, летний период 2928ч

2000        

1523,5        

Сухой отбензиненный газ (СОГ) Плотность 0,711кг/м3 при  ст. условиях  Р = 1,3МПа Т = 20…35°С ШФЛУ Р = 5,4Мпа Т = 35 ¸ 40°С Потери

1910,96      79,04    10,0

1369,68      146,21   7,61

Итого:

2000

1523,5


2000

1523,5


В примененную в производстве технологию включены следующие процессы:

компримирование;

сепарация;

охлаждение и конденсация;

адиабатическое расширение;

дросселирование;

ректификация.

Производственный объект по своему функциональному назначению и монтажно-компоновочным решениям разделен на следующие основные технологические блоки:

Блок подготовки газа;

Наружная установка газоразделения;

Блок ТДА;

Блок печи;

Компрессорная с ГТА.

Аварийные сбросы при срабатывании предохранительных клапанов, а также сбросы при остановках установки направляются в общезаводскую факельную систему. Для нагрева холодных сбросов и испарения жидкостей предусмотрена обогреваемая дренажная емкость, в которую подается теплоноситель из общезаводской системы.

Основным сырьем для производственного объекта УПГ-2 (НТК-2) являются: осушенный газ с УКГ-2 и часть отбензиненного газа с НТК-1, поступающие на переработку. По своему компонентному составу исходный газ представляет собой смесь углеводородов с азотом с присутствием двуокиси углерода.

Исходный газ предварительно осушают до точки росы не выше минус 70°С с последующей подачей на переработку.

Рабочие параметры исходного сырья на входе в установку:

давление (изб.)    1,6…1,8 МПа

температура        25…40°С

На установке производится дополнительное компримирование исходного газа.

Как уже указывалось выше, из исходного сырья на установке переработки вырабатывается сухой отбензиненный газ и ШФЛУ. Компонентные составы целевых продуктов и их рабочие параметры на выходе из установки приведены в таблице 1.2.

Таблица 1.2- Компонентный состав и параметры целевых продуктов

Наименование компонентов и параметры

ШФЛУ

Сухой отбензиненный газ (СОГ)


летний режим

зимний режим

летний режим

зимний режим


% масс.

% мол.(об.)

% масс.

% мол.(об.)

% масс.

CO2

-

-

0,34

0,875

0,34

0,865

N2

-

-

1,14

1,868

1,14

1,188

CH4

-

-

92,78

87,052

92,81

87,161

C2H6

2,6

2,6

5,61

9,866

5,632

9,913

C3H8

46,67

47,26

0,11

0,283

0,051

0,13

i-C4H10

14,48

14,34

-

-

0,001

0,004

n-C4H10

15,07

14,9

-

-

-


i-C5H12

6,96

6,88

-

-

-


n- C5H12

5,34

5,28

-

-

-


C6H14

8,87

8,76

-

-

-


О2

-

-

0,03

0,056

0,026

0,049

Рабс., МПа

5,5

5,5

1,4

1,4

Т, °С

40

35

35

20

G, кг/ч

17350

17570

164020

163800


Отбензиненный сухой газ содержит в своем составе более 90%об. метана, остальные компоненты - предельные углеводороды С24 с незначительной примесью двуокиси углерода и азота. Удовлетворяет требованиям ГОСТ 5542-87 и ОСТ 51.40-93. Бесцветный газ. Пожаро- и взрывоопасен. Обладает слабым специфическим запахом, слабо растворим в воде. Относится к веществам 4 класса опасности по ГОСТ 12.1.007-76. Предельно допустимая концентрация в воздухе рабочей зоны - 300 мг/м3 (в пересчете на углерод) по ГОСТ 12.1.005.

Широкая фракция легких углеводородов (ШФЛУ) содержит в своем составе предельные углеводороды С26. Удовлетворяет требованиям ТУ 38.101524-93 марка Б. Относится к сжиженным углеводородным газам. Легкокипящая и легковоспламеняющаяся жидкость. Пожаро- и взрывоопасна, малотоксична. Относится к веществам 4 класса опасности по ГОСТ 12.1.007-76. Предельно допустимая концентрация в воздухе рабочей зоны - 300 мг/м3 (в пересчете на углерод) по ГОСТ 12.1.005.

ШФЛУ используется в качестве сырья газофракционирующих установок с целью получения индивидуальных углеводородов, которые в последующем могут использоваться, в частности, для производства химических продуктов, пластмасс и синтетического каучука.

Наиболее часто как химическое сырье используются следующие компоненты природных газов: метан, этан, пропан и н-бутан; парафины: изобутан и изопентан.

Метан является исходным сырьем в производстве хлор - и фтор-производных, используемых для получения многих полимерных материалов. Этан является одним из лучших видов сырья для производства этилена, а также используется в производстве хлорпроизводных.

Применение этана или его смесей с метаном перспективно в производстве ацетилена. Пропан широко используется для получения этилена, этилена и пропилена, этилена и ацетилена методом пиролиза. н-Бутан является исходным сырьем для производства бутадиена и бутилена.

Изобутан применяется в производстве изобутилена и для хлорирования, сульфирования и др.; изобутилен полимеризуется в синтетический каучук - полиизобутилен, а также используется вместе с изобутаном в производстве изооктана - высокооктановой добавки к моторным топливам.

Изопентан служит добавкой к авиабензинам, так как он является высокооктановым топливом с высокими пусковыми характеристиками.

Кроме того, изопентан используется в производстве изопрена - сырья для получения полиизопренового каучука, амиловых спиртов, хлор - и сульфопроизводных. Все парафины изостроения легко алкилируются.

Процесса переработки углеводородных газов с целью снижения потерь целевых компонентов и получения товарной продукции: широкой фракции углеводородов (ШФЛУ) и отбензиненного углеводородного газа (СОГ) осуществляется методом охлаждения и частичной конденсации исходного компримированного газа, его сепарацией при высоком давлении, последующим детандированием паровой части потока во всем располагаемом диапазоне давлений и разделением в ректификационной колонне.

Внешние источники холода не применяются. В качестве источника холода используется эффект адиабатического расширения газа в турбодетандере.

Характеристика технологического и насосно-компрессорного оборудования приведена в таблицах 1.3 и 1.4.

Таблица 1.3 - Характеристика технологического оборудования

Наименование оборудования (тип, назначение и т.д.)

Индекс позиции на технологической схеме

Количество, штук

Материал изготовления

Техническая характеристика оборудования

Расчетные параметры

Основные размеры






температура, 0С

давление, МПа

диаметр, мм

высота, длина, м

1. Теплообменник сырьевого газа

Т-1

1

12Х18Н10Т

F=2800м2, Q=8,34МВт

Межтрубное пр-во

Д=2200

Н = 12






-94…-8

1,8








Трубное пр-во








35…-63

5,5



2. Теплообменник сырьевого газа

Т-2

1

12Х18Н10Т

F=600м2, Q=2,68МВт

Межтрубное пр-во

Д = 1000

Н = 11,2






35…-63

5,5








Трубное пр-во








-84…10

1,8



3. Деметанизатор с клапанными тарелками

К-1

1

12Х18Н10Т

V=100м3, N = 16т.т.

-100…50

1,8

Д = 2000/3000

Н = 36

4. Сепаратор сырьевого газа высокого давления

С-1

1

12Х18Н10Т

V=17,2м3

-64…-56;

5,5

Д = 1800

Н = 9,3

5. Сепаратор приемный

Е-1

1

09Г2С

V=37м3

25…40

2,2

Д = 2400

Н = 17,1

6. Емкость дренажная «холодная» с теплообменным устройством (внутренним и наружным)

Е-8

1

12Х18Н10Т

емкость

Д = 2400

L = 10,8





V=40м3

-100…100

0,6







теплообменное устройство







Fвн = 82м2 Fнар = 7,1м2 трубы Д=25х2мм

140…190




7. Свеча

Св-1

1

12Х18Н10Т

V=3,0м3

-100…50

0,06

Д = 400/250

Н =45

8. Концевой холодильник компрессора

АВО-КЦ/1-5

5

ст 10Г2/АL

F = 5250м2 Дтр=25х2мм Q=2,32МВт

138…0

5,5

ВхLxH = 3х12х4,5

9. Концевой холодильник отбензиненного газа

АВО-2/1-3

3

ст 10Г2/АL

F = 5250м2 Дтр=25х2мм Q=0,83МВт

60…35

2,0

ВхLxH = 3х12х4,5

10. Холодильник ШФЛУ

АВО-3

1

ст 10Г2/АL

F = 1165м2 Дтр=25х2мм Q=0,223МВт

52…35

5,5

ВхLxH = 3х12х4,5

11. Печь трубчатая, кипятильник колонны

П-1

1

труб - 09Г2С, футеровка бетон огнеупорный, бетон жаростойкий. Предусмотреть прибавку на коррозию 2мм

Q=3,7МВт, Fрад =64,9м2 Fконв =114м2 Дтр=152х6мм nрад=26шт nконв=33шт

35…51

2,0

Д = 3070; Дтрубы = 820

с трубой Н = 24,6


Таблица 1.4 - Характеристика насосно-компрессорного оборудования

Индекс позиции по технологической схеме

 наименование и тип оборудования

Количество, шт

Наименование перерабатываемого продукта

Производительность,

Давление нагнетания, МПа

Тип и мощность привода, число оборотов

ТДА-1

Турбодетандерный агрегат для адиабатического расширения газа EС 4.0 «MAFI-TRENCHCOMPANY»

1

детандерная ступень

N = 2935 КВт 25000об/мин




углеводородный газ

149717кг/ч

1,4





компрессорная ступень





сухой отбензиненный газ (СОГ)

168258кг/ч

1,4


КЦ-1

Компрессор центробежный с приводом от ГТА MARS100SCS

1

Углеводородный газ

248м3/мин

4,66

SoloNOxMars 100 N = 10000 КВт 2900 об/мин

Н-2/1

1

Сжиженные углеводородные газы

117,4 м3

2,5

N = 47 КВт 2960 об/мин

Н-3/1

Насос ШФЛУ САМV 52/5+5

1

ШФЛУ

34,3 м3

6,3

N = 187 КВт 2950 об/мин


2. Технологический раздел

.1 Описание технологической схемы и оборудования

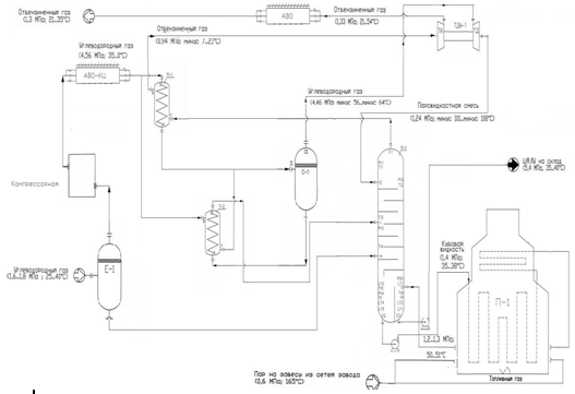
Принципиальная технологическая схема установки низкотемпературной конденсации представлена в графической части на на первом листе формате А1, а также в приложении А.

Сырьевой углеводородный газ по трубопроводу через пневмоприводные заслонки (с байпасной линией с вентилем заполнения для плавного подъема давления в системе) и поступает в приемный сепаратор Е-1 (для отделения возможных капель жидкости и механических примесей) при температуре 25÷40°С и давлении 1,6÷1,8 МПа. Газ из сепаратора Ε-1 через расходомер направляется в блок компрессорной с ГТА на дожатие до давления 4,6 МПа. На данном этапе производится контроль параметров исходного газа и контроль его качества: компонентный состав контролируется лабораторным анализом, а влагосодержание поточным влагомером. Жидкие углеводороды из сепаратора периодически отводится на переработку в колонну К-1 через шаровой кран, автоматическое открытие которого производится при достижении уровня 1000 мм и закрытие при минимальном уровне 200мм. Состав жидкости проверяется лабораторным анализом. Для предотвращения гидроударов и равномерной подачи жидкости в колонну на дренажном трубопроводе из сепаратора Е-1 предусматривается дроссельная шайба с отверстием Ду15мм.

Блок компрессорной с ГТА укомплектован одним дожимным центробежным компрессором КЦ-1 с газотурбинным приводом. Резервный компрессор не предусмотрен, в случае остановки агрегата производится байпасирование газа помимо установки. Ведется контроль за параметрами газа в линии нагнетания компрессора, и при превышении давления свыше 5,2 МПа, а температуры 150°С предусмотрена сигнализация. Выходящий из компрессора газ охлаждается в аппаратах воздушного охлаждения АВО-КЦ/1…5 до температуры 0°С зимой и 35°С летом. Предусмотрены контроль температуры газа и сигнализация при отклонении ниже минус 5°С или свыше 40°С.

Для поддержания постоянства давления в линии всасывания компрессора предусмотрено байпасирование охлажденного газа клапаном.

В качестве топливного и уплотняющего газа для ГПА используется газ с установки компримирования и осушки газа. Кроме того, предусмотрена резервная линия подачи топливного газа из байпасного (с нагнетательной во всасывающую линию компрессора) трубопровода компримированного газа на выходе из АВО-КЦ/1-5 перед дроссельно-регулирующим клапаном.

После охлаждения в АВО-КЦ/1-5 газ направляется в узел предварительного охлаждения наружной установки под давлением 4,55…4,62 МПа.

В узел предварительного охлаждения газ поступает с байпасом для постепенного и плавного заполнения системы газом под давлением и разделяется на два потока. Часть газа отбирается клапаном-регулятором температуры питания колонны К-1 и подается на охлаждение и частичную конденсацию в теплообменник Т-2, на выходе из которого парожидкостная смесь объединяется с основным потоком, выходящим из теплообменника Т-1, и поступает на сепарацию фаз в сепаратор С-1. Температура рабочей среды на выходе из теплообменника Т-1 до минус 61°С, из теплообменника Т-2 до минус 71°С. Температура суммарного потока (минус 56… минус 64°С) контролируется на выходе пара из сепаратора С-1. Для обеспечения возможности отбора требуемого расхода газа в теплообменник Т-2 на основном потоке, направляемом на охлаждение и частичную конденсацию в теплообменник Т-1, установлен клапан-регулятор, поддерживающий постоянство давления сырьевого углеводородного газа на входе в блок.

Для контроля перепада давления на сепарирующем устройстве сепаратора С-1 установлены датчики давления на потоке продукта на входе в сепаратор и газа на выходе из сепаратора. При достижении перепада давления 0,04 МПа предусмотрена сигнализация. Жидкость из сепаратора С-1 дросселируется клапаном, поддерживающим в сепараторе заданный уровень жидкости от 600 до 1000 мм, направляется на рекуперацию холода в теплообменник Т-2 и затем подается в качестве основного питания в колонну К-1. Температура питания минус 23°С зимой и 10°С .

Дополнительным питанием колонны являются жидкие углеводороды, отводимые по мере накопления из приемного сепаратора Е-1.

Газ из сепаратора С-1 (насыщенный пар) направляется на адиабатическое расширение в турбодетандер ТДА-1. Давление газа, направляемого в детандер, составляет 4,4…4,5 МПа. Для защиты турбодетандера от попадания в проточную часть капельной жидкости предусмотрена сигнализация и блокировка по уровню жидкости в сепараторе С-1. При достижении максимального уровня (1300 мм) производится дренирование жидкости из сепаратора через шаровой кран с пневмоприводом в дренажную емкость Е-8. При снижении уровня до минимального (250 мм) кран закрывается.

Выходящий из турбодетандера ТДА-1 парожидкостной поток подается в верхнюю сепарационную часть колонны К-1 под давлением 1,2…1,3 МПа при температуре минус 101… минус 108°С. Жидкость, поступившая с потоком, является флегмой колонны К-1.

При пуске установки и временной остановке турбодетандерного агрегата подача питания в колонну производится по байпасу помимо детандера через запорно-регулирующий клапан, на котором дросселируется до давления 1,2…1,3 МПа. В этом случае холод вырабатывается не адиабатическим расширением газа в детандере с отдачей внешней работы, а дроссель-эффектом при прохождении газа через клапан. Этот процесс значительно менее эффективный, что приводит к изменению температурного режима установки и снижению выхода ШФЛУ.

Сухой отбензиненный газ отводится с верхней части колонны К-1 при температуре минус 92…минус 96°С под давлением 1,1…1,2 МПа (контролируется приборами, размещенными в верхней части колонны) и направляется на рекуперацию холода в теплообменник Т-1.

В колонне К-1 предусмотрены контроль давления и температуры на различных тарелках, в кубе и верхней сепарационной зоне, а также контроль уровня в кармане и кубе колонны.

Давление в колонне контролируется над тарелкой основного питания, над верхней тарелкой и в верхней части колонны у шлемовой трубы. Допустимый перепад давления в каждой части колонны - до 0,03 МПа. При перепаде 0,04 МПа срабатывает сигнализация. Рост перепада давления свыше допустимого предела свидетельствует о режиме работы колонны, близком к захлебыванию, и требует принятия мер по стабилизации режима.

Режим работы колонны контролируется по показаниям датчиков температур, установленных на верхней тарелке, на тарелке основного и дополнительного питания, в кармане отбора на печь жидкости с нижней тарелки.

Отпарка легких углеводородов из жидкости, стекающей в куб колонны К-1, производится в печи огневого подогрева П-1. Поддержание температуры кубового продукта колонны 49…52°С производится изменением расхода топливного газа, подаваемого к основным горелкам печи П-1.

Циркуляция жидкости через печь П-1 обеспечивается насосом Н-2/1(2). Расход кубовой жидкости (39…56т/ч), подаваемой на отпарку в печь П-1, поддерживается посредством клапана, который корректируется в соответствии с уровнем жидкости в колонне К-1 в кармане отбора на печь. Этот уровень поддерживается в диапазоне 1500…2500мм. Предусмотрена сигнализация при минимальном (1000мм) и максимальном (4000мм) значении уровня жидкости. Для защиты насоса Н-2/1(2) предусмотрена блокировка при снижении уровня до 200мм.

Режим работы колонны К-1 корректируется также по автоматическому анализу качества отбензиненного газа, отводимого с верха колонны - по содержанию в нем пропана и качества ШФЛУ - по содержанию метана и этана.

Кубовый продукт колонны К-1 - ШФЛУ насосом Н-3/1(2) подается для охлаждения до температуры 35…40ºС в аппарат воздушного охлаждения АВО-3 и затем поступает на смешение с ШФЛУ из НТК-1. Производительность насоса Н-3/1(2) регулируется установленным на линии нагнетания клапаном, поддерживающим уровень жидкости в кубе колонны 1500…2500мм. Предусмотрена сигнализация при минимальном (1000мм) и максимальном (4000мм). Для защиты насоса Н-3/1(2) предусмотрена блокировка при снижении уровня до 200мм.

Отвод ШФЛУ из установки производится под давлением 5,3…5,5 МПа. Температура ШФЛУ регулируется изменением числа оборотов вентилятора АВО-3. Сигнал на частотный регулятор подается от датчика температуры на потоке ШФЛУ на выходе из АВО-3. Здесь же происходит измерение и регистрация расхода ШФЛУ, отводимого из установки (12…20т/ч).

Поток сухого отбензиненного газа после рекуперации холода в теплообменнике Т-1(температура на выходе из теплообменника от минус 7°С зимой до 23°С летом) направляется в компрессор турбодетандерного агрегата ТДА-1, являющийся тормозом детандера. Здесь вырабатываемая в детандере энергия используется для сжатия отводимого из установки СОГ. В компрессоре турбодетандерного агрегата давление СОГ повышается от 0,9…1,0 МПа до 1,3…1,4 МПа. Затем отводимый из установки сухой отбензиненный газ поступает на дожимные компрессора УКГ-2 на компримирование для дальнейшей транспортировки по магистральному газопроводу. В летний период производится охлаждение СОГ в АВО-2/1…3 от температуры 54°С до 35°С. Зимой температура газа на выходе из компрессора ТДА не превышает 21°С и поток направляется по байпасной линии помимо АВО-2/1…3.

При работе установки без детандера СОГ направляется в трубопровод выхода из установки по байпасной линии помимо компрессора ТДА-1.

Таким образом, на выходе из установки СОГ имеет температуру 21…35°С, давление не менее 1,3 МПа и его расход составляет 113…186 т/ч.

Качество получаемых продуктов (ШФЛУ и отбензиненного газа) проверяется поточными газоанализаторами и периодическим отбором проб и их контролем на соответствие требованиям нормативных документов на эти продукты.

Для контроля СОГ на соответствие требованиям ОСТ 51-40.93 и специальных требований (содержание С3+В около 2 г/м³) производится периодический отбор проб СОГ на выходе из установки.

Также обязательно производится отбор проб для аналитического контроля получаемой ШФЛУ.

В качестве топливного газа для горелок печи П-1 используется топливный газ для печей из сетей предприятия. Номинальный расход топливного газа 298нм3/ч летом и 379нм3/ч зимой. Подача к основным горелкам печи производится через дроссельный клапан, степень открытия которого корректируется по температуре возвращаемого в колонну К-1 продукта. Датчик температуры установлен в кубе колонны в районе штуцера ввода парожидкостной смеси из печи П-1. Давление перед основными горелками составляет 0,055…0,065 МПа, перед дежурными - 0,03...0,045 МПа. Предусмотрена сигнализация по давлению газа перед основными и дежурными горелками и блокировка(закрытие кранов перед горелками) при снижении давления до 0,02 МПа.

Для предотвращения гидратообразования на установке предусмотрен, при необходимости, впрыск метанола в прямой поток газа перед теплообменниками Т-1 и Т-2 и перед сепаратором С-1. Метанол поступает от сетей действующего предприятия.

Сбросы от предохранительных клапанов сколлектированы и направляются от теплых клапанов - непосредственно в факельную систему, от холодных клапанов - предварительно в обогреваемую дренажную емкость Ε-8. Также ведется контроль температуры в емкости Е-8 и отходящих газов. Предусмотрена блокировка по температуре отходящих газов - переключение выхода продувочных газов с факела на свечу в случае, если поток не нагреется до температуры выше минус 30°С.

Система продувки

Для нужд продувки оборудования и коммуникаций используется газообразный сухой технологический азот (с содержанием кислорода не более 0,5%об и точкой росы по влаге не выше минус 60°С), подаваемый на установку под давлением до 0,6 МПа. На входе в установку контролируется температура, давление, расход и качествопоступающего азота. К оборудованию азот подается по соответствующим коммуникациям со съемными участками трубопроводов. Вывод отработанного продувочного азота - через специальный коллектор на свечу Св-1.

В свече поддерживается постоянное избыточное давление до 0,02 МПа с сигнализацией при падении давления ниже 0,005 МПа. Для поддержания избыточного давления в свечу производится поддув азота.

Дренажная система

Дренирование жидкости и сброс давления из оборудования осуществляется по трубопроводам теплых сбросов и холодных сбросов в дренажную емкость Ε-8 с последующим выводом в факельную систему. Нагрев и испарение сбросов производится теплоносителем (дизельное топливо), подаваемым из сетей завода и циркулирующим по внутреннему и наружному теплообменным устройствам емкости. Циркуляция теплоносителя производится постоянно для предотвращения попадания в факельную систему холодных сбросов в случае срабатывания предохранительных клапанов, установленных на низкотемпературном оборудовании. Контроль циркуляции теплоносителя ведется по показаниям расходомера (расход 5…6 м3/ч). Подача теплоносителя осуществляется из общезаводской системы. Также ведется измерение температуры и давления теплоносителя на выходе из обогревающих устройств емкости.

Неиспарившиеся остатки жидких углеводородов из емкости Ε-8 могут откачиваться в специальные транспортные емкости. Контроль уровня жидкости в емкости производится уровнемером с сигнализацией при повышении уровня до 1500мм. теплообменный аппарат фланцевый корпус

Факельные сбросы направляются в факельную систему завода.

3. Проектировочный расчет теплообменного аппарата

.1 Обоснование и выбор исходных данных для расчета теплообменного аппарата

Таблица 3.1 - Исходные данные для расчета т/а

Трубное пространство

Межтрубное пространство

tвх1, °С

tвых1, °С

G1, кг/с

Среда, фазовое состояние

tвх2,  °С

tвых2, °С

G2, кг/с

Среда, фазовое состояние

35

-63

50

Смесь углеводородных газов

-94

-8

-

Сухой отбензиненный газ


Исходными данными для расчета теплообменного аппарата являются температуры теплоносителей и их расходы, причем достаточно знать расход только одного теплоносителя, а второй определится на основании уравнения теплового баланса (3.1):

        (3.1)

где    Q1 - количество тепла, переданное горячим теплоносителем, Дж,

Q2 - количество тепла, полученное холодным теплоносителем, Дж;

η -коэффициент, учитывающий потери в окружающую среду.

Физико-химические характеристики для метана (т.к. он является основным компонентом и составляет более 90%об. теплоносителей) при средних температурах, которые определяются следующим образом:

        (3.2)

где Δtб и Δtм - соответственно большая и меньшая разность температур между горячим и холодным теплоносителями в процессе теплообмена, а если отношение £ 2, то с достаточной для практики точностью, Δtср можно определить как среднеарифметическую величину, т.е. принять

       (3.3)

Получаем следующие значения:

для трубного пространства

<2,


-     для межтрубного пространства

>2,

.

По средним температурам определяем физико-химические свойства метана, с учетом расчетного давления, и сводим в таблицу 3.2.

Распишем уравнение (3.1):

         (3.4)

Подставляем исходные данные иопределяем неизвестное значение расхода:

;

кг/с.

Вносим полученное значение в таблицу 3.1.

Таблица 3.2 - Физико-химические характеристики сред

Параметр

Метан (Трубное пространство)

Метан (Межтрубное пространство)

Плотность, ρ кг/м3.

ρ1=43,53

ρ2=17,58

Вязкость динамическая, μ Па·с.

μ1=11,19·10-6

μ2=9,58·10-6

Вязкость кинематическая, ν м2/с.

ν1=0,257·10-6

ν2=0,545·10-6

Удельная теплоемкость, Ср Дж/(кг·К).

Ср1=2652

Ср2=2230,5

Коэффициент теплопроводности, λ Вт/(м·К).

λ1=0,034

λ2=0,027


3.2 Определение поверхности нагрева и предварительный выбор типа теплообменного аппарата по каталогу

Определим передаваемое количество Q тепла с помощью формулы (3.1):


Необходимая поверхность теплообмена теплообменника определяется из уравнения теплопередачи для установившегося состояния процесса:

       (3.5)

где Кор - ориентировочный коэффициент теплопередачи, Вт/(м2·К);

∆tср- средний арифметический температурный напор между теплоносителями, определяется по формуле (3.6), °С;тепловой поток в аппарате.

Для предварительного выбора теплообменного аппарата принимаем К= 230 Вт/(м2∙К).

                                                                  (3.6)

Величины температурных перепадов на концах аппарата Δtб и Δtм

Δtб = |tвх1 - tвых2|= |35-(-8)| = 43°C;             

Δtм =|tвых1 - tвх2| = |-63-(-94)|= 31°C;           

Δtср=.

Подставив полученные данные рассчитаем площадь поверхности теплообмена аппарата:


Так как полученной поверхности телообмена невозможно получить, применяя один кожухотрубчатыйтеплообменный аппарат, то производим подбориз каталога двух одинаковых теплообменных аппарата с поверхностью теплообмена близкой к 1450/2=725м2.

Определим тип теплообменного аппарата. Учитывая, что средний перепад температур на концах теплообменного аппарата относительно невелик (меньше 40 0С), то можно было бы выбрать теплообменный аппарат типа ТН, т.к. ему свойственна простота конструкции, а следовательно, он является более дешевым. Однако этот тип т/а рассчитан на условное давление менее 4 МПа, что не удовлетворяет условиям эксплуатации (расчетное давлении 5,5 МПа). Поэтому выбираем теплообменный аппарата с плавающей головкой ТП, имеющий ряд преимуществ. Подвижная трубная решетка позволяет трубному пучку свободно перемещаться независимо от корпуса. В аппаратах этой конструкции температурные напряжения могут возникать лишь при существенном различии температур трубок. Кроме того, аппараты данного типа достаточно просто можно очистить как наружную, так и внутреннюю поверхность трубок.

Таким образом, выбираем теплообменный аппарат типа ТП, у которого:

диаметр кожуха внутренний D=1200 мм;

число ходов по трубам 4;

наружный диаметр труб d=25 мм;

поверхность теплообмена при длине прямого участка труб l=9000 мм, F=705,1 м2;

площадь проходного сечения одного хода по трубам fтр=0,0757 м2;

площадь проходного сечения по межтрубному пространству fмтр=0,185 м2.

расположение трубок по вершинам равностороннего треугольника.

3.3 Уточненный расчет поверхности испарителя и окончательный выбор типа теплообменного аппарата

Поверхность теплообменного аппарата вычисляется по формуле

,       (3.7)

где    Кут - уточненный коэффициент теплопередачи, который вычисляется по формуле

,       (3.8)

где    α1 и α2 - коэффициенты теплоотдачи на внутренней и наружной поверхностях трубок;

Sст и λст- толщина стенки и теплопроводность материала.

В расчетах принимаем  = 30 Вт/(м·К). Коэффициенты α1 и α2 зависят от режима движения теплоносителя и физических свойств самих продуктов. Произведем уточненный расчет поверхности теплообмена по уточненной теплоотдаче в трубном пространстве. Рассчитаем линейные скорости движения потоков по формулам

,      (3.9)

где    Gтр - расход метана в трубном пространстве, кг/с;

ρтр- плотность метана в трубном пространстве, кг/ м3;

fтр- площадь проходного сечения по трубам, м2.

Подставив данные, получим

м/с.

Режим потока устанавливается в зависимости безразмерного критерия Рейнольдса, который определяется по формуле

;   (3.10)

.

Так как критерий РейнольдсаRe>10000 - движение турбулентное.

Так для теплоотдачи без изменения агрегатного состояния для установившегося турбулентного течения внутри прямой трубы предложена зависимость;

Nu= ,      (3.11)

где - критерий Нуссельта,

Pr - критерий Прандтля.

Критерий Прандтля определяется по формуле

(3.12)

Коэффициент теплопередачи от внутренней поверхности трубок определим по формуле

(3.13)

Подставив данные, получим

;

;


Произведем уточненный расчет поверхности теплообмена по уточненной теплоотдаче в межтрубном пространстве.

Рассчитаем линейные скорости движения потоков по формуле

,  (3.14)

где    Gмтр- расход метана, кг/с;

ρмтр- плотность метана, кг/ м3;

fмтр- площадь проходного сечения по межтрубному пространству, м2.

Подставив данные, получим

м/с.

Режим потока устанавливается в зависимости безразмерного критерия Рейнольдса, который определяется по формуле

;   (3.15)

.

Так как Re> 103, то критерий Нуссельта находится по следующей формуле:

       (3.16)

где    с, n - коэффициенты, зависящие от способа размещения труб. Для труб, расположенных по вершинам равностороннего треугольника с=0,21, n=0,65;

εφ - коэффициент, зависящий от многоходовости, для стандартных теплообменных аппаратов εφ= 0,6.

Найдем значение критерия Прандтля по формуле

.  (3.17)

Коэффициент теплопередачи от внутренней поверхности трубок определим по формуле

.        (3.18)

Подставив данные, получим

;

;

.

Рассчитаем уточненный коэффициент теплопередачи


Найдем уточненную поверхность теплообменного аппарата

м2.

Таким образом, при данной уточненной площади теплообмена погрешность по поверхности теплообменного аппарата между уточненной и выбранной по каталогу составляет


Запас по площади теплообмена составил меньше 10%, поэтому принимаем решение использовать выбранный тип теплообменного аппарата, с условием, что их будет два и они будут использованы последовательно.

3.4 Разработка эскиза теплообменного аппарата

Теплообменные аппараты с плавающей головкой типа ТП (с подвижной трубной решеткой) являются наиболее распространенным типом поверхностных аппаратов (эскиз приведен на рисуноке 3.1). Подвижная трубная решетка позволяет трубному пучку свободно перемещаться независимо от корпуса. В аппаратах этой конструкции температурные напряжения могут возникать лишь при существенном различии температур трубок.

В теплообменных аппаратах подобного типа трубные пучки сравнительно легко могут быть удалены из корпуса, что облегчает их ремонт, чистку или замену.

Для обеспечения свободного перемещения трубного пучка внутри кожуха в аппаратах диаметром 800 мм и более трубный пучок снабжают опорной платформой.

Рисунок 3.1 - Эскиз теплообменного аппарата

Наиболее важный узел теплообменников с плавающей головкой - соединение плавающей трубной решетки с крышкой. Это соединение должно обеспечивать возможность легкого извлечения пучка из кожуха, аппарата, а также минимальный зазор Δ между кожухом и пучком труб. Вариант, показанный на рисунке 3.1, позволяет извлекать трубный пучок, благодаря размещению плавающей головки внутри крышки, диаметр которой больше диаметра кожуха, что позволяет уменьшить зазор Δ между кожухом и пучком труб.

3.5 Сводная таблица по результатам расчетов теплообменного аппарата

Результаты расчетов теплообменного аппарата сведены в таблицу 3.3.

Таблица 3.3 - Результаты расчетов теплообменного аппарата

Тип теплообменного аппарата

ТП

Давление в трубном пространстве, МПа

5,5

Давление в межтрубном пространстве, МПа

1,8

Температура в трубном пространстве, ºС

-63

Температура в межтрубном пространстве, ºС

-94

Диаметр кожуха внутренний D, мм

1200

Число ходов по трубам

4

Наружный диаметр труб d, мм

25

Длина прямого участка труб l, мм

9000

Поверхность теплообмена F, м2

705,1

Площадь проходного сечения одного хода по трубам fтр, м2

0,0757

Площадь проходного сечения по межтрубному пространству fмтр, м2

0,185


Вывод

В данном разделе нами были проведены расчеты по определению тепловой мощности аппарата Q, она составила 12,34 МВт, а также проведены ориентировочный и уточненный расчеты поверхности теплообмена, в результате чего был выбран теплообменный аппарат с плавающей головкой 1200 ТПГ-6,3-М8/25Г-9-Т-4-У-И по ТУ 3612-023-00220302-01, с диаметром кожуха D = 1200 мм, на условное давление в кожухе и трубах Pу = 6,3 МПа, материального исполнения М8, с гладкими теплообменными трубками диаметром d = 25мм, длиной L = 9м, расположенными по вершинам треугольников,4-х ходовой по трубному пространству, умеренного климатического исполнения,с креплениями для теплоизоляции, у которого поверхность теплообмена составляет F = 705,1м2, площадь проходного сечения одного хода по трубам fтр=0,0757 м2, площадь проходного сечения по межтрубному пространству fмтр=0,185 м2. Также был составлен эскиз выбранного аппарата.

4. Механический раздел

.1 Расчет на прочность элементов теплообменного аппарата

Исходные данные:

тип теплообменного аппарата: с плавающей головкой ТП;

назначение теплообменного аппарата: охлаждение сырья;

диаметр кожуха внутренний, мм: 1200

диаметр распределительной камеры внутренний, мм: 1200

общая длина аппарата, мм: 11 400

расстояние между опорами, мм: 5510;

длина трубного пучка, мм: 9000;

число ходов по трубам: 4

- расположение труб в трубных решетках: по вершинам равностороннего треугольника;

- количество трубок общее, шт: 1054;

крепление труб в трубных решетках: развальцовка с канавками;

поверхность труб: гладкая;

наружный диаметр труб, мм: 25;

толщина стенки трубок, мм: 2,5

температура в трубном пространстве, О С

а) на входе           35 О С;

б) на выходе        минус 63 О С;

температура в межтрубном пространстве, О С

а) на входе           минус 94 О С;

б) на выходе        минус 8 О С;

среда в трубном пространстве:      смесь углеводородных газов;

среда в межтрубном пространстве: сухой отбензиненный газ.

4.1.1 Выбор конструктивных параметров некоторых элементов теплообменных аппаратов

Необходимые пояснения и результаты выбора конструктивных и расчетных параметров представлены в таблице 4.1.

Таблица 4.1 - Пояснения и результаты выбора конструктивных и расчетных параметров

Наименование параметра

Пояснения

Выбранный параметр

1.

Давление условное, МПа - в трубном пространстве - в межтрубном пространстве

Выбирается по рабочему давлению и температуре. - в трубном Рtрас= 5,5 МПа  - в межтрубном Рtрас=1,8 МПа

  Рутр= 6,3 МПа  Румтр= 2,5 МПа

2.

Шаг расположения труб в трубных решетках, номинальный, мм

dн , мм 16 20 25 38 57  t, мм 21 26 32 48 70 

 Для dн=25мм  t = 32 мм.

3.

Исполнение по материалу

М1-М24, Б1-Б10, выбирается в зависимости от температуры обрабатываемой среды, агрессивного воздействия среды, давления. Учитывая низкие температуры (до минус 100 0С), необходим материал с низким порогом хладноломкости. Поэтому выбираем материальное исполнение М8.

Материал:  кожуха:12Х18Н10Т распределительной камеры и крышки: 12Х18Н10Т - теплообменных труб: 12Х18Н10Т

4.

Форма, диаметр поперечных перегородок, (зазор между перегородками и кожухом). Число перегородок. Расстояние между перегородками.

Наиболее широко в мировой практике применяют сегментные перегородки. Высота вырезаемого сегмента, число и расстояние между перегородками для ТП регламентировано и указано в каталоге. Для уменьшения утечек устанавливают ограничения на размер кольцевого зазора между перегородкой и кожухом аппарата.  Рекомендуется диаметр перегородки принимать на 3-5 мм меньше диаметра кожуха.

- Форма перегородок сегментная; - зазор между перегородками и кожухом: 2,5 мм; - диаметр поперечных перегородок  1195 мм; - число перегородок  10 шт. - расстояние между перегородками  615 мм.

5.

Толщина перегородок

Минимальная толщина перегородок в зависимости от D выбирается по следующей схеме: D, мм ≤ 400 500-600 800-1000 ≥1200  Sп , мм 6 10 12 14  Обычно трубчатый пучок опирается на  ближайшую к плавающей головке поперечную перегородку, имеющую толщину (16-20 мм), больше толщины других перегородок. В некоторых случаях для поддержания трубчатого пучка к решеткам приваривают опорные ребра. Длину опорной части ребра у подвижной решетки принимают больше диаметра нижнего штуцера для обеспечения возтожности монтажа и демонтажа пучка.  При значительных размерах (диаметр корпуса 1000 мм и более) и массе трубчатого пучка его опирают на катковые опоры, которые крепят к продольной балке из швеллера или двух полос, приваренной к поперечным перегородкам и неподвижной трубной решетке

D = 1195 мм  Sп = 15 мм  Так как диаметр корпуса значительный (1200мм), то трубный пучок опираем на катковую опору.

6.

Диаметр и количество стяжек для перегородок

Диаметр стяжек для перегородок принимают: d = 12 мм при D ≤600 мм, d = 16 мм при D≥800 мм  Минимальное количество стяжек Zс =6 при D ≤1000 мм, Zс =8 при D = 1200 мм, Zс =10 при D≥ 1400 мм.

d = 16 мм  Zс = 8 шт.

7.

Отбойники (рисунокА.2, приложение А)

При входе среды в межтрубное пространство теплообменника часто ставят отбойник, который защищает от местного износа трубы, расположенные против входного штуцера. Отбойник выполняют в виде круглой или прямоугольной пластины. Размер отбойника должен быть не менее внутреннего диаметра штуцера D1. Обычноего принимают на 10-20 мм больше, т. е. D = D1 + (10…20) мм. Отбойник не должен создавать излишнее гидравлическое сопротивление, поэтому расстояние от внутренней поверхности корпуса до отбойника должно быть h >0,2D1 . Отбойник приваривают к дистанционным тягам или крепят хомутами (лапками) к трубам. Приваривать отбойник к трубам не рекомендуется из-за опасности прожога стенки трубы. Расстояние от отбойника до первой перегородки должно быть не менее 100 мм для обеспечения беспрепятственного распределения входящего потока среды.

Отбойник выполняем в виде круглой пластины диаметром 320 мм: D = D1 + 20= = 284+20=304 мм, примем D= 300 мм h =0,2•284=56,8мм Примем h = 60мм.

8.

Размеры плавающей головки

Внутренний диаметр крышки плавающей головки Д3 меньше внутреннего диаметра корпуса теплообменника на: - 50 мм для Дв = 400, 500, 600 мм; - 100 мм для Дв= 800, 1000, 1200, 1400 мм

Дв= 1200мм Д1 = 1190мм Д3 = 1100мм

9.

Маркировка ТОА

1200 ТПГ-6,3-М8/25Г-9-Т-4-У-И ТУ 3612-023-00220302-01 теплообменный аппарат с плавающей головкой горизонтальный, с внутренним диаметром кожуха D = 1200 мм, на условное давление в кожухе и трубах Pу = 6,3 МПа, материального исполнения М8, с гладкими теплообменными трубками диаметром d = 25мм, длиной L = 9м, расположенными по вершинам треугольников, 4-х ходовой по трубному пространству, умеренного климатического исполнения, с деталями для крепления изоляции.


4.1.2Расчет толщины стенки корпуса и трубной решетки

Исходные данные и результаты расчета приведены в таблицах 4.2 -4.5. Расчет производится только для рабочих условий.

Таблица 4.2 - Определение толщины стенки кожуха ТОА типа ТП

Параметр

Значение

Внутренний диаметр кожуха, Dвн, мм

1200

Материал стенки кожуха

12Х18Н10Т

Расчетная температура стенки кожуха, 0tрас кор

tрас кор= max{tраб;20 0С}= max{-8 ;20 0С}= 200С

Коэффициент прочности сварного шва

=1

Допускаемое напряжение кожуха в рабочих условиях при расчетной температуре tрас кор, МПа

[σ]tкор=η·σ*t, = 1·184=184МПа  (η =1 для сварных аппаратов -поправочный коэффициент к допускаемым напряжениям σ*t- нормативное значение допускаемого напряжения при расчетной температуре tрас кор)

Расчетное внутреннее избыточное давление для рабочих условий, МПа

 = 1,8 МПа

Расчетная толщина стенки цилиндрической обечайки без учета суммы прибавок С, Sц рас , мм

=


Таблица 4.3 - Значения прибавок к расчетной толщине

Наименование параметра

Значение

Прибавка для компенсации коррозии и эрозии, мм (при отсутствии данных С1 может приниматься равной 2 мм)

С1 = 2 мм

Прибавка для компенсации минусового допуска, мм (определяется по таблице Г1 Приложения Г по значениям Sцр и Sднр)

С2 = 0,6 мм

Прибавка технологическая, мм

С3 = 0 (для цилиндрической обечайки принимаем С3 =0)

Сумма прибавок С2 и С3

С2 + С3 = 0,6 мм

Сумма прибавок к расчетной толщине стенки, мм

Сц12 3= 2 + 0,6 = 2,6 мм


Таблица 4.4 - Результаты определения исполнительной толщины стенки цилиндрической обечайки для рабочих условий

Исполнительная толщина стенки цилиндрической обечайки Sцгост= SГОСТ, мм (Таблица Г1)

Sц ≥ Sцрас + Сц= 5,9 + 2,6 =8,5 мм По ГОСТ принимаем Sц гост = 10 мм


Таблица 4.5 - Определение толщины стенки трубной решетки

Параметр

Значение

Средний диаметр прокладки фланцевого соединения, Dп.ср мм

Dп.ср =1215 мм - прокладка плоская металлическая (из стали 08кп) для фланцевого соединения шип-паз

Материал трубной решетки

12Х18Н10Т

Расчетная температура трубной решетки, tр , 0 С.

tр = 35 0С(выбирается большее значение из двух - для трубного или межтрубного пространства)

Допускаемое напряжение трубной решетки в рабочих условиях при расчетной температуре tрас кор, МПа

[σ]t=η·σ*t, = 183 МПа  (σ*t- нормативное значение допускаемого напряжения при расчетной температуре tрас кор)

Расчетное давление, Ррас, МПа

Ррас= 5,5 МПа (выбирается большее из дух - для трубного или межтрубного пространства)

φ=1 (зависит от вида сварного шва, от длины контролируемых швов )

Расчетная толщина стенки трубной решетки  Sтр. реш , мм     

,13 > 0,01 мм

ПоГОСТ принимаем 52 мм


4.2 Подбор штуцера (вход продукта в кожух т/а)

Присоединение трубной арматуры к аппарату, а также технологических трубопроводов для подвода и отвода различных жидких и газообразных продуктов производится с помощью штуцеров или вводных труб, которые могут быть разъемными и неразъемными. По условию ремонтопригодности применяются разъемные соединения (фланцевые штуцера). Неразъемные соединения (на сварке) применяются при блочной компоновке аппаратов в кожухе, заполненном тепловой изоляцией, где длительное время не требуется осмотра соединения.

Стальные фланцевые штуцера стандартизированы и представляют собой трубки из труб с приваренными к ним фланцами или кованные заодно с фланцами. В зависимости от толщины стенок патрубки бывают тонкостенные и толстостенные, что вызывается необходимостью укрепления отверстия в стенке аппарата патрубком с разной толщиной его стенки.

Конструкция штуцера зависит от Рy и Ду , где Ру - условное давление,

Ду - условный диаметр. Условное давление выбирается по данным таблицы Б.1приложения Б в зависимости от температуры среды и наибольшего рабочего давления, затем по условному давлению Ру и условному диаметру Ду выбирается тип штуцера.

Условный диаметр штуцеров в теплообменном аппарате можно определить по объемному расходу жидкой фазы по формуле

,                                                                                    (4.1)

где    V- объемный расход паровой или жидкой фазы, м3/с;

скорость движения паровой или жидкой фазы, м/с.

Скорость движения  = 19,8 м/с.

Общий расход газосырьевой смеси для одного теплообменного аппарата (при параллельном подсоединении аппаратов) = 64,4/2=32,2 кг/с. Плотность газосырьевой смеси = 17,58 кг/ м3. Отсюда объемный расход равен

 м3/с.

Определим диаметр штуцера

.

Величина условного прохода штуцера по ГОСТ=300 мм.

Условное давление Рy = 2,5 МПа.

Присоединение фланцевых штуцеров к цилиндрическому корпусу, днищу или крышке производится с определенным вылетом, который зависит от Ру, Dу, а также от толщины изоляции аппарата, если аппарат подлежит тепловой изоляции. Вылеты без фланцевых штуцеров не стандартизованы, их можно принимать по соответствующим длинам патрубков фланцевых штуцеров.

Принимаем вылет штуцера для =300 мм на Рy = 2,5 МПа и с учетом изоляции равный Нт=270мм. Материальное исполнение штуцера принимаем в соответствии с материалом корпуса, т.е марку стали 12Х18Н10Т. Толщина Sтпатрубка составляет8 мм.

Таким образом, выбираем штуцер с Dу=300 мм на Ру=2,5 МПа, Нт=270 мм, фланец с соединительным пазом из стали 25, патрубок из 12Х18Н10Т:Штуцер 300-25-270-25-12Х18Н10Т ОСТ 26-1404-76

4.2.1 Подбор и обоснование выбора типа фланцевого соединения

В химических аппаратах для разъемного соединения составных корпусов и отдельных частей применяются фланцевые соединения преимущественного круглой формы. На фланцах присоединяются к аппаратам трубы, арматура и т.д. Фланцевые соединения должны быть прочными, жесткими, герметичными и доступными для сборки, разборки и осмотра. Фланцевые соединения стандартизированы для труб и трубной арматуры и отдельно для аппаратов.

Рисунок 4.1 - Конструкции стандартных стальных приварных фланцев для труб и трубной арматуры: а) - с шипом, б) - с пазом по ГОСТ 12821-80

Конструкция фланцевого соединения принимается в зависимости от рабочих параметров аппарата: плоские приварные фланцы - при ,  и числе циклов нагружения за время эксплуатации до 2000; приварные встык фланцы - при,  и . В связи с указанными условиями выбираем приварные встык фланцы. Размеры приведены в таблице 4.6

Таблица 4.6 - Параметры фланцевого соединения типа «шип-паз»

Py, МПа

Размеры, мм

Число отверстий z


Dy

Dф

DБ

D1

D2

D4

D5

D6

H

h

d


2,5

300

485

430

390

364

330

303

352

84

32

30

16


Выбираем конструкцию и материал прокладки по рекомендациям по выбору прокладок, ОСТ 26-373-78 и определяем ее ширину.

Выбираем прокладки плоскую металлическую из стали, которая рассчитана на Ру> 2,5 МПа, и температуры от -200 до 300.

Ширину уплотнительной прокладки bп в зависимости от ее конструкции, материала и диаметра Dпо ОСТ 26-373-78 принимаем 15 мм. Материал прокладки принимаем марку стали 05кп по ГОСТ 1050-88.

Прокладка устанавливается между уплотненными поверхностями и позволяет обеспечивать герметичность при относительно небольшом усилии затяжки болтов.

Прокладка должна отвечать следующим основным требованиям: при сжатии с возможно малым давлением заполнять все микронеровности уплотнительных поверхностей сохранять герметичность соединения при упругих перемещениях элементов фланцевого соединения (для этого материал прокладки должен обладать упругими свойствами); сохранять герметичность соединения при его длительной эксплуатации в условиях воздействия коррозионных сред при высоких и низких температурах; материал прокладки не должен быть дефицитным.

В качестве крепежных элементов применяем болты, так как Ру<4МПа и температура t<300 0С. Для отверстия диаметром d = 30 мм подбираем болты и гайки к ним М27, в количестве 16 штук. Чтобы предотвратить срыв резьбы болтов, для них необходимо материал выбирать прочнее, чам у гаек, поэтому болты из стали 35Х, а для гаек - стали 25.

4.3 Сводная таблица по результатам расчетов

Таблица 4.7 - Результаты расчетов

Параметр

Значение

Толщина стенки кожуха S

10 мм

Толщина стенки трубной решетки Sтр.реш

52 мм

Условный проход штуцера, Dу

300мм

Штуцер

300-25-270-25-12Х18Н10Т ОСТ 26-1404-76

Фланец

Приварной встык. Тип 5 «Паз» ГОСТ 12821-80

Прокладка

Плоская металлическая из стали 05кп ГОСТ 1050-88 с шириной 15мм.

Болты

М27х110 ОСТ 26-2037-96 из стали35Х 16шт.

Гайки

М27х22 ОСТ 26-2038-96 из стали25 16шт.


Вывод

В данном разделе мы произвели выбор конструктивныхи расчетных параметров теплообменного аппарата типа ТП, определили материальное исполнение - М8, форму (сегментные) и диаметр поперечных перегородок (1195мм), число перегородок (10) и их толщину (15мм), расстояние между ними (615мм), также необходимое число стяжек для закрепления поперечных перегородок (8 шт.) и их диаметр (16 мм), рассчитали параметры отбойника, размещенного при входе среды в межтрубное пространство (его диаметр - 300мм), определили размеры плавающей головки. Кроме того, мы рассчитали толщину стенки кожуха S, она составила 10мм, а также толщину трубной решетки Sтр.реш= 52мм. Нами были выбран штуцер на входе продукта в межтрубное пространство с параметрами: Dу=300мм на условное давлениеРу=2,5МПа, высотой вылета Нт=270 мм, с фланецем с соединительным пазом, приваренным встык из стали 25, а материал патрубка из 12Х18Н10Т. К фланцевому соединению были подобраны прокладка плоская металлическая из стали 05кп с шириной 15мм и крепежные элементы: болты М27х110 и гайки М27х22 по 16 штук.

Заключение

В ходе выполнения курсового проекта были систематизированы, закреплены, расширены и углублены практические знания, полученные при изучении дисциплины «Машины и аппараты нефтегазопереработки» и ряда предшествующих общеобразовательных дисциплин, а также применены полученные знания и навыки для решения конкретных технических задач.

В данной работеобъектом проектирования явился теплообменный аппарат Т-1 технологического блока наружной установки газоразделения, входящего в состав установки низкотемпературной конденсации. Назначение аппарата заключается в охлаждении смеси углеводородных газов, поступающих в качестве сырья, за счет рекуперации холода сухого отбензиненного газа, уходящего с установки.

Был произведен расчети выбран тип теплообменного аппарата. В результате расчетов был выбран тип теплообменника по каталогу - теплообменный аппарат 1200 ТПГ-6,3-М8/25Г-9-Т-4-У-И по ТУ 3612-023-00220302-01, т.е теплообменный аппарат с плавающей головкой горизонтальный с диаметром кожуха D=1200 мм, на условное давление в кожухе и трубах Pу = 6,3 МПа, материального исполнения М8, с гладкими теплообменными трубками диаметром d = 25мм, длиной L = 9м, расположенными по вершинам треугольников, 4-х ходовой по трубному пространству, умеренного климатического исполнения, с креплениями для теплоизоляции. У выбранного аппарата поверхность теплообмена составляет F = 705,1м2, площадь проходного сечения одного хода по трубам fтр=0,0757 м2, площадь проходного сечения по межтрубному пространству fмтр=0,185 м2.

Кроме того были рассчитаны основные конструктивные и расчетные параметры теплообменного аппарата, подобран штуцер на входе продукта в межтрубное пространство, а также прокладка и крепежные элементы к фланцевому соединению.

Список использованных источников

1. Технологический регламент. Установка переработки газа-2. Установка низкотемпературной конденсации и наружное оборудование. Реконструкция на промышленной площадке ОАО «Губкинский ГПК» г. Губкинский. ТР-530-2010

Ахметов С.А., Сериков Т.П., Кузеев И.Р., Баязитов М.И. Технология и оборудование процессов переработки нефти и газ. - СПб.: Недра, 2006. - 868 с.

.Каталог выпускаемого оборудования ОАО «Уралтехнострой-Туймазыхиммаш». - Изд. 2-е, перераб. и доп. - Уфа, 2005.- 343 с.

. Баязитов М.И., Хайрудинова С.С., Тукаева Р.Б., ., Хайрудинова Г.И. уч.-метод.указания к выполнению курсового проекта по МАХП. - Уфа: Изд-во УГНТУ, 2009. 104 с.

. Поникаров И.И., Поникаров С.И., Рачковский С.В. Расчеты машин и аппаратов химических производств и нефтегаопереработки (примеры и задачи). - М.: Альфа - М, 2008. - 720 с.

. Поникаров И.И., Гайнуллин М.Г. Машины и аппараты химических производств и нефтегазопереработки. - Изд. 2-е, перераб. и доп. - М.: Альфа- М, 2006. - 608 с.

. Лащинский А.А. Конструирование сварных и химических аппаратов: Справочник. - Л.: Машиностроение. Ленингр. отд-ние, 1981.- 382

. Тимонин А.С. Основы конструирования и расчета химико-технологического и природоохранного оборудования: Справочник в 3-х томах.- Калуга: Изд. Н.Бочкаревой, 2002.

Приложение А

Рисунок А.1 - Принципиальная схема технологической установки

Рисунок А.2 - Узел козырька-отражателя входного штуцера межтрубного пространства: 1 - козырек-отражетель, 2 - входной штуцер, 3 - ребра для крепления козырька-отражателя

Похожие работы на - Теплообменный аппарат блока наружной установки газоразделения установки низкотемпературной конденсации

 

Не нашли материал для своей работы?
Поможем написать уникальную работу
Без плагиата!
Без нейросетей!