Синхронные генераторы серии СГ2
Содержание
Введение
.
Разработка технического задания (ТЗ)
.
Разработка технического предложения на основе анализа технического задания
.
Разработка эскизного проекта
.
Разработка технического проекта
.1
Установление параметров проекта исходного для оптимизации
.1.1
Основные размеры
.1.2
Зубцовая зона и обмотка статора
.1.3
Зубцово-пазовая геометрия и укладка проводников в пазы статора
.1.4
Размеры полюса
.1.5
Обмотка полюсов. Рассеяние полюсов
.1.6
Активное и индуктивное сопротивления статора
.1.7
ЭДС обмотки статора в номинальном режиме
.1.8
Расчет магнитной цепи
.1.9
Потери и КПД
.1.10
Проверка теплового режима
.1.11
Проверка результатов «ручного» электромагнитного расчета на ЭВМ
.1.12
Проверка механической прочности отдельных деталей и узлов
.2
Оптимизация проекта на ЭВМ
.2.1
Постановка задачи оптимизации
.2.2
Результаты оптимизации
.2.3
Отличие рабочих свойств и параметров оптимального проекта
.3.
Оценка экономической эффективности
.3.1
Экономическая целесообразность разработки и внедрения проектируемого генератора
.3.2
Виды ремонтов
.3.3
Текущий ремонт
.3.4
График технического обслуживания и текущего ремонта
.3.5
Расчет численности ремонтных рабочих
.3.6
Экономическая целесообразность разработки и эксплуатации электродвигателя
.3.7
Расчет себестоимости электрогенератора
.3.8
Расчет годового экономического эффекта от изготовления генератора
.3.9
Вывод
.4
Охрана труда и техника безопасности при изготовлении и эксплуатации объекта
проектирования
.4.1
Задачи охраны труда при производстве генераторов
.4.2
Требования к инструменту
.4.3
Требование безопасности к подъемно-транспортным устройствам
.4.4
Требование к электро- и пневмо инструменту
.4.5
Электросварочные работы
.4.6
Газоплавочные работы
.4.7
Требование ТБ к противопожарной безопасности
.4.8
Расчет защитного заземления для механосборочного участка
4.5
Пуск и защита электромеханического преобразователя при работе с сетью
Заключение
Список
использованных источников
Введение
Синхронные машины применяют во многих отраслях народного
хозяйства, в частности, в качестве генераторов в передвижных и стационарных
электрических станциях, двигателей в установках, не требующих регулирования
частоты вращения или нуждающихся в постоянной частоте вращения.
Наиболее распространена конструктивная схема синхронной
машины с вращающимся ротором, на котором расположены явно выраженные полюсы.
Иногда явнополюсные синхронные машины малой мощности (до 15 кВт) выполняют по
конструктивной схеме машин постоянного тока, т.е. с полюсами, расположенными на
статоре, коллектор заменяется контактными кольцами.
Синхронные генераторы серии СГ2 изготавливают мощностью от
132 до 1000 кВт, при высоте оси вращения до 450 мм, в защищенном исполнении
IP23, с самовентиляцией IС01, с частотой вращения от 500 до 1500 об/мин.
Двигатели используют для привода механизмов, не требующих
регулирования частоты вращения и изготовляют на напряжения 380 и 6000 В, при
частоте 60 и 60 Гц. Генераторы предназначены для выработки трехфазного
переменного тока, напряжением 400 В, частотой 50 Гц на стационарных дизель-электрических
станциях.
Электрические машины серий СД2 и СГ2 рассчитаны на
продолжительный режим работы. Их возбуждение осуществляется от устройства,
питающегося от дополнительной обмотки, заложенной в пазы статора.
Нагревостойкость изоляционных материалов соответствует классу В. Ток
возбуждения регулируют изменением угла зажигания тиристоров преобразователя
возбудительного устройства, последние смонтированы в шкафах: в одном для
двигателя и в двух для генератора. В шкафах размещены тиристорные преобразователи,
элементы электронной системы управления, коммутационная аппаратура. Система
управления двигателя осуществляет автоматическую подачу возбуждения при падении
напряжения в главной цепи двигателя до 80-85% номинального. Отключается
форсировка при увеличении напряжения цепи до 90-95% номинального значения.
Тиристорный преобразователь питается от дополнительной
обмотки, заложенной в пазы статора синхронного генератора, и в номинальном
режиме работы генератора несет на себе около 30% нагрузки возбуждения. Остальная
часть мощности возбуждения обеспечивает диодный преобразователь, питаемый от
компаундирующего трансформатора, включенного в цепь статора, который служит для
поддерживания напряжения генератора при изменении нагрузки и в режиме короткого
замыкания. Двигатели и генераторы имеют радиальную систему вентиляции,
обеспечиваемую вентиляционным действием полюсов ротора и вентиляционными
лопатками. Охлаждающий воздух при этом входит через вентиляционные окна в
подшипниковых щитах, проходит по лобовым частям обмотки статора, через
междуполюсное пространство ротора, радиальные каналы статора и выходит через
боковые жалюзи станины.
Цель дипломного проекта состоит в совершенствовании
трехфазного синхронного генератора типа СТ2, явнополюсного, мощностью 250 кВт,
по материалоемкости.
В соответствии с заданной целью, в дипломном проекте
поставлены и решены следующие задачи:
- разработано техническое предложение на
основе анализа технического задания;
- разработаны эскизный и технический
проекты;
- рассчитаны основные параметры синхронного
генератора;
- проведена оптимизация проекта на ЭВМ;
- дана оценка экономической эффективности
проекта.
1. Разработка технического задания (ТЗ)
Техническое задание состоит в совершенствовании трехфазного
синхронного генератора типа СТ2, явнополюсного, мощностью 250 кВт, по
материалоемкости.
Для целей проектирования установлены следующие технические
требования и исходные материалы: номинальный режим работы S1, нормальная
отдаваемая мощность Р2 = 250 кВт; количество фаз статора m1=3; способ
соединения фаз статора ∆/Y; частота напряжения f=50 Гц; номинальное
линейное напряжение U1=400В; синхронная частота вращения n1=750 об/мин; количество пар полюсов Р=4; КПД η=93,2
%; cos φ = 0,8.
2. Разработка технического предложения на основе анализа
технического задания
трехфазный синхронный генератор
Основным направлением в создании нового поколения
электрогенери-рующего оборудования малой и средней мощности является повышение
рабочей частоты вращения первичного двигателя и генератора.
Это позволяет резко сократить материалоемкость оборудования,
улучшить массогабаритные показатели, повысить КПД, а также позволяет
реализовать безредукторную схему соединения первичного двигателя с генератором.
При этом параметры генерируемой электроэнергии, как правило, будут отличаться
от стандартных. Для преобразования параметров генерируемой электроэнергии в
стандартные: по частоте и величине напряжения, необходимо в структуру
автономной электростанции ввести преобразователь частоты, который будет
отвечать за величину и стабильность частоты генерируемого напряжения. Наличие
преобразователя частоты позволяет системе работать в режиме «переменная
скорость вращения - постоянная частота выходного напряжения, что очень важно
для оптимизации работы первичного двигателя при переменном графике нагрузки
потребления электроэнергии.
3. Разработка эскизного
проекта
Проекции синхронного генератора приведены на рис. 1.
Рис. 1 - Проекции синхронного генератора.
Рис. 2 - Продольный разрез активной части синхронного генератора.
Рис. 3 - Поперечный разрез активной части синхронного генератора.
4. Разработка
технического проекта
4.1
Установление параметров проекта исходного для оптимизации
4.1.1
Основные размеры
Проектирование синхронных машин начинают с определения
главных размеров: внутреннего диаметра D1 и длины l1 сердечника статора.
Определяем число полюсов р:
(1)
где f - частота напряжения, n1 - .частота вращения
по рис. 11-1 определяем
[гольд]:
о.е.
по рис. 11-2 определяем
[гольд]:
Главные размеры. Расчетную мощность
определяют по формуле (3) для этого определим значение
коэффициента
по формуле (2).
(2)
кВт (3)
Определим высоту оси вращения h по таблице 11-1. Для мощности Р2 = 400 кВт и частоте вращения п1
= 600 об/мин получаем высоту оси вращения h = 450 мм. По таблице 9-2 определим предельно допустимое значение
наружного диаметра DH1max для
известной высоты оси вращения h = 450 мм - DH1max = 850
мм. По той же таблице определяют припуски на штамповку
, а так же ширина резаных лент h1 и стандартной рулонной стали h2, из которых штампуются листы сердечника.
мм, h1 = 9 мм, h2 = 16 мм.
[гольд ]
Исходя из условия DH1max
DH1 , принимаем DH1 = 850 мм. Для количества полюсов 2р = 10, внутренний диаметр
сердечника статора определяется по формуле (4):
мм (4),
Определим наружный диаметр корпуса по формуле (5):
мм (5)
По рис. 11-3 определим предварительное значение линейной нагрузки
статора
, для DH1 = 850 и 2р = 10
А/см
Так же по рис 11-4 и 11-5 определяем предварительное значение
магнитной индукции в воздушном зазоре в номинальном режиме
Тл индуктивное сопротивление машины по
продольной оси
о.е.
Определим индуктивное сопротивление реакции якоря по продольной
оси по формуле (6):
о.е. (6)
Определим полюсное деление
по формуле (7):
мм (7)
Коэффициент, учитывающий наличие зазора в стыке полюса и
сердечника ротора или полюсного наконечника и полюса,
. Обычно
, меньшее значение
относятся к машинам большей мощности. Примем
=1,05. Определим предварительное значение
максимальной индукции в воздушном зазоре машины при х.х. по формуле (8):
Тл (8)
Определим величину воздушного зазора между полюсным наконечником и
сердечником статора
по формуле (9):
мм (9)
В машинах с h = 315-450 мм
применяют эксцентричный воздушный зазор, при котором центры радиусов полюсной
дуги и внутренней окружности сердечника статора не совпадают. В этом случае
зазор имеет наименьшее значение
под серединой полюса, постепенно увеличивающегося до
к краям наконечника. Для рассматриваемых
машин применяют
Определим значения
и
по формулам (10) и (111):
мм (10)
мм (11)
Определим коэффициент полюсной дуги для
2р=10 по формуле (12)
(12)
по рис. 11-9 для графика 2 определим значение расчетного
коэффициента полюсной дуги
и коэффициент формы поля возбуждения кв =1,13 [гольд].
Сердечник статора собирают из отдельных отштампованных листов электротехнической
стали толщиной 0,5 мм, имеющих изоляционные покрытия для уменьшения потерь в
стали от вихревых токов. Для высоты оси вращения 500-450 мм рекомендуется
применять сталь 2411.Для этой стали изолирование листов обычно производят
лакировкой (КС = 0,95). При использовании двухслойной обмотки с укороченным
шагом обмоточный коэффициент коб = 0,91
Определим расчетную длину сердечника статора
по формуле (13):
мм (13),
примем
мм.
При длине сердечника более 300-350 мм применяют радиальные
вентиляционные каналы. В этом случае
определяют по формуле (14):
(14)
где
,
количество вентиляционных каналов (16)
Примем длину пакета стали
, при этом количество пакетов определяется по формуле (14):
(15)
Тогда количество радиальных вентиляционных каналов сердечника
статора
:
(16)
Для проверки размеров определим показатель
:
(17)
По рис. 11-10 определим значение
= 1. Условие
выполняется. Определим количество пазов на полюс и фазу q1 . Для h = 450 и 2р =
10 получаем q1 = 3.
Определим количество пазов z1 сердечника статора:
(18)
Проверим выполнения условия симметричной обмотки:
целое число. (19)
Сердечник
ротора
В синхронных машинах с h = 315-450 мм сердечник
ротора выполняют из стали марки Ст3 толщиной 1-2мм. Сердечник ротора собирают
из штампованных многогранных листов без изоляционного покрытия. При этом кс
=0,98.
Определим длину сердечника ротора
по оси h = 450 мм:
мм (20)
Сердечник
полюса и полюсный наконечник
В синхронных машинах с h = 315-450 мм, выполняемых
с эксцентричным воздушным зазором под полюсными наконечниками, полюса
изготовляют из листов стали марки Ст3 толщиной 1-2 мм без изоляционного
покрытия и крепят к остову с помощью выступов Т-образной формы, или в виде
ласточкиного хвоста. При этом кс =0,98.
Определим длину шихтованного сердечника полюса:
мм (21)
Примем магнитную индукцию у основания сердечника полюса Вп = 1,5
Тл. Определим предварительное значение магнитного потока
:
Вб (22)
Определим ширину дуги полюсного наконечника
мм (23)
Радиус очертания полюсного наконечника при эксцентричном воздушном
зазоре:
мм (24)
Ширина полюсного наконечника, определяемая хордой
мм (25)
Примем что
мм, определим высоту полюсного наконечника
по оси полюса для машин с эксцентричном зазором
мм (26)
Поправочный коэффициент
зависит от высоты полюсного наконечника и расчетного коэффициента
полюсной дуги. При
(27)
Предварительное значение коэффициента магнитного рассеяния полюсов
(28)
Ширина сердечника полюса
мм (29)
Предварительная высота полюсного
сердечника
мм (30)
Предварительно внутренний диаметр сердечника ротора
мм, (31)
где кв = 22 определяется как зависимость от D1.
Высота спинки ротора
мм (32)
Расчетная высота спинки ротора с учетом прохождения части
магнитного потока на валу
мм (33)
Магнитная индукция в спинке ротора
Тл (34)
4.2.1
Зубцовая зона и обмотка статора
Параметры,
общие для обмоток. Для статора синхронной машины при высоте оси вращения h = 450 мм выбирают форму
паза открытую прямоугольную, а так же двухслойную обмотку из жестких катушек.
Обычно обмотку статора выполняют шестизонной, каждая зона равна 60 эл.
град. При шестизонной обмотке коэффициент распределения:
(35)
Укорочение шага
для 2р = 10 принимаем
. Двухслойную обмотку выполняют с укороченным шагом.
(36)
Принимаем
=8
Уточним укорочение шага
(37)
Определим коэффициент укорочения шага
(38)
Определим обмоточной коэффициент
(39)
Определим предварительное значение количества витков в обмотке
фазы
(40)
Примем для 2р = 10 а1 = 5. Определим количество эффективных
проводников в пазу
(41)
примем
. Для полученного значения определим
количество витков в обмотке фазы
(42)
Уточним ряд параметров:
Вб (43)
Тл (44)
А/см (45)
где I1 предварительное значение номинального
фазного тока
А (46)
По таблице 9-13 определим среднее значение магнитной индукции в
спинке статора
=1,2Тл.
Определим по аналогии количество витков дополнительной
обмотки статора.
(47)
где NД количество эффективных проводников
дополнительной обмотки, для h = 450мм NД = 1, аД =5
Обмотка
статора с прямоугольными открытыми пазами. Достоинством прямоугольных открытых пазов
статора является возможность размещения в них проводов прямоугольного сечения,
что повышает коэффициент заполнения пазов медью, а так же надежность обмотки.
Определим предварительное значение магнитной индукции в узком
месте зуба по табл. 9-16. Для защиты IP23
Тл.
Рекомендуется принять для класса нагревостойкости F провода марки ПЭТП-155.
Определим зубцовое деление статора
мм (48)
Определим предварительную ширину зуба
мм (49)
Определим предварительную ширину открытого паза в штампе
мм (50)
Высота спинки паза статора
мм (51)
Высота паза
мм (52)
По приложению 30 [гольд ] определим толщину изоляции по ширине 2bи = 4,3 мм по высоте hи = 14,2 мм. Припуски на сборку hc =0,35мм u bc =0,35мм. Высота шлица hш1 =1мм, высота клина hk = 3мм. При этом количество эффективных проводников по ширине паза
NШ = 1
Определим допустимую ширину эффективного проводника с витковой
изоляцией
мм (53)
Количество эффективных проводников по высоте паза
(54)
Допустимая высота эффективного проводника с витковой изоляцией
мм (55)
Определим допустимую площадь эффективного проводника с
витковой изоляцией
мм (56)
Определим меньший
и больший
размеры элементарного неизолированного
провода
мм (57)
мм (58)
где
-двусторонняя толщина изоляции для провода
ПЭТВ-155,
мм
По приложению 2 определяем стандартные размеры высоты и длины
провода. а = 1,6 мм, b = 8,5мм u S =
13,39мм2 Размер по ширине паза в штампе
мм (59)
Размеры и количество элементарных проводников основной и
дополнительной обмоток, укладываемых по ширине и по высоте, выбирают с учетом
рационального заполнения площади паза. Из этого следует что СО.В = 1, СО.Ш. =2,
СД.В. = 2, СД.Ш. = 2
Размер основной и дополнительной обмоток статора по высоте паза
мм (60)
По приложению 30 определим толщину изоляции дополнительной
обмотки. hи.д.=1,8
мм
мм (61)
Проверка возможности размещения обмотки и уточнения высота паза
статора в штампе
мм (62)
Среднее зубцовое деление статора
мм (63)
Средняя ширина катушки обмотки статора
мм (64)
Средняя длина одной лобовой части катушки
мм (65)
Средняя длина витка обмотки
мм (66)
Длина вылета лобовой части обмотки
мм (67)
Определим плотность тока в обмотке статора
А/мм2 (68)
Уровень удельной тепловой нагрузки статора от потерь в обмотке в
значительной мере определяет ожидаемое превышение температуры обмотки, этот
уровень характеризуется произведением линейной нагрузки на плотность тока в
обмотке А1 J1
А2 /см мм2 (69)
Средние допускаемые значения для обмотки статора с прямоугольными
открытыми пазами находим по табл. 11-12. Получаем для 2р=10 АJДОП =2000А2 /см мм2 [гольд ]
условие выполняется.
Демпферная обмотка полюсов синхронной машины выполняет ряд функций. В генераторах
она служит для снижения уровня динамических перенапряжений в обмотке ротора при
несимметричных коротких замыканиях, гашения обратного синхронного поля,
улучшения формы ЭДС и симметрии напряжений при несимметричных нагрузках
отдельных фаз, успокоения качаний и повышения динамической устойчивости работы.
Генераторы, имеющие мощность больше 100кВт, имеют демпферную обмотку.
Суммарная площадь поперечного сечения стержней демпферной обмотки.
мм2 (70)
Для уменьшения добавочных потерь и пульсаций ЭДС обмотки статора
обмотки статора примем зубцовое деление наконечника ротора близким к зубцовому
делению статора. t2=24,1 мм.
Предварительное количество стержней демпферной обмотки на один
полюс
(71)
примем
Предварительный диаметр стержня демпферной обмотки
мм (72)
Принимаем
мм, тогда
мм2.
Найдем уточненное значение зубцового деления полюсного
наконечника.
мм (73)
где
Диаметр круглой части паза полюсного наконечника
мм (74)
Предварительная длина стержня демпферной обмотки
мм (75)
Размеры короткозамкнутых сегментов выбирают такими, что бы их
высота
мм, толщина
мм. А площадь поперечного сечения стержней одного полюса
мм2 (76)
Окончательно размеры сегмента в поперечном сечении выбираем по
приложению 2.
мм и
мм получаем
мм2.
4.1.3
Зубцово-пазовая геометрия и укладка проводников в пазы статора
Воздушный
зазор
При Ф*=1 о.е.
Расчетная площадь поперечного сечения воздушного зазора
мм2 (77)
Уточненное значение магнитной индукции в воздушном зазоре
Тл (78)
Коэффициент, учитывающий увеличение магнитного сопротивления
воздушного зазора вследствие зубчатого строения статора
(79)
Коэффициент, учитывающий увеличение магнитного сопротивления
воздушного зазора вследствие зубчатого строения статора с учетом ротора
(80)
Коэффициент, учитывающий уменьшение магнитного сопротивления
воздушного зазора при наличии радиальных каналов на статоре
(81)
Общий коэффициент воздушного зазора
(82)
МДС для воздушного зазора
А (83)
Зубцы
статора
Зубцовое деление на 1/3 высоты зубца
мм (84)
Ширина зубца
мм (85)
Расчетная площадь поперечного сечения зубца
мм2 (86)
Магнитная индукция в равновеликом поперечном сечении зубца
Тл (87)
По приложению 10 определим напряженность магнитного поля Н31=7
А/см. Средняя длина пути магнитного тока
мм (88)
МДС зубцов
А (89)
Спинки
статора
Расчетная площадь поперечного сечения спинки статора
мм2 (90)
Магнитная индукция спинки статора
Тл (91)
Средняя длина пути магнитного потока
мм (92)
По приложению 13 определим напряженность магнитного поля для
спинки статора Нс1=1,88 А/см. МДС для спинки статора
А (93)
Зубцы
полюсного наконечника
Магнитная индукция в зубцах полюсного наконечника
Тл (94)
Напряженность магнитного поля в зубцах полюсного наконечника
находим из приложения Нз2=11,7 А/см.
Средняя длина пути магнитного потока в зубцах полюсного
наконечника
мм (95)
МДС для зубцов полюсного наконечника
А (96)
4.1.4
Размеры полюса
Полюсы
Величина выступа полюсного наконечника
мм (97)
Высота полюсного наконечника
мм (98)
Расстояние между боковыми поверхностями смежных полюсных
наконечников
мм (99)
Коэффициент магнитной проводимости потока рассеяния по внутренним
поверхностям полюсного наконечника

(100)
Длина пути магнитного потока в полюсе при
наличии демпферной обмотки
мм (101)
Коэффициент магнитной проводимости потоков рассеяния полюсов по
сердечнику полюсов
(102)
Коэффициент магнитной проводимости потоков рассеяния полюсов по
торцам полюсов
(103)
Коэффициент магнитной проводимости потока рассеяния полюсов
(104)
МДС для статора и воздушного зазора
А (105)
Магнитный поток рассеяния полюсов
Вб (106)
Коэффициент рассеяния магнитного потока
(107)
Расчетная площадь поперечного сечения сердечника полюса
мм2 (108)
При Bп=1,5 определим магнитный поток в
сердечнике полюса
Вб (109)
Магнитная индукция в сердечнике полюса
Тл (110)
По приложению 21 определим напряженность магнитного поля в
сердечнике полюса Нп=23,7А/см. МДС для полюса
А (111)
Спинка
ротора
Расчетная площадь поперечного сечения спинки ротора
мм2 (112)
Среднее значение индукции в спинке ротора
Тл (113)
По приложению 21 находим напряженность магнитного поля в спинке
ротора Нс2=2,32А/см. Средняя длина пути магнитного потока в спинке ротора
мм (114)
МДС для спинки ротора
А (115)
Воздушный
зазор в стыке полюса
Зазор в стыке
мм (116)
МДС для зазора в стыке между сердечником полюса и ротора
А (117)
4.1.5
Обмотка полюсов. Рассеяние полюсов
Обмотка
возбуждения
Напряжение дополнительной обмотки статора
В (118)
Предварительная средняя длина витка
обмотки возбуждения
мм (119)
Предварительная площадь поперечного сечения проводника обмотки
возбуждения
мм2 (120)
По рис. 11-21 определим среднее значение
, для P=315 кВт.
Предварительное количество витков одной полюсной катушки
(121)
Расстояние между катушками смежных полюсов
мм (122)
Принимаем неизолированный ленточный медный провод. Изоляция между
витками - асбестовая бумага толщиной 0,3 мм, катушка однослойная.
мм (123)
Предварительный размер проводника обмотки
из неизолированной полосовой меди, навиваемое на ребро, по толщине
мм (124)
По приложению 2 определим стандартные значения для ширины, толщины
и площади проводника а=3мм; b=28мм; S=82,1мм2.
Минимальный допустимый радиус закругления проводника
мм (125)
фактический средний радиус закругления проводника, навиваемого на
ребро
мм (126)
Размер полюсной катушки по ширине
мм, при этом раскладка витков по высоте катушки
.
Размер полюсной катушки по высоте
мм (127)
Средняя длина витка катушки
мм (128)
Ток возбуждения при номинальной нагрузке
А (129)
Уточненная плотность тока в обмотке возбуждения
А/мм (130)
Общая длина всех витков обмотки возбуждения
мм (131)
Масса меди обмотки возбуждения
кг (132)
Сопротивление обмотки возбуждения
Ом (133)
Максимальный ток возбуждения
А (134)
Коэффициент запаса возбуждения
(135)
Номинальная мощность возбуждения
кВт (136)
4.1.6
Активное и индуктивное сопротивления статора
Активное сопротивление обмотки фазы при 20о С
Ом (137)
Относительное значение активного сопротивления обмотки фазы при
20оС
о.е. (138)
Проверка правильности определения
о.е. (139)
Активное сопротивление дополнительной обмотки статора при 20о С
Ом (140)
По таблице 9-21 определяем размеры частей обмоток и паза: hk1=3,5мм; h2=2,55мм; h3=5мм
При этом определим размер обмотки
мм, (141)
где hn1=43,25мм - высота паза статора, hш=1 - высота шлица,
ширина паза статора bn1=14,3мм
Коэффициенты учитывающие укорочение шага
(142)
(143)
Коэффициент проводимости рассеяния для прямоугольного открытого
паза
(144)
Коэффициент проводимости дифференциального рассеяния
(145)
Коэффициент рассеяния между коронками зубцов
, (146)
где кк коэффициент учитывающий влияние открытия пазов статора на
магнитную проводимость рассеяния между коронками зубцов, определяется по рис.
11-16 в зависимости от коэффициента зубцовой зоны статора
(147)
получаем кк=0,05. Коэффициент магнитной проводимости для
лобовых частей
(148)
Суммарный коэффициент магнитной проводимости потока рассеяния
(149)
Индуктивное сопротивление обмотки фазы ротора
Ом (150)
Индуктивное сопротивление обмоток фаз статора
о.е. (151)
Проверка правильности определения
о.е. (152)
4.1.7
ЭДС обмотки статора в номинальном режиме
Сопротивление
обмотки статора для установившегося режима.
По табл. 11-4 определим для
и
получили
и
. Определим коэффициент насыщения при
Е=0,5
(153)
МДС для воздушного зазора при Е=1 т.е.
А. При этом индуктивное сопротивление
продольной реакции якоря
(154)
Индуктивное сопротивление поперечной реакции якоря
(155)
Синхронное индуктивное сопротивление по продольной оси
(156)
Синхронное индуктивное сопротивление по поперечной оси
(157)
Сопротивления
обмотки возбуждения
Активное сопротивление обмотки возбуждения, приведенное к
обмотке статора, при рабочей температуре
(158)
Коэффициент магнитной проводимости потоков рассеяния обмотки
возбуждения
(159)
Индуктивное сопротивление обмотки возбуждения
(160)
Индуктивное сопротивление обмотки возбуждения
(161)
Сопротивление
демпферной обмотки
Относительное зубцовое деление демпферной обмотки
(162)
Коэффициент распределения демпферной обмотки
(163)
Коэффициент магнитной проводимости потока рассеяния по зубцам
полюсного наконечника
(164)
Коэффициент магнитной проводимости пазового рассеяния полюсов
(165)
По рис. 11-23 определим коэффициенты
,
. Коэффициенты магнитной проводимости рассеяния демпферной обмотки
по продольной оси
(166)
Коэффициенты магнитной проводимости рассеяния демпферной обмотки
по поперечной оси
(167)
Коэффициент магнитной проводимости рассеяния демпферной обмотки по
продольной оси
(168)
Коэффициент магнитной проводимости рассеяния демпферной обмотки по
поперечной оси
(169)
Индуктивное сопротивление полной демпферной обмотки по продольной
оси
(170)
Индуктивное сопротивление полной демпферной обмотки по поперечной
оси
(171)
Активное сопротивление стержней демпферной обмотки по продольной
оси
(172)
Активное сопротивление стержней демпферной обмотки по поперечной
оси
(173)
Активное сопротивление короткозамыкающих колец демпферной обмотки
по продольной оси
(174)
Активное сопротивление короткозамыкающих колец демпферной обмотки
по поперечной оси
(175)
Активное сопротивление полной демпферной обмотки по продольной оси
(176)
Активное сопротивление полной демпферной обмотки по поперечной оси
(177)
4.1.8
Расчет магнитной цепи
Параметры
магнитной цепи
Суммарная МДС магнитной цепи
А (178)
Коэффициент насыщения магнитной цепи
(179)
Характеристики
намагничивания
Расчет характеристик намагничивания и х.х. выполнен в
относительных единицах в пределах от 0,5 до 1,3 о.е. В качестве базового
значения примем величину Ф =1 о.е. и
=1 о.е. Все расчеты параметров представлены в таблице.
Таблица 1
|
Ф*, Е*
|
0,5
|
1
|
1,1
|
1,2
|
1,3
|
|
, А1189,32581,53179,94743,67267
|
|
|
|
|
|
|
F*
|
0,47
|
1
|
1,24
|
1,86
|
2,84
|
Так же расчетные значения приведены графически на рис.1
Рис.1
Расчет
магнитной цепи при нагрузке
По таблице 1 строим частичные характеристики в относительных
единицах
,
,
Рис.2
Строим векторные диаграммы Блонделя по следующим исходным данным: u1=1 , I1=1, cos
=0,8
т.е.
=36,870 (отстающий),
о.е.
Рис.3
По векторной диаграмме определим ЭДС, индуктированная магнитным
полем воздушного зазора
о.е. По частичным характеристикам
определим МДС для магнитной цепи воздушного зазора и статора а так же МДС для
воздушного зазора для
. Получаем
о.е.,
о.е.
Предварительный коэффициент насыщения
(180)
По рис 11-17 определим поправочные коэффициенты насыщения
магнитной цепи
,
,
По табл. 11-4 определим для
и
получили
и
Примем коэффициент формы поля реакции якоря
Амплитуда МДС обмотки статора
(181)
Амплитуда МДС обмотки статора в относительных единицах
(182)
Поперечная составляющая МДС реакции якоря, с учетом насыщения,
отнесенная к обмотке возбуждения
(183)
ЭДС обмотки статора, обусловленная действием МДС реакции якоря
. По векторной диаграмме определим угол
при этом
,
.
Продольная МДС реакции якоря с учетом влияния поперечного поля при
эксцентричном зазоре
(184)
Продольная составляющая ЭДС, наводимая в обмотке статора
результирующим потоком по продольной оси определим по векторной диаграмме
. По частичным характеристикам определим
МДС по продольной оси, необходимой для создания ЭДС
получим
Результирующее МДС по продольной оси
(185)
По частичным характеристикам определим значение
. Определим результирующий магнитный поток
(186)
По частичным характеристикам определим значение
. Определим МДС обмотки возбуждения при
нагрузке
(187)
Определим действительное значение МДС обмотки возбуждения при
нагрузке
А (188)
Определение
размеров магнитопровода
Активное сечение Рст стержня, т. е. сечение активной стали,
будет зависеть от выбранной формы сечения, числа ступеней и коэффициента
заполнения.
Число ступеней в принципе должно быть возможно большим,
потому что чем больше ступеней, тем большим будет коэффициент Кз.кр заполнения
площади круга геометрической фигурой сечения стержня. Но по технологическим
соображениям число ступеней часто предпочитают ограничивать с тем, чтобы не
усложнять производство чрезмерно большим количеством размеров пластин. Поэтому
число ступеней выбирается в зависимости от выбранного диаметра D.
Выбранное число ступеней определяет число пакетов пластин, из
которых складывается сечение стержня. Наибольшее сечение стержня (ступенчатой
фигуры) получается лишь при определенных соотношениях ширины сп пакетов к
диаметру D. Эти соотношения различны для разных чисел ступеней. Ширина каждого
пакета cп получается путем умножения соответствующего коэффициента на диаметр
D.
Сечение ярма, поскольку магнитный поток в ярме такой же
величины, как и в стержне, теоретически (по крайней мере в геометрическом
смысле) должно было бы повторять сечение стержня. Однако ярмо не несет обмоток
и поэтому его форма не обусловлена в этом отношении особыми требованиями. С
другой стороны, желание упростить в какой-то мере конструкцию магнитопровода
приводит к уменьшению числа ступеней сечения ярма по сравнению со стержнем.
В случае применения прямоугольного или двухступенчатого ярма
необходимо увеличивать его сечение, т. е. делать так называемое усиление ярма.
Усиление ярма делается из следующих соображений. Так как пакеты ярма в этих
случаях не равны соответствующим пакетам стержня, то при равных общих сечениях
магнитные индукции в пакетах будут разными. Например, в прямоугольном ярме
сечение среднего пакета, очевидно, будет меньше сечения среднего (большего)
пакета стержня, следовательно, индукция в среднем пакете ярма будет больше
средней индукции. Кроме того, индукция будет стремиться выравниваться по общему
сечению, а это значит, что часть магнитного потока будет переходить из одного
пакета в другой, вызывая добавочные потери от вихревых токов в пластинах стали.
Это явление главным образом будет происходить в углах магнитопровода.
Чтобы уменьшить добавочные потери и отчасти несколько
уменьшить перераспределение магнитного потока по пакетам, делают усиление ярма.
Величина усиления обычно составляет 10-15% при прямоугольном ярме и около 5%
при двухступенчатом ярме. При этом только в среднем (большем) пакете ярма
индукция будет примерно на 10% больше средней индукции стержня.
Так как пакеты стержня и ярма собираются из тонких
изолированных пластин электротехнической стали, то из-за наличия изоляционных
прослоек и неплотностей между пластинами активное сечение стержня и ярма на
несколько процентов меньше площади ступенчатой фигуры.
Активное сечение определяется умножением площади сечения
ступенчатой фигуры на коэффициент заполнения сталью этой площади. Для обычно
применяемого двустороннего изоляционного покрытия пластин лаковой пленкой
коэффициент заполнения имеет значение 0,93.
Основные размеры магнитопровода Н и МО определяются после
расчета обмоток, при котором производится раскладка витков в окне
магнитопровода и тем самым определяются размеры окна магнитопровода.
Выбор
размеров пластин пакетов стержня
Сечение стержня по заданию имеет шестиcтупенчатую форму, ярма
- двухступенчатую. Значения c подбираем до ближайшего нормализованного размера,
дающего наивыгоднейший раскрой стали:= 0,959 · 245 = 234,955, принимаем
230 мм;= 0,875 · 245 = 214,375, принимаем 215 мм;= 0,768 · 245 =
188,16, принимаем 195 мм;= 0,64 · 245 = 156,8, принимаем
155 мм;= 0,484 · 245 = 118,58, принимаем 120 мм;= 0,283 · 245 =
69,335, принимаем 65 мм.
Затем определяем толщину b пакетов с тем, чтобы ступенчатая
фигура вписывалась в окружность диаметра D = 245 мм. Эти действия удобно
записать в следующем виде:= (D2 - c12)1/2 = (2452 - 2302)1/2 = 84 мм;
b2 = (D2 - c22)1/2 - b1 = (2452 - 2152)1/2 - 84 = 33 мм;
b3 = (D2 - c32)1/2 - (b1 + 2b2) = (2452 - 1952)1/2 - 117 = 31 мм;
b4 = (D2 - c42)1/2 - (b1 + 2b2 + 2b3) = (2452 - 1552)1/2 - 148 = 41 мм;
b5 = (D2 - c52)1/2 - (b1 + 2b2 + 2b3 + 2b4) = (2452 - 1202)1/2 - 189 = 24 мм;
2b6 = (D2 - c62)1/2-(b1 + 2b2 + 2b3 + 2b4 + 2b5)
= (2452 - 652)1/2 -213 = 23 мм; = 236 мм.
Далее определяем геометрическое и активное сечение стержня.
Коэффициент заполнения Кз принимаем равным 0,93.
Определяем сечение стержня:
· пакет 1 23 · 8,4 = 193,2
см2;
· пакет 2 21,5 · 3,3 = 70,95
см2;
· пакет 3 19,5 · 3,1 = 60,45
см2;
· пакет 4 15,5 · 4,1 = 63,55
см2;
· пакет 5 12 · 2,4 = 28,8
см2;
· пакет 6 6,5 · 2,3 = 14,95
см2;
· FФ = 431,9 см2.
Fст = Кз · FФ = 0,93 · 431,9 = 401 см2.
Расчет
сечения ярма
Сечение двух средних пакетов стержня (для расчета весов углов
магнитопровода):
F'ст = 0,93 · (193,2 + 70,95) = 245 см2. (189)
Сечение ярма двухступенчатой формы обычно делается усиленным, т.е.
его сечение должно быть примерно на 5% больше сечения стержня.
Для определения ширины пластины среднего пакета ярма, т.е. его
высоты h1, сначала предположим, что ярмо имеет прямоугольную форму с усилением
15%: принимаем 21,5 см. Ширина пластин крайних пакетов ярма равна примерно 0,8
· h1, т.е h2 = 0,8 ·21,0 = 16,8, принимаем 17,5 см.
Определяем активное сечение ярма:
я = Кз · [(b1 + 2 ·b2) · h1 + 2 · (b3 + b4 + b5 + b6) · h2] =
= 0,93 · [(84 + 33) · 21,5 + (31 + 41 + 24 + 23) · 17,5] = 427
см2. (190)
Коэффициент усиления ярма:
у = (Fя - Fст) / Fст = (427 - 401) / 401 = 0,065, или 6,5%. (191)
4.1.9 Потери и КПД
Расчет
потерь тока холостого хода
Потери холостого хода Pх состоят главным образом из потерь в
активной стали магнитопровода. Электрические потери в первичной обмотке,
вызванные током холостого хода, относительно малы и ими пренебрегают.
Потери в конструкционных стальных деталях остова и
диэлектрические потери в изоляции, имеющие место при холостом ходе, не
поддаются точному расчету, и они обычно учитываются коэффициентом добавочных
потерь, определяемым опытным путем. Потери в стали состоят из потерь от
перемагничивания (гистерезиса) и потерь от вихревых токов. Процентное
соотношение этих потерь (бывает различно и зависит от марки применяемой
электротехнической стали.
При расчете потерь в стали, а также при их измерении во время
испытания генератора определяют общие потери в стали, не разделяя их по
отдельным составляющим, так как в этом нет необходимости .
Потери в стали зависят от ее марки, толщины, частоты тока,
индукции и веса. Значения удельных потерь, т.е. потерь на единицу веса,
выражаемых в вт/кг, нормированы ГОСТ 802-58. Однако в готовом генераторе на
величину потерь в стали влияет еще целый ряд факторов, как-то: род изоляции
пластин, применение отжига пластин после их обработки, качество сборки,
конструкция магнитопровода и др. Точный учет влияния этих факторов не всегда
возможен, поэтому при расчете пользуются кривыми или таблицами, составленными
на основании испытания реальных конструкций магнитопроводов. К данным таблиц,
взятым за основные, вносятся корректирующие поправки в виде коэффициентов,
учитывающих конкретные особенности конструкций магнитопровода, а также и
технологию его изготовления.
Значения удельных потерь и намагничивающей мощности стали
взяты из табл. 4.1. Так как значение индукции в стержнях и ярмах обычно
различаются между собой, то потери в стали определяются отдельно для стержней и
ярм, и затем результаты складываются.
К полученному значению потерь в стали вносятся поправочный
коэффициент добавочных потерь Кд, учитывающий неравномерное распределение
индукции по сечению стержня и ярма, который может быть взят из табл. 4.2[1].
При расчете потерь в магнитопроводе, собранном из пластин холоднокатаной стали
обычной конструкции - с прямыми стыками, потери в углах магнитопровода
увеличиваются. Это увеличение потерь происходит вследствие несовпадения
направления магнитных линий и направления прокатки стали, и может быть учтено
коэффициентом Ку = 1,5 для стали. На этот коэффициент умножается вес стали
углов магнитопровода.
При холостом ходе генератора по его первичной обмотке течет
ток холостого хода Io. У идеального генератора (не имеющего потерь) это будет
чисто намагничивающий ток, т.е. ток, создающий намагничивающую силу
(ампер-витки), необходимую для образования в магнитопроводе главного магнитного
потока Ф, сцепленного с обеими обмотками генератора. У реального генератора ток
холостого хода состоит из реактивной (намагничивающий ток) и активной
(компенсирующей потери холостого хода) составляющих.
Ток холостого хода и его составляющие обычно выражают в % от
номинального тока.
Что касается намагничивающего тока Iop, то его величина при
определенном значении индукции, так же как и потери холостого хода, зависит в
первую очередь от сорта применяемой стали и конструкции магнитопровода.
Расчет намагничивающей мощности, потребляемой сталью
магнитопровода, производится аналогично расчету потерь. Значения удельной
намагничивающей мощности q берутся по таблице. Но так как главный магнитный
поток Ф на своем пути должен проходить также через места стыков (зазоров) между
пластинами, то на преодоление сопротивления стыков требуется дополнительная
намагничивающая мощность, которая будет зависеть от конструкции магнитопровода
- стыковой или шихтованный, величины зазора, схемы шихтовки и, разумеется,
индукции.
Потери холостого хода:
х = Kд · [pст · Gст + pя · (Gя.п + Kу · Gя.у)] = 1,02 · [1,70
· 512 + 1,47 · (419 + 1,50 · 122)] = 502 Вт.
где pст, pя, вт/кг - значения удельных потерь, взятые по
табл. 4.1[1] для определенных значений индукции;ст, Gя.п, Gя.у, кг - вес
стержней, прямых и угловых частей ярм;
Кд - коэффициент добавочных потерь;
Ку - добавочный коэффициент для углов магнитопровода.
Намагничивающий ток:
= [qст · Gст + qя · Gя + nст · qз.ст · Fст + nя · qз.я · Fя]
/ [10 · S] =
[16,50 · 612 + 9,30 · 641 + 3 · 3,01 · 401 + 4 · 2,19 · 427] / [10
· 1000] = 4,07 %, (192)
где qст и qя, вар/кг - удельные намагничивающие мощности для
стержней и ярм;ст и Gя, кг - вес стержней и ярм;ст и nя - число стыков по
сечениям стержня и ярма;з.ст и qз.я, вар/см2, - удельные намагничивающие мощности
на один стык;ст и Fя, см2, - сечения стержня и ярм (без учета коэффициента
заполнения).
Активная составляющая тока холостого хода:
ioа = Pх / (10 · S) = 502 / (10 · 700) = 0,0717 %. (193)
где Pх, вт - потери холостого хода; S, вт - мощность генератора.
Ток холостого хода:
io = (iop2 + ioa2)1/2 = (4,072 + 0,07172)1/2 = 4,14 %. (194)
Расчет
потерь короткого замыкания
Потерями короткого замыкания Рк называется мощность,
определяемая по ваттметру при проведении опыта короткого замыкания . Основную
часть потерь короткого замыкания, составляют электрические потери в обмотках
или, точнее, в обмоточных проводах. Кроме электрических потерь в обмотках, в
состав потерь короткого замыкания входят также добавочные потери в проводах,
стенках бака и деталях конструкции и потери в отводах.
Электрические потери в обмотках, вызванные нагрузочными
токами в них, рассчитываются по основной формуле мощности электрического тока,
затрачиваемой в цепи. В заводской практике часто пользуются преобразованной
формулой, в которую входят плотность тока и вес обмоточного провода. Так как
плотности тока и вес провода у первичной и вторичной обмоток отличаются между
собой, то потери в обмотках рассчитываются для каждой из обмоток отдельно и
затем суммируются.
Потери в обмотке НН:
кНН = Kп · δНН2 · GНН = 2,40 · 4,222
· 136 = 1256 Вт,
где Кп - коэффициент потерь для медного провода из табл.
5.1[1]; δНН, а/мм2 - плотность тока обмотки низкого напряжения; GНН, кг -
вес провода обмотки низкого напряжения.
Потери в обмотке ВН:
PкВН = Kп · δВН2 · GВН = 2,40 · 3,782
· 184 = 1321 Вт,
где Кп - коэффициент потерь для медного провода из табл.
5.1[1];
δВН, а/мм2 - плотность
тока обмотки высокого напряжения;ВН, кг - вес провода обмотки высокого
напряжения.
Потери в отводах обмотки низкого напряжения вычисляются по
эмпирической формуле:
Pотв = (S / 100) · (IфНН / 100) = (1000 / 100 ) · (1443,4 / 100) = 144 Вт.
Потери в отводах обмотки высокого напряжения не вычисляются,
так как они малы.
Потери короткого замыкания:
к = PкНН + PкВН + Pотв = 4232 + 5723 + 144 = 2520 Вт.
Расчет
напряжения короткого замыкания
Напряжение короткого замыкания генератора, представляющее
полное падение напряжения в нем, измеряется у готового генератора при опыте
короткого замыкания. Опыт короткого замыкания заключается в том, что вторичную
обмотку (обычно НН) замыкают накоротко, а к первичной обмотке через регулятор
напряжения РН подводят напряжение. Напряжение поднимают от нуля до тех пор,
пока амперметр не покажет номинальное значение тока I1. Так как вторичная
обмотка представляет собой замкнутый контур, то в ней также возникнет
номинальный ток I2. Ввиду отсутствия внешней вторичной цепи мощность, которую
покажет ваттметр, называется мощностью, или потерями короткого замыкания Рк,
которые состоят из потерь в обмоточных проводах, добавочных потерь и потерь в
отводах.
Напряжение, которое необходимо подвести к одной из обмоток
генератора, чтобы в ней установился ток, соответствующий номинальной мощности,
при замкнутой накоротко второй обмотке называется напряжением короткого
замыкания. Это напряжение Uк компенсирует активные и реактивные падения
напряжения в обеих обмотках, вызванные токами I1 и I2, и поэтому является
полным падением напряжения в генераторе. Напряжение короткого замыкания
составляет несколько процентов от номинального напряжения (от 5,5 до 7,5% для
генераторов габаритов I-II-III напряжением до 35 кв). Так как насыщение
магнитопровода, а следовательно, потери и ток холостого хода будут при этом
весьма малы, то последними при расчете Uк можно пренебречь.
При нагрузке генератора в его обмотках возникают нагрузочные
токи, создающие соответствующие намагничивающие силы I1w1и I2w2. Вследствие
этого вокруг каждой из обмоток образуются потоки рассеяния. Так как токи в
первичной и вторичной обмотках согласно правилу Ленца направлены в
противоположные стороны, то оба потока рассеяния, создаваемые намагничивающими
силами обеих обмоток, складываются в общий поток рассеяния Фр, проходящий через
промежуток между обмотками, называемый главным каналом рассеяния.
Ввиду наличия потоков рассеяния в обеих обмотках должно
существовать некоторое реактивное падение напряжения, обозначаемое Uр1и Uр2.
Для расчета реактивного падения напряжения, или иначе
напряжения рассеяния, необходимо знать магнитное сопротивление потоку рассеяния
данного генератора. Так как расчет действительного потока рассеяния ввиду
сложности его формы крайне затруднителен, то вместо него производится
расчетболее простого, фиктивного, потока рассеяния Фф, эквивалентного
действительному. Направление магнитных линий фиктивного потока принято
прямолинейным. Форма фиктивного потока принята как наиболее простая
цилиндрическая, с направлением магнитных линий, параллельным оси обмоток. Длина
фиктивного потока согласно теоретическим исследованиям Вне обмоток поток
рассеяния имеет относительно малую плотность и частично проходит по стальным
частям генератора и поэтому встречает малое сопротивление.
Активная составляющая напряжения короткого замыкания:
uа = Pк / (10 · S) = 10099 / (10 · 1000) = 1,01 %, (195)
где Pк, вт - потери короткого замыкания;, вт - мощность
генератора.
Приведенный канал рассеяния:
Δ = a12 + (a1 + a2) / 3 = 0,90 + (2,30 + 2,40) / 3 = 2,47 см, (196)
, см - радиальный размер главного канала;, см - радиальный размер
обмотки низкого напряжения;, см - радиальный размер обмотки высокого
напряжения.
Напряжение на одном витке обмотки:
= UНН / (31/2 · wНН) = 400 / (31/2 · 16) = 14,43 В.
(197)
где UНН, в - линейное напряжение обмотки низкого напряжения;НН -
число витков обмотки низкого напряжения.
Напряжение рассеяния:
'р = (IфНН · wНН · Dср · Δ · Кр) / (806 · ew · Ho) =
(1443,4 · 16 · 29,20 · 2,47 · 0,97) / (806 ·14,43 · 60,50) = 2,29
%, (198)
где IфНН, а - фазный ток обмотки низкого напряжения;ср, см -
средний диаметр главного канала рассеяния.
Напряжение рассеяния с запасом 5%:
uр = 1,05 · u'р = 1,05 · 2,29 = 2,40%.
(199)
Напряжение короткого замыкания:
к = (uа2 + uр2)1/2 = (1,312 + 2,402)1/2 = 2,63%. (200)
Расчет
изменения напряжения
Изменением напряжения ΔU генератора называется
арифметическая разность между номинальным вторичным напряжением U2ном и
вторичным напряжением U2, которое получается (устанавливается) на зажимах
вторичной обмотки при нагрузке генератора и заданном коэффициенте мощности
нагрузки cos φ. Изменение напряжения происходит вследствие
наличия активных и реактивных падений напряжений в первичной и вторичной
обмотках генератора.
При cos φ = 0,8:
Δu = uа · cos φ + uр · sin φ + (uр · cos φ - uа · sin φ)2 / 200 =
1,31 · 0,8 + 2,40 · 0,6 + (2,40 · 0,8 - 1,31 · 0,6)2 / 200 = 2,49
%. (201)
При cos φ = 1:
Δu = uа + uр2 / 200 = 1,31 + 2,402 / 200 = 1,34
%. (202)
Расчет
коэффициента полезного действия
Коэффициентом полезного действия (к.п.д.) генератора, как и
всякого другого преобразователя энергии, называется отношение отдаваемой
(полезной) мощности к затраченной (подведенной), или отношение вторичной
мощности Р2 к первичной мощности Р1, выраженное в %. Ввиду высоких значений
к.п.д. генератора (от 95 до 99,5% в зависимости от мощности) значения P1 и Р2
мало отличаются друг от друга. Поэтому для более точного расчета к.п.д.
целесообразно первичную мощность представить равной вторичной плюс потери
генератора.
4.1.10
Проверка теплового режима
Характеристика
тепловых потерь
Потери электрической энергии, возникающие при работе
трансформатора в его магнитопроводе и обмотках, а также в деталях конструкции,
превращаются в тепловую энергию и вызывают нагревание соответствующих частей
трансформатора. Материалы, из которых изготовляется трансформатор, главным
образом его изоляционные детали, допускают нагревание лишь до известного
предела. Пределы допустимого нагрева для каждого вида материала устанавливаются
опытным путем, исходя из надежной длительной работы трансформатора. Вместе с
тем в большинстве случаев более полное использование активных материалов
получается при повышении их температуры. В связи с этим трансформатор должен
быть рассчитан и сконструирован таким образом, чтобы во время работы было бы
обеспечено его достаточное охлаждение.
Выделяющееся в трансформаторе тепло рассеивается в окружающую
среду. Это тепло передается через внешнюю поверхность трансформатора - обмоток
и магнитопровода у сухих трансформаторов и наружных стенок бака и охлаждающих
устройств у масляных трансформаторов. Если бы это тепло не рассеивалось, то
температура трансформатора непрерывно бы повышалась за счет его теплоемкости,
что привело бы к разрушению в первую очередь его изоляции, и трансформатор
вскоре вышел бы из строя.
Находившийся длительное время в отключенном состоянии
трансформатор имеет температуру, равную температуре окружающего воздуха. С
момента включения трансформатор начинает нагреваться. Как только температура
его частей станет выше температуры окружающего воздуха, тепло от трансформатора
начнет передаваться окружающему воздуху. С этого момента начинается процесс
охлаждения трансформатора. Но как только трансформатор начнет отдавать тепло
окружающему воздуху, повышение температуры его частей будет замедляться, так
как одновременно будет усиливаться охлаждение, и, наконец, наступит
установившееся тепловое состояние. При этом состоянии количество выделяющегося
в трансформаторе тепла станет равным отведенному от него теплу, благодаря чему
превышение температуры трансформатора сверх температуры окружающего воздуха
станет неизменным. Значение превышения температуры для краткости часто называют
перегревом. Так, например, перегрев обмотки над воздухом означает превышение
температуры обмотки сверх температуры окружающего воздуха.
Охлаждение какого-либо нагретого тела в воздухе происходит
путем рассеивания тепла с поверхности тела. Это рассеивание тепла происходит
двумя путями: тепловым излучением, конвекцией (переносом тепла нагретыми
частицами воздуха или жидкости). Так охлаждается трансформатор с естественным
воздушным охлаждением, или так называемый сухой трансформатор. Однако воздушное
охлаждение мало интенсивно и для трансформаторов даже средней мощности является
недостаточным. В связи с этим стало применяться (с 1889 г.) масляное
охлаждение, позволившее строить крупные трансформаторы и притом на высокое
напряжение.
Температура трансформатора, следовательно, складывается из
его перегрева над воздухом и температуры окружающего воздуха. Но величина
перегрева частей трансформатора над воздухом зависит от величины потерь
трансформатора, в свою очередь зависящих от его нагрузки, т. е. от конструкции,
режима работы и практически не зависит от температуры окружающего воздуха.
Поэтому тепловой расчет трансформатора сводится к определению именно перегрева
его частей, а не их температуры, так как температура трансформатора будет
меняться с изменением температуры воздуха.
Поскольку нагрев трансформатора ограничивается определенным,
значением его температуры, то значение наибольшего допустимого перегрева
определяется с учетом наибольшей возможной температуры окружающего воздуха. Для
России в условиях естественного сезонного и суточного изменения принята
температура +40°С.
Согласно требованиям ГОСТ 11677-65 установлены следующие
нормы допустимых перегревов для отдельных частей силовых масляных трансформаторов,
которые приведены в табл. 10.1.[1]. Для обмоток перегрев составляет +65°С, для
масла в верхних слоях +55°С. Указанная в табл. 10.1[1] для обмоток норма
перегрева установлена исходя из наибольшей допустимой температуры 105-110°С,
определенной классом изоляции материала и подтвержденной многолетними условиями
эксплуатации и исследованиями (65 + 40 = 105°С). Средняя же температура обмотки
в течение общего срока службы трансформатора, учитывая колебания температуры
окружающего и воздуха и изменение нагрузки, будет значительно ниже 105°С.
Согласно ГОСТ 11677-65 за расчетную (условную) температуру обмоток, к которой
должны быть приведены (по методике ГОСТ 3484-65) потери и напряжение короткого
замыкания масляных трансформаторов, принимают +75°С. При этих условиях срок
службы изоляции трансформаторов определяется в течение примерно 15-20 лет.
Путь, по которому проходит тепловая энергия, выделяющаяся в
обмотках и магнитопроводе трансформатора, может быть разделен на несколько
участков. На каждом из этих участков возникает перепад температур, т. е. их
разность на границах участков.
-й участок - от внутренних точек обмотки или магнитопровода
до их наружных поверхностей, омываемых маслом. На этом участке теплопередача
осуществляется путем теплопроводности. При расчете внутренних перепадов
температуры в многослойной обмотке пользуются или эмпирическими формулами, или
поправками к расчетной температуре, определенными по опытным данным. Тепловой
расчет силовых трансформаторов несколько упрощается тем, что поскольку каждый
провод слоевой или непрерывной обмотки непосредственно омывается маслом, то
перепад температуры внутри обмотки практически отсутствует. Температурная
поправка дается только в случае применения усиленной (по толщине) витковой
изоляции и дополнительной изоляции катушек.
-й участок - это переход тепла от обмотки к маслу. На
поверхности обмоток возникает разность температур между обмоткой и омывающим ее
маслом, которая зависит от количества тепла, выделившегося с поверхности
обмотки, расположения охлаждаемых маслом поверхностей обмотки, размером
масляных каналов и вязкости масла. Разность температур (перегрев) поверхности
обмотки и масла определяется формулами, составленными на основе
экспериментальных данных для каждого типа обмотки.
-й участок - это перенос тепла нагретым маслом от обмотки к
стенкам бака и охлаждающим устройствам. Масло, омывая обмотки трансформатора,
уносит с поверхности обмотки выделяющееся в ней тепло. В этом случае передача
тепла происходит путем конвекции, т. е. перемещением масла, которое возникает
вследствие разности плотностей нагретого и холодного масла. Движение масла
вокруг самой обмотки бывает различным в зависимости от типа обмотки, формы,
размеров и расположения масляных каналов. Нагретое у поверхности обмотки масло поднимается
в верхнюю часть бака трансформатора, соприкасается со стенками бака и отдает им
полученное от обмотки тепло, опускается в нижнюю часть бака, а затем вновь
возвращается к обмоткам. Если на стенках бака имеются охлаждающие трубы или
охладители (радиаторы), то нагретое масло входит в трубы или в верхний патрубок
радиатора и, охладившись в трубах, омываемых наружным воздухом, опускается по
ним вниз, входит в нижнюю часть бака трансформатора и направляется опять к
обмоткам. Затем масло снова нагревается, поглощая тепло, выделяющееся в
обмотках и магнитопроводе, и поднимается вверх. Таким образом, в работающем
трансформаторе возникает замкнутый конвекционный ток масла в его баке и
происходит непрерывный процесс циркуляции масла.
-й участок - это переход тепла от масла к стенке бака
трансформатора при наличии разности температур между маслом и стенкой. Эта
разность температур определяется теми же законами, что и разность температур
между обмоткой и маслом, т. е. она зависит от величины удельной тепловой нагрузки
на стенку бака и охлаждающего устройства.
-й участок - это переход тепла через толщину стенки бака.
Разность температур на этом участке не превышает 1°С, и поэтому ей обычно
пренебрегают.
-й участок (последний) - это отвод тепла от стенок бака и охлаждающего
устройства в окружающий воздух. С наружной поверхности стенки бака тепло
отводится в окружающий воздух двумя путями: часть тепла отводится конвекционным
потоком воздуха, вторая часть - излучением. Теплоотдача путем излучения зависит
от температуры излучающего тела и температуры воздуха, а также от конфигурации
стенки бака и охлаждающего устройства и состояния их поверхности. Теплоотдача
путем излучения с поверхности гладких баков, окрашенных красками с
неметаллическими наполнителями, достигает 50 - 55% общей теплоотдачи. У
трубчатых баков или у баков с радиаторами она снижается до 15% общей
теплоотдачи. Это происходит вследствие прямолинейного распространения лучистой
энергии. Теплоотдача излучением в этом случае происходит не со всей поверхности,
а только с внешней огибающей поверхности охлаждающего устройства. Теплоотдача
путем конвекции воздуха происходит в отличие от теплоотдачи излучением со всей
поверхности бака, труб и охладителей. Она зависит от разности температур стенок
бака и воздуха, высоты бака, формы его поверхности и от барометрического
давления воздуха. Теплоотдача возрастает с увеличением поверхности бака и
охлаждающих устройств, температуры стенок и при увеличении свободного доступа
окружающего воздуха к стенкам бака.
При практическом тепловом расчете определяются два основных
перепада превышения температуры: превышение температуры обмотки сверх
температуры масла и превышение температуры масла сверх температуры воздуха. При
необходимости к перегреву обмотки над маслом прибавляются поправки, зависящие
от теплопроводности усиленной витковой и междуслойной изоляции и от размеров
масляных каналов, и к перегреву масла над воздухом - поправка, зависящая ют
отношения высот центров потерь (активной части) и охлаждающего устройства.
Расчет
перегрева обмотки низкого напряжения
Поверхность охлаждения цилиндрической двухслойной обмотки:
sНН = 3,5· m· π· Dср· H0 - 3· m · n · c H0 = 3,5 · 3 · π·
0,298 · 0,605 - 3· 3 8· 0,015· 0,605 = 5,29 м2, (203)
где 3,5 - число охлаждаемых поверхностей обмотки;- число фаз
(стержней);ср, м - средний диаметр обмотки низкого напряжения;
- число поверхностей, закрытых рейками;- число реек;
с = 0,015, м - ширина рейки.
Удельная тепловая нагрузка поверхности обмотки:
НН = PкНН / sНН = 447,5 / 5,29 = 84,9 вт/м2. (204)
Перегрев обмотки над маслом:
τ0НН = 0,159 · q0НН0,7 = 0,159 · 84,90,7 =
11,89 °С. (205)
Расчет перегрева обмотки высокого
напряжения
Коэффициент закрытия поверхности катушек прокладками для
непрерывной обмотки:
Kз = (π · Dср) /
(π · Dср - n
· c) = (π · 363) / (π · 363 - 8 · 40) = 1,39, (206)
где Dср, мм - средний диаметр обмотки;- число прокладок по
окружности;, мм - ширина прокладки.
Периметр сечения катушки обмотки:
p = 2 · (bиз + a1) = 2 · (8,5 + 24) = 65,0 мм, (207)
где bиз, мм - размер выбранного провода в осевом направлении;, мм
- размер обмотки в радиальном направлении.
Удельная тепловая нагрузка поверхности обмотки:
ВН = (21,4 · IФ ВН · w · δВН · Kз · Kд) / p = (21,4 · 24,70 · 10 ·
4,01 · 1,39 · 1,02) / 65,0 = 138,2 вт/м2, (208)
где w - число витков в катушке обмотки;д = 1,02 - коэффициент
добавочных потерь.
Перегрев обмотки над маслом:
τ0ВН = 0,358 · q0ВН0,6 = 0,358 · 138,20,6 =
11,3 °С. (209)
Поправка на перегрев в зависимости от размера масляного канала
принимается по табл. 10.2[1]:
Δτ02 = Ккан · q0ВН · 10-3 = -3,9 · 1080 · 10-3 =
-4,2 °С. (210)
Окончательное значение перегрева обмотки:
,3 - 4,2 = 7,1 °С.
Расчет
перегрева масла
Определяем размеры бака.
Длина бака:
A = 2 · MO + DВН + 2 · 75 = 2 · 152 + 387 + 2 · 75 = 807 мм, (211)
Ширина бака:= DВН + 2 · 150 = 227 + 2 · 150 = 516 мм, принимаем
520 мм.
Высота бака:
б = H + 2 ·hя + Hя.к + 50 = 665 + 2 · 215 + 300 + 50 = 1730 мм,
где hя, мм - высота ярма;я.к, мм - минимальное расстояние от ярма
до крышки для класса напряжения трансформатора из табл. 10.4[1].
Поверхность боковой стенки бака:
б.c = Pб · Hб = 3,47 · 1,45 = 5,03 м. (212)
Для определения необходимого числа рядов труб находим требуемый
коэффициент кратности охлаждаемой поверхности (стенки бака) согласно табл.
10.4[1], предварительно приняв qб = 540 вт/м2:
Kкр = (Pх + Pк) / (qб · sб.c) = (2093 + 13141) / (540 · 5,03) = 5,61. (213)
Выбираем бак без труб с гладкой боковой стенкой, для чего высота
бака должна быть увеличена на:
ΔHб = [(5,61 - 1,00) / 1,00] · 1,45 = 6,69
м. (214)
Принимаем окончательно высоту бака:б = 8,14 м.
Полная эффективная поверхность бака:
sб = Kкр sб.с + 0,75 sкр = 2,8 3,47 ·8,14 + 0,75 0,82 = 28,84
м2. (215)
Удельная тепловая нагрузка поверхности бака:
б = (Pх + Pк) / sб = (2093 + 13141) / 28,84 = 528 вт/м2. (216)
Средний перегрев масла:
τмас = 0,262 ·qб0,8 = 0,262 · 5280,8 =
27,25 °С. (217)
Перегрев верхних слоев масла без поправки по табл. 10.3[1]:
τв.с.мас = 1,2 · τмас = 1,2 · 27,25 = 32,7 °С. (218)
Высота центра потерь:
Hр = 0,5 ·H + h1 + 50 = 0,5 · 665 + 215 + 50 = 597,5 мм. (219)
Высота центра охлаждения:
охл = Hб / 2 = 8140 / 2 = 4070,0 мм. (220)
Отношение центра потерь к центру
охлаждения:
Hб / Hохл = 597,5 / 4070,0 = 0,15. (221)
Окончательный перегрев верхних слоев масла:
τв.с.мас = 47,4 + 2,5 = 49,9 °С < 55 °С.
(222)
Перегрев обмотки низкого напряжения над воздухом:
τНН = τ0НН + τмас = 21,6 + 39,5 = 61,1 °С < 65 °С. (223)
Перегрев обмотки высокого напряжения над воздухом:
τВН = τ0ВН + τмас = 19,4 + 39,5 = 33,34 °С < 65 °С. (224)
Рассчитанные перегревы масла и обмоток не превышают допустимых
норм.
4.1.11
Проверка результатов «ручного» электромагнитного расчета на ЭВМ
Зубцовое деление статора в максимальном сечении зуба
мм (225)
Ширина зуба в наиболее широкой части
мм (226)
Ширина зуба в средней части
мм (227)
кг
Магнитные потери в зубцах статора
Вт (228)
Масса стали спинки статора
кг
Магнитные потери в спинки статора
Вт (229)
Амплитуда колебаний индукции
Тл (230)
Среднее значение поверхностных потерь отнесенных к 1 м2
поверхности полюсного наконечника
Вт (231)
Поверхностные потери машины
Вт (232)
Суммарные магнитные потери
Вт (233)
Электрические потери в обмотке статора

Вт (234)
Потери на возбуждение синхронной машины при питании от
дополнительной обмотки статора
Вт (235)
Добавочные потери в обмотке статора и стали магнитопровода при
нагрузке
Вт (236)
Потери на трение в подшипниках и на вентиляцию при наличии
радиальных каналов
Вт (237)
Потери на трение щеток о контактные кольца
Вт (238)
Суммарные потери

Вт (239)
КПД при нормальной нагрузке
% (240)
4.1.12
Проверка механической прочности отдельных деталей и узлов
Индуктивное сопротивление обмотки статора для токов обратной
последовательности при работе машины на малое внешнее сопротивление (близкое к
к.з.)
(241)
Индуктивное сопротивление обмотки статора для токов обратной
последовательности при работе машины при большом внешнем индуктивном
сопротивлении (близкое к х.х.)
(242)
Индуктивное сопротивление двухслойной обмотки статора для токов
нулевой последовательности
(243)
Активное сопротивление обмотки фазы статора для тока нулевой
последовательности при рабочей температуре
(244)
Обмотка возбуждения при разомкнутых обмотках статора и демпферной
с (245)
Обмотка возбуждения при замкнутой обмотке статора
с (246)
Демпферная обмотка при разомкнутых обмотках статора и возбуждения
по продольной оси
с (247)
Демпферная обмотка при разомкнутых
обмотках статора и возбуждения по поперечной оси
с (248)
Демпферная обмотка по продольной оси при разомкнутой обмотке
статора и замкнутой обмотке возбуждения
с (249)
Демпферная обмотка по продольной оси при короткозамкнутых обмотке
статора и обмотке возбуждения
с (250)
Демпферная обмотка по поперечной оси при короткозамкнутой обмотке
статора
с (251)
Обмотка статора при короткозамкнутых обмотках ротора
с (252)
4.2
Оптимизация проекта на ЭВМ
Модель
- некоторый объект, с помощью которого исследуются свойства оригинала и
находящегося во взаимозначном соответствии с ним и более доступном для изучения.
Моделирование - исследование свойств объекта методом изучения
свойств другого объекта находящегося в определённом соответствии с первым
объектом и более удобным для исследования.
Под “моделью” понимают некоторые технические устройства,
процесс, схемы замещения, мысленные образы, математические формулы.
Модель должна удовлетворять 3 условиям:
- достоверно отображать некоторые свойства
оригинала подлежащие изучению;
- должно быть определённое соответствие,
т.е. правила позволяющие осуществить переход от свойств модели к оригиналу и
наоборот.
Основные допущения при составлении математической модели
синхронного генератора:
1. Не учитывается магнитное насыщение генератора.
2. В воздушном зазоре машины действуют намагничивающие
силы только первой гармоники. Следовательно, ЭДС синхронного генератора -
синусоидальный.
. Не учитываются потери на перемагничивание.
. Считают, что обмотки статора выполнены симметрично,
а ротор генератора симметричен относительно осей d и q.
. Все демпферные обмотки по оси d заменены одной
демпферной обмоткой аналогичной по оси q.
. При исследовании электромагнитных переходных
процессов не учитывают изменение вращения скорости генератора.
(253)
где
,
,
,
- мгновенные значения напряжений обмоток статора и ротора;
,
,
,
- потокосцепления, связанные с
соответствующими обмотками;
,
,
,
- мгновенные токи, протекающие в
свободных обмотках.
(254)
где
и
- индуктивности и взаимоиндуктивности соответствующих обмоток.
Система уравнений после подставления в неё значений из второй
системы превращается в систему из 4 дифференциальных уравнений с переменными
коэффициентами, т.к. практически все индуктивности и взаимоиндуктивности -
переменные величины, т.е. являются функцией времени (вращение ротора
генератора) за исключением индуктивной обмотки возбуждения.
4.2.1
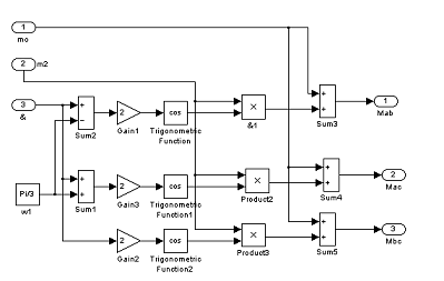
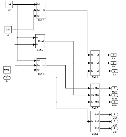
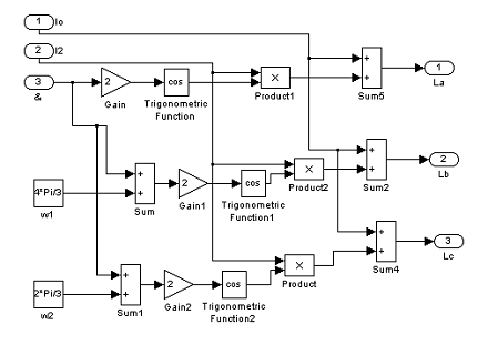
Результаты оптимизации
Реализация
модели синхронного генератора в фазных координатах. С целью упрощения
модели представим её в виде 9 суперблоков. Первый суперблок моделирует
переменные коэффициенты в уравнения для определения потокосцепления. Суперблоки
2,3,4,5 моделируют потокосцепление, 6,7,8 - фазное напряжение, 9-й - ток в
обмотках возбуждения.
Первый суперблок в свою очередь состоит из подблоков. Первые три
моделируют постоянные коэффициенты
,
,
,
; подблоки 4 - 6 моделируют индуктивности
,
,
; подблоки 7 - 9 моделируют взаимоиндукцию
между фазами
,
,
; подблоки 10 - 12 моделируют
взаимоиндукцию между обмотками возбуждения и фазными обмотками статора.
I. Реализация первого суперблока
. При реализации модели СГ в первую очередь необходимо
смоделировать постоянные коэффициенты
,
,
,
.
Первый подблок имеет следующую реализацию:
(255)
Рис. 4 - Первый подблок первого суперблока, моделирующий
Реализация третьего подблока:
Рис. 6 - Третий подблок первого суперблока, моделирующий
Каждый из трёх подблоков представляем в
виде субблоков. Для этого:
а) выделяем подблок;
б) с помощью правой кнопки мыши находим операцию «Create subsystem»;
в) образуем субблок;
г) обозначаем входящие и выходящие параметры.
2. Моделирование индуктивностей
,
,
:
cos
(253)
cos
(253)
cos
, (253)
Рис. 7 - Модель
Рис. 8 - Четвертый подблок первого суперблока, моделирующий
,
,
. Моделирование взаимоиндуктивностей между фазами
,
cos
(253)
cos
(253)
cos
(253)
Рис. 9 - Пятый подблок первого суперблока, моделирующий
,
. Моделирование взаимоиндуктивностей между обмоткой возбуждения и
фазными обмотками 
,
.
cos
(253)
cos
(253)
cos
(253)
Рис. 10 - Шестой подблок первого суперблока, моделирующий 
,
Каждый из подблоков преобразуем в субблок
аналогично первым трём подблокам, при этом соединяя одноимённые входы и выходы
подблоков.
Рис. 11 - Содержимое первого суперблока
6. Образуем первый суперблок (Sb1).
Рис. 12 - Первый суперблок (Sb1)
II. Реализация 2 - 5
суперблоков
Согласно системе уравнений моделируем потокосцепления,
связанные с соответствующими обмотками.
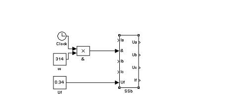
Рис. 13 - Второй суперблок (Sb2)
Рис. 14 - Третий суперблок (Sb3)
Рис. 22 - Суперсуперблок SSb
4.3.1
Отличие рабочих свойств и параметров оптимального проекта
Характеристики
машин. Изменение
напряжения генератора при неизменных значениях тока возбуждения
(257)
Отношение короткого замыкания
(258)
Токи короткого замыкания
, (259)
где
Значение ударного тока короткого замыкания при U1= 1,05 UH
(260)
(261)
(262)
При этом значение коэффициента, учитывающее влияние реактивной
мощности в зависимости от
получаем
Статическая перегружаемость синхронной машины
(263)
Угловые
характеристики. По характеристике х.х. определим значение Е для FПН = 3,27, по линейному
участку характеристики, получаем Ео*=3,4.
Угловую характеристику можно построить по уравнению
(264)
Рис. 24 - Диаграмма угловых характеристик
Тепловые
характеристики обмотки статора. Потери в основной и дополнительной обмотках
статора
Вт (265)
Потери на возбуждение синхронной машины при питании от
дополнительной обмотки статора
Вт (266)
Условная внутренняя поверхность охлаждения активной части статора
мм2 (267)
Условный периметр поперечного сечения паза
мм (268)
Условная поверхность охлаждения пазов
мм2 (269)
Условная поверхность охлаждения лобовых частей обмотки
мм2 (270)
Условная поверхность охлаждения генератора без охлаждающих ребер
мм2 (271)
Удельный тепловой поток от потерь и активной части обмотки и от
потерь в стали, отнесенных к внутренней поверхности охлаждения пазов
Вт/мм2 (272)
Удельный тепловой поток от потерь в активной части обмотки,
отнесенных к поверхности охлаждения пазов
Вт/мм2 (273)
Удельный тепловой поток от потерь в лобовых частях обмотки,
отнесенных к поверхности охлаждения лобовых частей обмоток
Вт/мм2 (274)
Окружная скорость ротора
м/с (275)
Превышение температуры внутренней поверхности активной части
статора над температурой воздуха машины
0С (276)
Перепад температур в изоляции паза и катушек или полукатушек
0С (277)
Превышение температуры наружной поверхности лобовых частей обмотки
над температурой воздуха внутри машины
0С (278)
Перепад температуры в изоляции лобовых частей из жестких катушек
или полукатушек
0С (279)
Среднее превышение температуры обмотки над температурой воздуха
внутри машины
0С (280)
Потери в машине со степенью защиты IP23, передаваемые воздуху внутри машины
Вт (281)
Среднее превышение температуры воздуха над температурой наружного
воздуха без охлаждающих ребер
0С (282)
Среднее превышение температуры обмотки над температурой наружного
воздуха
0C (283)
Тепловые
характеристики обмотки возбуждения. Условная поверхность охлаждения однослойных
катушек обмотки из неизолированных проводов, намотанных на ребро
мм2 (284)
Удельный тепловой поток от потерь в обмотке, отнесенных к
поверхности охлаждения обмоток
Вт/мм2 (285)
Превышение температуры наружной поверхности охлаждения обмотки
0С, (286)
где
Вт/мм2 0С (287)
Среднее превышение температуры в наружной обмотке над температурой
воздуха внутри машины
0С (288)
Среднее превышение температуры в наружной обмотке над температурой
наружного охлаждающего воздуха
0С (289)
Вентиляционные
характеристики. Принята радиальная система вентиляции. Необходимый расход воздуха
у машины
м3./с (290)
Коэффициент, зависящий от частоты вращения n1
(291)
Приближенный расход воздуха обеспечиваемый радиальной вентиляцией
м3./с (292)
Напор воздуха, развиваемый при радиальной системе
Па (293)
Масса.
Масса
стали сердечника
кг (294)
Масса стали полюсов
кг (295)
Масса стали сердечника ротора
кг (296)
Суммарная масса активной стали статора и ротора
кг (297)
Масса меди обмотки статора
кг (298)
Масса меди обмотки возбуждения
кг (299)
Масса меди демпферной обмотки
кг (300)
Суммарная масса меди
кг (301)
Суммарная масса изоляции
кг (302)
Масса конструкционных материалов
кг (303)
Масса машины
кг (304)
Динамический
момент инерции ротора. Радиус инерции полюсов с катушками
м (305)
Динамический момент инерции полюсов с катушками
кг м2 (306)
Динамический момент инерции сердечника ротора
кг м2 (307)
Масса вала
кг (308)
Динамический момент инерции вала
кг м2 (309)
Суммарный динамический момент инерции ротора
кг м2 (310)
4.3
Оценка экономической эффективности
4.3.1
Экономическая целесообразность разработки и внедрения проектируемого генератора
За базовый генератор для определения экономического эффекта
был выбран синхронный генератор серии 456В4/2У3.
Отличие проектируемого генератора от базового состоит в том,
что в разрабатываемом генераторе изменена длина машины и высота паза, это
необходимо для достижения желаемых результатов при расчете материалоемкости, а
также технологичность укладки обмотки. В таблице 2 приведены основные
технические данные серийного и проектируемого генератора.
Таблица 2 -Сравнение генераторов
|
Технические
параметры
|
Сравниваемые
генераторы
|
|
456В4/2У3
|
Проектируемыйгенератор
|
|
Число пар
полюсов, р
|
3
|
4/1
|
|
Частота
вращения n, об/мин.
|
1500
|
750
|
|
Номинальная
мощность, кВт
|
0.12/0.18
|
0,4
|
|
Номинальный
КПД,%
|
0.705
|
0.932
|
|
Номинальный
коэффициентмощности, о.е
|
0.7
|
0.715/0,735
|
|
Пусковой
момент, о.е
|
1.4
|
1.969/1.457
|
|
Пусковой ток,
о.е
|
4.5
|
3.242/2.815
|
Как следует из приведённого выше, спроектированный генератор
имеет улучшенный коэффициент мощности и в тоже время в спроектированном
генераторе снижен допустимый пусковой ток и увеличен пусковой момент, что
улучшает пусковые характеристики и ведёт к увеличению срока службы.
.3.2
Виды ремонтов
В процессе эксплуатации изделий должны предусматриваться два
вида профилактических мероприятий: техническое обслуживание (ТО) и ремонт.
Ремонт - это комплекс работ для поддержания и восстановления
исправности или работоспособности генератора за счет замены или восстановления
изношенных или разрушенных элементов (узлов, деталей), регулировки и наладки
ремонтируемого оборудования с доведением их параметров до пределов,
обусловленных паспортом или техническими условиями.
Техническое обслуживание производится для всех электрических
машин, находящихся в эксплуатации, и включает следующие работы:
Нерегламентированное техническое обслуживание: мелкий ремонт,
не требующий специальной остановки машины и осуществляемый во время перерывов в
работе технологических установок с целью своевременного исправления незначительных
дефектов машин: подтяжки контактов и креплений, регулировки защиты, протирки и
чистки доступных частей машины - наружных поверхностей; повседневный надзор за
выполнением правил эксплуатации и инструкций заводов-изготовителей и, в
частности, за нагрузкой, за температурой подшипников, обмоток и корпуса;
контроль за наличием смазки, проверка отсутствия ненормальных шумов и гула;
контроль за соблюдением правил безопасности операторами или мотористами,
работающими на оборудовании; повседневный контроль за исправностью заземления.
4.3.3
Текущий ремонт
Текущий ремонт выполняют для обеспечения или восстановления
работоспособности изделия. Он заключается в замене или восстановлении отдельных
частей.
Состав работ по текущему ремонту:
- очистить корпус генератора от пыли и
грязи, отсоединить от питающей сети и заземления.
- снять генератор с места установки и
разобрать его.
- прочистить обмотки, измерить сопротивление
изоляции, при необходимости просушить обмотки.
- промыть подшипники проверить их техническое
состояние и при необходимости заменить.
- отремонтировать или заменить поврежденные
выводные провода обмотки и клеммную панель коробки выводов.
- собрать генератор, смазать подшипники,
испытать на холостом ходу.
- при необходимости окрасить генератор.
- установить генератор на рабочее место,
отрегулировать его центровку с рабочей машиной и испытать его под нагрузкой.
Капитальный ремонт - наиболее сложный и полный по объему вид
ремонта, осуществляемый с целью восстановления исправности и полного, или близкого
к полному, восстановления ресурса оборудования. При этом производится полная
разборка оборудования. Капитальный ремонт, помимо работ, перечисленных в
текущем ремонте, включает в себя еще и следующие виды работ:
- полная разборка генератора;
- промывка и чистка всех деталей и узлов;
- ремонт деталей корпуса машины - заварка
мелких трещин, повторная нарезка резьбы в изношенных и забитых резьбовых
отверстиях и т.д.
- восстановление размеров посадочных мест
под подшипники;
- восстановление размеров посадочных мест
под втулку ротора и муфту;
- снятие заусенец;
- проточка на токарном станке рабочей
поверхности и ротора;
- балансировка ротора;
- ремонт выводной коробки - проверка
надежности соединения выводных наконечников с выводными проводниками,
восстановление резьбы на шпильках, маркировка выводных концов и т.д.;
- обязательная замена подшипников;
- сборка генератора и проведение испытаний
после ремонта.
4.3.4
График технического обслуживания и текущего ремонта
Срок службы проектируемого генератора составляет не менее 15
лет при наработке 40000 ч. Согласно ППРЭсх, периодичность проведения ТО
электрогенератора составляет 3 месяца, а периодичность проведения текущих
ремонтов - 24 месяца. Для синхронных двигателей мощностью до 1,1 кВт,
трудоемкость ТО составляет 0,3 ч, трудоемкость текущего ремонта - 4 ч.
Виды ремонтов по годам ремонтного цикла приведены в таблице
4.
Таблица 4- Виды ремонтов по годам ремонтного цикла
|
Год
|
|
1
|
2
|
3
|
4
|
5
|
6
|
7
|
8
|
9
|
10
|
11
|
12
|
13
|
14
|
|
ТО
|
ТО
|
ТО
|
ТО
|
ТО
|
ТО
|
ТО
|
ТО
|
ТО
|
ТО
|
ТО
|
ТО
|
ТО
|
ТО
|
|
ТО
|
ТО
|
ТО
|
ТО
|
ТО
|
ТО
|
ТО
|
ТО
|
ТО
|
ТО
|
ТО
|
ТО
|
ТО
|
ТО
|
|
ТО
|
ТО
|
ТО
|
ТО
|
ТО
|
ТО
|
ТО
|
ТО
|
ТО
|
ТО
|
ТО
|
ТО
|
ТО
|
|
ТО
|
ТО
|
ТО
|
ТО
|
ТО
|
ТО
|
ТО
|
ТО
|
ТО
|
ТО
|
ТО
|
ТО
|
ТО
|
ТО
|
4.3.5 Расчет численности ремонтных рабочих
Рассчитываем численность ремонтных рабочих на два года по
следующей формуле:
, (311)
где
- трудоемкость ремонтов (общая);
Fэф - эффективный фонд времени одного рабочего в год;
Kвн - коэффициент выполнения норм.
В итоге получаем, что для ремонта в течении года 500 подобных
генераторов потребуется один ремонтный рабочий.
4.3.6
Экономическая целесообразность разработки и эксплуатации электродвигателя
Анализируя справочники и каталоги по выпускаемым нашей
промышленностью синхронным генераторам, можно сделать вывод, что в настоящее
время в выпускаемых генераторах, как правило, используются двухслойные обмотки.
Для того, чтобы показать экономическую целесообразность
применения одной обмотки в генераторах с соотношением чисел пар полюсов 4:1 на
обеих частотах вращения, считаем, что базовый генератор аналогичен
проектируемому генератору по массогабаритным показателям. Количество меди и
изоляционных материалов в базовом электрогенераторе и в проектируемом
одинаковое.
4.3.7
Расчет себестоимости электрогенератора
Для расчета себестоимости проектируемого генератора
необходимо определить материальные затраты (таблица 5) и затраты на заработную
плату основным производственным рабочим (таблица 6).
Расчет себестоимости проекта и цены для проектируемого
генератора представлены в таблице 7.
Таблица 5 - Расчет материальных затрат проектируемого
генератора
|
Наименование
|
ед. изм.
|
Кол-во, масса
|
Цена за ед.,
руб.
|
Сумма, руб.
|
|
Сталь
электротехническая 2013
|
кг
|
4.047
|
50
|
200.85
|
|
Медь обмоточная
|
кг
|
0.98
|
105
|
102.9
|
|
Алюминий
|
кг
|
1.08
|
47
|
50.7
|
|
Подшипниковый
щит
|
шт.
|
2
|
20
|
40
|
|
Подшипники
|
шт.
|
2
|
30
|
60
|
|
Сталь 45
|
кг
|
6.55
|
12
|
76.6
|
|
Прочее
|
-
|
|
|
50
|
|
Транспортные
расходы на доставку
|
-
|
|
|
34.863
|
|
Итого
|
-
|
|
|
615.91
|
Таблица 6 - Расчет трудовых затрат проектируемого генератора
|
Вид работ
|
Разряд
|
Часовой тариф,
руб./час
|
Трудоемкость,
Норма/час
|
Прямая
заработная плата, руб.
|
Доплата (30%)
|
Основная з/п
|
Дополнительная
заработная плата
|
Фонд оплаты
труда
|
|
|
Токарные
|
6
|
34,6
|
0,6
|
20,76
|
6.228
|
26.988
|
2.6988
|
29.686
|
|
|
Обмоточные
|
4
|
28,1
|
0,4
|
11,24
|
3.372
|
14.612
|
1.4612
|
16.073
|
|
|
Фрезерные
|
6
|
34,6
|
0,4
|
13,84
|
4.152
|
17.992
|
1.7992
|
19.7912
|
|
|
Штамповочные
|
4
|
28,1
|
1
|
28,1
|
8.43
|
36.53
|
3.653
|
40.183
|
|
|
Шлифовальные
|
6
|
34,6
|
0,4
|
13,84
|
4.152
|
17.992
|
1.7992
|
19.791
|
|
|
Сборочные
|
5
|
31,2
|
0,3
|
9,36
|
2.808
|
12.168
|
1.2168
|
13.384
|
|
|
Электромонтажные
|
3
|
26,8
|
0,6
|
16,08
|
4.824
|
20.904
|
2.0904
|
22.994
|
|
|
Итого
|
|
147.186
|
14.7186
|
161.9
|
|
|
|
|
|
|
|
|
|
|
|
|
|
|
|
|
|
|
|
|
|
Таблица 7 - Расчет отпускной цены проектируемого генератора
|
Статьи затрат
|
Сумма, руб.
|
|
Материальные
затраты
|
581.05
|
|
Основная
заработная плата производственных рабочих
|
147.186
|
|
Дополнительная
заработная плата
|
14.7186
|
|
Страховые
взносы
|
42.095
|
|
Затраты на
содержание и эксплуатацию оборудования
|
169.83
|
|
Цеховые расходы
|
257.575
|
|
Общезаводские
расходы
|
176.62
|
|
Производственная
себестоимость
|
1389.074
|
|
Внепроизводственные
расходы
|
41.672
|
|
Полная себестоимость
|
1430.75
|
|
Прибыль
|
357.68
|
|
Проект оптовой
цены
|
1788.44
|
|
НДС
|
321.92
|
|
Отпускная цена
|
2110.36
|
. Материальные затраты - это основные материалы (за вычетом
отходов), покупные полуфабрикаты, комплектующие изделия (с учетом
транспортно-заготовительных расходов 6 % от приобретаемой стоимости).
. Дополнительная заработная плата берется в пределах 10 % от
основной заработной платы производственных рабочих.
. Фонд оплаты труда представляет собой сумму основной и
дополнительной заработной платы.
. Страховые взносы - отчисления на социальные нужды.
Представляет собой форму перераспределения национального дохода на
финансирование общественных потребностей. Принимаем 26 % от ФОТ (фонд оплаты
труда) по рекомендации.
5. Затраты на содержание и эксплуатацию оборудования
принимаем 125% от основных заработной платы производственных рабочих.
. Цеховые расходы принимаем 175 % от основной заработной
платы производственных рабочих.
. Общезаводские расходы принимаем 120 % от основной
заработной платы производственных рабочих.
8. Внепроизводственные расходы - затраты связанные с
реализацией продукции. Принимаем 3 % от ППС (полная производственная
себестоимость) по рекомендации.
. Прибыль принимаем 25 % от полной себестоимости.
4.3.8
Расчет годового экономического эффекта от изготовления генератора
Для расчета годового экономического эффекта необходимо
определить единовременные затраты на разработку нового электрогенератора.
Указанные затраты представлены в таблице 8.
Расчет годового экономического эффекта производится по следующей
формуле:
, (312)
где З1 и З2 - приведенные затраты базового аналога и нового
генератора:
, (313)
где
- полная себестоимость сравниваемого и
проектируемого генератора.
Таблица 8 - Затраты на проектирование
|
Исполнитель
|
Трудоемкость,
норма/час
|
Часовая ставка,
руб.
|
Заработная
плата, руб.
|
|
Руководитель
проекта
|
115,2
|
26,29
|
3365.12
|
|
Инженер -
электромеханик
|
128
|
24,35
|
3116.8
|
|
Итого
|
6481.92
|
Определяем годовой экономический эффект как сумму годовых
экономических эффектов изготовителя и пользователя генератора.
, (314)
где: З1 и З2 - приведенные затраты на единицу базового и
проектируемого генератора, руб.;
В1/В2=1 - коэффициент учитывающий рост производительности единицы
нового электротехнического изделия по сравнению с базовым;
- коэффициент, учитывающий изменение срока службы проектируемого
генератора по сравнению с базовым;
Р1 и Р2 - доли отчислений от балансовой стоимости на полное
восстановление базового и нового генератора, обратно пропорциональные сроку
службы не менее 20 лет;
и
- сопутствующие капиталовложения
потребителя,
;
и
- годовые издержки потребителя на
электроэнергию по базовому и новому варианту;
N2=1000 шт. - количество выпускаемых за год условных изделий;
Ен=0.15 - нормативный коэффициент эффективности капитальных
вложений.
4.3.9
Вывод
Производство проектируемого генератора является экономически
целесообразным, так как годовой экономический эффект от внедрения нового
генератора составит 2739.36 руб. В силу того, что применение одной обмотки в
подобных генераторах позволяет лучше использовать активный объем машины,
годовой экономический эффект можно также получить и в сфере эксплуатации.
4.4
Охрана труда и техника безопасности при изготовлении и эксплуатации объекта
проектирования
4.4.1
Задачи охраны труда при производстве генераторов
Широкое применение в промышленности электродвигателей,
нагревательных электрических приборов, систем управления, работающих в
различных условиях, требует обеспечения электробезопасности, разработки
мероприятий и средств, обеспечивающих защиту людей от воздействия
электрического тока. Охрана труда - это система законодательных актов,
социально-экономических, организационных, технических, гигиенических, и
лечебно-профилактических мероприятий и средств, обеспечивающих безопасность,
сохранение здоровья и работоспособности человека в процессе труда. Как известно
- полностью безопасных и безвредных производств не существует. Задача охраны
труда - свести к минимальной вероятность поражения или заболевания работающего
с одновременным обеспечением комфорта при максимальной производительности
труда. Улучшение условий труда и его безопасность приводят к снижению
производственного травматизма, профессиональных заболеваний, что сохраняет
здоровье трудящихся и одновременно приводит к уменьшению затрат на оплату
соответствующих льгот и компенсаций за работу в неблагоприятных условиях.
В данном разделе наряду с теоретическими основами, с
достаточной полнотой, рассмотрены организационные вопросы охраны труда,
пожарной безопасности, электробезопасности, методы и средства обеспечения
безопасности технологических процессов, а также приведены требования, методы и
средства, обеспечивающие безопасность труда при изготовлении проектируемого
электродвигателя.
4.4.2
Требования к инструменту
Из слесарно-монтажного инструмента рабочие часто используют
молотки, зубила, гаечные КЛЮТ-IИ и напильники. Мастера и бригадиры не реже одного
раза должны проверять состояние инструмента.
Тиски на воротах должны быть надежно закреплены, не иметь
сколов и забоин. Ручки молотков, кувалд изготавливают из прочных и вязких пород
дерева (клен, рябина, ясень, бук, молодой дуб, береза). Они не должны иметь
сучков, трещин, бугров и отколов. Особое внимание обращают на посадку молотков
и кувалд. Ручки после насадки расклинивают завершенным металлическим клином. В
случае ослабления клин заменяют новым большего размера. Длина применяемых
зубил, бородков не менее 150 мм. Их бойки, также как у кувалд и молотков не
должны иметь скосов, заусениц. Угол заточки рабочей части зубила определяют в
зависимости от твердости обрабатываемого материала.
Напильники и отвертки не должны иметь трещин, надколов. На их
деревянные рукоятки со стороны насадки надевают металлические бандажные кольца.
Зевы гаечных ключей не должны иметь износа и деформации и
должны точно соответствовать указанным размерам. Для отвертывания и
завертывания гаек запрещено наращивать ключи другими ключами. С целью
увеличения усилия, односторонний ключ следует наращивать трубой.
.4.3
Требование безопасности к подъемно-транспортным устройствам
Оборудование, применяемое при подъемно- транспортных и
погрузочно-разгрузочных работах, должно удовлетворять требованиям техники
безопасности, предусмотренным стандартом и техническими условиями на
оборудование конкретного вида. Основным видом грузоподъемных машин являются
краны.
Грузоподъемные краны с электрическим приводом оборудуют
концевыми выключателями для автоматической остановки механизма подъема
грузозахватного органа, а также механизма передвижения крана к упорам.
На краны, находящиеся в эксплуатации, четко наносят
регистрационный номер, грузоподъемность в тоннах или килограммах, надписи: «не
стой под стрелой» (на стреловых кранах), «не стой под грузом», дату очередного
технического освидетельствования. Грузоподъемные краны могут быть допущены к
перемещению грузов, масса которых не превышает их грузоподъемность.
Крюки не должны иметь надрывов и трещин. При техническом
освидетельствовании кранов крюки бракуют при выявлении любых трещин, а также
при износе крюка в зеве, превышающем 10% первоначальной высоты сечения.
Грузовые крюки снабжают предохранительным замком, предотвращающим
самопроизвольное выпадение (крюков не имеющих) грузозахватного приспособления
из зева крюка.
При использовании гибких приспособлений, исключающих
возможность их выпадения, допускается применение крюков, не имеющих
предохранительного замка.
Стальные канаты не должны иметь пряди поверхностного износа
или коррозии проволок, достигших 40% и более первоначального их диаметра. На
канате должна быть бирка с указанием его диаметра, длины, грузоподъемностью в
тоннах, даты испытания. На крюках указывается номер по ГОСТу, год изготовления,
наименование завода-поставщика, на петлях - грузоподъемность и клеймо ОТК.
Все работы производятся под руководством работника
соответствующей квалификации, который подготавливает площадку, устанавливает
порядок и способы разгрузки, перемещения грузов, инструктирует и размещает
рабочих, обеспечивает место работы исправными приспособлениями и кранами.
Законодательством разрешена следующая норма переноски грузов:
одним мужчиной - массой не более 50 кг не более 3-х метров
женщиной (старше 18 лет) - массой не более 15 кг
лица до 18 лет к погрузочно-разгрузочной работе не
допускаются. Перемещение грузов свыше 25 м при - помощи двухколесных тележек.
4.4.4
Требование к электро- и пневмо инструменту
Перед началом работы с ручным инструментом проверяют его
комплектность, подтяжность, крепление деталей, внешним осмотром убеждаются в
исправности кабеля, его защитной трубки, штепсельной вилки, целостность
изолирующих деталей корпуса, рукоятки, проверяют действие включателя и работу
инструмента на холостом ходу. Не допускается соприкосновение кабеля с
металлическими горячими, влажными или масляными поверхностями.
При прекращении подачи электрического тока, инструмент
необходим отключить.
При использовании электроинструмента запрещается:
разбирать его
держать за провод или касаться вращающихся частей
удалять стружку или пыль до полной остановки
оставлять инструмент без присмотра.
При работе с пневматическим инструментом обращают внимание на
состояние воздушных шлангов и крепление штуцеров на их концах. Резьба штуцеров
и инструментов должна обеспечивать плотное соединение, не допускать утечки
воздуха.
Присоединение и отсоединение шлангов возможно только при
отсутствии в них сжатого воздуха. В момент соединения инструмента с источником
сжатого воздуха, шланги осторожно продувают так, чтобы они открывались и быстро
закрывались при прекращении нажатия и не пропуская воздуха в закрытом
положении. Устранять неисправности или менять рабочие части инструмента можно
только после его остановки. При перерывах в работе инструмент укладывают так,
чтобы исключить его случайное включение.
Запрещено пользование пневматическим инструментом с
повышенной отдачей. Вставные зубила, бородки, выколотки и другой инструмент
должны иметь хвостовики установленной длины и диаметра, соответствующие
отверстию концевой части ствола. Перед работой инструмент проверяют на холостом
ходу без вставных приспособлений. Работать с пневматическим инструментом
следует в предохранительных очках и брезентовых рукавицах.
При электросварке сварочный трансформатор подключают к
электрической сети, напряжением не выше 660 В, и надежно заземляют. Используют
только исправные сварочные провода и кабели без скруток и оголенных участков.
Не допускается использование в качестве обратного провода металлических
конструкций зданий, трубопроводов и технологического оборудования. Обратный
провод от свариваемого изделия доисточника тока должен быть таким же, как и
прямой.
4.4.5
Электросварочные работы
При сварке и резке металлов действует ряд вредных и опасных
производственных факторов. Электросварочное оборудование находится под
напряжением, что обусловливает возможность воздействия при определенных
условиях электрического тока. Большая яркость сварной дуги может вызвать
понижение зрения. Вредное воздействие на организм человека при сварочных
работах могут оказать лучистая энергия в виде инфракрасных и ультрафиолетовых
лучей, мелко дисперсионная пыль, газы, содержащие оксиды азота, окись углерода
и другие вредные вещества, брызги расплавленного металла, искры и др.
Спецодежда (брезентовые куртки и брюки навыпуск) и спец обувь
электросварщиков должна быть надежно защитной от искр и брызг расплавленного
металла, механического воздействия, влаги и вредных излучений. Для защиты рук
электросварщиков обеспечивают рукавицами, изготовленных из искростойких
материалов с низкой электропроводностью, для защиты лица и глаз - защитными
щитками. Для защиты головы от механических травм и поражения электрическим
током применяют защитные маски из токонепроводящих материалов. При выполнении
сварочных работ внутри цистерн или других емкостей электросварщиков помимо
спецодежды и спец обуви обеспечивают диэлектрическими перчатками, галошами и
ковриками.
В помещениях, где проводят электросварочные работы,
устанавливают точно-вытяжную вентиляцию. Места выполнения сварочных работ
открытой дугой ограждают переносными несгораемыми щитами высотой не менее 1,5
м. При отсутствии навесов электросварочные работы на открытом воздухе во время
дождя или снегопада прекращают. Приступать к электросварочным работам можно
только после выполнения всех требований пожарной безопасности.
4.4.6
Газоплавочные работы
Газосварочное оборудование является взрывоопасным и поэтому
требует строгого соблюдения мер предосторожности.
Шкафы газоразборных постов должны иметь сигнально
предупредительную подпись: кислородные - «кислород», «маслоопасно»,
ацетиленовые - «ацетилен», «огнеопасно», горючих газов - «горючий газ»,
«огнеопасно». Детали редукторов, а также металлические детали вентиля
кислородного баллона, непосредственно соприкасающихся с кислородом,
изготавливают из латуни или бронзы или других материалов, не уступающих бронзе
и латуни по механической прочности и стойкости против окисления в среде сжатого
кислорода. Стальные пружины выпускают с антикоррозийным покрытием, стойким к
среде сжатого кислорода.
Для предотвращения взрывов переносные ацетиленовые генераторы
оборудуют водяными затворами, манометрами, предохранителями или спецколпаками,
выпускающими часть газа при увеличении давления внутри генератора выше
допустимого.
Запрещается устанавливать переносные генераторы вблизи мест
засасывания воздуха компрессорами и вентиляторами.
Переносной генератор во время работы ограждают барьерами
«огнеопасно», «не подходить с огнем!». Нельзя загружать в генератор карбид
кальция меньшей грануляции, чем указано в паспорте генератора. На передвижном
посту для выполнения газопламенных работ должны быть в наличие один переносной
ацетиленовый генератор или баллон с растворенным ацетиленом, кислородный
баллон, кислородный и ацетиленовый редукторы, резиновые шланги и необходимый
инструмент. Шланги применяют только в соответствии с их назначением. Не
разрешается использовать кислородные шланги для подачи ацетилена и наоборот.
Шланги необходимо предохранить от возможных повреждений.
Газопламенные работы выполняют на расстоянии не менее 10 м от
переносных генераторов, не менее 5 м от газопроводов. Уровень воды или других
жидкостей (при минусовой температуре) в водяном затворе газогенератора
постоянно поддерживают на высоте контрольного краника, проверяя его не реже одного
раза за смену при включенной подаче в затвор. Переносной генератор запрещается
оставлять без надзора во время работы. При обратном ударе пламени немедленно
закрывают вентиль на горелке и резаке, на баллонах и водяном затворе. Водяной
затвор разбирают, осматривают и проверяют обратный клапан.
При замерзании воды в генераторах, водяном затворе или
шлангах отогревать ее следует в теплом помещении на расстоянии не менее 10 м от
источника огня.
Допускается использование для обогревателя генератора горячая
вода или пар. В случае замерзания редуктора или запорного вентиля кислородного
баллона, их обогревают только чистой горячей водой, не имеющей следов масла.
При зажигании ручной горелки или резака сначала немного
приоткрывают вентиль кислорода, затем полностью вентиль ацетилена. После
кратковременной продувки шланга от воздуха зажигают горючую смесь и производят
регулировку.
4.4.7
Требование ТБ к противопожарной безопасности
При сварочных работах, газорезных, пальных запрещается:
приступать к работе при неисправной аппаратуре; производить сварку, резку или
пайку свежеокрашенных конструкций до полного высыхания краски; пользоваться при
работе одеждой и рукавицами со следами масел и жиров, бензина и др.
легковоспламеняемых жидкостей; хранить в сварочных кабинах одежду, горючую
жидкость и другие легковоспламеняемые предметы и материалы; поручать работу
ученикам и рабочим, не сдавшим испытание по сварочным работам, а также не
прошедшим предварительной проверки знаний правил пожарной безопасности; нельзя
допускать соприкосновение электрических проводников, баллонов, содержащих
сжатые, сжиженные или растворимые газы; выполнять сварку, резку, пайку или
нагрев открытым огнем аппаратов и коммуникаций, находящихся под
электронапряжением, а также заполненными горючими или токсичными веществами или
негорючими жидкостями, газами, парами и воздухом, находящимся под давлением; не
разрешается оставлять сварочные агрегаты незащищенными от дождя и снега,
прокладывать токоведущие сварочные провода вместе с газопроводами или шлангами.
При эксплуатации баллонов с газами необходимо следить за
ними, чтобы они не подвергались резким колебаниям температуры окружающей среды.
Особенно опасно повышение для баллонов со сжиженным газом, т.к. при нагревании
происходит интенсивное давление паров под жидкостью. Поэтому баллоны с
кислородом, ацетиленом, бутаном, пропаном, а также ацетиленовые генераторы
следует размещать на расстоянии не менее 10 м от открытых источников огня и 5 м
от нагревательных приборов.
Шланги и штуцера редукторов надо крепить при помощи хомутов,
а не проволоки, которая режет шланги, а не обеспечивает подъемной плотности.
На рабочем месте запрещается производить какой-либо ремонт
вентилей баллонов. Для отогревания редукторов и вентилей в холодное время года,
а также для увеличения отбора газа из баллонов, можно использовать только
горячую воду или пар. Перемещать баллон следует только на ручных тележках,
тележках-носилках, санях. В отдельных случаях в небольших помещениях с ровными
не искрящими полами разрешается кантавать баллон, не допуская резких толчков и
ударов. При выполнении сварочных работ баллоны необходимо крепить в
вертикальном положении. При эксплуатации ацетиленовых генераторов запрещается
укладывать на колокол дополнительный груз для увеличения поступления ацетилена.
Во избежание искрообразования нельзя при загрузке протаскивать карбуд пальцем.
Из генераторов удаляют только на открытой площадке.
При возникновении пожара в помещении, где расположены
ацетиленовые или другие баллоны с газом, требуется народу принять срочные меры
для их эвакуации на безопасное место. Отдельные цеха и участки с пожароопасными
технологическими процессами оборудуют стационарными воздушно-пенными
установками.
Меры пожарной профилактики включают также обеспечение цехов и
производственных предприятий и помещений первичными средствами пожаротушения:
огнетушители; бочки с водой, ведра с водой; ящики с песком; лопаты и другие
средства.
4.4.8
Расчет защитного заземления для механосборочного участка
Исходные данные:
·
напряжение
электроустановки - до 1000 В;
·
мощность
- P = 160 кВт;
·
удельное
сопротивление грунта - 40Ом∙м;
·
длина
вертикальных электродов - l = 2,5 м;
·
диаметр
электродов - d
= 0,025 м;
·
ширина
соединительной полосы - b = 0,04 м;
·
расстояние
от поверхности земли до верха электрода - t0 = 0,8 м;
·
коэффициент
сезонности для вертикальных электродов - 1,5;
·
коэффициент
сезонности для горизонтального электрода - 3;
·
расстояние
между вертикальными электродами - С = 2,5 м;
При расчете необходимо:
1)
определить
количество вертикальных электродов;
2)
разместить
электроды на плане и разрезе, выполненных в соответствии с требованиями ЕСКД.
Последовательность расчета:
Расчет сопротивления растеканию тока одиночного вертикального
заземлителя
(316)
. Расчет количества вертикальных электродов
(317)
rn - нормируемое сопротивление 2,9 Ом.
, принимаем
.
. Расчет длины горизонтальной полосы, соединяющей вертикальные
электроды
(318)
7.
Расчет сопротивления растеканию тока горизонтального электрода (полосы) без
учета влияния вертикальных электродов
(319)
где
,
(320)
. По справочнику вычисляем коэффициент использования
горизонтального электрода (полосы) = 0,64.
. Расчет сопротивления заземляющего устройства
(321)
. Сравниваем полученную величину сопротивления заземляющего
устройства R с нормируемой величиной сопротивления
заземления rn: 2,35 Ом < 2,9 Ом. Схема расположения
электродов приведена на рисунке 25.
10.
Электробезопасность при эксплуатации двигателя. При эксплуатации
электродвигателя необходимо соблюдать общие меры безопасности, применяемые ко
всему электрооборудованию. Рабочий должен быть защищён от удара электрическим
током, а также от повреждений, вызванных механической поломкой машины и
окружающего оборудования. В частности, асинхронный двигатель, рассмотренный в
данном дипломном проекте, выполнен по степени защиты IP 44, что означает
наличие закрытого корпуса и способность работать в достаточно жёстких условиях
при обеспечении безопасности рабочего.
Электродвигатели, работающие на производстве, должны быть
обеспечены всеми видами защит: от короткого замыкания, от перегрузки, от
чрезмерного увеличения частоты вращения. Для защиты от к.з. применяют предохранители
и автоматические выключатели. Номинальные токи плавких вставок предохранителей
и расщепителей автоматических выключателей выбираются таким образом, чтобы
отношение пускового тока двигателя к номинальному току вставок плавких было
равным 1,6 до 2. Плавкие вставки калибруют и ставят клеймо с указанием завода -
изготовителя и номинального тока. Применение некалиброванных вставок плавких не
допускается.
Защита электродвигателей от перегрузок устанавливается в
случаях, когда возможна перегрузка по технологическим причинам, а также когда
при особо тяжёлых условиях пуска или самозапуска необходимо ограничить
длительность пуска при пониженном напряжении. Защита выполняется с выдержкой
времени и осуществляется тепловым реле или другими устройствами. Защита от
перегрузки действует на отключение, на сигнал или на разгрузку механизма, если
разгрузка возможна.
Если электродвигатели располагаются в пыльных помещениях или
с повышенной влажностью, то к ним необходим подвод чистого охлаждающего
воздуха. Плотность тракта охлаждения (корпуса электродвигателей, воздуховодов,
заслонок) проверяется не реже 1 раза в год.
Напряжение на шинах распределительных устройств должно
поддерживаться в пределах 100 - 105 % от номинального. Для обеспечения
долговечности двигателей использовать их при напряжении выше 110 и ниже 95 % от
номинального не рекомендуется.
Необходимо также периодически проводить осмотры, капитальные
и текущие ремонты согласно плану эксплуатации двигателя.
Электрогенераторы аварийно отключаются от сети в следующих
случаях:
при несчастных случаях с людьми;
появление дыма или огня из двигателя или из его
пускорегулирующей аппаратуры;
поломке приводного механизма, появлению ненормального стука;
при резком увеличении вибрации подшипников агрегата, нагреве
подшипников сверх допустимой температуры.
При обслуживании электрических установок возможны случаи,
когда металлические конструктивные части, нормально не являющиеся токоведущими
и не находящиеся под напряжением, электрически соединяются с элементами цепи
электрического тока и получают вследствие этого потенциал, отличный от
потенциала земли. Замыкание, возникающее в машинах, аппаратах, линиях, на
нетоковедущие части конструкции называют замыканием. В этих случаях человек, не
имеющий специальных средств защиты (резиновых перчаток, галош и т. п.), может,
прикоснувшись к этим частям, оказаться под напряжением: через его тело пройдет
ток, опасный или смертельный для организма.
Для обеспечения безопасности обслуживания электроустановок
применяют защитное заземление, зануление или защитное отключение. Выбор вида
защиты зависит от режима работы нейтрали генераторов и трансформаторов.
Нейтрали генераторов и трансформаторов, соединяющиеся с
заземляющим устройством через резистор малого сопротивления, называют глухозаземленными
(рис. 26.2,а). Нейтрали, не присоединенные к заземляющим устройствам
непосредственно или присоединенные через резисторы большого сопротивления
(например, трансформаторы напряжения), называют изолированными (рис. 26.2,б).
Электроустановки переменного тока напряжением до 1000 В конструктивно выполняют
глухозаземленными или с изолированной нейтралью, а электроустановки постоянного
тока - глухозаземленными или с изолированной средней точкой. В четырехпроводных
сетях переменного тока должно быть обязательно глухое заземление нейтрали.
Защитным заземлением электрической установки называют
преднамеренное соединение ее нетоковедущих частей с заземляющим устройством,
представляющим собой совокупность заземлителя и заземляющих проводников. Оно
широко используется в электроустановках, работающих в сетях с изолированной
нейтралью. При этом осуществляется непосредственная металлическая связь
корпусов электрооборудования с землей (см. рис. 6.1, б), имеющая своей целью
предельно ограничить разность потенциалов, которая может воздействовать на
человека, одновременно соединенного с землей и корпусом.
К частям силового оборудования, подлежащим заземлению
относят:
корпуса электрических машин, трансформаторов и аппаратов;
приводы электрических аппаратов;
вторичные обмотки измерительных трансформаторов;
каркасы распределительных щитов, шкафов и пультов управления;
металлические конструкции распределительных устройств,
металлические кабельные конструкции;
металлические корпуса кабельных муфт, металлические оболочки
и брони контрольных и силовых кабелей, металлические оболочки проводов,
стальные трубы для проводов электросети и другие металлические конструкции,
связанные с установкой электрооборудования;
съемные или открывающиеся части на металлических заземленных
каркасах любых электроконструкций;
металлические корпуса передвижных и переносных
электроприёмников.
заземлению не подлежит электрооборудование, которое по
характеру своего расположения и способу крепления имеет надёжный контакт с
другими заземлёнными металлическими частями установки;
оборудование, установленное на заземлённых металлических
конструкциях, имеющие в местах крепления зачищенные и незакрашенные места;
корпуса электроизмерительных приборов, реле и т.п.
установленные на шкафах, щитах и пультах;
съёмные или открывающиеся на металлических заземлённых
каркасах любых электроконструкций.
Для защиты от перехода высокого напряжения в сеть низкого
напряжения, при пробое изоляции обмоток трансформаторов в этих установках
обмотку трансформатора заземляют через пробивной предохранитель. В случае
попадания тока высокого напряжения в сеть тока низкого напряжения происходит
электрический пробой пробивного предохранителя и обмотка низшего напряжения
трансформатора оказывается заземленной.
В качестве естественных заземлителей используют:
свинцовые оболочки кабелей, проложенных в земле;
металлические конструкции зданий (фермы, колонны и т.п.);
металлические конструкции производственного назначения
(подкрановые пути, каркасы распределительных устройств, галереи, площадки и
т.п.); стальные трубы электропроводок; обсадные трубы скважин; металлические,
стационарные открыто проложенные трубопроводы всех назначений, кроме
трубопроводов горючих и взрывоопасных смесей, канализации и центрального
отопления.
В электроустановках с глухозаземленной нейтралью при
замыканиях на нетоковедущие части должно быть обеспечено надежное
автоматическое отключение поврежденных участков сети с наименьшим временем
отключения. С этой целью в электроустановках напряжением до 1000 В с
глухозаземленной нейтралью, а также в трехпроводных сетях постоянного тока с
глухозаземленной средней точкой обязательно зануление - металлическая связь
корпусов электрооборудования с заземленной нейтралью электроустановки.
Проводимость фазных и нулевых защитных проводников должна быть выбрана такой,
чтобы при замыкании на корпус возникал ток короткого замыкания, превышающий не
менее чем в 3 раза номинальный ток плавкого элемента предохранителя.
4.5
Пуск и защита электромеханического преобразователя при работе с сетью
Вращающий момент синхронного генератора создается в
результате взаимодействия магнитного поля статора с магнитным полем полюсов
ротора. При нормальной работе синхронного генератора его ротор вращается с
частотой вращающегося магнитного поля статора. При этом равноименные полюса
полей статора и ротора, притягиваясь друг к другу, оказываются как бы
сцепленными между собой через воздушный зазор машины. Магнитное поле статора
при вращении увлекает за собой полюса ротора и заставляет их вращаться с той же
частотой вращения, что и вращающееся магнитное поле.
В момент пуска при включении обмотки статора синхронного
электрогенератора в трехфазную сеть возникает вращающееся магнитное поле, но
при подаче постоянного напряжения в обмотку ротора он останется неподвижным,
поскольку синхронный генератор имеет пусковой момент, равный нулю. Поэтому пуск
синхронного генератора осуществляется с применением пусковых устройств.
В практике наиболее широко распространены следующие способы
пуска:
а) пуск синхронного генератора с помощью вспомогательного
двигателя;
б) асинхронный пуск синхронного электрогенератора.
При пуске по первому способу ротор синхронного генератора с
возбужденными полюсами с помощью другого вспомогательного электродвигателя
доводится до частоты вращения ротора, равной или близкой к синхронной частоте
вращения. При этом разноименные полюса ротора и поля статора, неподвижные
относительно друг друга в пространстве, притягиваются через воздушный зазор
машины. Ротор входит в синхронизм и далее вращается самостоятельно с частотой
вращающегося магнитного ноля. Вспомогательный двигатель оказывается при этом
ненужным и его можно отключить от сети. В качестве вспомогательного двигателя
обычно используется электродвигатель постоянного тока или асинхронный двигатель
с соответствующим числом пар полюсов.
Недостатком рассмотренного способа является относительная
сложность процесса пуска и необходимость применения вспомогательного двигателя,
который после окончания пуска оказывает тормозное воздействие на синхронный
генератор и снижает КПД установки. Учитывая это, в ряде случаев; после
окончания пуска вспомогательный двигатель с помощью специального устройства
отключается от вала синхронного электродвигателя.
Чаще применяется асинхронный пуск синхронного
электрогенератора, лишенный указанных недостатков. Сущность способа заключается
в том, что в полюсных наконечниках ротора синхронного генератора укладывается
дополнительная короткозамкнутая обмотка ротора, выполняющая ту же роль, что и
обмотка ротора асинхронного двигателя.
При включении обмотки статора синхронного генератора в
трехфазную сеть в магнитопроводе и воздушном зазоре машины создается
вращающееся магнитное поле. Это поле наводит в короткозамкнутой обмотке
неподвижного ротора переменный ток, который, взаимодействуя с вращающимся
магнитным полем, создает вращающий момент, приводящий ротор во вращение в
направлении вращающегося магнитного поля.
Происходит нарастание частоты вращения ротора синхронного
генератора, которое после окончания разгона достигает значения, близкого к
синхронной частоте вращения, т.к. процесс пуска синхронного двигателя
происходит в режиме холостого хода, без нагрузки. Затем включается питание
обмотки ротора синхронного генератора. Полюса ротора возбуждаются, и в
результате взаимодействия магнитных полей статора и ротора, синхронный
электрогенератор входит в синхронизм. После окончания пуска относительная
скорость перемещения проводников короткозамкнутой обмотки ротора в магнитном
поле оказывается равной нулю. Ток в этой обмотке уменьшается до нуля и при дальнейшей
работе синхронного двигателя с синхронной частотой вращения короткозамкнутая
обмотка ротора не оказывает воздействия на работу синхронного двигателя, так
как момент вращения, создаваемый с ее помощью, также равен нулю.
При появлении толчков, возможных при сбросе и нарастании
нагрузки на валу синхронного генератора, когда происходит кратковременное
скачкообразное изменение частоты вращения ротора в результате изменения угла
нагрузки, в короткозамкнутой обмотке ротора возникает ток, который, взаимодействуя
с полем статора, будет создавать момент, препятствующий изменению частоты
вращения. В этом случае вспомогательная короткозамкнутая обмотка ротора играет
роль своеобразного демпфера, сглаживающего толчки нагрузки.
Преимуществом данного способа пуска является простота,
поскольку пуск производится простым включением в питающую сеть синхронного
двигателя. Недостаток способа заключается в том, что при пуске в обмотке
статора синхронного двигателя возникают значительные пусковые токи, которые
вызывают заметное снижение напряжения в питающей сети, что неблагоприятно
отражается на работе других потребителей электроэнергии, питающихся от той же
сети. Для уменьшения пускового тока пуск синхронных генераторов производят при
пониженном напряжении или иногда осуществляют пуск с переключением обмотки
статора со звезды на треугольник.
После окончания пуска генератор нагружают подключением к нему
производственного механизма.
Заключение
В данной работе спроектирован трехфазный синхронный
генератора типа СТ2, явнополюсный, мощностью 250 кВт.
Для целей проектирования установлены следующие технические
требования и исходные материалы: номинальный режим работы S1, нормальная
отдаваемая мощность Р2 = 250 кВт; количество фаз статора m1=3; способ
соединения фаз статора ∆/Y; частота напряжения f=50 Гц; номинальное
линейное напряжение U1=400В; синхронная частота вращения n1=750 об/мин; количество
пар полюсов Р=4; КПД η=93,2 %; cos φ =
0,8.
Производство проектируемого генератора является экономически
целесообразным, так как годовой экономический эффект от внедрения нового
генератора составит 2739.36 руб. В силу того, что применение одной обмотки в
подобных генераторах позволяет лучше использовать активный объем машины,
годовой экономический эффект можно также получить и в сфере эксплуатации.
Список использованных источников
1. Антонов
М.В., Герасимова Л.С. Технология производства электрических машин. - М.:
Энергоиздат, 1982. - 512 с.
. Бут
Д.А. Анализ и расчет синхронных машин с возбуждением от постоянных магнитов. //
Электричество. - 1996. - № 6. - 25 - 32.
. Буханцов
Е.И. Методические указания к курсовому проекту по электрическим машинам.
Синхронные генераторы/ НПИ. Новочеркасск, 1984. 48 с.
. Буханцов
Е.И. Методические указания. Пример расчёта синхронного генератора/ НПИ.
Новочеркасск, 1985. 40 с.
. Видеман
Е., Келлепбергер В. Конструкции электрических машин/Сокр. пер. с нем.; Под ред.
Б.Н. Красовского. Л.: Энергия, 1972.; 520 с.
. Виноградов
Н.В. Производство электрических машин. М.: Энергия, 1970. 288 с.
. Вольдек
А.И. Электрические машины. Л., 1978. - 832 с.
. Вольдек
А.И. Электрические машины, М.: Энергия, 1974
. Гольдберг
О.Д. Проектирование электрических машин, М.: Высшая школа, 2001.
. Гольдберг
О.Д., Гурин Я.С., Свириденко И.С. Проектирование электрических машин. - М.:
Высш. шк., 1984. - 431с.
. Грузов
Л.Н. Методы математического исследования электрических машин. - М.:
Госэнергоиздат., 1953. - 264 с.
. Гурин
Я.С., Кузнецов Б.И. Проектирование серий электрических машин. - М.: Энергия,
1978. - 479с.
. Иванов-Смоленский
А.В. Электрические машины. М.,1980. - 928с.
. Кацман
М.М. Расчет и конструирование электрических машин. М., 1984. - 359 с.
. Кацман
М.М. Руководство к лабораторным работам по электрическим машинам и
электроприводу. М., 1983. - 215с.
. Кацман
М.М. Электрические машины и электропривод
автоматических устройств. М., 1987. - 334 с.
. Кацман
М.М. Электрические машины. М., 1990. - 463 с.
. Копылов
И.П. Электрические машины. М., 1986. - 360 с.
. Копылов
И.П. Проектирование электрических машин. - М.: Высшая школа, 2002. - 757 с.
. Костеленец
Н.Ф., Кузнецов Н.Л. Испытание и надежность электрических машин. - М.: Высшая
школа, 1989. - 232 с.
. Костенко
Г.Н., Пиотровский Л.М. Электрические машины. Л., 1972. 4.1.- 544с.; 1973. Ч.
И.- 648 с.
. Костромин
В.Г. Технология производства машин пост. тока. - М.: Энергоиздат, 1981. - 272
с.
. Липецкий
Я.Л, Сергеев В.В. Перспективы развития материалов для постоянных магнитов. //
Электротехника. - 1985. - №2. - 27 - 30.
. Обмотки
электрических машин. В.И. Зимин, М.Я. Каплан, А.М. Палей и др. М., 1975 - 288
с.
. Осин
И.Л., Шакарян Ю.Г. Электрические машины: Синхронные машины - М.: Высшая, школа,
1990. - 304 с.
. Петров
Г.Н. Электрические машины. Ч.I. Трансформаторы. М., 1974.- 240с.
. Петров
Г.Н. Электрические машины. Ч. II. Асинхронные и синхронные машины. 1963. -
416с.
. Петров
Г.Н. Электрические машины. Ч. III. Коллекторные машины постоянного и
переменного тока. М., 1968. -224с.
. Пешков
И.Б. Обмоточные провода - М.: Энергоатомиздат, 1995. - 416 с.
. Пиотровский
Л.М., Васютинский С.Б., Несговороеа Е.Д. Испытание электрических машин. Ч. 2.
М., 1960. - 290 с.
. Проектирование
электрических машин./Под ред. И.П. Копылова. М., 1980. - 495 с.
. Проектирование
электрических машин: Учеб. пособие для вузов: В 2 кн./ И.П. Копылов, Б.К.
Клоков, В.П. Морозкин и др.; Под. ред. И.П. Копылова.- 2-е изд., перераб. и
доп. М.:Энергоатомиздат, 1993. Кн. 2. 384 с.
. Специальные
электрические машины./Под ред. А.И. Бертинова. М., 1982. - 552 с.
. Справочник
по электрическим машинам в 2 т.: Том первый / Под общей ред. И.П. Копылова,
Б.К. Клокова. - М.,1988.-455с.
. Справочник
по электрическим машинам: В 2 т. / Под общей ред. И.П. Копылова, Б.К. Клокова.
- М.: Энергоатомиздат, 1988, 1989. 1 т. 456 с.; 2 т. - 688 с.
. Справочник
по электротехническим материалам: В 3 т. Т.1 / Под ред. Ю.В. Корицкого и др. -
М.: Энергоатомиздат,1986. - 526 с.
. Филиппов
И.Ф. Теплообмен в электрических машинах. - Л.: Энергоатомиздат, 1986. - 256 с.
. Электротехнический
справочник/ Под ред. П.Г. Грудинского, Г.Н. Петрова, М.И. Соколова, А.М.
Федосеева, М.Г. Чиликина, И.В. Антика. Изд. 5-е. М.: Энергия, 1974. Т. 1. 775
с.
. Электротехнический
справочник: В 4 т. Т. 2 Электротехнические изделия и устройства / Под общ. Ред.
Профессора МЭИ В.Г. Герасимова и др. -М.: Издательство МЭИ, 1998. - 518 с.
. Юферов
Ф.М. Электрические машины автоматических устройств. М., 1976. - 416 с.
. ГОСТ
12.1.003-83. ССБТ. Шум. Общие требования безопасности. - Введенный 01.07.89.
. ГОСТ
12.1.038-82. ССБТ. Электробезопасность. Гранично-допустимые значения напряжения
и токов. - Введенный 01.07.83.
. ГОСТ
12.1.006-84 ССБТ. Электромагнитные поля радиочастот. Допустимые уровни на
рабочих местах и требования к проведению контроля. -Введенный 01.01.85.
. ГОСТ
12.1.005-88 ССБТ. Общие санитарно-гигиенические требования к воздуху в рабочей
зоне. - Введенный 01.01.89.
. ГОСТ
12.1.045-84 ССБТ. Электротехнические поля. Допустимые уровни на рабочих местах
и требования к проведению контроля. - Введенный 01.01.85.
. ГОСТ
12.1.030-81 ССБТ. Электробезопасность. Защитное заземление и зануление.