Основы теории кодирования
Введение
помехоустойчивость
кодирующий матрица
Помехоустойчивость является одной из важнейших
характеристик современных систем передачи информации. Возможность ее
дальнейшего повышения при фиксированной скорости передачи представляется очень
актуальной проблемой. В данной работе предлагается в цифровых системах передачи
сообщений наряду с помехоустойчивым кодированием использовать дополнительное
биортогональное кодирование. Совместное использование обоих видов кодирования
дает значительный энергетический выигрыш по сравнению с использованием только
помехоустойчивых кодов.
При обработке принятых сигналов на приемной
стороне системы передачи информации различают первичные и вторичные виды
обработки. Под первичным видом обработки понимается принятие решения о значении
передаваемого символа и иногда об оценке условной вероятности ошибки. Под
вторичным - исправление ошибок в декодирующем устройстве с использованием
жестких решений или полученных при первичной обработке условных вероятностей
ошибки. Целью разделения на виды обработки является уменьшение сложности и, как
следствие, стоимости приемной аппаратуры. В тех случаях, когда надежность связи
должна быть особенно высокой, оба вида обработки выполняются совместно. Такой
способ приема называется приемом в целом. В данной работе показано, что между
первым и вторым уровнем обработки можно внести еще один уровень, такой как
биортогональное кодирование. Это кодирование является аналогом сверточного
кодирования над полем действительных чисел и имеет максимально возможную
скорость передачи (скорость кодирования), так же биортогональное кодирование,
по сравнению с другими методами, требует лишь половины полосы пропускания.
Введение дополнительного уровня обработки не затрагивает в значительной степени
схемы первичной и вторичной обработок.
Построение биортогонального
двоичного кода на базе матрицы Адамара
Для построения биортогонального кода с
параметрами N=32, K=6,
Dmin=16 нам
сперва требуется построить ортогональный код с параметрами N=32,
K=5, Dmin=16.
Он строится на базе единичной матрицы Адамара и будет иметь следующий вид:
Рис.
Получаем следующий ортогональный код с
параметрами(32,5,16)(в исходной матрице заменяем «1» на «0» для удобства
кодировщика):
Рис.
Биортогональный код (32,6,16) может быть получен
добавлением в ансамбль кодовых комбинаций инверсных кодовых комбинаций.
Производим эту операцию и получаем биортогональный двоичный код (32,6,16),
который имеет вид:
Рис.
Рис.
Таблица соответствия
Передаваемое информационное сообщение строится
из различных комбинаций информационных символов, поэтому кодировщику необходимо
указать все возможные комбинации информационных символов и составить таблицу
соответствия этих комбинаций полученным нами кодовым комбинациям.
Преобразование двоичного кода в
недвоичный код
≡0 010≡2 100≡4 110≡6
≡1 011≡3 101≡5 111≡7
Поскольку при построении 32-х разрядный код
нельзя разбить на целое количество триад, то отбрасываем первые 2 старших
разряда и делим остальные разряды на триады и приводим их в вышеприведённом
соответствии.
Код с основанием восемь(GF(
))
В соответствие с заданием определяем параметры
полученного недвоичного кода.
) Длина кодовой комбинации N
определяется по формуле
(1),
Где n-количество
разрядов кодовой комбинации двоичного кода, m-количество
разрядов двоичного кода, соответствующие 1-му разряду недвоичного
кода.
.
) Минимальное кодовое расстояние Dmin
вычисляется
следующим образом:
Выбираем 2 кодовых комбинации полученного
недвоичного кода и складываем по mod2.
Минимальное количество несовпадающих разрядов (количество единиц) одной кодовой
комбинации с другой и является параметром Dmin
.
) Количество информационных символов
K получаем по
формуле:
(2),
где k -
количество информационных символов двоичного кода, m- m-количество
разрядов двоичного кода, соответствующие 1-му разряду недвоичного
кода.
.
Таким образом мы рассчитали
параметры полученного недвоичного кода с основанием q=8 -
(10,2,6).
Формирование кодовых комбинаций
Формирование кодовых комбинаций осуществляется
Т-триггерами (например ИМС К155ТМ2) и элементами логики (к примеру сумматор по
модулю 2- ИМС К155ЛП5) под действием тактовых импульсов.[1].
Рис.
Рис.
Расчёты получения кодовых комбинаций служат
основой для построения функциональной схемы кодера. Пример построения кодера по
вышеприведённым расчётам можно рассмотреть на рисунке 1. Общий смысл кодера для
кода (32,6,16) и кода (32,5,16) одинаков. Различие лишь в большем количестве
элементов. Схема для кодера создающего код (32,6,16) очень трудно уместить в
данном документе, поэтому предоставляется для примера схема функциональная
кодирующего устройства для кода (32,5,16) (рисунок 2).
Рисунок 1 - Схема функциональная кодирующего
устройства.
Рисунок 2 - Схема функциональная кодирующего
устройства.
Работу кодирующего устройства можно описать по
элементам:
· Генератор кодовых комбинаций,
состоящий из триггеров и сумматоров, формирует функции ортогональных кодов.
Число разрядов триггера определяется формулой:
(3),
где n
- число разрядов кодовой комбинации.
Остальные кодовые комбинации формируются путем
суммирования по mod2
всех разрешенных кодовых комбинаций.
· Преобразователь кода, состоящий из
регистра сдвига, двоичного дешифратора и ключевых элементов, необходим для
того, чтобы сформировать соответствие кодовых комбинаций информационным
символам. В регистре сдвига последовательный код преобразуется в параллельный.
Затем параллельный код поступает в ключевые элементы, которые каждые к-тактов
открываются. В двоичном дешифраторе двоичный параллельный код преобразуется в
унитарные сигналы.
· И -обычный ключ. В нем
осуществляется однозначное соответствие кодовых комбинаций, сгенерированных в
ГКК, информационным символам на выходе преобразователя кода. На выходе ключа по
одной закодированной кодовой комбинации. Соответствие определяется
кодировщиком. Ключ соответствия необходим приемной стороне для декодирования.
· 1-или. На вход поступают
закодированные кодовые комбинации. С выхода кодовая комбинация поступает на
модулятор и затем в канал передачи данных, на который воздействуют помехи, и
далее на вход приемника.
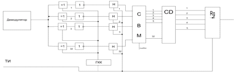
Построение схемы декодера
На приёмной стороне для получения информации,
которую нам закодировали на передающей стороне и отправили необходимо
декодирующее устройство. Я предлагаю поставить декодер, который по другому
называют декодер по максимум правдоподобия. Схему функциональную декодирующего
устройства мы можем рассмотреть на рисунке 3.

Работу кодирующего устройства можно описать по
элементам:
· Демодулятор является первой решающей
схемой. Осуществляет демодуляцию входного сигнала с передатчика.
· Устройство поразрядного сравнения,
состоящее из сумматоров по mod2
и инверторов, поразрядно сравнивает принятую искаженную кодовую комбинацию со
всеми разрешенными кодовыми комбинациями, выдаваемыми генератором кодовых
комбинаций. ГКК должен быть точно таким же как и на передающей стороне.
· Н- накопитель, который можно
выполнить поставив простой двоичный счётчик, на вход которого подается ТИ. За
определенное число тактов имеет содержимое. Счетчик играет роль сумматора.
Емкость счетчика определяется формулой:
(4)
· СВМ - схема выбора максимума.
Опрашивает содержимое всех сумматоров, находит максимальное содержимое и в
соответствии с максимально найденным содержимым принимает решение, какая
кодовая комбинация передавалась. Число выходов равно числу кодовых комбинаций и
дополнительный выход - обнаруженная ошибка, которую код не в состоянии
исправить.
· CD
- двоичный шифратор. Преобразовывает унитарный сигнал в параллельный
к-разрядный двоичный информационный код сообщения.
· RG
- регистр сдвига. Преобразовывает параллельный двоичный код в последовательный.
Заключение
В ходе выполнения данной курсовой работы был
построен биортогональный код на базе матрицы Адамара с параметрами (32,6,16) и
преобразован в недвоичный код с основанием q=8,
рассчитаны характеристики полученного кода. Так же были разработаны
функциональные электрические схемы кодирующего и декодирующего устройства.
Список используемой литературы
.
Цифровые интегральные микросхемы: Справочник П. П. Мальцев, Н. С. Долидзе, М.
И. Критенко и др. - М.: Радио и связь, 1994.