Прогнозирование вероятного числа аварий в потоке попутного транспорта
Содержание
Введение 3
1 Анализ методик
определения условий движения на улично-дорожной сети и прогнозирования
вероятного числа аварий 7
1.1 Методика определения
параметров дорожного движения 7
1.2 Исследование характера
изменения скорости и дистанции в зоне дилеммы 12
1.3 Прогнозирование
вероятного числа приведенных аварий в потоке попутного транспорта при подъезде
к перекрестку 14
2 Расчет оптимальных
структур цикла светофорного регулирования на пересечении объектов
улично-дорожной сети 28
2.1 Определение условий
введения светофорного регулирования 28
2.2 Выбор типа
светофорного регулирования на перекрестке 30
2.3 Определения потоков
насыщения 32
2.4 Определение фазовых
коэффициентов 35
2.5 Определение
промежуточных тактов 36
2.6 Определение
длительности основных тактов и цикла светофорного регулирования 38
3. Расчет вероятного числа
аварий при подъезде к заданному перекрестку и разработка мероприятий по
снижению аварийности 44
3.1 Анализ условий и
организации движения на объекте улично-дорожной сети 44
3.2 Анализ интенсивности
транспортного и пешеходного потоков на улично-дорожной сети 45
3.2 Определение параметров
дорожного движения 48
3.3 Расчет изменения
скорости и дистанции в зоне дилеммы 51
.4 Расчет параметров цикла
светофорного регулирования по расчетным данным 53
3.5 Сравнение полученных
параметров дорожного движения 56
3.6 Расчет числа
приведенных аварий в потоке попутного транспорта при подъезде к перекрестку 57
3.7 Разработка мероприятий
по снижению аварийности при конфликтных ситуациях движения попутного транспорта 63
4 Определение
экологических потерь и экономических затрат 65
4.1 Определение
экономических потерь на данном объекте вследствие задержек транспортных средств 65
4.2 Определение
экономических потерь на данном объекте вследствие шумового загрязнения 67
4.3 Определение
экономических потерь на данном объекте вследствие загрязнения выбросами 1
4.4 Определение общих
экономических потерь на данном объекте и разработка рекомендаций п снижению
ущерба 2
5 Охрана труда и
окружающей среды 4
5.1 Технические средства
автомобиля для обеспечения безопасности дорожного движения 4
5.2 Технические средства
обеспечения безопасности транспортных средств, являющиеся частью дорожной
инфраструктуры 8
Заключение 11
Литература 15
ПРИЛОЖЕНИЕ А 17
Введение
Темой дипломного проекта является прогнозирование вероятного числа
приведенных аварий в потоке попутного транспорта при подъезде к перекрестку ул.
Интернациональная - ул. Катунина г. Гомеля и разработка мероприятий по снижению
аварийности.
Рост автомобильного парка и объема перевозок ведет к увеличению
интенсивности движения, что в условиях городов с исторически сложившейся
застройкой приводит к возникновению транспортной проблемы. Особенно остро она
проявляется в узловых пунктах улично-дорожной сети. Здесь увеличиваются
транспортные задержки, что вызывает снижение скорости сообщения, неоправданный
перерасход топлива и повышенное изнашивание узлов и агрегатов транспортных
средств.
Переменный режим движения, частые остановки и скопления автомобилей на
перекрестках являются причинами повышенного загрязнения воздушного бассейна
города продуктами неполного сгорания топлива. Городское население постоянно
подвержено воздействию шума и отработавших газов.
Рост интенсивности транспортных и пешеходных потоков непосредственно
сказывается также на безопасности дорожного движения На перекрестках,
занимающих незначительную часть территории города, концентрируется более 30%
всех дорожно-транспортных происшествий.
Обеспечение быстрого и безопасного движения в современных городах требует
применения комплекса мероприятий архитектурно-планировочного и организационного
характера (введение одностороннего движения, кругового движения на
перекрестках, организация пешеходных переходов и пешеходных зон, остановок
общественного транспорта, внедрение технических средств организации дорожного
движения).
Все воздействия организацию процесса движения транспортных средств и
пешеходов можно свести к трём группам:
организационно-нормативные;
архитектурно-планировочные;
инженерно-организационные (связанные с выполнением конкретных мероприятий
на путях сообщений).
К числу архитектурно-планировочных мероприятий относятся строительство и
реконструкция существующих улиц, проездов и магистралей, строительство
транспортных пересечений в разных уровнях, пешеходных тоннелей, объездных дорог
вокруг городов для отвода транзитных транспортных потоков.
Организационные мероприятия способствуют упорядочению движения на уже
существующей улично-дорожной сети (УДС). К числу таких мероприятий относятся
введение одностороннего движения, кругового движения на перекрёстках,
организация пешеходных переходов, пешеходных зон, автомобильных стоянок,
остановок общественного транспорта и др.
Инженерно-организационные мероприятия способны привести хотя и к
временному, но сравнительно быстрому эффекту. В ряде случаев инженерные
мероприятия оказываются единственным средством для решения транспортной
проблемы.
В то время как реализация мероприятий архитектурно-планировочного
характера требует, помимо значительных капиталовложений, довольно большого
периода времени, организационные мероприятия способны привести хотя и к
временному, но сравнительно быстрому эффекту. В ряде случаев организационные
мероприятия выступают в роли единственного средства для решения транспортной
проблемы. Речь идет об организации движения в исторически сложившихся кварталах
старых городов, которые часто являются памятниками архитектуры и не подлежат
реконструкции. Кроме того, развитие УДС нередко связано с ликвидацией зеленых
насаждений, что не всегда является целесообразным.
При реализации мероприятий по организации безопасности движения особая
роль принадлежит внедрению и обновлению технических средств: дорожных знаков и
дорожной разметки, средств светофорного регулирования, дорожных ограждений и
направляющих устройств. При этом светофорное регулирование является одним из
основных средств обеспечения безопасности движения на перекрестках. Количество
перекрестков, оборудованных светофорами, в крупнейших городах мира с высоким
уровнем автомобилизации непрерывно возрастает и достигает в некоторых случаях
соотношения: один светофорный объект на 1,5-2 тыс. жителей города.
Цель дипломного проекта - определение вероятного числа приведенных аварий
вида «столкновение с ударом сзади», их зависимости от циклов светофорного
регулирования и его элементов, а так же определение оптимальных параметров
цикла светофорного регулирования, которые позволят сократить транспортные и
пешеходные задержки, и, как следствие, снизить аварийность при подъезде к
перекрестку.
Стоит отметить, что аварии вида «столкновение с ударом сзади» являются
одними из наиболее распространёнными. По данным ГАИ города Гомеля, около 42% от
числа всех аварий на территории города являются именно аварии данного типа.
Столь большое число именно аварий данного типа - следствие густонаселенности и
высокой плотности транспортных средств в городах. Это связано с недостаточным
соблюдением водителями дистанций, что достаточно распространено особенно на
центральных улицах, где плотность транспортных потоков (особенно в часы пик)
возрастает в разы.
В качестве мер по предупреждению аварий данного типа можно выделить
следующие:
увеличение числа полос движения в особо загруженных направлениях движения
транспортных средств, что снизит плотности транспортных средств на каждой из
полос и .как следствием, будет увеличение соблюдаемых дистанций между
транспортными средствами в потоке. Данная мера поможет значительно сократить
число аварий рассматриваемого типа;
перенос стоп-линий, а так же переходных переходов на большее отдаление от
потенциальных линий пересечения транспортных потоков на перекрестке, что
позволит увеличить зазор безопасности при подъезде и прохождению перекрестка;
перенос и более оптимальное расположение средств регулирования на
перекрестках с целью обеспечения их лучшей видимости;
обеспечение лучшей видимости перекрестка и проезжей части на подходе к
перекрестку за счет снижения насаждения инфраструктуры, жилых зданий и т. п.
1 Анализ методик определения условий движения на
улично-дорожной сети и прогнозирования вероятного числа аварий
.1 Методика определения параметров дорожного движения
транспорт движение авария столкновение
Определение параметров дорожного движения является неотъемлемой частью
при определении мероприятий по снижению аварийности на данном участке дороги, а
так же для совершенствования регулирования дорожного движения на перекрестке. К
основным параметрам дорожного движения относят: интенсивность движения,
интенсивность прибытия на зеленый сигнал, динамический коэффициент приведения
состава транспортного потока, поток насыщения, установившийся интервал убытия
очереди автомобилей, коэффициент загрузки полосы движением, доля зеленого
сигнала в цикле, коэффициент приращения очереди, средняя длина очереди в
автомобилях и метрах, удельное число остановок автомобиля, коэффициент
безостановочной проходимости. удельная задержка и ее относительная погрешность,
доля перенасыщенных циклов [19].
Интенсивность движения на полосе q, авт./с
(1.1)
где n - максимальное число транспортных
средств, проехавших на зеленый сигнал, шт;
С - продолжительность цикла светофорного регулирования, с.
Интенсивность прибытия на зеленый сигнал qz, авт./с
(1.2)
где n1 -число автомобилей, пребывающих на красный сигнал;
n2 - число и тип транспортных средств,
прибывающих в заданном цикле, но вынужденных остаться на второй цикл;
tz - продолжительность горения зеленого сигнала, с.
Динамический коэффициент приведения состава транспортного потока Кпн
[19, 21]
(1.3)
где ni -общее число транспортных средств
данной группы;
КПНi - частный коэффициент приведения
данной группы (для легковых автомобилей КПН = 1, грузовых
автомобилей - 2, автобусов - 2,5, автопоездов - 3).
Поток насыщения экспериментальный qнэ, авт./с
(1.4)
где TН -установившийся интервал убытия очереди автомобилей,
с:
если
(1.5)
если
(1.6)
где qНЛ -поток насыщения для легковых
автомобилей, с:
(1.7)
- число
транспортных средств в очереди:
если
(1.8)
- число
тип транспортных средств, прибывающих на красный сигнал;
- число
тип транспортных средств, прибывающих в данном цикле, но вынужденных
остановиться в очереди на проезд;
-
максимальное число транспортных средств, проехавших на зеленый сигнал;
Поток насыщения расчетный qнр, авт./с
если
(1.9)
где
-интервал рассасывания очереди автомобилей, с (
<tz):
(1.10)
КУН - коэффициент условий по потоку насыщения
(1.11)
где КУН1..3 - частные коэффициенты условий, в первом
приближении берем из таблицы 1.1 [19, 22];
Таблица 1.1 - Значения коэффициентов условий [22]
|
Индекс
|
Оцениваемый параметр
|
Расчетные значения
|
|
КУН1
|
Коэффициент сцепления φ
|
φ
|
0,1
|
0,2
|
0,3
|
>0,3
|
|
|
КУН1
|
2,0
|
1,5
|
1,2
|
1,0
|
|
КУН2
|
Неровности на ПЧ h
|
h
|
10…20
|
20…50
|
50…100
|
>100
|
тип
|
|
|
КУН2
|
1,0
|
1,2
|
1,5
|
2,0
|
одиночные
|
|
|
|
1,05
|
1,3
|
1,6
|
2,1
|
повторяющиеся
|
|
КУН3
|
Продольный уклон α
|
КУН3 =
1±0,04·α0, где α0 - угол
наклона ((+) - подъем, (-) - спуск)
|
Коэффициент загрузки полосы движением X [19, 22]
(1.12)
где
-доля зеленого сигнала в цикле:
. (1.13)
Коэффициент приращения очереди Ко [19, 22]
. (1.14)
Средняя длина очереди Ln, выраженная в автомобилях
(1.15)
Средняя длина очереди Ls, выраженная в метрах
(1.16)
Удельное число остановок автомобиля eо, ост./авт.
(1.17)
Коэффициент безостановочной проходимости Кб
(1.18)
Удельная задержка по экспериментальным исходным данным dэ, с/авт.
(1.19)
Удельная задержка по расчетным исходным данным dр, с/авт.
(1.20)
Относительная погрешность расчетного определения задержки δd [19,22]
(1.21)
Доля перенасыщенных циклов Δn2
, (1.22)
где Zn2 - число перенасыщенных циклов (когда часть
транспортных средств остается на второй цикл):
∑Z - число циклов измерения;
1.2 Исследование характера изменения скорости и
дистанции в зоне дилеммы
При прогнозировании вероятного числа приведенных аварий необходимо
произвести наблюдения в разрабатываемом пункте скопления и прохождения
автомобилей.
В частности, для определения возможного числа аварий при подходе к
перекрестку ул. Интернациональной - ул. Катунина необходимо провести замеры
скоростей автомобилей на подходе к перекрестку, а так же соблюдаемых дистанций,
что позволит сделать вывод о возможности экстренной остановке автомобиля.
Для анализа характера изменения скорости и дистанции в зоне дилеммы - в
зоне при подъезде к перекрестку, где водители наиболее подвержены к допущению
ошибок при выборе скорости подъезда и дистанции до предшествующего автомобиля,
необходимо определить средние значения времени и скоростей прохождения
последних 50 метров перед перекрестком, а так же рассчитать отклонения и
точность расчетов.
Для проведения наиболее точных расчетов будем использовать выборку
замеров для каждой полосы, состоящую из 100 замеров (минимум замеров 99 для
погрешности при оценке математического ожидания на расстоянии 50 метров до
стоп-линии не более 0,35).
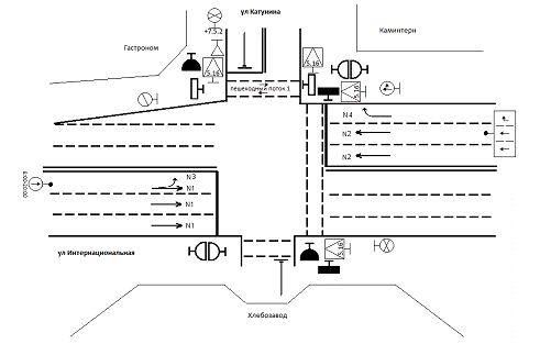
На рисунке 1.1 показано место проведения замеров, которое выбирается
исходя из принципа достаточной обзорности 40-60 метров проезжей части, а так же
возможности определения ориентиров для последующей привязки точек отсчета [19,
22].
Рисунок 1.1 - Схема проведения замеров мгновенных скоростей и дистанции
Время
прохождения автомобилем мерного участка в среднем t=3-6 с, для
этого протяженность участка S1 должна
быть в пределах 40-60 м. Замеры производятся с помощью секундомера. В момент,
когда автомобиль проходит точку О1, включаем секундомер, а когда
точку О1` - выключаем. По схеме, изображенной на рисунке 1.1,
определяются расстояния
между ориентирами ОО`, а также расстояния b1 и b0, а так
же время прохождения участка t, по которым определяется расстояние S1 и мгновенная скорость V [19, 22]
; (1.23)
; (1.24)
Дистанцию между лидирующим и ведомым автомобилями можно выразить двумя
характеристиками: расстоянием между автомобилями в метрах и временным
интервалом между автомобилями в секундах, зачастую второй вариант приемлемее.
Для определения временного интервала между автомобилями используем формулу 1.25
; (1.25)
где S - дистанция между автомобилями, м.;
Vвед - скорость ведомого автомобиля, м/с.
1.3 Прогнозирование вероятного числа приведенных
аварий в потоке попутного транспорта при подъезде к перекрестку
Расчет потенциальной опасности (ПО) в точке для регулируемого перекрестка
производится через определение ПО на нерегулируемом перекрестке [19, 22].
Для регулируемого перекрестка потенциальная опасность будет определяться
исходя из опасностей всех входящих в перекресток конфликтных точек
, (1.26)
где
- потенциальная опасность
конфликтной точки при нерегулируемом перекрестке;
,
- показатели степени (отличающиеся для различных режимов конфликтного
движения) (для внутрифазного режима 
);
- количество конфликтных точек на перекрестке (число полос при аварии
“удар сзади”).
Структурная формула для определения ПО на расчетном пункте при
столкновениях с ударом сзади при нерегулируемом режиме имеет вид
; (1.27)
где
- начальная вероятность
конфликтной ситуации;
- коэффициент скоростей;
- коэффициент вида конфликта;
- коэффициент плотности;
- коэффициент нарушений;
- коэффициент видимости.
- коэффициент времени.
-
- коэффициенты значимости, численные значения которых
находятся в пределах 0,9÷1,2 и определяются перебором при шаге квантования
0,02, при прямом столкновении они не учувствуют и принимаются равными 1.
1. Начальная вероятность конфликта (
) характеризуется вероятностью одновременного
появления в зоне конфликта двух транспортных средств. Начальная вероятность
конфликта при столкновениях с ударом сзади определяется [19, 22]
, (1.28)
где
- вероятность случайной остановки
автомобиля;
- вероятность попадания двух автомобилей в интервал
;
- коэффициент замедления.
, (1.29)
где
- продолжительность зоны дилеммы
(ЗД) (продолжительность ЗД, выраженная во временном интервале), принимается по
средним данным из таблицы 4.1, с.
- интенсивность движения по полосе исследуемого потока, таблица 1.3
пункта 1, а/с.
Для
регулируемого перекрестка
, а/с; (1.30)
где
- доля зеленого сигнала в
светофорном цикле для данной конфликтной точки.
; (1.31)
. (1.32)
где
- в данной модели это замедление в центре ЗД, усредненное 2 м/с2 [19,
22].
Формула для определения вероятности случайной остановки автомобиля при
нерегулируемом режиме имеет вид
, (1.33)
где
- ИД главного конфликтующего
потока, а/с;
- ИД второстепенного конфликтующего потока, а/с.
Для
регулируемого режима вероятность случайной остановки автомобиля определяется по
формуле [19, 22]
. (1.34)
где С -длительность цикла светофорного регулирования, с.
Для рассматриваемого вида аварий формула 1.33 преобразуется следующим
образом [23]
.
(1.35)
Т. е. по сути вероятность стать как лидирующим, так и ведомым автомобилем
составляет по 50 %.
2. Коэффициент скоростей (
) определяется исходя из зависимости вероятности
возникновения конфликтной ситуации от относительной скорости между участниками
[22]
, (1.36)
- угол между траекториями движения КФУ. Учитывая, что принято
исследование столкновений с ударом сзади принято:
°, имеем
, (1.37)
где
,
- скорости соответствующих участников конфликта (таблица 4.1), м/с;
3. Коэффициент вида конфликта (
) определяется по формуле
(1.38)
где
- коэффициент габаритов (или
траектории);
- коэффициент уклончивых действий.
Коэффициент габаритов для столкновения с ударом сзади определяется по
формуле [23]
. (1.39)
где
- ширина полосы движения, м.
Коэффициент уклончивых действий показывает, в принципе, насколько
вероятны уклончивые действия при данном виде конфликта и насколько
пространственное положение участников позволяет им видеть конфликтную ситуацию,
оценивать и избегать столкновения. Он зависит от совместной видимости
участниками зоны конфликта
, (1.40)
При
столкновении ударом сзади видимость считается нормальной,
[19]. Формула 4.15 преобразуется так:
. (1.41)
4. Коэффициент плотности (
) для удара сзади определяется по формуле [23]
. (1.42)
где KU - коэффициент напряженности потока,
для равномерно напряженного потока KU = 1.
5.
Коэффициент нарушений для удара сзади зависит от присутствия инспектора, а так
же от загрузки полос движением [22]
. (1.43)
где X - коэффициент загрузки полосы
движением. Т. к. полоса одна, коэффициент принимается равным 1;
,
- коэффициенты влияния КФ
участников на вероятность возникновения КФ. Т к каждый из участников в один и
тот же промежуток времени является как лидирующим, так и ведомым, коэффициенты
принимаются равными
=
=1.
- коэффициент присутствия инспектора. Установлено, что присутствие
инспектора существенно влияет на частоту и опасность нарушения правил
водителями. Численные значения коэффициента
зависят
от ожидаемой водителями вероятности нахождения инспектора на перекрестке.
Принято:
= 0,75 - постоянное
присутствие;
= 1,00 - периодическое
присутствие;
= 1,25 - эпизодическое
присутствие;
= 1,50 - гарантированное
отсутствие. На исследуемом перекрестке замечено эпизодическое присутствие,
= 1,25.
6. Коэффициент условий (
) [22]
, (1.44)
где
- коэффициент видимости;
- коэффициент проезжей части;
- коэффициент пешеходов;
6.1 Коэффициент видимости характеризует видимость зоны
конфликта и определяется расстоянием прямой и боковой видимости, наличием и
качеством информации, логичностью инженерных и организационных решений,
возможным наличием иллюзионных ситуаций. На его величину оказывает влияние
читаемость ситуации, предсказуемость действий участников движения,
достаточность времени при нормальных условиях для оценки ситуации и принятия
соответствующих решений. Данный коэффициент включает в себя несколько частных
коэффициентов, однако постоянно добавляются частные коэффициенты, влияющие на
общий коэффициент видимости. В известных методиках, например, в линейных
графиках коэффициентов аварийности, результирующий (итоговый) коэффициент
определяется простым перемножением всех частных коэффициентов. При этом
подобный подход не совсем правилен, что итоговые коэффициенты, в результате, не
отображают истинных значений аварийности или опасности. Многими принята
следующая модель: представляется, что в аварийности существует некая реальная
модель и некое реальное ранжирование, найти которые еще предстоит. На данный
момент в методике принята аналогия с закачиванием в емкость газов (факторов) различной
сжимаемости. Степень сжимаемости также предстоит определить, а пока принята
простейшая модель, согласно которой все факторы, выражаемые частными
коэффициентами, ранжированы в ряд
...
. Суммарный коэффициент определяется по формуле [19]
, (1.45)
где
- первый по рангу частный
коэффициент;
- расчетный коэффициент i - гo ранга.
Последний
расчетный коэффициент определяется как:
, (1.46)
где
- частный коэффициент i-гo
ранга;
- суммарный коэффициент высшего на единицу ранга;
- показатель степени,
который также может быть переменным, но изначально принимается равным 1.
Коэффициент
видимости
состоит из следующих частных коэффициентов:
-
коэффициент, учитывающий видимость транспортного потока в направлении движения
для лидирующего автомобиля (помехи создаваемые деревьями, поворотом дороги т.
п.) [19]
, (1.47)
где
- разрешенная скорость, на данном
участке 16,7 м/с;
- фактическое расстояние видимости (лидирующего автомобиля, 15 м)
- коэффициент, учитывающий видимость транспортного
потока в направлении движения для ведомого автомобиля [19]
. (1.48)
где
- фактическое расстояние
видимости для ведомого автомобиля, принимается, что каждый автомобиль в
зависимости от положения в зоне конфликта в один и тот же промежуток времени
является и лидирующим и ведомым, 15 м.
-
коэффициент, учитывающий боковую видимость со стороны второстепенного потока
для лидирующего автомобиля [19]
, (1.49)
где
- транспортная сторона
треугольника боковой видимости, м:
, (1.50)
- пешеходная сторона
треугольника боковой видимости, м:
м.
Для
регулируемого режима -
- коэффициент, учитывающий
видимость технических средств регулирования (в первую очередь здесь идет речь о
светофорных объектах) для лидирующего автомобиля (здесь имеется ввиду наличие
помех, создаваемых для различия самого светофора и его сигналов), в случае
достаточной видимости основных и повторительных светофоров
=1 [19];
-
коэффициент, учитывающий степень прозрачности или видимость в пределах
треугольника боковой видимости для лидирующего автомобиля (отличная - в треугольнике практически нет помех,
=1,
хорошая - имеются отдельные помехи: стойки дорожных знаков,
опоры линий электроосвещения, отдельные тонкие деревья,
=1,2, удовлетворительная - помехи значительны, включая отдельные запаркованные автомобили,
=1,5, неудовлетворительная - помехи очень сильны: деревья, запаркованные грузовые автомобили или
автобусы, главные конфликтующие участники различается с трудом или с перебоями,
=2,5); Для регулируемых перекрестков
=1 [19].
-
коэффициент одновременности конфликтов (при наличии цепных реакций при ударе
сзади), принимается без цепных реакций
=1 [19];
- коэффициент нелогичности решений (необдуманные неожиданные решения
могут увеличивать коэффициент до 2,5), примем усреднённую логику принятия
решений,
=1 [19];
- коэффициент иллюзионных ситуаций (связан с возникновением у водителя
ошибочного представления о дорожной ситуации из-за появления ложной
перспективы, особенно, при повороте дороги; совмещения световой рекламы с
сигналами светофора; калейдоскопичности вида на главную дорогу, когда
автомобили на ней теряются в общей пестрой картине и т. д. Этот коэффициент
также назначается расчетчиком субъективно и максимальное его значение
рекомендуется принимать в пределах
), примем
усредненный
[19];
- коэффициент видимости средств регулирования (определяет оптимальность
установки средств регулирования дорожного движения, от чего зависит их
видимость,
), видимость на исследуемом перекрестке нормальная,
примем
[19].
6.2 Коэффициент проезжей части (ПЧ) характеризует
состояние ПЧ при подъезде к зоне конфликта и определяется ровностью и
скользкостью покрытия, наличием спуска, неправильным поперечным профилем,
сужением проезжей части и т. д. Состоит из частных коэффициентов
, (1.51)
. (1.52)
-
коэффициент, учитывающий скользкость покрытия [17]
, (1.53)
где
- коэффициент неравномерности:
, когда скользкость одинакова на всем протяжении
участка;
, когда скользкость на участке неравномерная, с
резкими перепадами [19];
- коэффициент сцепления (при влажном состоянии покрытия снижается в
значительной мере). В исследуемое время был достаточно высок, примем
= 0,9;
-
коэффициент, учитывающий ровность покрытия:
- ровное покрытие, не отвлекающее водителя от управления автомобилем,
- неровное покрытие, отвлекающее
водителя от управления автомобилем и оценки ситуации [19];
- коэффициент, учитывающий спуск перед зоной конфликта
, (1.54)
где
- уклон (только спуск) перед зоной конфликта, град.; В данном случае
=0°, следовательно,
=1.
- коэффициент, учитывающий наличие сужения проезжей части [23]
, (1.55)
где В - ширина полосы на подходе к перекрестку, м.
- коэффициент, учитывающий влияние неправильного поперечного профиля - отсутствие виража или обратный вираж, наличие продольных углублений
или выступов. Назначается субъективно расчетчиком:
. Вследствие отсутствия виража принимается
=1 [22].
6.3
- коэффициент переходов - характеризует специфические
особенности пешеходного движения. При столкновении ударом сзади рассматривается
из-за неожиданного выхода перехода перед лидирующим автомобилем и его резкого
торможения.
, (1.56)
. (1.57)
где:
- Ку31
- коэффициент, учитывающий боковую видимость
пешехода [19, 22]
. (1.58)
- коэффициент видимости в пределах треугольника боковой видимости, при
нормальных условиях
=1 [19];
- коэффициент расположения переходов. В случае их расположения напротив
калиток школ, дверей магазинов, выходов из кинотеатров, проходных заводов, где
пешеходы из специфической среды обитания сразу же оказываются на пешеходном
переходе, опасность существенно увеличивается. Рекомендуемое максимальное
значение
. Принимается
из-за
значительного скопления общественных мест, а так же проходной завода и выхода
из магазина в районе данного перекрестка [19];
- коэффициент расположения остановочных пунктов общественного
транспорта. В случае их расположения по ходу движения перед пешеходным
переходом, резко увеличивается вероятность неожиданного выхода пешехода на
проезжую часть из-за автобуса или троллейбуса. Принято:
- если остановочный пункт
расположен перед пешеходным переходом с одной стороны улицы или дороги.
- если ОП расположены перед
пешеходным переходом сразу с обеих сторон улицы или дороги. Принимаем
, т к остановочные пункты расположены в значительном
удалении и за перекрестком по движению транспорта [19];
- коэффициент ограждений. Если в опасных местах, например, с
ограниченной видимостью, при интенсивном маневрировании транспорта, установлены
пешеходные ограждения, несущие функциональную нагрузку, то они способствуют
снижению аварийности в конфликте «транспорт-пешеход». Поэтому принято: 0,5

1.
Вследствие высокой функциональной нагрузки пешеходных ограждений
= 1 [19].
7
- коэффициент времени для нерегулируемого режима
определяется по формуле [19, 22]
, (1.59)
где
- годовой фонд времени работы объекта в нерегулируемом режиме под
расчетной нагрузкой, для стандартного режима работы принимается
= 6570 часов.
Для регулируемого режима (внутрифазный режим движения) [19]:
, (1.60)
2 Расчет оптимальных структур цикла светофорного
регулирования на пересечении объектов улично-дорожной сети
.1 Определение условий введения светофорного
регулирования
Транспортные и пешеходные светофоры должны устанавливаться при наличии
хотя бы одного из следующих четырех условий [20]:
условие 1 - в течение 8 ч (суммарно) рабочего дня недели
интенсивность движения транспортных средств не менее указанной в таблице 2.1;
Таблица 2.1 - Условия введения светофорной сигнализации
|
Количество полос движения в
одном направлении
|
Интенсивность движения
транспортных средств, ед./ч
|
|
Главная (более загруженная)
дорога
|
Второстепенная (менее
загруженная) дорога
|
по главной дороге в двух
направлениях
|
по второстепенной дороге в
одном, наиболее загруженном направлении
|
|
1
|
1
|
750 670 580 500 410 380
|
75 100 125 150 175 190
|
|
2 и более
|
1
|
900 800 700 600 500 400
|
75 100 125 150 175 200
|
|
2 или более
|
2 или более
|
900 825 750 675 600 525 480
|
100 125 150 175 200 225 240
|
-
условие 2 - в течение 8 ч (суммарно) рабочего дня недели интенсивность движения
не менее:
. 600 ед./ч (для дорог с разделительной полосой 1000 ед./ч) по
главной дороге в двух направлениях;
. 150 пешеходов пересекают проезжую часть в одном, наиболее загруженном
направлении в каждый из тех же 8 ч.
Для населенных пунктов с численностью жителей более 10 тыс. чел.
нормативы по условиям 1 и 2 составляют 70% указанных.
условие 3 - условия 1 и 2 одновременно выполняются по каждому
отдельному нормативу на 80% и более.
условие 4 - за последние 12 мес. на перекрестке совершено не
менее трех дорожно-транспортных происшествий, которые могли бы быть
предотвращены при наличии светофорной сигнализации (например, столкновения
транспортных средств, движущихся с поперечных направлений, наезды транспортных
средств на пешеходов, переходящих дорогу, столкновения между транспортными
средствами, движущимися в прямом направлении и поворачивающими налево со
встречного направления). При этом условия 1 или 2 должны выполняться на 80% или
более.
.2 Выбор типа светофорного регулирования на
перекрестке
В результате исследования интенсивности транспортных средств на
перекрестке (таблица В2 приложения В) по главной и второстепенной дороге
движется соответственно
Nгр = 1180+136+7+48+1052+71+4+57+242 =
2797 ед./час;
Nвт = 181+8+98+5= 292 ед./час.
Из таблицы 2.1 для данного перекрестка принимается критическая для
введения светофорного регулирования интенсивность по главной дороге 900 и
второстепенной (в наиболее загруженном направлении) - 75 ед./час. Полученные
данные превосходят критические (2797 ед./час по главное и 181 ед./час в
наиболее загруженном направлении по второстепенной дороге), что свидетельствует
о необходимости введения светофорного регулирования на данном перекрестке.
Введение светофорного регулирования преследует три цели:
снижение задержек транспортных и пешеходных потоков;
уменьшение числа конфликтных ситуаций на пересечении;
уменьшение числа ДТП.
После определения необходимости введения светофорного регулирования следует
определить необходимое количество фаз светофорного цикла. Определение
оптимального числа фаз регулирования является решением компромиссным. В
интересах высокой пропускной способности следует всегда стремиться к
минимальному числу фаз на столько, насколько позволяют условия безопасности
движения.
В данном случае, когда преобладает движение в прямых направлениях,
разъезд транспортных средств может быть организован по двухфазному циклу. Все
участники движения делятся на две группы. Очередность их движения ликвидирует
на перекрестке наиболее опасные конфликтные точки. Правые и левые повороты, а
также движение пешеходов осуществляются при наличии конфликтов в соответствии с
порядком, предусмотренным Правилами дорожного движения. Так как непременным
условием применения двухфазного регулирования является сравнительно небольшая
интенсивность в этих направлениях, интересы безопасности движения соблюдаются.
Кроме того, в соответствие с Правилами дорожного движения установлены некоторые
ограничения на движения левоповоротных и правоповоротных потоков в часы пик для
предотвращения наиболее вероятных конфликтных ситуаций (в частности,
левоповоротный поток N3
запрещен с 8:00 до 20:00, правоповоротный поток N4 целиком переведен на отдельную полосу, чтоб не мешать основному
прямому потоку). А т. к. левоповоротные потоки не превышают 120 авт/час (N6=103 авт/час), то этот поток
допускается совмещать с определяющим длительность фазы встречным потоком
прямого направления.
Поэтому на перекрестке рекомендуется ввести двухфазное светофорное
регулирование.
.3 Определения потоков насыщения
Поток насыщения является показателем, зависящим от многих факторов:
ширины проезжей части (полосы движения), продольного уклона на подходах к
перекрестку, состояния дорожного покрытия, видимости перекрестка водителем,
наличия в зоне перекрестка пешеходов и стоящих автомобилей.
Для случая движения в прямом направлении по дороге без продольных уклонов
поток насыщения рассчитывают по эмпирической формуле, которая связывает этот
показатель с шириной проезжей части, используемой для движения транспортных
средств в данном направлении рассматриваемой фазы регулирования [20]
, (2.1)
где
- поток насыщения, ед/ч ;
- ширина
проезжей части в данном направлении данной фазы, м.
Данная
формула применима при
. Если ширина проезжей части меньше 5,4 м, для расчета
можно использовать данные, приведенные в таблице 2.2 [20].
Таблица 2.2 - Зависимость потока насыщения от ширины проезжей части в
данном направлении данной фазы
|
,ед/ч185018751950207524752700
|
|
|
|
|
|
|
|
, м3,03,33,64,24,85,1
|
|
|
|
|
|
|
Если перед перекрестком полосы обозначены дорожной разметкой, поток
насыщения можно определить в соответствии с приведенными данными отдельно для
каждой полосы движения.
Для случая движения транспортных средств прямо, а также налево и (или)
направо по одним и тем же полосам движения, если интенсивность лево- и
правоповоротного потоков составляет более 10% от общей интенсивности движения в
рассматриваемом направлении данной фазы, поток насыщения определяется [20]
, (2.2)
где
- интенсивность прямого направления, ед/ч;
-
интенсивность, соответственно, лево- и правоповоротных потоков, ед/ч.
Для
право - и левоповоротных потоков, движущихся по специально выделенным полосам,
поток насыщения
определяется в зависимости от радиуса поворота R
[20]
. (2.3)
Остальные перечисленные факторы, влияющие на поток насыщения, учитывают с
помощью поправочных коэффициентов. Эти коэффициенты отражают условия движения
на перекрестке, которые можно подразделить на три группы: хорошие, средние и
плохие [20]. Отнесение условий на данном направлении движения через перекресток
к одной из групп влечет за собой изменение потока насыщения. Его значение,
определенное по формулам должно быть умножено на соответствующий поправочный
коэффициент.
Условия движения через перекресток на данном направлении относятся к
средним, следовательно, поправочный коэффициент будет равен 1 [20].
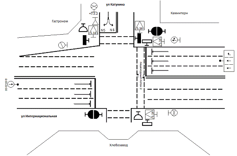
Расчет потоков насыщения для перекрестка улиц Интернациональной и
Катунина приведен ниже:
Фаза 1:
ед/ч;
ед/ч;
Поворот
направо по направлению N4 осуществляется по замеренному радиусу 3 метра:
ед/ч;
ед/ч;
ед/ч;
Фаза
2:
ед/ч.
2.4 Определение фазовых коэффициентов
Фазовые коэффициенты определяются для каждого из направлений движения на
перекрестке в данной фазе регулирования [20]
, (2.4)
где
- фазовый коэффициент данного направления;
и
- соответственно интенсивность движения для
рассматриваемого периода суток и поток насыщения в данном направлении данной
фазы регулирования, ед/ч.
За
расчетный (определяющий длительность основного такта) фазовый коэффициент
принимается наибольшее значение
в данной фазе. Меньшее значение могут быть
использованы в дальнейшем для определения минимально необходимой длительности
разрешающего сигнала в соответствующих этим коэффициентам направлениях
движения.
При
пофазном регулировании и пропуски какого-либо транспортного потока в течение 2
фаз и более для него отдельно рассчитывается фазовый коэффициент, который
независимо от значения не принимается в качестве расчетного. Однако этот
фазовый коэффициент должен быть не более суммы расчетных фазовых коэффициентов
тех фаз, в течение которых этот поток пропускается. Если это условие не
соблюдается, то один из расчетных фазовых коэффициентов, входящих в эту сумму,
должен быть искусственно увеличен.
Расчет
фазовых коэффициентов для данного перекрестка
Фаза
1:
;
;
;
;
-
принимается за расчетный в данной фазе;
.
Фаза
2:
-
принимается за расчетный в данной фазе;
.
Для
первой фазы принят коэффициент 0,383, для второй - 0,138.
.5 Определение промежуточных тактов
В соответствии с назначением промежуточного такта его длительность должна
быть такой, чтобы автомобиль, подходящий к перекрестку на зеленый сигнал со
скоростью свободного движения, при смене сигнала с зеленого на желтый смог либо
остановиться у стоп-линии, либо успеть освободить перекресток (миновать
конфликтные точки пересечения с автомобилями, начинающими движение в следующей
фазе).
Остановиться у стоп-линии автомобиль сможет только в том случае, если
расстояние от него до стоп-линии на проезжей части будет равно или больше
остановочного пути.
С учетом предположения о постоянном замедлении при торможении автомобиля
перед стоп-линией формулу для определения длительности промежуточного такта
можно представить в следующем виде [20]
, (2.5)
где
-средняя скорость транспортных средств при движении на
подходе к перекрестку и в зоне перекрестка без торможения (с ходу), по Правилам
дорожного движения на данном участке принимаем 60 км/ч;
-среднее
замедление транспортного средства при включении запрещающего сигнала
(для практических расчетов
);
-расстояние
от стоп-линии до самой дальней конфликтной точки, по измерениям для первой и
второй фаз соответственно 8 и 6 м;
-длина
транспортного средства, наиболее часто встречающегося в потоке, м. Принимается
в среднем равной 6 м.
В
период промежуточного такта заканчивают движение и пешеходы, ранее переходившие
улицу на разрешающий сигнал светофора. За время
пешеход
должен или вернуться на тротуар, откуда он начал движение, или дойти до
середины проезжей части (островка безопасности, центральной разделительной
полосы, линии, разделяющей потоки встречных направлений). Максимальное время,
которое потребуется для этого пешеходу, определяется следующим образом [20]
, (2.6)
где
- ширина проезжей части, пересекаемой пешеходами в i-ой
фазе регулирования, м;
-
расчетная скорость движения пешеходов (принимается 1,3 м/с).
В
качестве промежуточного такта выбирают наибольшее значение из
и
.
Расчет
промежуточных тактов для перекрестка:
Фаза
1:
с,
принимается 3 с;
с,
принимается 2 с;
Фаза
2:
с,
принимается 4 с;
с,
принимается 4 с;
Принимается
для первой фазы промежуточный такт 3 секунды, для второй - 4 секунды.
.6 Определение длительности основных тактов и цикла
светофорного регулирования
Режим работы светофорной сигнализации характеризуется тактом, фазой и
циклом. Тактом называется период, в течение которого не меняется сочетание
включенных сигналов. Различают такты : основной - время горения разрешающих или
запрещающих сочетаний сигналов; промежуточный - время горения сочетания
сигналов, при которых происходит передача права движения очередной группе
транспортных средств. Фаза - совокупность основного и промежуточного тактов.
Цикл - период, в течение которого происходит полная смена последовательности
фаз.
Под режимом светофорного регулирования понимается длительность цикла, а
также число, порядок чередования и длительность составляющих цикл тактов и фаз.
В аналитическом виде режим светофорного регулирования можно представить в виде
выражения [10]
, (2.7)
где
- длительность цикла регулирования, с;
-
длительности основного такта, с;
-
длительности промежуточного такта, с;
- число
фаз.
В случае неравномерного прибытия транспортных средств к перекрестку
(интервалы между последовательно прибывающими транспортными средствами не
одинаковы) длительность цикла определяется по формуле, предложенной английским
исследователем Ф. Вебстером на основе минимизации транспортной задержки [20,
стр. 15]
, (2.8)
где
-суммарная длительность промежуточных тактов, по [20]
. (2.9)
При высокой интенсивности движения и недостаточной пропускной способности
перекрестка сумма расчетных фазовых коэффициентов Y стремится к единице, а длительность цикла к бесконечности.
По
соображениям безопасности движения длительность цикла больше 120 секунд
считается недопустимой. Если расчетное значение
превышает
120 секунд, необходимо добиться снижения длительности цикла путем увеличения
числа полос движения на подходе к перекрестку, запрещения отдельных маневров,
снижения числа фаз регулирования, организации пропуска интенсивных потоков в
течение двух и более фаз. Также нецелесообразно принимать длительность цикла
менее 25 секунд.
Длительность
основного такта
в i-ой фазе регулирования пропорционально расчетному
фазовому коэффициенту этой фазы. Поэтому, если сумма основных тактов равна
, то [20]
. (2.10)
По
соображениям безопасности движения
обычно
принимают не менее 7 секунд. В противном случае повышается вероятность цепных
ДТП при разъезде очереди на разрешающий сигнал светофора. Расчетную
длительность основных тактов необходимо проверить на обеспечение ими пропуска в
соответствующих направлениях пешеходов.
Время,
необходимое для пропуска пешеходов по какому-то определенному направлению
, рассчитывается по эмпирической формуле, включающей
суммарные затраты времени на пропуск пешеходов [20, стр. 16]
. (2.11)
Если
какие-либо значения
оказались больше рассчитанной длительности
соответствующих основных тактов, то окончательно принимают новую утонченную длительность
этих тактов, равную наибольшему значению
. При
этом не будет оптимального соотношения фаз в цикле регулирования, так как
нарушается условие пропорциональности между
и
.
При
большем значении
в конфликтующем направлении накапливается в ожидании
разрешающего сигнала большее число транспортных средств, которые получают право
на движение в других фазах, где основные такты могли остаться без изменения.
Такое
нарушение пропорциональности не приводит к существенному возрастанию
транспортной задержки, если
и
незначительно отличаются друг от друга (на 4-5
секунд). В этом случае можно
увеличить
до
и соответственно увеличить длительность цикла.
Расчет
длительности цикла:
с,
Определение
основных тактов:
с,
принимается 19 с;
с,
принимается 12 с.
с,
принимается 7 с;
с,
принимается 20 с.
Так
как
с, то требуется восстановления оптимального
соотношения длительности фаз в цикле.
Для
восстановления оптимального соотношения тактов в цикле необходимо его скорректировать:
принимаем
= 20 с.
По
[20, стр. 17] корректировка проводится через рассчитываемые эмпирические
коэффициенты А и В для времени цикла:
; (2.12)
; (2.13)
; (2.14)
Определяем численные значения коэффициентов:
;
.
Определяем
новое значение длительности цикла светофорного регулирования:
.
Принимаем
длительность светофорного цикла 91 с.
Далее
определяется скорректированный суммарный фазовый коэффициент, выраженный из
формулы 2.8
; (2.15)
.
Далее
из пропорции
находятся новые фазовые коэффициенты для каждой фазы
;
.
Определяем
новые длительности основных тактов по формуле 2.10
с,
принимается 62 с;
с,
принимается 22 с;
Введем
полученные длинны тактов в временную диаграмму (схема расположения светофоров в
приложении Д на рисунке Д1):
Таблица 2.3 - Расчетный график работы светофорной сигнализации
|
Номер светофора
|
График включения сигнала
|
Длительность, с
|
|
5, 6, 7, 8, 9, 10
|
З
|
Ж
|
К
|
КР
|
Tз
|
Тж
|
Тк
|
Тк-ж
|
|
|
|
|
|
Ж
|
|
|
|
|
|
|
62
|
3
|
22
|
4
|
62
|
3
|
22
|
4
|
|
|
1, 2, 3 ,4
|
К
|
КР
|
З
|
Ж
|
Tк
|
Тк-ж
|
Тз
|
Тж
|
|
|
|
Ж
|
|
|
|
|
|
|
|
|
62
|
3
|
22
|
4
|
62
|
3
|
22
|
4
|
|
3. Расчет вероятного числа аварий при подъезде к
заданному перекрестку и разработка мероприятий по снижению аварийности
.1 Анализ условий и организации движения на объекте
улично-дорожной сети
Дорожные условия и система организации движения оказывают значительное
влияние на эффективность и безопасность перевозочного процесса на автомобильном
транспорте.
В качестве объекта улично-дорожной сети выбран перекресток улиц
Интернациональной и Катунина города Гомеля. Данное пересечение является
регулируемыми. Движение на данном участке является достаточно интенсивным,
поэтому аварийность на этом участке повышена. Проезжая часть дороги по улице
Интернациональной имеет по три с одной стороны и две и три полосы в каждом
направлении с другой стороны, а по улице Катунина по одной полосе в каждом
направлении. Схема улично-дорожной сети приведена в приложении А.
При обследовании объекта улично-дорожной сети было обнаружено, что дорога
имеет некоторое число выбоин на всем протяжении, в том числе непосредственно на
перекрестке, имеются неровности дорожного полотна; присутствует и достаточно
хорошо видна разметка; люки не выведены за пределы проезжей части, однако не
создают значительных неровностей, что улучшает безопасность движения; тротуары
присутствуют на всем протяжении дороги; обзорность дорожных знаков и их
различимость хорошая.
На основе проведенного анализа формируются предложения по улучшению
дорожных условий организации движения на заданном объекте.
3.2 Анализ интенсивности транспортного и пешеходного
потоков на улично-дорожной сети
Под интенсивностью транспортного потока понимается число транспортных
средств, проходящих через сечение дороги в единицу времени. Интенсивность
движения - величина неравномерная и в пространстве, и во времени. Для
обоснования мероприятий по совершенствованию организации дорожного движения
необходимо выявить интенсивность транспортных потоков в наиболее напряженные
периоды суток.
Хронометражные наблюдения проводились в вечерний час пик, то есть с 16 до
17 часов. В приложении Б приведены возможные направления движения автомобилей
на перекрестке. В приложении В приведен протокол наблюдения интенсивности
транспортных и пешеходных потоков на перекрестке улиц Интернациональной и
Катунина.
Состав транспортного потока характеризуется соотношением в нем транспортных
средств различного типа. В результате подсчета можно вывести процентное
соотношение транспортных средств различного типа:
- легковых автомобилей - 89,2%;
- грузовых автомобилей - 7,13%;
- автопоездов - 0,34%;
- автобусов - 3,33%.
Исследование состава транспортного потока показало, что поток относится
преимущественно к легковому (более 70% легковых автомобилей) [18].
В таблице 3.1 приведены интенсивности транспортных и пешеходных потоков
на перекрестках за час с учетом коэффициента приведения. Смешанный транспортный
поток приводится к однородному потоку легковых автомобилей с помощью следующих
коэффициентов приведения:
- легковые автомобили - 1;
- грузовые автомобили - 2;
- автобусы - 2,5;
- автопоезда - 3.
Таблица 3.1 - Интенсивность транспортных и пешеходных потоков за час
с учетом коэффициента приведения
|
Транспортные потоки
|
Полоса
|
Легковые автомобили
|
Грузовые автомобили
|
Автопоезда
|
Автобусы
|
Интенсивность транспортных
потоков за час с учетом коэффициента приведения
|
|
Главная дорога
|
|
N1
|
1
|
421
|
27
|
3
|
4
|
421·1+27·2+3·3+4·2,5=494
|
|
2
|
458
|
19
|
0
|
0
|
458·1+19·2+0·3+0·2,5=496
|
|
3
|
301
|
90
|
4
|
44
|
301·1+90·2+4·3+44·2,5=603
|
|
Итого
|
1180
|
136
|
7
|
48
|
1593
|
|
N3
|
1
|
0
|
0
|
0
|
0
|
0
|
|
N2
|
1
|
-
|
-
|
-
|
-
|
-
|
|
2
|
484
|
54
|
3
|
43
|
484·1+54·2+3·3+43·2,5=709
|
|
3
|
568
|
17
|
1
|
14
|
568·1+17·2+1·3+17·2,5=646
|
|
Итого
|
1052
|
71
|
4
|
57
|
1355
|
|
N4
|
1
|
242
|
7
|
0
|
0
|
242·1+7·2+0·3+0·2,5=256
|
|
Всего, ед/ч
|
|
|
Второстепенная дорога
|
|
N5
|
1
|
181
|
8
|
0
|
0
|
181·1+8·2+0·3+0·2,5=197
|
|
N6
|
1
|
98
|
5
|
0
|
0
|
98·1+5·2+0·3+0·2,5=108
|
|
Всего, ед/ч
|
|
|
Пешеходные потоки, чел/ч
|
|
|
Nп1
|
245
|
|
Nп2
|
384
|
Суточная интенсивность транспортных и пешеходных потоков по главной и
второстепенной дорогам определяется по формуле:
(3.1)
где
- интенсивность транспортных и пешеходных потоков в
час пик;
-
коэффициент неравномерности транспортных потоков, принимается равным 0,1.
Суточная
интенсивность транспортных потоков по главной дороге получается
ед/сут.
Суточная
интенсивность транспортных потоков по второстепенной дороге получается
ед/сут.
Суточная
интенсивность пешеходных потоков по главной дороге получается
пеш/сут.
Суточная
интенсивность пешеходных потоков по второстепенной дороге получается
пеш/сут.
3.2 Определение параметров дорожного движения
Выполним
расчет параметров движения для первой полосы по формулам 1.1-1.22: максимальное
число транспортных средств, проехавших на зеленый сигнал определяем из таблицы
В1 приложения В как наибольшее число автомобилей, проехавших на зеленый сигнал
светофора по данной полосе из всех замеров (5, 14, 13, 14, 18, 17, 18, 17, 18,
17). В данном случае для первой полосы (n = 18). Из этой
же таблицы определяем число автомобилей, пребывающих на красный сигнал (n1 = 9,3), число и тип транспортных средств, прибывающих
в заданном цикле, но вынужденных остаться на второй цикл (n2 = 1,1), число тип транспортных средств, прибывающих в
данном цикле, но вынужденных остановиться в очереди на проезд (
= 7,1), средний интервал рассасывания очереди
автомобилей tн = 16,5
с, число перенасыщенных циклов Zn2 = 10
(все циклы являлись перенасыщенными, т к у всех оставались непроехавшие
транспортные средства.
Время
цикла и зеленых сигналов определяем по замеренным экспериментальным данным из
таблицы Д1 приложения Д - С=70 с, tz1 = 47 с, tz2 = 17 с. Интенсивность транспортных потоков
определяется из таблицы В2 приложения В.
авт./с;
авт./с;
;
Т
к
,
с;
авт./с;
авт./с;
Из
таблицы 1.1 определяем значения частных коэффициентов условий КУН1..3.
Для КУН1: коэффициент сцепления судя по дорожному покрытию очень
хороший, φ>0,3следовательно КУН1=1. Неровности на
проезжей части небольшие (20…50 мм), но повторяющиеся, следовательно, КУН2=1,3.
Уклона продольного нет, следовательно, КУН3=1.
;
авт./с.
Т
к
,
авт./с;
;
;
;
;
с;
м;
;
;
;
;
.
Эти
данные и результаты для остальных полос внесем в таблицу 3.2
Таблица
3.2- Расчет показателей дорожного
движения
|
полоса
|
tн
|
n
|
n1
|
noz
|
n2
|
tz
|
nн
|
С
|
q
|
qz
|
Кпн
|
Тн
|
Кун
|
qнэ
|
qнл
|
|
N1 1
|
16,5
|
18
|
9,3
|
7,1
|
1,1
|
47
|
16,4
|
70
|
0,257
|
0,209
|
1,0857
|
0,922
|
1,3
|
1,053
|
0,468
|
|
N1 2
|
20,4
|
18
|
9,55
|
5,9
|
1,7
|
47
|
15,45
|
70
|
0,257
|
0,216
|
1,0398
|
1,204
|
1,3
|
0,799
|
0,468
|
|
N1 3
|
11,4
|
13
|
7,9
|
4
|
1,75
|
47
|
11,9
|
70
|
0,186
|
1,3736
|
0,851
|
1,3
|
1,143
|
0,468
|
|
N3 1
|
-
|
-
|
-
|
-
|
-
|
47
|
-
|
70
|
-
|
-
|
-
|
-
|
1,3
|
-
|
-
|
|
N2 2
|
21,6
|
19
|
13,85
|
6,85
|
3,4
|
47
|
20,7
|
70
|
0,271
|
0,182
|
1,2132
|
0,973
|
1,3
|
0,996
|
0,468
|
|
N2 3
|
17,7
|
17
|
8,3
|
6,7
|
1,3
|
47
|
15
|
70
|
0,243
|
0,213
|
1,0667
|
1,073
|
1,3
|
0,9
|
0,468
|
|
N4 1
|
9,6
|
8
|
5,4
|
2,2
|
0,8
|
47
|
7,6
|
70
|
0,114
|
0,072
|
1,0281
|
1,055
|
1,3
|
0,916
|
0,468
|
|
N5 1
|
10,4
|
10
|
5,8
|
1,6
|
0,1
|
18
|
7,4
|
70
|
0,143
|
0,239
|
1,0423
|
1,169
|
1,3
|
0,772
|
0,417
|
|
N6 1
|
25,6
|
7
|
4,2
|
1,4
|
0,5
|
18
|
5,6
|
70
|
0,1
|
0,183
|
1,0485
|
3,631
|
1,3
|
0,192
|
0,417
|
|
|
полоса
|
qнр
|
λ
|
Хр
|
Хэ
|
Ко
|
Ln
|
Ls
|
eo
|
Кб
|
dэ
|
dp
|
δd
|
Δn2
|
|
N1 1
|
0,332
|
0,671
|
1,154
|
0,364
|
1,763
|
16,4
|
106,8
|
0,972
|
0,089
|
12,433
|
4,876
|
0,608
|
1
|
|
N1 2
|
0,346
|
0,671
|
1,107
|
0,479
|
1,618
|
15,45
|
96,4
|
0,953
|
0,142
|
12,648
|
5,796
|
0,542
|
1
|
|
N1 3
|
0,262
|
0,671
|
1,058
|
0,243
|
1,506
|
11,9
|
98,1
|
1,05
|
0,085
|
13,701
|
4,263
|
0,689
|
1
|
|
N3 1
|
-
|
-
|
-
|
-
|
-
|
-
|
-
|
-
|
-
|
-
|
-
|
-
|
-
|
|
N2 2
|
0,297
|
0,671
|
1,36
|
0,405
|
1,495
|
20,7
|
150,7
|
1,268
|
-0,089
|
20,901
|
5,14
|
0,754
|
1
|
|
N2 3
|
0,338
|
0,671
|
1,071
|
0,402
|
1,807
|
15
|
96
|
0,959
|
0,118
|
11,666
|
5,169
|
0,557
|
1
|
|
N4 1
|
0,35
|
0,671
|
0,485
|
0,185
|
1,407
|
7,6
|
46,9
|
1,05
|
0,05
|
12,883
|
4,059
|
0,685
|
1
|
|
N5 1
|
0,308
|
0,257
|
1,807
|
0,721
|
1,276
|
7,4
|
46,3
|
0,75
|
0,26
|
18,165
|
27,208
|
-0,498
|
1
|
|
N6 1
|
0,306
|
0,257
|
1,272
|
2,027
|
1,333
|
5,6
|
35,2
|
0,871
|
0,2
|
-19,904
|
18,296
|
1,919
|
1
|
|
|
|
|
|
|
|
|
|
|
|
|
|
|
|
|
|
|
|
|
|
|
|
|
|
|
|
|
3.3 Расчет изменения скорости и дистанции в зоне
дилеммы
Результаты расчета выборки изменения скоростей, дистанций и времени
автомобилей в зоне дилеммы (формулы 1.23-1.25), внесем в таблицу 3.3
Таблица 3.3- Результаты исследования выборок по основным искомым
параметрам
|
Наименование параметра /
показателя
|
Полоса измерения
|
|
1
|
2
|
3
|
4
|
5
|
6
|
7
|
8
|
|
Скорость лидирующего
автомобиля, м/с
|
Наилучший закон
распределения
|
Равном-й
|
Равном-й
|
Равном-й
|
Равном-й
|
Равном-й
|
Равном-й
|
Равном-й
|
Равном-й
|
|
Параметры закона
распределения
|
А=9,76 В=16,2
|
А=9,63 В=15,9
|
А=9,78 В=15,5
|
А=9,80 В=15,6
|
А=9,66 В=15,9
|
А=9,56 В=15,6
|
А=9,39 В=15,9
|
А=8,34 В=12,1
|
|
Значение критерия
Романовского
|
0,43
|
2,33
|
3,42
|
1,89
|
1,24
|
3,62
|
3,57
|
2,63
|
|
Математическое ожидание,
м/с
|
12,98
|
12,76
|
12,65
|
12,68
|
12,78
|
12,6
|
12,62
|
10,24
|
|
Среднеквадратическое
отклонение м/с
|
1,86
|
1,81
|
1,66
|
1,66
|
1,8
|
1,75
|
1,86
|
1,1
|
|
Коэффициент вариации
|
0,43
|
0,14
|
0,13
|
0,13
|
0,14
|
0,14
|
0,15
|
0,11
|
|
Значение хи-квадрат
|
5,14
|
10,6
|
13,7
|
9,34
|
7,52
|
14,2
|
14,1
|
11,4
|
|
Число степеней свободы
|
4
|
4
|
4
|
4
|
4
|
4
|
4
|
4
|
|
Значение критерия Мизеса
|
316
|
401
|
529
|
438
|
345
|
480
|
401
|
500
|
|
Скорость ведомого
автомобиля, м/с
|
Наилучший закон
распределения
|
Эрланга
|
Логнорм-е
|
Логнорм-е
|
Равном-й
|
Логнорм-е
|
Равном-й
|
Логнорм-е
|
Равном-й
|
|
Параметры закона
распределения
|
λ=
4,09 K= 51
|
LNU=2,49 σ2 = 0,02
|
LNU=2,48 σ2 = 0,02
|
LNU=2,5 σ2 = 0,02
|
А=9,23 В=14,8
|
LNU=2,48 σ2 = 0,02
|
А=7,06 В=9,76
|
|
Значение критерия
Романовского
|
2,57
|
2,83
|
1,38
|
1,89
|
1,42
|
3,42
|
6,97
|
4,86
|
|
Математическое ожидание,
м/с
|
12,46
|
12,17
|
12,08
|
12,11
|
12,25
|
12,03
|
12,14
|
8,41
|
|
Среднеквадратическое
отклонение м/с
|
1,75
|
1,73
|
1,57
|
1,59
|
1,73
|
1,61
|
1,85
|
0,78
|
|
Коэффициент вариации
|
0,14
|
0,14
|
0,13
|
0,13
|
0,14
|
0,13
|
0,15
|
0,09
|
|
Значение хи-квадрат
|
9,29
|
9,93
|
6,38
|
9,34
|
6,49
|
13,7
|
20,1
|
17,7
|
|
Число степеней свободы
|
3
|
3
|
3
|
4
|
3
|
4
|
3
|
4
|
|
Значение критерия Мизеса
|
1,02
|
1,13
|
0,59
|
424
|
0,72
|
497
|
1,3
|
656
|
|
Временной интервал между
автомобилями, с
|
Наилучший закон
распределения
|
Равном-й
|
Равном-й
|
Равном-й
|
Эрланга
|
Равном-й
|
Равном-й
|
Равном-й
|
Равном-й
|
|
Параметры закона
распределения
|
А=0,79 В=1,2
|
А=0,78 В=1,18
|
А=0,8 В=1,22
|
λ=
77,8 K= 76
|
А=0,79 В=1,19
|
А=0,8 В=1,2
|
А=0,82 В=1,2
|
А=0,79 В=1,2
|
|
Значение критерия
Романовского
|
0,95
|
1,89
|
-0,19
|
1,89
|
1,2
|
-0,19
|
-0,18
|
2,93
|
|
Математическое ожидание, с
|
0,99
|
0,98
|
1,01
|
0,98
|
0,99
|
1,00
|
1,02
|
1,01
|
|
Среднеквадратическое
отклонение м/с
|
0,12
|
0,12
|
0,12
|
0,11
|
0,12
|
0,14
|
0,12
|
0,12
|
|
Коэффициент вариации
|
0,12
|
0,12
|
0,12
|
0,15
|
0,12
|
0,14
|
0,12
|
0,12
|
|
Значение хи-квадрат
|
6,68
|
9,34
|
3,46
|
5,79
|
7,38
|
3,46
|
6,82
|
12,3
|
|
Число степеней свободы
|
4
|
4
|
4
|
2
|
4
|
4
|
4
|
4
|
|
Значение критерия Мизеса
|
322
|
392
|
259
|
87,8
|
349
|
317
|
357
|
237
|
|
Дистанция между
автомобилями, м
|
Наилучший закон
распределения
|
Нормальное
|
Логнорм-е
|
Логнорм-е
|
Логнорм-е
|
Логнорм-е
|
Логнорм-е
|
Эрланга
|
Логнорм-е
|
|
Параметры закона
распределения
|
М = 12,3 σ = 2,02
|
LNU=2,46 σ2 = 0,04
|
LNU=2,48 σ2 = 0,03
|
LNU=2,46 σ2 = 0,03
|
LNU=2,48 σ2 = 0,03
|
LNU=2,47 σ2 = 0,03
|
λ=
2,09 K= 26
|
LNU=2,12 σ2 = 0,03
|
|
Значение критерия
Романовского
|
-0,12
|
0,06
|
0,18
|
-0,79
|
1,43
|
1,46
|
-0,11
|
0,6
|
|
Математическое ожидание, м
|
12,34
|
11,93
|
12,16
|
11,83
|
12,09
|
12,03
|
12,42
|
8,47
|
|
Среднеквадратическое
отклонение м/с
|
2,02
|
2,31
|
2
|
2,09
|
2,14
|
2,06
|
2,45
|
1,37
|
|
Коэффициент вариации
|
0,16
|
0,19
|
0,16
|
0,18
|
0,18
|
0,17
|
0,2
|
0,16
|
|
Значение хи-квадрат
|
2,71
|
3,15
|
3,43
|
1,05
|
6,5
|
6,57
|
2,73
|
4,47
|
|
Число степеней свободы
|
3
|
3
|
3
|
3
|
3
|
3
|
3
|
3
|
|
Значение критерия Мизеса
|
0,36
|
0,19
|
0,2
|
0,38
|
0,62
|
0,53
|
0,51
|
0,38
|
3.4 Расчет параметров цикла светофорного регулирования
по расчетным данным
Расчет
выполняется по формулам 1.1-1.22 для каждой полосы движения: максимальное число
транспортных средств, проехавших на зеленый сигнал определяем из таблицы В1
приложения В как наибольшее число автомобилей, проехавших на зеленый сигнал
светофора по данной полосе из всех замеров (5, 14, 13, 14, 18, 17, 18, 17, 18,
17). В данном случае для первой полосы (n = 18). Из этой
же таблицы определяем число автомобилей, пребывающих на красный сигнал (n1 = 9,3), число и тип транспортных средств, прибывающих
в заданном цикле, но вынужденных остаться на второй цикл (n2 = 1,1), число тип транспортных средств, прибывающих в
данном цикле, но вынужденных остановиться в очереди на проезд (
= 7,1), средний интервал рассасывания очереди
автомобилей tн = 16,5
с, число перенасыщенных циклов Zn2 = 10
(все циклы являлись перенасыщенными, т к у всех оставались непроехавшие
транспортные средства. Время цикла и зеленых сигналов берем из предыдущего
пункта - С=91 с, tz1 = 62 с и
tz2 = 22 с.
Интенсивность транспортных потоков определяется из таблицы В2 приложения В.
авт./с;
авт./с;
;
авт./с;
Т
к
,
с;
авт./с;
;
авт./с;
Т
к
,
авт./с;
;
;
;
;
с;
м;
;
;
;
;
.
Эти
данные и результаты расчетов для всех остальных полос внесем в таблицу 3.4
Таблица
3.4 - Расчет показателей дорожного
движения для новых значений
|
полоса
|
tн
|
n
|
n1
|
noz
|
n2
|
tz
|
nн
|
С
|
q
|
qz
|
Кпн
|
Тн
|
Кун
|
qнэ
|
qнл
|
|
N1 1
|
16,5
|
18
|
9,3
|
7,1
|
1,1
|
62
|
16,4
|
91
|
0,225
|
0,158
|
1,0857
|
0,922
|
1,3
|
1,06
|
0,476
|
|
N1 2
|
20,4
|
18
|
9,55
|
5,9
|
1,7
|
62
|
15,45
|
91
|
0,225
|
0,164
|
1,0398
|
1,204
|
1,3
|
0,806
|
0,476
|
|
N1 3
|
11,4
|
13
|
7,9
|
4
|
1,75
|
62
|
11,9
|
91
|
0,163
|
0,11
|
1,3736
|
0,851
|
1,3
|
1,151
|
0,476
|
|
N3 1
|
-
|
-
|
-
|
-
|
-
|
0
|
-
|
91
|
-
|
-
|
-
|
-
|
1,3
|
-
|
-
|
|
N2 2
|
21,6
|
19
|
13,85
|
6,85
|
3,4
|
62
|
20,7
|
91
|
0,238
|
0,138
|
1,2132
|
1,3
|
1,004
|
0,476
|
|
N2 3
|
17,7
|
17
|
8,3
|
6,7
|
1,3
|
62
|
15
|
91
|
0,213
|
0,161
|
1,0667
|
1,073
|
1,3
|
0,908
|
0,476
|
|
N4 1
|
9,6
|
8
|
5,4
|
2,2
|
0,8
|
62
|
7,6
|
91
|
0,1
|
0,055
|
1,0281
|
1,055
|
1,3
|
0,924
|
0,476
|
|
N5 1
|
10,4
|
10
|
5,8
|
1,6
|
0,1
|
22
|
7,4
|
91
|
0,125
|
0,195
|
1,0423
|
1,169
|
1,3
|
0,787
|
0,432
|
|
N6 1
|
25,6
|
7
|
4,2
|
1,4
|
0,5
|
22
|
5,6
|
91
|
0,088
|
0,15
|
1,0485
|
3,631
|
1,3
|
0,207
|
0,432
|
|
|
полоса
|
qнр
|
λ
|
Хр
|
Хэ
|
Ко
|
Ln
|
Ls
|
eo
|
Кб
|
dэ
|
dp
|
δd
|
Δn2
|
|
N1 1
|
0,337
|
0,775
|
0,861
|
0,274
|
1,763
|
16,4
|
106,8
|
0,972
|
0,089
|
11,155
|
2,521
|
0,774
|
1
|
|
N1 2
|
0,352
|
0,775
|
0,825
|
0,36
|
1,618
|
15,45
|
96,4
|
0,953
|
0,142
|
11,41
|
2,933
|
0,743
|
1
|
|
N1 3
|
0,267
|
0,775
|
0,788
|
0,183
|
1,506
|
11,9
|
98,1
|
1,05
|
0,085
|
12,134
|
2,237
|
0,816
|
1
|
|
N3 1
|
-
|
-
|
-
|
-
|
-
|
-
|
-
|
-
|
-
|
-
|
-
|
-
|
-
|
|
N2 2
|
0,302
|
0,775
|
1,017
|
0,306
|
1,495
|
20,7
|
150,7
|
1,268
|
-0,089
|
19,292
|
2,644
|
0,863
|
1
|
|
N2 3
|
0,343
|
0,775
|
0,801
|
0,303
|
1,807
|
15
|
96
|
0,959
|
0,118
|
10,49
|
2,66
|
0,746
|
1
|
|
N4 1
|
0,356
|
0,775
|
0,362
|
0,14
|
1,407
|
7,6
|
46,9
|
1,05
|
0,05
|
11,111
|
2,147
|
0,807
|
1
|
|
N5 1
|
0,319
|
0,275
|
1,425
|
0,578
|
1,276
|
7,4
|
46,3
|
0,75
|
0,26
|
19,97
|
25,349
|
-0,269
|
1
|
|
N6 1
|
0,317
|
0,275
|
1,009
|
1,546
|
1,333
|
5,6
|
35,2
|
0,871
|
0,2
|
20,838
|
10,532
|
0,495
|
1
|
|
|
|
|
|
|
|
|
|
|
|
|
|
|
|
|
|
|
|
|
|
|
|
|
|
|
|
|
3.5 Сравнение полученных параметров дорожного движения
Сравнивая между собой значения, полученные в таблице 2.2 пункта 2 и в
таблице 4.1 можно сделать вывод, что вследствие изменения времени основных
циклов изменились некоторые показатели.
В частности, можно наблюдать снижение удельных задержек автомобильного
транспорта, что способствует снижению общего числа очередей в полосах и ведет к
снижению аварийности на участке.
Стоит отметить, что изменение режима светофорной сигнализации приведет и
к изменению экспериментальных данных, таких как число автомобилей в очереди,
что, в свою очередь, в еще большей степени повлияет на удельные задержки
транспортных средств и аварийность участка в целом.
Так же нельзя забывать, что данные расчеты актуальны для данных замеров,
которые проводились в час пик. Использование данных параметров цикла
светофорного регулирования в другие часы суток при других значениях
интенсивности может привести к обратному эффекту - к увеличению времени простоя
автомобилей на светофоре. Поэтому следует производить расчеты для разных
периодов суток, определять и применять те параметры цикла, которые будут
являться оптимальными для данного времени суток.
Расчетное время переходного интервала так же значительно влияет на
аварийность транспортных средств, идущих в разнонаправленных направлениях. При
увеличении переходного интервала в расхождение с расчетными значениями будет
увеличиваться потерянное время на перекрестке, однако в значительной мере
снижаться аварийность перпендикулярных направлений. Особенно это ощутимо на
загруженных перекрестках.
.6 Расчет числа приведенных аварий в потоке попутного
транспорта при подъезде к перекрестку
Исходя из вышеперечисленных выкладок произведем расчет аварийности для
регулируемого и нерегулируемого варианта перекрестка улиц Интернациональной и
Катунина по формулам 1.26-1.60. Изначально расчет производится для каждой
полосы, затем по полученным данным производится расчет суммарной аварийности.
Для примера произведем расчет для первой полосы для нерегулируемого
режима:
;
;
;
;
;
;
;
;
;
;
;
;
;
;
;
;
;
;
;
;
;
пр.
ав./год;
Для
регулируемого режима:
, а/с;
;
;
;
;
;
Для
регулируемого перекрестка
:
;
;
;
пр.
ав./год;
Расчеты
для остальных полос внесем в таблицу 3.5. Для удобства представления в таблице
3.5 внесем расчет для всех полос для нерегулируемого режима, а в таблицу 3.6
внесем расчет для регулируемого режима, причем в таблице 3.6 будем выделять
затемнением те ячейки, значения параметров которых отличаются от таких же в
таблице 3.5 для нерегулируемого режима работы перекрестка.
Таблица
3.5 - Определения потенциальной
опасности для нерегулируемого режима
|
полоса
|
q
|
tдл
|
Кадл
|
P2(qt)
|
P(o)
|
Pон
|
v1
|
v2
|
Kv
|
B
|
|
N1 1
|
0,257
|
0,99
|
1
|
0,03
|
0,02
|
0,0006
|
12,98
|
12,46
|
13,23
|
3
|
|
N1 2
|
0,257
|
0,98
|
1
|
0,02
|
0,02
|
0,0004
|
12,76
|
12,17
|
14,71
|
3
|
|
N1 3
|
0,186
|
1,01
|
1
|
0,01
|
0,01
|
0,0001
|
12,65
|
12,08
|
14,1
|
3
|
|
N3 1
|
-
|
-
|
1
|
-
|
-
|
-
|
-
|
-
|
-
|
-
|
|
N2 2
|
0,271
|
0,98
|
1
|
0,03
|
0,02
|
0,0006
|
12,68
|
12,11
|
14,13
|
3
|
|
N2 3
|
0,243
|
0,99
|
1
|
0,02
|
0,01
|
0,0002
|
12,78
|
12,25
|
13,27
|
3
|
|
N4 1
|
0,114
|
1
|
1
|
0,01
|
0
|
0
|
12,6
|
12,03
|
14,04
|
3,5
|
|
N5 1
|
0,143
|
1,02
|
1
|
0,01
|
0,01
|
0,0001
|
12,62
|
12,14
|
11,88
|
4
|
0,1
|
1,01
|
1
|
0
|
0
|
0
|
10,24
|
8,41
|
34,13
|
4
|
|
|
полоса
|
Кпн
|
Kв
|
Кρ
|
Кн
|
Ку1
|
Ку2
|
Ку3
|
Ку
|
Кt
|
Po
|
РаРПК
|
|
N1 1
|
1,0857
|
3,75
|
0,5
|
6,2
|
4,41
|
1,35
|
2
|
11,9
|
6,57
|
7
|
25
|
|
N1 2
|
1,0398
|
3,67
|
0,49
|
5,99
|
4,41
|
1,35
|
2
|
11,9
|
6,57
|
5
|
|
|
N1 3
|
1,3736
|
4,22
|
0,73
|
4,56
|
4,41
|
1,35
|
2
|
11,9
|
6,57
|
2
|
|
|
N3 1
|
-
|
-
|
-
|
-
|
-
|
-
|
-
|
-
|
-
|
-
|
|
|
N2 2
|
1,2132
|
3,97
|
0,5
|
6,21
|
4,41
|
1,35
|
2
|
11,9
|
6,57
|
8
|
|
|
N2 3
|
1,0667
|
3,72
|
0,52
|
5,76
|
4,41
|
1,35
|
2
|
11,9
|
6,57
|
2
|
|
|
N4 1
|
1,0281
|
3,13
|
0,83
|
3,16
|
4,41
|
1,35
|
2
|
11,9
|
6,57
|
0
|
|
|
N5 1
|
1,0423
|
2,76
|
0,75
|
3,74
|
4,41
|
1,35
|
2
|
11,9
|
6,57
|
1
|
|
|
N6 1
|
1,0485
|
2,76
|
0,88
|
2,1
|
4,41
|
1,35
|
2
|
11,9
|
6,57
|
0
|
|
|
|
|
|
|
|
|
|
|
|
|
|
|
Таблица 3.6 - Определения потенциальной опасности для регулируемого
режима
|
полоса
|
C
|
λ
|
q*
|
tдл
|
Кадл
|
P*2(qt)
|
P*(o)
|
P*он
|
v1
|
v2
|
Kv
|
B
|
|
N1 1
|
70
|
0,671
|
0,38
|
0,99
|
1
|
0,05
|
0,01
|
0,0005
|
12,98
|
12,46
|
13,23
|
3
|
|
N1 2
|
70
|
0,671
|
0,38
|
0,98
|
1
|
0,05
|
0,01
|
0,0005
|
12,76
|
12,17
|
14,71
|
3
|
|
N1 3
|
70
|
0,671
|
0,28
|
1,01
|
1
|
0,03
|
0,01
|
0,0003
|
12,65
|
12,08
|
14,1
|
3
|
|
N3 1
|
70
|
-
|
-
|
-
|
1
|
-
|
-
|
-
|
-
|
-
|
-
|
-
|
|
N2 2
|
70
|
0,671
|
0,4
|
0,98
|
1
|
0,05
|
0,01
|
0,0005
|
12,68
|
12,11
|
14,13
|
3
|
|
N2 3
|
70
|
0,671
|
0,36
|
0,99
|
1
|
0,04
|
0,01
|
0,0004
|
12,78
|
12,25
|
13,27
|
3
|
|
N4 1
|
70
|
0,671
|
0,17
|
1
|
1
|
0,01
|
0,01
|
0,0001
|
12,6
|
12,03
|
14,04
|
3,5
|
|
N5 1
|
70
|
0,257
|
0,56
|
1,02
|
1
|
0,09
|
0,01
|
0,0009
|
12,62
|
12,14
|
11,88
|
4
|
|
N6 1
|
70
|
0,257
|
0,39
|
1,01
|
1
|
0,05
|
0,01
|
0,0005
|
10,24
|
8,41
|
34,13
|
4
|
|
|
полоса
|
Кпн
|
Kв
|
К*ρ
|
К*н
|
К*у1
|
Ку2
|
Ку3
|
К*у
|
К*t
|
P*o
|
Р*аРПК
|
|
N1 1
|
1,0857
|
3,75
|
0,32
|
8,69
|
11,9
|
1,35
|
2
|
32,13
|
4,41
|
10
|
13
|
|
N1 2
|
1,0398
|
3,67
|
0,31
|
8,38
|
11,9
|
1,35
|
2
|
32,13
|
4,41
|
10
|
|
|
N1 3
|
1,3736
|
4,22
|
0,52
|
6,35
|
11,9
|
1,35
|
2
|
32,13
|
4,41
|
8
|
|
|
N3 1
|
-
|
-
|
-
|
-
|
-
|
-
|
-
|
-
|
-
|
-
|
|
|
N2 2
|
1,2132
|
3,97
|
0,31
|
8,69
|
11,9
|
1,35
|
2
|
32,13
|
4,41
|
11
|
|
|
N2 3
|
1,0667
|
3,72
|
0,34
|
8,05
|
11,9
|
1,35
|
2
|
32,13
|
4,41
|
8
|
|
|
N4 1
|
1,0281
|
3,13
|
0,67
|
4,22
|
11,9
|
1,35
|
2
|
32,13
|
4,41
|
2
|
|
|
N5 1
|
1,0423
|
2,76
|
0,16
|
11,73
|
11,9
|
1,35
|
32,13
|
1,69
|
3
|
|
|
N6 1
|
1,0485
|
2,76
|
0,3
|
5,28
|
11,9
|
1,35
|
2
|
32,13
|
1,69
|
4
|
|
|
|
|
|
|
|
|
|
|
|
|
|
|
|
|
|
|
|
Из таблиц видны полученные значения частной потенциальной опасности для
каждой полосы (Po), а так же суммарной потенциальной опасности для
всего перекрестка (PoРПК). По полученным данным можно сделать вывод,
что при тех же интенсивностях движения, а так же остальных условиях движения на
данном перекрестке улиц Интернациональной и Катунина, при нерегулируемом режиме
планируемое число аварий типа “столкновение с ударом сзади” составит 25 за год,
а при регулируемом режиме прогнозируемое число аварий снижается почти в 2 раза
и составляет 13 аварий за год.
Полученные данные свидетельствуют об однозначной необходимости на данном
перекрестке светофорного регулирования, а так же оптимизации цикла светофорного
регулирования согласно расчётным данным, полученным в пункте 2.
При прогнозировании аварийности и последующей оптимизации интересуют в
большей мере аварийные потери, а не число аварий, то предполагается
прогнозировать аварийные потери [19, 22]
руб./год (3.2)
где
- приведенная стоимость (цена) одной аварии, руб./ав.
Для города Гомеля по данным ГАИ для аварий с ранением 1200 у.е., для аварий с
материальным ущербом 300 у. е.
Для
Гомеля по данным ГАИ города Гомеля величины долей аварий с ранеными(
) и с материальным ущербом (
) соответственно составляют:
- для нерегулируемого
режима:
,
;
- для регулируемого
режима:
,
.
Тогда стоимость аварий с ранением за год при нерегулируемом режиме
составит
;
Стоимость
аварий с материальным ущербом за год при нерегулируемом режиме составит
.
Суммарная
стоимость ущерба для нерегулируемого режима
.
Стоимость
аварий с ранением за год при регулируемом режиме составит
;
Стоимость
аварий с материальным ущербом за год при регулируемом режиме составит
.
Суммарная
стоимость ущерба для регулируемого режима
.
Из
расчетов видна экономическая выгода от светофорного регулирования на данном
перекрестке, положительный эффект составляет 3712 у.е. или 48%.
Т.
к. на данном перекрестке работает и смешанный цикл регулирования (в ночной
время светофорное регулирование отключается) можно определить частные
экономические затраты из-за аварий с помощью усредненных коэффициентов и
усредненного приведенного числа аварий:
;
Из
расчета видно, что при смешанном режиме с учетом всех возможных аварий общие
суммарные затраты вследствие аварий благодаря светофорному регулированию
снижаются.
3.7 Разработка мероприятий по снижению аварийности при
конфликтных ситуациях движения попутного транспорта
По полученным данным можно сделать вывод, что удельные задержки по
экспериментальным данным достаточно велики (не менее 12 с) и значительно
отличаются от расчетных (около 4 с. на главной дороге и около 20 с. на
второстепенной), что вызвано, прежде всего, неравномерность условий прохождения
перекрестка, смешанным составом транспортных средств, а так же не оптимальным
режимом светофорного цикла, что в час пик наиярчайшим образом выражается в
скоплениях транспортных средств в очереди (в среднем по расчетным данным 10
автомобилей и очередью в 30-40 м на полосах). Это, в свою очередь, значительно
сказывается на аварийности на данном участке, которая напрямую зависит от очереди
транспортных средств, а так же сменяемости полос транспортными средствами
вследствие желания поскорей пройти перекресток. Для снижения заторов на данном
участке дороги рекомендуется произвести ряд как мероприятия
инженерно-организационных, так и архитектурно-планировочных мероприятий.
Не стоит забывать, что обеспечение быстрого и безопасного движения в
современных городах требует применения комплекса мероприятий
архитектурно-планировочного и организационного характера. В то время как
реализация мероприятий архитектурно-планировочного характера требует, помимо
значительных капиталовложений, довольно большого периода времени,
организационные мероприятия способны привести хотя и к временному, но
сравнительно быстрому эффекту.
При реализации мероприятий по организации движения особая роль
принадлежит внедрению технических средств: установка, где необходимо, дорожных
знаков; нанесение горизонтальной дорожной разметки (особенно на пешеходных
переходах), закрепление на опорах ограждений светоотражающих элементов и
направляющих устройств, установка средств светофорного регулирования. При этом
светофорное регулирование является одним из основных средств обеспечения
безопасности движения на перекрестках.
В некоторых местах нужно произвести уширение проезжей части. Все это
необходимо для уменьшения задержек при движении транспортных средств, что
значительно снижает аварийность на дороге. Установка дублирующих знаков также
снижает уровень аварийности.
В частности, в данном проекте, по полученным данным следует определить
оптимальный режим светофорного регулирования и определить параметры дорожного
движения по вновь рассчитанному циклу светофорного регулирования.
4
Определение экологических потерь и экономических затрат
Определение экономических потерь на регулируемом перекрестке состоят из
суммы потерь времени вследствие задержек, шумового загрязнения, а так же
загрязнения выхлопными газами.
, (4.1)
где Пз -
суммарные потери из-за задержек;
Пш -
суммарные потери из-за шумового загрязнения;
Пэ -
суммарные потери из-за неэкологических выбросов.
4.1 Определение экономических потерь на данном объекте
вследствие задержек транспортных средств
В данном случае суммарные затраты из-за задержек состоят из затрат
задержек автомобилей и пешеходов. Рассчитываются значения от потерь на задержки
для каждой из полос, затем эти потери суммируются [19].
, (4.2)
где n - число полос для движения.
Задержки на перекрестке имеют так же разный характер и рассчитываются
отдельно [19]:
. Удельная задержка транспорта, рассчитывалась в пункте 1, формула 1.20,
берем из таблицы 1.3;
. Удельные остановки, определялись в пункте 1,формула 1.17, берем из
таблицы 3.2;
. Удельный перепробег транспорта (берется для сложных (кольцевых,
отнесенного левого поворота и т. п.) перекрестков), который происходит в
следствие увеличения непрямого расстояния при прохождении перекрестка. В нашем
случае перекресток прямой, перепробегов нет.
. Удельная задержка транспорта из-за необоснованного отнесения
стоп-линии. В нашем случае так же не учитывается.
. Удельная задержка пешеходов [19]
, с/чел. (4.3)
где
- доля зеленого сигнала для пешеходов, из таблицы 1.3.
Определяется
каждый из видов потерь времени по формуле [19]
,
у.е./год (4.4)
где Q - интенсивность движения, физ.
ед./ч;
КПЭ - экономический коэффициент приведения, для пешеходов КПЭ
= 1, для легковых транспортных средств КПЭ = 2,2, грузовых
транспортных средств - 1,9, автобусов - 3,5.
e -
соответствующая удельная задержка для каждого из 5 характеров задержки;
ФГ - фонд годового времени работы объекта. Для случая расчета
задержек для загруженного объекта принимается 4200 часов (без учета ночного
времени) [19];
Сe - цена задержки, для задержки
транспорта (тип задержки 1) 1,8 у.е./час, остановки транспорта (тип задержки 2)
- 0,015 у.е./ост, удельная задержка пешехода (тип задержки 5) -0,25 у.е./ч;
Квс - коэффициент приведения размерностей, для расчета
задержек транспорта и пешеходов принимается Квс = 1/3600, для
остальных издержек Квс = 1 [19].
Полученные данные будем заносить в таблицу 4.1
Таблица 4.1 - Определение экономических затрат вследствие задержек
|
dp
|
eo
|
tz
|
λ
|
Qпш
|
dп
|
Пdp, у.е./год
|
Пeo, у.е./год
|
Пdп, у.е./год
|
Пз, у.е./год
|
|
2,521
|
0,972
|
47
|
0,671
|
245
|
19,24
|
5279,28
|
16,96
|
1374,86
|
65780,07
|
|
2,933
|
0,953
|
|
|
|
|
6428,46
|
17,41
|
|
|
|
2,237
|
1,05
|
|
|
|
|
4673,27
|
18,28
|
|
|
|
-
|
-
|
|
|
|
|
-
|
-
|
|
|
|
2,644
|
1,268
|
|
|
|
|
7349,16
|
29,37
|
|
|
|
2,66
|
0,959
|
|
|
|
|
7445,02
|
22,37
|
|
|
|
2,147
|
1,05
|
|
|
|
|
2460,4
|
10,03
|
|
|
|
25,349
|
0,75
|
18
|
0,257
|
384
|
32,69
|
22006,48
|
5,43
|
3661,28
|
|
|
10,532
|
0,871
|
|
|
|
|
4978,58
|
3,43
|
|
|
4.2 Определение экономических потерь на данном объекте
вследствие шумового загрязнения
Шумовое загрязнение на оживленных участках улиц особенно негативно
воздействует на комфортность и производительность человека. При определении
экономических затрат из-за шумового загрязнения следует учитывать всех
участников уличного объекта, которые подвергаются данному виду воздействия -
водителей, пешеходов и жителей прилегающих домов.
Для определения экономических потерь от шумового загрязнения используется
формула 5.4 с соответствующими корректировками:
- КПЭ - экономический коэффициент приведения для каждой
категории потребителей загрязнения [19]:
, (4.5)
где Li - приведенный к потребителю уровень
шума, дБа:
Для водителей [19]
, (4.6)
Для пешеходов [19]
, (4.7)
Для жителей [19]
, (4.8)
L0 - уровень производимого шума, дБа
, дБа (4.9)
где V - скорость движения потока
транспортных средств, км/ч (таблица 4.1)
- сумма
поправок при расчете производимого шума, дБа.
Среди
поправок d0 выделяют
[19]:
поправку
на продольный уклон (данном случае уклона нет, d01 = 1);
поправку
на отношение ширины улицы к сумме высот застройки (ширина улицы 18,5 метров, с
учетом тротуаров 22 метра, высота застройки - максимальная (у пятиэтажного
здания) 15 метров), отношение ширины улицы к высоте застройки 22/15=1,46, что
соответствует коэффициенту d02 = 2,5;
поправка,
учитывающая тип покрытия (для цементобетона и разрешенной скорости 60 км/ч), d03=2;
поправка,
учитывающая дисперсию скорости (для скорости 60 км/ч и загруженного перекрестка)
d04 = 1,5;
поправка,
учитывающая средний возраст автомобилей, d05 = 7 для города Гомеля;
поправка
на озеленение (для однорядной посадки) d06 = -5;
поправка
на экранирование (для обычных окон) d07 = -10;
поправка
на расстояние до строений (от 5 до 10 метров от середины ближайшей к зданию
траектории движения до здания) d07 = 5.
Все
составляющие поправки d0
суммируются:
.
Сумма
поправок для водителей и пассажиров, учитывая нахождение в транспортном
средстве от шума, составляет (для стандартной шумоизоляции)
; (4.10)
дБа
Сумма
поправок для пешеходов
; (4.11)
дБа
Сумма
поправок для жителей прилегающих домов (вследствие наличия шумоизоляции в виде
окон
; (4.12)
дБа
В
форуме 4.4 цена издержки от загрязнения единицей шума Сe
составляет 5 у.е./дБа.
Полученные
данные будем вносить таблицу 4.2
Таблица 4.2 - Определение экономических затрат вследствие шумового
загрязнения
|
V, м/с
|
V, км/ч
|
Кпн
|
Q
|
L0
|
L1
|
L2
|
L3
|
Кп1
|
Кп2
|
Кп3
|
Пш1, у.е./ год
|
Пш2, у.е./ год
|
Пш3, у.е./ год
|
Пш, у.е./ год
|
|
12,98
|
46,73
|
1,08571
|
455
|
57,68
|
45,68
|
61,68
|
41,68
|
0,04
|
0,18
|
0,02
|
619,2
|
2786,4
|
309,6
|
3715,2
|
|
12,76
|
45,94
|
1,03983
|
477
|
|
|
|
|
|
|
|
|
|
|
|
|
12,65
|
45,54
|
1,37358
|
439
|
|
|
|
|
|
|
|
|
|
|
|
|
|
-
|
-
|
-
|
|
|
|
|
|
|
|
|
|
|
|
|
12,68
|
45,65
|
1,21318
|
584
|
|
|
|
|
|
|
|
|
|
|
|
|
12,78
|
46,01
|
1,06667
|
600
|
|
|
|
|
|
|
|
|
|
|
|
|
12,6
|
45,36
|
1,02811
|
249
|
|
|
|
|
|
|
|
|
|
|
|
|
12,62
|
45,43
|
1,04233
|
189
|
|
|
|
|
|
|
|
|
|
|
|
|
10,24
|
36,86
|
1,04854
|
103
|
|
|
|
|
|
|
|
|
|
|
|
4.3 Определение экономических потерь на данном объекте
вследствие загрязнения выбросами
Одним из самых опасных загрязнений являются выбросы автомобильным
транспортом. Кроме того, они же являются и значительной составляющей всех
экономических затрат, связанных с передвижением автомобилей. Именно на снижение
выбросов отводится значительная часть разработок компаний, производящих
транспортные средства.
Затраты на загрязнение от выбросов определяются по формуле 4.4 с
соответствующими изменениями коэффициентов.
Расчет же удельного объема выбросов определяется по формуле [19]:
, кг/км (4.13)
где m - удельно-допустимый коэффициент
выбросов, m=0,02 кг/км;
КПН - усредненный коэффициент приведения выбросов транспортных
средств, Кпн = 1,15 (для троллейбусов Кпнт = 2);
Кiv - коэффициент изменения выбросов от
дисперсии скорости, Кiv = 1,528;
Кmv - коэффициент влияния скорости на
выбросы, Кmv = 1,4;
Ht - коэффициент возраста транспортных средств, Ht = 0,505;
Q* -
приведенная интенсивность транспортных средств за исключением троллейбусов и
других транспортных средств на электрическом ходу.
, авт./ч (4.14)
Определим
приведенную интенсивность транспортных средств за исключением троллейбусов
основываясь на данных таблицы В2 приложения В:
физ. ед./ч.
Удельные выбросы:
кг/км.
Принимая
во внимание стоимость единицы ущерба от выбросов в народном хозяйстве (для
города 0,025 у.е. на 1 кг приведенных выбросов (по СО)), а так же экономический
коэффициент приведения КПЭ = 1,5, имеем
у.е./год.
4.4 Определение общих экономических потерь на данном
объекте и разработка рекомендаций п снижению ущерба
Суммируя составные части общего экономического ущерба на перекрестке,
имеем (пункты 5.1-5.3):
у.е./год.
Стоит
так же отметить, что данный ущерб, как и затраты на функционирование
светофорной сигнализации, оправдываются суммарной безопасностью на перекрестке,
снижением числа аварий, увечий людей и человеческих жизней.
Однако
нельзя забывать, что экономический ущерб всегда можно снизить. В данном случае,
перекресток улиц Интернациональной и Катунина города Гомеля формировался на
протяжении достаточно долгого времени и внесение изменений значительно
ограничивается географическим положением объекта относительно города, а так же
взаимным расположением зданий и объектов транспортной сети. В частности, стоит
помнить о локальных методах снижения экономического ущерба. Это застройка
района в будущем более совершенными звукоизолирующими зданиями, замена окон на
звукоизолирующие, обустройство более плотного зеленого заграждения проезжей
части.
На
общегосударственном уровне необходимо стремиться к повышению качества топлива,
ограничению передвижения некоторых или всех типов транспортных средств на особо
загрязненных или важных участках городской транспортной сети, оптимизации
регулирования перекрестков, улучшению качества дорожного покрытия и др.
5 Охрана
труда и окружающей среды
.1 Технические средства автомобиля для обеспечения
безопасности дорожного движения
Причиной дорожно-транспортного происшествия часто является несоответствие
одного из элементов системы водитель-автомобиль-дорога остальным элементам.
Многие происшествия возникают из-за того, что требования дорожной обстановки
выше возможностей человеческого организма или конструкции транспортного
средства. Воздействие на водителя дополнительных нагрузок, вызванных
недостатками конструкции автомобиля или его неудовлетворительным состоянием
может резко ухудшить качество вождения, а в особенно неблагоприятных случаях
привести к аварии. Напротив, удачная конструкция автомобиля, компенсирующая
психофизиологические недостатки человека, может способствовать повышению
безопасности дорожного движения.
Конструктивная безопасность автомобиля представляет собой сложное
свойство. Для удобства анализа ее делят на активную, пассивную, послеаварийную
и экологическую безопасность.
Активная безопасность - это свойство автомобиля снижать вероятность
возникновения дорожно-транспортного происшествия (ДТП) или полностью его
предотвращать. Оно проявляется в период, когда в опасной дорожной обстановке
водитель еще может изменить характер движения автомобиля. Активная безопасность
зависит от компоновочных параметров автомобиля (габаритных и весовых), его
динамичности, устойчивости, управляемости и информативности.
Пассивная безопасность - это свойство автомобиля уменьшать тяжесть
последствий ДТП, если оно все же случилось. Оно проявляется в период, когда
водитель уже не в состоянии управлять автомобилем и изменять характер его
движения, т.е. непосредственно при столкновении, наезде, опрокидывании.
Послеаварийная безопасность - это свойство автомобиля уменьшать тяжесть
последствий ДТП после остановки и предотвращать возникновение новых аварий. Для
этого внедряют противопожарные мероприятия, облегчают эвакуацию пассажиров и
водителя из аварийного автомобиля.
Экологическая безопасность - это свойство автомобиля, позволяющее
уменьшать вред, наносимый участникам движения и окружающей среде в процессе
эксплуатации. Мероприятиями по уменьшению вредного воздействия автомобилей на
окружающую среду следует считать снижение токсичности отработавших газов и
уровня шума.
Взаимосвязь различных видов безопасности и противоречивость требований,
предъявляемых к конструкции автомобиля, вынуждают конструкторов и технологов
принимать компромиссные решения. При этом неизбежно ухудшаются одни свойства,
менее существенные для автомобиля данного типа, и улучшаются другие, имеющие
большее значение.
Сущность основных функций активной безопасности автомобиля - отсутствие
внезапных отказов конструктивных систем автомобиля (отказная безопасность),
особенно связанных с возможностью маневра, а также обеспечение возможности
водителя уверенно, с комфортом управлять механической подсистемой «Автомобиль -
Дорога» (эксплуатационная безопасность).
Важной функцией активной безопасности является соответствие тяговой и
тормозной динамики автомобиля дорожным условиям и транспортным ситуациям, а
также психофизиологическим особенностям водителя. Возможность осуществления
маневра на ходу движения в основном зависит от тяговой и тормозной динамики
автомобиля:
o тормозная динамика влияет на величину остановочного пути,
который должен быть наименьшим и, кроме того, тормозная система должна
позволять водителю очень гибко выбирать необходимую интенсивность торможения;
o тяговая динамика в значительной степени влияет на уверенность
водителя в таких дорожно-транспортных ситуациях, как обгон, объезд, переезд
перекрестков и пересечение автомобильных дорог, т.е. при маневрировании в
плане.
В тех же ситуациях, когда торможение уже невозможно, тяговая динамика
имеет первостепенное значение для выхода из критических ситуаций.
Основными качествами конструкции автомобиля, влияющими на активную
безопасность, являются:
- компоновка автомобиля;
устойчивость (способность автомобиля противостоять заносу и опрокидыванию
в различных дорожных условиях при высоких скоростях движения);
управляемость (эксплуатационные качества автомобиля, позволяющие
осуществлять управление при наименьших затратах механической и физической
энергии, при совершении маневров в плане для сохранения или задания направления
движения);
маневренность (качество автомобиля, характеризующееся величиной
наименьшего радиуса поворота и габаритными размерами);
стабилизация (способность элементов системы «ВАД» противостоять
неустойчивому движению автомобиля или способность системы сохранить оптимальные
положения естественных осей автомобиля при движении);
тормозная динамичность;
тяговая динамичность;
информативность;
комфортабельность;
надежность шин;
- сигнализация и освещение.
технические средства для обеспечения помощи водителю для контроля условий
движения (камеры заднего вида, активный парктроник, пассивный и активный
круиз-контроль и др.)
Пассивная безопасность включается в себя меры безопасности, которые могут
помочь снизить вред от уже произошедшей аварии. При тяжёлой аварии есть
опасность, что двигатель и другие агрегаты могут проникнуть в кабину водителя.
Поэтому, кабина окружена особой «решёткой безопасности», представляющей собой
абсолютную защиту в подобных случаях. Такие же рёбра и брусья жесткости можно
найти и в дверях автомобиля (на случай боковых столкновений). Сюда же относятся
и области погашения энергии.
При тяжёлой аварии происходит резкое и неожиданное замедление до полной
остановки автомобиля. Этот процесс вызывает огромные перегрузки на тела
пассажиров, могущие оказаться фатальными. Из этого следует, что необходимо
найти способ «замедлить» замедление для того, чтобы уменьшить нагрузки на тело
человека. Одним из способов решения данной задачи является проектирование
областей разрушения, гасящих энергию столкновения, в передней и задней части
кузова. Разрушения автомобиля будут более тяжёлыми, зато пассажиры останутся
целыми (и это по сравнению со старыми «толстокожими» машинами, когда машина
отделывалась «лёгким испугом», зато пассажиры получали тяжёлые травмы).
Основными элементами пассивной безопасности являются:
- ремни безопасности, в том числе инерционные с
преднатяжителями;
- подушки безопасности;
- сминаемые или мягкие элементы
передней панели;
- складывающаяся рулевая колонка;
- травмобезопасный педальный узел - при
столкновении педали отделяются от мест крепления и уменьшают риск повреждения
ног водителя;
- энергопоглощающие элементы передней и
задней частей автомобиля, сминающиеся при ударе (бамперы);
- подголовники сидений, защищающие от
серьёзных травм шею пассажира при ударе автомобиля сзади;
- безопасные стёкла - закалённые,
которые при разрушении рассыпаются на множество неострых осколков и триплекс;
- дуги безопасности, усиленные передние
стойки крыши и верхняя рамка ветрового стекла в родстерах и кабриолетах;
- поперечные брусья в дверях и т. п.
- защита от проникновения двигателя и
других агрегатов в салон (увод их под днище).
5.2 Технические средства обеспечения безопасности
транспортных средств, являющиеся частью дорожной инфраструктуры
В качестве независящих от транспортного средства мер по безопасности
дорожного движения является организация и надзор со стороны государственных и
негосударственных структур. В качестве основной службы по организации дорожного
движения является ГАИ - Государственная Автомобильная Инспекция. В число задач
ГАИ входят:
а) разработка правил дорожного движения (ПДД), организация надзора за
соблюдением ПДД. Это включает в себя контроль за соблюдением правил дорожного
движения, а также нормативных правовых актов в области обеспечения безопасности
дорожного движения (разработка и надзор за требованиями к проектированию,
строительству, реконструкции дорог, дорожных сооружений, железнодорожных
переездов, линий городского электрического транспорта, к эксплуатационному
состоянию и ремонту автомобильных дорог, дорожных сооружений, железнодорожных
переездов, а также к установке и эксплуатации технических средств организации
дорожного движения, таких как камер видеофиксации нарушений ПДД и т. п.)
б) государственный надзор за автотранспортом (разработка нормативов и
контроль за их выполнением в сфере конструкции и технического состояния
находящиеся в эксплуатации автомототранспортных средств, прицепов к ним и
предметов их дополнительного оборудования, к изменению конструкции
зарегистрированных в Государственной инспекции автомототранспортных средств и
прицепов к ним, к перевозкам в пределах компетенции Государственной инспекции
тяжеловесных, опасных и крупногабаритных грузов, разработка правил и порядка
государственной регистрации механических транспортных средств, производство
регистрации их.
в) контроль за подготовкой водительских кадров, контроль за исполнением
ими ПДД.
В последние годы в связи с установившейся тенденцией роста транспортных
средств на дорогах Республики Беларусь начинают внедряться автоматические
средства контроля за выполнение ПДД. Многие из них пока только на стадии
внедрения в Республике Беларусь (в первую очередь, из-за только недавно
появившейся необходимости вследствие чрезвычайной загрузки автомобильных дорог,
а так же из-за достаточно высокой стоимости и срока окупаемости, который с
годами начинает снижаться в достаточно приемлемой мере), однако многие из них
уже давно эксплуатируются во многих странах.. В их число входят автоматические
видеофиксаторы транспортного потока, которые помогают в полностью
автоматическом режиме отслеживать заданные параметры движения потока
транспортных средств и транспортных средств по отдельности и регистрировать
отклоняющиеся от заданных параметров единицы транспортных средств. Среди
автоматических средств контроля за выполнением ПДД выделяют несколько типов:
- фиксаторы, рабочим элементов в которых являются сверхвысокий частотный
диапазон (СВЧ). Это приборы, работающие на эффекте Доплера. Частота сигнала,
отраженного от движущегося объекта, отличается от частоты излучаемого сигнала
на величину, пропорциональную скорости перемещения транспортного средства
(“АРЕНА” и др.);
- фиксаторы, рабочим элементом которых является видеоанализ (фото-
и видео-фиксаторы, в которых параметры движения отслеживаемого транспортного
средства вычисляются программно при помощи наложения сделанных в разное время
снимков) ("Искра-видео", "Крис-1" и др.);
фиксаторы, совмещающие в себе как элементы СВЧ-фиксаторов, так и
фото/видео-фиксаторов. Такие приборы являются наиболее точными и дорогостоящими
("Беркут-Виза", "ВИЗИР", и др.)
Стоит отметить, что все вышеописанные средства безопасности дорожного движения
требуют от себя достаточно больших трудовых, материальных ресурсов. И даже
несмотря на все эти затраты автомобильный транспорт является наиболее опасным
видом транспорта. Поэтому стоит отметить, что весь комплекс мер в обязательном
порядке должен подкрепляться личной ответственностью каждого участника
дорожного движения.
Заключение
В рамках данного дипломного проекта были рассмотрены некоторые вопросы
организации дорожного движения на конкретном участке улично-дорожной сети, а
так же предложены меры по возможному повышению эффективности регулирования
движения на перекрестке, оценке и снижению негативных последствий аварийности и
общего воздействия транспортных средств на окружающую среду.
Так, в первом пункте были рассмотрены вопросы организации регулирования
движения на перекрестке, выявлены негативные стороны (достаточно высокие
задержки транспортных средств на перекрестке, вынужденность оставаться на
перекрестке несколько циклов светофорного регулирования). С целью разработки
предложений по снижению указанных негативных последствий в пункте 2 по
полученным в результате замеров на перекрестке в час пик данным был рассчитан
наиболее оптимальный цикл светофорного регулирования: время цикла составило 91
секунду, тогда как время существующего цикла составляет 70 секунд. Для проверки
оптимальности цикла в пункте 3 были рассчитаны параметры дорожного движения
(аналогичные пункту 1) и их сравнение с существующими. Сравнительный анализ
показал, что с изменением времени цикла светофорного регулирования прогнозируется
так же уменьшение среднего потерянного на перекрестке времени.
Следует отметить, что это снижение произошло только для данного
измерения. Для увеличения точности выводов необходимо регулярно наблюдать за
изменениями интенсивности движения на перекрестке в различное время суток,
отслеживать параметры дорожного движения и уже по итогам этих замеров
производить расчеты оптимального времени цикла для разного времени не только
суток, но и периода года (т. к. является известным фактом снижение транспортных
потоков в зимнее и летнее время).
В пункте 4 было произведено исследование возможного числа аварий на
перекрестке улиц Интернациональной и Катунина для регулируемого и
нерегулируемого варианта данного перекрестка. Для этого с достаточно высокой
статистической точностью была замерена скорость лидирующих и ведомых
транспортных средств на подходе к перекрестку (за 50 метров от него), дистанция
между этими транспортными средствами и время прохождения расстояния между ними
при удержании исходной скорости ведомым автомобилем.
На основании полученных замеров было рассчитано приведенное число аварий
в потоке попутного транспорта (типа “удар сзади”) для регулируемого и
нерегулируемого варианта перекрестка. Было получено, что при нерегулируемом
варианте число приведенных аварий выбранного типа может составить около 25 за
год, что значительно выше (13 аварий в год) при регулируемом режиме.
Полученные данные свидетельствуют об однозначной необходимости на данном
перекрестке светофорного регулирования, т. к. это снижает аварийность на данном
участке в 2 раза.
Для
нерегулируемого режима исходя из известного числа аварий с ранениями (
), а так же долю аварий с материальным ущербом (
) можно с достаточно высокой для данного типа
исследования доверительной вероятностью 0,9 ожидать на данном перекрестке 0,21
аварий с ранениями и 24 аварии с материальным ущербом с общими материальными
затратами 7721 у. е.
В
свою очередь, для этого же перекрестка, но с режимом светофорного
регулирования, исходя из известного числа аварий с ранениями (
), а так же долю аварий с материальным ущербом (
) можно с достаточно высокой для данного типа
исследования доверительной вероятностью 0,9 ожидать на данном перекрестке 0,12
аварий с ранениями и 12,87 аварий с материальным ущербом с общими материальными
затратами 4009 у. е.
Всего
же, по итогам рассчитанной методики, было получено, что общее число приведенных
аварий на рассматриваемом перекрестке с учетом регулируемого и нерегулируемого
режимов светофорного регулирования составит 38 единиц. Общая доля аварий с
ранениями в числе всех аварий данного типа составит
, а доля аварий с материальным ущербом -
. Следовательно, с доверительной вероятностью 0,9
можно ожидать на данном перекрестке 0,34 аварии с ранениями и 37,65 аварий с
материальным ущербом с общими материальными затратами 11703 у. е.
В
пункте 5 были определены экологические и, как следствие, экономические потери
от данного объекта улично-дорожной сети. Были рассчитаны такие составляющие
экологического и экономического ущерба как потери от затрат времени из-за
простоя на перекрестке транспорта, пассажиров и пешеходов, экологические потери
от выбросов транспортными средствами вредных веществ, а так же потери от
шумового загрязнения.
Полученная
методика так же позволяет экономически сравнить и будущие внедряемые
мероприятия для снижения числа приведенных аварий на данном перекрестке.
Среди
прочих мероприятий по снижению аварийности следует отметить и значительный
экономический эффект от внедрения дополнительных полос для наиболее загруженных
направлений. Данная мера эффективна при высоких плотностях движения на
перекрестке (что в основном касается центральных перекрестков). Расчет
экономического эффекта от внедрения данного усовершенствования так же может
производиться по методике, описанной в данном дипломном проекте.
Так
же были предложены некоторые варианты снижения воздействия указанных выше
негативных факторов, что приведет к общему улучшению благосостояния и
комфортности пребывания всех участников общественной жизни данного участка
улично-дорожной сети.
В
конце дипломного проекта было обращено внимание и на безопасность дорожного
движения как на данном перекрестке, так и на дорогах в целом. В настоящее время
существует множество общих и специализированных средств повышения безопасности
движения на дорогах, которые делятся по своей роли на несколько групп:
активная, пассивная послеаварийная и экологическая безопасность. Однако
хотелось бы отметить, что немаловажную роль в безопасности транспорта для
окружающих людей играет ответственность каждого участника дорожного движения
как перед собой, так и перед остальными. Никогда нельзя забывать, что дороги
являются наиболее опасным участком любого населенного пункта и сохранность не
только собственных жизни и здоровья, но и жизни и здоровья окружающих напрямую
зависит от каждого из нас.
Литература
1. Аксенов В. А., Попова Е. П., Дивочкин О. А.
Экономическая эффективность рациональной организации дорожного движения. М.:
Транспорт, 1987. 128 с.
2. Буга П. Г., Шелков Ю. Д. Организация пешеходного
движения в городах: Учеб. пособие для вузов. - М.: Высшая школа, 1980. - 232с.
3. Брайловский Н.О., Грановский Б.И. Управление
движением транспортных средств. - М.: Транспорт, 1975. - 112 с.
. Васильев А.П., Фримштейн М.И. Управление движением
на автомобильных дорогах. - М.: Транспорт, 1979. - 296 с.
. Лукъянов В.В. Безопасность дорожного движения. М.:
Транспорт,1983. 260 с.
. Инструкция по проектированию наружного освещения
городов, поселков и сельских населенных пунктов. СН 541 - 82. М.: Стройиздат,
1982. 22 с.
. Инструкция по учету потерь народного хозяйства от
дорожно-транспортных происшествий при проектировании автомобильных дорог. М.:
Транспорт, 1982. 54 с.
. Капитанов В.Т., Хилажев Е.Б. Управление
транспортными потоками в городах. М.: Транспорт,1985. 94 с.
. Клинковштейн Г.И. Организация дорожного движения.
М.: Транспорт, 1996. 230 с.
. Кременец Ю.А. Организация дорожного движения.
М.:Транспорт, 1996. 230 с.
. Коноплянко В.И. Организация и безопасность
дорожного движения. М.: Транспорт, 1991. 183 с.
. Организация движения на пересечениях в одном уровне.
Полукаров В.М., Шалатов А.А. М.: Транспорт,1990. 64 с.
. Осветительные установки железнодорожных территорий.
Дегтярев В.О., Корягин О.Г., Фирсанов Н.Н. М.: Транспорт, 1987. 224 с.
. СНБ 2.04.05-98 "Строительные нормы Беларуси.
Естественное и искусственное освещение", утвержденными приказом
Министерства архитектуры и строительства Республики Беларусь от 7 апреля 1998
г. № 142;
. Сильянов В.В. Теория транспортных потоков в
проектировании дорог и организации движения. - М.: Транспорт, 1977. - 303 с.
. СТБ 1300-2002. Технические средства организации
дорожного движения. Правила применения. - БелГИСС, 2000 г.
. Указания по организации приоритетного движения
транспортных средств общего пользования / Ю.Д. Шелков, Ю.А. Кременец,
А.Н.Красников и др. - М.: Транспорт, 1984. - 32 с.
. Чижонок В.Д. Обоснование параметров и эффективности
светофорного регулирования на перекрестке: Пособие по выполнению курсовой
работы. - Гомель: БелГУТ, 1999 - 21 с.
. Врубель Ю. А. Исследования в дорожном движении:
учебно-методическое пособие в лабораторным работам для студентов специальности
1-44 01 02 “Организация дорожного движения”/ Ю. А. Врубель. - Мн.: БНУТУ, 2007.
- 178 с.
. С. А. Аземша, С. Н. Карасевич Организация движения
на регулируемых перекрестках, БелГУТ, 2007. - 56 с.
. Врубель Ю.А., Капский Д.В., Кот Е.Н. Определение
потерь в дорожном движении. Мн.: РИО БНТУ, 2006, 252с.
. Капский Д.В. Прогнозирование аварийности на
регулируемых конфликтных объектах // Безопасность дорожного движения Украины.-
Киев: ГНИЦ БДД ДДПСММ МВС Украины. - 2005.- № 3 - 4 (21). - С. 78 - 88.
23 Ходоскин, Дипломное проектирование.
Приложение
А
(обязательное)
Рисунок А1 - Схема улично-дорожной сети
Условные обозначения:
- светофор транспортный;
-светофор пешеходный;
- знак на колонке-опоре
- знак, подвешенный на растяжке
Приложение
Б
Рисунок Б1 - Возможные направления движения автомобилей и пешеходов на
перекрестке улиц Интернациональной и Катунина
Приложение
В
Таблица В1 - Протокол наблюдения интенсивности транспортных средств на
перекрестке улиц Интернациональной и Катунина с делением по времени подхода к
перекрестку
направление
|
полоса
|
параметр и тип
транспортного средства
|
|
|
|
n1
|
noz
|
n2
|
tн
|
|
|
|
л
|
г
|
п
|
а
|
л
|
г
|
п
|
а
|
л
|
г
|
п
|
а
|
секунды
|
|
|
1
|
N1
|
1
|
5
|
0
|
0
|
0
|
2
|
0
|
0
|
0
|
2
|
0
|
0
|
0
|
21
|
|
|
|
2
|
4
|
0
|
0
|
1
|
0
|
0
|
0
|
0
|
1
|
0
|
0
|
0
|
20
|
|
|
|
3
|
1
|
0
|
0
|
1
|
1
|
0
|
0
|
0
|
0
|
0
|
0
|
0
|
0
|
|
|
N3
|
1
|
-
|
-
|
-
|
-
|
-
|
-
|
-
|
-
|
-
|
-
|
-
|
-
|
-
|
|
|
N2
|
2
|
6
|
0
|
0
|
2
|
3
|
0
|
0
|
1
|
2
|
0
|
0
|
1
|
27
|
|
|
|
3
|
5
|
0
|
0
|
0
|
1
|
0
|
0
|
0
|
1
|
0
|
0
|
0
|
24
|
|
|
N4
|
1
|
4
|
0
|
0
|
0
|
2
|
0
|
0
|
0
|
0
|
0
|
0
|
0
|
0
|
|
|
N5
|
1
|
4
|
0
|
0
|
0
|
2
|
0
|
0
|
0
|
1
|
0
|
0
|
0
|
50
|
|
|
N6
|
1
|
2
|
0
|
0
|
0
|
1
|
0
|
0
|
0
|
0
|
0
|
0
|
0
|
52
|
|
|
2
|
N1
|
1
|
9
|
0
|
0
|
0
|
5
|
0
|
0
|
0
|
0
|
0
|
0
|
0
|
24
|
|
|
|
2
|
8
|
1
|
0
|
0
|
4
|
0
|
0
|
0
|
1
|
0
|
0
|
0
|
21
|
|
|
|
3
|
0
|
1
|
0
|
1
|
1
|
0
|
0
|
1
|
0
|
0
|
0
|
0
|
0
|
|
|
N3
|
1
|
-
|
-
|
-
|
-
|
-
|
-
|
-
|
-
|
-
|
-
|
-
|
-
|
-
|
|
|
N2
|
2
|
7
|
1
|
0
|
2
|
7
|
0
|
0
|
1
|
3
|
0
|
0
|
1
|
34
|
|
|
|
3
|
5
|
0
|
0
|
0
|
6
|
1
|
0
|
0
|
1
|
0
|
0
|
0
|
21
|
|
|
N4
|
1
|
2
|
0
|
0
|
0
|
3
|
0
|
0
|
0
|
1
|
0
|
0
|
0
|
0
|
|
|
N5
|
1
|
4
|
0
|
0
|
0
|
2
|
0
|
0
|
0
|
0
|
0
|
0
|
0
|
54
|
|
|
N6
|
1
|
5
|
0
|
0
|
0
|
2
|
0
|
0
|
0
|
1
|
0
|
0
|
0
|
0
|
|
|
3
|
N1
|
1
|
7
|
0
|
0
|
0
|
6
|
0
|
0
|
0
|
0
|
0
|
0
|
0
|
0
|
|
|
|
2
|
7
|
0
|
0
|
0
|
4
|
0
|
1
|
0
|
2
|
0
|
1
|
0
|
24
|
|
|
|
3
|
3
|
0
|
0
|
2
|
2
|
0
|
0
|
1
|
1
|
0
|
0
|
1
|
0
|
|
|
N3
|
1
|
-
|
-
|
-
|
-
|
-
|
-
|
-
|
-
|
-
|
-
|
-
|
-
|
-
|
|
|
N2
|
2
|
7
|
2
|
0
|
8
|
1
|
0
|
2
|
2
|
1
|
0
|
2
|
23
|
|
|
|
3
|
6
|
0
|
0
|
0
|
7
|
0
|
0
|
0
|
0
|
0
|
0
|
0
|
21
|
|
|
N4
|
1
|
5
|
0
|
0
|
0
|
1
|
0
|
0
|
0
|
0
|
0
|
0
|
0
|
24
|
|
|
N5
|
1
|
6
|
1
|
0
|
0
|
2
|
0
|
0
|
0
|
0
|
0
|
0
|
0
|
0
|
|
|
N6
|
1
|
4
|
0
|
0
|
0
|
0
|
0
|
0
|
0
|
0
|
0
|
0
|
0
|
51
|
|
|
4
|
N1
|
1
|
7
|
0
|
0
|
0
|
8
|
0
|
0
|
0
|
1
|
0
|
0
|
0
|
0
|
|
|
2
|
9
|
0
|
0
|
0
|
5
|
0
|
0
|
0
|
2
|
0
|
0
|
0
|
23
|
|
|
3
|
2
|
1
|
1
|
2
|
0
|
0
|
0
|
1
|
0
|
0
|
0
|
1
|
22
|
|
N3
|
1
|
-
|
-
|
-
|
-
|
-
|
-
|
-
|
-
|
-
|
-
|
-
|
-
|
-
|
|
N2
|
2
|
3
|
1
|
0
|
3
|
2
|
0
|
0
|
1
|
1
|
0
|
0
|
1
|
21
|
|
|
3
|
9
|
0
|
0
|
0
|
7
|
0
|
0
|
0
|
1
|
0
|
0
|
0
|
0
|
|
N4
|
1
|
3
|
0
|
0
|
0
|
1
|
0
|
0
|
0
|
0
|
0
|
0
|
0
|
0
|
|
N5
|
1
|
5
|
0
|
0
|
0
|
2
|
0
|
0
|
0
|
0
|
0
|
0
|
0
|
0
|
|
N6
|
1
|
3
|
0
|
0
|
0
|
2
|
0
|
0
|
0
|
1
|
0
|
0
|
0
|
0
|
|
5
|
N1
|
1
|
9
|
1
|
0
|
0
|
8
|
0
|
0
|
0
|
0
|
0
|
0
|
0
|
25
|
|
|
2
|
8
|
0
|
0
|
0
|
9
|
0
|
0
|
0
|
0
|
0
|
0
|
0
|
24
|
|
|
3
|
4
|
0
|
0
|
0
|
8
|
0
|
0
|
1
|
0
|
0
|
0
|
0
|
0
|
|
N3
|
1
|
-
|
-
|
-
|
-
|
-
|
-
|
-
|
-
|
-
|
-
|
-
|
-
|
-
|
|
N2
|
2
|
7
|
1
|
0
|
2
|
5
|
0
|
0
|
0
|
0
|
0
|
0
|
0
|
23
|
|
|
3
|
9
|
0
|
0
|
0
|
8
|
0
|
0
|
0
|
0
|
0
|
0
|
0
|
26
|
|
N4
|
1
|
6
|
1
|
0
|
0
|
2
|
0
|
0
|
0
|
2
|
0
|
0
|
0
|
0
|
|
N5
|
1
|
5
|
1
|
0
|
0
|
1
|
0
|
0
|
0
|
0
|
0
|
0
|
0
|
0
|
|
N6
|
1
|
6
|
1
|
0
|
0
|
2
|
0
|
0
|
0
|
2
|
0
|
0
|
0
|
52
|
|
6
|
N1
|
1
|
11
|
0
|
0
|
0
|
8
|
0
|
0
|
0
|
2
|
0
|
0
|
0
|
0
|
10
|
1
|
1
|
0
|
6
|
0
|
0
|
0
|
3
|
0
|
0
|
0
|
0
|
|
|
3
|
3
|
0
|
0
|
2
|
0
|
0
|
0
|
0
|
1
|
0
|
0
|
0
|
0
|
|
N3
|
1
|
-
|
-
|
-
|
-
|
-
|
-
|
-
|
-
|
-
|
-
|
-
|
-
|
-
|
|
N2
|
2
|
9
|
0
|
0
|
1
|
4
|
0
|
0
|
0
|
2
|
0
|
0
|
0
|
0
|
|
|
3
|
12
|
0
|
0
|
0
|
8
|
0
|
0
|
0
|
3
|
0
|
0
|
0
|
0
|
|
N4
|
1
|
7
|
0
|
0
|
0
|
3
|
0
|
0
|
0
|
2
|
0
|
0
|
0
|
24
|
|
N5
|
1
|
8
|
0
|
0
|
0
|
2
|
0
|
0
|
0
|
0
|
0
|
0
|
0
|
0
|
|
N6
|
1
|
5
|
0
|
0
|
0
|
3
|
0
|
0
|
0
|
1
|
0
|
0
|
0
|
50
|
|
7
|
N1
|
1
|
10
|
0
|
0
|
0
|
11
|
0
|
0
|
0
|
3
|
0
|
0
|
0
|
20
|
|
|
2
|
11
|
0
|
0
|
0
|
8
|
0
|
0
|
0
|
1
|
0
|
0
|
0
|
21
|
|
|
3
|
5
|
1
|
0
|
2
|
2
|
0
|
1
|
1
|
1
|
0
|
0
|
1
|
23
|
|
N3
|
1
|
-
|
-
|
-
|
-
|
-
|
-
|
-
|
-
|
-
|
-
|
-
|
-
|
-
|
|
N2
|
2
|
12
|
0
|
0
|
2
|
4
|
0
|
0
|
1
|
3
|
0
|
0
|
0
|
22
|
|
|
3
|
9
|
0
|
0
|
0
|
7
|
0
|
0
|
0
|
1
|
0
|
0
|
0
|
22
|
|
N4
|
1
|
5
|
1
|
0
|
0
|
2
|
0
|
0
|
0
|
0
|
0
|
0
|
0
|
23
|
|
N5
|
1
|
7
|
0
|
0
|
0
|
3
|
0
|
0
|
0
|
0
|
0
|
0
|
0
|
0
|
|
N6
|
1
|
6
|
0
|
0
|
0
|
1
|
0
|
0
|
0
|
0
|
0
|
0
|
0
|
51
|
|
8
|
N1
|
1
|
10
|
1
|
0
|
0
|
7
|
0
|
0
|
0
|
1
|
0
|
0
|
0
|
28
|
|
|
2
|
9
|
0
|
0
|
0
|
8
|
0
|
0
|
0
|
2
|
0
|
0
|
0
|
25
|
|
|
3
|
2
|
1
|
0
|
2
|
2
|
0
|
0
|
1
|
1
|
0
|
0
|
1
|
21
|
|
N3
|
1
|
-
|
-
|
-
|
-
|
-
|
-
|
-
|
-
|
-
|
-
|
-
|
-
|
-
|
|
N2
|
2
|
12
|
2
|
0
|
2
|
2
|
0
|
0
|
1
|
2
|
0
|
0
|
1
|
23
|
|
|
3
|
10
|
1
|
0
|
0
|
6
|
0
|
0
|
0
|
3
|
0
|
0
|
0
|
20
|
|
N4
|
1
|
6
|
1
|
0
|
0
|
2
|
0
|
0
|
0
|
2
|
0
|
0
|
0
|
|
N5
|
1
|
4
|
1
|
0
|
0
|
0
|
0
|
0
|
0
|
0
|
0
|
0
|
0
|
0
|
|
N6
|
1
|
4
|
0
|
0
|
0
|
2
|
0
|
0
|
0
|
0
|
0
|
0
|
0
|
0
|
|
9
|
N1
|
1
|
12
|
0
|
0
|
0
|
8
|
0
|
0
|
0
|
2
|
0
|
0
|
0
|
23
|
|
|
2
|
10
|
0
|
0
|
0
|
6
|
0
|
0
|
0
|
1
|
0
|
0
|
0
|
24
|
|
|
3
|
4
|
1
|
1
|
0
|
1
|
0
|
0
|
2
|
1
|
0
|
0
|
1
|
24
|
|
N3
|
1
|
-
|
-
|
-
|
-
|
-
|
-
|
-
|
-
|
-
|
-
|
-
|
-
|
-
|
|
N2
|
2
|
10
|
0
|
0
|
0
|
10
|
0
|
0
|
0
|
1
|
0
|
0
|
0
|
23
|
|
|
3
|
7
|
0
|
0
|
0
|
9
|
0
|
0
|
0
|
2
|
0
|
0
|
0
|
20
|
|
N4
|
1
|
5
|
0
|
0
|
0
|
3
|
0
|
0
|
0
|
0
|
0
|
0
|
0
|
25
|
|
N5
|
1
|
4
|
0
|
0
|
0
|
0
|
0
|
0
|
0
|
0
|
0
|
0
|
0
|
0
|
|
N6
|
1
|
3
|
0
|
0
|
0
|
0
|
0
|
0
|
0
|
0
|
0
|
0
|
0
|
0
|
|
10
|
N1
|
1
|
9
|
0
|
0
|
0
|
8
|
0
|
0
|
0
|
0
|
0
|
0
|
0
|
24
|
|
|
2
|
10
|
0
|
0
|
0
|
6
|
0
|
0
|
0
|
1
|
0
|
0
|
0
|
22
|
|
|
3
|
2
|
1
|
0
|
2
|
0
|
0
|
0
|
0
|
0
|
0
|
0
|
0
|
24
|
|
N3
|
1
|
-
|
-
|
-
|
-
|
-
|
-
|
-
|
-
|
-
|
-
|
-
|
-
|
-
|
|
N2
|
2
|
9
|
0
|
0
|
1
|
4
|
0
|
0
|
0
|
1
|
0
|
0
|
0
|
20
|
|
|
3
|
7
|
1
|
0
|
0
|
6
|
0
|
0
|
0
|
1
|
0
|
0
|
0
|
23
|
|
N4
|
1
|
5
|
0
|
0
|
0
|
3
|
0
|
0
|
0
|
1
|
0
|
0
|
0
|
0
|
|
N5
|
1
|
3
|
1
|
0
|
0
|
2
|
0
|
0
|
0
|
0
|
0
|
0
|
0
|
0
|
|
N6
|
1
|
2
|
0
|
0
|
0
|
1
|
0
|
0
|
0
|
0
|
0
|
0
|
0
|
0
|
|
|
|
|
|
|
|
|
|
|
|
|
|
|
|
|
|
|
|
|
|
|
|
|
|
|
|
|
|
|
Таблица В2 - Протокол наблюдения интенсивности транспортных средств на
перекрестке улиц Интернациональной и Катунина
|
Пешеходы
|
Полоса
|
Легковые автомобили
|
Грузовые автомобили
|
Автопоезда
|
Автобусы
|
Легковые автомобили
|
Грузовые автомобили
|
Автопоезда
|
Автобусы
|
|
|
N 1
|
N 2
|
|
1
|
421
|
27
|
3
|
4
|
-
|
-
|
-
|
-
|
|
2
|
458
|
19
|
0
|
0
|
484
|
54
|
3
|
43
|
|
3
|
301
|
90
|
4
|
44
|
568
|
17
|
1
|
14
|
|
Итого
|
1180
|
136
|
7
|
48
|
1052
|
71
|
4
|
57
|
|
Nпш1
|
-
|
N 4
|
N 5
|
1
|
242
|
7
|
0
|
0
|
181
|
8
|
0
|
0
|
|
Nпш2
|
-
|
N 3
|
N 6
|
|
384
|
1
|
0
|
0
|
0
|
0
|
98
|
5
|
0
|
0
|
|
|
|
|
|
|
|
|
|
|
|
|
|
Приложение Г
ФАЗА 1
ФАЗА 2
Рисунок Г1 - Схема пофазного разъезда
Условные обозначения:
- направление движения в полосе;
-номер направления движения;
,
- запрещающий сигнал светофора;
,
- разрешающий сигнал светофора;
- остановившийся поток транспортных средств.
Приложение
Д
Рисунок Д1 - Схема актуального светофорного регулирования
Таблица Д1 - График работы светофорной сигнализации по замеренным
данным
|
Номер светофора
|
График включения сигнала
|
Длительность, с
|
|
5, 6, 7, 8, 9, 10
|
З
|
Ж
|
К
|
КР
|
Tз
|
Тж
|
Тк
|
Тк-ж
|
|
|
|
|
|
Ж
|
|
|
|
|
|
|
47
|
3
|
17
|
3
|
47
|
3
|
17
|
3
|
|
|
1, 2 (транспортные)
|
К
|
КР
|
З
|
Ж
|
Tк
|
Тк-ж
|
Тз
|
Тж
|
|
|
|
Ж
|
|
|
|
|
|
|
|
|
47
|
3
|
17
|
3
|
47
|
3
|
17
|
3
|
|
|
3, 4 (пешеходные)
|
К
|
КР
|
З
|
К
|
Tк
|
Тк-ж
|
Тз
|
Тк
|
|
|
Ж
|
|
|
|
|
|
|
|
47
|
3
|
14
|
6
|
47
|
3
|
14
|
6
|
|
|
|
|
|
|
|
|
|
|
|
|
|
|
|