Исследование активного RC-фильтра
Содержание
Задание
Исходные данные для
расчета фильтра
1. Расчет передаточной
характеристики
2. Расчет АЧХ и ФЧХ
фильтра
3. Нахождение переходной
характеристики первого звена
4. Оценка допустимого
ступенчатого воздействия на фильтр
5. Спектральный анализ цепи
6. Проверка устойчивости фильтра по полюсам
передаточной характеристики
7. Годограф передаточной
функции
Используемая
литература
Задание
1. Найти операторную передаточную функцию фильтра, составив и решив
систему узловых уравнений.
2. Получить выражения для АЧХ и ФЧХ фильтра, построить их графики и
указать тип фильтра (ФНЧ, ФВЧ, ПФ).
. Найти переходную характеристику первого звена фильтра и
построить её график.
. Оценить допустимую величину ступенчатого воздействия на фильтр,
если напряжение на входе усилителя второго звена фильтра во избежание его
перегрузки не должно превышать 0,2 В.
. Получить выражения и построить графики:
а) спектральной плотности амплитуд,
б) спектра фаз,
в) спектральной плотности энергии колебаний на входе и выходе фильтра, если
к его входу подведен прямоугольный видеоимпульс. Оценить области концентрации
энергии воздействия и реакции и показать на графике ширину спектра.
6. Убедиться в устойчивости фильтра по расположению полюсов его
передаточной функции, показав их на комплексной плоскости.
7. Построить годограф передаточной функции по петле обратной связи
первого звена фильтра, разомкнув цепь обратной связи на входе первого усилителя
звена. Убедиться в устойчивости фильтра по критерию Найквиста.
. При каких значениях коэффициента усиления усилителя первого
звена фильтра цепь будет находиться строго на границе устойчивости? Чему при
этом равна частота свободных колебаний в каскаде?
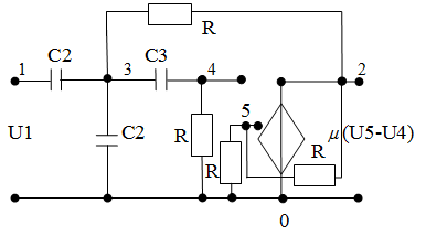
Вариант №20
Рис.1. Схема ARC-фильтра
Расчет передаточной характеристики
Разобьем фильтр на два каскадно-соединенных звена и для каждого звена
определим передаточную функцию с помощью метода узловых напряжений.
Звено №1
Схема замещения звена 1
В качестве базисного выбираем 0, составляем узловые уравнения для узлов:
Узел
1.
Узел
2.
Узел
3.
Узел
4.
Узел
3.
(1)
Узел
4.
(2)
Из
(2) получим
и подставим в (1):
Передаточная
характеристика 1 звена находится по формуле
,
получаем
выражение для передаточной характеристики:
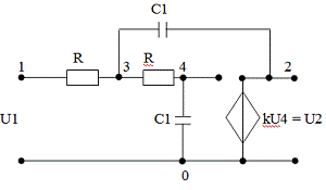
Звено
№2
Схема
замещения звена 2
В
качестве базисного выбираем 0, составляем узловые уравнения для узлов:
Узел
1.
Узел 2.
Узел
3.
Узел
4.
Узел
5.
Узел
3.
(1)
Узел
4.
(2)
Узел
5.
(3)
Из
(3) получим
и подставим во (2):
подставим в (1)
Передаточная
характеристика 2 звена находится по формуле
,
получаем выражение для передаточной характеристики:
Общая передаточная характеристика:
2. Расчет АЧХ и ФЧХ фильтра
Звено №1
Перейдем от операторного уравнения к комплексному:
АЧХ
будет иметь вид:
ФЧХ
будет иметь вид:
где
- резонансная частота;
-
добротность первого звена.
Звено
№2
Перейдем
от операторного уравнения к комплексному:
АЧХ
будет иметь вид:
ФЧХ
будет иметь вид:
где
- резонансная частота;
-
добротность второго звена.
АЧХ
и ФЧХ всего фильтра:
Построим графики.
АЧХ
ФЧХ

Вывод:
Из полученных графиков АЧХ и ФЧХ видно, что первое звено фильтра является
ФНЧ, второе звено является ФВЧ. Весь фильтр является ПФ.
3. Нахождение переходной характеристики первого звена
Переходная характеристика находится из соответствия:
По
теореме разложения найдем переходную характеристику:
,
где
n - количество корней уравнения N(p)=0
Найдем
корни уравнения N(p) = 0:
=
Построим
график функции переходной характеристики:
|
t, с
|
h(t)
|
|
0.000 1.579e-4 3.158e-4 4.737e-4
6.316e-4 7.895e-4 9.474e-4 1.105e-3 1.263e-3 1.421e-3 1.579e-3 1.737e-3 1.895e-3 2.053e-3 2.211e-3
2.368e-3 2.526e-3 2.684e-3 2.842e-3 3.000e-3
|
0.000 0.823 2.119 2.552 2.059 1.431 1.280 1.562 1.861 1.903
1.748 1.608 1.603 1.687 1.750 1.745 1.701 1.673 1.679 1.702
|
4. Оценка допустимого
ступенчатого воздействия на фильтр
Оценить допустимую величину ступенчатого воздействия на фильтр можно
сделать исходя из определения переходной характеристики как отношения реакции
цепи к амплитуде ступенчатого воздействия.
Нужно оценить величину ступенчатого воздействия на фильтр, если
напряжение на входе второго звена, во избежание перегрузки не должно превышать
0,2 В. Так как вход второго звена это выход первого, то для нахождения
допустимого воздействия на фильтр будем использовать максимальное значение
переходной характеристики первого звена.
Максимальное значение h(t)=2.872 достигает в точке t = 4,546∙10-4 с
Вывод:
Величина ступенчатого воздействия на фильтр во избежание перегрузки
усилителя второго звена не должна превышать 0,073 В.
5. Спектральный анализ цепи
К входу фильтра подведен одиночный прямоугольный импульс. Непериодическое
колебание можно рассматривать как сумму бесконечно большого числа бесконечно
малых по амплитуде гармонических колебаний, частоты которых располагаются
близко друг к другу, и, в общем случае, занимают всю шкалу частот. Поэтому для
анализа непериодического колебания применяют прямое и обратное преобразование
Фурье.
- прямое
преобразование,
где
S(jω) - спектральная плотность сигнала
-
обратное преобразование Фурье.
На вход поступает прямоугольный видеоимпульс
Вид входного импульса
Спектральная плотность амплитуд входного сигнала:
;

Спектральная плотность энергии
входного сигнала:
На выходе получаем
Спектральная плотность амплитуд на выходе фильтра:
Спектр фаз выходного сигнала:
Спектральная плотность энергии
входного сигнала:
Спектральная плотность амплитуд на входе и выходе фильтра:
Спектральная плотность фаз на входе и выходе фильтра:
Спектральная плотность мощностей на входе и выходе фильтра:
Вывод:
Спектр
энергии входного сигнала расположен по всей шкале частот (от 0 до ∞).
Основная доля энергии (≈80%) сосредоточена в первом лепестке
характеристики (
Гц). Энергия выходного сигнала сосредоточена в полосе
пропускания фильтра; за пределами полосы пропускания энергия рассеивается -
первый лепесток уменьшается по амплитуде.
.
Проверка устойчивости фильтра по полюсам передаточной характеристики
Приравняем знаменатель к нулю и решим полученное уравнение:
Полюса
передаточной характеристики
Вывод:
Полюса
передаточной функции H(p) фильтра расположены в левой полуплоскости, что
является необходимым и достаточным условием устойчивости фильтра. То есть, при
ограниченном воздействии на фильтр, при t→∞,
собственные колебания на выходе безгранично затухают.
. Годограф передаточной функции
Годограф петлевого
усиления определяется для первого звена фильтра при закороченном входе звена и
разрыве цепи на выходе.
Схема замещения:
Петлевое усиление (передаточная функция по петле обратной связи) для
данной схемы равна:
Составим и решим систему уравнений узловых напряжений:
U5(3/R+pC1)-U3(1/R)-kU4(pC1)=0
-U5(1/R)+U3(1/R+pC1)=0


Построим
годограф передаточной функции по петле обратной связи:
Вывод
График построен на комплексной плоскости. Годограф не охватывает точку с
координатами (1, 0∙j),
поэтому можно сделать вывод, что первое звено фильтра устойчиво. Из графика
годографа видно, что для устойчивости цепи коэффициент устойчивости должен быть
к < 4. Если к = 4 , звено фильтра будет находиться строго на границе
устойчивости, при этом частота свободных колебаний будет: 1184 Гц
фильтр передаточный спектральный годограф
Используемая литература
1. Бакалов В.П.,
Дмитриков В.Ф., Крук Б.Е. Основы теории цепей: учебник для ВУЗов. - М.: РиС,
2000. - 592с.
2. Белецкий
А.Ф. Теория линейных электрических цепей. - М.: РиС, 1986. - 544с.
. Воробиенко
П.П. Теория линейных электрических цепей. Сборник задач и упражнений. - М.:
РиС, 1989. - 328с.
. Шебес
М.Р., Каблукова М.В. Задачник по теории линейных электрических цепей. - М.:
Высшая школа, 1990. - 544с.