Разработка технологического процесса обработки детали ПКК 0202230СБ
ВВЕДЕНИЕ
вал привод барабан деталь
Ведущее место в росте экономики Республики принадлежит машиностроению,
которое обеспечивает материальную основу технического прогресса всех отраслей
народного хозяйства.
В настоящее время машиностроение располагает мощной производственной
базой, выпускающей свыше четверти всей промышленной продукции республики.
В развитии машиностроения первостепенной задачей является автоматизация
на базе гибких производственных систем, в том числе применения станков с ЧПУ,
роботов, программируемых манипуляторов, роботехнических комплексов; увеличение
применения прогрессивных конструкционных материалов, снижение металлоемкости
машин и оборудования с их удельной энергоемкости, снижение себестоимости
продукции.
Завод РУП «ГЗЛиН» - является одним из наиболее развитых предприятий
машиностроения в городе Гомель. РУП «ГЗЛиН» занимается выпуском
сельскохозяйственных машин, производит также запасные части ко всем выпускаемым
сельскохозяйственным изделиям. Занимается выпуском грузовых прицепов к легковым
автомобилям; выпускает мини-трактора, плуги навесные, культиваторы, самоходные
косилки, различные зерноуборочные и кормоуборочные комбайны.
В курсовом проекте необходимо произвести разработку технологического
процесса обработки детали ПКК 0202230СБ, которая входит в редуктор ПКК 0202860.
С целью реорганизации производства с крупносерийной на мелкосерийную в
курсовом проекте предлагается замена специального оборудования на станке с ЧПУ,
и с целью повышения степени механизации замена универсального оборудования на
станке с чпу.
При этом с целью уменьшения капитальных вложений используется
оборудование уже эксплуатируемое в цехах объединения
1. АНАЛИЗ ИСХОДНЫХ ДАННЫХ
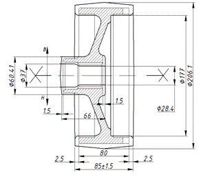
.1 Описание конструкции и служебного назначения детали
Деталь «Вал привода барабана» является одной из важнейших базовых деталей
редуктора ПКК 0202860
Вал служит для передачи крутящего момента от силовых агрегатов комбайна к
ротору жатки.
По Ø60к6 устанавливаются опорные подшипники на которых вал
установлен в корпусе редуктора. По Ø70Н10 установлены уплотняющие
манжеты, предохраняющие вал от утечек масла из редуктора. На шлицы 60×2.5×10d ГОСТ 6033-60 установлены
предохранительные муфты (ПКК 0202270), с помощью резьбы М56×2-6g.
С помощью гайки и стопорного кольца, муфта крепится на вал.
Через сквозные отверстия Ø44 установлен ведущий вал ПКК 0202606 по
Ø80Н7, который установлен в валу (ПКК
0202230) на опорных подшипниках.
По фланцу Ø120В12 и с помощью 8-ми отверстий М14
закреплён ротор жатки ПКК02.
Таблица 1.1- Физико-механические свойства чугуна СЧ20 ГОСТ1412-85
|
Временное сопротивление при
растяжении δв, МПа (кгс/мм2)
|
Плотность р кг/м3
|
Линейная усадка ε,%
|
Модуль упругости при
растяжении Е×10-2
МПа
|
Удельная теплоемкость при
температуре от 20 до 2000С Дж(кг×К)
|
Коэффициент линейного
расширения при температуре от 20 до 2000С, α1/0С
|
Тепло-проводимость при 200С
,λ,
Вт (м×К)
|
|
200(20)
|
310(31)
|
1,2
|
‹‹850››1100
|
480
|
9,5×10-6
|
54
|
Таблица 1.2- Химический состав стали 40Х ГОСТ4843-71
|
Массовая доля элементов, %
|
|
углерод
|
марганец
|
кремний
|
Не более
|
|
|
|
Фосфор
|
сера
|
|
3,3-3,8
|
0,7-1,0
|
1,9-2,9
|
0,2
|
0,15
|
.2 Определение типа производства и его характеристика
Тип производства определяется по коэффициенту закрепления операций
(Кз.о.). Предварительно на основе типового технологического процесса его можно
определить по формуле:
, (1.1)
где
Fд. - действительный годовой фонд работы оборудования,
ч;
Fд. =4009 ч; [6,
с 22, табл.2.1];
N -годовой объём
выпуска детали, шт.N = 1000 шт.
Tшт. (шт-к) ср-
среднее штучное или штучно-калькуляционное время, мин;
Kу- коэффициент
ужесточения заводских норм; Ку = 0,8.
Таблица
1.3- Анализ операций механической обработки детали
|
Номер операции
|
Код и наименование
операции
|
Модель станка
|
Категория ремонтной
сложности
|
Мощность станка
|
Tшт. (шт-к) ср
|
|
025
|
Радиально-сверлильная
|
2М58
|
|
13
|
3.045
|
|
030
|
Токарная с ЧПУ
|
1П421
|
|
|
14.845
|
|
040
|
Токарная с ЧПУ
|
16А20Ф3
|
|
11
|
18.425
|
|
060
|
Шлице-фрезерная
|
5Б352ПФ2
|
|
27
|
49.325
|
|
120
|
Кругло-шлифовальная
|
3У143
|
|
7.5
|
9.785
|
|
130
|
Токарная с ЧПУ
|
1П426ДФ3
|
|
30
|
24.603
|
|
140
|
Радиально-сверлильная
|
2Л53У
|
|
1.6
|
18.905
|
|
142
|
Радиально-сверлильная
|
2М55
|
|
4.5
|
24.935
|
|
150
|
Кругло-шлифовальная
|
3Т161
|
|
7.5
|
8.545
|
|
160
|
Кругло-шлифовальная
|
3У143
|
|
13
|
8.545
|
|
|
|
|
|
|
|
Тшт.ср.=
21.96
По полученной
величинеКз.о.=26,02 тип производства - мелкосерийный.
СПРОСИТЬ Мелкосерийное производство характеризуется ограниченной
номенклатурой изделий, изготавливаемых периодически повторяющимися партиями.
При мелкосерийном типе производства используются универсальные станки и станки
с ЧПУ оснащенные как специальными, так и универсальными, и
универсально-сборными приспособлениями, что позволяет снизить трудоемкость и
себестоимость продукции. В производстве технологический процесс изготовления
преимущественно дифференцирован, т.к. расчленен на отдельные самостоятельные
операции, выполняемые на определенных станках.
Величина производственной партии:
, (1.3)
где a - число дней, на которые необходимо иметь запас деталей.
Фр.д. - число рабочих дней в году.
1.3 Анализ детали на технологичность
Качественный анализ детали на технологичность
Деталь-вал привода барабана , изготовлена из стали 40Х ГОСТ4543-71, и
является сварной конструкцией проката и поковки , что обеспечивает минимальное
количество отходов при механической обработке и простоту установки заготовки на
станок с достаточной точностью.
Технологичным является то что практически всю деталь можно обработать на
универсальном оборудовании.
Обрабатываемые поверхности детали представляют собой стандартные
конструктивные элементы, что позволяет применить стандартный режущий инструмент
и сократить его номенклатуру. Все обрабатываемые поверхности легкодоступны для
режущего инструмента.
Целесообразно производить обработку заданной детали на современных
станках с ЧПУ, которые оснащаются приводным инструментом и обладают повышенной
жесткостью, что позволяет получать обрабатываемые поверхности высокой точности.
Сточки зрения механической обработки деталь достаточно технологична,
имеет ярко выраженную базовою поверхность для первоначальной операции, простая
по конструкции, допускает применение высокопроизводительных режимов резания.
Количественный анализ детали на технологичность
Таблица 1.4 - Отработка элементов детали на унифицированность
|
Номер элемента
|
Выдерживаемые размеры
|
Стандарт на элемент
|
|
1
|
2
|
3
|
|
1,15
|
2×45 ?
|
ГОСТ10948-64
|
|
2
|
М58×2-8g
|
ГОСТ8724-81
|
|
3
|
60×2.5+10d
|
ГОСТ6033-80
|
|
4
|
Ø60К6 ????
|
ГОСТ6636-69
|
|
5
|
2×30 ?
|
ГОСТ10948-64
|
|
6
|
Ø70h10?
|
ГОСТ6636-69
|
|
7
|
Ø75
|
ГОСТ6636-69
|
|
8
|
446
|
----
|
|
9
|
2×45 ?
|
ГОСТ10948-64
|
|
10
|
Ø120в12 ??
|
ГОСТ6636-69
|
|
11
|
Ø109
|
-----
|
|
12,17
|
1×45 ??
|
ГОСТ10948-64
|
|
13
|
Ø63.5 ??
|
-----
|
|
14
|
Ø80H7???
|
ГОСТ6636-69
|
|
|
|
|
Количественный анализ на технологичность заключается в расчете
коэффициента унификации конструктивных элементов (КУ) и коэффициента
использования материала (КИМ). Для расчета Ку следует провести обработку
элементов детали на унифицированность.
, (1.4)
гдеQУ.Э. - число конструктивных элементов
детали, которые выполнены по стандартам
Qу.э.=
14
QОбщ.
- число всех конструктивных элементов детали;
Qобщ.=
17
Деталь
считается технологичной, так как (Ку = 0,823≥0,6).
Коэффициент
использования материала:
,
Где,
mд - масса детали,кг;
Н.расх-
норма расхода материала, кг;
Деталь технологична с точки зрения коэффициента использования материала,
так как КИМ=0,69≥0,45.
2. РАЗРАБОТКА ТЕХНОЛОГИИ ОБРАБОТКИ ДЕТАЛИ
2.1
Рекомендации по разработке проектного технологического процесса
.1.1 Анализ
базового технологического процесса
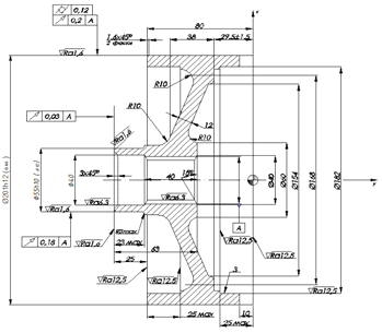
Таблица 2.1 - Анализ технических требований
|
Номерконструктивного
элемента
|
Размеры и требования к их
размерной и геометрической точности
|
Требования к шероховатости
поверхностиRa
|
Требования к точности
взаимного расположения поверхностей и осей
|
Методы достижения точности:
способы базирования и виды обработки
|
Методы контроля и средства
измерении
|
|
1
|
2
|
3
|
4
|
5
|
6
|
|
1
|
Ø201h12(-0,46)
|
1,6
|
|
Точение черновое. По
наружной поверхности Шлифование поверхности. На оправке
|
Выборочно Скоба 8113-0304h12
ГОСТ 18360-93
|
|
2,3
|
80
|
12,5
|
|
Подрезка торцев. По
наружной поверхности
|
Выборочно Штангенциркуль
ШЦ-II-250-0,05 ГОСТ166-89
|
|
4
|
10
|
6,3
|
|
Фрезеровать 34 зуба. На
оправке
|
Штангенциркуль ШЦ-II-250-0,05
ГОСТ166-89
|
|
5,7
|
1,6×450
|
12,5
|
|
Точить фаску. По наружной
поверхности
|
Визуально
|
|
6,17
|
23+1,3
|
1,6
|
|
Подрезка торцев. По
наружной поверхности
|
Штангенглубиномер
ШГ-160-0,05ГОСТ162-90
|
|
8
|
3×450
|
1,6
|
|
Расточить фаску По наружной
поверхности
|
Визуально
|
|
9
|
Ø40
|
6,3
|
|
Растачивание однократное.
По наружной поверхности.
|
Пробка 8133-0142Н14
ГОСТ14810-69
|
|
11
|
D-8×32×38H8×6F10
|
3,2
|
|
Зенкеровать отверстие,
протягивание. В адаптере по отверстию
|
Калибр комплексный Сплошной
|
|
13
|
63
|
6,3
|
|
Подрезка торца.
|
Штангенглубиномер
ШГ-160-0,05ГОСТ162-90
|
|
14
|
Ø182
|
12,5
|
|
Расточить отверстие. По
наружной поверхности.
|
Штангенциркуль ШЦ-II-250-0,05
ГОСТ166-89
|
|
|
15
|
Ø55h10(-0.12)
|
1,6
|
|
Точение черновое,
получистовое. По наружной поверхности. Шлифование поверхности.
|
Скоба 8113-0142 h10
ГОСТ 18360-93
|
|
|
16
|
Ø7,8
|
12,5
|
|
Сверлить отверстия.
|
Штангенциркуль ШЦ-I-125-0,1
ГОСТ166-89 Выборочно
|
|
|
|
|
|
|
|
|
|
.2 Выбор вида и обоснование метода получения заготовки
.2.1 Описание метода получения заготовки
Заготовку для детали КЗК0107101 получают литьем в песчано-глинистые
формы. Чугун, расплавленный для заливки, из воронки выпускают в поворотный
ковш, который имеет снаружи стальной кожух, внутри он футирован огнеупорным
кирпичом. Конфигурации наружного контура и внутренних поверхностей не вызывает
значительных трудностей при получении заготовки. Внутренняя плоскость
выполняется стержнем. После всего выше перечисленного зачищают заусенцы. После
очистки и контроля отливку направляют в механический цех для обработки.
2.2.2 Определение
допусков на размеры заготовки, припусков на механическую обработку поверхностей
по переходам, расчет размеров и массы заготовки
Назначение допусков
Точность отливки 9-7-8-9 ГОСТ 26645-85
- класс размерной точности
- степень коробления
- степень точности поверхности
- класс точности массы
Таблица 2.2 - Назначение допусков на отливку
|
Номер поверхности
|
Номинальный размер детали
|
Допуск размера заготовки,
мм
|
Допуск формы, мм
|
Общий допуск, мм
|
|
1
|
2
|
3
|
4
|
5
|
|
1
|
Ø201h12(-0,46)
|
2,8
|
1,0
|
3,6
|
|
2,3
|
80
|
2,2
|
0,5
|
2,4
|
|
6,17
|
23+1,3
|
1,6
|
0,5
|
1,8
|
|
9
|
Ø40
|
1,8
|
0,5
|
2,2
|
|
11
|
Ø32
|
1,8
|
0,5
|
2,2
|
|
13
|
63
|
2,0
|
0,5
|
2,2
|
|
14
|
Ø182
|
2,8
|
0,8
|
3,2
|
|
15
|
Ø55h10(-0.12)
|
2,0
|
0,5
|
2,2
|
Определение припусков
Таблица 2.3 - Назначение припусков и расчет размеров заготовки
|
Номер поверхности
|
Переходы механической
обработки поверхности
|
Точность обработки
|
Припуск табличный, Z(2Z),
мм
|
Расчет размеров заготовки (d
или D), мм
|
|
|
Квалитет
|
Допуск, мм
|
Шероховатость, Ra,
мкм
|
|
|
|
1
|
2
|
3
|
4
|
5
|
6
|
7
|
|
1
|
Шлифование поверхности
|
h12
|
0.46
|
1.6
|
0.6
|
Ø201
201+0.6=201.6 201,6+1,0=202,6 202.6+3.5=206.1
|
|
получистовое
|
h13
|
0,72
|
6,3
|
|
|
Точение черновое
|
h14
|
1.15
|
6.3
|
3,5
|
|
|
Отливка
|
|
3.6
|
Rz800
|
5.1
|
|
|
Ø 206.1±1.8
|
|
2,3
|
Подрезка торцов
|
h14
|
0.74
|
12.5
|
2.5
|
80 80+2.5×2=85
|
|
Отливка
|
|
2.4
|
Rz800
|
2.5
|
|
|
85±1.2
|
|
6,17
|
Подрезка торцов
|
h14
|
1.3
|
12.5
|
1,5
|
23 23+1,5×2=26
|
|
отливка
|
|
1.8
|
Rz800
|
1,5
|
|
|
26±0,9
|
|
9
|
Растачивание отверстия
|
Н14
|
0,62
|
12,5
|
3,0
|
Ø40 40-3,0=37
|
|
Отливка
|
|
2,2
|
Rz800
|
3,0
|
|
|
Ø37±1,1
|
|
11
|
Протянуть отверстие
|
Н12
|
0,25
|
6,3
|
0,4
|
Ø32
32-0,4=31,6 31,6-3,0=28,4
|
|
Зенкеровать отверстие
|
Н14
|
0,62
|
12,5
|
3,0
|
|
|
Отливка
|
|
2,2
|
Rz800
|
3,4
|
|
|
Ø
28,4±1,1
|
|
13
|
Подрезка торцов
|
h14
|
0.74
|
6,3
|
1,5
|
63 63+1,5×2=66
|
|
Отливка
|
|
2.2
|
Rz800
|
1,5
|
|
|
66±1,1
|
|
14
|
Расточить отверстие
|
Н14
|
1,15
|
12,5
|
5,0
|
182 182-5,0=177
|
|
отливка
|
|
3,2
|
Rz800
|
5,0
|
|
|
Ø177±1,6
|
|
|
|
|
|
|
|
|
|
|
Таблица 2.6 - Аналитический расчёт припусков, мм
|
Переходы механической
обработки поверхности (указать размер поверхности с предельными отклонениями
по чертежу детали)
|
Элементы припусков
|
Расчётный припуск, 2Zmin
|
Расчётный размер, dp
|
Допуск, Т
|
Предельный размер
|
Предельный припуск
|
|
RZ
|
h
|
Eуdmindmax2Zminпр2Zmaxпр
|
|
|
|
|
|
|
|
|
|
1
|
2
|
3
|
4
|
5
|
6
|
7
|
8
|
9
|
10
|
11
|
12
|
|
Отливка
|
0,6
|
2,256
|
|
|
61,307
|
2,2
|
59.2
|
61.4
|
-
|
-
|
|
Точение черновое
|
0,05
|
-
|
0,135
|
0,11
|
5,717
|
55,59
|
0,74
|
55.86
|
56.6
|
3.34
|
4.8
|
|
Точение получистовое
|
0,02
|
-
|
0,09
|
0,004
|
0,37
|
55,22
|
0,3
|
55.1
|
55.4
|
0.76
|
1.2
|
|
Шлифование
|
0,005
|
-
|
0,011
|
0,004
|
0,22
|
55
|
0,12
|
54.88
|
55
|
0.22
|
0.4
|
|
СУММАРНЫЙ ПРИПУСК:
|
4.32
|
6.4
|
|
|
|
|
|
|
|
|
|
|
|
|
|
Определение припусков расчетно-аналитическим методом
Последовательность механической обработки поверхности
Ø55h10(-0.12) Точность
обработки Способ базирования детали в приспособлении Расчет
погрешности установки,
y,
|
мм
|
|
|
Посадка и квалитет с
допуском технологическим, мм
|
Шероховатость, Rа,
мкм
|
|
|
Отливка 2,2 Rz800 В
патроне Ɛу=
Ɛб=0,Ɛз=0,11
Ɛу=0,11
Ɛуиз=0,004
|
Ɛуиб=0,004
|
|
|
Точение черновое
|
h14(0.74)
|
12,5
|
|
|
|
Точение получистовое
|
h11(0,3)
|
6,3
|
|
|
|
Шлифование
|
h10(0,12)
|
1,6
|
На оправке
|
|
Расчет минимальных припусков:
2Zmin=2(Rzi-1+hi-1+
) (2.1)
Расчетный
припуск для черновой обработки
Zminчерн.=
2(0,6+
)=5,7117
Расчетный
припуск для получистовой обработки
Zminп-чист.=
2(0,05+
)=0,37
Расчетный
припуск для шлифования
Zmin шлиф.=
2(0,02+
)=0,22
Расчет
операционных размеров
dp= D+2Zmin(2.2)
Расчет
операционных размеров получистовой обработки
dp=55+0.22=55.22мм
Расчет
операционных размеров для черновой обработки
dp=55.22+0,37=55,59мм
Расчет
операционных размеров отливки
Dp=55,59+5,717=61,307мм
Расчет
минимального и максимального припуска
Zminпр=Dmin-dmin(2.3)
Расчет
минимального припуска для черновой обработки
Zminпр=59.2-55.86=3.34мм
Расчет
минимального припуска для получистовой обработки
Zminпр=55.86-55,1=0,76мм
Расчет
минимального припуска для шлифования
Zminпр=
55,1-54,88=0,22мм
Расчет
максимального припуска для черновой обработки
Zmaxпр=61,4-56,6=4,8мм
Расчет
максимального припуска для получистовой обработки
Zmaxпр=56,6-55,4=1,2мм
Расчет
максимального припуска для шлифования
Zmaxпр=55,4-55=0,4мм
Проверка
правильности расчетов
Z0max-2Z0min=Tзаг-Tдет(2.4)
,4-4,32=2,2-0,12
,08=2,08
Величина
номинального припуска
Z0ном=2 Z0min+eiз+ eiд(2.5)
Z0ном=4,32+1,1+0,12=5,53мм
Номинальный
размер заготовки
D0=54,88+5,53=60,41мм.
Рисунок1-
Схема расположения межоперационных припусков и операционных размеров
Рисунок2-
Эскиз заготовки
Расчет размеров и массы заготовки
mз=mд+mотх.мех.обр., кг (2.6)
где mотх.мех.обр - масса удаляемого в
процессе механической обработки слоя металла, кг
mд-масся
детали, кг.
mотх.мех.обр =Vотх.
ρ, кг (2.7)
где
Vотх. - суммарный объём удаляемых в процессе
механической обработки фигур, мм3;
ρ - плотность материала заготовки, кг/мм3; ρ=7,2∙10-6 кг/мм2.
Определение
объема удаленных фигур
, мм3
(2.8)
где
D - диаметр заготовки, мм;
d- диаметр
детали, мм
l - длина
заготовки, мм.
мм3
Vобщ=201741мм
mотх.мех.обр
=201741
7.2∙10-6=1,4кг
mз=4,5+1,4=5,9
кг
Коэффициент
использования заготовки:
(2.9)
где
mЗ - масса рассчитанной заготовки, кг;
Пересчитанный
коэффициент использования материала:
(2.10)
где
Нрасх - пересчитанная норма расхода материала, кг
Нрасх=1,1×5,9=6,49 кг
,69>0,65
полученного в базовом варианте.
2.3
Разработка проектного технологического процесса
2.3.1 Анализ
базового технологического процесса и составление последовательности обработки
для проектируемого техпроцесса
Последовательность операций и переходов механической обработки детали по
базовому техпроцессу:
4112 Токарно-автоматная
Подрезать торцы 2,5 предварительно в размер между торцами 27+0,5
Точить поверхность 10 до Ø203-0,1, рассточить отверстие 15
Зенкеровать отверстие 14,точить поверхность 8 до Ø57+0,5
4 Подрезать торцы 11,13, точить фаску 12
Зенкеровать отверстие 6,с образованием фаски 7
Точить поверхность 10, точить фаску 16
Точить торец 5, точить фаску 3, точить фаску 4
4182 Вертикально-протяжная
Протянуть отверстие 1
4262 Горизонтально-фрезерная
Фрезеровать набором фрез последовательно 34 зуба 1
4145 Торцешлифовальная
Шлифовать поверхность, выдерживая размер 12
Шлифовать торец, выдерживая размеры 9,10
4145 Торцешлифовальная
Шлифовать поверхность, выдерживая размер 1
8803 Балансировочная
4214 Вертикально-сверлильная
Сверлить отверстие 1
Проанализировав заводской технологический процесс предлагаю впроектном
варианте процесса обработки детали предлагаю 010 операцию заменить на токарную
с ЧПУ на станке 1П426ДФ3, в целях оптимизации норм времени и совершенствования
режимов резания. Так как станок 1П426ДФ3 имеет достаточную точность и жесткость
то в проектном варианте операции 050 и 060 не применяются.
2.3.2 Выбор и обоснование технологических баз
На первой операции в качестве черновой базы используется наружная
необработанная поверхность, образующая двойную направляющую базу, и один из
торцев, образующий базу опорную. Деталь устанавливается в самоцентрирующий 3-х
кулачковый патрон на токарной операции.
На 020 операции деталь на один из торцев в адаптер.
На 030 операции базирование выполняется в приспособлении по отверстию и
образует двойную направляющую базу, с упором в торец, в качестве опорной базы
служит шлицевая оправка в отверстии.
.3.3 Выбор оборудования и технологической оснастки
Таблица 2.7 - Выбор оборудования
|
Номер операции
|
Код и модель станка
|
Наименование станка
|
Действительный фонд времени
работы оборудования в зависимости от категории ремонтной сложности станка
|
Стоимость станка
|
Паспортные данные
|
|
|
|
|
|
Размеры посадочных
элементов станка
|
Предельные размеры
обрабатываемых заготовок
|
Габаритные размеры, мм
|
Вид и мощность привода
главного движения, кВт
|
Ряд частот, мин-1
|
Ряд подач, мм/об или мм/мин
|
|
1
|
2
|
3
|
4
|
5
|
6
|
7
|
8
|
9
|
10
|
11
|
|
010
|
38хххххххх 1П426ДФ3
|
Токарный с ЧПУ
|
32/3890
|
133871399
|
Конус Морзе шпинделя №6 Ø отв. шпинделя 55мм
|
Максимальный Ø над станиной 500мм над суппортом 220 мм.
|
3550-2400
|
электрический, 22
|
12,5-2500
|
1-1600
|
|
020
|
3817531302 7Б66
|
Вертикально-протяжной
|
27/4015
|
48657541
|
|
Расстояние от салазок до
оси отверстия в столе 210
|
3866x1392x4555
|
электрический 30
|
--
|
1,5-13
|
|
030
|
3816211702 6Р82
|
Горизонтально-фрезерный
|
22/4015
|
370000000
|
Конус шпинделя по ГОСТ
30064-93 ISO 50
|
Длина 800 Ширина 320 Высота
370
|
2280 1965 1690
|
электрический 7,5
|
31,5-1600
|
12,5-1600
|
|
060
|
3812132603 2Н125
|
Вертикально-сверлильный
|
22/4015
|
50000000
|
Размеры конуса шпинделя по
СТ СЭВ 147-75 Морзе 3
|
Наибольший диаметр
сверления Ø25
|
915 785 2350
|
электрический 2,2
|
|
0,1-1,6
|
Таблица 2.8 - Выбор установочно-зажимных приспособлений
Приспособление
|
|
Код
|
Наименование
|
Тип привода
|
Техническая характеристика
|
Обозначение по стандарту
|
|
1
|
2
|
3
|
4
|
5
|
6
|
|
010 1П426ДФ3
|
392810хххх
|
3-х кулачковый
самоцентрирующийся патрон
|
электрический
|
Суммарная сила зажима
15000Н
|
-------
|
|
020 7Б66
|
39хххххххх
|
Адаптер
|
ручной
|
----
|
-----
|
|
030 6Р82
|
396140хххх
|
Приспособление фрезерное
|
ручной
|
-----
|
-----
|
|
060 2Н125
|
396100хххх
|
Приспособление станочное
|
ручной
|
-----
|
-----
|
Таблица 2.10 - Выбор вспомогательного инструмента
|
Номер операции и модель станка
|
Код и наименование
вспомогательного инструмента
|
Установка
|
Обозначение по стандарту
|
|
|
вспомогательного
инструмента на станке
|
режущего инструмента на
вспомогательном
|
|
|
|
способ
|
размеры посадочного
элемента
|
способ
|
размеры посадочного
элемента
|
|
|
1
|
2
|
3
|
4
|
5
|
6
|
7
|
|
010 1П426ДФ3
|
392849хххх Резцедержатель
|
РГ
|
По диаметру гнезда РГ
|
По размеру резцедержателя
|
Н×В=25×25
|
-----
|
|
020 7Б66
|
|
|
|
|
|
|
|
030 6Р82
|
392800хххх Втулка
|
В шпинделе станка
|
По конусу в шпинделе станка
|
По отверстию втулки
|
По хвостовику инструмента
|
----
|
|
060 2Н125
|
Втулка
|
В шпинделе станка
|
По конусу в шпинделе станка
|
По отверстию втулки
|
По конусу Морзе
|
----
|
Таблица 2.9 - Выбор режущего инструмента
|
Номер операции и модель
станка
|
Режущий инструмент
|
|
Код и наименование режущего
инструмента
|
Материал режущей части
|
Техническая характеристика
|
Обозначение по стандарту
|
Применяемая технологическая
смесь
|
|
1
|
2
|
3
|
4
|
5
|
6
|
|
010 1П426ДФ3
|
39 2191хххх Резец подрезной
392191хххх Резец расточной 392191хххх Резец проходной 392191хххх Резец
расточной
|
ВК8 ВК8 ВК6 ВК6
|
Н×В=25×25 Н×В=16×25 Н×В=25×25 Н×В=25×25
|
2100-0014 ГОСТ18878-92
|
-----
|
|
020
|
39 2331хххх
|
Р6М5
|
Ø38
|
--
|
эмульсия
|
|
7Б66
|
Протяжка
|
|
|
|
|
|
030 6Р82
|
39 1834хххх Фреза (2 шт)
|
ВК8
|
Ø110
|
---
|
-----
|
|
060 2Н125
|
39 1235 хххх Сверло
|
Р6М5
|
Ø7,8
|
2300-0194 ГОСТ 10902-77
|
------
|
Таблица 2.11 - Выбор измерительного инструмента
|
Номер операции и модель
станка
|
Код и наименование
инструмента
|
Диапазон измерения
инструмента
|
Точность измерения
инструмента
|
Допуск измеряемого размера
|
Обозначение по стандарту
|
|
1
|
2
|
3
|
4
|
5
|
6
|
|
010 1П426ДФ3
|
393111хххх Скоба h12
|
1-360
|
0.01
|
0.46
|
8113-0304 ГОСТ 18360-93
|
|
393312хххх Штангенциркуль
|
0-250
|
0,05
|
1.15
|
ШЦ-II-250-0,05
ГОСТ 166-89
|
|
393331хххх Глубиномер
|
0-160
|
0,05
|
0.52
|
ГМ-50-1 ГОСТ 7470-92
|
|
393312хххх Штангенциркуль
|
0-125
|
0,1
|
0.74
|
ШЦ-I-125-0,1 ГОСТ
166-89
|
|
393331хххх
Штангенглубиномер
|
0-160
|
0,05
|
1.3
|
ШГ-160-0,05 ГОСТ 162-90
|
|
393111хххх Скоба h10
|
1-360
|
0,01
|
0.12
|
8113-0142 ГОСТ 18360-93
|
|
393121хххх Пробка Н14
|
1-360
|
0,01
|
0.62
|
8133-0954 ГОСТ14010-69
|
|
020 7Б66
|
393121хххх Пробка Н8
|
1-360
|
0,01
|
0.039
|
8315-0416 ГОСТ24961-01
|
|
030 6Р82
|
393190хххх Калибр
|
1-360
|
0,01
|
0.112
|
8133-0042 МН2959-61
|
2.4
Разработка операционного технологического процесса
2.4.1
Определение режимов резания на проектируемые операции (переходы). Сводная
таблица режимов резания
Расчет режимов резания на 010 операцию.
Переход точить поверхность Ø201 h12.
Выбор режущего инструмента
Для обработки применяем токарный проходной резец с углом в плане 900 .
материал режущей части ВК8. Сечение державки Н×В=25×25.
Глубина резания
t=
(2.11)
Подача
РекомендуемаяSo=
0.25-0.7 мм/об
ПринятаяSo=
0,3мм/об
Стойкость
инструмента Т=60мин
Скорость
резания
, м/мин (2.12)
где
Сv =243, ,x = 0,15, y = 0,45 ,, m = 0,2 - показатели степени.
Кν=Кмν∙Кпν∙Кuν (2.13)
(2.14)
К
- коэффициент, учитывающий качество обрабатываемого
материала.
где
n=1,25;
Кпν = 1,0 - коэффициент, учитывающий состояние поверхности
заготовки.
Кuν = 1,0 - коэффициент, учитывающий материал режущего
инструмента.
Кν = 0,8
1,0
1,0 =0,8
Частота
вращения
, мин
мин
Корректируем
n = 200 мин
Действительная
скорость резания
, м/мин
м/мин
Сила
резания
Рz=10×Ср×tx×Sy×Vn×Kp, Н (2.15)
где
Ср=92
х=1,0=0,75=0p=Кmp×Kуп×Кфп×Кrp=1,1×0,89×1,0×1,0=0,97
Рz=10×92×2,551,0×0,30,75×1260×0,97=680Н
Мощность
резания
, кВт
(2.16)
кВт
Определяем
основное время
,
мин(2.17)
где
Lpx = lрез + y
+ Δ-длина рабочего ходарез - длина
резания
у
- величина врезания
Δ - величина перебега
у
= 2 мм
Δ = ctgφ = 1рх = 80 + 2 + 1 = 83мм
мин
Рисунок
3- Эскиз обработки
Расчет
режимов резания на 010 операцию.
Переход
расточить отверстие Ø182
1
Выбор режущего инструмента
Для
обработки применяем токарный расточной резец с углом в плане 900 .
материал режущей части ВК8. Сечение державки Н×В=16×25.
2
Глубина резания
=
Подача
РекомендуемаяSo=
0.25-0.7 мм/об
ПринятаяSo=
0,3мм/об
Стойкость
инструмента Т=60мин
Скорость
резания
, м/мин
где
Сv =243, x = 0,15, y = 0,45, m = 0,2 - показатели степени.
Кν=Кмν∙Кпν∙Кuν
К
- коэффициент, учитывающий качество обрабатываемого
материала.
где
n=1,25;
Кпν = 1,0 - коэффициент, учитывающий состояние поверхности
заготовки.
Кuν = 1,0 - коэффициент, учитывающий материал режущего
инструмента.
Кν = 0,8
1,0
1,0 =0,8
Частота
вращения
, мин
мин
Корректируем
n = 230 мин
Действительная
скорость резания
, м/мин
м/мин
Сила
резания
Рz=10×Ср×tx×Sy×Vn×Kp, Н
где
Ср=92
х=1,0=0,75=0p=Кmp×Kуп×Кфп×Кrp=1,1×0,89×1,0×1,0=0,97
Рz=10×92×2,51,0×0,30,75×1310×0,97=904Н
Мощность
резания
, кВт
кВт
9Определяем
основное время
×i, мин
где
Lpx = lрез + y
+ Δ-длина рабочего ходарез - длина
резания
у
- величина врезания
Δ - величина перебега= число проходов
у
= 2 мм
Δ = ctgφ = 1рх = 25 + 2 + 1 = 28мм
мин
Расчет режимов резания на 010 операцию.
Переход расточить отверстие Ø182
1 Выбор режущего инструмента
Для обработки применяем токарный расточной резец с углом в плане 900 .
материал режущей части ВК8. Сечение державки Н×В=16×25.
2 Глубина резания
Подача
РекомендуемаяSo= 0.25-0.7 мм/об
ПринятаяSo= 0,3мм/об
Стойкость инструмента Т=60мин
5Скорость
резания
, м/мин
где
Сv =243, x = 0,15, y = 0,45, m = 0,2 - показатели степени.
Кν=Кмν∙Кпν∙Кuν
К
- коэффициент, учитывающий качество обрабатываемого
материала.
где n=1,25;
Кпν = 1,0 - коэффициент, учитывающий состояние поверхности
заготовки.
Кuν = 1,0 - коэффициент, учитывающий материал режущего
инструмента.
Кν = 0,8
1,0
1,0 =0,8
5 Частота вращения
, мин
мин
Корректируем
n = 230 мин
Действительная
скорость резания
, м/мин
м/мин
7
Сила резания
Рz=10×Ср×tx×Sy×Vn×Kp, Н
где
Ср=92
х=1,0
y=0,75
n=0
Kp=Кmp×Kуп×Кфп×Кrp=1,1×0,89×1,0×1,0=0,97
Рz=10×92×2,51,0×0,30,75×1310×0,97=904Н
Мощность
резания
, кВт
кВт
Определяем
основное время
×i, мин
где
Lpx = lрез + y + Δ-длина рабочего хода
lрез - длина
резания
у
- величина врезания
Δ - величина перебега
I= число
проходов
у
= 2 мм
Δ = ctgφ = 1
Lрх = 25 + 2 + 1
= 28мм
мин
Таблица 2.12 - Сводная таблица режимов резания
|
Номер операции и модель
станка
|
Номер позиции, перехода.
Наименование установа, суппорта, перехода
|
Номер инструмента Т
|
D или В, мм
|
t, мм
|
lРЕЗ мм
|
LРХмм
|
i
|
Подача
|
n, мин-1
|
v, м мин
|
ТО, мин
|
|
|
|
|
|
|
|
|
SО, мм об
|
SМ, мм мин
|
|
|
|
|
1
|
2
|
3
|
4
|
5
|
6
|
7
|
8
|
9
|
10
|
11
|
12
|
13
|
Установ А 1 Подрезать торец
2
|
1
|
206,1
|
2,5
|
14,55
|
16,5
|
1
|
0,3
|
72
|
240
|
155
|
0,27
|
|
2 Расточить отверстие 14
|
2
|
177
|
2,5
|
25
|
28
|
2
|
0,3
|
66
|
218
|
131
|
0,8
|
|
3 Подрезать торец 13
|
2
|
60
|
1,5
|
15,8
|
18
|
1
|
0,3
|
72
|
240
|
70,2
|
0,3
|
|
Установ Б 4 Подрезать торец
3, подрезать торец 6.
|
1
|
206,1 60,41
|
2,5 1,5
|
14,55 3,2
|
16,5 5,2
|
1 1
|
0,3 0,22
|
72 59,4
|
240 270
|
155 68,4
|
0,27 0,08
|
|
5 Точить поверхность 1 с
образованием фаски 5, точить поверхность 15 с образованием фаски 7
|
3
|
201 55
|
2,55 2,7
|
80 23
|
83 25
|
2 2
|
0,3 0,15
|
60 60
|
200 400
|
126 75
|
1,3 0,125
|
|
6 Расточить отверстие 11 с
образованием 2-х фасок 12, расточить отверстие 9 с образованием фаски 8,
расточить отверстие 14'
|
4
|
38 40
|
1,8 1,5
|
63 23
|
65 25
|
2 2
|
0,25 0,25
|
75 75
|
300 300
|
52 52
|
0,86 0,3
|
|
|
|
177
|
2,5
|
25
|
28
|
1
|
0,3
|
66
|
218
|
131
|
0,8
|
|
∑
|
5,115
|
|
020 7Б66
|
1 Протянуть отверстие 11
|
1
|
38
|
1.8
|
1200
|
--
|
1
|
|
|
|
4
|
0,53
|
|
030 6Р82
|
1Фрезеровать набором фрез
последовательно 34 зуба
|
1
|
100
|
10
|
201
|
250
|
34
|
---
|
540
|
150
|
47,1
|
15,74
|
|
060
|
Сверлить отверстие
|
1
|
7,8
|
3,9
|
21
|
24
|
1
|
0,2
|
60
|
300
|
10
|
0,4
|
|
∑
|
21,78
|
|
|
|
|
|
|
|
|
|
|
|
|
|
|
|
|
Рисунок 4- Эскиз обработки
2.4.2
Нормирование проектируемой операции
Сводная
таблица норм времени
Таблица 2.13 - Описание обработки на проектируемой операции
|
Наименование переходов
технологических и машинных вспомогательных
|
Величина составляющих ТМВ,
мин
|
|
Подвести инструмент
|
0,03
|
|
Подрезать торец 2
|
|
|
Отвести инструмент
|
0,03
|
|
Заменить инструмент
|
0,1
|
|
Заменить подачу и частоту
вращения
|
0,06+0,06
|
|
Подвести инструмент
|
0,03
|
|
Расточить отверстие 14
|
|
|
Подрезать торец 13
|
|
|
Отвести инструмент
|
0,03
|
|
Заменить инструмент
|
0,1
|
|
Заменить подачу и частоту
вращения
|
0,06+0,06
|
|
Подвести инструмент
|
0,03
|
|
Подрезать торец 3,
подрезать торец 6.
|
|
|
Отвести инструмент
|
0,03
|
|
Заменить инструмент
|
0,1
|
|
Заменить подачу и частоту
вращения
|
0,06+0,06
|
|
Подвести инструмент
|
0,03
|
|
Точить поверхность 1 с
образованием фаски 5, точить поверхность 15 с образованием фаски 7
|
|
|
Отвести инструмент
|
0,03
|
|
Заменить инструмент
|
0,1
|
|
Заменить подачу и частоту
вращения
|
0,06+0,06
|
|
Подвести инструмент
|
0,03
|
|
Расточить отверстие 11 с
образованием фаски 12, расточить отверстие 9 с образованием фаски 8
|
|
|
Отвести инструмент
|
0,03
|
|
Заменить инструмент
|
0,1
|
|
Заменить подачу и частоту
вращения
|
0,06+0,06
|
|
Подвести инструмент
|
0,03
|
|
расточить отверстие 14'
|
|
|
Отвести инструмент
|
0,03
|
|
Возврат всех параметров в
исходное положение
|
0,06+0,06+0,03
|
|
Итого
|
1,71
|
Рисунок 5- Эскиз обработки
Машинное основное время
Тмо=5,115мин
Машинное вспомогательное время
Тмв=1,71мин
Время цикла автоматической работы станка
Тца=Тмо+Тмв, мин (2.18)
Тца= 5,115+1,71=6,825мин
Вспомогательное время
Тв=tус+tуп+tизм,
мин (2.19)
tус
=0,47 мин [ ОНВ карта 12, лист 2, поз. 19]
tуп1=0,04мин
[ОНВ, карта 14, поз. 6]
tуп2=
0,03мин [ОНВ, карта 14, поз. 4]
tуп=
0,04+0,03=0,07мин
tизм1=
0,07мин [ОНВ, карта 86 лист 4, поз.69]
tизм2=
0,1мин [ОНВ, карта 86 лист4, поз. 70]
tизм3=
0,16 мин[ОНВ, карта 86 лист 4, поз. 78]
tизм4=
0,09мин [ОНВ, карта 86, лист 2, поз. 17]
tизм5=
0,06мин [ОНВ, карта 86 лист 4 поз 68]
tизм6=
0,1 мин [ ОНВ, карта 86, лист 4 поз. 158]
tизм7=0,24
мин [ОНВ , карта 86 лист 4 поз. 65]
tизм=
0,07+0,1+0,16+0,09+0,06+0,1+0,24=0,81мин
Так как время на измерение перекрывается временем цикла автоматическим,
то в дальнейших расчетах его не учитывают.
Тв=0,47+0,07=0,54мин
Время оперативное
Топ= Тца+Тв (2.20)
Топ=6,852+0,54=7,392мин
Время на обслуживание рабочего места и отдых
αобс+αот14% [ОНВ карта16, поз.39]
Штучное время
(2.21)
Подготовительно-заключительное
время
Тпз=
Тпзорг+Тпз нал.
Тпзорг1=
2мин
Тпзорг2=
4мин
Тпзорг3
= 6мин
Тпзорг=12
мин
Тпзнал1=
7мин
Тпзнал2=
1мин
Тпзнал3
= 0,5мин
Тпзнал4=
0,8мин
Тпзнал=7+1+0,5+0,8=9,3
Тпз=12+9,3=21,3мин
Штучно-калькуляционное
время
(2.22)
Таблица 2.14 - Сводная таблица норм времени, мин
Номер операции и модель станка ТО (ТМО) ТВ
ТЦА ТОП
ОБС
%
ОТЛ
|
%ТШТТПЗnД,штТШТ-К
|
|
|
|
|
|
|
|
|
tус
|
tп (ТМВ)
|
tуп
|
tизм
|
|
|
|
|
|
|
|
|
|
1
|
2
|
3
|
4
|
5
|
6
|
7
|
8
|
9
|
10
|
11
|
12
|
13
|
14
|
|
010 1П426ДФ3
|
5,115
|
0,47
|
1,71
|
0,07
|
(0,81)
|
6,825
|
7,392
|
14
|
8,4
|
23,1
|
63
|
8,73
|
|
020 7Б66
|
0,53
|
0,23
|
0,07
|
-
|
0,12
|
--
|
0,35
|
8
|
0,38
|
14
|
63
|
0,6
|
|
030 6Р82
|
15,74
|
0,35
|
0,15
|
|
0,2
|
|
16,44
|
9
|
17,9
|
18
|
63
|
18,18
|
|
050 2Н125
|
0,4
|
0,2
|
0,12
|
|
0,05
|
|
0,25
|
10
|
0,25
|
12
|
63
|
0,45
|
. МЕРОПРИЯТИЯ ПО ЭНЕРГО-И РЕСУРСОСБЕРЕЖЕНИЮ
Анализируя состояние на мировом рынке энергоносителей явно прослеживается
тенденция резкого увеличения цен и объема потребления всех видов основных
топливо энергетических ресурсов ( газа, нефти и т.д.) Обеспечение народного
хозяйства энергоресурсами для Республики Беларусь, как не имеющей в достаточном
количестве собственных ресурсов, и их экономичное потребление является задачей
национальной безопасности. На это направлены Декрет Президента №3 и документы
разработанные правительством Республики Беларусь. В машиностроительном
комплексе основными потребителями энергоресурсов является металлургическое,
термообрабатывающее и гальваническое производство. Основными мерами энергосбережения
в данных производствах являются активное техперевооружение (приобретение и ввод
в эксплуатацию новейших энергосберегающих линий, машин и другого оборудования
), использование энергии альтернативных источников в т.ч. отходов собственного
производства, использование технологий, позволяющих уменьшить удельные нормы
топлива и сырья .
Однако и в металлообрабатывающем производстве используется значительное
количество энергоресурсов в первую очередь электроэнергии , идущей как для
непосредственной обработки на металлорежущих станках, так и для других
производственных целей: освещение, обогрев, вспомогательное оборудование и
механизмы, транспортирование деталей и стружки.
Основными мероприятиями для ресурсосбережения в данном производстве
является использование станков, механизмов и другого оборудования с минимально
возможной мощностью электродвигателей и установок с минимальной удельной нормой
потребления электроэнергии и других источников энергии . Так в нашем проекте
предложено заменить станок 3М152 имеющего мощность главного двигателя 10кВт на
станок 3М151с мощностью двигателя 8кВт .Кроме того в курсовом проекте экономия
энергоресурсов происходит за счет снижения трудоемкости обработки детали ( с
13,609 мин до 12,84мин) и за счет уменьшения массы заготовки( с 5,5 до 4,67кг.)
Экономия потребляемой электроэнергии составит:
Ээ
= 
= 
=
7,66кВт (3.1)
Следовательно, за год при обьеме выпуска N= 2500шт., экономия составит
Эгод = ЭэхN = 7,66×1600
= 12267,2кВт.
Таблица 6.1 - Сравнительная характеристика
|
Показатели
|
Варианты техпроцессов
обработки
|
|
базовый
|
проектный
|
|
1 Материал детали
|
СЧ20
|
СЧ20
|
|
2 Масса детали
|
4,5
|
4,5
|
|
3 Вид заготовки
|
Отливка
|
Отливка
|
|
4 Масса заготовки
|
6,3
|
5,9
|
|
5 Штучное или
штучно-калькуляционное время по операциям
|
№ операции
|
Модель станка
|
Стоимость станка, млн.руб
|
Мощ ность станка, ,кВт
|
Профессия
|
Разряд ра бот
|
ТШТ или ТШТ-К
|
№ операции
|
Модель станка
|
Стои мость Станка, млн.руб
|
Мощность станка, кВт
|
Профессия
|
Раз ряд ра бот
|
ТШТ или ТШТ-К
|
|
1
|
2
|
3
|
4
|
5
|
6
|
7
|
1
|
2
|
3
|
4
|
6
|
7
|
|
010
|
1К282
|
130
|
15
|
токорь
|
3
|
4,667
|
010
|
1П426ДФ3
|
134
|
22
|
оператор
|
5
|
8,4
|
|
020
|
7Б66
|
80
|
30
|
протяжник
|
3
|
0,817
|
020
|
7Б66
|
80
|
30
|
протяжник
|
5
|
0,38
|
|
030
|
6Р82
|
68
|
7,5
|
фрезеровщик
|
3
|
22,34
|
030
|
6Р82
|
63
|
7,5
|
фрезеровщик
|
5
|
0,6
|
|
050
|
3Т161
|
140
|
12
|
шлифовщик
|
4
|
2,132
|
060
|
2Н125
|
40
|
2,2
|
сверловщик
|
5
|
0,25
|
|
060
|
3Т161
|
140
|
12
|
шлифовщик
|
4
|
2,508
|
|
|
080
|
2Н125
|
40
|
7,5
|
сверловщик
|
3
|
3,826
|
|
|
Итого:
|
-
|
-
|
598
|
84
|
-
|
-
|
36,29
|
-
|
-
|
317
|
61,7
|
-
|
-
|
9,63
|
|
Средний процент загрузки
|
|
|
|
7 Численность
производственных рабочих 7.1 Расчетная 7.2 Принятая
|
|
|
|
Площадь участка
|
|
|
Руководитель курсового проекта: __________________
Заключение
В ходе работы над проектом был определён тип производства, дана его
характеристика, произведён анализ детали на технологичность, разработана
технология обработки детали с применением станков с ЧПУ; сделано обоснование
метода получения заготовки и выбора технологического оборудования; разработаны
комплект документов и чертежи детали.
Произведены следующие расчёты: режимов резания; норм времени.
Проанализировав заводской технологический процесс предлагаю в проектном
варианте процесса обработки детали предлагаю 010 операцию заменить на токарную
с ЧПУ на станке 1П426ДФ3, в целях оптимизации норм времени и совершенствования
режимов резания. Так как станок 1П426ДФ3 имеет достаточную точность и жесткость
то в проектном варианте операции 050 и 060 не применяются.
Сокращение количества производственного оборудования позволит уменьшить
количество производственных рабочих. В результате сократится фонд оплаты труд,
что позволит снизить себестоимость выпускаемой продукции и отпускную цену
реализации. Это привлечёт большее количество покупателей. Сокращение количества
оборудования позволит более рационально его использовать и сократить затраты на
его содержание; высвобожденную производственную площадь применять для других
производственных целей.
Считаю предложенный вариант экономически выгодным.
Литература
1
Аршинов В.А.,
Алексеев Г.А. Резание металлов и режущий инструмент. - М.: Машиностроение,
1976.
2
Белькевич Б.А.,
Тимашков В.Д. Справочное пособие технолога машиностроительного завода. - Мн.:
Беларусь, 1972.
3
Жданович В.В.
Оформление документов дипломных и курсовых проектов.-Мн.: УП «Технопринт»,
2002.
4
Горбацевич А.Ф.,
Шкред В.А. Курсовое проектирование по технологии машиностроения. - Мн.: ВШ,
1983.
5
Горбацевич А.Ф.,
Шкред В.А. Курсовое проектирование по технологии машиностроения. - Мн.: ВШ,
1975.
6
Данилевский В.В.
Технология машиностроения. - М.: ВШ, 1984.
7
Добрыднев И.С.
Курсовое проектирование по предмету: «Технология машиностроения». - М.:
Машиностроение, 1985.
8
Допуски и
посадки. Справочник в 2-х т. Под.ред. В.Д. Мягкова. - Л.: Машиностроение, 1983.
9
Егоров М.Е., Дементьев
В.И., Дмитриев В.Л. Технология машиностроения. - М.: ВШ, 1976.
10
Нефедов Н.А.,
Осипов К.А Сборник задач и примеров по резанию и режущему инструменту. - М.:
Машиностроение, 1990.
11
Общемашиностроительные
нормативы времени вспомогательного, на обслуживание рабочего места и
подготовительно-заключительного для технического нормирования. Мелкосерийное
производство. - М.: Машиностроение, 1974.
12
Общемашиностроительные
нормативы режимов резания для технического нормирования работы на
металлорежущих станках. В 2-х частях. - М.: Машиностроение, 1974.
13
Справочник
технолога-машиностроителя в 2-х т. / Под ред. А.Г.Косиловой. - М.:
Машиностроение, 1986.
14
Технология
машиностроения: Методические рекомендации по выполнению дипломных проектов для
средних специальных учебных заведений. Специальность Т03.01.00
"Технология, оборудование и автоматизация машиностроения" / М.В.
Крейцер, С.А. Миланович, В.М. Орловский и др. - Мн.: РИПО, 2001. - 42 с.
Технические нормативные правовые акты
ГОСТ 2.104-68 ЕСКД «Основные надписи»
ГОСТ 3.1105-84 «Формы и правила оформления карт эскизов»
ГОСТ 3.1118-82 «Формы и правила оформления маршрутных карт»;
ГОСТ 3.1125-88 ЕСТД «Правила графического выполнения
элементов литейных форм и отливок»
ГОСТ 3.1128-93 «Общие правила выполнения графических
технологических документов»;
ГОСТ 3.1702-79 «Правила записи операций и переходов.
Обработка резанием»;
ГОСТ 21495-76 «Базирование и базы в машиностроении. Термины и
определения»
ГОСТ 26645-85 «Отливки из металлов и сплавов. Допуски
размеров, массы и припуски на механическую обработку»
Классификатор технологических операций машиностроения и
приборостроения: 1 85 151. М.: Издательство стандартов, 1987