CAP положения в аналитических весах
Исходные данные
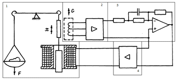
Рис. 1 - Принципиальная схема
Таблица 1
|
Параметры
|
Значение
параметров САР по вариантам
|
|
|
1
|
2
|
3
|
4
|
5
|
6
|
7
|
8
|
9
|
10
|
|
Ки
|
В/м
|
1
|
1,5
|
1,5
|
1,2
|
0,8
|
1,45
|
2
|
1,25
|
0,8
|
1,25
|
|
К1
|
|
2,5
|
2
|
4
|
1,5
|
1,25
|
2,2
|
1
|
1,6
|
2
|
4
|
|
Т1
|
с
|
0,925
|
1,2
|
1,1
|
0,55
|
0,487
|
1,21
|
0,645
|
0,75
|
1,05
|
1,32
|
|
Т2
|
с
|
0,132
|
0,144
|
0,093
|
0,112
|
0,12
|
0,174
|
0,186
|
0,08
|
0,083
|
0,06
|
|
Кэу
|
А/В
|
80
|
107
|
50
|
65
|
100
|
56
|
40
|
90
|
40
|
|
Кс
|
Н/А
|
20
|
12,5
|
24
|
18
|
25
|
16
|
20
|
25
|
17,5
|
15,5
|
|
Тс
|
c
|
0,068
|
0,063
|
0,05
|
0,047
|
0,049
|
0,076
|
0,07
|
0,04
|
0,032
|
0,025
|
|
К0
|
М/Н
|
0,04
|
0,025
|
0,01
|
0,03
|
0,02
|
0,035
|
0,05
|
0,04
|
0,05
|
0,03
|
|
Т01
|
с
|
1,5
|
2,7
|
0,43
|
2,8
|
0,77
|
2
|
3
|
2
|
1,5
|
1,8
|
|
Т202
|
с2
|
15
|
29
|
4,6
|
10
|
6,6
|
20
|
36
|
13
|
25
|
7,84
|
|
К
|
|
160
|
100
|
72
|
63
|
90
|
112
|
80
|
126
|
93
|
|
Fн
|
Н
|
5
|
2
|
3
|
14
|
15
|
20
|
6
|
7
|
8
|
11
|
Введение
Теория автоматического управления (ТАУ) - это
дисциплина, изучающая процессы автоматического управления объектами разной
физической природы. При этом при помощи математических средств выявляются
свойства систем автоматического управления и разрабатываются рекомендации по их
проектированию. В технике, управление - это процесс воздействия на объект, с
целью обеспечения требуемого протекания технологических процессов в объекте
регулирования (ОУ).
В ТАУ управление осуществляют спроектированные
согласно определённому закону технические системы автоматического управления
или регулирования (САУ или САР). По характеру использования информации САР
делятся на замкнутые и разомкнутые. Замкнутые системы (системы регулирования по
отклонению) используют рабочую текущую информацию о выходных величинах, определяя
отклонение регулирования величины от ее заданного значения, и принимает меры к
уменьшению и устранению этого отклонения. Иными словами, САР направлена на
поддержание постоянного значения выходной величины.
Целью курсового проекта является изучение общих
принципов постарения систем автоматического управления. Изучение принципов
постарения и исследования САУ в курсовой работе проводиться на основе
рассмотрения САР положения в аналитических весах. Важную роль здесь играет
понятие автоматического регулирования. Автоматическим регулированием называют
поддержание на определенном уровне или изменение по определенному, заранее
заданному закону некоторых переменных характеристик (регулируемых величин) в
различных устройствах без участия человека с помощью специальных средств.
Составление функциональной и
структурной схемы по заданной принципиальной схеме САР
По заданной принципиальной схеме САР составить
функциональную и структурную схему.
Для построения функциональной схемы САР,
согласно принципу декомпозиции, необходимо разбить САР на функциональные блоки
(см. рис. 2).
Рис. 2 - Принципиальная схема
Составные части схемы:
АВ - аналитические весы;
ИУ - измерительное устройство;
АКЗ - активно корректирующее звено;
ЭУ - электронный усилитель;
Исходя из принципиальной схемы, представленной
на рис.1 составим функциональную схему, она представлена на рис.2:
Рис. 3 - Функциональная схема САР
Для получения структурной схемы САР необходимо
записать передаточные функции всех используемых элементов САР (см. таблицу 1) в
виде:
Где: Q(p) - выходная величина. (p) -
входное воздействие
Таблица 1 - Элементы САР
|
НАИМЕНОВАНИЕ
И СХЕМА УСТРОЙСТВА
|
Уравнение
устройства
|
|
Аналитические
весы
|
(TСp+1)(T202
p2+T01 p+1)Dx(t) = = KCK0DU(t)+K0(TСp+1)DF(t),
x
- положение подвижной системы; U - напряжение на соленоиде; F - измеряемое
усилие; KC - коэффициент передачи соленоида; K0 - коэффициент передачи
подвижной системы; TC - постоянная времени соленоида; T01, T02 - постоянные
времени подвижной системы.
|
|
Измерительное
устройство
|
DU
(t) = KИ[Dx(t) - DG(t)], G -
перемещение корпуса устройства (задающее воздействие); x - перемещение
подвижной части устройства (измеряемая величина); U - напряжение на выходе
устр-ва; KИ - коэффициент передачи устр-ва.
|
Активное
корректирующее звено
(Т2р+1)DU2(t) = - (Т1р+k1)DU1(t), где
;
;
|
.
|
|
|
Электронный
усилитель (ЭУ)
|
DU2(t)
= KУDU1(t),
напряжение на выходе ЭУ; напряжение на входе ЭУ; коэффициент усиления.
|
Передаточные функции звеньев САР и их
структурные схемы представлены в таблице 2.
Таблица 2 - Передаточные функции звеньев САР
|
Звено
|
Схема
звена
|
Передаточная
функция
|
Аналитические
весы 
|
|
|
|
|
Измерительное
устройство
|

|
|
|
Активно
корректирующее звено
|

|
|
Электронный
усилитель 
Составляем структурную схему (см. рис.3):
Рис. 4 - Структурная схема САР
Описание процесса регулирования
заданной системы
В заданной САР объектом регулирования являются
аналитические весы, а все остальные элементы образуют управляющее устройство.
Рассматриваемая нами система автоматического регулирования состоит из следующих
элементов: измерительное устройство (ИУ), активно корректирующее звено (АКЗ),
аналитические весы (АВ), электронный усилитель (ЭУ). Задающим воздействием
является перемещение корпуса устройства (которое в свою очередь изменяет
напряжение на входе системы). Выходной величиной является положение подвижной
системы.
Измерив, положение подвижной системы ИУ
формирует сигнал (напряжение на выходе ИУ) и посылает его на АКЗ. Затем сигнал
поступает на электронный усилитель. Далее усиленный сигнал поступает на
соленоид. Который в свою очередь перемещает подвижную систему в состояние
равновесия.
Найти передаточные функции САР по задающему и
возмущающему воздействиям
При получении передаточной функции по задающему
воздействию замкнутой САР возмущающее воздействие полагается равным нулю (z=0).
=



=
=
Записать дифференциальное уравнение
системы.
Выходной сигнал САР
можно
определить через задающее и возмущающее воздействия следующим образом:
, где g(p) - задающее воздействие;
z(p) - возмущающее воздействие.
(
)
= (
)*g(p) +(
)*z(p)
Произведем замену p на 
(
)
= (
)*g(p) +(
)*z(p)
Проверить систему на устойчивость по
корням, по критериям Михайлова и Найквиста.
Основной характеристикой системы
является её устойчивость. САУ устойчиво если на ограниченное входное
воздействие система формирует ограниченный выходной сигнал. Если после
устранения воздействия система возвращается в исходное состояние, то она так же
является устойчивой.
Корневой метод:
Используя встроенную функцию pole()
в MatLab посчитаем корни знаменателя передаточной функции по задающему
воздействию:
>>
Wg=tf([59.2 160],[0.14 3.01 15.31 60.9 161])function:
.2 p + 160
----------------------------------------------
.14 p^4 + 3.01 p^3 + 15.31
p^2 + 60.9 p + 161
>> pole(Wg)=
-16.1139
.6350 + 4.1153i
.6350 - 4.1153i
.1160
Так как все корни
характеристического уравнения находятся в левой полуплоскости, то система
является асимптотически устойчивой.
Критерий Михайлова
Замкнутая САУ устойчива, если
годограф Михайлова начинается на действительной положительной оси и проходит
против часовой стрелки n-квадрантов, где n-порядок системы.
Годограф Михайлова строится по
передаточной функции замкнутой системы.
Запишем знаменатель передаточной
функции
замкнутой
системы:


Произведём замену
:


Разобьём частотную характеристику на
действительную и мнимую части:
Используя встроенную функцию plot()
в MatLab построим годограф Михайлова и определим устойчивость системы:
>>
w=0:0.01:10
>>
p=0.14*w.^4-15.31*w.^2+161
>>
q=-3.01*w.^3+60.9*w
>>
plot(p,q)
>> grid
Исходя из вида годографа Михайлова
(рис.4.) видно, что система устойчива. Так как годограф начинается на
действительной положительной оси и проходит против часовой стрелки
n-квадрантов, где n-порядок системы. В данном случае n=4.
Рис. 5 - Годограф Михайлова
Критерий Найквиста
Замкнутая система устойчива, если
годограф Найквиста устойчивой разомкнутой системы не охватывает точку с
координатами (-1;j0).
Запишем передаточную функцию
разомкнутой системы:
Построим АФЧХ разомкнутой системы.
Используя встроенную функцию nyquist() в MatLab построим годограф Найквиста и
определим устойчивость системы:
Рис. 6 - Годограф Найквиста
Так как на рисунке 5 не видно точки
с координатой (-1; j0) и нельзя оценить устойчивость системы. Для того что бы
оценить устойчивость приблизим годограф так чтобы было видно точку с
координатой (-1; j0).
Рис. 7 - Годограф Найквиста
Так как годограф Найквиста (рис.6)
разомкнутой системы не охватывает точку с координатой (-1; j0). Следовательно,
замкнутая система является устойчивой.
Определить время регулирования,
перерегулирование по корням характеристического уравнения.
Быстродействие системы
характеризуется длительностью переходного процесса tp. Время регулирования tp
определяется как интервал времени от начала переходного процесса до последнего
входа в 
- зону.

- отклонение от установившегося
значения. Как правило оно принимается равным от 2 до 5%.
Для повышения точности примем 
=2%.
Склонность системы к колебаниям
характеризуется максимальным значением регулируемой величины ymax или так
называемым перерегулированием
,%, которое определяется по формуле:
, где
- установившееся значение
регулируемой величины.
Для определения времени
регулирования и перерегулирования по корням воспользуемся следующими формулами:
где 
- степень устойчивости (минимальное
расстояние между корнями характеристического уравнения и мнимой осью), 
- дельта-зона (2%),
µ - колебательность системы,
представляющая собой модуль минимального отношения действительной части к
мнимой части корня характеристического уравнения по всем корням
характеристического уравнения.
Запишем корни характеристического
уравнения:
>> Wg=tf([59.2
160],[0.14 3.01 15.31 60.9 161])
Transfer
function:
.2 p + 160
---------------------------------------------
.14 p^4 +
3.01 p^3 + 15.31 p^2 + 60.9 p + 161
.1139
.6350 +
4.1153i
.6350 -
4.1153i
.1160
%
Построить область устойчивости в
плоскости одного параметра.
Область устойчивости в плоскости
одного параметра можно определить с помощью метода D-разбиения. Область
устойчивости находится по передаточной функции замкнутой системы:
Где,
N(p)-Фрагмент полинома без
варьируемого пареметра
(p)- фрагмент полинома с варьируемым
параметром
- варьируемый параметр
Примем Т01 за варьируемый параметр V
и перепишем знаменатель передаточной функции замкнутой системы по задающему
воздействию Wg, заменив р на jω:
=


>>
w=-1:0.001:1
>>
R=-0.0338*w.^4+0.3037*w.^2-0.0013
>> I=
-0.2937*w+0.2086*w.^3
>>
plot(R,I)
>> grid
Рис. 8 - Область устойчивости в
плоскости одного параметра
Определить запасы устойчивости,
колебательность САР.
Для корректной работы САУ
необходимо, чтобы она обладала запасами устойчивости по фазе и амплитуде.
Запасы устойчивости САР можно
определить по ЛАЧХ и ЛФЧХ разомкнутой системы.
Замкнутая САУ устойчива, если ЛФЧХ
разомкнутой системы на частоте среза
проходит выше -1800.
Построим ЛАЧХ и ЛФЧХ разомкнутой
системы, используя функцию margin в MatLab.
>>
Wg=tf([59.2 160],[0.14 3.01 15.31 1.8 1])function:
.2 s + 160
------------------------------------------
.14 s^4 +
3.01 s^3 + 15.31 s^2 + 1.8 s + 1
>>
margin(Wg)
Рис. 9 - ЛАЧХ и ЛФЧХ
Как видно из рис.8 запас по фазе
составляет
, а запас по
амплитуде
Для определения показателя
колебательности M нужно использовать передаточную функцию замкнутой системы.
Тогда
, где ωр -
резонансная частота
Рис. 10
Рис. 11 - ЛАЧХ замкнутой системы по
задающему воздействию
Построить переходные характеристики
при нулевых и ненулевых начальных условиях. Определить показатели качества
переходного процесса: время регулирования, перерегулирование, длительность
фронта, характер ПП.
Построим переходную характеристику
при нулевых начальных условиях при помощи команды step(), в качестве параметра
будет выступать передаточная функция замкнутой САР по заданию.
Рис. 12 - Переходная характеристика
с нулевыми начальными условиями
Определим показатели качества
переходного процесса:
установившееся значение: 2,48
перерегулирование:
показывает относительный
максимальный выброс от установившегося значения
время регулирования:
- интервал
времени от начала переходного процесса до последнего входа кривой переходной
характеристики в Δ-зону
длительность фронта:
-
показывает, как быстро меняется сигнал.
характер переходного процесса:
Колебательно сходящийся.
Построим переходную характеристику,
реализовав модель САР (рис. 13) в Simulink:
Рис. 13 - Модель реализации САР в
Simulink
Рис. 14 - Переходная характеристика
модели САР реализованной в Simulink
Сравнив две переходные характеристики,
построенные в MatLab (рис.12) и Simulink (рис.14) мы увидим, что показатели
качества этих графиков одинаковы, а это указывает на правильность наших
расчетов.
Принять характеристику усилительного
элемента нелинейной.
Взамен коэффициента внешней обратной
связи ки2 примем нелинейный элемент идеальное 2-х ходовое реле.
Рис. 15 - Характеристика нелинейного
элемента с насыщением
Составить структурную схему
нелинейной системы, получить передаточную функцию линейной части системы.
Заменим усилительный элемент Ку2
нелинейным элементом.
Составим структурную схему
нелинейной системы:
Рис. 16 - Структурная схема НСАР
Заменим всю линейную часть одним
блоком WЛЧ(s):
Рис. 17 - Структурная схема НСАР
Получим передаточную функцию
линейной части системы:
Получим эту же передаточную функцию
с помощью MatLab:
*w2*w3*w4*w6
function:
.366 s +
3.22
---------------------------------------------------------
.94 s^4 +
159.8 s^3 + 232.6 s^2 + 34.05 s + 1
Методом гармонической линеаризации
исследовать НСАР. При отсутствии периодических режимов изменить параметры НЭ
или коэффициент передачи РС линейной части. Проверить систему на устойчивость.
Метод гармонической линеаризации -
это приближённый метод, который позволяет заменить нелинейный оператор на
линейный, используя ряд Фурье. Этот метод даёт возможность оценить устойчивость
нелинейных систем, определить амплитуду и частоту автоколебаний.
При применении метода гармонической
линеаризации предполагается, что в системе существуют автоколебания, а
передаточная функция линейной части является фильтром низких частот.
Найдем частоту и амплитуду
автоколебаний, используя критерий Михайлова.
Запишем характеристическое уравнение
линеаризованной системы:
Wл.ч.
= 
(s) = A(s) + B(s)
q(a)(s) =
25,94s4+159,8s3+232,6s2+34,05s+1+(5,37s+3,22)q(a);
Произведя замену
s на
jw получим:
(jw) =
25,94w4 - j159,8 w3 - 232,6w2 + j34,5w+1 + j5,37wq(a) + 3,22q(a);
Выделим действительную и мнимую
части и приравняем их к 0:
Выразим из первого уравнения q(a):
(a) = -8,05w4 + 72,3w2-0,31
Подставим найденное значение во 2-е
уравнение:
,8w3 + 35,4w + 5,37w(-8,05w4 +
72,3w2-0,31) = 0
Упрощая данное выражение получим
биквадратное уравнение:
,23w4 + 228,45w2 +33,74 = 0;
Произведя замену w2 на х решим
данное уравнение:
х1 = -0,14; х2 = 5,43
Так как необходимы только
действительные и положительные значения w первый корень отбрасываем. В итоге
получим:
= 2,33 c-1
Зная w найдем q(a)
(a) = -8,05w4 + 72,3w2-0,31(a) =
154,94
так как q(a) =
а = 0,28
Графическая проверка данного
решения:
Рис. 18
Рис. 19 - График пересечения 2-ч
кривых
Из графика видно, что точка
пересечения этих кривых имеет координаты (0,32; 159,94) значит найденное
решение верное.
Проверим систему на устойчивость по
критерию Михайлова.
Примем приращение амплитуды: Δа = 0,02
Тогда коэффициенты гармонической
линеаризации равны:
Построим годографы Михайлова с
помощью библиотеки Control System Toolbox:
>>w=0:0.01:5
>>q=154,94
>>X=25.94*w.^4-232.6*w.^2+1+3.22*q
>>Y=-159.8*w.^3+34.5*w+5.37*w*q
>>q1=151.6
>>X1=25.94*w.^4-232.6*w.^2+1+3.22*q1
>>Y1=-159.8*w.^3+34.5*w+5.37*w*q1
>>q2=174.9
>>X2=25.94*w.^4-232.6*w.^2+1+3.22*q2
>>Y2=-159.8*w.^3+34.5*w+5.37*w*q2
>>grid
- плюсики +
- звёздочки *
Рис. 20 - Годографы Михайлова при
положительном и отрицательном приращении амплитуды автоколебаний
Рис. 21 - Годографы Михайлова при
положительном и отрицательном приращении амплитуды автоколебаний
Рис. 22 - Годографы Михайлова при
положительном и отрицательном приращении амплитуды автоколебаний
Система устойчива в “большом” т.к.
при положительном приращении амплитуды годограф Михайлова проходит левее
исходной АФЧХ, а при отрицательном приращении правее.
Записать ПФ ДСАР.
Реализуем математическую модель
ДСАР. Для перехода от непрерывной модели к дискретной воспользуемся функцией
С2D из библиотеки Control System Toolbox.
Определим период квантования по
теореме Котельникова; с этой целью построим амплитудно-частотную характеристику
передаточной функции замкнутой системы по задающему воздействию:
Рис. 23 - АЧХ передаточной функции
замкнутой системы по задающему воздействию
Период квантования находим из
теоремы Котельникова по формуле:
Рис. 24
= 2.724 c-1
Тогда по теореме Котельникова период
квантования:≤ 1.153 c
Примем период квантования:
T = 0.1 c
>> wd=c2d(Wu,0.1,'zoh')
Transfer
function:
.002686 z^3
+ 0.006849 z^2 - 0.006798 z - 0.001916
--------------------------------------------------^4
- 3.47 z^3 + 4.487 z^2 - 2.557 z + 0.5401time: 0.1
Построить ПП, ЛАЧХ, ЛФЧХ и АФЧХ
ДСАР.
Рис. 25 - Переходная характеристика
ДСАР при T = 0.1 c
Показатели качества почти аналогичны
характеристикам непрерывной модели:
установившееся значение: 2,48
перерегулирование:
время регулирования:
длительность фронта:
запасы устойчивости ДСар
>> wdraz=c2d(Wraz,0.1,'zoh')
Transfer
function:
.001074 z^3
+ 0.002739 z^2 - 0.002719 z - 0.0007663
---------------------------------------------------^4
- 3.473 z^3 + 4.487 z^2 - 2.554 z + 0.5401time: 0.1
bode(wdraz)
Рис. 26 - ЛАЧХ и ЛФЧХ ДСАР
Запас по фазе
, а запас по
амплитуде
Построим годограф Найквиста
ДСАР.(wdraz)
Рис. 27 - АФЧХ ДСАР
Увеличим данное изображение в
окрестности точки (-1; j0)
Рис. 28 - АФЧХ ДСАР
Как видно годограф не охватывает
точку (-1; j0), что свидетельствует об устойчивости системы.
Заключение
В ходе выполнения курсовой работы
были закреплены теоретические знания, полученные в ходе изучения курса «Теория
автоматического управления».
В данной курсовой работе были
рассмотрены математические модели линейной, нелинейной и дискретной систем
автоматического управления, которые были составлены по принципиальной схеме
«CAP температуры в теплообменнике».
Был описан процесс регулирования
САР. Произведен анализ САР на устойчивость.
По заданной принципиальной схеме САР
была составлена функциональная и структурная схемы, с использованием которых
были найдены передаточные функции САР по задающему и управляющему воздействиям.
Дальнейший анализ линейной системы был основан на исследовании передаточной
функции.
По полученным из передаточной
функции переходной характеристике были найдены показатели качества
регулирования и характер процесса. По трем критериям была проведена проверка на
устойчивость.
Далее был проведен переход к
нелинейной модели САР. Передаточная функция усилительного элемента была
заменена характеристикой усилителя с насыщением. При исследовании НСАР методом
гармонической линеаризации оказалось, что в системе при заданных параметрах
возможны автоколебания.
Список использованной литературы
устойчивость михайлов
нелинейный система
1.
Анализ линейных систем автоматического управления. Конспект лекций по
дисциплине «Теория автоматического управления». / Сост.: Д.В. Тараканов. -
Сургут: Издательство СурГУ, 2008.
.
Кориков А.М. Основы теории управления: Учебное пособие. 2-е изд. - Томск:
Изд-во НТЛ, 2002. -392 с.
.
Теория систем автоматического регулирования. Бесекерский. - Москва: Издательство
«Наука», 1972.
.
Теория автоматического управления/ С.Е. Душин [и др.]. - М.: Высш. Шк., 2005. -
567 с.
.
www.wikipedia.ru - Электронная энциклопедия