|
Резьба
|
ОМ
|
Твердость ОМ
|
Размеры
резьбового отверстия
|
|
|
|
l1
|
l3
|
l4
|
L1
|
c1
|
|
М6 кл. 3
|
М1
|
-
|
4
|
-
|
-
|
-
|
0,7
|
Тип станка - агрегатный;
Производство детали - крупносерийное;
Производство инструмента - мелкосерийное.
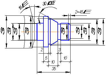
Рисунок
1 - Эскиз обрабатываемого отверстия
1.2
Обоснование выбора конструкции метчика
Выбираем метчик с прямыми стружечными канавками, которые
делаются с целью упрощения. Метчики рекомендуется применять при нарезании
резьбы в неглубоких сквозных отверстиях (l £ 1,5d), в деталях из цветных
металлов.
Обратная конусность калибрующей части метчиков принимается в
пределах:
,08…0,1 мм на 100 мм длины.
Рисунок 2 - Метчик с прямыми стружечными канавками
1.3
Выбор ИРМ метчика
Так как резьба нарезается в М1, для изготовления рабочей
части метчика принимаем ИРМ Р6М5.
1.4 Выбор конструктивных и геометрических
параметров проектируемого метчика
Выбор числа зубьев метчика
Число зубьев метчика выбираем в зависимости от
обрабатываемого материала и диаметра нарезаемой резьбы z = 3.
Выбор формы и размеров канавки метчика
Форма канавки должна отвечать следующим требованиям:
1) обеспечивать свободное размещение стружки, образующейся
при нарезании;
2) содействовать легкому отводу стружки;
) не допускать налипания и спрессовывания стружки в
канавке.
Принимаем конструктивные размеры стружечной канавки метчика
(рисунок 3).
Рисунок 3 - Форма зуба и стружечной канавки.
Диаметр сердцевины
Ширина пера
.
Угол наклона стружечной канавки
.
Длина стружечной канавки
мм,
где l3 - длина рабочей части метчика.
l3 = 18 мм
в зависимости от диаметра метчика и шага резьбы Р = 1 мм
r = 2,18 мм; r1 = 1,08 мм
Определение длины заборной части l2 и угла в плане φ
метчика
Основными факторами, влияющими на длину заборной части, являются:
1) величина сбега резьбы (длина резьбы, имеющая неполный
профиль);
2) допустимая толщина среза а.
Угол заборной части (угол в плане):
; j=19°,
где dT - диаметр переднего торца метчика, мм;
- диаметр сверла
мм.
Рекомендуемая толщина 0,016…0,045 мм, предельная 0,06 мм.
Подсчитанная толщина среза не превышает предельного значения.
Определение длины калибрующей части l1 и обратной конусности
Длина калибрующей части:
где l3 - длина рабочей части, мм;
l3 = 18 мм
Для уменьшения трения калибрующая часть должна иметь обратную
конусность во всему профилю резьбы 0,08… 0,1 мм на 100 мм длины.
Определение размеров
хвостовика
Размеры хвостовика принимаем по [3, с. 22,
табл. 10], хвостовик примем исполнения 2 для быстросменных патронов.
Рисунок 4 - Основные конструктивные размеры хвостовика
проектируемого метчика
S = 5,00 мм; h = 8 мм; d1 = 6,30 мм; e = 6,85 мм; l2 = 7 мм; d2 = 5,5 мм; R = 4,5 мм.
Предельные отклонения на квадрат хвостовика:
Определение общей длины метчика
, мм
где lизд - длина нарезаемого изделия;
l7 от 1 до
3Р l7 = 1,5 мм;
l0 -
расстояние от вспомогательного инструмента до изделия, которое принимается с
учётом обеспечения свободного выхода стружки в пределах 10 мм;
l6 - длина
вхождения метчика во вспомогательный инструмент:
, мм
Примем длину метчика согласно ГОСТ 3266-71:
[3, стр. 24].
Выбор переднего угла γ, заднего угла a, величины затылования К
Передний угол γ выбираем в зависимости от обрабатываемого материала по
табл. 13 [3, стр. 26]
Величина заднего угла a зависит от назначения метчика и ОМ, угол a создаётся путём затылования. Величину a выбираем
Величина затылования на заборной части
Назначение точности метчика
Степень точности метчика выбираем в
зависимости от точности нарезаемой резьбы, вида посадки и физико-механических
свойств ОМ. Принимаем степень точности метчика 6Н.
Определение размеров профиля резьбы метчика
К размерам профиля резьбы метчика относятся размеры наружного
d, среднего d2, и внутреннего d1 диаметров, а так же шаг
Р и угол профиля e с указанием точности их изготовления.
Рисунок 5 - Исполнительные размеры проектируемого метчика
Шаг резьбы Р = 1±0,012 мм
Диаметр проволоки dпр = 0,572 мм
Размеры диаметров метрической резьбы по ГОСТ 24705:
- наружный диаметр
мм;
внутренний диаметр
мм;
средний диаметр
мм;
угол профиля резьбы e = 600;
теоретическая высота профиля резьбы Н = 0,855Р = 0,855
мм;
рабочая высота профиля резьбы Н1 = 0,541Р =
0,541 мм;
.5 Технические условия на изготовление метчика
Метчик сварной: материал реж. части - Р6М5; хвостовика -
сталь 40Х.
- Твёрдость рабочей части 62…65 HRC;
- Твёрдость хвостовика 35…45 HRC;
Параметры шероховатости поверхностей метчика по ГОСТ
2789-73 профиля резьбы, передней и задней поверхностей режущей части Rz 3.2, хвостовика в
посадочной части Rа 1.6, стружечных канавок Rz 12.5, остальных
поверхностей Rz 25;
Допуск радиального биения относительно центровых
отверстий:
Ø режущей части по
наружному диаметру 0.03 мм;
Ø калибрующей части по
наружному и среднему диаметру 0.02 мм;
Ø хвостовика 0.02 мм
- Предельные отклонения углов не должны превышать:
Ø переднего угла γ - ±20;
Ø заднего угла на заборном
конусе ά - ±10.
Остальные технические требования по ГОСТ 3449
2. Проектирование круглого фасонного резца
Фасонные резцы широко применяются в серийном, крупносерийном
и массовом производстве при обработке фасонных деталей на автоматах,
полуавтоматах и других станках. Данные инструменты обеспечивают высокую
производительность, точность формы, размеров и шероховатость поверхности обрабатываемых
деталей. Технологические возможности фасонного точения - достигаемая точность
обработки IT8-IT12, шероховатость обработанной поверхности Ra=0,63…2,5 мкм. Большое
число переточек обусловило широкое применение фасонных резцов в
машиностроительном производстве.
При проектировании фасонных резцов выбираются
инструментальный материал и конструкция резца, геометрические и конструктивные
параметры, от которых зависят производительность и точность обработки,
стойкость и экономическая эффективность операции фасонного точения.
Исходные данные
Рисунок 1.1 - Чертеж детали
- материал детали Сталь 40;
- модель станка - 1136.
2.1 Анализ исходных данных
Назначение допусков
Рабочий чертеж детали имеет различную простановку размеров,
их нужно пересчитать из цепной в координатную. На чертеже детали не все размеры
указаны с отклонениями, а имеются свободные размеры, на них необходимо
назначить допуски. Согласно СТ СЭВ 144-75 для диаметральных размеров отклонения
приняты по 12 квалитету со знаком «-», для линейных размеров ±IТ14/2.
Перевод полей допусков в симметричную форму
Для диаметральных размеров:
;
;
;
;
;
;
;
.
Из линейных размеров 2 мм и 8 мм образуем размерную цепь. В цепи
принимаем 8 мм - размер замыкающий; А1 = 10 мм - размер увеличивающий; А2 = 2
мм - размер уменьшающий. Требуется определить размер А1 и допускаемые
отклонения:
Рисунок 1.2
2.3 Выбор марки инструментального режущего материала
В соответствии с исходными данными и рекомендациями принимаем
сталь марки Р6М5. Данная сталь применяется для изготовления различных
инструментов, предназначенных для обработки конструкционных сталей на
повышенных режимах резания, а также нержавеющих сталей и жаропрочных сплавов.
2.4 Габаритные и присоединительные размеры
Габаритные и присоединительные размеры фасонных резцов
рекомендуется выбирать в зависимости от максимальной глубины профиля
обрабатываемой детали (см. таблица 1.1) tmax = 8,465 мм.
Ширина резца
Размеры резца выбираем по [1, с. 133, табл. 3.50]:
Рисунок 1.3 - Основные размеры круглых
фасонных резцов
|
, мм   Kr
|
|
|
|
|
|
|
|
|
|
8,5
|
75
|
22
|
34
|
15
|
4
|
2
|
42
|
5
|
Размеры
и
выбираются в следующих пределах:
;
=0,25*44=11 мм;
=44-11=33 мм;
=0,25*33=8,25 мм.
.5 Геометрия резания
Передние (γ0) и задние (α0) углы рекомендуется выбирать для базовой точки в зависимости от
материала резца и свойств обрабатываемого материала. [1, с. 130, табл. 3.48]
γ0 = 150, α0 = 120.
Проверка допустимости выбранного переднего угла γ0 может быть осуществлена по следующей формуле [2, c. 31]
γ0 ≤ 10*rmax/tmax,
где rmax - наибольший обрабатываемый радиус детали,
мм (см. табл. 1.1);
tmax - наибольшая глубина обрабатываемого
профиля, мм (см. табл. 1.1);
£
£ 18,70
150 ≤ 18,70 - условие выполнено.
Необходимо провести проверку:
Проведем проверку в точках 2.
Определим
;
Определим задний угол для каждой точки по формуле
:
Задний угол в нормальном сечении αni определяется по формуле
,
Для каждой точки считаем геометрические параметры по
формулам:
Для сферического участка j1=arcos (6/6.5)=22.50,
j2=arcos (3/6.5)=62.20
Результаты расчета сводим в табл. 2
Геометрические параметры резца
|
№ точки
|
ri
|
j i
|
a j i
|
|
1
|
7,41
|
90
|
25,29
|
|
2
|
8,895
|
45
|
13,46
|
|
3
|
8,895
|
90
|
27,29
|
|
4
|
7,91
|
0
|
0
|
|
5
|
7,91
|
90
|
26,10
|
|
6
|
8,895
|
0
|
0
|
|
7
|
13,895
|
60
|
24,75
|
|
8
|
12,895
|
0
|
0
|
|
9
|
12,895
|
90
|
31,75
|
|
10
|
15,875
|
0
|
0
|
|
11
|
15,875
|
90
|
29,75
|
|
12
|
8,895
|
0
|
0
|
|
13
|
8,895
|
90
|
27,29
|
|
14
|
8,41
|
45
|
16,57
|
На участках 3-4, 5-6, 7-8, 9-10 и 11-12 ani = 00. В этом
случае для улучшения условий резания необходимо ввести поднутрение под угол j = 20…30.
Угол заточки рассчитываем по формуле
Σ0 = α0+ γ0, град
Σ0 = 120 + 150=270
α0 = 120, γ0 = 150, Σ0 = 270
2.6 Коррекционный расчет
При использовании фасонных резцов для токарной наружной
обработки размеры глубины их профиля t0i, измеряемые у круглых
резцов в сечениях, нормальных к их задним граням должны создавать на детали
заданные чертежом глубины профиля ti. Размеры профиля детали
образуется в передней плоскости резца и непосредственно зависят от измеренных в
этой плоскости глубины профиля резца tiп.
Так как сечения, в которых измеряют величины t0i, ti и tiп, не совпадают, то
коррекционные расчеты заключаются в определении величин tiп и t0i по заданной величине ti.
Размеры ширины профиля фасонных резцов совпадают с
соответствующими осевыми размерами обрабатываемой детали и не корригируются.
Результаты расчетов сведены в таблицу 1.3.
|
№
|
Формулы
|
Узловые точки i
|
|
|
1
|
2, 3
|
4, 5
|
6
|
7
|
8, 9
|
10,11
|
12,13
|
|
1
|
1,9177
|
|
|
2
|
0,25880,21560,24240,21560,13800,14870,12080,2156
|
|
|
|
|
|
|
|
|
|
3
|
0
|
0,0432
|
0,0164
|
0,0432
|
0,1208
|
0,1101
|
0,1380
|
0,0432
|
|
|
4
|
7,418,86067,88478,860613,74612,71915,6898,8606
|
|
|
|
|
|
|
|
|
|
5
|
01,45060,47471,45066,33575,30948,27931,4506
|
|
|
|
|
|
|
|
|
|
6
|
01,50900,49381,50906,59085,52318,61261,5090
|
|
|
|
|
|
|
|
|
|
7
|
33,1088
|
|
|
8
|
17,0250
|
|
|
9
|
33,108831,599832,615031,599826,518027,585724,496231,5998
|
|
|
|
|
|
|
|
|
|
10
|
0,47630,51330,49630,51330,61040,55650,60590,5133
|
|
|
|
|
|
|
|
|
|
11
|
35,744333,16834,303833,16827,891530,593028,098733,1677
|
|
|
|
|
|
|
|
|
|
12
|
02,57661,44052,57667,85285,15137,64562,5766
|
|
|
|
|
|
|
|
|
|
13
|
0,21750,29770,25390,29770,47240,40780,48510,2977
|
|
|
|
|
|
|
|
|
|
|
|
|
|
|
|
|
|
|
|
|
Таблица 1.3
Рисунок 1.4 - Схема к коррекционному расчету
2.7 Допуска на конструктивные основные элементы
резца
Резец, как и любая деталь, изготавливается на металлорежущих
станках. Точность изготовления профиля резца имеет определенные границы.
Величины допусков, приемлемых для производственных условий, составляют:
- на диаметральные размеры - 0,04…0,05 мм;
- на осевые размеры - 0,02…0,03 мм.
Допуски на осевые размеры рекомендуется принимать в пределах
1/2…1/3 допуска наименьшего осевого размера. В данном случае наименьший
длинновой размер: 2 ± 0,125 мм. Взяв 1/3 допуска размера, получим:
мм.
Для размера 10 ± 0,305
мм величина допуска:
мм или в виде отклонений ±0,1025 мм.
Для размера 13 ± 0,455
мм
мм или ±0,153 мм.
Для размера 21 ± 0,635 мм
мм или ±0,213 мм.
Для размера 23 ± 0,76 мм
мм или ±0,255 мм.
Для размера 28 ± 0,91 мм
мм или ±0,306 мм.
Для размера 34,5 ± 1,09 мм
мм или ±0,366 мм.
Для размера 35 ± 1,215 мм
мм или ±0,408 мм.
Допуск по наружному диаметру круглого фасонного резца,
принятому за исходный при расчетах, должен назначаться, исходя из условий
взаимозаменяемости фасонных резцов.
Настроечный размер.
Лезвие фасонного резца состоит из ряда участков, каждый из
которых является как бы лезвием отдельного резца. Соответственно весь фасонный
резец как бы состоит из элементарных резцов, соединенных боковыми сторонами.
Каждым элементарным резцом можно обрабатывать соответствующую поверхность
детали независимо от других резцов и обеспечивать точность, предусмотренную
чертежами для данного участка детали. Большей частью требования к точности
различных участков неодинаковы, а элементарные лезвия, образующие фасонный
профиль, могут совершать движение подачи только одновременно. В связи с этим
при точностных расчетах за основу принимают ступень детали с наименьшим
допуском. Эта ступень может быть и не самой малой по диаметру, которую
принимают в качестве базовой при коррекционных расчетах профиля. Допуски при
обработке этой ступени детали выдерживаются за счет настройки станка. Поэтому
размер такой ступени детали называется настроечным. Допуски на изготовление
остальных поверхностей детали выдерживаются за счет расположения с определенной
точностью остальных участков лезвия резца относительно участка, обеспечивающего
получение настроечного размера.
В качестве базовой принимаем ступень Æ31,75±0,009 мм, как имеющая
наименьший допуск. Определим глубины профиля детали относительно базовой
поверхности:
Величины допусков на размеры профиля, передаваемые резцом на
деталь, определяются из выражения:
Далее необходимо, выбрав наименьший из высчитанных допусков на
размеры профиля, разделить его пополам и использовать одну половину для
покрытия погрешности установки и заточки резца по размеру, к которому относится
допуск. Оставшуюся половину назначить в качестве допуска на глубину профиля
резца Т1, на данной ступени. Из вычисленных допусков наименьшим
является 0,048 мм. Разделив эту величину пополам, получаем 0,024 мм -
приемлемое значение допуска для размеров Т6, Т7.
Числовые значения
возьмем из выходных данных, а именно
.
Простановка знаков предельных отклонений размеров оказывает
влияние на стойкость резца между переточками. Отклонения размеров Тi необходимо расположить так, чтобы
возникла вероятность неполного использования допуска рабочим, что вызывает
возрастание обрабатываемых диаметров детали. Желательно, чтобы это возрастание
диаметров как можно дольше не выходило из границ полей допусков. Этому в
некоторой степени способствует рациональная простановка допускаемых отклонений
размеров, при которой возможна вероятность неполного использования поля допуска
на исследование профиля резца.
Таким образом, глубинные размеры профиля с отклонениями имеют вид
Погрешности углов e и a0:
2.8 Технические требования
Твердость материала 62…66 HRC.
Маркировать: обозначение чертежа, Р6М5, S=27°, a0=12°.
Шероховатость ответственных поверхностей 0,2.
Неуказанные предельные отклонения Н14, h14, ±IT14/2.
3. Протяжка
3.1 Исходные данные
|
dнаим
|
+ δ
|
Класс чистоты, ▼
|
Характер стенок
отверстия
|
Материал детали
|
Твердость
материала
|
LД, мм
|
l, мм
|
d0, мм
|
Класс точности d0
|
Модель
протяжного станка
|
QТ, кН
|
Lст, мм
|
Толщина фланца
приспособления, мм
|
Тип рабочего
патрона
|
Конструктивные
особенности протяжки
|
|
24
|
0,023
|
7
|
ТЛ
|
СЧ
|
НВ 197
|
25
|
25
|
22,4
|
5
|
7А510
|
10
|
1250
|
30
|
А
|
3Х/В3
|
Наибольшая длина протяжки, допустимая возможностями
инструментального производства, до 1500 мм; производство деталей - массовое;
производство инструмента - мелкосерийное; отверстие под протягивание
подготовлено сверлом.
Рисунок 1 Эскиз детали
3.2 Определение конструкции калибрующей части протяжки
метчик фасонный резец протяжка
Определить тип калибрующей части
Определить целесообразность и возможность применения запасных
калибрующих зубьев
Так как материал серый чугун, то запасные калибрующие зубья -
применять.
Определить целесообразность и возможность применения
выглаживающих зубьев
Выглаживающие зубья применять (по условию).
Определить тип калибрующей части
Калибрующая часть с выглаживающих и с запасными калибрующими
зубьями, поэтому тип калибрующей части - ТИП 1.
Определить количество калибрующих зубьев Zк
Т.к. конструкция калибрующей части - ТИП 1, принимаем Zк
= 5
Определить количество запасных калибрующих зубьев Zк.з.
По ТИП 1, Zк.з. = 9
Определить количество выглаживающих зубьев ZВ
По ТИП 1, ZВ=6
Определить диаметр калибрующих зубьев DК
Определить величину разбивки протягиваемого отверстия U
Т.к. тип детали - 30 [4, стр. 51, табл. 1], то U = 0
Диаметр калибрующих зубьев DК
Т.к. калибрующая часть - ТИП 1, то
где d=24 мм - диаметр отверстия;
δ=0,023 мм - величина допуска
на отверстие;
U=0 - величина разбивки;
U1=0,01 - величина занижения диаметра калибрующих
зубьев
3.3 Определение недостающих данных для поиска
оптимального варианта режущей части
Определить величину припуска на протягивание А
где DK=24,013 мм - диаметр калибрующих зубьев;
d0=22,4 мм - наименьший диаметр отверстия под
протягивание;
Определить диаметр и тип переднего хвостовика
Определить диаметр хвостовика dхв.
где d0=22,4 мм - наименьший диаметр отверстия под
протягивание;
Уточняем dхв., приняв ближайшим меньшим из
стандартного ряда:
dхв = 22 мм [4, стр. 21]
Определить тип хвостовика
Т.к. производство - массовое и dхв = 228 > 12 мм, то
выбираем - ТИП 2, где типы хвостовиков по [4, с. 55 табл. 3]
Определить силу резания, допустимую опасным сечением
переднего хвостовика Рхв.
Определить марку стали переднего хвостовика
Твердость обрабатываемого материала НВ 197>180, поэтому
марку материала режущей части протяжки принимаем: Р6М5, а поскольку DК=24,013 мм>12 мм, то
хвостовик выполняется приварным из стали 40Х.
Определить допускаемое напряжение в материале хвостовика [σ]хв
Т.к. материал хвостовика - сталь 40Х, то [σ]хв = 300 МПа.
Определить площадь опасного сечения хвостовика Fхв
Хвостовик - ТИП2, выбираем по таблице 5 [4, стр. 57]: Fхв=227,0 мм²
Определить силу резания допустимую хвостовиком Рхв
[4, стр. 22]
Определить допускаемое напряжение в материале режущей части
протяжки [σ]доп
Т.к. d0 =22,4<20 мм и материал протяжки Р6М5,
то
Определить величину переднего угла γ всех режущих зубьев протяжки
В зависимости от обрабатываемого материала γом
Т.к. ОМ - сталь и НВ197>180, то γом= 50
В зависимости от диаметра протяжки γd
где
Dкр= 40 мм - наименьший диаметр шлифкруга заточного
станка;
β = 400 - угол наклона шпинделя
заточного станка;
d0 = 22,4 мм
Определить величину γ
Принимаем γ равную наименьшему из γом и γd
γ = γом=50
Определить величину коэффициента Кγ, учитывающего влияние переднего угла протяжки на силу резания при
протягивании
Т.к. ОМ - сталь, то
Определить величину коэффициентов, учитывающих влияние
обрабатываемого материала Ком и скорость протягивания Кv на сворачиваемость стружки
Т.к. ОМ - СЧ: при НВ 197 → Ком = 1
при Vрез< 12 м/мин→ Кv = 1 [4, стр. 24]
3.4 Поиск оптимального варианта режущей части
протяжки
Определить предварительно наибольшую величину шага t черновых зубьев протяжки
Для детали типа 30
где LД=25 мм - длина детали
Определить предельные значения чисел одновременно работающих
зубьев
Проверить принятое значение t по условию плавности
условие выполнено
Определить наибольшую допустимую глубину профиля стружечной
канавки черновых зубьев протяжки h
|
tz2
|
h=3,5
|
Профиль №24
|
|
tz3
|
h=3,0
|
Профиль №14
|
|
tz4
|
h=2,5
|
Профиль №8
|
Проверим условие жесткости протяжки
Т.к.
, условие жесткости выполняется только для
профиля №24.
Определить диаметр опасного сечения перед первым зубом протяжки dоп
Определить силу резания, допустимую прочностью протяжки перед
первым зубом Рдоп
Определим лимитирующую силу резания Рлим
Рлим= min{Рхв,Рдоп}
= Рхв=65,160 кН
Определить число зубьев в черновых секциях Zc
Примем Zc=1 (профильная схема резания)
Определить величину подачи на черновых зубьях Sр, допустимую лимитирующей силой резания
Определить суммарную длину режущих кромок ΣВ
где DK=24,013 мм - диаметр калибрующих зубьев;
d0=22,4 мм
- диаметр отверстия под протягивание;
Zimax=3 - макс. число одновременно работающих
зубьев;
Zc=2 - число зубьев в черновых секциях;
Определить силу резания на 1 мм длины рS
Определить величину подачи SP
где n=0,0057 и m=0,034 для ОМ - СЧ при НВ197 [4, стр. 28]
Определить ширину задней поверхности зуба g
Выбираем по таблице 7 [4, стр. 61] для профиля №24
g = 5 мм
Определить лимитирующую подачу на черновых зубьях Sлим
Определить предельную величину подачи Sh, допустимую
сворачиваемостью стружки
При глубине впадиы h = 3,5 мм принимаем
Sh=0,15 мм/зуб [4, стр. 30]
Определить величину подачи Sc, допустимую размещением
стружки во впадине чернового зуба
Т.к. ОМ - СЧ и h = 3,5 мм<5 мм, то
Определить лимитирующую подачу на черновых зубьях Sлим
где Sр= 3,96 мм/зуб [п. 4.9.3]
Sc= 0,19 мм/зуб [п. 4.11]
Sh= 0,15 мм/зуб [п. 4.12.1]
Принимаем Sлим=0,15 мм/зуб
Определить припуск на протягивание черновыми зубьями А0
Определить припуск на протягивание переходными зубьями Аn
При классе чистоты обработанной поверхности ▼5 и подъеме
диаметров черновых зубьев 2Sлим=0,3 мм/зуб
Аn= 0,43 мм [4, стр. 63, табл. 9]; Nп=4
Определить припуск на протягивание чистовыми зубьями Ач
При классе чистоты обработанной поверхности ▼5
Ач= 0,09 мм
Определить припуск на протягивание черновыми зубьями А0
где А= 1,613 мм [п. 3.1]
Аn= 0,43 мм [п. 4.13.1]
Ач=0,09 мм [п. 4.13.2]
Определить количество черновых секций Nc без первой секции
Определить количество зубьев в первой черновой секции ZC1
Определить припуск на первую черновую секцию А1
Определить количество зубьев в первой черновой секции ZC1
Т.к. А1=0,193 мм > Sлим=0,15 мм, то
где ZC=2 [п. 4.8]
Определить количество черновых зубьев Z0
где ZC1=2 [п. 4.15.2]; ZC=2
[п. 4.8]; Nc=8 зубьев [п. 4.14]
Определить количество переходных зубьев Zn
Определить количество переходных секций Nn
При классе чистоты обработанной поверхности ▼5 и
подъеме диаметров черновых зубьев 2Sлим=0,15 мм/зуб
Nn=4
Определить количество переходных зубьев Zn
Т.к. Nn=4 £ 4, то
Определить количество чистовых зубьев ZЧ
При классе чистоты обработанной поверхности ▼5
Определить длину режущей части Lp
Определить суммарную длину черновой и переходной частей L2

где t =12 мм [п. 4.1]; Z0=8 [п.
4.16]; Zn=6 [п. 4.17.2]
Определить суммарную длину чистовой и калибрующей частей L3
Т.к.
- целое число, то
Определить длину режущей части Lp
Определить себестоимость операции протягивания СТ
Определить расчетное значение ширины задней поверхности зуба g
Определить наименьшую ширину задней поверхности черновых зубьев g`, позволяющую полностью использовать зону стачивания
соответствующих им калибрующих зубьев, при сохранении достаточной их прочности
где δ=0,023 мм
[п. 1]
Определить величину g``
Т.к. g =5 мм > g`= 3,18 мм, то

Определить ориентировочно количество выкружек n на черновых зубьях

Определить себестоимость операции протягивания СТ в
размерных единицах
Целесообразность дальнейшего поиска оптимального варианта
При дальнейшем увеличении числа зубьев в секции увеличивается и
длина протяжки, а следовательно и себестоимость. Рассчитывать варианты с
увеличенным числом зубьев не имеет смысла.
Определение номеров и диаметров зубьев протяжки
Определение номеров и диаметров зубьев черновой секции
Определение номеров и диаметров зубьев переходной секции
Определение номеров и диаметров чистовых зубьев
Определение номеров и диаметров калибрующих зубьев
Определение номеров и диаметров выглаживающих зубьев
Подъем диаметров выглаживающих зубьев назначается в пределах
0,01…0,02 мм в зависимости от величины припуска на выглаживание Ав=0,01 мм.
Превышение диаметров зубьев протягивания 0,04…0,05 мм.
Определить предельные отклонения диаметров зубьев протяжки.
Допуски на черновые и переходные зубья
|
Черновые
|
Переходные
|
Чистовые
|
Калибрующие
|
|
0 -0,015
|
0 -0,007
|
0 -0,005
|
0 -0,005
|
Определить задние углы зубьев
т.к. НВ£229, то a = 3°; a1 = 2°; a2 = 1°.
Определить количество и размеры выкружек
Определить средний диаметр протягиваемого отверстия dср
Определить количество выкружек на зубьях первой черновой секции y1, последних черновых и первых переходных секций y2 и последних переходных секций y3.
y1 = 8
y2 = 8
y3 = 8
Определить ширину выкружек на зубьях первой черновой секции а1,
последующих черновых и первых переходных секциях а2 и последних
переходных секций а3
Определить радиусы кругов для шлифования выкружек на зубьях первой
черновой секции Rкр.1, последующих черновых и первых переходных секциях Rкр.2 и последних переходных секций Rкр.3
3.5 Определить количество и размеры
стружкоделительных канавок на чистовых зубьях протяжки
Определить количество стружкоделительных канавок x
Определить ширину и глубину стружкоделительных канавок
3.6 Определить длину передней части протяжки до первого зуба l1
3.7 Определить предварительную длину задней части направляющей lз.н.
если
3.8 Определить общую длину протяжки L
3.9 Проверяем длину протяжки на предельные
ограничения
По условию жёсткости
Так как L<40*d+120 (760<1080), следовательно длина не превышает
допустимую величину по жёсткости
По технологическим возможностям инструментального
производства
Так как L<1500 мм, то длина не превышает допустимую величину по
технологии изготовления
По длине рабочего хода станка lр.х.
Так как Lд+lp+lз.н+lз.хв+30<lр.х(530<1250), то длина не превышает допустимую
величину длины рабочего хода станка
3.10 Уточняем длину задней направляющей lз.н
lз.н=L-l1-lp-lз.хв=760-285-380-75=20 мм
3.11 Определяем недостающие размеры задней
направляющей
.1 Принимаем диаметр задней направляющей
dз.н=d=24 мм
Принимаем предельные отклонения диаметра задней направляющей
[6, стр. 69, табл. 18]
|
Задняя
направляющая
|
|
Верхнее
отклонение
|
Нижнее
отклонение
|
|
0,030
|
0,055
|
3.12 Размеры передней направляющей
.1 Принимаем диаметр передней направляющей
dп.н=d0=22,4 мм
Принимаем предельные отклонения передней направляющей
|
Передняя
направляющая
|
|
Верхнее
Отклонение
|
Нижнее
отклонение
|
|
0,030
|
0,055
|
Длина передней направляющей
Так как Lд>1,5*d0, то Lп.н=1,5*d0=25 мм
3.13 Недостающие размеры передней части протяжки
до первого зуба
Длина переходного конуса
Так как dп.н<65, то lк=(dп.н-dхв)/0,25=(25-22)/0,25=12 мм
Длина переднего хвостовика до места сварки (lсв)
Так как протяжка сварная и 0,5*dхв(11)<15, то
lсв=l1-lп.н-lк-0,5*d=285-25-25-11=224 мм
3.14 Диаметры центровых отверстий [1, стр. 69,
табл. 19]
d=3,15 мм
3.15 Фактические значения: коэффициента
вместимости стружки (Кф), силы резания (Рф) и напряжений
в опасных сечениях (sхв.ф и s1зуба)
Определяем Кф
Кф=3,14*h2/(4*S*Lд)=2,564
Определяем Rф
Rф=(S+m)*åв*Кg/n,
Rф=(0,15+0,034)*109,303*0,85/0,0057=2999,123 МПа
Определяем sхв.ф
sхв.ф=Рф/Fхв=2999,123/227=13,21 кг
с/мм² < 300 МПа,
где Fхв - площадь опасного сечения хвостовика (п. 8.3)
Определяем s1зуба
s1зуба=4*Рф/(3,14*dоп2)=4*2999,123/(3,14*15,42)=16,11
кг с/мм² < 300 МПа, где dоп - диаметр опасного сечения перед первым зубом
протяжки (п. 19.1)
Используемая литература
1. Справочник
инструментальщика. Ординарцев И.А., Филиппов Г.В., Шевченко А.И. и др. Под ред.
Ординарцева И.А. - Л.: Машиностроение, Ленингр. отд., 1987 г.
2. Кирсанов
Г.Н. Руководство по курсовому проектированию металлорежущих инструментов. - М.:
Машиностроение, 1986 г.
. Зотов
Ю.Н. Проектирование резьбообразующих инструментов. - Горький, 1978 г.
. Сборник
заданий для курсовых проектов, работ по дисциплине проектирования и
производства металлорежущих инструментов.
. Проектирование
фасонных резцов. Учеб. пособие для студентов специальностей 120200 и 120100, -
Н.Н., 1997 г.