Розробка і розрахунок перекриття монолітної та збірної залізобетонної конструкції
МІНІСТЕРСТВО ОСВІТІ І НАУКИ УКРАЇНІ
НАЦІОНАЛЬНІЙ ТРАНСПОРТНІЙ УНІВЕРСИТЕТ
кафедра «мости і тунелі»
КУРСОВИЙ
ПРОЕКТ
З
дисципліни
БУДІВЕЛЬНІ
КОНСТРУКЦІЇ
Тема
проекту: Розробка і розрахунок перекриття монолітної та збірної залізобетонної
конструкції
Виконав
студент гр. ТК-III-1
Шереш
В.В
Перевірив:викладач
Корецький
А.С.
ВСТУП
Завданням проекту передбачається
проектування виробничої будівлі в Львові за замовленням Львівського заводу
«Електрон».
Будівля три поверхова з плоским
балочним перекриттям, що спирається на колони. Розглянуто чотири варіанти
перекриття:
Ø монолітний варіант,
коли головні балки паралельні довгій стороні;
Ø монолітний варіант,
коли головні балки паралельні короткій стороні;
Ø збірний варіант,
коли ригелі паралельні довгій стороні;
Ø збірний варіант,
коли ригелі паралельні короткій стороні;
До подальшого розрахунки були
прийняті варіанти:
Ø монолітний варіант,
коли головні балки паралельні довгій стороні розраховувалися плита перекриття,
другорядна балка, колона і фундамент;
Ø збірний варіант,
коли ригелі паралельні довгій стороні - розраховувалася панель перекриття.
Конструювання і розрахунки
проводилися згідно Сніп 2.03.01-84, що діє в сьогодення час.
Розділ 1.
Проектування монолітного перекриття
Розраховуємо варіант монолітного
перекриття, коли головні балки паралельні довгій стороні
1.1 Розрахунок
монолітної плити
Спочатку проведемо розрахунок
балочної плити.
Розрахунок починаємо із збору
навантажень на 1 м2
перекриття, задаючись видом підлоги, як показано на малюнку 1.1, а підрахунки
проводимо в таблиці 1.1.
(Мал. 1.1)
Табл. 1.1
|
Вид навантаження
|
Нормативне навантаження кПА
|
Коефіцієнт надійності по навантаження
|
Розрахункове навантаження кПА
|
|
Постійна:
|
|
|
|
|
Цементо - піщаний розчин t=30мм r=1800кг/м3 0.03×1800×9.81×
|
0.53
|
3.00
|
0.69
|
|
Цементно-піщане стягування t=40мм, r=1800кг/ 0.04×1800×9.81×
|
0.706
|
3.00
|
0,91
|
|
Деревоволокнисті ізоляційні плити t=30мм
r=250кг/м3 0.03×250×9.81×
|
0.07
|
1.10
|
0,077
|
|
Залізобетонна плита t=90 r=2500кг/м3 0.09×2500×9.81×
|
2.20
|
1.30
|
2.86
|
|
РАЗОМ:
|
=3.50
|
- -
|
g = 4.53
|
|
Тимчасова за завданням:
|
Pn =5.80
|
1,45
|
p = 8.41
|
|
ВСЬОГО:
|
= 9.30
|
- -
|
q = 12.94
|
Для розрахунку плити перекриття
виділяється смуга у напрямі lK
шириною 1м.
Ця смуга розглядається як нерозрізна балка, опорами якої служать другорядні
балки. При розрахунку враховується пластичний перерозподіл зусиль. Розрахункова
схема - п'ятипролітна. Навантаження - рівномірно розподілена, інтенсивність її
чисельно рівна навантаженню на 1 м2 перекриття. Розрахункові прольоти
приймаються рівними: середні - відстаням в світлу між другорядними балками,
крайні - відстаням від грані другорядної балки до лінії дії опорної реакції на
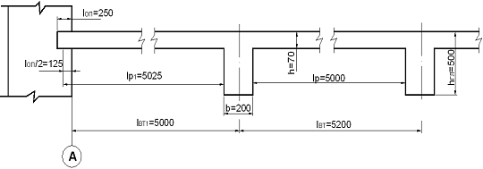
стіні (див. мал. 1.2.). Ширину другорядної балки приймаємо рівною
150мм.
арматура монолітний збірний перекриття
(Мал. 1.2)
де: а - відстань від
внутрішньої грані стіни до лінії дії опорної реакції;
hпл - висота
плити;
lоп - довжина
того, що спирається плити на стіну;
lP1 -
розрахунковий проліт крайньої плити;
lP -
розрахунковий проліт середньої плити;
lП - довжина
середньої плити (відстань між осями другорядних балок);
lПкр -
довжина крайньої плити (відстань від осі другорядної балки до внутрішньої грані
стіни);
bвт - ширина
другорядної балки;
Для розрахунку моментів що
діють на плиту (моментів, що вигинають), скористаємося розрахунковою схемою
плити, яка показана на малюнку 1.3.
(Мал. 1.3)
Моменти плити:
у першому прольоті:
на межі першої проміжної
опори:
у середніх прольотах і на
середніх опорах:
Задаємося бетоном класу В30 і
арматурою класу Аiii.
З Сніп 2.03.01-84:
Розрахунковий опір бетону на
стиснення осьовий, а розрахунковий опір на розтягування осьовий
.
Арматура класу Аiii 6-8
.
(Мал. 1.4.)
Приймаємо товщину захисного шару.
Тоді розрахункова висота перетину.
Визначимо висоту стислої зони бетону
x.
Для цього спочатку знайдемо: a0
і h.
0 - табличний коефіцієнт;
gb2 -
коефіцієнт надійності (коефіцієнт умов роботи бетону), для навантажень, що
тривало діють
;- ширина
розрахункового перетину плити
.
Табл. 1.2
|
У першому прольоті
|
На межі першої проміжної опори
|
У середніх прольотах і на середніх опорах
|
|
 
|
|
|
По
додатку 3:
По додатку
3:
По додатку
3:
- табличний коефіцієнт;
x - відносна висота в стислій зоні
бетону
Еr - граничне значення
відносної висоти в стислій зоні бетону;- характеристика деформативных
властивостей бетону стислої зони;
sSR -
напруга в розтягнутій арматурі в граничному стані, для арматури класів Аi, Аii,
Аiii, Врi
;
sSC.И -
бокова напруга в арматурі, яка знаходитися в стислому бетоні і працює спільно з
ним на стадії передуючої руйнуванню, при gb2=0,9
;
«0,85» - коефіцієнт для
важкого бетону;
Величина
. Характер
руйнування буде нормальним, перетин не переармировано.
Гарантовано достатнє видалення стислої зони від розтягнутої арматури,
забезпечена своєчасна текучість в арматурі.
Знайдемо площу арматури AS:
У першому прольоті:
На межі першої проміжної
опори:
У середніх прольотах і на
середніх опорах
З таблиці П.4.2. літератури
2, підберемо сітку для армування:
i - номер сітки;
Д - діаметр подовжніх стрижнів;- крок подовжніх
стрижнів;- діаметр поперечних стрижнів;- крок поперечних стрижнів;- ширина
сітки;- довжина сітки.
Ми вибираємо наступні сітки:
10 штук;
2 штук.
1.2
Розрахунок другорядної балки
Для розрахунку другорядної балки,
спершу задамося її висотою і шириною з умови
;
ми приймаємо
.
;
.
(Мал. 1.5.)
Проведемо збір навантажень:
- постійне навантаження на
балку;
gТАБ - постійне
навантаження на
1м
плити;
gВТ - власна
вага балки;
gf -
коефіцієнт перевантаження
;
Aреб - площа
ребра балки
;
rЖБ -
щільність залізобетону
;
;
.
- тимчасове навантаження на
балку;
pТАБ -
тимчасове навантаження на 1м плити;
Відношення тимчасового
навантаження до постійної:
Повне навантаження на
погонний метр:
Далі проведемо розрахунки
огинаючої епюри моментів, результати обчислень зведемо в таблицю 1.3.
Табл. 1.3:
|
№
|
+b
|
-b
|
g+p,
кН/м
|
lP2,
м
|
+M, кНм
|
-M, кНм
|
|
0
|
-
- -
|
-
- -
|
40,47
|
25,25
|
-
- -
|
-
- -
|
|
1
|
0,066
|
-
- -
|
40,47
|
25,25
|
67,44
|
-
- -
|
|
2
|
0,090
|
-
- -
|
40,47
|
25,25
|
91,97
|
-
- -
|
|
MAX
|
0,091
|
-
- -
|
40,47
|
25,25
|
92,99
|
-
- -
|
|
3
|
0,075
|
-
- -
|
40,47
|
25,25
|
76,64
|
-
- -
|
|
4
|
0,020
|
-
- -
|
40,47
|
25,25
|
20,43
|
-
- -
|
|
5
|
-
- -
|
-0,0715
|
40,47
|
25,25
|
-
- -
|
73,06
|
|
5
|
-
- -
|
-0,0715
|
40,47
|
25,25
|
-
- -
|
73,06
|
|
6
|
0,018
|
-0,0334
|
40,47
|
25,00
|
18,21
|
33,79
|
|
7
|
0,058
|
-0,0140
|
40,47
|
25,00
|
58,68
|
14,16
|
|
lP/2
|
0,0625
|
-
- -
|
40,47
|
25,00
|
63,23
|
-
- -
|
|
8
|
0,058
|
0,0109
|
40,47
|
25,00
|
58,68
|
11,14
|
|
9
|
0,018
|
0,0278
|
40,47
|
25,00
|
18,21
|
28,13
|
|
10
|
-
- -
|
0,0625
|
40,47
|
25,00
|
-
- -
|
63,23
|
|
10
|
-
- -
|
0,0625
|
40,47
|
25,00
|
-
- -
|
63,23
|
|
11
|
0,018
|
0,0261
|
40,47
|
25,00
|
18,21
|
26,41
|
|
12
|
0,058
|
0,0075
|
40,47
|
25,00
|
58,68
|
7,59
|
|
lP/2
|
0,0625
|
-
- -
|
40,47
|
25,00
|
63,23
|
-
- -
|
Положення нульової точки
гілки мінімуму прольоту
.
Перевіряємо положення
нейтральної осі з умови:
(Мал. 1.6.)
Приймаємо:
Зовнішній момент менше
внутрішнього, з цього витікає, що нейтральна вісь знаходитися на полиці, тому
перетин розраховується як прямокутне, з шириною
. Розрахунок продовжуємо за
допомогою табличного методу.
m - коефіцієнт армування;
Для 1-го прольоту:
Тоді:
,
.
Величина
. Характер
руйнування буде нормальним.
Для 2-го прольоту:
Тоді:
,
.
Величина
. Характер
руйнування буде нормальним.
Для опор 
.
Для 1-ої опори:
Тоді:
,
.
Величина
. Характер
руйнування буде нормальним.
Для 2-ої опори:
Тоді:
,
.
Величина
. Характер
руйнування буде нормальним.
По значеннях А підбираємо
діаметри стрижнів арматури, яку встановлюють в розтягнутій зоні балки (у ребрах
або плиті).
По набутих значень перетину
стрижнів визначаємо фактичну площу підібраної арматури.
|
І проліт
|
А =8.66 см2218
+ 216АS =9,11 см2
|
|
|
|
ІІ проліт
|
А =5.85 см2414АS
=6,15 см2
|
|
|
|
І опора
|
А =7.95 см2218
+ 312АS =8,48 см2
|
А =6,60 см2216
+ 312АS =7,41 см2
|
|
|
Постоїмо епюру огинаючих моментів по
таблиці 1.3.
Постоїмо епюру матеріалів, для
цього, спочатку підрахуємо здатність, що несе.
I проліт:
проліт:
опора:
опора:
Верхня подовжня арматура в
прольоті:
Порахуємо довжину анкерения
(закладення):
З Сніп 2.03.01-84:
.
проліт, обрив 16:
II проліт, обрив 14:
I опора, обрив 12:
обрив 18
II опора, обрив 12:
обрив 16
Знайдемо відстань від стінки
до точки обриву стрижня:проліт:
II проліт:
I опора:
опора
1.3
Розрахунок міцності по похилих перетинах
Знайдемо здатність бетону, що несе,
при якій не виникають тріщини.
Визначимо поперечні сили в перетині
балки:
У I прольоті:
справа:
зліва:
У II прольоті справа і зліва:
Умова постановки поперечної
арматури:
- це означає, необхідність
постановки поперечної арматури.
Підберемо поперечну арматуру
конструктивно, класу Аiii 28.
З Сніпа 2.03.01-84, пункту
5.27 крок арматури повинен бути не більш:
приймаємо
Визначаємо уточнену
здатність, що несе, при прийнятій арматурі і кроці:
jf -
коефіцієнт, що враховує вплив стислих полиць в таврових перетинах;
З - довжина проекції найбільш
небезпечного похилого перетину на подовжню вісь елементу.
,
тоді приймаємо
умова виконана.
До розрахунку приймаємо
.
Визначимо зусилля в хомутах
на одиницю довжини елементу:
W - зусилля в хомутах на
одиницю довгі балки;
ASW - площа
хомутів в поперечному перетині;
RSW -
розрахунковий опір поперечної арматури розтягуванню;- прийнятий крок хомутів;
До розрахунку приймаємо
.
Визначимо проекцію найбільш
небезпечної похилої тріщини:
Також значення довжини
проекції приймають з умови:
умови дотримані.
Визначимо здатність робочої
поперечної арматури, що несе:
Визначимо здатність похилого
перетину, що несе, з урахуванням підібраної арматури і порівняємо з
максимальним значенням Q:
- міцність забезпечена.
Приймаємо крок хомутів в
опорній зоні 150мм
(1/4 прольоту).
Згідно Сніп 2.03.01-84, пункт
27б,
крок хомутів на решти балки повинен бути:
1.4
Розрахунок фундаменту і колон
Проведемо збір навантажень на
колону:
Для розрахунку приймається колона
середнього ряду першого поверху.
Визначимо розрахункову висоту
колони:
Визначимо вантажну площу
колони:
Проведемо збір навантажень на
вантажну площу колони:
1 - навантаження від ваги
плити, підлоги і балок;
gпол+пл -
навантаження від підлоги і плити;
Gбал -
навантаження від балок;
Підрахунок навантаження від
ваги покриття:
Gпок приблизно
приймаємо в долях від ваги перекриття:
Підрахуємо навантаження від
ваги колони:
Колону призначаємо
квадратного перетину із стороною, тоді площа колони буде рівна:
.
Сумарне постійне навантаження
знайдемо по формулі:
ЭТ -
кількість поверхів;
Проведемо збір тимчасових
навантажень:
Оскільки, то:
Повне (корисна) і тривале
навантаження на колону першого поверху вважається по формулах:
Підрахуємо навантаження від
сніжного покриву:
Будівля проектується в
Львові, 1 район, для нього, коефіцієнт надійності по навантаження для снігу .
Навантаження від сніжного
покриву:
для 1-2 районів
Сумарне навантаження на
колону першого поверху, буде рівна:
Оскільки навантаження на
колону передається центрально, то розраховуємо колону з урахуванням випадкового
ексцентриситету
і
.
Оскільки
і армування
симетричне з арматури класу Аiii, то колона розраховується таким чином:
Задаємося відсотком армування
колони =1.2%.
Приймемо m=1,5%, тоді:
C - розрахунковий опір
арматури стисненню.
Знайдемо значення
коефіцієнтів jb і sb з
таблиці 3.3. літератур №2, залежно від
і
.
Оскільки колона квадратного
перетину:
.
Шляхом інтерполяції таблиці
3.3. отримаємо:
Знайдемо коефіцієнт j:
Визначимо необхідну площу
арматури для колони:
Оскільки арматура вийшла з
негативним знаком, арматуру призначаємо конструктивно.
Призначимо: 48 ÆАiii,
хомути Æ4 Аi
з кроком 400мм.
Проведемо розрахунок
фундаменту:
Нормативне навантаження
визначимо приблизно:
Визначимо розмір сторони
квадратного фундаменту:
гр -
розрахунковий опір грунту на відмітці підошви фундаменту;
r -
усереднена щільність матеріалу фундаменту і грунту на його обрізах, приймаємо
;
H1 - відстань
від рівня підлоги першого поверху до підошви фундаменту (на цьому етапі Н1
приймемо рівним
1м);
Приймаємо
.
Визначимо площу прийнятої
підошви фундаменту:
Визначимо напругу в грунті:
Визначимо робочу висоту тіла
фундаменту:
Приймаємо, двоступінчатий 
.
Прийняту висоту нижнього
ступеня перевіряємо по умові сприйняття головної розтягуючої напруги:
оф - робоча
висота фундаменту;
ho1 - робоча
висота нижнього ступеня;
hф - повна висота
фундаменту;
h1 - повна висота
нижнього ступеня;
а - відстань від підошви
фундаменту до центру тяжіння арматури в сітці, розташованій у його підошви
приймаємо
;
- умова виконана.
Визначимо ширину верхнього і
нижнього ступеня:
Визначимо моменти закладення
фундаменту, що виникають в місці:

Підберемо арматуру в перетині 1 і 2:
Визначимо кількість кроків
арматури:
Кількість стрижнів:
Підбираємо арматуру класу
Аiii 912.
Тоді площа арматури буде
рівна:
Розділ 2.
ПРОЕКТУВАННЯ збірного перекриття
Розраховуємо збірний варіант
перекриття, коли ригелі паралельні довгій стороні будівлі.
2.1
Розрахунок ребристої панелі перекриття
(Мал. 2.1.)
Проведемо збір навантажень на
квадратний метр плити:
(Мал. 2.2.)
Табл. 2.1
|
Вид навантаження
|
Нормативне навантаження кПА
|
Коефіцієнт надійності по навантаження
|
Розрахункове навантаження кПА
|
|
Постійна:
|
|
|
|
|
асфальтобетон t=40мм r=2100кг/м3
0,821,41,07
|
|
|
|
|
цементно-піщане стягування t=30,=1800кг/м3 0,531,40,70
|
|
|
|
|
скловолокнисті мати t=100 r=100кг/м3
0,101,40,13
|
|
|
|
|
Ребриста залізобетонна плита
|
2,50
|
1,1
|
2,75
|
|
РАЗОМ:
|
- -
|
|
|
|
Тимчасова за завданням:
|
Pn=10
|
1,4
|
p=14
|
|
ВСЬОГО:
|
13,95
|
- -
|
q=18,65
|
Збірні плити працюють на вигин в
довгому напрямі, отже, бетон, розташований в розтягнутій зоні не працює.
Ребристі плити найбільш економічні, оскільки з розтягнутої зони видалено більше
всього бетону.
Обчислимо розрахунковий проліт:
(Мал. 1.3.)
Визначимо навантаження, що
діє на погонний метр плити:
Як попередня напружена
арматура, приймаємо арматуру класу Аvi, з бетоном класу В30.
Визначимо положення
нейтральної осі:
М - зовнішній момент;
Rb - опір
бетону
;
gb2 -
коефіцієнт умов робіт
;
bf - ширина
полиці
;
hf - висота
полиці
h0 - висота
від верху полиці, до центру тяжіння арматури
а - товщина захисного шару,
для арматури класу Аvi, приймається не менше 400мм і не менше
3 діаметрів, ми приймаємо
;
Зовнішній момент менше
внутрішнього, з цього витікає, що нейтральна вісь проходить в прибудовах
полиці, тому перетин розраховується як прямокутне, з шириною
. Розрахунок
продовжуємо за допомогою табличного методу
З літератури 2, додаток 3,
знайдемо табличний коефіцієнт h і відносну висоту стислої зони бетону x:
Також відносна висота стислої
зони бетону, не повинна перевищувати граничне значення:
Еr - граничне значення
відносної висоти в стислій зоні бетону;- характеристика деформативных
властивостей бетону стислої зони;
sSR -
напруга в розтягнутій арматурі в граничному стані;
sSC.И -
бокова напруга в арматурі, яка знаходитися в стислому бетоні і працює спільно з
ним на стадії передуючої руйнуванню, при gb2=0,9
;
sSP -
попередня напруга в напружуваній арматурі з урахуванням їх допустимих відхилень
;
для класу арматури Аvi;
DsSP -
при механічному, а також автоматизованих електротермічному і
електротермомеханічному способах попередньої напруги арматури повинно
задовольняти умові:
S - розрахунковий опір стали
з Сніп 2.03.01-84 для арматури класу Аvi
;
умова виконана.
«0,85» - коефіцієнт для
важкого бетону;
Величина
. Характер
руйнування буде нормальним, перетин не переармировано.
Гарантовано достатнє видалення стислої зони від розтягнутої арматури,
забезпечена своєчасна текучість в арматурі.
Знайдемо площу арматури AS:
З сортаменту стрижнів
підбираємо арматуру класу Аvi 218
Перевіримо коефіцієнт
армування:
- умова виконана.
2.2
Розрахунок міцності по похилому перетину
При виконанні умови:
поперечна арматура
встановлюються конструктивно, згідно Сніпа.
- умова виконана.
У одній чверті прольоту від
опори встановлюємо хомути з кроком, але не більш 150мм. На решті
частини прольоту, але не більш 500мм.
У приопорном
ділянці:
.
У решті частини прольоту:
.
Хомути приймаємо з арматури класу
Аiii Æ6. Хомути встановлюємо в каркасах.
Як подовжня арматура використовуємо
ненапружувану арматуру класу Аii 10.
2.3
Розрахунок плити панелі на місцевий вигин
У панелі верхня плита працює на
місцевий вигин як частково затиснена на опорах балка. Розглядається смуга плити
шириною один метр. Розрахунковий проліт рівний відстані в світлу між ребрами.
Розрахунковий момент, що
вигинає, визначається з обліком при розподілі зусиль унаслідок непружних
деформацій бетону:
Розрахунок арматури ведемо як
для прямокутного перетину.
Визначимо відстані від верху
полиці до центру тяжіння арматури:
Визначимо табличний
коефіцієнт:
З літератури 2, додаток 3,
знайдемо табличний коефіцієнт h і відносну висоту стислої зони бетону x:
,
З літератури 4, додаток 17,
для бетону класу В30 і арматури класу Аi
.
Величина
. Характер
руйнування буде нормальним, перетин не переармировано.
Гарантовано достатнє видалення стислої зони від розтягнутої арматури,
забезпечена своєчасна текучість в арматурі.
Знайдемо необхідну площу
арматури AS:
З сортаменту підбираємо класу
Аi Æ4 з
кроком 100мм.
90шт.
Список
літератури
1. Конспект
лекцій з «Будівельних конструкцій» Н.Н. Хвощинськой.
2. Методичні
вказівки.
. Сніп
2.03.01-84.
. «Залізобетонні
і кам'яні конструкції» під ред. В.М.Бондаренко, 2-е видання, Вища школа.
2002г.