Повышение энергетической эффективности лесосушильных камер на лесопильно-деревообрабатывающих предприятиях

  • Вид работы:
    Курсовая работа (т)
  • Предмет:
    Другое
  • Язык:
    Русский
    ,
    Формат файла:
    MS Word
    185,15 Кб
  • Опубликовано:
    2012-12-24
Вы можете узнать стоимость помощи в написании студенческой работы.
Помощь в написании работы, которую точно примут!

Повышение энергетической эффективности лесосушильных камер на лесопильно-деревообрабатывающих предприятиях

Федеральное агентство по образованию

ГОУ ВПО Сибирский государственный технологический университет

Лесосибирский филиал

Кафедра ИТС







Автоматика и автоматизация производственных процессов

Тема: Повышение энергетической эффективности лесосушильных камер на лесопильно-деревообрабатывающих предприятиях.

Пояснительная записка

(КП ОНИД 000000.028)











Лесосибирск 2010

СОДЕРЖАНИЕ

Задание на проектирование

Реферат

Введение

.Технологический процесс сушки

.Лесосушильная камера как объект регулирования

.Модель камеры сушки

.Общие требования к системам контроля и регулирования параметров среды

.Статистические и динамические характеристики лесосушильных камер

.Выбор регуляторов, качество регулирования

. Расчётная часть

Заключение

Список используемой литературы

Задание на проектирование

Выполнить расчет повышения энергетической эффективности лесосушильных камер на лесодеревообрабатывающих предприятиях.

Реферат

Курсовая работа состоит из пояснительной записки и графической части. Пояснительная записка содержит 33 листа. Графическая часть состоит из 1 листа формата А1, где изображена принципиальная и функциональная схемы сушильной камеры «Валмет».

Введение

Среди процессов гидротермической обработки сушка является основным и предопределяет качество готовой продукции и изделий из древесины. Массовую сушку пиломатериалов, шпона и измельченной древесины осуществляют наиболее распространенным конвективным способом при атмосферном давлении.

Технологические требования и характеристики высушиваемого материала определяют тип лесосушильных камер, вид сушильного агента. Сушка листовых материалов (шпона, мягких плит) выполняется в камерах непрерывного давления - роликовых сушилках, в которых сушильным агентом является горячий воздух. Измельченная древесина высушивается в газовых барабанных сушилках, где в качестве сушильного агента используют топочные газы. В камерах периодического и непрерывного действия сушат пиломатериалы, сушильным агентом служит паровоздушная смесь.

1.Технологический процесс сушки

В камерах периодического действия сушка включает: прогрев материала, сушку, тепловлагообработку, конечную обработку и охлаждение. В камерах непрерывного действия он характеризуется фазами: прогрев материала с нарастанием жесткости режима и переходом в сушку, конечная обработка и охлаждение.

В деревообрабатывающей промышленности применяют большое число видов сушильных камер, отличающихся принципом действия, емкостью, конструкцией. Существующие лесосушильные камеры имеют различную скорость агента сушки как по высоте, так и по длине штабеля.

Поэтому при определении их параметров важно знать распределение температур и скорость циркуляции сушильного агента по сечению и длине камеры. Эти данные необходимы для выбора контрольных точек и получения достоверной информации о ходе процесса. В зависимости от типа камер отклонения температуры и психрометрической разности в различных точках камеры могут достигать 5-10° и более, поэтому правильный выбор точек контроля и особенно интенсивная равномерная циркуляция сушильного агента позволяет создать рациональный режим сушки.

Основным показателем, характеризующим режим сушки, является психрометрическая разность, допускаемые отклонения которой определяют допустимые отклонения температуры, так как обычно режим регулируется по показаниям «сухого» и «мокрого» термометров.

Исходя из анализа режимов сушки пиломатериалов допустимые динамические отклонения от средней психрометрической разности составляют + 1,5 ÷ 2 °С, ГОСТ 19773-74 допускает погрешность температуры, равную ±2 °С. Пределы изменения влажности в камере 20-100 %, пределы изменения температуры 0-150 °С. В качестве датчиков в системах контроля применяют медные ТСМ и платиновые ТСП термометры сопротивления.

Первоочередная задача автоматического регулирования процесса сушки - стабилизация режима. Для этого устанавливаются регуляторы, обеспечивающие поддержание температуры и относительной влажности на заданном уровне. Тип регулятора и параметры настройки выбирают с учетом статических и динамических свойств сушильных камер и требований, предъявляемых к системе регулирования.

Основным фактором, препятствующим интенсификации процесса сушки. древесины, является внутреннее напряжение древесины. Превышение критических значений этих напряжений в процессе сушки приводит к образованию трещин и короблению, что резко ухудшает качественные характеристики сырья. Полные внутренние напряжения, наблюдаемые в поперечном сечении высушиваемого сортимента, равны алгебраической сумме влажностных напряжений и остаточных напряжений от необратимых деформаций. Динамическое развитие внутренних напряжений в процессе сушки представлено на рис. 1, а.

В начальный период сушки переход влажности ΔW по сечению сортимента интенсивно нарастает и соответственно быстро растут влажностные напряжения σвл в результате усушки поверхностных слоев. В этот период полные напряжения σполн имеют знак влажностных, так как остаточные σост напряжения растут незначительно. Точность регулирования температуры и влажности в этот период должна быть высока настолько, чтобы полные напряжения σполн не превысили предел прочности древесины σдр, σполн ≤ σдр.доп.

После достижения влажностными напряжениями максимальных значений начинается следующий этап сушки, для которого характерно значительное уменьшение влажностных напряжений σвл. С некоторого момента времени t σполн начинают принимать знак остаточных напряжений и монотонно приближаться к значению последних. На этом этапе сушки менее жестки требования к точности регулирования температуры и влажности, что следует учитывать при выборе регуляторов и систем автоматического регулирования. Определение динамических характеристик, связывающих входные и выходные параметры, может быть выполнено аналитически или экспериментально. На рис. 1, б представлена зависимость коэффициента теплообмена av и коэффициента теплопередачи kB от размера штабеля по ширине и скорости движения теплоагента. Эти зависимости используют для определения постоянной времени сушильных камер.

2.Лесосушильная камера как объект регулирования

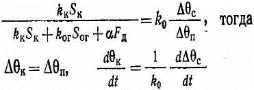
Количество тепла, передаваемое от калорифера в камеру за время dt определяется уравнением теплового баланса



где kи - коэффициент теплопередачи, калорифера, ккал/м2.град; SK - поверхность калорифера, м2; θп и θс - температура пара в калорифере и агента сушки в камере, °С.

Рассматривая динамику объекта по каналу «температура паратемпература агента сушки в камере», предполагают, что температура агента сушки по объему одинакова и отклонения температуры пара небольшие:

θп = θп.о + QΔп

Тепло, передаваемое от пара, расходуется на нагрев калорифера сМmМd θк, металла в камере cMmMdθс , на покрытие потерь korSor (θк - θнар) dtK и на теплообмен с древесиной

д = (θк - θд) dt.

Рис. 1. Характеристики процессе сушки:

а - развитие внутренних напряжений; б - изменение коэффициентов теплообмена и теплопередачи

Уравнение теплового баланса запишется:

(θп.о + Δθп -θс) dt = cMmКdθK + cMmHdθк + korSor (θс - θнар) dt + аSд(θс-- θд) dt. (1)

Перепишем уравнение (1) в виде

(θп.о + Δθп -θс) = cMmК(dθK)/dt + cMmМ(dθс)/dt + korSor (θс -

θнар)+ аSд (θс- θд), (2)

где см - теплоемкость металла; mк - масса металла в камере, кг; Sor - поверхность ограждений, м2; θнар - температура внешней среды, °C; kor - средний коэффициент теплопередачи ограждений; а - коэффициент теплообмена древесины в процессе сушки; Sд - поверхность древесины, м2; θд - температура древесины.

В установившемся режиме, когда dθк/dt = 0, уравнение (2) примет вид:

(θп.о - θс.о) = korSor (θсо - θнар) + аSд (θсо - θд). (3)

При небольших изменениях температуры агента сушки в камере ед = const.

Из уравнений (2), (3) получим


Обозначим

при

уравнение (4) примет вид:


где Т - постоянная времени.

Из уравнения (5) очевидно, что по каналу «температура паратемпература сушильного агента» в камере объект является инерционным звеном.

Рассмотренная математическая модель не учитывает время запаздывания в реальных условиях. Поэтому модель можно записать в общем виде


Таким образом, камера периодического действия может быть представлена последовательным включением апериодического звена и звена чистого запаздывания.

При выводе уравнений принять, что при малых изменениях температуры агента сушки в камере, за короткие промежутки времени, температура древесины остается постоянной. В этом случае теплоемкость древесины не оказывает влияния на инерционность камеры (постоянную времени).

3.Модель камеры сушки

Основными регулируемыми величинами являются влажность высушенных лесоматериалов и температура агента сушки. На эти параметры влияют количество (объем) V и габариты L, порода П, Wн влажность сырых лесоматериалов, количество теплоты QI или температура теплоносителя (пара) tп и скорость циркуляции сушильного агента υ.

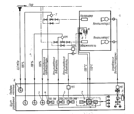
Рис. 2. Функциональная схема автоматической системы контроля и регулирования параметров сушильной камеры

Процесс сушки протекает при взаимосвязанности параметров. Объект обладает большой емкостью, незначительным запаздыванием и медленным изменением нагрузки, когда τ/Т <0,2. Наиболее рациональными системами регулирования являются позиционные системы. Автоматическое управление сушки древесины в сушильных камерах ограничивается применением систем автоматического регулирования параметров: сушильного агента (температуры и влажности), высушиваемого материала (по влажности пиломатериалов), усадки.

Наиболее широко применяется система автоматической стабилизации (регулирования) температуры сушильного агента tc и его влажности Wc.

Регулирование температуры и влажности по системе автоматической стабилизации осуществляется как несвязанное по отдельным каналам. Несмотря на недостатки системы регулирования по косвенным показателям, она нашла применение в промышленности и оправдывает себя при эксплуатации. Функциональная схема автоматической стабилизации параметров процесса сушки в камерах периодического действия представлена на рис. 2. При интенсификации процессов сушки данные системы не могут гарантировать оптимизацию режимов ввиду неоднозначной и слабо изученной зависимости между температурой, влажностью сушильного агента и влажностью пиломатериалов в камере. Поэтому разрабатываются и внедряются в производство системы автоматизации с контролем состояния материалов в процессе сушки.

Стандартные режимы сушки предусматривают контроль переходной влажности древесины 30 и 20 % и конечную влажность 8-6 %. В некоторых случаях требуется контроль начальной влажности, которая изменяется от 20 до 100 %.

Сушильные камеры обычно строят блоками по нескольку штук. Поэтому наиболее перспективно применение централизованных многоканальных систем регулирования, в которых при помощи обегающего устройства регулятор поочередно подключается к соответствующим датчиками температуры, влажности и регулирующим органам каждой камеры.

В многоканальных системах предусматривают блоки задатчиков, позволяющие устанавливать режимы по температуре и влажности для каждой камеры. Блок-схема многоканального регулятора с дистанционным управлением устройством контроля и управления приведена на рис. 3. В автоматическом режиме коммутационное устройство КУ поочередно подключает к измерительному прибору ИРП тот или иной канал регулирования сигналов, представленный в виде импульсов, сравнивается с опорным сигналом генератора импульсов ГИ, результат сравнения подается в распределитель Р, управляющий исполнительными механизмами. Оператор может перейти на дистанционный режим управления через устройство дистанционного управления. Используя ручной переключатель, он может контролировать температуру и влажность сушильного агента в каждой камере и воздействовать на исполнительные механизмы ИМ.

Для создания многоканальных систем применяют выпускаемые промышленностью машины централизованного контроля и регулирования.

Значительно расширяется производство микропроцессоров и микроЭВМ. Низкая стоимость, малые габариты, надежность, высокое быстродействие, достаточный объем памяти, возможность несложного соединения с измерительными и исполнительными устройствами - все это указывает на реальную перспективу использования микропроцессоров и микроЭВМ в централизованных системах контроля и регулирования технологическими параметрами процессов сушки в камерных сушилках.


Рис. 4. Блок-схема многоканальной системы контроля и регулирования

4.Общие требования к системам контроля и регулирования параметров среды

Приборы контроля и регулирования должны обеспечивать измерение и автоматическое регулирование пара метров режима сушки - температуры и относительной влажности (степени насыщенности) сушильного агента. Дистанционный контроль за параметрами агента сушки должен осуществляться по температуре сухого термометра и психрометрической разности или непосредственно по температуре сухого и смоченного термометров. Для контроля следует использовать:

при сушке пиломатериалов I и II категорий качества - показывающие или самопищущие автоматические мосты;

при сушке пиломатериалов III категории качества - измерительные системы с термометрами сопротивления и логометрами.

В системе автоматического регулирования должно быть предусмотрено:

автоматическое регулирование температуры сухого термометра и психрометрической разности или температур сухого и смоченного термометров;

дистанционный контроль температуры сухого термометра и психрометрической разности или температур сухого и смоченного термометров;

ручное и дистанционное управление регулирующими органами;

измерение степени открытия регулирующих органов и сигнализация о знаке отклонения регулируемого параметра по каждой из камер (одно- временно или поочередно).

В многоканальных системах контроль и регулирование каждого параметра в каждой из камер осуществляется независимо от работы других каналов. Заданное значение параметра устанавливается по каждому каналу и может быть изменено в процессе работы прибора. Для камер с реверсивной циркуляцией необходимо предусматривать автоматическое устройство для реверсирования.

Требования к точности автоматического регулирования устанавливаются стандартами на режимы сушки, по которым допустимые погрешности поддержания температуры и психрометрической разности следующие: в камерах непрерывного действия ±3 ос по температуре и ± 1 оС по психрометрической разности; в камерах периодического действия ±2 оС по температуре и ± 1 оС по психрометрической разности. Эти величины относятся к статическим (установившимся) отклонениям при регулировании параметров среды и к точности контроля параметров.

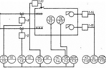
На рис. 5. приведена функциональная схема автоматизации, выполненная в соответствии с изложенными требованиями. Температуру и степень насыщенности сушильного агента контролируют с помощью сухого и смоченного термометров сопротивления, которые посылают сигналы в измерительно-регулирующее устройство. Если регулируемый параметр отклоняется от заданного, установленного с помощью задачников БЗ, подается сигнал на выходные реле БР. Исполнительные механизмы управляются автоматически регулятором (через блок реле БР) и вручную с помощью переключателей ПУ и ключей дистанционного управления КУ на щите управления. Степень открытия регулирующих органов контролируется указателями положения, расположенными на щите управления.

В системе имеется устройство для автоматического программного управления вентиляторами камеры, которое располагается в зависимости от объекта по месту или на щите управления. За давлением пара, подаваемого в камеру, наблюдают по манометру. Пределы измерения и 'регулирования температуры агента сушки 0-100 или 0-150 ОС, относительной влажности - 20-100 %.

Для автоматизации камер применяются одноканальные и многоканальные регуляторы. Одноканальные регуляторы устанавливаются для отдельных камер или при небольшом их числе.

При использовании систем автоматического регулирования температуры и степени насыщенности сушильного агента необходимо:

обеспечить камеры паром давлением 0,3-0,5 МПа в требуемом количестве (для стабилизации давления пара на входе в сушильный блок при колебаниях его в общей магистрали более ± 0,2 МПа рекомендуется устанавливать специальный регулятор давления);

герметизировать камеры;

снабдить камеры исправными и надежными конденсатоотводчиками.

Скорость движения сушильного агента по материалу в штабеле должна

быть не менее 1 м/с. Применять системы автоматического регулирования в камерах с естественной циркуляцией не рекомендуется.

При создании системы автоматического регулирования следует предусматривать необходимую степень ее надежности. Для этого система автоматизации должна гарантировать безопасность труда, быть легко доступной для обслуживания, обеспечивать возможность перехода при неисправности отдельных элементов с автоматического на ручное управление, а также сигнализацию об этой неисправности или отклонении параметров за предельно допустимые уровни.

Обычно надежность оборудования характеризуют временем, в течение которого оно способно безотказно выполнять свои функции. При круглосуточной работе лесосушильных камер в крупных цехах имеется дежурный оператор, при неисправности регулятора переводящий установку на ручное управление. Работу каждой камеры, параметры среды в ней оператор обычно контролирует через 1-2 ч. Поэтому при проектировании необходимо обеспечивать такую надежность системы регулирования, при которой среднее время ее безотказной работы составляет не менее 8 сут. На мелких: предприятиях при небольшом числе камер иногда отсутствует дежурный оператор в ночное время. Тогда требования к надежности повышаются. При этом среднее время безотказной работы составляет 33 дня.

Рис. 5. Функциональная схема автоматического регулирования параметров сушильного агента:

- термометры сопротивления; 2 - измерительно-регулирующее устройство; 3 - ключ управления; 4 - переключатель управления; 5 - указатель положения, 6 - манометр: 7 - исполнительный механизм; 8 - шибер; 9 - устройство для автоматического программного управления вентиляторами камер

лесосушильный камера регулятор

Важным фактором при определении рационального уровня автоматизации является ее экономическая эффективность, поэтому при проектировании системы необходимо сопоставлять затраты на реализацию и возможный получаемый технико-экономический эффект.

Так как экономический эффект при внедрении автоматического регулирования процесса сушки древесины заключается в увеличении производительности камер (на 10-15 %) и улучшении качества сушки (сокращение пересортицы, брака), затраты на автоматизацию зависят от объемов производства.

Например, если принять, что системы автоматической стабилизации параметров среды в лесосушильных камерах уменьшают брак сушки (безвозвратные потери) примерно на 1 %, при средней стоимости 1 м3 пиломатериалов 50 р. для камеры периодического действия со средней производительностью 2500 м3 высушиваемых пиломатериалов в год экономический эффект составит 1250 р. При сроке окупаемости 4 года допустимые затраты на средства автоматизации камеры составят 5000 р. (с учетом стоимости оборудования, монтажа, ремонта и обслуживания). При тех же условиях затраты на автоматизацию современного блока камер. непрерывного действия производительностью 75000 м3 пиломатериалов в год в сумме 150 тыс. р. также окупаются за 4 года.

5.Статические и динамические характеристики лесосушильных камер

Первым этапом проектирования систем автоматического регулирования является разработка структурной схемы, которая определяет регулируемые величины (выходные величины объекта), наиболее полно характеризующие ход рассматриваемого технологического процесса и состояние установки, а также регулирующие воздействия (входные величины объекта). Изменяя последние, компенсируют возмущения технологического режима и поддерживают нужные значения регулируемых величии.

После составления структурной схемы решают вторую задачу - выбирают необходимые средства регулирования, т. е. тип регулятора и его настроек. Решение этой задачи должно обеспечить требуемое качество процесса регулирования, определяющее точность поддержания автоматикой установленного технологического режима, экономическую эффективность автоматизации. Качество регулирования зависит от характера переходного процесса. Для поддержания требуемого переходного процесса необходимо обеспечить определенные динамические свойства системы регулирования, в которую входят регулируемый объект и регулятор.

Динамические характеристики определяются при помощи дифференциальных уравнений объекта (уравнений связи между его входными и выходными величинами) или экспериментально, когда эти уравнения получить трудно. Регулируемые (выходные) величины камеры - это температура сухого и смоченного термометров сушильного агента. Входной величиной как объекта регулирования температуры сушильного агента по сухому термометру является температура (или давление) пара, подаваемого в калориферы, а по смоченному - расход пара через увлажнительные трубы и степень открытия приточно-вытяжных каналов, через которые происходит воздухообмен в камере.


С практически достаточной точностью паровоздушные камеры как объекты регулирования температуры сухого или смоченного термометров структурно можно представить в виде двух последовательно соединенных звеньев: инерционного первого порядка и запаздывающего (рис. 6, а). Уравнение связи между входной и выходной величинами без учета запаздывания имеет вид:

где θк - изменение температуры среды в камере θп - величина возмущающего воздействия (скачок температуры теплоносителя в калорифере); Т1 - постоянная времени объекта; k1 - коэффициент передачи объекта.

Рис. 6. Структурные схемы камеры как объекта регулирования температуры: а _ без учета влияния древесины; б - с учетом влияния древесины

Рис. 7. Кривые разгона камеры «Valmet» при изменении температуры воды в калорифере от 57 до 67 оС:

- экспериментальная; 2 - расчетная по уравнению t=50+4,2[1-О,335е -0,185(τ-O,35)-0,665e-0,834(τ-O,35) ]

Уравнение (6) получено в предположении, что статические характеристики камеры линейны (подтверждается экспериментом при небольших изменениях входной и выходной величин вблизи установившегося состояния) и параметры объекта не изменяются со временем. Однако в процессе сушки динамические параметры несколько изменяются в связи с высыханием древесины. Учесть влияние древесины на структурной схеме можно введением инерционной обратной связи (см. рис. 6, б). Коэффициенты k2 и Т2 определяются свойствами древесины. Уравнение, соответствующее структурной схеме имеет вид:

1.

Динамические

параметры камер








Камера

Обозначения

τo,

Т1,

Т2,

k1

k2

ko



параметров

мин

мин

мин





«Valmet»

Эксперименталь-

,0,28

1,36

4,3

0,33

0,65

0,414

непрерывного

ные (средние)








действия

Расчетные


1,25

4,7

0,335

0,70

0,43

«Sateko» высоко-

Эксперименталь-

0,325

1,45

4,5

0,335

0,643

0,426

температурная

ные











Расчетные


1,39

4,43

0,33

0,63

0,42

ЦНИИМОД-32

Эксперименталь-


3,5

9

0,208

0,8

0,25





ные











Расчетные


4,1


0,26

0,7

0,31


СПЛК-2

Эксперименталь-


4

5

0,29

0,70

0,361





ные











Расчетные


6,7


0,293

0,695

0,368


θ(τ)=kОΔθП (1 +Ае-Р,t + Be-P,t),

где коэффициенты А, В, Р1 И Р2 находятся в соответствии с общепринятой методикой.

Расчетная кривая разгона, построенная на рисунке по уравнению (7) , удовлетворительно совпадает с экспериментальной, что показывает правильность принятой структурной схемы (см. рис. 6).

В табл. 1 приведены динамические параметры некоторых камер, определенные экспериментально из кривых разгона и расчетным путем.

6.Выбор регуляторов, качество регулирования

В большинстве случаев тепловые процессы автоматизируются при помощи типовых стандартных регуляторов. В связи с тем, что в сушильных камерах требуется автоматически поддерживать заданные значения температур сухого и смоченного термометров, целесообразно для САР процессов сушки выбирать стабилизирующие регуляторы температуры.

Выходной величиной рассматриваемых объектов является температура сушильного агента, а входной - температура теплоносителя в калорифере. Поэтому в качестве регулирующего воздействия принимается температура теплоносителя (пара или горячей воды).

Характер процесса регулирования зависит от вносимых возмущений. Различают случаи приложения возмущения к входу объекта регулирования (возмущения по нагрузке, вносимые в объект), выходу объекта (возмущения по заданию, вносимые в регулятор). Изменение влажности высушиваемого материала, колебания давления пара и температуры окружающей среды, изменение скорости и направления циркуляции агента сушки представляют собой возмущения по нагрузке, которые являются основными источниками нарушения заданого режима сушки. Эти возмущения в процессе сушки могут достигать величин, эквивалентных 100 %-ному открытию регулирующего органа.

При использовании двухпозиционных регуляторов возмущения вносятся не только по нагрузке, но и самим регулятором, так как регулирующее воздействие на объект принимает два значения: при закрытом вентиле подача тепла равна нулю, а при открытом - максимуму. Регулируемый параметр в этом случае колеблется около заданного значения, а регулирующее воздействие равно 1.

Закон регулирования ориентировочно выбирается по величине отношения времени запаздывания к постоянной времени объекта регулирования τо/Т. Если величина τ0/Т≤0,2, то в САР могут быть использованы релейные регуляторы. Если величина 0,2<τ0/Т<I, то в САР могут быть кроме релейных использованы регуляторы непрерывного действия.

В релейных системах регулирования переходной процесс носит колебательный характер. Регулируемая величина никогда не устанавливается на неизменном уровне, а колеблется около заданного значения Хзад с определенной частотой (период колебаний Та) и амплитудой .Ха. Переход от понижения регулируемого .параметра к повышению и наоборот наступает спустя некоторое время τо после включения регулирующего органа, что является результатом наличия запаздывания в объекте.

Период автоколебаний - и амплитуда являются основными показателями качества двухпозиционного регулирования. Кроме того, важным показателем качества такого регулирования является установившееся отклонение ХУСТ среднего значения регулируемой величины от заданного. Величина ХУСТ зависит от нагрузки объекта. Величины ХУСТ и Ха тем меньше, чем меньше отношение τ0/Т объекта.

Позиционные регуляторы, хотя обладают рядом недостатков, являются наиболее простыми по конструкции и принципу действия, поэтому в первую очередь выбираются для регулирования параметров среды лесосушильных камер, если при этом точность регулирования пара метров удовлетворяет заданным технологическим требованиям.

Для оценки качества двухпозиционного регулирования требуется установить амплитуду колебаний и величину установившегося отклонения температуры. Для систем первого порядка с запаздыванием амплитуду колебаний можно определить в зависимости от параметров объекта и регулятора по следующей формуле:


где Ха - амплитуда колебаний; k0 - коэффициент передачи объекта; τо - запаздывание; Т1 - постоянная времени; бх -нечувствительность регулятора; у - регулирующее воздействие.

Рис. 8. Диаграмма для определения амплитуды колебаний при двухпозиционном регулировании:

- бх =0; 2 - бх-0.05kоУ; 3 - бх=0.lk ОУ; 4 - бх=0.2kО У; 5 - бх=0.3kо У

На рис. 8 построены кривые, вычисленные на основании уравнения (8) и позволяющие определять амплитуду колебаний по отношению τ0/Т объекта и величине нечувствительности бх регулятора. Из рис. 8 видно что увеличение времени запаздывания и зоны нечувствительности приводи; к росту амплитуды колебаний. Кривые на рис. 8 могут быть использованы для практических расчетов позиционных систем автоматического регулирования, отличающихся переходной характеристикой теплового инерционного звена с запаздыванием независимо от вида регулируемой величины и конструктивного выполнения регулятора.

По уравнению (8) определяется средняя амплитуда колебаний при симметричной характеристике регулятора, что соответствует Xзад =0,5. В общем случае положительная и отрицательная амплитуды колебаний регулируемой величины не равны между собой и среднее значение регулируемой величины отличается от заданного на величину установившейся (постоянной) погрешности Хуст . Это объясняется тем, что положительная амплитуда колебаний определяется притоком энергии, а отрицательная - стоком энергии. Следовательно, установившаяся погрешность регулирования зависит от нагрузки объекта (или от задания). В первом приближении можно принять, что при бх-→О


На практике сложно определять нагрузку для лесосушильных камер, так как относительная величина Хзад обычно неизвестна. Поэтому можно определять установившееся отклонение по значениям включенного Т ВИЛ и выключенного ТВЫНЛ состояний регулирующего органа, которые в свою очередь можно определять при записи положений этого органа в процессе автоматического регулирования. Тогда Хуст приближенно определяется по формуле

Применение 'для регулирования процесса сушки древесины многоканальных регуляторов требует правильного выбора времени обегания, так как оно влияет на качество регулирования. При увеличении времени обегания амплитуда колебаний растет, причем оценить минимальную амплитуду можно по формуле (8), принимая запаздыванием сумму τ0+ТЦ, где ТЦ - цикл обегания.

Проанализировав качество двух позиционного регулирования, можно сделать следующие выводы:

. Для регулирования температуры агента сушки возможно применение двухпозиционных регуляторов. При этом в среднем для сушильных камер точность поддержания заданных значений температуры на уровне ±2 оС можно' получить с регуляторами, нечувствительность которых не превышает 0,5 оС.

. При использовании многоканальных регуляторов, чтобы значительно не ухудшить качество регулирования, время обегания должно выбираться в пределах (0,5-1) τ0. Амплитуда колебаний регулируемой величины в среднем возрастает на 10-20 %. Для лесосушильных камер время обегания рекомендуется выбирать не более 1--2 мин.

. Чтобы не ухудшить качество позиционного регулирования, следует применять малоинерционные преобразователи температуры с постоянной времени в условиях камер не более 1-2 мин.

. Для уменьшения установившейся погрешности необходимо настраивать систему регулирования так, чтобы нагрузка соответствовала 50 %.

7. Расчетная часть

Обосновать повышение энергетической эффективности лесосушильных камер при предпроизводственных затратах 495 тыс. рублей, если ассигнования на приобретение вычислительной техники и комплектующего оборудования составляют 287,5 тыс. рублей. Структура и размер предпроизводственных затрат представлены в таблице 1.

Таблица 1

Статьи расхода

Размер предпроизводственных затрат, тыс.руб.


всего

На научные исследования

экспериментальные работы

конструкторские работы

изготовление образцов

Материалы

30

0,5

1,25

1,25

27

Топливо

1

-

-

-

1

Зар. плата

20

10

2,5

2,5

5

Амортизация

6,25

-

-

-

6,25

Накладные расходы

16,25

8

1,5

1,75

5

Прочие расходы

6,5

1,25

1,25

0,75

3,25

Итого

80

19,75

6,5

6,25

47,5


Решение:

Общая сумма капитальных затрат составит по формуле:

Кв = Ка + Км + Кп + Кр + Зп

Кв = 495 + 80 = 575 тыс. руб.

Суммарные текущие затраты в расчете на квартал составят:

Зэ = За + Зтр + Зоп + Зэн + Зэп

Зэ = 287,5∙0,1 + 287,5∙0,04 + 17,5 +6,25 + 3,5 = 67,5 тыс. руб.

Из расчета среднепрогрессивного суточного выпуска изделия №1,2(таблица 2,3) вычислим прирост производства:

 - для изделия № 1

 - для изделия № 2

В этих условиях суммарный прирост производства достигает:


Таблица 2 - Изделие №1

месяцы

Выпуск, тыс.м2

Число рабочих дней

Среднесут. выпуск, тыс.м2

Показатели прогрессивного уровня





Выпуск, тыс.м2

Число дней

Среднесут. выпуск, тыс.м2

Январь

1115

31

42,3

1290

31

42,5

Февраль

1050

29

42,6

1206

29

42,9

Март

1110

31

42,25

1280

31

42,5

итого

3275

91

42,38

3776

91

42,63


Таблица 3 - Изделие №2

месяцы

Выпуск, тыс.м2

Число рабочих дней

Среднесут. выпуск, тыс.м2

Показатели прогрессивного уровня





Выпуск, тыс.м2

Число дней

Среднесут. выпуск, тыс.м2

Январь

1200

31

41,3

1189

41,5

Февраль

1150

29

41,6

1145

29

41,9

Март

1198

31

41,25

1190

31

41,3

итого

3548

91

41,38

3524

91

41,56


%

Таким образом, коэффициент роста объема производства в условиях функционирования АСУП составит:

Расчет возможного сокращения затрат сырья и материалов по отдельным изделиям, используются данные о помесячных затратах.

С учетом полученных фактического и среднепрогрессивного удельных коэффициентов возможная экономия затрат сырья и материалов по изделию №1 составит:

Эм = (Рсф - Рсп)В или Эм1 = (1,65 - 1,63) 835880 = 16717,6 руб.,

а снижение затрат:

 

равно

С учетом полученных фактического и среднепрогрессивного удельных коэффициентов возможная экономия затрат сырья и материалов по изделию №2 составит:

Эм = (Рсф - Рсп)В или Эм2 = (1,66 - 1,59) 786865 = 55080,55 руб.,

а снижение затрат:

 

равно

При условии, что вычисленное аналогичным путем снижение затрат по изделию №2 достигает 0,031, а также с учетом удельного веса указанных видов продукции в общем объеме производства (изделия №1 - 0,68%, №2 - 0,46%) суммарное снижение затрат составит:


Таблица 4-Изделие №1

месяцы

Затраты сырья и материалов, руб

Выпуск продукции, кг

На 1кг продукции, руб

Показатели среднепрогрессивного уровня





Затраты всего, руб

Выпуск продукции, кг

На 1кг продукции, руб

Январь

565056

226451

1,56

565056

226451

1,56

Февраль

623265

306843

1,70

-

-

-

Март

648904

302586

1,70

648904

302586

1,70

итого

1837225

835880

1,65

1213960

529037

1,63


Таблица 5-Изделие №2

месяцы

Затраты сырья и материалов, руб

Выпуск продукции, кг

На 1кг продукции, руб

Показатели среднепрогрессивного уровня





Затраты всего, руб

Выпуск продукции, кг

На 1кг продукции, руб

Январь

575032

300432

1,80

-

-

-

Февраль

645322

254322

1,55

645322

254322

1,55

Март

534212

232111

1,63

534212

232111

1,63

итого

1754566

786865

1,66

1179534

486433

1,59


Из данных предприятия (таблица 6), в среднем за квартал на 1т изделия №1 приходилось 0,144 т отходов. Их среднепрогрессивный уровень составлял 0,138 т, что обеспечивает возможность уменьшения отходов по изделию №1 на

∆От1 = (0,144 - 0,138) 4753 = 28,5т.

Аналогичные расчеты по изделию №2 показали возможное сокращение отходов в размере 24,06т.

∆От2 = (0,153 - 0,148) 4813,5 = 24,06т.

В результате общее сокращение отходов достигает

∆От = 28,5 + 24,06 = 52,56т.

В соответствии с данными за пять предшествующих лет производительность труда рабочих возросла в 1,341 раза, а средняя зарплата - в 1,156 раза.

Таблица 6-Изделие №1

месяцы

Выпуск продукции, т

Количество отходов

Показатели среднепрогрессивного уровня



Всего, т.

На 1т продукции

Выпуск продукции, т

Количество отходов






Абсолютное, т.

На 1т продукции

Январь

1654,5

187,5

0,156

-

-

-

Февраль

1521,5

196,6

0,134

1521,5

196,6

0,134

Март

1577,0

276,1

0,143

1577,0

276,1

0,143

итого

4753

660,2

0,144

3098,5

472,7

0,138


Таблица 7-Изделие №2

месяцы

Выпуск продукции, т

Количество отходов

Показатели среднепрогрессивного уровня



Всего, т.

На 1т продукции

Выпуск продукции, т

Количество отходов






Абсолютное, т.

На 1т продукции

Январь

1663,4

236,3

0,142

1663,4

236,3

0,142

Февраль

1586,6

154,2

0,165

-

-

-

Март

1563,5

189,5

0,154

1563,5

189,5

0,154

итого

4813,5

580

0,153

3226,9

425,8

0,148


В этих условиях на каждый пункт прироста первой прирост второй составит:

  

  

Заключение

При выполнении данной курсовой работы я изучила принципы действия лесосушильных камер на лесопильно-деревообрабатывающем предприятии. Я ознакомилась со структурами и функциями систем управления, овладела методами анализа сложных систем регулирования. Был проведен анализ на повышение энергетической эффективности лесосушильных камер на ЛДП.

Список используемой литературы

1.       Богданов Е.С., Козлов В.А., Пейч Н.Н. Справочник по сушке древесины. Изд. 3-е, перераб.-М.: Лесн. пром-сть, 1981.-192 с.

.        Ползик П.В., Молчанов Л. Г., Вороницын В.К. Автоматика и автоматизация производственных процессов деревообрабатываю

щих предприятий: Учебник для вузов.-М.: Лесн. пром.-сть. - 1987.-440

.        Петровский В.С. Автоматизация лесопромышленных предприятий. [Текст]: Учеб. пособие для студ. сред. проф. образования / В.С. Петровский; Под ред. В.А. Втюрина. - М.: Издательский центр «Академия», 2005. - 304с.

.        Петровский В.С., Харитонов В.В. Автоматизация производственных процессов лесопромышленных предприятий.[Текст]: Учебник для вузов. М.: Лесная промышленность,1990. - 472 с.

.        Пижурин А.А., Блитштейн А.З., Суриков В.Т. Электрооборудование предприятий лесной и деревообрабатывающей промышленности. [Текст]: Учебник для техникумов. М.: Лесная промышленность,1965. - 360 с.

Похожие работы на - Повышение энергетической эффективности лесосушильных камер на лесопильно-деревообрабатывающих предприятиях

 

Не нашли материал для своей работы?
Поможем написать уникальную работу
Без плагиата!
Без нейросетей!